Texet TB 550 Schematics. Www.s Manuals.com. Schematics

User Manual: E-book reader Texet TB-550 - Service manuals and Schematics, Disassembly / Assembly. Free.

Open the PDF directly: View PDF PDF.
Page Count: 12

5
5
4
4
3
3
2
2
1
1
D D
CC
BB
A A
DC/DCX5RX7R
POWER
Option, Clock
RTC
VCC_3V3PH
IPSOUT
IPSOUT
RESET#
VCC_3V3PH
TWI-SCK
VCC
VCC
IPSOUT
BAT
DCIN
USBVBUS
LDO2
DRAM-GNDAGND GND
DCIN
TWI-SDA
USBVBUS
POWERON
BAT
RTC_VCC
IPSOUT
VDD
DRAM-VCC
VCC
GND
TWI-SDA
TWI-SCK
POWERON
IPSOUT
X24M-OUT
X24M-IN LOSCI
LOSCO
LOSCI
LOSCO
NMI#
LCD-CN
LCD-CN
GND
VCC
LCD-VCC
GND GND
VCC33
USBVBUS
GND
GND
VCC-5V
VCC
IPSOUT
GND
GND
GND
GND
GND
GND
GND
GND
GND GND
VCC
GND
AVCC
VDD
DRAM-VCC
DRAM-GND
GND
AGND
GND
GND
GND
GND
GND
LI_BAT
GND
GND
RTC_VCC
VCC
GND
GND
GND
GND
GND
USBVBUS9
NMI#4,6
RESET# 4,5
TWI-SDA4,6,8,9
TWI-SCK4,6,8,9
NMI#4,6
TWI-SDA4,8,9
TWI-SCK4,8,9
PA-SHDN#
4
VMIC 6
BOR0 10,9
BOR1 4
ALCDHSYNC4
L10 2.2uH L4D10L10 2.2uH L4D10
TX1
32.768K
OSCILLATOR-2X6
TX1
32.768K
OSCILLATOR-2X6
12
3
BA1
BAT+
BA1
BAT+
U22
AXP199
QFN48
U22
AXP199
QFN48
SDA
1
SCK
2
N_RSTO/GPIO5
3
N_OE
4
PWROK
5
N_VBUSEN
6
VIN2
7
LX2
8
PGND2
9
DCDC2
10
LDO3
11
LDO2
12
LDOIN 13
VIN3 14
LX3 15
PGND3 16
DCDC3 17
GPIO1/PWM1 18
GPIO0/LLDO 19
GPIO2/PWM2 20
APS 21
AGND 22
PWRON 23
BIAS 24
VREF 25
V25 26
PWREN/GPIO6 27
LDO128
SYSEN/GPIO7 29
BACKUP 30
VBUS 31
ACIN1 32
ACIN2 33
BAT134
BAT235
CHGLED/GPO0 36
TS
37
IPSOUT1
38
IPSOUT2
39
EXTEN
40
BATSENSE/GPIO3
41
CHSENSE/GPIO4
42
CHGATE
43
VIN1
44
LX1
45
PGND1
46
DCDC1
47
IRQ
48
GND
49
C44
1nF
C0603
C44
1nF
C0603
R112
510R
R0603
R112
510R
R0603
C49
1nF
C0603
C49
1nF
C0603
BK1
BAT-
BK1
BAT-
PS
TP
PS
TP
R108
2K
R0603
R108
2K
R0603
X6
NC
OSCILLATOR-2X6
X6
NC
OSCILLATOR-2X6
1
3
2
U3
PCF8563/AT8563
MSOP-8
U3
PCF8563/AT8563
MSOP-8
OSCI
1
OSCO
2
nINT
3
GND
4SDA 5
SCL 6
CLKO 7
VDD 8
TC1 30pF C0603TC1 30pF C0603
ESD20
ESD-0402-LF
ESD
ESD20
ESD-0402-LF
ESD
R77
10k
R0603
R77
10k
R0603
VCC33
TP
VCC33
TP
C39
0.22uF
C0603
C39
0.22uF
C0603
CE59
1uF
C0603
CE59
1uF
C0603
USB5V
TP
USB5V
TP
D4 IN4148
SOD123
D4 IN4148
SOD123
R83
2K
R0603
R83
2K
R0603
C43
10uF
C0805
C43
10uF
C0805
AVCC
TP
AVCC
TP
C38
10uF
C0805
C38
10uF
C0805
C143
1nF
C0603
C143
1nF
C0603
C40 4.7uF C0805C40 4.7uF C0805
TC2
1uF
C0805
TC2
1uF
C0805
C48
10uF
C0805
C48
10uF
C0805
R24 10K R0603R24 10K R0603
C148
10uF
C0805
C148
10uF
C0805
SW13
RESET
SS305
SW13
RESET
SS305
CE52
0.1uF
C0603
CE52
0.1uF
C0603
R26 10K R0603R26 10K R0603
C31
NC
C0603
C31
NC
C0603
C45 10uF
C0805
C45 10uF
C0805
U16 EM78P
SO8
U16 EM78P
SO8
VDD
1
OSCI
2
OSCO
3
REST
4SCL 5
SDA 6
INT 7
VSS 8
+
C147
10uF
C0805
+
C147
10uF
C0805
12
ESD21
ESD-0402-LF
ESD
ESD21
ESD-0402-LF
ESD
VDD
TP
VDD
TP
L6 4.7uH L4D10L6 4.7uH L4D10
C47
10uF
C0805
C47
10uF
C0805
R81
100K
R0603
R81
100K
R0603
L114.7uH L4D10
L114.7uH L4D10
R21
10K
R0603
R21
10K
R0603
R23 100RR0603R23 100RR0603
R78
0R R0603
R78
0R R0603
C150
1nF
C0603
C150
1nF
C0603
C145
100pF
C0603
C145
100pF
C0603
C146
4.7uF
C0805
C146
4.7uF
C0805
R110
1R
R0603
R110
1R
R0603
C68
1uF
C0603
C68
1uF
C0603
C41
1uF
C0603
C41
1uF
C0603
R22
1K
R0603
R22
1K
R0603
R60 NC/0R R0603R60 NC/0R R0603
R25
200K_1%
R0603
R25
200K_1%
R0603
Q6
NC
SOT23 Q6
NC
SOT23
SW12
POWER
SW2P_SMALL_5MM
SW12
POWER
SW2P_SMALL_5MM
C37
0.22uF
C0603
C37
0.22uF
C0603
C46
1uF
C0603
C46
1uF
C0603
C144
10uF
C0805
C144
10uF
C0805
CE46
4.7uF
C0805
CE46
4.7uF
C0805
L5
BEAD-2A
L1206
L5
BEAD-2A
L1206
1
2
C30
NC
C0603
C30
NC
C0603
C42
1uF
C0603
C42
1uF
C0603
VCC
TP
VCC
TP DRAM-VCC
TP
DRAM-VCC
TP
5
5
4
4
3
3
2
2
1
1
D D
CC
BB
A A
Drawn Approved
F1E200_STD_V1.0_M
noitpircseDveR Date Checked
Power Supply
01 COVER
02 BLOCK
03 PIO ASSIGNMENT
04 MAIN CHIP
05 BESIDE MAIN CHIP
06 POWER & RTC
07 SDR & NAND & NOR
08 HP & TV & FM & MIC & CARD
09 USB & KEY & IR & G-SENSOR
10 LCD
Scheme Spec
Notes
Unless Otherwise Stated
Schematics Index:
FLASH:NAND or NOR, 3.3V
DRAM: DDR, 16M*16 & 32M*16, 2.5V
Key: 6,L、R、Vol+、Vol-、OK、MENU
Power:DCIN, 5V,2A;BAT,4.2V,1000mA
USB: OTG
Card: SD/MMC
TVout:CVBS
Headphone, MIC, FM, IR, RTC
DC1: 3.3V,1200mA,Periphery device
LDO1:3.3V,30mA, RTC
DC3: 2.5V,600mA, DDR
DC2: 1.2V,1600mA,Core
LDO2:3V, 200mA, Analog
F1E200_STD_V1.1
Title
veRrebmuN tnemucoDeziS
teehS:etaD of
<Doc>
COVER
A3
2 11
Title
veRrebmuN tnemucoDeziS
teehS:etaD of
<Doc>
COVER
A3
Title
veRrebmuN tnemucoDeziS
teehS:etaD of
<Doc>
COVER
A3
5
5
4
4
3
3
2
2
1
1
DD
CC
BB
AA
BLOCK
Title
veRrebmuN tnemucoDeziS
teehS:etaD of
BLOCK
A3
Title
veRrebmuN tnemucoDeziS
teehS:etaD of
BLOCK
A3
Title
veRrebmuN tnemucoDeziS
teehS:etaD
>coD<
BLOCK
A3
5
5
4
4
3
3
2
2
1
1
D D
CC
BB
A A
PIO ASSIGNMENT
Title
veRrebmuN tnemucoDeziS
teehS:etaD of
PIO ASSIGNMENT
A4
Title
veRrebmuN tnemucoDeziS
teehS:etaD of
>coD<
PIO ASSIGNMENT
A4
Title
veRrebmuN tnemucoDeziS
teehS:etaD of
>coD<
PIO ASSIGNMENT
A4
5
5
4
4
3
3
2
2
1
1
D D
CC
BB
A A
Touch Panel
Head Phone Block
Micro Phone Block
DRAM Block
Clock Block
FM Block
USB Block
LCD Block
NAND Block
MAIN CHIP
Card
TWI Block
Others
HPCOM
HPCOM-FB
PIOA8
NMI#
GND
NMI#
NCE1#
NRB0#
HPR
PIOA6
HPL
MICIN
NCE0#
ALCDD[23:18]
X24M-IN
ND[7:0]
X24M-OUT
ALCDD[15:10]
ALCDCLK
USB-DP
USB-DM
NALE
NCLE
NWE#
NRD#
ALCDD[7:2]
AGNDVDD
USB-VCC
GND
PLL-VDD
DRAM-GND
VCC
DRAM-VCC
HP-VCC
AVCC
ALCDD19
DRAM-VCC
DQ12
DQ11
DQ9
DQ10
DQ8
DQ13
DQ14
DQ15
DQM1
DQS1
ALCDD23
ALCDD22
ALCDCLK
ALCDD21
ALCDD20
DQS0
DRAM-VCC
DQ6
DDR-REF
DQ7
DQM0
DQ5
DQ2
DQ3
DQ4
VDD
RESET#
DA3
DA2
AGND
VCC
USB-DM
USB-DP
DQ0
DQ1
SWE#
DRAM-VCC
SCS#
DA0
RAS#
DA10
BA1
CAS#
BA0
DA1
X24M-OUT
X24M-IN
AGND
HPR
Y2
Y1
X2
X1
LRADC
PLL-VDD
AVCC
VRP
VRA1
VRA2
MICIN
HP-VCC
VCC
VDD
HPL
PIOA8
VDD
CK
CKE
DA8
DA7
DA4
DA5
DA6
DA12
DA11
CKB
PIOA3
PIOA2
PIOA1
PIOA4
PIOA6
VCC
ALCDD14
ALCDD13
ALCDD12
ALCDD11
ALCDD15
ALCDD10
ALCDD18
NRD#
NCE1#
PIOA7
NRB0#
NCE0#
VCC
NWE#
NALE
NCLE
ND1
ND0
ND6
ND7
ND2
ND3
ND4
ND5
ALCDD4
ALCDD5
ALCDD6
ALCDD3
ALCDD2
ALCDD7
X1
Y2
X2
FMINL FMINR
FMINR
FMINL
HPCOM
HPCOM-FB
DQM[1:0]
CK
RAS#
CAS#
SWE#
DDR-REF
CKE
SCS#
DA[12:0]
DQ[15:0]
BA[1:0]
DQS[1:0]
CKB
PIOA2
PIOA3
PIOA5
PIOA1
PIOA4
Y1
PIOA7
VRA2
LRADC
RESET# VRP
VRA1
PIOA0
PIOA5
ALCDHSYNC
DA9
ALCDHSYNC
VDD
USB-VCC
AGND
GND
DRAM-GND
VCC
DRAM-VCC
AVCC
HPCOM 8
HPCOM-FB 8
PWM0 10,9
NMI# 6
NCE1# 7
NRB0# 7
HPR 8
TWI-SDA 6,8,9
TWI-SCK 6,8,9
NCE0# 7
MICIN 8
USB-DP 9
HPL 8
USB-DM 9
ALCDD[23:18] 10
X24M-IN 5 X24M-OUT 5
ND[7:0] 7
ALCDD[15:10] 10
ALCDCLK 10
NALE 7
NWE# 7
NCLE 7
NRD# 7
ALCDD[7:2] 10
PLL-VDD 5
HP-VCC 5
X1 6
Y2 10,9
X2 10
FMINL 8 FMINR 8
CK 7
RAS# 7
CAS# 7
DDR-REF 7
CKE 7
SCS# 7
SWE# 7
DQM[1:0] 7
BA[1:0] 7
DA[12:0] 7
DQ[15:0] 7
DQS[1:0] 7
CKB 7
Y1 6
SD-DAT3 8
SD-CD# 8
SD-DAT0 8
SD-CLK 8
SD-CMD 8
DetVBUS 8
VRA2 5
RESET# 5
LRADC 5,9 VRP 5
VRA1 5
IDDET 8
ALCDHSYNC10
Title
veRrebmuN tnemucoDeziS
teehS:etaD of
MAIN CHIP
A3
Title
veRrebmuN tnemucoDeziS
teehS:etaD of
MAIN CHIP
A3
Title
veRrebmuN tnemucoDeziS
teehS:etaD of
>coD<
MAIN CHIP
A3
R6 0R
R0603
R6 0R
R0603
R12 0R
R0603
R12 0R
R0603
R16 0R
R0603
R16 0R
R0603
R4 0R
R0603
R4 0R
R0603
R3 NC
R0603
R3 NC
R0603
E200
U1
E200
U1
UDQM
97
UDQS
98
DQ8
99
DQ9
100
DQ10
101
DQ11
102
DQ12
103
DQ13
104
DQ14
105
DQ15
106
DRAM_VCC3
107
CKB
108
CK
109
CKE
110
DA12
111
DA11
112
DA9
113
DA8
114
DA7
115
DA6
116
DA5
117
DA4
118
VDD3
119
PIOA8
120
NMI#
121
PIOA3
122
PIOA2
123
PIOA0
124
PIOA1
125
PIOA5
126
PIOA4
127
PIOA6
128
PLL_VDD 64
Y2 63
Y1 62
X2 61
X1 60
LRADC 59
FMINR 58
FMINL 57
AVCC 56
VRP 55
VRA1 54
VRA2 53
MICIN 52
AGND 51
HPR 50
HPCOM 49
HPCOM-FB 48
HPVCC 47
HPL 46
TV-Y 45
VCC3 44
VDD1 43
PIOA9 42
PIOA10 41
LCLK 40
LVSYNC 39
LHSYNC 38
LDE 37
LD23 36
LD22 35
LD21 34
LD20 33
DDR_REF 96
DRAM_VCC295
LDQM94
LDQS93
DQ7 92
DQ6 91
DQ5 90
DQ4 89
DQ3 88
DQ2 87
DRAM_VCC186
DQ1 85
DQ0 84
SWE# 83
CAS#82
RAS#81
SCS# 80
BA079
BA178
DA10 77
DA0 76
DA1 75
DA2 74
DA3 73
VDD272
UDP0 71
UDM0 70
UVCC 69
RESET#68
PLL_GND 67
OSC24MI66
OSC24MO65
PIOA7
1
NCE1
2
NRB0
3
NCE0
4
VCC1
5
NWE#
6
NALE
7
NCLE
8
NRD#
9
ND7
10
ND6
11
ND5
12
ND4
13
ND3
14
ND2
15
ND1
16
ND0
17
LD2
18
LD3
19
LD4
20
LD5
21
LD6
22
LD7
23
LD10
24
LD11
25
LD12
26
LD13
27
LD14
28
LD15
29
VCC2
30
LD18
31
LD19
32
TAB-GND
129
GNDGND
5
5
4
4
3
3
2
2
1
1
D D
CC
BB
A A
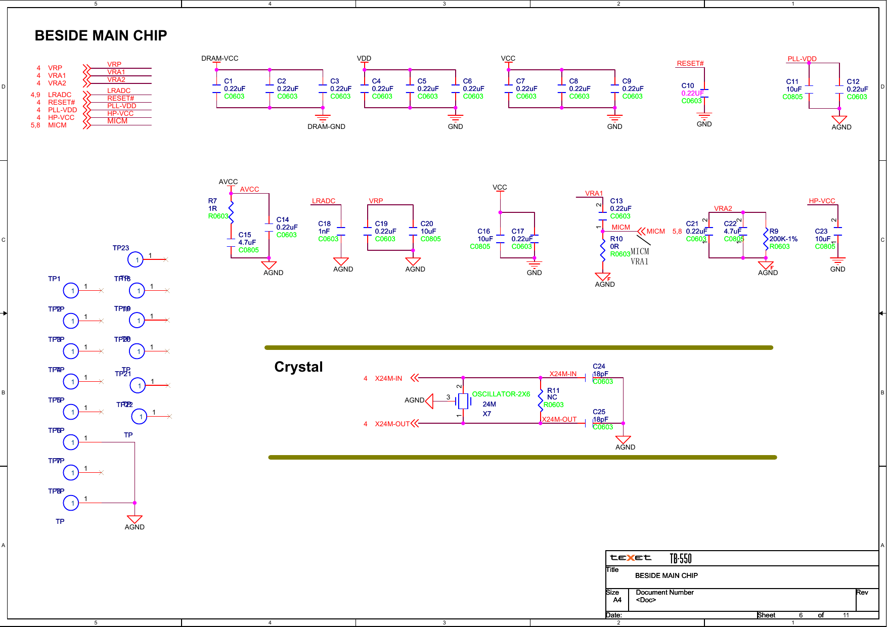
Crystal
MICM
VRA1
BESIDE MAIN CHIP
RESET#
PLL-VDD
LRADC
PLL-VDD
VRP
VRA1
HP-VCC
VRA2
LRADC
MICM
AVCC
VRP HP-VCC
VRA1
VRA2
MICM
X24M-IN
RESET#
X24M-OUT
AGND
AGND GND
VCC
AGND
AGND
DRAM-GND
DRAM-VCC
GND
VCC
GND
VDD
AVCC
AGND AGND GND
AGND
AGND
GND
AGND
RESET#4
PLL-VDD4
VRP4
VRA14
HP-VCC4
VRA24
LRADC4,9
MICM5,8
MICM 5,8
X24M-IN4
X24M-OUT4
Title
veRrebmuN tnemucoDeziS
teehS:etaD of
<Doc>
BESIDE MAIN CHIP
A4
Title
veRrebmuN tnemucoDeziS
teehS:etaD of
<Doc>
BESIDE MAIN CHIP
A4
Title
veRrebmuN tnemucoDeziS
teehS:etaD of
<Doc>
BESIDE MAIN CHIP
A4
R11
NC
R0603
R11
NC
R0603
TP18
TP
TP18
TP
11
C1
0.22uF
C0603
C1
0.22uF
C0603
C17
0.22uF
C0603
C17
0.22uF
C0603
TP19
TP
TP19
TP
11
C7
0.22uF
C0603
C7
0.22uF
C0603
TP4
TP
TP4
TP
11
X7
24M
OSCILLATOR-2X6
X7
24M
OSCILLATOR-2X6
1
3
2
C6
0.22uF
C0603
C6
0.22uF
C0603
C12
0.22uF
C0603
C12
0.22uF
C0603
TP20
TP
TP20
TP
11
C23
10uF
C0805
C23
10uF
C0805
1 2
C22
4.7uF
C0805
C22
4.7uF
C0805
1 2
C2
0.22uF
C0603
C2
0.22uF
C0603
TP7
TP
TP7
TP
11
TP21
TP
TP21
TP
11
C16
10uF
C0805
C16
10uF
C0805
TP2
TP
TP2
TP
11
C4
0.22uF
C0603
C4
0.22uF
C0603
R10
0R
R0603
R10
0R
R0603
TP22
TP
TP22
TP
11
C19
0.22uF
C0603
C19
0.22uF
C0603
TP5
TP
TP5
TP
11
C21
0.22uF
C0603
C21
0.22uF
C0603
1 2
TP23
TP
TP23
TP
11
C13
0.22uF
C0603
C13
0.22uF
C0603
1 2
C20
10uF
C0805
C20
10uF
C0805
C5
0.22uF
C0603
C5
0.22uF
C0603
R9
200K-1%
R0603
R9
200K-1%
R0603
TP8
TP
TP8
TP
11
C18
1nF
C0603
C18
1nF
C0603
TP3
TP
TP3
TP
11
C14
0.22uF
C0603
C14
0.22uF
C0603
C9
0.22uF
C0603
C9
0.22uF
C0603
C10
0.22UF
C0603
C10
0.22UF
C0603
C3
0.22uF
C0603
C3
0.22uF
C0603
C15
4.7uF
C0805
C15
4.7uF
C0805
C24
18pF
C0603
C24
18pF
C0603
C11
10uF
C0805
C11
10uF
C0805
C8
0.22uF
C0603
C8
0.22uF
C0603
TP6
TP
TP6
TP
11
R7
1R
R0603
R7
1R
R0603
C25
18pF
C0603
C25
18pF
C0603
TP1
TP
TP1
TP
11
5
5
4
4
3
3
2
2
1
1
DD
CC
BB
AA
TSOP-48 Nand
NAND
DDR
DQS0, DQS1 DDR
DRAM Mainchip
DDR
DQ[0..15], DQS[0:1], DQM[0:1]
DQ[0..7], DQS0, DQM0
DQ[8..15], DQS1, DQM1
VCC
GND
VCC WP
GND
VSP
VSP
NRB0#
GND
VCC
VCC
GND
WP
NRB0#
GND
NCE0#
ND6
ND7
NALE
GND
NCLE
VCC
VCC
NWE#
ND0
ND1
ND2
NRD#
ND3
ND4
ND5
NCE1#
ND[7:0]
NCE0#
NRD#
NWE#
NALE
NCLE
NCE1# VCC
NRB0#
VCC
GND
GND
VSP
GND
VCC
VCC
GND
WP
NRB0#
GND
NCE1#
ND6
ND7
NALE
GND
NCLE
VCC
VCC
NWE#
ND0
ND1
ND2
NRD#
ND3
ND4
ND5
VCC
DDR-REF
CKE
DRAM_A12
DRAM_A11
DRAM_A10
DRAM_A9
DRAM_A8
DRAM_A7
DRAM_A6
DRAM_A5
DRAM_A4
DRAM_A3
DRAM_A2
DRAM_A1
DRAM_A0
CK
CAS#
RAS#
SCS#
SWE#
DRAM_DQS0
DRAM_DQS1
CKB
DRAM_BA1
DRAM_BA0
DDR-REF
DRAM_DQM1
DRAM_DQM0
DRAM_DQ15
DRAM_DQ14
DRAM_DQ13
DRAM_DQ12
DRAM_DQ11
DRAM_DQ10
DRAM_DQ9
DRAM_DQ8
DRAM_DQ7
DRAM_DQ6
DRAM_DQ5
DRAM_DQ4
DRAM_DQ3
DRAM_DQ2
DRAM_DQ1
DRAM_DQ0
DQS[1:0]
DRAM_DQS[1:0]
CKB
DDR-REF
RAS#
CAS#
CK
SWE#
SCS#
CKE
DA[12:0] DRAM_A[12:0]
DQ[15:0] DRAM_DQ[15:0]
BA[1:0] DRAM_BA[1:0]
DQM[1:0]
DRAM_DQM[1:0]
GND
VCC
GND
VCC
GND
VCC
GND
DRAM-GND
DRAM-VCC
DRAM-VCC
DRAM-GND
DRAM-VCC
DRAM-GND
NRB0#4
ND[7:0]4
NCE0#4
NRD#4
NWE#4
NALE4
NCLE4
NCE1#4
DQS[1:0]4
CKB4
DDR-REF4
RAS#4
CAS#4
CK4
SWE#4
SCS#4
CKE4
DA[12:0]4
DQ[15:0]4
BA[1:0]4
DQM[1:0]4
Title
veRrebmuN tnemucoDeziS
teehS:etaD of
<Doc>
DDR & NAND & NOR
A3
Title
veRrebmuN tnemucoDeziS
teehS:etaD of
<Doc>
DDR & NAND & NOR
A3
Title
veRrebmuN tnemucoDeziS
teehS:etaD of
<Doc>
DDR & NAND & NOR
A3
R38 24
R0603
R38 24
R0603
R28
2K-1%
R0603
R28
2K-1%
R0603
24x4
RN1
RCML08
24x4
RN1
RCML08
18
2 7
3 6
4 5
NAND FLASH X8
U6
TSOP48
NAND FLASH X8
U6
TSOP48
RB2#
6
CE3#
14
NC17 39
IO4 41
NC20 46
RB1#
7
IO0 29
CE4#
15
NC5
20
NC3
3
NC11 26
NC4
11
NC16 35
CE2#
10
RB4#
4NC19 45
NC6
21
VSS2 36
IO7 44
IO2 31
NC14 33
IO5 42
NC10 25
RB3#
5
VCC1
12
NC9
24
NC22 48
NC13 28
ALE
17
WE#
18
VSS3 38
RE#
8
NC7
22
NC21 47
CE1#
9
IO3 32
RES#
1
VSS1
13
NC2
2
NC8
23
CLE
16
VCC2 37
WP#
19
NC18 40
NC12 27
IO1 30
IO6 43
NC15 34
R35 24
R0603
R35 24
R0603
C65
0.22uF
C0603
C65
0.22uF
C0603
R39 24
R0603
R39 24
R0603
C56
0.22uF
C0603
C56
0.22uF
C0603
R36 24
R0603
R36 24
R0603
C53
0.22uF
C0603
C53
0.22uF
C0603
C58
0.22uF
C0603
C58
0.22uF
C0603
NSR1
NC
R0603
NSR1
NC
R0603
24x4
RN4
RCML08
24x4
RN4
RCML08
1 8
2 7
3 6
4 5
C66
0.22uF
C0603
C66
0.22uF
C0603
C54
0.22uF
C0603
C54
0.22uF
C0603
NSR2
NC
R0603
NSR2
NC
R0603
R31 24
R0603
R31 24
R0603
R41
10K
R0603
R41
10K
R0603
C64
0.22uF
C0603
C64
0.22uF
C0603
R32 24
R0603
R32 24
R0603
C57
0.22uF
C0603
C57
0.22uF
C0603
R30 24
R0603
R30 24
R0603
R37 24
R0603
R37 24
R0603
C59
0.22uF
C0603
C59
0.22uF
C0603
NAND FLASH X8
U5
TSOP48
NAND FLASH X8
U5
TSOP48
RB2#
6
CE3#
14
NC17 39
IO4 41
NC20 46
RB1#
7
IO0 29
CE4#
15
NC5
20
NC3
3
NC11 26
NC4
11
NC16 35
CE2#
10
RB4#
4NC19 45
NC6
21
VSS2 36
IO7 44
IO2 31
NC14 33
IO5 42
NC10 25
RB3#
5
VCC1
12
NC9
24
NC22 48
NC13 28
ALE
17
WE#
18
VSS3 38
RE#
8
NC7
22
NC21 47
CE1#
9
IO3 32
RES#
1
VSS1
13
NC2
2
NC8
23
CLE
16
VCC2 37
WP#
19
NC18 40
NC12 27
IO1 30
IO6 43
NC15 34
R34 24
R0603
R34 24
R0603
R42
10K
R0603
R42
10K
R0603
C55
0.22uF
C0603
C55
0.22uF
C0603
R29 24
R0603
R29 24
R0603
C61
0.22uF
C0603
C61
0.22uF
C0603
C62
0.22uF
C0603
C62
0.22uF
C0603
C52
0.22uF
C0603
C52
0.22uF
C0603
R33 24
R0603
R33 24
R0603
U4
DDR_SDRAM
TSOPII-66
U4
DDR_SDRAM
TSOPII-66
VDD1 1
DQ0 2
VDDQ1 3
DQ1 4
DQ2 5
VSSQ1
6
DQ3 7
DQ4 8
VDDQ2 9
DQ5 10
DQ6 11
VSSQ2
12
DQ7 13
NC1 14
VDDQ3 15
LDQS 16
NC2 17
VDD2 18
NC3 19
LDM
20
WE_n
21
CAS_n
22
RAS_n
23
CS_n
24
NC4 25
BA0
26
BA1
27
AP/A10
28
A0
29
A1
30
A2
31
A3
32
VDD3 33
VSS1
34
A4
35
A5
36
A6
37
A7
38
A8
39
A9
40
A11
41
A12
42
NC5 43
CKE 44
CK_p 45
CK_n 46
UDM
47
VSS2
48
VREF 49
NC6 50
UDQS 51
VSSQ3
52
NC7 53
DQ8 54
VDDQ4 55
DQ9 56
DQ10 57
VSSQ4
58
DQ11 59
DQ12 60
VDDQ5 61
DQ13 62
DQ14 63
VSSQ5
64
DQ15 65
VSS3
66
C60
0.22uF
C0603
C60
0.22uF
C0603
C50
0.22uF
C0603
C50
0.22uF
C0603
24x4
RN3
RCML08
24x4
RN3
RCML08
18
27
36
45
24x4
RN2
RCML08
24x4
RN2
RCML08
1 8
2 7
36
45
C51
0.22uF
C0603
C51
0.22uF
C0603
C63
0.22uF
C0603
C63
0.22uF
C0603
R40
2K-1%
R0603
R40
2K-1%
R0603
5
5
4
4
3
3
2
2
1
1
DD
CC
BB
AA
Head Phone & TVOUT
Microphone
FM Module
TF CARD Speaker
Option8 FM
SD-CLK
SD-CMD
SD-DATA0
SD-CD#
VCC
GND
HPIN
HPL
GND
SD-CMD
SD-DATA0
SD-CD#
HPCOM
LOUT
HPL
HPR
HPIN
HPCOM-FB
FMANT
ROUT
FM-SCK
FM-SDA
TWI-SDA
FMANT
FML
FMR
FM_VCC
FMINL
FMINR
FM_CLK
TWI-SCK
SD-DATA0
SD-CD#
SD-DATA3
SD-DATA3
SD-DATA3
FM_VCC
GND
FM_CLK
FM-SCK
FMANT
GNDGND
FM-SDA
SD-CLK
SD-CMD
HPR
GNDGND FML
FMR
VCC
GND
GND
AGND
GND
GND
GND
VCC
IPSOUT
VCC
AGND
AGND
AGND
GND
GND
AVCC
GND
AGNDAGNDAGND
AGND
GND
AGND
AGND
GND
SD-CLK4
SD-CMD4
SD-DAT04
SD-CD#10
MICIN4
VMIC6
MICM5
PA-SHDN#4,9
HPCOM4
HPL4
HPR4
HPCOM-FB4
FMINR4
FMINL4
TWI-SDA4,6,9
TWI-SCK4,6,9
SD-DAT34
Title
veRrebmuN tnemucoDeziS
teehS:etaD of
<Doc>
HP & FM & MIC & CARD & TV
A3
8
Title
veRrebmuN tnemucoDeziS
teehS:etaD of
<Doc>
HP & FM & MIC & CARD & TV
A3
8
Title
veRrebmuN tnemucoDeziS
teehS:etaD of
<Doc>
HP & FM & MIC & CARD & TV
A3
C112
22pF
C0603
C112
22pF
C0603
ESD17
ESD
ESD
ESD17
ESD
ESD
FB3 1K-100M L0603FB3 1K-100M L0603
1
2
SC2
0.1uF
C0603
SC2
0.1uF
C0603
C77 1nf C0603C77 1nf C0603
R48
100K
R0603
R48
100K
R0603
ESD23
ESD
ESD
ESD23
ESD
ESD
J4
MICROSD/TF_SLOT
TF_CARD
J4
MICROSD/TF_SLOT
TF_CARD
DAT3
2
CMD
3
VDD
4
CLK
5
VSS2
6
DAT0
7
DAT1
8
DAT2
1
CD#
9GND 10
gnd1 11
gnd2 12
gnd3 13
ESD5
ESD
ESD
ESD5
ESD
ESD
R45
22R
R0603
R45
22R
R0603
C84
0.39uF
C0603
C84
0.39uF
C0603
FB4 1K-100M L0603FB4 1K-100M L0603
12
ESD1
ESD
ESD
ESD1
ESD
ESD
R52
1R
R0603
R52
1R
R0603
ESD8
ESD
ESD
ESD8
ESD
ESD
SR7 100K R0603SR7 100K R0603
C72
0.1uF
C0603
C72
0.1uF
C0603
R50
20K
R0603
R50
20K
R0603
CN1
SPEAKER
SPK
CN1
SPEAKER
SPK
-
1+
2
C78 0.1uF C0603C78 0.1uF C0603
FFB1
100M-600R
L0603
FFB1
100M-600R
L0603
1 2
R44
22R
R0603
R44
22R
R0603
FB1 1K-100M L0603FB1 1K-100M L0603
12
R49
10K
R0603
R49
10K
R0603
R53 2K R0603R53 2K R0603
C75
2.2uF
C0805
C75
2.2uF
C0805
FC1 394
C0603
FC1 394
C0603
ESD19
ESD
ESD
ESD19
ESD
ESD
FB11
100nH
L0603
FB11
100nH
L0603
1 2
FB8
600R_100M
L0603
FB8
600R_100M
L0603
1 2
C74
1uF
C0603
C74
1uF
C0603
C81
3.3nF
C0603
C81
3.3nF
C0603
U9
FT690 MSOP-8
U9
FT690 MSOP-8
SHDN#
1
BYPASS
2
NC
3
IN-
4VO1 5
VDD 6
GND 7
VO2 8
FC5 394
C0603
FC5 394
C0603
ESD7
ESD
ESD
ESD7
ESD
ESD
C71
0.1uF
C0603
C71
0.1uF
C0603
C79
4.7uF
C0603
C79
4.7uF
C0603
FC4
10uF
C0805
FC4
10uF
C0805
SR11 NC R0603SR11 NC R0603
R69 470R
R0603
R69 470R
R0603
ESD2
ESD
ESD
ESD2
ESD
ESD
R46
20K
R0603
R46
20K
R0603
R43
22R
R0603
R43
22R
R0603
U7
5807M
MSOP-10
U7
5807M
MSOP-10
GND
1
FMIN
2
GND
3
SCLK
4
SDIO
5RCLK 6
VDD 7
GND 8
ROUT 9
LOUT 10
Q2
MMBT3904
SOT23
Q2
MMBT3904
SOT23
1
32
ESD9
ESD
ESD
ESD9
ESD
ESD
FC3
10nF
C0603
FC3
10nF
C0603
R74 470R
R0603
R74 470R
R0603
SC3
4.7uF
C0805
SC3
4.7uF
C0805
SR6 100K R0603SR6 100K R0603
C70
100pF
C0603
C70
100pF
C0603
ESD16
ESD
ESD
ESD16
ESD
ESD
ESD3
ESD
ESD
ESD3
ESD
ESD
C76
0.39uF
C0603
C76
0.39uF
C0603
MIC1
MIC4522
MIC
MIC1
MIC4522
MIC
+
1
-
2
FC2
100pF
C0603
FC2
100pF
C0603
R47 33K R0603R47 33K R0603
R54
6K2
R0603
R54
6K2
R0603
FB2 1K-100M L0603FB2 1K-100M L0603
12
ESD4
ESD
ESD
ESD4
ESD
ESD
SR9 100K R0603SR9 100K R0603
R51
510K
R0603
R51
510K
R0603
X5
32.768KHz
OSCILLATOR-2X6
X5
32.768KHz
OSCILLATOR-2X6
12
3
J1
PJ381
PJ-381-2
J1
PJ381
PJ-381-2
4
3
2
1
5
C73
0.1uF
C0603
C73
0.1uF
C0603
C80
4.7uF
C0603
C80
4.7uF
C0603
R66
20K
R0603
R66
20K
R0603
5
5
4
4
3
3
2
2
1
1
D D
CC
BB
A A
USB Port
KEY
G-SENSOR
IC
R3
Option, G-SENSOR
DetVBUS
USBVBUS USB5V
DetVBUS
USB-DP
USB-DM
USBVBUS
USB-DP
USB-DM
ID
GND GND GND
GND
VCC
GND
AVCC
AGND
GND GND GND
GND
IDDET
10,4
DetVBUS4
USBVBUS6
USB-DM4
USB-DP4
TWI-SDA 4,6,8
TWI-SCK 4,6,8
LRADC4,5
Title
veRrebmuN tnemucoDeziS
teehS:etaD of
<Doc>
USB & KEY & IR & G-SENSOR
A3
Title
veRrebmuN tnemucoDeziS
teehS:etaD of
<Doc>
USB & KEY & IR & G-SENSOR
A3
Title
veRrebmuN tnemucoDeziS
teehS:etaD
<Doc>
USB & KEY & IR & G-SENSOR
A3
L4
600R/100M L0603
L4
600R/100M L0603
R63
100K-1%
R0603
R63
100K-1%
R0603
L3
BEAD-2A
L0805
L3
BEAD-2A
L0805
12
P1
USB-MINI-SOCKET
USB_MICRO_DIP_C
P1
USB-MINI-SOCKET
USB_MICRO_DIP_C
VBUS
1
D-
2
D+
3
ID
4
GND
5
SHIELD1
6
SHIELD2
7
SHIELD3
8
SHIELD4
9
GC1
NC
C0603
GC1
NC
C0603
SW5
esc
SW2P_SMALL_5MM
SW5
esc
SW2P_SMALL_5MM
C67
0.1uF
C0603
C67
0.1uF
C0603
ESD11
ESD
ESD
ESD11
ESD
ESD
C82
0.1uF
C0603
C82
0.1uF
C0603
R70
22K-1%
R0603
R70
22K-1%
R0603
R57
8.2K-1%
R0603
R57
8.2K-1%
R0603
ESD12
ESD
ESD
ESD12
ESD
ESD
R55
4K7
R0603
R55
4K7
R0603
SW3
UP
SS305
SW3
UP
SS305
R58
10K-1%
R0603
R58
10K-1%
R0603
SW10
m
SW2P_SMALL_5MM
SW10
m
SW2P_SMALL_5MM
R59
4.3K-1%
R0603
R59
4.3K-1%
R0603
ESD13
ESD
ESD
ESD13
ESD
ESD
SW4
DOWN
SS305
SW4
DOWN
SS305
R56
10K
R0603
R56
10K
R0603
R67
3K-1%
R0603
R67
3K-1%
R0603
R61
13K-1%
R0603
R61
13K-1%
R0603
+
OCT3
10uF
C0805
+
OCT3
10uF
C0805
12
R73
30K-1%
R0603
R73
30K-1%
R0603
SW14
VOL-
SW2P_SMALL_5MM
SW14
VOL-
SW2P_SMALL_5MM
C83
0.1uF
C0603
C83
0.1uF
C0603
R72
27K-1%
R0603
R72
27K-1%
R0603
R64
16K-1%
R0603
R64
16K-1%
R0603
R62
11K-1%
R0603
R62
11K-1%
R0603
GU1
NC
LCCC6
GU1
NC
LCCC6
INT
1
VDD
3SCK 4
SDA 5
GND 6
NC
2
SW6
VOL+
SW2P_SMALL_5MM
SW6
VOL+
SW2P_SMALL_5MM
5
5
4
4
3
3
2
2
1
1
DD
CC
BB
AA
Broder Driver
Broder Rails
VCOM Switch
VCOM Reference
+22/-20V Supply
+/-15V
+/-15V
BORDER0
VN_INT
VNEG
VP_SW
VN_INT
VP_INT
VN_INT
VPOS
VN_INT
VNEGVNEG
VNEG
VPOS
VPOS
VB_NEG
VEE
+15V
VEE
CH1
VDDH
CH1
VEE
VB_POS
VB_POS
VNEG
VB_NEG
VEE
VB_POS
VB_NEG
VNEG
BORDER
VB_POS
VP_INT
VEE
PWRCOM
VPOS
VPOS
PWR2
VB_NEG
BORDER1
VN_SW
BORDER
VB
GND
VNEG
+15V
GND
PWR1
VB
VP_SW
VN_SW
PWR0
PWR1
PWR0
BORDER1
BORDER0
PWRCOM
PWR2
VDDH
VPOS
VCOM_PANEL
VCOM_PANEL
VCOM_PANEL
GND
GND
LCD-VCC
IPSOUT
GND
GND
GND
GND
GND
GND
GND
GND
GND
GND
GND
GND
GND
GND GND
GND
GND
GND
GND
GND
GND
GND
VB
GND
GND
VB
GND
GND
GND
VCC33
GND
GND
VPOS12
VEE11,12
VDDH12
VB_NEG11
VNEG11,12
VB_NEG11
VEE11,12
VB_POS11
VCOM_PANEL12
BORDER12
VB_POS11
VNEG11,12
X14,5
X24,5
BOR14
BOR04
PWRCOM6,8,9
PWR26,8,9
Title
veRrebmuN tnemucoDeziS
teehS:etaD of
>coD<
GW_Ebook
A3
Title
veRrebmuN tnemucoDeziS
teehS:etaD of
>coD<
GW_Ebook
A3
Title
veRrebmuN tnemucoDeziS
teehS:etaD of
>coD<
GW_Ebook
A3
VPOS
TP
VPOS
TP
RE114 10K/1%/NC
R0603
RE114 10K/1%/NC
R0603
C134
0.1uF
C0603
C134
0.1uF
C0603
RE102
10K
R0603
RE102
10K
R0603
RE100
100K
R0603
RE100
100K
R0603
CE79
104/25V
C0603
CE79
104/25V
C0603
Q17
AO3423
SOT23
Q17
AO3423
SOT23
RE112
10K/1%/NCR0603
RE112
10K/1%/NCR0603
C132
NC
C0603
C132
NC
C0603
RE104 1M/5%
R0603
RE104 1M/5%
R0603
U14
TD3454/lp3308B5F
SOT-23-6
U14
TD3454/lp3308B5F
SOT-23-6
LX 1
GND 2
FB 3
EN
4
OV
5
IN
6
VCOM_PANEL
TP
VCOM_PANEL
TP
CE69
1uF/25V
C0603
CE69
1uF/25V
C0603
Q15 AO3423
SOT23
Q15 AO3423
SOT23
1
32
CE54
1uF/25V/NC
C0603
CE54
1uF/25V/NC
C0603
R90
1M_1%
R0603
R90
1M_1%
R0603
CE65 1uF/25V
C0603
CE65 1uF/25V
C0603
R94
10K R0603
R94
10K R0603
R95
1M_1%
R0603
R95
1M_1%
R0603
RE126 100K/1%/NC
R0603
RE126 100K/1%/NC
R0603
+
C128
4.7uF
C0805
+
C128
4.7uF
C0805
RE120
10K/1%
R0603
RE120
10K/1%
R0603
D16
HBAV99
SOT23
D16
HBAV99
SOT23
Q16
MMBT3904
SOT23
Q16
MMBT3904
SOT23
1
2 3
U40
TC7W53FU
SOP8-0.65
U40
TC7W53FU
SOP8-0.65
COM 1
INH 2
VEE 3
GND 4
A5
VCC
8
CH0
7
CH1
6
+
C135
4.7uF
C0805
+
C135
4.7uF
C0805
U37
MBT3946/NC
SOT-363
U37
MBT3946/NC
SOT-363
1
1
22
33
4
4
5
5
6
6
U35
MBT3946/NC
SOT-363
U35
MBT3946/NC
SOT-363
1
1
2
2
3
344
55
66
CE56 10nF/25V/NC
C0603
CE56 10nF/25V/NC
C0603
R99
4.7K_1%
R0603
R99
4.7K_1%
R0603
U39
AS358 SO8
U39
AS358 SO8
INPUT2-
6
INPUT2+
5
INPUT1+
3
INPUT1-
2V+ 8
OUTPUT1 1
V- 4
OUTPUT2 7
R91
NC
R0603
R91
NC
R0603
RE106 68K/1%
R0603
RE106 68K/1%
R0603
RE95 3K/5%
R0603
RE95 3K/5%
R0603
RE101
10K
R0603
RE101
10K
R0603
CE66
0.1uF/25V
C0603
CE66
0.1uF/25V
C0603
RE117
100K/5%
R0603
RE117
100K/5%
R0603
VB
TP
VB
TP
RE86 100K/1%
R0603
RE86 100K/1%
R0603
R96
NC
R0603
R96
NC
R0603
U42
MBT3946
SOT-363
U42
MBT3946
SOT-363
1
1
2
2
3
344
55
66
RE127 35K7/1%/NC
R0603
RE127 35K7/1%/NC
R0603
CE68 10nF/25V
C0603
CE68 10nF/25V
C0603
CE72
4.7uF
C0805
CE72
4.7uF
C0805
RE121 1M/5%
RESISTOR_VAR
RE121 1M/5%
RESISTOR_VAR
R93
10K R0603
R93
10K R0603
D9
BAT54S
SOT23
D9
BAT54S
SOT23
11
22
3
3
C129
100pF
C0603
C129
100pF
C0603
RE130
10k/5%
R0603
RE130
10k/5%
R0603
PWRALL
TP
PWRALL
TP
RE61 10K/1%/NC
R0603
RE61 10K/1%/NC
R0603
+
C133
10uF/25V
C0805
+
C133
10uF/25V
C0805
RE107 1M/5%
R0603
RE107 1M/5%
R0603
RE132
4.7k/5%
R0603
RE132
4.7k/5%
R0603
Q18
AO3423
SOT23
Q18
AO3423
SOT23
VNEG
TP
VNEG
TP
R97
90.9K_1%
R0603
R97
90.9K_1%
R0603
+
C118
10uF/25V
C0805
+
C118
10uF/25V
C0805
DACLK1
TP DACLK1
TP
RE113 10K/1%/NC
R0603
RE113 10K/1%/NC
R0603
RE115 100K/1%/NC
R0603
RE115 100K/1%/NC
R0603
CE63
0.1uF/25V
C0603
CE63
0.1uF/25V
C0603
R92
90.9K_1%
R0603
R92
90.9K_1%
R0603
RE108 100K/1%
R0603
RE108 100K/1%
R0603
D11
IN5819 SOD123
D11
IN5819 SOD123
1 2
CE71
4.7uF
C0805
CE71
4.7uF
C0805
L8 10uH L4D10L8 10uH L4D10
C136
100pF
C0603
C136
100pF
C0603
RE96 10K/1%
R0603
RE96 10K/1%
R0603
D10
IN5819
SOD123
D10
IN5819
SOD123
12
RE124 100K/1%
R0603
RE124 100K/1%
R0603
CE81
105/25V C0603
CE81
105/25V C0603
RE110 28K/1%/NC
R0603
RE110 28K/1%/NC
R0603
C130
0.1uF
C0603
C130
0.1uF
C0603
CE64
1uF/25V
C0603
CE64
1uF/25V
C0603 CE67 10nF/25V
C0603
CE67 10nF/25V
C0603
C137
0.1uF
C0603
C137
0.1uF
C0603
CE74
1uF/25V
C0603
CE74
1uF/25V
C0603
CE76 10nF/25V
C0603
CE76 10nF/25V
C0603
+
CE70
10uF/10V
C0805
+
CE70
10uF/10V
C0805
1 2
C125
1uF/25V
C0603
C125
1uF/25V
C0603
RE125 35.7K/1%
R0603
RE125 35.7K/1%
R0603
RE109 10K/1%/NC
R0603
RE109 10K/1%/NC
R0603
R100
7.5K
R0603
R100
7.5K
R0603
CE84
105/25V
C0603
CE84
105/25V
C0603
C127
NC
C0603
C127
NC
C0603
CE2
1uF/25V
C0603
CE2
1uF/25V
C0603
RE97
5K1/5%
R0603
RE97
5K1/5%
R0603
FFB2
100M-600R
L0603
FFB2
100M-600R
L0603
1 2
CE75
1uF/50V
C0603
CE75
1uF/50V
C0603
U36
MBT3946/NC
SOT-363
U36
MBT3946/NC
SOT-363
1
1
22
33
4
4
5
5
6
6
RE131
10k/5%
R0603
RE131
10k/5%
R0603
C126
0.1uF
C0603
C126
0.1uF
C0603
D15
HBAV99
SOT23
D15
HBAV99
SOT23
CE55
1uF/25V/NC
C0603
CE55
1uF/25V/NC
C0603
RE119
10R/1%
R0603
RE119
10R/1%
R0603
RE133
4.7k/5%
R0603
RE133
4.7k/5%
R0603
RE123
1M/5%
R0603
RE123
1M/5%
R0603
CE53 10nF/25V/NC
C0603
CE53 10nF/25V/NC
C0603
U38
MBT3946
SOT-363
U38
MBT3946
SOT-363
1
1
2
2
3
344
55
66
RE99
10K
R0603
RE99
10K
R0603
RE111 35K7/1%/NC
R0603
RE111 35K7/1%/NC
R0603
+15V
TP
+15V
TP
L9 10uH L4D10L9 10uH L4D10
DACLK
TP
DACLK
TP
U20
TD3454/lp3308B5F
SOT-23-6
U20
TD3454/lp3308B5F
SOT-23-6
LX 1
GND 2
FB 3
EN
4
OV
5
IN
6
+
C131
2.2uF/25V
C0805
+
C131
2.2uF/25V
C0805
CE77 10nF/25V
C0603
CE77 10nF/25V
C0603
RE122
1M/5%
R0603
RE122
1M/5%
R0603
RE87 100K/1%
R0603
RE87 100K/1%
R0603
RE90 0R/5%
R0603
RE90 0R/5%
R0603
5
5
4
4
3
3
2
2
1
1
D D
CC
BB
A A
Temp Sensor
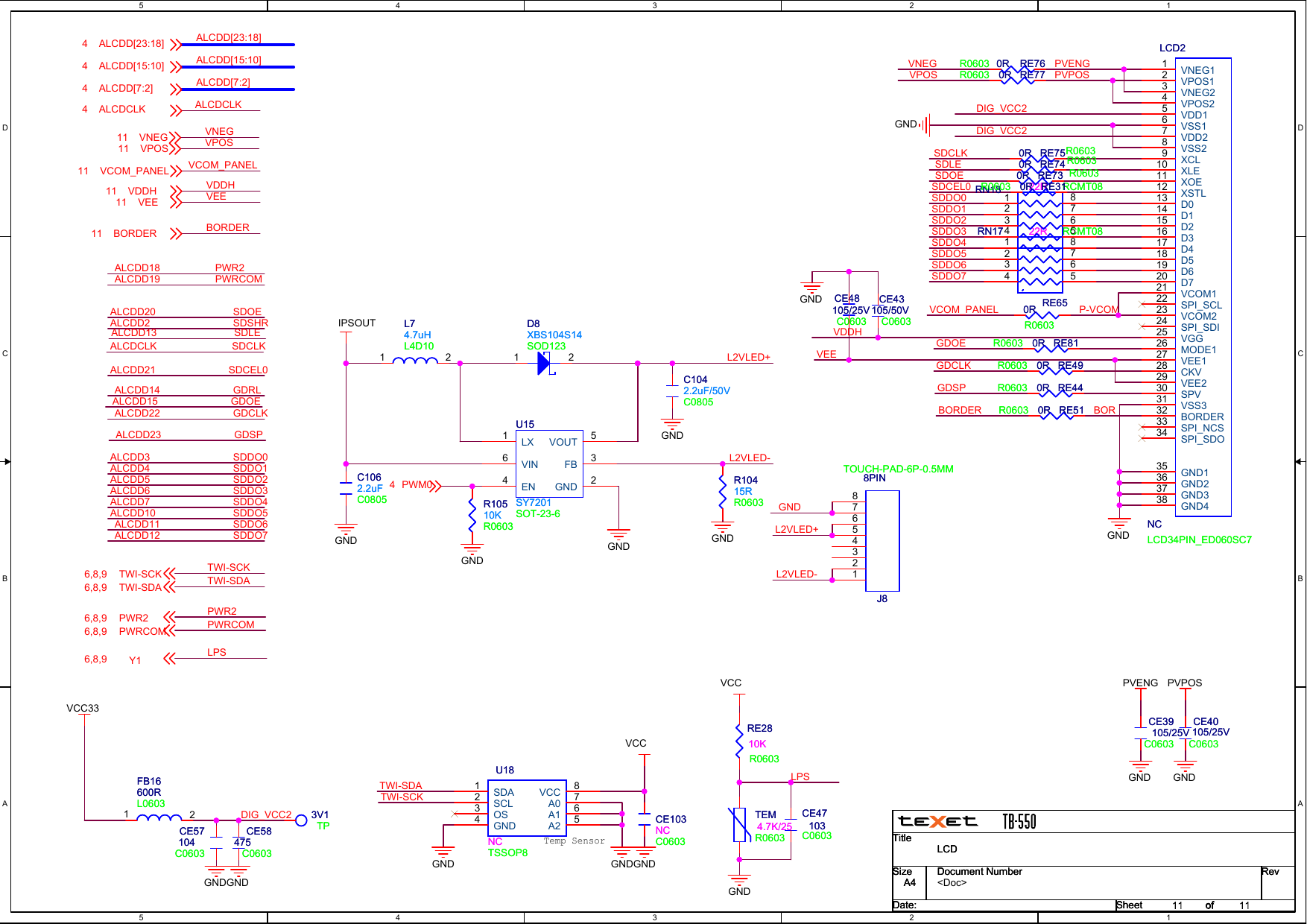
VNEG
BORDER
VPOS
VCOM_PANEL
VDDH
VEE
DIG_VCC2
ALCDD[7:2]
ALCDD[15:10]
ALCDD[23:18]
ALCDCLK
TWI-SDA
TWI-SCK
TWI-SDA
TWI-SCK
ALCDD18 PWR2
ALCDD19 PWRCOM
ALCDD20 SDOE
ALCDD21 SDCEL0
ALCDD2 SDSHR
ALCDD3 SDDO0
ALCDD4 SDDO1
ALCDD5 SDDO2
ALCDD22 GDCLK
ALCDD23 GDSP
ALCDD10 SDDO5
ALCDD11 SDDO6
ALCDD12 SDDO7
ALCDD13 SDLE
ALCDD14 GDRL
ALCDD15 GDOE
ALCDD6 SDDO3
ALCDD7 SDDO4
ALCDCLK SDCLK
PWRCOM
PWR2
LPS
LPS
L2VLED+
L2VLED-
L2VLED+
L2VLED-
GND
VCOM_PANEL
GDOE
PVENG
PVPOS
GDCLK
DIG_VCC2
BORDER BOR
VEE
P-VCOM
GDSP
SDCEL0
VDDH
DIG_VCC2
VNEG
SDOE
SDLE
SDCLK
VPOS
SDDO0
SDDO3
SDDO2
SDDO1
SDDO5
SDDO6
SDDO7
SDDO4
VCC33
GND
GND
GND GND
PVENG PVPOS
GND GNDGND
VCC
VCC
GND
GND
IPSOUT
GND
GND
GND
GND
GND
GND
GND
BORDER11
VEE11
VDDH11
VCOM_PANEL11
VPOS11
VNEG11
ALCDD[7:2]4
ALCDD[15:10]4
ALCDD[23:18]4
ALCDCLK4
TWI-SDA6,8,9
TWI-SCK6,8,9
PWRCOM6,8,9
PWR26,8,9
Y1
6,8,9
PWM04
Title
veRrebmuN tnemucoDeziS
teehS:etaD of
>coD<
LCD
A4
Title
veRrebmuN tnemucoDeziS
teehS:etaD of
LCD
A4
Title
veRrebmuN tnemucoDeziS
teehS:etaD
LCD
A4
C106
2.2uF
C0805
C106
2.2uF
C0805
U18
NC
TSSOP8
U18
NC
TSSOP8
SDA
1
SCL
2
OS
3
GND
4A2 5
A1 6
A0 7
VCC 8
22RRN17 RCMT0822RRN17 RCMT08
1 8
27
3 6
4 5
LCD2
NC
LCD34PIN_ED060SC7
LCD2
NC
LCD34PIN_ED060SC7
VNEG1
1
VPOS1
2
VNEG2
3
VPOS2
4
VDD1
5
VSS1
6
VDD2
7
VSS2
8
XCL
9
XLE
10
XOE
11
XSTL
12
D0
13
D1
14
D2
15
D3
16
D4
17
D5
18
D6
19
D7
20
VCOM1
21
SPI_SCL
22
VCOM2
23
SPI_SDI
24
VGG
25
MODE1
26
VEE1
27
CKV
28
VEE2
29
SPV
30
VSS3
31
BORDER
32
SPI_NCS
33
SPI_SDO
34
GND1
35
GND2
36
GND3
37
GND4
38
22R
RN18 RCMT0822R
RN18 RCMT08
18
2 7
3 6
4 5
J8
8PIN
TOUCH-PAD-6P-0.5MM
J8
8PIN
TOUCH-PAD-6P-0.5MM
1
2
3
4
5
6
7
8
CE57
104
C0603
CE57
104
C0603
RE730R R0603
RE730R R0603
RE490RR0603 RE490RR0603
CE58
475
C0603
CE58
475
C0603
RE740R R0603
RE740R R0603
RE750R R0603
RE750R R0603
RE28
10K
R0603
RE28
10K
R0603
RE65
0R
R0603
RE65
0R
R0603
RE440RR0603 RE440RR0603
C104
2.2uF/50V
C0805
C104
2.2uF/50V
C0805
RE770RR0603 RE770RR0603
FB16
600R
L0603
FB16
600R
L0603
12
RE510RR0603 RE510RR0603
D8
XBS104S14
SOD123
D8
XBS104S14
SOD123
12
R105
10K
R0603
R105
10K
R0603
3V1
TP
3V1
TP
RE760RR0603 RE760RR0603
RE810RR0603 RE810RR0603
TEM
4.7K/25
R0603
TEM
4.7K/25
R0603
CE39
105/25V
C0603
CE39
105/25V
C0603
CE103
NC
C0603
CE103
NC
C0603
CE48
105/25V
C0603
CE48
105/25V
C0603
L7
4.7uH
L4D10
L7
4.7uH
L4D10
12
RE310RR0603 RE310RR0603
R104
15R
R0603
R104
15R
R0603
CE40
105/25V
C0603
CE40
105/25V
C0603
CE43
105/50V
C0603
CE43
105/50V
C0603
CE47
103
C0603
CE47
103
C0603
U15
SY7201
SOT-23-6
U15
SY7201
SOT-23-6
LX
1
GND 2
FB 3
EN
4
VOUT 5
VIN
6
www.s-manuals.com
Page 1 of 12 - Texet TB-550 - Schematics. Www.s-manuals.com. Schematics
Page 2 of 12 - Texet TB-550 - Schematics. Www.s-manuals.com. Schematics
Page 3 of 12 - Texet TB-550 - Schematics. Www.s-manuals.com. Schematics
Page 4 of 12 - Texet TB-550 - Schematics. Www.s-manuals.com. Schematics
Page 5 of 12 - Texet TB-550 - Schematics. Www.s-manuals.com. Schematics
Page 6 of 12 - Texet TB-550 - Schematics. Www.s-manuals.com. Schematics
Page 7 of 12 - Texet TB-550 - Schematics. Www.s-manuals.com. Schematics
Page 8 of 12 - Texet TB-550 - Schematics. Www.s-manuals.com. Schematics
Page 9 of 12 - Texet TB-550 - Schematics. Www.s-manuals.com. Schematics
Page 10 of 12 - Texet TB-550 - Schematics. Www.s-manuals.com. Schematics
Page 11 of 12 - Texet TB-550 - Schematics. Www.s-manuals.com. Schematics
Page 12 of 12 - Texet TB-550 - Schematics. Www.s-manuals.com. Schematics

Navigation menu