TEXSTEAM Super G Plug Valves Brochure
User Manual: TEXSTEAM Super G Plug Valves Brochure Resource Library
Open the PDF directly: View PDF
.
Page Count: 12

TEXSTEAM Super G
Plug valves

TEXSTEAM Super G plug valves
Design standards ......................................................... 3
Parts list .................................................................. 4
Accessories and repair kits ............................................... 5
Reduced-port dimensions and weights ................................... 6
Full-port dimensions and weights ........................................ 7
Comparison chart and average operating torque ......................... 8
Flow coefficients (CV) .................................................... 9
Single-body and dual-plug double-block-and-bleed valve ................ 10
Double-block-and-bleed valve ............................................ 11
Content
2

Design Standards
The TEXSTEAM* Super G plug valve's reputation for tight shutoff and long service life has made it
a preferred valve for manifold and production services in erosive environments.
TEXSTEAM Super G valves conform to the latest edition of the following industry specifications as applicable:
B1.20.1—Pipe threads, general purpose
B16.5—Pipe flanges and flange fittings
B16.10—Face-to-face and end-to-end dimensions of valves
B16.25—Butt welding ends
B16.34—Valve-flanged, threaded, and welding end
API—American Petroleum Institute
6D—Specification for pipeline valves (monogram available)
6FA—Fire test for valves
MSS—Manufacturer's Standardization Society of the valve and fittings industry
SP-6—Standard finishes for contact faces of pipe flanges and connecting end flanges of valves and fittings
SP-25—Standard marking system for valves, fittings, flanges, and unions
SP-55—Quality standard for steel castings for valves, flanges, fittings, and other piping components (visual methods)
NACE MR0175—Sulfide-stress-cracking-resistant metallic materials for oilfield equipment
Equipped with a lock open-and-close position indicator
Metal-to-metal seating
Hard-coated plug (70 Rc)
Erosion-resistant design
Maximum service life
Sealant injection
Internal sealant path to provide sealing on damaged seats
Extended service life
Lower torques
Other features
Ease of actuation
Round ports—low turbulence and pressure drop
Valve bores to match pipe bores
API 6D and NACE MR0175 standard
Fire safe to API 6FA
Locking device standard
Valve position indicator standard
Inline repairable
Top entry, field repairable—no special tools, machining, or
training required
Teflon® encapsulated cover for easy removal
Plug and seats fully interchangeable without lapping
Built and tested in accordance with API 6D and B16.34
Full-port or reduced-port design
Blowout-proof plug—integral plug and stem
Construction to NACE MR0175 standard
Wrench, bar, or worm gear operated—actuator compatible
Renewable plug, seats, and trim parts—fully interchangeable
without lapping
Round ports—low turbulence and pressure drop
Equipped with a lock open-and-close position indicator
3

Parts List
When ordering parts, please furnish item number and part name as given
below, plus valve model, size, and working pressure.
Item Number
Required Description Material
1 1 Collar retaining ring Steel, nickel plated
2 1 Locking collar
position indicator
Steel, nickel plated
3 1 Dirt excluder Peroxide-cured Buna-N
4 1 Adjusting nut ANSI Class—ASTM A352 LCC;
API—ASTM A487 GR4C
5 1 Thrust bearing Alloy steel
6 1 Packing ring Grafoil
7 1 Body O-ring Buna-N standard†
8 1 Packing plate 316 stainless steel
9 1 Stem packing Grafoil®
10 1 Backup ring Teflon
11 1 Stem O-ring Buna-N standard†
‡12 1 Plug 1018 steel, chrome plated†
13 2 Seat Nickel alloy ASTM B584
14 2 Seat O-ring Buna-N standard‡
15 2 Spacer ring Alloy steel, nickel plated
16 1 Stop screw 304 stainless steel
17 1 Lock washer Stainless steel
18 1 Lock plate Carbon steel, zinc plated
‡19 1 Lube check 316 stainless steel
‡20 1 Button head fitting 316 stainless steel
21 1 Body ANSI Class—ASTM A352 LCC;
API—ASTM A487 GR4C
Repair kit.
Packing plate assembly parts.
†
Other materials available.
‡
Plug assembly parts.
1
2
3
4
5
6
7
8
9
10
11
16
17
18 15
2
20
19
12
14 13
21
Top view
4

Accessories and Repair Kits
Stem Wrenches
Valve
Size, in
Valve Type Part Number Weight, lbm
2 Reduced port (RP) 9D-GB 1878 12
2 Full port (FP) 9D-GB 1879 15
2⁄ RP 9D-GB 1879 15
2⁄ FP 9D-GB 1959 18
3 RP 9D-GB 1959 18
3 FP 9D-GB 1942 20
4 RP 9D-GB 1942 20
4 FP 9D-GB 1745 20
6 RP 9D-GB 1745 20
Wrench Heads Operated with Bar or Rod
Valve
Size, in
Valve Type Part Number
2 RP 9D-GA 3247
2 FP 9D-GA 3248
2⁄ RP 9D-GA 3248
2⁄ FP 9D-GA 3249
3 RP 9D-GA 3249
3 FP 9D-GA 3250
4 RP 9D-GA 3250
4 FP na—use gear
6 RP na—operator
Adjusting Nut Wrenches
Valve
Size, in
Valve Type Part Number
2 RP 9D-GB 1728
2 FP 9D-GB 1729
2⁄ RP 9D-GB 1729
2⁄ FP 9D-GB 1730
3 RP 9D-GB 1730
3 FP 9D-GB 1731
4 RP 9D-GB 1731
4 FP 9D-GB 1772
6 RP 9D-GB 1772
Repair Kits
Valve
Size, in Valve Type Kit Part Number†
Application
API 1000/1500/2000
ASME 400/600
API 3000/5000
ASME 900/1500/2500
2 RP 9D-GA 3113-0 •
2 RP 9D-GA 3113-1 •
2 FP 9D-GA 3114-0 • •
2⁄ RP 9D-GA 3114-0 • •
2⁄ FP 9D-GA 3115-0 • •
3 RP 9D-GA 3115-0 • •
3 FP 9D-GA 3116-0 • •
4 RP 9D-GA 3116-0 • •
4 FP 9D-GA 3256-0 • •
6 RP 9D-GA 3256-0 • •
8 RP Consult factory
Repair kits include the plug, seats, all soft parts, packing plate, and thrust bearing.
†
When ordering repair kits, specify plug material: A—aluminum bronze; C—hard chrome plated steel. Example: GA-3113C-0.
5

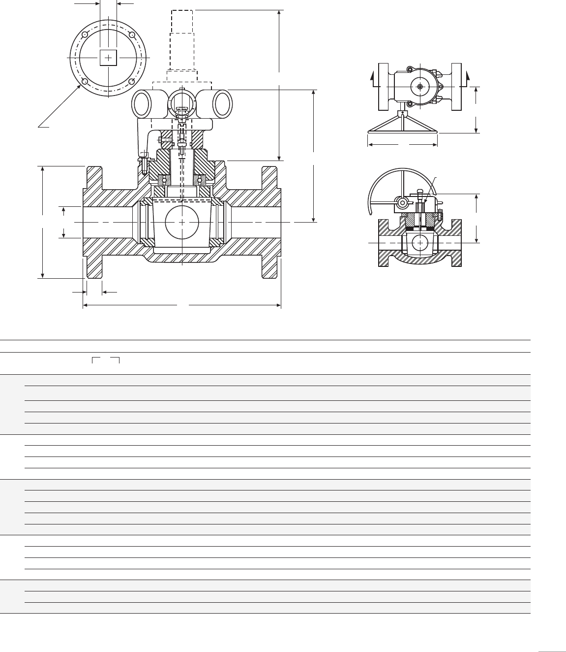
Reduced-Port Dimensions and Weights
Dimensions and Weights
Size, Pressure Class A B C D J K L M N P R S T Weight, lbm
in ASME PSI RF RJ SE/BW Flange Thread
2
400/600 2,000 11.50 11.63 7.50 1.75 6.50 1.25 7.06 7.00 – – – – – – – 54 28
900/1,500 3,000/5,000 14.50 14.63 8.75 1.75 8.50 1.75 7.56 7.25 – – – – – – – 98 35
2,500 – 17.75 17.88 – 1.75 9.25 2.25 7.56 7.25 – – – – – – – 146 –
2⁄
400/600 2,000 13.00 13.12 10.25 2.12 7.50 1.38 8.63 8.25 1.24 ⁄–16 5.00 9.63 12 0.25 sq. 8.56 114 48
900 3,000 16.50 16.62 10.25 2.12 8.62 1.88 8.63 8.25 1.24 ⁄–16 5.00 9.63 12 0.25 sq. 8.56 153 50
1,500 5,000 16.50 16.62 10.25 2.12 9.25 1.88 8.63 8.25 1.24 ⁄–16 5.00 9.63 12 0.25 sq. 8.56 185 50
2,500 – 20.00 20.12 – 2.12 9.25 2.50 8.63 8.25 1.24 ⁄–16 5.00 9.63 12 0.25 sq. 8.56 225 –
3
400/600 2,000 14.00 14.12 11.63 2.62 8.25 1.50 9.25 9.13 1.50 ⁄–13 6.00 10.94 18 0.50 sq. 9.53 182 74
900 3,000 15.00 15.12 11.63 2.62 9.50 1.75 9.25 9.13 1.50 ⁄–13 6.00 10.94 18 0.50 sq. 9.53 210 82
1,500 5,000 18.50 18.62 11.63 2.62 10.50 2.13 9.25 9.13 1.50 ⁄–13 6.00 10.94 18 0.50 sq. 9.53 272 82
2,500 – 22.75 22.88 – 2.62 12.00 2.88 9.25 9.13 1.50 ⁄–13 6.00 10.94 18 0.50 sq. 9.53 320 –
4
400 – 16.00 16.12 – 3.12 10.00 1.63 10.13 10.50 1.75 ⁄–13 6.88 10.94 30 0.50 sq. 10.41 240 –
600 2,000 17.00 17.12 12.00 3.12 10.75 1.75 10.13 10.50 1.75 ⁄–13 6.88 10.94 30 0.50 sq. 10.41 261 115
900 3,000 18.00 18.12 12.00 3.12 11.50 2.00 10.13 10.50 1.75 ⁄–13 6.88 10.94 30 0.50 sq. 10.41 271 115
1,500 5,000 21.50 21.62 12.00 3.12 12.25 2.38 10.13 10.50 1.75 ⁄–13 6.88 10.94 30 0.50 sq. 10.41 314 120
2,500 – 26.50 26.88 – 3.12 14.00 3.25 10.13 10.50 1.75 ⁄–13 6.88 10.94 30 0.50 sq. 10.41 474 –
6
300 – 15.87 – – 4.06 12.50 1.38 – 14.81 2.97 ⁄–10 13.00 13.81 30 0.75 sq. 12.06 420 –
600 2,000 22.00 22.12 18.50 4.06 14.00 2.19 – 14.81 2.97 ⁄–10 13.00 14.91 30 0.75 sq. 12.06 571 –
900 3,000 24.00 24.12 – 4.06 15.00 2.50 – 14.81 2.97 ⁄–10 13.00 16.75 36 0.75 sq. 12.06 700 –
1,500 5,000 27.75 28.00 – 4.06 15.50 3.62 – 14.81 2.97 ⁄–10 13.00 16.75 36 0.75 sq. 12.06 715 –
2,500 – – 36.50 – 4.06 19.00 4.15 – 14.81 2.97 ⁄–10 13.00 16.75 36 0.75 sq. 13.74 1,227 –
8600 – 26.00 26.12 – 6.06 16.50 2.19 Consult engineering
1,500 – 32.75 33.12 – 6.06 19.00 3.62 Consult engineering
Required
for disassembly
L
P
K
R
B
C
D
J
A
S
T
4
(square)
DIA—4 in only
DIA—NC thread
type (4) four places
DIA—Bolt circle (DIA)
Key size
6-in valve available only with operator.
Other sizes, choose bar or operator.
L
M
N
6

Full-Port Dimensions and Weights
Dimensions and Weights
Size, Pressure Class A B C D J K L M N P R S T Weight, lbm
in ASME PSI RF RJ SE/BW Flange Thread
2
300 – 11.12 – – 2.12 6.50 0.875 8.63 8.25 1.24 ⁄-16 5.00 9.63 12 0.25 sq. 8.56 105 –
400/600 2,000 13.00 13.12 10.25 2.12 6.50 0.875 8.63 8.25 1.24 ⁄-16 5.00 9.63 12 0.25 sq. 8.56 117 57
900 3,000 15.00 15.12 10.25 2.12 8.50 1.75 8.63 8.25 1.24 ⁄-16 5.00 9.63 12 0.25 sq. 8.56 145 57
1,500 5,000 15.38 15.50 10.25 2.12 8.50 1.75 8.63 8.25 1.24 ⁄-16 5.00 9.63 12 0.25 sq. 8.56 155 57
2,500 – 17.75 17.88 – 2.12 9.25 2.00 8.63 8.25 1.24 ⁄-16 5.00 9.63 12 0.25 sq. 8.56 175 –
2⁄
400/600 2,000 15.00 15.12 11.63 2.62 7.50 1.38 9.25 9.13 1.50 ⁄-13 6.00 10.94 18 0.50 sq. 9.53 183 90
900 3,000 17.00 17.12 11.63 2.62 9.63 1.88 9.25 9.13 1.50 ⁄-13 6.00 10.94 18 0.50 sq. 9.53 215 90
1,500 5,000 17.88 18.00 11.63 2.62 9.63 1.88 9.25 9.13 1.50 ⁄-13 6.00 10.94 18 0.50 sq. 9.53 255 90
2,500 – 20.00 20.12 – 2.62 10.50 2.25 9.25 9.13 1.50 ⁄-13 6.00 10.94 18 0.50 sq. 9.53 285 –
3
300 – 15.25 – – 3.12 8.25 1.12 8.81 10.50 1.75 – – – – – – 215 –
600 2,000 17.50 17.62 12.00 3.12 8.25 1.50 10.13 10.50 1.75 ⁄-13 6.88 10.94 30 0.50 sq. 10.41 245 121
900 3,000 18.50 18.62 12.00 3.12 9.50 1.75 10.13 10.50 1.75 ⁄-13 6.88 10.94 30 0.50 sq. 10.41 272 126
1,500 5,000 20.63 20.75 12.00 3.12 10.50 2.13 10.13 10.50 1.75 ⁄-13 6.88 10.94 30 0.50 sq. 10.41 320 126
2,500 – 22.75 22.88 – 3.12 12.00 2.63 10.13 10.50 1.75 ⁄-13 6.88 10.94 30 0.50 sq. 10.41 355 –
4
300 – 18.00 – – 4.06 10.00 1.25 11.93 14.81 1.75 – – – – – – 350 –
600 2,000 20.00 20.12 – 4.06 10.75 1.81 – 14.81 2.97 ⁄-10 13.00 14.91 30 0.75 sq. 12.06 439 –
900 3,000 22.00 22.12 – 4.06 11.50 1.94 – 14.81 2.97 ⁄-10 13.00 16.75 36 0.75 sq. 12.06 570 –
1,500 5,000 24.62 24.75 – 4.06 12.25 2.19 – 14.81 2.97 ⁄-10 13.00 16.75 36 0.75 sq. 12.06 619 –
6
600 – 26.00 26.12 – 6.06 14.00 1.88 Consult engineering
900 – 24.00 24.12 – 6.06 15.00 2.19 Consult engineering
1,500 – 27.75 28.00 – 6.06 15.50 3.25 Consult engineering
6-in full-port ASME 900 and ASME 1500 have the same face-to-face as reduced-port.
4-in FP valves and larger available only with operator.
Other sizes, choose bar or operator.
Required
for disassembly
L
P
K
R
B
C
D
J
A
S
T
4
(square)
DIA—4 in only
DIA—NC thread
type (4) four places
DIA—Bolt circle (DIA)
Key size
L
M
N
7

Average Operating Torque, 2- to 8-in Reduced Port, ft.lbf
Size, in 22⁄3446688
Port, psi 1.75 2.12 2.62 3.12 3.44 4.06 5.189 6.06 6.81
0 22 55 88 88 88 110 132 165 306
500 44 110 132 154 154 303 396 1,000 1,850
1,000 66 165 198 242 296 638 880 1,829 3,385
1,500 88 220 264 330 508 858 1,518 2,659 4,918
2,000 121 275 330 413 678 1,078 1,761 3,488 6,453
2,500 143 330 385 495 889 1,320 2,464 4,290 7,937
3,000 165 385 440 583 1,058 1,540 2,723 5,225 9,667
3,500 193 440 495 671 1,186 1,782 3,300 6,050 11,193
4,000 209 495 572 770 1,397 2,024 3,795 6,807 12,593
4,500 237 550 635 858 1,566 2,255 4,235 7,636 14,127
5,000 264 605 682 935 1,779 2,475 4,565 8,466 15,662
5,500 286 660 748 1,023 1,936 2,695 5,170 9,295 17,196
6,000 319 715 825 1,111 2,145 2,915 5,610 10,120 18,730
6,500 338 770 875 1,196 2,332 3,177 6,160 10,954 20,264
All torques are in ft.lbf. These torques do not include a safety factor.
For actuator sizing, add 50% to the listed torques.
Comparison Chart and Average
Operating Torque
Performance Feature TEXSTEAM
Super G Valve
Plug Valve
Top entry—field repairable Yes No
Replaceable metal-to-metal seats Yes No
Part interchangeability Yes No
Integral plug and stem—no dead band Yes No
Low pressure drop Yes No
Round port and low turbulence Yes No
Full port Yes No
NACE standard Yes No
Sealant injection Yes Yes
Erosive service Yes Yes
H2S service Yes Yes
CO2 service Yes Yes
Unpressured area
Pressure
Unpressured area at stem results in lifting force,
which prevents wedging of plug.
8

Flow Coefficients (Cv)
Valve
Size, in
Pressure
Class
Bore Type,
Type
Plug Port,
Port
End Port,
Port L Beta Theta Friction
Factor K1 K2 CVKV
2 na RP 1.75 2.06 – 0.850 30 0.019 0.057 0.320 224 194
2 na FP 2.12 2.06 15.00 – – 0.019 0.057 – 531 459
2⁄ na RP 2.12 2.62 – 0.809 30 0.018 0.054 0.480 296 256
2⁄ na FP 2.62 2.62 17.00 – – 0.018 0.054 – 883 764
3 × 1.75 na RP 1.75 3.12 18.63 0.561 30 0.018 0.054 5.173 128 111
3 × 2.12 na RP double plug 2.12 3.12 23.00 0.808 10 0.018 0.054 0.745 190 164
3 na RP 2.62 3.12 – 0.840 30 0.018 0.054 0.349 493 426
3 na FP 3.12 3.12 18.50 – – 0.018 0.054 – 1,253 1,084
4 × 2.62 na RP 2.62 4.06 21.63 0.645 20 0.017 0.051 1.648 384 332
4 × 2.62 1500 RP 2.62 4.06 21.63 0.645 20 0.017 0.051 1.648 456 394
4 na RP 3.12 4.06 – 0.768 30 0.017 0.051 0.713 584 505
4 na FP 4.06 4.06 22.00 – – 0.017 0.051 – 2,182 1,887
6 × 3.44 900 RP 3.44 6.06 28.00 0.568 30 0.015 0.045 4.762 503 435
6 × 3.44 1500 RP 3.44 6.06 28.00 0.568 20 0.015 0.045 3.338 601 520
6 na RP 4.06 6.06 – 0.670 30 0.015 0.045 1.804 817 707
6 × 5.19 na Flowline SCH80 5.19 5.76 28.26 0.901 20 0.015 0.045 0.132 2,727 2,359
6 na FP6.06 6.00 6.06 29.00 – – 0.015 0.045 – 5,176 4,477
8 × 5.19 na RP 5.19 8.00 33.12 0.649 30 0.014 0.042 2.188 1294 1,119
8 na RP 6.06 8.00 – 0.758 30 0.014 0.042 0.767 2,185 1,890
8 × 6.81 na Flowline SCH100 6.81 7.44 31.01 0.916 20 0.014 0.042 0.108 5,023 4,345
Pressure Drop Across Valve
DP = ( r / 62.4) × (Q / CV )2
Where: DP = Pressure drop, psi
r = Fluid density, lbm/ft3
Q = Fluid flow rate, galUS/min
CV = Flow coefficient of valve
Given: Water at 200 degF flows through a 4-in, reduced-port,
TEXSTEAM Super G plug valve at a flow rate of 400 galUS/min
r = 60.1 (lbm/ft3) at 200 degF
Q = 400 galUS/min
CV = 584
Find: Pressure drop DP across valve
Solution: DP = (60.1/62.4) × (400/584)2
DP = 0.963 × (0.685)2
DP = 0.963 × 0.469
DP = 0.452 psi
9

Single-Body and Dual-Plug
Double-Block-and-Bleed Valve
Features
Double block and bleed in single valve length
Reduced connections for faster installation and reduced leak paths
Built and tested in accordance with API 6D and B16.34
Top entry, field repairable—no special tools or training required
Low torque
Fire safe to API 6FA
Blowout-proof plugs—integral plug and stem
When ordering parts, please furnish item number and part name as given below, plus
valve model, size, and working pressure. The quantities listed are for one plug assembly.
Item Number
Required Description Material
1 1 Collar retaining ring Steel, nickel plated
2 1 Locking collar Steel, nickel plated
3 1 Dirt excluder Buna-N
4 1 Adjusting nut ANSI Class—ASTM A352 LCC;
API—ASTM A487 GR4C
5 1 Thrust bearing Alloy steel
6 1 Packing ring Graphite
7 1 Body O-ring Buna-N standard†
8 1 Packing plate 316 stainless steel
9 1 Stem packing Graphite
10 1 Backup ring Teflon
11 1 Stem O-ring Buna-N standard†
12 1 Plug 1018 chrome plated†
13 2 Seat Nickel alloy ASTM B584
14 2 Seat O-ring Buna-N standard†
15 2 Spacer ring Alloy steel, nickel plated
16 1 Stop screw 300 stainless steel
17 1 Lock washer Stainless steel
18 1 Lock plate Nickel plated
19 1 Lube check 316 stainless steel
20 1 Button head fitting 316 stainless steel
21 1 Body ASTM A487 4C†;
ANSI Class—ASTM A352 LCC;
API—ASTM A487 GR4C
† Other materials available.
Kit Quantity Description Item Numbers Required
1 2 Packing plate
assembly part
6, 7, 8, 9, 10, 11
2 2 Plug assembly part 12, 19, 20
3 2 Repair kit 6, 7, 8, 9, 10, 12, 13, 14, 15
Construction to NACE MR0175 standard
Each closure assembly is wrench, bar, worm gear, or
actuator compatible
Renewable plugs, seats, and trim parts—fully interchangeable without
lapping, special fitting, or machining
Round ports—low turbulence and pressure drop
Equipped with lock open-close position indicators on each
closure assembly
1
2
3
4
5
6
7
8
9
10
11
16
17
18 15
2
20
19
12
14 13
21
Top view
10

Dimensions and Weights
Size,
T
Pressure Class
ASME
A B C D E K L M N P R S T
API RF RJ
2
900 3,000 14.50 14.63 1.75 8.50 1.75 5.75 11.33 1.35Ø ⁄–18 4.12 8.19 10 0.25 sq. 11.95
1,500 5,000 14.50 14.63 1.75 8.50 1.75 5.75 11.33 1.35Ø ⁄–18 4.12 8.19 10 0.25 sq. 11.95
2,500 – 17.75 17.88 1.75 9.25 2.25 6.50 11.33 1.35Ø ⁄–16 4.50 8.52 10 0.25 sq. 11.95
3
600 2,000 14.00 – 1.75 8.25 1.50 5.50 10.93 1.25Ø ⁄–18 4.12 5.88 8 0.25 sq. 11.55
900 3,000 15.00 15.12 1.75 9.50 1.75 5.50 10.93 1.25Ø ⁄–18 4.12 5.88 8 0.25 sq. 11.55
1,500 5,000 18.50 18.62 2.12 10.50 2.13 6.25 12.25 1.56Ø ⁄–13 5.13 8.19 10 0.25 sq. 12.72
2,500 – 22.75 23.00 2.12 12.00 2.88 8.25 11.56 1.25Ø ⁄–13 6.00 9.81 14 – 12.03
4
600 2,000 17.00 17.12 1.75 10.75 1.50 6.25 11.33 1.36Ø ⁄–16 4.25 8.19 10 0.25 sq. 11.95
900 3,000 18.00 18.12 – – – – – – – – – – – –
1,500 5,000 21.50 21.62 2.62 12.25 2.38 8.25 12.25 1.75Ø ⁄–13 6.00 10.75 12 – 12.34
2,500 – 26.50 26.88 3.12 14.00 3.25 9.50 16.75 2.50Ø ⁄–10 12.00 10.60 18 0.50 sq. 14.13
6
600 2,000 22.00 22.00 3.44 14.00 2.19 8.88 13.14 2.15Ø ⁄–10 11.25 9.81 14 0.50 sq. 12.84
900 3,000 24.00 24.12 3.44 15.00 2.50 8.88 13.14 2.15Ø ⁄–10 11.25 10.69 18 0.50 sq. 12.84
1,500 5,000 27.75 28.00 3.44 15.50 3.62 9.50 13.14 2.15Ø ⁄–10 11.25 10.57 18 0.50 sq. 12.84
2,500 – – 36.50 4.09 19.00 4.75 13.25 18.81 2.97Ø ⁄–10 13.00 15.10 24 0.75 sq. 17.78
81,500 5,000 – 33.12 4.09 19.00 3.62 12.00 18.81 2.97Ø ⁄–10 13.00 15.10 24 0.75 sq. 17.78
2,500 – – 40.88 4.09 21.75 5.56 14.00 18.81 2.97Ø ⁄–10 13.00 15.10 24 0.75 sq. 17.78
6-in full-port ASME 900 and ASME 1500 have the same face to face as reduced port.
Double-Block-and-Bleed Valve
Required
for disassembly
K
B
C
D
A
L
L
DIA—NC thread
type (4) four places
DIA—Bolt circle
M
N
E
(square)
DIA—4 in only
11

cameron.slb.com/valves
TEXSTEAM Super G
*Mark of Schlumberger
Other company, product, and service names
are the properties of their respective owners.
Copyright © 2017 Schlumberger. All rights reserved. 17-VL-248821