PM496BE_K Tmh521tmu
User Manual: tmh521tmu
Open the PDF directly: View PDF
.
Page Count: 32

Turbomolecular Drag Pumps
With Electronic Drive Unit TC 600
PM 0496 BE/K (0503)
TMH 521 P
TMU 521 P
Betriebsanleitung • Operating Instructions

2
Index
Page Page
1. Safety Instructions .................................. 3
1.1. For Your Orientation........................................................... 3
1.2. Pictogram Definitions........................................................ 3
2. Understanding The Pumps
TMH 521 P/TMU 521 P ............................. 4
2.1. Main Features..................................................................... 4
Proper Use .......................................................................... 4
Improper Use ...................................................................... 5
2.2. Differences Between The Pump Types.......................... 5
2.3. Scope of Delivery............................................................... 5
3. Installation ............................................... 6
3.1. Preparations For Installation............................................ 6
3.2. Installing The Pump,
Connecting The High Vacuum Side ................................ 6
3.3. Connecting The Fore-Vacuum Side ................................ 9
3.4. Connecting The Cooling Unit.......................................... 10
3.5. Connecting The Venting Valve....................................... 10
3.6. Connecting The Casing Heating Unit............................ 10
3.7. Connecting The Sealing Gas Valve............................... 10
3.8. Connecting The Electronic Drive Unit TC 600.............. 11
3.9. Installing The Power Supply .......................................... 11
3.10. Connecting The Remote Control Unit ........................... 12
3.11. Connecting The Serial Interface RS 485 ...................... 13
Connection ........................................................................ 13
Connecting The RS 485 ................................................... 13
3.12. Connections Diagram...................................................... 14
4. Operations .............................................. 15
4.1. Before Switching ON....................................................... 15
4.2. Switching ON.................................................................... 15
4.3. Switching OFF And Venting............................................ 15
4.4. Gas Type Dependent Operations .................................. 16
4.5. Shutting Down For Longer Periods ............................... 16
4.6. Operations With The DCU 001, DCU 300
or HPU 001......................................................................... 17
4.7. Operations With The Remote Control Unit................... 17
Venting Release (Optional)............................................. 17
Motor, Turbopump ........................................................... 17
Pumping Station ............................................................... 17
Heating/Reset ................................................................... 17
Standby.............................................................................. 17
Rotation Speed Setting Mode Via
Input PWM ........................................................................ 18
Switching Outputs............................................................ 18
5. Monitoring Operations.......................... 19
5.1. Operations Display Via LED............................................ 19
5.2. Turbopump Temperature Management....................... 19
6. What To Do In Case Of
Breakdowns ? ........................................ 20
7. Maintenance/Replacement .................. 21
7.1. Replacing The Lubricant Reservoir............................... 21
7.2. Replacing The Electronic Drive Unit TC 600 .................22
8. Service .................................................... 23
9. Technical Data ....................................... 24
9.1. Dimensions Diagram ....................................................... 25
10. Spare Parts ............................................. 28
11. Accessories............................................ 29
Declaration of Contamination..................... 30
Manufacturer’s Declaration .......... (last page)
PPlleeaassee nnoottee::Current operating instructions are available via
www.pfeiffer-vacuum.net.

3
Warning, danger of burns from touching hot
parts.
Warning, danger of personal injury.
Caution, danger of damage to the pump or to
the system.
Warning, danger of injury from rotating parts.
Please note, attention to particularly important
information on the product, handling the
product or to a particular part of the
documentation.
☞
PLEASE NOTE
WARNING
CAUTION
WARNING
WARNING
☞Read and follow all instructions in this manual.
☞Inform yourself regarding:
– Hazards which can be caused by the pump;
– Hazards which can be caused by your system.
– Hazards which can be caused by the media being
pumped.
☞Avoid exposing any part of the body to vacuum.
☞Observe the safety and accident prevention regulations.
☞Regularly check that all accident prevention measures are
being complied with.
☞Do not operate the turbopump with open high vacuum
flange.
☞Do not carry out any unauthorised conversions or
alterations to the turbopump with TC 600.
☞When returning the turbopump observe the shipping
instructions.
☞The turbopump must be anchored in accordance with the
installation instructions.
☞Do not disconnect the plug between the TC 600 and
accessory components during operations.
☞Disconnect the voltage supply for the TC 600 before
opening the turbopump.
☞When working on the turbopump, the high vacuum flange
should only be opened once the rotor is at rest.
☞When using sealing gas, the pressure in the hose connec-
tion should be limited to 2 bar via the overpressure valve.
☞If a heater is in use temperatures of up to 120 °C can be
present in the area of the high vacuum flange. Take care to
avoid burns !
☞During operations, temperatures of up to 65 °C can arise in
the lower part of the turbopump. Take care to avoid burns !
☞Keep leads and cables well away from hot
surfaces ( > 70 °C).
☞Operate the turbopump with TC 600 only in conjunction
with the relevant power supply (accessory).
☞Without the cover plate for the TC 600 the unit has been
accredited protection class IP 30. When the unit is
operated in environments which require other protection
classes, the necessary measures must be taken. When the
turbopump is water cooled a cover plate for the TC 600
must be installed by an electrical specialist, in order to
attain protection class IP 54 (Sec. 11 Accessories).
☞The mains connection must be subject to a safe
connection to the PE (protection class 1).
☞If the turbopump and the TC 600 are operated
independently of each other (only permissible with the
agreement of the manufacturer) the turbopump must be
connected to the PE.
☞The turbopump and the TC 600 must only be
disconnected from each other when the turbopump is
completely at rest and the TCP 600 has been disconnected
from the power supply.
☞The cause of any operating voltage leakage to earth
(red LED flashes) must be eliminated to avoid the danger of an
electric shock.
☞The housing screws do not loosen, pull tight,
remove or replace, since otherwise the guarantee for the
security of the turbopump expires.
Modifications reserved.
1. Safety Instructions
1.1. For Your Orientation
Instruction in the text
➡Working instruction: here, you have to do something.
Symbols used
The following symbols are used throughout in all illustrations.
High vacuum flange
Fore-vacuum flange
Venting connection
Air cooling
Electric connection
Sealing gas connection
Abbreviations used
DCU = Display and operating unit
HPU = Display and operating unit
TC = Electronic drive unit, turbopump
TPS = Power supply
Position numbers
The same pump and accessory parts have the same position
numbers in all illustrations.
1.2. Pictogram Definitions

4
2.1. Main Features
Turbopumps TMH 521 P/TMU 521 P with the TC 600 form an
unit. Voltage is supplied by the power supply (see Section 11.
Accessories).
On delivery, the pumps have been set up for
operations in remote mode. Remote plug 8d
should therefore be disconnected if operations
with the DCU 001, DCU 300 or HPU 001 are
required.
☞
PLEASE NOTE
Cooling
Water cooling or air cooling is required (”Accessories”).
Integrated protective measures against excess temperatures:
The Electronic Drive Unit TC 600 reduces
the rotor rotation speed.
Bearings
High vacuum side: wear free permanent magnetic bearing.
Fore-vacuum side: oil circulatory lubricated ball bearing
with ceramic balls.
2. Understanding The Pumps TMH 521 P/TMU 521 P
Ambient conditions
The turbomolecular pump needs to be installed in compliance
with the following ambient conditions:
Installation location: protected against the weather
(rooms within buildings)
Temperature: +5 °C to +40 °C
Relative humidity
of the air: max. 80 % at T ≤31 °C
up to max. 50% at T ≤40 °C
Air pressure: 77 kPa - 106 kPa
Installation altitude: 2000 m max.
Pollution degree: 2
Overvoltage category: II
Connection voltage: 72 VDC ±5%
Proper Use
– The Turbomolecular Pumps TMH 521 P/TMU 521 P may
only be used for the purpose of generating vacuum.
– The turbopumps may only be used to pump those media
against which they are chemically resistant. For other
media the operator is required to qualify the pumps for the
processes involved.
– If the process produces dust, the maintenance intervals
must be specified accordingly and sealing gas must be
used.
If the pump is to be operated with more than 50% of the
permissible gas load then sealing gas should be used to
ensure rotor cooling.
– The turbopump must be connected to a backing pump in
accordance with Section 3.3.
– Only Pfeiffer Vacuum power supplies may be used to
operate the TC 600. The use of other power supplies
requires the express agreement of the manufacturer and
equalisation with the valid specification.
– Without the cover plate for the TC 600 the pumps may only
be operated providing the ambient conditions in
compliance with Protection Type IP 30 are observed.
Turbomolecular Drag Pump TMH 521 P/TMU 521 P
1 High vacuum flange
2 Fore-vacuum flange
4 Venting screw
8 Electronic Drive Unit TC 600
8d Remote plug
1
248d 8

5
Feature TMH 521 P TMU 521 P
High vacuum flange ISO-K CF-F
High vacuum seal Elastomer Metal
Attainable final < 1 · 10-7 mbar < 5 · 10-10 mbar
pressure (without baking-out) (with baking-out)
Abbreviations on the type plate of the pump
Suffix ”P”: Pumps with the designation TMH/TMU 521 P
have been designed for the connection
of purge gas (see Section 3.7.).
Improper Use
The following is regarded, inter alia, as improper:
– The pumping of explosive or corrosive gases.
– Operating the pumps in areas where there is a danger of
explosion.
– Operating the pumps in areas where there is a danger of
radioactivity.
– The pumping of gases and vapours which attack the mate-
rials of the pumps.
– The pumping of corrosive gases without sealing gas.
– The pumping of condensating vapours.
– Operations involving impermissibly high levels of gas
loads.
– Operations with impermissibly high fore-vacuum pressure.
– Operations with improper gas modes.
– Operations involving too high levels of heat radiation
power (see Section 9. Technical Data).
– Venting with rates higher than in Section 4.3. stated.
– Operating the pump without the cover plate for the TC 600
in environments which require a protection class superior
to IP 30.
Installation of the pumps in systems where the turbomole-
cular pumps are subjected to impact-like stress and vibra-
tions or the effect of periodically occurring forces.
– The use of other power units or accessories which are not
named in this manual or which have not been agreed by
the manufacturer.
– The connection to power units with earthing of a direct
voltage pole.
The turbomolecular pumps and flange connections must not
be used to tread on when climbing onto the system.
Improper use will cause all claims for liability and guarantees
to be forfeited.
2.2. Differences Between The Pump Types
2.3. Scope Of Delivery
The turbopump scope of delivery includes:
– protective covering for the high vacuum flange and the
fore-vacuum flange.
The 4 screws at the High vacuum flange are not
sufficient for the attachment of the pump at a
recipient (see Section 3.).
CAUTION

6
3. Installation
3.1. Preparations For Installation
Do not carry out any unauthorised conversions
or alterations to the turbopump.
In case the rotor blocks suddenly, torque levels
up to 66669900 NNmm can occur which need to be
absorbed by the system and the high vacuum
flange.
– If the turbopump is to be operated with the DCU 001 or
HPU 001, the remote plug 8d (please see Section 2.1.) on
the TC 600 should be disconnected and then proceed in
accordance with the corresponding operating instructions.
– The maximum permissible rotor temperature of the pump is
90 °C. If the vacuum chamber or parts in the vacuum
chamber are heated, the values stated in the technical
data relating to the level of heat which may be radiated
into the pump must not be exceeded. If necessary, suitable
shielding must be fitted in the vacuum chamber before the
turbopump (constructional suggestions available on
request).
_ The temperature of the high vacuum flange must not
exceed 120 °C.
– Only remove the blank flange from the high and fore-
vacuum side immediately before connection.
– On Turbopumps TMH 521 P/TMU 521 P the lubricant
reservoir is already fitted and filled.
– Where magnetic fields of > 5.0 mT are involved suitable
shielding must be provided (available on request).
– If the pump is baked out, the heating sleeve and the body
of the pump must be insulated to prevent burns from
accidental contact.
– For operating the pump air or water cooling is necessary.
The person responsible for commissioning
must ensure that the installation is carried out
in accordance with the legal regulations and
the pertinent industrial standards.
☞
PLEASE NOTE
WARNING
WARNING
3.2. Installing The Pump,
Connecting The High Vacuum Side
The utmost cleanliness must be observed when
fitting all high vacuum parts. Unclean
components prolong the pumping time.
All installations units for the flange must be with
installation grease-free, dust free and drying.
UUssee aa PPffeeiiffffeerr VVaaccuuuumm sspplliinntteerr sshhiieelldd oorr pprrootteeccttiivvee mmeesshh
The use of a Pfeiffer Vacuum splinter shield or protective
mesh in the high vacuum flange protects the turbopump
against foreign bodies coming from the vacuum chamber but
does reduce the volume flow rate as followed:
Connecting via bellows or Pfeiffer Vacuum vibration
compensator (Accessory)
The high vacuum side can be flanged onto the vacuum cham-
ber either directly or via a bellows or a vibration compensator
(please see Sec. 11. ”Accessories”).
When using a Pfeiffer Vacuum vibration compensator,
suitable securing needs to be introduced capable of
absorbing the energy of the rotor should it suddenly block,
since the vibration compensator itself alone cannot absorb
the occurring forces. Please consult the manufacturer.
The maximum permissible temperature at the
vibration compensator is 100 °C.
CAUTION
☞
PLEASE NOTE
Reduced volume flow rate in %
HH22HHeeNN22
Splinter shield DN 100 9 13 22
DN 160 5 7 16
Protective mesh DN 100 2 3 6
DN 160 1 2 4

7
Installing the high vacuum flange
– In case the rotor blocks suddenly, torque levels up to
66669900 NNmm can occur which need to be absorbed by the
system and the high vacuum flange.
– For installing the turbomolecular pumps to the high
vacuum flange, the components listed in the following
mmuussttbe used exclusively. Otherwise the turbomolecular
pump may twist or tear off. The components for installing
the turbomolecular pumps are special designs from
Pfeiffer Vacuum
– The minimum strength of 170 N/mm2of the flange material
needs to be observed.
Installation is done as follows.
To reliably prevent the pump from twisting if the
rotor suddenly blocks, it is absolutely prohibited
to secure a pump with an ISO-K flange on a
vacuum chamber with an ISO-F flange or vice
versa. Both flanges mmuusstt bbeeof the same type.
Installation with different flange types is carried
out at the user's own risk. Pfeiffer Vacuum shall
assume no liability whatsoever for any damage
or injuries resulting from this kind of
attachment.
WARNING
ISO-F to an ISO-F flange
For installing there exist three variants.
VVaarriiaanntt 11 -- HHeexxaaggoonn ssccrreeww wwiitthh bblliinndd hhoollee
CCoonnnneeccttiioonn nnoommiinnaall
--DDeessiiggnnaattiioonnOOrrddeerr--nnuummbbeerr
ddiiaammeetteerr
DN 100 ISO-K/ Centering ring (coated) PM 016 210 AU
DN 100 ISO-K
Centering ring (coated) PM 016 211 AU
with splinter shield
Centering ring (coated) PM 016 212 AU
with protective mesher
Bracket screws PF 300 110 -T
(1166pieces must be used)
DN 160 ISO-K/ Centering ring (coated) PM 016 216 AU
DN 160 ISO-K
Centering ring (coated) PM 016 217 AU
with splinter shield
Centering ring (coated) PM 016 218 AU
with protective mesher
Bracket screws PF 300 110 -T
(1144pieces must be used)
CCoonnnneeccttiioonn nnoommiinnaall
--DDeessiiggnnaattiioonnOOrrddeerr--nnuummbbeerr
ddiiaammeetteerr
DN 100 ISO-F Centering ring (coated) PM 016 210 AU
Centering ring (coated) PM 016 211 AU
with splinter shield
Centering ring (coated) PM 016 212 AU
with protective mesher
Hexagon screws with N 3024 428 1C
washer N 3502 422 4P
(88pieces each must be used)
DN 160 ISO-K/ Centering ring (coated) PM 016 216 AU
DN 160 ISO-K
Centering ring (coated) PM 016 217 AU
mit Splitterschutz
Centering ring (coated) PM 016 218 AU
mit Schutzgitter
Hexagon screws N 3024 479 1C
(88pieces must be used)
ISO-K to an ISO-K flange
For installation, the following components are available.
A
D oder/or E B
C
Bracket screw
A ISO-K flange
B Bracket screw
C Centering ring, coated
D Splinter shield
E Protective mesh
➡The clamps need to be tightened crosswise in three steps.
Tightening torque: 5 Nm, 15 Nm, 25 ±2 Nm
1) DN 100 ISO-F with washer
➡For a flange material having a strength of > 270 N/mm2and
with a blind hole the hexagon screw 1,5 d must be screwed
in. The hexagon screws must be tightened crosswise in
three steps.
Tightening torque:
DN 100 ISO-F: 5 Nm, 12 Nm, 22 ±2 Nm
DN 160 ISO-F: 10 Nm, 20 Nm, 38 ±3 Nm
B
A
D oder/or E
1.5d
C
Hexagon srew with blind hole
A ISO-F flange
B Hexagon screw1)
C Centering ring, coated
D Splinter shield
E Protective mesh

8
CCoonnnneeccttiioonn nnoommiinnaall
--DDeessiiggnnaattiioonnOOrrddeerr--nnuummbbeerr
ddiiaammeetteerr
DN 100 ISO-F Centering ring (coated) PM 016 210 AU
Centering ring (coated) PM 016 211 AU
with splinter shield
Centering ring (coated) PM 016 212 AU
with protective mesher
Stud screws N 3169 428 2C
(88pieces must be used)
Nuts N 3433 047 8P
with washer N 3502 422 4P
(88pieces each must be used)
DN 160 ISO-F Centering ring (coated) PM 016 216 AU
Centering ring (coated) PM 016 217 AU
with splinter shield
Centering ring (coated) PM 016 218 AU
with protective mesher
Stud screws N 3169 485 2C
(88pieces must be used)
Nuts (88pieces must be used) N 3433 051 8P
B
A
C
D oder/or E
2.5d
Stud screw with blind hole
A ISO-F flange
B Stud screw with nut
C Centering ring, coated
D Splinter shield
E Protective mesh
➡For a flange material having a strength of > 170 N/mm2and
a stud screw with clearance hole, the nuts must be
tightened crosswise in three steps.
Tightening torque:
DN 100 ISO-F: 5 Nm, 12 Nm, 22 ±2 Nm
DN 160 ISO-F: 10 Nm, 20 Nm, 38 ±3 Nm
B
A
C
D oder/or E
Stud screw and clearance hole
A ISO-F flange
B Stud screw with two nuts
C Centering ring, coated
D Splinter shield
E Protective mesh
1) DN 100 ISO-F with washer
➡For a flange material having a strength of 170-270 N/mm2
and a screw-in flange, the stud screw 2,5 d must be
screwed in. The nuts must be tightened crosswise in three
steps.
Tightening torque:
DN 100 ISO-F: 5 Nm, 12 Nm, 22 ±2 Nm
DN 160 ISO-F: 10 Nm, 20 Nm, 38 ±3 Nm
Variant 2 - Stud screw with blind hole Variant 3 - Stud screw and clearance hole
(components as for variant 2; 1166pieces of nuts must be used
CF-F flange
Applications for installing an CF-F to an CF-F flange:
Stud screw with blind hole
1166 ((DDNN 110000 CCFF--FF))or. 2200 ((DDNN 116600 CCFF--FF))pieces of stud screws
(M8) with washers and nuts must be used. The stud screws
need to be tightened revolving with a tightening torque of
22 ±2 Nm.
B
A
C
52
Stud screw with blind hole
A CF-F flange
B Stud screw with
washer and nut
C Copper seal
B
A
C
55
Hexagon screw and clearance hole
A CF-F-flange
B Hexagon screw
with washer and nut
C Copper seal
Hexagon screw and clearance hole
1166 ((DDNN 110000 CCFF--FF))or 2200 ((DDNN 116600 CCFF--FF))pieces of hexagon
screws (M8) with washers and nuts must be used. The hexa-
gon screws need to be tightened revolving with a tightening
torque of 22 ±2 Nm.

9
CCoonnnneeccttiioonn nnoommiinnaall
--DDeessiiggnnaattiioonnOOrrddeerr--nnuummbbeerr
ddiiaammeetteerr
DN 100 CF-F Hexagon screw M8 with PF 505 003 -T
DN 160 CF-F washer and nut
(25 pieces)1)
Stud screw M8 with
washer and nut
(22 pieces)1) PF 507 003 -T
DN 100 CF-F Copper seal (10 pieces)1) PF 501 410 -T
or
copper seal silvered PF 501 510 -T
(10 pieces)1)
Splinter shield2) PM 016 315
Protective mesh2) PM 016 336
DN 160 CF-F Copper seal (10 pieces)1) PF 501 416 -T
oder
copper seal silvered PF 501 516 -T
(10 pieces)1)
Splinter shield2) PM 016 318
Protective mesh2) PM 016 339
The components for installing to an CF-F flange are to be
ordered under the following numbers:
1) supplied pieces
2) Insert the splinter shield and protective mesh in the high vacuum flange with the clamping lugs
downward.
The maximum loading capacity of the high
vacuum flange is 1000 N (equivalent to 100 kg).
Assymetric loading on the high vacuum flange
must be avoided.
CAUTION
No forces from the piping system must be
allowed to act on the pump where turbopumps
are anchored.
Suspend or support all pipes to the turbopump.
CAUTION
Directly flanging the pump
The turbopump can be flanged onto the vacuum chamber
vertically (0°) up to an angle of 90° maximum.
The fore-vacuum flange must always point
downwards.
CAUTION
Permissible installation positions for the turbopump
11 Vacuum chamber
20°
20°
Installation position with oil-sealed backing pump
11 Vacuum chamber
11
11
If the pump is being installed horizontally:
The fore-vacuum flange of the turbopump must be aligned
vertically downwards (maximum deviation ± 20°),
otherwise the turbopump could become dirty and the lubrica-
ting pump not properly function.
3.3. Connecting The Fore-Vacuum Side
Backing pump: Vacuum pressure ≤5 mbar
Recommendation: Oil-Free Diaphragm Pump or Rotary
Vane Vacuum Pumps from the Pfeiffer
Vacuum range (note installation position,
turbopump, see Section 3.2.).
Connecting the backing pump
All connections of the fore-vacuum line: with the usual small
flange components or hose screw connections.
Be sure to conduct away the exhaust gases
from the backing pump. Do not reduce the free
cross section of the fore-vacuum flange with
following components.
The exhausted process gases and vapours can
represent a health hazard and can also be
environmentally damaging.
Comply with all gas manufacture's safety
instructions.
➡With rigid pipe connections: fit a bellows in the connecting
line to reduce vibration.
➡The electrical connection of the backing pump is made via
a relay box whose control line is connected to ”FV PUMP”
on the TC 600.
Please refer to Operating Instructions PT 0030 BN for details
on the relay box, backing pump and its installation.
WARNING
CAUTION

10
3.4. Connecting The Cooling Unit
The Turbopumps TMH 521 P/TMU 521 P must be water or air
cooled.
Air cooling may only be used where the ambient temperature
is < 35 °C.
Use and installation:
– For water cooling please refer to Operating Instructions
PM 0152 BN.
– For air cooling please refer to Operating Instructions
PM 0543 BN.
3.5. Connecting The Venting Valve
The venting valve TVF 005 (see Section 11. Accessories)
provides automatic venting in the event of a power failure and
switching off.
Fitting the venting valve
➡Unscrew the venting screw from the venting connection 4
(please refer to Section 2.1.) of the turbopump.
➡Screw in venting valve 42 with seal (USIT ring) on hexago-
nal SW 14.
Electrical connection
➡Plug control lead 42a into the connection ”VENT” of the
TC 600 (8) on the turbopump.
The venting mode of the venting valve is selected via the DCU
or Serial Interface RS 485.
The maximum pressure at the venting valve is
1.5 bar absolute.
Please refer to Operating Instructions PM 0507 BN for details
on Venting Valve TVF 005.
CAUTION
3.6. Connecting The Casing Heating Unit
The attainment of final pressures is accelerated when
turbopumps and vacuum chambers are baked out.
The heating duration is dependent on the degree of dirt and
on the required final pressure level. The heating duration
should be at least 4 hours.
Where casing heating is involved the turbopump
must be water cooled.
High temperatures are generated when
turbopumps and vacuum chambers are baked
out. There is a danger of burns resulting from
touching hot parts, even after the casing heating
has been switched off.
Ideally, the heating sleeve, pump casing and
vacuum chamber should be insulated during
installation. Do not touch the heating sleeve,
pump casing and vacuum chamber during the
baking out process.
Please refer to Operating Instructions PM 0542 BN for details
on the casing heating unit and its installation.
3.7. Connecting The Sealing Gas Valve
To protect the pump, particularly where corrosive or dust
producing processes are involved, it is necessary to use
sealing gas.
Connection is made via the sealing gas valve (please see
Section. 11. Accessories).
WARNING
☞
PLEASE NOTE
Please refer to Operating Instructions PM 0229 BN for details
on installing the sealing gas valve and adjusting the sealing
gas flow.
8
8d
VENT
42a
42b
42
Connecting the Venting Valve TVF 005
8 Electronic Drive Unit TC 600
8d Remote plug
42 Venting Valve TVF 005
42a Control lead venting valve/TC 600
42b Plug
66 66a
915
Connecting the sealing gas valve
9 Locking screw sealing gas connection
15 Seal
66 Sealing gas valve
66a Seal

11
3.9. Installing The Power Supply
Voltage may only be supplied with the Pfeiffer
Vacuum power supplies (Accessory). The use
of other power supplies requires the express
agreement of the manufacturer and
equalization with the valid specification (power
supply specifications available an request).
Please refer to Operating Instructions PM 0521 BN for details
on Power Supply TPS 300.
The mains connection must be freely
accessible at all times.
CAUTION
CAUTION
3.8. Connecting The Electronic Drive Unit TC 600
The turbopump and the Electronic Drive Unit
TC 600 are connected and together form a
single unit.
Connecting cable 8a has to be ordered in
wanted length separately (see Section 11.
Accessories).
➡Unscrew screw with tooth lock 8c from the TC 600 (above
the connection X4).1)
➡Plug the plug X4 on connecting cable 8a into the
connection X4 on the TC 600 and screw in screw 8b.
➡Secure plug X4 on the TC 600 with a screw and
tooth lock 8c.1)
➡Connect plug X2 on connecting cable 8a with Power
Supply TPS 300/DCU 300 (Accessories) on connection X2.
➡Using screws and tooth lock 8c, included with the cable
consigment) secure plug X2 to power supply 105.1)
1) Only with cable PM 051 843 -T
Once operations voltage has been supplied, the
TC 600 performs a self test on the supply volta-
ge. The supply voltage for Turbomolecular
Pumps TMH 521 P/TMU 521 P is 72 V DC ±5% in
accordance with EN 60 742.
If the turbopump is being operated with the Display And
Operating Unit DCU 001, DCU 300 or HPU 001, remote plug 8d
should be disconnected. Connection should be carried out in
accordance with the respective operating instructions.
CAUTION
☞
PLEASE NOTE
X4 8
8b
X4
8c
8a
8c
X2
X1
S1
X2
105
8d
Connecting the TC 600 with Power Supply TPS 300/DCU 300
X1 Mains connection
X2 Connection, power supply
X4 Connection TC 600
S1 ON/OFF switch
8 Electronic Drive Unit TC 600
8a Connecting cable, TC 600 – TPS/DCU
8b Screw
8c Screw with tooth lock
8d Remote plug
105 Power supply

12
3.10. Connecting The Remote Control Unit
Remote control options for various functions are provided with
the connection "REMOTE" on the TC 600 via the 15-pole D-Sub-
Connector. Shielded cable must be used. Shielding is on the
plug side of the TC 600 connected to the TC casing.
The inputs 2-6 are activated by connecting them to the + 24 V
on pin 1 (active high) (please see Section 3.12. Connections
Diagram).
Pin occupancy and remote plug functions
(please see following table).
When connecting supply voltage, the turbopump
is started.
On delivery:
Pin 1, Pin 2, Pin 3 and Pin 4 are bridged in the
mating plug.
CAUTION
1
8
9
15
Pin arrangement remote plug
Pin occupancy and remote plug functions
Pin nr. Input open (low) Input closed (high) on + 24V (pin 1)
1 +24 V
2 venting blocked (see Section 3.5.) venting released (see Section 3.5.)
3 motor, turbopump off motor, turbopump on:
the turbopump is driven, current flows through the motor coils
4 pumping station off pumping station on:
the turbopump is driven, backing pump is started via the relay box
5 heating off heating on:
the heating is switched on once the rotation speed switchpoint is attained and off
when the rotation speed switchpoint is unattained
optional: sealing gas valve off1) optional: sealing gas valve on1)
5 reset:
by supplying a pulse (T < 2s) with an amplitude of 24V a malfunction
acknowledgement can be processed
6 standby off standby on:
pump is accelerated to 66% of its nominal rotation speed
7 rotation speed setting mode off the rotation speed can be changed by feeding a PWM signal to this pin or
via Serial Interface RS 485 (see Section 4.7. Rotation Speed Setting Mode)
8Output (low) Output (high)
rotation speed switchpoint not attained rotation speed switchpoint attained; output can be loaded with 24 V/50 mA
9Output (low) Output (high)
Collective malfunction message malfunction-free operations;
output can be loaded with 24 V/50 mA
10 Mass (ground) _________
11 Contact contact2) between pin 11 and pin 12 closed
Output 1: Switchpoint attained if the turbopump is above the switchpoint
12 Contact
Output 1: Switchpoint attained
13 Contact contact2) between pin 13 and pin 14 open in the event of a collective malfunction
Output 2: Collective malfunction message
14 Contact
Output 2: Collective malfunction message
15 Analog output rotation speed proportional output voltage 0 - 10 VDC =
0 - 100 % * fend/load R ≥10 kΩ
1) The option must be set via the Serial Interface RS 485
(see Operating Instructions PM 0547 BN, Pumping Operating with DCU
2) The following technical data is applicable for the contacts: Umax = 50 VDC
Imax = 1 A

13
3.11. Connecting The Serial Interface RS 485
An external operating component (DCU 001, DCU 300 or
HPU 001) or an external computer can be connected via the
connection ”RS 485” on the TC 600 with the use of a shielded
8 pole modular connecting cable contained with the delivery.
All units connected to the bus must have differing serial
interface addresses (parameter 797).
The group address of the TC 600 is 960.
Only SELV may be connected to the Serial Inter-
face RS 485.
All switched on remote functions have priority over the serial
interface functions.
Please refer to Operating Instructions
PM 0488 BN for detailed operating
procedures and electrical data in respect of the
Serial Interface RS 485.
Profibus DP Gateway TIC 250 is available (accessory) for
connecting an Electronic Drive Unit TC 600 to a Profibus DP.
Please refer to the respective Operating Instructions
PM 0599 BN for detailed information on the operation of the
TIC 250.
☞
PLEASE NOTE
WARNING
Designation Value
Serial interface type: RS 485
Baud rate: 9600 Baud
Data file word length: 8 bit
Parity: no parity
Start bits: 1
Stop bits: 1..2
The electrical connections in the TC 600 are optically
decoupled.
Pin Occupancy
1 not connected
2 + 24 V output (loadable with ≤210 mA)
3 not connected
4 not connected
5 RS 485: D+ (DO / RI)
6 Gnd
7 RS 485: D- (DO / RI)
8 not connected
RS 485
1 ... 8
Connecting The RS 485
Connection to a fixed bus system
➡Connect all units with D+ (pin 5 / RS 485) and D- (pin 7 /
RS 485) to the bus.
➡The bus must be closed at both ends.
The connections should be made in accordance with the
specification of the Serial Interface RS 485.
5:D+, 7:D–
RTRT
PC
Level Converter
TC TC
(View from
the plug side
of the TC 600)
It is possible to connect an RS 232 (e.g. PC) via a
level converter (please see Section 11. Accesso-
ries).
☞
PLEASE NOTE
The serial interface is galvanically and safely separated from
the maximum supply voltage from the TC 600.
Connection
DCU 300
with power
supply
DCU 001
without power supply
TC 600
or
PC
external
computer
RS 485
or
RS 485
RS 485
RS 485
HPU 001
RS 485
or
Connecting the Serial Interface RS 485

14
TC 600
TC 750
RS 485
REMOTE
1
2
3
4
5
6
7
8
n.c.
+24 VDC*/max. 200 mA (supply voltage, DCU)
n.c.
n.c.
n.c.
RS 485+/ (DO/RI)
GND* (mass connection, DCU)
RS 485- / (DO/RI)
+24 VDC*/max. 50 mA
Venting release
Motor, turbopump
Pumping station
Heating/Reset
Standby
PWM ON (touch relation 25 -75%)
Switching output 1 (24 VDC / max. 50 mA)
Switching output 2 (24 VDC / max. 50 mA)
GND*
HEAT/TMS
VENT
FV PUMP
1
1
1
1
2
2
2
3
3
3
4
4
4
Relay box
Heating
Mains input, heating
115/208/230 VAC
Mains input, pumping station
(115/208/230) VAC
Connection, pumping station
Relay box,
Pumping station (Imax=16A)
HEATING
VENTING VALVE
TVF 005
L
N
PE
PE
N
L
L
N
PE
PE
N
L
Contact output 1: switching point
Contact output 2: collective malfunction
Analog output 0-10 VDC = 0-100 % *fend/R ³ 10 ký
5
6
5
6
FAN
2
3
4
FAN
M
5
6
X4
1
2
34
n.c.
X2
Protection conducter (PE)
Supply voltage TC
GND
PE GY/YE
BK1
BK2
5
6
Contact current max.
6 mA / Contact
1
2
3
Mains input
power unit
(90-132/
185-265) VAC
TPS XXX/DCU XXX
1
2
3
4
5
6
7
8
9
10
12
13
14
15
11
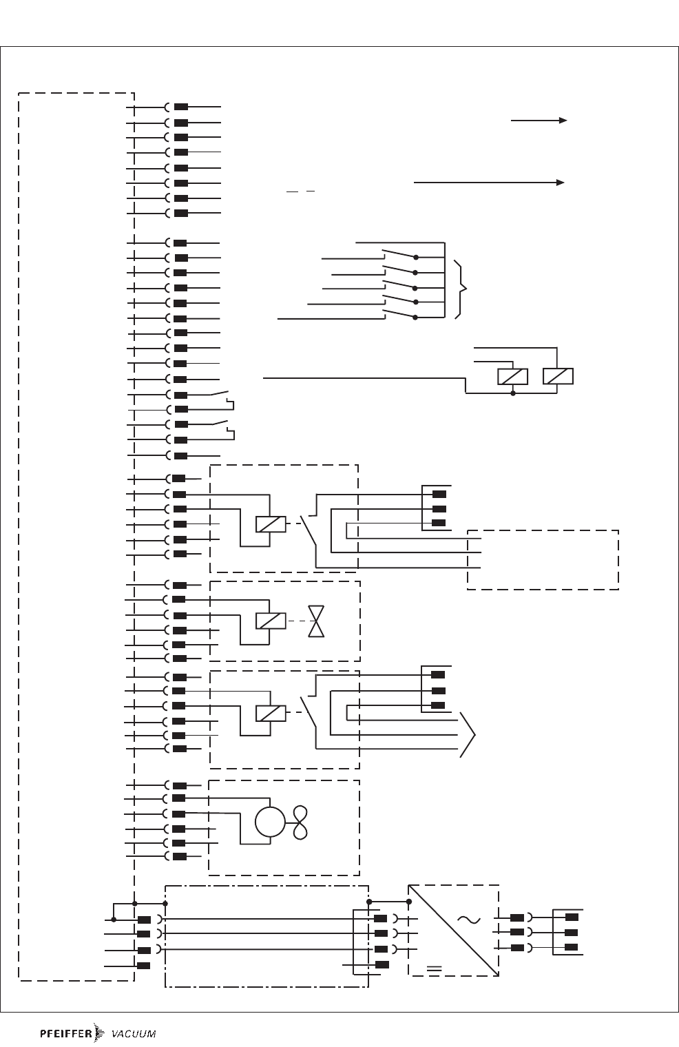
3.12. Connections Diagram

15
4. Operations
4.1. Before Switching ON
Sections 4.1. to 4.3. refer only to operating the pump in its
condition on delivery, without the DCU operating unit. The
bridges ”venting release”, ”motor, TMP ON” and ”pumping
station ON” are fitted in the remote control plug.
Turbopump rotors rotate at high speed. When
the high vacuum flange is open there is a
danger of injury and of damage to the pump
caused by objects falling into the pump.
Therefore never operate the pump with open
high vacuum flange.
Take care when pumping hazardous gases and
observe the safety precautions of the gas manu-
facturer.
➡With sealing gas: Open the sealing gas supply.
➡With water cooling: Open cooling water supply and check
flow.
➡With connecting cable 8a (see Section 11. Accessories)
connect the TC 600 and Power Supply TPS 300 on X2
(please see Section 3.8.).
Please note:
The following pre-settings have been programmed:
– Running up time 8 min
– Rotation speed switchpoint 80%
– Automatic venting 50%
These settings can only be altered via Serial Interface RS 485
(DCU, HPU or PC); please refer to the respective operating
instructions.
CAUTION
WARNING
Rear panel, TPS 300
S1 ON/OFF switch
X1 Mains connection
X2 Connection TC 600
F1 Fuse
F2 Fuse
F1
F2
S1 X1
X2
4.2. Switching ON
➡Switch on the turbopump with switch S1 on the power
supply.
– With air cooling the cooling fan is also switched on via
Electronic Drive Unit TC 600.
– Once the self test has been successfully completed on the
TC 600 (duration approximately 15 seconds), both the
turbopump and the backing pump (if connected) begin
operating.
4.3. Switching OFF And Venting
Before coming to rest after switching off, the turbopump must
be vented in order to prevent contamination.
➡Close the fore-vacuum.
➡Switch off both turbopump and backing pump with switch
S1 on the power supply.
➡Venting
There are three possibilities to vent turbopump:
–Manual venting with the use of the venting screw
(status on delivery).
–Venting with the venting valve which is selectable
via the remote control (please see Section 4.7.), or via
the DCU or HPU (see respective operating instructions).
–Venting in two stages when the vacuum chamber
should be vented as quickly as possible. First stage:
venting with a pressure increase rate of 15 mbar/s for
20 seconds.
Second stage: venting with an optionally large venting
valve.
The valve cross-section for a venting rate of 15 mbar/s
must be compatible with the size of the vacuum chamber.
Where small vacuum chambers are involved, the
Pfeiffer Vacuum Venting Valve TVF 005 can be used for
first stage venting.
➡Shut off water supply.

16
4.4. Gas Type Dependent Operations
Water cooling is required if the pumps are to be
operated with gas load.
Where high level gas loads and rotation speeds are involved,
the resulting friction subjects the rotor to the effect of great
heat. To avoid over-heating, a power rotation speed
characteristic line is implemented in the TC 600; this ensures
that where maximum gas loads are involved, the pump will
operate at any rotation speed without the danger of damage
arising.
The maximum power is dependent on the type of gas. Two
characteristic lines are available for any type of gas in order
to fully exploit the power potential of the pump:
– "Gas-Mode 0" for gases with molecular mass ≥40 as, for
example, Argon;
– "Gas-Mode 1" for all lighter gases.
Works setting: “Gas mode 0”
➡Set the applicable gas mode on the TC 600 via the
DCU/HPU (please refer to the respective operating instruc-
tions.
Pumping gases with molecular mass ≥ 40 with
the incorrect gas mode can cause damage to
the pump.When pumping noble gases heavier
then Argon it can come to the destruction of the
pump. Please contact the manufacturer before
using such gases.
For the vertex of the power characteristic line please refer to
Section 9. Technical Data.
Maximum power is applied when the pump starts in order to
limit the time required. Once the set rotation speed is
attained, switching to the selected power characteristic line
is automatic. If the gas dependent maximum power is excee-
ded, the rotation speed is reduced until equilibrium between
the permissible power and gas friction is attained.
The power limitation serves to protect the pump against ther-
mal over-loading. In order to avoid rotation speed fluctuations
it is recommended to set, in rotation speed setting mode, the
equilibrium frequency or a somewhat lower frequency.
There can be types of pump whereby there is no
differentiation between the two ”gas modes”
settings.
☞
PLEASE NOTE
WARNING
CAUTION
4.5. Shutting Down For Longer Periods
If aggressive or hazardous gases are pumped
there is a danger of personal injury resulting
from coming into contact with process gases.
Before removing a turbopump from the system,
first:
– Vent the turbopump with a neutral gas or
dry air.
– Ensure that there is no residual process gas in the system
nor in the feeder lines.
If the turbopump is to be shut down for more than a year:
➡Remove turbopump from the system.
➡Change the lubricant reservoir (see Section 7.1.).
Lubricant TL 011 should not be used when there
have been no operations for 33 yyeeaarrss..
➡Close the high vacuum flange and evacuate the turbopump
via the fore-vacuum flange.
➡Vent turbopump via the venting connection with nitrogen
or dry air.
➡Close fore-vacuum and venting connection by blank
flanging.
➡Place the pump vertically on its rubber feet.
➡The pump must be stored in buildings within a temperature
range of -25 °C to +55 °C.
➡In rooms with moist or aggressive atmospheres, the turbo-
pump must be air-sealed in a plastic bag together with a
bag of dessicant, e.g silicagel.
If the pump has been shut down for
3 years, the bearing must be changed (please
contact Pfeiffer Vacuum Service).
☞
PLEASE NOTE
CAUTION
WARNING
Power
Frequency
DB
C
A
D-C = Gas mode «0»
B-A = Gas mode «1»
Run up
fnom
Gas type characteristic line

17
4.6. Operations With The
DCU 001, DCU 300 or HPU 001
Operations with the DCU 001, DCU 300 or HPU 001 should be
carried out in accordance with the relevant Operating
Instructions:
PM 0477 BN (DCU description)
PM 0547 BN (Operating the pump with the DCU)
PT 0101 BN (Display and Operating Unit HPU 001)
Where operations with the DCU or HPU are
involved, the remote plug 8d on the TC 600
(please refer to Section 2.1.) should be
disconnected.
4.7. Operations With The Remote Control Unit
Remote control operations can be performed via the connec-
tion with the designation “REMOTE” on the TC 600 via the 15-
pole D-Sub-Connector.
Pin occupancy and remote plug functions see Section 3.10.
Connecting The Remote Control Unit.
Inputs 2 - 6 are activated if they are connected with the +24 V
on pin 1 (active high; please see Section 3.12. Connections
Diagram).
On delivery there is a bridge between Pin 1,
Pin 2, Pin 3 and Pin 4 on the TC 600 mating plug.
Once operating voltage has been supplied and
on successful completion of the self-test on the
TC 600, the turbopump and any possible
connected backing pump is started.
Venting Release (Optional)
Automatic venting:
CAUTION
☞
PLEASE NOTE
Motor, Turbopump
When the pumping station is switched on and once the self test
has been successfully completed (duration approximately 15
seconds), the turbopump is set in operation.
During operations, the turbopump can be switched on and off
while the pumping station is switched on.
Thereby the turbopump will not be vented.
Pumping Station
Any connected pumping station components are started up
(e.g. backing pump, venting valve, air cooling) and with
simultaneous activation of the input ”motor, turbopump” the
turbopump is set in operation once the self test has been
successfully completed (duration approximately 15 seconds).
Heating/Reset
HHeeaattiinngg ((ooppttiioonnaall))
Once the rotation speed switchpoint is attained the heating
unit is switched on; when the rotation speed switchpoint is
fallen below the heating unit is switched off.
Reset
The heating input has two functions (please see
Section 3.10., point 5 ”Reset”).
Standby
The pump can be operated optionally at 66% of its nominal
rotation speed (standby ON) or at its nominal rotation speed
(standby OFF).
VVeennttiinnggSSwwiittcchh ooffff MMaaiinnss ppoowweerr ffaaiilluurree11))
ffrreeqquueennccyytthhee ppuummppiinngg ssttaattiioonn
< 415 Hz venting valve opens venting valve opens and
(correspond to 50% for 3600 s (1 h, closes on attainment
of the final rotation (works setting) of approximately 15 % of
speed) the final rotation speed
1) When mains power is restored the venting procedure is interrupted.
Venting blocked:
Venting does not take place.
Other venting modes:
Other venting modes can be selected via the DCU or HPU.

18
If no signal is present the pump accelerates up to its final
rotation speed. A PWM adapter box for rotation speed setting
operations for the turbopump is available as an option (please
see Section 11. Accessories).
Switching Outputs
Switching outputs 1 and 2 can be loaded with a maximum
24 V / 50 mA per output. The following functions are assigned
to the switching outputs:
Switching output 1: Active high when the rotation speed
switchpoint is attained. The switchpoint
for the turbopump is set at 80% of the
nominal rotation speed. It can be used,
for example, for a message ”pump
ready to operate”.
Switching output 2: Active low with a malfunction -
collective malfunction message
The connection of a relay is made between pin 10 (mass) and
the respective switching output pin 8 or pin 9 (see Section
3.12. Connections Diagram).
Rotation Speed Setting Mode Via Input PWM
The supply of pulse width modulated signals (PWM) with a
ground frequency of 100 Hz ±20% with an amplitude of maxi-
mum 24 V and a key ratio of 25-75% enables the rotation
speed to be set in the range 20-100% of the nominal rotation
speed.
T
0
U20%*f 100%*fend
max. +33V
min. +13V
max. +7V
min. -33V
TT
PWM
*25% *75%
T
= 10ms (1±20%)
f=100Hz (1±20%)
end
PWM
PWM
PWM

19
5. Monitoring Operations
5.1. Operations Display Via LED
Certain operations modes of the turbopump and the TC 600
can be ascertained via the two integrated LEDs located on
the front panel of the TC 600.
The following operations modes are displayed:
5.2. Turbopump Temperature Management
Where impermissible motor temperatures are involved or the
temperature of the TC 600 casing is too high, the motor
current is reduced. This can lead to dipping below the set
rotation speed switchpoint and results in the turbomolecular
pump being switched off.
LED on the TC 600 glows red: Collective malfunction.
LED Cause
green red
Glows – power supply OK
– Function ”pumping station ON”
carried out
Flashes short – power supply OK
(1/12s active) – Pumping station OFF
Blinks – Mains power supply failure
(1/2s active)
Glows – Collective malfunction
(for example, run-up time error,
over-temperature, turbopump
or TC 600)
– Switching output 2 active (low)
Blinks – Warning
(1/2s active) (e.g. supply voltage short
circuit to earth, mains
power supply failure)
Differentiated malfunction and warning signals
are only possible with the use of the DCU or
HPU.
☞
PLEASE NOTE

20
6. What To Do In Case Of Breakdowns?
Problem Possible Causes Remedy
Pump doesn't start; • Power supply interrupted • Check fuse in the power supply
None of the integrated LEDs • Check plug contacts on the power supply
glow on the TC 600 • Check power supply feeder line
• Check voltage on the power supply
(72 V DC) at connection X2
• Incorrect operations voltage supplied • Supply correct operations voltage
• Pins 1-3 and 1-4 on the remote • Connect pins 1-3 and 1-4 on the
plug not connected remote plug
• No supply of operations voltage • Check plug contacts on the power
pack unit
• Defect TC 600 • Replace TC 600 (please see Sec. 7.2.)
• Reduction in the voltage in the cable • Use suitable cable
Pump doesn't attain nominal • Fore-vacuum pressure too high • Check backing pump function
rotation speed within the set • Leak or too much gas • Check seals
run-up time • Seek leak and repair
Pump cuts out during operations • Reduce supply of process gas
• Rotor sluggish caused by • Check bearing (noises?): Inform
defective bearing Pfeiffer Vacuum Service
• TC run-up time too short • Set longer start-up time with the DCU or PC
• Thermal overloading caused by
– Water flow insufficient • Ensure free flow
– Insufficient air supply • Ensure adequate air supply
– Fore-vacuum pressure too high • Reduce fore-vacuum pressure
– Ambient temperature too high • Reduce ambient temperature
Pump doesn't attain final pressure • Pump dirty • Bake out pump
• If seriously contaminated: Request
Pfeiffer Vacuum Service to clean
• Leak in vacuum chamber, • Seek leak starting with vacuum chamber
lines or pump • Repair leak
Unusual operating noises • Bearing damaged • Inform Pfeiffer Vacuum Service of need for
repair
• Rotor damaged • Inform Pfeiffer Vacuum Service of need for
repair
• Splinter shield (if fitted) • Check seat of splinter shield
not seated firmly
Red LED on the TC 600 glows • Collective malfunction • Reset via mains OFF/ON or remote pin 5
• Different malfunction display with the
DCU or HPU possible1)
Red LED on the TC 600 flashes • Warning through: • Different warning message with
the DCU or HPU possible1)
– Mains power failure • Check power supply voltage
• Check power supply mains
– Supply voltage short connection
circuit to earth • Check power supply voltage for short
circuit to earth
• Wrong setting for nominal rotation • Enter 833 Hz for parameter 777
speed (Parameter 777) (see operating instruction PM 0547 BN
“Pumping Operations With DCU”). If there is
no DCU/HPU available contact
Pfeiffer Vacuum Service .
1) Without a DCU or HPU inform Pfeiffer Vacuum Service to check the cause of trouble.

21
7. Maintenance/Replacement
No liability for personal injury nor material
damage will be accepted for damages and
operational interruptions which have been
caused by improper maintenance; in addition,
all guarantees become invalid.
The bearing should be changed every three years (request
Pfeiffer Vacuum Service to change).
Where extreme operating conditions or unclean processes
are involved, the replacement interval should be checked
with your Pfeiffer Vacuum Service Center.
You can replace the lubricant reservoir and the Electronic
Drive Unit TC 600 yourself.
Please contact your local Pfeiffer Vacuum Service for all
other maintenance and service work.
Ensure no mechanical forces act on the
Electronic Drive Unit TC 600.
7.1. Replacing The Lubricant Reservoir
Replace the lubricant reservoir at least every three years.
For extreme load conditions or impure processes: discuss the
replacement interval with Pfeiffer Vacuum Service.
➡Turn off turbopump, vent to atmospheric pressure and allow
to cool, if necessary.
➡If necessary, remove the turbopump from the system.
➡Use the installation tool E (Bestell-Nr. PV M40 569) to
unscrew the screw cap 90 on the base of the turbopump;
pay attention to the O-ring 91.
CAUTION
☞
PLEASE NOTE
➡Use two screwdrivers to lift the lubricant reservoir 92.
90
E
92
91
The lubricant reservoir can contain poisonous
substances from the pumped media. Dispose of
the lubricant reservoir in accordance with
regulations!
A safety data sheet is available upon request.
➡Remove impurities from the turbopump and screw cap
with a clean, lint-free cloth.
➡Slide new lubricant reservoir 92 up to the O-ring 93 in the
turbopump.
The lubricant reservoir comes pre-filled
with lubricant TL 011; do not add additional
lubricant.
➡Screw on screw cap 90 with O-ring 91.
The screw cap places the lubricant reservoir in the correct
axial position
CAUTION
WARNING

22
7.2. Replacing The Electronic Drive Unit
TC 600
The turbopump and the TC 600 must only be
disconnected from each other when the
turbopump is completely at rest and the TC 600
has been disconnected from the power supply.
➡Switch off the turbopump, vent to atmospheric pressure
(see Section 4.3 .) and allow to cool as necessary.
➡If necessary, remove the turbopump from the system.
Unsrew screws 8c (2 pieces) from the Electronic Drive
➡Unit TC 600 and remove the TC 600 from the turbopump.
CAUTION
➡Install the new Electronic Drive Unit TC 600 back onto the
turbopump and connect again.
Please take into account that after replacement
the standard operating parameters are always
pre-set.
If your application requires different
parameters, please modify accordingly.
CAUTION
Replacing the Electronic Drive Unit TC 600
8 Electronic Drive Unit TC 600
8c Screw (2 Stück)
8
8c

23
8. Service
Do Make Use Of Our Service Facilities
In the event that repairs are necessary a number of options
are available to you to ensure any system down time is kept to
a minimum:
– Have the pump repaired on the spot by our Pfeiffer
Vacuum Service Engineers;
– Return the pump to the manufacturer for repairs;
– Replace the pump.
Local Pfeiffer Vacuum representatives can provide full
details.
Please take into account that where Pfeiffer
Vacuum Service replacement service is involved
the standard operating parameters are always
present.
If your application requires different parameters,
please modify accordingly.
The turbopump and the Electronic Drive Unit
TC 600 form a single unit and must therefore be
returned complete for repair purposes. Before
returning the unit it should be ensured that the
power supply is not the cause of the malfunction
(checking the power supply).
Before Returning:
➡Dismantle all accessories.
➡If the unit is free of harmful substances please attach a
clearly visible notice "Free of harmful substances" (both on
the unit and also on the delivery note and any accompany-
ing letters).
"Harmful substances" are substances and preparations as
defined in the current, local, dangerous substances
regulations; in the U.S.A. as
"materials in accordance with the Code of Federal
Regulations (CFR) 49 Part 173.240 Definition and Preparation".
We will carry out the decontamination and invoice this work
to you if you have not attached this note. This also applies
where the operator does not have the facilities to carry out
the decontamination work. Units which are contaminated
microbiologically, explosively or radioactively cannot be
accepted as a matter of principle.
Fill Out The Declaration Of Contamination
➡In every case the "Declaration of Contamination" must be
completed diligently and truthfully.
➡A copy of the completed declaration must accompany the
unit; any additional copies must be sent to your local
Pfeiffer Vacuum Service Center.
Please get in touch with your local Pfeiffer Vacuum represen-
tatives if there are any questions regarding contamination.
☞
PLEASE NOTE
CAUTION
Decontaminate units before returning or
possible disposal. Do not return any units which
are microbiologically, explosively or
radioactively contaminated.
Returning Contaminated Units
If contaminated have to be returned for maintenance/repair,
the following instructions concerning shipping must be
followed:
➡Neutralise the pump by flushing with nitrogen or dry air.
➡Seal all openings to the air.
➡Seal pump or unit in suitable protective foil.
➡Return equipment only in suitable, rugged shipping contai-
ners and by complying with the currently valid shipping
regulations.
Repair orders are carried out according to our
general conditions of sale and supply.
If repairs are necessary, please send the pump together with
a short damage description to your nearest Pfeiffer Vacuum
Service Center.
☞
PLEASE NOTE
WARNING

24
9. Technical Data
1) Distance from the pump 1 m
2) Measured at a helium concentration of 100 %, 10 s measurement time
3) Measured with a rotary vane pump 1.5 m3/h; higher throughputs with reduced rotation speed.
4) Rotation speed of pump may drop below the nominal rotation speed.
5) For gas characteristics line please refer to Section 4.4.
6) In accordance with German Industrial Standard 28428 the final pressure which is attained in a
measuring dome 48 hours after baking out.
7) Please see type plate.
8) At maximum gas throughput
9) Protection class IP 54 is afforded for the Electronic Drive Unit TC 600
by refro-fitting a cover plate (please refer to Section 11. Accessories).
Feature Unit TMH 521 P TMU 521 P
Connection nominal diameter
Inlet DN 100 ISO-K DN 160 ISO-K DN 100 CF-F DN 160 CF-F
DN 100 ISO-F DN 160 ISO-F
Outlet DN 25 ISO-KF/G 1/4“ DN 25 ISO-KF/G 1/4“
Venting connection G 1/8” G 1/8”
Nominal rotation speed Hz (1/min) 833 (50 000) 833 (50 000)
Standby rotation speed Hz (1/min) 550 (33 000) 550 (33 000)
Start-up time min 5,5 5,5
Maximum noise level1) dB (A) 50 50
Final pressure, backing pump mbar < 5 < 5
Integral leak rate (He)2) mbar l/s < 1 · 10-7 < 1 · 10-7
Maximum permissible rotor temperature °C 90 90
Permissible heat radiaten power W 14 14
Volum flow rate for:
Nitrogen N2l/s 290 510 290 510
Helium He l/s 400 520 400 520
Hydrogen H2l/s 380 450 380 450
Argon Ar l/s 260 500 260 500
Compression ration for:
N2> 1012 > 1012
He 5 · 1075 · 107
H26,5 · 1056,5 · 105
Ar > 1012 > 1012
Maximum fore-vacuum pressure
N2mbar 13,0 13,0
He mbar 12,5 12,5
H2mbar 9,0 9,0
Ar mbar 11,0 11,0
Maximum gas throughput3) with water cooling
N2mbar l/s 4,0 4,0
He mbar l/s 8,0 8,0
H2mbar l/s 9,5 9,5
Ar mbar l/s 2,0 2,0
Maximum gas throughput at
intake pressure of 0.1 mbar4)
N2mbar l/s 12,0 12,0
He mbar l/s 12,0 12,0
H2mbar l/s 8,0 8,0
Ar mbar l/s 12,0 12,0
Vertex power characteristics line5)
A W / Hz 185/833 185/833
B W / Hz 260/485 260/485
C W / Hz 160/833 160/833
D W / Hz 260/435 260/435
Final pressure6)
with rotary vane pumps mbar < 1 · 10-7 < 5 · 10-10
with diaphragm pumps mbar < 1 · 10-7 < 1 · 10-8
Lubricant TL 011 TL 011
Cooling water consumption
with water at 15 °C7) l/h 100 100
Cooling water temperature °C 5 - 25 5 - 25
Permissible ambient temperature
with air cooling °C 0 - 35 0 - 35
Heating power consumption W 100 100
Weight kg 14,5 (ISO-K)/ 13,5 (ISO-K)/ 15,0 14,5
kg 15,0 (ISO-F) 14,2 (ISO-F)
Permissible magnetic field mT 5,0 5,0
Operating voltage VDC 72 ±5% 72 ±5%
Duration8)- / max. current consumption A 3,2/4,2 3,2/4,2
Duration8)- / max. power W 230/300 230/300
Protection class9) IP 30 IP 30
Shipping and storage temperature °C -25 to +55 -25 to +55
Relative humidity % 5-85 non condensing 5-85 non condensing

25
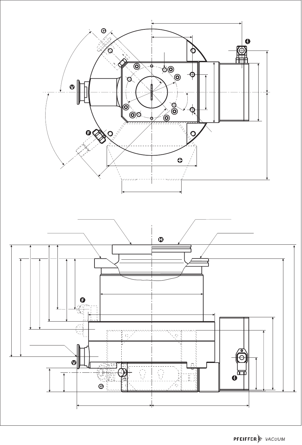
9.1. Dimensions Diagram
32
39
88
110
106
126
121
139
166
184
123
53.5
99.5
120
224
242
DN 160 ISO-K
DN 100 ISO-K
DN 160 CF-F
DN 100 CF-F
97.1
147.5
158
2xM8
58
100
148.5
95
86.5
144
120
30°
ø85
4xM8
67
45°
40°
Ø170
Ø208
160
DN 25 ISO-KF
TMH 521 P/TMU 521 P
DN 100 ISO-K/DN 160 ISO-K
DN 100 CF-F/DN 160 CF-F

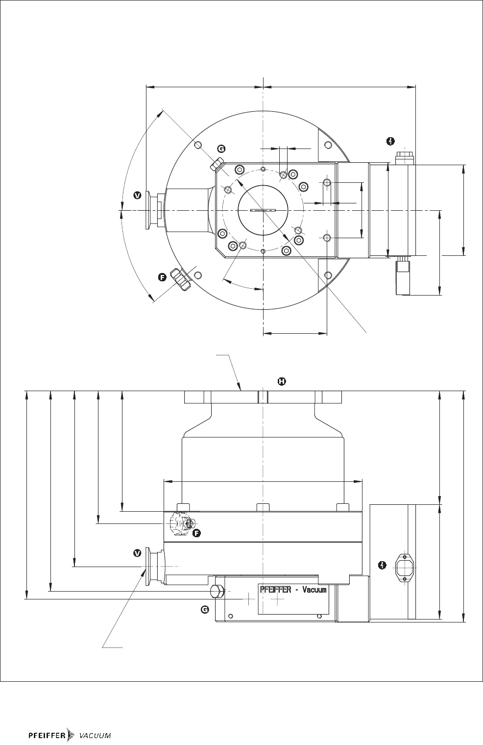
26
119
242
218
210
183.9
139
126
Ø
208
40˚
95
100
120
58
M
8
M
8
67
88.7
45˚
122.7
160
30˚
Ø
85
±0.1
DN 25 ISO-KF/G 1/4"
DN 100 ISO-F
TMH 521 P
DN 100 ISO-F

27
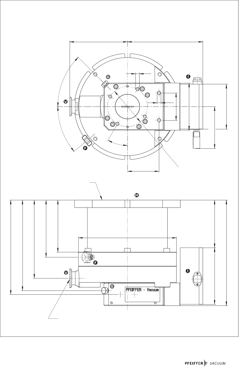
40˚
95
100
Ø
208
110.3
121
165.9
224
192
120
101
200
58
M
8
M
8
67
88.7
45˚
122.7
160
30˚
Ø
85
±0.1
DN 25 ISO-KF/G 1/4"
DN 160 ISO-F
TMH 521 P
DN 160 ISO-F

28
Pos. Description Pieces Size Number Comments Ordering Quantity
Spare Parts TMH 521 P/TMU 521 P
6 Blanking plug 4 P 4098 582 FA
8 Electronic Device Unit 1 PM C01 720 please see Sec. 7.2.
8d Remote plug 1 PM 051 793 -X
17 USIT ring 1 P 3529 133 -A
91 O-ring 1 38x3 P 4070 621 PV
92 Lubricant reservoir 1 PM 063 265-T
10.Spare Parts
Spare parts

29
Description Size Number Comments/ Order Quantity
Operating Instructions
Components for cooling
Dirt trap R 3/8” P 4161 300 2R
Recycled Water Cooling Unit TZK 400 230 V, 50 Hz PM Z01 245 PM 0369 BN
Air cooling 24 V DC PM Z01 251 PM 0543 BN
Water cooling PM 016 040 BT PT 0152 BN
Components for venting
Venting Valve TVF 005, without current closed 24 V DC PM Z01 135 PM 0507 BN
Drying Unit TTV 001 PM Z00 121 PM 0022 BN
(filled with zeolite)
Venting flange DN 10 ISO-KF PM 033 737 -T
Components for heating
Casing heating Water cooling required/
230 V, Schuko plug PM 051 096 -T PM 0542 BN
208 V, UL-plug PM 051 097 -T PM 0542 BN
115 V, UL-plug PM 051 098 -T PM 0542 BN
Other accessories
Connecting cable TC 600 – TPS/DCU 3 m PM 051 103 -T Other lengths on request
Connecting cable TC 600 – TPS/DCU, screened 3 m PM 051 843 -T Other lengths on request
Power supply
– TPS 300; for fitting to walls
or standard runners PM 041 814 -T PM 0521 BN
– TPS 300; 19” insert unit PM 041 820 -T PM 0521 BN
– DCU 300; 19” insert unit with
Display and Operating Unit DCU 300 PM C01 696 PM 0477 BN
Mains cable
Schuko plug 230 V P 4564 309 ZA
UL plug 208 V P 4564 309 ZF
UL plug 115 V P 4564 309 ZE
Display and Operating Unit DCU 001 PM 041 816 -T PM 0477 BN
Display and Operating Unit HPU 001 PM 051 510 -T PT 0101 BN
Relay box, backing pump 5 A PM 041 937 -T PT 0030 BN
20 A PM 041 938 -T PT 0030 BN
PWM adapter box PM 051 028 -U PM 0563 BN
Level Converter RS 232/485 PM 051 054 -T PM 0549 BN
Profibus DP Gateway TIC 250 PM 051 257 -T PM 0599 BN
Cover plate for TC 600 (IP 54) PM 051 327 -T PT 0024 BN
Vibration compensator
TMH DN 100 ISO-K PM 006 459-X
TMH DN 160 ISO-K PM 006 492 -X
TMU DN 100 CF-F PM 006 488-X
TMU DN 160 CF-F PM 006 493 -X
Sealing gas valve DN 10 ISO-KF PM Z01 142 PM 0229 BN
Hose nipple for the sealing gas valve DN 16 ISO-KF-10 PF 144 020
Fore-Vacuum Safety Valve TVV 001 115 V PM Z01 206 PM 0263 BN
230 V PM Z01 205
11.Accessories
When ordering accessories and spare parts please be sure to state the full part number. When ordering spare parts please
state additionally the unit type and unit number (see type plate). Please use this list as an order form (by taking a copy).

Tradename Chemical name Danger class Precautions associated Action if spillage or human
Product name (or Symbol) with substance contact
Manufacturer
1.
2.
3.
4.
5.
5. Legally Binding Declaration
I hereby declare that the information supplied on this form is complete and accurate. The despatch of equipment will be in
accordance with the appropriate regulations covering Packaging, Transportation and Labelling of Dangerous Substances.
Name of Organisation: _______________________________________________________________________________
Address: _____________________________________ Post code: _____________________________________
Tel.: ______________________________________________________________________________________
Fax: _____________________________________ Telex: ________________________________________
Name: ______________________________________________________________________________________
Job title: ______________________________________________________________________________________
Date: _____________________________________ Company stamp: ________________________________
Legally binding signature: _____________________________________________________________________________
Declaration of Contamination of Vacuum Equipment and Components
The repair and/or service of vacuum components will only be
carried out if a correctly completed declaration has been
submitted. Non-completion will result in delay.
The manufacturer could refuse to accept any equipment
without a declaration.
This declaration can only be completed and signed by authorised and qualified staff:
1. Description of component:
- Equipment type/model: _________________________
- Code No.: __________________________
- Serial No.: __________________________
- Invoice No.: __________________________
- Delivery Date: __________________________
3. Equipment condition
- Has the equipment been used?
yes ❐no ❐
- What type of pump oil was used?
___________________________________________
- Is the equipment free from potentially harmful
substances?
yes ❐(go to section 5)
no ❐(go to section 4)
4. Process related contamination
of equipment
- toxic yes ❐no ❐
- corrosive yes ❐no ❐
- microbiological hazard*) yes ❐no ❐
- explosive*) yes ❐no ❐
- radioactive*) yes ❐ no ❐
- other harmful substances yes ❐no ❐
*) We will not accept delivery of any equipment that has been radioactively or microbiologically contaminated without written
evidence of decontamination!
2. Reason for return:
_____________________________________________
_____________________________________________
_____________________________________________
_____________________________________________
_____________________________________________
Please list all substances, gases and by-products which may have come into contact with the equipment:
30

im Sinne folgender EU-Richtlinien:
pursuant to the following EU directives:
- Maschinen/Machinery 98/37/EWG (Anhang/Annex II B)
- Elektromagnetische Verträglichkeit/Electromagnetic Compatibility
89/336/EWG
- Niederspannung/Low Voltage 73/23/EWG
Hiermit erklären wir, dass das unten aufgeführte Produkt zum Einbau in eine Maschine bestimmt ist und
dass deren Inbetriebnahme so lange untersagt ist, bis festgestellt wurde, dass das Endprodukt den
Bestimmungen der EU-Richtlinie 98/37/EWG entspricht.
Das unten aufgeführte Produkt entspricht den Anforderungen der EU-Richtlinien Maschinen
98/37EWG, Elektromagnetische Verträglichkeit 89/336/EWG und Niederspannung 73/23/EWG.
We hereby certify that the product specified below is intended for installation in a machine which is
forbidden to be put into operation until such time as it has been determined that the end product is in
accordance with the provision of EU Directive 98/37/EEC.
The product specified below is in correspondence to the EU directives Machinery 98/37/EEC, Electro-
magnetic Compatibility 89/336/EEC and EU Low Voltage 73/23/EEC.
Produkt/Product:
TMH 521 P
TMU 521 P
Angewendete Richtlinien, harmonisierte Normen und angewendete nationale Normen:
Guidelines, harmonised standards, national standards in which have been applied:
EN 12100-1, EN 12100-2, EN 294,
EN 1012-2, EN 61010
Unterschrift/Signature:
Unterschriften:
(W. Dondorf)
Geschäftsführer
Managing Director
Pfeiffer Vacuum GmbH
Berliner Str. 43
35614 Asslar
Germany
Herstellererklärung
Manufacturer´s Declaration
Herst.I/2003

Pfeiffer Vacuum Technology AG · Headquarters/Germany
Tel. +49-(0) 64 41-8 02-0 · Fax +49-(0) 64 41-8 02-2 02 · info@pfeiffer-vacuum.de · www.pfeiffer-vacuum.net
Vacuum is nothing, but everything to us!
Turbo Pumps
Rotary Vane Vacuum Pumps
Roots Pumps
Dry Vacuum Pumps
Leak Test Units
Valves
Flanges, Feedthroughs
Vacuum Measurement
Gas Analysis
System Technology
Service