Заказывайте диски с документацией 29CZ5DE Toshiba Uociii 29cz5t 29cz6si
User Manual: 29CZ5DE
Open the PDF directly: View PDF 
.
Page Count: 50

SERVICE MANUAL
Color Television
FILE NO.  060-200565GR
Published in Singapore, October 2005 GREEN
Color Television
S5ES series
29CZ5DE
29CZ5T
29CZ6SI
SUPPLEMENT
© TOSHIBA SINGAPORE PTE LTD
The above models are classified as green products (*1), as indicated by the underlined serial numbers. This Service
Manual describes replacement parts for the green products. When repairing these green product (s), use the part (s)
described in this manual and lead-free solder (*2).
For (*1) and (*2), see the next page.

– 2 –
(*2)
LEAD-FREE SOLDER
This product is manufactured using lead-free solder as a part of a movement within the consumer products industry at large
to be environmentally responsible. Lead-free solder must be used in the servicing and repair of this product.
WARNING
This product is manufactured using lead free solder.
DO NOT USE LEAD BASED SOLDER TO REPAIR THIS PRODUCT!
The melting temperature of lead-free solder is higher than that of leaded solder by 86˚F to 104˚F (30˚C to 40˚C). Use of a
soldering iron designed for lead-based solders to repair product made with lead-free solder may result in damage to the
component and or PCB being soldered. Great care should be made to ensure high-quality soldering when servicing this
product -especially when soldering large components, through-hole pins, and on PCBs - as the level of heat required to
melt lead-free solder is high.
(*1)
GREEN PRODUCT PROCUREMENT
The EC is actively promoting the WEEE & RoHS Directives that define standards for recycling and reuse of Waste Electri-
cal and Electronic Equipment and for the Restriction of the use of certain Hazardous Substances. From July 1, 2006, the
RoHS Directive will prohibit any marketing of new products containing the restricted substances.
Increasing attention is given to issues related to the global environmental. Toshiba Corporation recognizes environmental
protection as a key management tasks, and is doing its utmost to enhance and improve the quality and scope of its
environmental activities. In line with this, Toshiba proactively promotes Green Procurement, and seeks to purchase and
use products, parts and materials that have low environmental impacts.
Green procurement of parts is not only confined to manufacture. The same green parts used in manufacture must also be
used as replacement parts.
TABLE  OF  CONTENTS
  CHAPTER 1   GENERAL ADJUSTMENTS
SAFETY INSTRUCTIONS ............................................................................................................................................. 3
SET-UP ADJUSTMENT ................................................................................................................................................. 4
SERVICE MODE ........................................................................................................................................................... 8
DESIGN MODE ........................................................................................................................................................... 11
ELECTRICAL ADJUSTMENTS ................................................................................................................................... 12
CIRCUIT CHECK ......................................................................................................................................................... 13
  CHAPTER 2   SPECIFIC INFORMATIONS
SETTING & ADJUSTING DATA ................................................................................................................................... 14
NAMES AND FUNCTIONS OF CONTROLS .............................................................................................................. 15
PROGRAMMING CHANNEL MEMORY ...................................................................................................................... 16
PROCEDURES TO SET HOTEL MODE ..................................................................................................................... 18
CHASSIS AND CABINET REPLACEMENT PARTS LIST ........................................................................................... 19
PC BOARDS BOTTOM VIEW ...................................................................................................................................... 26
TERMINAL VIEW OF TRANSISTORS ........................................................................................................................ 30
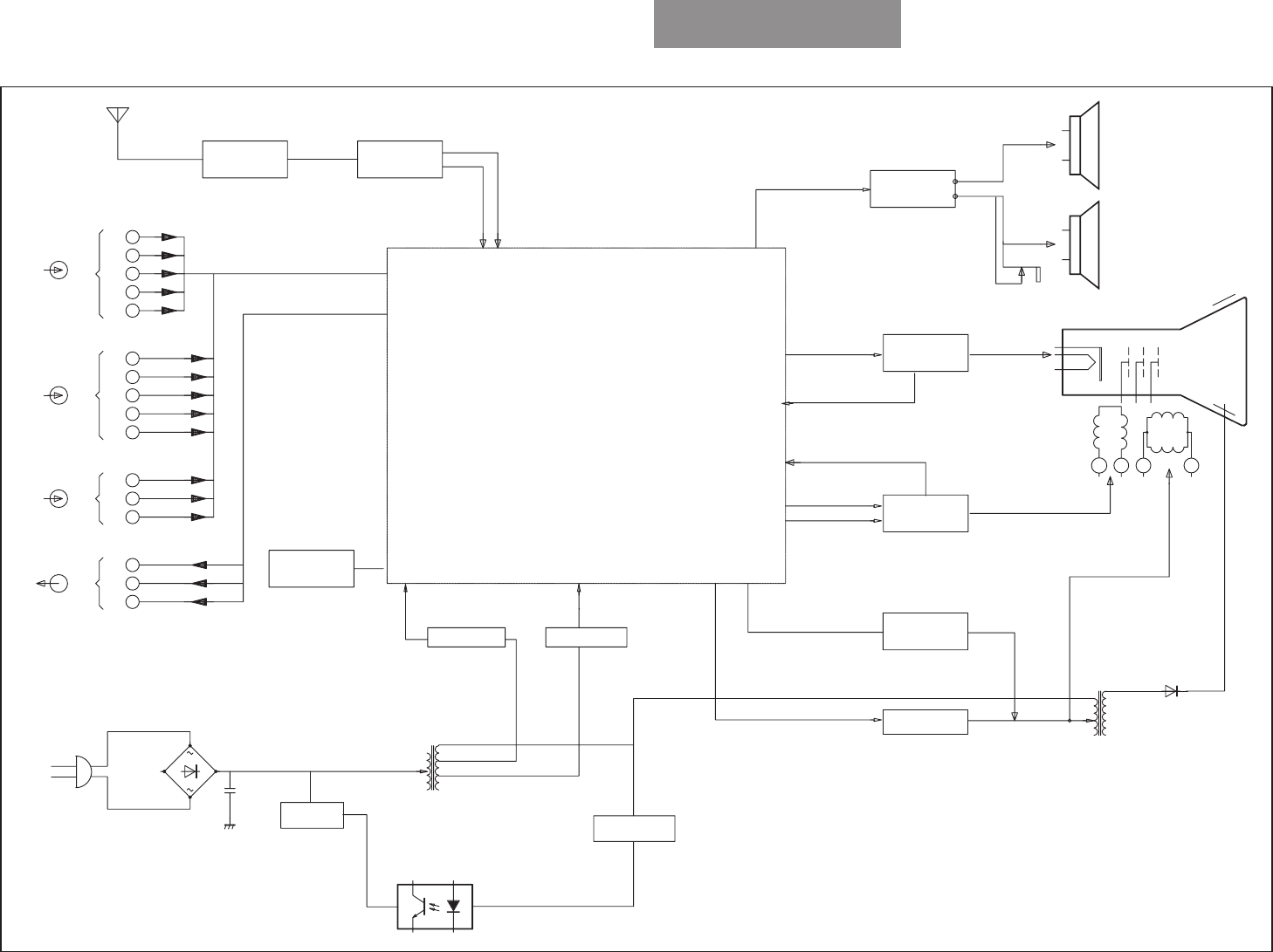
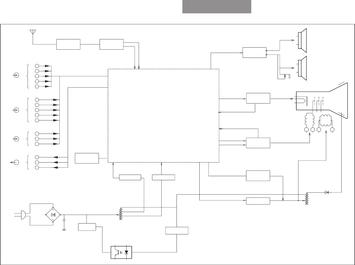
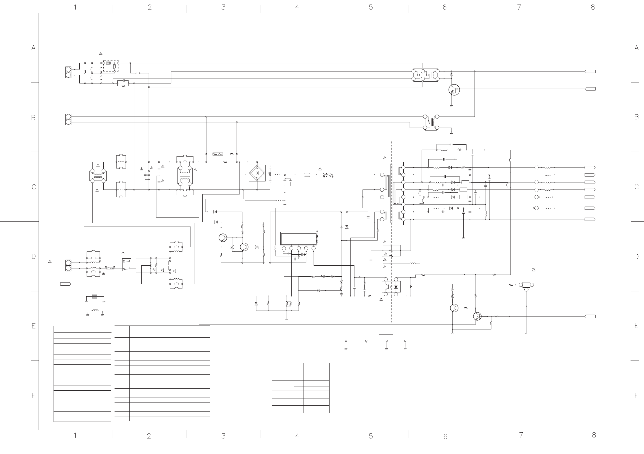
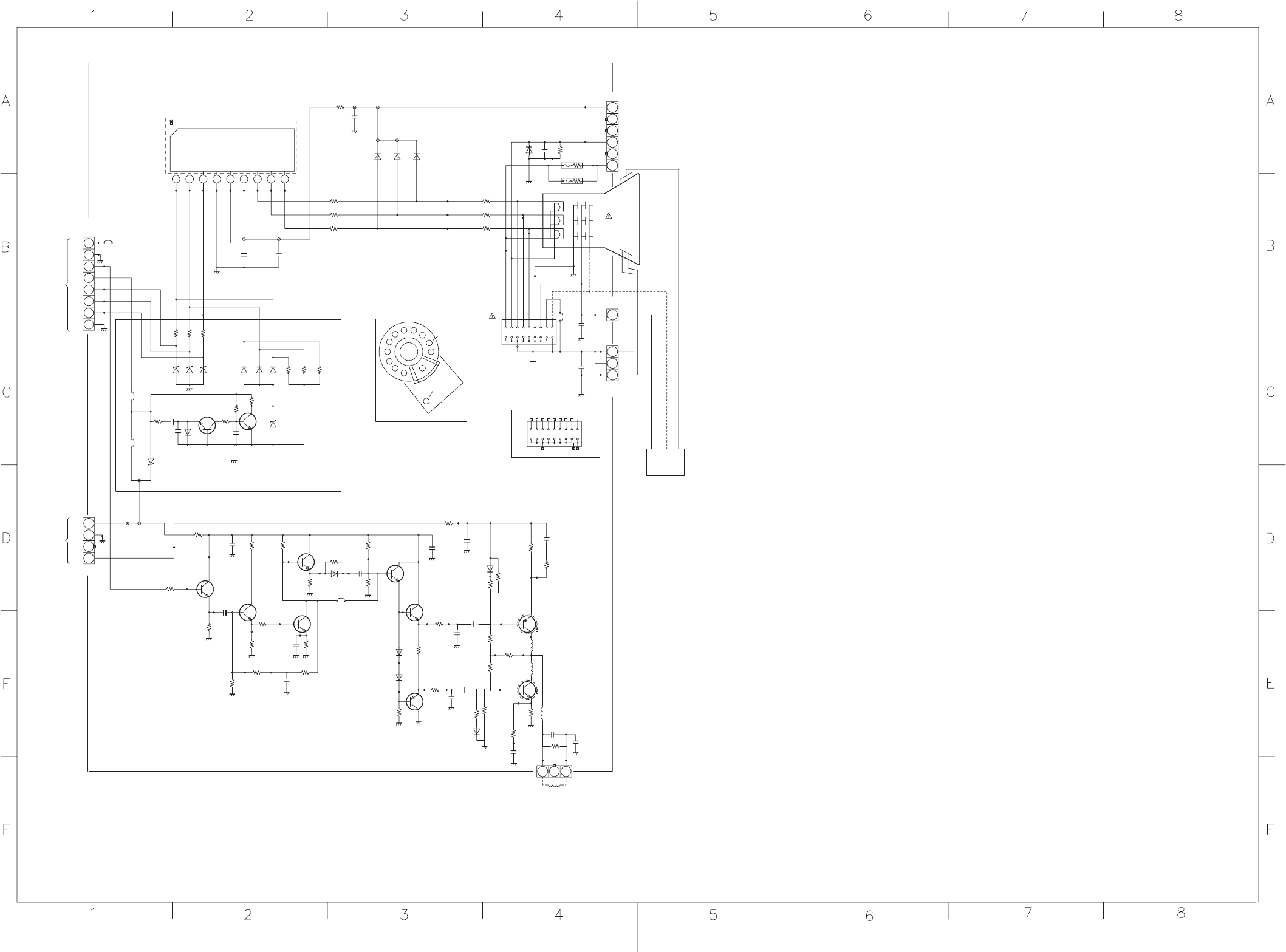
CIRCUIT BLOCK DIAGRAM ....................................................................................................................................... 32
SPECIFICATIONS .................................................................................................................................................... END
APPENDIX:
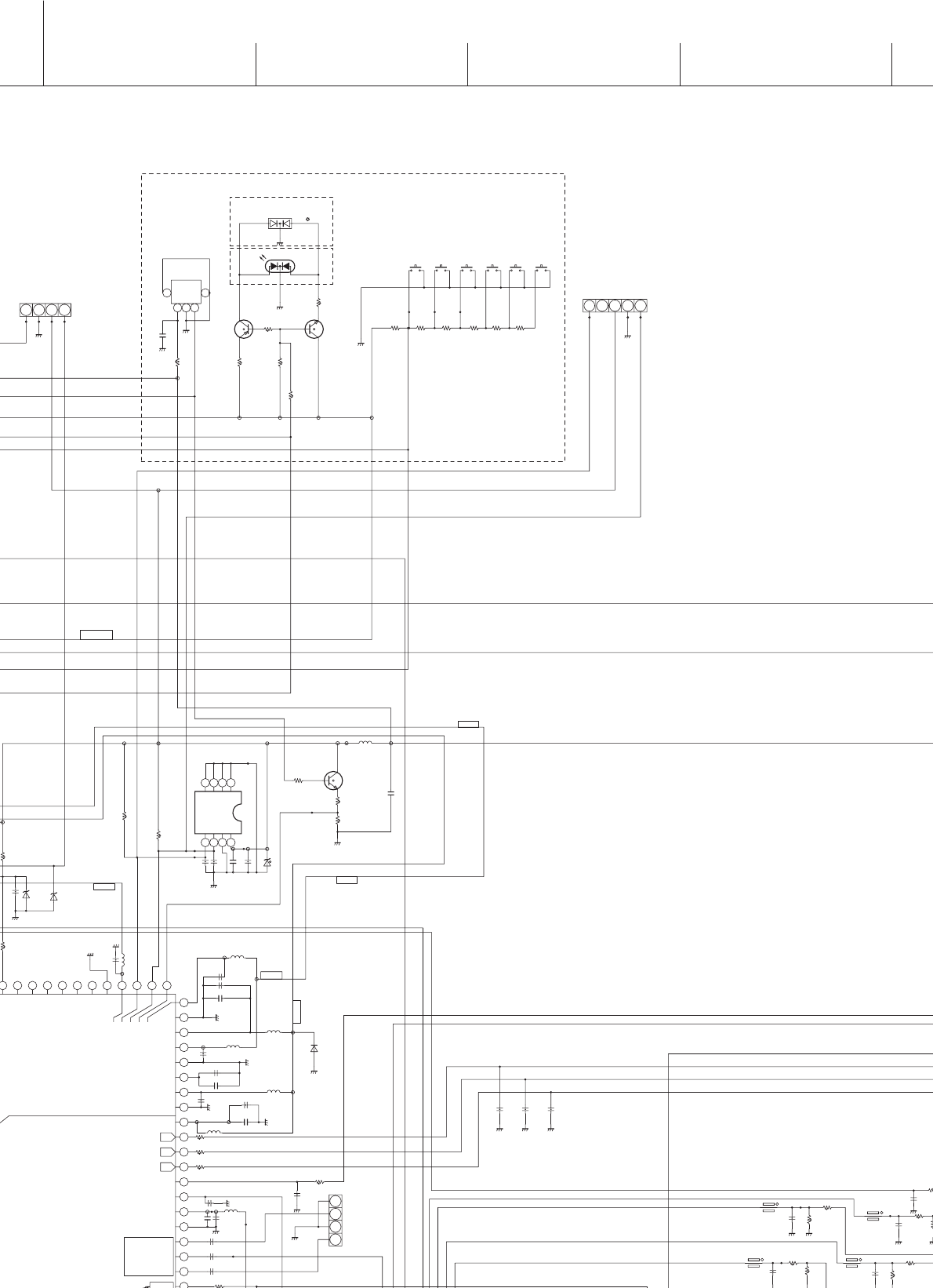
              CIRCUIT DIAGRAM

GENERAL ADJUSTMENTS
SPECIFIC INFORMATIONS
– 3 –
2. The only source of X-RAY RADIATION in this TV receiver
is the picture tube. For continued X-RAY RADIATION
protection, the replacement tube must be exactly the same
type tube as specified in the parts list.
3. Some part in this receiver have special safety-related
characteristics for X-RAY RADIATION protection. For
continued safety, parts replacement should be undertaken
only after referring to the PRODUCT SAFETY NOTICE
below.
SAFETY PRECAUTION
WARNING : Service should not be attempted by anyone unfamiliar with the necessary precautions on this receiver. The following
are the necessary precautions to be observed before servicing this chassis.
1. An isolation transformer should be connected in the power line between the receiver and the AC line before any service is
performed on the receiver.
2. Always discharge the picture tube anode to the CRT conductive coating before handling the picture tube. The picture tube
is highly evacuated and if broken, glass fragments will be violently expelled. Use shatter proof goggles and keep picture
tube away from the unprotected body while handling.
3. When replacing a chassis in the cabinet, always be certain that all the protective devices are put back in place, such as;
nonmetallic control knobs, insulating covers, shields, isolation resistor-capacitor network etc.
  CHAPTER 1   GENERAL ADJUSTMENTS
                                           SAFETY INSTRUCTIONS
WARNING: BEFORE SERVICING THIS CHASSIS, READ THE “X-RAY RADIATION PRECAUTION”, “SAFETY PRECAU-
TION” AND “PRODUCT SAFETY NOTICE” INSTRUCTIONS BELOW.
X-RAY RADIATION PRECAUTION
1. Excessive high voltage can produce potentially hazardous
X-RAY RADIATION. To avoid such hazards, the high
voltage must not be above the specified limit. The nominal
value of the high voltage of this receiver is (A) kV at zero
beam current (minimum brightness) under a (C) V AC
power source. The high voltage must not, under any
circumstances, exceed (B) kV.
Refer to table-1 for high voltage (A), (B) & AC voltage (C).
(See SETTING & ADJUSTING DATA on page 14)
Each time a receiver requires servicing, the high voltage
should be checked following the HIGH VOLTAGE CHECK
procedure in this manual. It is recommended that the
reading of the high voltage be recorded as a part of the
service record. It is important to use an accurate and
reliable high voltage meter.
PRODUCT SAFETY NOTICE
Many electrical and mechanical parts in this chassis have special safety-related characteristics. These characteristics are
often passed unnoticed by a visual inspection and the protection afforded by them cannot necessarily be obtained by using
replacement components rated for higher voltage, wattage, etc. Replacement parts which have these special safety char-
acteristics are identified in this manual and its supplements; electrical components having such features are identified by the
international hazard symbols on the schematic diagram and the parts list.
Before replacing any of these components, read the parts list in this manual carefully. The use of substitute replacement
parts which do not have the same safety characteristics as specified in the parts list may create shock, fire, X-ray radiation
or other hazards.

GENERAL ADJUSTMENTS
SPECIFIC INFORMATIONS
– 4 –
SET-UP ADJUSTMENT
RThe following adjustments should be made when a complete realignment is required or a new picture tube is installed.
Perform the adjustments in order as follows :
1. Color Purity
2. Convergence
3. White Balance
Note: The PURITY/CONVERGENCE MAGNET assembly and rubber wedges need mechanical positioning.
Refer to figure 1.
Mounting position of the purity magnet assembly should fit to same position as old one because slightly difference to
the position depend on a kind of tube.
*There are no adjustment of purity and convergence in some picture tube (Unified with purity magnet)
5. Remove the Rubber Wedges.
6. Rotate and spread the tabs of the purity magnet (See fig-
ure 2.) around the neck of the picture tube until the green
belt is in the center of the screen. At the same time, enter
the raster vertically.
7. Slowly move the yoke forward or backward until a uniform
green screen is obtained. Tighten the clamp screw of the
yoke temporarily.
8. Check the purity of the red and blue raster.
GLASS CLOTH
TAPES
DEFLECTION
YOKE
TEMPORARY
MOUNTING
RUBBER WEDGE
ADHESIVE
DEFLECTION
YOKE
PURITY/
CONVERGENCE
MAGNET ASS'Y 
29.1mm(28", 29")
25mm(25")
19mm(19", 20", 21")
14mm(13", 14")
Figure  1.
WARNING: BEFORE SERVICING THIS CHASSIS, READ THE “X-RAY RADIATION PRECAUTION”, “SAFETY PRECAU-
TION” AND “PRODUCT SAFETY NOTICE” ON PAGE 3 OF THIS MANUAL.
COLOR PURITY ADJUSTMENT
NOTE : Before attempting any purity adjustments, the
receiver should be operated for at least fifteen min-
utes.
1. Demagnetize the picture tube and cabinet using a degauss-
ing coil.
2. Set the brightness and contrast to maximum.
3. Use a green raster from a signal generator.
4. Loosen the clamp screw holding the yoke and slide the
yoke backward or forward to provide vertical green belt
(zone) in the picture screen.

GENERAL ADJUSTMENTS
SPECIFIC INFORMATIONS
– 5 –
Figure  2.
BLU RED
BLU
RED
RED/BLU GRN
RED/BLU
GRN
B
G
R
R
G
B
BGR
RGB
BGR
RGB
R
G
B
B
G
R
4-POLE MAGNETS MOVEMENT
INCLINE THE YOKE UP (OR DOWN)
6-POLE MAGNETS MOVEMENT
Center Convergence by Convergence Magnets
Circumference Convergence by DEF Yoke
INCLINE THE YOKE RIGHT (OR LEFT)
Figure  3.  Dot Movement Pattern
4-POLE
MAGNETS
PURITY
MAGNETS
6-POLE
MAGNETS
ADJUST THE ANGLE
(VERTICAL LINES) FIXED
ROTATE TWO TABS
AT THE SAME TIME
(HORIZONTAL LINES)
CONVERGENCE MAGNET ASSEMBLY ADJUSTMENT OF MAGNETS
R CIRCUMFERENCE CONVERGENCE ADJUSTMENT
1. Loosen the clamping screw of deflection yoke slightly to
allow the yoke to tilt.
2. Temporarily put a wedge as shown in figure 1. (Do not
remove cover paper on adhesive part of the wedge.)
3. Tilt front of the deflection yoke up or down to obtain better
convergence in circumference. (See figure 3.) Push the
mounted wedge into the space between picture tube and
the yoke to fix the yoke temporarily.
4. Put other wedge into bottom space and remove the cover
paper to stick.
5. Tilt front of the yoke right or left to obtain better convergence
in circumference. (See figure 3.)
6. Keep the yoke position and put another wedge in either
upper space. Remove cover paper and stick the wedge on
picture tube to fix the yoke.
7. Detach the temporarily mounted wedge and put it in an-
other upper space. Stick it on picture tube to fix the yoke.
8. After fixing three wedges, recheck overall convergence.
Tighten the screw firmly to fix the yoke and check the yoke
is firm.
9. Stick three adhesive tapes on wedges as shown in figure
1.
CONVERGENCE ADJUSTMENTS
NOTE: Before attempting any convergence adjustments, the
receiver should be operated for at least fifteen
minutes.
R CENTER CONVERGENCE ADJUSTMENT
1. Use the cross-dot pattern from a signal generator.
2. Set the brightness and contrast for well defined pattern.
3. Adjust two tabs of the 4-Pole Magnets to change the angle
between them (See figure 2.) and superimpose red
and blue vertical lines in the center area of the picture
screen.
4. Turn the both tabs at the same time keeping the angle
constant to superimpose red and blue horizontal lines at
the center of the screen.
5. Adjust two tabs of 6-Pole Magnets to superimpose red/
blue line and green one. Adjusting the angle affects the
vertical lines and rotating both magnets affects the
horizontal lines.
6. Repeat adjustments 3, 4, 5 keeping in mind red, green
and blue movement, because 4-Pole Magnets and 6-Pole
Magnets have mutual interaction and make dot movement
complex.

WARNING: BEFORE SERVICING THIS CHASSIS, READ THE “X-RAY RADIATION PRECAUTION”, “SAFETY PRECAU-
TION” AND “PRODUCT SAFETY NOTICE” ON PAGE 3 OF SERVICE MANUAL.
SET-UP  ADJUSTMENT  (FOR FLAT TUBE)
■The following adjustments should be made when a complete realignment is required or a new picture tube is installed.
Perform the adjustments in order as follows :
1. Color Purity
2. Convergence
3. White Balance
Note:The PURITY/CONVERGENCE MAGNET assembly and rubber wedges need mechanical positioning.
Refer to figure 1.
COLOR PURITY ADUSTMENT
(1)Let the screen face in the installing direction or toward the east (when it is to be moved), bring up the service mode
screen after demagnetizing (front, left, right, and top) with the degaussing coil, receive white signals by pressing the
[TV/VIDEO] button, and then the receiver should be operated for more than 40 minutes.
(2)Perform rough adjustment of the central convergence with the P/C magnet according to the adjustment item.
(3)Receive built-in green signals, loosen set screws on the deflection yoke, remove rubber wedges, and shift the deflection
yoke to toward front.
(4)Move alternately the two 2-pole magnets of the P/C magnets so that the green raster can come to the center of the
screen.
Figure  1.
(5)Receive built-in red and blue signals, check that there is no inclination of the single color raster toward one side, and if
each color tilts to a great extent, make adjustment with the 2-pole magnet so that the 3 colors will come to the center
evenly.
(6)Receive the green raster, shift the deflection yoke from a
foremost position (hitting against the picture tube) to a
backward position horizontally, stop the deflection yoke
at a position where it begins to become a green raster,
and perform accurate marking on the picture tube.
(7)Shift the deflection yoke further backward, and perform
accurate marking at a position where the green raster
begins to being luck.
(8)Fix the deflection yoke at a position 60% forward within
the range marked in items (6) and (7) above.
CONVERGENCE ADJUSTMENTS
* Adjust the convergence magnet to get vest convergence in the the order to (1) ~ (5).
■ CENTER CONVERGENCE:
(1)Receive the white crosshatch or dot pattern from the service signal generator.
(2)Use the 2 pieces of main 4-pole magnets of P/C magnets, change the open angle, and align the red and blue vertical
lines on the screen center.
(3)Freeze the open angle of the main 4-pole magnets, turn them simultaneously, and align the horizontal lines.
(4)Take the same steps for items (2) and (3) above and align red/blue with green on the screen center using two 6-pole
magnets.
A
P/C magnet installing position A
• 30"=26.5 mm
• 32"=30.5 mm or 32.5 mm
• 34"=37 mm
• 34"=39 mm
Green Belt
2-pole purity magnet
(27": Magnet is fixed with deflection yoke.)
Main 4-pole convergence magnet (30" : 32")
6-pole convergence magnet (34")
Sub-4-pole convergence magnet (32" : 34")
Sub-4-pole convergence magnet (to be installed on deflection yoke for 30", 32")
6-pole convergence magnet (30" : 32")
Main 4-pole convergence magnet (34")
Fix the deflection yoke at a position 60% forward from a
point between (6) and (7)
Picture tube
Shift deflection yoke
(6)
(8)
(7)  Perform marking of each point
on the tape of picture tube
CRT-D board
P/C Mag
100  60  0%
GENERAL ADJUSTMENTS
– 6 –

(5)Adjust  the sub-4-pole magnets  only in case  there is  any deviation of Xv  bow-shaped convergence.   (To  be  usually  set at
the initial position)
Align both sides with the sub-4-pole magnets and minimize the deviation of blue and red with the main 4-pole magnets.
blue
blue
red
red
Main 4-pole magnet
red/blue
red/blue
green
green
6-pole magnet
Xv bow-shaped deviation of convergence
blue
red
Sub-4-pole magnet
■ CIRCUMFERENCE CONVERGENCE:
* Perform correction in the following manner.
A
D
E
F
A
B
C
B
C
S
N
D
E
F
A
B
C
D
E
F
N
S
VR3
YV YHC
GH
GH
VR2 VR1
blue
green
red
• Adjust coils and minimize deviation
(The 27” unit has coils underneath it)
blue
green
red
(Parts code:23 948 274) TC-S
Blue color or blue mark
*Insert the correction piece between the
picture tube and the deflection yoke.
(Insertion position of correction
piece)
Bonded surface
blue
green
red
(Parts code:23 948 464)
Transparent
Bonded surface
Adjust VR 1 and minimize the deviation of YH.  *Only 27", 30" and 32".
Red
green
blue
Red
green
blue
Red
green
blue
Red
green
blue
Adjust VR 2 (YHC) and minimize the deviation of YH.
Red
green
blue
Red
green
blue
Red
green
blue
Red
green
blue
Adjust VR 3 (YV) and minimize the deviation of YV.
Red
blue
green
Red
blue
green
Red
blue
green
Red
blue
green
Red
blue
green
blue
red
green
Red
blue
green
blue
red
green
■ 30", 27", 32"
■ 34"
27" (Part No. 23 947 371)
32", 30" (Part No. 23 947 121)
34" (Part No. 23 993 080)
Perform correction by inserting the
correction piece into the clear-
ance of terminal board coils of
the deflection yoke.
Note:
Perform  insertion  by  turning  the
metal side to the terminal board
side of the deflection yoke.
GENERAL ADJUSTMENTS
– 7 –

GENERAL ADJUSTMENTS
– 8 –
SERVICE MODE
1. ENTERING TO SERVICE MODE
1) Press o button once on
Remote Control.
2. DISPLAYING THE ADJUSTMENT MENU
1) Press MENU button on TV.
3. KEY FUNCTION IN THE SERVICE MODE
The following key entry during display of adjustment menu provides special functions.
A single horizontal line ON/OFF: - / - - button (on remote control)
Test signal ON/OFF : a button (on TV or remote control)
Selection of the adjustment items : Channel s/t (on TV or remote control)
Change of the data value : Volume ; +/– (on TV or remote control)
Adjustment menu mode ON/OFF : MENU button (on TV)
Initialization of the memory (QA10) : CALL + Channel button on TV (s)
Reset the count of operating protect
circuit to “00”: CALL + Channel button on TV (t)
“VG2” alignment : 0 button
“BCUT” selection : 1 button
“GCUT” selection : 2 button
“SCNT” selection : 4 button
“COLC” selection : 5 button
“TNTC” selection : 6 button
“SBY” selection : 7 button
Self diagnostic display ON/OFF : 9 button
CAUTION : Never try to perform initialization unless you have changed the memory IC.
2) Press o button again to
keep pressing.
3) While pressing the  o button,
press MENU button on TV.
Color thickness correction
note: Displayed differently as shown below, depending
on the setting of the receiving color system.
COLP (PAL)
COLC (NTSC)
COLS (SECAM)
S
(Service mode display)
Item
Data
Adjustment mode
Press
Press
Service mode
Item
Data
S

GENERAL ADJUSTMENTS
– 9 –
4. SELECTING THE ADJUSTING ITEMS
1) Every pressing of CH s button in the service mode changes the adjustment items in the order of table-2.
(t button for reverse order)
Refer to table-2 for preset data of adjustment mode.
(See SETTING & ADJUSTING DATA on page 14)
5. ADJUSTING THE DATA
1) Pressing of ; +/– button will change the value of data in the range from 00H to FFH. The variable range depends on
the adjusting item.
6. EXIT FROM SERVICE MODE
1) Pressing POWER button to turn off the TV once.
RINITIALIZATION OF MEMORY DATA OF QA10
After replacing QA10, the following initialization is required.
1. Enter the service mode, then select any register item.
2. Press and hold the CALL button on the remote control, then press the CH s button on the TV. The initialization of QA10
has been completed.
3. Check the picture carefully. If necessary, adjust any adjustment item above.
Perform “ASM function” on the owner’s manual.
CAUTION: Never attempt to initialize the data unless QA10 has been replaced.

GENERAL ADJUSTMENTS
– 10 –
7. SELF DIAGNOSTIC FUNCTION
1) Press “9” button on the remote control during display of adjustment menu in the service mode.
The diagnosis will begin to check if interface among IC’s are executed properly.
2) During diagnosis, the following displays are shown.
Indicated color of mode now selected : Green and Red
Indicated color of other modes : White
Green : Normal
Red : The microprocessor operates to provide judgement
of no video signal.
OTHERS : (1)  In case that power indicator is blinking with
interval of 0.5 seconds; it means protecting
circuit (Current limiter) is operating, and circuit
components may possibly be damaged.
Check related components.
(2)  In case that power indicator is blinking with
interval of 1 second; Protecting circuit does
not operate, but a part of Bus line does not
operate normally. Check Bus line.
1Part number of microprocessor (QA51)
2Software type:
“ ECMVT A01” --------- Software for Asian models.
“ ERFAP R01”  --------- Software for Russian models.
“ ERFAP P01”  --------- Software for Middle East models.
3Software version
4Memory IC data version
5Protection circuit operation count
6BLOCK
UV : TV reception mode
V1 : VIDEO 1 input mode (a1)
V2 : VIDEO 2 input mode (a2)
V3 : VIDEO 3 input mode (a3)
MICON : 23* * * * * *
S/W : E* * * *  * 01
  V 1.00
EEP : V00
POWER : 000
BLOCK : UV V1 V2 V3
<SELF CHECK>
1
2
3
4
5
6

GENERAL ADJUSTMENTS
– 11 –
DESIGN MODE
2) While pressing CALL button
     again and press MENU button
     on the TV.
3) Press MENU button on TV.
ITEM
DATA
S D Press
(Design mode) (Adjustment mode)
Press
1. ENTERING TO DESIGN MODE
1) When in Service mode (see
     page 8), press CALL button
     on the remote control once.
When QA10 is initialized, items “OPT” ,“OPT1” and “OPT2” of DESIGN MODE are set to the data of the representative model
of this chassis family.
Therefore, because ON-SCREEN specification remains in the state of the representative of model. This model is required to
reset the data of items “OPT” ,“OPT1” and “OPT2” according to current on-serviced model .
2. SELECTING THE ADJUSTING ITEMS
Every pressing of CH t button in the design mode changes the adjustment items in the order of table-3.
(s button for reverse order)
Refer to table-3 for data of design mode.
(See SETTING & ADJUSTING DATA on page 14)
3. ADJUSTING THE DATA
Pressing of ;-/+ buttons will change the value of data.

GENERAL ADJUSTMENTS
– 12 –
ELECTRICAL ADJUSTMENTS
FOCUS VR ADJ
SUB-BRIGHTNESS
(BRTC)
HORIZONTAL POSITION
ADJUSTMENT (HPOS)
VERTICAL POSITION
ADJUSTMENT (VPOS)
VERTICAL AMPLITUDE
 ADJUSTMENT (HIT)
1. Enter the service mode, then input AV1 black cross-bar pattern with signal generator.
2. Adjust the FOCUS control (on T461) for well defined scanning lines on the picture
screen.
1. Input AV1 “5 steps pattern” with video signal
generator.
2. Set CONTRAST to minimum and
BRIGHTNESS to center by adjusting user
controls.
3. Enter Service mode and press CH s/t to
select BRTC.
4. Press ; –/+ buttons to adjust BRTC until
step 0 and step 1 has the same blackness.
5.   Exit service mode and press h button to
set picture mode to DYNAMIC.
1. Enter the service mode, input AV1 black
or white cross-bar signal with signal
generator.
2. Select either HPOS (Horizontal picture
phase) or VPOS (Vertical picture
phase) with CH s/t buttons, and
adjust horizontal or vertical picture
position in the center of screen with
; –/+ buttons.
1. Enter the service mode, input AV1 black
or white cross-hatch signal with signal
generator.
2. Select HIT (Vertical amplitude) with
CH  s/t buttons, and adjust vertical
amplitude with ; –/+ buttons so that
vertical amplitude lacks a little.
3. Adjust vertical amplitude with ; –/+
buttons so that the first bar on cross-
hatch signal touches edge of screen.
The first
ITEM ADJUSTMENT PROCEDURE

GENERAL ADJUSTMENTS
– 13 –
WHITE BALANCE
ADJUSTMENT
SCREEN VOLTAGE ADJUST-
MENT (SCREEN VR) of FBT
•DRIVE ADJUSTMENT
(GDRV)
(BDRV)
(RDRV)
•CUTOFF ADJUSTMENT
(GCUT)
(BCUT)
ITEM ADJUSTMENT PROCEDURE
1. Select AV1 (with no input).
2. Enter Service mode and press “0” button.
3. Adjust Screen VR until OSD “HBC” toggle
between 1 & 0.
4. Press “0” button again to exit.
5. Input AV1 “5 steps pattern” with video signal
generator.
6. Press h button to set picture mode to
DYNAMIC.
XTo correct white balance in high light area
(steps 3 and 4) select GDRV, BDRV and
RDRV with ; – /+buttons.
XTo correct white balance in low light area
(steps 1 and 2), select GCUT and BCUT.
CIRCUIT CHECK
HIGH VOLTAGE  CHECK
CAUTION: There is no HIGH VOLTAGE ADJUSTMENT on this chassis. Checking should be done following the steps below.
1. Connect an accurate high voltage meter to the second anode of the picture tube.
2. Turn on the receiver. Set the BRIGHTNESS and CONTRAST controls to minimum (zero beam current).
3. High voltage must be measured below (B) kV.
Refer to table-1 for high voltage (B).
(See SETTING & ADJUSTING DATA on page 14)
4. Vary the BRIGHTNESS control to both extremes to be sure the high voltage does not exceed the limit under any conditions.

SPECIFIC INFORMATIONS
– 14 –
CHAPTER 2 SPECIFIC INFORMATIONS
SETTING & ADJUSTING DATA
SAFETY INSTRUCTIONS
SERVICE MODE
ADJUSTING ITEMS AND DATAS IN THE SERVICE MODE:
Table-1
Table-2
29"
HIGH VOLTAGE AT MAX BEAM CURRENT: (A)  30.0 kV
MAX HIGH VOLTAGE: (B)  32.0 kV
AC VOLTAGE (C)     110-240 V
BCUT B CUTOFF (B/W) 20H ←
GCUT G CUTOFF (B/W) 20H ←
RDRV R DRIVE 20H ←
GDRV G DRIVE 20H ←
BDRV B DRIVE 20H ←
BRTC SUB BRIGHT CENTER 24H ←
COLC SUB COLOR CENTER NTSC 1EH ←
TNTC SUB TINT CENTER 1EH ←
COLP SUB COLOR CENTER PAL 1DH ←
COLS SUB COLOR CENTER SECAM 1DH ←
SCNT SUB CONTRAST TV 00H ←
SBY SECAM B-Y BLACK OFFSET 01H ←
VPOS 50Hz V-POSITION 1CH ←
HIT HEIGHT 25H ←
VLIN V-LINEARITY 24H ←
HPOS H-POSITION 2BH ←
WID EW WIDTH 31H ←
PARA EW PARABOLA 17H ←
TRAP EW TRAPEZIUM 26H ←
TCNR EW UPPER PARABOLA 15H ←
BCNR EW LOWER PARABOLA 15H ←
HPLL
HORIZONTAL PARALLELOGRAM
22H ←
HBOW HORIZONTAL BOW 20H ←
XCAL CRYSTAL CALIBRATION 30H ←
RAGC AGC TAKE-OVER 12H ←
CTR1 CONTROL 1 07H ←
Item Adjustment Reference Data Adjust Data

SPECIFIC INFORMATIONS
– 15 –
NAMES AND FUNCTIONS OF CONTROLS
Model 29CZ5DE is used in this manual for illustration purpose.
TV Front and Remote control
TV Remote Control
1
f
Power on/standby
2
o
Sound Mute, press
again or 
;
-/+
 to
restore the sound.
3
0~9
Number buttons
4
a
Input source selection,
Timer-ON position
setting
Switch the active
teletext page of the
double window mode
5
MENU
Turn on menu display
6
CH s/t
Channel up/down,
Menu item selection
7
8
Sound menu
8
CALL/i
On-screen on/off,
Turn off the menu,
Teletext initial/index
9Teletext colored buttons
Red/Green/Yellow/Blue
!
mI/II
Stereo/bilingual
selection
"Double-window on/off
#
-/--
Digit selection
$
;
-/+
Volume down/up,
Menu selection or
item adjust
%Picture menu
&
TXT/TV
Teletext/TV selection
(Teletext functions
y/X
– Time display, To select
a page while viewing a
normal picture
^
– To enlarge teletext
display size
?
– To reveal concealed
text
v
– To hold a wanted page
1
2
3
4
5
6
7
8
9
!
"
#
$
%
&
(
a
ef
hc
b
g
i
jd
Open the lid
aqMain power on/off
bRemote sensor
cqPower indicator (red)
rTimer-ON indicator
(green)
dMENU Turn on menu display
eaInput source selection
f
- ;
+Volume down/up,
Menu selection or item
adjust
g
tcsChannel down/up,
Menu item selection
h
LStereo headphones jack
(Ø3.5mm) for private
listening. The sound
from the speakers will
be cut off automatically.
i
AUDIO
Audio input terminals
j
VIDEO
Video input terminal

SPECIFIC INFORMATIONS
– 16 –
PROGRAMMING CHANNEL MEMORY
Model 29CZ5DE is used in this manual for illustration purpose.
To use the SEARCH function
1Press MENU and then ; -/+ to highlight
the “ TUNING” icon.
TUNING
MFT
AFT
ASM
SEARCH
POSITION
MEMORY
P001
ON
MENU
SELECT    /         MENU –/+         BACK
2Press CH s/t to select “SEARCH”. Press ; -/+ to
start searching. Pressing “–” searches for channels at
lower frequencies while pressing “+” searches for
channels at higher frequencies. While searching,
pressing the opposite direction button, + and -
respectively, will cancel SEARCH function.
SEARCH           VHF  H                         P001
STOP
TUNING
MFT
AFT
ASM
SEARCH
POSITION
MEMORY
P001
ON
MENU
SELECT    /         ADJUST –/+      BACK
Repeat this process until you can get the desired
channel.
3When the desired channel is shown, press CH t to
select “POSITION”. Press the ;  -/+ buttons
repeatedly until the position number to be preset is
shown.
TUNING
MFT
AFT
ASM
SEARCH
POSITION
MEMORY
P002
OFF
MENU
SELECT    /         ADJUST –/+      BACK
4Press CH s/t to select “MEMORY”, then press ;  +
to memorize the channel at the current position.
MFT
AFT
ASM
SEARCH
POSITION
MEMORY
P002
OFF
MENU
SELECT    /         ADJUST –/+      BACK
TUNING
5When you program other channels, repeat steps 2 to
4.
Preset the channels automatically
(ASM function)
Use remote control for this operation. The buttons on the TV
with similar name may also be use.
1Select the starting position for channel to be preset.
Press the Number buttons (-/--, 0~9) or CH s/t.
1
2Set the correct broadcast system for your region. Press
MENU and then ; -/+ to highlight the “ SET UP”
icon.
SETUP
LANGUAGE
COLOR  MODE
SOUND  MODE
SKIP
BLUE  SCREEN
TEXT
ON
FAST
AUTO
OFF
B/G
ENGLISH
MENU
SELECT    /         ADJUST –/+      BACK
Confirm  “COLOR MODE” is set to “AUTO” and
“SOUND MODE” is set to proper system. If not, press
CH s/t to select “COLOR MODE” or “SOUND MODE”
and press ; -/+ to set each proper system.
3Press  MENU and then ;-/+ to highlight
the “ TUNING” icon. Select “ASM”, then press ; +
to start the search. When the TV screen returns to the
start position, the procedure is complete.
CH
CH
TUNING
MFT
AFT
ASM
SEARCH
POSITION
MEMORY
P001
OFF
MENU
SELECT    /         ADJUST –/+      BACK
Presetting channel
•First, use the ASM (Automatic Search Memory) function
to preset all active channels in your area automatically.
Then, arrange the preset channels with the SEARCH,
SKIP and MFT (Manual Fine Tuning) functions so that
you can tune into only desired channels.
•Use the SEARCH function if desired channels cannot be
preset with the ASM or if you would like to preset channels
to specific position numbers one by one.

SPECIFIC INFORMATIONS
– 17 –
Auto fine tuning (AFT)
If the signal frequency is unstable due to environmental
conditions, use auto fine tuning.
1Select the position number where the channel you
want to fine-tune with CH s/t or the digit selection
and number buttons (-/--, 0~9).
Note
When the position is set to “AFT OFF” status, the “R”
mark appears to the left of the position number.
When the channel is set to “AFT ON” status,the
position number is displayed without the “R” mark.
2Press MENU then ; -/+ to highlight the “  TUNING”
icon.
3Press CH s/t  to select “AFT”. Press ; -/+ to select
the “ON” indication.
TUNING
MFT
AFT
ASM
SEARCH
POSITION
MEMORY
P002
OFF
MENU
SELECT    /         ADJUST –/+      BACK
Notes
• When you operate MFT, AFT is switched “OFF”
automatically. If you switch on AFT after fine tuning with
MFT, MFT may be canceled.
• AFT may be set independently for each position.
Manual fine tuning (MFT)
The adjustments below are not necessary under normal
conditions. However, under some reception conditions, fine
tuning may be necessary to improve the picture quality. In
such cases, adjust the manual fine tuning (MFT).
1Select the position number where the channel you
want to fine-tune with CH s/t or digit selection and
number buttons (-/--, 0~9).
2Press  MENU and then ;  -/+ to highlight the “
TUNING” icon.
3Press CH s/t to select “MFT”. Press ; -/+ to start
fine tuning. Press ;  -/+ repeatedly until the best
possible picture and sound are obtained.
To skip a position number
After presetting the channels, you may skip unnecessary
position numbers so that only the channels  you want to watch
are selected using CH s/t.
1First, select the position number to be skipped with
CH s/t or digit selection and number buttons (-/--,
0~9).
2Highlight the “  SET UP” icon and press CH s/t to
select “SKIP”.
SETUP
LANGUAGE
COLOR  MODE
SOUND  MODE
SKIP
BLUE  SCREEN
TEXT
ON
FAST
AUTO
ON
B/G
ENGLISH
MENU
SELECT    /         ADJUST –/+      BACK
3Press the ; -/+ to set “SKIP” to “ON”. This completes
the setting for skipping the selected position number.
Notes
• When “SKIP” is set to “ON” for the selected position number,
a “ * ” mark appears to the left of the position number.
The position number will then be skipped when you select
the position with the CH s/t buttons.
• If you want to restore a skipped position number, select it
using the -/-- and 0~9 buttons then switch the “SKIP” setting
to “OFF”.
TUNING
MFT
AFT
ASM
SEARCH
POSITION
MEMORY
P002
ON
MENU
SELECT    /         ADJUST –/+      BACK

SPECIFIC INFORMATIONS
– 18 –
PROCEDURES TO SET HOTEL MODE
1. Set the Channel Programs which you want the Customer to watch.
1) Use ASM (see page 16) or SEARCH (see page 16) to select the programs.
2) Choose the position you want the programs to be stored in TUNING menu.
3) Save the programs by MEMORY operation in TUNING menu (see page 16).
2. Set the Channels which you don’t want the Customer to access
1) Select the channel by pressing the number buttons or CH s/t buttons.
2) Set the SKIP from OFF to ON (see page 17).
3) Repeat above 1) & 2) for all the channels which need to be blocked.
3. Activate the HOTEL Mode:
1) Select startup channel (TV, video input 1, 2/DVD, or 3) first, then enter into design mode (see page 11).
2) In Design Mode (see page 11), press CH t button on the remote controller to show the Design Item “OPT1”.
3) Add “0x80” to the data of “OPT1” to activate the HOTEL Mode with panel buttons unlocked, or add “0xC0” to the
data of “OPT1” to activate the HOTEL Mode with panel buttons locked.
4) Turn off the TV once and turn it on again, the TV will be in HOTEL Mode with all the customer settings taking effect.
4. Set the maximum volume:
1) Enter Service Mode (see page 8).
2) Enter Design Mode (see page 11).
3) Use the CH t button on the remote controller to show the Design Item “VOLX”.
4) Adjust the “VOLX” data by pressing ;+/- buttons (Default 0x1E is equal to Volume 30 in Decimal).
5. Set the following items in HOTEL Mode:
1) Picture mode
Press h button to select the desired picture quality.  “DYNAMIC”, “STANDARD”, “MILD” and “MEMORY” will appear
cyclically.
2) Sound mode
Press 8 button to select the desired sound quality.  “THEATER”, “NEWS” and “MEMORY” will appear cyclically.
(Every time turning on the TV will call back the above customer setting.)

– 19 –
SPECIFIC INFORMATIONS
CHASSIS AND CABINET REPLACEMENT PARTS LIST
WARNING: BEFORE SERVICING THIS CHASSIS, READ THE “X-RAY RADIATION PRECAUTION”, “SAFETY PRE-
CAUTION” AND “PRODUCT SAFETY NOTICE” ON PAGE 3 OF THIS MANUAL.
CAUTION: The international hazard symbols “ ” in the schematic diagram and the parts list designate components
which have special characteristics important for safety and should be replaced only with types identical to those in the
original circuit or specified in the parts list.  The mounting position of replacements is to be identical with originals.
Before replacing any of these components, read carefully the PRODUCT SAFETY NOTICE.  Do not degrade the safety
of the receiver through improper servicing.
NOTICE:
• The part number must be used when ordering parts, in order to assist in processing, be sure to include the
  Model number and Description.
• The PC board assembly with  *  mark is no longer available after the end of the production.
Model: 29CZ5DE/29CZ5T/29CZ6SI
Capacitors .......... CD : Ceramic Disk PF : Plastic Film EL : Electrolytic
Resistors ............ CF : Carbon Film CC : Carbon Composition MF : Metal Film
                            OMF : Oxide Metal Film VR : Variable Resistor FR : Fusible Resistor
(All CD and PF capacitors are ±5%, 50V and all resistors, ±5%, 1/6W unless otherwise noted.)
Location Parts No. Description
No.
Location Parts No. Description
No.
[#1: 29CZ5DE]
[#2: 29CZ5T]
[#3: 29CZ6SI]
CAPACITORS
C101 76797479 ELECTROLYTIC 50V 4.7UF M
C102 76109103 CERAMIC CHIP 50V B 0.01UF K
C103 76109103 CERAMIC CHIP 50V B 0.01UF K
C104 #1 76109103 CERAMIC CHIP 50V B 0.01UF K
#3 76109103 CERAMIC CHIP 50V B 0.01UF K
C105 76109103 CERAMIC CHIP 50V B 0.01UF K
C106 76109103 CERAMIC CHIP 50V B 0.01UF K
C107 76109102 CERAMIC CHIP 50V B 1000PF K
C108 76797100 ELECTROLYTIC 50V 10UF M
C109 76797221 ELECTROLYTIC 50V 220UF M
C110 76797221 ELECTROLYTIC 50V 220UF M
C114 76109103 CERAMIC CHIP 50V B 0.01UF K
C116 76109103 CERAMIC CHIP 50V B 0.01UF K
C121 76797100 ELECTROLYTIC 50V 10UF M
C122 76100104 CERAMIC CHIP 25V F 0.1UF Z
C123 76109332 CERAMIC CHIP 50V B 3300PF K
C124 76100104 CERAMIC CHIP 25V F 0.1UF Z
C125 76797229 ELECTROLYTIC 50V 2.2UF M
C127 76797229 ELECTROLYTIC 50V 2.2UF M
C128 76100104 CERAMIC CHIP 25V F 0.1UF Z
C129 76793471 ELECTROLYTIC 10V 470UF M
C131 76109103 CERAMIC CHIP 50V B 0.01UF K
C140 #2 76000445 CHIP JUMPER 1608TYPE
C141 #2 76109103 CERAMIC CHIP 50V B 0.01UF K
C142 #2 76109103 CERAMIC CHIP 50V B 0.01UF K
C144 #2 76797100 ELECTROLYTIC 50V 10UF M
C145 #2 76100104 CERAMIC CHIP 25V F 0.1UF Z
C156 76105120 CERAMIC CHIP 50V CH 12PF J
C157 76105510 CERAMIC CHIP 50V CH 51PF J
C158 76797100 ELECTROLYTIC 50V 10UF M
C159 76100104 CERAMIC CHIP 25V F 0.1UF Z
C201 76109682 CERAMIC CHIP 50V B 6800PF K
C202 76125006 E. CAP 25V 1.5UF REA1R5K1EFC-0511
C203 76503045 PLASTIC FILM 63V 0.22UF J
C204 76795100 ELECTROLYTIC 25V 10UF M
C205 76109223 CERAMIC CHIP 25V B 0.022UF K
C206 76100104 CERAMIC CHIP 25V F 0.1UF Z
C211 76100104 CERAMIC CHIP 25V F 0.1UF Z
C212 76206010 ELECTROLYTIC 50V 1.0UF M 7L 3A
C219 76092729 CERAMIC CHIP 16V B 0.068UF K
C220 76503047 PLASTIC FILM 63V 0.33UF J
C303 76214471 CERAMIC DISC 500V B 470PF K
C308 76669221 ELECTROLYTIC 50V 220UF M
C309 76667102 ELECTROLYTIC 25V 1000UF M
C310 76667222 ELECTROLYTIC 25V 2200UF M 3A
C313 76082061 PLASTIC FILM 100V 0.47UF J
C315 76109102 CERAMIC CHIP 50V B 1000PF K
C321 76109272 CERAMIC CHIP 50V B 2700PF K
C322 76214471 CERAMIC DISC 500V B 470PF K
C327 76100102 CERAMIC CHIP 50V F 1000PF Z
C328 76693104 PLASTIC FILM 100V 0.1UF J
C329 76100102 CERAMIC CHIP 50V F 1000PF Z
C331 76109472 CERAMIC CHIP 50V B 4700PF K
C333 76667222 ELECTROLYTIC 25V 2200UF M 3A
C335 76667221 ELECTROLYTIC 25V 220UF M
C336 76109272 CERAMIC CHIP 50V B 2700PF K
C350 76503043 PLA CAP PCMT36676154
C363 76693104 PLASTIC FILM 100V 0.1UF J
C401 76105151 CERAMIC CHIP 50V CH 150PF J
C402 76693472 PLASTIC FILM 100V 4700PF J
C413 76214821 CERAMIC DISC 500V B 820PF K
C416 76678479 ELECTROLYTIC 200V 4.7UF M
C417 76214391 CERAMIC DISC 500V B 390PF K
C430 76092731 CERAMIC CHIP 16V B 1UF K
C432 76100102 CERAMIC CHIP 50V F 1000PF Z
C435 76794220 ELECTROLYTIC 16V 22UF M
C439 76503125 PLASTIC FILM 400V 0.075UF J
C442 76503298 PLASTIC FILM 315V 0.3UF J
C443 76503194 PLASTIC FILM 1500VH 0.01UF H
C444 76503228 PLASTIC FILM 1500VH 6800PF H
C447 76679220 ELECTROLYTIC 250V 22UF M 3A
C448 76640908 ELECTROLYTIC 160V 33UF M 3A LI
C449 76667102 ELECTROLYTIC 25V 1000UF M
C463 76212222 CERAMIC DISC 50V B 2200PF K
C464 76073124 ELECTROLYTIC 100V 10UF M
C467 76503159 PLASTIC FILM 630V 0.039UF J
C470 76766101 ELECTROLYTIC 50V 100UF M
C4700 76109332 CERAMIC CHIP 50V B 3300PF K
C4703 76764221 ELECTROLYTIC 25V 220UF M
C4712 76109332 CERAMIC CHIP 50V B 3300PF K
C4717 76000445 CHIP JUMPER 1608TYPE
C472 76503049 PLASTIC FILM 63V 0.47UF J
C475 76100103 CERAMIC CHIP 50V F 0.01UF Z
C501 76793471 ELECTROLYTIC 10V 470UF M
C502 76092730 CERAMIC CHIP 16V B 0.1UF K
C503 76203100 ELECTORLYTIC 16V 10UF M 7L 3A
C504 76100104 CERAMIC CHIP 25V F 0.1UF Z
C505 76793471 ELECTROLYTIC 10V 470UF M
C506 76100104 CERAMIC CHIP 25V F 0.1UF Z
C507 76793471 ELECTROLYTIC 10V 470UF M
C508 76100104 CERAMIC CHIP 25V F 0.1UF Z

– 20 –
SPECIFIC INFORMATIONS
Location Parts No. Description
No.
Location Parts No. Description
No.
C509 76109561 CERAMIC CHIP 50V B 560PF K
C510 76105220 CERAMIC CHIP 50V CH 22PF J
C511 76105220 CERAMIC CHIP 50V CH 22PF J
C512 76105220 CERAMIC CHIP 50V CH 22PF J
C660 76206010 ELECTROLYTIC 50V 1.0UF M 7L 3A
C662 76109102 CERAMIC CHIP 50V B 1000PF K
C663 76797229 ELECTROLYTIC 50V 2.2UF M
C664 76206010 ELECTROLYTIC 50V 1.0UF M 7L 3A
C666 76109102 CERAMIC CHIP 50V B 1000PF K
C667 76797229 ELECTROLYTIC 50V 2.2UF M
C671 76763471 ELECTROLYTIC 16V 470UF M
C672 76203470 ELECTROLYTIC 16V 47UF M 7L 3A
C681 76765102 ELECTROLYTIC 35V 1000UF M
C682 76765102 ELECTROLYTIC 35V 1000UF M
C683 76765102 ELECTROLYTIC 35V 1000UF M
C684 76203470 ELECTROLYTIC 16V 47UF M 7L 3A
C686 76092883 CERAMIC CHIP 50V B 0.1UF K
C687 76092883 CERAMIC CHIP 50V B 0.1UF K
C690 76766101 ELECTROLYTIC 50V 100UF M
C704 76591822 PLASTIC FILM 50V 8200PF J
C705 76232103 CERAMIC DISC 50V F 0.01UF Z
C707 76795470 ELECTROLYTIC 25V 47UF M
C712 76795470 ELECTROLYTIC 25V 47UF M
C713 76709100 ELECTROLYTIC 200V 10UF M
C714 76436101 CERAMIC DISC 50V SL 100PF J
C715 76214472 CERAMIC DISC 500V B 4700PF K
C716 76436101 CERAMIC DISC 50V SL 100PF J
C717 76214472 CERAMIC DISC 500V B 4700PF K
C718 76794470 ELECTROLYTIC 16V 47UF M
C719 76435560 CERAMIC DISC 500V SL 56PF J
C720 76709100 ELECTROLYTIC 200V 10UF M
C721 76794470 ELECTROLYTIC 16V 47UF M
C722 76436561 CERAMIC DISC 50V SL 560PF J
C726 76212102 CERAMIC DISC 50V B 1000PF K
zC801 76503507 PLASTIC FILM AC275V 0.22UF K
zC802 76503507 PLASTIC FILM AC275V 0.22UF K
C805 76092281 CERAMIC DISC AC250V E 4700PF
C806 76092281 CERAMIC DISC AC250V E 4700PF
C808 76794222 ELECTROLYTIC 16V 2200UF M
C809 76797479 ELECTROLYTIC 50V 4.7UF M
C810 76086857 ELECTROLYTIC 400V 560UF
zC811 76166021
CERA CAP E 250V 102 DE1E3KX102MB4BL01
zC812 76166021
CERA CAP E 250V 102 DE1E3KX102MB4BL01
zC813 76166021
CERA CAP E 250V 102 DE1E3KX102MB4BL01
zC814 76166021
CERA CAP E 250V 102 DE1E3KX102MB4BL01
zC815 76166021
CERA CAP E 250V 102 DE1E3KX102MB4BL01
C817 76092347 CERAMIC DISC 2KV R 1500PF K
C818 76105471 CERAMIC CHIP 50V CH 470PF J
C820 76591473 PLASTIC FILM 50V 0.047UF J
C821 76797470 ELECTROLYTIC 50V 47UF M
C823 76105221 CERAMIC CHIP 50V CH 220PF J
C824 76109182 CERAMIC CHIP 50V B 1800PF K
C830 76212103 CERAMIC DISC 50V B 0.01UF K
C831 76794101 ELECTROLYTIC 16V 100UF M
C832 76794101 ELECTROLYTIC 16V 100UF M
C833 76212103 CERAMIC DISC 50V B 0.01UF K
C834 76794101 ELECTROLYTIC 16V 100UF M
C836 76794102 ELECTROLYTIC 16V 1000UF M
C837 76794101 ELECTROLYTIC 16V 100UF M
C838 76503047 PLASTIC FILM 63V 0.33UF J
C839 76503047 PLASTIC FILM 63V 0.33UF J
C841 76503047 PLASTIC FILM 63V 0.33UF J
C842 76503047 PLASTIC FILM 63V 0.33UF J
C843 76794101 ELECTROLYTIC 16V 100UF M
C848 76212103 CERAMIC DISC 50V B 0.01UF K
C849 76794101 ELECTROLYTIC 16V 100UF M
C884 76086052 ELECTROLYTIC 200V 220UF M 22A
C885 76214471 CERAMIC DISC 500V B 470PF K
C888 76105471 CERAMIC CHIP 50V CH 470PF J
C889 76796222 ELECTROLYTIC 35V 2200UF M
C890 76796222 ELECTROLYTIC 35V 2200UF M
C891 76763471 ELECTROLYTIC 16V 470UF M
C892 76214471 CERAMIC DISC 500V B 470PF K
C893 76092337 CERAMIC DISC 2KV 220PF K
C894 76214471 CERAMIC DISC 500V B 470PF K
C895 76796332 ELECTROLYTIC 35V 3300UF M
C896 76668331 ELECTROLYTIC 35V 330UF M 3A
C897 76214471 CERAMIC DISC 500V B 470PF K
C898 76503045 PLASTIC FILM 63V 0.22UF J
C899 76214471 CERAMIC DISC 500V B 470PF K
C901 76214103 CERAMIC DISC 500V B 0.01UF K
C902 76092353 CERAMIC DISC 2KV 4700PF K
C903 76168053 PLASTIC FILM 540)400V 134J 4-20
C904 76679100 ELECTROLYTIC 250V 10UF M 3A
C909 76679100 ELECTROLYTIC 250V 10UF M 3A
C910 76206478 ELECTROLYTIC 50V 0.47UF M 7L 3A
C911 76206478 ELECTROLYTIC 50V 0.47UF M 7L 3A
C912 76763471 ELECTROLYTIC 16V 470UF M
C931 76214101 CERAMIC DISC 500V B 100PF K
CA01 76203100 ELECTORLYTIC 16V 10UF M 7L 3A
CA03 76092734 CERAMIC CHIP 16V F 0.22UF Z
CA04 76092734 CERAMIC CHIP 16V F 0.22UF Z
CA05 76092730 CERAMIC CHIP 16V B 0.1UF K
CA06 76793101 ELECTROLYTIC 10V 100UF M
CA101 76092734 CERAMIC CHIP 16V F 0.22UF Z
CA108 76105680 CERAMIC CHIP 50V CH 68PF J
CA109 76105680 CERAMIC CHIP 50V CH 68PF J
CA110 76092734 CERAMIC CHIP 16V F 0.22UF Z
CA112 76795100 ELECTROLYTIC 25V 10UF M
CA116 76092734 CERAMIC CHIP 16V F 0.22UF Z
CA117 76797221 ELECTROLYTIC 50V 220UF M
CA118 76092730 CERAMIC CHIP 16V B 0.1UF K
CA119 76797229 ELECTROLYTIC 50V 2.2UF M
CA120 76100103 CERAMIC CHIP 50V F 0.01UF Z
CA124 76092734 CERAMIC CHIP 16V F 0.22UF Z
CA14 76795100 ELECTROLYTIC 25V 10UF M
CA30 76100104 CERAMIC CHIP 25V F 0.1UF Z
CA31 76100104 CERAMIC CHIP 25V F 0.1UF Z
CA88 76092734 CERAMIC CHIP 16V F 0.22UF Z
CA89 76793101 ELECTROLYTIC 10V 100UF M
CA90 76092734 CERAMIC CHIP 16V F 0.22UF Z
CA91 76092730 CERAMIC CHIP 16V B 0.1UF K
CA92 76793101 ELECTROLYTIC 10V 100UF M
CA93 76092734 CERAMIC CHIP 16V F 0.22UF Z
CA94 76793101 ELECTROLYTIC 10V 100UF M
CA95 76092730 CERAMIC CHIP 16V B 0.1UF K
CA96 76092734 CERAMIC CHIP 16V F 0.22UF Z
CA97 76100103 CERAMIC CHIP 50V F 0.01UF Z
CA98 76105680 CERAMIC CHIP 50V CH 68PF J
CA99 76105680 CERAMIC CHIP 50V CH 68PF J
CB07 76203100 ELECTORLYTIC 16V 10UF M 7L 3A
CB21 76794470 ELECTROLYTIC 16V 47UF M
CC01 76109103 CERAMIC CHIP 50V B 0.01UF K
CC02 76109102 CERAMIC CHIP 50V B 1000PF K
CC03 76109102 CERAMIC CHIP 50V B 1000PF K
CC04 76109102 CERAMIC CHIP 50V B 1000PF K
CC05 76109102 CERAMIC CHIP 50V B 1000PF K
CC06 76109102 CERAMIC CHIP 50V B 1000PF K
CC14 76109103 CERAMIC CHIP 50V B 0.01UF K
CC17 76212102 CERAMIC DISC 50V B 1000PF K
CC18 76212102 CERAMIC DISC 50V B 1000PF K
CC20 #1 76105150 CERAMIC CHIP 50V CH 15PF J
CS01 76203100 ELECTORLYTIC 16V 10UF M 7L 3A
CS02 76203100 ELECTORLYTIC 16V 10UF M 7L 3A
CS03 76794220 ELECTROLYTIC 16V 22UF M
CS04 76100103 CERAMIC CHIP 50V F 0.01UF Z
CS05 76206478 ELECTROLYTIC 50V 0.47UF M 7L 3A
CS06 76206478 ELECTROLYTIC 50V 0.47UF M 7L 3A
CS07 76206478 ELECTROLYTIC 50V 0.47UF M 7L 3A
CS08 76206478 ELECTROLYTIC 50V 0.47UF M 7L 3A
CS09 76206478 ELECTROLYTIC 50V 0.47UF M 7L 3A
CS10 76206478 ELECTROLYTIC 50V 0.47UF M 7L 3A
CS11 76206478 ELECTROLYTIC 50V 0.47UF M 7L 3A
CS12 76105470 CERAMIC CHIP 50V CH 47PF J
CS13 76105470 CERAMIC CHIP 50V CH 47PF J
CS14 76105470 CERAMIC CHIP 50V CH 47PF J
CS15 76105470 CERAMIC CHIP 50V CH 47PF J
CS16 76105470 CERAMIC CHIP 50V CH 47PF J
CS17 76105470 CERAMIC CHIP 50V CH 47PF J
CS18 76105470 CERAMIC CHIP 50V CH 47PF J
CS19 76105470 CERAMIC CHIP 50V CH 47PF J
CS20 76105470 CERAMIC CHIP 50V CH 47PF J
CS21 76105470 CERAMIC CHIP 50V CH 47PF J
CS22 76105470 CERAMIC CHIP 50V CH 47PF J
CS23 76105470 CERAMIC CHIP 50V CH 47PF J
CV06 76762471 ELECTROLYTIC 10V 470UF M
CV08 76795470 ELECTROLYTIC 25V 47UF M
CV09 76100104 CERAMIC CHIP 25V F 0.1UF Z

– 21 –
SPECIFIC INFORMATIONS
Location Parts No. Description
No.
Location Parts No. Description
No.
CV10 76100104 CERAMIC CHIP 25V F 0.1UF Z
CV11 76100104 CERAMIC CHIP 25V F 0.1UF Z
CV12 76100103 CERAMIC CHIP 50V F 0.01UF Z
CV13 76100104 CERAMIC CHIP 25V F 0.1UF Z
CV14 76100104 CERAMIC CHIP 25V F 0.1UF Z
CV15 76100104 CERAMIC CHIP 25V F 0.1UF Z
CV16 76105101 CERAMIC CHIP 50V CH 100PF J
CV17 76105101 CERAMIC CHIP 50V CH 100PF J
CV18 76105101 CERAMIC CHIP 50V CH 100PF J
CV19 76105101 CERAMIC CHIP 50V CH 100PF J
CV20 76105101 CERAMIC CHIP 50V CH 100PF J
CV21 76109102 CERAMIC CHIP 50V B 1000PF K
CV22 76109102 CERAMIC CHIP 50V B 1000PF K
CV25 76212101 CERAMIC DISC 50V B 100PF K
Z154 23303166 CERAMIC TRAP 39.5MHZ TCF1107
Z155 23303224 CERAMIC TRAP TCF1120AM
RESISTORS
G714 76545220 FUSIBLE 1/4W 22 OHM J
GJ01 76011472 CHIP 1/20W 4.7K OHM J
GJ02 76011472 CHIP 1/20W 4.7K OHM J
GJ03 76000445 CHIP JUMPER 1608TYPE
GJ05 76000445 CHIP JUMPER 1608TYPE
GJ401 76000445 CHIP JUMPER 1608TYPE
GJ808 76000445 CHIP JUMPER 1608TYPE
GJ811 76000445 CHIP JUMPER 1608TYPE
GR001 76000445 CHIP JUMPER 1608TYPE
GR828 76366221 CARBON FILM 1/6W 220 OHM J
JR001 76000445 CHIP JUMPER 1608TYPE
JR002 76000445 CHIP JUMPER 1608TYPE
JR003 76000445 CHIP JUMPER 1608TYPE
JR004 76000445 CHIP JUMPER 1608TYPE
JR005 76000445 CHIP JUMPER 1608TYPE
JR006 76000445 CHIP JUMPER 1608TYPE
JR007 76000445 CHIP JUMPER 1608TYPE
JR008 76000445 CHIP JUMPER 1608TYPE
JR009 76000445 CHIP JUMPER 1608TYPE
JR010 76000445 CHIP JUMPER 1608TYPE
JR011 76000445 CHIP JUMPER 1608TYPE
JR013 76000445 CHIP JUMPER 1608TYPE
JR014 76000445 CHIP JUMPER 1608TYPE
JR016 76000445 CHIP JUMPER 1608TYPE
JR017 76000445 CHIP JUMPER 1608TYPE
JR018 76000445 CHIP JUMPER 1608TYPE
JR019 76000445 CHIP JUMPER 1608TYPE
LC04 76366101 CARBON FILM 1/6W 100 OHM J
LC05 76366101 CARBON FILM 1/6W 100 OHM J
LC06 76000445 CHIP JUMPER 1608TYPE
LC07 76000445 CHIP JUMPER 1608TYPE
LC08 76000445 CHIP JUMPER 1608TYPE
LC09 76000445 CHIP JUMPER 1608TYPE
LC10 76000445 CHIP JUMPER 1608TYPE
LC11 76000445 CHIP JUMPER 1608TYPE
LC12 76000445 CHIP JUMPER 1608TYPE
LC13 76000445 CHIP JUMPER 1608TYPE
LC14 76000445 CHIP JUMPER 1608TYPE
LC15 76000445 CHIP JUMPER 1608TYPE
LC16 76000445 CHIP JUMPER 1608TYPE
LC17 76000445 CHIP JUMPER 1608TYPE
R101 76011330 CHIP 1/20W 33 OHM J
R102 76011682 CHIP 1/20W 6.8K OHM J
R103 76011272 CHIP 1/20W 2.7K OHM J
R104 76011330 CHIP 1/20W 33 OHM J
R105 76011751 CHIP 1/20W 750 OHM J
R106 76011330 CHIP 1/20W 33 OHM J
R107 76366390 CARBON FILM 1/6W 39 OHM J
R108 76011821 CHIP 1/20W 820 OHM J
R109 76011102 CHIP 1/20W 1K OHM J
R110 #1 76366103 CARBON FILM 1/6W 10K OHM J
#3 76366103 CARBON FILM 1/6W 10K OHM J
R111 #1 76011302 CHIP 1/20W 3K OHM J
#3 76011302 CHIP 1/20W 3K OHM J
R112 #1 76011103 CHIP 1/20W 10K OHM J
#3 76011103 CHIP 1/20W 10K OHM J
R113 #1 76011332 CHIP 1/20W 3.3K OHM J
#3 76011332 CHIP 1/20W 3.3K OHM J
R115 76011102 CHIP 1/20W 1K OHM J
R116 76011101 CHIP 1/20W 100 OHM J
R117 #1 76366153 CARBON FILM 1/6W 15K OHM J
R117 #3 76366153 CARBON FILM 1/6W 15K OHM J
R118 #1 76011101 CHIP 1/20W 100 OHM J
#3 76011101 CHIP 1/20W 100 OHM J
R119 76000445 CHIP JUMPER 1608TYPE
R121 76011471 CHIP 1/20W 470 OHM J
R122 76011391 CHIP 1/20W 390 OHM J
R124 76011123 CHIP 1/20W 12K OHM J
R125 76011563 CHIP 1/20W 56K OHM J
R126 76011681 CHIP 1/20W 680 OHM J
R140 #2 76011101 CHIP 1/20W 100 OHM J
R141 #2 76011222 CHIP 1/20W 2.2K OHM J
R142 #2 76011221 CHIP 1/20W 220 OHM J
R152 76011331 CHIP 1/20W 330 OHM J
R156 76553153 OXIDE METAL FILM 1W 15K OHM J
R201 76011123 CHIP 1/20W 12K OHM J
R215 76366203 CARBON FILM 1/6W 20K OHM J
R216 76366103 CARBON FILM 1/6W 10K OHM J
R217 76366203 CARBON FILM 1/6W 20K OHM J
R218 76366332 CARBON FILM 1/6W 3.3K OHM J
R219 76011224 CHIP 1/20W 220K OHM J
R227 76366272 CARBON FILM 1/6W 2.7K OHM J
R228 76011103 CHIP 1/20W 10K OHM J
R303 76170001 0XIDE R 109J RS1BSJHD109
R305 76322159 OXIDE METAL FILM 1W 1.5 OHM J
R314 76011473 CHIP 1/20W 47K OHM J
R318 76011102 CHIP 1/20W 1K OHM J
R320 76011101 CHIP 1/20W 100 OHM J
R321 76011103 CHIP 1/20W 10K OHM J
R322 76182030 METAL R ERX1FJ4R7H
R324 76011472 CHIP 1/20W 4.7K OHM J
R325 76011101 CHIP 1/20W 100 OHM J
R327 76182030 METAL R ERX1FJ4R7H
R328 76011682 CHIP 1/20W 6.8K OHM J
R329 76011682 CHIP 1/20W 6.8K OHM J
R331 76366562 CARBON FILM 1/6W 5.6K OHM J
R336 76383221 OXIDE METAL FILM 2W 220 OHM J
R346 76000445 CHIP JUMPER 1608TYPE
R347 76011103 CHIP 1/20W 10K OHM J
R348 76011562 CHIP 1/20W 5.6K OHM J
R350 76367393 CARBON FILM 1/6W 39K OHM J
R354 76011223 CHIP 1/20W 22K OHM J
R363 76552181 OXIDE METAL FILM 1/2W 180 OHM J
R401 76011105 CHIP 1/20W 1M OHM J
R403 76382472 OXIDE METAL FILM 1W 4.7K OHM J
R409 76011123 CHIP 1/20W 12K OHM J
R412 76011472 CHIP 1/20W 4.7K OHM J
R413 76000445 CHIP JUMPER 1608TYPE
R415 76553272 OXIDE METAL FILM 1W 2.7K OHM J
R416 76019332 OXIDE METAL FILM 5W 4.3K OHM J
R419 76011183 CHIP 1/20W 18K OHM J
R420 76011102 CHIP 1/20W 1K OHM J
R4200 76011101 CHIP 1/20W 100 OHM J
R424 76011103 CHIP 1/20W 10K OHM J
R425 76011103 CHIP 1/20W 10K OHM J
R426 76011101 CHIP 1/20W 100 OHM J
R429 76552560 OXIDE METAL FILM 1/2W 56 OHM J
R431 76011101 CHIP 1/20W 100 OHM J
R435 76011562 CHIP 1/20W 5.6K OHM J
R437 76000445 CHIP JUMPER 1608TYPE
R438 76366823 CARBON FILM 1/6W 82K OHM J
R439 76366222 CARBON FILM 1/6W 2.2K OHM J
R440 76011471 CHIP 1/20W 470 OHM J
R441 76532102 FUSIBLE 1W 1K OHM J
R448 76182049 METAL OXIDE 9.1 OHM ERX1FJ9R1H
R462 76322229 OXIDE METAL FILM 1W 2.2 OHM J
R470 76182018 METAL R ERX1FJR47H
R4704 76011104 CHIP 1/20W 100K OHM J
R471 76381131 OXIDE METAL FILM 1/2W 130 OHM J
R4716 76011393 CHIP 1/20W 39K OHM J
R4717 76011824 CHIP 1/20W 820K OHM J
R4718 76011273 CHIP 1/20W 27K OHM J
R473 76000247 METAL FILM 1/4W 39K OHM F
R4760 76000242 METAL FILM 1/4W 18K OHM F
R4770 76011102 CHIP 1/20W 1K OHM J
R479 76381271 OXIDE METAL FILM 1/2W 270 OHM J
R501 76011103 CHIP 1/20W 10K OHM J
R502 76011102 CHIP 1/20W 1K OHM J
R503 76011101 CHIP 1/20W 100 OHM J
R504 76011101 CHIP 1/20W 100 OHM J

– 22 –
SPECIFIC INFORMATIONS
Location Parts No. Description
No.
Location Parts No. Description
No.
R505 76011101 CHIP 1/20W 100 OHM J
R620 76011103 CHIP 1/20W 10K OHM J
R621 76366103 CARBON FILM 1/6W 10K OHM J
R660 76011223 CHIP 1/20W 22K OHM J
R662 76011222 CHIP 1/20W 2.2K OHM J
R664 76011223 CHIP 1/20W 22K OHM J
R666 76011222 CHIP 1/20W 2.2K OHM J
R671 76011103 CHIP 1/20W 10K OHM J
R672 76011103 CHIP 1/20W 10K OHM J
R673 76011103 CHIP 1/20W 10K OHM J
R674 76011103 CHIP 1/20W 10K OHM J
R675 76011104 CHIP 1/20W 100K OHM J
R686 76011229 CHIP 1/16W 2.2 OHM J
R687 76011229 CHIP 1/16W 2.2 OHM J
R701 76011101 CHIP 1/20W 100 OHM J
R702 76366821 CARBON FILM 1/6W 820 OHM J (U901)
76011102 CHIP 1/20W 1K OHM J (U902)
R704 76011470 CHIP 1/20W 47 OHM J
R705 76011221 CHIP 1/20W 220 OHM J
R709 76366563 CARBON FILM 1/6W 56K OHM J
R713 76366393 CARBON FILM 1/6W 39K OHM J
R715 76366223 CARBON FILM 1/6W 22K OHM J
R716 76366273 CARBON FILM 1/6W 27K OHM J
R717 76366333 CARBON FILM 1/6W 33K OHM J
R719 76366392 CARBON FILM 1/6W 3.9K OHM J
R720 76366392 CARBON FILM 1/6W 3.9K OHM J
R721 76366102 CARBON FILM 1/6W 1K OHM J
R722 76552471 OXIDE METAL FILM 1/2W 470 OHM J
R723 76366471 CARBON FILM 1/6W 470 OHM J
R724 76366470 CARBON FILM 1/6W 47 OHM J
R725 76366182 CARBON FILM 1/6W 1.8K OHM J
R730 76552100 OXIDE METAL FILM 1/2W 10 OHM J
R731 76552331 OXIDE METAL FILM 1/2W 330 OHM J
R732 76366820 CARBON FILM 1/6W 82 OHM J
R733 76366683 CARBON FILM 1/6W 68K OHM J
R734 76366820 CARBON FILM 1/6W 82 OHM J
R735 76366683 CARBON FILM 1/6W 68K OHM J
R736 76366620 CARBON FILM 1/6W 62 OHM J
R737 76366152 CARBON FILM 1/6W 1.5K OHM J
R738 76366102 CARBON FILM 1/6W 1K OHM J
R739 76366152 CARBON FILM 1/6W 1.5K OHM J
R740 76366620 CARBON FILM 1/6W 62 OHM J
R741 76366279 CARBON FILM 1/6W 2.7 OHM J
R742 76366279 CARBON FILM 1/6W 2.7 OHM J
R743 76554221 OXIDE METAL FILM 2W 220 OHM J
R744 76366122 CARBON FILM 1/6W 1.2K OHM J
R745 76366122 CARBON FILM 1/6W 1.2K OHM J
R760 76366101 CARBON FILM 1/6W 100 OHM J
R775 76366182 CARBON FILM 1/6W 1.8K OHM J
zR801 76017010 METAL GLAZE 1/2W PRC92M02M20J
R805 76366221 CARBON FILM 1/6W 220 OHM J
zR808 76079005 THERMISTOR PTC DGC3D4R5M27
R811 76366225 CARBON FILM 1/6W 2.2M OHM J
R812 76510479 CERAMIC COVERED 5W 4.7 OHM J
R813 76120004 CEMENT RES FUSIBLE SQMT-3W-1R8K
R817 76366124 CARBON FILM 1/6W 120K OHM J
R818 76366229 CARBON FILM 1/6W 2.2 OHM J
R820 76366224 CARBON FILM 1/6W 220K OHM J
R825 76366474 CARBON FILM 1/6W 470K OHM J
R826 76366564 CARBON FILM 1/6W 560K OHM J
R829 76182014 METAL R ERX1FJR22H
R830 76019459 METAL PLATE 2W 0.12 OHM J
R831 76366152 CARBON FILM 1/6W 1.5K OHM J
R832 76366183 CARBON FILM 1/6W 18K OHM J
R833 76011223 CHIP 1/20W 22K OHM J
R834 76366222 CARBON FILM 1/6W 2.2K OHM J
R837 76011102 CHIP 1/20W 1K OHM J
R838 76366392 CARBON FILM 1/6W 3.9K OHM J
R839 76366222 CARBON FILM 1/6W 2.2K OHM J
R840 76011472 CHIP 1/20W 4.7K OHM J
R841 76011152 CHIP 1/20W 1.5K OHM J
R842 76011472 CHIP 1/20W 4.7K OHM J
R843 76000445 CHIP JUMPER 1608TYPE
R846 76011154 CHIP 1/20W 150K OHM J
R847 76000445 CHIP JUMPER 1608TYPE
R848 76011101 CHIP 1/20W 100 OHM J
R898 76321228 OXIDE METAL FILM 1/2W 0.22 OHM J
zR899 76017012 METAL GLAZE 1/2W PRC92M08M20J
R901 76376222 CARBON FILM 1/2W 2R2K J
R902 76376222 CARBON FILM 1/2W 2R2K J
R903 76376222 CARBON FILM 1/2W 2R2K J
R904 76376101 CARBON FILM RD50JJHBA101
R905 76376101 CARBON FILM RD50JJHBA101
R906 76376101 CARBON FILM RD50JJHBA101
R907 76383101 OXIDE METAL FILM 2W 100 OHM J
R911 76366101 CARBON FILM 1/6W 100 OHM J
R912 76366101 CARBON FILM 1/6W 100 OHM J
R913 76366101 CARBON FILM 1/6W 100 OHM J
R920 76000568 FUSIBLE 1W 4.7 OHM J
R936 76545150 FUSIBLE 1/4W 15 OHM J
R937 76366181 CARBON FILM 1/6W 180 OHM J
R938 76366563 CARBON FILM 1/6W 56K OHM J
R939 76366102 CARBON FILM 1/6W 1K OHM J
R992 76366150 CARBON FILM 1/6W 15 OHM J
RA105 76011101 CHIP 1/20W 100 OHM J
RA106 76011101 CHIP 1/20W 100 OHM J
RA108 76011332 CHIP 1/20W 3.3K OHM J
RA109 76011332 CHIP 1/20W 3.3K OHM J
RA14 76366100 CARBON FILM 1/6W 10 OHM J
RA15 76366100 CARBON FILM 1/6W 10 OHM J
RA16 76366473 CARBON FILM 1/6W 47K OHM J
RA17 76366472 CARBON FILM 1/6W 4.7K OHM J
RA18 76366473 CARBON FILM 1/6W 47K OHM J
RA19 76366100 CARBON FILM 1/6W 10 OHM J
RA20 76366100 CARBON FILM 1/6W 10 OHM J
RA21 76366472 CARBON FILM 1/6W 4.7K OHM J
RA30 76011153 CHIP 1/2OW 15K OHM J
RA31 76011101 CHIP 1/20W 100 OHM J
RA32 76366153 CARBON FILM 1/6W 15K OHM J
RA33 76011153 CHIP 1/2OW 15K OHM J
RA34 76011153 CHIP 1/2OW 15K OHM J
RA35 76011101 CHIP 1/20W 100 OHM J
RA36 76011101 CHIP 1/20W 100 OHM J
RA98 76011472 CHIP 1/20W 4.7K OHM J
RA99 76011472 CHIP 1/20W 4.7K OHM J
RB08 76011102 CHIP 1/20W 1K OHM J
RB09 76011332 CHIP 1/20W 3.3K OHM J
RB21 76366122 CARBON FILM 1/6W 1.2K OHM J
RB22 76366151 CARBON FILM 1/6W 150 OHM J
RB23 76366181 CARBON FILM 1/6W 180 OHM J
RB24 76366241 CARBON FILM 1/6W 240 OHM J
RB25 76366331 CARBON FILM 1/6W 330 OHM J
RB26 76366471 CARBON FILM 1/6W 470 OHM J
RB30 76366470 CARBON FILM 1/6W 47 OHM J
RB31 76366103 CARBON FILM 1/6W 10K OHM J
RB32 76366560 CARBON FILM 1/6W 56 OHM J
RB33 76366221 CARBON FILM 1/6W 220 OHM J
RB34 76366223 CARBON FILM 1/6W 22K OHM J
RB35 76366102 CARBON FILM 1/6W 1K OHM J
RB49 76366102 CARBON FILM 1/6W 1K OHM J
RC01 76000445 CHIP JUMPER 1608TYPE
RC02 76000445 CHIP JUMPER 1608TYPE
RC03 76000445 CHIP JUMPER 1608TYPE
RC04 76000445 CHIP JUMPER 1608TYPE
RC05 76000445 CHIP JUMPER 1608TYPE
RC06 76000445 CHIP JUMPER 1608TYPE
RS01 76011473 CHIP 1/20W 47K OHM J
RS02 76011473 CHIP 1/20W 47K OHM J
RS03 76011473 CHIP 1/20W 47K OHM J
RS04 76011473 CHIP 1/20W 47K OHM J
RS05 76011102 CHIP 1/20W 1K OHM J
RS06 76011102 CHIP 1/20W 1K OHM J
RS09 76011561 CHIP 1/20W 560 OHM J
RS10 76011101 CHIP 1/20W 100 OHM J
RS11 76011101 CHIP 1/20W 100 OHM J
RS12 76011222 CHIP 1/20W 2.2K OHM J
RS13 76011222 CHIP 1/20W 2.2K OHM J
RS14 76011104 CHIP 1/20W 100K OHM J
RS15 76011104 CHIP 1/20W 100K OHM J
RS16 76011103 CHIP 1/20W 10K OHM J
RS17 76011103 CHIP 1/20W 10K OHM J
RS18 76011104 CHIP 1/20W 100K OHM J
RS19 76011103 CHIP 1/20W 10K OHM J
RS20 76011103 CHIP 1/20W 10K OHM J
RS21 76011103 CHIP 1/20W 10K OHM J
RS23 76011103 CHIP 1/20W 10K OHM J
RS24 76011103 CHIP 1/20W 10K OHM J
RS25 76011103 CHIP 1/20W 10K OHM J

– 23 –
SPECIFIC INFORMATIONS
Location Parts No. Description
No.
Location Parts No. Description
No.
RS26 76011103 CHIP 1/20W 10K OHM J
RS27 76011103 CHIP 1/20W 10K OHM J
RS28 76011103 CHIP 1/20W 10K OHM J
RS29 76011103 CHIP 1/20W 10K OHM J
RS30 76011103 CHIP 1/20W 10K OHM J
RS31 76011103 CHIP 1/20W 10K OHM J
RS32 76011103 CHIP 1/20W 10K OHM J
RS33 76011101 CHIP 1/20W 100 OHM J
RS34 76011101 CHIP 1/20W 100 OHM J
RS35 76011101 CHIP 1/20W 100 OHM J
RS36 76011101 CHIP 1/20W 100 OHM J
RS40 76366473 CARBON FILM 1/6W 47K OHM J
RS41 76366473 CARBON FILM 1/6W 47K OHM J
RS63 76552271 OXIDE METAL FILM 1/2W 270 OHM J
RS64 76552271 OXIDE METAL FILM 1/2W 270 OHM J
RV01 76011750 CHIP 1/20W 75 OHM J
RV02 76011101 CHIP 1/20W 100 OHM J
RV03 76011750 CHIP 1/20W 75 OHM J
RV04 76000445 CHIP JUMPER 1608TYPE
RV05 76011750 CHIP 1/20W 75 OHM J
RV06 76000445 CHIP JUMPER 1608TYPE
RV07 76011750 CHIP 1/20W 75 OHM J
RV08 76000445 CHIP JUMPER 1608TYPE
RV09 76011750 CHIP 1/20W 75 OHM J
RV10 76000445 CHIP JUMPER 1608TYPE
RV11 76011750 CHIP 1/20W 75 OHM J
RV15 76366101 CARBON FILM 1/6W 100 OHM J
RV16 76011101 CHIP 1/20W 100 OHM J
RV19 76011101 CHIP 1/20W 100 OHM J
RV21 76011102 CHIP 1/20W 1K OHM J
RV22 76011102 CHIP 1/20W 1K OHM J
RV25 76366101 CARBON FILM 1/6W 100 OHM J
RV26 76366750 CARBON FILM 1/6W 75 OHM J
COILS & TRANSFORMERS
G404 23103308 FERRITE CORE TEM2011AO 3.5X4.5
G405 23103308 FERRITE CORE TEM2011AO 3.5X4.5
G461 23103308 FERRITE CORE TEM2011AO 3.5X4.5
GL601 23103308 FERRITE CORE TEM2011AO 3.5X4.5
GL889 23103311 FERRITR CHOKE TEM2014AO 3.5X5X2
L101 23289187 COIL PEAKING 0.22MMHK COLTRF4R22AV
L102 23289043 COIL PEAKING TRF4100AU
L103 23289197 COIL PEAKING 1.2MMHK CNSS (NP)-1R2J
L104 23248461 COIL CHOKE TLN3278AC
L110 #2 23289043 COIL PEAKING TRF4100AU
L156 23289196 COIL PEAKING 1.0MMHK COLTRF41R0AV
L157 23289196 COIL PEAKING 1.0MMHK COLTRF41R0AV
L301 23103308 FERRITE CORE TEM2011AO 3.5X4.5
L441 23233132 COIL LINEARITY TLN2083AH
L442 23248404 COIL CHOKE TLN3383D
L461 23248375
COIL CHOKE 19X29H 470MMHK 1.5A TLN3335AA
L462 23231491 DEFLECTION YOKE 29'’ PF DY TDY-829HP
L462A 23993696 BOARD CORRECTION
L462B 23949616 CONVER COMPENSATOR TC-R (YV)
L462C 23993081
METAL SHEET CONV. CORRECTION TCRMXH01H
L462D 23948535 SHEET MAGNETIC FERRITE
L462E 23948536 SHEET MAGNETIC FERRITE
L501 23289043 COIL PEAKING TRF4100AU
L502 23289043 COIL PEAKING TRF4100AU
L503 23289043 COIL PEAKING TRF4100AU
L504 23289043 COIL PEAKING TRF4100AU
L702 23103323 FERRITE CORE HC5-035
L704 23103308 FERRITE CORE TEM2011AO 3.5X4.5
L705 23103308 FERRITE CORE TEM2011AO 3.5X4.5
L805 23248423 COIL CHOKE TLN3481AC
L806 23248423 COIL CHOKE TLN3481AC
L811 23103308 FERRITE CORE TEM2011AO 3.5X4.5
L815 23103308 FERRITE CORE TEM2011AO 3.5X4.5
L882 23103308 FERRITE CORE TEM2011AO 3.5X4.5
L883 23221142 COIL CHOKE TRF9253D
L885 23248400 COIL CHOKE TLN3299D
L886 23103308 FERRITE CORE TEM2011AO 3.5X4.5
L888 23289174 COIL PEAKING 10MMHK TWE5NP-100K-5
L889 23289174 COIL PEAKING 10MMHK TWE5NP-100K-5
L891 23103308 FERRITE CORE TEM2011AO 3.5X4.5
L892 23103308 FERRITE CORE TEM2011AO 3.5X4.5
L894 23103308 FERRITE CORE TEM2011AO 3.5X4.5
zL901 23204003 COIL DG 0.5ALU 48T 8TYPE TSB-2389EAL
LA01 23289049 COIL PEAKING TRF4330AU
LA03 23289043 COIL PEAKING TRF4100AU
LA04 23289043 COIL PEAKING TRF4100AU
LA05 23289043 COIL PEAKING TRF4100AU
LA101 23289043 COIL PEAKING TRF4100AU
LA110 23289043 COIL PEAKING TRF4100AU
LA117 23289043 COIL PEAKING TRF4100AU
LA124 23289043 COIL PEAKING TRF4100AU
LA14 23289043 COIL PEAKING TRF4100AU
LA88 23289043 COIL PEAKING TRF4100AU
LA90 23289043 COIL PEAKING TRF4100AU
LA93 23289043 COIL PEAKING TRF4100AU
LA94 23289043 COIL PEAKING TRF4100AU
LA96 23289043 COIL PEAKING TRF4100AU
T401 23224395 TRANSFORMER HORIZ DRIVER TLN1098AH
zT461 23236962 TRANSFORMER FBT TFB4228AT
zT801 23211793 COIL LINE FILTER TRF3247AW
zT802 23211838 COIL LINE FILTER TRF3202AR
zT862 23217777 TRANSFORMER TPW3573AM
V901M 23102565 COIL CMG29.1VM6TLEAD3P MAG-1124
Z101 #1 23303363 FILTER SAW BSF6284K
#2 23303176
SAW FILTER 38MHZ PIF SIF INTER OFWK2964M
#3 23303363 SAW FILTER BSF6284K
Z102 #1 23303356 FILTER SAW BSF9351K
#3 23303356 SAW FILTER BSF9351K BSF9351K
Z104 #2 23303353 FILTER FIL CFILT 5.74MHZ EFCS5R74YS5A
SEMICONDUCTORS
D101 23362104 DIODE ZENER DZ33 BS C
D103 #1 23362138 DIODE KDS114-RTK
#3 23362138 DIODE KDS114-RTK
D202 23357697 DIODE 1SS133
D203 23357697 DIODE 1SS133
D301 23362228 DIODE VRM=200V 1N4003F
D302 23357372 DIODE EU2JGF-41U2
D303 23357917 DIODE SC570A
D311 23362140 DIODE KDS160-RTK
D312 23362069 DIODE ZENER DZ5.6 BS A
D313 23357372 DIODE EU2JGF-41U2
D406 23357372 DIODE EU2JGF-41U2
D408 23357471 DIODE RU4DG-3AM2
D441 23362071 DIODE ZENER DZ5.6 BS C
D444 23357705 DIODE ERC06-15
D445 23362081 DIODE ZENER DZ9.1 BS C
D461 23357364 DIODE RU4JGF- M2
D467 23357372 DIODE EU2JGF-41U2
D470 23362107 DIODE ZENER DZ36 BS B
D4703 23362140 DIODE KDS160-RTK
D475 23357697 DIODE 1SS133
D476 23357697 DIODE 1SS133
D501 23362140 DIODE KDS160-RTK
D502 23362140 DIODE KDS160-RTK
D670 23362140 DIODE KDS160-RTK
D671 23362140 DIODE KDS160-RTK
D672 23362140 DIODE KDS160-RTK
D673 23362140 DIODE KDS160-RTK
D674 23362140 DIODE KDS160-RTK
D680 23362140 DIODE KDS160-RTK
D681 23362140 DIODE KDS160-RTK
D682 23362140 DIODE KDS160-RTK
D683 23362140 DIODE KDS160-RTK
D704 23357697 DIODE 1SS133
D705 23357697 DIODE 1SS133
D715 23357697 DIODE 1SS133
D720 23357697 DIODE 1SS133
D721 23357697 DIODE 1SS133
D801 23362217 DIODE BRG. VRM600V IO6A GBU6J-T1
D805 23362235 DIODE VRM=200V IO=1.0A FTRR 1EDG-41A
D807 23357372 DIODE EU2JGF-41U2
D808 23357372 DIODE EU2JGF-41U2
D809 23362094 DIODE ZENER DZ15 BS B
D812 23362070 DIODE ZENER DZ5.6 BS B
D813 23362070 DIODE ZENER DZ5.6 BS B
D814 23362094 DIODE ZENER DZ15 BS B
D815 23362103 DIODE ZENER DZ33 BS B
D816 23362235 DIODE VRM=200V IO=1.0A FTRR 1EDG-41A
D817 23362235 DIODE VRM=200V IO=1.0A FTRR 1EDG-41A
D818 23357372 DIODE EU2JGF-41U2
D841 23362067 DIODE ZENER DZ5.1 BS B
D845 23357697 DIODE 1SS133

– 24 –
SPECIFIC INFORMATIONS
Location Parts No. Description
No.
Location Parts No. Description
No.
D883 23357364 DIODE RU4JGF- M2
D885 23357471 DIODE RU4DG-3AM2
D891 23362235 DIODE VRM=200V IO=1.0A FTRR 1EDG-41A
D892 23357372 DIODE EU2JGF-41U2
D893 23362235 DIODE VRM=200V IO=1.0A FTRR 1EDG-41A
D894 23357492 DIODE VRM=200IO=2A UG2D-41A-U4
D901 23357104 DIODE 1SS244
D902 23357104 DIODE 1SS244
D903 23357104 DIODE 1SS244
D904 23357104 DIODE 1SS244
D905 23357104 DIODE 1SS244
D906 23357104 DIODE 1SS244
D907 76019471 VARISTOR TNR10V271K
D911 23357372 DIODE EU2JGF-41U2
D913 23357697 DIODE 1SS133
D914 23357697 DIODE 1SS133
D915 23357697 DIODE 1SS133
D916 23357697 DIODE 1SS133
D918 23362151 DIODE ZV=3.92-4.14 DZ3.9 BS B
D919 23362151 DIODE ZV=3.92-4.14 DZ3.9 BS B
D920 23362151 DIODE ZV=3.92-4.14 DZ3.9 BS B
DA110 23362069 DIODE ZENER DZ5.6 BS A
DA111 23362069 DIODE ZENER DZ5.6 BS A
DA118 23362144 DIODE ZV=1.88-2.10 DZ2.0 BS A
DA119 23357406 DIODE ZENER UDZS5.6B
DA120 23357697 DIODE 1SS133
DA121 23362140 DIODE KDS160-RTK
DB21 23358577 DIODE LED RED/GREEN BT-H684W
KB21 23085842 IC REMOCON RECEIVER ROM-N338TB
Q101 23205509 TRANSISTOR 2SC4988FRTL-E
Q102 #2 23205277 TRANSISTOR 2SC4116-Y (TE85LF)
Q107 #1 23205214
TRANSISTOR NPN R1=R2=10KOHM SRC1202U (SOT-323)
#3 23205214
TRANSISTOR NPN R1=R2=10KOHM SRC1202U (SOT-323)
Q108 #1 23205214
TRANSISTOR NPN R1=R2=10KOHM SRC1202U (SOT-323)
#3 23205214
TRANSISTOR NPN R1=R2=10KOHM SRC1202U (SOT-323)
Q301 23085439 IC AN5523
Q320 23205358 TRANSISTOR KTC3875S Y/P
Q401 23205277 TRANSISTOR 2SC4116-Y (TE85LF)
Q402 23205479 TRANSISTOR FET 2SK941 (F)
Q404 23205502 TRANSISTOR 2SD2539(FAF)
Q460 23205535
TRANSISTOR NMOS FET VDSS=200V STK630F
Q471 23205433 TRANSISTOR KTA1024-Y/P
Q472 23205277 TRANSISTOR 2SC4116-Y (TE85LF)
Q473 23205357 TRANSISTOR KTA1504S Y/P
Q610 23085693 IC AN5277
Q670 23205276 TRANSISTOR 2SA1586Y (TE85LF)
Q671 23205424 TRANSISTOR KTC2875B/P
Q672 23205424 TRANSISTOR KTC2875B/P
Q701 23205358 TRANSISTOR KTC3875S Y/P
Q706 23205376 TRANSISTOR 2SC5343-Y (BULK)
Q707 23205314 TRANSISTOR 2SC752 (G) TM-Y (F)
Q709 23205376 TRANSISTOR 2SC5343-Y (BULK)
Q710 23205372 TRANSISTOR 2SA1980-Y (BULK)
Q711 23205435 TRANSISTOR KTA1837/P
Q712 23205434 TRANSISTOR KTC4793/P
Q719 23205376 TRANSISTOR 2SC5343-Y (BULK)
Q720 23205376 TRANSISTOR 2SC5343-Y (BULK)
Q773 23205376 TRANSISTOR 2SC5343-Y (BULK)
Q801 23135069 IC STRF6268S
Q802 23205543 TRANSISTOR FN155
Q803 23205376 TRANSISTOR 2SC5343-Y (BULK)
Q805 23205229 TRANSISTOR SRC1205M
zQ826 23085841
PHOTO COUPLER VCEO=80V IF=50M K1010HB CTR
Q831 23085812 IC KIA78D05F-RTF/P
Q835 23085730 IC AN34040A
Q841 23205277 TRANSISTOR 2SC4116-Y (TE85LF)
Q842 23205277 TRANSISTOR 2SC4116-Y (TE85LF)
Q844 23085792 IC KIA 78D33 PI
Q883 23009991 IC SE133N LF4
Q901 23085754 IC TDA6107AJF
Q908 23205202 TRANSISTOR 2SC5344Y
Q909 23205376 TRANSISTOR 2SC5343-Y (BULK)
QA10 #1 23085765 IC AT24C16A-10PU2.7
#2 23085764 IC AT24C08A-10PU2.7
#3 23085764 IC AT24C08A-10PU2.7
QA14 23205358 TRANSISTOR KTC3875S Y/P
QA15 23205586 TRANSISTOR PNP 2SA1013-R(F)
QA16 23205358 TRANSISTOR KTC3875S Y/P
QA17 23205586 TRANSISTOR PNP 2SA1013-R(F)
QA51 #1 23085647 IC TDA12021H/N1F01
#2 23085798
IC PHILIPS UOC3-AVST (NO-TXT) TDA12063H/N1F00
#3 23085796 IC TDA12011H/N1F00
QB04 23205358 TRANSISTOR KTC3875S Y/P
QB21 23205376 TRANSISTOR 2SC5343-Y (BULK)
QB22 23205372 TRANSISTOR 2SA1980-Y (BULK)
QS01 23205277 TRANSISTOR 2SC4116-Y (TE85LF)
QS02 23205277 TRANSISTOR 2SC4116-Y (TE85LF)
QS03 23205424 TRANSISTOR KTC2875B/P
QS04 23205424 TRANSISTOR KTC2875B/P
QS05 23205222
TRANSISTOR PNP R1=R2=47KOHM SRA2204S (SOT-23)
QV02 23205357 TRANSISTOR KTA1504S Y/P
MISCELLANEOUS
C903A 23965241 TAPE CC #12 10MM L30M
zF470 23144297 FUSE CARTRIDGE 250V 1A 5.2X20
F470A 23165469 FUSE HOLDER 5.2 DFH-001
F470B 23165469 FUSE HOLDER 5.2 DFH-001
zF801 23144302 FUSE CARTRIDGE 250V 4A 5.2X20
F801A 23165469 FUSE HOLDER 5.2 DFH-001
F801B 23165469 FUSE HOLDER 5.2 DFH-001
zF802 23144200 FUSE CARTRIDGE 5.2X20 250V 3A
F802A 23165469 FUSE HOLDER 5.2 DFH-001
F802B 23165469 FUSE HOLDER 5.2 DFH-001
J602D 23171400
WIRE PVC SOLDER-PLATED 300V 7/16 BRN UL CSA
J602E 23171400
WIRE PVC SOLDER-PLATED 300V 7/16 BRN UL CSA
M461A 23192251 CABLE ANODE CAP ASSY TCC5606CT
M461B 23507638 CABLE FOCUS
M461C 23507543 CABLE ASSY CABLE SCREEN
N724 23965900
TAPE GLASS-CLOTH W/ADHESIVE W=18 T=0.18
N728 23960101 SILICONE RUBBER TSE-382 RTV
P107 23713756 PLUG 5P 2.5MM G B5B-EH-F1-TV4
P401 23757267
CONNECTOR B06B-DVS-L JST B06B-DVS-L (LF)
P501 23713756 PLUG 5P 2.5MM G B5B-EH-F1-TV4
P601A 23713755 PLUG 4P 2.5MM G B4B-EH-F1-TV4
P601B 23713755 PLUG 4P 2.5MM G B4B-EH-F1-TV4
P602 23713755 PLUG 4P 2.5MM G B4B-EH-F1-TV4
P662 23023116 PLUG HEAD PHONE JACK 3.5MM PJ3-14-7
P704A 23713755 PLUG 4P 2.5MM G B4B-EH-F1-TV4
P704B 23713755 PLUG 4P 2.5MM G B4B-EH-F1-TV4
zP801 #1 23372323 POWER CORD AC CORD CEE M4206-2.5M
z#2 23372333 POWER CORD THAI KP-10KW -2.5M
z#3 23372323 POWER CORD AC CORD CEE M4206-2.5M
P902A 23713759 PLUG 8P 2.5MM G B8B-EH-F1-TV4
P902B 23713759 PLUG 8P 2.5MM G B8B-EH-F1-TV4
P903A 23713757 PLUG 6P 2.5MM G B6B-EH-F1-TV4
P903B 23713757 PLUG 6P 2.5MM G B6B-EH-F1-TV4
P910 23164725 PLUG 2P
PA21A 23713757 PLUG 6P 2.5MM G B6B-EH-F1-TV4
PA21B 23713757 PLUG 6P 2.5MM G B6B-EH-F1-TV4
PB01 23713755 PLUG 4P 2.5MM G B4B-EH-F1-TV4
PV01 23023429
JACK 11P+1SV JACK (4SW)-852V2-01 NI FE LF
PV03 23023258 JACK 3P MTJ-032-39BBA-432
Q301B 23717241 SCREW BITTB3X8 ECO
Q301G 23960136 ADHESIVE SILICONE TSE3843-W
Q404B 23738136 SCREW 3X10MM
Q404G 23960136 ADHESIVE SILICONE TSE3843-W
Q460B 23717241 SCREW BITTB3X8 ECO
Q610B 23717241 SCREW BITTB3X8 ECO
Q801B 23738136 SCREW 3X10MM
Q801G 23960136 ADHESIVE SILICONE TSE3843-W
Q835B 23717241 SCREW BITTB3X8 ECO
Q844B 23717241 SCREW BITTB3X8 ECO
zS801 23344545 SWITCH POWER KDC-A20-1-8A
SA11 23344516 SWITCH TACTING TSV TYP TSVB-1
SA12 23344516 SWITCH TACTING TSV TYP TSVB-1
SA13 23344516 SWITCH TACTING TSV TYP TSVB-1
SA14 23344516 SWITCH TACTING TSV TYP TSVB-1
SA15 23344516 SWITCH TACTING TSV TYP TSVB-1
SA16 23344516 SWITCH TACTING TSV TYP TSVB-1
zSR81 23146587 RELAY DC12V 0.53W G5PA-1-M
zSR83 23146585 RELAY DC12V 2M G5PA-2 DC12
zV901A 23903174 SOCKET CRT ISH46S-EN ING
V901B 23102456 MAGNET MAG4006
W661 23351339 SPEAKER SPK 8-OHM 10W SPK-1410AL
W662 23351339 SPEAKER SPK 8-OHM 10W SPK-1410AL
XA03 23153618
CRYSTAL RESONATOR 24.576 CRYSTAL 24.5MHZ
Z891 23144415
FUSE PROTECTOR 125V 4A SMP125M04A00
Z892 23144415
FUSE PROTECTOR 125V 4A SMP125M04A00

– 25 –
SPECIFIC INFORMATIONS
Location Parts No. Description
No.
Location Parts No. Description
No.
Z894 23144415
FUSE PROTECTOR 125V 4A SMP125M04A00
PC BOARD ASSEMBLIES
*U901 23764818 PC BOARD ASSY PD2078A CRT/D
*U902 #1 23764737 PC BOARD ASSY PD2249C SIGNAL
*#2 23764846 PC BOARD ASSY PD2249R SIGNAL
*#3 23764768 PC BOARD ASSY PD2249H SIGNAL
*U903 23764738 PC BOARD ASSY PD2276  FRONT
PICTURE TUBE
zV901 23324229 PICTURE TUBE 29 PF ORION A68QFD290X
TUNER
H001 23321549 TUNER ASIA HYPER FS5V B8A86ST
ACCESSORIES
A701 23015306 CARTON BOX
K902 #1 23306623 REMOCON HAND UNIT IR CT-90229
#2 23306624 REMOCON HAND UNIT IR CT-90230
#3 23306624 REMOCON HAND UNIT IR CT-90230
Y101A #1 23566823 OWNERS MANUAL ENGLISH
#2 23566855 OWNERS MANUAL ENGLISH/THAI
#3 23566836 OWNERS MANUAL ENGLISH
Y101B #1 23566824 OWNERS MANUAL INDONESIAN
#3 23566837 OWNERS MANUAL INDONESIAN
Y120 23943846 BAG POLY
Y121 #1 23943846 BAG POLY
#3 23943846 BAG POLY
CABINET PARTS
A201 #1 23533666 COVER FRONT ASSY
#2 23533666 COVER FRONT ASSY
#3 23571086 COVER FRONT ASSY
A401 23532083 COVER BACK COVER PROPER
A423 23929522 WASHER T=1.0
A504 23738086 SCREW BTB4X16 ECO
A508 23738086 SCREW BTB4X16 ECO
A522 23738086 SCREW BTB4X16 ECO
A702A 23946119 PACKING TOP
A702B 23946120 PACKING BOTTOM
A902 23428371 DOOR FRONT
A905 23445914 BUTTON POWER
A911 23436893 HANDLE
A914 23738088 SCREW BTBW3X12 ECO
A915 23738085 SCREW BTB4X12 ECO
B202 23738088 SCREW BTBW3X12 ECO
B212 23738086 SCREW BTB4X16 ECO
B232 23738088 SCREW BTBW3X12ECO
E912 23848729 WEDGE YOKE HOLDING 3 REQUIRED

– 26 – – 27 –
SIGNAL BOARD PD2249
BOTTOM (FOIL) SIDE
23547884
51
SDA
SCL
IF
NC
32V
NC
+5V
NC
ADR
Vt
AGC
1
B
10
6
1
8
5
4
12
21
3
CAUTION LIVE AREA
C158
P107
M804A
C110
C108
LC04
L157
L103
L156
PB01
L158
D101
L112
C350
Z101
P499
SL1
PV01
LC05
C109
R107
C101
L101
H001
R110
C204
G103
L104TP15 ++
4
1
54
12
3
+
+
+
C202
LA124
R117
RA17
LA117
LA03
L501
D473
C203
LA05
RA32
LA04
C501
CA117
C450
DA120
LA110
C4703
CA06
LA14
CA119
DA118
RA16
QA15
D450
XA03
RA21
LA101
CA14
+
+
++
+
+
+
125
++
115
105
5
15
25
+
+
C833
Q835
C690
C830
RA15
C672
C660
RA14
C834
C671
C664
C848
C836
RA19
C670
C849
C663
C665
C831
Q835A
Q844A
QA17
C832
RA20
RA18
C661
+
+
+
+
+
+
+
+
M501A
P496
+
1
2
3
4
5
C328
C310
C144
Z102
GL896
RV15
CS08
RV13
R331
R305
D301
C309
L110
R322
CS07
C503
CS03
R350
CS05
Q301
CS06
L109
M502A
C335
R217
C311
Z104
R215
P704A
L102
C121
C333
C308
Z154
Z155
C312
C449
CV06
D313 CS02
C125
CS01
CV08
SL06
C323
D312
L502
R310
1
+
+
+
+
+
+
+
+
4
3
1
6
54
32
+
1
432
1
+
+
+
+
++
++
+
C363
R471
Q471
R839
Q883 D882
T862
+
C893
C884
Q826
LA01
C505
R336
L504
CS09
CA01
R363
C507
GR828
D202
C212
C464Z
R473
C129
C470
M501B
CS10
LA94
C439Z
R432
CA89
C435
D203
LA90
L503
LA88
DA111
M502B
LA96
R156
DA110
RB49
P902A
C439
C127
CA112
D470
CS11
CA94
QA10
R4760
C464
CA92
L461
D4700
D475
+
+
+
3
7
8
+
+
+
+
+
+
+
33
32
8
1
1
2
+
97
+
+
4
3
2
54
32
+
1
+
+
4
5
6
+
96
85
90
80
75
64
55
50
45
40
35
+
21"
GL601
T0.8A L/250V
A
C895
R470
R479
C472
C898
L888
C889
D883
L885
D893
L882
L886
C841
L894
C667
C885
R683
C681
R898
C891
LA93
C839
P601A
PA21B
L891
L815
L883
C684
LC02
D894
D841
Z892
R838
Q610A
L892
C897
Q844
D891
C890
C842
C894
D892
C843
C838
C837
C682
D885
L889
C683
C896
C892
GL893
R621
D684
LC01
C899
F470
Q610
Z891 +
B+
+
++
T1A L/250V
25"/29"
+
+
1
2
3
4
+
+
+
OUT
IN
+
+
+
GL895
RB04
LC03
SA04
RS61
GL808
RS62
RB06 R681
P661
Z894
SA05 SA06
PV02
CB07
RB05
+
1
2
P498
R227
C322
D302
C445Z
C402
Q404
R439
T461
D408
G404
C303
R438
C448
R462
R460
R403
R327
D406
C498
D441
D303
C445
G403
C220
D467
R475
C460
C447
C473
R216
L301
R218
R462Z
R303
R448
Q460
C313
P903A
+
6
7
D
S
+
1
2
3
4
5
8
9
10
+
G
R830
R830Z
G405
R429
G402
C467Z
C467
Q801
L811
Q803
C413
R834
C463
R826
C442
L442
D814
R416 D445
C417
C442Z
G461
C440
D813
D818
C442Y
C443
R817
R441
D816
T401Z
C815
Q802
C416
R899
R831
D809
D444
R805
D812
D476
C817
T401
C820
R415
GL888
D443
R474
R825
C809
D805
L441Z
Q402
D461
P401
R832
R818
R829
GL828
C821
D815 D817
D442
R820
C811
Q801A
R428
L441
C444
+
+
B
A
+
T801
G109
G106
R801
C801Z
C801
T802
D808
L806
D801
P801
G105
F801
C810Z
G108
C802Z
R808
C810
C805
D807
C802
P910
F802
R810
C806
R814
C814
D845
G107
SR83
R812
P802
S801
SR81
M804B
L805
C812
G104
R811
R813
+
T4A L/250V
T3.15A L/250V
P497
KB01
DB01
SA03
CB01
RB03
C808
Q805
C813
DB02
SA01
RB01
DB02A
RB02
SA02
R106C103
C111
GJ14
D104
GJ04
R329 C4717
C105
C106
C102
R482
C104
C157
R484
R113
C159
GJ03
GJ401
C156
R115
R101
GJ07
R102
C327
R328
C497
D103
C432
R124
Q101
C499
R108
CC01
R103
Q108
C114
C107
R498
Q461
R4717
R4720
GJ17
GJ02
R112
R104
Q107
GJ05
R426
R105
R109
R119
R126
R125
R118
R111
R152
GJ01
JR005
JR013
JR016
C205
CA108
RA34
CA124
R412
R320
C401
RA30
C329
RA35
R325
R413
CA03
QA14
R453
RA105
CA04
CA116
C4712
C475
RA109
R4200 C120
R425
CA31
R201
R451
R116
CA120
RA106 RA108
R450
CA05
CA109
R452
C116
R4716
C201
CC20
Q451
CA118
CA30
R401
Q472
R481
Q450
RA31
R4718
D4703
CA110
Q473
R424
QA16
R461
C502
R318
JR007
JR004
JR003
JR001
RJ03
D672
R673
Q671
Q614
DA121 C666
C662
R671
Q670
D670
R672
R674
R660
Q672
R666
R675
R661 D673
R618
D674
R662
R617
GJ808
Q613
D671
CC09
RV18
LC20
CV07
RV17
R665
R664
C141
CC04
RV01
LC07
R324
GJ06
LC09
CV01
C331
R141
RC05
RJ02
RJ01
R346
RS36
RC02
QS03
C131
C145
C142
R347
RS04
CC03
RS13
RV04
RV08
Q320
QS04
QS02
LC06
RV02
RC03
RS09
CC06
R348
CC07
LC13
LC11
D501
RS27
D311
CC05
C130
RV10
CV02
CS14
D310
RS19
RV05
C504
RS01
CV22
CS13
RV07
R501
RV09
RS10
RS12
LC10
RS16
LC08
CV09
RV22
Q102
RS18
RS14
GJ811
QS01
CV03
RS24
CV21
C336
RS05
R121
LC17
RS20
QV02
R140
LC12
R142
RS15
RV21
RV06
R354
LC16
RS11
RS35
R314
LC15
R123
RV11
RS06
CV05
R323
RS02
RS17
RC04
RS03
CS15
C321
QS05
RC01
CV04
RV16
RS23
D502
RV03
RC06
C140
CV12
RS21
RS25
LC14
CC02
CS04
RS26
R321
CS12
C315
JR014
JR002
C888
R836
R437
R214
R702
RB09
CA97
RA36
C506
C122
RS29
R701
R122
CS22
CA88
QB04
C126
C128
R4703
R4712
R703
CV18
RS28
RV19
R503
CA98
DA119
R504
R705
R505
R440
CV14
RB08
RS30
RA33
CV20
CV15
RA98
C124
R219
CA99
CS19
C211
CS23
CS18
QA51
R435
C511
C512
CA95
CV11
Q210
CV13
C219
R4770
R431
RS32
C508
CA91
RS31
RS33
CV19
Q701
CS16
RA99
R212
Q401
R409
CS20
C123
CV16
CS17
R502
CA90
D4701
CA101
CA96
C510
C430
CA93
R837
CV10
C206
R848
C509
CV17
CS21
RS34
R704
JR009
JR018
JR019
JR011
JR006
JR008
Q831
R843
D683
Q842
R840
Q841
D682
R620
R687
R842
D681
CC14
Q615
JR017
JR010
RC08
CC30
CC31
R686
LC19
CC32
C687
CC08
D680
RS08
CC33
C686
RS07
LC18 RC07
R228
R463
C4702
C824
C823
R4702
R833
R4701
C818
C4701
R420
D420
R847
R4704
R419
C4700
R846
R841
QB02
RB10
RB15
RB12
RB11
RB13
QB01
RB14

– 28 – – 29 –
23547775
IBL BGR
62
1
45378
H
BE
E
B
B
E
+
+
+
+
MCL-437F
32
KG
1
12
34
56
KB
KR
H
+
B
B
E
B
E
3
2
1
E
B
+
E
B
+
+
+
+
E
2341
R910
R906
R911
R908
C931
D919
D918
R912
R913
R909 R904
P902B
D920
R905
D902
D903
A
BOUT
GOUT
ROUT
+200V
I BLACK
BIN
RIN
GIN
GND
R992
R702
Q707
Q773
R760
Q720
R716
R725
R713
R775
Q706
R723
C712
C704
R722
R721
R717
C722
C705
R724
R715
D914
R938
C902
R907
R939
D912
C910
Q901
P903B
D917
C903
P900
C912
D915
C930
V901B
Q901A
Q908
Q909
R902
D913
D916
D911
R901
C911
C901
C904
R936
D901
R937
V901A
R903
P905
A
L705
Q711
R731
C719
R732
R730
R745 L702
C717
Q719
D715
Q711A
P703
R709
R744
R735
C726
P704B
R733
C715
R920
R720
C718
C721
D721
R740
R742
R738
C714
Q712
R920Z
G714
R743
R719
Q712A
L704
C716
D705
R734
C707
D720
R736
Q710
Q709
C713
D704
R739
C720
R741
R737
CRT-D BOARD PD2078
BOTTOM (FOIL) SIDE
FRONT BOARD PD2276
BOTTOM (FOIL) SIDE
23547893
B
C
E
ECB
CH UP
34
21
564321
MENU VIDEO VOL DN VOL UP CH DN
MCL-437F
12345
1234
RB31
QB21
QB22
RB32
RB33
SA11
RB35
RB30
RB34
DB21
RB22
CB21
KB21
+
CC34
P602
CC35
RS63
CC36
CC37
RB24
PA21A
RB21
SA13SA16 SA12
RB25
SA15
RB26 RB23
SA14
LC04
LC06
LC05
LC25
RC18
RS40
RC17
RS41
RV26
PV03
P501
CC17
CC18
LC26
RV25
CV25
LC27
P601B
RS64
P662

SPECIFIC INFORMATIONS
– 30 –
ECB
B
C
E
BCE
BCE
ECB
ECB
B
C
E
B
C
E
TERMINAL VIEW OF TRANSISTORS
12SD2253
       (old)
2SC5243
2SC5859
22SA1186A
2SA1306
2SA1788
2SA1837
2SA1930
2SC1569
2SC3852
2SC4544
2SC4793
2SC5171
2SD1763A
2SD2396
32SA1020
2SC2482
2SC2655
2SC4721P
2SC5343
2SC5344
2SC752GTM
42SA1015
2SA1320(F)
2SA2980
2SA562TM
2SA9335
2SC1740S
2SC1815
2SC2120
2SC2878
2SC752
KTA1266
KTC3198
62SA1788
6KRC105M
RN1201
RN1202
RN1203
RN1204
RN1205
RN2201
RN2203
RN2204
72SD1554
2SD1556
2SD2253
2SD2396
2SD2553
2SD5143
8ON4409

SPECIFIC INFORMATIONS
– 31 –
SPECIFIC INFORMATIONS
SCHEMATIC  DIAGRAM
MODEL : 29CZ5DE/29CZ5T/29CZ6SI
WARNING: BEFORE SERVICING THIS CHASSIS, READ THE “X-RAY radiation precaution”, “SAFETY PRECAUSTION”
and “PRODUCT SAFETY NOTICE” ON THE MANUAL FOR THIS MODEL.
CAUTION: The international hazard symbols “” in the schematic diagram and the parts list designate components
which have special characteristics important for safety and should be replaced only with types identical to those in the
original circuit or specified in the parts list. The mounting position of replacements is to be identical with originals.
Before replacing any of these components, read carefully the PRODUCT SAFETY NOTICE on the MANUAL for this
model. Do not degrade the safety of the receiver through improper servicing.
NOTE:
1. RESISTOR Resistance is shown in ohm [K = 1.000, M = 1.000.000]. All resistors are 1/6W and 5% tolerance carbon
resistor, unless otherwise noted as the following marks.
1/2R = Metal or Metal oxide of 1/2 watt 1/2S = Carbon compsistion of 1/2 watt
1RF = Fuse resistor of 1 watt 10W = Cement of 10 watt
K = ±10%     G = ±2%     F = ±1%
2. CAPACITOR Unless otherwise noted in schematic, all capacitor values less than 1 are expressed in µF, and the values
more than 1 in pF.
All capacitors are ceramic 50V, unless otherwise noted as the following marks.
+
Electolytic capacitor
M
Mylar capacitor
3. The parts indicated with “”  have special characteristics, and should be replaced with identical parts only.
4. Voltages read with DIGITAL MULTI-METER from point indicated to chassing ground, using a color bar signal with all
controls at normal, line voltage at 220 volts.
5. Waveforms are taken receiving color bar signal with enough sensitivity.
6. Voltage reading shown are nominal values and may vary ±20% except H.V.
LSCHEMATIC DIAGRAM STRUCTURE:
– MAIN Circuit – SIGNAL/MICON [SHEET-1/6] ......................................... 1/8
– VERT [SHEET-2/6] ................................................. 2/8
– HORIZONTAL [SHEET-3/6] ................................................. 3/8
– PROTECTER [SHEET-4/6] .................................................4/8
– LOW B REG [SHEET-5/6] ................................................. 5/8
– POWER [SHEET-6/6] ................................................. 6/8
– CRT DRIVE Circuit ..................................................................................................................................................7/8
– FRONT Circuit ..................................................................................................................................................8/8

SPECIFIC INFORMATIONS
– 32 –
CIRCUIT BLOCK DIAGRAM
+-
L
R
W661
W662
JACK
HEADPHONE
Q610
AUDIO OUT
SIF
SAW FILTER
Z101,Z102H001
 TUNER
VIF
Q801
QA10
MEMORY
HYBRID
D801
Q404
H. OUT
Vdrb
Vguard
Vdra
Q301
Q901
BLACK
V. OUT
RGB OUT
D.Y.
Q835
REGULATOR
V
CRT
H
H.V.
F.B.T
Q883
ERROR AMP.
UOC3
QA51
TV ONE CHIP IC
Q826
CONVERTER TRANS.
+B VOLTAGE
Q844, Q831
REGULATOR
T862
L
C
R
R
C
V
R
L
B
R
L
V
V
R
V
L
(
(2)
(1)
(3)
AV IN
AV IN
OUTPUT
MONITOR
AV IN
Y
C
DPC
Q460

– 33 –
– END –
MODEL
Rated voltage
Power consumption
(at 
g 
220 V, 50 Hz)
Dimensions
(Width × Depth × Height)
Mass
Picture tube
Channel
coverage
Special RF
signal
Television system
(Aerial input)
Color system Sound system
NTSC4.43 5.5/6.0/6.5 MHz
PAL 60Hz 5.5/6.0/6.5 MHz
UHF
21 – 69
21 – 69
13 – 57
21 – 69
21 – 69
14 – 69
13 – 62
CATV (Channels)
X ~ Z+2, S1 ~ S41
    —
Z–1 ~ Z–38
X ~ Z+2, S1 ~ S41
X1 ~ X19
A–6 ~ A–1, A ~ W, AA ~ ZZ, AAA, BBB
M1 ~ M10, S1 ~ S41
CCIR
UK
CHINA
CCIR
OIRT
US
JAPAN
PAL50 / PAL60 / SECAM / NTSC4.43 / NTSC3.58
10 W + 10 W  (10 % THD)
6 × 12 cm (2)
Input [a(1)] : S-Video/Video, Audio L/MONO, Audio R
Input [a(2)/DVD] : Video/Y, PB/CB, PR/CR, Audio L/MONO, Audio R
Input [a(3)] : Video, Audio L/MONO, Audio R
Output [>(MONITOR)] : Video, Audio L/MONO, Audio R
Headphone output : ø 3.5mm (mini jack stereo type)
VHF
2 – 12
—
1 – 12
2 – 12
1 – 12
2 – 13
1 – 12
System
PAL B/G
PAL I
PAL D/K
SECAM B/G
SECAM D/K
NTSC M
NTSC M
29CZ5DE/29CZ5T/29CZ6SI
g 110 V – 240 V, 50/60 Hz
123 W
782.1 (W) × 492.5 (D) × 585.1 (H) mm
44 kg
Type 29 Flat square picture tube
(727.4 mm) Overall picture tube measured diagonally
(676.0 mm) Viewable picture tube measured diagonally
104° deflection
Channel
Color system (Video input)
Sound output
Speaker
Terminals
SPECIFICATIONS
* The shaded areas are not available for 29CZ5T.
Please refer to owner’s manual in details.

– 34 –

SPECIFIC INFORMATIONS
– 31 –
SPECIFIC INFORMATIONS
SCHEMATIC  DIAGRAM
MODEL : 29CZ5DE/29CZ5T/29CZ6SI
WARNING: BEFORE SERVICING THIS CHASSIS, READ THE “X-RAY radiation precaution”, “SAFETY PRECAUSTION”
and “PRODUCT SAFETY NOTICE” ON THE MANUAL FOR THIS MODEL.
CAUTION: The international hazard symbols “” in the schematic diagram and the parts list designate components
which have special characteristics important for safety and should be replaced only with types identical to those in the
original circuit or specified in the parts list. The mounting position of replacements is to be identical with originals.
Before replacing any of these components, read carefully the PRODUCT SAFETY NOTICE on the MANUAL for this
model. Do not degrade the safety of the receiver through improper servicing.
NOTE:
1. RESISTOR Resistance is shown in ohm [K = 1.000, M = 1.000.000]. All resistors are 1/6W and 5% tolerance carbon
resistor, unless otherwise noted as the following marks.
1/2R = Metal or Metal oxide of 1/2 watt 1/2S = Carbon compsistion of 1/2 watt
1RF = Fuse resistor of 1 watt 10W = Cement of 10 watt
K = ±10%     G = ±2%     F = ±1%
2. CAPACITOR Unless otherwise noted in schematic, all capacitor values less than 1 are expressed in µF, and the values
more than 1 in pF.
All capacitors are ceramic 50V, unless otherwise noted as the following marks.
+
Electolytic capacitor
M
Mylar capacitor
3. The parts indicated with “”  have special characteristics, and should be replaced with identical parts only.
4. Voltages read with DIGITAL MULTI-METER from point indicated to chassing ground, using a color bar signal with all
controls at normal, line voltage at 220 volts.
5. Waveforms are taken receiving color bar signal with enough sensitivity.
6. Voltage reading shown are nominal values and may vary ±20% except H.V.
LSCHEMATIC DIAGRAM STRUCTURE:
– MAIN Circuit – SIGNAL/MICON [SHEET-1/6] ......................................... 1/8
– VERT [SHEET-2/6] ................................................. 2/8
– HORIZONTAL [SHEET-3/6] ................................................. 3/8
– PROTECTER [SHEET-4/6] .................................................4/8
– LOW B REG [SHEET-5/6] ................................................. 5/8
– POWER [SHEET-6/6] ................................................. 6/8
– CRT DRIVE Circuit ..................................................................................................................................................7/8
– FRONT Circuit ..................................................................................................................................................8/8

SPECIFIC INFORMATIONS
– 32 –
CIRCUIT BLOCK DIAGRAM
+-
L
R
W661
W662
JACK
HEADPHONE
Q610
AUDIO OUT
SIF
SAW FILTER
Z101,Z102H001
 TUNER
VIF
Q801
QA10
MEMORY
HYBRID
D801
Q404
H. OUT
Vdrb
Vguard
Vdra
Q301
Q901
BLACK
V. OUT
RGB OUT
D.Y.
Q835
REGULATOR
V
CRT
H
H.V.
F.B.T
Q883
ERROR AMP.
UOC3
QA51
TV ONE CHIP IC
Q826
CONVERTER TRANS.
+B VOLTAGE
Q844, Q831
REGULATOR
T862
L
C
R
R
C
V
R
L
B
R
L
V
V
R
V
L
(
(2)
(1)
(3)
AV IN
AV IN
OUTPUT
MONITOR
AV IN
Y
C
DPC
Q460

A
B
C
D
E
F
G
H
I
J
L
K
L
K
J
I
H
G
F
E
D
C
B
A
1161514
1312
1110
9
8
7
6
5
432
1615
1234 5 6789 10 11 12 13 14
PIC-TB19
5V1
5V-1
9V
3.3V-2
SAW_SW
DEG
1.8V-2
1.8V-2
3.3V-1
1.8V-1
1.8V-1
1.8V-1
IF
AGC
SCL
SDA
KETSU
SHORT
SHORT
23221141
23221139
(RA)
(RB)
TRF9240AC
TRF9240AH
RC17 ~ RC18 (FRONT)
(MAIN)
10nF
LC04 ~ LC06
CC36 ~ CC37
RC01 ~ RC06
RUSSIA MODEL
1k
OTHER MODEL
NOT USED
USED
PRE AMP
SHORT
KETSU
GJ17
47pF
KETSU
10nFKETSU
(RC)
(RA)
(RB)
KETSU
Q107 ~ Q108
C140
DTC114EUA
SRC1202U
KRC402
C141
1k
2.2k
100R
R141 KETSU
R123
R142
KETSU
KETSU
KETSU KETSU
KETSU 100R
C130
R140
KETSU (RA)
KETSU
(RC)
(RB)
Q102
Z104
KETSU
KETSU
10uH
12uH
L109
L110
2SC4116Y
2SC4081T
EFCS5R74Y5ST
KTC4075Y
C142 10nFKETSU
C145
C144 10uF
100nF
KETSU
KETSU
KETSU
KETSU
(RB)
3KR111
(RA)D103
MA77
KDS114
THAI
MULTI BILINGUAL
LOCATION
10K
15K
10K
3.3K
100R
R117
R112
R110
R113
R118
KETSU
KETSU
KETSU
KETSU
KETSU
KETSU
KETSU
(R1)AV STEREO TSF6380Y
K6284K K9351K(RB)(RB)
KETSU SHORT KETSU KETSU SHORT
KETSUKETSU SHORT KETSUSHORT
*M*, *R*
MODEL
MONO BILINGUAL
15p
KETSU
CC20
K2964M
OTHER MODELS KETSU
KETSU SHORT
KETSU SHORT KETSU
KETSUKETSU SHORT KETSUKETSU
(R2) K6269K
F816K(R3) KETSU
KETSU
KETSU
KETSU
SHORT
(RA)
NICAM SHORT10nF
GJ03C104
SHORTKETSU
GJ05GJ04
(RA)
Z101
BSF6284 BSF9351
Z102 GJ06
KETSU KETSU
GJ07
23103302(RB)
(RA) 23103308G106 ~ G109 KETSUTEM2011AO
TEM2011AH
KETSU
23248386(RB)
RUSSIA MODEL
(RA) 23248423
TLN3481AA
OTHER MODEL
KETSU
TLN3481AC
23248417(RB) TLN3481AH
LOCATION
G104 ~ G105
[21CZ6~8 MODELS]POWER (MAIN BOARD)
SHORTGJ32 ~ GJ43
[29CZ5 MODELS]
[21CZ6~8 MODELS]
LOCATION
ENV59DA7G3
OTHER MODELLOCATION RUSSIA MODEL VIETNAM MODEL
ENV59DA7G3 23321549(R1)H001 23321514 23321514115B8A86ST
100R
SHORT
(RA)
(RB)
LC01 ~ LC03
(RB)
(RA)
(RA)
(RB)
1k
G103
LC04
LC05
RC01 ~ RC08
LOCATION
CC32 ~ CC33 KETSU
SHORT
10nF
TRF9240AC23221141
23221139 TRF9240AH
RUSSIA MODEL
23103279
23103249
23103894
23103248
(R1)
SHORT
(R3)
(R2)
(R2)
(R3)
TEM2011AA
TEM2014AO
TEM2011AO
TEM2014AA
SHORT
OTHER MODEL
23321534
23321545
100R
100R
SHORT
TAEM-G107D
ENV59K11G3F
12V_FBT
*
Connected To pin9 Audio GND
*
*
*
(This Ground is connected to UOCIII Pin 81)
29CZ5/6
21CZ6/7/8
21CZ7 ONLY
21CZ6/8
1
2
3
4
6543 12
KEY
GND
3.3V-1
LED
REMOTE
5V-1
21CZ8 (4 SPKS - 4ohms)
 21CZ6/7 (2 SPKS - 8ohms)
+
-
BOTTOM LEFT
+
M604
+
-
M602
TOP LEFT
-
M603
BOTTOM RIGHT
TOP RIGHT
M601
+
-
RIGHT LEFT
-
M602
++
-
M601
(ABL)
EHT
2
4
3
1
*
4
3
2
1
KEY
CH UP MENUVOL DNCH DN VOL UP VIDEO
NC
4
SDA
5
SCL
13
5V1
2
GND
9V
*
*
*
*
*
*
*
*
*
4321
Speaker Mute
Line Out Mute
9V
27V
Audio GND
E3
E1 S-VIDEO
MONITOR OUT
E1
E2 DVD
E2
*
*
*
*
*
*
*
2
5V-2
1534
*
5V-2
E2-CVBS 0V
E2-DVD
DVD IN Detect
5V
5V-2
E2-DVD IN
5V-2
Video Monitor OUT
E1 IN
Audio
Monitor OUT
E3 INE2 IN
8V
L Monitor-OUT
R Monitor-OUT
*
RFAGC
SCL1
3.3V-1
SDA1 SDA1
SCL1
5V2
1.8V-2
3.3V-1
5V2
32V
SDA1
3.3Vstb
4
GND
SCL1
5V
32V
*
FROM FRONT BOARD
*
*
231
1.8V-2
GREENRED
5V-2
24.576MHz
IF 
M: HIGH
3.3V-1
9V
*
Speaker Mute
S-Video IN Detect
1.8V-2
0V
5V
E1=S-Video
E1=CVBS
SAW_SW /
HM
L
BG/I/DK
RAGC Read In /
Line Out Mute
System Select
*
L
R
*
V-Out
*
R-Out
CR
CB
V / Y
L-Out
*
*
*
*
R
Y
C
*
V
L
GND
23477609 HEAT SINK
STD BY
R OUT
Connected To pin4 GND
VCC
*
**
*
L IN
GND
RIGHT
3
4VIDEO GND
R IN
SSIF
4
VIDEO GND
VIDEO 5
9V
THAI BILINGUAL
1LEFT
2AUDIO GND
LEFT
AUDIO GND
RIGHT
1
3
2
5V2
5V-2
9V
MUTE
L OUT
RF
VIDEO
5
NC
L Monitor-OUTL Monitor-OUT
R Monitor-OUTR Monitor-OUT
NC
*
*
*
*
R
V
L
2
5
3
4
8
6
7
BOUT
ROUT
GOUT
I-BLACK
GND
SVM
L/R PHONO JACK
GND
1
29CZ5/6 21CZ6/7/8
21CZ6/7/8
*
*
270
RS61~ RS62
HEAD PHONE JACKP661
LOCATION
GJ21 ~ GJ22 SHORT
KETSU
KETSU
21CZ6/7/8
KETSU
29CZ5/6
*
*
*
A
A
A
A
A
23205354L
23205005L
23205204L
NEW
W
2
1
NEW
W
2
1
NEW
W
2
1
NEW
W
2
1
NEW
W662
2
1
NEW
W661
2
1
1
Q610B
6-C8
2-A1,4-A2,6-C8
3-D3,5-A2
2-A1
5-B2
5-A2
4-B1
2-A1
3-A3
3-B3,6-B8
3-C3
2-A1
4-A1
3-A3
2-A1,3-A3,5-A2
2-A1,3-D3,6-C8
6-A8
6-E8
5-B2
12V_FBT
12V_FBT
6V
EW
GND_AUDIO
27V
9V
VGUARD
3.3V-1
3.3V-2
32V
VDR_A
FBP
6V
HDRIVE
VDR_B
PROTECT
EHT_INFO
5V2
GND
DEG
POWER
5V1
+
+
+
+
+
++
+
+
+
+
+
+
M
+
+
+
+
+
+
+
+
+
+
+
++
++++
+
++
+
++
+
+
M
+
+
+
+
+
+
+
M
+
+
++
+
+
M
+
+
+
+
47pF
KETSU
SHORT
1/6P1k
6.3V470
PIN
KDS160-RTK/P
25V220
1k
SHORT
KETSU
10V470
10V470
10V470
TEM2011AW
RM73B1HR00OD
1/6P2.2k
1/6P2.2k
35V1000
35V1000
16V47
16V10u
33u
16V10u
0.01
10u  1k
50V 1uF
1/8W1k
MTZJ5.1C
82K
1K
KTC4075Y-RTK
KTC4075Y-RTK
50V 1uF
27K
1P
1/6P39
KTC4075Y-RTK
5.6K
470
SHORT
16V 22UF
4.7k
KETSU
4.7k
RMT SENSER
HOLDER
TLSG116
1M
B1000p
1k
B 6B-EH-A
100
KETSU
100K
KDS160-RTK/P
KETSU
10k
SHORT
KTC2875B-RTK
0.01
RN2404
1SS3551SS355
1/6P4.7k
10u 
50V0.22u
SHORT
25V10
25V0.022
25V10
0.01
0.1uF
B1000p
KETSU
0.01uF
1.8K
330K
0.001uF
KETSU
KETSU
1SS133
UDZS TE-17 5.6B
470
KETSU
0.01u
100
100p
75
SHORT
100
100p 75
SHORT
KTC4075Y-RTK
75
1000p
75 47K
1000p
1M
RM73B1H470JD
KETSU
1SS133
2SA1162-Y
KETSU
100
B25V0.01
KETSU
KETSU
KETSU
B1000p
B1000p
SHORT
1/6P180
1/6P150
1/6P1.2k 1/6P470
1/6P240
1/6P330
5B-EH-A
B 4B-EH-A
0.01
10K
75
1/6P15k
1/6P10k
1/6P4.7k
DTC114EUA
100
KETSU
25V0.1
1/6W-100ohm
2SA1037AKT
KETSU
25V47
100
6.8K
6.8K
100
50V0.001
100
50V0.001
12k
47pF
50V4.7
2SC4116-Y
16V470
35V1000
0.22uF
10u 
10u 
10V100
10u 
0.22uF
10V100
1K
2SC2712Y
100
12K
M501
100
15K
10u 
25V0.1
25V0.1
25V0.1
0.22uF
10u 
25V0.1
10V100
0.1uF
0.22uF
10u 
1K
1SS355-TE17
10k
560p
100k
KTA2014Y
10u 
0.22uF
10u 
100
10u 
UOC3 WITH SOKET
B25V0.01
6.8k
2SA1013-R
1k
0.22uF
10u 
3.3k
B25V0.01 B25V0.01
3k
0.22uH
10k
33
750
10u 
2SC2712Y
0.22uF
0.22uF
1/6P15k
0.22uF
15k
10u 
100
15k
25V0.01
MTZJ2.0A
SHORT
1/6P10
1/6P10
1/6P47k
50V10u 25V0.1
68p
KETSU
SHORT
68p
100
56k
680
MTZJ5.6A
MTZJ5.6A
0.1uF
50V2.2
25V0.1
50V220
25V10
1.2
25V0.1
10u 
25V0.1
50V0.47u
25V0.01
50V0.47u
25V0.1
50V0.47u
25V0.1
50V0.47u
16V10u
KETSU 10K
10u 
100
100
50V0.47u
25V0.1
50V0.47u
220
100
10K
10K
10K
10K 10K
10K
10K
10K
10K
10K
10K
10K
25V0.1
0.01u
16V10u
25V0.1
10u 
5.74M 2.2k
390
100
50V2.2u
50V2.2u
47pF
100
100p
47pF
100p
47pF
100p
47pF
B3300p
25V0.1
25V0.1
50V10u
100
KETSU
OPEN
100p
47pF
47pF
47pF
47pF
100p
25V1.5u
6800p
12k
50V0.15u
27K
1M
220K
47K
47pF
47pF
100
25V0.001
39K 2%
25V0.1
2SA1162-Y
16V1uF
KTC4075Y-RTK
4.7k
25V0.1
10u 
10.000M
0.1uF
10V100
12p
51p
DTC114EUA
1/6P10
1/6P10
1/6P47k
2SA1013-R
2SC3357
TCF1120AM
2SC2712Y
0.22uF
1.0
330
1.0
3333
10u 
B25V0.01
TCF1107
2.7k
MA77
100
100
KETSU
820
100
47220
0.1uF
2SA1162-Y
16V47
220
10k
270
22K
2SC2712Y
68p
68p
4.7k
4.7k
2SC2712Y
1k
3.3k
B1000p
RD33
50V10
B25V0.01
50V220
PLUG 4P
50V220
TLN3278GH
3.3k
3.3k
1000p
4P JACK
SHORT
SHORT
SHORT
75
SHORT
100
2SC3326B
1000p
47K
SHORT
100p
1000p
47K
SHORT
RN2404
KETSU
KETSU
OPEN
OPEN
KETSU
KETSU
SHORT
1/2R270
1/2R270
2SC3326B
MTJ-032-39BBA-432 NILF
2.2K
KTC4075Y-RTK
16V10
KTC2875B-RTK
KTC2875B-RTK
50V1.0
KETSU
KETSU
2.2k
10k
100k 16V47
Open
10k
1SS355
1SS355
1SS355
1SS355
KETSU
2.7k
50V2.2
AN5277
OPEN
10K
M501
10K
50V100
50V1.0
100K
10K
50V0.47
KETSU
2.7k
KETSU
2.2k
1SS355
1/6P10k
1SS355
1SS355
SHORT
50V2.2
1SS355
25V0.01
50V0.1
2.2 2.2
50V0.1
1K
KTC2875B-RTK
SHORT
100K
100K
PLUG 8P
2.2K
560
OPEN
16V22
16V10
100
22p
1000p100p
SHORT
100
SHORT
SHORT
SHORT
SHORT
SHORT
47K
1000p
SHORT
1000p
1k
100
100p
22p22p
SHORT
10V470
SHORT
47K
1k
75
100
SHORT
1000p
SHORT
47K
100p
SHORT
1000p
100
1K
SHORT
SHORT
CS14
L109
C140
RB49
C501
TP15
TLA0119
TLA0118
TLA0117
D4703
C4703
R413
GJ47
GJ48
TLC0193
C129
C505
C507
CC20
GL601
GJ811
R683
R681
C681
C683
C684
CB07
TLC0278
LA01
CA01
CA97
GJ17
C105
Z101
LA14
R318
C212
R452
D450
R451
R453
Q451
Q450
C450
R450
M804A
TLA0115TLA0114TLA0112
TLA0111 TLA0110 TLA0109 TLA0108
R107
Q401
R435
R440
R437
C435
GJ02
C111
GJ01
KB01
Q610A
DB02A
DB02
DB01
R4720
C4717
RB15
PA21B
GJ22
GJ21
R4200
C120
R424
DA121
C497
R425
GJ401
QS03
CS04
QS05
D502
D501
RA21
L501
C203
R119
C204
C205
CA14
C475
C502
C401
R461 C4712
R212
R214
C219
R481
C499
DA120
DA119
R121
C130
C142
M502A
RV08
CV04
RV07
LC13
RV10
CV05 RV09
LC14
TLC0233
QS01
RV11
CC05
RV05
RS03
CC04
M502B
R401
RB10
D203
D202
Q210
R482
R426
C131
Q461
R484
R498
C666
C662
D684
SA03
RB03
SA01 SA02
RB02RB01
TLC09 TLC10
SA04
RB06RB04 RB05
TLC11
SA06SA05
P107
P601A
CA120
TLC0348TLC0347
TLC0346
TLC0345
TLC0343
TLC0340
TLC0339
TLC0338
TLC0337
TLC0336
TLC0335
TLC0334
TLC0333
TLC0332
TLC0349
TLC0330
TLC0329
TLC0328
TLC0326
TLC0325
TLC0324
TLC0323
TLC0322
TLC0321
TLC0320
TLC0319
TLC0318
TLC0312
TLC0314
TLC0311
TLC0302
TLC0301
TLC0300
TLC0299
TLC0298
TLC0297
TLC0295
TLC0294
TLC0293TLC0291
TLC0290
TLC0289
TLC0313
TLC0286
TLC0285
TLC0283 TLC0282TLC0281TLC0280
TLC0279
TLC0275
TLC0274
TLC0273
TLC0272
TLC0271
TLC0185
TLC0184
TLC0183TLC0182TLC0181 TLC0189TLC0188
TLC0187TLC0186
R620
TLC0270
TLC0269
TLC0268
TLC0267
TLC0266
TLC0265
TLC0264
TLC0262
TLC0261TLC0260
TLC0259
TLC0258
TLC0257TLC0256
TLC0255 TLC0254
TLC0250
TLC0249
RV03
TLC0248
TLC0246
TLC0245
TLC0244 TLC0243 TLC0242
TLC0241
TLC0238
TLC0237
TLC0236
TLC0235
TLC0234
TLC0232
TLC0231
TLC0230
TLC0228
TLC0226
TLC0225
TLC0223
TLC0222
R117
R110
RA17
Q108
R118
GJ14
CA30
RV15
QV02
RV13
CV08
RV16
G103
C104
L112
R329
R328
R325
C327
R320
C329
Z102
GJ05
GJ06
GJ03
GJ07
GJ04
R124
CS15
C101
TLA0054
Q102
C671
C682
CA96
LA96
L504
CA92
LA93
CA88
CA89
R702
Q701
R431
R409
M501B
RA36
RA33
L503
C506
C206
C508
CA90
LA88
C211
CA94
CA95
CA93
LA90
R502
D674
R674
C509
R675
Q670
LA94
CA110
LA110
RA35
LA101
QA51
C103
R102
QA15
R109
CA124
LA124
R113
C102
C114
R111
L101
R112
R106
R105
LA03
QA14
CA03
CA101
RA32
CA116
RA34
RA106
LA117
RA105
RA31
RA30
C116
DA118
L158
RA15
RA14
RA16
C158 C159
CA108
D104
R115
CA109
R116
R125
R126
DA111
DA110
CA118
CA119
CA31
CA117
CA112
L103
CV14
L102
C128
CS07
CV12
CS09
CV10
CS08
CV09
CS06
C503
R123 R501
L502
RS33
RS34
CS10
CV11
CS11
R142
R140
RS21
RS23
RS24
RS20
RS27
RS26
RS25
RS32
RS29
RS31
RS28
RS30
C504
C141
C144
C145
L110
Z104 R141
R122
R701
C125
C127
CS16
RV19
CV16
CS18
CV18
CS19
CV17
CS17
C123
C124
C122
C121
RS36
C126
R703
CV20
CS23
CS22
CS20
CS21
CV19
C202
C201
R201
C350
R4718
R4717
R219
R4716
CS13
CS12
RS35
C432
R350
TLC0213
TLC0216
TLC0214
CV13
Q473
C430
Q472
R412
CV15
LA05
XA03
CA05
CA06
C156
C157
Q107
RA20
RA19
RA18
QA17
Q101
Z155
QA16
CA04
L157
R152
L156
R104R101
LA04
C106
Z154
R103
D103
R504
R505
D473
R108
R503
R704
TLC0215
R705
CA91
QB02
CB01
RB13
RB11
RB12
RB14
QB01
QA10
TLC0218
TLC0217
CA99
CA98
RA99
RA98
TLC0219
QB04
RB08
TLA0099
RB09
H001
LC05
TLA0053
C107
SL1
D101
C108
CC01
C110
LC04
PB01
TLA0004
TLA0006
TLA0013TLA0011TLA0002
C109
L104
RA108
RA109
CC07
PV01
LC17
RC06
RC08
RV17
RC07
RV18
Q614
CC09
RS08
LC19
CV07
CC08
RS07
LC18
Q613 R618
R617
CC31
CC30
P661
TLA0069
TLA0068
LC01
CC33
CC32
LC02
LC03
RS62
RS61
Q615
PV02
TLC0179
TLA0104
TLA0105
TLA0107
TLC0221
RS13
QS02
CS02
Q671
Q672
C664
C665
R665
R664
R672
R673 C672
RJ03
R671
D672
D671
D673
D670
C670
R666
TLC0033
C663
Q610
RJ02
RS16
M501A
RS17
TLC0024 TLC0028
C690
TLC0209
TLC0208
TLC0211
TLC0212
TLC0210
C660
RS18
RS19
CS05
R661
R662
C661
R660
TLC0020
D681
R621
D683
D680
GJ13
C667
D682
CC14
C686
R686 R687
C687
RS06
QS04
LC20
RS14
RS15
P902A
TLC0195
TLA0098
RS12
RS09
RJ01
CS03
CS01
RS10
C512
CC03
CV02
LC09 RV04 LC08
LC12
LC10
RC01
LC07
RS01
CC02
LC06
CV22
RV22 RV06
CV03
C511C510
LC15
CV06
RC04
RS04
RV21
RV01
RV02
TLC0168
TLC0166
TLC0171
TLC0161
TLC0160
TLC0159
TLC0162
TLC0163
TLC0164
TLC0175
TLC0176
RC03
CV21
RC02
RS02
CV01
LC11
CC06
RS11
RS05 LC16
RC05
TLC0180
10876
54321
5
4
3
2
1
Vcc
GND
VOUT
P2.1/PWM0
P2.0/PMW
VDDP(3.3V)
P1.7/SDA
P1.6/SCL
P1.3/T1
P0.0/2SDI1
P0.1/12SD01
P0.2/12SD02
P0.3/12SCLK
P0.4/12SWS
VSSC2
VSSadc
VDDC2
P1.1/TO
P1.0/INT1
INTO/P0.5
GNDA
VDDA
(1.8V)
(3.3V)
VDDA2
VDDadc(1.8)
VREFAD
VREFAD_POS
VREFAD_NEG
VDDA1(3.3V)
BO
GO
RO
BLKIN
BCLIN
VP3
GND3
R
B
B/P  IN3
R/P  IN3
G/YIN3
INSSW3
VOUT(SW01)
UOUT(INSW-2)
YOUT
YSYNC
R
B
YIN(G/Y-2/CVBS/Y-X)
UIN(B/P -2)
VIN(R/P -2/C-X)
VDDcomb
/CSY
comb
VSS
AUDOUTHPL
AUDOUTHPR
CVBSO/PIP
SVM
HOUT
FBISO
AUDOUTLSR
AUDOUTLSL
C2/C3
CVBS3/Y3
AUDIOIN3R
AUDIOIN3L
CVBS2/Y2
AUDIOIN2R/SSIF
AUDIOIN2L
C4
CVBS4/Y4
AUDIOIN4R
AUDIOIN4L
SVO/IFOUT/CVBSI
VP2
DVBO/FMRO
AGC2SIF
VCC8V
DVBO//IFVO/FMRO
SIFAGC/DVBAGC
AMOUT/QSSO
GND2
PLLIF
/AUDEEM
DECSDEM
AUDIOUTSR
AUDIOIN5R
AUDIOUTSL
AUDIOIN5L
AVL/SWO/SSIF
REFIN/REFOUT
EHTO
AGCOUT
/SIFIN2
DVBIN2
GNDIF
/SIFIN1
DVBIN1
IREF
VSC
VIFIN2
VIFIN1
VDRA
VREF_POS_HPR
VREF_NEG_HPL+HPR
VREF_POS_LSR+HPL
VREF_NEG_LSL+LSR
VREF_POS_LSL
VDDA3(3.3V)
VGUARD/SWIO
AVL/EWD
SECPLL
DECIDG
DECBG
GND1
VDRB
VP1
VSSA1
PH1LF
PH2LF
XTALOUT
XTALIN
VSSC4
VSSP2
P1.4/RX
/TX
P1.5
VDDC4
P2.2/PWM1
P2.3/PWM2
P3.0/ADC0
P3.1/ADC1
VDDC1(1.8)
DECV1V8
P3.2/ADC2
P3.3/ADC3
VSSC1/P
P2.4/PWM3
P2.5/PWM4
VDDC3
VSSC3
P1.2/INT2
10 911
126
128
127
125
4 123568 7
86 87 92
117
115
112
98
97
99
107
106
102
100
101
103
104
105
108
109
110
111
96
113
114
95
116
93 94
119
118
88 90 9189
123
124
120
122
121
34
33
35
36
13151819202428293132 30 27 26 25 23 22 21 1617 14 12
7978
51
77
55
60
61
63
64
75
72716765 66 68 69 70 73 74 76
62
56
57
59
58
54
53
52
50
48
49
43
44
47
45
46
8180
41
37
38
40
39
42
8582 8483
M
A2
GND
VDD
WP
SDA
SCL
8576
243 1
A1
AGC
1 3 5 7 10 1198642
SDA
NC
ADR
SCL
32V
NC
1F
5V
NC
Vt
24 761091211853
1
1
2
3
4
B 4B-EH-A
TLA0119
TLA0118
TLA0117
P601A
29CZ5DE/29CZ5T/29CZ6SI
MAIN (SIGNAL/MICON)
                   [SHEET-1/6]
SCHEMATIC DIAGRAM      MODEL :  29CZ5DE/29CZ5T/29CZ6SI (1/8)

A
B
C
D
E
F
1432
IF
SCL
SDA
KETSU
SHORT
SHORT
23221141
23221139
(RA)
(RB)
TRF9240AC
TRF9240AH
RC17 ~ RC18 (FRONT)
(MAIN)
10nF
LC04 ~ LC06
CC36 ~ CC37
RC01 ~ RC06
RUSSIA MODEL
1k
OTHER MODEL
NOT USED
USED
PRE AMP
SHORT
KETSU
GJ17
KETSU
(RC)
(RA)
(RB)
Q107 ~ Q108
DTC114EUA
SRC1202U
KRC402
KETSU
KETSU
(RB)
3KR111
(RA)D103
MA77
KDS114
THAI
MULTI BILINGUAL
LOCATION
10K
15K
10K
3.3K
100R
R117
R112
R110
R113
R118
KETSU
KETSU
KETSU
KETSU
KETSU
KETSU
KETSU
(R1)AV STEREO TSF6380Y
K6284K K9351K(RB)(RB)
KETSU SHORT KETSU KETSU SHORT
KETSUKETSU SHORT KETSUSHORT
*M*, *R*
MODEL
MONO BILINGUAL
15p
KETSU
CC20
K2964M
OTHER MODELS KETSU
KETSU SHORT
KETSU SHORT KETSU
KETSUKETSU SHORT KETSUKETSU
(R2) K6269K
F816K(R3) KETSU
KETSU
KETSU
KETSU
SHORT
(RA)
NICAM SHORT10nF
GJ03C104
SHORTKETSU
GJ05GJ04
(RA)
Z101
BSF6284 BSF9351
Z102 GJ06
KETSU KETSU
GJ07
[29CZ5 MODELS]
[21CZ6~8 MODELS]
LOCATION
ENV59DA7G3
OTHER MODELLOCATION RUSSIA MODEL VIETNAM MODEL
ENV59DA7G3 23321549(R1)H001 23321514 23321514115B8A86ST
100R
SHORT
(RA)
(RB)
LC01 ~ LC03
(RB)
(RA)
(RA)
(RB)
1k
G103
LC04
LC05
RC01 ~ RC08
LOCATION
CC32 ~ CC33 KETSU
SHORT
10nF
TRF9240AC23221141
23221139 TRF9240AH
RUSSIA MODEL
23103279
23103249
23103894
23103248
(R1)
SHORT
(R3)
(R2)
(R2)
(R3)
TEM2011AA
TEM2014AO
TEM2011AO
TEM2014AA
SHORT
OTHER MODEL
23321534
23321545
100R
100R
SHORT
TAEM-G107D
ENV59K11G3F
32V
*
*
*
A
5-A2
2-A1,3-D3,6-C8
3.3V-2
GND
+
+
+
+
PIN
TEM2011AW
RM73B1HR00OD
4.7k
KETSU
4.7k
12k
50V4.7
KETSU
SHORT
56k
680
12 1.0
B1000p
RD33
50V10
B25V0.01
50V220
50V220
TLN3278GH
TP15
GL601
GJ811
GJ02
C111
GJ01
TLC0285
TLC0222
R124
C101
TLA0054
D104
R115
R125
R126
H001
LC05
TLA0053
C107
SL1
D101
C108
CC01
C110
LC04
TLA0004
TLA0006
TLA0013TLA0011TLA0002
C109
L104
AGC
1 3 5 7 10 1198642
SDA
NC
ADR
SCL
32V
NC
1F
5V
NC
Vt

8
7
6
5
3.3V-2
SAW_SW
1.8V-2
1.8V-1
1.8V-1
IF
AGC
*
*
*
*
29CZ5/6
6543 12
KEY
GND
3.3V-1
LED
REMOTE
5V-1
9V
*
**
*
*
*
4321
RFAGC
SCL1
3.3V-1
SDA1 SDA1
SCL1
5V2
1.8V-2
3.3V-1
5V2
GND
SCL1
32V
FROM FRONT BOARD
21
5V-2
24.576MHzIF 
M: HIGH
3.3V-1
9V
Speaker Mute
S-Video IN Detect
0V
5V
E1=S-Video
E1=CVBS
SAW_SW /
HM
L
BG/I/DK
RAGC Read In /
Line Out Mute
System Select
A
A
A
A
A
+
M
+
+
+
+
++
+
+
6.3V470
10u  1k
1P
1/6P39
B 6B-EH-A
KETSU
1/6P4.7k
10u 
50V0.22u
25V10
25V10
0.01
0.1uF
0.01
1/6P15k
1/6P10k
1/6P4.7k
DTC114EUA
100
KETSU
25V0.1
0.22uF
10u 
100
UOC3 WITH SOKET
B25V0.01
6.8k
2SA1013-R
1k
0.22uF
10u 
3.3k
B25V0.01 B25V0.01
3k
0.22uH
10k
33
750
10u 
2SC2712Y
0.22uF
1/6P15k
0.22uF
15k
10u 
100
15k
25V0.01
MTZJ2.0A
SHORT
1/6P10
1/6P10
1/6P47k
50V10u 25V0.1
68p
68p
100
MTZJ5.6A
0.1uF
50V2.2
25V0.1
50V220
25V10
1.2
25V1.5u
6800p
12k
10u 
10.000M
0.1uF
10V100
12p
51p
DTC114EUA
1/6P10
1/6P10
1/6P47k
2SA1013-R
2SC3357
TCF1120AM
2SC2712Y
0.22uF
1.0
330
1.0
3333
10u 
B25V0.01
TCF1107
2.7k
MA77
KETSU
820
B1000p
RD33
PLUG 4P
50V220
3.3k
3.3k
C501
CC20
GJ17
C105
Z101
LA14
R318
M804A
TLA0111 TLA0110
R107
PA21B
C120
RA21
L501
C203
C204
C205
CA14
C475
C502
CA120
TLC0329
TLC0328
TLC0326
TLC0325
TLC0324
TLC0323
TLC0322
TLC0321
TLC0320
TLC0319
TLC0318
TLC0299
TLC0298
TLC0297
TLC0295
TLC0294
TLC0293TLC0291
TLC0290
TLC0289
TLC0313
TLC0286
TLC0285
TLC0283 TLC0282TLC0281TLC0280
R117
R110
RA17
Q108
R118
GJ14
CA30
G103
L112
GJ05
GJ03
GJ07
GJ04
CA110
LA110
RA35
QA51
C103
R102
QA15
R109
CA124
LA124
R113
C102
C114
R111
L101
R112
R106
R105
LA03
QA14
CA03
RA32
CA116
RA34
RA106
LA117
RA105
RA31
RA30
C116
DA118
L158
RA15
RA14
RA16
C158 C159
CA108
CA109
R116
DA110
CA118
CA119
CA31
CA117
CA112
L103
C202
C201
R201
LA05
XA03
CA05
CA06
C156
C157
Q107
RA20
RA19
RA18
QA17
Q101
Z155
QA16
CA04
L157
R152
L156
R104R101
LA04
C106
Z154
R103
D103
D473
R108
C107
SL1
D101
PB01
TLA0013
RA108
RA109
10876
54321
P2.1/PWM0
P2.0/PMW
VDDP(3.3V)
P1.7/SDA
P1.6/SCL
P1.3/T1
P0.0/2SDI1
VREF_POS_HPR
VREF_NEG_HPL+HPR
VREF_POS_LSR+HPL
VREF_NEG_LSL+LSR
VREF_POS_LSL
VDDA3(3.3V)
VGUARD/SWIO
SECPLL
DECIDG
DECBG
GND1
VP1
VSSA1
PH1LF
PH2LF
XTALOUT
XTALIN
VSSC4
VSSP2
P1.4/RX
/TX
P1.5
VDDC4
P2.2/PWM1
P2.3/PWM2
P3.0/ADC0
P3.1/ADC1
VDDC1(1.8)
DECV1V8
P3.2/ADC2
P3.3/ADC3
VSSC1/P
P2.4/PWM3
P2.5/PWM4
VDDC3
VSSC3
P1.2/INT2
10 911
126
128
127
125
4 123568 7
117
115
112
107
106
108
109
110
111
113
114
116
119
118
123
124
120
122
121
13151819
2
0 1617 14 12
11
1F
SCHEMATIC DIAGRAM      MODEL : 

12
1110
9
PIC-TB19
5V1
5V-1
1.8V-2
3.3V-1
1.8V-1
21CZ6/7/8
21CZ7 ONLY
21CZ6/8
4
3
2
1
KEY
CH UP MENUVOL DNCH DN VOL UP VIDEO
NC
4
SDA
5
SCL
13
5V1
2
GND
*
*
*
E2-DVD IN
*
SDA1
3.3Vstb
4
GND
SCL1
5V
231
1.8V-2
GREENRED
*
1.8V-2
*
+
+
+
+
+
+
+
1/6P1k
10V470
16V10u
33u
16V10u
0.01
RMT SENSER
HOLDER
TLSG116
1k
1SS133
UDZS TE-17 5.6B
RM73B1H470JD
1/6P180
1/6P150
1/6P1.2k 1/6P470
1/6P240
1/6P330
5B-EH-A
75
0.22uF
10u 
10u 
10V100
10u 
0.22uF
10V100
25V0.1
0.22uF
10u 
25V0.1
10V100
0.1uF
0.22uF
10u 
1K
560p
10u 
10u 
0.22uF
68p
MTZJ5.6A
MTZJ5.6A
25V0.1
25V0.1
25V0.1
100
100
100
0.1uF
2SA1162-Y
16V47
220
10k
270
22K
2SC2712Y
68p
68p
4.7k
4.7k
2SC2712Y
1k
3.3k
G
 4P
3.3k
22p
1000p100p
SHORT
100
SHORT
SHORT
SHORT
47K
1000p
SHORT
22p22p
1k
100
1000p
SHORT
47K
100p
RB49
C507
CB07
TLC0278
LA01
CA01
CA97
TLA0115TLA0114TLA0112
TLA0111 TLA0110 TLA0109 TLA0108
KB01
DB02A
DB02
DB01
RB15
DA120
DA119
M502B
RB10
SA03
RB03
SA01 SA02
RB02RB01
TLC09 TLC10
SA04
RB06RB04 RB05
TLC11
SA06SA05
P107
TLC0346
TLC0345
TLC0343
TLC0279
TLC0250
TLC0249
RV03
TLC0223
CA96
LA96
L504
CA92
LA93
CA88
CA89
C508
CA90
LA88
C211
CA94
CA95
CA93
LA90
R502
C509
LA94
LA101
CA101
RA106
RA105 CA108
DA111
DA110
CA112
CV14
CV13
CV15
R504
R505
R503
CA91
QB02
CB01
RB13
RB11
RB12
RB14
QB01
QA10
TLC0218
TLC0217
CA99
CA98
RA99
RA98
TLC0219
QB04
RB08
TLA0099
RB09
PB01
RA108
C512
CC03
CV02
LC09 RV04 LC08
RC01
LC07
RS01
CC02
LC06
C511C510
RV
2
RV02
CV21
RC02
RS02
CV01
5
4
3
2
1
Vcc
GND
VOUT
P1.6/SCL
P1.3/T1
P0.0/2SDI1
P0.1/12SD01
P0.2/12SD02
P0.3/12SCLK
P0.4/12SWS
VSSC2
VSSadc
VDDC2
P1.1/TO
P1.0/INT1
INTO/P0.5
GNDA
VDDA
(1.8V)
(3.3V)
VDDA2
VDDadc(1.8)
VREFAD
VREFAD_POS
VREFAD_NEG
VDDA1(3.3V)
BO
GO
RO
BLKIN
BCLIN
VP3
GND3
R
B
B/P  IN3
R/P  IN3
G/YIN3
INSSW3
86 87 92
98
97
99
107
106
102
100
101
103
104
105
108
969593 9488 90 91897978
7
7 8180 8582 8483
M
A2
GND
VDD
WP
SDA
SCL
8576
243 1
A1
EL :  29CZ5DE/29CZ5T/29CZ6SI (1/8)

F
E
D
C
B
A
161514
13
DEG
12V_FBT
E1 S-VIDEO
*R
Y
C
2
5
3
4
8
6
7
BOUT
ROUT
GOUT
I-BLACK
GND
SVM
GND
1
6-A8
6-E8
5-B2
12V_FBT
DEG
POWER
5V1
SHORT
KETSU
4P JACK
PLUG 8P
1k
75
100
1000p
SHORT
47K
100p
GJ47
GJ48
TLC0193
T
LC0223
PV01
P902A
TLC0195
TLA0098
RV21
RV01
RV02 TLC0161
TLC0160
TLC0159
TLC0162
TLC0163
TLC0164
CV21
RC02
RS02
CV01

G
H
I
J
L
K
1234
47pF
KETSU
10nFKETSU
(RC)
(RA)
(RB)
KETSU
Q107 ~ Q108
C140
DTC114EUA
SRC1202U
KRC402
C141
1k
2.2k
100R
R141 KETSU
R123
R142
KETSU
KETSU
KETSU KETSU
KETSU 100R
C130
R140
KETSU (RA)
KETSU
(RC)
(RB)
Q102
Z104
KETSU
KETSU
10uH
12uH
L109
L110
2SC4116Y
2SC4081T
EFCS5R74Y5ST
KTC4075Y
C142 10nFKETSU
C145
C144 10uF
100nF
KETSU
KETSU
15K
100R
R117
R118 KETSU
KETSU
23103302(RB)
(RA) 23103308G106 ~ G109 KETSUTEM2011AO
TEM2011AH
KETSU
23248386(RB)
RUSSIA MODEL
(RA) 23248423
TLN3481AA
OTHER MODEL
KETSU
TLN3481AC
23248417(RB) TLN3481AH
LOCATION
G104 ~ G105
[21CZ6~8 MODELS]POWER (MAIN BOARD)
SHORTGJ32 ~ GJ43
(This Ground is c
(ABL)
EHT
3-D3,5-A2
2-A1
5-B2
5-A2
4-B1
2-A1
3-A3
3-B3,6-B8
3-C3
2-A1
4-A1
3-A3
2-A1,3-A3,5-A2
12V_FBT
6V
EW
9V
VGUARD
3.3V-1
3.3V-2
32V
VDR_A
FBP
6V
HDRIVE
VDR_B
PROTECT
EHT_INFO
5V2
+
82K
KTC
K
50V 1uF
27K
4
100K
KDS160-RTK/P
10k
KETSU
KETSU
KETSU
KETSU
16V1uF
KTC407
4.7k
R451
Q
C450
R450
R4
R424
DA121
R425
R461
R481
R482
Q461
R484
C430
Q472
R412

5678
9V
*
(This Ground is connected to UOCIII Pin 81)
*
*
*
*
*
*
2
5V-2
1534
Video Monitor OUT
E1 IN
Audio
Monitor OUT
E2 IN
8V
SSIF
9V
THAI BILINGUAL
5V2
5V-2
9V
L Monitor-OUT
R Monitor-OUT
A
+
+
+
+
M
+
++++
+
+
++
+
+
M
47pF
KETSU
SHORT
KDS160-RTK/P
25V220
1k
10V470
50V 1uF
1/8W1k
MTZJ5.1C
82K
1K
KTC4075Y-RTK
KTC4075Y-RTK
KTC4075Y-RTK
5.6K
470
SHORT
16V 22UF
1M
B1000p
100
KETSU
100K
KDS160-RTK/P
KETSU
SHORT
1SS3551SS355
50V0.22u
SHORT
25V10
25V0.022
B1000p
KETSU
0.01uF
1.8K
330K
0.001uF
KETSU
KETSU
470
KETSU
0.01u
1M
KETSU
1SS133
2SA1162-Y
KETSU
100
B25V0.01
T
SU
KETSU
KETSU
6.8K
6.8K
100
50V0.001
100
50V0.001
47pF
2SC4116-Y
10u 
25V0.1
50V0.47u
25V0.01
50V0.47u
25V0.1
50V0.47u
25V0.1
50V0.47u
16V10u
KETSU 10K
10u 
220
100
10K
10K
10K
10K 10
K
10K
10K
10K
10K
25V0.1
0.01u
16V10u
25V0.1
10u 
5.74M 2.2k
390
50V2.2u
50V2.2u
47pF
100
100p
47pF
100p
47pF
100p
47pF
B3300p
25V0.1
25V0.1
50V10u
100
KETSU
47pF
25V1.5u
6800p
12k
50V0.15u
27K
1M
220K
47K
47pF
47pF
100
25V0.001
39K 2%
2SA1162-Y
F
KTC4075Y-RTK
4.7k
CS14
L109
C140
D4703
C4703
R413
C129
C212
R452
D450
R451
R453
Q451
Q450
Q401
R435
R440
R437
C435
R4720
C4717
R4200
C120
DA121
C497
GJ401
D502
D501
C203
R119
C204
C205
C401
R461 C4712
R212
R214
C219
R481
C499
R121
C130
C142
R401
D203
D202
Q210
R482
R426
C131
R484
R498
TLC0340
TLC0339
TLC0338
TLC0337
TLC0336
TLC0335
TLC0334
TLC0333
TLC0332
TLC0349
TLC0330
TLC0329
TLC0328
TLC0312
TLC0314
TLC0311
TLC0302
TLC0301
TLC0300
TLC0299
C104
L112
R329
R328
R325
C327
R320
C329
Z102
GJ05
GJ06
GJ03
CS15
Q102
L102
C128
CS07
CV12
CS09
CV10
CS08
CV09
CS06
C503
R123 R501
L502
R142
R140
RS21
RS23
RS24
RS20
RS27
RS26
RS25
RS28
RS30
C504
C141
C144
C145
L110
Z104 R141
R122
C125
C127
CS16
RV19
CV16
CS18
CV18
CS19
CV17
CS17
C123
C124
C122
C121
RS36
C126
CS
C202
C201
R201
C350
R4718
R4717
R219
R4716
CS13
CS12
RS35
C432
R350
Q473
0
Q472
R412
CVBS2/Y2
AUDIOIN2R/SSIF
AUDIOIN2L
C4
CVBS4/Y4
AUDIOIN4R
AUDIOIN4L
SVO/IFOUT/CVBSI
VP2
DVBO/FMRO
AGC2SIF
VCC8V
DVBO//IFVO/FMRO
SIFAGC/DVBAGC
AMOUT/QSSO
GND2
PLLIF
/AUDEEM
DECSDEM
AUDIOUTSR
AUDIOIN5R
AUDIOUTSL
AUDIOIN5L
AVL/SWO/SSIF
REFIN/REFOUT
EHTO
AGCOUT
/SIFIN2
DVBIN2
GNDIF
/SIFIN1
DVBIN1
IREF
VSC
VIFIN2
VIFIN1
VDRA
AVL/EWD
SECPLL
DECBG
GND1
VDRB
PH1LF
34
33
35
36
1819202428293132 30 27 26 25 23 22 21
1
51
55
54
53
52
50
48
49
43
44
47
45
46
41
37
38
40
39
42

910 11 12
Connected To pin9 Au
d
2
4
3
1
*
Speaker Mute
Line Out Mute
9V
27V
Audio GND
*
*
*
*
*
*
5V-2
E2-CVBS 0V
E2-DVD
DVD IN Detect
5V
5V-2
E2-DVD IN
5V-2
E3 INE2 IN
L Monitor-OUT
R Monitor-OUT
*
*
*
*
GND
23477609 HEAT SINK
STD BY
R OUT
Connected To pin4 GN
D
VCC
*
*
L IN
GND
RIGHT
3
4VIDEO GND
R IN
4
VIDEO GND
VIDEO 5
1LEFT
2AUDIO GND
LEFT
AUDIO GND
RIGHT
1
3
2
MUTE
L OUT
RF
VIDEO
5
NC
L Monitor-OUT
R Monitor-OUT
NC
23205354L
23205005L
23205204L
1Q610B
+
++
+
+
+
+
++++
+
+
M
+
+
++
+
+
M
+
+
+
+
10V470
1/6P2.2k
1/6P2.2k
35V1000
35V1000
16V47
KTC2875B-RTK
0.01
RN2404
100
100p
SHORT
100
100p 75
SHORT
KTC4075Y-RTK
75
1000p
75 47K
1000p
B1000p
B1000p
SHORT
10K
75
1/6W-100ohm
2SA1037AKT
KETSU
25V47
100
16V470
35V1000
1K
2SC2712Y
100
12K
M501
100
15K
10u 
25V0.1
25V0.1
1SS355-TE17
10k
100k
KTA2014Y
25V0.1
50V0.47u
25V0.1
50V0.47u
100
100
50V0.47u
25V0.1
50V0.47u
10K
10K
10K
10K
10K
10K
10K
100
47 F
100p
47pF
OPEN
100p
47pF
47pF
47pF
47pF
100p
25V0.1
25V0.1
47220
1000p
S
10
1000p
SHORT
100p
1000p
SHORT
RN2404
KETSU
KETSU
2.2K
KTC4075Y-RTK
16V10
KTC2875B-RTK
KTC2875B-RTK
50V1.0
KETSU
KETSU
2.2k
10k
100k 16V47
Open
10k
1SS355
1SS355
1SS355
1SS355
KETSU
2.7k
50V2.2
AN5277
OPEN
10K
M501
10K
50V100
50V1.0
100K
10K
50V0.47
KETSU
2.7k
KETSU
2.2k
1SS355
1/6P10k
1SS355
1SS355
SHORT
50V2.2
1SS355
25V0.01
50V0.1
2.2 2.2
50V0.1
1K
KTC2875B-RTK
SHORT
100K
100K
2.2K
560
OPEN
16V22
16V10
100
1000p100p
SHORT
100
SHORT
SHORT
SHORT
1000p
1k
100
100p
10V470
SHORT
SHORT
47K
SHORT
1000p
100
1K
S
C505
R683
R681
C681
C683
C684
Q610A
QS03
CS04
QS05
M502A
RV08
CV04
LC13
RV10
CV05 RV09
LC14 TLC0233
QS01
RV11
CC05
RV05
RS03
CC04
C666
C662
D684
TLC0348TLC0347
TLC0343
TLC0275
TLC0274
TLC0273
TLC0272
TLC0271
TLC0185
TLC0184
TLC0183TLC0182TLC0181 TLC0189TLC0188
TLC0187TLC0186
R620
TLC0270
TLC0269
TLC0268
TLC0267
TLC0266
TLC0265
TLC0264
TL
C
TLC0261TLC0260
TLC0259
TLC0258
TLC0257TLC0256
TLC0255 TLC0254
TLC0250
RV03
TLC0248
TLC0246
TLC0245
TLC0244 TLC0243 TLC0242
TLC0241
TLC0238
TLC0237
TLC0236
TLC0235
TLC0232
TLC0231
TLC0230
TLC0226
TLC0225
RV15
QV02
RV13
CV08
RV16
C671
C682
R702
Q701
R431
R409
M501B
RA36
RA33
L503
C506
C206
D674
R674
R675
Q670
CV14
CS09
CV10
CS08
RS33
RS34
CS10
CV11
CS11
RS27
RS25
RS32
RS29
RS31
RS28
RS30
R701
CS18
CV18
CS19
R703
CV20
CS23
CS22
CS20
CS21
CV19
TLC0213
TLC0216
TLC0214
CV13
CV15
R704
TLC0215
R705
CC07
R
R
V
CC09
LC19
CV07
CC08
LC18
Q613 R618
R617
RS13
QS02
CS02
Q671
Q672
C664
C665
R665
R664
R672
R673 C672
RJ03
R671
D672
D671
D673
D670
C670
R666
TLC0033
C663
Q610
RJ02
RS16
M501A
RS17
TLC0024 TLC0028
C690
TLC0209
TLC0208
TLC0211
TLC0212
TLC0210
C660
RS18
RS19
CS05
R661
R662
C661
R660
TLC0020
D681
R621
D683
D680
GJ13
C667
D682
CC14
C686
R686 R687
C687
RS06
QS04
LC20
RS14
RS15
RS12
RS09
RJ01
CS03
CS01
RS10
CC03
CV02
LC09 RV04 LC08
LC12
LC10
CV22
RV22 RV06
CV03
CV0
6
RC03
RC02
RS02
LC11
CC06
RS11
RS05 R
C
R
BB/P
IN3
R/P  IN3
G/YIN3
INSSW3
VOUT(SW01)
UOUT(INSW-2)
YOUT
YSYNC
R
B
YIN(G/Y-2/CVBS/Y-X)
UIN(B/P -2)
VIN(R/P -2/C-X)
VDDcomb
/CSY
comb
VSS
AUDOUTHPL
AUDOUTHPR
CVBSO/PIP
SVM
HOUT
FBISO
AUDOUTLSR
AUDOUTLSL
C2/C3
CVBS3/Y3
AUDIOIN3R
AUDIOIN3L
CVBS2/Y2
AUDIOIN2R/SSIF
AUDIOIN2L
797877
55
60
61
63
64
75
72716765 66 68 69 70 73 74 76
62
56
57
59
58
54
53
8
24 761091211853
1

L
K
J
I
H
G
1615
13 14
Connected To pin9 Audio GND
1
2
3
4
21CZ8 (4 SPKS - 4ohms)
 21CZ6/7 (2 SPKS - 8ohms)
+
-
BOTTOM LEFT
+
M604
+
-
M602
TOP LEFT
-
M603
BOTTOM RIGHT
TOP RIGHT
M601
+
-
RIGHT LEFT
-
M602
++
-
M601
E3
MONITOR OUT
E1
E2 DVD
E2
*
*L
R
*
V-Out
*
R-Out
CR
CB
V / Y
L-Out
*
*
*
*R
C
*V
L
Connected To pin4 GND
*
*
*
*
*
*
R
V
L
L/R PHONO JACK
29CZ5/6 21CZ6/7/8
21CZ6/7/8
*
*
270
RS61~ RS62
HEAD PHONE JACKP661
LOCATION
GJ21 ~ GJ22 SHORT
KETSU
KETSU
21CZ6/7/8
KETSU
29CZ5/6
*
*
*
NEW
W
2
1
NEW
W
2
1
NEW
W
2
1
NEW
W
2
1
NEW
W662
2
1
NEW
W661
2
1
0
B
6-C8
2-A1,4-A2,6-C8
GND_AUDIO
27V
+
P
2.2k
35V1000
35V1000
16V47
100
100p
75
75
1000p
75 47K
B 4B-EH-A
1000p SHORT
SHORT
SHORT
75
SHORT
100
2SC3326B
1000p
47K
S
HORT
100p
1000p
47K
H
ORT
04
KETSU
KETSU
OPEN
OPEN
KETSU
KETSU
SHORT
1/2R270
1/2R270
2SC3326B
MTJ-032-39BBA-432 NILF
SHORT
10V470
SHORT
47K
SHORT
SHORT
47K
R
T
1000p SHORT
SHORT
TLA0119
TLA0118
TLA0117
8
1
C681
C683
A
GJ22
GJ21
RV08
CV04
RV07
RV09
CC05
RV05
RS03
P601A
TLC0264
TLC0262
TLC0248
TLC0238
TLC0237
TLC0234
TLC0230
TLC0228
CC07 LC17
RC06
RC08
RV17
RC07
RV18
Q614
CC09
RS08
LC19
CV07
CC08
RS07
C
18
R618
R617
CC31
CC30
P661
TLA0069
TLA0068
LC01
CC33
CC32
LC02
LC03
RS62
RS61
Q615
PV02
TLC0179
TLA0104
TLA0105
TLA0107
TLC0221
LC15
CV06
RC04
RS04
TLC0168
TLC0166
TLC0171
TLC0162
TLC0163
TLC0164
TLC0175
TLC0176
RC03
RC02
RS02
1
CC06 LC16
RC05
TLC0180
1
2
3
4
B 4B-EH-A
TLA0119
TLA0118
TLA0117
P601A
29CZ5DE/29CZ5T/29CZ6SI
MAIN (SIGNAL/MICON)
                   [SHEET-1/6]

A
BB
A
21
2
1
23477932
21CZ6/7/8
29CZ5
to link to R305 gnd
Use a chip jumper 
*
*
*
*
*
*
*
*
2R100
R336
R363 1/2R180
2R1K
M100V0.1uF
23478144
AN5523
1W1R
1/4P33K
1/4P10K
Q301
C363
*
R329
R330
Q301A
R305
R345
1/4P15K
R331
(C311 close to IC Pin)
(C313 ground close to IC Gnd pin 4)
Q301A
1
1
Q301B
1
Q301C
1-(690.25,71.5),4-A2,6-C8
1-(161.5,192)
1-(162,289.5),3-D3,6-C8
1-(161.5,188)
1-(161.5,232),3-A3,5-A2
3-C8
3-B8
1-(161.5,248)
+13V
-13V
VDR–B
GND
VDR–A
5V2
V–DY–G
V–DY–Y
VGUARD
+
+
+
M
M
+
25V1000
1K
5.6K
10k
1/6P5.6k
B2700p
KETSU
B4700p
50V220
25V220
10k
KETSU
B2700p
100V0.1uF
AN5523
2R220
1/2R180
100V0.1u
KETSU
KETSU
1R0.75
100V0.22
ERB12-02
OPEN
4.7K
2SC2712-Y
SC570ALFE2
1nF
MA111-TX
KETSU
1/2W2.2
TEM2011
MTZJ5.6A
22K
47K
C309
R346
R348
R347
R331
C336
C311
C331
C308
C335
R321
R323 C321
C328
Q301
R336
R363
TLC0058
C363
D310
R310
TLC0070
TLC0060
TLC0062
TLC0064
SL06
R305
TLA0049TLA0050
C313
D301
C312
TLA0048TLA0051
R324
Q320
D303
C315
D311
C323
TLC0049
TLC0055
TLC0052
R303
TLA0046TLA0047
L301
TLC0046
D312
TLC0016
TLC0025
R354
TLC0040
R314
TLC0043
TLA0045
2467531
SCHEMATIC DIAGRAM      MODEL :  29CZ5DE/29CZ5T/29CZ6SI (2/8)
29CZ5DE/29CZ5T/29CZ6SI
MAIN (VERT)
 [SHEET-2/6]

F
E
D
C
B
A
F
E
D
C
B
A
87654321
78
123456
12V_FBT
KETSU
76503274B 1.5KV/782
KETSU
21CZ 6/7/8
76503213B 1.5KV/152
76693472D 100V/472
76082995B 250V/364
76640872E 100V/10uF
KETSU
C402
C439
29CZ5
76693472D 100V/472
76503125B CAP 400V/753J
76503298B 315V/304J
76503194B 1.5KV 103H
76503225B 1.5KV 622H
C442
C464
C444
C440
C443
7621222A(RA)76640872E(RB)
R474 (R1)
R474 (R2)
R474 (R3)
KETSU
76383271S
76383221S
KETSU
23248460 TLN3337AC
23248376 TLN3337AA
23233147 TLN2210AC
23233145 TLN2210AY
76503157B 630V/333
23233113 TLN2210AA
23248410 TLN3337AD
23224404 TLN1039
KETSU
KETSU
KETSU
23236957 TFB4228AS
23224391 TLN1104AH
23236962 TFB4228AT
76679100S 250V/10UF
76182011L ERX1SJS4R7P
(RA)76019329 (RB)76510332 5W 332J
76366332Y 1/6W/63.3K
76366472Y 1/6W/64.7K
76366472Y 1/6W/64.7K
76182011L ERX1SJS4R7P
76553272L 1W272
76019323 5W 182J
L441(RC)
L441(RB)
L442
C467
L441(RA)
R327
C416
C440
R416
R415
C447
C413
R227
R218
R322
R216
L461(RA)
L461(RC)
L461(RB)
T461(RB)
T401(RB)
T401(RA)
T461(RA)
76678479S 200V 4.7UF
 TLN1098AH
KETSU 
KETSU 
23248459TLN3335AC
76366103Y 1/6W/10K
KETSU 
23233124 TLN2083AT
23233132 TLN2083AH
23248404 TLN3383D
23211848 TLN2083G
23248409 TLN3335AD
23248375 TLN3335AA
76366392Y 1/6W/3.9K
23236963 TFB4229AG
23224395 TLN1098GH
76679220S 250V/22UF
76503160B 630V 433J
76182030L ERX1FJ4R7H
23183918 WIRE JUMPER
76182030L ERX1FJ4R7H
76214821A CERA 500V/821K
*
*
*
*
*
TO FOCUS
TO ANODE
*
*
*
*
*
*
*
*
*
*
*
*
***
FOR 29"ONLY
C
WIRE J601C(23513300)
C
*
ALL KETSU FOR 21"
*
*
*
*
CRT/D BOARD
TO P903B
2
3
1
5
6
4
3
4
TO P704B
TO VSM CIRCUIT
2
1
44
66
55
SCREEN
FOCUS
HV
FWPF114
22
11
33
*
1Q460B
1Q460A
1Q460C
1Q404C
1Q404B
Q404A
23477926
1
65431 2
2121
2-B2
1-(161.25,39),6-B8
4-A1
4-B2
1-(161.5,115)
1-(162,289.5),2-A1,6-C8
1-(161.5,101)
1-(161.5,232),2-A1,5-A2
1-(161.5,225)
2-A2
9V
EW
V–DY–G
-13V
12V–FBT
+13V
125V–1
HDRIVE
GND
FBP
5V2
EHT–INFO
V–DY–Y
+
+
+
++
M
M
+
+
+
M
M
25V1000
25V2200
25V2200
1/16W 360K
1/6P20k
1/6P20k
1/6P4.7k
TLN1098AH
IRF630FP
1R6.8
KETSU
MTZJ9.1C
1W 472
SHORT
KETSU
EU2A
100V10uF
68K
SHORT
KETSU
KETSU
KETSU
2R6.8
CHIP 50V/222K
1SS355-TE17
270k
392pF KETSU
270k
SHORT
KETSU
1RF1k
KETSU
1R9.1
DC50VM0.22
TEM2011
B2200p
SHORT
KETSU
SHORT
SHORT
KETSU
250V10
KETSU
SHORT
SHORT
TEM2011
TLN1039
470
EU2A
EU2A
470
3JHJGR-M2
B 6B-EH-A
KETSU
390
18K 1SS133
2SK941
RU-4AM
KETSU
1K
ERC06-15L
KETSU
B 4B-EH-A
10k
EU2A
160V33uF
OPEN
KETSU
1SS133
1/6P2.2k
1SS133
6P_5mm_5A
HV
C449
C310
C333
R4704
R416
C413
R415
TLA0017
TLA0015
TLA0016
TLA0052
R215
R217
D420
R216
T401
Q460
TLC0075
R462Z
R432
R322
C442Z
L441
C467
C444
C440
D441
R403
GJ405
C442
C439
L442
C439Z
D442
TLC0084 TLC0086
R474
D467
TLC0113
C464
C464Z
C442Y
L461
R438
TLC0077
R475
TLC0353
R463
R460
C460
R462
TLC0082
TLC0088
C4700
D4701
R4702
C4701 C4702
TLC0071
R4701
R4703
D4700
TLC0068
TLC0059
R441
R4712
L441Z
TLC0063
R327
R448
C220
G405
C463
D443
R428
GJ445
R218R227
TLA0018
TLA0014
G403
TLC0053 TLC0050
C445Z C445
TLC0056
T461
C447
GJ446
G461
G402
C443
C467Z
G404
T401Z
TLC0351
TLC0350
C322
D313
D302
C303
TLC0094
D408
TLC0098
P903A
TLA0003
TLC0092
TLC0090
Q404
G407
C417
TLC0013
R419 D445
Q402
TLC0009
D461
R429
TLC0017
R420
D444
C416
GJ70
P704A
TLA0005
TLA0012
R228
TLC0038
TLC0105TLC0035
D406
C448
TLC0103
C402
C473
TLC0101
C498
D476
R439
D475
TLC0111
TLC0109
TLC0115
TLA0001
TLA0061
TLA0020
P401
TLA0025
TLA0024
TLA0027
TLA0026
TLA0021
TLA0023
TLA0028
6
43
2
1
SV
26
25
FV
5
2
3
9
10
1
8
6
7
4
1
3
6
5
4
E
B
C
SCHEMATIC DIAGRAM      MODEL :  29CZ5DE/29CZ5T/29CZ6SI (3/8)
29CZ5DE/29CZ5T/29CZ6SI
MAIN (HORIZONTAL)
               [SHEET-3/6]

76381131L 1/2 W 130
*
76182018L ERX1FJR47H
76000247Y RN14C2E393F
76000242Y 1/4W 18K
76182021L ERX1FJR75H
*
21CZ6/7/8
29CZ5
R470
(RA)23144297(RB)23144210 250V 1A
R471
R4760 76366183Y 1/6W 183
C470
R473
76011102R 1/16W 102
(RA)76766470S (RB)76797470S 50V/47UF
R4770
(RA)76766101S(RB)76797101S 50V/100UF
76011102R RM73M1J102JD
76366183Y 1/6W 183
76382121S 1W121
76552301L 1/2W 301R479 76381271L RS14B2H271J
F470 (RA)23144296 (RB)23144211 250V/0.8A
*
*
*
*
*
*
*
3-B3
1-(161.5,242.5)
1-(161.5,262)
6-C8 125V–1
PROTECT
32V
125V
+
M
1/4R39K
1k
1/4R18K
RD36ESAB2
1R15k
250V_1A
50V47u
1/2RF270
1/2R130
0.47
2SA949-Y
R470
R4760
TLC0048
TLC0054
R4770
R473
D470
TLC0036
TLC0045TLC0042
F470B
R156
F470A
TLC0027
F470
TLC0051
C470
TLC0023
R479
TLC0039
R471
C472
Q471
SCHEMATIC DIAGRAM      MODEL :  29CZ5DE/29CZ5T/29CZ6SI (4/8)
29CZ5DE/29CZ5T/29CZ6SI
MAIN (PROTECTER)
    [SHEET-4/6]

*
Q844C
1
1Q844B
6-C8
6-C8
6-C8
1-(161.5,268.5)
1-(161.5,232),2-A1,3-A3
1-(161.5,253.5),3-D3
1-(161.75,277)
27V-2
12V
6V
3.3V-1
5V2
9V
3.3V-2
5V1
+
++++
+
MM
M+
M
+
16V1000
KIA78D33PI
KIA78D05F
16V100
16V100
SHORT
B10000p
16V100
16V100
16V100
63V0.33 63V0.33
63V0.33
AN34040A
B10000p
B10000p
16V100
63V0.33
35V2200
C836
Q844
Q831
C831
C832
GJ808
C833
C834
C849
TLC0032
C843
C841 C842
TLC0015
Q844A
TLC0019
C839
Q835
C848
C830
TLA0056
TLA0057
C837
TLA0055
TLC0007TLC0003
TLA0059 TLA0058TLA0060
Q835A
C838
C890
TLC0011
312
IN
GND
OUT
3
2
1
2467531
SCHEMATIC DIAGRAM      MODEL :  29CZ5DE/29CZ5T/29CZ6SI (5/8)
29CZ5DE/29CZ5T/29CZ6SI
MAIN (LOW B REG)
             [SHEET-5/6]

GND
*
*
HEATSINK(65mm)HEATSINKQ801A
STR-F6268S
STR-F6267S
Q801
OPEN
OPEN
OPEN
SE125
SHORT
TPW3577AW
15W2.2
SHORT
SHORT
SHORT
OPEN
OPEN
OPEN
OPEN
SHORT
SHORT
7W270
OPEN
RZ92P2E180M3or5
29CZ521CZ6/7/8
OPEN
OPEN
OPEN
OPEN
OPEN
SHORT
5W4.7
SE133
SHORT
2W1.8
1SS133
RN1205
RELAY DC 12V
250V 1000pF
1/6W2.2M
RZ92P2E4R5MorM1
RELAY DC 12V 2M
SHORT
TPW3573AM
*
R813
D882
T862
Q883
GJ805
GJ806
GJ809
GJ810
GJ807
R812
R810
D845
SR81
Q805
R811
SR83
R808
R814
C812
*
M804B
or TLP621(GR-LF2)
250V 7.5A/10A
250V13A/10A
250V13A/10A
250V 2.5A
SASO
SASO
NON
MIDDLE EAST
125V 7A
250V 6ATHAILAND
TAIWAN
AUSTRALIA
HONG KONG
EAST EUROPE
ASIA/
250V 2.5A
*
*
*
**
*
1
*
2
*
*
GJ38
G106
GJ36
G105
GJ37
GJ39
GJ40
G107
GJ43
G108
GJ42
GJ41
G107
GJ34
GJ35
GJ33
G104
*
Russia Model Only
GJ32
*
POWER CORD
GND
*
**
*
*
*
*
2
1
TO Choke Transformer
TO DEG COIL
*
*
*
*
*
*
TO TUNER GND
*
*
1
2
*
***
*
*
Power Cord in
GND–AUDIO
AUDIO Vcc
*
*
*
***
4
12
3
23478146
R899Z
21
MA28
DEF
MA02
MA08
MA07
DEF
Q801C
1
1
Q801B
1
1
1-(161.25,39),3-B3
1-(680,434)
1-(677,422.5)
1-(162,289.5),2-A1,3-D3
4-B1
5-A1
5-A1
5-B1
1-(690.5,60.75)
1-(690.25,71.5),2-A1,4-A2
12V–FBT
DEG
GND
POWER
GND
125V
6V
12V
27V-2
GND–AUDIO
27V
+
+
+
+
+
+
+
+
M
+
M
+
TEM2014
SHORT
SHORT
SHORT
SHORT
KETSU
250V1000
PK14A2H825J
250V1000
TLP421F(GR)
AL01Z
KDC-A11(E221)
SHORT
5W4.7
1/6P3.9k
OPEN
SHORT
SHORT
7W 271J
2P 
RZ92P2E180M5
PINPIN GT-PINPIN
15W2.2
1W 0.22ohm
KETSU
470p
4.7k
KTC4075Y-RTK
000
KETSU
KETSU
OPEN
SHORT
TEM2011
AC275V0.22
TRF3247AW
AC275V0.22uF
OPEN
SHORT
OPEN
SHORT
SHORT
*
1/2W2.2M
SHORT
OPEN
SHORT
SHORT
SHORT
OPEN
OPEN
SHORT
SHORT
T4AL/250V
2W 0.12ohmn
TLN3299GH/D
TRF4100AZ
TRF4100AZ
470p
1/6P2.2k
DZ5.6 BS B
1/6P18k
50V47
200V220u
RU-4AM LF-L1
SHORT
SHORT
OPEN
SHORT
SHORT
OPEN
RM73B1HR00OD
SE125N
OPEN
OPEN
35V470
16V2200u
1/6P220
1/6P2.2
2SC5343-Y
1k
400V560u
TLN3481AC/AH/AD
AC250V4700
AC250V4700
TLN3481AC/AH/AD
220p
1/6P220k
EU2JGF
EU2JGF
1/6P470k
1/6P560k
1/6P120k
D5SB60/LN6SB60-F05
1/6P1.5k
DZ5.6 BS B
FN155
DZ15 BS B
TRF3202BQ
AC250V1000
OPEN
OPEN
AC250V1000
TEM2011
1EDG
SHORT
1/6P220
100
1.5k
150k
35V2200
500VB470
RU4Z LF-L1
TEM2011
1/2W R22J
1EDG
35V330
500V470
TEM2011
SHORT
TEM2011
500V470
500V470 EU2JGF PRF40005491
2KV(R1)220
RL2Z
TEM2011
TRF9253D
PRF40005491
PRF400054911EDG
500V470
TEM2011
OPEN
35V3300
63V0.22
EU2JGF
1800p
1/6P2.2k
DZ5.1 BS B
50V4.7
KTC4075Y-RTK 4.7k
DC50VM0.047
KETSU
1EDG
RD33ESAB2
DZ15 BS B
22k
2kV1500pF
HEAT SINK
250V–3.15A
GL889
Q801
T862
GL808
GL895
GL893
GL896
SR83
SR81
C811
R899
C815
Q826
D817
S801
GL828
R812
R838
GL888
C812
R811
TLA0063
TLA0062
R814
P910
R808
GJ807GJ810
GJ809 GJ806
P499P496 P498P497
R810
R813
R829
R830
C888
R842
Q842
R843
TLC0074
TLC0072
D845
Q805
GJ804
GJ803
L815
C801
T801
MA09
C802Z
C802
DEF
P802
GJ805
G106
GJ37
GJ36
C801Z
R801
GJ38
G109
GJ39
F801B
TLC17
P801
GJ33
GJ32
G105
G104
GJ35
GJ34
TLA0007
TLA0008
F801A
F801
R830Z
L885
L889
L888
SL02
SL01
SL04
SL05
C818
SL03
R839
TLC0152
D813
R832
C821
C884
D883
GJ43
GJ42
G108
GJ41
GJ40
G107
DEF
R847
DEF
Q883
GJ08
GJ09
C891
C808
R805
R818
Q803
R837
C810
L805
C805
C806
L806
TLC0119
C823
TLA0044
R820
D807
D808
TLC0097
R825
R826
R817
D801
TLC0095
TLC0093
R831
D812
TLC0102
TLC0106
Q802
TLC0100
D809
TLC0108
TLC0080
T802
C813
TLC0083
TLC0089TLC0087
TLC0081
GJ10
GJ11
TLC0096
TLC0085
C814
L811
TLC0120
TLC0117
D816
D882
GR828
R848
TLC0129
R841
R846
C889
C885
D885
L886
TLA0032
R898
D893
C896
C897
TLC0138
L882
TLC0137
GJ802
TLC0142 TLC0143 TLC0157
TLC0141
L892
C894
C892 D892
Z892
TLA0039
C893
D894
TLA0036
L894
TLA0038
TLA0070
TLC0130
L883
Z894
Z891
D891
TLA0033
C899
TLA0034
TLC0140
L891
TLC0133
TLC0132
TLC0139
TLC0158
TLC0131
GJ801
C895
C898
TLC0136
TLC0156
TLC0155TLC0144
TLC0135
TLC0154TLC0146
TLC0153TLC0145
D818
TLA0029
TLA0030
C824
R834
D841
TLC0125
C809
Q841 R840
TLC0127 TLC0150
TLC0151
C820
R836
TLC0149
D805
TLC0110
D815
D814
R833
TLA0043
C810Z
C817
TLC0121
TLA0040 TLA0041 TLA0042
TLC0112
TLC0114
Q801A
F802
F802B
TLC0122
F802A
FB
GND
OCP
Vin
D
54321
13
12
15
14
11
17
18
16
7
8
5
2
4
5
4
36
12
23
41
BC
G
+-
P
P
P
SCHEMATIC DIAGRAM      MODEL :  29CZ5DE/29CZ5T/29CZ6SI (6/8)
29CZ5DE/29CZ5T/29CZ6SI
MAIN (POWER)
             [SHEET-6/6]

SCHEMATIC DIAGRAM      MODEL :  29CZ5DE/29CZ5T/29CZ6SI (7/8)
29CZ5DE/29CZ5T/29CZ6SI
CRT DRIVE
+12V
+132V
1
TLA002
500V
2W
500V
1/6W
2KV
1/2W
1/2W
1/2W
500V
500V
2
1
+
+
+
+
+
+
M
+
+
+
+
B
C
E
B
C
E
1
B
C
E
B
C
E
B
EC
B
C
E
B
C
E
B
C
E
B
C
E
B
C
E
GND
B
EC
10nF
100ohm
1SS244
1SS244
1SS244
0.47uF
2SC5343-Y
100
KETSU
KETSU
KETSU
1SS133
1SS133
1SS133
3.3V
3.3V
3.3V
100
100
10nF
250V10uF
SHORT KETSU
0.47uF
KETSU
KETSU
1/6P1K
PLUG 4P
1/6P100
1/6P100k
1SS133
150J
16V470
2SC2120-Y
PLUG 3P
16V47
15ohm
1000p
1W5.1
1P
CRT Socket
PLUG 6P
TDA6108AJF
Double Focus Socket 23903145
HEAT SINK 23474116
PLUG 8P
3P_5mm
100ohm
100ohm
100ohm
SHORT
1/2W 1K
100p
EU2A
1/2W 1K
1/2W 1K
100p
OPEN
1/6P100
1/6P56k
1/6P39k
KTC3198Y 25V47
1SS133
KTC3198Y
KTA1266Y
1/6P820
1SS133
1/6P82
1/6P82
1/2R10
1/2R330
2SC752GTM
1/6P47
560
1/6P33k
1/6P3.9k
OPEN
1/6P3.9k
1SS133
1/2R470
KTC3198Y
1/6P27k
1/6P1.8k
KTC3198Y
1/6P470
0.01
KTC3198Y
1/6P1.8k
1/4W22
50V8200p
25V47 1/6P1k
1/6P22k
B1000p
16V47
2R220
1/6P2.7
HC5-035
200V10
1/6P1.2k
1/6P68k
2SC4793
1/6P1k
1/6P1.5k
1SS133
1SS133
100
1/6P1.5k
1/6P68k
4700
100
4700
200V10
1/6P1.2k
TEM2011
2SA1837
56
1/6P62
1/6P62
TEM2011
1/6P2.7
24 7698531
C901
R907
D903 D902 D901
C911
Q909
R911
R910
R909
R908
D914
D916
D915
D918
D919
D920
R912
R913
C903
C904
GJ05 GJ06
TLA003
C910
D912
D917
R939
P704B
R937
R938
D913
R936
C912
Q908
P703
TLC007
TLA065
TLA064
TLA063
TLA062
TLA061
TLA067
TLA057
TLC011
TLC009
TLC005
TLC004
TLA052 TLA051
TLA050TLA049
TLA048TLA047
TLA046
TLC001TLC002
TLC003
TLA042
TLC006
TLC010TLC008
TLA038
TLA037
TLA036
TLA035
TLA034
TLA033
C721
TLA031
TLA005
TLA032
TLA030
TLA029
TLA028
TLA027
TLA026
TLA025
TLA024
TLA023
TLA022
TLA021
TLA020TLA019TLA018TLA017TLA016TLA015TLA014TLA013TLA012
TLA011
TLA010
TLA009
TLA008
TLA007
TLA006
TLA004
TLA001
R992
C902
R920Z
R920
P905
V901A
V901
P903B
Q901
V901B
Q901A
P902B
P900
R906
R905
R904
G901
R903
C931
D911
R901
R902
C930
G920
R760
R709
R713
Q719 C712
D715
Q709
Q710
R702
D721
R734
R732
R730
R731
Q707
R724
C722
R717
R720
GJ01
R719
D720
R722
Q706
R716
R725
Q720
R723
C705
Q773
R775
G714
C704
C707 R721
R715
C726
C718
R743
R741
L702
C720
R744
R733
Q712
R738
R737
D704
D705
C716
R739
R735
C715
C714
C717
C713
R745
L704
Q711
C719
R736
R740
L705
R742
Q712A
Q711A
B
G
R
12V
9V
Small signal GND
Spot Killer and CRT discharge Circuit
<= SVM
CRT-Drive BOARD
9V
1
3
TO P704A
Spark Gap GND
For G3 (Pin1)
Small signal GND
+132V
Aquadag
(SV)
1
11
Single Focus Socket View from Copper Side
23903147
V901A
6
G
14
5
G1
13
G3
H
Spark Gap GND
B
12
9
8
7
G2
HG
R10
Signal Focus
Large signal GND
+200V
HEATER
NC
NC
NC
HEATER GND
1
2
3
4
5
6
Spark Gap
23474116
10 147511689
1312
Focus Voltage (FV)
(FV)
Screen Voltage (SV)
FBT
EHT
EHT
(SV)
1
2
3
+200V
B IN
G IN
R IN
I Black out
GND
B OUT
G OUT
R OUT
+200V
+200V
<= I black
SVM
GND
GND
5
7
6
2R
1
4B
3
TO P902A
SIGNAL BOARD
G
8
G3G2G1
H
HG
R
B
G
G1 G2 G3
POW/DEF BOARD
3
4
1
2
V901M
MAG-1116
2

SCHEMATIC DIAGRAM      MODEL :  29CZ5DE/29CZ5T/29CZ6SI (8/8)
29CZ5DE/29CZ5T/29CZ6SI
FRONT
A
BB
A
21
2
1
23367065
23351255 SPK1401AN
W662
2
1
23351255 SPK1401AN
W661
2
1
PIC-TB19
2SA1980-Y
2SC5343-Y
1/6P1k
1/6P22k
1/6P220
1/6P270
1/6P10k
1/6P47
1/6P75
1/6P100
1/6P47k
1/6P47k
B100pB1000p
SHORT
SHORT
SHORT
B1000p
SHORT
SHORT
KETSU
KETSU
KETSU
KETSU
B5B-EH-A
MTJ-032-39BBA-432 NILF
1/2R270
1/2R270
B 4B-EH-A
SHORT
SHORT
SHORT
B4B-EH-A
B 6B-EH-A
1/6P240 1/6P470
1/6P330
1/6P1.2k 1/6P150
1/6P180
RMT SENSOR
16V47
QB22
QB21
RB35
RB34
RB33
RB32
RB31
RB30
RV26
RV25
RS41RS40
CV25CC17
LC27
LC26
LC25
CC18
RC18
RC17
CC36
CC37
CC34
CC35
P501
DB21
PV03
RS63
RS64
P662
TLA32
P602
TLA33TLA30 TLA31
TLC26
TLC29
TLC25
TLC28
LC06
LC04
LC05
P601B
TLA06TLA05
TLC15
TLC09
TLA03 TLA04TLA01 TLA02
PA21A
TLC12 TLC13TLC11
RB24
SA14
TLC14
RB26
SA16SA15
RB25RB21
SA11
TLC10
RB22
SA13SA12
RB23
KB21
CB21
+
5
4
3
2
1
Vcc
GND
VOUT
4
1
LEFT
RIGHT 3
2
5
VIDEO
E3
RL V
*
*
*
*
AUDIO GND
VIDEO GND
M602
-+
*
LEFT
-
1243
*
+
L/R PHONO JACK
*
M601
RIGHT
*
43 12
AUDIO GND
AUDIO GND
RIGHT
LEFT
5V-1
3.3V-1
REMOTE
LED
2
KEY
431
GND
6
5
VOL UPCH DN MENUVOL DN VIDEOCH UP
RED GREEN