TPS65910,TPS65910A,TPS65910A3,TPS659101,TPS659102,TPS659103TPS659104,TPS659105,TPS659106,TPS659107,TPS659108,TPS659109 Datash Tps659101 Tps659109, Tps65910, Tps65910a, Tps65910a3 Ti
User Manual: Marking of electronic components, SMD Codes 65, 65-, 65910A31A1, 65W, 65p, 65t. Datasheets BAS40-05V, BAS40-05W, TPS65910A31A1RSL, UDZS18B.
Open the PDF directly: View PDF
.
Page Count: 97
- FEATURES
- APPLICATIONS
- DESCRIPTION
- ABSOLUTE MAXIMUM RATINGS
- THERMAL CHARACTERISTICS
- RECOMMENDED OPERATING CONDITIONS
- ESD SPECIFICATIONS
- I/O PULLUP AND PULLDOWN CHARACTERISTICS
- DIGITAL I/O VOLTAGE ELECTRICAL CHARACTERISTICS
- I2C INTERFACE AND CONTROL SIGNALS
- POWER CONSUMPTION
- POWER REFERENCES AND THRESHOLDS
- THERMAL MONITORING AND SHUTDOWN
- 32-kHz RTC CLOCK
- BACKUP BATTERY CHARGER
- VRTC LDO
- VIO SMPS
- VDD1 SMPS
- VDD2 SMPS
- VDD3 SMPS
- VDIG1 AND VDIG2 LDO
- VAUX33 AND VMMC LDO
- VAUX1 AND VAUX2 LDO
- VDAC AND VPLL LDO
- SWITCH-ON/-OFF SEQUENCES AND TIMING
- POWER CONTROL TIMING
- DEVICE INFORMATION
- DETAILED DESCRIPTION
- PACKAGE DESCRIPTION
- APPENDIX A: FUNCTIONAL REGISTERS
- GLOSSARY

TPS65910, TPS65910A, TPS65910A3, TPS659101, TPS659102, TPS659103
TPS659104, TPS659105, TPS659106, TPS659107, TPS659108, TPS659109
www.ti.com
SWCS046T –MARCH 2010–REVISED SEPTEMBER 2013
Integrated Power Management Unit Top Specification
Check for
Samples: TPS65910,TPS65910A,TPS65910A3,TPS659101,TPS659102,TPS659103,TPS659104,TPS659105,TPS659106,
TPS659107,TPS659108,TPS659109
1FEATURES APPLICATIONS
The purpose of the TPS65910 device is to • Portable and handheld systems
provide the following resources: • OMAP3 power management
• Embedded power controller DESCRIPTION
• Two efficient step-down dc-dc converters for The TPS65910 is an integrated power-management
processor cores IC available in 48-QFN package and dedicated to
• One efficient step-down dc-dc converter for I/O applications powered by one Li-Ion or Li-Ion polymer
power battery cell or 3-series Ni-MH cells, or by a 5-V input;
• One efficient step-up 5-V dc-dc converter it requires multiple power rails. The device provides
three step-down converters, one step-up converter,
• SmartReflex™ compliant dynamic voltage and eight LDOs and is designed to support the
management for processor cores specific power requirements of OMAP-based
• 8 LDO voltage regulators and one RTC LDO applications.
(internal purpose) Two of the step-down converters provide power for
• One high-speed I2C interface for general- dual processor cores and are controllable by a
purpose control commands (CTL-I2C) dedicated class-3 SmartReflex interface for optimum
• One high-speed I2C interface for SmartReflex power savings. The third converter provides power for
Class 3 control and command (SR-I2C) the I/Os and memory in the system.
• Two enable signals multiplexed with SR-I2C, The device includes eight general-purpose LDOs
configurable to control any supply state and providing a wide range of voltage and current
processor cores supply voltage capabilities; they are fully controllable by the I2C
interface. The use of the LDOs is flexible; they are
• Thermal shutdown protection and hot-die intended to be used as follows: Two LDOs are
detection designated to power the PLL and video DAC supply
• A real-time clock (RTC) resource with: rails on the OMAP based processors, four general-
– Oscillator for 32.768-kHz crystal or 32-kHz purpose auxiliary LDOs are available to provide
built-in RC oscillator power to other devices in the system, and two LDOs
are provided to power DDR memory supplies in
– Date, time and calendar applications requiring these memories.
– Alarm capability In addition to the power resources, the device
• One configurable GPIO contains an embedded power controller (EPC) to
• DC-DC switching synchronization through manage the power sequencing requirements of the
internal or external 3-MHz clock OMAP systems and an (RTC).
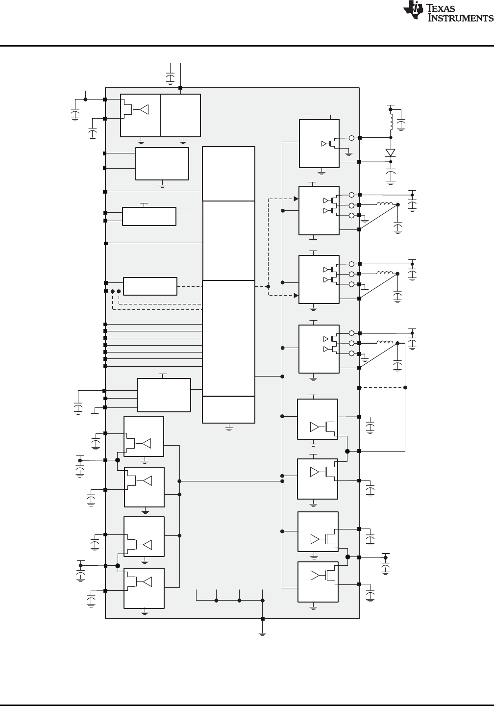
Figure 1 shows the top-level diagram of the device.
1
Please be aware that an important notice concerning availability, standard warranty, and use in critical applications of
Texas Instruments semiconductor products and disclaimers thereto appears at the end of this data sheet.
PRODUCTION DATA information is current as of publication date. Copyright © 2010–2013, Texas Instruments Incorporated
Products conform to specifications per the terms of the Texas
Instruments standard warranty. Production processing does not
necessarily include testing of all parameters.

VFB1
INT1
PWRON
VREF
REFGND
Test interface
CLK32KOUT
VAUX33
VMMC
OSC32KIN
OSC32KOUT
TESTV
SLEEP
NRESPWRON
PWRHOLD
BOOT1
BOOT0
SDASR_EN2
SCLSR_EN1
SDA_SDI
VDAC
VPLL
VAUX1
VRTC
Real-time
clock
VFB3
SW3
VDIG2
VAUX2
VDIG1
VDD1
(SMPS)
VCC1
GND1
SW1
VFBIO
VBAT
VCC7
VCC7
VCC7
VBAT
VBAT
VBAT VCC6
VCC3
VCC4
VCC5
VCC 7
VBAT
VCC7
VDDIO
VDDIO
AGND2
AGND
AGND
GNDA
GNDA
DGND
VAUX33
REFGND
GND3
OSC
32-kHz
SCL_SCK
Bus
control
GPIO_CKSYNC
Power
control
state-
machine
Analog
references
and comparators
VBACKUP
Backup
management
VRTC (LDO)
and POR
VFB2
VCC2
GND2
SW2
VCCIO
GNDIO
SWIO
GNDP
AGND
AGND2
AGND2
VDAC
(LDO)
VPLL
(LDO)
VAUX1
(LDO)
VAUX2
(LDO)
VDIG1
(LDO)
AGND2
AGND2
AGND2
VDIG2
(LDO)
VAUX33
(LDO)
VMMC
(LDO)
I C
2
I C
2
AGND2
AGND
AGND
VCC7
VCC7
VCC4
VDD2
(SMPS)
VIO
(SMPS)
VDD3
(SMPS)
SWCS046-001
GNDP: Power pad ground
Ci(VCC7)
Co(VRTC)
Co(VREF)
Co(VDAC)
Ci(VCC5)
CBB
Co(VPLL)
Co(VAUX1)
Ci(VCC4)
Co(VAUX2)
DGND AGND AGND2 GND3
Co(VMMC)
VBAT
Ci(VCC4)
Co(VAUX33)
Co(VDIG2)
Co(VDIG1)
Co(VIO)
Ci(VCCIO)
VBAT
Ci(VCC2)
Co(VDD2)
VBAT
Ci(VCC1)
Co(VDD1)
Co(VDD3)
Ci(VDD3)
TPS65910, TPS65910A, TPS65910A3, TPS659101, TPS659102, TPS659103
TPS659104, TPS659105, TPS659106, TPS659107, TPS659108, TPS659109
SWCS046T –MARCH 2010–REVISED SEPTEMBER 2013
www.ti.com
Figure 1. 48-QFN Top-Level Diagram
2Submit Documentation Feedback Copyright © 2010–2013, Texas Instruments Incorporated
Product Folder Links: TPS65910 TPS65910A TPS65910A3 TPS659101 TPS659102 TPS659103 TPS659104
TPS659105 TPS659106 TPS659107 TPS659108 TPS659109

TPS65910, TPS65910A, TPS65910A3, TPS659101, TPS659102, TPS659103
TPS659104, TPS659105, TPS659106, TPS659107, TPS659108, TPS659109
www.ti.com
SWCS046T –MARCH 2010–REVISED SEPTEMBER 2013
Table 1. SUPPORTED PROCESSORS AND CORRESPONDING PART NUMBERS
Compatible Processor(1) Part Number(1)
TI processor - AM335x with DDR2 TPS65910AA1RSL
TI processor - AM335x with DDR3 TPS65910A3A1RSL
TI processor - AM335x with DDR3(2) TPS65910A31A1RSL
TI processors - AM1705/07, AM1806/08, AM3505/17, AM3703/15, DM3730/25, TPS65910A1RSL
OMAP-L137/38, OMAP3503/15/25/30, TMS320C6742/6/8
Samsung - S5PV210, S5PC110 TPS659101A1RSL
Rockchip - RK29xx, RK30xx TPS659102A1RSL
Samsung - S5PC100 TPS659103A1RSL
Samsung - S5P6440 TPS659104A1RSL
TI processors - DM643x, DM644x TPS659105A1RSL
Reserved TPS659106A1RSL
Freescale - i.MX27, Freescale - i.MX35 TPS659107A1RSL
Freescale - i.MX508 TPS659108A1RSL
Freescale - i.MX51 TPS659109A1RSL
(1) The RSL package is available in tape and reel. See for details for corresponding part numbers, quantities and ordering information.
(2) Refer to SWCU093 document.
ABSOLUTE MAXIMUM RATINGS
over operating free-air temperature range (unless otherwise noted)
Stresses beyond those listed under below may cause permanent damage to the device. These are stress ratings only and
functional operation of the device at these or any other conditions beyond those indicated below are not implied. Exposure to
absolute-maximum-rated conditions for extended periods may affect device reliability.
The absolute maximum ratings for the TPS65910 device are listed below:
PARAMETER MIN MAX UNIT
Voltage range on pins/balls VCC1, VCC2, VCCIO, VCC3, VCC4, –0.3 7 V
VCC5, VCC6, VCC7
Voltage range on pins/balls VDDIO –0.3 3.6 V
Voltage range on pins/balls OSC32KIN, OSC32KOUT, BOOT1, –0.3 VRTCMAX + 0.3 V
BOOT0
Voltage range on pins/balls SDA_SDI, SCL_SCK, SDASR_EN2, –0.3 VDDIOMAX + 0.3 V
SCLSR_EN1, SLEEP, INT1, CLK32KOUT, NRESPWRON
Voltage range on pins/balls PWRON –0.3 7 V
Voltage range on pins/balls PWRHOLD(1) GPIO_CKSYNC(2) –0.3 7 V
Functional junction temperature range –45 150 °C
Peak output current on all other terminals than power resources –5 5 mA
(1) I/O supplied from VDDIO but which can be driven from to a VBAT voltage level
(2) I/O supplied from VRTC but can be driven to a VBAT voltage level
THERMAL CHARACTERISTICS
over operating free-air temperature range (unless otherwise noted)
DERATING
TA < 25°C Power FACTOR ABOVE TA = 70°C Power TA = 85°C Power
Package Rθja (°C/W) Rating (W) 25 °C (W) Rating (W)
(mW/°C)
RSL 48-QFN 37 2.6 37 1.48 1
The thermal resistance RθJP junction-to-power PAD of the RSL package is 1.1°C/W
The value of thermal resistance RθJA junction-to-ambient was measured on a high K.
Copyright © 2010–2013, Texas Instruments Incorporated Submit Documentation Feedback 3
Product Folder Links: TPS65910 TPS65910A TPS65910A3 TPS659101 TPS659102 TPS659103 TPS659104
TPS659105 TPS659106 TPS659107 TPS659108 TPS659109

TPS65910, TPS65910A, TPS65910A3, TPS659101, TPS659102, TPS659103
TPS659104, TPS659105, TPS659106, TPS659107, TPS659108, TPS659109
SWCS046T –MARCH 2010–REVISED SEPTEMBER 2013
www.ti.com
RECOMMENDED OPERATING CONDITIONS
over operating free-air temperature range (unless otherwise noted)
Lists of the recommended operating maximum ratings for the TPS65910 device are given below.
Note1: VCC7 should be connected to the highest supply that is connected to the device VCCx pin. The exception is that
VCC2 and VCC4 can be higher than VCC7.
Note2: VCC2 and VCC4 must be connected together (to the same voltage).
Note3: If VDD3 boost is used, VAUX33 must be set to 2.8 V or higher and enabled before VDD3.
PARAMETER TEST CONDITIONS MIN NOM MAX UNIT
VCC: Input voltage range on pins/balls VCC1, VCC2, VCCIO, VCC3, VCC4, VCC5, 2.7 3.6 5.5 V
VCC7
VCCP: Input voltage range on pins/balls VCC6 1.7 3.6 5.5 V
Input voltage range on pins/balls VDDIO 1.65 1.8/3.3 3.45 V
Input voltage range on pins/balls PWRON 0 3.6 5.5 V
Input voltage range on pins/balls SDA_SDI, SCL_SCK, SDASR_EN2, SCLSR_EN1, 1.65 VDDIO 3.45 V
SLEEP
Input voltage range on pins/balls PWRHOLD, GPIO_CKSYNC 1.65 VDDIO 5.5 V
Input voltage range on balls BOOT1, BOOT0, OSC32KIN 1.65 VRTC 1.95 V
Operating free-air temperature, TA–40 27 85 °C
Junction temperature TJ–40 27 125 °C
Storage temperature range –65 27 150 °C
Lead temperature (soldering, 10 s) 260 °C
Power References
VREF filtering capacitor CO(VREF) Connected from VREF to REFGND 100 nF
VDD1 SMPS
Input capacitor CI(VCC1) X5R or X7R dielectric 10 µF
Filter capacitor CO(VDD1) X5R or X7R dielectric 4 10 12 µF
COfilter capacitor ESR f = 3 MHz 10 300 mΩ
Inductor LO(VDD1) 2.2 µH
LOinductor dc resistor DCRL125 mΩ
VDD2 SMPS
Input capacitor CI(VCC2) X5R or X7R dielectric 10 µF
Filter capacitor CO(VDD2) X5R or X7R dielectric 4 10 12 µF
COfilter capacitor ESR f = 3 MHz 10 300 mΩ
Inductor LO(VDD2) 2.2 µH
LOinductor dc resistor DCRL125 mΩ
VIO SMPS
Input capacitor CI(VIO) X5R or X7R dielectric 10 µF
Filter capacitor CO(VIO) X5R or X7R dielectric 4 10 12 µF
COfilter capacitor ESR f = 3 MHz 10 300 mΩ
Inductor LO(VIO) 2.2 µH
LOinductor dc resistor DCRL125 mΩ
VDIG1 LDO
Input capacitor CI(VCC6) X5R or X7R dielectric 4.7 µF
Filtering capacitor CO(VDIG1) 0.8 2.2 2.64 µF
COfiltering capacitor ESR 0 500 mΩ
VDIG2 LDO
Filtering capacitor CO(VDIG2) 0.8 2.2 2.64 µF
COfiltering capacitor ESR 0 500 mΩ
VPLL LDO
Input capacitor CI(VCC5) X5R or X7R dielectric 4.7 µF
Filtering capacitor CO(VPLL) 0.8 2.2 2.64 µF
4Submit Documentation Feedback Copyright © 2010–2013, Texas Instruments Incorporated
Product Folder Links: TPS65910 TPS65910A TPS65910A3 TPS659101 TPS659102 TPS659103 TPS659104
TPS659105 TPS659106 TPS659107 TPS659108 TPS659109

TPS65910, TPS65910A, TPS65910A3, TPS659101, TPS659102, TPS659103
TPS659104, TPS659105, TPS659106, TPS659107, TPS659108, TPS659109
www.ti.com
SWCS046T –MARCH 2010–REVISED SEPTEMBER 2013
RECOMMENDED OPERATING CONDITIONS (continued)
over operating free-air temperature range (unless otherwise noted)
Lists of the recommended operating maximum ratings for the TPS65910 device are given below.
Note1: VCC7 should be connected to the highest supply that is connected to the device VCCx pin. The exception is that
VCC2 and VCC4 can be higher than VCC7.
Note2: VCC2 and VCC4 must be connected together (to the same voltage).
Note3: If VDD3 boost is used, VAUX33 must be set to 2.8 V or higher and enabled before VDD3.
PARAMETER TEST CONDITIONS MIN NOM MAX UNIT
COfiltering capacitor ESR 0 500 mΩ
VDAC LDO
Filtering capacitor CO(VDAC) 0.8 2.2 2.64 µF
COfiltering capacitor ESR 0 500 mΩ
VMMC LDO
Input capacitor CI(VCC4) X5R or X7R dielectric 4.7 µF
Filtering capacitor CO(VMMC) 0.8 2.2 2.64 µF
COfiltering capacitor ESR 0 500 mΩ
VAUX33 LDO
Filtering capacitor CO(VAUX33) 0.8 2.2 2.64 µF
COfiltering capacitor ESR 0 500 mΩ
VAUX1 LDO
Input capacitor CI(VCC3) X5R or X7R dielectric 4.7 µF
Filtering capacitor CO(VAUX1) 0.8 2.2 2.64 µF
COfiltering capacitor ESR 0 500 mΩ
VAUX2 LDO
Filtering capacitor CO(VAUX2) 0.8 2.2 2.64 µF
COfiltering capacitor ESR 0 500 mΩ
VRTC LDO
Input capacitor CI(VCC7) X5R or X7R dielectric 4.7 µF
Filtering capacitor CO(VRTC) 0.8 2.2 2.64 µF
COfiltering capacitor ESR 0 500 mΩ
VDD3 SMPS
Input capacitor CI(VDD3) X5R or X7R dielectric 4.7 µF
Filter capacitor CO(VDD3) X5R or X7R dielectric 4 10 12 µF
COfilter capacitor ESR f = 1 MHz 10 300 mΩ
Inductor LO(VDD3) 2.8 4.7 6.6 µH
LOinductor DC resistor DCRL50 500 mΩ
Backup Battery
Battery or superCap supplying VBACKUP 5 10 2000 mF
Backup battery capacitor CBB Capacitor supplying VBACKUP 1 40 µF
5 to 15 mF 10 1500
Series resistors Ω
100 to 2000 mF 5 15
I2C Interfaces
SDA_SDI, SCL_SCK, SDASR_EN2, Connected to VDDIO 1.2 kΩ
SCLSR_EN1 external pull-up resistor
Crystal Oscillator (connected from OSC32KIN to OSC32KOUT)
Crystal frequency @ specified load cap value 32.768 kHz
Crystal tolerance @ 27°C –20 0 20 ppm
Oscillator contribution (not including crystal
Frequency Temperature coefficient. –0.5 0.5 ppm/°C
variation)
Secondary temperature coefficient –0.04 –0.035 –0.03 ppm/°C2
Voltage coefficient –2 2 ppm/V
Copyright © 2010–2013, Texas Instruments Incorporated Submit Documentation Feedback 5
Product Folder Links: TPS65910 TPS65910A TPS65910A3 TPS659101 TPS659102 TPS659103 TPS659104
TPS659105 TPS659106 TPS659107 TPS659108 TPS659109

TPS65910, TPS65910A, TPS65910A3, TPS659101, TPS659102, TPS659103
TPS659104, TPS659105, TPS659106, TPS659107, TPS659108, TPS659109
SWCS046T –MARCH 2010–REVISED SEPTEMBER 2013
www.ti.com
RECOMMENDED OPERATING CONDITIONS (continued)
over operating free-air temperature range (unless otherwise noted)
Lists of the recommended operating maximum ratings for the TPS65910 device are given below.
Note1: VCC7 should be connected to the highest supply that is connected to the device VCCx pin. The exception is that
VCC2 and VCC4 can be higher than VCC7.
Note2: VCC2 and VCC4 must be connected together (to the same voltage).
Note3: If VDD3 boost is used, VAUX33 must be set to 2.8 V or higher and enabled before VDD3.
PARAMETER TEST CONDITIONS MIN NOM MAX UNIT
Max crystal series resistor @ Fundamental frequency 90 kΩ
Crystal load capacitor According to crystal data sheet 6 12.5 pF
Load crystal oscillator Coscin parallel mode Including parasitic PCB capacitor 12 25 pF
,Coscout
Quality factor 8000 80000
ESD SPECIFICATIONS
over operating free-air temperature range (unless otherwise noted)
TI STANDARD
ESD METHOD STANDARD REFERENCE PERFORMANCE REQUIREMENTS
Human body model (HBM) EIA/JESD22-A114D 2000 V 2000 V
Charge device model (CDM) EIA/JESD22-C101C 500 V 500 V
6Submit Documentation Feedback Copyright © 2010–2013, Texas Instruments Incorporated
Product Folder Links: TPS65910 TPS65910A TPS65910A3 TPS659101 TPS659102 TPS659103 TPS659104
TPS659105 TPS659106 TPS659107 TPS659108 TPS659109

TPS65910, TPS65910A, TPS65910A3, TPS659101, TPS659102, TPS659103
TPS659104, TPS659105, TPS659106, TPS659107, TPS659108, TPS659109
www.ti.com
SWCS046T –MARCH 2010–REVISED SEPTEMBER 2013
I/O PULLUP AND PULLDOWN CHARACTERISTICS
over operating free-air temperature range (unless otherwise noted) (1)
PARAMETER TEST CONDITIONS MIN TYP MAX UNIT
SDA_SDI, SCL_SCK, SDASR_EN2,
SCLSR_EN1 Programmable pullup (DFT, default Grounded, VDDIO = 1.8 V –45% 8 +45% kΩ
inactive)
SLEEP programmable pulldown (default active) @ 1.8 V, VRTC = 1.8 V 2 4.5 10 µA
@ 1.8 V, VRTC = 1.8 V, VCC7 = 2.7 2 4.5 10
V
PWRHOLD programmable pulldown (default µA
active) @ 5.5 V, VRTC = 1.8 V, VCC7 = 5.5 7 14 30
V
BOOT0, BOOT1 programmable pulldown (default @ 1.8 V, VRTC = 1.8 V 2 4.5 10 µA
active)
NRESPWRON pulldown @ 1.8 V, VCC7 = 5.5 V, OFF state 2 4.5 10 µA
32KCLKOUT pulldown (disabled in Active-sleep @ 1.8 V, VRTC = 1.8 V, OFF state 2 4.5 10 µA
state)
PWRON programmable pullup (default active) Grounded, VCC7 = 5.5 V –40 –31 –15 µA
GPIO_CKSYNC programmable pullup (default Grounded, VRTC = 1.8 V –27 –18 –9 µA
active)
(1) The internal pullups on the CTL-I2C and SR-I2C balls are used for test purposes or when the SR-I2C interface is not used. Discrete
pullups to the VIO supply must be mounted on the board in order to use the I2C interfaces. The internal I2C pullups must not be used for
functional applications
Copyright © 2010–2013, Texas Instruments Incorporated Submit Documentation Feedback 7
Product Folder Links: TPS65910 TPS65910A TPS65910A3 TPS659101 TPS659102 TPS659103 TPS659104
TPS659105 TPS659106 TPS659107 TPS659108 TPS659109

TPS65910, TPS65910A, TPS65910A3, TPS659101, TPS659102, TPS659103
TPS659104, TPS659105, TPS659106, TPS659107, TPS659108, TPS659109
SWCS046T –MARCH 2010–REVISED SEPTEMBER 2013
www.ti.com
DIGITAL I/O VOLTAGE ELECTRICAL CHARACTERISTICS
over operating free-air temperature range (unless otherwise noted)
PARAMETER MIN TYP MAX UNIT
Related I/O: PWRON
Low-level input voltage VIL 0.3 x VCC7 V
High-level input voltage VIH 0.7 x VCC7 V
Related I/Os: PWRHOLD, GPIO_CKSYNC
Low-level input voltage VIL 0.45 V
VDDIO/V
High-level input voltage VIH 1.3 VCC7 V
CC7
Related I/Os: BOOT0, BOOT1, OSC32KIN
Low-level input voltage VIL 0.35 x VRTC V
High-level input voltage VIH 0.65 x VRTC V
Related I/Os: SLEEP
Low-level input voltage VIL 0.35 x VDDIO V
High-level input voltage VIH 0.65 x VDDIO V
Related I/Os: NRESPWRON, INT1, 32KCLKOUT
Low-level output voltage VOL IOL = 100 µA 0.2 V
IOL = 2 mA 0.45 V
High-level output voltage VOH IOH = 100 µA VDDIO – 0.2 V
IOH = 2 mA VDDIO – 0.45 V
Related Open-Drain I/Os: GPIO0
Low-level output voltage VOL IOL = 100 µA 0.2 V
IOL = 2 mA 0.45 V
I2C-Specific Related I/Os: SCL, SDA, SCLSR_EN1, SDASR_EN2
Low-level input voltage VIL –0.5 0.3 x VDDIO V
High-level input voltage VIH 0.7 x VDDIO V
Hysteresis 0.1 x VDDIO V
Low-level output voltage VOL @ 3mA (sink current), VDDIO = 1.8 V 0.2 × VDDIO V
Low-level output voltage VOL @ 3mA (sink current), VDDIO = 3.3 V 0.4 x VDDIO V
8Submit Documentation Feedback Copyright © 2010–2013, Texas Instruments Incorporated
Product Folder Links: TPS65910 TPS65910A TPS65910A3 TPS659101 TPS659102 TPS659103 TPS659104
TPS659105 TPS659106 TPS659107 TPS659108 TPS659109

TPS65910, TPS65910A, TPS65910A3, TPS659101, TPS659102, TPS659103
TPS659104, TPS659105, TPS659106, TPS659107, TPS659108, TPS659109
www.ti.com
SWCS046T –MARCH 2010–REVISED SEPTEMBER 2013
I2C INTERFACE AND CONTROL SIGNALS
over operating free-air temperature range (unless otherwise noted)
NO. PARAMETER TEST CONDITIONS MIN TYP MAX
INT1 rise and fall times, CL= 5 to 35 pF 5 10 ns
NRESPWRON rise and fall times, CL= 5 to 35 pF 5 10 ns
SLAVE HIGH–SPEED MODE
SCL/SCLSR_EN1 and SDA/SDASR_EN2 rise and fall 10 80 ns
time, CL= 10 to 100 pF
Data rate 3.4 Mbps
I3 tsu(SDA-SCLH) Setup time, SDA valid to SCL high 10 ns
I4 th(SCLL-SDA) Hold time, SDA valid from SCL low 0 70 ns
I7 tsu(SCLH-SDAL) Setup time, SCL high to SDA low 160 ns
I8 th(SDAL-SCLL) Hold time, SCL low from SDA low 160 ns
I9 tsu(SDAH-SCLH) Setup time, SDA high to SCL high 160 ns
SLAVE FAST MODE
SCL/SCLSR_EN1 and SDA/SDASR_EN2 rise and fall 20 + 250 ns
time, CL= 10 to 400 pF 0.1 × CL
Data rate 400 Kbps
I3 tsu(SDA-SCLH) Setup time, SDA valid to SCL high 100 ns
I4 th(SCLL-SDA) Hold time, SDA valid from SCL low 0 0.9 µs
I7 tsu(SCLH-SDAL) Setup time, SCL high to SDA low 0.6 µs
I8 th(SDAL-SCLL) Hold time, SCL low from SDA low 0.6 µs
I9 tsu(SDAH-SCLH) Setup time, SDA high to SCL high 0.6 µs
SLAVE STANDARD MODE
SCL/SCLSR_EN1 and SDA/SDASR_EN2 rise and fall 250 ns
time, CL= 10 to 400 pF
Data rate 100 Kbps
I3 tsu(SDA-SCLH) Setup time, SDA valid to SCL high 250 ns
I4 th(SCLL-SDA) Hold time, SDA valid from SCL low 0 µs
I7 tsu(SCLH-SDAL) Setup time, SCL high to SDA low 4.7 µs
I8 th(SDAL-SCLL) Hold time, SCL low from SDA low 4 µs
I9 tsu(SDAH-SCLH) Setup time, SDA high to SCL high 4 µs
SWITCHING CHARACTERISTICS
SLAVE HIGH–SPEED MODE
I1 tw(SCLL) Pulse duration, SCL low 160 ns
I2 tw(SCLH) Pulse duration, SCL high 60 ns
SLAVE FAST MODE
I1 tw(SCLL) Pulse duration, SCL low 1.3 µs
I2 tw(SCLH) Pulse duration, SCL high 0.6 µs
SLAVE STANDARD MODE
I1 tw(SCLL) Pulse duration, SCL low 4.7 µs
I2 tw(SCLH) Pulse duration, SCL high 4 µs
Copyright © 2010–2013, Texas Instruments Incorporated Submit Documentation Feedback 9
Product Folder Links: TPS65910 TPS65910A TPS65910A3 TPS659101 TPS659102 TPS659103 TPS659104
TPS659105 TPS659106 TPS659107 TPS659108 TPS659109

TPS65910, TPS65910A, TPS65910A3, TPS659101, TPS659102, TPS659103
TPS659104, TPS659105, TPS659106, TPS659107, TPS659108, TPS659109
SWCS046T –MARCH 2010–REVISED SEPTEMBER 2013
www.ti.com
POWER CONSUMPTION
over operating free-air temperature range (unless otherwise noted)
All current consumption measurements are relative to the FULL chip, all VCC inputs set to VBAT voltage.
PARAMETER TEST CONDITIONS MIN TYP MAX UNIT
Device BACKUP state VBAT = 2.4 V, VBACKUP = 0 V, 11 16 µA
VBAT = 0 V, VBACKUP = 3.2 V 6 9
Device OFF state VBAT = 3.6 V, CK32K clock running
BOOT[1:0] = 00: 32-kHz RC oscillator 16.5 23
BOOT[1:0] = 01: 32-kHz quartz or bypass oscillator, BOOT0P 15 20
= 0 µA
BOOT[1:0] = 01, Backup Battery Charger on, VBACKUP = 3.2 32 42
V
VBAT = 5 V, CK32K clock running: 20 28
BOOT[1:0] = 00: RC oscillator
Device SLEEP state VBAT = 3.6 V, CK32K clock running, PWRHOLDP = 0
BOOT[1:0] = 00, 3 DC-DCs on, 5 LDOs and VRTC on, no load 295 µA
BOOT[1:0] = 01, 3 DC-DCs on, 3 LDOs and VRTC on, no load, 279
BOOT0P = 0
Device ACTIVE state VBAT = 3.6 V, CK32K clock running, PWRHOLDP = 0
BOOT[1:0] = 00, 3 DC-DCs on, 5 LDOs and VRTC on, no load 1
BOOT[1:0] = 01, 3 DC-DCs on, 3 LDOs and VRTC on, no load, 0.9 mA
BOOT0P = 0
BOOT[1:0] = 00, 3 DC-DCs on PWM mode (VDD1_PSKIP =
VDD2_PSKIP = VIO_PSKIP = 0), 5 LDOs and VRTC on, no 21
load
POWER REFERENCES AND THRESHOLDS
over operating free-air temperature range (unless otherwise noted)
PARAMETER TEST CONDITIONS MIN TYP MAX UNIT
Output reference voltage (VREF Device in active or low-power mode –1% 0.85 +1% V
terminal)
Main battery charged Measured on VCC7 terminal
threshold VMBCH (programmable) Triggering monitored through NRESPRWON
VMBCH_VSEL = 11, BOOT[1:0] = 11 or 00 3
VMBCH_VSEL = 10 2.9 V
VMBCH_VSEL = 01 2.8
VMBCH_VSEL = 00 bypassed
Main battery discharged Measured on VCC7 terminal (MTL prg) VMBCH – V
threshold VMBDCH (programmable) Triggering monitored through INT1 100 mV
Main battery low threshold VMBLO Measured on VCC7 terminal (Triggering 2.5 2.6 2.7 V
(MB comparator) monitored on terminal NRESPWRON)
VBACKUP = 0 V, measured on terminal VCC7
Main battery high threshold VMBHI 2.6 2.75 3
(MB comparator) V
VBACKUP = 3.2 V, measured on terminal VCC7 2.5 2.55 3
Main battery not present threshold Measured on terminal VCC7 1.9 2.1 2.2 V
VBNPR (Triggering monitored on terminal VRTC)
VCC = 3.6 V
Ground current (analog references
+ comparators + backup battery Device in OFF state 8 µA
switch) Device in ACTIVE or SLEEP state 20
10 Submit Documentation Feedback Copyright © 2010–2013, Texas Instruments Incorporated
Product Folder Links: TPS65910 TPS65910A TPS65910A3 TPS659101 TPS659102 TPS659103 TPS659104
TPS659105 TPS659106 TPS659107 TPS659108 TPS659109

TPS65910, TPS65910A, TPS65910A3, TPS659101, TPS659102, TPS659103
TPS659104, TPS659105, TPS659106, TPS659107, TPS659108, TPS659109
www.ti.com
SWCS046T –MARCH 2010–REVISED SEPTEMBER 2013
THERMAL MONITORING AND SHUTDOWN
over operating free-air temperature range (unless otherwise noted)
PARAMETER TEST CONDITIONS MIN TYP MAX UNIT
Hot-die temperature rising threshold THERM_HDSEL[1:0] = 00 117
THERM_HDSEL[1:0] = 01 121 °C
THERM_HDSEL[1:0] = 10 113 125 136
THERM_HDSEL[1:0] = 11 130
Hot-die temperature hysteresis 10 °C
Thermal shutdown temperature rising 136 148 160 °C
threshold
Thermal shutdown temperature hysteresis 10 °C
Device in ACTIVE state, Temp = 27°C,
Ground current 6 µA
VCC7 = 3.6 V
32-kHz RTC CLOCK
over operating free-air temperature range (unless otherwise noted)
PARAMETER TEST CONDITIONS MIN TYP MAX UNIT
CLK32KOUT rise and fall time CL= 35 pF 10 ns
Bypass Clock (OSC32KIN: input, OSC32KOUT floating)
Input bypass clock frequency OSCKIN input 32 kHz
Input bypass clock duty cycle OSCKIN input 40% 60%
Input bypass clock rise and fall time 10% – 90%, OSC32KIN input, 10 20 ns
CLK32KOUT duty cycle Logic output signal 40% 60%
Bypass clock setup time 32KCLKOUT output 1 ms
Ground current Bypass mode 1.5 µA
Crystal oscillator (connected from OSC32KIN to OSC32KOUT)
Output frequency CK32KOUT output 32.768 kHz
Oscillator startup time On power on 2 s
Ground current 1.5 µA
RC oscillator (OSC32KIN: grounded, OSC32KOUT floating)
Output frequency CK32KOUT output 32 kHz
Output frequency accuracy @ 25°C –15% 0% +15%
Cycle jitter (RMS) Oscillator contribution +10%
Output duty cycle +40% +50% +60%
Settling time 150 µs
Ground current Active @ fundamental frequency 4 µA
Copyright © 2010–2013, Texas Instruments Incorporated Submit Documentation Feedback 11
Product Folder Links: TPS65910 TPS65910A TPS65910A3 TPS659101 TPS659102 TPS659103 TPS659104
TPS659105 TPS659106 TPS659107 TPS659108 TPS659109

TPS65910, TPS65910A, TPS65910A3, TPS659101, TPS659102, TPS659103
TPS659104, TPS659105, TPS659106, TPS659107, TPS659108, TPS659109
SWCS046T –MARCH 2010–REVISED SEPTEMBER 2013
www.ti.com
BACKUP BATTERY CHARGER
over operating free-air temperature range (unless otherwise noted)
PARAMETER TEST CONDITIONS MIN TYP MAX UNIT
Backup battery charging current VBACKUP = 0 to 2.4 V, BBCHEN = 1 350 500 700 µA
End-of-charge backup battery VCC7 = 3.6 V, BBSEL = 10 –3% 3.15 +3%
voltage(1)
VCC7 = 3.6 V, BBSEL = 00 –3% 3 +3% V
VCC7 = 3.6 V, BBSEL = 01 –3% 2.52 +3%
VBAT –
VCC7 = 3.6 V, BBSEL = 11 VBAT
0.3 V
Ground current On mode 10 µA
(1) Note:
(a) BBSEL = 10, 00, or 01 intended to charge battery or superCap
(b) BBSEL = 11 intended to charge capacitor
VRTC LDO
over operating free-air temperature range (unless otherwise noted)
PARAMETER TEST CONDITIONS MIN TYP MAX UNIT
Input voltage VIN On mode 2.5 5.5 V
Back-up mode 1.9 5.5
DC output voltage VOUT On mode, 3.0 V < VIN < 5.5 V 1.78 1.83 1.88 V
Back-up mode, 2.3 V ≤VIN ≤2.6 V 1.72 1.78 1.84
Rated output current IOUTmax On mode 20 mA
Back-up mode 0.1
DC load regulation On mode, IOUT = IOUTmax to 0 50 mV
Back-up mode, IOUT = IOUTmax to 0 50
DC line regulation On mode, VIN = 3.0 V to VINmax @ IOUT = IOUTmax 2.5
mV
Back-up mode, VIN = 2.3 V to 5.5 V @ IOUT =25
IOUTmax
Transient load regulation On mode, VIN = VINmin + 0.2 V to VINmax 50 (1) mV
IOUT = IOUTmax/2 to IOUTmax in 5 µs
and IOUT = IOUTmax to IOUTmax/2 in 5 µs
Transient line regulation On mode, VIN = VINmin + 0.5 V to VINmin in 30 µs 25 (1) mV
And VIN = VINmin to VINmin + 0.5 V in 30 µs, IOUT =
IOUTmax/2
IOUT = 0, VIN rising from 0 up to 3.6 V, @ VOUT =
Turn-on time 2.2 ms
0.1 V up to VOUTmin
VIN = VINDC + 100 mVpp tone, VINDC+ = VINmin +
Ripple rejection 0.1 V to VINmax @ IOUT = IOUTmax/2
f = 217 Hz 55 dB
f = 50 kHz 35
Ground current Device in ACTIVE state 23 µA
Device in BACKUP or OFF state 3
(1) These parameters are not tested. They are used for design specification only.
12 Submit Documentation Feedback Copyright © 2010–2013, Texas Instruments Incorporated
Product Folder Links: TPS65910 TPS65910A TPS65910A3 TPS659101 TPS659102 TPS659103 TPS659104
TPS659105 TPS659106 TPS659107 TPS659108 TPS659109

TPS65910, TPS65910A, TPS65910A3, TPS659101, TPS659102, TPS659103
TPS659104, TPS659105, TPS659106, TPS659107, TPS659108, TPS659109
www.ti.com
SWCS046T –MARCH 2010–REVISED SEPTEMBER 2013
VIO SMPS
over operating free-air temperature range (unless otherwise noted)
PARAMETER TEST CONDITIONS MIN TYP MAX UNIT
Input voltage (VCCIO and VCC7) VIN IOUT ≤800 mA 2.7 5.5
VOUT = 1.5 V or 1.8 V, IOUT > 800 mA 3.2 5.5 V
VOUT = 2.5 V, IOUT > 800 mA 4.0 5.5
VOUT = 3.3 V, IOUT > 800 mA 4.4 5.5
PWM mode (VIO_PSKIP = 0) or pulse skip
DC output voltage (VOUT)mode IOUT to IMAX
VSEL=00 –3% 1.5 +3%
VSEL = 01, default BOOT[1:0] = 00 and 01 –3% 1.8 +3%
VSEL = 10 –3% 2.5 +3% V
VSEL = 11 –3% 3.3 +3%
Power down 0
Rated output current IOUTmax ILMAX[1:0] = 00, default 500 mA
ILMAX[1:0] = 01 1000
P-channel MOSFET VIN = VINmin 300 mΩ
On-resistance RDS(ON)_PMOS VIN = 3.8 V 250 400
P-channel leakage current ILK_PMOS VIN = VINMAX, SWIO = 0 V 2 µA
N-channel MOSFET VIN = VMIN 300 mΩ
On-resistance RDS(ON)_NMOS VIN = 3.8 V 250 400
N-channel leakage current ILK_NMOS VIN = VINmax, SWIO = VINmax 2 µA
PMOS current limit (high-side) VIN = VINmin to VINmax, ILMAX[1:0] = 00 650
VIN = VINmin to VINmax, ILMAX[1:0] = 01 1200 mA
VIN = VINmin to VINmax, ILMAX[1:0] = 10 1700
NMOS current limit (low-side) Source current load:
VIN = VINmin to VINmax, ILMAX[1:0] = 00 650
VIN = VINmin to VINmax, ILMAX[1:0] = 01 1200
VIN = VINmin to VINmax, ILMAX[1:0] = 10 1700 mA
Sink current load:
VIN = VINmin to VINmax, ILMAX[1:0] = 00 800
VIN = VINmin to VINmax, ILMAX[1:0] = 01 1200
VIN = VINmin to VINmax, ILMAX[1:0] = 10 1700
DC load regulation On mode, IOUT = 0 to IOUTmax 20 mV
DC line regulation On mode, VIN = VINmin to VINmax 20 mV
VIN = 3.8 V, VOUT = 1.8 V 50 mV
Transient load regulation IOUT = 0 to 500 mA , Max slew = 100 mA/µs
IOUT = 700 to 1200 mA , Max slew = 100 mA/µs
t on, off to on IOUT = 200 mA 350 µs
Overshoot SMPS turned on 3%
0.025 ×
Power-save mode Ripple voltage Pulse skipping mode, IOUT = 1 mA VPP
VOUT
Switching frequency 3 MHz
Duty cycle 100 %
Minimum On Time TON(MIN) 35 ns
P-channel MOSFET
VFBIO internal resistance 0.5 1 MΩ
Discharge resistor for power-down During device switch-off sequence 30 50 Ω
sequence RDIS
Note: No discharge resistor is applied if VIO is
turned off while the device is on.
Copyright © 2010–2013, Texas Instruments Incorporated Submit Documentation Feedback 13
Product Folder Links: TPS65910 TPS65910A TPS65910A3 TPS659101 TPS659102 TPS659103 TPS659104
TPS659105 TPS659106 TPS659107 TPS659108 TPS659109

TPS65910, TPS65910A, TPS65910A3, TPS659101, TPS659102, TPS659103
TPS659104, TPS659105, TPS659106, TPS659107, TPS659108, TPS659109
SWCS046T –MARCH 2010–REVISED SEPTEMBER 2013
www.ti.com
VIO SMPS (continued)
over operating free-air temperature range (unless otherwise noted)
PARAMETER TEST CONDITIONS MIN TYP MAX UNIT
Ground current (IQ) Off 1
PWM mode, IOUT = 0 mA, VIN = 3.8 V, 7500
VIO_PSKIP = 0
Pulse skipping mode, no switching, 3-MHz clock µA
250
on
Low-power (pulse skipping) mode, no switching
ST[1:0]=11 63
PWM mode, DCRL< 50 mΩ, VOUT = 1.8 V, VIN
Conversion efficiency = 3.6 V:
IOUT = 10 mA 44%
IOUT = 100 mA 87%
IOUT = 400 mA 86%
IOUT = 800 mA 76%
IOUT = 1000 mA 72%
Pulse Skipping mode, DCRL< 50 mΩ, VOUT =
1.8 V, VIN = 3.6 V:
IOUT = 1 mA 71%
IOUT = 10 mA 80%
IOUT = 200 mA 87%
14 Submit Documentation Feedback Copyright © 2010–2013, Texas Instruments Incorporated
Product Folder Links: TPS65910 TPS65910A TPS65910A3 TPS659101 TPS659102 TPS659103 TPS659104
TPS659105 TPS659106 TPS659107 TPS659108 TPS659109

TPS65910, TPS65910A, TPS65910A3, TPS659101, TPS659102, TPS659103
TPS659104, TPS659105, TPS659106, TPS659107, TPS659108, TPS659109
www.ti.com
SWCS046T –MARCH 2010–REVISED SEPTEMBER 2013
VDD1 SMPS
over operating free-air temperature range (unless otherwise noted)
PARAMETER TEST CONDITIONS MIN TYP MAX UNIT
Input voltage (VCC1 and VCC7) VIN IOUT ≤1200 mA 2.7 5.5
VOUT = 0.6 V to 1.5 V, VGAIN_SEL = 00, VOUT + 2 5.5
IOUT > 1200 mA V V
2.5 V ≤VOUT ≤3.3 V, VGAIN_SEL = 10 or 11, 4.5 5.5
IOUT > 1200 mA
DC output voltage (VOUT) VGAIN_SEL = 00, IOUT = 0 to IOUTmax:
max programmable voltage, SEL[6:0] = 1001011 1.5
default voltage, BOOT[1:0] = 00 –3% 1.2 +3%
default voltage, BOOT[1:0] = 01 –3% 1.2 +3% V
min programmable voltage, SEL[6:0] = 0000011 0.6
SEL[6:0] = 000000: power down 0
VGAIN_SEL = 10, SEL = 0101011 = 43, IOUT = 0 –3% 2.2 +3% V
to IOUTmax
VGAIN_SEL = 11, SEL = 0101000 = 40, IOUT = 0 –3% 3.2 +3% V
to IOUTmax
DC output voltage programmable VGAIN_SEL = 00, 72 steps 12.5 mV
step (VOUTSTEP)
Rated output current IOUTmax ILMAX = 0, default 1000 mA
ILMAX = 1 1500
P-channel MOSFET VIN = VINmin 300 mΩ
On-resistance RDS(ON)_PMOS VIN = 3.8 V 250 400
P-channel leakage current VIN = VINmax, SW1 = 0 V 2 µA
ILK_PMOS
N-channel MOSFET VIN = VMIN 300 mΩ
On-resistance RDS(ON)_NMOS VIN = 3.8 V 250 400
N-channel leakage current ILK_NMOS VIN = VINmax, SW1 = VINmax 2 µA
PMOS current limit (high-side) VIN = VINmin to VINmax, ILMAX = 0 1150 mA
VIN = VINmin to VINmax, ILMAX = 1 2000
NMOS current limit (low-side) Source current load:
VIN = VINmin to VINmax, ILMAX = 0 1150
VIN = VINmin to VINmax, ILMAX = 1 2000 mA
Sink current load:
VIN = VINmin to VINmax, ILMAX = 0 1200
VIN = VINmin to VINmax, ILMAX = 1 2000
DC load regulation On mode, IOUT = 0 to IOUTmax 20 mV
DC line regulation On mode, VIN = VINmin to VINmax 20 mV
Transient load regulation VIN = 3.8 V, VOUT = 1.2 V
IOUT = 0 to 500 mA , Max slew = 100 mA/µs 50 mV
IOUT = 700 mA to 1.2A , Max slew = 100 mA/µs
t on, off to on IOUT = 200 mA 350 µs
From VOUT = 0.6 V to 1.5 V and VOUT = 1.5 V to
Output voltage transition rate 0.6 V IOUT = 500 mA
TSTEP[2:0] = 001 12.5
TSTEP[2:0] = 011 (default) 7.5 mV/µs
TSTEP[2:0] = 111 2.5
Overshoot SMPS turned on 3%
0.025 ×
Power-save mode ripple voltage Pulse skipping mode, IOUT = 1 mA VPP
VOUT
Switching frequency 3 MHz
Copyright © 2010–2013, Texas Instruments Incorporated Submit Documentation Feedback 15
Product Folder Links: TPS65910 TPS65910A TPS65910A3 TPS659101 TPS659102 TPS659103 TPS659104
TPS659105 TPS659106 TPS659107 TPS659108 TPS659109

TPS65910, TPS65910A, TPS65910A3, TPS659101, TPS659102, TPS659103
TPS659104, TPS659105, TPS659106, TPS659107, TPS659108, TPS659109
SWCS046T –MARCH 2010–REVISED SEPTEMBER 2013
www.ti.com
VDD1 SMPS (continued)
over operating free-air temperature range (unless otherwise noted)
PARAMETER TEST CONDITIONS MIN TYP MAX UNIT
Duty cycle 100 %
Minimum on time tON(MIN) 35 ns
P-channel MOSFET
VFB1 internal resistance 0.5 1 MΩ
Discharge resistor for power-down 30 50 Ω
sequence RDIS
Ground current (IQ) Off 1
PWM mode, IOUT = 0 mA, VIN = 3.8 V, 7500
VDD1_PSKIP = 0 µA
Pulse skipping mode, no switching 78
Low-power (pulse skipping) mode, no switching
ST[1:0] = 11 63
PWM mode, DCRL< 0.1 Ω, VOUT = 1.2 V, VIN =
Conversion efficiency 3.6 V:
IOUT = 10 mA 35%
IOUT = 200 mA 82%
IOUT = 400 mA 81%
IOUT = 800 mA 74%
IOUT = 1500 mA 62%
Pulse skipping mode, DCRL< 0.1Ω, VOUT = 1.2
V, VIN = 3.6 V:
IOUT = 1 mA 59%
IOUT = 10 mA 70%
IOUT = 200 mA 82%
16 Submit Documentation Feedback Copyright © 2010–2013, Texas Instruments Incorporated
Product Folder Links: TPS65910 TPS65910A TPS65910A3 TPS659101 TPS659102 TPS659103 TPS659104
TPS659105 TPS659106 TPS659107 TPS659108 TPS659109

TPS65910, TPS65910A, TPS65910A3, TPS659101, TPS659102, TPS659103
TPS659104, TPS659105, TPS659106, TPS659107, TPS659108, TPS659109
www.ti.com
SWCS046T –MARCH 2010–REVISED SEPTEMBER 2013
VDD2 SMPS
over operating free-air temperature range (unless otherwise noted)
PARAMETER TEST CONDITIONS MIN TYP MAX UNIT
Input voltage (VCC2 and VCC4) VIN IOUT ≤1200 mA 2.7 5.5
VOUT = 0.6 V to 1.5 V, VGAIN_SEL = 00, VOUT + 2 5.5
IOUT > 1200 mA V V
2.5 V ≤VOUT ≤3.3 V, VGAIN_SEL = 10 or 11, 4.5 5.5
IOUT > 1200 mA
DC output voltage (VOUT) VGAIN_SEL = 00, IOUT = 0 to IOUTmax:
max programmable voltage, SEL[6:0] = 1001011 1.5
default, BOOT[1:0] = 01 –3% 1.2 +3%
min programmable voltage, SEL[6:0] = 0000011 0.6 V
SEL[6:0] = 000000: power down 0
VGAIN_SEL = 10, SEL = 0101011 = 43 –3% 2.2 +3%
VGAIN_SEL = 11, default, BOOT[1:0] = 00 –3% 3.3 +3%
DC output voltage programmable VGAIN_SEL = 00, 72 steps 12.5 mV
step (VOUTSTEP)
Rated output current IOUTmax ILMAX = 0, default 1000 mA
ILMAX = 1 1500
P-channel MOSFET VIN = VINmin 300 mΩ
On-resistance RDS(ON)_PMOS VIN = 3.8 V 250 400
P-channel leakage current ILK_PMOS VIN = VINmax, SW2 = 0 V 2 µA
N-channel MOSFET VIN = VMIN 300 mΩ
On-resistance RDS(ON)_NMOS VIN = 3.8 V 250 400
N-channel leakage current ILK_NMOS VIN = VINmax, SW2 = VINmax 2 µA
PMOS current limit (high-side) VIN = VINmin to VINmax, ILMAX = 0 1150 mA
VIN = VINmin to VINmax, ILMAX = 1 2200
NMOS current limit (low-side) Source current load: 1150
VIN = VINmin to VINmax, ILMAX = 0 2000
VIN = VINmin to VINmax, ILMAX = 1 mA
Sink current load:
VIN = VINmin to VINmax, ILMAX = 0 1200
VIN = VINmin to VINmax, ILMAX = 1 2000
DC load regulation On mode, IOUT = 0 to IOUTmax 20 mV
DC line regulation On mode, VIN = VINmin to VINmax @ IOUT = IOUTmax 20 mV
Transient load regulation VIN = 3.8 V, VOUT = 1.2 V 50 mV
IOUT = 0 to 500 mA , Max slew = 100 mA/µs
IOUT = 700 mA to 1.2 A , Max slew = 100 mA/µs
t on, Off to on IOUT = 200 mA 350 µs
From VOUT = 0.6 V to 1.5 V and VOUT = 1.5 V to
Output voltage transition rate 0.6 V IOUT = 500 mA
TSTEP[2:0] = 001 12.5
TSTEP[2:0] = 011 (default) 7.5 µs
TSTEP[2:0] = 111 2.5
0.025
Power-save mode ripple voltage Pulse skipping mode, IOUT = 1 mA VPP
VOUT
Overshoot 3%
Switching frequency 3 MHz
Duty cycle 100 %
Minimum On time 35 ns
P-Channel MOSFET
Copyright © 2010–2013, Texas Instruments Incorporated Submit Documentation Feedback 17
Product Folder Links: TPS65910 TPS65910A TPS65910A3 TPS659101 TPS659102 TPS659103 TPS659104
TPS659105 TPS659106 TPS659107 TPS659108 TPS659109

TPS65910, TPS65910A, TPS65910A3, TPS659101, TPS659102, TPS659103
TPS659104, TPS659105, TPS659106, TPS659107, TPS659108, TPS659109
SWCS046T –MARCH 2010–REVISED SEPTEMBER 2013
www.ti.com
VDD2 SMPS (continued)
over operating free-air temperature range (unless otherwise noted)
PARAMETER TEST CONDITIONS MIN TYP MAX UNIT
VFB2 internal resistance 0.5 1 MΩ
Discharge resistor for power-down 30 50 Ω
sequence RDIS
Ground current (IQ) Off 1
PWM mode, IOUT = 0 mA, VIN = 3.8 V, 7500
VDD2_PSKIP = 0 µA
Pulse skipping mode, no switching 78
Low-power (pulse skipping) mode, no switching
ST[1:0] = 11 63
PWM mode, DCRL< 50 mΩ, VOUT = 1.2 V, VIN =
Conversion efficiency 3.6 V:
IOUT = 10 mA 35%
IOUT = 200 mA 82%
IOUT = 400 mA 81%
IOUT = 800 mA 74%
IOUT = 1200 mA 66%
IOUT = 1500 mA 62%
Pulse skipping mode mode, DCRL< 50 mΩ, VOUT
= 1.2 V, VIN = 3.6 V:
IOUT = 1 mA 59%
IOUT = 10 mA 70%
IOUT = 200 mA 82%
PWM mode, DCRL< 50 mΩ, VOUT = 3.3 V, VIN =
5 V:
IOUT = 10 mA 44%
IOUT = 200 mA 90%
IOUT = 400 mA 91%
IOUT = 800 mA 88%
IOUT = 1200 mA 84%
IOUT = 1500 mA 81%
Pulse skipping mode mode, DCRL< 50 mΩ, VOUT
= 3.3 V, VIN = 5 V:
IOUT = 1 mA 75%
IOUT = 10 mA 83%
IOUT = 200 mA 90%
18 Submit Documentation Feedback Copyright © 2010–2013, Texas Instruments Incorporated
Product Folder Links: TPS65910 TPS65910A TPS65910A3 TPS659101 TPS659102 TPS659103 TPS659104
TPS659105 TPS659106 TPS659107 TPS659108 TPS659109

TPS65910, TPS65910A, TPS65910A3, TPS659101, TPS659102, TPS659103
TPS659104, TPS659105, TPS659106, TPS659107, TPS659108, TPS659109
www.ti.com
SWCS046T –MARCH 2010–REVISED SEPTEMBER 2013
VDD3 SMPS
over operating free-air temperature range (unless otherwise noted)
PARAMETER TEST CONDITIONS MIN TYP MAX UNIT
Input voltage VIN 3 5.5 V
DC output voltage (VOUT) 4.65 5 5.25 V
Rated output current IOUTmax 100 mA
N-channel MOSFET VIN = 3.6 V 500 mΩ
On-resistance RDS(ON)_NMOS
N-channel MOSFET leakage VIN = VINmax, SW3 = VINmax 2 µA
current ILK_NMOS
N-channel MOSFET DC current VIN = VINmin to VINmax, sink current load 430 550 mA
limit
Turn-on inrush current VIN = VINmin to VINmax 850 mA
Ripple voltage 20 mV
DC load regulation On mode, IOUT = 0 to IOUTmax 100 mV
DC line regulation On mode, VIN = VINmin to 5 V @ IOUT = IOUTmax 100 mV
Turn-on time IOUT = 8 mA, VOUT = 0 to 4.4 V 200 µs
Overshoot 3%
Switching frequency 1 MHz
VFB3 internal resistance 088 MΩ
Ground current (IQ) Off 1 µA
IOUT = 0 mA to IOUTmax, VIN = 3.6 V 360
Conversion efficiency VIN = 3.6 V:
IOUT = 10 mA 81%
IOUT = 50 mA 85%
IOUT = 100 mA 85%
Copyright © 2010–2013, Texas Instruments Incorporated Submit Documentation Feedback 19
Product Folder Links: TPS65910 TPS65910A TPS65910A3 TPS659101 TPS659102 TPS659103 TPS659104
TPS659105 TPS659106 TPS659107 TPS659108 TPS659109

TPS65910, TPS65910A, TPS65910A3, TPS659101, TPS659102, TPS659103
TPS659104, TPS659105, TPS659106, TPS659107, TPS659108, TPS659109
SWCS046T –MARCH 2010–REVISED SEPTEMBER 2013
www.ti.com
VDIG1 AND VDIG2 LDO
over operating free-air temperature range (unless otherwise noted)
PARAMETER TEST CONDITIONS MIN TYP MAX UNIT
VOUT (VDIG1) = 1.2 V @ 300 mA / 1.5 V @ 100
Input voltage (VCC6) VIN mA and
VOUT (VDIG2) = 1.2 V / 1.1 V / 1.0 V @ 300 mA 1.7 5.5
VOUT (VDIG1) = 1.5 V and VOUT (VDIG2) = 1.8 V V
2.1 5.5
@ 200mA
VOUT (VDIG1) = 1.8 V and VOUT (VDIG2) = 1.8 V 2.7 5.5
VOUT (VDIG1) = 2.7 V 3.2 5
VDIG1
DC output voltage VOUT ON and Low-power mode, VIN = VINmin to VINmax
SEL = 11, IOUT = 0 to IOUTmax –3% 2.7 +3%
SEL = 10 IOUT = 0 to IOUTmax –3% 1.8 +3%
V
SEL = 01 IOUT = 0 to 100 mA/IOUTmax –3% 1.5 +3%
SEL = 00, IOUT = 0 to IOUTmax, VIN = VINmin to 4 V, –3% 1.2 +3%
default BOOT[1:0] = 00 or 01
Rated output current IOUTmax On mode 300 mA
Low-power mode 1
Load current limitation (short-circuit On mode, VOUT = VOUTmin – 100 mV 350 600 mA
protection)
Dropout voltage VDO ON mode, VDO = VIN – VOUT
VOUTtyp = 2.7 V, VIN = 2.8 V, IOUT = IOUTmax, T = 150
25°C mV
VOUTtyp = 1.5 V, VIN = 1.7 V, IOUT = IOUTmax, T = 300
25°C
DC load regulation On mode, IOUT = IOUTmax to 0 25 mV
DC line regulation On mode, VIN = VINmin to VINmax @ IOUT = IOUTmax 3 mV
Transient load regulation ON mode, VIN = 3.8 V 10 mV
IOUT = 20 mA to 180 mA in 5µs and
IOUT = 180 mA to 20 mA in 5 µs
Transient line regulation On mode, VIN = 2.7 + 0.5 V to 2.7 in 30 µs, 2 mV
And VIN = 2.7 to 2.7 + 0.5 V in 30 µs, IOUT =
IOUTmax/2
Turn-on time IOUT = 0, @ VOUT = 0.1 V up to VOUTmin 100 µs
Turn-on inrush current 300 mA
VIN = VINDC + 100 mVpp tone, VINDC+= 3.8 V, IOUT =
Ripple rejection IOUTmax/2
f = 217 Hz 70 dB
f = 50 kHz 40
VDIG1 internal resistance LDO off 400 Ω
Ground current On mode, IOUT = 0, VCC6 = VBAT, VOUT = 2.7 V 54
On mode, IOUT = 0, VCC6 = 1.8 V, VOUT = 1.2 V 67
On mode, IOUT = IOUTmax, VCC6 = VBAT, VOUT =1870
2.7 V
On mode, IOUT = IOUTmax, VCC6 = 1.8 V, VOUT = µA
1300
1.2 V
Low-power mode, VCC6 = VBAT, VOUT = 2.7 V 13
Low-power mode, VCC6 = 1.8 V, VOUT = 1.2 V 10
Off mode 1
VDIG2
DC output voltage VOUT On and low-power mode, VIN = VINmin to VINmax
20 Submit Documentation Feedback Copyright © 2010–2013, Texas Instruments Incorporated
Product Folder Links: TPS65910 TPS65910A TPS65910A3 TPS659101 TPS659102 TPS659103 TPS659104
TPS659105 TPS659106 TPS659107 TPS659108 TPS659109

TPS65910, TPS65910A, TPS65910A3, TPS659101, TPS659102, TPS659103
TPS659104, TPS659105, TPS659106, TPS659107, TPS659108, TPS659109
www.ti.com
SWCS046T –MARCH 2010–REVISED SEPTEMBER 2013
VDIG1 AND VDIG2 LDO (continued)
over operating free-air temperature range (unless otherwise noted)
PARAMETER TEST CONDITIONS MIN TYP MAX UNIT
SEL = 11, IOUT = 0 to IOUTmax –3% 1.8 +3%
SEL = 10 IOUT = 0 to IOUTmax, VIN = VINmin to 4 V –3% 1.2 +3%
SEL = 01 IOUT = 0 to 100 mA/IOUTmax, VIN= VINmin V
–3% 1.1 +3%
to 4 V
SEL = 00, IOUT = 0 to IOUTmax, VIN = VINmin to 4 V, –3% 1 +3%
default BOOT[1:0] = 00 or 01
Rated output current IOUTmax On mode 300 mA
Low-power mode 1
Load current limitation (short-circuit On mode, VOUT = VOUTmin – 100 mV 350 600 mA
protection)
Dropout voltage VDO ON mode, VDO = VIN – VOUT,
VOUTtyp = 1.8 V, VIN = 2.1 V, IOUT=IOUTmax, T = 250 mV
25°C
DC load regulation On mode, IOUT = IOUTmax to 0 25 mV
DC line regulation On mode, VIN = VINmin to VINmax @ IOUT = IOUTmax 3 mV
Transient load regulation ON mode, VIN = 3.8 V 10 mV
IOUT = 20 mA to 180 mA in 5µs and
IOUT = 180 mA to 20 mA in 5 µs
Transient line regulation On mode, VIN = 2.7 + 0.5 V to 2.7 in 30 µs, 2 mV
And VIN = 2.7 to 2.7 + 0.5 V in 30 µs, IOUT =
IOUTmax/2
Turn-on time IOUT = 0, @ VOUT = 0.1 V up to VOUTmin 100 µs
Turn-on inrush current 300 mA
VIN = VINDC + 100 mVpp tone, VINDC+= 3.8 V, IOUT =
Ripple rejection IOUTmax/2
f = 217 Hz 70 dB
f = 50 kHz 40
VDIG2 internal resistance LDO off 400 Ω
Ground current On mode, IOUT = 0, VCC6 = VBAT, VOUT = 1.8 V 52
On mode, IOUT = 0, VCC6 = 1.8 V, VOUT = 1.0 V 67
On mode, IOUT = IOUTmax, VCC6 = VBAT, VOUT =1750
1.8 V
On mode, IOUT = IOUTmax, VCC6 = 1.8 V, VOUT = µA
1300
1.0 V
Low-power mode, VCC6 = VBAT, VOUT = 1.8 V 11
Low-power mode, VCC6 = 1.8 V, VOUT = 1.0 V 10
Off mode 1
Copyright © 2010–2013, Texas Instruments Incorporated Submit Documentation Feedback 21
Product Folder Links: TPS65910 TPS65910A TPS65910A3 TPS659101 TPS659102 TPS659103 TPS659104
TPS659105 TPS659106 TPS659107 TPS659108 TPS659109

TPS65910, TPS65910A, TPS65910A3, TPS659101, TPS659102, TPS659103
TPS659104, TPS659105, TPS659106, TPS659107, TPS659108, TPS659109
SWCS046T –MARCH 2010–REVISED SEPTEMBER 2013
www.ti.com
VAUX33 AND VMMC LDO
over operating free-air temperature range (unless otherwise noted)
PARAMETER TEST CONDITIONS MIN TYP MAX UNIT
VOUT (VAUX33) = 1.8 V / 2 V and VOUT (VMMC) =
Input voltage (VCC3) VIN 2.7 5.5
1.8 V
VOUT (VAUX33) = 2.8 V 3.2 5.5
VOUT (VAUX33) = 3.3 V 3.6 5.5 V
VOUT (VMMC) = 2.8 V @ 200 mA 3.2 5.5
VOUT (VMMC) = 3.0 V 3.6 5.5
VOUT (VMMC) = 3.3 V @ 200 mA 3.6 5.5
VAUX33
DC output voltage VOUT On and low-power mode, VIN = VINmin to VINmax
SEL = 11, IOUT = 0 to IOUTmax, Default BOOT[1:0] = –3% 3.3 +3%
01
SEL = 10, IOUT = 0 to IOUTmax –3% 2.8 +3% V
SEL = 01, IOUT = 0 to IOUTmax –3% 2.0 +3%
SEL = 00, IOUT = 0 to IOUTmax, default BOOT[1:0] = –3% 1.8 +3%
00
Rated output current IOUTmax On mode 150 mA
Low-power mode 1
Load current limitation (short- On mode, VOUT = VOUTmin – 100 mV 350 500 mA
circuit protection)
Dropout Voltage VDO On mode, VOUTtyp = 2.8 V, VDO = VIN – VOUT,
VIN = 2.9 V, IOUT = IOUTmax, T = 25°C 150 mV
DC load regulation On mode, IOUT = IOUTmax to 0 20 mV
DC line regulation On mode, IOUT = IOUTmax 3 mV
Transient load regulation On mode, VIN = 3.8 V 12 mV
IOUT = 0.1 × IOUTmax to 0.9 × IOUTmax in 5 µs and
IOUT = 0.9 × IOUTmax to 0.1 × IOUTmax in 5 µs
On mode, IOUT = IOUTmax,VIN = VINmin + 0.5 V to
Transient line regulation 2 mV
VINmin in 30 µs
and VIN = VINmin to VINmin + 0.5 V in 30 µs, IOUT =
IOUTmax/2
Turn-on time IOUT = 0, @ VOUT = 0.1 V up to VOUTmin 100 µs
Turn-on inrush current 600 mA
VIN = VINDC + 100 mVpp tone, VINDC+ = 3.8 V, IOUT
Ripple Rejection = IOUTmax/2
f = 217 Hz 70 dB
f = 50 kHz 40
VAUX33 internal resistance LDO off 70 Ω
Ground current On mode, IOUT = 0 55
On mode, IOUT = IOUTmax 1600 µA
Low-power mode 15
Off mode 1
VMMC
DC output voltage VOUT On and low-power mode, VIN = VINmin to VINmax
SEL = 11, IOUT = 0 to 200 mA, default BOOT[1:0] = –3% 3.3 +3%
00
SEL = 10, IOUT = 0 to IOUTmax –3% 3.0 +3% V
SEL = 01, IOUT = 0 to 200 mA –3% 2.8 +3%
SEL = 00, IOUT = 0 to IOUTmax, default BOOT[1:0] = –3% 1.8 +3%
01
22 Submit Documentation Feedback Copyright © 2010–2013, Texas Instruments Incorporated
Product Folder Links: TPS65910 TPS65910A TPS65910A3 TPS659101 TPS659102 TPS659103 TPS659104
TPS659105 TPS659106 TPS659107 TPS659108 TPS659109

TPS65910, TPS65910A, TPS65910A3, TPS659101, TPS659102, TPS659103
TPS659104, TPS659105, TPS659106, TPS659107, TPS659108, TPS659109
www.ti.com
SWCS046T –MARCH 2010–REVISED SEPTEMBER 2013
VAUX33 AND VMMC LDO (continued)
over operating free-air temperature range (unless otherwise noted)
PARAMETER TEST CONDITIONS MIN TYP MAX UNIT
Rated output current IOUTmax On mode 300 mA
Low-power mode 1
Load current limitation (short- On mode, VOUT = VOUTmin – 100 mV 350 500 mA
circuit protection)
Dropout voltage VDO Dropout voltage VDO
VIN = 3.0 V, IOUT = 200 mA, T = 25°C 200 mV
DC load regulation On mode, IOUT = IOUTmax to 0 25 mV
DC line regulation On mode, VIN = VINmin to VINmax @ IOUT = IOUTmax 3 mV
Transient load regulation On mode, VIN = 3.8 V 12 mV
IOUT = 20 mA to 180 mA in 5 µs and IOUT = 180 mA
to 20 mA in 5 µs
On mode, IOUT = 200 mA, VIN = VINmin + 0.5 V to
Transient line regulation 2 mV
VINmin in 30 µs
And VIN = VINmin to VINmin + 0.5 V in 30 µs, IOUT =
IOUTmax/2
Turn-on time IOUT = 0, @ VOUT = 0.1 V up to VOUTmin 100 µs
VIN = VINDC + 100 mVpp tone, VINDC+= 3.8 V, IOUT =
Ripple rejection IOUTmax/2
f = 217 Hz 70 dB
f = 50 kHz 40
VMMC internal resistance LDO Off 70 Ω
Ground current On mode, IOUT = 0 55
On mode, IOUT = IOUTmax 2700 µA
Low-power mode 15
Off mode 1
Copyright © 2010–2013, Texas Instruments Incorporated Submit Documentation Feedback 23
Product Folder Links: TPS65910 TPS65910A TPS65910A3 TPS659101 TPS659102 TPS659103 TPS659104
TPS659105 TPS659106 TPS659107 TPS659108 TPS659109

TPS65910, TPS65910A, TPS65910A3, TPS659101, TPS659102, TPS659103
TPS659104, TPS659105, TPS659106, TPS659107, TPS659108, TPS659109
SWCS046T –MARCH 2010–REVISED SEPTEMBER 2013
www.ti.com
VAUX1 AND VAUX2 LDO
over operating free-air temperature range (unless otherwise noted)
PARAMETER TEST CONDITIONS MIN TYP MAX UNIT
Input voltage (VCC4) VIN VOUT (VAUX1) = 1.8 V and VOUT (AUX2) = 1.8 V 2.7 5.5
VOUT (VAUX1) = 2.5 V 3.2 5.5
VOUT (VAUX1) = 2.8 V @ Iload = 200 mA and 2.85 V 3.2 5.5
@ Iload = 200mA V
VOUT (VAUX2) = 2.8 V 3.2 5.5
VOUT (VAUX2) = 2.9 V @ Iload = 100mA 3.2 5.5
VOUT (VAUX2) = 3.3 V 3.6 5.5
VAUX1
DC output voltage VOUT On and low-power mode, VIN = VINmin to VINmax
SEL = 11, IOUT = 0 to 200 mA –3% 2.85 +3%
SEL = 10, IOUT = 0 to 200 mA –3% 2.8 +3%
V
SEL = 01, IOUT = 0 to IOUTmax –3% 2.5 +3%
SEL = 00, IOUT = 0 to IOUTmax, default BOOT[1:0] = –3% 1.8 +3%
00 or 01
Rated output current IOUTmax On mode 300 mA
Low-power mode 1
Load current limitation (short- On mode, VOUT = VOUTmin – 100 mV 350 500 mA
circuit protection)
Dropout voltage VDO On mode, VOUTtyp = 2.8 V, VDO = VIN – VOUT,
VIN = 3.0 V, IOUT = 200 mA, T = 25°C 200 mV
DC load regulation On mode, IOUT = 200 mA to 0 15 mA
DC line regulation On mode, IOUT = 200 mA 5 V
On mode, VIN = 3.8 V, IOUT = 20 mA to 180 mA in 5
Transient load regulation 15 mV
µs
and IOUT = 180 mA to 20 mA in 5µs
On mode, IOUT = 200 mA, VIN= VINmin + 0.5 V to
Transient line regulation 2 mV
VINmin in 30 µs
and VIN = VINmin to VINmin + 0.5v in 30 µs, IOUT =
IOUTmax/2
Turn-on time IOUT = 0, @ VOUT = 0.1 V up to VOUTmin, no load 100 µs
Turn-on inrush current 600 mA
VIN = VINDC + 100 mVpp tone, VINDC+ = 3.8 V, IOUT =
Ripple Rejection IOUTmax/2
f = 217 Hz 70 dB
f = 50 kHz 40
VAUX1 internal resistance LDO Off 80 Ω
Ground current On mode, IOUT = 0 60
On mode, IOUT = IOUTmax 2700 µA
Low-power mode 12
Off mode 1
VAUX2
On and low-power mode, VIN = VINmin to VINmax
SEL = 11, IOUT = 0 to IOUTmax –3% 3.3 +3%
SEL = 10, IOUT = 0 to 100 mA –3% 2.9 +3%
V
SEL = 01, IOUT = 0 to IOUTmax –3% 2.8 +3%
SEL = 00, IOUT = 0 to IOUTmax, default BOOT[1:0] = –3% 1.8 +3%
00 or 01
Rated output current IOUTmax On mode 300 mA
Low-power mode 1
24 Submit Documentation Feedback Copyright © 2010–2013, Texas Instruments Incorporated
Product Folder Links: TPS65910 TPS65910A TPS65910A3 TPS659101 TPS659102 TPS659103 TPS659104
TPS659105 TPS659106 TPS659107 TPS659108 TPS659109

TPS65910, TPS65910A, TPS65910A3, TPS659101, TPS659102, TPS659103
TPS659104, TPS659105, TPS659106, TPS659107, TPS659108, TPS659109
www.ti.com
SWCS046T –MARCH 2010–REVISED SEPTEMBER 2013
VAUX1 AND VAUX2 LDO (continued)
over operating free-air temperature range (unless otherwise noted)
PARAMETER TEST CONDITIONS MIN TYP MAX UNIT
Load current limitation (short- On mode, VOUT = VOUTmin – 100 mV 350 500 mA
circuit protection)
Dropout voltage VDO On mode, VOUTtyp = 2.8 V, VDO = VIN – VOUT 150 mV
VIN = 2.9 V, IOUT = IOUTmax, T = 25°C
DC load regulation On mode, IOUT = IOUTmax to 0 15 mV
DC line regulation On mode, VIN = VINmin to VINmax @ IOUT = IOUTmax 2 mV
On mode, VIN = 3.8 V, IOUT = 0.1 × IOUTmax to 0.9 ×
Transient load regulation 12 mV
IOUTmax in 5µs
And IOUT = 0.9 × IOUTmax to 0.1 × IOUTmax in 5us
On mode, IOUT = IOUTmax, VIN = VINmin + 0.5 V to
Transient line regulation 2 mV
VINmin in 30 µs
And VIN= VINmin to VINmin + 0.5 V in 30 µs, IOUT =
IOUTmax/2
Turn-on time IOUT = 0, @ VOUT = 0.1 V up to VOUTmin 100 µs
Turn-on Inrush current 600 mA
VIN = VINDC + 100 mVpp tone, VINDC+ = 3.8 V, IOUT =
Ripple rejection IOUTmax/2
f = 217 Hz 70 dB
f = 50 kHz 40
VAUX2 internal resistance LDO off 80 Ω
Ground current On mode, IOUT = 0 60
On mode, IOUT = IOUTmax 1600 µA
Low-power mode 12
Off mode 1
Copyright © 2010–2013, Texas Instruments Incorporated Submit Documentation Feedback 25
Product Folder Links: TPS65910 TPS65910A TPS65910A3 TPS659101 TPS659102 TPS659103 TPS659104
TPS659105 TPS659106 TPS659107 TPS659108 TPS659109

TPS65910, TPS65910A, TPS65910A3, TPS659101, TPS659102, TPS659103
TPS659104, TPS659105, TPS659106, TPS659107, TPS659108, TPS659109
SWCS046T –MARCH 2010–REVISED SEPTEMBER 2013
www.ti.com
VDAC AND VPLL LDO
over operating free-air temperature range (unless otherwise noted)
PARAMETER TEST CONDITIONS MIN TYP MAX UNIT
VOUT(VDAC) = 1.8 V and VOUT(VPLL) = 1.8 V / 1.1 V
Input voltage (VCC5) VIN 2.7 5.5
/ 1.0 V V
VOUT(VDAC) = 2.6 V and VOUT(VPLL) = 2.5 V 3.0 5.5
VOUT(VDAC) = 2.8 V / 2.85 V 3.2 5.5
VDAC
DC Output voltage VOUT On and low-power mode, VIN = VINmin to VINmax
SEL = 11, IOUT = 0 to IOUTmax –3% 2.85 +3%
SEL = 10, IOUT = 0 to IOUTmax –3% 2.8 +3%
V
SEL = 01, IOUT = 0 to IOUTmax –3% 2.6 +3%
SEL = 00, IOUT = 0 to IOUTmax, default BOOT[1:0] = –3% 1.8 +3%
00 or 01
Rated output current IOUTmax On mode 150 mA
Low-power mode 1
Load current limitation (short- On mode, VOUT = VOUTmin – 100 mV 350 500 mA
circuit protection)
Dropout Voltage VDO On mode, VOUTtyp = 2.8 V, VDO = VIN – VOUT, 150 mV
VIN = 2.9 V, IOUT = IOUTmax, T = 25°C
DC load regulation On mode, VOUT = VOUTmin – 100 mV 15 mV
DC line regulation On mode, VOUT = 1.8 V, IOUT = IOUTmax 2 mV
On mode, VIN = 3.8 V, IOUT = 0.1 × IOUTmax to 0.9 ×
Transient load regulation 15 mV
IOUTmax in 5 µs
And IOUT = 0.9 × IOUTmax to 0.1 × IOUTmax in 5 µs
On mode, IOUT = IOUTmax, VIN = VINmin + 0.5 V to
Transient line regulation 0.5 mV
VINmin in 30 µs
And VIN = VINmin to VINmin + 0.5 V in 30 µs, IOUT =
IOUTmax/2
Turn-on time IOUT = 0, @ VOUT = 0.1 V up to VOUTmin 100 µs
Turn-on Inrush current 600 mA
VIN = VINDC + 100 mVpp tone, VINDC+ = 3.8 V, IOUT =
Ripple Rejection IOUTmax/2
f = 217 Hz 70 dB
f = 50 kHz 40
VDAC internal resistance LDO off 360 kΩ
Ground current On mode, IOUT = 0 60
On mode, IOUT = IOUTmax 1600 µA
Low-power mode 12
Off mode 1
VPLL
DC output voltage VOUT On and low-power mode, VIN = VINmin to VINmax
SEL = 11, IOUT = 0 to IOUTmax –3% 2.5 +3%
SEL = 10, IOUT = 0 to IOUTmax, default BOOT[1:0 = 00 –3% 1.8 +3%
or 01 V
SEL = 01, IOUT = 0 to IOUTmax –3% 1.1 +3%
SEL = 00, IOUT = 0 to IOUTmax –3% 1.0 +3%
Rated output current IOUTmax On mode 50 mA
Low-power mode 1
Load current limitation (short- On mode, VOUT = VOUTmin – 100 mV 200 400 mA
circuit protection)
Dropout voltage VDO On mode, VOUTtyp = 2.5 V, VDO = VIN – VOUT, 100 mV
26 Submit Documentation Feedback Copyright © 2010–2013, Texas Instruments Incorporated
Product Folder Links: TPS65910 TPS65910A TPS65910A3 TPS659101 TPS659102 TPS659103 TPS659104
TPS659105 TPS659106 TPS659107 TPS659108 TPS659109

TPS65910, TPS65910A, TPS65910A3, TPS659101, TPS659102, TPS659103
TPS659104, TPS659105, TPS659106, TPS659107, TPS659108, TPS659109
www.ti.com
SWCS046T –MARCH 2010–REVISED SEPTEMBER 2013
VDAC AND VPLL LDO (continued)
over operating free-air temperature range (unless otherwise noted)
PARAMETER TEST CONDITIONS MIN TYP MAX UNIT
VIN = 2.5 V, IOUT = IOUTmax, T = 25°C
DC load regulation On mode, IOUT = IOUTmax to 0 10 mV
DC line regulation On mode, VIN = VINmin to VINmax @ IOUT = IOUTmax 1 mV
On mode, VIN = 3.8 V, IOUT = 0.1 × IOUTmax to 0.9 ×
Transient load regulation 9 mV
IOUTmax in 5 µs
And IOUT = 0.9 × IOUTmax to 0.1 × IOUTmax in 5 µs
Transient line regulation On mode, VIN = VINmin + 0.5 V to VINmin in 30 µs 0.5 mV
And VIN = VINmin to VINmin + 0.5 V in 30 µs, IOUT =
IOUTmax/2
Turn-on time IOUT = 0, @ VOUT = 0.1 V up to VOUTmin 100 µs
Turn-on inrush current 300 mA
VIN = VINDC + 100 mVpp tone, VINDC+ = 3.8 V, IOUT =
Ripple rejection IOUTmax/2
f = 217 Hz 70 dB
f = 50 kHz 40
VPLL internal resistance LDO off 535 kΩ
Ground current On mode, IOUT = 0 60
On mode, IOUT = IOUTmax 1600 µA
Low-power mode 12
Off mode 1
SWITCH-ON/-OFF SEQUENCES AND TIMING
Time slot length can be selected to be 0.5 ms or 2 ms through the EEPROM for an OFF-to-ACTIVE transition or
through the value programmed in the register DEVCTRL2_REG for a SLEEP-to-ACTIVE transition.
BOOT1 = 0, BOOT0 = 0
Table 2 provides details about the EEPROM setting for the BOOT modes. The power-up sequence for this boot
mode is provided in Figure 2.
Table 2. Fixed Boot Mode: 00
TPS65910
Register Bit Description Boot 00
VDD1_OP_REG SEL VDD1 voltage level selection for boot 1.2 V
VDD1_REG VGAIN_SEL VDD1 Gain selection, x1 or x2 x1
EEPROM VDD1 time slot selection 3
DCDCCTRL_REG VDD1_PSKIP VDD1 pulse skip mode enable skip enabled
VDD2_OP_REG/VDD2_SR_REG SEL VDD2 voltage level selection for boot 1.1 V
VDD2_REG VGAIN_SEL VDD2 Gain selection, x1 or x3 x3
EEPROM VDD2 time slot selection 2
DCDCCTRL_REG VDD2_PSKIP VDD2 pulse skip mode enable skip enabled
VIO_REG SEL VIO voltage selection 1.8 V
EEPROM VIO time slot selection 1
DCDCCTRL_REG VIO_PSKIP VIO pulse skip mode enable skip enabled
EEPROM VDD3 time slot OFF
VDIG1_REG SEL LDO voltage selection 1.2 V
EEPROM LDO time slot OFF
VDIG2_REG SEL LDO voltage selection 1.0 V
Copyright © 2010–2013, Texas Instruments Incorporated Submit Documentation Feedback 27
Product Folder Links: TPS65910 TPS65910A TPS65910A3 TPS659101 TPS659102 TPS659103 TPS659104
TPS659105 TPS659106 TPS659107 TPS659108 TPS659109

TPS65910, TPS65910A, TPS65910A3, TPS659101, TPS659102, TPS659103
TPS659104, TPS659105, TPS659106, TPS659107, TPS659108, TPS659109
SWCS046T –MARCH 2010–REVISED SEPTEMBER 2013
www.ti.com
SWITCH-ON/-OFF SEQUENCES AND TIMING (continued)
Table 2. Fixed Boot Mode: 00 (continued)
EEPROM LDO time slot OFF
VDAC_REG SEL LDO voltage selection 1.8 V
EEPROM LDO time slot 5
VPLL_REG SEL LDO voltage selection 1.8 V
EEPROM LDO time slot 4
VAUX1_REG SEL LDO voltage selection 1.8 V
EEPROM LDO time slot 1
VMMC_REG SEL LDO voltage selection 3.3 V
EEPROM LDO time slot 6
VAUX33_REG SEL LDO voltage selection 1.8 V
EEPROM LDO time slot OFF
VAUX2_REG SEL LDO voltage selection 1.8 V
EEPROM LDO time slot 5
CLK32KOUT pin CLK32KOUT time slot 7
NRESPWRON pin NRESPWRON time slot 7 + 1
0: VRTC LDO will be in low-power mode during OFF state
VRTC_OFFMAS
VRTC_REG Low-power mode
K1: VRC LDO will be in full-power mode during OFF state
0: RTC in normal power mode
DEVCTRL_REG RTC_PWDN 1
1: Clock gating of RTC register and logic, low-power mode
0: Clock source is crystal/external clock
DEVCTRL_REG CK32K_CTRL RC
1: Clock source is internal RC oscillator
Boot sequence time slot duration:
TSLOT_LENGTH
DEVCTRL2_REG 0: 0.5 ms 2 ms
[0] 1: 2 ms
0: INT1 signal will be active-low
DEVCTRL2_REG IT_POL Active-low
1: INT1 signal will be active-high
0: Device will automatically switch-on at NOSUPPLY to 0: Automatic
OFF or BACKUP to OFF transition
INT_MSK_REG VMBHI_IT_MSK switch-on from
supply insertion
1: Startup reason required before switch-on
Select threshold for main battery comparator threshold
VMBCH_REG VMBCH_SEL[1:0] 3 V
VMBCH.
28 Submit Documentation Feedback Copyright © 2010–2013, Texas Instruments Incorporated
Product Folder Links: TPS65910 TPS65910A TPS65910A3 TPS659101 TPS659102 TPS659103 TPS659104
TPS659105 TPS659106 TPS659107 TPS659108 TPS659109

SWCS046-018
PWRHOLD
VIO/VFBIO
VAUX1
VDD2/VFB2
VDD1/VFB1
VPLL
VDAC
VAUX2
VMMC
CLK32KOUT
NRESPWRON
tdSOFF2
tdSON1
1.8 V
1.8 V
3.3 V
tdSON2
tdSON3
1.2 V
1.8 V
1.8 V
tdSON4
tdSON5
1.8 V
tdSON6
tdSON7
3.3 V
tdSON8
tdSOFF1
Switch-off sequence
t : Switch-on sequence
dSONT
TPS65910, TPS65910A, TPS65910A3, TPS659101, TPS659102, TPS659103
TPS659104, TPS659105, TPS659106, TPS659107, TPS659108, TPS659109
www.ti.com
SWCS046T –MARCH 2010–REVISED SEPTEMBER 2013
Figure 2 shows the 00 Boot mode timing characteristics.
Figure 2. Boot Mode: BOOT1 = 0, BOOT0 = 0
Table 3 lists the 00 Boot mode timing characteristics.
Table 3. Boot Mode: BOOT1 = 0, BOOT0 = 0 Timing Characteristics
PARAMETER TEST CONDITIONS MIN TYP MAX UNIT
tdSON1 PWRHOLD rising edge to VIO, VAUX1 enable delay 66 × tCK32k = 2060 µs
tdSON2 VIO to VDD2 enable delay 64 × tCK32k = 2000 µs
tdSON3 VDD2 to VDD1 enable delay 64 × tCK32k = 2000 µs
tdSON4 VDD1 to VPLL enable delay 64 × tCK32k = 2000 µs
tdSON5 VPLL to VDAC,VAUX2 enable delay 64 × tCK32k = 2000 µs
tdSON6 VDAC to VMMC enable delay 64 × tCK32k = 2000 µs
VMMC to CLK32KOUT rising edge delay 64 × tCK32k = 2000 µs
tdSON8 CLK32KOUT to NRESPWRON rising edge delay 64 × tCK32k = 2000 µs
tdSONT Total switch-on delay 16 ms
PWRHOLD falling edge to NRESPWRON falling edge
tdSOFF1 2 × tCK32k = 62.5 µs
delay
tdSOFF1B NRESPWRON falling edge to CLK32KOUT low delay 3 × tCK32k = 92 µs
PWRHOLD falling edge to supplies and reference
tdSOFF2 5 × tCK32k = 154 µs
disable delay
Registers default setting: CK32K_CTRL = 1 (32-kHz RC oscillator is used), RTC_PWDN = 1 (RTC domain off),
IT_POL = 0 (INt2 interrupt flag active low), VMBHI_IT_MSK = 0 (automatic switch-on on Battery plug),
VMBCH_SEL = 11.
BOOT1 = 0, BOOT0 = 1
Table 4 provides details about the EEPROM setting for the BOOT modes. The power-up sequence for this boot
mode is provided in Figure 3.
Copyright © 2010–2013, Texas Instruments Incorporated Submit Documentation Feedback 29
Product Folder Links: TPS65910 TPS65910A TPS65910A3 TPS659101 TPS659102 TPS659103 TPS659104
TPS659105 TPS659106 TPS659107 TPS659108 TPS659109

TPS65910, TPS65910A, TPS65910A3, TPS659101, TPS659102, TPS659103
TPS659104, TPS659105, TPS659106, TPS659107, TPS659108, TPS659109
SWCS046T –MARCH 2010–REVISED SEPTEMBER 2013
www.ti.com
Table 4. Fixed Boot Mode: 01
TPS65910
Register Bit Description Boot 01
VDD1_OP_REG SEL VDD1 voltage level selection for boot 1.2 V
VDD1_REG VGAIN_SEL VDD1 Gain selection, x1 or x2 x1
EEPROM VDD1 time slot selection 3
DCDCCTRL_REG VDD1_PSKIP VDD1 pulse skip mode enable Skip enabled
VDD2_OP_REG/VDD2_SR_REG SEL VDD2 voltage level selection for boot 1.2 V
VDD2_REG VGAIN_SEL VDD2 Gain selection, x1 or x3 x1
EEPROM VDD2 time slot selection 4
DCDCCTRL_REG VDD2_PSKIP VDD2 pulse skip mode enable Skip enabled
VIO_REG SEL VIO voltage selection 1.8 V
EEPROM VIO time slot selection 1
DCDCCTRL_REG VIO_PSKIP VIO pulse skip mode enable Skip enabled
EEPROM VDD3 time slot OFF
VDIG1_REG SEL LDO voltage selection 1.2 V
EEPROM LDO time slot OFF
VDIG2_REG SEL LDO voltage selection 1.0 V
EEPROM LDO time slot OFF
VDAC_REG SEL LDO voltage selection 1.8 V
EEPROM LDO time slot OFF
VPLL_REG SEL LDO voltage selection 1.8 V
EEPROM LDO time slot 2
VAUX1_REG SEL LDO voltage selection 1.8 V
EEPROM LDO time slot OFF
VMMC_REG SEL LDO voltage selection 1.8 V
EEPROM LDO time slot OFF
VAUX33_REG SEL LDO voltage selection 3.3 V
EEPROM LDO time slot 6
VAUX2_REG SEL LDO voltage selection 1.8 V
EEPROM LDO time slot 5
CLK32KOUT pin CLK32KOUT time slot 7
NRESPWRON pin NRESPWRON time slot 7+1
0: VRTC LDO will be in low-power mode during OFF state
VRTC_OFFMAS
VRTC_REG low-power mode
K1: VRC LDO will be in full-power mode during OFF state
0: RTC in normal power mode
DEVCTRL_REG RTC_PWDN 1
1: Clock gating of RTC register and logic, low-power mode
0: Clock source is crystal/external clock
DEVCTRL_REG CK32K_CTRL Crystal
1: Clock source is internal RC oscillator
Boot sequence time slot duration:
TSLOT_LENGTH
DEVCTRL2_REG 0: 0.5 ms 2 ms
[0] 1: 2 ms
0: INT1 signal will be active-low
DEVCTRL2_REG IT_POL Active-low
1: INT1 signal will be active-high
0: Device will automatically switch-on at NOSUPPLY to 0: Automatic
OFF or BACKUP to OFF transition
INT_MSK_REG VMBHI_IT_MSK switch-on from
supply insertion
1: Startup reason required before switch-on
Select threshold for main battery comparator threshold
VMBCH_REG VMBCH_SEL[1:0] 3 V
VMBCH.
30 Submit Documentation Feedback Copyright © 2010–2013, Texas Instruments Incorporated
Product Folder Links: TPS65910 TPS65910A TPS65910A3 TPS659101 TPS659102 TPS659103 TPS659104
TPS659105 TPS659106 TPS659107 TPS659108 TPS659109

tdSON1
1.8 V
tdSON7
SWCS046-019
tdSON8
Switch-off sequence
t : Switch-on sequence
dSONT
1.8 V
1.2 V
3.3 V
1.8 V
1.2 V
tdSON2
tdSON3
tdSON4
tdSON5
tdSON6
tdSOFF2
tdSOFF1
PWRHOLD
VIO/VFBIO
VPLL
VDD2/VFB2
VDD1/VFB1
VAUX2
VAUX33
CLK32KOUT
NRESPWRON
TPS65910, TPS65910A, TPS65910A3, TPS659101, TPS659102, TPS659103
TPS659104, TPS659105, TPS659106, TPS659107, TPS659108, TPS659109
www.ti.com
SWCS046T –MARCH 2010–REVISED SEPTEMBER 2013
Figure 3 shows the 01 Boot mode timing characteristics.
Figure 3. Boot Mode: BOOT1 = 0, BOOT0 = 1
Table 5 lists the 01 Boot mode timing characteristics.
Table 5. Boot Mode: BOOT1 = 0, BOOT0 = 1 Timing Characteristics
PARAMETER TEST CONDITIONS MIN TYP MAX UNIT
tdSON1 PWRHOLD rising edge to VIO enable delay 66 × tCK32k = 2060 µs
tdSON2 VIO to VPLL enable delay 64 × tCK32k = 2000 µs
tdSON3 VPLL to VDD1 enable delay 64 × tCK32k = 2000 µs
tdSON4 VDD1 to VDD2 enable delay 64 × tCK32k = 2000 µs
tdSON5 VDD2 to VAUX2 enable delay 64 × tCK32k = 2000 µs
VAUX2 to VAUX33 enable delay 64 × tCK32k = 2000 µs
tdSON7 VAUX33 to CLK32KOUT enable delay 64 × tCK32k = 2000 µs
tdSON8 CLK32KOUT to NRESPWRON enable delay 64 × tCK32k = 2000 µs
tdSONT Total switch-on delay 16 ms
tdSOFF1 PWRHOLD falling edge to NRESPWRON falling edge 2 × tCK32k = 62.5 µs
tdSOFF1B NRESPWRON falling edge to CLK32KOUT low delay 3 × tCK32k = 92 µs
tdSOFF2 PWRHOLD falling edge to supplies disable delay 5 × tCK32k = 154 µs
Registers default setting: CK32K_CTRL = 0 (32-kHz quartz or external bypass clock is used), RTC_PWDN = 1
(RTC domain off), IT_POL = 0 (INt2 interrupt flag active low), VMBHI_IT_MSK = 0 (automatic switch-on on
battery plug), VMBCH_SEL = 11.
POWER CONTROL TIMING
Device Turn-On/Off With Rising/Falling Input Voltage
Figure 4 shows the device turn-on/-off with rising/falling input voltage.
Copyright © 2010–2013, Texas Instruments Incorporated Submit Documentation Feedback 31
Product Folder Links: TPS65910 TPS65910A TPS65910A3 TPS659101 TPS659102 TPS659103 TPS659104
TPS659105 TPS659106 TPS659107 TPS659108 TPS659109

PWRON
VIO
INT1
1.8 V
NRESPWRON
Interrupt acknowledge
PWRHOLD
PWRON_IT=1
CLK33KOUT
Interrupt acknowledge
Switch-off
sequence
t
tdbPWRONF
tdSONT
tdbPWRONF tdONPWHOLD
Switch-on sequence SWCS046-009
PWRON_IT=1
dbPWRHOLDF
tdOINT1 (1)
SWCS046-022
VCC7
VIO
INT1
1.8V
td32KON
NRESPWRON
tdSONT
Switch-on sequence
Interrupt aknowledge
PWRHOLD
VMBHI_IT=1
tdONVMBHI
CLK33KOUT
VMBCH threshold
VMBHI threshold
VRTC 1.8V
tdbVMBHI
VMBDCH threshold
VMBLO threshold
VBNPR threshold
tdbVMBDCH
tdbVMBLO
Switch-off sequence
VBACKUP > VBNPR
(1)
tdOINT1
TPS65910, TPS65910A, TPS65910A3, TPS659101, TPS659102, TPS659103
TPS659104, TPS659105, TPS659106, TPS659107, TPS659108, TPS659109
SWCS046T –MARCH 2010–REVISED SEPTEMBER 2013
www.ti.com
POWER CONTROL TIMING (continued)
NOTE: (1) The DEV_ON control bit (set to 1) or the PWRHOLD signal (set high) can be used to maintain supplies on after
the switch-on sequence. If none of these devce Power On enable conditions is set, the supplies will be turned off after
tdOINT1 delay.
Figure 4. Device Turn-On/Off with Rising/Falling Input Voltage
Device State Control Through PWRON Signal
Figure 5 shows the device state control through PWRON signal.
NOTE: (1) The DEV_ON control bit (set to 1) or the PWRHOLD signal (set high) can be used to maintain supplies on after
switch-on sequence, If none of these device POWER ON enable condition is set the supplies will be turned off after
TdOINT1 delay.
Figure 5. PWRON Turn-On/Turn-Off
Figure 6 shows the long-press turn-off timing characteristics.
32 Submit Documentation Feedback Copyright © 2010–2013, Texas Instruments Incorporated
Product Folder Links: TPS65910 TPS65910A TPS65910A3 TPS659101 TPS659102 TPS659103 TPS659104
TPS659105 TPS659106 TPS659107 TPS659108 TPS659109

PWRON
VIO
INT1
NRESPWRON
PWRHOLD
PWRON_LP_IT=1
PWRON_IT=1
Switch-off
sequence
tdPWRONLPTO
tdPWRONLP
tdbPWRONF
SWCS046-010
PWRON_IT=1
TPS65910, TPS65910A, TPS65910A3, TPS659101, TPS659102, TPS659103
TPS659104, TPS659105, TPS659106, TPS659107, TPS659108, TPS659109
www.ti.com
SWCS046T –MARCH 2010–REVISED SEPTEMBER 2013
POWER CONTROL TIMING (continued)
NOTE: If the DEV_ON control bit is set to 1 or PWRHOLD is kept high, the device will be turned on again after PWRON long
press turn-off and PWRON released.
Figure 6. PWRON Long-Press Turn-Off
Table 6 lists the power control timing characteristics.
Table 6. Power Control Timing Characteristics
PARAMETER TEST CONDITIONS MIN TYP MAX UNIT
BOOT[1:0] = 00, RC oscillator 0.1
BOOT[1:0] = 01, Quartz
td32KON: 32-kHz Oscillator turn-on time 400 2000 ms
oscillator
BOOT[1:0] = 01, Bypass clock 0.1
3 × 4 × tCK32k
tdbVMBHI: VMBHI rising-edge debouncing delay tCK32k = µs
= 125
94
3 ×
tdbVMBDCH: Main Battery voltage = VMBDCH threshold to INT1 4 × tCK32k
tCK32k = s
falling-edge delay = 125
94
3 ×
tdbVMBLO: Main Battery voltage = VMBLO threshold to 4 × tCK32k
tCK32k = s
NRESPWRON falling-edge delay = 125
94
tdbPWRONF: PWRON falling-edge debouncing delay 500 550 ms
3 × 4 × tCK32k
tdbPWRONR: PWRON rising-edge debouncing delay tCK32k= µs
= 125
94
2 × 3 ×
tdbPWRHOLD: PWRON rising-edge debouncing delay tCK32k = tCK32k= µs
63 94
tdOINT: INT1 (internal) Power-on pulse duration after PWRON 1 s
low-level (debounced) event
tdONPWHOLD: delay to set high PWRHOLD signal or DEV_ON 984 ms
control bit after NRESPWRON released to keep on the supplies
PWRON falling edge to
tdPWRONLP: PWRON long-press delay to interrupt 6 s
PWON_LP_IT = 1
PWRON falling edge to
tdPWRONLPTO: PWRON long-press delay to turn-off 8 s
NRESPWRON falling edge
Copyright © 2010–2013, Texas Instruments Incorporated Submit Documentation Feedback 33
Product Folder Links: TPS65910 TPS65910A TPS65910A3 TPS659101 TPS659102 TPS659103 TPS659104
TPS659105 TPS659106 TPS659107 TPS659108 TPS659109

SWCS046-024
SLEEP
tACT2SLP
VIO/VFBIO 1.8 V
PWM mode
VAUX1
VDD2/VFB2
VDD1/VFB1
VPLL
VDAC
VAUX2
VMMC
CLK32KOUT
SWIO
SW2
SW1
1.8 V
Low-power mode
1.8 V
PWM mode
1.8 V
Active mode
1.8 V
Low-power mode
1.8 V
Active mode
3.3 V
Pulse skip mode
3.3 V
Low-power mode
3.3 V
1.2 V
PWM mode Off
1.8 V
Active mode
1.8 V
Active mode
1.8 V
Active mode
3.3 V
Active mode
3.3 V
Low-power mode
Off
Off
1.8 V
Active mode
1.8 V
Active mode
3.3 V
Active mode
1.2 V
PWM mode
1.8 V
Active mode
1.8 V
Active mode
tSLP2ACT
tSLP2ACTCK32K
tdSLPON1 tdSLPONST
tdSLPONST
tdONDCDCSLP
tACT2SLPCK32K
Pulse skip mode
TPS65910, TPS65910A, TPS65910A3, TPS659101, TPS659102, TPS659103
TPS659104, TPS659105, TPS659106, TPS659107, TPS659108, TPS659109
SWCS046T –MARCH 2010–REVISED SEPTEMBER 2013
www.ti.com
Device SLEEP State Control
Figure 7 shows the device SLEEP state control timing characteristics.
NOTE: Registers programming: VIO_PSKIP = 0, VDD1_PSKIP = 0, VDD1_SETOFF = 1, VDAC_SETOFF = 1,
VPLL_SETOFF = 1, VAUX2_KEEPON = 1
Figure 7. Device SLEEP State Control
Table 7. Device SLEEP State Control Timing Characteristics
PARAMETER TEST CONDITIONS MIN TYP MAX UNIT
SLEEP falling edge to supply in low power 2 × tCK32k = 3 × tCK32k =
tACT2SLP mode µs
62 94
(SLEEP resynchronization delay)
tACT2SLP + 3 ×
tACT2SLP SLEEP falling edge to CLK32KOUT low 156 188 µs
tCK32k
SLEEP rising edge to supply in high power 8 × tCK32k = 9 × tCK32k =
tSLP2ACT µs
mode 250 281
tSLP2ACT + 3 ×
tSLP2ACTCK32K SLEEP rising edge to CLK32KOUT running 344 375 µs
tCK32k
SLEEP rising edge to time step 1 of the tun-on tSLP2ACT + 1 ×
tdSLPON1 281 312 µs
sequence from SLEEP state tCK32k
turn-on sequence step duration, from SLEEP
state
TSLOT_LENGTH[1:0] = 00 0
tdSLPONST µs
TSLOT_LENGTH[1:0] = 01 200
TSLOT_LENGTH[1:0] = 10 500
TSLOT_LENGTH[1:0] = 11 2000
VDD1, VDD2 or VIO tun-on delay from tun-on 2 × tCK32k =
tdSLPONDCDC us
sequence time step 62
34 Submit Documentation Feedback Copyright © 2010–2013, Texas Instruments Incorporated
Product Folder Links: TPS65910 TPS65910A TPS65910A3 TPS659101 TPS659102 TPS659103 TPS659104
TPS659105 TPS659106 TPS659107 TPS659108 TPS659109

SWCS046-017
SCLSR_EN2
VDD2/VFB2
VDD1/VFB1 1.2 V
SCLSR_EN1
NRESPWRON
Low-power mode
PFM (pulse skipping) mode
Switch-on sequence Switch-off sequence
Device on
PWM mode
SW1
tdOEN 0 V
tdVDDEN
tdEN
3.3 V
tdVDDEN
tdSOFF2
tdEN tdEN
SWCS046-016
SCLSR_EN1
VDIG1 1.2 V
VPLL 1.8 V
SCLSR_EN2
NRESPWRON
tdVEN
tdEN
Switch-on sequence Switch-off sequence
Device on
tdEN
tdEN tdSOFF2
tdEN
Low-power mode
TPS65910, TPS65910A, TPS65910A3, TPS659101, TPS659102, TPS659103
TPS659104, TPS659105, TPS659106, TPS659107, TPS659108, TPS659109
www.ti.com
SWCS046T –MARCH 2010–REVISED SEPTEMBER 2013
Power Supplies State Control Through the SCLSR_EN1 and SDASR_EN2 Signals
Figure 8 andFigure 9 show the power supplies state control through the SCLSR_EN1 and SDASR_EN2 signals
timing characteristics.
NOTE: Register setting: VDIG1_EN1 = 1, VPLL_EN2 = 1, and VPLL_KEEPON = 1
Figure 8. LDO Type Supplies State Control Through SCLSR_EN1 and SCLSR_EN2
NOTE: Register setting: VDD2_EN2 = 1, VDD1_EN1 = 1, VDD1_KEEPON = 1, VDD1_PSKIP = 0, and SEL[6:0] = hex00 in
VDD2_SR_REG
Figure 9. VDD1 and VDD2 Supplies State Control Through SCLSR_EN1 and SCLSR_EN2
Table 8. Supplies State Control Though SCLSR_EN1 and SCLSR_EN2 Timing Characteristics
PARAMETER TEST CONDITIONS MIN TYP MAX UNIT
tdEN: NREPSWON to supply state
change delay, SCLSR_EN1 or 0 ms
SCLSR_EN2 driven
tdEN: SCLSR_EN1 or
SCLSR_EN2 edge to supply state 1 × tCK32k = 31 µs
change delay
tdVDDEN: SCLSR_EN1 or
SCLSR_EN2 edge to VDD1 or 3 × tCK32k = 63 µs
VDD2 dc-dc turn on delay
Copyright © 2010–2013, Texas Instruments Incorporated Submit Documentation Feedback 35
Product Folder Links: TPS65910 TPS65910A TPS65910A3 TPS659101 TPS659102 TPS659103 TPS659104
TPS659105 TPS659106 TPS659107 TPS659108 TPS659109

SWCS046-025
SW3
SW2
SWIO
SW1 tdswio2sw1
tdswio2sw2
tdswio2sw3
tdviosync
1.2 V
SCLSR_EN2
PFM (pulse
skipping) mode
SW1
VDD1/VFB1 0.8 V
PFM (pulse
skipping) mode
PFM (pulse skipping) mode PWM mode PWM mode
tdDVSEN tdDVSENL tdDVSEN
TSTEP[2:0]=001
TSTEP[2:0]=011
tdDVSENL
SWCS046-021
TPS65910, TPS65910A, TPS65910A3, TPS659101, TPS659102, TPS659103
TPS659104, TPS659105, TPS659106, TPS659107, TPS659108, TPS659109
SWCS046T –MARCH 2010–REVISED SEPTEMBER 2013
www.ti.com
VDD1 and VDD2 Voltage Control Through SCLSR_EN1 and SDASR_EN2 Signals
Figure 10 shows the VDD1 and VDD2 voltage control through the SCLSR_EN1 and SDASR_EN2 signals timing
characteristics.
NOTE: Register setting: VDD1_EN1 = 1, SEL[6:0] = hex13 in VDD1_SR_REG
Figure 10. VDD1 Supply Voltage Control Though SCLSR_EN1
Table 9. VDD1 Supply Voltage Control Through SCLSR_EN1 Timing Characteristics
PARAMETER TEST CONDITIONS MIN TYP MAX UNIT
tdDVSEN: SCLSR_EN1 or SCLSR_EN2 edge to 2 × tCK32k = 62 µs
VDD1 or VDD2 voltage change delay
tdDVSENL: VDD1 or VDD2 voltage settling delay TSTEP[2:0] = 001 32 µs
TSTEP[2:0] = 011 (default) 0.4/7.5 = 53
TSTEP[2:0] = 111 160
SMPS Switching Synchronization
Figure 11 shows the SMPS switching synchronization timing characteristics.
NOTE: VDD1 or VDD2 switching synchronization is available in PWM mode (VDD1_PSKIP = 0 or VDD2_PSKIP = 0). SMPS
external clock (GPIO_CKSYNC) synchronization is available when VIO PWM mode is set (VIO_PSKIP = 0).
Figure 11. SMPS Switching Synchronization
Table 10. SMPS Switching Synchronization Timing Characteristics
PARAMETER TEST CONDITIONS MIN TYP MAX UNIT
VDD1_PSKIP = 0,
tdSWIO2SW1: delay from SWIO rising edge to SW1 DCDCCKSYNC[1:0] = 11 160 ns
rising edge DCDCCKSYNC[1:0] = 01 220
VDD2_PSKIP = 0,
tdSWIO2SW2: delay from SWIO rising edge to SW1 DCDCCKSYNC[1:0] = 11 160 ns
rising edge DCDCCKSYNC[1:0] = 01 290
36 Submit Documentation Feedback Copyright © 2010–2013, Texas Instruments Incorporated
Product Folder Links: TPS65910 TPS65910A TPS65910A3 TPS659101 TPS659102 TPS659103 TPS659104
TPS659105 TPS659106 TPS659107 TPS659108 TPS659109

TPS65910, TPS65910A, TPS65910A3, TPS659101, TPS659102, TPS659103
TPS659104, TPS659105, TPS659106, TPS659107, TPS659108, TPS659109
www.ti.com
SWCS046T –MARCH 2010–REVISED SEPTEMBER 2013
Table 10. SMPS Switching Synchronization Timing Characteristics (continued)
PARAMETER TEST CONDITIONS MIN TYP MAX UNIT
tdSWIO2SW3: delay from SWIO rising edge to SW3 206 ns
rising edge
Copyright © 2010–2013, Texas Instruments Incorporated Submit Documentation Feedback 37
Product Folder Links: TPS65910 TPS65910A TPS65910A3 TPS659101 TPS659102 TPS659103 TPS659104
TPS659105 TPS659106 TPS659107 TPS659108 TPS659109

TPS65910, TPS65910A, TPS65910A3, TPS659101, TPS659102, TPS659103
TPS659104, TPS659105, TPS659106, TPS659107, TPS659108, TPS659109
SWCS046T –MARCH 2010–REVISED SEPTEMBER 2013
www.ti.com
DEVICE INFORMATION
Table 11. Terminal Functions
NAME QFN PIN SUPPLIES TYPE I/O DESCRIPTION PU/PD
VDDIO VDDIO/DGND Power I Digital I/Os supply No
I2C bidirectional data signal/serial
SDA_SDI VDDIO/DGND Digital I/O peripheral interface data input External PU
(multiplexed)
I2C bidirectional clock signal/serial
SCL_SCK VDDIO/DGND Digital I/O peripheral interface Clock Input External PU
(multiplexed)
I2C SmartReflex bidirectional data
SDASR_EN2 VDDIO/DGND Digital I/O External PU
signal/enable of supplies (multiplexed)
I2C SmartReflex bidirectional clock
SCLSR_EN1 VDDIO/DGND Digital I/O External PU
signal/enable of supplies (multiplexed)
Active-sleep state transition control Programmable PD
SLEEP VDDIO/DGND Digital I signal (default active)
Configurable general-purpose I/O or Programmable PD
GPIO_CKSYNC VDDIO/DGND Digital I/O DC-DCs synchronization clock input (default active)
signal
Programmable PD
PWRHOLD VRTC/DGND Digital I Switch-on/-off control signal (default active)
Programmable PU
PWRON VBAT/DGND Digital I External switch-on control (ON button) (default active)
PD active during
NRESPWRON VDDIO/DGND Digital O Power off reset device OFF state
INT1 VDDIO/DGND Digital O Interrupt flag No
Programmable PD
BOOT0 VRTC/DGND Digital I Power-up sequence selection (default active)
Programmable PD
BOOT1 VRTC/DGND Digital I Power-up sequence selection (default active)
PD disable in
CLK32KOUT VDDIO/DGND Digital O 32-kHz clock output ACTIVE or SLEEP
state
OSC32KIN VRTC/REFGND Analog I 32-kHz crystal oscillator No
OSC32KOUT VRTC/REFGND Analog I 32-kHz crystal oscillator No
VREF VCC7/REFGND Analog O Bandgap voltage No
REFGND REFGND Analog I/O Reference ground No
TESTV VCC7/AGND Analog O Analog test output (DFT) No
Backup battery input (short to VCC5 if
VBACKUP VBACKUP/AGND Power I No
not used)
VCC1 VCC1/GND1 Power I VDD1 dc-dc power input No
GND1 VCC1/GND1 Power I/O VDD1 dc-dc power ground No
SW1 VCC1/GND1 Power O VDD1 dc-dc switched output No
VFB1 VCC7/AGND Analog I VDD1 feedback voltage PD
VCC2 VCC2/GND2 Power I VDD2 dc-dc power input No
GND2 VCC2/GND2 Power I/O VDD2 dc-dc power ground No
SW2 VCC2/GND2 Power O VDD2 dc-dc switched output No
VFB2 VCC4/AGND2 Analog I VDD2 dc-dc feedback voltage PD
VCCIO VCCIO/GNDIO Power I VIO dc-dc power input No
GNDIO VCCIO/GNDIO Power I/O VIO dc-dc power ground No
SWIO VCCIO/GNDIO Power O VIO dc-dc switched output No
VFBIO VCC7/AGND Analog I VIO feedback voltage PD
VCC3 VCC3/AGND2 Power I VMMC VAUX33 power input No
VMMC VCC3/REFGND Power O LDO regulator output PD
38 Submit Documentation Feedback Copyright © 2010–2013, Texas Instruments Incorporated
Product Folder Links: TPS65910 TPS65910A TPS65910A3 TPS659101 TPS659102 TPS659103 TPS659104
TPS659105 TPS659106 TPS659107 TPS659108 TPS659109

TPS65910, TPS65910A, TPS65910A3, TPS659101, TPS659102, TPS659103
TPS659104, TPS659105, TPS659106, TPS659107, TPS659108, TPS659109
www.ti.com
SWCS046T –MARCH 2010–REVISED SEPTEMBER 2013
Table 11. Terminal Functions (continued)
NAME QFN PIN SUPPLIES TYPE I/O DESCRIPTION PU/PD
LDO regulator output, VDD3 internal
VAUX33 VCC3/REFGND Power O PD
regulated supply
VCC4 VCC4/AGND2 Power I VAUX1, VAUX2 power input No
VAUX1 VCC4/REFGND Power O LDO regulator output PD
VAUX2 VCC4/REFGND Power O LDO regulator output PD
VCC5 VCC5/AGND Power I VDAC, VPLL power input No
VDAC VCC5/REFGND Power O LDO regulator output PD
VPLL VCC5/REFGND Power O LDO regulator output PD
VRTC VCC7/REFGND Power O LDO regulator output PD
VCC6 VCC6/AGND2 Power I VDIG1, VDIG2 power input No
VDIG1 VCC6/REFGND Power O LDO regulator output No
VDIG2 VCC6/REFGND Power O LDO regulator output No
VRTC power input, VDD3 internal and
VCC7 VCC7/REFGND Power I No
analog references supply
VFB3 VCC7/AGND Analog I VDD3 feedback voltage No
SW3 VCC7/GND3 Power O VDD3 dc-dc switched output No
Power
GND3 AGND Power I/O VDD3 dc-dc power ground No
PAD
Power
AGND AGND Power I/O Analog ground No
PAD
Power
AGND2 AGND Power I/O Analog ground No
PAD
Power
DGND DGND Power I/O Digital ground No
PAD
Copyright © 2010–2013, Texas Instruments Incorporated Submit Documentation Feedback 39
Product Folder Links: TPS65910 TPS65910A TPS65910A3 TPS659101 TPS659102 TPS659103 TPS659104
TPS659105 TPS659106 TPS659107 TPS659108 TPS659109

1
2
3
4
5
6
7
8
9
SLEEP 37
CLK32KOUT 38
GPIO/CKSYN 39
NRESPWRON 40
VCC2 41
SW2 42
GND2 43
VFB2 44
INT1 45
VAUX1 46
VCC4 47
VAUX2 48
24 VPLL
23 VCC5
22 VDAC
21 OSC32KOUT
20 OSC32KIN
19 BOOT1
18 VREF
17 REFGND
16 VFBIO
15 GNDIO
14 SWIO
13 VCCIO
PowerPad
VCC1
SW1
GND1
PWRON
VFB1
SW3
VFB3
VRRTC
VCC7
VBACKUP
BOOT0
TESTV
36
35
34
33
32
31
30
29
28
27
26
25
10
11
12
PWRHOLD
VMMC
VCC3
VAUX33
VDIG2
VCC6
VDIG1
SDA
SCL
SDASR/EN2
SCLSR/EN1
VDDIO
SWCS046-004
TPS65910, TPS65910A, TPS65910A3, TPS659101, TPS659102, TPS659103
TPS659104, TPS659105, TPS659106, TPS659107, TPS659108, TPS659109
SWCS046T –MARCH 2010–REVISED SEPTEMBER 2013
www.ti.com
PIN ASSIGNMENT (TOP VIEW)
Figure 12. 48-QFN Top View Pin Assignment
40 Submit Documentation Feedback Copyright © 2010–2013, Texas Instruments Incorporated
Product Folder Links: TPS65910 TPS65910A TPS65910A3 TPS659101 TPS659102 TPS659103 TPS659104
TPS659105 TPS659106 TPS659107 TPS659108 TPS659109

TPS65910, TPS65910A, TPS65910A3, TPS659101, TPS659102, TPS659103
TPS659104, TPS659105, TPS659106, TPS659107, TPS659108, TPS659109
www.ti.com
SWCS046T –MARCH 2010–REVISED SEPTEMBER 2013
DETAILED DESCRIPTION
POWER REFERENCE
The bandgap voltage reference is filtered by using an external capacitor connected across the VREF output and
the analog ground REFGND (see RECOMMENDED OPERATING CONDITIONS, Recommended Operating
Conditions). The VREF voltage is distributed and buffered inside the device.
POWER SOURCES
The power resources provided by the TPS65910 device include inductor-based switched mode power supplies
(SMPS) and linear low drop-out voltage regulators (LDOs). These supply resources provide the required power
to the external processor cores and external components, and to modules embedded in the TPS65910 device.
Two of these SMPS have DVS capability SmartReflex Class 3 compatible. These SMPS provide independent
core voltage domains to the host processor. The remaining SMPS provides supply voltage for the host processor
I/Os.
Table 12 lists the power sources provided by the TPS65910 device.
Table 12. Power Sources
RESOURCE TYPE VOLTAGES POWER
VIO SMPS 1.5 V / 1.8 V / 2.5 V / 3.3 V 1000 mA
VDD1 SMPS 0.6 ... 1.5 in 12.5-mV steps 1500 mA
Programmable multiplication factor: x2, x3
VDD2 SMPS 0.6 ... 1.5 in 12.5-mV steps 1500 mA
Programmable multiplication factor: x2, x3
VDD3 SMPS 5 V 100 mA
VDIG1 LDO 1.2 V, 1.5 V, 1.8 V, 2.7 V 300 mA
VDIG2 LDO 1 V, 1.1 V, 1.2 V, 1.8 V 300 mA
VPLL LDO 1.0 V, 1.1 V, 1.8 V, 2.5 V 50 mA
VDAC LDO 1.8 V, 2.6 V, 2.8 V, 2.85 V 150 mA
VAUX1 LDO 1.8 V, 2.5 V, 2.8 V, 2.85 V 300 mA
VAUX2 LDO 1.8 V, 2.8 V, 2.9 V, 3.3 V 150 mA
VAUX33 LDO 1.8 V, 2.0 V, 2.8 V, 3.3 V 150 mA
VMMC LDO 1.8 V, 2.8 V, 3.0 V, 3.3 V 300 mA
EMBEDED POWER CONTROLLER
The embedded power controller manages the state of the device and controls the power-up sequence.
STATE-MACHINE
The EPC supports the following states:
No supply: The main battery supply voltage is not high enough to power the VRTC regulator. A global reset is
asserted in this case. Everything on the device is off.
Backup: The main battery supply voltage is high enough to enable the VRTC domain but not enough to switch
on all the resources. In this state, the VRTC regulator is in backup mode and only the 32-K oscillator and RTC
module are operating (if enabled). All other resources are off or under reset.
Off: The main battery supply voltage is high enough to start the power-up sequence but device power on is not
enabled. All power supplies are in OFF state except VRTC.
Active: Device power-on enable conditions are met and regulated power supplies are on or can be enabled with
full current capability.
Sleep: Device SLEEP enable conditions are met and some selected regulated power supplies are in low-power
mode.
Copyright © 2010–2013, Texas Instruments Incorporated Submit Documentation Feedback 41
Product Folder Links: TPS65910 TPS65910A TPS65910A3 TPS659101 TPS659102 TPS659103 TPS659104
TPS659105 TPS659106 TPS659107 TPS659108 TPS659109

NO SUPPLY
OFF
ACTIVE
SLEEP
Backup
MB or BB>VBNPR and
MB<VMBLO
MB and BB<VBNPR
MB<VMBLO
MB>VMBHI
POWER ON
enabled and
MB>VMBCH
MB>VMBHI
POWER ON
disabled
MB and BB<VBNPR
MB and BB<VBNPR
SLEEP
enabled
POWER ON
disabled
MB: Main battery voltage
BB: Backup battery voltage
MB<VMBLO
SLEEP
disabled
MB<VMBLO
SWCS046-011
PWRHOLD
DEV_ON
PWRON
INT1
PWRON_LP_IT
THERM_TS
DEV_OFF
DEV_OFF_RST
POWER ON
enable
SLEEP
DEV_SLP
INT1
SLEEP
enable
SLEEPSIG_POL
NRESPWRON
tDOINT
Pulse
generator
tD
TPS65910, TPS65910A, TPS65910A3, TPS659101, TPS659102, TPS659103
TPS659104, TPS659105, TPS659106, TPS659107, TPS659108, TPS659109
SWCS046T –MARCH 2010–REVISED SEPTEMBER 2013
www.ti.com
Figure 13 shows the transitions of the state-machine.
Figure 13. Embebded Power Control State-Machine
Device power-on enable conditions:
If none of the device power-on disable conditions is met, the following conditions are available to turn on
and/or maintain the ON state of the device:
• PWRON signal low level.
• Or PWRHOLD signal high level.
• Or DEV_ON control bit set to 1 (default inactive).
42 Submit Documentation Feedback Copyright © 2010–2013, Texas Instruments Incorporated
Product Folder Links: TPS65910 TPS65910A TPS65910A3 TPS659101 TPS659102 TPS659103 TPS659104
TPS659105 TPS659106 TPS659107 TPS659108 TPS659109

TPS65910, TPS65910A, TPS65910A3, TPS659101, TPS659102, TPS659103
TPS659104, TPS659105, TPS659106, TPS659107, TPS659108, TPS659109
www.ti.com
SWCS046T –MARCH 2010–REVISED SEPTEMBER 2013
• Or interrupt flag active (default INT1 low) while the device is off (NRESPWRON = 0) generates a power-
on enable condition during a fixed delay (TDOINT1 pulse duration defined in POWER CONTROL TIMING,
Power Control Timing).
The power-on enable condition pulse occurs only if the interrupt status bit is initially low (no previous
identical interrupt pending in the status register).
The Interrupt sources expected when the device is off are:
• PWRON low-level interrupt (PWRON_IT = 1 in INT_STS_REG register)
• PWRHOLD rising-edge interrupt (PWRHOLD_IT = 1 in INT_STS_REG register)
The Interrupt sources expected if enabled when the device is off are:
• RTC Alarm interrupt (RTC_ALARM_IT = 1 or RTC_PERIOD_IT = 1 in INT_STS_REG register)
• First-time input voltage rising above VMBHI threshold (Boot mode or EEPROM dependent) and input
voltage > VMBCH threshold (VMBCH_IT = 1 in INT_STS_REG register).
GPIO_CKSYNC cannot be used to turn on the device (OFF-to-ACTIVE state transition), even if its associated
interrupt is not masked, but can be used as an interrupt source to wake up the device from SLEEP-to-ACTIVE
state.
Device power-on disable conditions:
• PWRON signal low level during more than the long-press delay: tdPWRONLP (can be disabled though register
programming). The interrupt corresponding to this condtion is PWRON_LP_IT in the INT_STS_REG register.
• Or Die temperature has reached the thermal shutdown threshold.
• Or DEV_OFF or DEV_OFF_RST control bit set to 1 (value of DEV_OFF is cleared when the device is in OFF
state).
Device SLEEP enable conditions:
• SLEEP signal low level (default, or high level depending on the programmed polarity)
• And DEV_SLP control bit set to 1
• And interrupt flag inactive (default INT1 high): no nonmasked interrupt pending
The SLEEP state can be controlled by programming DEV_SLP and keeping the SLEEP signal in the active
polarity state, or it can be controlled through the SLEEP signal setting the DEV_SLP bit to 1 once, after device
turn-on.
SWITCH-ON/-OFF SEQUENCES
The power sequence is the automated switching on of the device resources when an off-to-active transition takes
place.
The device supports three embedded power sequences selectable by the device BOOT pins.
BOOT0 BOOT1 Processor Supported
0 0 AM3517, AM3505
1 0 OMAP3 Family, AM3715/03, DM3730/25
0 1 EEPROM sequence
Details of the boot sequence timing are given in SWITCH-ON/-OFF SEQUENCES AND TIMING. EEPROM
sequences can be used for specific power up sequence for corresponding application processor. For details of
EEPROM sequence refer to the user guides on the product folder:
http://focus.ti.com/docs/prod/folders/print/tps65910.html.
CONTROL SIGNALS
SLEEP
When none of the device sleep-disable conditions are met, a falling edge (default, or rising edge, depending on
the programmed polarity) of this signal causes an ACTIVE-to-SLEEP state transition of the device. A rising edge
(default, or falling edge, depending on the programmed polarity) causes a transition back to ACTIVE state. This
input signal is level sensitive and no debouncing is applied.
Copyright © 2010–2013, Texas Instruments Incorporated Submit Documentation Feedback 43
Product Folder Links: TPS65910 TPS65910A TPS65910A3 TPS659101 TPS659102 TPS659103 TPS659104
TPS659105 TPS659106 TPS659107 TPS659108 TPS659109

TPS65910, TPS65910A, TPS65910A3, TPS659101, TPS659102, TPS659103
TPS659104, TPS659105, TPS659106, TPS659107, TPS659108, TPS659109
SWCS046T –MARCH 2010–REVISED SEPTEMBER 2013
www.ti.com
While the device is in SLEEP state, predefined resources are automatically set in their low-power mode or off.
Resources can be kept in their active mode: (full-load capability), programming the SLEEP_KEEP_LDO_ON and
the SLEEP_KEEP_RES_ON registers. These registers contain 1 bit per power resource. If the bit is set to 1,
then that resource stays in active mode when the device is in SLEEP state. 32KCLKOUT is also included in the
SLEEP_KEEP_RES_ON register and the 32-kHz clock output is maintained in SLEEP state if the corresponding
mask bit is set.
PWRHOLD
When none of the device power-on disable conditions are met, a rising edge of this signal causes an OFF-to-
ACTIVE state transition of the device and a falling edge causes a transition back to OFF state. Typically, this
signal is used to control the device in a slave configuration. It can be connected to the SYSEN output signal from
other TPS659xx devices, or the NRESPWRON signal of another TPS65910 device. This input signal is level
sensitive and no debouncing is applied.
A rising edge of PWRHOLD is highlighted though an associated interrupt.
BOOT0/BOOT1
These signals determine which processor the device is working with and hence which power-up sequence is
needed. See SWITCH-ON/-OFF SEQUENCES AND TIMING for more details. There is no debouncing on this
input signal.
NRESPWRON
This signal is used as the reset to the processor. It is held low until the ACTIVE state is reached. See POWER
CONTROL TIMING to get detailed timing.
CLK32KOUT
This signal is the output of the 32K oscillator, which can be enabled or not during the power-on sequence,
depending on the Boot mode. It can be enabled and disabled by register bit, during ACTIVE state of the device.
CLK32KOUT output can also be enabled or not during SLEEP state of the device depending on the
SLEEPMASK register programming.
PWRON
A falling edge on this signal causes after tdbPWRONF debouncing delay (defined in Figure 5 and Table 6) an OFF-
to-ACTIVE state or SLEEP-to-ACTIVE state transition of the device and makes the corresponding interrupt
(PWRON_IT) active. The PWRON input is connected to an external push-button. The built-in debouncing time
defines a minimum button press duration that is required for button press detection. Any button press duration
which is lower than this value is ignored, considered an accidental touch.
After an OFF-to-ACTIVE state transition, the PMIC maintains ACTIVE during tdOINT delay, if the button is
released. After this delay if none of the device enabling conditions is set by the processor supplied, the PMIC
automatically turns off. If the button is not released, the PMIC maintains ACTIVE up to tdPWRONLPTO, because
PWRON low is a device enabling condition. After a SLEEP-to-ACTIVE state transition, the PMIC maintains
ACTIVE as long as an interrupt is pending.
If the device is already in ACTIVE state, a PWRON low level makes the corresponding interrupt (PWRON_IT)
active.
When the PMIC is in ACTIVE mode, if the button is pressed for longer time than tdPWRONLP, the PMIC generates
the PWON_LP_IT interrupt. If the processor does not acknowledge the long press interrupt within a period of
tdPWRONLPTO – tdPWRONLP, the PMIC goes to OFF mode and shuts down the DCDCs and LDOs.
INT1
INT1 signal (default active low) warns the host processor of any event that occurred on the TPS65910 device.
The host processor can then poll the interrupt from the interrupt status register through I2C to identify the
interrupt source. A low level (default setting) indicates an active interrupt, highlighted in the INT_STS_REG
register. The polarity of INT1 can be set by programming the IT_POL control bit.
44 Submit Documentation Feedback Copyright © 2010–2013, Texas Instruments Incorporated
Product Folder Links: TPS65910 TPS65910A TPS65910A3 TPS659101 TPS659102 TPS659103 TPS659104
TPS659105 TPS659106 TPS659107 TPS659108 TPS659109

TPS65910, TPS65910A, TPS65910A3, TPS659101, TPS659102, TPS659103
TPS659104, TPS659105, TPS659106, TPS659107, TPS659108, TPS659109
www.ti.com
SWCS046T –MARCH 2010–REVISED SEPTEMBER 2013
Any (not masked or masked) interrupt detection causes a POWER ON enable condition during a fixed delay
tDOINT1 (only) when the device is in OFF state (when NRESPWON signal is low). Any (not masked) interrupt
detection is causing a device wakeup from SLEEP state up to acknowledge of the pending interrupt. Any of the
interrupt sources can be masked by programming the INT_MSK_REG register. When an interrupt is masked, its
corresponding interrupt status bit is still updated, but the INT1 flag is not activated.
Interrupt source masking can be used to mask a device switch-on event. Because interrupt flag active is a
POWER ON enable condition during tDOINT1 delay, any interrupt not masked must be cleared to allow turn off of
the device after the tDOINT1 POWER ON enable pulse duration.. See section: Interrupts, for interrupt sources
definition.
SDASR_EN2 and SCLSR_EN1
SDASR_EN2 and SCLSR_EN1 are the data and clock signals of the serial control interface (SR-I2C) dedicated
to SmartReflex applications. These signals can also be programmed to be used as enable signals of one or
several supplies, when the device is on (NRESPWRON high). A resource assigned to SDASR_EN2 or
SCLSR_EN1 control automatically disables the serial control interface.
Programming EN1_LDO_ASS_REG, EN2_LDO_REG, and SLEEP_KEEP_LDO_ON_REG registers:
SCLSR_EN1 and SDASR_EN2 signals can be used to control the turn on/off or sleep state of any LDO type
supplies.
Programming EN1_SMPS_ASS_REG, EN2_SMPS_ASS_REG, and SLEEP_KEEP_RES_ON registers:
SCLSR_EN1 and SDASR_EN2 signals can be used to control the turn on/off or low-power state (PFM mode) of
SMPS type supplies.
SDASR_EN2 and SCLSR_EN1 can be used to set output voltage of VDD1 and VDD2 SMPS from a roof to a
floor value, preprogrammed in the VDD1_OP_REG, VDD2_OP_REG, and teh VDD1_SR_REG, VDD2_SR_REG
registers. Tun-off of VDD1 and VDD2 can also be programmed either in VDD1_OP_REG, VDD2_OP_REG or in
VDD1_SR_REG, VDD2_SR_REG registers.
When a supply is controlled through SCLSR_EN1 or SCLSR_EN2 signals, its state is no longer driven by the
device SLEEP state.
GPIO_CKSYNC
GPIO_CKSYNC is a configurable open-drain digital I/O: directivity, debouncing delay and internal pullup can be
programmed in the GPIO0_REG register. GPIO_CKSYNC cannot be used to turn on the device (OFF-to-ACTIVE
state transition), even if its associated interrupt is not masked, but can be used as an interrupt source to wake up
the device from SLEEP-to-ACTIVE state.
Programming DCDCCKEXT = 1, VDD1, VDD2, VIO, and VDD3 dc-dc switching can be synchronized using a 3-
MHz clock set though the GPIO_CKSYNC pin.
DYNAMIC VOLTAGE FREQUENCY SCALING AND ADAPTIVE VOLTAGE SCALING OPERATION
Dynamic voltage frequency scaling (DVFS) operation: a supply voltage value corresponding to a targeted
frequency of the digital core supplied is programmed in VDD1_OP_REG or VDD2_OP_REG registers.
The slew rate of the voltage supply reaching a new VDD1_OP_REG or VDD2_OP_REG programmed value is
limited to 12.5 mV/µs, fixed value. Adaptative voltage scaling (AVS) operation: a supply voltage value
corresponding to a supply voltage adjustment is programmed in VDD1_SR_REG or VDD2_SR_REG registers.
The supply voltage is then intended to be tuned by the digital core supplied, based its performance self-
evaluation. The slew rate of VDD1 or VDD2 voltage supply reaching a new programmed value is programmable
though the VDD1_REG or VDD2_REG register, respectively.
A serial control interface (SR-I2C) is dedicated to SmartReflex applications such as DVFS and class 3 AVS, and
thus gives access to the VDD1_OP_REG, VDD1_SR_REG, and VDD2_OP_REG, VDD2_SR_REG register.
A general-purpose serial control interface (CTL-I2C) also gives access to these registers, if SR_CTL_I2C_SEL
control bit is set to 1 in the DEVCTRL_REG register (default inactive).
Both control interfaces are compliant with HS-I2C specification (100 kbps, 400 kbps, or 3.4 Mbps).
Figure 14 shows an example of a SmartReflex operation. To optimize power efficiency, the voltage domains of
the host processor uses the DVFS and AVS features provided by SmartReflex.
Copyright © 2010–2013, Texas Instruments Incorporated Submit Documentation Feedback 45
Product Folder Links: TPS65910 TPS65910A TPS65910A3 TPS659101 TPS659102 TPS659103 TPS659104
TPS659105 TPS659106 TPS659107 TPS659108 TPS659109

OPP1
OPP2
OPP3
OPP4
OPP5
OPP Change start
OPP Change end
Coarse steps (DVFS) Fine steps (AVS)
SWCS046-012
TSR TI2C TSMPS TSR TI2C TSMPS TSR TI2C TSMPS TSR TI2C TSMPS
TPS65910, TPS65910A, TPS65910A3, TPS659101, TPS659102, TPS659103
TPS659104, TPS659105, TPS659106, TPS659107, TPS659108, TPS659109
SWCS046T –MARCH 2010–REVISED SEPTEMBER 2013
www.ti.com
(1) TSR: Time used by the SmartReflex controller
(2) TI2C: Time used for data transfer through the I2C interface
(3) TSMPS: Time required by the SMPS to converge to new voltage value
Figure 14. SmartReflex Operation Example
32-kHz RTC CLOCK
The TPS65910 device can provide a 32-kHz clock to the platform through the CLK32KOUT output, the source of
this 32-kHz clock can be:
• 32-kHz crystal connected from OSC32IN to OSC32KOUT pins
• A square-wave 32-kHz clock signal applied to OSC32IN input (OSC32KOUT kept floating).
• Internal 32-kHz RC oscillator, to reduce the BOM, if an accurate clock is not needed by the system.
Default selection of a 32-kHz RC oscillator versus 32-kHz crystal oscillator or external square-wave 32-kHz clock
depends on the Boot mode or device version (EEPROM programming):
• BOOT1 = 0, BOOT0 = 1: quartz oscillator or external square wave 32-kHz clock default
• BOOT1 = 0, BOOT0 = 0: 32-kHz RC oscillator default
Switching from the 32-kHz RC oscillator to the 32-kHz crystal oscillator or external square-wave 32-kHz clock
can also be programmed though DEVCTRL_REG register, taking benefit of the shorter turn-on time of the
internal RC oscillator.
Switching from the 32-kHz crystal oscillator or external square-wave clock to the RC oscillator is not supported.
46 Submit Documentation Feedback Copyright © 2010–2013, Texas Instruments Incorporated
Product Folder Links: TPS65910 TPS65910A TPS65910A3 TPS659101 TPS659102 TPS659103 TPS659104
TPS659105 TPS659106 TPS659107 TPS659108 TPS659109

Biasing
and
amplitude
control
32 kHz to
digital block
VRTC
OSC32KOUTOSC32KIN
SWCS046-013
REFGND
Q
Coscin Coscout
TPS65910, TPS65910A, TPS65910A3, TPS659101, TPS659102, TPS659103
TPS659104, TPS659105, TPS659106, TPS659107, TPS659108, TPS659109
www.ti.com
SWCS046T –MARCH 2010–REVISED SEPTEMBER 2013
Figure 15. Crystal Oscillator 32-kHz Clock
RTC
The RTC, which is driven by the 32-kHz clock, provides the alarm and timekeeping functions. The RTC is kept
supplied when the device is in the OFF or the BACKUP state.
The main functionalities of the RTC block are:
• Time information (seconds/minutes/hours) directly in binary-coded decimal (BCD) format
• Calendar information (Day/Month/Year/Day of the week) directly in BCD code up to year 2099
• Programmable interrupts generation: The RTC can generate two interrupts: a timer interrupt
RTC_PERIOD_IT periodically (1s/1m/1h/1d period) and an alarm interrupt RTC_ALARM_IT at a precise time
of the day (alarm function). These interrupts are enabled using IT_ALARM and IT_TIMER control bits.
Periodically interrupts can be masked during the SLEEP period to avoid host interruption and are
automatically unmasked after SLEEP wakeup (using the IT_SLEEP_MASK_EN control bit).
• Oscillator frequency calibration and time correction
Copyright © 2010–2013, Texas Instruments Incorporated Submit Documentation Feedback 47
Product Folder Links: TPS65910 TPS65910A TPS65910A3 TPS659101 TPS659102 TPS659103 TPS659104
TPS659105 TPS659106 TPS659107 TPS659108 TPS659109

Hours
32-kHz clock
input
INT_ALARM
INT_TIMER
Seconds
Interrupt
Minutes
Week
Days
Days Months Years
Control
Alarm
Frequency
compensation
32-kHz
counter
SWCS046-014
TPS65910, TPS65910A, TPS65910A3, TPS659101, TPS659102, TPS659103
TPS659104, TPS659105, TPS659106, TPS659107, TPS659108, TPS659109
SWCS046T –MARCH 2010–REVISED SEPTEMBER 2013
www.ti.com
Figure 16. RTC Digital Section Block Diagram
NOTE
INT_ALARM can generate a wakeup of the platform.
INT_TIMER cannot generate a wakeup of the platform.
TIME CALENDAR REGISTERS
All the time and calendar information are available in these dedicated registers, called TC registers. Values of the
TC registers are written in BCD format.
1. Year data ranges from 00 to 99
– Leap year = Year divisible by four (2000, 2004, 2008, 2012...)
– Common year = other years
2. Month data ranges from 01 to 12
3. Day value ranges from:
– 1 to 31 when months are 1, 3, 5, 7, 8, 10, 12
– 1 to 30 when months are 4, 6, 9, 11
– 1 to 29 when month is 2 and year is a leap year
– 1 to 28 when month is 2 and year is a common year
4. Week value ranges from 0 to 6
5. Hour value ranges from 00 to 23 in 24-hour mode and ranges from 1 to 12 in AM/PM mode
6. Minutes value ranges from 0 to 59
7. Seconds value ranges from 0 to 59
To modify the current time, software writes the new time into TC registers to fix the time/calendar information.
The DBB can write into TC registers without stopping the RTC. In addition, software can stop the RTC by
clearing the STOP_RTC bit of the control register and check the RUN bit of the status to be sure that the RTC is
frozen. Then update TC values, and then restart the RTC by setting the STOP_RTC bit.
Example: Time is 10H54M36S PM (PM_AM mode set), 2008 September 5, previous register values are:
48 Submit Documentation Feedback Copyright © 2010–2013, Texas Instruments Incorporated
Product Folder Links: TPS65910 TPS65910A TPS65910A3 TPS659101 TPS659102 TPS659103 TPS659104
TPS659105 TPS659106 TPS659107 TPS659108 TPS659109

364
59 0 1
58 2Seconds 59 0 1
58 2
Hours
3 4Hours
59 0 1
Seconds
Compensation event
Compensation event
swcs046-015
TPS65910, TPS65910A, TPS65910A3, TPS659101, TPS659102, TPS659103
TPS659104, TPS659105, TPS659106, TPS659107, TPS659108, TPS659109
www.ti.com
SWCS046T –MARCH 2010–REVISED SEPTEMBER 2013
Register Value
SECONDS_REG 0x36
MINUTES_REG 0x54
HOURS_REG 0x90
DAYS_REG 0x05
MONTHS_REG 0x09
YEARS_REG 0x08
The user can round to the closest minute, by setting the ROUND_30S register bit. TC values are set to the
closest minute value at the next second. The ROUND_30S bit is automatically cleared when the rounding time is
performed.
Example:
• If current time is 10H59M45S, a round operation changes time to 11H00M00S.
• if current time is 10H59M29S, a round operation changes time to 10H59M00S.
GENERAL REGISTERS
Software can access the RTC_STATUS_REG and RTC_CTRL_REG registers at any time (except for the
RTC_CTRL_REG[5] bit, which must be changed only when the RTC is stopped).
COMPENSATION REGISTERS
The RTC_COMP_MSB_REG and RTC_COMP_LSB_REG registers must respect the available access period.
These registers must be updated before each compensation process. For example, software can load the
compensation value into these registers after each hour event, during an available access period.
Figure 17. RTC Compensation Scheduling
Copyright © 2010–2013, Texas Instruments Incorporated Submit Documentation Feedback 49
Product Folder Links: TPS65910 TPS65910A TPS65910A3 TPS659101 TPS659102 TPS659103 TPS659104
TPS659105 TPS659106 TPS659107 TPS659108 TPS659109

TPS65910, TPS65910A, TPS65910A3, TPS659101, TPS659102, TPS659103
TPS659104, TPS659105, TPS659106, TPS659107, TPS659108, TPS659109
SWCS046T –MARCH 2010–REVISED SEPTEMBER 2013
www.ti.com
This drift can be balanced to compensate for any inaccuracy of the 32-kHz oscillator. Software must calibrate the
oscillator frequency, calculate the drift compensation versus one time hour period; and then load the
compensation registers with the drift compensation value. Indeed, if the AUTO_COMP_EN bit in the
RTC_CTRL_REG is enabled, the value of COMP_REG (in twos-complement) is added to the RTC 32-kHz
counter at each hour and one second. When COMP_REG is added to the RTC 32-kHz counter, the duration of
the current second becomes (32768 - COMP_REG)/32768s; so, the RTC can be compensated with a 1/32768
s/hour time unit accuracy.
NOTE
The compensation is considered once written into the registers.
BACKUP BATTERY MANAGEMENT
The device includes a back-up battery switch connecting the VRTC regulator input to a main battery (VCC7) or to
a back-up battery (VBACKUP), depending on the batteries voltage value.
The VRTC supply can then be maintained during a BACKUP state as far as the input voltage is high enough
(>VBNPR threshold). Below the VBNPR voltage threshold the digital core of the device is set under reset by
internal signal POR (PowerOnReset).
The back-up domain functions which are always supplied from VRTC comprehend:
• The internal 32-kHz oscillator
• Backup registers
The back-up battery can be charged from the main battery through an embedded charger. The back-up battery
charge voltage and enable is controlled through BBCH_REG register programming. This register content is
maintained during the device Backup state.
Hence enabled the back-up battery charge is maintained as far as the main battery voltage is higher than the
VMBLO threshold and the back-up battery voltage.
BACKUP REGISTERS
As part of the RTC the device contains five 8-bit registers which can be used for storage by the application
firmware when the external host is powered down. These registers retain their content as long as the VRTC is
active.
I2C INTERFACE
A general-purpose serial control interface (CTL-I2C) allows read and write access to the configuration registers of
all resources of the system.
A second serial control interface (SR-I2C) is dedicated to SmartReflex applications such as DVFS or AVS.
Both control interfaces are compliant with HS-I2C specification.
These interfaces support the standard slave mode (100 Kbps), Fast mode (400 Kbps), and high-speed mode
(3.4 Mbps). The general-purpose I2C module using one slave hard-coded addresse (ID1 = 2Dh). The
SmartReflex I2C module uses one slave hard-coded address (ID0 = 12h). The master mode is not supported.
Addressing: Seven-bit mode addressing device
They do not support the following features:
• 10-bit addressing
• General call
THERMAL MONITORING AND SHUTDOWN
A thermal protection module monitors the junction temperature of the device versus two thesholds:
• Hot-die temperature threshold
• Thermal shutdown temperature theshold
50 Submit Documentation Feedback Copyright © 2010–2013, Texas Instruments Incorporated
Product Folder Links: TPS65910 TPS65910A TPS65910A3 TPS659101 TPS659102 TPS659103 TPS659104
TPS659105 TPS659106 TPS659107 TPS659108 TPS659109

TPS65910, TPS65910A, TPS65910A3, TPS659101, TPS659102, TPS659103
TPS659104, TPS659105, TPS659106, TPS659107, TPS659108, TPS659109
www.ti.com
SWCS046T –MARCH 2010–REVISED SEPTEMBER 2013
When the hot-die temperature threshold is reached an interrupt is sent to software to close the noncritical running
tasks.
When the thermal shutdown temperature theshold is reached, the TPS65910 device is set under reset and a
transition to OFF state is initiated. Then the power-on enable conditions of the device is not considered until the
die temperature has decreased below the hot-die threshold. An hysteresis is applied to the hot-die and shutdown
threshold, when detecting a falling edge of temperature, and both detection are debounced to avoid any parasitic
detection. The TPS65910 device allows programming of four hot-die temperature thresholds to increase the
flexibility of the system.
By default, the thermal protection is enabled in ACTIVE state, but can be disabled through programming register
THERM_REG. The thermal protection can be enabled in SLEEP state programming register
SLEEP_KEEP_RES_ON. The thermal protection is automatically enabled during an OFF-to-ACTIVE state
transition and is kept enabled in OFF state after a switch-off sequence caused by a thermal shutdown event.
Transition to OFF state sequence caused by a thermal shutdown event is highlighted in the INT_STS_REG
status register. Recovery from this OFF state is initiated (switch-on sequence) when the die temperature falls
below the hot-die temperature threshold.
Hot-die and thermal shutdown temperature threshold detections state can be monitored or masked by reading or
programming the THERM_REG register. Hot-die interrupt can be masked by programming the INT_MSK_REG
register.
INTERRUPTS
Table 13. Interrupt Sources
Interrupt Description
RTC_ALARM_IT RTC alarm event: Occurs at programmed determinate date and time
(running in ACTIVE, OFF, and SLEEP state, default inactive)
RTC periodic event: Occurs at programmed regular period of time (every second or minute)
RTC_PERIOD_IT (running in ACTIVE, OFF, and SLEEP state, default inactive)
The embedded thermal monitoring module has detected a die temperature above the hot-die
HOT_DIE_IT detection threshold (running in ACTIVE and SLEEP state)
Level sensitive interrupt.
PWRHOLD_IT PWRHOLD signal rising edge
PWRON is low during more than the long-press delay: tdPWRONLP (can be disable though
PWRON_LP_IT register programming).
PWRON is low while the device is on (running in ACTIVE and SLEEP state) or PWON was
PWRON_IT low while the device was off (causing a device turn-on). Level-sensitive interrupt
The battery voltage rise above the VMBHI threshold: NOSUPPLY to Off or Backup-to-Off
device states transition (first battery plug or battery voltage bounce detection). This interrupt
VMBHI_IT source can be disabled through EEPROM programming (VMBHI_IT_DIS). Edge-sensitive
interrupt
The battery voltage falls down below the VMBDCH threshold(running in ACTIVE and SLEEP
VMBDCH_IT state, if enabled programming VMBCH_VSEL). Edge-sensitive interrupt
GPIO0_R_IT GPIO_CKSYNC rising-edge detection (available in ACTIVE and SLEEP state)
GPIO0_F_IT GPIO_CKSYNC falling-edge detection (available in ACTIVE and SLEEP state)
INT1 signal (active low) warns the host processor of any event that occurred on the TPS65910 device. The host
processor can then poll the interrupt from the interrupt status register via I2C to identify the interrupt source. Each
interrupt source can be individually masked via the interrupt mask register.
Copyright © 2010–2013, Texas Instruments Incorporated Submit Documentation Feedback 51
Product Folder Links: TPS65910 TPS65910A TPS65910A3 TPS659101 TPS659102 TPS659103 TPS659104
TPS659105 TPS659106 TPS659107 TPS659108 TPS659109

TPS65910, TPS65910A, TPS65910A3, TPS659101, TPS659102, TPS659103
TPS659104, TPS659105, TPS659106, TPS659107, TPS659108, TPS659109
SWCS046T –MARCH 2010–REVISED SEPTEMBER 2013
www.ti.com
PACKAGE DESCRIPTION
The following are the package descriptions of the TPS65910 PMU devices:
• Package type:
Package TPS65910
Type RSL QFN-N48
Size (mm) 6x6
Substrate layers 1 layer
Pitch ball array (mm) 0.4 mm
ViP (via-in-pad) No
Number of balls 48
Thickness (mm) (max. height including balls) 1
Others Green, ROHS-compliant
• Moisture sensitivity level target: JEDEC MSL3 @ 260°C
APPENDIX A: FUNCTIONAL REGISTERS
TPS65910_FUNC_REG REGISTERS MAPPING SUMMARY
Table 14. TPS65910_FUNC_REG Register Summary
Register Name Type Register Width (Bits) Register Reset Address Offset
SECONDS_REG RW 8 0x00 0x00
MINUTES_REG RW 8 0x00 0x01
HOURS_REG RW 8 0x00 0x02
DAYS_REG RW 8 0x01 0x03
MONTHS_REG RW 8 0x01 0x04
YEARS_REG RW 8 0x00 0x05
WEEKS_REG RW 8 0x00 0x06
ALARM_SECONDS_REG RW 8 0x00 0x08
ALARM_MINUTES_REG RW 8 0x00 0x09
ALARM_HOURS_REG RW 8 0x00 0x0A
ALARM_DAYS_REG RW 8 0x01 0x0B
ALARM_MONTHS_REG RW 8 0x01 0x0C
ALARM_YEARS_REG RW 8 0x00 0x0D
RTC_CTRL_REG RW 8 0x00 0x10
RTC_STATUS_REG RW 8 0x80 0x11
RTC_INTERRUPTS_REG RW 8 0x00 0x12
RTC_COMP_LSB_REG RW 8 0x00 0x13
RTC_COMP_MSB_REG RW 8 0x00 0x14
RTC_RES_PROG_REG RW 8 0x27 0x15
RTC_RESET_STATUS_REG RW 8 0x00 0x16
BCK1_REG RW 8 0x00 0x17
BCK2_REG RW 8 0x00 0x18
BCK3_REG RW 8 0x00 0x19
BCK4_REG RW 8 0x00 0x1A
BCK5_REG RW 8 0x00 0x1B
PUADEN_REG RW 8 0x9F 0x1C
REF_REG RW 8 0x01 0x1D
VRTC_REG RW 8 0x01 0x1E
VIO_REG RW 8 0x00 0x20
52 Submit Documentation Feedback Copyright © 2010–2013, Texas Instruments Incorporated
Product Folder Links: TPS65910 TPS65910A TPS65910A3 TPS659101 TPS659102 TPS659103 TPS659104
TPS659105 TPS659106 TPS659107 TPS659108 TPS659109

TPS65910, TPS65910A, TPS65910A3, TPS659101, TPS659102, TPS659103
TPS659104, TPS659105, TPS659106, TPS659107, TPS659108, TPS659109
www.ti.com
SWCS046T –MARCH 2010–REVISED SEPTEMBER 2013
Table 14. TPS65910_FUNC_REG Register Summary (continued)
Register Name Type Register Width (Bits) Register Reset Address Offset
VDD1_REG RW 8 0x0C 0x21
VDD1_OP_REG RW 8 0x00 0x22
VDD1_SR_REG RW 8 0x00 0x23
VDD2_REG RW 8 0x04 0x24
VDD2_OP_REG RW 8 0x00 0x25
VDD2_SR_REG RW 8 0x00 0x26
VDD3_REG RW 8 0x04 0x27
VDIG1_REG RW 8 0x00 0x30
VDIG2_REG RW 8 0x00 0x31
VAUX1_REG RW 8 0x00 0x32
VAUX2_REG RW 8 0x00 0x33
VAUX33_REG RW 8 0x00 0x34
VMMC_REG RW 8 0x00 0x35
VPLL_REG RW 8 0x00 0x36
VDAC_REG RW 8 0x00 0x37
THERM_REG RW 8 0x0D 0x38
BBCH_REG RW 8 0x00 0x39
DCDCCTRL_REG RW 8 0x3B 0x3E
DEVCTRL_REG RW 8 0x40 0x3F
DEVCTRL2_REG RW 8 0x34 0x40
SLEEP_KEEP_LDO_ON_REG RW 8 0x00 0x41
SLEEP_KEEP_RES_ON_REG RW 8 0x00 0x42
SLEEP_SET_LDO_OFF_REG RW 8 0x00 0x43
SLEEP_SET_RES_OFF_REG RW 8 0x00 0x44
EN1_LDO_ASS_REG RW 8 0x00 0x45
EN1_SMPS_ASS_REG RW 8 0x00 0x46
EN2_LDO_ASS_REG RW 8 0x00 0x47
EN2_SMPS_ASS_REG RW 8 0x00 0x48
RESERVED RW 8 0x00 0x49
RESERVED RW 8 0x00 0x4A
INT_STS_REG RW 8 0x00 0x50
INT_MSK_REG RW 8 0x02 0x51
INT_STS2_REG RW 8 0x00 0x52
INT_MSK2_REG RW 8 0x00 0x53
GPIO0_REG RW 8 0x0A 0x60
JTAGVERNUM_REG RO 8 0x00 0x80
TPS65910_FUNC_REG REGISTER DESCRIPTIONS
Table 15. SECONDS_REG
Address Offset 0x00
Physical Address Instance
Description RTC register for seconds
Type RW
Copyright © 2010–2013, Texas Instruments Incorporated Submit Documentation Feedback 53
Product Folder Links: TPS65910 TPS65910A TPS65910A3 TPS659101 TPS659102 TPS659103 TPS659104
TPS659105 TPS659106 TPS659107 TPS659108 TPS659109

TPS65910, TPS65910A, TPS65910A3, TPS659101, TPS659102, TPS659103
TPS659104, TPS659105, TPS659106, TPS659107, TPS659108, TPS659109
SWCS046T –MARCH 2010–REVISED SEPTEMBER 2013
www.ti.com
76543210
Reserved SEC1 SEC0
Bits Field Name Description Type Reset
7 Reserved Reserved bit RO 0
R returns
0s
6:4 SEC1 Second digit of seconds (range is 0 up to 5) RW 0x0
3:0 SEC0 First digit of seconds (range is 0 up to 9) RW 0x0
Table 16. MINUTES_REG
Address Offset 0x01
Physical Address Instance
Description RTC register for minutes
Type RW
76543210
Reserved MIN1 MIN0
Bits Field Name Description Type Reset
7 Reserved Reserved bit RO 0
R returns
0s
6:4 MIN1 Second digit of minutes (range is 0 up to 5) RW 0x0
3:0 MIN0 First digit of minutes (range is 0 up to 9) RW 0x0
Table 17. HOURS_REG
Address Offset 0x02
Physical Address Instance
Description RTC register for hours
Type RW
76543210
PM_NAM Reserved HOUR1 HOUR0
Bits Field Name Description Type Reset
7 PM_NAM Only used in PM_AM mode (otherwise it is set to 0) RW 0
0 is AM
1 is PM
6 Reserved Reserved bit RO 0
R returns
0s
5:4 HOUR1 Second digit of hours(range is 0 up to 2) RW 0x0
3:0 HOUR0 First digit of hours (range is 0 up to 9) RW 0x0
Table 18. DAYS_REG
Address Offset 0x03
Physical Address Instance
Description RTC register for days
Type RW
54 Submit Documentation Feedback Copyright © 2010–2013, Texas Instruments Incorporated
Product Folder Links: TPS65910 TPS65910A TPS65910A3 TPS659101 TPS659102 TPS659103 TPS659104
TPS659105 TPS659106 TPS659107 TPS659108 TPS659109

TPS65910, TPS65910A, TPS65910A3, TPS659101, TPS659102, TPS659103
TPS659104, TPS659105, TPS659106, TPS659107, TPS659108, TPS659109
www.ti.com
SWCS046T –MARCH 2010–REVISED SEPTEMBER 2013
76543210
Reserved DAY1 DAY0
Bits Field Name Description Type Reset
7:6 Reserved Reserved bit RO 0x0
R returns
0s
5:4 DAY1 Second digit of days (range is 0 up to 3) RW 0x0
3:0 DAY0 First digit of days (range is 0 up to 9) RW 0x1
Table 19. MONTHS_REG
Address Offset 0x04
Physical Address Instance
Description RTC register for months
Type RW
76543210
Reserved MONTH1 MONTH0
Bits Field Name Description Type Reset
7:5 Reserved Reserved bit RO 0x0
R returns
0s
4 MONTH1 Second digit of months (range is 0 up to 1) RW 0
3:0 MONTH0 First digit of months (range is 0 up to 9) RW 0x1
Table 20. YEARS_REG
Address Offset 0x05
Physical Address Instance
Description RTC register for day of the week
Type RW
76543210
YEAR1 YEAR0
Bits Field Name Description Type Reset
7:4 YEAR1 Second digit of years (range is 0 up to 9) RW 0x0
3:0 YEAR0 First digit of years (range is 0 up to 9) RW 0x0
Table 21. WEEKS_REG
Address Offset 0x06
Physical Address Instance
Description RTC register for day of the week
Type RW
76543210
Reserved WEEK
Copyright © 2010–2013, Texas Instruments Incorporated Submit Documentation Feedback 55
Product Folder Links: TPS65910 TPS65910A TPS65910A3 TPS659101 TPS659102 TPS659103 TPS659104
TPS659105 TPS659106 TPS659107 TPS659108 TPS659109

TPS65910, TPS65910A, TPS65910A3, TPS659101, TPS659102, TPS659103
TPS659104, TPS659105, TPS659106, TPS659107, TPS659108, TPS659109
SWCS046T –MARCH 2010–REVISED SEPTEMBER 2013
www.ti.com
Bits Field Name Description Type Reset
7:3 Reserved Reserved bit RO 0x00
R returns
0s
2:0 WEEK First digit of day of the week (range is 0 up to 6) RW 0
Table 22. ALARM_SECONDS_REG
Address Offset 0x08
Physical Address Instance
Description RTC register for alarm programmation for seconds
Type RW
76543210
Reserved ALARM_SEC1 ALARM_SEC0
Bits Field Name Description Type Reset
7 Reserved Reserved bit RO 0
R returns
0s
6:4 ALARM_SEC1 Second digit of alarm programmation for seconds (range is 0 up to 5) RW 0x0
3:0 ALARM_SEC0 First digit of alarm programmation for seconds (range is 0 up to 9) RW 0x0
Table 23. ALARM_MINUTES_REG
Address Offset 0x09
Physical Address Instance
Description RTC register for alarm programmation for minutes
Type RW
76543210
Reserved ALARM_MIN1 ALARM_MIN0
Bits Field Name Description Type Reset
7 Reserved Reserved bit RO 0
R returns
0s
6:4 ALARM_MIN1 Second digit of alarm programmation for minutes (range is 0 up to 5) RW 0x0
3:0 ALARM_MIN0 First digit of alarm programmation for minutes (range is 0 up to 9) RW 0x0
Table 24. ALARM_HOURS_REG
Address Offset 0x0A
Physical Address Instance
Description RTC register for alarm programmation for hours
Type RW
76543210
Reserved ALARM_HOUR1 ALARM_HOUR0
ALARM_PM_NAM
56 Submit Documentation Feedback Copyright © 2010–2013, Texas Instruments Incorporated
Product Folder Links: TPS65910 TPS65910A TPS65910A3 TPS659101 TPS659102 TPS659103 TPS659104
TPS659105 TPS659106 TPS659107 TPS659108 TPS659109

TPS65910, TPS65910A, TPS65910A3, TPS659101, TPS659102, TPS659103
TPS659104, TPS659105, TPS659106, TPS659107, TPS659108, TPS659109
www.ti.com
SWCS046T –MARCH 2010–REVISED SEPTEMBER 2013
Bits Field Name Description Type Reset
7 ALARM_PM_NAM Only used in PM_AM mode for alarm programmation (otherwise it is set RW 0
to 0)
0 is AM
1 is PM
6 Reserved Reserved bit RO 0
R returns
0s
5:4 ALARM_HOUR1 Second digit of alarm programmation for hours(range is 0 up to 2) RW 0x0
3:0 ALARM_HOUR0 First digitof alarm programmation for hours (range is 0 up to 9) RW 0x0
Table 25. ALARM_DAYS_REG
Address Offset 0x0B
Physical Address Instance
Description RTC register for alarm programmation for days
Type RW
76543210
Reserved ALARM_DAY1 ALARM_DAY0
Bits Field Name Description Type Reset
7:6 Reserved Reserved bit RO 0x0
R Special
5:4 ALARM_DAY1 Second digit of alarm programmation for days (range is 0 up to 3) RW 0x0
3:0 ALARM_DAY0 First digit of alarm programmation for days (range is 0 up to 9) RW 0x1
Table 26. ALARM_MONTHS_REG
Address Offset 0x0C
Physical Address Instance
Description RTC register for alarm programmation for months
Type RW
76543210
Reserved ALARM_MONTH0
ALARM_MONTH1
Bits Field Name Description Type Reset
7:5 Reserved Reserved bit RO 0x0
R returns
0s
4 ALARM_MONTH1 Second digit of alarm programmation for months (range is 0 up to 1) RW 0
3:0 ALARM_MONTH0 First digit of alarm programmation for months (range is 0 up to 9) RW 0x1
Table 27. ALARM_YEARS_REG
Address Offset 0x0D
Physical Address Instance
Description RTC register for alarm programmation for years
Type RW
Copyright © 2010–2013, Texas Instruments Incorporated Submit Documentation Feedback 57
Product Folder Links: TPS65910 TPS65910A TPS65910A3 TPS659101 TPS659102 TPS659103 TPS659104
TPS659105 TPS659106 TPS659107 TPS659108 TPS659109

TPS65910, TPS65910A, TPS65910A3, TPS659101, TPS659102, TPS659103
TPS659104, TPS659105, TPS659106, TPS659107, TPS659108, TPS659109
SWCS046T –MARCH 2010–REVISED SEPTEMBER 2013
www.ti.com
76543210
ALARM_YEAR1 ALARM_YEAR0
Bits Field Name Description Type Reset
7:4 ALARM_YEAR1 Second digit of alarm programmation for years (range is 0 up to 9) RW 0x0
3:0 ALARM_YEAR0 First digit of alarm programmation for years (range is 0 up to 9) RW 0x0
Table 28. RTC_CTRL_REG
Address Offset 0x10
Physical Address Instance
Description RTC control register:
NOTES: A dummy read of this register is necessary before each I2C read in order to update the
ROUND_30S bit value.
Type RW
76543210
RTC_V_OPT GET_TIME TEST_MODE MODE_12_24 AUTO_COMP ROUND_30S STOP_RTC
SET_32_COUNTER
Bits Field Name Description Type Reset
7 RTC_V_OPT RTC date / time register selection: RW 0
0: Read access directly to dynamic registers (SECONDS_REG,
MINUTES_REG, HOURS_REG, DAYS_REG, MONTHS_REG,
YEAR_REG, WEEKS_REG)
1: Read access to static shadowed registers: (see GET_TIME bit).
6 GET_TIME When writing a 1 into this register, the content of the dynamic registers RW 0
(SECONDS_REG, MINUTES_REG, HOURS_REG, DAYS_REG,
MONTHS_REG, YEAR_REG and WEEKS_REG) is transferred into
static shadowed registers. Each update of the shadowed registers needs
to be done by re-asserting GET_TIME bit to 1 (i.e.: reset it to 0 and then
re-write it to 1)
5 SET_32_COUNTER 0: No action RW 0
1: set the 32-kHz counter with COMP_REG value.
It must only be used when the RTC is frozen.
4 TEST_MODE 0: functional mode RW 0
1: test mode (Auto compensation is enable when the 32kHz counter
reaches at its end)
3 MODE_12_24 0: 24 hours mode RW 0
1: 12 hours mode (PM-AM mode)
It is possible to switch between the two modes at any time without
disturbed the RTC, read or write are always performed with the current
mode.
2 AUTO_COMP 0: No auto compensation RW 0
1: Auto compensation enabled
1 ROUND_30S 0: No update RW 0
1: When a one is written, the time is rounded to the closest minute.
This bit is a toggle bit, the micro-controller can only write one and RTC
clears it. If the micro-controller sets the ROUND_30S bit and then read it,
the micro-controller will read one until the rounded to the closet.
0 STOP_RTC 0: RTC is frozen RW 0
1: RTC is running
58 Submit Documentation Feedback Copyright © 2010–2013, Texas Instruments Incorporated
Product Folder Links: TPS65910 TPS65910A TPS65910A3 TPS659101 TPS659102 TPS659103 TPS659104
TPS659105 TPS659106 TPS659107 TPS659108 TPS659109

TPS65910, TPS65910A, TPS65910A3, TPS659101, TPS659102, TPS659103
TPS659104, TPS659105, TPS659106, TPS659107, TPS659108, TPS659109
www.ti.com
SWCS046T –MARCH 2010–REVISED SEPTEMBER 2013
Table 29. RTC_STATUS_REG
Address Offset 0x11
Physical Address Instance
Description RTC status register:
NOTES: A dummy read of this register is necessary before each I2C read in order to update the status
register value.
Type RW
76543210
POWER_UP ALARM EVENT_1D EVENT_1H EVENT_1M EVENT_1S RUN Reserved
Bits Field Name Description Type Reset
7 POWER_UP Indicates that a reset occurred (bit cleared to 0 by writing 1). RW 1
POWER_UP is set by a reset, is cleared by writing one in this bit.
6 ALARM Indicates that an alarm interrupt has been generated (bit clear by writing RW 0
1).
The alarm interrupt keeps its low level, until the micro-controller write 1 in
the ALARM bit of the RTC_STATUS_REG register.
The timer interrupt is a low-level pulse (15 µs duration).
5 EVENT_1D One day has occurred RO 0
4 EVENT_1H One hour has occurred RO 0
3 EVENT_1M One minute has occurred RO 0
2 EVENT_1S One second has occurred RO 0
1 RUN 0: RTC is frozen RO 0
1: RTC is running
This bit shows the real state of the RTC, indeed because of STOP_RTC
signal was resynchronized on 32-kHz clock, the action of this bit is
delayed.
0 Reserved Reserved bit RO 0
R returns
0s
Table 30. RTC_INTERRUPTS_REG
Address Offset 0x12
Physical Address Instance
Description RTC interrupt control register
Type RW
76543210
Reserved IT_ALARM IT_TIMER EVERY
IT_SLEEP_MASK_EN
Bits Field Name Description Type Reset
7:5 Reserved Reserved bit RO 0x0
R returns
0s
4 IT_SLEEP_MASK_E 1: Mask periodic interrupt while the TPS65910 device is in SLEEP mode. RW 0
N Interrupt event is back up in a register and occurred as soon as the
TPS65910 device is no more in SLEEP mode.
0: Normal mode, no interrupt masked
Copyright © 2010–2013, Texas Instruments Incorporated Submit Documentation Feedback 59
Product Folder Links: TPS65910 TPS65910A TPS65910A3 TPS659101 TPS659102 TPS659103 TPS659104
TPS659105 TPS659106 TPS659107 TPS659108 TPS659109

TPS65910, TPS65910A, TPS65910A3, TPS659101, TPS659102, TPS659103
TPS659104, TPS659105, TPS659106, TPS659107, TPS659108, TPS659109
SWCS046T –MARCH 2010–REVISED SEPTEMBER 2013
www.ti.com
Bits Field Name Description Type Reset
3 IT_ALARM Enable one interrupt when the alarm value is reached (TC ALARM RW 0
registers) by the TC registers
2 IT_TIMER Enable periodic interrupt RW 0
0: interrupt disabled
1: interrupt enabled
1:0 EVERY Interrupt period RW 0x0
00: every second
01: every minute
10: every hour
11: every day
Table 31. RTC_COMP_LSB_REG
Address Offset 0x13
Physical Address Instance
Description RTC compensation register (LSB)
Notes: This register must be written in 2-complement.
This means that to add one 32kHz oscillator period every hour, micro-controller needs to write FFFF into
RTC_COMP_MSB_REG & RTC_COMP_LSB_REG.
To remove one 32-kHz oscillator period every hour, micro-controller needs to write 0001 into
RTC_COMP_MSB_REG & RTC_COMP_LSB_REG.
The 7FFF value is forbidden.
Type RW
76543210
RTC_COMP_LSB
Bits Field Name Description Type Reset
7:0 RTC_COMP_LSB This register contains the number of 32-kHz periods to be added into the RW 0x00
32-kHz counter every hour [LSB]
Table 32. RTC_COMP_MSB_REG
Address Offset 0x14
Physical Address Instance
Description RTC compensation register (MSB)
Notes: See RTC_COMP_LSB_REG Notes.
Type RW
76543210
RTC_COMP_MSB
Bits Field Name Description Type Reset
7:0 RTC_COMP_MSB This register contains the number of 32-kHz periods to be added into the RW 0x00
32-kHz counter every hour [MSB]
Table 33. RTC_RES_PROG_REG
Address Offset 0x15
Physical Address Instance
Description RTC register containing oscillator resistance value
Type RW
76543210
Reserved SW_RES_PROG
60 Submit Documentation Feedback Copyright © 2010–2013, Texas Instruments Incorporated
Product Folder Links: TPS65910 TPS65910A TPS65910A3 TPS659101 TPS659102 TPS659103 TPS659104
TPS659105 TPS659106 TPS659107 TPS659108 TPS659109

TPS65910, TPS65910A, TPS65910A3, TPS659101, TPS659102, TPS659103
TPS659104, TPS659105, TPS659106, TPS659107, TPS659108, TPS659109
www.ti.com
SWCS046T –MARCH 2010–REVISED SEPTEMBER 2013
Bits Field Name Description Type Reset
7:6 Reserved Reserved bit RO 0x0
R returns
0s
5:0 SW_RES_PROG Value of the oscillator resistance RW 0x27
Table 34. RTC_RESET_STATUS_REG
Address Offset 0x16
Physical Address Instance
Description RTC register for reset status
Type RW
76543210
Reserved
RESET_STATUS
Bits Field Name Description Type Reset
7:1 Reserved Reserved bit RO 0x0
R returns
0s
0 RESET_STATUS RW 0x0
Table 35. BCK1_REG
Address Offset 0x17
Physical Address Instance
Description Backup register which can be used for storage by the application firmware when the external host is
powered down. These registers will retain their content as long as the VRTC is active.
Type RW
76543210
BCKUP
Bits Field Name Description Type Reset
7:0 BCKUP Backup bit RW 0x00
Table 36. BCK2_REG
Address Offset 0x18
Physical Address Instance
Description Backup register which can be used for storage by the application firmware when the external host is
powered down. These registers will retain their content as long as the VRTC is active.
Type RW
76543210
BCKUP
Bits Field Name Description Type Reset
7:0 BCKUP Backup bit RW 0x00
Copyright © 2010–2013, Texas Instruments Incorporated Submit Documentation Feedback 61
Product Folder Links: TPS65910 TPS65910A TPS65910A3 TPS659101 TPS659102 TPS659103 TPS659104
TPS659105 TPS659106 TPS659107 TPS659108 TPS659109

TPS65910, TPS65910A, TPS65910A3, TPS659101, TPS659102, TPS659103
TPS659104, TPS659105, TPS659106, TPS659107, TPS659108, TPS659109
SWCS046T –MARCH 2010–REVISED SEPTEMBER 2013
www.ti.com
Table 37. BCK3_REG
Address Offset 0x19
Physical Address Instance
Description Backup register which can be used for storage by the application firmware when the external host is
powered down. These registers will retain their content as long as the VRTC is active.
Type RW
76543210
BCKUP
Bits Field Name Description Type Reset
7:0 BCKUP Backup bit RW 0x00
Table 38. BCK4_REG
Address Offset 0x1A
Physical Address Instance
Description Backup register which can be used for storage by the application firmware when the external host is
powered down. These registers will retain their content as long as the VRTC is active.
Type RW
76543210
BCKUP
Bits Field Name Description Type Reset
7:0 BCKUP Backup bit RW 0x00
Table 39. BCK5_REG
Address Offset 0x1B
Physical Address Instance
Description Backup register which can be used for storage by the application firmware when the external host is
powered down. These registers will retain their content as long as the VRTC is active.
Type RW
76543210
BCKUP
Bits Field Name Description Type Reset
7:0 BCKUP Backup bit RW 0x00
Table 40. PUADEN_REG
Address Offset 0x1C
Physical Address Instance
Description Pull-up/pull-down control register.
Type RW
76543210
RESERVED I2CCTLP I2CSRP PWRONP SLEEPP PWRHOLDP BOOT1P BOOT0P
62 Submit Documentation Feedback Copyright © 2010–2013, Texas Instruments Incorporated
Product Folder Links: TPS65910 TPS65910A TPS65910A3 TPS659101 TPS659102 TPS659103 TPS659104
TPS659105 TPS659106 TPS659107 TPS659108 TPS659109

TPS65910, TPS65910A, TPS65910A3, TPS659101, TPS659102, TPS659103
TPS659104, TPS659105, TPS659106, TPS659107, TPS659108, TPS659109
www.ti.com
SWCS046T –MARCH 2010–REVISED SEPTEMBER 2013
Bits Field Name Description Type Reset
7 RESERVED Reserved bit RW 1
6 I2CCTLP SDACTL and SCLCTL pull-up control: RW 0
1: Pull-up is enabled
0: Pull-up is disabled
5 I2CSRP SDASR and SCLSR pull-up control: RW 0
1: Pull-up is enabled
0: Pull-up is disabled
4 PWRONP PWRON pad pull-up control: RW 1
1: Pull-up is enabled
0: Pull-up is disabled
3 SLEEPP SLEEP pad pull-down control: RW 1
1: Pull-down is enabled
0: Pull-down is disabled
2 PWRHOLDP PWRHOLD pad pull-down control: RW 1
1: Pull-down is enabled
0: Pull-down is disabled
1 BOOT1P BOOT1 pad control: RW 1
1: Pull-down is enabled
0: Pull-down is disabled
0 BOOT0P BOOT0 pad control: RW 1
1: Pull-down is enabled
0: Pull-down is disabled
Table 41. REF_REG
Address Offset 0x1D
Physical Address Instance
Description Reference control register
Type RW
76543210
Reserved VMBCH_SEL ST
Bits Field Name Description Type Reset
7:4 Reserved Reserved bit RO 0x0
R returns
0s
3:2 VMBCH_SEL Main Battery comparator VMBCH programmable threshold (EEPROM RW 0x0
bits):
VMBCH_SEL[1:0] = 00 : bypass
VMBCH_SEL[1:0] = 01 : VMBCH = 2.8 V
VMBCH_SEL[1:0] = 10 : VMBCH = 2.9 V
VMBCH_SEL[1:0] = 11 : VMBCH = 3.0 V
1:0 ST Reference state: RO 0x1
ST[1:0] = 00 : Off
ST[1:0] = 01 : On high power (ACTIVE)
ST[1:0] = 10 : Reserved
ST[1:0] = 11 : On low power (SLEEP)
(Write access available in test mode only)
Table 42. VRTC_REG
Address Offset 0x1E
Physical Address Instance
Description VRTC internal regulator control register
Type RW
Copyright © 2010–2013, Texas Instruments Incorporated Submit Documentation Feedback 63
Product Folder Links: TPS65910 TPS65910A TPS65910A3 TPS659101 TPS659102 TPS659103 TPS659104
TPS659105 TPS659106 TPS659107 TPS659108 TPS659109

TPS65910, TPS65910A, TPS65910A3, TPS659101, TPS659102, TPS659103
TPS659104, TPS659105, TPS659106, TPS659107, TPS659108, TPS659109
SWCS046T –MARCH 2010–REVISED SEPTEMBER 2013
www.ti.com
76543210
Reserved Reserved ST
VRTC_OFFMASK
Bits Field Name Description Type Reset
7:4 Reserved Reserved bit RO 0x0
R returns
0s
3 VRTC_OFFMASK VRTC internal regulator off mask signal: RW 0
when 1, the regulator keeps its full-load capability during device OFF
state.
when 0, the regulator will enter in low-power mode during device OFF
state.(EEPROM bit)
2 Reserved Reserved bit RO 0
R returns
0s
1:0 ST Reference state: RO 0x1
ST[1:0] = 00 : Reserved
ST[1:0] = 01 : On high power (ACTIVE)
ST[1:0] = 10 : Reserved
ST[1:0] = 11 : On low power (SLEEP)
(Write access available in test mode only)
Table 43. VIO_REG
Address Offset 0x20
Physical Address Instance
Description VIO control register
Type RW
76543210
ILMAX Reserved SEL ST
Bits Field Name Description Type Reset
7:6 ILMAX Select maximum load current: RW 0x0
when 00: 0.5 A
when 01: 1.0 A
when 10: 1.0 A
when 11: 1.0 A
5:4 Reserved Reserved bit RO 0x0
R returns
0s
3:2 SEL Output voltage selection (EEPROM bits): RW See (1)
SEL[1:0] = 00 : 1.5 V
SEL[1:0] = 01 : 1.8 V
SEL[1:0] = 10 : 2.5 V
SEL[1:0] = 11 : 3.3 V
1:0 ST Supply state (EEPROM bits): RW 0x0
ST[1:0] = 00 : Off
ST[1:0] = 01 : On high power (ACTIVE)
ST[1:0] = 10 : Off
ST[1:0] = 11 : On low power (SLEEP)
(Write access available in test mode only)
(1) The reset value for this field varies with boot mode selection and the processor support. Please refer to the corresponding processor
user guide to find the correct default value.
64 Submit Documentation Feedback Copyright © 2010–2013, Texas Instruments Incorporated
Product Folder Links: TPS65910 TPS65910A TPS65910A3 TPS659101 TPS659102 TPS659103 TPS659104
TPS659105 TPS659106 TPS659107 TPS659108 TPS659109

TPS65910, TPS65910A, TPS65910A3, TPS659101, TPS659102, TPS659103
TPS659104, TPS659105, TPS659106, TPS659107, TPS659108, TPS659109
www.ti.com
SWCS046T –MARCH 2010–REVISED SEPTEMBER 2013
Table 44. VDD1_REG
Address Offset 0x21
Physical Address Instance
Description VDD1 control register
Type RW
76543210
VGAIN_SEL ILMAX TSTEP ST
Bits Field Name Description Type Reset
7:6 VGAIN_SEL Select output voltage multiplication factor: G (EEPROM bits): RW 0x0
when 00: x1
when 01: x1
when 10: x2
when 11: x3
5:4 ILMAX Select maximum load current: RW 0
when 0: 1.0 A
when 1: 1.5 A
3:2 TSTEP Time step: when changing the output voltage, the new value is reached RW 0x3
through successive 12.5 mV voltage steps (if not bypassed). The
equivalent programmable slew rate of the output voltage is then:
TSTEP[2:0] = 000 : step duration is 0, step function is bypassed
TSTEP[2:0] = 001 : 12.5 mV/µs (sampling 3 Mhz)
TSTEP[2:0] = 010 : 9.4 mV/µs (sampling 3 Mhz × 3/4)
TSTEP[2:0] = 011 : 7.5 mV/µs (sampling 3 Mhz × 3/5) (default)
TSTEP[2:0] = 100 : 6.25 mV/µs(sampling 3 Mhz/2)
TSTEP[2:0] = 101 : 4.7 mV/µs(sampling 3 Mhz/3)
TSTEP[2:0] = 110 : 3.12 mV/µs(sampling 3 Mhz/4)
TSTEP[2:0] = 111 : 2.5 mV/µs(sampling 3 Mhz/5)
1:0 ST Supply state (EEPROM bits): RW 0x0
ST[1:0] = 00 : Off
ST[1:0] = 01 : On, high power mode
ST[1:0] = 10 : Off
ST[1:0] = 11 : On, low power mode
Table 45. VDD1_OP_REG
Address Offset 0x22
Physical Address Instance
Description VDD1 voltage selection register.
This register can be accessed by both control and smartreflex I2C interfaces depending on
SR_CTL_I2C_SEL register bit value.
Type RW
76543210
CMD SEL
Copyright © 2010–2013, Texas Instruments Incorporated Submit Documentation Feedback 65
Product Folder Links: TPS65910 TPS65910A TPS65910A3 TPS659101 TPS659102 TPS659103 TPS659104
TPS659105 TPS659106 TPS659107 TPS659108 TPS659109

TPS65910, TPS65910A, TPS65910A3, TPS659101, TPS659102, TPS659103
TPS659104, TPS659105, TPS659106, TPS659107, TPS659108, TPS659109
SWCS046T –MARCH 2010–REVISED SEPTEMBER 2013
www.ti.com
Bits Field Name Description Type Reset
7 CMD Smart-Reflex command: RW 0
when 0: VDD1_OP_REG voltage is applied
when 1: VDD1_SR_REG voltage is applied
6:0 SEL Output voltage (EEPROM bits) selection with GAIN_SEL = 00 (G = 1, RW See (1)
12.5 mV per LSB):
SEL[6:0] = 1001011 to 1111111 : 1.5 V
...
SEL[6:0] = 0111111 : 1.35 V
...
SEL[6:0] = 0110011 : 1.2 V
...
SEL[6:0] = 0000001 to 0000011 : 0.6 V
SEL[6:0] = 0000000 : Off (0.0 V)
Note: from SEL[6:0] = 3 to 75 (dec)
Vout = (SEL[6:0] × 12.5 mV + 0.5625 V) × G
(1) The reset value for this field varies with boot mode selection and the processor support. Please refer to the corresponding processor
user guide to find the correct default value.
Table 46. VDD1_SR_REG
Address Offset 0x23
Physical Address Instance
Description VDD1 voltage selection register for smartreflex.
This register can be accessed by both control and smartreflex I2C interfaces depending on
SR_CTL_I2C_SEL register bit value.
Type RW
76543210
Reserved SEL
Bits Field Name Description Type Reset
7 Reserved Reserved bit RO 0
R returns
0s
6:0 SEL Output voltage (EEPROM bits) selection with GAIN_SEL = 00 (G = 1, RW See (1)
12.5 mV per LSB):
SEL[6:0] = 1001011 to 1111111 : 1.5V
...
SEL[6:0] = 0111111 : 1.35V
...
SEL[6:0] = 0110011 : 1.2V
...
SEL[6:0] = 0000001 to 0000011 : 0.6V
SEL[6:0] = 0000000 : Off (0.0V)
Note: from SEL[6:0] = 3 to 75 (dec)
Vout = (SEL[6:0] × 12.5 mV + 0.5625 V) × G
(1) The reset value for this field varies with boot mode selection and the processor support. Please refer to the corresponding processor
user guide to find the correct default value.
Table 47. VDD2_REG
Address Offset 0x24
Physical Address Instance
Description VDD2 control register
Type RW
76543210
VGAIN_SEL ILMAX TSTEP ST
66 Submit Documentation Feedback Copyright © 2010–2013, Texas Instruments Incorporated
Product Folder Links: TPS65910 TPS65910A TPS65910A3 TPS659101 TPS659102 TPS659103 TPS659104
TPS659105 TPS659106 TPS659107 TPS659108 TPS659109

TPS65910, TPS65910A, TPS65910A3, TPS659101, TPS659102, TPS659103
TPS659104, TPS659105, TPS659106, TPS659107, TPS659108, TPS659109
www.ti.com
SWCS046T –MARCH 2010–REVISED SEPTEMBER 2013
Bits Field Name Description Type Reset
7:6 VGAIN_SEL Select output voltage multiplication factor: G (EEPROM bits): RW 0x0
when 00: x1
when 01: x1
when 10: x2
when 11: x3
5:4 ILMAX Select maximum load current: RW 0
when 0: 1.0 A
when 1: 1.5 A
3:2 TSTEP Time step: when changing the output voltage, the new value is reached RW 0x1
through successive 12.5 mV voltage steps (if not bypassed). The
equivalent programmable slew rate of the output voltage is then:
TSTEP[2:0] = 000: step duration is 0, step function is bypassed
TSTEP[2:0] = 001: 12.5 mV/µs (sampling 3 Mhz)
TSTEP[2:0] = 010: 9.4 mV/µs (sampling 3 Mhz × 3/4)
TSTEP[2:0] = 011: 7.5 mV/µs (sampling 3 Mhz × 3/5) (default)
TSTEP[2:0] = 100: 6.25 mV/µs(sampling 3 Mhz/2)
TSTEP[2:0] = 101: 4.7 mV/µs(sampling 3 Mhz/3)
TSTEP[2:0] = 110: 3.12 mV/µs(sampling 3 Mhz/4)
TSTEP[2:0] = 111: 2.5 mV/µs(sampling 3 Mhz/5)
1:0 ST Supply state (EEPROM bits): RW 0x0
ST[1:0] = 00 : Off
ST[1:0] = 01 : On, high power mode
ST[1:0] = 10 : Off
ST[1:0] = 11 : On, low power mode
Table 48. VDD2_OP_REG
Address Offset 0x25
Physical Address Instance
Description VDD2 voltage selection register.
This register can be accessed by both control and smartreflex I2C interfaces depending on
SR_CTL_I2C_SEL register bit value.
Type RW
76543210
CMD SEL
Bits Field Name Description Type Reset
7 CMD Smart-Reflex command: RW 0
when 0: VDD2_OP_REG voltage is applied
when 1: VDD2_SR_REG voltage is applied
6:0 SEL Output voltage (EEPROM bits) selection with GAIN_SEL = 00 (G = 1, RW See (1)
12.5 mV per LSB):
SEL[6:0] = 1001011 to 1111111 : 1.5 V
...
SEL[6:0] = 0111111 : 1.35 V
...
SEL[6:0] = 0110011 : 1.2 V
...
SEL[6:0] = 0000001 to 0000011 : 0.6 V
SEL[6:0] = 0000000 : Off (0.0 V)
Note: from SEL[6:0] = 3 to 75 (dec)
Vout= (SEL[6:0] × 12.5 mV + 0.5625 V) × G
(1) The reset value for this field varies with boot mode selection and the processor support. Please refer to the corresponding processor
user guide to find the correct default value.
Table 49. VDD2_SR_REG
Address Offset 0x26
Physical Address Instance
Description VDD2 voltage selection register for smartreflex.
This register can be accessed by both control and smartreflex I2C interfaces depending on
SR_CTL_I2C_SEL register bit value.
Copyright © 2010–2013, Texas Instruments Incorporated Submit Documentation Feedback 67
Product Folder Links: TPS65910 TPS65910A TPS65910A3 TPS659101 TPS659102 TPS659103 TPS659104
TPS659105 TPS659106 TPS659107 TPS659108 TPS659109

TPS65910, TPS65910A, TPS65910A3, TPS659101, TPS659102, TPS659103
TPS659104, TPS659105, TPS659106, TPS659107, TPS659108, TPS659109
SWCS046T –MARCH 2010–REVISED SEPTEMBER 2013
www.ti.com
Table 49. VDD2_SR_REG (continued)
Type RW
76543210
Reserved SEL
Bits Field Name Description Type Reset
7 Reserved Reserved bit RO 0
R returns
0s
6:0 SEL Output voltage (EEPROM bits) selection with GAIN_SEL = 00 (G = 1, RW See (1)
12.5 mV per LSB):
SEL[6:0] = 1001011 to 1111111: 1.5 V
...
SEL[6:0] = 0111111: 1.35V
...
SEL[6:0] = 0110011: 1.2V
...
SEL[6:0] = 0000001 to 0000011: 0.6V
SEL[6:0] = 0000000: Off (0.0V)
Note: from SEL[6:0] = 3 to 75 (dec)
Vout= (SEL[6:0] × 12.5 mV + 0.5625 V) ×G
(1) The reset value for this field varies with boot mode selection and the processor support. Please refer to the corresponding processor
user guide to find the correct default value.
Table 50. VDD3_REG
Address Offset 0x27
Physical Address Instance
Description VDD2 voltage selection register for smartreflex.
This register can be accessed by both control and smartreflex I2C interfaces depending on
SR_CTL_I2C_SEL register bit value.
Type RW
76543210
Reserved CKINEN ST
Bits Field Name Description Type Reset
7:3 Reserved Reserved bit RO 0x00
R returns
0s
2 CKINEN Enable 1Mhz clock synchronization RW 1
1:0 ST Supply state (EEPROM bits): RW 0x0
ST[1:0] = 00 : Off
ST[1:0] = 01 : On high power (ACTIVE)
ST[1:0] = 10 : Off
ST[1:0] = 11 : On low power (SLEEP)
Table 51. VDIG1_REG
Address Offset 0x30
Physical Address Instance
Description VDIG1 regulator control register
Type RW
76543210
Reserved SEL ST
68 Submit Documentation Feedback Copyright © 2010–2013, Texas Instruments Incorporated
Product Folder Links: TPS65910 TPS65910A TPS65910A3 TPS659101 TPS659102 TPS659103 TPS659104
TPS659105 TPS659106 TPS659107 TPS659108 TPS659109

TPS65910, TPS65910A, TPS65910A3, TPS659101, TPS659102, TPS659103
TPS659104, TPS659105, TPS659106, TPS659107, TPS659108, TPS659109
www.ti.com
SWCS046T –MARCH 2010–REVISED SEPTEMBER 2013
Bits Field Name Description Type Reset
7:4 Reserved Reserved bit RO 0x0
R returns
0s
3:2 SEL Supply voltage (EEPROM bits): RW See (1)
SEL[1:0] = 00 : 1.2 V
SEL[1:0] = 01 : 1.5 V
SEL[1:0] = 10 : 1.8 V
SEL[1:0] = 11 : 2.7 V
1:0 ST Supply state (EEPROM bits): RW 0x0
ST[1:0] = 00 : Off
ST[1:0] = 01 : On high power (ACTIVE)
ST[1:0] = 10 : Off
ST[1:0] = 11 : On low power (SLEEP)
(1) The reset value for this field varies with boot mode selection and the processor support. Please refer to the corresponding processor
user guide to find the correct default value.
Table 52. VDIG2_REG
Address Offset 0x31
Physical Address Instance
Description VDIG2 regulator control register
Type RW
76543210
Reserved SEL ST
Bits Field Name Description Type Reset
7:4 Reserved Reserved bit RO 0x0
R returns
0s
3:2 SEL Supply voltage (EEPROM bits): RW See (1)
SEL[1:0] = 00 : 1.0 V
SEL[1:0] = 01 : 1.1 V
SEL[1:0] = 10 : 1.2 V
SEL[1:0] = 11 : 1.8 V
1:0 ST Supply state (EEPROM bits): RW 0x0
ST[1:0] = 00 : Off
ST[1:0] = 01 : On high power (ACTIVE)
ST[1:0] = 10 : Off
ST[1:0] = 11 : On low power (SLEEP)
(1) The reset value for this field varies with boot mode selection and the processor support. Please refer to the corresponding processor
user guide to find the correct default value.
Table 53. VAUX1_REG
Address Offset 0x32
Physical Address Instance
Description VAUX1 regulator control register
Type RW
76543210
Reserved SEL ST
Copyright © 2010–2013, Texas Instruments Incorporated Submit Documentation Feedback 69
Product Folder Links: TPS65910 TPS65910A TPS65910A3 TPS659101 TPS659102 TPS659103 TPS659104
TPS659105 TPS659106 TPS659107 TPS659108 TPS659109

TPS65910, TPS65910A, TPS65910A3, TPS659101, TPS659102, TPS659103
TPS659104, TPS659105, TPS659106, TPS659107, TPS659108, TPS659109
SWCS046T –MARCH 2010–REVISED SEPTEMBER 2013
www.ti.com
Bits Field Name Description Type Reset
7:4 Reserved Reserved bit RO 0x0
R returns
0s
3:2 SEL Supply voltage (EEPROM bits): RW See (1)
SEL[1:0] = 00 : 1.8 V
SEL[1:0] = 01 : 2.5 V
SEL[1:0] = 10 : 2.8 V
SEL[1:0] = 11 : 2.85 V
1:0 ST Supply state (EEPROM bits): RW 0x0
ST[1:0] = 00 : Off
ST[1:0] = 01 : On high power (ACTIVE)
ST[1:0] = 10 : Off
ST[1:0] = 11 : On low power (SLEEP)
(1) The reset value for this field varies with boot mode selection and the processor support. Please refer to the corresponding processor
user guide to find the correct default value.
Table 54. VAUX2_REG
Address Offset 0x33
Physical Address Instance
Description VAUX2 regulator control register
Type RW
76543210
Reserved SEL ST
Bits Field Name Description Type Reset
7:4 Reserved Reserved bit RO 0x0
R returns
0s
3:2 SEL Supply voltage (EEPROM bits): RW See (1)
SEL[1:0] = 00 : 1.8 V
SEL[1:0] = 01 : 2.8 V
SEL[1:0] = 10 : 2.9 V
SEL[1:0] = 11 : 3.3 V
1:0 ST Supply state (EEPROM bits): RW 0x0
ST[1:0] = 00 : Off
ST[1:0] = 01 : On high power (ACTIVE)
ST[1:0] = 10 : Off
ST[1:0] = 11 : On low power (SLEEP)
(1) The reset value for this field varies with boot mode selection and the processor support. Please refer to the corresponding processor
user guide to find the correct default value.
Table 55. VAUX33_REG
Address Offset 0x34
Physical Address Instance
Description VAUX33 regulator control register
Type RW
76543210
Reserved SEL ST
70 Submit Documentation Feedback Copyright © 2010–2013, Texas Instruments Incorporated
Product Folder Links: TPS65910 TPS65910A TPS65910A3 TPS659101 TPS659102 TPS659103 TPS659104
TPS659105 TPS659106 TPS659107 TPS659108 TPS659109

TPS65910, TPS65910A, TPS65910A3, TPS659101, TPS659102, TPS659103
TPS659104, TPS659105, TPS659106, TPS659107, TPS659108, TPS659109
www.ti.com
SWCS046T –MARCH 2010–REVISED SEPTEMBER 2013
Bits Field Name Description Type Reset
7:4 Reserved Reserved bit RO 0x0
R returns
0s
3:2 SEL Supply voltage (EEPROM bits): RW See (1)
SEL[1:0] = 00 : 1.8 V
SEL[1:0] = 01 : 2.0 V
SEL[1:0] = 10 : 2.8 V
SEL[1:0] = 11 : 3.3 V
1:0 ST Supply state (EEPROM bits): RW 0x0
ST[1:0] = 00 : Off
ST[1:0] = 01 : On high power (ACTIVE)
ST[1:0] = 10 : Off
ST[1:0] = 11 : On low power (SLEEP)
(1) The reset value for this field varies with boot mode selection and the processor support. Please refer to the corresponding processor
user guide to find the correct default value.
Table 56. VMMC_REG
Address Offset 0x35
Physical Address Instance
Description VMMC regulator control register
Type RW
76543210
Reserved SEL ST
Bits Field Name Description Type Reset
7:4 Reserved Reserved bit RO 0x0
R returns
0s
3:2 SEL Supply voltage (EEPROM bits): RW See (1)
SEL[1:0] = 00 : 1.8 V
SEL[1:0] = 01 : 2.8 V
SEL[1:0] = 10 : 3.0 V
SEL[1:0] = 11 : 3.3 V
1:0 ST Supply state (EEPROM bits): RW 0x0
ST[1:0] = 00: Off
ST[1:0] = 01: On high power (ACTIVE)
ST[1:0] = 10: Off
ST[1:0] = 11: On low power (SLEEP)
(1) The reset value for this field varies with boot mode selection and the processor support. Please refer to the corresponding processor
user guide to find the correct default value.
Table 57. VPLL_REG
Address Offset 0x36
Physical Address Instance
Description VPLL regulator control register
Type RW
76543210
Reserved SEL ST
Copyright © 2010–2013, Texas Instruments Incorporated Submit Documentation Feedback 71
Product Folder Links: TPS65910 TPS65910A TPS65910A3 TPS659101 TPS659102 TPS659103 TPS659104
TPS659105 TPS659106 TPS659107 TPS659108 TPS659109

TPS65910, TPS65910A, TPS65910A3, TPS659101, TPS659102, TPS659103
TPS659104, TPS659105, TPS659106, TPS659107, TPS659108, TPS659109
SWCS046T –MARCH 2010–REVISED SEPTEMBER 2013
www.ti.com
Bits Field Name Description Type Reset
7:4 Reserved Reserved bit RO 0x0
R returns
0s
3:2 SEL Supply voltage (EEPROM bits): RW See (1)
SEL[1:0] = 00 : 1.0V
SEL[1:0] = 01 : 1.1 V
SEL[1:0] = 10 : 1.8 V
SEL[1:0] = 11 : 2.5 V
1:0 ST Supply state (EEPROM bits): RW 0x0
ST[1:0] = 00 : Off
ST[1:0] = 01 : On high power (ACTIVE)
ST[1:0] = 10 : Off
ST[1:0] = 11 : On low power (SLEEP)
(1) The reset value for this field varies with boot mode selection and the processor support. Please refer to the corresponding processor
user guide to find the correct default value.
Table 58. VDAC_REG
Address Offset 0x37
Physical Address Instance
Description VDAC regulator control register
Type RW
76543210
Reserved SEL ST
Bits Field Name Description Type Reset
7:4 Reserved Reserved bit RO 0x0
R returns
0s
3:2 SEL Supply voltage (EEPROM bits): RW See (1)
SEL[1:0] = 00 : 1.8 V
SEL[1:0] = 01 : 2.6 V
SEL[1:0] = 10 : 2.8 V
SEL[1:0] = 11 : 2.85 V
1:0 ST Supply state (EEPROM bits): RW 0x0
ST[1:0] = 00 : Off
ST[1:0] = 01 : On high power (ACTIVE)
ST[1:0] = 10 : Off
ST[1:0] = 11 : On low power (SLEEP)
(1) The reset value for this field varies with boot mode selection and the processor support. Please refer to the corresponding processor
user guide to find the correct default value.
Table 59. Therm_REG
Address Offset 0x38
Physical Address Instance
Description Thermal control register
Type RW
76543210
Reserved THERM_HD THERM_TS THERM_HDSEL RSVD1
THERM_STATE
72 Submit Documentation Feedback Copyright © 2010–2013, Texas Instruments Incorporated
Product Folder Links: TPS65910 TPS65910A TPS65910A3 TPS659101 TPS659102 TPS659103 TPS659104
TPS659105 TPS659106 TPS659107 TPS659108 TPS659109

TPS65910, TPS65910A, TPS65910A3, TPS659101, TPS659102, TPS659103
TPS659104, TPS659105, TPS659106, TPS659107, TPS659108, TPS659109
www.ti.com
SWCS046T –MARCH 2010–REVISED SEPTEMBER 2013
Bits Field Name Description Type Reset
7:6 Reserved Reserved bit RO 0x0
R returns
0s
5 THERM_HD Hot die detector output: RO 0
when 0: the hot die threshold is not reached
when 1: the hot die threshold is reached
4 THERM_TS Thermal shutdown detector output: RO 0
when 0: the thermal shutdown threshold is not reached
when 1: the thermal shutdown threshold is reached
3:2 THERM_HDSEL Temperature selection for Hot Die detector: RW 0x3
when 00: Low temperature threshold
…
when 11: High temperature threshold
1 RSVD1 Reserved bit RW 0
0 THERM_STATE Thermal shutdown module enable signal: RW 1
when 0: thermal shutdown module is disable
when 1: thermal shutdown module is enable
Table 60. BBCH_REG
Address Offset 0x39
Physical Address Instance
Description Back-up battery charger control register
Type RW
76543210
Reserved BBSEL BBCHEN
Bits Field Name Description Type Reset
7:4 Reserved Reserved bit RO 0x00
R returns
0s
2:1 BBSEL Back up battery charge voltage selection: RW 0x0
BBSEL[1:0] = 00 : 3.0 V
BBSEL[1:0] = 01 : 2.52 V
BBSEL[1:0] = 10 : 3.15 V
BBSEL[1:0] = 11 : VBAT
0 BBCHEN Back up battery charge enable RW 0
Table 61. DCDCCTRL_REG
Address Offset 0x3E
Physical Address Instance
Description DCDC control register
Type RW
76543210
Reserved VDD2_PSKIP VDD1_PSKIP VIO_PSKIP DCDCCKEXT DCDCCKSYNC
Bits Field Name Description Type Reset
7:6 Reserved Reserved bit RO 0x0
R returns
0s
5 VDD2_PSKIP VDD2 pulse skip mode enable (EEPROM bit) RW 1
4 VDD1_PSKIP VDD1 pulse skip mode enable (EEPROM bit) RW 1
3 VIO_PSKIP VIO pulse skip mode enable (EEPROM bit) RW 1
Copyright © 2010–2013, Texas Instruments Incorporated Submit Documentation Feedback 73
Product Folder Links: TPS65910 TPS65910A TPS65910A3 TPS659101 TPS659102 TPS659103 TPS659104
TPS659105 TPS659106 TPS659107 TPS659108 TPS659109

TPS65910, TPS65910A, TPS65910A3, TPS659101, TPS659102, TPS659103
TPS659104, TPS659105, TPS659106, TPS659107, TPS659108, TPS659109
SWCS046T –MARCH 2010–REVISED SEPTEMBER 2013
www.ti.com
Bits Field Name Description Type Reset
2 DCDCCKEXT This signal control the muxing of the GPIO0 pad: RW 0
When 0: this pad is a GPIO
When 1: this pad is used as input for an external clock used for the
synchronisation of the DCDCs
1:0 DCDCCKSYNC DCDC clock configuration: RW 0x3
DCDCCKSYNC[1:0] = 00 : no synchronization of DCDC clocks
DCDCCKSYNC[1:0] = 01 : DCDC synchronous clock with phase shift
DCDCCKSYNC[1:0] = 10 : no synchronization of DCDC clocks
DCDCCKSYNC[1:0] = 11 : DCDC synchronous clock
Table 62. DEVCTRL_REG
Address Offset 0x3F
Physical Address Instance
Description Device control register
Type RW
76543210
Reserved RTC_PWDN CK32K_CTRL DEV_ON DEV_SLP DEV_OFF
DEV_OFF_RST
SR_CTL_I2C_SEL
Bits Field Name Description Type Reset
7 Reserved Reserved bit RO 0
R returns
0s
6 RTC_PWDN When 1, disable the RTC digital domain (clock gating and reset of RTC RW 1
registers and logic).
This register bit is not reset in BACKUP state. (EEPROM bit)
5 CK32K_CTRL Internal 32-kHz clock source control bit (EEPROM bit): RW 0
when 0, the internal 32-kHz clock source is the crystal oscillator or an
external 32-kHz clock in case the crystal oscillator is used in bypass
mode
when 1, the internal 32-kHz clock source is the RC oscillator.
4 SR_CTL_I2C_SEL Smartreflex registers access control bit: RW 0
when 0: access to smartreflex registers by smartreflex I2C
when 1: access to smartreflex registers by control I2C The smartreflex
registers are: VDD1_OP_REG, VDD1_SR_REG, VDD2_OP_REG and
VDD2_SR_REG.
3 DEV_OFF_RST Write 1 will start an ACTIVE to OFF or SLEEP to OFF device state RW 0
transition (switch-off event) and activate reset of the digital core.
2 DEV_ON Write 1 will maintain the device on (ACTIVE or SLEEP device state) (if RW 0
DEV_OFF = 0 and DEV_OFF_RST = 0).
1 DEV_SLP Write 1 allows SLEEP device state (if DEV_OFF = 0 and RW 0
DEV_OFF_RST = 0).
Write ‘0’ will start an SLEEP to ACTIVE device state transition (wake-up
event) (if DEV_OFF = 0 and DEV_OFF_RST = 0). This bit is cleared in
OFF state.
0 DEV_OFF Write 1 will start an ACTIVE to OFF or SLEEP to OFF device state RW 0
transition (switch-off event). This bit is cleared in OFF state.
Table 63. DEVCTRL2_REG
Address Offset 0x40
Physical Address Instance
Description Device control register
74 Submit Documentation Feedback Copyright © 2010–2013, Texas Instruments Incorporated
Product Folder Links: TPS65910 TPS65910A TPS65910A3 TPS659101 TPS659102 TPS659103 TPS659104
TPS659105 TPS659106 TPS659107 TPS659108 TPS659109

TPS65910, TPS65910A, TPS65910A3, TPS659101, TPS659102, TPS659103
TPS659104, TPS659105, TPS659106, TPS659107, TPS659108, TPS659109
www.ti.com
SWCS046T –MARCH 2010–REVISED SEPTEMBER 2013
Table 63. DEVCTRL2_REG (continued)
Type RW
76543210
Reserved TSLOT_LENGTH IT_POL
SLEEPSIG_POL
PWRON_LP_OFF
PWRON_LP_RST
Bits Field Name Description Type Reset
7:6 Reserved Reserved bit RO 0x0
R returns
0s
5:4 TSLOT_LENGTH Time slot duration programming (EEPROM bit): RW 0x3
When 00 : 0 µs
When 01 : 200 µs
When 10 : 500 µs
When 11 : 2 ms
3 SLEEPSIG_POL When 1, SLEEP signal active high RW 0
When 0, SLEEP signal active low
2 PWRON_LP_OFF When 1, allows device turn-off after a PWRON long press (signal low). RW 1
1 PWRON_LP_RST When 1, allows digital core reset when the device is OFF after a RW 0
PWRON long press (signal low).
0 IT_POL INT1 interrupt pad polarity control signal (EEPROM bit): RW 0
When 0, active low
When 1, active high
Table 64. SLEEP_KEEP_LDO_ON_REG
Address Offset 0x41
Physical Address Instance
Description When corresponding control bit=0 in EN1/2_ LDO_ASS register (default setting): Configuration Register
keeping the full load capability of LDO regulator (ACTIVE mode) during the SLEEP state of the device.
When control bit=1, LDO regulator full load capability (ACTIVE mode) is maintained during device
SLEEP state.
When control bit=0, the LDO regulator is set or stay in low power mode during device SLEEP state(but
then supply state can be overwritten programming ST[1:0]). Control bit value has no effect if the LDO
regulator is off.
When corresponding control bit=1 in EN1/2_ LDO_ASS register: Configuration Register setting the LDO
regulator state driven by SCLSR_EN1/2 signal low level (when SCLSR_EN1/2 is high the regulator is
on, full power):
- the regulator is set off if its corresponding Control bit = 0 in SLEEP_KEEP_LDO_ON register (default)
- the regulator is set in low power mode if its corresponding control bit = 1 in SLEEP_KEEP_LDO_ON
register
Type RW
76543210
VPLL_KEEPON
VDAC_KEEPON
VDIG2_KEEPON
VDIG1_KEEPON
VMMC_KEEPON
VAUX2_KEEPON
VAUX1_KEEPON
VAUX33_KEEPON
Copyright © 2010–2013, Texas Instruments Incorporated Submit Documentation Feedback 75
Product Folder Links: TPS65910 TPS65910A TPS65910A3 TPS659101 TPS659102 TPS659103 TPS659104
TPS659105 TPS659106 TPS659107 TPS659108 TPS659109

TPS65910, TPS65910A, TPS65910A3, TPS659101, TPS659102, TPS659103
TPS659104, TPS659105, TPS659106, TPS659107, TPS659108, TPS659109
SWCS046T –MARCH 2010–REVISED SEPTEMBER 2013
www.ti.com
Bits Field Name Description Type Reset
7 VDAC_KEEPON Setting supply state during device SLEEP state or when SCLSR_EN1/2 RW 0
is low
6 VPLL_KEEPON Setting supply state during device SLEEP state or when SCLSR_EN1/2 RW 0
is low
5 VAUX33_KEEPON Setting supply state during device SLEEP state or when SCLSR_EN1/2 RW 0
is low
4 VAUX2_KEEPON Setting supply state during device SLEEP state or when SCLSR_EN1/2 RW 0
is low
3 VAUX1_KEEPON Setting supply state during device SLEEP state or when SCLSR_EN1/2 RW 0
is low
2 VDIG2_KEEPON Setting supply state during device SLEEP state or when SCLSR_EN1/2 RW 0
is low
1 VDIG1_KEEPON Setting supply state during device SLEEP state or when SCLSR_EN1/2 RW 0
is low
0 VMMC_KEEPON Setting supply state during device SLEEP state or when SCLSR_EN1/2 RW 0
is low
Table 65. SLEEP_KEEP_RES_ON_REG
Address Offset 0x42
Physical Address Instance
Description Configuration Register keeping, during the SLEEP state of the device (but then supply state can be
overwritten programming ST[1:0]):
- the full load capability of LDO regulator (ACTIVE mode),
- The PWM mode of DCDC converter
- 32KHz clock output
- Register access though I2C interface (keeping the internal high speed clock on)
- Die Thermal monitoring on
Control bit value has no effect if the resource is off.
Type RW
76543210
VIO_KEEPON
VDD3_KEEPON
VDD2_KEEPON
VDD1_KEEPON
VRTC_KEEPON
I2CHS_KEEPON
THERM_KEEPON
CLKOUT32K_KEEPON
Bits Field Name Description Type Reset
7 THERM_KEEPON When 1, thermal monitoring is maintained during device SLEEP state. RW 0
When 0, thermal monitoring is turned off during device SLEEP state.
6 CLKOUT32K_KEEPO When 1, CLK32KOUT output is maintained during device SLEEP state. RW 0
N When 0, CLK32KOUT output is set low during device SLEEP state.
5 VRTC_KEEPON When 1, LDO regulator full load capability (ACTIVE mode) is maintained RW 0
during device SLEEP state.
When 0, the LDO regulator is set or stays in low power mode during
device SLEEP state.
4 I2CHS_KEEPON When 1, high speed internal clock is maintained during device SLEEP RW 0
state.
When 0, high speed internal clock is turned off during device SLEEP
state.
3 VDD3_KEEPON When 1, VDD3 SMPS high power mode is maintained during device RW 0
SLEEP state. No effect if VDD3 working mode is low power.
When 0, VDD3 SMPS low power mode is set during device SLEEP
state.
76 Submit Documentation Feedback Copyright © 2010–2013, Texas Instruments Incorporated
Product Folder Links: TPS65910 TPS65910A TPS65910A3 TPS659101 TPS659102 TPS659103 TPS659104
TPS659105 TPS659106 TPS659107 TPS659108 TPS659109

TPS65910, TPS65910A, TPS65910A3, TPS659101, TPS659102, TPS659103
TPS659104, TPS659105, TPS659106, TPS659107, TPS659108, TPS659109
www.ti.com
SWCS046T –MARCH 2010–REVISED SEPTEMBER 2013
Bits Field Name Description Type Reset
2 VDD2_KEEPON If VDD2_EN1&2 control bit = 0 (default setting): RW 0
When 1, VDD2 SMPS PWM mode is maintained during device SLEEP
state. No effect if VDD2 working mode is PFM.
When 0, VDD2 SMPS PFM mode is set during device SLEEP state.
1 VDD1_KEEPON If VDD1_EN1&2 control bit=0 (default setting): RW 0
When 1, VDD1 SMPS PWM mode is maintained during device SLEEP
state. No effect if VDD1 working mode is PFM.
When 0, VDD1 SMPS PFM mode is set during device SLEEP state.
0 VIO_KEEPON If VIO_EN1&2 control bit=0 (default setting): When 1, VIO SMPS PWM RW 0
mode is maintained during device SLEEP state. No effect if VIO working
mode is PFM.
When 0, VIO SMPS PFM mode is set during device SLEEP state.
Table 66. SLEEP_SET_LDO_OFF_REG
Address Offset 0x43
Physical Address Instance
Description Configuration Register turning-off LDO regulator during the SLEEP state of the device.
Corresponding *_KEEP_ON control bit in SLEEP_KEEP_RES_ON register should be 0 to make this
*_SET_OFF control bit effective
Type RW
76543210
VPLL_SETOFF
VDAC_SETOFF
VDIG2_SETOFF
VDIG1_SETOFF
VMMC_SETOFF
VAUX2_SETOFF
VAUX1_SETOFF
VAUX33_SETOFF
Bits Field Name Description Type Reset
7 VDAC_SETOFF When 1, LDO regulator is turned off during device SLEEP state. RW 0
When 0, No effect
6 VPLL_SETOFF When 1, LDO regulator is turned off during device SLEEP state. RW 0
When 0, No effect
5 VAUX33_SETOFF When 1, LDO regulator is turned off during device SLEEP state. RW 0
When 0, No effect
4 IVAUX2_SETOFF When 1, LDO regulator is turned off during device SLEEP state. RW 0
When 0, No effect
3 VAUX1_SETOFF When 1, LDO regulator is turned off during device SLEEP state. RW 0
When 0, No effect
2 VDIG2_SETOFF When 1, LDO regulator is turned off during device SLEEP state. RW 0
When 0, No effect
1 VDIG1_SETOFF When 1, LDO regulator is turned off during device SLEEP state. RW 0
When 0, No effect
0 VMMC_SETOFF When 1, LDO regulator is turned off during device SLEEP state. RW 0
When 0, No effect
Table 67. SLEEP_SET_RES_OFF_REG
Address Offset 0x44
Physical Address Instance
Description Configuration Register turning-off SMPS regulator during the SLEEP state of the device.
Corresponding *_KEEP_ON control bit in SLEEP_KEEP_RES_ON2 register should be 0 to make this
*_SET_OFF control bit effective. Supplies voltage expected after their wake-up (SLEEP to ACTIVE state
transition) can also be programmed.
Type RW
Copyright © 2010–2013, Texas Instruments Incorporated Submit Documentation Feedback 77
Product Folder Links: TPS65910 TPS65910A TPS65910A3 TPS659101 TPS659102 TPS659103 TPS659104
TPS659105 TPS659106 TPS659107 TPS659108 TPS659109

TPS65910, TPS65910A, TPS65910A3, TPS659101, TPS659102, TPS659103
TPS659104, TPS659105, TPS659106, TPS659107, TPS659108, TPS659109
SWCS046T –MARCH 2010–REVISED SEPTEMBER 2013
www.ti.com
76543210
RSVD VIO_SETOFF
VDD3_SETOFF
VDD2_SETOFF
VDD1_SETOFF
DEFAULT_VOLT
SPARE_SETOFF
Bits Field Name Description Type Reset
7 DEFAULT_VOLT When 1, default voltages (registers value after switch-on) will be used to RW 0
turned-on supplies during SLEEP to ACTIVE state transition.
When 0, voltages programmed before the ACTIVE to SLEEP state
transition will be used to turned-on supplies during SLEEP to ACTIVE
state transition.
6:5 RSVD Reserved bit RO 0x0
R returns
0s
4 SPARE_SETOFF Spare bit RW 0
3 VDD3_SETOFF When 1, SMPS is turned off during device SLEEP state. RW 0
When 0, No effect.
2 VDD2_SETOFF When 1, SMPS is turned off during device SLEEP state. RW 0
When 0, No effect.
1 VDD1_SETOFF When 1, SMPS is turned off during device SLEEP state. RW 0
When 0, No effect.
0 VIO_SETOFF When 1, SMPS is turned off during device SLEEP state. RW 0
When 0, No effect.
Table 68. EN1_LDO_ASS_REG
Address Offset 0x45
Physical Address Instance
Description Configuration Register setting the LDO regulators, driven by the multiplexed SCLSR_EN1 signal.
When control bit = 1, LDO regulator state is driven by the SCLSR_EN1 control signal and is also defined
though SLEEP_KEEP_LDO_ON register setting:
When SCLSR_EN1 is high the regulator is on,
When SCLSR_EN1 is low:
- the regulator is off if its corresponding Control bit = 0 in SLEEP_KEEP_LDO_ON register
- the regulator is working in low power mode if its corresponding control bit = 1 in
SLEEP_KEEP_LDO_ON register
When control bit = 0 no effect : LDO regulator state is driven though registers programming and the
device state
Any control bit of this register set to 1 will disable the I2C SR Interface functionality
Type RW
76543210
VDAC_EN1 VPLL_EN1 VAUX33_EN1 VAUX2_EN1 VAUX1_EN1 VDIG2_EN1 VDIG1_EN1 VMMC_EN1
Bits Field Name Description Type Reset
7 VDAC_EN1 Setting supply state control though SCLSR_EN1 signal RW 0
6 VPLL_EN1 Setting supply state control though SCLSR_EN1 signal RW 0
5 VAUX33_EN1 Setting supply state control though SCLSR_EN1 signal RW 0
4 VAUX2_EN1 Setting supply state control though SCLSR_EN1 signal RW 0
3 VAUX1_EN1 Setting supply state control though SCLSR_EN1 signal RW 0
2 VDIG2_EN1 Setting supply state control though SCLSR_EN1 signal RW 0
1 VDIG1_EN1 Setting supply state control though SCLSR_EN1 signal RW 0
0 VMMC_EN1 Setting supply state control though SCLSR_EN1 signal RW 0
78 Submit Documentation Feedback Copyright © 2010–2013, Texas Instruments Incorporated
Product Folder Links: TPS65910 TPS65910A TPS65910A3 TPS659101 TPS659102 TPS659103 TPS659104
TPS659105 TPS659106 TPS659107 TPS659108 TPS659109

TPS65910, TPS65910A, TPS65910A3, TPS659101, TPS659102, TPS659103
TPS659104, TPS659105, TPS659106, TPS659107, TPS659108, TPS659109
www.ti.com
SWCS046T –MARCH 2010–REVISED SEPTEMBER 2013
Table 69. EN1_SMPS_ASS_REG
Address Offset 0x46
Physical Address Instance
Description Configuration Register setting the SMPS Supplies driven by the multiplexed SCLSR_EN1 signal.
When control bit = 1, SMPS Supply state and voltage is driven by the SCLSR_EN1 control signal and is
also defined though SLEEP_KEEP_RES_ON register setting.
When control bit = 0 no effect : SMPS Supply state is driven though registers programming and the
device state.
Any control bit of this register set to 1 will disable the I2C SR Interface functionality
Type RW
76543210
RSVD SPARE_EN1 VDD3_EN1 VDD2_EN1 VDD1_EN1 VIO_EN1
Bits Field Name Description Type Reset
7:5 RSVD Reserved bit RW 0
4 SPARE_EN1 Spare bit Rw 0
3 VDD3_EN1 When 1: RW 0
When SCLSR_EN1 is high the supply is on.
When SCLSR_EN1 is low and SLEEP_KEEP_RES_ON = '0' the supply
voltage is off.
When SCLSR_EN1 is low and SLEEP_KEEP_RES_ON = '1' the SMPS
is working in low power mode.
When control bit = 0 no effect: supply state is driven though registers
programming and the device state
2 VDD2_EN1 When control bit = 1: RW 0
When SCLSR_EN1 is high the supply voltage is programmed though
VDD2_OP_REG register, and it can also be programmed off.
When SCLSR_EN1 is low the supply voltage is programmed though
VDD2_SR_REG register, and it can also be programmed off.
When SCLSR_EN1 is low and VDD2_KEEPON = 1 the SMPS is working
in low power mode, if not tuned off through VDD2_SR_REG register.
When control bit = 0 no effect: supply state is driven though registers
programming and the device state
1 VDD1_EN1 When 1: RW 0
When SCLSR_EN1 is high the supply voltage is programmed though
VDD1_OP_REG register, and it can also be programmed off.
When SCLSR_EN1 is low the supply voltage is programmed though
VDD1_SR_REG register, and it can also be programmed off.
When SCLSR_EN1 is low and VDD1_KEEPON = 1 the SMPS is working
in low power mode, if not tuned off though VDD1_SR_REG register.
When control bit = 0 no effect: supply state is driven though registers
programming and the device state
0 VIO_EN1 When control bit = 1, supply state is driven by the SCLSR_EN1 control RW 0
signal and is also defined though SLEEP_KEEP_RES_ON register
setting:
When SCLSR_EN1 is high the supply is on,
When SCLSR_EN1 is low:
- the supply is off (default) or the SMPS is working in low power mode if
VIO_KEEPON = 1
When control bit = 0 no effect: SMPS state is driven though registers
programming and the device state
Copyright © 2010–2013, Texas Instruments Incorporated Submit Documentation Feedback 79
Product Folder Links: TPS65910 TPS65910A TPS65910A3 TPS659101 TPS659102 TPS659103 TPS659104
TPS659105 TPS659106 TPS659107 TPS659108 TPS659109

TPS65910, TPS65910A, TPS65910A3, TPS659101, TPS659102, TPS659103
TPS659104, TPS659105, TPS659106, TPS659107, TPS659108, TPS659109
SWCS046T –MARCH 2010–REVISED SEPTEMBER 2013
www.ti.com
Table 70. EN2_LDO_ASS_REG
Address Offset 0x47
Physical Address Instance
Description Configuration Register setting the LDO regulators, driven by the multiplexed SDASR_EN2 signal.
When control bit = 1, LDO regulator state is driven by the SDASR_EN2 control signal and is also
defined though SLEEP_KEEP_LDO_ON register setting:
When SDASR_EN2 is high the regulator is on,
When SCLSR_EN2 is low:
- the regulator is off if its corresponding Control bit = 0 in SLEEP_KEEP_LDO_ON register
- the regulator is working in low power mode if its corresponding control bit = 1 in
SLEEP_KEEP_LDO_ON register
When control bit = 0 no effect: LDO regulator state is driven though registers programming and the
device state
Any control bit of this register set to 1 will disable the I2C SR Interface functionality
Type RW
76543210
VDAC_EN2 VPLL_EN2 VAUX33_EN2 VAUX2_EN2 VAUX1_EN2 VDIG2_EN2 VDIG1_EN2 VMMC_EN2
Bits Field Name Description Type Reset
7 VDAC_EN2 Setting supply state control though SDASR_EN2 signal RW 0
6 VPLL_EN2 Setting supply state control though SDASR_EN2 signal RW 0
5 VAUX33_EN2 Setting supply state control though SDASR_EN2 signal RW 0
4 VAUX2_EN2 Setting supply state control though SDASR_EN2 signal RW 0
3 VAUX1_EN2 Setting supply state control though SDASR_EN2 signal RW 0
2 VDIG2_EN2 Setting supply state control though SDASR_EN2 signal RW 0
1 VDIG1_EN2 Setting supply state control though SDASR_EN2 signal RW 0
0 VMMC_EN2 Setting supply state control though SDASR_EN2 signal RW 0
Table 71. EN2_SMPS_ASS_REG
Address Offset 0x48
Physical Address Instance
Description Configuration Register setting the SMPS Supplies driven by the multiplexed SDASR_EN2 signal.
When control bit = 1, SMPS Supply state and voltage is driven by the SDASR_EN2 control signal and is
also defined though SLEEP_KEEP_RES_ON register setting.
When control bit = 0 no effect: SMPS Supply state is driven though registers programming and the
device state
Any control bit of this register set to 1 will disable the I2C SR Interface functionality
Type RW
76543210
RSVD SPARE_EN2 VDD3_EN2 VDD2_EN2 VDD1_EN2 VIO_EN2
Bits Field Name Description Type Reset
7:5 RSVD Reserved bit RO 0x0
R returns
0s
4 SPARE_EN2 Spare bit RW 0
3 VDD3_EN2 When 1: RW 0
When SDASR_EN2 is high the supply is on.
When SDASR_EN2 is low and SLEEP_KEEP_RES_ON = 0 the supply
voltage is off.
When SDASR_EN2 is low and SLEEP_KEEP_RES_ON = 1 the SMPS
is working in low power mode.
When control bit = 0 no effect: supply state is driven though registers
programming and the device state
80 Submit Documentation Feedback Copyright © 2010–2013, Texas Instruments Incorporated
Product Folder Links: TPS65910 TPS65910A TPS65910A3 TPS659101 TPS659102 TPS659103 TPS659104
TPS659105 TPS659106 TPS659107 TPS659108 TPS659109

TPS65910, TPS65910A, TPS65910A3, TPS659101, TPS659102, TPS659103
TPS659104, TPS659105, TPS659106, TPS659107, TPS659108, TPS659109
www.ti.com
SWCS046T –MARCH 2010–REVISED SEPTEMBER 2013
Bits Field Name Description Type Reset
2 VDD2_EN2 When control bit = 1: RW 0
When SDASR_EN2 is high the supply voltage is programmed though
VDD2_OP_REG register, and it can also be programmed off.
When SDASR_EN2 is low the supply voltage is programmed though
VDD2_SR_REG register, and it can also be programmed off.
When SDASR_EN2 is low and and VDD2_KEEPON = 1 the SMPS is
working in low power mode, if not tuned off though VDD2_SR_REG
register.
When control bit = 0 no effect: supply state is driven though registers
programming and the device state
1 VDD1_EN2 When control bit = 1: RW 0
When SDASR_EN2 is high the supply voltage is programmed though
VDD1_OP_REG register, and it can also be programmed off.
When SDASR_EN2 is low the supply voltage is programmed though
VDD1_SR_REG register, and it can also be programmed off.
When SDASR_EN2 is low and and VDD1_KEEPON = 1 the SMPS is
working in low power mode, if not tuned off though VDD1_SR_REG
register.
When control bit = 0 no effect: supply state is driven though registers
programming and the device state
0 VIO_EN2 When control bit = 1, RW 0
supply state is driven by the SCLSR_EN2 control signal and is also
defined though SLEEP_KEEP_RES_ON register setting:
When SDASR _EN2 is high the supply is on,
When SDASR _EN2 is low :
- the supply is off (default) or the SMPS is working in low power mode if
VIO_KEEPON = 1
When control bit = 0 no effect: SMPS state is driven though registers
programming and the device state
Table 72. RESERVED
Address Offset 0x49
Physical Address Instance
Description Reserved register
Type RW
76543210
RESERVED
Bits Field Name Description Type Reset
7:0 RESERVED Reserved bit RW 0
Table 73. RESERVED
Address Offset 0x4A
Physical Address Instance
Description Reserved register
Type RW
76543210
RESERVED
Bits Field Name Description Type Reset
7:0 RESERVED Reserved bit RW 0x00
Copyright © 2010–2013, Texas Instruments Incorporated Submit Documentation Feedback 81
Product Folder Links: TPS65910 TPS65910A TPS65910A3 TPS659101 TPS659102 TPS659103 TPS659104
TPS659105 TPS659106 TPS659107 TPS659108 TPS659109

TPS65910, TPS65910A, TPS65910A3, TPS659101, TPS659102, TPS659103
TPS659104, TPS659105, TPS659106, TPS659107, TPS659108, TPS659109
SWCS046T –MARCH 2010–REVISED SEPTEMBER 2013
www.ti.com
Table 74. INT_STS_REG
Address Offset 0x50
Physical Address Instance
Description Interrupt status register:
The interrupt status bit is set to 1 when the associated interrupt event is detected. Interrupt status bit is
cleared by writing 1.
Type RW
76543210
HOTDIE_IT PWRHOLD_IT PWRON_LP_IT PWRON_IT VMBHI_IT VMBDCH_IT
RTC_ALARM_IT
RTC_PERIOD_IT
Bits Field Name Description Type Reset
7 RTC_PERIOD_IT RTC period event interrupt status. RW 0
W1 to Clr
6 RTC_ALARM_IT RTC alarm event interrupt status. RW 0
W1 to Clr
5 HOTDIE_IT Hot die event interrupt status. RW 0
W1 to Clr
4 PWRHOLD_IT PWRHOLD event interrupt status. RW 0
W1 to Clr
3 PWRON_LP_IT PWRON Long Press event interrupt status. RW 0
W1 to Clr
2 PWRON_IT PWRON event interrupt status. RW 0
W1 to Clr
1 VMBHI_IT VBAT > VMBHI event interrupt status RW 0
W1 to Clr
0 VMBDCH_IT VBAT > VMBDCH event interrupt status. RW 0
Active only if Main Battery comparator VMBCH programmable threshold W1 to Clr
is not bypassed (VMBCH_SEL[1:0] ≠00)
Table 75. INT_MSK_REG
Address Offset 0x51
Physical Address Instance
Description Interrupt mask register:
When *_IT_MSK is set to 1, the associated interrupt is masked: INT1 signal is not activated, but *_IT
interrupt status bit is updated.
When *_IT_MSK is set to 0, the associated interrupt is enabled: INT1 signal is activated, *_IT is
updated.
Type RW
76543210
VMBHI_IT_MSK
HOTDIE_IT_MSK
PWRON_IT_MSK
VMBDCH_IT_MSK
PWRHOLD_IT_MSK
PWRON_LP_IT_MSK
RTC_ALARM_IT_MSK
RTC_PERIOD_IT_MSK
82 Submit Documentation Feedback Copyright © 2010–2013, Texas Instruments Incorporated
Product Folder Links: TPS65910 TPS65910A TPS65910A3 TPS659101 TPS659102 TPS659103 TPS659104
TPS659105 TPS659106 TPS659107 TPS659108 TPS659109

TPS65910, TPS65910A, TPS65910A3, TPS659101, TPS659102, TPS659103
TPS659104, TPS659105, TPS659106, TPS659107, TPS659108, TPS659109
www.ti.com
SWCS046T –MARCH 2010–REVISED SEPTEMBER 2013
Bits Field Name Description Type Reset
7 RTC_PERIOD_IT_MS RTC period event interrupt mask. RW 0
K
6 RTC_ALARM_IT_MS RTC alarm event interrupt mask. RW 0
K
5 HOTDIE_IT_MSK Hot die event interrupt mask. RW 0
4 PWRHOLD_IT_MSK PWRHOLD rising edge event interrupt mask. RW 0
3 PWRON_LP_IT_MSK PWRON Long Press event interrupt mask. RW 0
2 PWRON_IT_MSK PWRON event interrupt mask. RW 0
1 VMBHI_IT_MSK VBAT > VMBHI event interrupt mask. RW 1
When 0, enable the device automatic switch on at BACKUP to OFF or
NOSUPPLY to OFF device state transition (EEPROM bit)
0 VMBDCH_IT_MSK VBAT < VMBDCH event interrupt status. RW 0
Active only if the main battery comparator VMBCH programmable
threshold is not bypassed (VMBCH_SEL[1:0] ≠00).
Table 76. INT_STS2_REG
Address Offset 0x52
Physical Address Instance
Description Interrupt status register:
The interrupt status bit is set to 1 when the associated interrupt event is detected. Interrupt status bit is
cleared by writing 1.
Type RW
76543210
Reserved GPIO0_F_IT GPIO0_R_IT
Bits Field Name Description Type Reset
7:2 Reserved Reserved bit RW 0
W1 to Clr
1 GPIO0_F_IT GPIO_CKSYNC falling edge detection interrupt status RW 0
W1 to Clr
0 GPIO0_R_IT GPIO_CKSYNC rising edge detection interrupt status RW 0
W1 to Clr
Table 77. INT_MSK2_REG
Address Offset 0x53
Physical Address Instance
Description Interrupt mask register:
When *_IT_MSK is set to 1, the associated interrupt is masked: INT1 signal is not activated, but *_IT
interrupt status bit is updated.
When *_IT_MSK is set to 0, the associated interrupt is enabled: INT1 signal is activated, *_IT is
updated.
Type RW
76543210
Reserved
GPIO0_F_IT_MSK
GPIO0_R_IT_MSK
Copyright © 2010–2013, Texas Instruments Incorporated Submit Documentation Feedback 83
Product Folder Links: TPS65910 TPS65910A TPS65910A3 TPS659101 TPS659102 TPS659103 TPS659104
TPS659105 TPS659106 TPS659107 TPS659108 TPS659109

TPS65910, TPS65910A, TPS65910A3, TPS659101, TPS659102, TPS659103
TPS659104, TPS659105, TPS659106, TPS659107, TPS659108, TPS659109
SWCS046T –MARCH 2010–REVISED SEPTEMBER 2013
www.ti.com
Bits Field Name Description Type Reset
7:2 Reserved Reserved bit RW 0
1 GPIO0_F_IT_MSK GPIO_CKSYNC falling edge detection interrupt mask. RW 0
0 GPIO0_R_IT_MSK GPIO_CKSYNC rising edge detection interrupt mask. RW 0
Table 78. GPIO0_REG
Address Offset 0x60
Physical Address Instance
Description GPIO0 configuration register
Type RW
76543210
Reserved GPIO_DEB GPIO_PUEN GPIO_CFG GPIO_STS GPIO_SET
Bits Field Name Description Type Reset
7:5 Reserved Reserved bit RO 0x0
R returns
0s
4 GPIO_DEB GPIO_CKSYNC input debouncing time configuration: RW 0
When 0, the debouncing is 91.5 µs using a 30.5 µs clock rate
When 1, the debouncing is 150 ms using a 50 ms clock rate
3 GPIO_PUEN GPIO_CKSYNC pad pull-up control: RW 1
1: Pull-up is enabled
0: Pull-up is disabled
2 GPIO_CFG Configuration of the GPIO_CKSYNC pad direction: RW 0
When 0, the pad is configured as an input
When 1, the pad is configured as an output
1 GPIO_STS Status of the GPIO_CKSYNC pad RO 1
0 GPIO_SET Value set on the GPIO output when configured in output mode RW 0
Table 79. JTAGVERNUM_REG
Address Offset 0x80
Physical Address Instance
Description Silicon version number
Type RO
76543210
Reserved VERNUM
Bits Field Name Description Type Reset
7:4 Reserved Reserved bit RO 0x0
R returns
0s
3:0 VERNUM Value depending on silicon version number 0000 - Revision 1.0 RO 0x0
84 Submit Documentation Feedback Copyright © 2010–2013, Texas Instruments Incorporated
Product Folder Links: TPS65910 TPS65910A TPS65910A3 TPS659101 TPS659102 TPS659103 TPS659104
TPS659105 TPS659106 TPS659107 TPS659108 TPS659109

TPS65910, TPS65910A, TPS65910A3, TPS659101, TPS659102, TPS659103
TPS659104, TPS659105, TPS659106, TPS659107, TPS659108, TPS659109
www.ti.com
SWCS046T –MARCH 2010–REVISED SEPTEMBER 2013
GLOSSARY
ACRONYMS, ABBREVIATIONS, AND DEFINITIONS
ACRONYM DEFINITION
DDR Dual-Data Rate (memory)
ES Engineering Sample
ESD Electrostatic Discharge
FET Field Effect Transistor
EPC Embedded Power Controller
FSM Finite State Machine
GND Ground
GPIO General-Purpose I/O
HBM Human Body Model
HD Hot-Die
HS-I2C High-Speed I2C
I2C Inter-Integrated Circuit
IC Integrated Circuit
ID Identification
IDDQ Quiescent supply current
IEEE Institute of Electrical and Electronics Engineers
IR Instruction Register
I/O Input/Output
JEDEC Joint Electron Device Engineering Council
JTAG Joint Test Action Group
LBC7 Lin Bi-CMOS 7 (360 nm)
LDO Low Drop Output voltage linear regulator
LP Low-Power application mode
LSB Least Significant Bit
MMC Multimedia Card
MOSFET Metal Oxide Semiconductor Field Effect Transistor
NVM Nonvolatile Memory
OMAP™ Open Multimedia Application Platform™
RTC Real-Time Clock
SMPS Switched Mode Power Supply
SPI Serial Peripheral Interface
POR Power-On Reset
Copyright © 2010–2013, Texas Instruments Incorporated Submit Documentation Feedback 85
Product Folder Links: TPS65910 TPS65910A TPS65910A3 TPS659101 TPS659102 TPS659103 TPS659104
TPS659105 TPS659106 TPS659107 TPS659108 TPS659109

TPS65910, TPS65910A, TPS65910A3, TPS659101, TPS659102, TPS659103
TPS659104, TPS659105, TPS659106, TPS659107, TPS659108, TPS659109
SWCS046T –MARCH 2010–REVISED SEPTEMBER 2013
www.ti.com
Table 80. REVISION HISTORY
VERSION DATE NOTES
* 03/2010 See (1).
A 05/2010 See (2).
B 06/2010 See (3).
C 06/2010 See (4).
D 11/2010 See (5).
E 01/2011 See (6).
F 01/2011 See (7).
G 05/2011 See (8).
H 06/2011 See (9).
I 07/2011 See (10)
J 10/2011 See (11)
K 10/2011 See (12)
L 01/2012 See (13)
M 03/2012 See (14)
N 04/2012 See (15)
O 06/2012 See (16)
P 09/2012 See (17)
Q 09/2012 See (18)
R 02/2013 See (19)
S 08/2013 See (20)
(1) Initial release
(2) SWCS046A: Updated register tables VMMC_REG and VDAC_REG. Added register table VPLL_REG
(3) SWCS046B: Update Absolute Maximum Ratings, Recommended Operating Conditions, I/O Pullup and Pulldown Characteristics, DigitaL
I/Os Voltage Electrical Characteristics, Power Consumption, Power References and Thresholds, Thermal Monitoring and Shutdown, 32-
kHz RTC Clock, VRTC LDO, VIO SMPS, VDD1 SMPS, VDD2 SMPS, VDD3 SMPS, Switch-On/-Off Sequences and Timing
(4) SWCS046C: Associate parts; no change.
(5) SWCS046D: Update Recommended Operating Conditions - Backup Battery, I/O Pullup and Pulldown Characteristics, Backup Battery
Charger. Update Rated output current, PMOS current limit (High-Side), NMOS current limit (Low-Side), and Conversion Efficiency for
VIO SMPS, VDD1/VDD2/VDD3 SMPS and VDIG1/VDIG2 LDO. Update Input Voltage for VIO/VDD1/VDD2 SMPS. Update DC and
Transient Load and Line Regulatio and Internal Resistance for VDIG1/VDIG2 LDO, VAUX33/VMMC LDO, VAUX1,VAUX2, LDO, and
VDAC/VPLL LDO. Update DC Load Regulation for VAUX3/VMMC/VDAC. Update Power Control Timing. Add Device SLEEP State
Control. Add SMPS Switching Synchronization. Update VIO_REG, VDD1_REG, and VDD2_REG.
(6) SWCS046E: Manually added Thermal Pad Mechanical Data.
(7) SWCS046F: UpdateTable 1,SUPPORTED PROCESSORS AND CORRESPONDING PART NUMBERS.
(8) SWCS046G: Update PACKAGE DESCRIPTION,RECOMMENDED OPERATING CONDITIONS,DIGITAL I/O VOLTAGE ELECTRICAL
CHARACTERISTICS, and PWRON.
(9) SWCS046H: Update Table 40, PUADEN_REG, Table 72, RESERVED, and Table 73, RESERVED.
(10) SWCS046I: Update DC Output voltage VOUT in VAUX1 AND VAUX2 LDO.
(11) SWCS046J: UpdateTable 1,SUPPORTED PROCESSORS AND CORRESPONDING PART NUMBERS.
(12) SWCS046K: UpdateTable 1,SUPPORTED PROCESSORS AND CORRESPONDING PART NUMBERS - Add AM335x.
(13) SWCS046L: Update Table 1,SUPPORTED PROCESSORS AND CORRESPONDING PART NUMBERS - Add AM335x with DDR2 and
AM335x with DDR3.
(14) SWCS046M: Update STATE-MACHINE, - Update Device Sleep enable conditions control information.
(15) SWCS046N:
(a) VIO SMPS - Update PMOS current limit (high side) conditions
(b) Table 74 - Update INT_STS_REG register - VMBHI_IT description
(c) Update Input voltage: VDIG1 AND VDIG2 LDO
(16) SWCS046O: Update Table 6,Power Control Timing Characteristics
(a) Replace unit of µs for tdbPWRONF by ms
(17) SWCS046P: Update Table 1,SUPPORTED PROCESSORS AND CORRESPONDING PART NUMBERS -
(a) Add AM335x with DDR3 - TPS65910A31A1RSL
(b) Add Rockchip - RK30xx
(18) SWCS046Q: Update Table 1,SUPPORTED PROCESSORS AND CORRESPONDING PART NUMBERS -
(a) Refer to SWCU093 document: Update document reference from TBD to SWCU093
(19) SWCS046R: Update VRTC LDO,VRTC LDO - Changed Input Voltage - Back-up mode - Max from 3V to 5.5V.
(20) SWCS046S: Update VAUX1 AND VAUX2 LDO,VAUX1 AND VAUX2 LDO - Changed VAUX2 - Rated Output Current IOUTmax - On
mode from 150 mA to 300 mA
86 Submit Documentation Feedback Copyright © 2010–2013, Texas Instruments Incorporated
Product Folder Links: TPS65910 TPS65910A TPS65910A3 TPS659101 TPS659102 TPS659103 TPS659104
TPS659105 TPS659106 TPS659107 TPS659108 TPS659109

TPS65910, TPS65910A, TPS65910A3, TPS659101, TPS659102, TPS659103
TPS659104, TPS659105, TPS659106, TPS659107, TPS659108, TPS659109
www.ti.com
SWCS046T –MARCH 2010–REVISED SEPTEMBER 2013
Table 80. REVISION HISTORY (continued)
VERSION DATE NOTES
T 09/2013 See (21)
(21) SWCS046T: Update
(a) Table 34,RTC_Reset_Status_Reg, Changed Reserved bits to 7:1 and changed RESET_STATUS's reset value to 0x0.
(b) Table 45,VDD1_OP_REG, Changed SEL Vout to Vout = (SEL[6:0] × 12.5 mV + 0.5625 V) × G.
(c) Table 46,VDD1_SR_REG, Changed SEL Vout to Vout = (SEL[6:0] × 12.5 mV + 0.5625 V) × G.
(d) Table 48,VDD2_OP_REG, Changed SEL Vout to Vout = (SEL[6:0] × 12.5 mV + 0.5625 V) × G.
(e) Table 49,VDD2_SR_REG, Changed SEL Vout to Vout = (SEL[6:0] × 12.5 mV + 0.5625 V) × G.
Copyright © 2010–2013, Texas Instruments Incorporated Submit Documentation Feedback 87
Product Folder Links: TPS65910 TPS65910A TPS65910A3 TPS659101 TPS659102 TPS659103 TPS659104
TPS659105 TPS659106 TPS659107 TPS659108 TPS659109

PACKAGE OPTION ADDENDUM
www.ti.com 25-Sep-2013
Addendum-Page 1
PACKAGING INFORMATION
Orderable Device Status
(1)
Package Type Package
Drawing Pins Package
Qty Eco Plan
(2)
Lead/Ball Finish MSL Peak Temp
(3)
Op Temp (°C) Device Marking
(4/5)
Samples
TPS659101A1RSL ACTIVE VQFN RSL 48 60 Green (RoHS
& no Sb/Br)
CU NIPDAU Level-3-260C-168 HR -40 to 85 T659101
A1
TPS659101A1RSLR ACTIVE VQFN RSL 48 2500 Green (RoHS
& no Sb/Br)
CU NIPDAU Level-3-260C-168 HR -40 to 85 T659101
A1
TPS659102A1RSL ACTIVE VQFN RSL 48 60 Green (RoHS
& no Sb/Br)
CU NIPDAU Level-3-260C-168 HR -40 to 85 T659102
A1
TPS659102A1RSLR ACTIVE VQFN RSL 48 2500 Green (RoHS
& no Sb/Br)
CU NIPDAU Level-3-260C-168 HR -40 to 85 T659102
A1
TPS659103A1RSL PREVIEW VQFN RSL 48 60 Green (RoHS
& no Sb/Br)
CU NIPDAU Level-3-260C-168 HR -40 to 85 T659103
A1
TPS659103A1RSLR PREVIEW VQFN RSL 48 2500 Green (RoHS
& no Sb/Br)
CU NIPDAU Level-3-260C-168 HR -40 to 85 T659103
A1
TPS659104A1RSL PREVIEW VQFN RSL 48 60 TBD Call TI Call TI -40 to 85
TPS659104A1RSLR PREVIEW VQFN RSL 48 2500 TBD Call TI Call TI -40 to 85
TPS659105A1RSL PREVIEW VQFN RSL 48 60 Green (RoHS
& no Sb/Br)
CU NIPDAU Level-3-260C-168 HR -40 to 85 T659105
A1
TPS659105A1RSLR PREVIEW VQFN RSL 48 2500 Green (RoHS
& no Sb/Br)
CU NIPDAU Level-3-260C-168 HR -40 to 85 T659105
A1
TPS659106A1RSL ACTIVE VQFN RSL 48 60 Green (RoHS
& no Sb/Br)
CU NIPDAU Level-3-260C-168 HR -40 to 85 T659106
A1
TPS659106A1RSLR ACTIVE VQFN RSL 48 2500 Green (RoHS
& no Sb/Br)
CU NIPDAU Level-3-260C-168 HR -40 to 85 T659106
A1
TPS659107A1RSL PREVIEW VQFN RSL 48 60 TBD Call TI Call TI -40 to 85
TPS659107A1RSLR PREVIEW VQFN RSL 48 2500 TBD Call TI Call TI -40 to 85
TPS659108A1RSL ACTIVE VQFN RSL 48 60 Green (RoHS
& no Sb/Br)
CU NIPDAU Level-3-260C-168 HR -40 to 85 T659108
A1
TPS659108A1RSLR ACTIVE VQFN RSL 48 2500 Green (RoHS
& no Sb/Br)
CU NIPDAU Level-3-260C-168 HR -40 to 85 T659108
A1
TPS659109A1RSL ACTIVE VQFN RSL 48 60 Green (RoHS
& no Sb/Br)
CU NIPDAU Level-3-260C-168 HR -40 to 85 T659109
A1
TPS659109A1RSLR ACTIVE VQFN RSL 48 2500 Green (RoHS
& no Sb/Br)
CU NIPDAU Level-3-260C-168 HR -40 to 85 T659109
A1
TPS65910A1RSL ACTIVE VQFN RSL 48 60 Green (RoHS
& no Sb/Br)
CU NIPDAU Level-3-260C-168 HR -40 to 85 TPS
65910A1

PACKAGE OPTION ADDENDUM
www.ti.com 25-Sep-2013
Addendum-Page 2
Orderable Device Status
(1)
Package Type Package
Drawing Pins Package
Qty Eco Plan
(2)
Lead/Ball Finish MSL Peak Temp
(3)
Op Temp (°C) Device Marking
(4/5)
Samples
TPS65910A1RSLR ACTIVE VQFN RSL 48 2500 Green (RoHS
& no Sb/Br)
CU NIPDAU Level-3-260C-168 HR -40 to 85 TPS
65910A1
TPS65910A31A1RSLR ACTIVE VQFN RSL 48 2500 Green (RoHS
& no Sb/Br)
CU NIPDAU Level-3-260C-168 HR -40 to 85 65910
A31A1
TPS65910A31A1RSLT ACTIVE VQFN RSL 48 250 Green (RoHS
& no Sb/Br)
CU NIPDAU Level-3-260C-168 HR -40 to 85 65910
A31A1
TPS65910A3A1RSL ACTIVE VQFN RSL 48 60 Green (RoHS
& no Sb/Br)
CU NIPDAU Level-3-260C-168 HR -40 to 85 T65910
A3A1
TPS65910A3A1RSLR ACTIVE VQFN RSL 48 2500 Green (RoHS
& no Sb/Br)
CU NIPDAU Level-3-260C-168 HR -40 to 85 T65910
A3A1
TPS65910AA1RSL ACTIVE VQFN RSL 48 60 Green (RoHS
& no Sb/Br)
CU NIPDAU Level-3-260C-168 HR -40 to 85 T65910A
A1
TPS65910AA1RSLR ACTIVE VQFN RSL 48 2500 Green (RoHS
& no Sb/Br)
CU NIPDAU Level-3-260C-168 HR -40 to 85 T65910A
A1
(1) The marketing status values are defined as follows:
ACTIVE: Product device recommended for new designs.
LIFEBUY: TI has announced that the device will be discontinued, and a lifetime-buy period is in effect.
NRND: Not recommended for new designs. Device is in production to support existing customers, but TI does not recommend using this part in a new design.
PREVIEW: Device has been announced but is not in production. Samples may or may not be available.
OBSOLETE: TI has discontinued the production of the device.
(2) Eco Plan - The planned eco-friendly classification: Pb-Free (RoHS), Pb-Free (RoHS Exempt), or Green (RoHS & no Sb/Br) - please check http://www.ti.com/productcontent for the latest availability
information and additional product content details.
TBD: The Pb-Free/Green conversion plan has not been defined.
Pb-Free (RoHS): TI's terms "Lead-Free" or "Pb-Free" mean semiconductor products that are compatible with the current RoHS requirements for all 6 substances, including the requirement that
lead not exceed 0.1% by weight in homogeneous materials. Where designed to be soldered at high temperatures, TI Pb-Free products are suitable for use in specified lead-free processes.
Pb-Free (RoHS Exempt): This component has a RoHS exemption for either 1) lead-based flip-chip solder bumps used between the die and package, or 2) lead-based die adhesive used between
the die and leadframe. The component is otherwise considered Pb-Free (RoHS compatible) as defined above.
Green (RoHS & no Sb/Br): TI defines "Green" to mean Pb-Free (RoHS compatible), and free of Bromine (Br) and Antimony (Sb) based flame retardants (Br or Sb do not exceed 0.1% by weight
in homogeneous material)
(3) MSL, Peak Temp. -- The Moisture Sensitivity Level rating according to the JEDEC industry standard classifications, and peak solder temperature.
(4) There may be additional marking, which relates to the logo, the lot trace code information, or the environmental category on the device.
(5) Multiple Device Markings will be inside parentheses. Only one Device Marking contained in parentheses and separated by a "~" will appear on a device. If a line is indented then it is a continuation
of the previous line and the two combined represent the entire Device Marking for that device.

PACKAGE OPTION ADDENDUM
www.ti.com 25-Sep-2013
Addendum-Page 3
Important Information and Disclaimer:The information provided on this page represents TI's knowledge and belief as of the date that it is provided. TI bases its knowledge and belief on information
provided by third parties, and makes no representation or warranty as to the accuracy of such information. Efforts are underway to better integrate information from third parties. TI has taken and
continues to take reasonable steps to provide representative and accurate information but may not have conducted destructive testing or chemical analysis on incoming materials and chemicals.
TI and TI suppliers consider certain information to be proprietary, and thus CAS numbers and other limited information may not be available for release.
In no event shall TI's liability arising out of such information exceed the total purchase price of the TI part(s) at issue in this document sold by TI to Customer on an annual basis.

TAPE AND REEL INFORMATION
*All dimensions are nominal
Device Package
Type Package
Drawing Pins SPQ Reel
Diameter
(mm)
Reel
Width
W1 (mm)
A0
(mm) B0
(mm) K0
(mm) P1
(mm) W
(mm) Pin1
Quadrant
TPS659101A1RSLR VQFN RSL 48 2500 330.0 16.4 6.3 6.3 1.1 12.0 16.0 Q2
TPS659102A1RSLR VQFN RSL 48 2500 330.0 16.4 6.3 6.3 1.5 12.0 16.0 Q2
TPS659102A1RSLR VQFN RSL 48 2500 330.0 16.4 6.3 6.3 1.1 12.0 16.0 Q2
TPS659106A1RSLR VQFN RSL 48 2500 330.0 16.4 6.3 6.3 1.5 12.0 16.0 Q2
TPS659108A1RSLR VQFN RSL 48 2500 330.0 16.4 6.3 6.3 1.1 12.0 16.0 Q2
TPS659108A1RSLR VQFN RSL 48 2500 330.0 16.4 6.3 6.3 1.5 12.0 16.0 Q2
TPS659109A1RSLR VQFN RSL 48 2500 330.0 16.4 6.3 6.3 1.1 12.0 16.0 Q2
TPS659109A1RSLR VQFN RSL 48 2500 330.0 16.4 6.3 6.3 1.5 12.0 16.0 Q2
TPS65910A1RSLR VQFN RSL 48 2500 330.0 16.4 6.3 6.3 1.5 12.0 16.0 Q2
TPS65910A31A1RSLR VQFN RSL 48 2500 330.0 16.4 6.3 6.3 1.5 12.0 16.0 Q2
TPS65910A31A1RSLT VQFN RSL 48 250 180.0 16.4 6.3 6.3 1.5 12.0 16.0 Q2
TPS65910A3A1RSLR VQFN RSL 48 2500 330.0 16.4 6.3 6.3 1.5 12.0 16.0 Q2
TPS65910AA1RSLR VQFN RSL 48 2500 330.0 16.4 6.3 6.3 1.1 12.0 16.0 Q2
TPS65910AA1RSLR VQFN RSL 48 2500 330.0 16.4 6.3 6.3 1.5 12.0 16.0 Q2
PACKAGE MATERIALS INFORMATION
www.ti.com 23-Sep-2013
Pack Materials-Page 1

*All dimensions are nominal
Device Package Type Package Drawing Pins SPQ Length (mm) Width (mm) Height (mm)
TPS659101A1RSLR VQFN RSL 48 2500 367.0 367.0 38.0
TPS659102A1RSLR VQFN RSL 48 2500 367.0 367.0 38.0
TPS659102A1RSLR VQFN RSL 48 2500 367.0 367.0 38.0
TPS659106A1RSLR VQFN RSL 48 2500 367.0 367.0 38.0
TPS659108A1RSLR VQFN RSL 48 2500 367.0 367.0 38.0
TPS659108A1RSLR VQFN RSL 48 2500 367.0 367.0 38.0
TPS659109A1RSLR VQFN RSL 48 2500 367.0 367.0 38.0
TPS659109A1RSLR VQFN RSL 48 2500 367.0 367.0 38.0
TPS65910A1RSLR VQFN RSL 48 2500 367.0 367.0 38.0
TPS65910A31A1RSLR VQFN RSL 48 2500 367.0 367.0 38.0
TPS65910A31A1RSLT VQFN RSL 48 250 210.0 185.0 35.0
TPS65910A3A1RSLR VQFN RSL 48 2500 367.0 367.0 38.0
TPS65910AA1RSLR VQFN RSL 48 2500 367.0 367.0 38.0
TPS65910AA1RSLR VQFN RSL 48 2500 367.0 367.0 38.0
PACKAGE MATERIALS INFORMATION
www.ti.com 23-Sep-2013
Pack Materials-Page 2


IMPORTANT NOTICE
Texas Instruments Incorporated and its subsidiaries (TI) reserve the right to make corrections, enhancements, improvements and other
changes to its semiconductor products and services per JESD46, latest issue, and to discontinue any product or service per JESD48, latest
issue. Buyers should obtain the latest relevant information before placing orders and should verify that such information is current and
complete. All semiconductor products (also referred to herein as “components”) are sold subject to TI’s terms and conditions of sale
supplied at the time of order acknowledgment.
TI warrants performance of its components to the specifications applicable at the time of sale, in accordance with the warranty in TI’s terms
and conditions of sale of semiconductor products. Testing and other quality control techniques are used to the extent TI deems necessary
to support this warranty. Except where mandated by applicable law, testing of all parameters of each component is not necessarily
performed.
TI assumes no liability for applications assistance or the design of Buyers’ products. Buyers are responsible for their products and
applications using TI components. To minimize the risks associated with Buyers’ products and applications, Buyers should provide
adequate design and operating safeguards.
TI does not warrant or represent that any license, either express or implied, is granted under any patent right, copyright, mask work right, or
other intellectual property right relating to any combination, machine, or process in which TI components or services are used. Information
published by TI regarding third-party products or services does not constitute a license to use such products or services or a warranty or
endorsement thereof. Use of such information may require a license from a third party under the patents or other intellectual property of the
third party, or a license from TI under the patents or other intellectual property of TI.
Reproduction of significant portions of TI information in TI data books or data sheets is permissible only if reproduction is without alteration
and is accompanied by all associated warranties, conditions, limitations, and notices. TI is not responsible or liable for such altered
documentation. Information of third parties may be subject to additional restrictions.
Resale of TI components or services with statements different from or beyond the parameters stated by TI for that component or service
voids all express and any implied warranties for the associated TI component or service and is an unfair and deceptive business practice.
TI is not responsible or liable for any such statements.
Buyer acknowledges and agrees that it is solely responsible for compliance with all legal, regulatory and safety-related requirements
concerning its products, and any use of TI components in its applications, notwithstanding any applications-related information or support
that may be provided by TI. Buyer represents and agrees that it has all the necessary expertise to create and implement safeguards which
anticipate dangerous consequences of failures, monitor failures and their consequences, lessen the likelihood of failures that might cause
harm and take appropriate remedial actions. Buyer will fully indemnify TI and its representatives against any damages arising out of the use
of any TI components in safety-critical applications.
In some cases, TI components may be promoted specifically to facilitate safety-related applications. With such components, TI’s goal is to
help enable customers to design and create their own end-product solutions that meet applicable functional safety standards and
requirements. Nonetheless, such components are subject to these terms.
No TI components are authorized for use in FDA Class III (or similar life-critical medical equipment) unless authorized officers of the parties
have executed a special agreement specifically governing such use.
Only those TI components which TI has specifically designated as military grade or “enhanced plastic” are designed and intended for use in
military/aerospace applications or environments. Buyer acknowledges and agrees that any military or aerospace use of TI components
which have not been so designated is solely at the Buyer's risk, and that Buyer is solely responsible for compliance with all legal and
regulatory requirements in connection with such use.
TI has specifically designated certain components as meeting ISO/TS16949 requirements, mainly for automotive use. In any case of use of
non-designated products, TI will not be responsible for any failure to meet ISO/TS16949.
Products Applications
Audio www.ti.com/audio Automotive and Transportation www.ti.com/automotive
Amplifiers amplifier.ti.com Communications and Telecom www.ti.com/communications
Data Converters dataconverter.ti.com Computers and Peripherals www.ti.com/computers
DLP® Products www.dlp.com Consumer Electronics www.ti.com/consumer-apps
DSP dsp.ti.com Energy and Lighting www.ti.com/energy
Clocks and Timers www.ti.com/clocks Industrial www.ti.com/industrial
Interface interface.ti.com Medical www.ti.com/medical
Logic logic.ti.com Security www.ti.com/security
Power Mgmt power.ti.com Space, Avionics and Defense www.ti.com/space-avionics-defense
Microcontrollers microcontroller.ti.com Video and Imaging www.ti.com/video
RFID www.ti-rfid.com
OMAP Applications Processors www.ti.com/omap TI E2E Community e2e.ti.com
Wireless Connectivity www.ti.com/wirelessconnectivity
Mailing Address: Texas Instruments, Post Office Box 655303, Dallas, Texas 75265
Copyright © 2013, Texas Instruments Incorporated


