TX 2B, RX 2B Datasheet. Www.s Manuals.com. R1.0 Silan
User Manual: Datasheets RX-2B, RX2C.
Open the PDF directly: View PDF
.
Page Count: 11

Silan
Semiconductors
TX-2B/RX-2B
HANGZHOU SILAN MICROELECTRONICS JOINT-STOCK CO.,LTD
Rev: 1.0 2002.03.29
1
REMOTE CONTROLLER WITH FIVE
FUNCTIONS
DESCRIPTION
The TX-2B/RX-2B is a pair of CMOS LSIs designed for remote
controlled car applications. The TX-2B/RX-2B has five control keys
for controlling the motions (i.e. forward, backward, rightward, leftward
and the turbo function ) of the remote controlled car.
FEATURES
* Wide operating voltage range (VCC=1.5~5.0V)
* Low stand-by current
* Auto-power-off function for TX-2B
* Few external components are needed
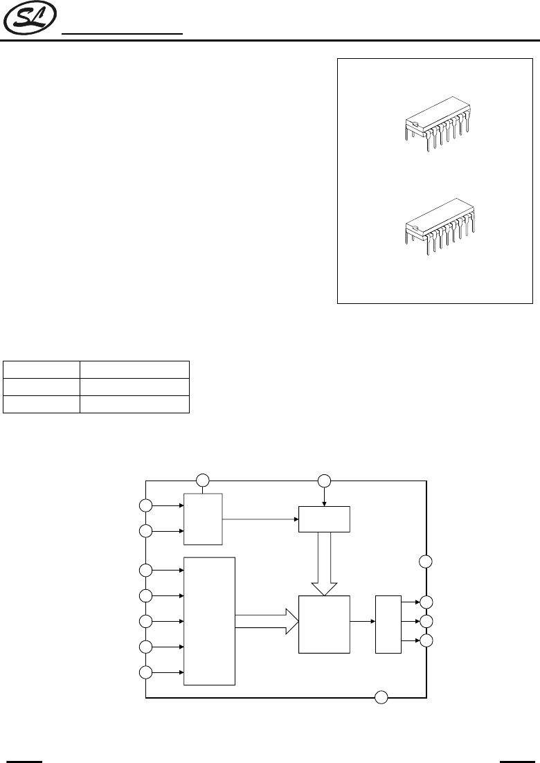
DIP-16
DIP-14
TX-2B
RX-2B
ORDERING INFORMATION
Part No. Package
TX-2B DIP-14-300-2.54
RX-2B DIP-16-300-2.54
BLOCK DIAGRAM
Oscillator
Latch
Circuit Encoding
Circuit
Timing
Generator
Logic
OSCI
OSCO
RIGHT
LEFT
TURBO
FORWARD
BACKWARD
PC
SO
SC
TEST B
GND
V
DD
FOSC
12
11
1
14
6
5
4
2
10
8
7
9
3
13
TRANSMITTER TX-2B Block Diagram

Silan
Semiconductors
TX-2B/RX-2B
HANGZHOU SILAN MICROELECTRONICS JOINT-STOCK CO.,LTD
Rev: 1.0 2002.03.29
2
BLOCK DIAGRAM
LDB
RDB
SI
OSCO
OSCI
GND
4
5
3
9
8
2
RIGHT
LEFT
TURBO
BACKWARD
FORWARD
V
DD
7
11
10
12
6
13
Control
Logic
Decoding
Circuit
AMP
Timing
Generator
PLA
Computer
Latch
Circuit
VO2
VI2
16
1
VO1
VI1
14
15
Oscillator
RECEIVER RX-2B Block Diagram
PIN CONFIGURATION
TX-2B
RIGHT
TEST
GND
ACKWARD
FORWARD
TURBO
SC
PC
LEFT
FOSC
OSCI
OSCO
V
DD
SO
RX-2B
RIGHT
GND
BACKWARD
FORWARD
TURBO
LEFT
OSCI
OSCO
V
DD
VO2
SI
ROB LDB
VI1
VO1
VI2
8
2
3
4
5
6
7
1
14
13
12
11
10
9
16
15
14
13
12
11
10
9
8
2
3
4
5
6
7
1

Silan
Semiconductors
TX-2B/RX-2B
HANGZHOU SILAN MICROELECTRONICS JOINT-STOCK CO.,LTD
Rev: 1.0 2002.03.29
3
ABSOLUTE MAXIMUM RATINGS
Characteristic Symbol Value Unit
Supply Voltage VDD 0.3~5.0 V
Input / Output Voltage VIN,V
OUT GND-0.3~VDD+0.3 V
Operating Temperature TOPR -10~65 °C
Storage Temperature Tstg -25~125 °C
ELECTRICAL CHARACTERISTICS
1. TX-2B (VDD=4.0V, Fosc=128KHz, Tamb =25°C, unless otherwise specified.)
Characteristic Symbol Min Typ Max Unit
Operating Voltage VDD 1.5 4.0 5.0 V
Operating Current IDD -- -- 2.0 mA
Stand-By Current ISTB -- -- 10 µA
DC O/P Driving Current Idrive 5----mA
AC O/P Driving Current Idrive 5----mA
AC O/P Frequency Faudio 0.5 -- 1.0 kHz
2. RX-2B (VDD=4.0V,Fosc=128KHz, Tamb=25°C, unless otherwise specified.)
characteristic Symbol Min Typ Max Unit
Operating Voltage VDD 1.5 4.0 5.0 V
Operating Current IDD -- -- 3.0 mA
O/P Driving Current Idrive 1----mA
O/P Sinking Current Isink 1----mA
Effect Decoding Frequency Variation Ftolerance -20 -- 20 %
PIN DESCRIPTION
1. TX-2B
Pin No. Symbol Description
1 RIGHT The rightward function will be selected, if this pin is connected to GND
2 TEST This pin is used for testing mode
3 GND Negative power supply
4 BACKWARD The backward function will be selected, if this pin is connected to GND
5 FORWARD The forward function will be selected, if this pin is connected to GND
(To be continued)

Silan
Semiconductors
TX-2B/RX-2B
HANGZHOU SILAN MICROELECTRONICS JOINT-STOCK CO.,LTD
Rev: 1.0 2002.03.29
4
(Continued)
Pin No. Symbol Description
6 TURBO The turbo function will be selected if this pin is connected to GND
7 SC Output pin of the encoding signal with carrier frequency
8 SO Output pin of the encoding signal without carrier frequency
9V
DD Positive power supply
10 PC Power control output pin
11 OSCO Oscillator output pin
12 OSCI Oscillator input pin
13 FOSC This pin is used for testing mode
14 LEFT The leftward function will be selected, if this pin is connected to GND
2. RX-2B
Pin No. Symbol Description
1 VO2 Inverter 2 output pin for power amplify
2 GND Negative power supply
3 SI Input pin of the encoding signal
4 OSCI Oscillator input pin
5 OSCO Oscillator output pin
6 RIGHT Rightward output pin
7 LEFT Leftward output pin
8 ROB Rightward function disable, if this pin is connected to GND
9 LDB Leftward function disable, if this pin is connected to GND
10 BACKWARD Backward output pin
11 FORWARD Forward output pin
12 TURBO TURBO output pin
13 VDD Positive power supply
14 VI1 Inverter 1 input pin for power amplify
15 VO1 Inverter 1 output pin for power amplify
16 VI2 Inverter 2 input pin for power amplify

Silan
Semiconductors
TX-2B/RX-2B
HANGZHOU SILAN MICROELECTRONICS JOINT-STOCK CO.,LTD
Rev: 1.0 2002.03.29
5
CODE FORMAT
1. ENCODE RULE
(A).Bit Format (W1 is used for function codes,W2 for start codes)
1KHz
W1 1KHz 50% Duty cycle
W2
500Hz 75% Duty cycle
(B).Date Format
W2 W2 W2 W2 (n) X W1 W2 W2 W2 W2 (n) X W1 W2 W2 W2 W2
W2 W2 W2 W2
1 234
12 34
W1W1 W1 W1 W1 W1
W2 W2 W2
n-th
start code
function code
1word
W2
nxW1
Number Of Function Code (N) W1 Function Key Decode Result
4 End Code
10 Forward Forward
16 Forward & Turbo Forward
22 Turbo Turbo
28 Turbo & Forward & Left Forward & Left
34 Turbo & Forward & Right Forward & Right
40 Backward Backward
46 Backward & Right Backward & Right
52 Backward & Left Backward & Left
58 Left Left
64 Right Right

Silan
Semiconductors
TX-2B/RX-2B
HANGZHOU SILAN MICROELECTRONICS JOINT-STOCK CO.,LTD
Rev: 1.0 2002.03.29
6
2. ENCODE/DECODE TIMING
Any function key
Encode output
Decode output
1st word 2nd word 3rd word 123456 78
9ms9ms
end code
T
(n) W1 8ms 1ms
SI
Decode output
T=17ms+(nW1)x1ms
8ms
TESTING CIRCUIT
(The oscillator frequency of TX-2B, RX-2B is 128KHz, the oscillator resistor is 160KΩand 250KΩrespectively)
TX-2B RX-2B
100 F
left
right
forward
backward
turbo
left
right
backward
forward
turbo
f
osc
=128kHz
f
osc
=128kHz
VCC=3V
14 13 12 11 810 9
1234 756 1234 756 8
14 13 12 11 10 91516

Silan
Semiconductors
TX-2B/RX-2B
HANGZHOU SILAN MICROELECTRONICS JOINT-STOCK CO.,LTD
Rev: 1.0 2002.03.29
7
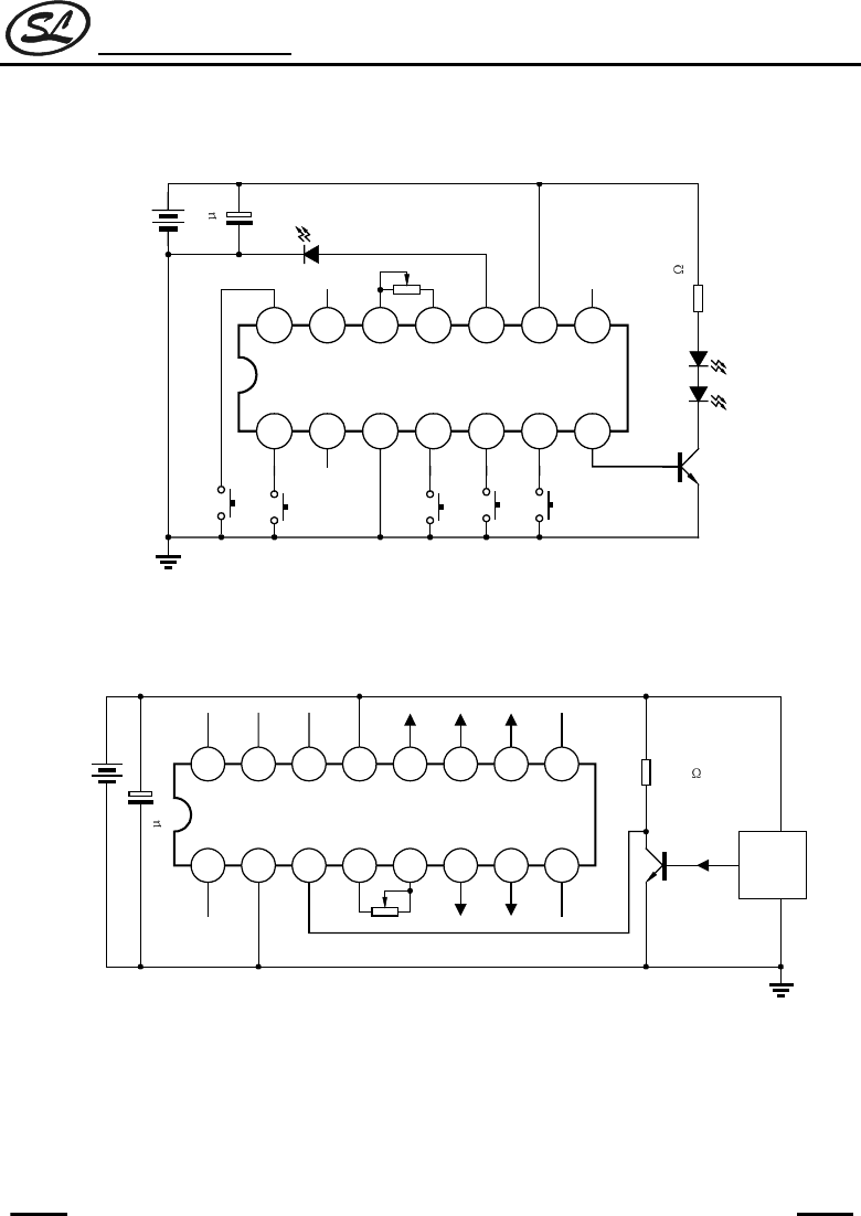
TYPICAL APPLICATION CIRCUIT
TRANSMITTER
SI
R
osc
=500k
R.F.
CIRCUIT
V
CC
TX-2B
left
right
backward
forward
turbo
1 2 3 4 5 6 7
14 13 12 11 10 9 8
RECEIVER
RX-2B
power
switch
100 F
4.3V
R.F.
CIRCUIT
GND
V
CC
500k
1 2 3 4 5 6 7 8
15 14 13 12 11 10 916

Silan
Semiconductors
TX-2B/RX-2B
HANGZHOU SILAN MICROELECTRONICS JOINT-STOCK CO.,LTD
Rev: 1.0 2002.03.29
8
INFRARED APPLICATION CIRCUIT
TRANSMITTER
TX-2B
f
osc
=114kHz
C8050
Photo Diode 1~4.7
100 F
DC:3V
Left
Right
Frontwar
d
Backw
ard
Turbo
14 13 12 11 10 9 8
2 3 4 5 6 71
RECEIVER
RX-2B
f
osc
=114KHz
1815
100K
DC:5V
100 F
V
DD
IR
Receiver
GND
OUT
16 15 14 13 12 11 910
1 2 3 4 5 6 87

Silan
Semiconductors
TX-2B/RX-2B
HANGZHOU SILAN MICROELECTRONICS JOINT-STOCK CO.,LTD
Rev: 1.0 2002.03.29
9
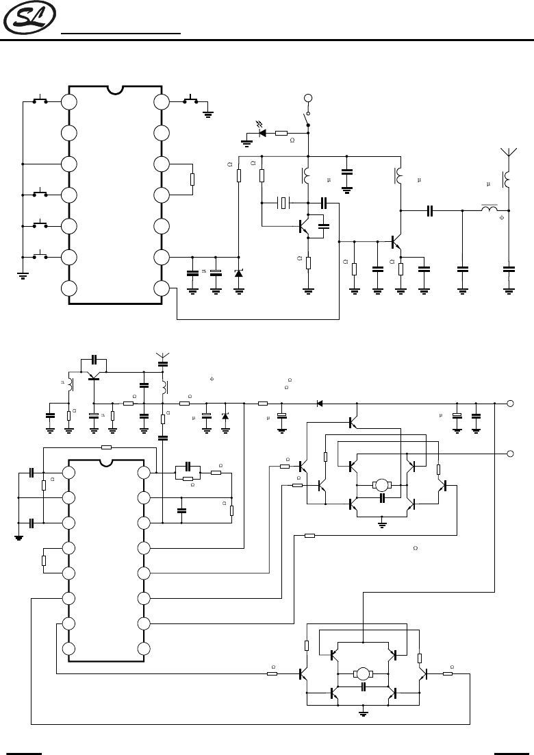
RECOMMENDED APPLICATION CIRCUIT
TX-2B
2
1
3
5
4
6
14
12
13
11
7 8
10
9
Rosc=160K
390
220k
1.5k
LED
LR
B
F
TURBO
100
33K
100
68P 203P
151P
203P
151P
103P
L3
L1
2.2 H
47P
68P
203P
47 F
3.0V
V
DD
=9V
L2
2.2 HL4
6.8 H
7T 0.3mm ( )
x 5mm(Core)
Q1 Q2
C945 C945
XTAL
27MHz
RX-2B
M
M
Rosc=250K
3.3k
820
R2
3.3k
3.3k
390
330
3.9MO
3.9M
1N4148
1k
1k
1kO
1k 1k
R4
R3
R2
R1
100 F
/16V
470 F
/16V
220 F
/16V
4.7 F
C1 102P
C2 47P
C3 18PC4 203P
180k
4P
203P
222P
501P
103P
473P
473P
104P
L1
1.1 F
L2
104P
3.0V
Q1
Q3
Q2
Q5
Q4
Q6
C945
C945
C945
Q7 Q8
Q9 Q10
C945 C945
R1,R2,R3,R4=80~150 ,are
changeable with the V
DD1
and
V
DD2.
Q1: C9018,C1815,C380,C382
Q2,Q3,Q4: 5610,C8550,B772
Q5,Q6: C8050,5609,D882
Q7,Q8: B564,C8550,B772
Q9,Q10: D471,C8050,D882
V
DD1
=12V,R=330
V
DD1
=9V,R=220 V
DD1
V
DD2
7T 0.3mm ( )
x 5mm(Core)
2
1
3
5
4
6
15
16
14
12
13
11
7
8
10
9
left
right
turbo
forward
backward

Silan
Semiconductors
TX-2B/RX-2B
HANGZHOU SILAN MICROELECTRONICS JOINT-STOCK CO.,LTD
Rev: 1.0 2002.03.29
10
PACKAGE OUTLINE
DIP-14-300-2.54 UNIT: mm
6.35 0.25
2.54
4.36MAX3.00MIN
7.62
15 degree
0.46 0.08
19.55 0.3
1.52
0.5MIN
0.25 0.05
2.40MAX
DIP-16-300-2.54 UNIT: mm
6.35 0.25
2.54
4.36MAX3.00MIN
7.62
15 degree
0.46 0.08
19.55 0.3 1.52
0.25 0.05
0.5MIN
1.27MAX
0.99 0.3
