TYPHOON_MANUAL_1.2 Typhoon Video Games Service Manual Triotech
User Manual: typhoon-video-games-service-manual-triotech
Open the PDF directly: View PDF
.
Page Count: 48

Preliminary – January 2009
USER MANUAL
TYPHOON
Triotech Amusement Inc.
190 Des Industries Lavaltrie, Quebec (Canada)
J5T 3R2
Tel.: 450.586.5009
Toll free: 1-888-IN-LINE-4
Fax: 450.586.0299
e-mail: service@trio-tech.com
You can get this game at www.magic-play.eu
You can get this game at www.magic-play.eu
You can get this game at www.magic-play.eu
You can get this game at www.magic-play.eu

Dear valued customer,
Congratulations and thank you for purchasing TRIOTECH
AMUSEMENT’s Typhoon. You will not be disappointed with your
purchase. Your 2-seat theater is coin-operated and does not require
attendant. Featuring 4.1 Surround Sound and a 42” LCD screen this
dual-actuator motion platform is the most realistic simulation avail-
able in coin-op.
Sincerely,
TRIOTECH
You can get this game at www.magic-play.eu
You can get this game at www.magic-play.eu

You can get this game at www.magic-play.eu
You can get this game at www.magic-play.eu

CAUTION
Typhoon requires a dedicated 120V. 15 amp circuit or 220V. 7.5amp or the
machine may experience sporadic technical difficulties. Your Typhoon should
not share a breaker with other deluxe or motion based cabinets.
!
Determine Optimum Location
The game location must be free of: exposure to direct sunlight, high humidity, dust, salt mist,
high heat, or extreme cold. If installed in an unusually hot location, allow additional clearance
between ventilation slots in the game and any structure or object that would tend to restrict air
circulation.
TYPHOON Ships in one (1)
crate
Typhoon reception
Reception
1
Package approximate dimensions:
90” x 56” x 80”
You can get this game at www.magic-play.eu
You can get this game at www.magic-play.eu

LIST OF SUPPLIED ASSEMBLY PARTS
Reception
2
Item Description Photo/ Image Qty.
1 Main cabinet
1
2 Motion seat module
1
3 Header assy
1
4 Fan’s cover (right
&left)
2
5 Hardware box
(inside of the coin
door; the access is
from the front of the
machine; a bag with
the necessaries keys is
attached to the coin
door's door)
1
Package Content
You can get this game at www.magic-play.eu
You can get this game at www.magic-play.eu

HARDWARE BOX MANIFEST
Reception
3
Bag
or
bin
No. IMAGE DESCRIPTION SIZE QTY. SPARE
1 SD-100-0215 FLAT WASHER NEORENE #10 26
2 SD-100-0187 PAN HEAD QUADREX
DRIVE #10-24 x 3/4" 26
3 SD-100-0216 FLAT WASHER NEOPRENE #14 12
4
SD-100-0190
PAN HEAD QUADREX
DRIVE 1/4-20 x 3/4" 12
5 SD-100-0328 LOCK WASHER 1/2" 6
6 SD-100-0047 FLAT WASHER 1/2 “ 6
7
SD-100-0342
HEX.MACHINE SCREW 1/2 “-13 x 4” 6
You can get this game at www.magic-play.eu
You can get this game at www.magic-play.eu

NECESSARY TOOLS
TO COMPLETE ASSEMBLY
Installation
4
No. Tools Description /Image Application
1 Forklift Capacity over 1000 lb
Appropriated long forks attached (~65”) Put the carrying package in the
place
2 Socket 3/4"
Install the seat module (pg.14)
3 Wrench 3/4”
Adjust the height of the cabinet
and seats (pg.9 and 14)
4 Screwdriver
no.2 (square)
(Screw #10)
Or
Phillips #2
Install the fan’s covers on to the
header(pg.10 )and the header to
the cabinet (pg. 11)
5 Screwdriver
no.3 (square)
(Screw 1/4)
Or
Phillips #3
Install the header on the cabinet
(pg.11)
You can get this game at www.magic-play.eu
You can get this game at www.magic-play.eu

SPACE REQUIREMENTS
Installation
5
For installation, the required space is ~ 15’ X 10’
When fully assembled, the required space will be ~ 7.5’ X 8’
You can get this game at www.magic-play.eu
You can get this game at www.magic-play.eu

Uncrating
Installation
6
1 - Start by removing the header assem-
bly from the seat.
2- Remove the header support
3- Remove the back legs holder
4-Pull the seat out of the cabinet about 6’’
or 15cm. Then pull the 3 cables out of the
hole one by one as shown in the picture
below.
5- Remove seat assembly from the crate.
6- Remove cabinet from the crate and
move in the desired final location.
- Locate the hardware box inside of the
coin door
- You will find a description of the hard-
ware on the bag.
You can get this game at www.magic-play.eu
You can get this game at www.magic-play.eu

STEP 2. Header assembly
Install the two fan covers (right and left) to the cabinet
Header
Installation
7
Tools Fasteners Reference
Screwdriver no.2 Flat neoprene washer #10”(14X),
Screw #10-32 x 3/4”(14X)
You can get this game at www.magic-play.eu
You can get this game at www.magic-play.eu

Header
Installation
7
STEP 3. Header installation
Tools Fasteners Reference
Screwdriver no.2
(Down side, upside ) Flat neoprene washer #10”(12X), Screw #10
-32 x 3/4”(12X)
Screwdriver no.2
(right and left side fan’s cover) BAG/BIN NO: Flat neoprene washer
#14”(12X), BAG/BIN NO : Screw 1/4"-20x
3/4”(12X)
Place the header on the machine as shown
You can get this game at www.magic-play.eu
You can get this game at www.magic-play.eu

Header
Installation
7
Once connected, close & lock top door.
- Open the back service door.
- Connect the header cables. There are three connectors; one MOLEX, 9 pin and one 15 pins +
one NEMA /standard 110V.
You can get this game at www.magic-play.eu
You can get this game at www.magic-play.eu

Seat
Installation
8
Align seats for wires to easily run through hole on lower right part of
cabinet.
You can get this game at www.magic-play.eu
You can get this game at www.magic-play.eu

Fasten seats to cabinet using 6 hexagonal head screw 1/2" -13 x 4”, flat
and lock washer. Level seats using adjustable feet
Seat
Installation
8
Tools Fasteners Reference
Ratchet 3/4" Flat washer 1/2”( 6X), lock
washer 1/2 (6X), Hex. Screw
1/2”-13 x 4”( 6X)
Wrench 3/4" Levelling feet
You can get this game at www.magic-play.eu
You can get this game at www.magic-play.eu

Seat
Installation
8
Through lower right (back of cabinet) door, connect wires you ran.
(Three connectors: NEMA /standard 110V to electric box, RJ45 to
Opto board (only one with RJ45 connection) and the Molex 9 pin con-
nector to its female connector
Once plugged in, lock door.
Opto-card
Main electric box
Molex 9-pin
You can get this game at www.magic-play.eu
You can get this game at www.magic-play.eu

Installation
Installation
9
Before you connect, make sure main switch is in off position.
Connect power cord to cabinet and wall outlet.
Then turn the main switch ON
You can get this game at www.magic-play.eu
You can get this game at www.magic-play.eu

Accessing operator settings interface is done by opening the
coin mech door and pushing the micro switch attached to the
coin mech (while in attract mode only).
Operator Setting
Configuration
10
You can get this game at www.magic-play.eu
You can get this game at www.magic-play.eu

To access the statistic mode screen, press the micro switch once (or toggle micro
switch until you reach this screen).
Operator Setting
Configuration
10
1. Amount of credits inserted into game in lifetime.
2. Amount of money inserted into game in lifetime.
3. Value of one credit
4. Actuator usage time since game installed
5. Actuator usage time since game installed
6. Revenue from each movie installed
You can get this game at www.magic-play.eu
You can get this game at www.magic-play.eu

Operator Setting
Configuration
10
Use the large dash selection buttons 1 through 6 to change configurations. To
change any of the options, press the appropriate button until the desired setting is
reached. To return to a previous setting, keep toggling the button until it reaches
the end of the settings; then it will restart the settings from the beginning.
Amount of credits needed to start game. Set to 0 for free play (Press 1)
Choose to display credits or money on screen. (Press 2)
Value of one credit. (Press 3)
Sound volume in attract mode. (Press 4)
Hit the appropriate button on the header to change variables
You can get this game at www.magic-play.eu
You can get this game at www.magic-play.eu

Dollar bill validator information
Typhoon does not ship equipped with a DBV, however it is pre-wired to accept one and we
suggest the installation of one of the models below. This door accepts Mars upstacker bill
validator with compact fitted Bezel (up to 10” deep)
Accepts both bills and coins
Fitted with full metal cash box enclosure
Fitted with two $.25 U.S. Coin
FACTORY SUGGESTED PRICING PER RIDE IS $3.00
Upstacker Bill validator fits these Models amongst others
MARS 42-7312-00
MARS 42-7311-00
MARS 42-7310-00
Happ Control P/N
Configuration
11
You can get this game at www.magic-play.eu
You can get this game at www.magic-play.eu

Actuator replacement
Maintenance
12
Actuator replacement procedure
1. Unscrew the 2 bolts holding the defective seat (under foot rest)
2. Flip seat back (protect head rest by covering floor with something soft)
3. Remove cover plate between the 2 seats
4. Open cover of control box, and detach the actuators’s 2 connectors
from the
control box board (see page 38)
5. Remove front cover plate from control box
You can get this game at www.magic-play.eu
You can get this game at www.magic-play.eu

Actuator replacement
Maintenance
12
Actuator replacement procedure
6. Unscrew the 4 hex socket screws from inside the actuator positioning
hole
7. Unscrew the 5 hex socket screws attaching the actuator to the seat
frame
8. Remove actuator
9. Reverse procedure to re-reinstall new actuator
You can get this game at www.magic-play.eu
You can get this game at www.magic-play.eu

Replacing a drive assembly
Maintenance
13
Remove drive assembly from motor. Shipping a drive assembly is the
cheapest way to get the actuator repaired as you save on shipping
(weight).
You can get this game at www.magic-play.eu
You can get this game at www.magic-play.eu

Replacing a drive assembly
Maintenance
13
You can get this game at www.magic-play.eu
You can get this game at www.magic-play.eu

Remove control
box cover.
Unplug all con-
nectors.
Unscrew cable
plates.
Remove and replace control box.
A B C
Pull cables out
of box.
D
E
Replacing control box
Maintenance
14
You can get this game at www.magic-play.eu
You can get this game at www.magic-play.eu

• Software (overweight)Command OverRunFail State Goto page 36
• Software (travel)Command OverRunFail State Goto page 36
• Software (fail hall)Command OverRunFail State Goto page 41
• Software (overpos)Command OverRunFail State Goto page 41
• Software (Timeout) Goto page 38
• Command OverRunFail State Goto page 42
• Software Command OverRunFail State Goto page 40
• SYNCRONIZED No problem reported with this actuator
• SYNCRONIZING Move to box below
• NOT RESPONDING Goto page 43
Diagnostic screen and error codes
Continued
Troubleshooting
15
You can get this game at www.magic-play.eu
You can get this game at www.magic-play.eu

Cause
- Mechanical fault
-Unplug the Typhoon.
-Lift the back of each seat to see if they move freely.
DOES NOT MOVE FREELY
-Replace DRIVE ASSEMBLY
MOVES FREELY
-Re-seat actuator on side the error appeared
(diagnostic screen).
Software (overweight)
Software (overweight) Command OverRun Fail State
Software (OverPos)
Software (Travel) Command OverRun Fail State
Software (Travel)
Diagnostic screen and error codes
Continued
Troubleshooting
16
Verify coupler & tighten (see section 20).
If no change, replace whole actuator.
You can get this game at www.magic-play.eu
You can get this game at www.magic-play.eu

Cause
- Electrical fault
-Replace whole ACTUATOR on side error appears.
Section 3-3.
Software (Fail encoder)
Software (Fail Hall)
Diagnostic screen and error codes
Continued
Troubleshooting
17
You can get this game at www.magic-play.eu
You can get this game at www.magic-play.eu

Cause
- Actuators have not received data from computer for more than one minute
Software (Timeout)
-Unplug machine
-Wait 1 minutes
-Re-plug machine
Diagnostic screen and error codes
Continued
Troubleshooting
18
You can get this game at www.magic-play.eu
You can get this game at www.magic-play.eu

Cause
• Machine is sharing breaker with other devices.
• Machine is not receiving at least 115volts.
-Verify voltage
I have less then 115volts. I have more then 114volts.
Go to Step B Plug machine into other
outlet with at 115volts. If you do
not have the minimum require-
ments, call an electrician.
-Verify if machine is alone on breaker.
It is not alone It is alone
Use another breaker or unplug all other games
-Get mouse and keyboard out.
-Press ESC.
-Go to WINDOWS EPLORER.
-Copy C:\MotionTheater\Motion_Theater.log on floppy disk.
-Email file at SERVICE@TRIO-TECH.COM
-Wait 10 minutes and call Tech Support @ 1-888-465-4634
Software Command OverRun Fail State
Software
Diagnostic screen and error codes
Continued
Troubleshooting
19
B
You can get this game at www.magic-play.eu
You can get this game at www.magic-play.eu

Cause
- Mechanical, electrical and/or software fault
Coupler is in perfect condition
-Replace actuator
Coupler is loose or broken
-If coupler is loose, use HEX key to tighten.
-If coupler is broken, call Tech Support @ 1-888-465-4634 to
get replacement.
Software (overPos) Command OverRun Fail State
Software (fail hall) Command OverRun Fail State
-Remove Actuator from the side
error appears on. (Sec 3-3)
-Verify condition of Coupler
(small aluminum cylinder
Linking Drive Assembly and
Motor.
B
Diagnostic screen and error
codes
Continued
Troubleshooting
20
You can get this game at www.magic-play.eu
You can get this game at www.magic-play.eu

- When error appears as is, without the word software,
no problem is detected on this actuator.
Command OverRun Fail State
Diagnostic screen and error codes
Continued
Troubleshooting
21
You can get this game at www.magic-play.eu
You can get this game at www.magic-play.eu

Cause
- No communication or no power going to actuators.
Step 1
-Open service door on bottom
left in the back of the game.
-Look inside at Actuator
control Board.
Light is RED or GREEN (LED)
-Go to next step
No light (LED)
-Check power on board power
cord.
There is power
-Replace Actuator control board.
-Verify power output on Po-
wer Supply (top right of the
back of the game).
There is power
-Replace Power Cord between
Power Supply and Actuator
Control Board.
There is no power
-Verify power Input on Power
supply ( red LED),
There is power
-Replace Power Supply.
There is no power
-Replace Power Cord going
Not Responding
Continued next page
Diagnostic screen and error codes
Continued
Troubleshooting
21
Light is YELLOW (LED)
-Check power on board power
cord.
-Unplug power cord on board.
Disconnect network and serial
cables. Re-connect power cord.
If light is yellow replace board, if
green goto next step.
-Reconnect network cable, if light
turns yellow replace network
cable. If light is green reconnect
serial cable, if light turns yellow
replace serial cable.
You can get this game at www.magic-play.eu
You can get this game at www.magic-play.eu

Step 2 -Open service door on bottom left in back of the game.
-Look inside and test Power on Power Outlet
There is Power
-Remove seat assembly
-Connect another Power cord to Control Box (IF
EQUIPPED WITH CONTROL BOX)
-Restart computer
There is no power
-Open Outlet and repair connections.
There is Movement
-Replace Power Cord(s)
Not Responding
Diagnostic screen and error codes
Continued
Troubleshooting
22
You can get this game at www.magic-play.eu
You can get this game at www.magic-play.eu

-Get mouse and keyboard out.
-Press ESC.
-Go to WINDOWS EXPLORER.
-Copy D:\Typhoon.log on floppy disk.
-Email file at SERVICE@TRIO-TECH.COM
-Wait 10 minutes and call Tech Support @ 1-888-465-4634
Cause
- One or more Actuator is faulty, but does not generate an error in the Diagnostic
Screen.
Motion stops and restarts during ride
Troubleshooting
23
You can get this game at www.magic-play.eu
You can get this game at www.magic-play.eu

Parts
Parts
24
You can get this game at www.magic-play.eu
You can get this game at www.magic-play.eu

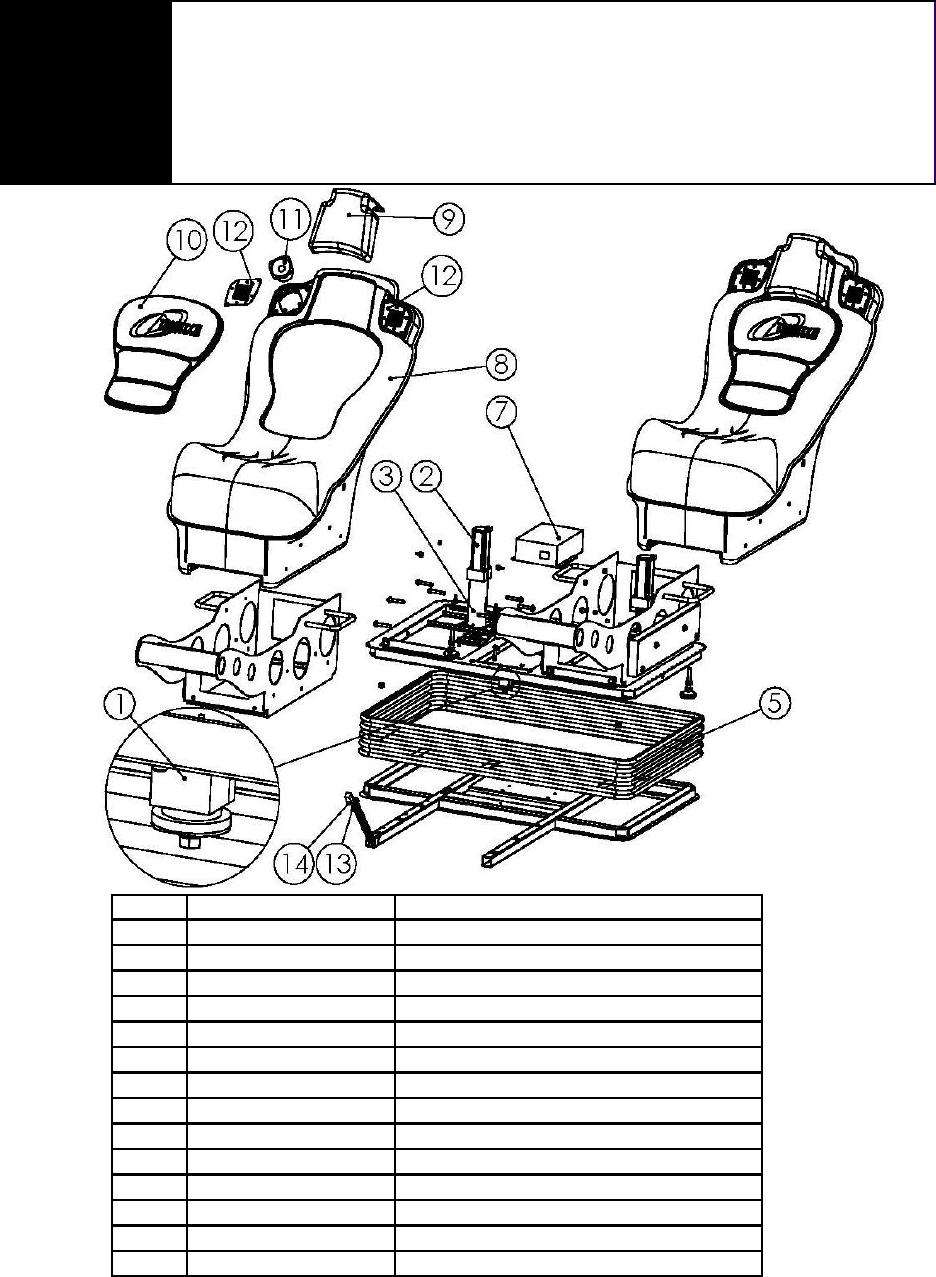
Seat assembly
Parts
25
ITEM PART NUMBER DESCRIPTION
1 SD-450-0003 PIVOT ASSEMBLY
2 SD-450-0008 ACTUATOR MOTOR AKM 24D
3 SD-450-0022 DRIVE ASSY AC10
4 SD-250-0068 ACTUATOR PLATE
5 SD-400-0010 SKIRT, RUBBER BASE
6 SD-900-0015 CAP PIVOT PISTON
7 SD-450-0013 CONTROL BOX "B"
8 SD-350-0015 FIBER GLASS SEAT
9 SD-500-0040 HEAD CUSHION
10 SD-500-0039 BACK REST CUSHION
11 SD-700-0070 3" SPEAKER ASSEMBLY
12 SD-250-0336 GRILL
13 SD-150-0019 NETWORK CABLE
14 IMT- 0151 SOUND WIRING HARNESS
You can get this game at www.magic-play.eu
You can get this game at www.magic-play.eu

Header parts
Parts
26
ITEM PART NUMBER DESCRIPTION
1 SD-400-0071 HEADER
2 SD-400-0075 FAN CASING, RIGHT
3 SD-400-0074 FAN CASING, LEFT
4 SD-700-0065 SPEAKER 5.25_2 WAY
5 SD-250-0336 CABINET SPEAKER GRILL
6 SD-150-0091 RED BUTTON
7 SD-150-0090 BLUE BUTTON
8 SD-400-0072 HEADER TOP COVER
9 SD-400-0077 FAN GRILL
10 IMT-0269 HEADER HARNESS
11 SD-650-0118 HEADER BACKLITE SIGN
12 SD-650-0117 FRON HEADER DECAL
13 SD-550-0018 NEON FIXTURE
14 IMT-0226 FAN PROTECTION
15 SD-150-0420 FAN 10" X3.5" AC115V
16 SD-400-0073 FUNNEL
You can get this game at www.magic-play.eu
You can get this game at www.magic-play.eu

Cabinet
Parts
27
ITEM PART NUM-
BER DESCRIPTION
1 SD-150-0035 COIN DOOR
2 IMT-0270 COMPUTER ASSEMBLY
3 SD-150-0098 5-12v POWER SUPPLY
4 SD-150-0297 I/O INTERFACE
5 SD-700-0117 4.1 SOUND AMPLIFIER
6 IMT-0040 ACTUATOR CONTROL BOARD
7 SD-700-0075 SUB-WOOFER 6-1/2
8 IMT-0271 WIRING HARNESS (CABINET)
9 SD-700-0129 MONITOR 42"LCD
10 SD-150-0436 BLUE LED
5 IMT-0303 BLOWER CONTROLLER
5 SD-150-0370 10A TRANSFORMER
You can get this game at www.magic-play.eu
You can get this game at www.magic-play.eu

110v CABINET ELECTRIC SCHEMATICS
Electrical
28
You can get this game at www.magic-play.eu
You can get this game at www.magic-play.eu

230v CABINET ELECTRIC SCHEMATICS
Electrical
29
You can get this game at www.magic-play.eu
You can get this game at www.magic-play.eu

110-230v HEADER ELECTRIC SCHEMATICS
Electrical
30
You can get this game at www.magic-play.eu
You can get this game at www.magic-play.eu

110-230v SEAT ELECTRIC SCHEMATICS
Electrical
31
You can get this game at www.magic-play.eu
You can get this game at www.magic-play.eu

Technical Support
190 Des Industries
Lavaltrie, Quebec
Canada J5T 3R2
1-888-IN-LINE-4
Fax: 450.586.0299
www.trio-tech.com
info@trio-tech.com
You can get this game at www.magic-play.eu
You can get this game at www.magic-play.eu

LIMITED WARRANTY
Triotech warrants to the buyer, for a period of (1) one year starting on the day of
product delivery, all parts against any manufacturer’s defect. During this warranty
period, Triotech agrees to replace defective parts. Installation costs onsite are at
the charge of the buyer.
Ground Freight costs for replacement parts are at the charge of Triotech, For the re-
turn of the defective part. The buyer agrees to send back defective parts to Trio-
tech within (30) thirty days and freight costs will be at his charge.
The warranty is limited to manufacturer’s defects.
As for parts or components not manufactured by Triotech, the only valid warranty is
that of the manufacturer’s.
Triotech assumes no liabilities for any loss of revenue, damage or inconvenience of
any type resulting from a defect of any part of the system and will not assume the
temporary replacement of the system during the period of repair.
Triotech is not liable of any late delivery of the system.
Any apparent defect or non-delivery of a part of the system shall be notified in writ-
ing within 5 days of delivery.
Defective parts covered by the warranty will be replaced at Triotech’s discretion
either by new or rebuilt parts with the same or with a replacement model of the
same parts. Warranty on replacement parts ends on the same date as the origi-
nal part warranty.
No warranty is valid if the defect is the result of a misusage, or contrary to the norms
of instruction or user manuals, or the result of improper maintenance.
Using spare parts that do not fit specifications will void the warranty. Removing
serial numbers and/or bar codes from product or component will void the
warranty.
Triotech is only liable to the replacement, in a reasonable delay, of the defective
parts.
No warranty is granted on the productivity of the system sold or on the result of its
use.
You can get this game at www.magic-play.eu
You can get this game at www.magic-play.eu
You can get this game at www.magic-play.eu
You can get this game at www.magic-play.eu
You can get this game at www.magic-play.eu
You can get this game at www.magic-play.eu