STM8S DISCOVERY User Manual
User Manual:
Open the PDF directly: View PDF .
Page Count: 18
- Figure 1. STM8S-DISCOVERY evaluation board
- 1 Quick start
- 2 Hardware and layout
- 3 Daughterboard connection
- 4 Mechanical drawing
- 5 Electrical schematics
- 6 Revision history

July 2011 Doc ID 16361 Rev 3 1/18
UM0817
User Manual
STM8S-DISCOVERY
Introduction
The STM8S-DISCOVERY is a quick start evaluation board which helps you to discover the
STM8 features, and to develop and share your own application. It is based on an STM8S105
and includes an embedded debugger, ST-LINK, and a touch sensing button. Numerous
applications are available from the STM8S-Discovery web page.
Features
■STM8S105C6T6 microcontroller, 32 KB Flash, 2 KB RAM, 1 KB EEPROM
■Powered by USB cable between PC and STM8S-DISCOVERY
■Selectable power of 5 V or 3.3 V
■Touch Sensing button, TS1
■User LED, LD1
■Extension header for all I/Os
■Wrapping area for users own application
■Embedded ST-LINK for STM8S
■USB interface for programming and debugging
■SWIM debug support
Figure 1. STM8S-DISCOVERY evaluation board
www.st.com

Contents UM0817
2/18 Doc ID 16361 Rev 3
Contents
1 Quick start . . . . . . . . . . . . . . . . . . . . . . . . . . . . . . . . . . . . . . . . . . . . . . . . . 3
2 Hardware and layout . . . . . . . . . . . . . . . . . . . . . . . . . . . . . . . . . . . . . . . . . 4
2.1 STM8S105C6T6 microcontroller . . . . . . . . . . . . . . . . . . . . . . . . . . . . . . . . 6
2.2 ST-LINK . . . . . . . . . . . . . . . . . . . . . . . . . . . . . . . . . . . . . . . . . . . . . . . . . . . 8
2.2.1 Using the ST-LINK . . . . . . . . . . . . . . . . . . . . . . . . . . . . . . . . . . . . . . . . . . 8
2.2.2 Using the ST-LINK on other STM8S applications . . . . . . . . . . . . . . . . . . 8
2.3 Power supply and power selection . . . . . . . . . . . . . . . . . . . . . . . . . . . . . . . 9
2.4 Single touch sensing . . . . . . . . . . . . . . . . . . . . . . . . . . . . . . . . . . . . . . . . 10
3 Daughterboard connection . . . . . . . . . . . . . . . . . . . . . . . . . . . . . . . . . . 11
4 Mechanical drawing . . . . . . . . . . . . . . . . . . . . . . . . . . . . . . . . . . . . . . . . 13
5 Electrical schematics . . . . . . . . . . . . . . . . . . . . . . . . . . . . . . . . . . . . . . . 14
6 Revision history . . . . . . . . . . . . . . . . . . . . . . . . . . . . . . . . . . . . . . . . . . . 17

UM0817 Quick start
Doc ID 16361 Rev 3 3/18
1 Quick start
It is very simple to get started using the STM8S-DISCOVERY, just follow these four steps:
1. Connect the STM8S-DISCOVERY to a PC with a USB cable.
2. Press the TS1 button, and observe LED LD1 blinking.
3. Press the TS1 button to change blinking speed.
4. Visit www.st.com/stm8s-discovery and follow the tutorial, then discover other
applications.
The STM8S-DISCOVERY helps you develop and share your own application.
You can discover more of the STM8S features by downloading and executing the proposed
programs in the project list.
Note: The software code corresponding to this application is available under the name Discover
in the project list of the STM8S-Discovery web page.

Hardware and layout UM0817
4/18 Doc ID 16361 Rev 3
2 Hardware and layout
The STM8S-DISCOVERY is designed around the STM8S105C6T6 microcontroller in an
LQFP48 package. It has two distinct sections that may be separated, the STM8S105C6T6
module and the ST-LINK module.
Figure 2 illustrates the connections between the STM8S105C6T6 and its peripherals (ST-
LINK, touch-sensing button, LED and connectors).
Figure 3 helps you to locate these features on the STM8S-DISCOVERY board, as well as
the potential point of separation (for more details refer to Section 2.2.2: Using the ST-LINK
on other STM8S applications).
Figure 2. Hardware block diagram
STM8S105C6T6

UM0817 Hardware and layout
Doc ID 16361 Rev 3 5/18
Figure 3. Top layout
USB connector
ST-LINK JTAG
USB data transfer LED
ST-LINK core
SWIM connector
ST-LINK module
Possible separation point
LED (LD1)
Power supply jumper
External Osc. (16 MHz)
STM8S105C6T6
Touch sensing button (TS1)
Wrapping area
SO16 footprint
STM8S105C6T6 module

Hardware and layout UM0817
6/18 Doc ID 16361 Rev 3
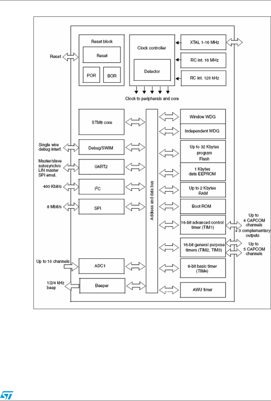
2.1 STM8S105C6T6 microcontroller
Figure 4. STM8S105C6T6 package
This device provides the following benefits:
●Reduced system cost
– Integrated true data EEPROM for up to 300 K write/erase cycles
– High system integration level; internal clock oscillators, brown-out reset, watchdog.
●Performance and robustness
– 16 MHz CPU clock frequency
– Up to 38 I/Os on a 48-pin package including 16 high sink outputs
– Robust I/O immune against current injection
– Independent watchdogs with separate clock source
– Flexible clock control, 4 master clocks (HSI, LSI, HSE and external HSE)
– Clock security system
– A family of products for applications with 2.95 V to 5.5 V operating supply
●Short development cycles
– Applications scalability across common family product architecture with
compatible pinout, memory map and modular peripherals.
– Full documentation and a wide choice of development tools
– Standard S/W library for firmware and touch sensing development quick start
– Numerous application notes and firmware examples available
●Product longevity
– Advanced core and peripherals made in state-of-the-art technology
– Low power modes (wait, active-halt, halt)
– Auto wake-up timer for active halt
– Permanently active, low consumption
●Other features
– Nested interrupt controller with 32 interrupts
– Up to 37 external interrupts on 6 vectors
– 2 x 16-bit general purpose timers; with 2+3 CAPCOM channels (IC, OC or PWM)
– Advanced control timer: 16-bit, 4 CAPCOM channels, 3 complementary outputs,
dead- time insertion and flexible synchronization
– 8-bit basic timer with 8-bit prescaler
– UART with clock output for synchronous operation, Smartcard, IrDA, LIN
– SPI interface up to 8 Mbit/s
– I2C interface up to 400 Kbit/s
– Analog-to-digital converter 10-bit, ±1 LSB ADC with up to 10 multiplexed channels
The STM8S105C6T6 8-bit microcontroller offers:
1 Kbyte true data EEPROM
32 Kbytes of Flash program memory
2 Kbytes RAM

UM0817 Hardware and layout
Doc ID 16361 Rev 3 7/18
Figure 5. STM8S105 block diagram
For more information see the STM8S105xx datasheet (Doc ID 14771) on the ST website.

Hardware and layout UM0817
8/18 Doc ID 16361 Rev 3
2.2 ST-LINK
The ST-LINK provides a USB interface for programming and debugging using a single wire
interface module (SWIM). The ST-LINK module of the STM8S-DISCOVERY also supplies
5 V and 3.3 V to the STM8S105C6T6 module.
2.2.1 Using the ST-LINK
Figure 6. Typical configuration
Note: The driver for ST-LINK is installed automatically when the USB is connected.
For information about debugging and programming features refer to ST-LINK UM0627,
UM0036 STVD and RN0011 STVP. For information about SWIM refer to UM0470.
2.2.2 Using the ST-LINK on other STM8S applications
You can connect your ST-LINK to other STM8S applications in 2 ways.
●By removing the solder bridges: This way uses the ST-LINK without breaking the PCB.
Unsolder the two solder bridges SB1 and SB2 under the SWIM connector.
See Figure 7. You can re-solder the two bridges at a later date thus keeping the
STM8S-DISCOVERY usable.
●By removing it from your board: This way constitutes a good alternative to programming
the STM8S devices in other applications. See Figure 8.
Note: This ST-LINK only supports the STM8S family. Do not use it with other STM8 families.
Figure 7. ST-LINK without breaking the PCB
Hardware requirements:
- USB cable type A to B
- Computer with Windows 2000, XP or Vista OS
ST Toolset (ST Visual Develop and ST Visual Program)
Software requirement:
which support ST-LINK SWIM
Remove SB1 and SB2 solder bridges

UM0817 Hardware and layout
Doc ID 16361 Rev 3 9/18
Figure 8. Separated ST-LINK module
Warning: By removing this module you will lose power supply on the
STM8S105C6T6 evaluation board. In consequence, you will
not be able to program and use the STM8S105C6T6 board
without a SWIM cable and an external power supply.
To reconnect your STM8S105C6T6 use connector CNn see
Section 3: Daughterboard connection.
2.3 Power supply and power selection
The power supply is provided by a USB connector. Jumper JP1 selects the VDD value (5 V
or regulated 3.3 V) see Figure 9.
Figure 9. Power selection
SWIM
STLink
STM8S105C6
eval board
STM8S105C6T6
VDD = 5 V
VDD = 3.3 V

Hardware and layout UM0817
10/18 Doc ID 16361 Rev 3
2.4 Single touch sensing
A touch sensing button TS1 is available on the STM8S-DISCOVERY (see Figure 10).
Figure 10. Touch sensing schematic
To disable the touch sensing interface and to use PC1, PC2 and PC3 as standard I/O, you
need to unsolder the 2-1 connection and solder 2-3 connection on SB4 and SB3, you also
need to unsolder the R2 resistor.
RC acquisition principle
The RC acquisition method detects a human touch on key touch sensor (TS1) by measuring
the small variation of the touch electrode capacitance. Electrode capacitance is periodically
charged and discharged through a fixed resistor (R6).
The capacitance value depends on the following parameters: electrode area (A), relative
dielectric constant of the insulator (eR), the relative permittivity of air (e0) and the distance
between the two electrodes.
For more information about touch sensing please refer to AN2927.

UM0817 Daughterboard connection
Doc ID 16361 Rev 3 11/18
3 Daughterboard connection
Four 12-pin male headers CN1, CN2, CN3 and CN4 are connected to the STM8S105C6T6
microcontroller. See the following tables for pin assignments.
Table 1. CN1 pinout
Pin number
(Cn1)
Pin number
(chip) Pin name
Type
Main function Alternate function
1 1 NRST IO Reset
2 2 OSCIN/PA1 IO Port A1
3 3 OSCOUT/PA2 IO Port A2
4 4 Vssio_1 S I/O ground
5 5 Vss S Digital ground
6 6 VCAP S 1.8V regulator capacitor
7 7 Vdd S Digital power supply
8 8 Vddio_1 S I/O power supply
99PA3IOPort A3
10 10 PA4 IO Port A4
11 11 PA5 IO Port A5
12 12 PA6 IO Port A6
Table 2. CN2 pinout
Pin number
(Cn2)
Pin number
(chip) Pin name
Type
Main function Alternate function
1 25 PE5 IO Port E5 SPI master / slave
2 26 PC1/TS1 IO Port C1 Timer 1 - channel 1 / UART2
synchronous clock
3 27 PC2/TS1_load IO Port C2 Timer 1 - channel2
4 28 PC3 IO Port C3 Timer 1 - channel 3
5 29 PC4 IO Port C4 Timer 1 - channel 4
6 30 PC5 IO Port C5 SPI clock
7 31 Vssio_2 S I/O ground
8 32 Vddio_2 S I/O power supply
9 33 PC6 IO Port C6 SPI master out / slave in
10 34 PC7 IO Port C7 SPI master in / slave out
11 35 PG0 IO Port G0
12 36 PG1 IO Port G1

Daughterboard connection UM0817
12/18 Doc ID 16361 Rev 3
*
Table 3. CN3 pinout
Pin number
(Cn3)
Pin number
(chip) Pin name
Type
Main function Alternate function
1 13 Vdda S Analog power supply
2 14 Vssa S Analog ground
3 15 PB7 IO Port B7 Analog input 7
4 16 PB6 IO Port B6 Analog input 6
5 17 PB5 IO Port B5 Analog input 5
6 18 PB4 IO Port B4 Analog input 4
7 19 PB3 IO Port B3 Analog input 3
8 20 PB2 IO Port B2 Analog input 2
9 21 PB1 IO Port B1 Analog input 1
10 22 PB0 IO Port B0 Analog input 0
11 23 PE7 IO Port E7 Analog input 8
12 24 PE6 IO Port E6 Analog input 9(2)
Table 4. CN4 pinout
Pin number
(Cn4)
Pin number
(chip) Pin name
Type
Main function Alternate function
1 37 PE3 IO Port E3 Timer 1 – break Input
2 38 PE2 IO Port E2 I2C data
3 39 PE1 IO Port E1 I2C clock
4 40 PE0 IO Port E0 Configurable clock output
5 41 PD0/LED IO Port D0 Timer 3 - channel 2
6 42 PD1/SWIM IO Port D1 SWIM data interface
7 43 PD2 IO Port D2 Timer 3 - channel 1
8 44 PD3 IO Port D3 Timer 2 - channel 2
9 45 PD4 IO Port D4 Timer 2 - channel 1
10 46 PD5 IO Port D5 UART2 data transmit
11 47 PD6 IO Port D6 UART2 data receive
12 48 PD7 IO Port D7 Top level interrupt

UM0817 Mechanical drawing
Doc ID 16361 Rev 3 13/18
4 Mechanical drawing
Figure 11. STM8S-DISCOVERY

UM0817 Electrical schematics
Doc ID 16361 Rev 3 14/18
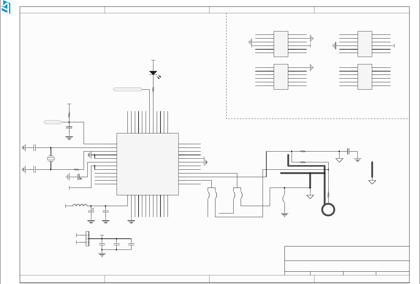
5 Electrical schematics
Figure 12. STM8S-DISCOVERY
STMicroelectronics
Title:
Numb er: Rev: Sheet of
A.1(PCB.SCH )
Date:
5/6/2009
MB867 1 3
STM8 S-Dis covery
RESET#
ST_LINK_SWIM
U_MCU
MCU.SchDoc
RESET#
ST_LINK_SWIM
U_ST_LINK
ST_L INK.SCHD OC
SB1
SB2

UM0817 Electrical schematics
Doc ID 16361 Rev 3 15/18
Figure 13. STM8S-DISCOVERY MCU
1
1
2
2
3
3
4
4
STMicroelectronics
Title:
Number: Rev: Sheet of
A.1(PCB.SCH )
Date:
8/24/2009
NRST
1
OSCIN/PA1
2
OSCOU T/PA2
3
Vssio_1
4
Vss
5
VCAP
6
Vdd
7
Vddio_1
8
PA3
9
PA4
10
PA5
11
PA6
12
Vdda
13
Vssa
14
PB7
15
PB6
16
PB5
17
PB4
18
PB3
19
PB2
20
PB1
21
PB0
22
PE7
23
PE6
24
PE5 25
PC1 26
PC2 27
PC3 28
PC4 29
PC5 30
Vssio_2 31
Vddio_2 32
PC6 33
PC7 34
PG0 35
PG1 36
PE3 37
PE2 38
PE1 39
PE0 40
PD0 41
PD1 42
PD2 43
PD3 44
PD4 45
PD5 46
PD6 47
PD7 48
U1
STM8S105C6T6
MB867 2 3
STM8S-Dis covery MCU
C4
20pF
C3
20pF
X1
16MH z
R5 60
1 2
3 4
5 6
7 8
910
11 12
CN1
Header 6X2H
12
LD1
Green
VDD
R1
510
C2
1n F
R6
10K
R4 1M
R2 10K
TS1
TS_PAD
<----ES D res ist or close t o MCU pad
<----Touch Sens ing di ameter 8mm
<----Active shield
1
2
3
JP1
U5V
+3V3 VDD
R7
10K[N/A ]
VDD
C1
10 nF
NRST
PA1
PA2
PA3
PA4
PA5
PA6
VCAP
C5
680nF
VDD
VDD
L1
BEAD C6
1uF C7
100nF
VDDA
PB0
PB1
PB2
PB3
PB4
PB5
PB6
PB7
PE0
PE1
PE2
PE3
PE5
PE6
PE7
PC1
PC2
PC3
PC4
PC5
PC6
PC7
PG0
PG1
PD0
PD1
PD2
PD3
PD4
PD5
PD6
PD7
VDD
C8
10 0nF
C9
100nF
C10
10 0nF
RESET#
ST_LINK_SWIM
1 2
3 4
5 6
7 8
910
11 12
CN3
Header 6X2H
1 2
3 4
5 6
7 8
910
11 12
CN2
Header 6X2H
1 2
3 4
5 6
7 8
910
11 12
CN4
Header 6X2H
NRST PA1
PA2
PA3 PA4
PA5 PA6
VCAP
VDDVDD
VDD A
PB0PB1
PB2PB3
PB4PB5
PB6PB7
PE6PE7
PE5 EX_PC1
PC2 EX_PC3
PC4 PC5
VDD
PC6 PC7
PG0 PG1
PE0PE1
PE2PE3
PD0 PD1
PD2 PD3
PD4 PD5
PD6 PD7
Top
Ri ghtLeft
Down
Extension connector
2
1
3
SB3
solder bridge
2
1
3
SB4
solder bri dge
EX_PC1
EX_PC3
SB5

Electrical schematics UM0817
16/18 Doc ID 16361 Rev 3
Figure 14. STM8S-DISCOVERY ST-LINK (SWIM only)
STMicroelectroni cs
Title:
Numb er: Rev: Sh
A.1(PCB.SCH )
Date:
6/25/2009
VBAT
1
PC13
2
PC14
3
PC15
4
OSC_IN
5
OSC_OUT
6
/RST
7
VSSA
8
VDDA
9
PA0
10
PA1
11
U2_TX
12
U2_RX
13
U2_CK
14
S1_CK
15
S1_MISO
16
S1_MOSI
17
PB0
18
PB1
19
PB2/BOOT1
20
PB10
21
VSS_1
23
VDD_1
24
PB12 25
PB11
22
S2_CK 26
S2_MISO 27
S2_MOSI 28
PA8 29
PA9 30
PA10 31
PA11 32
PA12 33
JTMS 34
VSS_2 35
VDD_2 36
JTCK 37
JTDI 38
JTDO 39
JNRST 40
PB5 41
PB6 42
PB7 43
BOOT0 44
PB8 45
PB9 46
VSS_3 47
VDD_3 48
U2
STM32F103C8T6
20pF
C16
20pF
C15
1 2
X2
8MHz +3V3
U2_TX
U2_RX
U2_CK
M2 5_CS
VCC 1
D- 2
D+ 3
GND 4
SHELL 0
SHELL 0
CN6
USB-typeB connector
U5V
USB_DM
USB_DP
USB_DM
USB_DP
STM_ RST
T_JTCK
T_JTCK
T_JTDO
T_JTDI
T_JTMS
+3V3
STM_JTMS
STM_JTCK
STM_JTDI
STM_JTDO
STM_JR S T
+3V3
OSC_IN
OSC_OUT
U1_TX
U1_RX
1
34
56
78
CN5
JTAG
STM_JRST
STM_JTDO
STM_JTDI STM_JTMS
STM_JTCK
T_NRST
T_JRST
LD2
RED
ST _LINK_ LED
R19
4K7
R20
4K7
AIN_1
C11
100nF
R16
100K
R18
1K5
R21 22
R22 22
R17
510
R15
100K
+3V3
+3V3
VDD
+3V3
+3V3
+3V3
SWIM
SWIM_RST
SWIM_IN
SWIM_RST_IN
SWIM _IN
SWIM _IN
SWIM _IN
SWIM
SWIM
SWIM _RST_IN
SWIM _RST
AIN_1
MCU
USB
VDD
RESET#
ST_LINK_SWIM
MB867
STM8S-Discovery ST_LINK (SWIM on ly)
R9 220
R8 220
SWIM_PULLUP_CTL
ST_LINK_ LED
+3V3
R14 47
R13 47
R12
680
C13
104P
C17
104P
C18
4.7 uF
C19
4.7 uF
Vin
3Vout 2
1
U4
LD1117-3V3
C14
104P
C12
104P
U5V
1
2
3
4
CN7
Header 4
VDD
SWIM
LED

UM0817
18/18 Doc ID 16361 Rev 3
Please Read Carefully:
Information in this document is provided solely in connection with ST products. STMicroelectronics NV and its subsidiaries (“ST”) reserve the
right to make changes, corrections, modifications or improvements, to this document, and the products and services described herein at any
time, without notice.
All ST products are sold pursuant to ST’s terms and conditions of sale.
Purchasers are solely responsible for the choice, selection and use of the ST products and services described herein, and ST assumes no
liability whatsoever relating to the choice, selection or use of the ST products and services described herein.
No license, express or implied, by estoppel or otherwise, to any intellectual property rights is granted under this document. If any part of this
document refers to any third party products or services it shall not be deemed a license grant by ST for the use of such third party products
or services, or any intellectual property contained therein or considered as a warranty covering the use in any manner whatsoever of such
third party products or services or any intellectual property contained therein.
UNLESS OTHERWISE SET FORTH IN ST’S TERMS AND CONDITIONS OF SALE ST DISCLAIMS ANY EXPRESS OR IMPLIED
WARRANTY WITH RESPECT TO THE USE AND/OR SALE OF ST PRODUCTS INCLUDING WITHOUT LIMITATION IMPLIED
WARRANTIES OF MERCHANTABILITY, FITNESS FOR A PARTICULAR PURPOSE (AND THEIR EQUIVALENTS UNDER THE LAWS
OF ANY JURISDICTION), OR INFRINGEMENT OF ANY PATENT, COPYRIGHT OR OTHER INTELLECTUAL PROPERTY RIGHT.
UNLESS EXPRESSLY APPROVED IN WRITING BY TWO AUTHORIZED ST REPRESENTATIVES, ST PRODUCTS ARE NOT
RECOMMENDED, AUTHORIZED OR WARRANTED FOR USE IN MILITARY, AIR CRAFT, SPACE, LIFE SAVING, OR LIFE SUSTAINING
APPLICATIONS, NOR IN PRODUCTS OR SYSTEMS WHERE FAILURE OR MALFUNCTION MAY RESULT IN PERSONAL INJURY,
DEATH, OR SEVERE PROPERTY OR ENVIRONMENTAL DAMAGE. ST PRODUCTS WHICH ARE NOT SPECIFIED AS "AUTOMOTIVE
GRADE" MAY ONLY BE USED IN AUTOMOTIVE APPLICATIONS AT USER’S OWN RISK.
Resale of ST products with provisions different from the statements and/or technical features set forth in this document shall immediately void
any warranty granted by ST for the ST product or service described herein and shall not create or extend in any manner whatsoever, any
liability of ST.
ST and the ST logo are trademarks or registered trademarks of ST in various countries.
Information in this document supersedes and replaces all information previously supplied.
The ST logo is a registered trademark of STMicroelectronics. All other names are the property of their respective owners.
© 2011 STMicroelectronics - All rights reserved
STMicroelectronics group of companies
Australia - Belgium - Brazil - Canada - China - Czech Republic - Finland - France - Germany - Hong Kong - India - Israel - Italy - Japan -
Malaysia - Malta - Morocco - Philippines - Singapore - Spain - Sweden - Switzerland - United Kingdom - United States of America
www.st.com