UTC4558 Datasheet. Www.s Manuals.com. Youwang
User Manual: Datasheets UTC4558.
Open the PDF directly: View PDF
.
Page Count: 5

UTC4558 LINEAR INTEGRATED CIRCUIT
YOUW ANG ELECTRONICS CO.LTD
1
DUAL OPERATIONAL
AMPLIFIER
DESCRIPTION
The UTC4558 is a monolithic integrated circuit
designed for dual operational amplifier.
FEATURES
*No frequency compensation required.
*No latch-up
*Large commom mode and differential voltage range
*Parameter tracking over temperature range
*Gain and phase match between amplifiers
*Internally frequency compensated
*Low noise input transistors
DIP-8
SOP-8
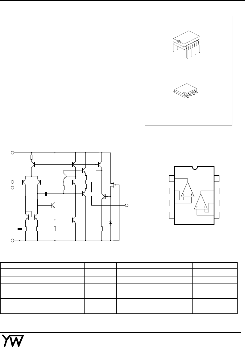
BLOCK DIAGRAM
Vcc
Vee
IN(-)
IN(+)
OUTPUT
1
2
3
4
8
7
6
5
OUT2
IN2(-)IN1(+)
Vee
Vcc
OUT1
IN1(-)
IN2(+)
ABSOLUTE MAXIMUM RATINGS
Characteristic Symbol Value Unit
Supply Voltage Vcc ±22 V
Differential input voltage VI(DIFF) ±18 V
Power Dissipation PD400 mW
Input Voltage VI±15 V
Operating Temperature TOPR 0~+70 °C
Storage Temperature TSTG -65~+150 °C

UTC4558 LINEAR INTEGRATED CIRCUIT
YOUW ANG ELECTRONICS CO.LTD
2
ELECTRICAL CHARACTERISTICS( Ta=25°C ,Vcc=15V,Vee=-15V)
Characteristic Symbol Test Condition Min Typ. Max Unit
Supply Current Icc 3.5 5.6 mA
Input offset voltage VIO Rs<10kΩ26mV
Input offset current IIO 5 200 nA
Input bias current IBIAS 30 500 nA
Large signal voltage gain Gv Vo(p-p)=10V,RL<2kΩ20 200 V/mV
Commom Mode Input Voltage
Range VI(R) ±12 ±13 V
Commom Mode Rejection Ratio CMRR Rs<10kΩ70 90 dB
Supply Voltage Rejection Ratio PSRR Rs<10kΩ76 90 dB
Output Voltage swing Vo(p-p) RL>10kΩ±12 ±14 V
Power Comsumption Pc 70 170 mV
Slew Rate SR Vi=10V,RL>2kΩ,CL<100pF 1.2 V/µs
Rise Time TRIS Vi=20mV,RL>2kΩCL<100pF 0.3 µs
Overshoot OS Vi=20mV,RL>2kΩ,CL<100pF 15 %
TYPICAL PERFORMANCE CHARACTERISTICS
10 10
2
10
36
10
Fig.3 Power bandwith(large signal
swing vs frequency)
Output Voltage (V)
Frequency (Hz)
10
4
10
5
0
4.0
8.0
12.0
16.0
20.0
24.0
28.0
32.0
Fi
g
.1 Positive output volta
g
eswin
g
vs Load
resistance
Load resistance (Ω)
10
2
10
4
10
5
10
3
1.0
3.0
5.0
9.0
11.0
13.0
15.0
7.0
Output Voltage (peak)
(V)
Fi
g
.2 Positive output volta
g
eswin
g
vs Load
resistance
Output Voltage (peak)
(V)
load resistance (Ω)
10
2
10
4
10
5
10

UTC4558 LINEAR INTEGRATED CIRCUIT
YOUW ANG ELECTRONICS CO.LTD
3
0
20
40
60
80
100
120
140
Fig. 7 Spectral Noise Density
Input Noise(nV/Hz)
Frequency Hz)
10 100 10
5
10
3
10
4
10
6
Gv=10
Rs=100kΩ
10 10
2
10
36
10
10
-1
1
10
Fig. 6 Output Noise vs Rs
Output Noise(RMS)
(mV)
Rs (Ω)
10
4
10
5
10
-2
Gv=1000
Gv=100
Gv=10
Gv=1
10 10
2
10
3
6
10
Fig. 4 Burst Noise vs Rs
Input Noise(peak)
(mV)
Rs (Ω)
10
4
10
5
1
10
10
2
10
3
BW=1.0Hz To 1.0KHz
10 10
2
10
2
6
10
Fig. 5 RMS Noise vs Rs
Input Noise(RMS)
(µV)
Rs (Ω)
10
4
10
5
0.1
1
10
10
3
0
20
40
60
80
100
120
140
Fig. 8 Open loop frequency
response
Frequency Hz)
Avd ( dB)
-20 10 100 10
5
10
3
10
4
10
6
110
7
10 100 10
5
10
3
10
4
10
6
110
7
Frequency Hz)
Fig. 9 PHASE MARGIN vs
FREQUENCY
PHASE MARGIN
0
20
40
60
80
100
120
140
160
180

UTC4558 LINEAR INTEGRATED CIRCUIT
YOUW ANG ELECTRONICS CO.LTD
4
PACKAGE DIMENSIONS
8-DIP-P-300
6.40
2.54
1.25
9.20
3.40
5.083.30
7.62
0.25
15 degree
0.46
8-SOP-P
6.00
3.95
5.72
1.95
5.13
4.92
1.27
0.41
