N5944 6V2_ii Vista50p Install
User Manual: vista50p-install
Open the PDF directly: View PDF
.
Page Count: 112 [warning: Documents this large are best viewed by clicking the View PDF Link!]

N5944-6V2 5/04 Rev A
$
$'
'(
(0
0&
&2
2
9
9,
,6
67
7$
$
6
6(
(5
5,
,(
(6
6
9
9,
,6
67
7$
$
3
3
9
9,
,6
67
7$
$
3
38
8/
/
&RPPHUFLDO%XUJODU\
3DUWLWLRQHG6HFXULW\6\VWHP
:LWK6FKHGXOLQJ
,QVWDOODWLRQDQG6HWXS*XLGH
WWW.DIYALARMFORUM.COM

ii
WWW.DIYALARMFORUM.COM

iii
Table of Contents
••••••••••••••••••••••••••••••••••••••••••••••••••
List of Figures...................................................................................................................................... v
Conventions Used in This Manual..................................................................................................... vi
SECTION 1: General Description..................................................................................................... 1-1
About the VISTA-50P/VISTA-50PUL .................................................................................................................................1-1
Features .............................................................................................................................................................................1-1
SECTION 2: Partitioning................................................................................................................... 2-1
Theory of Partitioning .........................................................................................................................................................2-1
Setting-Up a Partitioned System ........................................................................................................................................2-1
Common Lobby Logic ........................................................................................................................................................2-1
Master Keypad Setup and Operation .................................................................................................................................2-3
SECTION 3: Installing the Control ................................................................................................... 3-1
Mounting the Control Cabinet ............................................................................................................................................3-1
Installing the Cabinet Lock .................................................................................................................................................3-1
Grade A Mercantile Premises Listing Guidelines ...............................................................................................................3-1
Grade A Mercantile Safe and Vault Listing Guidelines ......................................................................................................3-2
Installing the Control’s Circuit Board ..................................................................................................................................3-2
Installing the Keypads ........................................................................................................................................................3-3
Installing External Sounders...............................................................................................................................................3-4
Telephone Line Connections .............................................................................................................................................3-6
Wiring Burglary, Panic, and Smoke Detector Devices to Zones 1-9 ..................................................................................3-6
Installing RPM Devices ....................................................................................................................................................3-12
Wireless Zone Expansion.................................................................................................................................................3-13
Installing Output Devices..................................................................................................................................................3-17
Installing the Ground Start Module...................................................................................................................................3-18
Installing a Remote Keyswitch .........................................................................................................................................3-18
Remote Keypad Sounder.................................................................................................................................................3-19
Long Range Radio Connected to the J7 Triggers............................................................................................................3-20
Installing a 4100SM..........................................................................................................................................................3-20
Installing the 4285/4286 VIP Module ...............................................................................................................................3-20
Installing the Audio Alarm Verification Module .................................................................................................................3-22
Connecting the Transformer.............................................................................................................................................3-24
Panel Earth Ground Connections.....................................................................................................................................3-25
Determining the Control’s Power Supply Load.................................................................................................................3-25
Determining the Size of the Standby Battery ...................................................................................................................3-26
SECTION 4: Programming................................................................................................................ 4-1
Program Modes..................................................................................................................................................................4-1
Entering and Exiting Programming Mode...........................................................................................................................4-1
Data Field Programming Mode ..........................................................................................................................................4-1
#93 Menu Mode Programming...........................................................................................................................................4-2
Zone Number Designations................................................................................................................................................4-4
Zone Response Type Definitions .......................................................................................................................................4-5
Zone Input Type Definitions ...............................................................................................................................................4-6
Programming for 4100SM ..................................................................................................................................................4-7
Programming for Access Control........................................................................................................................................4-7
SECTION 5: Data Field Descriptions ............................................................................................... 5-1
About Data Field Programming..........................................................................................................................................5-1
Programming Data Fields...................................................................................................................................................5-1
SECTION 6: Scheduling Options ..................................................................................................... 6-1
Time Window Definitions....................................................................................................................................................6-2
Open/Close Schedules Definitions.....................................................................................................................................6-3
Scheduling Menu Mode......................................................................................................................................................6-4
Time Windows....................................................................................................................................................................6-5
WWW.DIYALARMFORUM.COM

Table of Contents
iv
Daily Open/Close Schedules..............................................................................................................................................6-6
Holiday Schedules..............................................................................................................................................................6-6
Time-Driven Events............................................................................................................................................................6-7
Limitation of Access Schedules........................................................................................................................................6-10
Temporary Schedules ......................................................................................................................................................6-11
User Scheduling Menu Mode ...........................................................................................................................................6-12
SECTION 7: Downloading Primer .................................................................................................... 7-1
General Information ...........................................................................................................................................................7-1
Getting On-Line with a Control Panel.................................................................................................................................7-2
Direct-Wire Downloading....................................................................................................................................................7-3
Telco Handoff.....................................................................................................................................................................7-3
SECTION 8: Setting the Real-Time Clock........................................................................................ 8-1
General Information ...........................................................................................................................................................8-1
Setting the Time and Date .................................................................................................................................................8-1
SECTION 9: User Access Codes...................................................................................................... 9-1
General Information ...........................................................................................................................................................9-1
User Codes & Levels of Authority ......................................................................................................................................9-1
Multiple Partition Access ....................................................................................................................................................9-2
Adding a Master, Manager, or Operator Code ...................................................................................................................9-3
Changing a Master, Manager, or Operator Code...............................................................................................................9-4
Adding an RF Key to an Existing User ...............................................................................................................................9-4
Deleting a Master, Manager, or Operator Code .................................................................................................................9-4
Exiting the User Edit Mode.................................................................................................................................................9-4
SECTION 10: Testing the System .................................................................................................. 10-1
Battery Test......................................................................................................................................................................10-1
Dialer Test........................................................................................................................................................................10-1
Burglary Walk-Test (Code + [5] TEST).............................................................................................................................10-1
Armed Burglary System Test............................................................................................................................................10-1
Testing Wireless Transmitters..........................................................................................................................................10-2
Trouble Conditions ...........................................................................................................................................................10-3
To the Installer .................................................................................................................................................................10-3
APPENDIX A: Regulatory Agency Statements ...............................................................................A-1
UL Installation Requirements ............................................................................................................................................ A-1
UL609 Grade A Local Mercantile Premises/Local Mercantile Safe & Vault ...................................................................... A-1
UL365 Police Station Connected Burglar Alarm ............................................................................................................... A-1
UL611/UL1610 Central Station Burglary Alarm................................................................................................................. A-2
California State Fire Marshal (CSFM) and UL Residential Fire Battery Backup Requirements ........................................A-2
APPENDIX B: Summary of System Commands ............................................................................ B-1
APPENDIX C: Specifications........................................................................................................... C-1
APPENDIX D: Contact ID Event Codes........................................................................................... D-1
TABLE OF CONTACT ID EVENT CODES........................................................................................................................ D-1
Index ...........................................................................................................................................Index-1
THE LIMITATIONS OF THIS ALARM SYSTEM
LIMITED WARRANTY
WWW.DIYALARMFORUM.COM

v
List of Figures
••••••••••••••••••••••••••••••••••••••••••••••••••
Figure 3-1: Installing the Lock ..................................................................................................................................................3-1
Figure 3-2: Cabinet Attack Resistance Considerations ............................................................................................................3-2
Figure 3-3: Mounting the PC Board..........................................................................................................................................3-2
Figure 3-4: Keypad Connections to Control Panel ...................................................................................................................3-3
Figure 3-5: Using A Supplementary Power Supply ..................................................................................................................3-3
Figure 3-6: Wiring Polarized Fire Devices................................................................................................................................3-5
Figure 3-7: Wiring Nonpolarized Burglary Devices...................................................................................................................3-5
Figure 3-8: Telephone Line Connections .................................................................................................................................3-6
Figure 3-9: Wiring Connections for Zones 1-9..........................................................................................................................3-7
Figure 3-10: 2-Wire Smoke Detector on Zone 1.......................................................................................................................3-7
Figure 3-11: 4-Wire Smoke Detectors......................................................................................................................................3-8
Figure 3-12: Wiring a 333PRM to the Control ..........................................................................................................................3-9
Figure 3-13: Wiring a 333PRM using a 4204 ...........................................................................................................................3-9
Figure 3-14: Wiring a 333PRM using a 4204 and a Power Supply ........................................................................................3-10
Figure 3-15: Wiring Latching Glassbreaks to Zone 8 ..............................................................................................................3-10
Figure 3-16: Polling Loop Connections to the VISTA-50P/VISTA-50PUL..............................................................................3-12
Figure 3-17: Polling Loop Connections Using One 4297 Extender Module ...........................................................................3-12
Figure 3-18: Polling Loop Connections Using Multiple Extender Modules.............................................................................3-13
Figure 3-19: Installing the 5881ENHC with Tamper Protection...............................................................................................3-14
Figure 3-20: 5881 RF Receiver (cover removed) ...................................................................................................................3-15
Figure 3-21: 4204 Relay Module ............................................................................................................................................3-17
Figure 3-22: Ground Start Module Connections.....................................................................................................................3-18
Figure 3-23: Remote Keyswitch Wiring ..................................................................................................................................3-19
Figure 3-24: Remote Keypad Sounder Wiring........................................................................................................................3-19
Figure 3-25: 4100SM Using a Serial Printer............................................................................................................................3-20
Figure 3-26: VIP Module Connections....................................................................................................................................3-22
Figure 3-27: UVS Connections to the Control Panel..............................................................................................................3-23
Figure 3-28: 1321 Transformer and Battery Connections ......................................................................................................3-24
Figure 3-29: 1361X10 Transformer Connections ...................................................................................................................3-24
Figure 7-1: Direct-Wire Downloading Connections ..................................................................................................................7-3
WWW.DIYALARMFORUM.COM

vi
Conventions Used in This Manual
••••••••••••••••••••••••••••••••••••••••••••••••••
Before you begin using this manual, it is important that you understand the meaning of the following
symbols (icons).
UL These notes include specific information that must be followed if you are installing this system for
a UL Listed application.
These notes include information that you should be aware of before continuing with the
installation, and that, if not observed, could result in operational difficulties.
This symbol indicates a critical note that could seriously affect the operation of the system, or
could cause damage to the system. Please read each warning carefully. This symbol also
denotes warnings about physical harm to the user.
ZONE PROG?
1 = YES 0 = NO 0
Many system options are programmed in an interactive mode by responding to
alpha keypad display prompts. These prompts are shown in a single-line box.
✴00 Additional system options are programmed via data fields, which are indicated by a “star” (✴)
followed by the data field number.
PRODUCT MODEL NUMBERS:
Unless noted otherwise, references to specific model numbers represent ADEMCO products.
WWW.DIYALARMFORUM.COM

1-1
SECTION 1
General Description
••••••••••••••••••••••••••••••••••••••••••••••••••
About the VISTA-50P/VISTA-50PUL
The VISTA-50P/VISTA-50PUL is an 8-partition, UL Listed control panel with the following features:
• Supports hardwired, polling loop, and wireless zones
• Supervision of bells and RF receivers
• Scheduling capabilities (allows certain operations to be automated)
Features
Hardwire and Optional Expansion Zones
• Provides 9 hardwire zones.
• Supports up to 16 2-wire smoke detectors on zone 1.
• Triggers the built-in sounders on other hardwired smoke detectors if one smoke detector annunciates an alarm. This
feature requires a 4204 Relay Module and/or the 333PRM.
• Supports up to 50 2-wire latching glassbreak detectors on zone 8.
• Supports up to 77 additional expansion zones using a built-in polling (multiplex) loop.
• Supports up to 86 wireless zones (fewer if using hardwire and/or polling loop zones).
UL The 5881ENHC RF Receiver and the 5869 Holdup Switch Transmitter are listed for UL Commercial Burglary
applications. All other RF receivers and transmitters are not listed for UL Commercial Burglary applications.
• Provides three keypad panic keys: 1 + ✴ (A), ✴ + # (B), and 3 + # (C).
Peripherals Devices
• Supports up to 16 addressable devices, (keypads, RF receivers, relay modules, etc.).
• Provides 16 outputs using 4204 and X-10 devices. The system can activate outputs in response to system events
(alarm condition), at a specific time of day, and manually using the #70 Relay Command Mode.
• Supports the 4285/4286 VIP Module, which allows access to the system from either a remote location or on the
premises
UL The VIP Module is not Listed for use with the VISTA-50P/VISTA-50PUL Control Panel in a UL installation.
• Supports the 4146 Keyswitch on any one of the system’s 8 partitions.
Arming/Disarming and Bypassing
• Provides global arming capability (ability to arm all partitions the user code has access to in one command).
• Supports Exit Error Logic, whereby the system can tell the difference between a regular alarm and an alarm caused
by leaving an entry/exit door open. If the system is not subsequently disarmed, faulted E/E zone(s) and/or interior
zones are bypassed and the system arms.
• Supports Recent Close report, which is designed to notify the central station that an alarm has occurred within 2
minutes after the exit delay has expired.
WWW.DIYALARMFORUM.COM

VISTA-50P/VISTA-50PUL Installation and Setup Guide
1-2
Partitioning
• Can control 8 separate areas independently, each functioning as if it had its own separate control.
• Provides a Common Lobby partition, which can be programmed to arm automatically when the last partition is
armed, and to disarm when the first partition is disarmed.
• Provides a Master partition (9), used for the purpose of viewing the status of all partitions at the same time.
Scheduling
• Can automate system functions, such as arming, disarming, and activation of outputs (e.g., lights).
• Provides access schedules (for limiting system access to users by time).
• Provides an End User Output Programming Mode, allowing the user to control outputs.
Access Control
• Provides the capability to trigger a relay for two seconds by entering the user code + 0 at a keypad.
System Communication
• Supports ADEMCO Contact ID; ADEMCO High Speed; ADEMCO Express; and 3+1, 4+1, and 4+2 ADEMCO and
Sescoa/Radionics Low-Speed formats.
The system is shipped defaulted for Contact ID communication. It
is the only format capable of uniquely reporting all
86 zones, as well as openings and closings for all 75 users. This requires central stations to be equipped with the
685 receiver using software level 4.10 or higher to fully support all new VISTA-50P/VISTA-50PUL report codes. If
you need to update your 685 receiver, contact your distributor.
• Provides an Audio Alarm Verification (AAV) option that permits voice dialog between an operator at the central
station and a person at the premises. An AAV unit, such as ADEMCO UVS, is required.
Downloading
• Supports upload and download capability of program and user information.
Event Log
• Provides an event log (history log) that can store up to 224 events.
• Can print the event log on a serial printer using the 4100SM.
• Can view the event log on an alpha keypad.
Additional Features
• Provides up to 20 installer-defined, custom words that can be used for zone descriptors.
• Provides a keypad macro command (macro is a series of keypad commands of up to 16 keystrokes) using the D key
by partition.
• Provides cross-zone capability, which helps prevent false alarms by preventing a zone from going into alarm unless
its cross-zone is also faulted within a 5-minute period.
• Contains a built-in User’s Manual, which provides the end user with a brief explanation of the function of a key
when the user presses any of the function keys on the keypad for 5 seconds.
• Provides trigger outputs, which may interface with Long Range Radio equipment or other devices such as keyswitch
LEDs, printer, or pager.
At least one 2-line alpha keypad (6139/6160) must be connected to the system for programming (if you are using
keypad programming), and must remain connected to the system in order to allow the primary user to program
additional user codes into the system at a later time.
WWW.DIYALARMFORUM.COM

2-1
SECTION 2
Partitioning
••••••••••••••••••••••••••••••••••••••••••••••••••
Theory of Partitioning
This system provides the ability to arm and disarm up
to 8 different areas, as if each had its own control.
These areas are called partitions. A Partitioned system
allows the user to disarm certain areas while leaving
other areas armed, or to limit access to certain areas to
specific individuals. Each system user can be assigned
to operate any or all partitions, and can be given a
different authority level in each.
Before anything can be assigned to those partitions, you
must first determine how many partitions (1-8) are
required. Following are some facts you need to know
about partitioning.
Keypads
Each keypad must be given a unique "address" and be
assigned to one partition. It can also be assigned to
Partition 9 if Master keypad operation is desired. (See
“Master Keypad Setup and Operation” later in this
section.)
Zones
Each zone must be assigned to one partition. The zones
assigned to a partition will be displayed on that
partition's keypad(s).
Users
Each user may be given access to one or more
partitions. If a user is to operate more than one
partition and would like to arm/disarm all or some of
those partitions with a single command, the user must
be enabled for Global Arming for those partitions (when
entering user codes).
A user with access to more than one partition (multiple
access) can "log on" to one partition from another
partition's keypad, provided that program field 2*18:
Enable GOTO is enabled for each partition he/she
wants to log on to from another.
A partition can be selected as a "common lobby"
partition, and other partitions can affect this partition
by causing arming/disarming of this partition to be
automated (see “Common Lobby Logic” later in this
section).
Setting-Up a Partitioned System
The basic steps to setting up a partitioned system are
described below. If you need more information on how
to program the options, see SECTION 4: Programming.
1. Determine how many partitions the system will
consist of (programmed in field 2*00).
2. Assign keypads to partitions (Device Programming
in the #93 Menu Mode).
3. Assign zones to partitions (Zone Programming in
the #93 Menu Mode).
4. Confirm zones are displayed at the keypad(s)
assigned to those partitions.
5. Assign users to partitions.
6. Enable the GOTO feature (program field 2*18) for
each partition a multiple-access user can log on to
(alpha keypad only).
7. Program partition-specific fields (see the Data Field
Descriptions section).
Common Lobby Logic
When an installation consists of a partition shared by
users of other partitions in a building, that shared
partition may be assigned as the "common lobby"
partition for the system (program field 1*17). An
example of this might be in a medical building where
there are two doctors’ offices and a common entrance
area (see example that follows explanation).
The Common Lobby feature employs logic for automatic
arming and disarming of the common lobby. Two
programming fields determine the way the common
lobby will react relative to the status of other partitions.
They are: 1*18 Affects Lobby and 1*19 Arms Lobby.
WWW.DIYALARMFORUM.COM

VISTA-50P/VISTA-50PUL Installation and Setup Guide
2-2
1*18 Affects Lobby (must be programmed by
partition)
Setting this field to 1 for a specific partition causes that
partition to affect the operation of the common lobby as
follows:
a. When the first partition that affects the lobby is
disarmed, the lobby is automatically disarmed.
b. The common lobby cannot be armed unless every
partition selected to affect the lobby is armed.
1*19 Arms Lobby (must be programmed by
partition)
Setting this field to 1 for a specific partition causes that
partition to affect the operation of the common lobby as
follows:
a. The common lobby cannot be armed unless every
partition selected to affect the lobby is armed.
b. Arming a partition causes the system to
automatically attempt to arm the lobby. If any
faults exist in the lobby partition, or if another
partition that affects the lobby is disarmed, the
lobby cannot be armed, and the message "UNABLE
TO ARM LOBBY PARTITION" is displayed.
You cannot select a partition to "arm" the lobby
unless it has first been selected to "affect" the
lobby. Do not enable field 1*19 without enabling
field 1*18.
The following chart sums up how the common lobby
partition will operate.
1*18
Affects
Lobby
1*19
Arms
Lobby
Disarms
when
partition
disarms?
Attempts to
arm when
partition
arms?
Can be armed if
other partitions
disarmed?
0 0 NO NO YES
1 0 YES NO NO
1 1 YES YES NO
0 1 ---ENTRY NOT ALLOWED---
Example
Here is an example of how the lobby would react in a
typical setup.
OFFICE 1 OFFICE 2
MAIN ENTRANCE
COMMON LOBBY
V128BP-001-V0
User #1 has access to Office #1 and the Common Lobby.
User #2 has access to Office #2 and the Common Lobby.
Office #1 is set up to affect the Common Lobby, but not
arm it.
Office #2 is set up to affect and arm the Common Lobby.
NOTE: In the tables below, the notations in
parentheses ( ) indicate the current status of the other
partition when the user takes action.
Sequence #1:
Office 1 Office 2 Lobby Action
User #1: Disarms (Armed) Disarms
User #2: (Disarmed) Disarms No Change
User #1: Arms (Disarmed) No change
User #2: (Armed) Arms Arms
Sequence #2:
Office 1 Office 2 Lobby Action
User #2: (Armed) Disarms Disarms
User #1: Disarms (Disarmed) (No change)
User #2: (Disarmed) Arms No Change
User #1: Arms (Armed) No Change
Notice that in sequence #1, because Office #2 was the
last to arm, the lobby also armed (Office #2 is
programmed to affect and arm the lobby). In sequence
#2, the lobby could not arm when Office #2 armed,
because Office #1, which affects the lobby, was still
disarmed.
When Office #1 armed, the lobby still did not arm
because Office #1 was not programmed to arm the
lobby. User #1 would have to arm the lobby manually.
Therefore, you would want to program a partition to
affect and arm the lobby if the users of that partition
are expected to be the last to leave the building.
How User Access Codes Affect the Common Lobby
Codes with Global Arming
If a code is given "global arming" when it is defined (see
SECTION 9: User Access Codes), the keypad prompts
the user to select the partitions they want to arm. Only
the partitions the user has access to are displayed. This
allows the user to choose the partitions to be armed or
disarmed, and so eliminates the "automatic" operation
of the lobby. Keep in mind, however, that if a user
attempts to arm all, and another "affecting" partition is
disarmed, the user cannot arm the lobby, and the
message "UNABLE TO ARM LOBBY PARTITION" is
displayed.
Codes with Non-Global Arming
If a user arms with a non-global code, the lobby
partition operation is automatic, as described by fields
1*18 and 1*19.
WWW.DIYALARMFORUM.COM

Section 3 - Installing the Control
2-3
Other Methods of Arming/Disarming
Common Lobby logic remains active when arming or
disarming a partition that affects and/or arms the
common lobby in one of the following manners:
• Quick-Arm
• Keyswitch
• Wireless Button
• Wireless Keypad
Arming/Disarming Remotely
The lobby does not automatically arm or disarm if a
user arms or disarms remotely, via Compass
downloading software. The lobby must be armed
separately, after arming all affecting partitions first.
Auto-Arming/Disarming
If scheduling is used to automatically arm and/or
disarm partitions, the common lobby partition does not
automatically follow another partition that is
programmed to arm or disarm the lobby.
The lobby must be included as a partition to be
armed/disarmed and must be scheduled as the last
partition armed.
If you are using auto-arming, make sure that
the Auto-Arm Delay and Auto-Arm Warning
periods, for the lobby partition, (fields 2*05 and
2*06) combined are longer than that of any
other partition that affects the lobby. This
causes the lobby to arm last.
Master Keypad Setup and Operation
Although this system has eight actual partitions, it
provides an extra partition strictly for the purpose of
assigning keypads as Master keypads for the system.
Assigning any keypad to Partition 9 in Device
Programming in the #93 Menu Mode makes that
keypad a Master keypad. A Master keypad reflects the
status of the entire system (Partitions 1-8) on its
display at one time. This is useful because it eliminates
the need for a building security officer to have to log on
to various partitions from one partition’s keypad to find
out where an alarm has occurred.
The following is a typical display:
S Y S T E M 1 2 3 4 5 6 7 8
S T A T U S R R N N A 7 B
Possible status indications include:
A = Armed Away S = Armed Stay M = Armed Maximum
I = Armed Instant R = Ready N = Not Ready
B = Bypassed/Ready ✴ = Alarm/Trouble
To obtain more information regarding a particular
partition, enter [✴] + Partition No. (e.g., [✴] + [4]). This
allows viewing only of that partition. In order to affect
that partition, the user must use a code that has access
to that partition. Also, in order for a user of any
partition to log on to Partition 9 to view the status of all
partitions, that user must have access to all partitions.
Otherwise, access is denied.
The following is displayed for a fault condition on Zone
2 (Loading Dock Window) on Partition 1 (Warehouse)
when a user logs on from a keypad on Partition 9:
WHSE DISARMED
HIT 7FOR FAULTS
Pressing [✴] causes the following display to appear at
Partition 1’s keypad(s):
FAULT 002 LOADING
DOCK WINDOW
Additional zone faults are displayed one at a time. To
display a new partition’s status, press [✴] + Partition
No.
The Armed LED on a Master keypad is lit only if all
partitions have been armed successfully. The Ready
LED is lit only if all partitions are "ready to arm."
Neither LED is lit if only some partitions are armed
and/or only some partitions are ready.
Press [✴] + [0] or [✴] + [9] to return to the master
partition. Otherwise, if no keys are pressed for 2
minutes, the system automatically returns to the
master partition
The sounder on a Master keypad reflects the sound of
the most critical condition on all of the partitions. The
priority of the sounds, from most to least critical, is as
follows:
1. Pulsing fire alarm sounds
2. Steady burglar alarm sounds
3. Trouble sounds (rapid beeping)
Silence the sounder by pressing any key on the Master
keypad or a keypad on the partition where the condition
exists.
A Master keypad uses the same panics as
Partition 1. Master keypad panics are sent to
Partition 1, and will activate on Partition 1.
Therefore, panics must be programmed for
Partition 1.
WWW.DIYALARMFORUM.COM

VISTA-50P/VISTA-50PUL Installation and Setup Guide
2-4
WWW.DIYALARMFORUM.COM

3-1
SECTION 3
Installing the Control
•••••••••••••••••••••••••••••••••••••••••••••••••
This section describes the procedures for mounting and wiring the control panel and all the peripheral devices.
Mounting the Control Cabinet
To mount the control cabinet, perform the following steps:
Step Action
1 Before mounting the circuit board, remove the metal knockouts for the wiring entry that you will be using.
DO NOT ATTEMPT TO REMOVE THE KNOCKOUTS AFTER THE CIRCUIT BOARD HAS BEEN
INSTALLED.
2 Using fasteners or anchors (not supplied), mount the control cabinet to a sturdy wall in a clean, dry area
that is not readily accessible to the general public. The back of the cabinet has 4 holes for this purpose.
UL
To provide certificated burglary service for UL installations, refer to the special requirements and Figure 3-2
Cabinet Attack Resistance Considerations to follow. For UL Commercial Burglary installations that require
ATTACK RESISTANCE, use the cabinet included in the VISTA-ULKT kit.
Installing the Cabinet Lock
1. Remove cabinet door, then remove the lock
knockout from the door. Insert the key into the
lock.
2. Position the lock in the hole, making certain
that the latch will make contact with the latch
bracket when the door is closed.
3. When correctly positioned, push the lock until
it is held securely by its snap tabs.
Use a Part Number K4445 Lock (supplied).
CABINET DOOR
BOTTOM
LOCKED
UNLOCKED
cab_lock_snap-001-V0
ADEMCO
ADEMCO
PUSH
SNAP
TAB
SNAP
TAB
PUSH
ON LOCK
UNTIL IT
IS SEATED
SECURELY
STEP 2STEP 1
CHECK
POSITION
Figure 3-1: Installing the Lock
Grade A Mercantile Premises Listing Guidelines
• The panel door must be supervised. Mount the
clip-on tamper switch (supplied) to the cabinet’s
right side wall as shown in the diagram below, and
wire it to one of the hardwire zones.
• Use a bell with a tamper-protected housing such as
the AB12. The bell housing’s tamper switch and
inner tamper linings must also be wired to the
hardwire zone.
• Assign the tampers’ hardwire zone to a burglary
partition. Program the hardwire zone for day
trouble/night alarm (zone type 5) when only one
burglary partition is used. Program it for 24-hr.
audible alarm (zone type 7) when more than one
burglary partition is used.
• All wiring between the bell and panel must be run
in conduit. Remaining wires do not need to be run
in conduit.
• All wiring that is not run in conduit must exit from
the knockout openings on the bottom or back of the
cabinet.
• All unused knockouts must be plugged using the
disc plugs and carriage bolts (supplied), as
indicated in the diagram below.
• Fasten the cabinet door to the cabinet backbox
using the 18 one-inch-long Phillips-head screws
(supplied) after all wiring, programming, and
checkout procedures have been completed.
WWW.DIYALARMFORUM.COM

VISTA-50P/VISTA-50PUL Installation and Setup Guide
3-2
PC
BOARD
(Shows typical local Grade A listing installation)
RUN BELL WIRES
IN CONDUIT
PLUG THIS
KNOCKOUT
PLUG THIS
KNOCKOUT
PLUG THIS
KNOCKOUT
PLUG THIS
KNOCKOUT
RUN ALL REMAINING
WIRE THROUGH HERE
CLIP-ON DOOR
TAMPER SWITCH
CABINET
MOUNTING
HOLE
(4 PLACES)
TO PLUG AN UNUSED KNOCKOUT OPENING,
REMOVE KNOCKOUT AND INSTALL A PAIR OF
DISC PLUGS AND A CARRIAGE BOLT AS SHOWN.
KNOCKOUT
OPENING
HEX NUT AND
WASHER
DISC PLUGS (DIMPLES IN DISC
PLUG SHOULD REGISTER INSIDE
KNOCKOUT OPENING)
CARRIAGE BOLT
CABINET SIDE WALL
(OUTSIDE)
cabattack-001-V0
Figure 3-2: Cabinet Attack Resistance Considerations
Grade A Mercantile Safe and Vault Listing Guidelines
• Follow the guidelines given above for Grade A
Mercantile Premises listing.
• Mount a shock sensor such as Sentrol No. 5402 to
the control’s backbox. Follow the manufacturer’s
instructions for proper sensor mounting. This
sensor also must be wired to a hardwire zone.
• For safe and vault applications, a UL Listed
contact must be used inside the cabinet through
one of the knockouts for pry-off tamper purposes.
This sensor also must be wired to a hardwire zone.
Installing the Control’s Circuit Board
To install the circuit board in the cabinet, perform the
following steps:
Step Action
1 Hang the three mounting clips on the raised
cabinet tabs. Refer to Figure 3-3 (Detail B).
Make sure the clip orientation is exactly as
shown in the diagram to avoid damage. This
will also avoid problems with insertion and
removal of the PC board.
2 Insert the top of the circuit board into the slots
at the top of the cabinet. Make certain that the
board rests in the slots as indicated (Detail A).
3 Swing the base of the board into the mounting
clips and secure the board to the cabinet with
the accompanying screws.
Notes:
• Make certain that the mounting screws are tight.
This ensures that there is a good ground connection
between the PC board and the cabinet.
• Dress field wiring away from the microprocessor
(center) section of the PC board. Use the loops on
the left and right sidewalls of the cabinet for
anchoring field wiring using tie wraps (Detail C).
These steps are important to minimize the risk of
panel RF interference with television reception.
+
+
+
DETAIL C
SIDE VIEW
OF SLOTS
DETAIL A
SIDE VIEW OF
BOARD INSERTED
INTO SLOTS
DETAIL B
SIDE VIEW OF SHORT
MOUNTING CLIPS
(TYP.)
hi_end_mnt-PCB
Figure 3-3: Mounting the PC Board
WWW.DIYALARMFORUM.COM

Section 3 - Installing the Control
3-3
Installing the Keypads
• Up to 16 addressable keypads (addresses 00-30)
may be used (you may need to use an auxiliary
power supply if the 750mA aux. output is
exceeded). The following keypads may be used:
• 2-line alpha display, 6139/6160
• The length of all wire runs combined,
regardless of the wire gauge, must not
exceed 2000 feet when unshielded quad
conductor cable is used (1000 feet if
unshielded cable is run in conduit, which
acts a shield, or if shielded cable is used).
• If more than one keypad is wired to one run,
then the above maximum lengths must be
divided by the number of keypads on the run
(e.g., the maximum length is 225 feet if two
keypads are wired on a #22 gauge run).
To wire the keypads, perform the following steps:
Step Action
Determine wire gauge by referring to the
Wire Run Length/Gauge table below.
Wire Run Length/Gauge Table
Wire Gauge Length
#22 gauge 450 feet
#20 gauge 700 feet
#18 gauge 1100 feet
#16 gauge 1750 feet
1
2 Wire keypads to a single wire run or connect
individual keypads to separate wire runs.
The maximum wire run length from the
control to a keypad, which is homerun back
to the control must not exceed the lengths
listed in the table.
3 Run field wiring from the control to the
keypads (using standard 4-conductor cable
of the wire gauge determined in step 1).
4 Connect the keypad(s) to terminals 6, 7, 8,
and 9 on the control board, as shown in
Figure 3-4.
KEYPADS
BLACK
RED
GREEN
YELLOW
CONTROL
TERMINALS
6
7
8
9
Figure 3-4: Keypad Connections to Control Panel
Addressing the Keypads
The keypads will not operate until they are
physically addressed and enabled in the
system’s Device Programming in the #93 Menu
Mode.
Set each keypad for an individual address (00-30)
according to the keypad’s instructions. Set an alpha
keypad for address 00 and other keypads for higher
addresses Each keypad must be set for a different
address.
• Do not set any keypads to address 31
(nonaddressable mode). They will interfere
with other keypads (as well as other devices)
connected to the keypad terminals.
• If an “OC” or “OPEN CIRCUIT” message is
present on a keypad, data from the control is
not reaching the keypad. Please check your
wiring.
Supplementary Power Supply for Additional Keypads
When the control’s auxiliary power load for all devices
exceeds 750mA, you can power additional keypads from
a regulated 12VDC power supply (e.g., AD12612
(1.2A)). Use a UL Listed, battery-backed supply for UL
installations.
Connect the additional keypads as shown in Figure 3-5,
using the keypad wire colors shown. Be sure to observe
the current ratings for the power supply used.
• Make connections directly to the screw
terminals as shown in Figure 3-5. Make no
connection to the keypad blue wire (if
present).
• Be sure to connect the negative (–) terminal
on the power supply unit to terminal 7 (–) on
the control.
+
–
+
678 9
SUPPLEMENTARY
POWER SUPPLY
–
CONTROL TERMINAL STRIP
AUX. AUX. DATA
IN
DATA
OUT
IMPORTANT:
MAKE THESE
CONNECTIONS
DIRECTLY TO
SCREW
TERMINALS AS
SHOWN.
RED WIRE
BLACK WIRE
YELLOW WIRE
GREEN WIRE
BLACK WIRE
RED WIRE
GREEN WIRE
YELLOW WIRE
pwr_supply-002-V0
TO
MAIN
KEYPAD
TO
SECONDARY
KEYPAD
Figure 3-5: Using A Supplementary Power Supply
WWW.DIYALARMFORUM.COM

VISTA-50P/VISTA-50PUL Installation and Setup Guide
3-4
Installing External Sounders
The VISTA-50P/VISTA-50PUL provides a bell circuit
output for operating fire and burglary alarm
notification appliances. The alarm output is rated as
follows: 10VDC – 14VDC, 1.7A max, power-limited.
UL • For Household Fire and combination
Household Fire/Burglary installations, the
total current drawn from the auxiliary power,
polling loop, and alarm output combined
must not exceed 750mA.
• For Household Burglary installations, the
total current drawn from the alarm output
must not exceed 1.7A. A battery must be
installed, as it supplies the current for the
combined auxiliary power, polling loop, and
alarm output in excess of 750mA.
The output has the following options:
• Selectable for supervision.
• Selectable for confirmation of arming ding.
• Selectable to chime when entry/exit or perimeter
zones are faulted.
• Selectable for no timeout or timeout of 2-30
minutes.
UL Burglary bell circuits must be programmed for a
timeout of 16 minutes or longer.
UL985 Household Fire or Combination Household
Fire/Burglary Installations
For installations that must provide UL Listed
protection, the total combined current drawn from the
alarm output, auxiliary power output, and polling loop
must not exceed 750mA in order to comply with the
battery independence requirements. If, for example,
two System Sensor PA400 piezo alarm sounders, wired
in parallel, are used (24mA total), then 726mA (750mA
– 24mA) is available for auxiliary output and polling
loop use.
UL1023 Household Burglary Installations
For Household Burglary installations, the total current
drawn from the alarm output must not exceed 1.7A. A
battery must be installed, as the battery supplies
current from the combined auxiliary power, polling
loop, and alarm output in excess of 750mA.
Non-UL Installations
For non-UL installations, the total current drawn from
this output can be up to 1.7 amps. A battery must be
installed, as the battery supplies current in excess of
750mA. Up to two 719 sirens can be used wired in
parallel.
UL This control complies with National Fire
Protection Association (NFPA) requirements for
temporal pulse sounding of fire notification
appliances.
Alarm Output Supervision
When supervision is enabled, the VISTA-50P/VISTA-
50PUL monitors the alarm output wiring for open and
short circuit faults while the output is inactive. The
system provides a trouble indication (Zone 98) when an
open occurs; or when a short occurs between the Bell (+)
and Bell (-) terminal wiring, or between the Bell (+)
terminal wiring and earth ground.
The VISTA-50P/VISTA-50PUL indicates the trouble
condition regardless of whether the system is armed or
disarmed. The zone displays on the keypads, reports to
the event log, and transmits to the central station (if
programmed) on Partition 1. The Contact ID event code
is 321, Bell Trouble. The trouble is cleared from the
display by entering the user code + OFF.
Wiring the Alarm Output
The wiring of the alarm output depends upon whether
you are going to supervise the output or not. Use the
appropriate procedure below for your application.
UL Use only UL Listed sounding devices for UL
installations.
Compatible Alarm Indicating Devices
Model Number Device Type Polarizing
Diode
719 Compact Outdoor Siren
(not UL Listed)
Yes
747 Indoor Siren Yes
AB12 Grade A Bell Yes
System Sensor
MA 12/24D
Fire Piezo Horn No
System Sensor
P12575
Fire Horn/Strobe No
Wheelock
AS-121575W
Fire Horn/Strobe No
WWW.DIYALARMFORUM.COM

Section 3 - Installing the Control
3-5
ALARM SOUNDER OUTPUT:
1-VDC - 13.8VDC
1.7A MAXIMUM
BELL
HORN
7
6
+-
+-8
3
124
fire_devices-001-V0
5
Figure 3-6: Wiring Polarized Fire Devices
PANEL BELL
PANEL BELL
TO
OTHER
DEVICES
NONPOLARIZED BURGLARY
INDICATING DEVICES
POLARIZED FIRE
INDICATING DEVICE
POLARIZING DIODES
(MUST MOUNT AT INDICATING DEVICE)
BELL BELL
HORN
non_polar_devices
Figure 3-7: Wiring Nonpolarized Burglary Devices
Supervising the Alarm Output
To wire the alarm output using the supervision feature,
perform the following steps:
Step Action
1 Wire polarized fire-indicating devices to the
alarm output as shown in Figure 3-6.
2 Wire nonpolarized burglary indicating
devices to the alarm output using a polarizing
diode (two 2A diodes supplied), as shown in
Figure 3-7.
3 Program Zone 98 with a response type of 05
(trouble by day/alarm by night).
The minimum load on the alarm output must
exceed 5mA at 12V for proper supervision
operation.
Using a Siren Driver
To install a siren driver, perform the following steps:
Step Action
1 Mount the siren driver in the panel’s cabinet.
2 Wire the siren driver to the control and to the
speaker(s). (See the driver’s instructions.)
3 Cut the blue jumper on the upper left-hand
corner of the panel’s PC board.
4 Program Zone 98 with no response type (00).
UL If a device such as a siren driver with a high-
resistance trigger input (drawing less than 5mA)
is used in a UL Household Fire installation, the
siren driver must independently supervise siren
speaker wiring.
Disabling the Supervision of the Alarm Output
To install the alarm output and disable the supervision
feature, perform the following steps:
Step Action
1 Wire the devices to terminals 4 and 5,
observing polarity if necessary.
2 Cut the blue jumper on the upper left-hand
corner of the panel’s PC board.
3 Program Zone 98 with no response type (00).
WWW.DIYALARMFORUM.COM

VISTA-50P/VISTA-50PUL Installation and Setup Guide
3-6
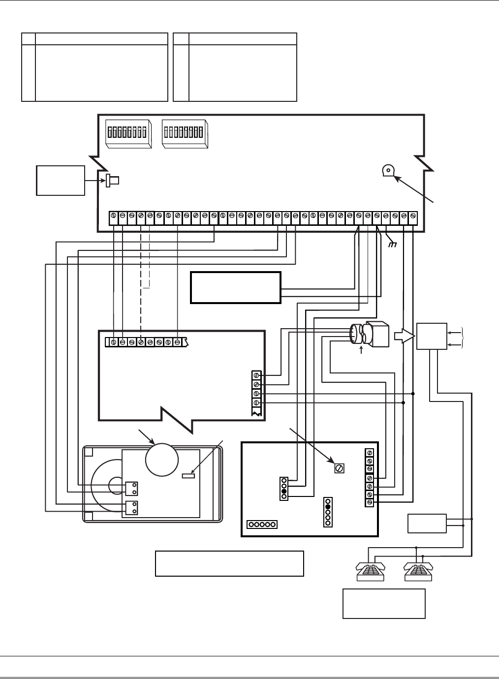
Telephone Line Connections
Connect the main dialer output to telephone company
lines using the RJ31X cables supplied.
UL The telephone line inputs have overvoltage
protection in accordance with UL1459, as
specified in UL985/UL1023.
The system is shipped defaulted for Contact ID
format. It is the only format capable of uniquely
reporting all 86 zones, as well as openings and
closings for all 75 users. This requires central
stations to be equipped with the 685 receiver
using software level 4.10 or higher. If you need
an update, contact your distributor.
To prevent the risk of shock, disconnect
phone lines at the telco jack before servicing.
If the communicator is connected to a PABX,
be sure it has a backup power supply that can
support the PABX for 24 hours (central
station) or 60 hours (remote station). Many
PABXs are not power-backed up, and this can
result in a communication failure if power is
lost.
Reporting Formats
The system supports the following formats:
ADEMCO Low Speed 3+1; 4+1; 4+2; Sescoa/Radionics
3+1; 4+1; 4+2; ADEMCO 4+2 Express; ADEMCO High
Speed; ADEMCO Contact ID
TERMINALS
ON CONTROL
EARTH GROUND
INCOMING TELCO LINE
Handset
TIP
RING
RJ31X
JACK
PLUG
DIRECT
CONNECT
CORD
TIP
RING
GROUND
PREMISES
PHONES
{
{
BROWN (TIP)
GREY (RING)
GREEN (TIP)
RED (RING)
26 27 28 29 30
Incoming
Telco Line
Figure 3-8: Telephone Line Connections
Wiring Burglary, Panic, and Smoke Detector Devices to Zones 1-9
The maximum zone resistance is 100 ohms for
zones 1 and 8, and 300 ohms for all other
zones (excluding the 2K EOL resistor).
To wire burglary and panic devices to zones 1-9, connect
sensors/contacts to the hardwire zone terminals (10
through 23). See Figure 3-9. Connect N.C. and N.O.
devices as follows:
• Connect N.C. devices in series with the high (+)
side of the loop. The 2K EOL resistor must be
connected in series with the devices, following the
last device.
• Connect N.O. devices in parallel (across) the loop.
The 2K EOL resistor must be connected across the
loop wires at the last device.
WWW.DIYALARMFORUM.COM

VISTA-50P/VISTA-50PUL Installation and Setup Guide
3-7
++
-
N.C. N.C.
N.O.
2k EOLR 2k EOLR
+-
++
-
N.C. N.C.
2k EOLR 2k EOLR
++
-
N.C.
++
-
N.C. N.C.
2k EOLR
SMOKE
Zone resistance (Excluding EOLR):
ZONE 1,8: 100 OHMS MAXIMUM
ALL OTHER ZONES: 300 OHMS MAXIMUM
ZONE 1
ZONE 2 ZONE 3 ZONE 4 ZONE 5 ZONE 6 ZONE 7 ZONE 8 ZONE 9
2-WIRE SMOKE
DETECTOR LOOP
(Also supports NO/NC Burg contacts)
Programmable Response
(Fast/Normal) Loop
LATCHING TYPE GLASS
BREAK DETECTORS
10 11 12 13 14 15 16 17 18 19 20 21 22 23
N.C.
N.O.
N.O. N.O.
2k EOLR
N.O. N.O.
N.O.
N.C.
N.O.
2k EOLR 2k EOLR
N.C.
GLASS
BREAK
Fire
Usage
Burg.
Usage
Red Jumper
Zone response time:
ZONES 1-8: 350mSec-500mSec
ZONE 9: Programmable for
Fast: 10mSec-15mSec
Normal: 350mSec-500mSec
(default response)
hw_zones-001-V0
Figure 3-9: Wiring Connections for Zones 1-9
Using 2-Wire Smoke Detectors on Zone 1
Zone 1 can support up to 16 2-wire smoke detectors.
The alarm current on zone 1 supports only one
smoke detector in the alarmed state.
Compatible 2-Wire Smoke Detectors
DETECTOR TYPE DEVICE MODEL #
Photoelectric, direct-wire System Sensor 2400
Photoelectric w/heat sensor, direct-wire System Sensor 2400TH
Photoelectric w/B401B base System Sensor 2451
Photoelectric w/heat sensor & B401B System Sensor 2451TH
Ionization, direct-wire System Sensor 1400
Ionization w/B401B base System Sensor 1451
Photoelectric duct detect (DH400 base) System Sensor 2451
Photoelectric duct detect (DH400 base) System Sensor 2451
Ionization duct detector (DH400 base) System Sensor 1451DH
Ionization, direct-wire System Sensor 1100
Ionization w/B110LP base System Sensor 1151
Photoelectric, direct-wire System Sensor 2100
Photoelectric w/heat sensor, direct-wire System Sensor 2100T
Photoelectric w/B110LP base System Sensor 2151
UL
These smoke detectors are UL Listed for use
with the VISTA-50P/VISTA-50PUL and are
the only 2-wire smoke detectors that may be
used.
Wiring 2-Wire Smoke Detectors to Zone 1
2K EOL resistors must be used on fire zones
and must be connected across the loop wires
of each zone at the last detector.
To wire 2-wire smoke detectors to zone 1, perform the
following steps:
Step Action
1 Select up to 16 2-wire smoke detectors from
the list of compatible detectors.
2 Connect 2-wire smoke detectors across zone 1
terminals (10 and 11) as shown in Figure 3-
10. Observe proper polarity when connecting
the detectors.
3 Connect the EOL resistor at the last detector
in the loop across the zone 1 terminals. The
EOL resistor must be connected across
the loop wires at the last detector.
2k EOLR
ZONE 1
SMOKE
(+)
(-)
2-WIRE SMOKE
DETECTOR
10
11
(+)
(-)
Figure 3-10: 2-Wire Smoke Detector on Zone 1
WWW.DIYALARMFORUM.COM

VISTA-50P/VISTA-50PUL Installation and Setup Guide
3-8
Using 4-Wire Smoke Detectors on Zones 1-8
You may use as many 4-wire smoke detectors as can be
powered from the panel’s Auxiliary Power output
without exceeding the output’s rating (750mA).
Auxiliary power to 4-wire smoke detectors is
not automatically reset after an alarm, and
therefore must be momentarily interrupted
using either the J7 smoke detector reset output
trigger or a 4204 Relay Module.
Compatible 4-Wire Smoke Detectors
Use any UL Listed 4-wire smoke detector that is rated
for 10-14VDC operation and that has alarm reset time
not exceeding 6 seconds. Some compatible 4-wire
smoke detectors are listed below.
Detector Type Detector Model #
Photoelectric, direct wire System Sensor 2412
Photoelectric w/heat
sensor, direct wire
System Sensor 2412TH
Ionization, direct wire System Sensor 1412
Wiring 4-Wire Smoke Detectors
UL Power to 4-wire smoke detectors must be
supervised with an EOL device (use a System
Sensor A77-716B EOL relay module
connected as shown in Figure 3-11).
To wire 4-wire smoke detectors to zones 1-8, perform
the following steps:
Step Action
1 Select 4-wire smoke detectors (see list of
compatible detectors shown previously in
this section).
2 Connect detectors (including heat detectors,
if used) across terminals of the zone selected.
All detectors must be wired in parallel. See
Figure 3-11.
3 Connect the EOLR at the last detector in the
loop across the zone’s terminals. You must
connect the EOLR across the loop wires
at the last detector.
+
+
+
+
+
HEAT
DETECTOR
4-WIRE
SMOKE
DETECTORS
V128BP-002-V0
NO CONNECTION
CNC NO RESET
RELAY 1, 2, 3, OR 4
4204 RELAY MODULE
NOTES:
· PROGRAM THE RELAY TO
TRANSFER ON FIRE ZONE
RESET (ACTIVATION CODE 54).
SEE 4204 RELAY MODULE
SECTION FOR DETAILS.
· SECOND CODE AND OFF
ENTERED AT CONSOLE
MOMENTARILY INTERRUPTS
DETECTOR POWER.
SHOWN POWERED.
RELAY OPENS WHEN
POWER IS LOST.
EOL POWER
SUPERVISION
RELAY MODULE
A77-716B
2k
EOLR
TO
FIRE ZONE
TERMINALS
TO
AUXILIARY
POWER
TERMINALS
Figure 3-11: 4-Wire Smoke Detectors
Using Smoke Power Reversal Module
The 333 PRM Polarity Reversing Module is used to
reverse the polarity of the positive and negative
voltages powering smoke detectors. The module is for
use with 4-wire smoke detectors that employ a sounder
and voltage-reversing feature. The module is triggered
by a pulsing bell output.
Smoke Detectors Compatible with the 333PRM
The 333PRM may be used with the System Sensor
2112/24AT and similar models with the required
operating features previously stated.
The 333PRM reverses polarity to smoke detectors
with Integral Temp-3 Sounders. Typically, in
alarm, each draws 49-60mA of current. The
control panel supplies only enough current for one
smoke detector. In order to attach more than
one, an external power supply and an external
relay may be required.
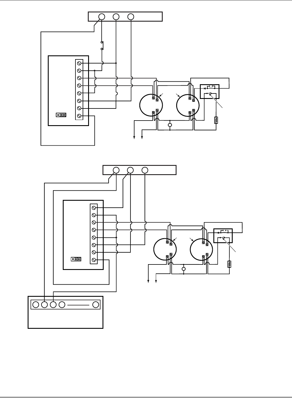
Installing the 333 PRM
Mount the 333 PRM inside the control panel’s cabinet
or in a separate cabinet using the double-sided tape
provided. Wire the 333PRM as shown in Figures 3-12,
3-13, or 3-14. Refer to the 333PRM Installation
Instructions for detailed information on the installation
of the module.
WWW.DIYALARMFORUM.COM

VISTA-50P/VISTA-50PUL Installation and Setup Guide
3-9
-
+
-
+
-
+
EOL POWER
SUPERVISION
RELAY MODULE
A77-761B
4-WIRE SMOKE
DETECTORS
2000
OHM
EOLR
TO FIRE ZONE
TERMINALS
HEAT
DETECTOR
+
–
SHOWN POWERED.
RELAY OPENS WHEN
POWER IS LOST
333PRM-001-V0
333 PRM
7
6
5
4
3
-2
+1
8
JUMPER
P1
NC
MOMENTARY
RESET SWITCH
JUMPER P1 ON
333 MODULE
MUST BE IN
"B" POSITION FOUR-WIRE DETECTOR CIRCUIT
CONTROL PANEL
746
Figure 3-12: Wiring a 333PRM to the Control
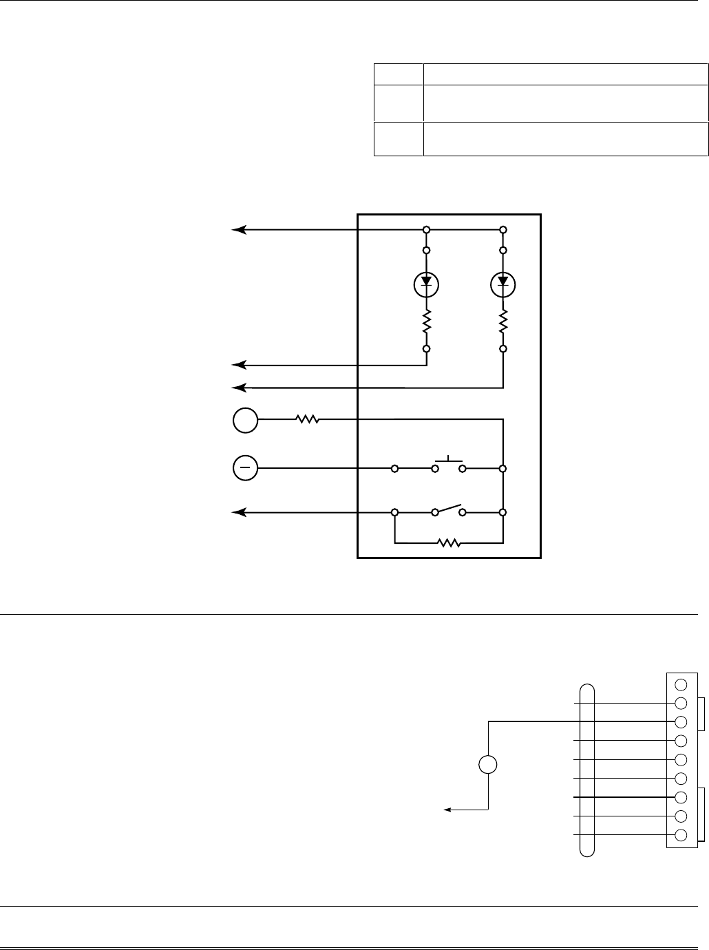
-
+
-
+
-
+
EOL POWER
SUPERVISION
RELAY MODULE
A77-761B
4-WIRE SMOKE
DETECTORS
2000
OHM
EOLR
TO FIRE ZONE
TERMINALS
HEAT
DETECTOR
+
–
SHOWN POWERED.
RELAY OPENS WHEN
POWER IS LOST
333PRM-002-V0
333 PRM
7
6
5
4
3
-2
+1
8
JUMPER
NC CNO
P1
JUMPER P1 ON
333 MODULE
MUST BE IN
"B" POSITION
FOUR-WIRE DETECTOR CIRCUIT
4204
CONTROL PANEL
2 3 41 12
76 4
Figure 3-13: Wiring a 333PRM using a 4204
WWW.DIYALARMFORUM.COM

VISTA-50P/VISTA-50PUL Installation and Setup Guide
3-10
-
+
-
+
-
+
EOL POWER
SUPERVISION
RELAY MODULE
A77-761B
4-WIRE SMOKE
DETECTORS
2000
OHM
EOLR
TO FIRE ZONE
TERMINALS
HEAT
DETECTOR
+
–
SHOWN POWERED.
RELAY OPENS WHEN
POWER IS LOST
333PRM-003-V0
POWER
SUPPLY
333 PRM
7
6
5
4
3
+
-2
+1
8
JUMPER
P1
USE A 12VDC,
BATTERY-BACKED,
UL LISTED POWER
SUPPLY.
JUMPER P1 ON
333 MODULE
MUST BE IN
"B" POSITION
FOUR-WIRE DETECTOR CIRCUIT
4204
CONTROL PANEL
234 112
76 4
Figure 3-14: Wiring a 333PRM using a 4204 and a Power Supply
Using 2-Wire Latching Glassbreaks on Zone 8
Zone 8 can support 2-wire glassbreak detectors. The
zone provides enough standby current to power up to 50
2-wire glassbreak detectors meeting the requirements
listed below.
Compatible Glassbreak Detectors
Use detectors that meet the following ratings:
Standby
Voltage:
5VDC–13.8VDC
Standby
Resistance:
Greater than 20k ohms (equivalent
resistance of all detectors in parallel)
Alarm
Resistance:
Less than 1.1k ohms (see note below)
Alarm
Current:
2mA–10mA
Reset Time: Less than 6 seconds
NOTES:
• You can use detectors that exceed 1.1k ohms in
alarm, provided they maintain a voltage drop of
less than 3.8 volts in alarm.
• The ASC-SS1 detector has been tested and found to
be compatible with these ratings.
21
22
GLASSBREAK
DETECTOR
ZONE 8 (+)
(-)
LATCHING TYPE GLASS
BREAK DETECTOR LOOP
2000
OHMS
EOLR
Figure 3-15: Wiring Latching Glassbreaks to Zone 8
• The alarm current provided by zone 8
supports only one glassbreak detector in
the alarmed state.
• Do not use other N.O. or N.C. contacts
when using glassbreak detectors on zone
8. Other contacts may prevent proper
glassbreak detector operation.
To wire 2-wire latching glassbreak detectors to zone 8,
perform the following steps:
Step Action
1 Select compatible 2-wire glassbreak
detectors that meet the requirements stated
previously.
2 Connect detectors across zone 8 (terminals
21 and 22). See Figure 3-15.
3 Connect the EOL resistor at the last detector
in the loop across the zone’s terminals. You
must connect the EOL resistor across
the loop wires at the last detector.
WWW.DIYALARMFORUM.COM

VISTA-50P/VISTA-50PUL Installation and Setup Guide
3-12
Installing RPM Devices
The polling loop provides both power and data to the
RPM devices, and is constantly monitoring the status of
all zones enabled on the loop. The maximum current
draw of all devices on the polling loop cannot total more
than 64mA (unless the system uses a 4297 Polling Loop
Extender Module).
Devices that can be programmed via either DIP
switches or the built-in unique serial number
must be set for the serial number mode
operation.
All devices on the polling loop must be wired in parallel
to the [+] and [-] polling loop terminals of the control
panel (24 and 25). You can wire from device to device,
or have multiple branches connected directly to the
control panel in a star configuration.
Compatible Polling Loop Devices
Model Number Type
4208 8-Zone Expander
4190WH 2-Zone Expander
4278 Quad PIR
4275 Dual PIR
4194 Surface-Mount Reed Contact (Wide Gap)
4297 Extender Module
4192SD Photoelectric Smoke Detector Devices
4192SDT Photoelectric Smoke Detector w/Heat
Detector
4192CP Ionization Smoke Detector
4101SN Serial Number Single-Output Relay Module
4208U Universal 8-Zone Expander
4939SN-BR
4939SN-GY
Serial Number Surface-Mount Reed
Contacts
4191SN-WH Serial Number Recessed Reed Contact
4959SN Aluminum Overhead Door Contact
7500 Single Technology Glassbreak Detector
9500 Dual Technology Glassbreak Detector
4209U Universal Group Zoning Module
4193SN Serialized 2-Zone Expander
4293SN Serialized 1-Zone Expander
4190SN Serialized 2-Zone Expander
998MX Serialized PIR
UL • The 4208 must be mounted either inside the
control panel’s cabinet or in a separate
enclosure that has a tamper-supervised cover.
• The 4190WH right loop must not be used, and
the left loop must be EOLR-supervised.
• The 4278 right loop cannot be used.
• The 4194 is not UL Listed.
• The 4297 must be powered from the control
panel’s Auxiliary Power Output or from a UL
Listed supplementary power supply.
• The 7500 and 9500 detectors are not UL Listed.
• For new polling loop installations, always use
twisted pair wiring. In many cases, existing
non-twisted pair wiring may be used, but it is
more susceptible to interference from other
sources, and may be problematic in installations
with long wire runs or in high noise
environments.
• Always locate polling loop wiring at least six
inches (15cm) of AC power, telephone, or
intercom wiring. The polling loop carries data
between the control panel and the devices;
interference on this loop can cause an
interruption of communication. The polling loop
can also cause outgoing interference on the
intercom or phone lines. If this spacing cannot
be achieved, shielded wire must be used. (Note
that the maximum total wire length supported is
cut in half when shielded wire is used.)
• No more than 64mA may be drawn on any
individual wire run.
• When a star configuration is used, the total
length of all wire runs combined cannot exceed
4000 ft (2000 ft. if you are using unshielded wire
in conduit or shielded wire).
IMPORTANT NOTE: If the installation exceeds or deviates
from these parameters, refer to the application note on the
Honeywell website for additional information. To access
the application note:
1. Go to the honeywell.com/security website
2. Click the Honeywell Security & Custom Electronics link.
3. Click the Commercial link.
4. Click the Documentation link.
5. Click the V-Plex Application Note.
To install polling loop devices, perform the following steps:
Step Action
1 Select devices from the list of compatible
devices shown previously.
2 Set the DIP switches in the device (if
required). Refer to the device’s instructions
for the DIP Switch Tables.
3 Mount each device in the desired location.
Refer to the device’s instructions.
Run wires from the control panel to each
device on the polling loop (see Figure 3-16).
No individual wire run may exceed the
lengths shown in the following table.
Maximum Polling Loop Wire Runs
Wire Gauge Max. Length
#22 gauge 650 feet
#20 gauge 950 feet
#18 gauge 1500 feet
#16 gauge 2400 feet
4
WWW.DIYALARMFORUM.COM

VISTA-50P/VISTA-50PUL Installation and Setup Guide
3-12
Step Action
5 Wire each device to the polling loop, making
sure of the correct polarity (refer to the
device’s instructions).
NOTE: If you are using serial number
devices, and intend to enroll each device
through the keypad automatically, wire no
more than 25 of these devices to the
control at a time. Then power up and
program them before connecting the next 25.
Leave previously enrolled devices connected.
If you intend to manually enter the serial
numbers through the keypad or through
Compass downloading software, all the
devices may be connected before powering
up to program.
POLLING LOOP RATING:
128mA MAXIMUM
4192SD
SMOKE
4190
RPM
4278
PIR
23
21 22
+-
POLLING LOOP
25
24
TO RIGHT LOOP
poll_loop-001-V0
Figure 3-16: Polling Loop Connections to the
VISTA-50P/VISTA-50PUL
Polling Loop Supervision
A short on the polling loop is indicated by a trouble on
zone 97 and reports as a trouble condition only. If
annunciation is desired, program the zone as type 05.
If a device on the polling loop fails (the panel cannot
"see" that device), the system displays a trouble
condition for all zones on that device. If the panel is
armed when a device fails, and the zone is a burglary
zone, the will go into alarm
A trouble on zone 97 prevents a partition from
being armed, unless all polling loop zones on
that partition are bypassed.
Using the 4297 Polling Loop Extender
The 4297 Polling Loop Extender may be used to provide
additional polling loop current, to extend the polling
loop wire run length, and/or to provide individual
electrically isolated polling loops. Refer to Figures 3-17
and 3-18, to follow.
DO NOT use the 4197 Polling Loop Extender
module with the VISTA-50P/VISTA-50PUL.
Be sure to include the total current drawn on
the polling loop when figuring the total auxiliary
load on the panel’s power supply.
CONTROL PANEL RPM
INPUT POLLING LOOP EXTENSION POLLING LOOP
RPM 4297 RPM RPM
TO
OTHER
RPMS
INPUT LOOP LIMITS: EXTENSION POLLING LOOP LIMITS = SAME AS INPUT LOOP
•64 mA MAX. LIMIT CURRENT TO 64mA ON ANY
INDIVIDUAL WIRE RUN.
• NO MORE THAN 64 DEVICES MAY BE USED.
NO INDIVIDUAL WIRE RUN CAN EXCEED:
•
• TOTAL LENGTH OF ALL WIRE RUNS COMBINED CANNOT
EXCEED 4000FT. (2000FT. IF USING SHIELDED WIRE)
GAUGE LENGTH
#22 650 FT
#20 950 FT
#18 1500 FT
#16 2400 FT
• NO MORE THAN 77 DEVICES COMBINED.
• TOTAL LENGTH OF ALL WIRE RUNS ON BOTH
LOOPS COMBINED CANNOT EXCEED 6400 FT.
3200 FT. IF USING UNSHIELDED WIRE IN
CONDUIT, OR IF USING SHIELDED WIRE
polling_loop_003-V3
COMBINED INPUT AND EXTENSION LOOP LIMITS:
Figure 3-17: Polling Loop Connections Using One 4297 Extender Module
WWW.DIYALARMFORUM.COM

Section 3 - Installing the Control
3-13
CONTROL PANEL
EXTENSION POLLING LOOP #1
4297 RPM
COMBINED INPUT AND EXTENSION LOOP LIMITS:
• NO MORE THAN 77 DEVICES COMBINED ON THE INPUT LOOP AND EXTENSION
LOOP #1. NO MORE THAN 77 DEVICES COMBINED ON THE INPUT LOOP AND
EXTENSION LOOP #2.
• TOTAL LENGTH OF ALL WIRE RUNS ON THE INPUT LOOP AND EXTENSION LOOP #1
COMBINED CANNOT EXCEED 6400 FT. (3200 FT. IF USING UNSHIELDED WIRE IN
CONDUIT, OR SHIELDED WIRE). TOTAL LENGTH OF ALL WIRE RUNS ON THE INPUT
LOOP AND EXTENSION LOOP #2 COMBINED CANNOT EXCEED 6400 FT. (3200 FT. IF
USING UNSHIELDED WIRE IN CONDUIT, OR SHIELDED WIRE).
4297 RPM
INPUT POLLING LOOP
• DO NOT CONNECT 4297 MODULES IN
SERIES (i.e., DO NOT CONNECT ONE
MODULE'S EXTENSION LOOP TO
ANOTHER MODULE'S INPUT LOOP.)
polling_loop-004-V2
EXTENSION POLLING LOOP #2
Figure 3-18: Polling Loop Connections Using Multiple Extender Modules
NOTE: The input loop limits stated in Figure 3-17 apply to Figure 3-18 as well.
Wireless Zone Expansion
UL The 5881ENHC RF Receiver and the 5869 Holdup
Switch Transmitter are listed for UL Commercial
Burglary applications. All other RF receivers and
transmitters are not listed for UL Commercial
Burglary applications.
The following table lists the receivers that may be used
and the number of zones they support.
5800 Series Receivers
Receiver Zones
5881L up to 8
5881M up to 16
5881H up to 86
In Canada, 5800 systems must use 5882 Series
receivers: 5882L/5882H. Information to the 5881
Receivers applies as well to the 5882 Receivers.
Both receivers use the same transmitters.
RF System Operation and Supervision
The 5800 RF system operation has the following
characteristics:
• The receiver responds to a frequency of 345MHz.
• The receiver has a nominal range of 200 feet.
• Supervised transmitters send a supervisory signal
every 70-90 minutes.
• Zones 88 and 90 are used to supervise the RF
reception of receivers 2 and 1, respectively. The
reception is supervised for two conditions:
1. The receiver goes “deaf” (doesn’t hear from any
transmitter) within a programmed interval of
time (defined by program field 1*30).
2. Proper RF reception is impeded (i.e., jamming
or other RF interference). The control checks
for this condition every 45 seconds.
UL
A response type (05 Day/Night) must be
programmed for zones 90 (1st receiver) and 88
(2nd receiver) for UL installations.
• The 5881ENHC receiver contains front and back
tampers that permit its use in commercial burglary
installations.
• You may only mount the 5881ENHC its own plastic
housing. Otherwise, the receiver constantly reports
a tamper condition.
• The control checks the receiver connections about
every 45 seconds. The receiver supervisory zone is
91 (1st receiver) and 89 (2nd receiver)
NOTE: The zone must be programmed with a
response type (e.g., type 05 Day/Night Trouble)
before the system supervises the connection to the
receiver.
• Use two identical receivers to provide either a
greater area of coverage or redundant protection.
They must be set for different addresses.
• Any zone from 1 to 86 can be used as a 5800 Series
wireless zone, with the exception of zone 64
(reserved for a wireless keypad).
WWW.DIYALARMFORUM.COM

VISTA-50P/VISTA-50PUL Installation and Setup Guide
3-14
RF System Installation Advisories
• Place the receiver in a high, centrally located area.
Do not place it on or near metal objects. This will
decrease the range and/or block transmissions.
• Install the RF receiver at least 10 feet from the
control panel or any keypads, to avoid interference
from the microprocessors in these units.
• If dual receivers are used:
a. They must be at least 10 feet from each other,
as well as from the control panel and remote
keypads.
b. Each receiver must be set to a different device
address. The receiver set to the lower address
is considered the 1st RF receiver for
supervisory purposes.
c. The House IDs must be the same.
d. Using two receivers does not increase the
number of transmitters the system can support
(85 zones using the 5881H, plus a wireless
keypad).
Installation and Setup of the 5881 RF Receivers
Take note of the address you select for the RF
receiver, as this address must be enabled in
the system’s Device Programming in the #93
Menu Mode.
5881ENHC-001-V0
SCREW
Figure 3-19: Installing the 5881ENHC with Tamper
Protection
To install the 5881 RF receiver, perform the following
steps:
Step Action
1 Mount the receiver, following the advisories
stated previously.
2 Set the DIP switches in the receiver for the
address (01-07). See Figure 3-20.
Make sure the address setting is not
being used by another device (keypad,
relay module, etc.).
3 If installing a 5881ENHC, install a flat-head
screw (supplied) in the case tamper tab as
shown in Figure 3-19. When the receiver is
pried from the wall, the tamper tab will break
off and remain on the wall. This will activate
a tamper switch in the receiver and cause
generation of a tamper signal. Note that this
signal will also be generated when the
receiver’s front cover is removed.
4 Connect the receiver’s wire harness to the
keypad terminals (6, 7, 8, and 9). Plug the
connector at the other end of the harness into
the receiver.
5 Refer to the Installation Instructions
provided with the receiver for installations
regarding antenna mounting, etc.
WWW.DIYALARMFORUM.COM

Section 3 - Installing the Control
3-15
TO CONTROL'S REMOTE KEYPAD
CONNECTION POINTS.
USE MAX. of 220 ft. [67m of #22 (0.64mm)
WIRE or 550 ft. (168m) of #18 (1mm) WIRE
FOR EACH RUN. OBSERVE 20 ft. MAX.
FOR COMMERCIAL FIRE INSTALLATIONS.
(SEE RECEIVER'S INSTRUCTIONS.)
DIP SWITCH WHITE AREAS = SWITCH
HANDLES. POSITION 2-4 DETERMINE
RECEIVER'S ADDRESS. CONSULT
CONTROL'S INSTRUCTIONS FOR
ADDRESS TO USE. DIP SWITCH BELOW
SHOWN SET FOR ADDRESS "0."
SWITCH
POSITION
RECEIVER ADDRESS SETTINGS
(" - " MEANS OFF)
0 1 2 3 4 5 6 7
4
3
2
1
5
PRESENT ONLY ON 5881EH (SEE TEXT AT LEFT)
ON ON ON
ONON
ONON ONON
ONON
ON
FOR FUTURE USE
DIP SWITCH #5 (PRESET ONLY ON 5881EH)
ON: SETS 5881EH FOR USE IN COMMERCIAL
FIRE APPLICATIONS (SEE THE RECEIVER'S
INSTRUCTIONS)*.
OFF: USE IN NON-COMMERCIAL FIRE
INSTALLATIONS.
* FOR COMMERCIAL FIRE APPLICATIONS
THE 5881EH PC BOARD MUST BE MOUNTED
IN A SEPARATE CABINET (SEE RECEIVER'S
INSTRUCTIONS FOR DETAILS).
MOUNTING
HOLES
INSERT IN
RIGHT-HAND
TERMINALS
CIRCUIT
BOARD
DIP SWITCH
YELLOW
RED
BLACK
GREEN
INTERFERENCE
INDICATOR LED
WIRING
OPENING
PLUG & SOCKET
ANTENNAS
5881-001-V1
Figure 3-20: 5881 RF Receiver (cover removed)
Installing the 5800TM Module
Installation of this module is necessary only if you are
using a 5827BD or 5804BD Bi-directional device.
The address for the 5800TM must be enabled
in the control’s Device Programming in the #93
Menu Mode as a keypad and then assigned to
a partition.
To install the 5800TM, perform the following steps:
Step Action
1 Mount the unit using its accompanying
mounting bracket near the RF receiver.
The 5800TM must not be installed within
the control cabinet. It must be between
one and two feet from the receiver’s
antennas.
2 Set the module for the appropriate address.
For Address Setting 28 cut the red jumper;
for Address 29 cut the white jumper; for
Address 30 cut both jumpers.
Make sure the address setting is not
being used by another device (keypad,
relay module, etc.).
3 Connect the module’s wire harness to the
keypad terminals (6, 7, 8, and 9). Plug the
connector at the other end of the harness into
the module.
House ID Sniffer Mode
This mode applies only if you are using a wireless
keypad (e.g., 5827) or bi-directional devices (e.g.,
5804BD). Use the House ID Sniffer mode to make sure
you do not choose a House ID that is in use in a nearby
system. The House ID must be programmed for the
receiver in Device Programming in the #93 Menu Mode.
To enter House ID Sniffer mode, enter your Installer
Code + [#] + [2].
The receiver now “sniffs” out any House IDs in the area
and displays them. Keep the receiver in this mode for
about 2 hours. Use a House ID that is not displayed.
Exit the Sniffer mode by entering your Installer Code
+ OFF.
As Sniffer mode effectively disables RF point
reception, Sniffer mode cannot be entered
while any partition is armed.
WWW.DIYALARMFORUM.COM

VISTA-50P/VISTA-50PUL Installation and Setup Guide
3-16
5800 Series Transmitter Setup
5800 Series transmitters have the following
characteristics:
• Transmitters have built-in serial numbers that
must be enrolled in the system using the #93 Menu
Mode Programming, or input to the control via the
downloader.
• Transmitters do not have DIP switches (except
5827, described separately).
• Some transmitters, such as the 5816 and 5817, can
support more than one “zone” (referred to as loops
or inputs). Each loop must be assigned a different
zone number.
• For button-type transmitters (wireless keys), such
as the 5804 and 5804BD, you must assign a unique
zone number to each individual button used on the
transmitter.
Transmitter Input Types
All transmitters have one or more unique factory-
assigned input (loop) codes. Transmitters can be
programmed as one of the following types:
Type Description
RF
(Supervised
RF)
Sends periodic check-in signals, as well as
fault, restore, and low-battery signals. The
transmitter must remain within the receiver’s
range.
UR
(Unsupervised
RF)
Sends all the signals that the RF type does, but
the control does not supervise the check-in
signals. The transmitter may therefore be
carried off-premises.
BR
(Unsupervised
Button RF)
These send only fault signals. They do not
send low-battery signals until they are
activated. The transmitter may be carried off-
premises.
Transmitter Supervision
Supervised RF transmitters send a check-in signal to
the receiver at 70–90 minute intervals. If at least one
check-in is not received from each supervised
transmitter within a programmed period (field 1∗31),
the “missing” transmitter number(s) and “CHECK” or
“TRBL” are displayed. Unsupervised RF transmitters
(5802MN, 5804) may be carried off the premises.
Some transmitters have built-in tamper protection, and
annunciate a “CHECK” or “TRBL” condition if covers
are removed.
If a loss of supervision occurs on a transmitter
programmed for Fire, it reports in Contact ID as
a Fire Trouble (373), not Loss of Supervision
(381), to the central station.
Transmitter Battery Life
Batteries in the wireless transmitters may last from 4
to 7 years, depending on the environment, usage, and
the specific wireless device being used. Factors such as
humidity, high or low temperatures, as well as large
swings in temperature may all reduce the actual
battery life in a given installation.
The wireless system can identify a true low battery
situation, thus allowing the dealer or user of the system
time to arrange a change of battery and maintain
protection for that point within the system.
Some transmitters (e.g., 5802, 5802CP, and 5803)
contain long-life but nonreplaceable batteries. At the
end of their life, the complete unit must be replaced
(and a new serial number enrolled at the control).
Button-type transmitters (e.g., 5801, 5802, 5802CP and
5803) should be periodically tested, as these
transmitters do not send supervisory check-in signals.
To test the transmitters using the Transmitter
ID Sniffer mode and the Go/NoGo Test Mode,
see SECTION 10: Testing the System for the
procedures.
Compatible 5800 Series Transmitters
Model Product Input Type
5801 Panic Transmitter UR or RF
5802
5802CP
Pendant (Personal Emergency
Transmitter)
Belt Clip (Personal Emergency
Transmitter)
BR Only
5802MN Miniature (Personal Emergency
Transmitter)
UR or RF
5802MN2 Miniature (Personal Emergency
Transmitter)
UR or RF
5804 Wireless Key Transmitter BR Only
5804BD Wireless Key Bi-directional
Transmitter
BR Only
5804BDV Wireless Key Bi-directional
Transmitter with Voice
BR Only
Model Product Input Type
5806/5807/
5808
Wireless Photoelectric Smoke
Detectors
RF
5816 Door/Window Transmitter RF
5816MN Miniature Door/Window Transmitter
5816TEMP Temperature Sensor Transmitter
5817 Multi-Point Universal Transmitter RF
5818 Recessed Transmitter RF
5827 Wireless Keypad House ID
5827BD Wireless Bi-directional Keypad House ID
5849 Glassbreak Detector RF
5850 Glassbreak Detector RF
5890 PIR Detector RF
5890PI PIR Detector with Pet Immunity RF
WWW.DIYALARMFORUM.COM

Section 3 - Installing the Control
3-17
Installing Output Devices
The VISTA-50P/VISTA-50PUL support up to 16
outputs. Each device must be programmed as to how to
act (ACTION), when to activate (START), and when to
deactivate (STOP). The 4204, and/or X-10 devices may
be used as output devices.
Installing the 4204 Relay Modules
Each 4204 module provides 4 relays with Form C
(normally open and normally closed) contacts.
The relay module will not operate until the
device address you have set the DIP switches
for is enabled in the control’s Device
Programming in the #93 Menu Mode.
To install the relay modules, see Figure 3-21 and
perform the following steps:
Step Action
1 Set the 4204’s DIP switches for a device
address 01-15.
Do not use an address being used by another
device (keypads, RF receivers, etc.).
2 Mount the 4204 Module per the instructions
provided with them.
Connect the module’s wire harness to the
control (6, 7, 8, and 9). Plug the connector
(other end of harness) to the module.
If you are mounting remotely, homerun each
module to the control. The table below shows
the maximum wire run lengths.
Wire Gauge Maximum Length
#22 125 feet
#20 200 feet
#18 300 feet
#16 500 feet
3
SWITCH 4204 ADDRESS SETTINGS
POSITION ("—" means "OFF")
0 1 2 3 4 5 6 7 8 9 10 11 12 13 14 15
2
ON —ON —ON —ON —ON —ON —ON —ON —
3
ON ON ——ON ON ——ON ON ——ON ON ——
4
ON ON ON ON ————ON ON ON ON ————
5
ON ON ON ON ON ON ON ON ————————
ON
12345
➞
➞
➞
➞
➞
13 14 15 16
C
NC
NO
OFF
➞
ON
➞
DIP SWITCH
FOR SETTING DEVICE ADDRESS
AND ENABLING/DISABLING TAMPER
➞➞
COVER TAMPER (REED) SWITCH
➞➞
TB1
4204
TB2
4-PIN CONSOLE PLUG
➞➞
121110987654321
C
NC
NO
C
NC
NO
C
NC
NO
▲
RELAY
3
RELAY
2
RELAY
1
RELAY
4
TYPICAL
(SHOWN "OFF")
EITHER OR BOTH
CAN BE USED
➞➞
➞➞
DATA IN
FROM CONTROL
(–) GROUND
DATA OUT
TO CONTROL
(+) 12V
YEL
BLK
GRN
RED
Figure 3-21: 4204 Relay Module
Installing X10 Devices
X-10 devices are either plugged into standard AC
outlets or wired into the AC electrical system by a
licensed electrician, depending on the type of device
used.
Note each device’s House and Unit Code
setup, as these codes will be used to program
the devices in Output Programming in #93
Menu Mode described in the Programming
Guide.
X-10 devices require the use of a 1361X10 transformer
in place of the regular 1361 transformer.
X-10 devices respond to “on” and “off” commands sent
from the panel through the 1361X10 transformer.
To connect the 1361X10 transformer, see Connecting the
Transformer, later in this section.
WWW.DIYALARMFORUM.COM

VISTA-50P/VISTA-50PUL Installation and Setup Guide
3-18
Installing the Ground Start Module
UL The Ground Start Module is not intended for
use in UL Listed applications.
Output 1 may be used to trigger an optional 675
Ground Start Module for installations having telephone
lines that require ground start instead of loop start
operation to obtain a dial tone from the telco central
office.
When the panel has a message to transmit to the
central station, it seizes the line, goes off hook, and then
triggers the 675 Module to connect the RING side of the
telephone line to earth ground. The panel causes the
module to break the connection between RING and
earth ground when it obtains a dial tone.
To install the 675 Ground Start Module, perform the
following steps:
Step Action
1 Determine which side of the telephone line
is the RING side by connecting the (+) lead
of a DC voltmeter to earth ground, and the
(-) lead to one side of the telephone line.
The wire that reads + 50VDC is the
RING side.
2 Connect the 675 Ground Start Module to
the panel’s J7 connector trigger output 1, to
auxiliary power, and to the RING side of
the telephone line as shown in Figure 3-22.
3 Program field 1✳46 Auxiliary Output
Enable with a [0].
You cannot use Output 1 for the Ground Start if
you are using it for an Open/Close trigger or an
AAV module.
123456789
4142TR
CABLE
GRAY (GROUND)
YELLOW (OUT 1)
RED (OUT 2)
GREEN (GROUND)
BROWN (OUT 3)
BLUE (GROUND)
BLACK (OUT 4)
WHITE (GROUND)
J7 CONNECTOR
N/U
IF USED:
1. OUT 1 IS NO LONGER
USABLE FOR SMOKE DETECTOR RESET
(SEE FIELD 1*46).
2. OUT 2, 3, 4 CAN STILL BE
USED TO PROVIDE ALARM
STATUS INDICATIONS OR
TO OPERATE A KEYSWITCH
(SEE FIELD *15).
3. THE 675 IS NOT UL LISTED.
BROWN
GROUND START
TRIGGER
BLUE
GREEN
BLACK
VIOLET
TO AUX. POWER
TERM. 7
TO AUX. POWER
TERM. 6
(50mA CURRENT DRAW)
675
GROUND
START
MODULE
(CUT ORANGE
JUMPER)
TO
TELCO
RING
TO
EARTH
GROUND
Figure 3-22: Ground Start Module Connections
Installing a Remote Keyswitch
A UL-Listed remote keyswitch, such as the 4146, can be
used for remote arming/disarming of the burglary
portion of the system and for silencing alarms. The
keyswitch can operate in only one particular partition.
The keyswitch is wired across zone 7. This zone is no
longer available as a protection zone. Be sure to
program Zone 7 with a response type (e.g., type 10).
Operation
• A momentary short across zone 7 arms the
partition in the AWAY mode, and a short held for
more than 1/2 second arms the partition in STAY
mode 1. A subsequent short disarms the partition.
• The keyswitch LEDs indicate the partition’s status
(see table below).
• A momentary short across Zone 7 silences alarm
bell and keypad sounds, and disarms the system if
it was armed. A subsequent short across Zone 7
clears the alarm memory indication and resets 2-
wire smoke and glassbreak detectors (if used).
LED Indications
Green Red Indication
On Off Disarmed & Ready
Off Off Disarmed & Not Ready
Off On Steady Armed Away
Off Slow Flash Armed Stay
Off Rapid Flash Alarm Memory
The keyswitch reports as user 0, if Open/Close
reporting is enabled in field ✳40.
WWW.DIYALARMFORUM.COM

Section 3 - Installing the Control
3-19
Keyswitch Tamper Operation
The tamper switch need not be used for fire or UL
Household Burglary installations. For UL Commercial
Burglary installations, the tamper switch must be
wired to a zone (zone 6 in Figure 3-23).
Program that zone for Day Trouble/Night Alarm
(response type 5). When the keyswitch is removed from
the wall, the tamper switch opens, causing an alarm or
trouble on the zone. This also causes the control to
disable keyswitch operation until the tamper is restored
and the associated partition is disarmed.
Wiring for the Remote Keyswitch
To install the 4146 keyswitch, perform the following
steps:
Step Action
1 Connect the 4146 to the panel as shown in
Figure 3-23.
2 If you are using the tamper, make sure it is
connected to a zone.
2K ELOR
2K ELOR
TAMPER SWITCH
(CONTACTS CLOSE WHEN
SWITCH DEPRESSED).
LOCK SWITCH
(NORMALLY OPEN)
+
TO J7 / OUT 2
TO J7 / OUT 4
TO AUX POWER
(TERMINAL 6)
ZONE
ZONE
TO ZONE 7 (+)
(TERMINAL 20)
YELLOW WHITE
GREEN
(READY)
RED
(ARMED)
RED BLACK
820
ohms
820
ohms
J7_keyswitch
Figure 3-23: Remote Keyswitch Wiring
Remote Keypad Sounder
An optional Amseco PAL 328N Piezo Sounder can be
used to duplicate the sounds produced by the keypad’s
built-in sounder. The panel will remote all sounds (e.g.,
alarm, trouble, chime, entry/exit, etc.) produced by the
keypad’s built-in sounder except for the short beeps
associated with keypad key depression. One application
of this feature might be to produce chime sounds at a
distant location from the panel’s keypads.
Remote Keypad Sounder Setup
To setup for a remote keypad sounder, connect the piezo
sounder to the panel’s positive auxiliary power output
and to Output 1 on the J7 connector as shown in Figure
3-24.
Program field 1✳46 Auxiliary Output Enable with a [2].
1 2 3 4 5 6 7 8 9
GRAY (GROUND)
YELLOW (OUT 1)
WHITE (GROUND)
RED (OUT 2)
GREEN (GROUND)
BROWN (OUT 3)
BLUE (GROUND)
BLACK (OUT 4)
J7 CONNECTOR
IF USED.
1. OUT 1 IS NO LONGER
USABLE FOR SMOKE
DETECTOR RESET
OR GROUND START
(SEE FIELD 1*46).
2. OUT 2, 3, 4 CAN STILL BE
USED TO PROVIDE ALARM
STATUS INDICATIONS OR
TO OPERATE A KEYSWITCH
(SEE FIELD *15).
N/U
4142TR CABLE
BLACK
–
AMSECO PAL-328N
PIEZO SOUNDER
+
RED
TO AUX POWER +
TERMINAL 6
10mA CURRENT DRAIN)
J7_trigcon-001-V0
Figure 3-24: Remote Keypad Sounder Wiring
WWW.DIYALARMFORUM.COM

VISTA-50P/VISTA-50PUL Installation and Setup Guide
3-20
Long Range Radio Connected to the J7 Triggers
These triggers may be used to trip auxiliary alarm
signaling equipment such as the 7720, 7720ULF, and
7920SE Long Range Radios.
The triggers are common to all partitions and must be
enabled for each partition (field 2✳20).
The fire and burglary/audible panic alarm triggers are
normally LOW and go HIGH until a User Code + OFF
is entered in all enabled partition(s) that display these
conditions.
The silent panic/duress trigger latches HIGH, except for
duress, which is momentary.
Refer to the installation instructions that accompany
your radio for the connections to the control panel.
Installing a 4100SM
The 4100SM is used to print event log reports to a
serial printer.
NOTE: See SECTION 4: Programming for the
programming details when using the 4100SM.
Serial Printer Configurations
Configure the serial printer as follows:
• 8 data bits, no parity, 1 stop bit
• 300 or 1200 baud
Connecting the 4100SM to a Serial Printer
To connect a serial printer using the 4100SM, refer to
Figure 3-25 and perform the following steps:
Step Action
1 Connect terminal 1 on the 4100SM to the
Violet wire on the 4142TR cable.
2 Connect terminal 6 on the 4100SM to the
Brown wire on the 4142TR cable.
3 Connect the 4142TR cable to J8 on the
control.
4 Connect terminals 8 and 7 of the 4100SM to
terminals 6 and 7 (aux. power (+) and (-)),
respectively of the control.
5 Connect the UL EDP Listed serial printer to
the 4100SM Interface Module.
The 4100SM Module is supplied with a 10-
foot RS232 cable. A longer cable can be used
if the VISTA-50P/VISTA-50PUL is separated
from the serial printer by more than 10 feet,
but the total cable length should be less than
50 feet.
123456789
NU
J8 CONNECTOR
VIOLET
GREY
YELLOW
RED
GREEN
BROWN
BLUE
BLACK
IN 2
IN 3
GROUND
OUT 5
OUT 6
GROUND
GROUND
PRINTER DTR
4142TR CABLE (SUPPLIED WITH 4100SM)
8
7
6
5
4
3
2
1
4100SM SERIAL MODULE
+ PWR
- (GND)
RXD
not used
not used
TXD
not used
DTR
BLUE WHITE
To TB6 Aux. Power (+)
(25mA current draw)
To TB7 Aux. Power (-)
USE GENDER CHANGER
SUPPLIED WITH 4100SM
IF PRINTER HAS DB25
MALE CONNECTOR
3M
Cable
Supplied with
4100SM
SERIAL PRINTER
SET FOR: 8 DATA BITS
EVEN PARITY
STOP BIT
300/1200 BAUD
4100SM JUMPERS
(CUT TO SET RESPECTIVE SIGNAL FLOATING)
COLOR FUNCTION PIN #
RED
BLUE
WHITE
CD
CTS
DSR
8
5
6
RED
4100SM-011-V0
Figure 3-25: 4100SM Using a Serial Printer
NOTE: See the 4100SM Installation Instructions for
details concerning the serial printer operation.
Installing the 4285/4286 VIP Module
The 4285/4286 VIP Module is an add-on accessory that
permits the user to access the security system (and
relays) via a TouchTone telephone. This may be done
either from the premises or by calling the premises from
a remote location. Only one VIP Module can be used in
a security system. This module must be enabled as
Device Address 4 in the Device Programming in #93
Menu Mode, and must be assigned to a partition.
UL The 4285/4286 VIP Module is not permitted in
UL installations.
Detailed operating instructions for phone access
to the security system are provided with the VIP
Module.
WWW.DIYALARMFORUM.COM

Section 3 - Installing the Control
3-21
The 4285/4286 VIP Module features:
• Allows the user to receive synthesized voice
messages over the phone regarding the status of
the security system.
• Allows the user to arm and disarm the security
system and perform most other commands using
the telephone keypad.
• Allows the user to control relays using the
telephone keypad.
• Provides voice annunciation over the phone to
confirm any command that is entered.
• Announces many of the same words that would
normally be displayed on an alpha keypad under
the same system conditions. Refer to the words in
bold on the Alpha Vocabulary list found in the #93
Menu Mode in the Programming Guide.
• Can be supervised for connection to control panel
(annunciated and reported as Zone 87).
The 4285/4286 is wired between the control panel and
the premises’ handset(s) (see Figure 3-26). It listens for
TouchTones on the phone line and reports them to the
control panel. During on-premises phone access, it
powers the premises phones. During off-premises phone
access, it seizes the line from the premises phones and
any answering machines.
• The VIP module will not operate until the
device address (04) is enabled in the control’s
Device Programming in #93 Menu Mode.
• Do not mount the VIP Module on the cabinet
door or attempt to attach it to the PC board.
To install the VIP module, perform the following steps:
Step Action
1 Mount the module in the control cabinet if
space is available or, if this is not possible, on
the side of the cabinet or adjacent to it.
If you mount the VIP Module inside the
control cabinet, attach it to the cabinet’s
interior surface with 2-faced adhesive tape.
You may leave the module’s cover off if it is
mounted within the cabinet.
If you mount the module outside the
cabinet, use the screw holes at the rear to
mount horizontally or vertically (2-faced
adhesive tape may be used, if preferred).
2 Affix the 4285/4286 connections label
(supplied separately) to the inside of the VIP
Module’s cover, if the cover is used.
Otherwise, affix the label to the inside of the
control cabinet’s door.
Step Action
3 Make 12V (+) and (–) and data-in and data-
out connections from the VIP Module to the
control, using the connector cable supplied
with the VIP Module. These are the same
connections as for remote keypads.
Connect the module to the phone line as
shown below. See Figure 3-26.
4285/4286 Terminal Connects to direct
connect cord:
1. Phone In (Tip) green wire
2. Phone In (Ring) red wire
3. Phone Out (Tip) brown wire
4. Phone Out (Ring) gray wire
5. No Connection
6. Audio Out 1∗ Speaker
7. Audio Out 1∗ Speaker
Supported by the 4286 only
4
Use an RJ31X Jack with the phone cable
supplied with the control to make connections
to the VIP module. Make connections exactly
as shown in Figure 3-26. This is essential,
even if the system is not connected to a
central station. The 4285/4286 will not
function if this is not done.
• If touch-
tones are not present following phone
access to the security system via an on-
premises phone, try reversing the pair of
wires connected to terminals 3 and 4 on the
4285/4286.
• If the phone plug is disconnected from the
control, the premise’s phones will not operate.
WWW.DIYALARMFORUM.COM

VISTA-50P/VISTA-50PUL Installation and Setup Guide
3-22
YELLOW
NO CONNECTION
RED
BLACK
GREEN
TO CONTROL PANEL
KEYPAD CONNECTIONS
KEYED
HEADER
123456 7
NO
CONNECTION
4286 VIP MODULE
ANSWERING
MACHINE
PREMISES
ANSWERING
MACHINE AND
PHONES
TIP
RING
RJ31X
JACK
TIP
RING
INCOMING TELCO LINE
CALLER ID
UNIT
IMPORTANT NOTE FOR EXISTING INSTALLATIONS:
EXISTING WIRES CONNECTED TO THE “HANDSET”
TERMINALS ON CONTROL MUST BE MOVED FROM
THERE TO TERMINALS 3 AND 4 ON THE 4286.
U.S. PATENT No. 4791658
THIS DEVICE COMPLIES WITH FCC RULES, PART 68
FCC REGISTRATION No. AC3USA-74659-KX-N
RINGER EQUIVALENCE: 1.0B
FOR COMPLETE INFORMATION, SEE INSTALLATION
INSTRUCTIONS N6431-3 ACCOMPANYING 4286 VIP
MODULE
GREY
BROWN
GREEN
RED
EARTH
GROUND
TIP RING TIP RING
4500
THERMOSTAT
GREEN
YELLOW
HANDSET INCOMING
TELCO LINE
NOTE:
4286 DEVICE
ADDRESS IS
FACTORY SET
TO “4”
SEE SPEAKER NOTE
SPEAKER NOTE: IF CONNECTING SINGLE SPEAKER, USE 8-ohm SPEAKER ONLY.
IF CONNECTING 2 SPEAKERS, USE 4-ohm or 8-ohm SPEAKERS
AND CONNECT IN SERIES.
SPEAKER
VOLUME
CONTROL
4286_wiring-002-V1
Figure 3-26: VIP Module Connections
Installing the Audio Alarm Verification Module
• 685 Receiver software must be rev. 4.6 or
higher. Earlier versions will not hold the
phone line connection.
• Contact ID code for “Listen-in to Follow” is
606. Contact ID is the only reporting format
that will send a “Listen-in to Follow.”
• If you are also using a 4285/4286 VIP
Module, be sure to follow Figure 3-29 when
making connections.
The UVS consists of a UVCM and at least one UVST.
The UVCM board has a DC power jack and a 34-
position terminal block for making connections to a DC
power source, UVSTs, telephone lines, music source, or
to the 4286 VIP Module; and to a control panel’s voice
trigger and bell outputs (if required). Refer Figure 3-28
for wiring connections. For a detailed explanation of
the wiring connections and the functions of the DC
power jack and terminal block positions, refer to the
installation instructions that accompany the UVS.
If the phone plug is disconnected from the
control, the premise’s phones will not operate.
NOTES:
• When the AAV indicates that the audio alarm
verification session is completed, all keypad sounds
are restored. Sirens are restored if the alarm
timeout period has not expired.
• As part of its fail-safe software, the control limits
all audio alarm verification sessions to 15 minutes.
This is because once the session begins, the AAV
Module controls the duration.
• If a new Fire alarm should occur during a session,
the control breaks the phone connection and sends
the new Fire Alarm report, then re-triggers the
AAV Mode. All other dialer messages triggered
during ongoing conversation are held until either
the AAV Module signals that it is inactive, or the
15-minute timeout occurs.
WWW.DIYALARMFORUM.COM

Section 3 - Installing the Control
3-23
RED
GREEN
RING
TIP
NOT USED
EARTH GND
GND
AUXILIARY AUD ENABLE
AUXILIARY AUD IN
SPKR 7
SPKR 6
SPKR 5
SPKR 4
SPKR 3
SPKR 2
SPKR 1
GND
GND
+12VDC IN
GND
INSIDE UVST PWR
INSIDE UVST PWR
OUTSIDE UVST PWR
ALARM TRIG IN
VOICE RELAY POLE
VOICE RELAY NC
FALLING VOICE TRIG
RISING VOICE TRIG
NOT USED
MIC 7
MIC 6
MIC 5
MIC 4
MIC 3
MIC 2
MIC 1
SWITCH BANK 1 SWITCH BANK 2
SW SWITCH BANK 1
1 UVST 1 AUX AUDIO, ON = ENABLED
2 UVST 2 AUX AUDIO, ON = ENABLED
3 UVST 3 AUX AUDIO, ON = ENABLED
4 UVST 4 AUX AUDIO, ON = ENABLED
5 UVST 5 AUX AUDIO, ON = ENABLED
6 UVST 6, ON = OUTSIDE, OFF = INSIDE
7 UVST 7, ON = OUTSIDE, OFF = INSIDE
8 VOICE TRIGGER, ON = IMMED, OFF = CALLBACK
SW SWITCH BANK 2
1 FUTURE USE, SET TO ON
2 FUTURE USE, SET TO ON
3 TELEPHONE RING, ON = ENABLED
4 END USER VOICE, ON = DISABLED
5 FUTURE USE, SET TO ON
6 CS CODE LEARN, ON = DISABLED
7 USER CODE LEARN, ON = DISABLED
8 FUTURE USE, SET TO ON
SHIPPED WITH ALL SWITCHES IN "ON" POSITION.
ON ON
AUXILIARY
AUDIO LEVEL
ADJUSTMENT
TRIM POT
INCOMING RING
INCOMING TIP
HANDSET RING
HANDSET TIP
CONTROL PANEL
BELL OUTPUT
GND
AUX PWR (12VDC)
2-WAY VOICE TRIGGER
(SEE NOTE 3)
(OPTIONAL; NOTE 5)
(NOTE 2)
(NOTE 2)
4286 VIP
MODULE
1234 56 7
1234
KEYED
HEADER
SPEAKER
VOLUME
CONTROL
OPTIONAL
(NOTE 4)
UVST PWR
GND
MIC
SPKR
SPEAKER
VOLUME
TRIM POT
TYPICAL 1 OF 7
AUDIO OUT
GND
MUSIC SOURCE
OPTIONAL
(NOTE 4)
PREMISES
ANSWERING
MACHINE AND
PHONE (S)
ANSWERING
MACHINE
P3
UVST
VOLUME CONTROL DIAL
TIP
RING
TIP
RING
12345678 12345678
NOTE 1: CONNECT TO PROPER EARTH GROUND.
NOTE 2:
POWER MAY ALSO BE SUPPLIED BY A LISTED CLASS 2
POWER SUPPLY RATED 12VDC, MIN 600mA CONNECTED TO THE
UVCM +12VDC IN AND GND TERMINALS.
NOTE 3:
SOME CONTROL PANELS USE BUILT-IN TRIGGER AND SOME
USE 4204 RELAY MODULE. REFER TO AAV SECTION OF CONTROL PANEL
INSTALLATION AND SETUP GUIDE FOR CONNECTION.
NOTE 4: EITHER MUSIC SOURCE OR 4286 VIP MODULE CAN BE USED BUT
NOT AT THE SAME TIME.
NOTE 5: DO NOT CONNECT IF 4286 VIP MODULE IS USED.
1 2 3 4 5 6 7 8 9 1011121314 15 16 17 18 19 20 21 22 23 24 25 26 27 28 29 30 31 32 33 34
SELECT
APPROPRIATE
INPUT
RJ31X
JACK
PLUG
DIRECT
CONNECT
CORD
NOTE 1
UVCM AND UVST SUMMARY OF CONNECTIONS
P2
P1
P7
FOR COMPLETE INFORMATION, SEE
4286 VIP MODULE INSTRUCTIONS.
WARNING: TO PREVENT RISK
OF ELECTRICAL SHOCK,
DISCONNECT TELCO JACK
BEFORE SERVICING THIS PANEL.
COMPLIES WITH FCC RULES, PART 68
FCC REGISTRATION NO. AC3 USA-40133-SP-T
RINGER EQUIVALENCE: 1.0B
THIS DEVICE COMPLIES WITH PART 15 OF FCC RULES.
OPERATION IS SUBJECT TO THE FOLLOWING TWO
CONDITIONS: (1) THIS DEVICE MAY NOT CAUSE HARMFUL
INTERFERENCE, AND (2) THIS DEVICE MUST ACCEPT ANY
INTERFERENCE RECEIVED, INCLUDING INTERFERENCE
THAT MAY CAUSE UNDESIRED OPERATION.
1234
Refer to UVS Installation and Setup Guide K4214 for complete information
GRAY
BROWN
UVCM_UVST-SOC-V1
INCOMING
TELCO
LINES
ALTERNATE
+12 VDC IN FOR
PLUG-IN WALL PACK
(SEE NOTE 2)
Figure 3-27: UVS Connections to the Control Panel
WWW.DIYALARMFORUM.COM

VISTA-50P/VISTA-50PUL Installation and Setup Guide
3-24
Connecting the Transformer
This product uses the 1361 transformer (1361CN in
Canada). If you are using X-10 devices, the 1361X10
transformer interface must be used instead of the
regular 1361 transformer. The 1361X10 supplies the
control panel with AC, and also sends control pulses
through the premises electrical system to control the X-
10 devices.
UL Use 1361CN Transformer in Canadian
installations.
Power Limiting Outputs
All outputs are power-limited as per UL985/UL1023.
The following table shows the maximum current that
may be drawn from each output.
Output Maximum Current Draw
Auxiliary Power 750mA
Polling Loop 64mA
Alarm Output 1.7A
For Household Fire or Combination Household
Fire/Burglary Installation: The total current drawn
from the auxiliary power, the polling loop, and the
alarm output combined must not exceed 750mA to
comply with the battery independence requirements in
UL985.
For Household Burglary-Only Installations: The
total current drawn from the alarm output may be up to
1.7A. A battery must be installed to supply the current
of the combined auxiliary power, polling loop, and
alarm output in excess of 750mA.
Failure to observe the polling loop current
rating will cause polling loop malfunction.
Failure to observe the auxiliary power current
rating will result in a battery that does not
charge properly or possibly a tripped circuit
breaker.
To connect the transformer to the control, perform the
following steps:
Step Action
1 Connect all installed devices to the control.
2 Wire the 1361 Transformer (1361CN in
Canada) to the panel (before connecting the
battery) as shown in Figure 3-28, or wire the
1361X10 Transformer as shown in Figure 3-
29 (if using X-10 devices).
3 Plug the transformer into a 24-hour,
uninterrupted, 120VAC, 60Hz outlet. After
a few seconds, the keypad display appears.
NO CONNECTION
TRANSFORMER
16.5VAC, 40VA
ADEMCO No.1361
or 1361X10, if X-10
DEVICES WILL BE USED.
Connect to
24hr. source
of AC mains
123
RED (+)BLK (-)
Connect to
12VDC, 4AH
or 12VDC, 7AH
GEL CELL
BATTERY
CHARGING
VOLTAGE
13.7VDC
NOTE:
WHEN POWERING UP
THE PANEL, PLUG THE
TRANSFORMER IN BEFORE
CONNECTING THE BATTERY.
BATTERY
TABS
PRIMARY POWER
Supplied by a transformer
which is rated at
16.5VAC, 40VA.
Caution must be taken when
wiring this transformer to the
panel to guard against blowing
the fuse inside the transformer
(non-replaceable).
pwr_bat_conn-001-V1
Figure 3-28: 1321 Transformer and Battery Connections
123456789
BLACK
BLUE
BROWN
GREEN
RED
WHITE
YELLOW
GRAY
VIOLET
4142TR CABLE
X10 TRANSFORMER/INTERFACE
TERMINALS
ON CONTROL
BOARD
1361X10-001-V0
J8 CONNECTOR
Figure 3-29: 1361X10 Transformer Connections
WWW.DIYALARMFORUM.COM

Section 3 - Installing the Control
3-25
Panel Earth Ground Connections
In order for the lightning transient protective devices in
this product to be effective, the designated earth ground
terminal (terminal 30) must be terminated in a good
earth ground. Recommended wire gauge for the ground
connection is #16 AWG, run no farther than 30 feet.
The following are examples of good earth grounds
available at most installations:
• Metal Cold Water Pipe: Use a noncorrosive metal
strap (copper is recommended) firmly secured to the
pipe to which the ground lead is electrically
connected and secured.
• AC Power Outlet Ground: Available from 3-
prong, 120VAC, power outlets only. To test the
integrity of the ground terminal, use a three-wire
circuit tester with neon lamp indicators, such as
the UL-Listed Ideal Model 61-035, or equivalent,
available at most electrical supply stores.
The panel requires the earth ground
connection for its lightning transient protection
devices.
Determining the Control’s Power Supply Load
Use the tables that follow to calculate the total current
for the Auxiliary Power, the Alarm Output, and the
Polling Loop. In each table, multiply each device’s
standby and/or alarm current by the number of units
used.
1. In Table 1, enter devices used on the polling loop.
Calculate total current draw on the polling loop.
Table 1: Total Polling Loop Current Draw
Polling Loop Device Current # of Units Total
Polling Loop Subtotal
(terminals 24 & 25 – 64mA) ✳
✳ The total current cannot exceed 64mA. If total load exceeds
64mA, then a 4297 Loop Extender Module can be used. Note
that the total number of points connected to the panel cannot
exceed 77.
2. In Table 2, enter devices used on Auxiliary Power.
Calculate standby and alarm currents, then add to
get Auxiliary Power current subtotal.
Table 2: Auxiliary Power Current Load
Total Current
Device
Model #
Device Current X
# of Units
Standby Alarm
Auxiliary Power Subtotal
(terminals 6 & 7 – 750mA max.)
WWW.DIYALARMFORUM.COM

VISTA-50P/VISTA-50PUL Installation and Setup Guide
3-26
3. In Table 3, enter devices connected to the Alarm
Output. Calculate alarm currents, then add to get
the Alarm Output current subtotal.
Table 3: Alarm Output Current Load
Total Current
Device
Model #
Device Current X
# of Units
Standby Alarm
XXXXXX
XXXXXX
XXXXXX
XXXXXX
XXXXXX
XXXXXX
XXXXXX
Alarm Output Subtotal
(terminals 4 & 5 – 1.7A max.)
4. In Table 4, enter the total calculated subtotals of
all listed outputs from Tables 1 through 3, then add
to get the combined current.
Table 4: Total VISTA-50P/VISTA-50PUL Current Load
Total Current
Standby Alarm
Polling Loop Subtotal (see Table 1)
Aux. Power Subtotal (see Table 2)
Alarm Output Subtotal (see Table 3)
VISTA-50P/VISTA-50PUL PCB
Current (Includes 2-wire smoke
detector loading on zone 1) 250mA 330mA
Total Current Load
Determining the Size of the Standby Battery
The cabinet supplied with the control panel can house
batteries of up to 12V, 14AH (two 12V, 7AH batteries
wired in parallel). The VISTA-ULKT kit provides a
cabinet that can house batteries of up to 12V, 17.2AH
and that may be used with this panel. The total
standby current drawn from the auxiliary power and
polling loop outputs combined must be limited to
270mA when 14AH batteries are used; and to 390mA
when 17.2AH batteries are used.
DO NOT use Gates batteries (sealed lead-acid
type). These batteries require a different
charging voltage than is supplied by the panel.
UL Household Fire or Combination
Household/Fire/Burglary installations require
the use of a backup battery that is capable of
providing 24 hours of standby time followed by
4 minutes of alarm time. UL1023 Household
Burglary-only installations require the use of a
backup battery that is capable of providing 4
hours of standby time followed by 4 minutes of
alarm time.
Use Table 5 to determine the required backup battery
capacity and use Table 6 to determine the battery
model number. A dual battery harness is supplied
that allows two batteries to be wired in parallel for
increased capacity.
5. Using the total calculated from Table 4, calculate
the battery capacity required for the installation.
Table 5: Battery Capacity Calculation Table
Capacity Formula Calculated
Value
Standby
Capacity
For 4-hour standby time:
Total standby current X 4 hours X
1.4 contingency factor.
For 24-hour standby time:
Total standby current X 24 hours
X 1.1 contingency factor.
Alarm
Capacity
For 4-, 5-, or 15-minute alarm time:
Total alarm curr. X 0.067 (4 min)
0.250 (15 min)
Total
Capacity
Add standby and alarm
capacities
WWW.DIYALARMFORUM.COM

Section 3 - Installing the Control
3-27
6. Use the Battery Selection Table to select the
appropriate battery for the installation.
Table 6: Battery Selection Table
Capacity Recommended Battery Comment
4AH Yuasa NP4-12
7AH Yuasa NP7-12
12AH Yuasa NP12-12 Fits in large
mercantile
cabinet only.
14AH Yuasa NP7-12 Connect two
in parallel.
17.2AH Yuasa NPG18-12 Fits in large
mercantile
cabinet only.
7. Connect the battery, referring to Figure 3-28.
The standby battery is automatically tested for
10 minutes every 4 hours, beginning 4 hours
after exiting Programming mode. In addition,
entry into the Test mode initiates a battery test.
WWW.DIYALARMFORUM.COM

VISTA-50P/VISTA-50PUL Installation and Setup Guide
3-28
WWW.DIYALARMFORUM.COM

4-1
SECTION 4
Programming
•••••••••••••••••••••••••••••••••••••••••••••••••
Program Modes
There are two programming modes for the VISTA-
50P/VISTA-50PUL. These are the Data Field Program
Mode and the #93 Menu Mode. The Data Field Program
Mode is where many system options are programmed.
The #93 Menu Mode is an interactive mode that
requires a 2-line alpha keypad (6139/6160).
The factory-loaded defaults (✳97) enable
keypad addresses 00-01 only. A keypad set to
one of these addresses must be used to
program the system initially.
Local keypad programming can be disabled
through Compass downloading software. If
this is done, Program mode can only be
accessed via the downloading software.
Entering and Exiting Programming Mode
Enter Programming mode using either method a or b:
a. Press both the [✳] and [#] keys at the same time
within 30 seconds after power is applied to the
control.
b. Enter the Installer Code + [8] + [0] + [0] keys.
The factory installer code can be changed once in
the Program mode (field ✳00).
NOTE: The default for the Installer Code is 4140.
Exit the Programming mode by either method a or b:
a. Press [✳] + [9] + [8]. Exiting by this method
prevents the installer code from being used to re-
enter Programming mode. Only method “a” can be
used to re-enter Programming mode.
b. Press [✳] + [9] + [9]. Exiting by this method
permits the installer code to be being used to re-
enter Programming mode.
Data Field Programming Mode
In the Data Field Program Mode you may access any
field simply by entering either [✳] or [#] + the field
number:
• To write or change information in a field press [✳]
+ the field number (✳03).
• To read the information in a field press [#] + the
field number (#03).
When the entries for a field are completed, the keypad
beeps three times and advances to the next field.
Summary of Data Field Programming Commands
✳91 Select partition for programming partition-specific fields
✳92 Display the software revision level of the control panel
✳93 Enter Menu mode programming
✳94 Go to next page of fields
✳99 Go back to previous page of fields or exit
Programming Mode with no installer code lockout
✳98 Exit Programming Mode with Installer Code lockout
Moving Between Programming Levels
The data fields are grouped into three levels (referred to
as “pages”). The first page is accessed as soon as
Programming Mode is entered.
The second and third pages of data fields are indicated
at the keypad by a 1 and 2, respectively, in front of the
2-digit field address. “ALT PROGRAM MODE” is
displayed along with a “100” or “200,” indicating which
page of program fields is accessed.
To access the next level of programming fields, perform
the following steps:
Step Action
1 Press ✳94.
2 Press [7] + [XX], where XX = the last two
digits of the program field, and make the
desired entry.
NOTES:
Press ✳94 to move to 2nd page, (fields 1✳01 - 1✳76);
press ✳99 to move back to 1st page.
Press ✳94 to move to 3rd page (fields 2✳00 - 2✳21);
press ✳99 to move back to 2nd page
Entry Errors
• If an address is improperly entered, the keypad
displays “FC.”
• If a program entry is improperly entered (for
example, a larger number than is permitted), the
keypad display will go blank.
In either of the above cases, simply re-enter [✳] + the
correct field number and then enter the correct data.
WWW.DIYALARMFORUM.COM

VISTA-50P/VISTA-50PUL Installation and Setup Guide
4-2
Programming System-Wide Data Fields
Values for some programming fields are system-wide
(global), and some can be different for each partition
(partition-specific).
The partition-specific programming fields are
automatically skipped when programming the
global fields. If the system has only 1 partition,
the partition-specific fields are not automatically
skipped.
To program system-wide data fields, perform the
following steps:
Step Action
1 Enter Program Mode: Installer Code + 8 0 0.
The following display appears:
Program Mode
✳Fill # View – 00
2 If the control has not been programmed before,
enter ✳97 to load factory defaults.
3 Press [✳] and enter the first field number to be
programmed (for example, ✳00, Installers
Code). Make the desired entry. When the field
is complete, the keypad beeps three times and
advances to the next field. If you do not want to
change the next field, press [✳] and enter the
next field number to be programmed.
First Page of fields
(✳00 - ✳90)
To change to the next page of fields, press ✳94.
To return to the previous page of fields, press
✳99.
4 Press ✳99 or ✳98 to exit Program Mode.
NOTE: If the number of digits that you enter in a data
field is fewer than the maximum permitted (for
example, a phone number), the keypad displays the last
entry and waits. To proceed, enter [✳] + the next data
field you wish to program.
Programming Partition-Specific Data Fields
To program partition-specific data fields once in
Program Mode, do the following:
Step Action
1 Enter Program Mode: Installer Code + 8 0 0
2 Press ✳91, which will prompt you for the
partition number desired.
3 Enter a partition-specific field number (e.g.,
✳09) to begin programming.
When the first field’s entry is completed, the
next partition-specific field is automatically
displayed. When all partition-specific fields
are programmed, the system returns to the
global programming fields (page 1 fields).
4 Repeat this procedure for each partition in
the installation.
NOTE: To return to the global program fields before
finishing all fields, enter any global field number.
Programming Partition-Specific Fields
Press ✳91 to select a partition.
p
Enter the partition to be programmed.
p
Enter a partition-specific field number and make
entry.
p
After partition-specific fields are programmed,
press ✳91 to select next partition.
Enter any global field number to return to the global
fields at any time.
#93 Menu Mode Programming
The #93 Menu Mode is an interactive mode through
which much of the system’s programming is done. In
this mode, there are “question and answer” prompts
that can be accessed once Data Field Program Mode has
been entered. These prompts require a 2-line alpha
keypad (6139/6160).
After programming all system-related programming
fields in the usual way, press #93 while still in
programming mode to display the first choice of the
menu-driven programming functions. Press 0 (NO) or 1
(YES) in response to the displayed menu selection.
Pressing 0 will display the next choice in sequence.
WWW.DIYALARMFORUM.COM

Section 4 – Programming
4-3
Below is a list of the main menus. For details refer to the VISTA-50P/VISTA-50PUL Programming Guide.
MAIN MENU OPTIONS
ZONE PROG?
1 = YES 0 = NO 0
For programming the following:
• Zone Number
• Zone Response Type
• Partition Number for Zone
• Dialer report code for zone
• Input Device Type for zone (whether RF, polling loop, etc.)
• Enrolling serial numbers of 5800 Series transmitters & serial polling loop devices into the system.
EXPERT MODE?
1 = YES 0 = NO 0
Same as Zone Programming except:
• Done with a minimum number of keystrokes.
• Can program wireless keys using pre-defined templates.
ALPHA PROG?
1 = YES 0 = NO 0
For entering alpha descriptors for the following:
• Zone Descriptors
• Installer’s Message
• Custom Words
• Partition Descriptors
• Relay Descriptors
DEVICE PROG?
1 = YES 0 = NO 0
For defining the following device characteristics for addressable devices, including keypads, RF
receivers (5881), output relay modules (4204), and 4285/4286 VIP Module:
• Device Address
• Device Type
• Keypad Options (including Partition assignment)
• RF House ID
RELAY PROG?
1 = YES 0 = NO 0
For defining output device functions.
RLY VOICE DESCR?
1 = YES 0 = NO 0
For entering voice descriptors for relays to be used with the 4285/4286 VIP Module.
CUSTOM INDEX ?
1 = YES 0 = NO 0
For creating custom word substitutes for VIP Module annunciation.
Following is a list of commands used while in the Menu Mode:
#93 Menu Mode Programming Commands
#93 Enters Menu Mode.
[✳] Serves as [ENTER] key. Press to have keypad accept entry.
[#] Backs up to previous screen.
0 Press to answer NO.
1 Press to answer YES.
00, or 000+[✳] Quits Menu Mode and goes back to Data Field Programming Mode, if entered at first prompt of each main menu option.
WWW.DIYALARMFORUM.COM

VISTA-50P/VISTA-50PUL Installation and Setup Guide
4-4
Zone Number Designations
The VISTA-50P/VISTA-50PUL supports up to 86 zones
of hardwire, polling loop and/or wireless protection,
distributed among up to 8 partitions. The following
table lists the zone numbers and the types of sensors
that can be used with each, and some alternate
functions of the zones.
Zone Function
1 2-wire Smoke Detectors (if used)
5 Audio Alarm Verification (if used)
7 Keyswitch (if used)
8 Latching-Type Glassbreak Detectors (if used)
1-9 Traditional Hardwired Zones
9 Selectable for fast response devices (if used)
1-86 5800 Series Wireless Devices
10-86 Polling Loop Devices
95 ✳ + 1 Panic
96 # + 3 Panic
99 ✳ + # Panic
Zone Defaults
Zone # Zone Type Zone # Zone Type
01 09 88 00
02 03 89 00
03 03 90 00
04 04 91 00
05 03 92* N/A
06 03 95 00
07 03 96 00
08 03 97 05
09 03 98 00
10–86 00 99 06
87 00
* Zone 992 is the Duress zone. Programming of the zone
response type is not applicable. This zone requires only the
report code programming.
Zone Index
The zones are designated as follows:
ZONE #
RANGE
ZONE
FUNCTION ACTUAL ZONE
01 – 86 Protection
zones
As indicated
87, 88, 89,
90, 91, 97
& 98
System
Supervisory
Zones
87: VIP Module Supervision
88: 2nd Wireless Receiver –
not receiving signals
89: 2nd Wireless Receiver –
not talking to control
90: 1st Wireless Receiver –
not receiving signals
91: 1st Wireless Receiver –
not talking to control
97: Polling Loop (short
circuit)
98: Bell Supervision
92, 95 – 99 Duress and
Keypad Panics
92: Duress
95: 1 + ✳ panic (A key)
96: 3 + # panic (C key)
99: ✳ + # panic (B key)
Supervisory zones should be given a response type of 05
(Trouble by Day, Alarm by Night).
Communication Defaults
*45 PRIMARY FORMAT [1] ADEMCO Contact ID
*46 LOW SPEED FORMAT (Prim) [0] ADEMCO Low Speed
*47 SECONDARY FORMAT [1] ADEMCO Contact ID
*48 LOW SPEED FORMAT (Sec.) [0] ADEMCO Low Speed
*49 CHECKSUM VERIFICATION [0] [0]
No checksum Primary Secondary
*50 SESCOA/RADIONICS SEL. [0] Radionics
*51 DUAL REPORTING [0] no
*52 STANDARD/EXPANDED REPORT FOR PRIMARY
[0] [0] [0] [0] [0] [0] standard
Alarm Rstr Bypass Trbl Opn/Cls Low Bat
*53 STANDARD/EXPANDED REPORT FOR SECONDARY
[0] [0] [0] [0] [0] [0] standard
Alarm Rstr Bypass Trbl Opn/Cls Low Bat
WWW.DIYALARMFORUM.COM

Section 4 – Programming
4-5
Communication Defaults for Zones
ZONE # 1st 2nd ZONE # 1st 2nd ZONE # 1st 2nd ZONE # 1st 2nd
1 01 00 27 12 00 53 08 00 79 04 00
2 02 00 28 13 00 54 09 00 80 05 00
3 03 00 29 14 00 55 10 00 81 06 00
4 04 00 30 15 00 56 11 00 82 07 00
5 05 00 31 01 00 57 12 00 83 08 00
6 06 00 32 02 00 58 13 00 84 09 00
7 07 00 33 03 00 59 14 00 85 10 00
8 08 00 34 04 00 60 15 00 86 11 00
9 09 00 35 05 00 61 01 00 87 00 00
10 10 00 36 06 00 62 02 00 88 00 00
11 11 00 37 07 00 63 03 00 89 00 00
12 12 00 38 08 00 64 04 00 90 00 00
13 13 00 39 09 00 65 05 00 91 00 00
14 14 00 40 10 00 66 06 00 92 (DURESS) 11 00
15 15 00 41 11 00 67 07 00 95 00 00
16 01 00 42 12 00 68 08 00 96 00 00
17 02 00 43 13 00 69 09 00 97 00 00
18 03 00 44 14 00 70 10 00 98 00 00
19 04 00 45 15 00 71 11 00 99 06 00
20 05 00 46 01 00 72 12 00 ALARM RST. 00 00
21 06 00 47 02 00 73 13 00 TROUBLE 00 00
22 07 00 48 03 00 74 14 00 TRBLE. RST 00 00
23 08 00 49 04 00 75 15 00 BYPASS 00 00
24 09 00 50 05 00 76 01 00 BYP. RST. 00 00
25 10 00 51 06 00 77 02 00
26 11 00 52 07 00 78 03 00
Zone Response Type Definitions
Each zone must be assigned a zone type, which defines
the way in which the system responds to faults in that
zone. There are three keypad-activated zones (panic
keys; see note) for each partition, a polling loop
supervision zone, and four RF supervisory zones, two
for each RF receiver installed. Zone types are defined
below.
Type 00: Zone Not Used
Program with this zone type if the zone is not used.
Type 01: Entry/Exit #1 Burglary
Provides entry delay whenever the zone is faulted and
the system is armed in the AWAY or STAY mode. When
the panel is armed in the INSTANT or MAXIMUM
mode, no entry delay is provided. Exit delay begins
whenever the control is armed, regardless of the arming
mode selected. These delays are programmable.
Assign this zone type to zones that are used for primary
entry to and exit from the facility.
Type 02: Entry/Exit #2 Burglary
Provides a secondary entry delay, if the system is
armed in the AWAY or STAY modes and the zone is
faulted. When the panel is armed in the INSTANT or
MAXIMUM mode, no entry delay is provided.
Secondary exit delay begins whenever the control is
armed, regardless of the arming mode selected. These
delays are programmable.
Assign this zone type to zones that are used for entry
and exit of the facility and require more time than the
primary entry and exit point. Delay times for this zone
type must be greater than those for zone type 01 (e.g., a
garage, loading dock, or basement door).
Type 03: Perimeter Burglary
Provides an instant alarm if the zone is faulted and the
system is armed in the AWAY, STAY, INSTANT, or
MAXIMUM mode.
Assign this zone type to all exterior door and window
zones.
WWW.DIYALARMFORUM.COM

VISTA-50P/VISTA-50PUL Installation and Setup Guide
4-6
Type 04: Interior Follower
Provides a delayed alarm (using the programmed entry
delay time) if an entry/exit zone is faulted first.
Otherwise it produces an instant alarm. It is active
when the system is armed in the AWAY or MAXIMUM
mode, but the MAXIMUM mode eliminates the entry
delay.
Interior Follower zones are automatically bypassed
when the panel is armed in the STAY or INSTANT
mode.
Assign this zone type to a zone covering an area such as
a foyer, lobby, or hallway through which one must pass
upon entry or exit (to and from the keypad).
Type 05: Trouble by Day/Alarm by Night
Provides an instant alarm if the zone is faulted and the
system is armed in the AWAY, STAY, INSTANT, or
MAXIMUM mode. During the disarmed state (day), the
system annunciates a latched trouble sounding from
the keypad (and a central station report, if desired).
Assign this zone type to a zone that contains a foil-
protected door or window (such as in a store), or to a
zone covering a sensitive area such as a stock room or
drug supply room. It can also be used on a zone in an
area where immediate notification of an entry is
desired.
Type 06: 24-Hour Silent Alarm
Sends a report to the central station but provides no
keypad display or sounding. Assign this zone type to a
zone containing an Emergency button.
Type 07: 24-Hour Audible Alarm
Sends a report to the central station and provides an
alarm sound at the keypad and an audible external
alarm. Assign this zone type to a zone containing an
Emergency button.
Type 08: 24-Hour Auxiliary Alarm
Sends a report to central station and provides an alarm
sound at the keypad only. (No bell output is
provided.) Assign this zone type to a zone an
Emergency button or one containing monitoring devices
such as water sensors or temperature sensors.
Type 09: Supervised Fire (Without Verification)
Provides a fire alarm on a short circuit and a trouble
condition on open circuit. A fire alarm produces a
pulsing of the bell output. A zone of this type is always
active and cannot be bypassed.
Type 10: Interior with Delay
Provides entry and exit delays (using the programmed
entry and exit delay times) when armed in the AWAY
mode. Provides only exit delay when armed in the
MAXIMUM mode (no entry delay).
Interior with Delay zones are automatically bypassed
when the panel is armed in the STAY or INSTANT
mode. Delay begins whenever sensors in this zone are
violated, regardless of whether or not an entry/exit
delay zone was tripped first.
Assign this zone type to a zone covering an area such as
a foyer, lobby, or hallway through which one must pass
upon entry or exit (to and from the keypad).
Type 20: Arm-STAY (5800 Series devices only)
Causes the system to arm in the STAY mode when the
zone is activated.
Type 21: Arm-AWAY (5800 Series devices only)
Causes the system to arm in the AWAY mode when the
zone is activated.
Type 22: Disarm (5800 Series devices only)
Causes the system to disarm when the zone is
activated.
Type 23: No Alarm Response
Used on a zone when an output relay action is desired,
but with no accompanying alarm (e.g., for lobby door
access).
NOTE FOR PANIC KEYS: Keypad panic zones share the same
zone response type for all 8 partitions, but panics may be
individually enabled for each partition.
IMPORTANT! FAULT ANNUNCIATION
Polling loop and RF troubles (zones 88, 89, 90, 91, and 97) report
as trouble conditions only, and as such, should be assigned zone
type 05 if annunciation is desired. See Polling Loop Supervision
and RF System Operation and Supervision in SECTION 3
Installing the Control for more information.
Zone Input Type Definitions
Each zone must be assigned an input type, which
defines the where the system will “look” for status of the
zone (RF receiver, polling loop, etc.). Zone input types
are defined below.
Type 01 Hardwired (HW)
Reserved for the built-in hardwired zones 1-9.
Type 03 Supervised RF (RF)
Select for 5800 Series RF transmitters that will be
supervised for check-in signals. The transmitter must
remain within the receiver’s range.
Type 04 Unsupervised RF (UR)
Select for 5800 Series RF transmitters that will not be
supervised for check-in signals. The transmitter may
therefore be carried off-premises.
WWW.DIYALARMFORUM.COM

Section 4 – Programming
4-7
Type 05 Unsupervised Button RF (BR)
Select for 5800 Series RF transmitters specifically
designed for this input type. Check the transmitter’s
instructions for proper programming of the input type.
These transmitters send only fault signals. They do not
send low-battery signals until they are activated. The
transmitter may be carried off-premises.
Type 06 Serial Number Polling Loop (SL)
Select for polling loop devices with a built-in serial
number.
Type 07 DIP Switch Loop (DP)
Select for polling loop devices that use DIP switches for
programming the zone number of the device.
Type 08 Polling Loop Right Loop (PS)
Select for the second loop of two-zone polling loop
devices (e.g., 4190WH; 4278).
Programming for 4100SM
• 1✳70 Event Log Types (1=enable; 0=disable
• 1✳71 12/24-Hour Time Stamp (0=12 hr; 1=24 hr)
• 1✳72 Printer On-line (0=disable; 1=enable)
• 1✳73 Printer Baud Rate (0=1200; 1=300)
Programming for Access Control
The VISTA-50P/VISTA-50PUL can be used to trigger
an access point (i.e., door strike) for 2 seconds by
entering User Code + [0].
To program the VISTA-50P/VISTA-50PUL for Stand-
Alone access control, perform the following steps:
Step Action
1 Enter Output Programming in the #93 Menu
Mode.
2 Program the output type as 1, or 2.
3 For type 1, program the ECP address and
relay number.
4 For type 2, program the house and unit codes.
5 Program the relay number in field 1∗76
(partition-specific).
See Output Programming in the Programming Guide for
a detailed explanation.
WWW.DIYALARMFORUM.COM

VISTA-50P/VISTA-50PUL Installation and Setup Guide
4-8 WWW.DIYALARMFORUM.COM

5-1
SECTION 5
Data Field Descriptions
•••••••••••••••••••••••••••••••••••••••••••••••••
About Data Field Programming
The following pages list this control’s data fields in numerical order. Field numbers are listed in the left column, followed
by a “Title and Data Entries column, which lists the valid entries for each field. Experienced installers can simply follow
this column when programming the data fields. The “Explanation” column provides explanatory information and special
notes where applicable.
NOTE: Refer to the Programming Guide for the default values. They are not listed in this section.
Use the Programming Guide to record the data for this installation.
Programming Data Fields
Data field programming involves making the appropriate entries for each of the data fields. Start Data Field
programming by entering the installer code + 8 + 0 + 0.
FIELD TITLE and DATA ENTRIES EXPLANATION
*00 Installer Code
Enter 4 digits, 0-9
The Installer Code is a 4-digit code reserved for installation company use.
This is the only code that can be used to enter the Program Mode from
the keypad. This code cannot be used to disarm the system if it isn’t used
to arm the system. This code cannot be used to re-enter Program Mode if
Program Mode is exited by the *98 command.
*02 Response Types for Zones 01–08
Skip this field. Use #93 Menu Mode, Zone Programming to program the
response types. Refer to the Programming Guide for details.
*03 Response Types for Zones 09–16
Skip this field. Use #93 Menu Mode, Zone Programming to program the
response types. Refer to the Programming Guide for details.
*04 Response Types for Zones 17–24
Skip this field. Use #93 Menu Mode, Zone Programming to program the
response types. Refer to the Programming Guide for details.
*05 Response Types for Zones 25–
27, 97, 95, 96, and 99
Skip this field. Use #93 Menu Mode, Zone Programming to program the
response types. Refer to the Programming Guide for details.
*09 Entry Delay #1 (partition-specific)
Enter 02-15 multiplied by 15 seconds.
00 = no delay.
Entry delay defines the delay time that allows users to re-enter the
premises through a door that has been programmed as an entry delay
door and disarm the system without sounding an alarm. The system must
be disarmed within this period or an alarm will occur.
NOTE: The delay may not exceed 45 seconds for UL installations.
*10 Exit Delay #1 (partition-specific)
Enter 03-15 multiplied by 15 seconds.
00 = no delay.
Exit delay defines the delay period that allows users to leave the premises
through a door that has been programmed as an entry/exit delay door
after arming the system without setting off the alarm.
*11 Entry Delay #2 (partition-specific)
Enter 02-15 multiplied by 15 seconds.
00 = no delay.
Entry Delay #2 is used for a secondary door requiring a longer delay than
those assigned to Entry Delay #1.
NOTE: The delay may not exceed 45 seconds for UL installations.
WWW.DIYALARMFORUM.COM

VISTA-50P/VISTA-50PUL Installation and Setup Guide
5-2
FIELD TITLE and DATA ENTRIES EXPLANATION
*12 Exit Delay #2 (partition-specific)
Enter 03-15 multiplied by 15 seconds.
00 = no delay.
Exit Delay #2 is used for a secondary door requiring a longer delay than
those assigned to Exit Delay #1.
NOTE: The delay may not exceed 60 seconds for UL installations.
*13 Alarm Sounder Duration
(partition-specific)
Enter 01-15 multiplied by 2 minutes.
00 = no timeout.
Defines the length of time the Bell Output and the keypad’s sounder will
sound for all audible alarms.
Must be minimum 16 minutes for UL Commercial Burglary installations.
*14 Zone 9 Fast/Slow Response
0 = slow 350ms
1 = fast 10ms
Select the response time for devices connected to zone 9.
*15 Keyswitch Assignment
Enter 1-8 partition keyswitch is being used.
Enter 0 if the keyswitch is not used.
The keyswitch requires the use of zone 7 wired loop (zone 7 is no longer
available as protection zone). The fire and panic alarm voltage triggers
(J7) automatically become ARMING and READY status outputs for the
Keyswitch LEDs.
Openings/closing report as user “0” if enabled in field *40.
*16 Confirmation of Arming Ding
(partition-specific)
0 = disable
1 = enable
If enabled, produces ½-second external alarm sounding (“ding”) at the end
of exit delay (or after kissoff from the central station, if sending closing
reports).
Must be 1 for UL installations.
*17 AC Loss Keypad Sounding
0 = disable
1 = enable
If enabled, sounding at the keypad (rapid beeping) occurs when AC power
is lost (sounding occurs about 2 minutes after actual AC loss).
*19 Randomize AC Loss Report
0 = disable
1 = enable
If enabled, randomizes AC loss reporting between 10 and 40 min. after an
actual AC loss.
If disabled, AC loss reporting about 2 minutes after actual AC loss.
Selecting this option helps prevent an overload of AC loss messages at the
central station during a community blackout.
*20 VIP Module Phone Code
1-9 = first digit of access code
or # = second digit of access code (enter #
+11 for “∗”, or # +12 for “#”)
To disable enter 00 for the 1st digit
If a 4285/4286 Voice Module is being used, enter the 2-digit phone code
used to access the system.
Must be disabled for UL installations.
*21 Prevent Fire Timeout
0 = disable (timeout)
1 = enable (no timeout)
If enabled, there is no timeout of the alarm sounder duration for all fire
zones, regardless of partition, so that fire sounding continues until the
system is reset.
If disabled, (timeout) the normal burglary sounder duration (field ✳13)
applies to fire alarms.
*22 Keypad Panic Enables (partition-
specific)
0 = disable
1 = enable
If enabled, the keypad panics (zones 995, 996, and 999) may be used in
this partition. There are 3 entries in this field, one for each panic.
*23 Multiple Alarms (partition-
specific)
0 = disable
1 = enable
If enabled, allows more than one alarm sounding for a given zone during
an armed period.
NOTE: that multiple alarm soundings will not occur more frequently
than allowed by the programmed alarm sounder duration. This has no
impact on the number of communication messages transmitted.
Must be 1 for UL installations.
WWW.DIYALARMFORUM.COM

Section 5 – Data Field Descriptions
5-3
FIELD TITLE and DATA ENTRIES EXPLANATION
*24 Ignore Expansion Zone Tamper
0 = disable (tamper detection)
1 = enable (no tamper detection)
If disabled, the system monitors the tampers on expansion zones.
NOTE: Only applicable to certain polling loop sensors with tamper
switches or 5800 Series transmitters.
Must be 0 for UL installations.
*25 Burglary Trigger for Response
Type 8
0 = disable
1 = enable
If enabled, allows triggering of Output 3 (pin 7) of the J7 header to
include zone response type 8 (24-hr. auxiliary).
*26 Intelligent Test Report
0 = disable
1 = enable
If enabled, no test report is sent if any other type of report was sent since
the last test report.
If disabled, test reports are sent at the set intervals, regardless of
whether or not any other report has been sent.
Must be 0 for UL applications.
*27 Test Report Interval
Enter 001-999 for the test report interval in
hours.
Enter 000 for test reporting.
If a test report is desired, enter a test code in Report Code Programming
in #93 Menu Mode. Set first test report time in field *83.
Maximum Test report interval is 0024 for UL installations.
*28 Power-Up in Previous State
0 = disable
1 = enable
If enabled, the system, upon power-up, reverts to its status prior to a
complete power loss.
If disabled, the system always powers up in a disarmed state.
NOTE: Neither authority level 0 nor 5 can be used to disarm the system
if the control powers up armed.
Must be 1 for UL applications.
*29 Quick Arm (partition-specific)
0 = disable
1 = enable
If enabled, allows arming of the burglary system in AWAY, STAY,
INSTANT, or MAXIMUM mode by using the [#] key instead of the user
code.
NOTES:
When armed, the system reports closing as User 0 if Open/Close reporting
for User #2 (typically a Master level user) was enabled for a given
partition.
If Quick Arm is used, the Installer Code and Authority Level 5 codes
cannot disarm the system.
TouchTone or Rotary Dial
0 = disable
1 = enable
Select the dialing method for the system
If you select TouchTone, make sure the subscriber has requested and is paying for TouchTone service. Note that
whether or not TouchTone dialing for call placement is permitted, communication by the use of DTMF signaling
(ADEMCO High Speed) will still take place. See field 1*33 for TouchTone w/Rotary backup
*30
*31 PABX Access Code
Enter 00-09; B-F (11-15)
This field is used to enter up to four 2-digit numbers representing the
prefix needed to obtain an outside telco line. If not required, enter
nothing and proceed to next field.
*32 Primary Subscriber’s Account
Number (partition-specific)
Enter 00-09; B-F (11-15)
Enter a 3- or 4-digit (depending on report format) primary subscriber
account number. Each number requires a 2-digit entry so as to allow
entry of hexadecimal digits (B-F). If a 3-digit account number is to be
used, enter data only in the first 3 locations, and enter * in the fourth
location.
WWW.DIYALARMFORUM.COM

VISTA-50P/VISTA-50PUL Installation and Setup Guide
5-4
FIELD TITLE and DATA ENTRIES EXPLANATION
*33 Primary Phone Number
Enter 0-9; #11 for *, #12 for #, #13 for a 2-
second pause.
Enter the primary central station phone number, up to 17 digits. This is
the phone number the control will use to transmit Alarm and status
messages to the central station. Do not fill unused spaces.
NOTE: Backup reporting is automatic only if a secondary phone number
is entered.
*34 Secondary Phone Number
Enter 0-9; #11 for *, #12 for #, #13 for a 2-
second pause.
Enter the secondary phone number, up to 17 digits. The secondary phone
number is used if communication on the primary number is unsuccessful,
or if split/dual reporting is desired. Do not fill unused spaces.
NOTE: If this field is programmed, a secondary subscriber account
number (field *90) must also be programmed.
*35 Download Phone Number
Enter 0-9; #11 for *, #12 for #, #13 for a 2-
second pause.
Enter the downloading phone number, up to 17 digits. Do not fill unused
spaces.
NOTE: This field is applicable only if downloading is utilized.
*36 Download ID Number
Make entries as 2-digit numbers as follows:
00=0 01=1 02=2 03=3 04=4 05=5
06=6 07=7 08=8 09=9 10=A 11=B
12=C 13=D 14=E 15=F
Enter eight digits.
NOTE: This field is applicable only if downloading is utilized.
*37 Download Command Enables
0 = disable
1 = enable
Enabling a function means that you are able to perform that function via
the Compass Downloading software.
Functions are as follows: Dialer Shutdown; System Shutdown; Not Used;
Remote Bypass; Remote Disarm; Remote Arm; Upload Program;
Download Program.
For UL installations, all entries must be 0.
*38 Prevent Zone XX Bypass
(partition-specific)
Enter a zone number (01-86).
Enter 00 if all zones (except fire zones) can
be bypassed.
Enter two digits for zone that cannot be bypassed by the user.
NOTES:
The actions manual bypass, and STAY/INSTANT arming modes cannot
bypass any zone programmed in this field.
*39 Enable Open/Close Report for
Installer Code (partition-specific)
0 = disable
1 = enable
If enabled, whenever the Installer Code is used to arm or disarm the
partition, an open/close report is sent to the central station.
*40 Enable Open/Close report for
Keyswitch
0 = disable
1 = enable
If enabled, whenever the keyswitch is used to arm or disarm the partition,
an open/close report is sent to the central station.
*41 Normally Closed or EOLR (Zones
2-8)
0 = disable
1 = enable
If disabled, end-of-line resistors must be used on zones 2-8.
If enabled end-of-line resistors cannot be used and only normally closed
devices must be used.
Must be 0 for UL installations.
*42 Dial Tone Pause
Enter the wait time for dial tone detection:
0 = 5 seconds; 1 = 11 seconds; 2 = 30
seconds.
Enter the time the system waits for dial tone before dialing. Applies if
true dial tone is not selected in field *43.
Must be 0 for UL installations.
WWW.DIYALARMFORUM.COM

Section 5 – Data Field Descriptions
5-5
FIELD TITLE and DATA ENTRIES EXPLANATION
*43 Dial Tone Detection
0 = disable
1 = enable
If enabled, the system waits for true dial tone. If no dial tone is detected,
control dials at end of pause programmed in field *42.
If disabled, the system pauses for seconds entered in field *42, then dials.
NOTE: Disabling may be necessary in high-noise environment telco
networks where noise can be confused with dial tone, resulting in
premature dialing.
*44 Ring Detection Count
Enter 00 to disable ring detection.
Enter 01-14 for ring counts of 1-14.
Enter 15 to select Answering Machine
Defeat Mode
Only applicable if using a 4285/4286 VIP Module and/or if station-
initiated downloading will be used.
NOTES:
Do not enter 00 if a 4285/4286 is installed.
In the Answering Machine Mode, the caller should let the phone ring
once, then hang up, and call again within 30 seconds. The system, upon
hearing one ring followed by nothing, does not answer the first call, but
readies itself to pick up on the first ring of the next incoming call that is
received within 30 seconds (i.e., the downloader calling again).
Must be 00 for UL installations.
*45 Primary Format
0=Low Speed; 1=Contact ID; 2=ADEMCO
High Speed; 3=ADEMCO Express
Enter the reporting format for the primary telephone number.
*46 Low Speed Format (Primary)
0 = ADEMCO Low Speed
1 = Sescoa/Radionics
Enter the low speed format for the primary telephone number.
*47 Secondary Format
0=Low Speed; 1=Contact ID; 2=ADEMCO
High Speed; 3=ADEMCO Express
Enter the reporting format for the secondary telephone number.
*48 Low Speed Format (Secondary)
0 = ADEMCO Low Speed
1 = Sescoa/Radionics
Enter the low speed format for the secondary telephone number.
*49 Checksum Verification
Enter 2 digits, one for the primary and one
for the secondary.
0 = disable
1 = enable
If enabled, the system for either or both primary/secondary formats sends
a verification digit to validate the message at the receiver without having
to send two message rounds. Selection is valid for 3+1, 4+1, and 4+2
reports.
*50 Sescoa/Radionics Select
0 = disable
1 = enable
If disabled, selects Radionics, which uses hexadecimal 0-9, B-F reporting.
If enabled, selects Sescoa, which uses only numeric reporting (0-9).
NOTE: The selection applies to both primary and secondary phone
numbers.
*51 Dual Reporting
0 = disable
1 = enable
If enabled, all reports are to be sent to both primary and secondary phone
numbers.
NOTE: If used with Split Reporting option 1 (1*34), alarms go to both
primary and secondary numbers, while all other reports go to secondary
only. If used with Split Reporting option 2, alarms go to both lines,
open/close and test messages go to secondary only, while all other reports
go to primary.
*52 Standard/Expanded Reporting
Primary
0 = disable
1 = enable
This field has six entries as follows: Alarm, Restore, Bypass, Trouble,
Open/Close, Low Battery. If enabled, expanded reports are sent to the
primary phone number if low speed format is selected in field *45.
NOTE: Expanded overrides 4+2 format.
WWW.DIYALARMFORUM.COM

VISTA-50P/VISTA-50PUL Installation and Setup Guide
5-6
FIELD TITLE and DATA ENTRIES EXPLANATION
*53 Standard/Expanded Reporting
Secondary
0 = disable
1 = enable
This field has six entries as follows: Alarm, Restore, Bypass, Trouble,
Open/Close, Low Battery. If enabled, expanded reports are sent to the
secondary phone number if low speed format is selected in field *47.
NOTE: Expanded overrides 4+2 format.
*54 Alarm Code for Zones 01–08
Skip this field. Use #93 Menu Mode, Zone Programming to program the
response types. Refer to the Programming Guide for details.
*55 ID Digit for Zones 01–08
Skip this field. Use #93 Menu Mode, Zone Programming to program the
response types. Refer to the Programming Guide for details.
*56 Alarm Code for Zones 09–16
Skip this field. Use #93 Menu Mode, Zone Programming to program the
response types. Refer to the Programming Guide for details.
*57 ID Digit for Zones 09–16
Skip this field. Use #93 Menu Mode, Zone Programming to program the
response types. Refer to the Programming Guide for details.
*58 Supervisory and Restore Codes
for Zones 01–16
Enter 00-15.
This field has five two-digit entries as follows: Alarm Restore, Trouble,
Trouble Restore, Bypass, and Bypass Restore. Enter the report code 01-15
for each type of report. Enter 00 for no report.
NOTE: Each report code is the same for zones 01-16. When using 4+2
format, the system uses the ID digit of the zone (fields *55 and *57).
*59 Alarm Code for Zones 17–24
Skip this field. Use #93 Menu Mode, Zone Programming to program the
response types. Refer to the Programming Guide for details.
*60 ID Digit for Zones 17–24
Skip this field. Use #93 Menu Mode, Zone Programming to program the
response types. Refer to the Programming Guide for details.
*61 Alarm Code for Zones 25–32
Skip this field. Use #93 Menu Mode, Zone Programming to program the
response types. Refer to the Programming Guide for details.
*62 ID Digit for Zones 25–32
Skip this field. Use #93 Menu Mode, Zone Programming to program the
response types. Refer to the Programming Guide for details.
*63 Supervisory and Restore Codes
for Zones 17–32
Enter 00-15.
This field has five two-digit entries as follows: Alarm Restore, Trouble,
Trouble Restore, Bypass, and Bypass Restore. Enter the report code 01-15
for each type of report. Enter 00 for no report.
NOTE: Each report code is the same for zones 17-32. When using 4+2
format, the system uses the ID digit of the zone (fields *60 and *62).
*64 Alarm Code for Zones 33–40
Skip this field. Use #93 Menu Mode, Zone Programming to program the
response types. Refer to the Programming Guide for details.
*65 ID Digit for Zones 33–40
Skip this field. Use #93 Menu Mode, Zone Programming to program the
response types. Refer to the Programming Guide for details.
*66 Alarm Code for Zones 41–48
Skip this field. Use #93 Menu Mode, Zone Programming to program the
response types. Refer to the Programming Guide for details.
*67 ID Digit for Zones 41–48
Skip this field. Use #93 Menu Mode, Zone Programming to program the
response types. Refer to the Programming Guide for details.
*68 Supervisory and Restore Codes
for Zones 33–48
Enter 00-15.
This field has five two-digit entries as follows: Alarm Restore, Trouble,
Trouble Restore, Bypass, and Bypass Restore. Enter the report code 01-15
for each type of report. Enter 00 for no report.
NOTE: Each report code is the same for zones 33-48. When using 4+2
format, the system uses the ID digit of the zone (fields *65 and *67).
WWW.DIYALARMFORUM.COM

Section 5 – Data Field Descriptions
5-7
FIELD TITLE and DATA ENTRIES EXPLANATION
*69 Alarm Code for Zones 49–56
Skip this field. Use #93 Menu Mode, Zone Programming to program the
response types. Refer to the Programming Guide for details.
*70 ID Digit for Zones 49–56
Skip this field. Use #93 Menu Mode, Zone Programming to program the
response types. Refer to the Programming Guide for details.
*71 Alarm Code for Zones 57–64
Skip this field. Use #93 Menu Mode, Zone Programming to program the
response types. Refer to the Programming Guide for details.
*72 ID Digit for Zones 57–64
Skip this field. Use #93 Menu Mode, Zone Programming to program the
response types. Refer to the Programming Guide for details.
*73 Supervisory and Restore Codes
for Zones 49–64
Enter 00-15.
This field has five two-digit entries as follows: Alarm Restore, Trouble,
Trouble Restore, Bypass, and Bypass Restore. Enter the report code 01-15
for each type of report. Enter 00 for no report.
NOTE: Each report code is the same for zones 49-64. When using 4+2
format, the system uses the ID digit of the zone (fields *70 and *72).
*74 Alarm Code for Zones 81–88
Skip this field. Use #93 Menu Mode, Zone Programming to program the
response types. Refer to the Programming Guide for details.
*75 ID Digit for Zones 81–88
Skip this field. Use #93 Menu Mode, Zone Programming to program the
response types. Refer to the Programming Guide for details.
*76 Alarm Code for Zones 89–99
Skip this field. Use #93 Menu Mode, Zone Programming to program the
response types. Refer to the Programming Guide for details.
*77 ID Digit for Zones 89–99
Skip this field. Use #93 Menu Mode, Zone Programming to program the
response types. Refer to the Programming Guide for details.
*78 Supervisory and Restore Codes
for Zones 81–99
Enter 00-15.
This field has five two-digit entries as follows: Alarm Restore, Trouble,
Trouble Restore, Bypass, and Bypass Restore. Enter the report code 01-15
for each type of report. Enter 00 for no report.
NOTE: Each report code is the same for zones 17-32. When using 4+2
format, the system uses the ID digit of the zone (fields *75 and *77).
*79 Zone Type Restores for Zone
Types 1-8
0 = disable
1 = enable
This field has eight entries, one for each zone type. Select the zone types
that will send Restore reports.
*80 Zone Type Restores for Zone
Types 9, and 10
0 = disable
1 = enable
This field has three entries, one for each zone type. Select the zone types
that will send Restore reports.
*81 Non-Alarm Report Codes (First
Digit)
Enter 00-15.
This field has ten two-digit entries as follows: Close, Open Low Battery,
Low Battery Restore, AC Loss, AC Restore, Test, Power-up, Cancel, and
Program Tamper. Enter the report code 01-15 for each type of report.
Enter 00 for no report.
*82 Non-Alarm Report Codes
(Second Digit)
Enter 00-15.
This field has ten two-digit entries as follows: Close, Open, Low Battery,
Low Battery Restore, AC Loss, AC Restore, Test, Power-up, Cancel, and
Program Tamper. Enter the report code 01-15 for each type of report.
Enter 00 for no report.
WWW.DIYALARMFORUM.COM

VISTA-50P/VISTA-50PUL Installation and Setup Guide
5-8
FIELD TITLE and DATA ENTRIES EXPLANATION
*83 First Test Report Time
Enter 00-07the for day (01 = Monday)
Enter 00-23 for the hour
Enter 00-59 for the minutes
Enter the day and time that the first Test report shall be transmitted.
Enter 00 in all locations if the Test report is to be sent immediately upon
exiting. Enter 00 in the day location if the report is to be sent at the next
occurrence of the time that is set.
*84 Swinger Suppression (partition-
specific)
Enter 01-15.
Enter 00 for unlimited reports
This option limits the number of messages (alarms or troubles) sent for a
specific zone in an armed period. The system automatically resets the
shutdown for a zone after 48 hours if there are no trips on any zone.
Must be 00 for UL installations.
*85 Enable Dialer Reports for Panics
& Duress (partition-specific)
0 = disable
1 = enable
This field has four entries as follows: Zone 995, 996, 999, Duress Enable
for each partition that the panics and duress reporting is desired.
NOTE: Non-zero report code must be assigned to zone 992 (duress) to
enable Duress reporting.
*87 Entry Warning (partition-specific)
0 = 3 short beeps
1 = slow continuous beeps
Select the type of warning for the entry delay period.
*88 Burglary Alarm Communicator
Delay (partition-specific)
0 = no delay
1 = 16-second delay
Select the delay, if any, for burglary alarm communications.
Must be 0 for UL installations.
*89 Restore Report Timing
0 = instant
1 = after bell timeout
2 = when system is disarmed
Select the time when restore reports are sent after an alarm.
Must be 2 for UL installations.
*90 Secondary Subscriber Account
Number (partition-specific)
Enter 00-09; B-F (11-15)
Enter a 3- or 4-digit (depending on report format) primary subscriber
account number. Each number requires a 2-digit entry so as to allow
entry of hexadecimal digits (B-F). If a 3-digit account number is to be
used, enter data only in the first 3 locations, and enter * in the fourth
location.
NOTE: This field must be programmed if a secondary phone number is
used (field *34). This account number can be the same as the primary
account number.
1*01 Response Types for Zones 28–32
Skip this field. Use #93 Menu Mode, Zone Programming to program the
response types. Refer to the Programming Guide for details.
1*02 Response Types for Zones 33–40
Skip this field. Use #93 Menu Mode, Zone Programming to program the
response types. Refer to the Programming Guide for details.
1*03 Response Types for Zones 41–48
Skip this field. Use #93 Menu Mode, Zone Programming to program the
response types. Refer to the Programming Guide for details.
1*04 Response Types for Zones 49–56
Skip this field. Use #93 Menu Mode, Zone Programming to program the
response types. Refer to the Programming Guide for details.
1*05 Response Types for Zones 57–64
Skip this field. Use #93 Menu Mode, Zone Programming to program the
response types. Refer to the Programming Guide for details.
1*06 Response Types for Zones 65–72
Skip this field. Use #93 Menu Mode, Zone Programming to program the
response types. Refer to the Programming Guide for details.
1*07 Response Types for Zones 73–80
Skip this field. Use #93 Menu Mode, Zone Programming to program the
response types. Refer to the Programming Guide for details.
WWW.DIYALARMFORUM.COM

Section 5 – Data Field Descriptions
5-9
FIELD TITLE and DATA ENTRIES EXPLANATION
1*08 Response Types for Zones 81–87
Skip this field. Use #93 Menu Mode, Zone Programming to program the
response types. Refer to the Programming Guide for details.
1*09 Response Types for Zones 88–91
Skip this field. Use #93 Menu Mode, Zone Programming to program the
response types. Refer to the Programming Guide for details.
1*17 Lobby Partition
0 = none
1-8 = partition number
Select the Common Lobby Partition.
1*18 Affects Lobby (partition-specific)
0 = disable
1 = enable
If enabled, causes lobby partition to disarm when this partition disarms.
NOTE: This partition must be armed before lobby can be armed.
1*19 Arms Lobby (partition-specific)
0 = disable
1 = enable
If enabled, arming this partition causes the system to attempt to arm the
lobby partition automatically. To enable this field, field 1*18 must also be
enabled (partition-specific).
NOTES:
The lobby cannot be armed unless all partitions programmed for “affect”
(field 1*18) is already armed.
If his field is enabled, Field 1*18 for this partition must also be enabled.
Exit Error Logic Enable
0 = disable
1 = enable
Exit Error Logic functions as follows: the system at the end of the exit
delay, if a door is left open or an interior zone is faulted, starts the entry
delay period, and sounds the bell(s), siren(s), and keypad sounders for the
duration of entry delay. This gives the user time to re-enter the premises
and disarm the system before exit error occurs.
If the user does not re-enter the premises and disarm the system, the
system bypasses the faulted entry/exit and/or interior zone(s). The rest of
the system is armed. In addition, the following dialer reports are sent to
the central station if programmed:
Exit Error by User (not sent when is using ADEMCO High Speed format)
Entry/Exit or Interior Alarm with the zone number
Bypass reports
UL Exit Error Logic is not suitable for use in a UL installation.
1*20
Exit Delay Reset
0 = disable
1 = enable
If enabled, when the panel is armed, the normal exit delay begins. After
the user exits, closes the door and then re-enters the premises, the exit
delay time is reset to the programmed value.
NOTES:
Exit Delay Reset is designed to allow an operator to re-enter the premises
to retrieve a forgotten item without triggering an alarm. This feature may
only be activated once after arming.
UL Exit Delay Reset is not suitable for use in a UL installation.
1*21
WWW.DIYALARMFORUM.COM

VISTA-50P/VISTA-50PUL Installation and Setup Guide
5-10
Cross-Zoning
Cross Zoning is designed so that a combination of two zones must be faulted within a 5-minute period of each other
(whereas the first zone remains faulted, when the second zone trips) to cause an alarm on either zone. This prevents
momentary faults from one of the zones from causing an alarm condition. You can select four "sets" of cross-zones
(programmed in data fields 1*22, 1*23, 1*24, and 1*25), keeping in mind the following:
• Both zones in each set must protect the same area.
• When cross-zoning motion sensors, both device’s areas of protection must be situated so that both units will trip at
the same time if their shared protected area is violated.
• Both zones in each set must be in the same partition.
• A fire zone must only be crossed to another fire zone protecting the same physical area (see warning below).
DO NOT cross-zone a fire zone with a burglary zone under any circumstance. Cross a fire zone with another fire
zone only, and BOTH must be protecting the same physical area (no walls or partitions separating them). Consult
NFPA 72 standard for exact spacing requirements. We recommend that spacing between fire cross-zones be no
farther than 30 ft.
Conditions That Affect Cross-Zone Operation
• If one of the zones in a pair is bypassed or has a zone response type set to 0, the cross-zoning feature does not apply.
• If an entry/exit zone is paired with an interior follower zone, be sure to enter the entry/exit zone as the first zone of
the pair. This ensures that the entry delay time is started before the follower zone is processed.
• If a relay is programmed to activate on a fault of one of the zones, the relay activates without the other zone being
faulted.
• If a relay is programmed to activate on either an alarm or trouble, both zones must trip before the relay will
activate, and both zones must restore for the relay to deactivate (if relay is programmed to deactivate on a Zone List
Restore).
If the one of the zones trips and the second zone does not trip within the 5-minute period, an “error” message is
reported to the central station. The Contact ID event code is 378.
FIELD TITLE and DATA ENTRIES EXPLANATION
1*22 Cross Zoning Pair One
Enter 01-86
Enter 00,00 to disable
Select the first pair of cross zones, which must both be faulted within a
five-minute period to cause an alarm.
Must be 00,00 for UL installations.
1*23 Cross Zoning Pair Two
Enter 01-86
Enter 00,00 to disable
Select the second pair of cross zones, which must both be faulted within a
five-minute period to cause an alarm.
Must be 00,00 for UL installations.
1*24 Cross Zoning Pair Three
Enter 01-86
Enter 00,00 to disable
Select the third pair of cross zones, which must both be faulted within a
five-minute period to cause an alarm.
Must be 00,00 for UL installations.
1*25 Cross Zoning Pair Four
Enter 01-86
Enter 00,00 to disable
Select the fourth pair of cross zones, which must both be faulted within a
five-minute period to cause an alarm.
Must be 00,00 for UL installations.
WWW.DIYALARMFORUM.COM

Section 5 – Data Field Descriptions
5-11
FIELD TITLE and DATA ENTRIES EXPLANATION
1*28 RF Transmitter Low Battery
Sound
0 = disarmed state only
1 = both armed and disarmed states
Select when the RF transmitter low-battery condition should display and
audible beep annunciate on the keypad.
Must be 1 for UL installations.
1*29 RF Transmitter Low Battery
Reporting
0 = disable
1 = enable
If enabled, the system sends a Trouble message for RF transmitter low-
battery condition to the central station.
NOTE: The Trouble message will be sent for a transmitter supervision
failure, independent of this selection.
Must be 1 for UL.
1*30 RF Receiver Supervision Check-
in Interval
Enter 02-15 times 2 hours (4-30 hours).
00 = disable receiver supervision.
Select the check-in monitoring interval for the RF receiver(s).
Failure of a receiver to receive any RF signal within the time entered
results in the activation of the response type programmed for zone 990 for
the first receiver and zone 988 for the second receiver and their related
communication reports.
Maximum is 2 (4 hr) for UL installations.
1*31 RF Transmitter Check-in Interval
Enter 02-15 times 2 hours (4-30 hours).
00 = disable transmitter supervision.
Select the check-in monitoring interval for the RF transmitters.
Failure of an individual transmitter to send a supervision signal within
the time entered will result in a trouble response and related
communication report.
Maximum is 2 (4 hr) for UL.
1*33 TouchTone with Rotary Backup
0 = disable
1 = enable
If enabled, the system reverts to rotary dialing if communicator is not
successful in dialing using TouchTone DTMF on first attempt.
1*34 Communicator Split Reporting
0 = Split Reporting disabled
1 = Alarm, Alarm Restore, and Cancel
reports to primary, all others to secondary
2 = Open/Close and Test reports to
secondary, all other reports to primary
Select the type of split reporting for system communication.
NOTE: See *51 for split/dual reporting combinations.
1*35 Alarm Code for Zones 65–72
Skip this field. Use #93 Menu Mode, Zone Programming to program the
response types. Refer to the Programming Guide for details.
1*36 ID Digit for Zones 65–72
Skip this field. Use #93 Menu Mode, Zone Programming to program the
response types. Refer to the Programming Guide for details.
1*37 Alarm Code for Zones 73–80
Skip this field. Use #93 Menu Mode, Zone Programming to program the
response types. Refer to the Programming Guide for details.
1*38 ID Digit for Zones 73–80
Skip this field. Use #93 Menu Mode, Zone Programming to program the
response types. Refer to the Programming Guide for details.
1*39 Supervisory and Restore Codes
for Zones 65–80
Enter 00-15.
This field has five two-digit entries as follows: Alarm Restore, Trouble,
Trouble Restore, Bypass, and Bypass Restore. Enter the report code 01-15
for each type of report. Enter 00 for no report.
NOTE: Each report code is the same for zones 17-32. When using 4+2
format, the system uses the ID digit of the zone (fields *75 and *77).
1*40 Non-Alarm Report Codes (First
Digit)
Enter 00-15.
This field has seven two-digit entries as follows: Arm STAY, Time/Date
set or Event Log Reset, Event Log 50% or 90% Full, Event Log Overflow,
Exit Error (Zone), Exit Error (User) and Recent Close. Enter the report
code 01-15 for each type of report. Enter 00 for no report.
WWW.DIYALARMFORUM.COM

VISTA-50P/VISTA-50PUL Installation and Setup Guide
5-12
FIELD TITLE and DATA ENTRIES EXPLANATION
1*41 Non-Alarm Report Codes Report
Codes (Second Digit)
Enter 00-15.
This field has seven two-digit entries as follows: Arm STAY, Time/Date
set or Event Log Reset, Event Log 50% or 90% Full, Event Log Overflow,
Exit Error (Zone), Exit Error (User) and Recent Close. Enter the report
code 01-15 for each type of report. Enter 00 for no report.
1*42 Call Waiting Defeat
0 = disable
1 = enable
If enabled, the system defeats Call Waiting on the first outgoing call
attempt to both the primary and secondary numbers.
NOTES:
After the panel’s initial call to report the alarm, the panel may attempt to
make an additional call, perhaps for a cancel or a zone restoral. If Call
Waiting is not defeated, an operator at the central station attempting to
contact the premises (to verify whether the alarm is valid) hears the
phone ringing indefinitely and must to dispatch on the call.
DO NOT enable this feature unless Call Waiting is being used.
1*43 Permanent Keypad Display
Backlighting (partition-specific)
0 = disable
1 = enable
If enabled, backlighting for the keypad display remains on at all times.
Otherwise the backlighting comes on when a key is pressed.
NOTE: When a key is pressed, display backlighting turns on for all
keypads in that partition.
1*44 Wireless Keypad Tamper Detect
0 = disable
1 = enable
If enabled, when more than 40 key depressions are received without a
valid sequence (arm, disarm, etc.), the control panel disables the wireless
keypad. The inhibit is removed once a valid key sequence is received from
a wired keypad.
1*45 Exit Delay Sounding (partition-
specific)
0 = disable
1 = enable
If enabled, the system produces slow beeping from the keypads during
exit delay and reverts to rapid beeping during the last 10 seconds of the
exit delay.
NOTE: The duration of the beeping is the programmed value of field *10
regardless of which entry/exit zone is used to exit the premises.
1*46 Auxiliary Output Mode
0 = ground start output.
1 = open/close trigger.
2 = keypad sounds at an auxiliary sounder.
3 = AAV module.
Select the mode for output 1 on the J7 triggers.
NOTES:
Only one of the options may be active within the system.
Selection 1 is produced only when all partitions are armed.
Selection 2 applies only to the partition enabled in field *15.
1*47 Chime on External Siren
(partition-specific)
0 = disable
1 = enable
If enabled, the system produces chime annunciation on the external
alarm sounder.
1*48 Wireless Keypad Assignment
0 = none
1-8 = partition number
Select the partition in which RF keypad is used.
1*49 Suppress Transmitter
Supervision Sound
0 = disable
1 = enable
If enabled, no trouble soundings occur on the keypad for transmitter
check-in failures.
Must be 0 for UL.
1*52 Send Cancel If Alarm + Off
(partition-specific)
0 = disable
1 = enable
If enabled, Cancel reports are sent when the system is disarmed after an
alarm, regardless of how much time has gone by.
If disabled, Cancel reports are sent within Bell Timeout period only.
NOTE: This option must be enabled so Cancel reports are always sent.
1*53 Disable Download Callback
0 = callback required
1 = no callback required
Select whether a callback from the control panel is required for
downloading.
Must be 0 for UL installations.
WWW.DIYALARMFORUM.COM

Section 5 – Data Field Descriptions
5-13
FIELD TITLE and DATA ENTRIES EXPLANATION
1*57 Enable 5800 RF Button Global
Arm
0 = disable
1 = enable
If enabled, the system arms/disarms in accordance with the button’s
user’s global arming settings.
1*58 Enable 5800 RF Button Force
Arm
0 = disable
1 = enable
If enabled, allows the RF button user to force a bypass of all faulted zones
when arming the system.
NOTE: When attempting to arm the system, the keypad beeps once after
the button is pressed if any faulted zones are present. The user should
then press the button again within 4 seconds to force-bypass those zones
and arm the system.
1*60 Zone 5 Audio Alarm Verification
0 = disable
1 = enable
If enabled, zone 5 is used for 2-way audio (AAV).
Must be 0 for UL installations.
NOTE: Zone 5 cannot be used as protection zone.
1*70 Event Log Types
0 = disable
1 = enable
This field has five entries as follows: Alarm, Check, Bypass, Open/Close,
and System. If enabled, the system logs those events into the event log.
1*71 12/24 Hour Type Stamp Format
0 = 12-hour
1 = 24-hour
Select the type of time stamping for the event log.
1*72 Event Log Printer On-Line Mode
0 = disable
1 = enable
If enabled, the system prints the events as they occur.
If disabled, the system prints the log only upon request.
1*73 Printer Baud Rate
0 = 1200
1 = 300
Select the baud rate for the serial printer.
1*74 Relay Timeout XXX Minutes
Enter 000-127 times 2 minutes (000-254).
This is used for #80 Menu Mode Time-Driven event relay command
numbers “04/09” and Output Programming in the #93 Menu Mode
Programming output command “56.”
1*75 Relay Timeout YYY Seconds
Enter 000-127 seconds.
This is used for #80 Menu Mode Time-Driven event relay command
numbers “05/10” and Output Programming in the #93 Menu Mode
Programming command “57.”
1*76 Access Control Relay (partition-
specific)
01-16 = relay number
00 = relay not used.
If enabled, the assigned relay closes for 2 seconds when the user enters
his code and presses 0.
Must be 00 for UL installations.
NOTE: See SECTION 3: Installing the Control for enhanced access
control capabilities.
2*00 Number of Partitions
Enter 1-8.
Enter the number of partitions used in the system.
2*01 Daylight Saving Time Start/End
Month
0 = disable
1 = enable
Enter the months (00-12) in which daylight saving time starts and ends.
Enter 00, 00 if daylight saving time does not apply to the user’s region.
Standard setting for U.S. is 04,10.
WWW.DIYALARMFORUM.COM

VISTA-50P/VISTA-50PUL Installation and Setup Guide
5-14
FIELD TITLE and DATA ENTRIES EXPLANATION
2*02 Daylight Saving Time Start/End
Weekend
0 = disable
1 = enable
Enter the start and end weekends for daylight saving time as follows:
1=first; 2=second; 3=third; 4=fourth; 5=last; 6=next to last; 7=third from
last. Standard setting for U.S. is 1,5.
UL Fields 2*05 – 2*08 must be set to 0 for UL installations.
2*05 Auto-Arm Delay (partition-
specific)
00 = no delay.
01-14 times 4 minutes (04-56) delay.
15 = no auto arming.
This is the time between the end of the arming window and the start of
auto-arm warning time (field 2*06).
2*06 Auto-Arm Warning Period
(partition-specific)
01-15 times 1-minute warning.
00 = no warning period.
This is the time that the user is warned by a keypad sounding and display
to exit the premises prior to auto arming of the system.
2*07 Auto-Disarm Delay (partition-
specific)
00 = no delay.
01-14 times 4 minutes (04-56) delay.
15 = no auto disarming.
This is the time between the end of the disarming window and the start of
auto disarming of the system.
2*08 Force Arm Enable for Auto-Arm
(partition-specific)
0 = disable
1 = enable
If enabled, the system automatically bypasses any faulted zones when it
attempts to auto-arm.
If disabled, the system will not auto-arm.
2*09 Open/Close Reports by
Exception (partition-specific)
0 = disable
1 = enable
If enabled, Open/Close reports are sent only if the openings/closings
occur outside the arm and disarm windows.
NOTES:
Open reports are also suppressed during the closing window in order to
prevent false alarms if the user arms the system, then re-enters the
premises, for example to retrieve a forgotten item.
Openings and closings are still recorded in the event log.
This field must be set to 1 if No Opening and No Closing reports are to be
sent.
2*10 Allow Disarming Only During
Arm/Disarm Windows (partition-
specific)
0 = disable
1 = enable
If enabled, disarming of the system is allowed only during the
arming/disarming windows, or if the system is in alarm (if 2*11 is set to
1).
NOTE: This applies only to Operator-level users. Installer, Master, and
Manager-level users can disarm the system at any time.
2*11 Allow Disarm Outside Window if
Alarm Occurs
0 = disable
1 = enable
If enabled, allows the system to be disarmed outside the programmed
disarm (opening) window if an alarm has occurred. Otherwise disarming
is allowed only during the disarm window.
NOTE: Used only if field 2*10 is enabled.
2*13 Scheduling Report Codes (First
Digit
Enter 00-15.
This field has eight two-digit entries as follows: Early Opening, Early
Closing, Late Opening, Late Closing, No Opening (late to open), No
Closing (late to close), Auto-Arm Failure, and Access Schedule Changed.
Enter the report code 01-15 for each type of report. Enter 00 for no report.
WWW.DIYALARMFORUM.COM

Section 5 – Data Field Descriptions
5-15
FIELD TITLE and DATA ENTRIES EXPLANATION
2*14 Scheduling Report Codes Report
Codes (Second Digit)
Enter 00-15.
This field has eight two-digit entries as follows: Early Opening, Early
Closing, Late Opening, Late Closing, No Opening (late to open), No
Closing (late to close), Auto-Arm Failure, and Access Schedule Changed.
Enter the report code 01-15 for each type of report. Enter 00 for no report.
2*18 Enable GOTO for this Partition
(partition-specific)
0 = disable
1 = enable
If enabled, this partition can be accessed from another partition’s keypad
using the GOTO command.
2*19 Use Partition Descriptor
0 = disable
1 = enable
If enabled, the normal keypad display will include a partition number and
four-digit descriptor.
2*20 Enable J7 Triggers for Partition
(partition-specific)
0 = disable
1 = enable
If enabled, the J7 triggers function for this partition.
2*21 Supervision Pulses for LRR
0 = disable
1 = enable
There are three entries in this field as follows: Fire, Burglary/Audible
Panic, Silent Panic/Duress.
If enabled, causes the control to send periodic short pulses on the J7 radio
triggers to the LRR. The LRR uses these pulses to determine that its
connection to the control is still intact.
Must be 1 for UL installations.
WWW.DIYALARMFORUM.COM

VISTA-50P/VISTA-50PUL Installation and Setup Guide
5-16
WWW.DIYALARMFORUM.COM

6-1
SECTION 6
Scheduling Options
••••••••••••••••••••••••••••••••••••••••••••••••••
UL • You must program Bypass and Auto-Arm Fail reports for UL installations.
• Auto-disarming is not permitted in UL installations.
General
The scheduling features allow certain operations to be
automated, such as arming, disarming, bypassing of
zones, and activating relay outputs.
The system uses time windows (a programmed period of
time with a start and stop time) for defining open/close
schedules, holiday schedules, user-defined temporary
schedules, and access schedules for users.
Scheduled events are programmed by user-friendly
menu modes of programming (#80, #81, #83, and #93
modes), explained in detail in this section. These menus
take you step by step through the options.
Auto Arming
The system can automatically arm (AWAY Mode) a
partition at the end of a pre-determined closing
(arming) time window.
Auto Arming can be delayed three ways: by use of the
Auto-Arm Delay, the Auto-Arm Warning, or by
manually extending the closing (arming) time window
with a keypad command.
The system can also automatically bypass any open
zones when auto arming.
Auto-Arm Delay
Auto-Arm Delay provides a delay (grace period) before
auto arming. It starts at the end of the closing time
window.
The delay is set in 4-minute increments, up to 56
minutes in partition-specific program field 2*05. At the
expiration of this delay, the Auto-Arm Warning will
start.
Auto-Arm Warning
The Auto-Arm Warning causes the keypad sounder to
warn the user of an impending Auto-Arm.
The warning can be set from 1 to 15 minutes prior to
the arming in partition-specific program field 2*06.
During this period the keypad beeps every 15 seconds
and displays “AUTO ARM ALERT.” During the last 60
seconds, the keypads beep every 5 seconds.
The panel arms at the conclusion of the Auto-Arm
Warning period.
Extend Closing Window
A user can manually delay the arm (closing) time
window by 1 or 2 hours. This is done by entering a
keypad command (User Code + #82), which then
prompts the user to enter the desired extension time of
1 or 2.
This feature is useful if a user must stay on the
premises later than usual.
The Auto-Arm delay and warning periods begin at the
end of the extension.
Force Arm
The Force Arm option causes the panel to attempt to
bypass any faulted zones prior to auto arming (panel
performs a force-arm).
This option is set in partition-specific program field
2*08.
Auto Disarming
The system can automatically disarm a partition at the
end of a pre-determined opening (disarm) time window.
The disarming time can be delayed by using the Auto-
Disarm Delay feature.
Disarm Delay
Auto-Disarm Delay provides a delay before auto
disarming. This delay is added to the end of the disarm
time window.
The delay is set in 4-minute increments, up to 56
minutes, in partition-specific program field 2*07.
Restrict Disarming
This option allows disarming by users only during the
disarm time window and during the arming time
window (in case user needs to re-enter premises after
manually arming the partition).
This option is set in partition-specific field 2*10. If field
2*10 is set, we highly recommend setting field 2*11, as
well. This field allows the partition to be disarmed
outside the arm/disarm time windows only if the
partition is in alarm.
WWW.DIYALARMFORUM.COM

VISTA-50P/VISTA-50PUL Installation and Setup Guide
6-2
Exception Reports
This option allows the reporting of openings and
closings to the central station only if the arming and
disarming occurs outside of the predetermined opening
and closing time windows. It is set in partition-specific
field 2*09.
The system can be programmed to send Failed to Open
and Failed to Close reports if the partition is not armed
or disarmed by the end of the corresponding time
window.
Limitation of Access of Users by Time
A user’s access to the system can be limited to a certain
time period. Outside this time, that user’s code is
inactive. The system provides up to 8 access schedules,
each consisting of two time windows (typically one for
opening, one for closing) for each day of the week and
two time windows for holidays.
The access schedules are programmed in the #80 Menu
Mode, and enabled when a user’s access code is added to
the system.
If a user tries to operate the system outside the
schedule, the alpha keypad displays “Access Denied.”
Time-Driven Events
The system can automatically activate and de-activate
relays at predetermined times to turn lights or other
devices on and off. The Time-Driven events can be
activated at different times in relation to a time
window:
• At the beginning of a time window
• At the end of a time window
• During a time window (on at beginning of window,
off at end)
• At both the beginning and end of the time window
(e.g., to sound a buzzer at the beginning and end of a
coffee break)
The system can perform the same actions on a daily
basis, or can perform an action only once (e.g., turn on
the porch light this Wednesday at 8:00 PM).
The system also provides up to 20 programmable
“timers” available to the end user for the purpose of
activating output devices at preset times and days.
Time Window Definitions
Scheduled events are based on time windows, (periods
of time) during which an event may take place. The
system supports up to 20 time windows, each defined by
a “Start” time and a “Stop” time.
The windows are shared by all 8 partitions, and are
used when programming the various schedules
(open/close, limitation of access), as well as for Time-
Driven event control.
Scheduling Example
A store that has the following hours:
Monday to Friday 9am to 6pm
Saturday 10am to 4pm
Sunday Closed
Holidays Closed
The owner desires the following time windows to allow
time for employees to arm or disarm the system:
Monday to Friday Open (disarm) 8am to 9am
Close (arm) 6pm to 6:30pm
Saturday Open (disarm) 9am to 10am
Close (arm) 4pm to 4:30pm
Sunday & Holidays Closed
For this schedule, the four time windows need to be
programmed:
Window Start Stop Purpose
1 8am 9am Monday-Friday open window
2 9am 10am Saturday open window
3 4pm 4:30pm Saturday close window
4 6pm 6:30pm Monday-Fri. close window
Using the #80 Menu Mode, the installer can program
open/close schedules by assigning a time window to a
day of the week (windows are entered as 2-digit entries)
Mon Tue Wed Thu Fri Sat Sun Hol
Op/Cl Op/Cl Op/Cl Op/Cl Op/Cl Op/Cl Op/Cl Op/Cl
01/04 01/04 01/04 01/04 01/05 02/03 00/00 00/00
NOTE: 00 is entered for those days on which the store
is closed.
Employees can arm and disarm the system, when
programmed, within the open and close time windows
without causing a report to be sent to the central
station (reporting by exception, field 2*09). The system
can be programmed to automatically arm/disarm in
case an employee fails to arm/disarm manually (auto-
arm/auto-disarm).
WWW.DIYALARMFORUM.COM

Section 6 – Scheduling Options
6-3
Open/Close Schedules Definitions
General
The open/close scheduling is controlled by one of three
schedules. Each schedule consists of one time window
for openings and one time window for closings.
There are three types of schedules available: Daily,
Holiday, and Temporary.
Daily Schedule
Each partition can have one daily schedule consisting of
one opening window and one closing window per day.
Holiday Schedule
A holiday schedule overrides the regular daily schedule
on selected holidays throughout the year.
The opening and closing windows are programmed in
the daily schedule, but the holidays themselves are
defined in Holiday Schedule Programming in the #80
Menu Mode.
Temporary Schedule
The temporary schedule provides a method for the end
user to override the daily and holiday schedules. It
consists of one opening window and one closing window
for each day of the week. The schedule takes effect for
up to one week, after which it is automatically
deactivated.
This schedule is programmed using the #81 Temporary
Schedule Menu Mode.
Additional Schedules
Additional opening and closing schedules can be
programmed using the Time-Driven Event
Programming. For example, a schedule for normal
store openings/closings can be programmed with a daily
open/close schedule, and another open/close schedule
for a lunch hour can be programmed using the Time-
Driven event schedule programming.
Refer to “Time-Driven Events” later in this section for
detailed information.
Open/Close Reports by Exception
The system can help reduce communication traffic to
the central station by using the Open/Close Reports by
Exception feature. The Open/Close by Exception option
suppresses these reports from being sent to the central
station if an arm or disarm is done within the expected
time window. Reports are only sent if the arm or
disarm occurs outside the assigned time window.
The system keeps a record of all openings/closings in
its event log.
If a disarming occurs during a closing window (for
example, a person who arms the system forgets
something and has to re-enter), the Opening report
(although outside of the opening window) will not be
sent (as long as that disarming occurs within the
closing window).
This option is programmed in partition-specific
program field 2*09.
Example of Open/Close Exception Reporting & Scheduling
The following chart gives an example of how the Open/Close by Exception reporting works.
6:01PM 5:59AM 6AM 9AM 9:01AM 3:59PM 4PM 6PM 6:01PM 5:59AM
Early Opening reports are
sent if system is manually
disarmed before opening
window begins.
Early and Late Opening
and Closing reports are
programmable options
in the Report Code
Programming. They
are not dependent on
the programming of the
Exception Reporting
option.
Opening Window
No reports are sent if
system is disarmed
during this time
window.
If an arming occurs,
a Closing report is
sent to the central
station regardless of
how the Exception
Reporting option is
set.
Auto-disarm delay begins.
Auto-disarm occurs after delay (if
auto-disarm is enabled).
Missed Opening reports are sent
if manual disarming has not
occurred at expiration of opening
window.
Late Opening reports are sent if
disarm occurs after the opening
window expires.
Early Closing reports are sent if
manual arming occurs before the
closing window begins.
Missed Opening/Closing type
reports are programmed in the
Report Code Programming.
The Exception Reporting
option must be set for these to
be sent.
Closing Window
No reports are sent
if system is armed*
during this time
window.
* or disarmed if
user needs to re-
enter premises.
Auto-arm delay begins.
Auto-arm warning begins.
Auto-arm occurs after
warning expires (if auto-
arm is enabled).
Missed Closing reports are
sent if manual arming has
not occurred at expiration
of closing window.
Late Closing reports are
sent if system is manually
armed after the closing
window expires.
WWW.DIYALARMFORUM.COM

VISTA-50P/VISTA-50PUL Installation and Setup Guide
6-4
Scheduling Menu Mode
The #80 Scheduling Menu Mode is used to program
most of the scheduling and timed-event options. Enter
Installer Code + [#] + [8] + [0] from the normal
operating mode. NOTE: Only users with an Installer or
Master level user code may enter the #80 mode.
The following can be programmed while in this mode:
• time windows
• open/close schedules to each partition
• holiday schedules
• Time-Driven events (for system functions and relay
activation)
• limitation of access schedules
Some scheduling features are programmed in Data
Field Programming Mode (Installer Code + 8 0 0 0).
Some features are programmed in the #93 Menu Mode.
The programming scheduling fields are listed below.
System-Wide Fields:
1*74 –1*75 Relay timeout values
2*01-2*02 Daylight saving time options
2*11 Allow disarming outside window if alarm
occurs
Partition-Specific fields:
1*76 Access control relay for this partition
2*05 Auto-arm delay value
2*06 Auto-arm warning time
2*07 Auto-disarm delay value
2*08 Force-arm enable
2*09 Open/Close Reporting by Exception
2*10 Restrict disarm only during windows
Event-driven options are programmed using Output
Programming in #93 Menu Mode. Relay activation can
also be Time-Driven and that those are programmed
using the #80 Menu Mode. Refer to the Time-Driven
Event Programming later in this section for the
procedure.
Steps to Program Scheduling Options
This section contains examples of the
worksheets only. For complete worksheets,
see the Programming Guide accompanying this
Installation and Setup Guide.
In order to use #80 Scheduling Menu Mode, use the
worksheets to do the following:
1. Define time windows (up to 20)
2. Define the daily open/close schedules (one schedule
per day, per partition)
3. Define the holidays to be used by the system (up to
16)
4. Define limitation of access times (up to 8 schedules)
5. Define the Time-Driven events (up to 20)
NOTE: Temporary schedules are programmed using
#81 Menu Mode.
Use #80 Scheduling Menu Mode to perform the
following functions:
6. Program the time windows
7. Program the open/close schedules
8. Program the Time-Driven events
9. Program the access schedules
Scheduling Menu Structure
To program schedules, enter Scheduling Program Mode:
Installer Code + [#] + [80]. (Installer or Master level
user code.)
Scheduling Program Mode can be entered only
when all partitions are disarmed.
There are 6 sections of scheduling menus accessed via #80, as shown below. Entering 1 at a displayed main menu
prompt selects that menu section. Prompts for programming that scheduling feature then appear. Enter 0 to skip a
section and display the next menu option.
PROMPT EXPLANATION
Time Window ?
1 = YES 0 = NO 0
Upon entering Schedule Menu Mode, this prompt appears. Enter 1 to program time windows. Refer to Time
Windows Programming later in this section for detailed procedures.
Enter 0 to move to the “O/C Schedules?” prompt.
O/C Schedules ?
1 = YES 0 = NO 0
Enter 1 to program opening and closing schedules. Refer to Open/Close Schedules Programming later in
this section for detailed procedures.
Enter 0 to move to the “Holidays?” prompt.
Holidays ?
1 = YES 0 = NO 0
Enter 1 to program holiday schedules. Refer to Holiday Schedule Programming later in this section for
detailed procedures.
Enter 0 to move to the “Timed Events?” prompt.
WWW.DIYALARMFORUM.COM

Section 6 – Scheduling Options
6-5
PROMPT EXPLANATION
Timed Events ?
1 = YES 0 = NO 0
Enter 1 to program timed events for relay outputs, additional schedules, and other system functions. Refer
to Time-Driven Event Programming later in this section for detailed procedures.
Enter 0 to move to the “Access Sched?” prompt.
Access Sched. ?
1 = YES 0 = NO 0
Enter 1 to program access schedules. Refer to Limitation of Access Schedules Programming later in this
section for detailed procedures.
Enter 0 to move to the “Quit?” prompt.
Quit ?
1 = YES 0 = NO 0
Enter 1 to quit #80 Scheduling Menu Mode and return to normal operating mode.
Enter 0 to make any changes or review the scheduling programming options. If you press 0, the “Time
Window?” prompt is displayed.
Time Windows
The system provides 20 time windows that are defined
with start and stop times. These windows are used for
various open/close and access schedules, as well as for
output controls, and are the basis of the scheduling
system. These windows are shared among all 8
partitions.
Time Windows Worksheet
The following worksheet is an example of the worksheet
found in the Programming Guide. This worksheet will
help you define time windows and scheduling aspects of
this system before you program them. Note that time
windows can span midnight; for example, from 11 PM
to 1 AM.
Time Window
Number
Start Time
(HH:MM)
Stop Time
(HH:MM)
1
2
3…..20
A time window must have a start and a stop time.
Time Windows Programming
Enter Scheduling Mode by entering Installer Code +
[#] + [80]. The keypad displays the Time Window
Programming prompt.
PROMPT EXPLANATION
Time Window ?
1 = YES 0 = NO 0
Enter 1 at this main menu prompt to program time windows.
Time Window # ?
01-20, 00 = Quit 01
Enter the 2-digit time window number (01-20) to be programmed.
Press [✳] to accept the entry. Enter 00 + [✳] at the “Time Window #?” prompt to quit time window
programming and display the “Quit ?” prompt.
01 TIME WINDOW
00:00AM 00:00AM
If you entered a time window number, the cursor is now positioned on the tens of hours digit of the start of
window entry.
Enter the desired start of window hour and press [✳]. The cursor moves to the minutes position. Enter the
desired minutes and press [✳]. Toggle the AM/PM indication by pressing any key 0-9 while the cursor is
under the A/P position and then press [✳]. Repeat this to program the stop of window entry.
When the entry is completed, the “Time Window #?” prompt is displayed again.
Enter the next time window number to be programmed and repeat the procedure.
Quit ?
1 = YES 0 = NO 0
Enter 0 at the Quit ? prompt to return to the main menu choices and continue programming.
Enter 1 to quit Scheduling Menu Mode.
Because the time windows are shared among all partitions, it is important to make sure that changing a
time window does not adversely affect desired actions in other partitions.
WWW.DIYALARMFORUM.COM

VISTA-50P/VISTA-50PUL Installation and Setup Guide
6-6
Daily Open/Close Schedules
Each partition can be assigned one daily open/close
schedule, plus a holiday schedule. Temporary
schedules are programmed separately, using the #81
Temporary Schedule Menu Mode. To program
additional open/close schedules, see Time-Driven Events
Programming later in this section for the procedure.
Open/Close Schedule Worksheet
The following worksheet is an example of the worksheet
found in the Programming Guide. Write the previously
defined time window numbers for open and close for
each partition.
Part Mon Tues Wed Thur Fri Sat Sun Hol
Op Cl Op Cl Op Cl Op Cl Op Cl Op Cl Op Cl Op Cl
1
2
3…8
Open/Close Schedule Programming
After entering Scheduling Menu Mode, press [0] until the “O/C Schedules?” prompt appears.
PROMPT EXPLANATION
O/C Schedules ?
1 = YES 0 = NO 0
Enter 1 to program opening and closing schedules.
Partition # ?
01-08, 00 = Quit 01
Enter the appropriate partition number for which the following open/close schedules will apply.
Enter 00 + [✳] at the “Partition #?” prompt to quit open/close schedules programming and display the “Quit
?” prompt.
Mon P1 OP WIND.?
00:00 00:00 00
Enter the time window number 01-20 for the displayed day’s opening schedule beginning with Monday.
Enter 00 if no schedule is desired for a particular day. As the number is keyed in, the actual time that has
been stored for that window number is displayed as a programming aid.
Press [✳] to accept the entry.
Mon P1 CL WIND.?
00:00 00:00 00
Enter the time window number for the displayed day’s closing schedule. As the number is keyed in, the
actual time that has been stored for the window number is displayed.
Press the [✳] key to accept the entry.
Tue P1 OP WIND.?
00:00 00:00 00
The keypad now prompts for Tuesday’s open/close schedule. Follow the procedure for Monday’s prompts.
When the last day of the week has been programmed, the holiday opening and closing window prompts are
displayed.
Hol P1 OP WIND.?
00:00 00:00 00
Repeat the procedure for the holiday opening and closing time windows.
Press the [✳] key to accept the entry.
When the entries are completed, the “Partition #?” prompt is displayed again. Repeat this procedure for
each partition in the system.
Quit ?
1 = YES 0 = NO 0
Enter 0 at the “Quit ?” prompt to return to the main menu choices and continue programming.
Enter 1 to quit Scheduling Menu Mode.
Holiday Schedules
A holiday schedule overrides the regular daily open/close schedule on the programmed holidays throughout the year.
The system provides up to 16 holidays that can be assigned for the system. Each holiday can be assigned to any
combination of partitions. List the desired holidays in a Month/Day format on the worksheet. Check the partitions for
which these holidays apply.
WWW.DIYALARMFORUM.COM

Section 6 – Scheduling Options
6-7
Holiday Schedule Worksheet
The following worksheet is an example of the worksheet found in the Programming Guide.
HOL Partition
Month/Day 1 2 3 4 5 6 7 8
1 /
2 /
3…16
Holiday Schedule Programming
After entering Scheduling Menu Mode, press [0] until the “Holidays ?” prompt appears.
PROMPT EXPLANATION
Holidays ?
1 = YES 0 = NO 0
Enter 1 to program holiday schedules.
HOLIDAY NUMBER ?
01-16,00=Quit 01
Enter the 2-digit holiday number (01-16) to be programmed and press [✳] to accept entry.
Enter 00 + [✳] at the “Holiday Number?” prompt to quit the holiday menus and display the “Quit ?” prompt.
01 ENTER DATE
00/00
The cursor is now positioned on the tens of months digit. Enter the appropriate month, then press [✳] to
proceed to the day field.
Enter the appropriate day for the holiday.
Press [✳] to accept the entry.
Part ? 12345678
Hit 0-8 x x
Holidays can be set for any partition, as follows. Press [0] to turn all partitions on or off, or use keys 1-8 to
toggle the letter “x” under the partition to which this holiday will apply.
Press the [✳] key when all desired partitions have been assigned.
The “Holiday Number?” prompt is displayed again. Repeat the procedure for each holiday to be
programmed.
Quit ?
1 = YES 0 = NO 0
Enter 0 at the “Quit ?” prompt to return to the main menu choices and continue programming.
Enter 1 to quit Scheduling Menu Mode.
Time-Driven Events
These schedules are used to activate outputs, bypass
zones, etc. based on time. There are 20 of these
schedules that may be programmed for the system, each
governed by the previously defined time windows.
The actions that can be programmed to automatically
activate at set times are: relay commands, arm/disarm
commands, zone bypassing commands, and open/close
access conditions.
Time-Driven Events Worksheet
The following worksheet is an example of the worksheet
found in the Programming Guide. Fill out the
worksheet using the steps outlined below.
Sched Time Days Action Action Activation
Num. Window M T W T F S S H Desired Specifier Time
1
2
3…20
WWW.DIYALARMFORUM.COM

VISTA-50P/VISTA-50PUL Installation and Setup Guide
6-8
1. Enter the schedule number (01-20) and time
window number (01-20), and note the day of the
week the action is desired.
2. Enter the code for the desired action and
action specifier. The action codes represent the
events that are to take place when the scheduled
time is reached. Each action also requires an
action specifier, which defines what the action will
affect (relay, relay group, partition, zone list, user
group). The action specifier varies, depending on
the type of action selected.
The following is a list of the Action Codes (desired
actions) used when programming Time-Driven
events. Note that these codes are independent of
the relay codes programmed during Output
Programming in the #93 Menu Mode.
Relay Commands
Action Code Action Action Specifier
01 Relay On Relay #
02 Relay Off Relay #
03 Relay Close for 2 seconds Relay #
04 Relay Close XX minutes (set
in field 1*74) Relay #
05 Relay Close YY seconds (set
in field 1*75) Relay #
06 Relay Group On Relay Group #
07 Relay Group Off Relay Group #
08 Relay Group Close for 2
seconds Relay Group #
09 Relay Group Close XX
minutes (set in field 1*74) Relay Group #
10 Relay Group Close YY
seconds (set in field 1*75) Relay Group #
Arm/Disarm Commands
Action Code Action Action Specifier
20 Arm-STAY Partition(s)
21 Arm AWAY Partition(s)
22 Disarm Partition(s)
23 Force Arm STAY (Auto-
bypass faulted zns) Partition(s)
24 Force Arm AWAY (Auto-
bypass faulted zns) Partition(s)
• The auto-arm warning (field 2*06) applies
when using Time-Driven events to auto-arm.
• Temporary schedules do not override an
auto-arming or auto-disarming programmed
in Time-Driven events.
• The auto-arming window cannot be
extended using the Installer Code + #82
Mode.
Bypass Commands
Action Code Action Action Specifier
30 Auto bypass – Zone list Zone list #
31 Auto unbypass – Zone list Zone list #
Open/Close Windows
Action Code Action Action Specifier
40 Enable Opening Window by
partition Partition(s)
41 Enable Closing Window by
partition Partition(s)
42 Enable Access Window for
access group Access Group
3. Enter the desired activation time (when the
action is to take place). Select from:
Activation
Time Description
1 Beginning of time window.
2 End of time window.
3 During time window active period only (on at
beginning of window, off at end).
For example, if bypass is selected to activate during
the window, zones in a zone list are bypassed at the
beginning of the window and unbypassed at the end
of the window.
4 Beginning and end of time window (e.g., a coffee
break buzzer). In this example, if relay pulse is
selected, the relay pulses for 2 seconds at the
beginning of the window, signaling the beginning of
the coffee break. At the end of the window it pulses
again, signaling the end of coffee break.
Time-Driven Event Programming
The following menu items must first be programmed in
Output Programming in the #93 Menu Mode:
Enter Relay No. (reference identification number)
Output Group (if applicable)
Restriction
Output Type (V-Plex, 4204/4204CF, FSA, or X-10)
Zone No. (V-Plex)
ECP Address (4204/4204CF or FSA)
Relay No. (4204/4204CF)
LED No. (FSA)
House Code (X-10)
Unit Code (X-10)
WWW.DIYALARMFORUM.COM

Section 6 – Scheduling Options
6-9
After entering Scheduling Menu Mode, press [0] until the “Timed Events ?” prompt appears.
PROMPT EXPLANATION
Timed Events ?
1 = YES 0 = NO 0
Enter 1 to program timed events.
TIMED EVENT # ?
01-20, 00=Quit 01
Enter the timed event number to be programmed (01-20).
Press [✳].
The system then prompts the user to enter the desired action to be taken.
Enter 00 at the “TIMED EVENT #?” prompt to quit the timed event menus and display the “Quit ?” prompt.
01 ACTION ?
none 00
Enter the action code for this timed-event number from the list at the left. This could be an output command,
an arming command, or any other Time-Driven event.
Press [✳] to accept the entry. The prompt for the action specifier appears.
ACTION CODES EXPLANATION ACTION SPECIFIER
01=Relay On
02=Relay Off
03=Relay Close for 2 seconds
04=Relay Close XX minutes
05=Relay Close YY seconds
Actions 01-05
If you selected actions 01-05, the prompt at the right appears. Enter the relay
number.
Press [✳] to accept entry. The “Time Window ?” prompt appears.
01 RELAY # ?
00
06=Relay Group On
07=Relay Group Off
08=Relay Group Close for 2
seconds
09=Relay Group Close XX
minutes
10=Relay Group Close YY
seconds
Actions 06-10
If you selected actions 06-10, the prompt at the right appears. Enter the relay
group number.
Press [✳] to accept entry. The “Time Window ?” prompt appears.
01 RELAY GRP # ?
00
20=Arm-STAY
21=Arm AWAY
22=Disarm
23=Force Arm STAY
24=Force Arm AWAY
40=Enable Open Window by
Part.
41=Enable Close Window by
Part.
Actions 21-24 and 40-41
If you selected actions 21-24 or 40-41, the prompt at the right appears. Enter
the partition to which the action applies. Enter 0 to select all partitions. Enter
a partition number again to deselect it.
Press [✳] to accept entry. The “Time Window ?” prompt appears.
PART? 12345678
HIT 0-8 X X
30=Auto bypass – Zone list
31=Auto unbypass – Zone list
Actions 30-31
If you selected actions 30-31, the prompt at the right appears. Enter the zone
list number that contains the zones to be bypassed or unbypassed.
Press [✳] to accept entry. The “Time Window ?” prompt appears.
01 ZONE LIST ?
ENTER 01-08 01
42=Enable Access Window for
Access group(s)
Action 42
If you selected action 42, the prompt at the right appears. Enter the group
number to which the time window will apply.
Press [✳] to accept entry. The “Time Window ?” prompt appears.
GROUP ? 12345678
HIT 0-8 X
WWW.DIYALARMFORUM.COM

VISTA-50P/VISTA-50PUL Installation and Setup Guide
6-10
PROMPT EXPLANATION
01 Time Window ?
00:00 00:00 01
Enter the time window number (01-20) for which this timed event is to occur. As the number is keyed in, the
actual time that has been stored for the time window number is displayed.
Press [✳] to accept entry.
01 Active time ?
0
Enter the activation time from 1-10 (listed below). As the number is keyed in, the activation time is
displayed. The choices are:
1: Trigger at the start of the window.
2: Trigger at the end of the window.
3: Take effect only for the duration of the window.
4: Trigger at both the start and the end of the window. Example: coffee break buzzer.
Press [✳] to accept entry.
Days ? MTWTFSSH
Hit 0-8 x x
The system then asks for which days the event is to be activated.
Press 0 to toggle all days on or off; or press keys 1-8 to toggle the letter “x” under the day on or off (Monday
= 1, Holiday = H = 8).
When all entries have been made, the “TIMED EVENT #?” prompt is displayed again.
Repeat the procedure for each timed event for the installation.
Quit ?
1 = YES 0 = NO 0
Enter 0 at the “Quit ?” prompt to return to the main menu choices and continue programming. Enter 1 to quit
Scheduling Menu Mode.
Limitation of Access Schedules
Limitation of Access is a means by which a user’s access
code is limited to working during a certain period of
time. The system provides 8 Access Schedules, each of
which consists of two time windows for each day of the
week and two time windows for holidays (typically, one
for an opening time window and the second for a closing
time window). A user, required to follow a schedule,
would be assigned to an access group of the same
number (e.g., schedule 1= group 1).
The user’s access code is assigned to a group when that
user is added to the system. If no limitations apply,
enter 0.
Limitation of Access Schedule Worksheet
Enter the appropriate time window numbers for each access schedule.
Acc Mon Tues Wed Thurs Fri Sat Sun Hol
Sch W1 W2 W1 W2 W1 W2 W1 W2 W1 W2 W1 W2 W1 W2 W1 W2
1
2
3…8
NOTE: The holidays used for the access groups are the same as those defined in the holiday schedule.
Limitation of Access Schedules Programming
To program access schedules enter Scheduling Menu Mode Installer Code + # 80. After entering Scheduling Menu
Mode, press [0] until the “Access Sched. ?” prompt appears.
PROMPT EXPLANATION
Access Sched. ?
1 = YES 0 = NO 0
Enter 1 to program access schedules.
WWW.DIYALARMFORUM.COM

Section 6 – Scheduling Options
6-11
PROMPT EXPLANATION
ACCESS SCHED # ?
01-08, 00 = Quit 01
Enter the access control schedule number between 01 and 08.
Press [✳] to accept entry.
Enter 00 at the “Access Sched #?” prompt to quit the access control menus and display the Quit ? prompt.
MON A1 Window 1?
00:00 00:00 00
Enter the first time-window number (01-20) for this access schedule for the displayed day. As the number is
keyed in, the actual time that has been stored for the window is displayed.
Press [✳] to continue.
MON A1 Window 2 ?
00:00 00:00 00
Enter the second time-window number from 01-20 for this access schedule for the displayed day. As the
number is keyed in, the actual time that has been stored for the window is displayed.
Press [✳] to continue.
TUE A1 Window 1?
00:00 00:00 00
Repeat the procedure for the other days of the week. When the last day of the week has been
programmed, the windows for holidays may be entered.
Hol A1 Window 1 ?
00:00 00:00 00
Enter the first time-window number for holidays for this access schedule. As the number is keyed in, the
actual time that has been stored for the window is displayed.
Press [✳] to continue.
Hol A1 Window 2 ?
00:00 00:00 00
Enter the second time-window number for holidays for this access schedule. As the number is keyed in, the
actual time that has been stored for the window is displayed.
Press [✳] to continue.
Quit ?
1 = YES 0 = NO 0
Enter 0 at the “Quit ?” prompt to return to the main menu choices and continue programming.
Enter 1 to quit Scheduling Menu Mode.
Temporary Schedules
Each partition can be assigned a temporary schedule,
which overrides the regular open/close schedule (and
the holiday schedule). This schedule takes effect as
soon as it is programmed, and remains active for up to
one week.
Only users with the authority level of manager or
higher can program temporary schedules.
A temporary schedule affects only the partition from
which it is entered. Temporary schedules can also be
reused at later dates simply by scrolling (pressing [#])
to the “DAYS?” prompt and activating the appropriate
days. This should be considered when defining daily
time windows.
Temporary Schedule Worksheet
Partition/Windows Mon Tue Wed Thu Fri Sat Sun
1 Disarm Window
Start Time HH:MM
Stop Time HH:MM
Arm Window
Start Time HH:MM
Stop Time HH:MM
2…8 Disarm Window
Start Time HH:MM
Stop Time HH:MM
Arm Window
Start Time HH:MM
Stop Time HH:MM
WWW.DIYALARMFORUM.COM

VISTA-50P/VISTA-50PUL Installation and Setup Guide
6-12
Temporary Schedules Programming
Enter User Code + [#] + 81 to enter this mode.
PROMPT EXPLANATION
Mon DISARM WIND.
00:00AM 00:00AM
This prompt is for entering the start and end times of the disarm (opening) window for Monday.
Upon entry of this mode, the cursor is positioned on the tens of hours digit of the start time of the disarm
window. Enter the desired hour.
Press [✳] to move to the minutes field. The minutes are entered in the same manner.
Press [✳] to move to the AM/PM position. Pressing any key in the 0-9 range toggles the AM/PM indication.
Repeat the procedure for the stop time entry.
Press [✳] to store the entries and move to the arming (closing) window for Monday.
Pressing [#] scrolls you through the prompts without making any changes.
Mon ARM WINDOW
00:00AM 00:00AM
This prompt is for entering the start and end times of the arm (closing) window for Monday.
The cursor is positioned on the tens of hours digit of the start time of the arm window. Enter the hour.
Press [✳] to move to the minutes field. The minutes are entered in the same manner.
Press [✳] to move to the AM/PM position. Pressing any key in the 0-9 range toggles the AM/PM indication.
Repeat the procedure for the stop time entry.
After the windows for that day have been completed, the system prompts for disarm and arm time windows
for the next day.
Press [#] if no changes are desired.
Tue DISARM WIND.
00:00AM 00:00AM
Repeat the procedure described above for all days of the week.
When all the windows for all the days have been completed, the system prompts for which days of the
schedule are to be activated.
Days ? MTWTFSS
Hit 0-7 x x
This is the prompt that actually activates the temporary schedule.
To select the days to be activated, enter 1-7 (Monday = 1). An “X” appears under that day, indicating the
temporary schedule for that day is active. Entering a day’s number again deactivates that day. Pressing 0
toggles all days on/off.
The temporary schedule is in effect only for the days highlighted with the letter “x” under them. As the week
progresses, the selected days are reset to the inactive state, but all other entries for the temporary schedule
remain programmed.
Press [✳] to store the entries or press [#] to exit the Temporary Schedule Entry Mode without making any
changes.
User Scheduling Menu Mode
The system provides up to 20 “timers” available to the end user to control output devices. The output devices themselves
are programmed into the system by the installer during Output Programming in the #93 Menu Mode. The end user
needs only to know the output device number and its alpha descriptor.
The installer may set certain outputs to be “restricted” during Output Programming (this prevents the end user from
controlling doors, pumps, bell outputs, etc.)
To enter this mode, the user enters User Code + [#] + 83.
PROMPT EXPLANATION
Output Timer # ?
01-20, 00=Quit 01
Enter the output timer number to be programmed (01-20). Press [✳] to accept entry and move to the next
prompt.
Enter 00 to quit and return to normal operating mode.
WWW.DIYALARMFORUM.COM

Section 6 – Scheduling Options
6-13
PROMPT EXPLANATION
06 07:00P 11:45P
PORCH LITE 04
If that timer number has already been programmed, a summary screen appears. In this example:
06 = Timer #
07:00PM = Start Time
11:45PM = Stop Time
PORCH LITE = Descriptor for Output Device # 4
04 = Output Device # affected by this timer
Press [✳] to continue.
06 ENTER OUTPUT#
PORCH LITE 04
Enter the desired output number (01-96). As the number is entered, the descriptor for that output device is
displayed.
Press [✳] to continue.
Entering 00 as the output number deletes the timer (Timer 06, in this example) and displays an output
descriptor of “None.” Output devices are programmed via #93 Menu Mode.
PROMPT EXPLANATION
06 ON TIME ?
07:00 PM
The cursor is positioned on the tens of hours digit of the ON time. Enter the desired hour. Press [✳] to
move to the minutes field. The minutes are entered in the same manner. The AM/PM indication is toggled
by hitting any key from 0-9 while the cursor is under the AM/PM position.
Press [✳] to continue.
06 OFF TIME ?
11:45 PM
The cursor positioned on the tens of hours digit of the OFF time. Enter the desired hour. Press [✳] to move
to the minutes field. The minutes are entered in the same manner. The AM/PM indication is toggled by
hitting any key in the 0-9 range while the cursor is under the AM/PM position.
Press [✳] to continue.
06 DAYS? MTWTFSS
HIT 0-7 x x
To select the days to be activated, enter 1-7 (Monday = 1). An “x” appears under that day, indicating the
output for that day is active. Entering a day’s number again deactivates that day. Pressing 0 toggles all
days on/off.
The outputs are in effect only for the days highlighted with the letter “x” under them. As the week
progresses, the selected days are reset to the inactive state, unless the permanent option is selected (next
screen prompt).
When completed, press [✳] to continue.
06 Permanent ?
0 = NO,1 = YES 0
Selecting “Permanent” (1) means that this schedule will be in effect on a continuous basis. Selecting 0
means that this schedule will be in effect for one week only. The letter “x” under the day is then cleared, but
all other entries for the output device remain programmed.
Press [✳] to accept entry.
The system quits User Scheduling Mode and returns to normal operating mode.
WWW.DIYALARMFORUM.COM

VISTA-50P/VISTA-50PUL Installation and Setup Guide
6-14
WWW.DIYALARMFORUM.COM

7-1
SECTION 7
Downloading Primer
(Remote Downloading is not a UL Listed feature)
•••••••••••••••••••••••••••••••••••••••••••••••••
General Information
Downloading allows the operator to remotely access,
program, and control the security system over normal
telephone lines. Anything that can be done directly
from the keypad can be done remotely, using the
COMPASS downloading software. To communicate
with the control panel, the following is required:
1. IBM PC-compatible 486 33MHz PC or better with
30 MB of available hard disk space and at least
8MB of RAM (12MB is preferred). Windows 3.X,
Windows 95, 98, or Windows NT.
2. One of the following modems:
• ADEMCO CIA
• Hayes Smartmodem 1200 (external: level 1.2 or
higher; internal: level 1.1 or higher)
• Hayes Optima 24 + Fax 96 external
• Hayes Optima 336
• BizComp Intellimodem 1200 w/volume
• BizComp Intellimodem 2400
Other brands are not compatible, even if claimed to
be 100% compatible.
3. COMPASS DOWNLOADING software available on
CD ROM with a complete User’s Manual. It may
also be downloaded from the Honeywell web page.
The web address is www.honeywell.com/security.
Internal modems must have a 4-position DIP
switch. Modems with a 6-position DIP switch
will not work.
Access Security
The following four levels of protection guard the control
against compromise while it is being accessed from a
remote location:
1. Security code handshake: The subscriber’s account
number as well as an 8-digit ID number (known
only to the office) must be matched between the
control and computer.
2. Hang-up and callback: The control panel “hangs
up” and calls the computer back at the pre-
programmed number only if the security codes
match.
3. Data encryption: All data that is exchanged
between the computer and control is encrypted to
reduce the possibility of anyone “tapping” the line
and corrupting data.
4. Operator access levels: Operators may be assigned
various levels of access to the downloader, each
having its own log-on code. The access levels allow
the operators read/write capabilities of the
customers’ account information. For a detailed
explanation of the access levels, see the
downloading software User Manual.
NOTES:
• Each time the control panel is accessed
successfully, a Callback Requested report is sent to
the central station, if Opening reports are
programmed.
• When the system is downloading, the keypad
displays “MODEM COMM.”
• After each download or save, an automatic time
stamp is done, to indicate the last download (or
save) and the operator ID number.
• A complete hard copy of each individual account
can be obtained by connecting a printer to the
computer. Refer to your computer Owner’s Manual
or contact your dealer for printer recommendations.
WWW.DIYALARMFORUM.COM

VISTA-50P/VISTA-50PUL Installation and Setup Guide
7-2
Getting On-Line with a Control Panel
At the protected premises, the control panel must be
connected to the existing telephone line (refer to
SECTION 3: Installing the Control). No programming
of the panel is required before downloading to an initial
installation unless you are performing an unattended
download.
When establishing a connection between the computer
and the control panel, the following occurs:
Stage What Happens
1 The computer calls up the control panel.
(The phone number for each customer must
be entered into the customer’s account file
on the computer.)
2 The control panel answers the phone call at
the pre-programmed ring count and executes
a handshake with the computer.
3 The computer sends a request for callback to
the control, unless callback is not required.
4 The panel acknowledges the request and
hangs up. During the next few seconds, the
control processes the request, making sure
certain encrypted information received from
the computer matches its own memory.
5 Upon a successful match, the control panel
seizes the phone line and calls the computer
back, unless callback is not required. (The
phone number to which the computer’s
modem is connected must be programmed
into the control field ✳35.)
6 The computer answers, usually by the
second ring, and executes a handshake with
the panel.
7 The panel then sends other default
information to the computer. If this
information matches the computer’s
information, a successful link is established.
The system is now “on-line” with the
computer.
• Alarms and Trouble responses and reports
are disabled during actual uploading or
downloading sessions. If you are on-line,
but not actively uploading or downloading,
all alarms report immediately. All other
reports are delayed until you complete the
session.
• The keypads remain active when on-line
with a control, but are inactive during
actual uploading or downloading sessions.
To download a control without programming any
information, perform the following steps:
Step Action
1 Enter the Installer Code + [#] + [5]. The
panel temporarily enables a ring count of 5
and sets the Download Callback option to “1”
(callback not required).
2 From the computer, call the panel using the
downloader software set to “First
Communication” Mode.
The downloader establishes a session with no
callback. The panel information can then be
downloaded.
On-Line Control Functions
The following functions can be performed while on-line
with a control panel (see field *37):
• Arm the system in the AWAY Mode; disarm the
system
• Bypass a zone
• Force the system to accept a new program
download
• Shut down communication (dialer) functions (for
nonpayment of monitoring fees in an owned
system)
• Shut down all security system functions (for
nonpayment for a leased system)
• Inhibit local keypad programming (prevents
takeover of your accounts)
• Leave a message for customer
NOTE: Messages sent to the control panel from the
downloader will be viewable at ALL partitions.
• Command the system to upload a copy of its
resident program to the office
• Read: arming status, AC power status, list of
faulted zones, list of bypassed zones, 224 event log,
list of zones currently in alarm, list of zones
currently in trouble, and ECP equipment list
• Set the real-time clock
WWW.DIYALARMFORUM.COM

Section 24 - Downloading Primer
7-3
Direct-Wire Downloading
The VISTA-50P/VISTA-50PUL can be downloaded
without using a modem or telephone line by using a
4100SM Serial Module and Compass Downloading
Software. The direct-wire downloading connection is to
be temporary, and is not part of the permanent
installation. Direct-wire downloading is meant as a tool
for the installer during the installation process.
The connections between the control and the
4100SM are different than those shown in the
4100SM Installation Instructions. See Figure 7-
1 for the correct connections. In addition, in
place of the green wire, referred to in step 2 of
the “IN CASE OF DIFFICULTY” section of the
4100SM Instructions, use the violet wire
instead.
Connector J8 on the main PC board (see the Summary
of Connections diagram on the inside back cover of this
manual) is intended to be interfaced to either a local
serial printer (see SECTION 3:Installing the Control) or
a computer. Make connections to a computer as shown
below. Note that the violet wire connection for a
computer differs from that used when connecting
a serial printer.
Figure 7-1: Direct-Wire Downloading Connections
Telco Handoff
Telco handoff is another method of getting on-line with the downloader. The installer or customer enters the User Code
+ [#] + [1], while on the phone line with the computer’s modem phone line. The customer will get cut-off and the panel
and download computer will establish a connection.
WWW.DIYALARMFORUM.COM

VISTA-50P/VISTA-50PUL Installation and Setup Guide
7-4
WWW.DIYALARMFORUM.COM

8-1
SECTION 8
Setting the Real-Time Clock
•••••••••••••••••••••••••••••••••••••••••••••••••
General Information
This system provides a real-time clock, which must be
set in order for the system’s event log to keep track of
events by time and date. It must also be set in order to
execute scheduling programs (Time-Driven events).
Use a 6139/6160 alpha keypad to set the real-
time clock, or set the clock via the downloader
software. Only users with Installer or Master
authority level can set the clock.
Setting the Time and Date
To set the real time clock, perform the following steps:
Step Action
1 Enter Installer or Master Code + [#] 63.
Typical display shows:
TIME/DATE –– THU
12:01 AM 01/01/90
The day of the week is automatically
calculated based on the date entered. Time
and date entries are made by simply entering
the appropriate hour, minute, month, day
and year.
Press [✳] to move the cursor to the right of
the display, to the next position.
Press [#] to move the cursor to the left of the
display, to the previous position.
2 Enter the correct hour. Then press [✳] to
move to the “minutes” field.
3 Enter the correct minutes. Press [✳] to move
to the AM/PM position.
4 Press any key 0-9 to change AM to PM, or PM
to AM. Press [✳] to move cursor to the
“month” field position.
5 Enter the correct month using a 2-digit entry.
Press [✳] to move cursor to the “day” field
position.
6 Enter the correct day using a 2-digit entry.
Press [✳] to move cursor to the “year” field
position.
7 Enter the correct year.
Press [✳] to continue.
Press [✳] to exit the real-time clock edit
mode.
WWW.DIYALARMFORUM.COM

VISTA-50P/VISTA-50PUL Installation and Setup Guide
8-2
WWW.DIYALARMFORUM.COM

9-1
SECTION 9
User Access Codes
•••••••••••••••••••••••••••••••••••••••••••••••••
General Information
The VISTA-50P/VISTA-50PUL allows a total of 75
security access codes to be allocated. Each security
access code is identified by a user ID number.
Regardless of the number of partitions each code
has access to, it occupies only one user slot in the
system. If a particular code is not used in all
partitions, that user ID number cannot be used
again.
The Quick Arm feature can also be programmed
(partition-specific program field *29). The Quick Arm
feature allows the user to arm the system by pressing
the [#] key instead of the security code. The security
code must always be entered to disarm the system.
A
user code other than the installer code must be
programmed in order for the Quick Arm feature
to function.
User Codes & Levels of Authority
Each user of the system can be assigned a level of
authority, which authorizes the user for certain system
functions. A user can have different levels of authority
within different partitions
Use the “View Capabilities” keypad function (User
Code + [✳] + [✳]) to view the partitions and authority
levels for which a particular user is authorized. These
levels are described below.
Level 0: Installer (User 1) Code
• Programmed in field *00 (default = 4-1-4-0).
Installer Open/Close reporting selected in field *39.
• Can perform all system functions (arm, disarm,
bypass, etc.), but cannot disarm if armed by
another code (or by Quick Arm).
• Can add, delete, or change all other codes, and can
select Open/Close reports for any user.
• Is the only code that can be used to enter program
mode. The Installer Code can be prevented from re-
entering the Program Mode by exiting using ∗98.
• Must program at least one Master Code during
initial installation. Master Codes are codes
intended for use by the primary user(s) of the
system.
Level 1: Master Codes
• Can perform all normal system functions.
• Can be used to assign up to 73 lower-level codes,
which can be used by other users of the system.
• Cannot assign anybody a level of 0 or 1.
• May change his own code.
• Can add, delete, or change Manager or Operator
Codes. Each user’s code can be individually
eliminated or changed at any time.
• Open/Close reporting is automatically the same as
that of the Master who is adding the new user.
Level 2: Manager Codes
• Can perform all system functions (arm, disarm,
bypass, etc.) programmed by Master.
• May add, delete, or change other users of the
system below this level (Manager cannot assign
anybody a level of 0, 1, or 2).
• May change his own code.
• Open/Close reporting is automatically the same as
that of the Manager who is adding the new user.
Levels 3-5: Operator Codes
• Can operate a partition, but cannot add or modify
any user code (see table below).
Level Title Functions Permitted
3 Operator A Arm, Disarm, Bypass
4 Operator B Arm, Disarm
5 Operator C Arm, Disarm only if armed with
same code
• Operator C (sometimes known as the Babysitter
Code) cannot disarm the system unless the system
was armed with that code. This code is usually
assigned to persons who may need to arm and
disarm the system at specific times only (e.g., a
babysitter needs to control the system only when
babysitting).
WWW.DIYALARMFORUM.COM

VISTA-50P/VISTA-50PUL Installation and Setup Guide
9-2
Level 6: Duress Codes
• Sends a silent alarm to a central monitoring station
if the user is being forced to disarm (or arm) the
system under threat (system must be connected to
a central station).
• When the system’s Auxiliary Voltage Triggers are
connected to another communication’s media
(Derived Channel/Long Range Radio), note that
duress is signaled on the same trigger that signals
silent panic (whereas duress has its own unique
report when digitally communicated).
• Assigned on a partition-by-partition basis, and can
be any code or codes desired.
Duress Reporting NOTE: A non-zero report
code for zone 92 (duress) must be
programmed, and partition-specific field *85
duress location enabled, to enable Duress
reporting.
• The Duress report-triggering logic activates on the
5th key depression (such as OFF), not the 4th key
depression (last digit of code). Duress reports are
not triggered if the 5th key is a [*], such as when
you perform a GOTO or view the capabilities of a
user.
General Rules on Authority Levels and Changes
The following rules apply to users when making modifications
within the system based on the user code authority levels:
• Master Codes and all lower-level codes can be used
interchangeably when performing system functions within a
partition (a system armed with a user’s temporary code can
be disarmed with the Master Code or another user’s
temporary code), except the Operator Level C Code
described above.
• A user may not delete or change the user code of the SAME
or HIGHER authority than that which he is assigned.
• A user (levels 0, 1 and 2 only) may only ADD users to a
LOWER authority level.
• A user may assign other users access to only those
partitions to which he himself has access.
• A user code can be DELETED or CHANGED only from
within the partition it was created in.
• User numbers must be entered in 2 digits. Single-digit user
numbers must, therefore, always be preceded by a “00”
(e.g., 03, 04, 05, etc.). Make sure the end user understands
this requirement. Temporary codes are entered as 4-digit
numbers.
Open/Close Reporting Note: When a user is added,
the system prompts for Open/Close reporting capability
only if the installer is adding the new user. When a
Master or Manager adds a new user, the new user’s
Open/Close reporting is the same as that of the Master
or Manager who is adding the user. If Open/Close
reports are required to be selectable by the Master or
Manager, the Installer should assign two Master or
Manager user codes: one with Open/Close reporting
enabled, and one without.
Note that Open/Close reporting of Quick Arm is enabled
if User 02 is enabled for Open/Close reporting, and that
Quick Arm reports as User 00. In order for Quick Arm
reports to be sent for all partitions, User 02 must have
authority and Open/Close must be enabled for all
partitions. If a code with access to all partitions is not
desired, it is suggested that user 02 be assigned
authority level 5 in all partitions, and that the code be
kept secret. Authority level 5 cannot disarm the system
unless armed by that user.
ADEMCO Contact ID format is capable of
reporting Users 01-75 uniquely. If any other
report format is used, only user numbers 01 –
15 can uniquely report to the central station.
Users 16 – 75 will report as User 15.
Multiple Partition Access
Each user is programmed for a primary (home)
partition. A user can also be given access to operate one
or more additional partitions. Within each partition,
each user may be programmed to have different levels
of authority. For example, User 03, the VP of
Engineering, could be assigned to work within the
Engineering Department (Partition 1) of ABC
Manufacturing. Because he needs the full capabilities
in his area, he is assigned as a MASTER with Level 1
authority.
He must also be able to gain access to the
manufacturing area (Partition 2) on an emergency
basis. You can set this up easily by requesting that he
also be assigned to Partition 2, with a level of authority
set lower, such as Level 4 (OPERATOR Level B).
The control automatically assigns him the same user
number within Partition 2.
EXAMPLE OF MULTIPLE PARTITION ACCESS
Part 1 Part 2 Part 3 Part 4 Part 5 Part 6 Part 7 Part 8
User 3 User 3
Level 1 Level 4
Master Oper B
In the above example, User 3 has MASTER authority in
Partition 1 and OPERATOR B authority in Partition 2.
His user number is the same for both partitions. Note
that if a user number is already being used in a
partition, the system will automatically assign a new
user an unused number. Also notice that no access is
allowed for this user into Partitions 3 – 8. Attempts to
access these partitions would be denied automatically.
WWW.DIYALARMFORUM.COM

Section 9 – User Access Codes
9-3
Adding a Master, Manager, or Operator Code
During user code entry, normal key
depressions at other keypads in a partition are
ignored. However, panic key depression
causes an alarm and terminates user entry.
Enter Installer Code†+ [8] + new user no. (02-75) +
new user’s code
†Or Master or Manager Code, but the code must be a
higher level of authority than the code being changed
(e.g., a Manager Code can add an Operator-level Code,
but cannot add a Master or another Manager Code).
Keypad prompts for the authority level for this user.
PROMPT EXPLANATION
User Number = 03
Enter Auth. Level
Enter the level number as follows:
1 = Master
2 = Manager
3 = Operator Level A
4 = Operator Level B
5 = Operator Level C
6 = Duress
Keypad then prompts for Open/Close reporting option for this user.
Open/Close Rep.?
0 = NO , 1 = YES
Press 0 (NO) or 1 (YES), depending on whether or not arming/disarming by this user will trigger Opening
and Closing reports. This prompt appears only if the Installer Code is used to add a user.
Access Group?
Enter 0-8
If access schedules have been programmed, this prompt appears. Enter the user’s access group number
(1-8) if this user should have limited access to the system. Enter 0 if no access group should be assigned.
RF Button ?
0=NO , 1=YES
If a 5800 Series button transmitter has been enabled for arming/disarming functions, and is not assigned to
a user, this prompt appears. Press 0 (NO) or 1 (YES).
Enter Button ZN #
(01-86)
If you answered “yes” to the RF button question, the zone number for the button is requested. Enter any
one of the zone numbers assigned to the button transmitter as AWAY, STAY, or DISARM. The system then
assigns all buttons of the transmitter to this user number.
Multi-Access ?
0 = NO , 1 = YES
Press 0 (NO) if the user is to have access to this partition only. Press 1 (YES) if the user is to have access
to more than one partition. If NO, the program exits this mode. If YES, the keypad prompts for the Global
Arm option for this user.
Global Arm ?
0 = NO , 1 = YES
Press 0 (NO) or 1 (YES), depending on whether this user will be allowed to arm more than one partition via
Global Arm prompts.
The keypad now prompts for the user’s access to the next partition.
Part. 2 – SHOP ?
0 = NO , 1 = YES
Press 0 (NO) or 1 (YES), depending on whether this user will have access to the displayed partition
number. If NO, the keypad displays this prompt for the next partition number in sequence.
If YES, the keypad prompts for the following:
• User’s authority level in the displayed partition (see Authority Level prompt above).
• Open/Close option for this user in the displayed partition (see Open/Close prompt above).
• Global Arm option for this user in the displayed partition.
When all partitions have been displayed, the keypad will scroll through all partitions to which access has
been assigned, and will display the user number, authority level, open/close and global arm options that
were programmed for each partition to which the user was granted access. For example:
Part. 1 A0 WHSE
User 03 Auth=3G.
Note that the “G” following the authority level indicates that the global arm feature is enabled for this user in
the displayed partition, and that the period at the end of the second line indicates Open/Close reporting is
enabled for this user in the displayed partition. The “” indicates the partition from which the user may be
changed or deleted.
WWW.DIYALARMFORUM.COM

VISTA-50P/VISTA-50PUL Installation and Setup Guide
9-4
Changing a Master, Manager, or Operator Code
Enter Installer Code*+ [8] + new user no. (02-75) + new user’s code
*Or Master or Manager Code, but the code must be a higher level of authority than the code being changed (e.g. a
Manager Code can add an Operator-level Code, but cannot add a Master or another Manager Code).
PROMPT EXPLANATION
User Number = 03
NEW USER?
The system detects that the user number is already assigned, and prompts if this is a new user.
Press 0 (NO).
The system then confirms that the change is allowed based on authorization level.
Adding an RF Key to an Existing User
To add an RF key to an existing user, or to change a user’s global arm option, first delete that user’s code, then re-add
the user code as described in the “Adding a Master, Manager, or Operator Code” paragraph.
Deleting a Master, Manager, or Operator Code
Enter your code*+ [8] + new user no. (02-75) + your code again
*Or Master or Manager Code, but the code must be a higher level of authority than the code being changed (e.g. a
Manager Code can add an Operator-level Code, but cannot add a Master or another Manager Code).
PROMPT EXPLANATION
OK TO DELETE 03?
0=NO 1=YES
The system prompts to confirm that you want to delete this user. Press 0 (NO) or 1 (YES).
If you answered “yes,” that user’s code is removed from all partitions to which it was assigned, and all
authorization levels and other information about that user are deleted. Note that a user can be deleted only
by a user with a higher authority level. A user cannot delete himself.
A user code can be deleted only from the partition through which it was entered. If an attempt is made to
delete from another partition, the message “User [XX] Not Deleted” is displayed.
Exiting the User Edit Mode
Press either [7] or [#], or don’t press any key for 10 seconds.
WWW.DIYALARMFORUM.COM

10-1
SECTION 10
Testing the System
•••••••••••••••••••••••••••••••••••••••••••••••••
Battery Test
When AC power is present, the VISTA-50P/VISTA-
50PUL runs a brief battery test every 60 seconds to
determine if there is a battery connected, and runs an
extended battery test every 4 hours to check on the
battery’s condition.
If the VISTA-50P/VISTA-50PUL finds that the battery
voltage is low (less than approximately 11.5V), it
initiates a keypad “SYSTEM LOBAT” display and a
rapid keypad beeping sound. It also sends a Low
Battery report to the central station (if programmed).
The keypad is cleared by entering any security code +
OFF, and a Restore report is sent to the central station
if the situation has been corrected.
Dialer Test
The VISTA-50P/VISTA-50PUL may be programmed to
automatically transmit test reports to a central station
at intervals ranging from once per hour to once per
9999 hours (field ✳27).
UL requires the test report to be transmitted at least
once every 24 hours. The system can be programmed to
send the first report at any time of the day, or on any
day of the week (field ✳83).
Burglary Walk-Test (Code + [5] TEST)
This test causes the system to sound keypad beeps in
response to faults on zones for the purpose of allowing
proper zone operation to be checked without triggering
alarms. This test can be activated by any-level user by
entering the corresponding security code and pressing
TEST while the burglary portion of the system is
disarmed. UL requires that this test be conducted on a
weekly basis.
When this test is first entered, the system activates the
alarm output for 3 seconds. The system sends a Start of
Walk-Test message to the central station. The keypad
displays “Burg Walk Test in Progress” and sounds a
single beep every 15 seconds while the test remains
active.
Open and close each protected door and window in turn.
Each action should produce 3 beeps from the keypad.
Walk in front of any motion detectors. Listen for three
beeps when the detector senses movement.
The keypad displays the zone number and alpha
descriptor while a door or window remains open or
while a detector remains activated. The system
automatically issues a Zone 8 Glassbreak Detector
Power Reset about 10 seconds after it finds a fault on
this zone, to allow faulted detectors to be reset.
To end this test, enter any security code and press OFF.
An End of Walk-Test message is sent to the central
station.
Armed Burglary System Test
Alarm messages are sent to the central station
during the armed system tests. Notify the
central station that a test will be in progress.
A display of “COMM. FAILURE” indicates a
failure to communicate (no kissoff by the
receiver at the central station after the maximum
number of transmission attempts is tried). If this
occurs, verify that the phone line is connected,
the correct report format is programmed, etc.
To perform an armed burglary test, proceed as follows:
Step Action
1 Notify the central station that a test of the
system is being performed.
2 Arm the system.
3 Fault one or more zones.
4 Silence alarm sounder(s) each time by
entering the code and pressing OFF.
NOTE: The system must be rearmed after
each code + off sequence.
5 Check that entry/exit delay zones provide the
assigned delay times.
WWW.DIYALARMFORUM.COM

VISTA-50P/VISTA-50PUL Installation and Setup Guide
10-2
Step Action
6 Check the keypad-initiated alarms, if
programmed, by pressing the panic key pairs
(✳ and #, 1 and ✳, and/or 3 and #).
The word ALARM and a descriptor “99” are
displayed for ✳ and #. If [1] and [✳] are
pressed, “95” is displayed; if [3] and [#] are
pressed, “96” is displayed.
7 If the system has been programmed for
audible emergency, the keypad emits a loud,
steady alarm sound. Silence the alarm by
entering the security code and pressing OFF.
If the system has been programmed for silent
panic, there are no audible alarms or
displays. A report is sent to the central
station, however.
8 Notify the central station that all tests are
finished, and verify results with them.
Testing Wireless Transmitters
Transmitter ID Sniffer Mode
Use the Transmitter Sniffer Mode to test that
transmitters have all been properly programmed.
If a transmitter does not have its serial number
“enrolled,” it will not turn off its zone number.
To enter the Transmitter ID Sniffer Mode, proceed as
follows:
Step Action
1 Enter Installer Code + [#] + [3]. The
keypad displays all zone numbers of wireless
units programmed into the system.
2 Fault each wireless zone, causing each device
to transmit.
As the system receives a signal from each of
the transmitters, the zone number of that
transmitter disappears from the display.
3 Enter Installer Code + OFF to exit the
Sniffer Mode.
Go/No Go Test Mode
Checking the transmitters in this mode assists in
determining good mounting locations, and verifies that
the RF transmission has sufficient signal amplitude
margin for the installed system.
• All partitions containing wireless
transmitters must be placed in the test
mode for sensitivity reduction of the RF
receiver (50% sensitivity). Otherwise, the
RF receiver remains at full strength.
• Make sure that all partitions are disarmed
when performing this test, as the wireless
receiver gain is reduced in half.
To enter the Go/No Go Test Mode, proceed as follows:
Step Action
1 Enter Installer Code + [5].
2 Fault each wireless transmitter, causing each
device to transmit.
NOTE: If a single receiver is used, the
keypad beeps three times to indicate signal
reception. If two receivers are used, the
keypad beeps once if the first receiver
received the signal, twice if the second
receiver received the signal, and three times
if both receivers heard the signal.
3 If the keypad does not beep, reorient or move
the transmitter to another location. Usually
a few inches in either direction is all that is
required.
4 Enter Installer Code + OFF to exit the
Go/No Go Test Mode.
WWW.DIYALARMFORUM.COM

Section 10 – Testing The System
10-3
Trouble Conditions
Check Messages
Display Description
CHECK This indicates that a problem exists on
the zone number displayed. Zone trouble
may be caused by one of the following
conditions:
• A hardwired fire zone is open
(broken wire).
• A Day/Night zone (zone type 5) is
faulted.
• A polling loop zone is not seen by
the control panel.
• A polling loop zone has been
tampered (cover removed on a
4190).
• A wireless zone has not checked in
during the time programmed in field
1✳31.
• A 5800 Series transmitter has been
tampered (cover removed).
• A system trouble exists (RF
receiver, bell output, etc.).
If the problem has been corrected, enter an
OFF sequence (Security Code + OFF) twice
to clear the display.
Power Failure
Display Description
AC LOSS
POWER
LED is off
This indicates that the system is
operating on battery power only. Check
to see that the circuit breaker for the
branch circuit that your system’s
transformer is wired to has not been
accidentally turned off. Instruct the
user to call a service representative
immediately if AC power cannot be
restored.
Other System Messages
Display Description
COMM
FAILURE
This indicates that a failure occurred in
the telephone communication portion of
your system.
LO BAT This indicates that a low-battery
condition exists in the wireless
transmitter displayed. Pressing any key
silences the audible warning sound.
SYSTEM LO
BAT
This indicates that a low-battery
condition exists with the system’s backup
battery.
RCVR
SETUP
ERROR
This indicates that the system has more
wireless zones programmed than the
wireless receiver can support. If this is
not corrected, none of the zones in the
system will be protected. If additional
wireless zones are desired, use an
appropriate receiver.
MODEM
COMM
This indicates that the control is on-line
with a remote computer.
To the Installer
Regular maintenance and inspection (at least annually)
by the installer and frequent testing by the user are
vital to continuous satisfactory operation of any alarm
system.
The installer should assume the responsibility of
developing and offering a regular maintenance program
to the user as well as acquainting the user with the
proper operation and limitations of the alarm system
and its component parts. Recommendations must be
included for a specific program of frequent testing (at
least weekly) to ensure the system’s proper operation at
all times.
Turning the System over to the User
Fully explain the operation of the system to the user by
going over each of its functions, as well as the User’s
Manual supplied.
In particular, explain the operation of each zone
(entry/exit, perimeter, interior, fire, etc.). Be sure the
user understands how to operate any emergency
feature(s) programmed into the system.
WWW.DIYALARMFORUM.COM

VISTA-50P/VISTA-50PUL Installation and Setup Guide
10-4
Contacting Technical Support
PLEASE, before you call Technical Support, be sure
you:
• READ THE INSTRUCTIONS!
• Check all wiring connections.
• Determine that the power supply and/or backup
battery are supplying proper voltages.
• Verify your programming information where
applicable.
• Verify that all keypads and devices are addressed
properly.
• Note the proper model number of this product, and
the version level (if known) along with any
documentation that came with the product.
• Note your customer number and/or company name.
Having this information handy will make it easier for
us to serve you quickly and effectively.
You may contact Technical Support via Toll-Free Fax.
Please include your return fax number. You will receive
a reply within 24 hours. You may also contact Technical
Support via modem to ATLIS-BBS, Tech Support’s
Electronic Bulletin Board System. Replies are posted
within 24 hours.
Technical Support:.................................................... 1-800-645-7492 (8 a.m.-8 p.m. EST)
ATLIS-FAX FAXBACK Automated Fax Retrieval System:.................... 1-800-573-0153 or
.................................................................................................1-516-921-6704 / ext. 1667
World Wide Web Address: .......................................... http://www.honeywell.com/security
WWW.DIYALARMFORUM.COM

A-1
APPENDIX A
Regulatory Agency Statements
•••••••••••••••••••••••••••••••••••••••••••••••••
UL Installation Requirements
The following requirements apply to both UL Residential and UL Commercial Burglary installations:
• All partitions must be owned and managed by the same person(s).
• All partitions must be part of one building at one street address.
• The audible alarm device(s) must be placed where it/they can be heard by all partitions.
• The control cabinet must be protected from unauthorized access. This can be done by installing a tamper switch on
the cabinet door (not supplied with VISTA-50P/VISTA-50PUL) or by installing a UL Listed passive infrared detector
positioned to detect cabinet access. Wire the selected device to any EOLR-supervised zone (Zone 1-8). Program this
zone for day trouble/night alarm (type 05) or 24-hour audible alarm (type 07) response. The 24-hour alarm response
must be used for multiple-partitioned systems.
• Remote downloading and auto-disarming are not UL Listed features.
NOTE: UL Commercial Burglary installations require the attack resistant cabinet. The cabinet is included in the
VISTA-ULKT kit.
UL609 Grade A Local Mercantile Premises/Local Mercantile Safe & Vault
Use the following guidelines for a Grade A Local Mercantile Premises/Local Mercantile Safe & Vault installation:
• All zones must be configured for EOLR supervision (✳41=0). Wireless sensors may not be used. If 4190WH RPMs
are used, set field ✳24 to “0” to enable tamper detection.
• Attach a door tamper switch (supplied) to the VISTA-50P/VISTA-50PUL cabinet backbox. For safe and vault
installations, a shock sensor (not supplied) must also be attached to the backbox. (Also see SECTION 3: Installing
the Control)
• Wire an AB12 Grade A Bell/Box to the bell output. Bell wires must be run in conduit. Program the bell output for a
timeout of 16 minutes or longer timeout and for confirmation of arming ding. (Also see SECTION 3: Installing the
Control.)
• Wire the VISTA-50P/VISTA-50PUL tamper switch and AB12 Bell/Box tamper switches to any EOLR-supervised
zone (zones 1-8). Program this zone for day trouble/night alarm (type 05) or 24-hour audible alarm (type 07)
response. The 24-hour alarm response must be used for multiple-partitioned systems.
• Entry delays must not exceed 45 seconds, and exit delays must not exceed 60 seconds.
UL365 Police Station Connected Burglar Alarm
Follow the instructions for UL609 local installations given above.
For Grade A Service:
• You may use the VISTA-50P/VISTA-50PUL dialer alone, or the 7720 Long Range Radio alone.
• When using the dialer, program it to send Burglary Alarm, Low Battery, and Communicator Test reports. Field ✳27
must be set to “0024” (or less).
• If you are using the 7720, connect it to the VISTA-50P/VISTA-50PUL burglary/audible panic alarm trigger.
For Grade AA Service:
• You must use a 7920SE Long Range Radio.
• Connect the 7920SE to the VISTA-50P/VISTA-50PUL burglary/audible panic alarm trigger.
WWW.DIYALARMFORUM.COM

VISTA-50P/VISTA-50PUL Installation and Setup Guide
A-2
UL611/UL1610 Central Station Burglary Alarm
Follow the instructions for UL609 Local installations given above.
For Grade A Service:
• You must use the VISTA-50P/VISTA-50PUL’ dialer with a 7720 Long Range Radio.
• Connect the control’s burglary/audible panic alarm trigger (on J7 header) and the 659EN’s phone line monitor
output to the 7720. The 7720 will send a report to the central station when a telephone line fault condition is
detected.
• Also connect the 7720’s radio fault output to one of the VISTA-50P/VISTA-50PUL’ EOLR-supervised zones (i.e., 1-8).
Program this zone for a trouble by day/alarm by night (type 05) or a 24-hour alarm (type 07, 08) response to radio
faults.
• Program the control’s dialer to send Burglary Alarm, Trouble, Opening/Closing, and Low Battery reports.
For Grade AA Service:
Follow the instructions for Grade A service, except use the 7920SE in place of the 7720.
California State Fire Marshal (CSFM) and UL Residential Fire Battery Backup
Requirements
The California State Fire Marshal and UL have regulations that require all residential fire alarm control panels to have
backup battery with sufficient capacity to operate the panel and its attached peripheral devices for 24 hours in the
intended standby condition, followed by at least 4 minutes in the intended fire alarm signaling condition.
The VISTA-50P/VISTA-50PUL can meet this requirement without using a supplemental power supply, provided that the
panel’s outputs (including the current drawn from the auxiliary power output terminals) are limited as shown below:
• Output current is limited to 750mA maximum total auxiliary power, polling loop, and bell output current.
• Maximum auxiliary current is 300mA (including polling loop current).
• A 14AH battery is used. (Yuasa model NP7-12 recommended; use two connected in parallel.) A dual-battery harness
is provided with the 4100EOLR Resistor Kit (kit also contains EOL resistors having spade lug/heat shrink tubing
construction approved by UL and CSFM for fire zone usage). Both batteries fit inside the panel’s cabinet.
WWW.DIYALARMFORUM.COM

Appendix A – Regulatory Agency Statements
A-3
FEDERAL COMMUNICATIONS COMMISSION (FCC) PART 15 STATEMENT
NOTE: This equipment has been tested and found to comply with the limits for a Class B digital device,
pursuant to part 15 of the FCC Rules. These limits are designed to provide reasonable protection against
harmful interference in a residential installation. This equipment generates, uses, and can radiate radio
frequency energy and, if not installed and used in accordance with the instructions, may cause harmful
interference to radio communications. However, there is no guarantee that interference will not occur in a
particular installation. If this equipment does cause harmful interference to radio or television reception,
which can be determined by turning the equipment off and on, the user is encouraged to try to correct the
interference by one or more of the following measures:
• Reorient or relocate the receiving antenna.
• Increase the separation between the equipment and receiver.
• Connect the equipment into an outlet on a circuit different from that to which the receiver is connected.
• Consult the dealer or an experienced radio/TV technician for help.
IN THE EVENT OF TELEPHONE OPERATIONAL PROBLEMS
In the event of telephone operational problems, disconnect the control panel by removing the plug from the
RJ31X (CA38A in Canada) wall jack. We recommend that you demonstrate disconnecting the phones on
installation of the system. Do not disconnect the phone connection inside the control panel. Doing so will
result in the loss of your phone lines. If the regular phone works correctly after the control panel has been
disconnected from the phone lines, the control panel has a problem and should be returned for repair. If
upon disconnection of the control panel, there is still a problem on the line, notify the telephone company that
it has a problem and request prompt repair service. The user may not under any circumstances (in or out of
warranty) attempt any service or repairs to the system. It must be returned to the factory or an authorized
service agency for all repairs.
FCC PART 68 NOTICE
This equipment complies with Part 68 of the FCC rules. On the front cover of this equipment is a label that
contains, among other information, the FCC registration number and ringer equivalence number (REN) for
this equipment. If requested, this information must be provided to the telephone company.
This equipment uses the following jacks:
An RJ31X is used to connect this equipment to the telephone network.
The REN is used to determine the quantity of devices that may be connected to the telephone line. Excessive
RENs on the telephone line may result in the devices not ringing in response to an incoming call. In most,
but not all areas, the sum of the RENs should not exceed five (5.0). To be certain of the number of devices
that may be connected to the line, as determined by the total RENs, contact the telephone company to
determine the maximum REN for the calling area.
If this equipment causes harm to the telephone network, the telephone company will notify you in advance
that temporary discontinuance of service may be required. If advance notice is not practical, the telephone
company will notify the customer as soon as possible. Also, you will be advised of your right to file a
complaint with the FCC if you believe necessary.
The telephone company may make changes in its facilities, equipment, operations, or procedures that could
affect the operation of the equipment. If this happens, the telephone company will provide advance notice in
order for you to make the necessary modifications in order to maintain uninterrupted service.
If trouble is experienced with this equipment, please contact the manufacturer for repair and warranty
information. If the trouble is causing harm to the telephone network, the telephone company may request
that you remove the equipment from the network until the problem is resolved.
There are no user serviceable components in this product, and all necessary repairs must be made by the
manufacturer. Other repair methods may invalidate the FCC registration on this product.
This equipment cannot be used on telephone company-provided coin service. Connection to Party Line
Service is subject to state tariffs.
This equipment is hearing-aid compatible.
When programming or making test calls to an emergency number, briefly explain to the dispatcher the
reason for the call. Perform such activities in the off-peak hours, such as early morning or late evening.
WWW.DIYALARMFORUM.COM

VISTA-50P/VISTA-50PUL Installation and Setup Guide
A-4
CANADIAN EMISSIONS STATEMENTS
This Class B digital apparatus complies with Canadian ICES-003
NOTICE
The Industry Canada Label identifies certified
equipment. This certification means that the
equipment meets telecommunications network
protective, operational and safety requirements as
prescribed in the appropriate Terminal Equipment
Technical Requirements document(s). The
Department does not guarantee the equipment
will operate to the user’s satisfaction.
Before installing this equipment, users should
ensure that it is permissible to be connected to the
facilities of the local telecommunications company.
The equipment must also be installed using an
acceptable method of connection. The customer
should be aware that compliance with the above
conditions may not prevent degradation of service
in some situations.
Repairs to certified equipment should be
coordinated by a representative designated by the
supplier. Any repairs or alterations made by the
user to this equipment, or equipment
malfunctions, may cause the telecommunications
company to request the user to disconnect the
equipment.
Users should ensure for their own protection that
the electrical ground connections of the power
utility, telephone lines, and internal metallic
water pipe system, if present, are connected
together. This precaution may be particularly
important in rural areas.
Caution: Users should not attempt to make such
connections themselves, but should contact an
appropriate electric inspection authority, or
electrician, as appropriate.
NOTICE: The Ringer Equivalence Number
(REN) assigned to each terminal device provides
an indication of the maximum number of
terminals allowed to be connected to a telephone
interface. The termination on an interface may
consist of any combination of devices subject only
to the requirement that the sum of the Ringer
Equivalence Numbers of all the devices does not
exceed 5.
AVIS
L’étiquette d’Industrie Canada identifie le
matériel homologué. Cette étiquette certifie que le
matériel est conforme aux normes de protection,
d’exploitation et de sécurité des réseaux de
télécommunications, comme le prescrivent les
documents concernant les exigences techniques
relatives au matériel terminal. Le Ministère
n’assure toutefois pas que le matériel fonctionnera
à la satisfaction de l’utilisateur. Avant d’installer
ce matériel, l’utilisateur doit s’assurer qu’il est
permis de le raccorder aux installations de
l’enterprise locale de télécommunication. Le
matériel doit également être installé en suivant
une méthode acceptée da raccordement. L’abonné
ne doit pas oublier qu’il est possible que la
conformité aux conditions énoncées ci-dessus
n’empêche pas la dégradation du service dans
certaines situations.
Les réparations de matériel nomologué doivent
être coordonnées par un représentant désigné par
le fournisseur. L’entreprise de télécommunications
peut demander à l’utilisateur da débrancher un
appareil à la suite de réparations ou de
modifications effectuées par l’utilisateur ou à
cause de mauvais fonctionnement.
Pour sa propre protection, l’utilisateur doit
s’assurer que tous les fils de mise à la terre de la
source d’energie électrique, de lignes
téléphoniques et des canalisations d’eau
métalliques, s’il y en a, sont raccordés ensemble.
Cette précaution est particulièrement importante
dans les régions rurales.
Avertissement : L’utilisateur ne doit pas tenter
de faire ces raccordements lui-même; il doit avoir
racours à un service d’inspection des installations
électriques, ou à un électricien, selon le cas.
AVIS : L’indice d’équivalence de la sonnerie
(IES) assigné à chaque dispositif terminal indique
le nombre maximal de terminaux qui peuvent être
raccordés à une interface. La terminaison d’une
interface téléphonique peut consister en une
combinaison de quelques dispositifs, à la seule
condition que la somme d’indices d’équivalence de
la sonnerie de tous les dispositifs n’excède pas 5.
WWW.DIYALARMFORUM.COM

B-1
APPENDIX B
Summary of System Commands
••••••••••••••••••••••••••••••••••••••••••••••••••
User Code
Commands
Add A User Code = User Code + 8 + New User Number + New User’s Code
Change a Code = User Code + 8 + User Number + New User’s Code
Delete a User’s Code = Your User Code + 8 + User Number to Be Deleted + Your Code
Again
View User Capability = User’s Code + [✳] + [✳]
Set Real-Time Clock (Installer, Master Only) = Code + [#] + 63
Programming
Commands
Site Initiated Download = User Code + [#] + 1.
Direct-Wire Download Enable = User Code + [#] + 5.
Enter Program Mode = Installer Code + 800.
Enter Interactive Program Mode = Installer Code + 800 + [#] + 93
Exit Program Mode = ✳99 or ✳98.
Event Logging
Commands
Event Log Display = Code + [#] + 60 (Installer or Master Only)
Event Log Print = Code + [#] + 61 (Installer or Master Only)
Clear Event Log = Code + [#] + 62 (Installer or Master Only)
Wireless System
Commands
House ID Sniffer Mode = Code + [#] + 2 (Installer Only)
Transmitter ID Test = Code + [#] + 3 (Installer Only)
Go/No Go Test = Code + 5 (Test Key)
Partition GOTO User Code + [✳] + Partition Number 0-8.
GOTO Home Partition User Code + [✳] + 0.
Panics [✳] + 1 or A Key (Zone 995).
[✳] + [#] or B Key (Zone 999).
[#] + 3 or C Key (Zone 996).
View Downloaded Messages Press 0 for 5 Seconds.
Display All Zone Descriptors Press [✳] for 5 Seconds.
Additional
Commands
Display User Self Help Hold Any Key for 5 Seconds.
Relay Control
Commands
Activate Output Device as Programmed = User Code + [#] + 71.
Activate Output Device as Programmed = User Code + [#] + 72.
Activate Output Device Manually = User Code + [#] + 70.
Scheduling
Commands
Installer-Programmed Schedule Events = Installer Code + [#] + 80 (Installer or Master
Only).
Temporary Schedule Editing = User Code + [#] + 81 (Installer, Master, Manager Only).
Extend Closing Window = User Code + [#] + 82 (Installer, Master, Manager Only).
End User Output Device Programming = User Code + [#] + 83.
Access Control
Commands
Activate Access Relay for Current Partition = User Code + 0.
WWW.DIYALARMFORUM.COM

VISTA-50P/VISTA-50PUL Installation and Setup Guide
B-2
WWW.DIYALARMFORUM.COM

C-1
APPENDIX C
Specifications
••••••••••••••••••••••••••••••••••••••••••••••••••
VISTA-50P/VISTA-50PUL CONTROL
Physical:
Standard Cabinet (included) 12 1/2" W x 14 1/2" H x 3" D
UL Cabinet (optional) 14 1/2" W x 18" H x 4.3" D (Included in the VISTA-ULKT kit)
Electrical:
Voltage Input: From 1361 Plug-In Transformer (use 1361CN in Canada) or 1361X10 transformer (for
X-10 installations) rated 16.5VAC, 40 VA.
Alarm Sounder Output: 10VDC-13.8VDC, 1.7 amps max. (UL1023, UL609 installations); 750mA less aux.
current draw (UL985 installations).
Auxiliary Power Output: 9.6VDC-13.8VDC, 750mA max. For UL installations, the accessories connected to the
output must be UL Listed, and rated to operate in the above voltage range.
Backup Battery: 12VDC, 4AH or 7AH gel cell. YUASA NP4-12 (12V, 4AH) or NP7-12 (12V, 7AH)
recommended.
Standby Time: 4 hours min. with 750mA aux. load using 7AH battery.
Circuit Protectors: PTC circuit breakers are used on battery input to protect against reverse battery
connections and on alarm sounder output to protect against wiring faults (shorts).
A solid-state circuit breaker is used on auxiliary power output to protect against wiring
faults (shorts).
Digital Communicator
Formats Supported: ADEMCO High Speed, ADEMCO 4 + 2 Express, ADEMCO Low Speed, ADEMCO
Contact ID, Sescoa and Radionics Low Speed
Line Seize: Double Pole
Ringer Equivalence: 0.7B
FCC Registration No.: AC398U-68192-AL-E
Remote Keypads
6139
Physical:
Width: 6.25 inches
Height: 4.75 inches
Depth: 1.25 inches
Electrical:
Voltage Input: 12VDC
Current Drain: 100mA
Interface Wiring:
RED: 12VDC input (+) auxiliary
power
BLUE: Not Used
GREEN: Data to control panel
YELLOW: Data from control panel
BLACK: Ground and (-) connection from
supplemental power supply
6160
Physical:
Width: 7.437 inches
Height: 5.25 inches
Depth: 1.312 inches
Electrical:
Voltage Input: 12VDC
Current Drain: 150mA
Interface Wiring:
RED: 12VDC input (+) auxiliary
power
BLUE: Not Used
GREEN: Data to control panel
YELLOW: Data from control panel
BLACK: Ground and (-) connection from
supplemental power supply
WWW.DIYALARMFORUM.COM

VISTA-50P/VISTA-50PUL Installation and Setup Guide
C-2
WWW.DIYALARMFORUM.COM

D-1
APPENDIX D
Contact ID Event Codes
••••••••••••••••••••••••••••••••••••••••••••••••••
TABLE OF CONTACT ID EVENT CODES
Code Definition
110 Fire Alarm
121 Duress
122 Silent Panic
123 Audible Panic
131 Perimeter Burglary
132 Interior Burglary
133 24-Hour Burglary
134 Entry/Exit Burglary
135 Day/Night Burglary
150 24-Hour Auxiliary
301 AC Loss
302 Low System Battery
305 System Reset
306 Program Tamper
309 Battery Test Fail
321 Bell 1 Trouble
332 Poll Loop Short-Trouble
333 Expansion Module Failure
373 Fire Loop Trouble
374 Exit Error by Zone
380 Trouble (global)
381 Loss of Supervision (RF)
382 Loss of RPM Supervision
383 RPM Sensor Tamper
384 RF Transmitter Low Battery
401 O/C by User
Code Definition
403 Power-Up Armed/Auto-Arm
406 Cancel by User
407 Remote Arm/Disarm (Download)
408 Quick Arm
409 Keyswitch O/C
411 Callback Requested
441 Armed STAY
451 Early Open/Close
452 Late Open/Close
453 Fail to Open
454 Fail to Close
455 Auto-Arm Fail
457 Exit Error by User
459 Recent Close
570 Bypass
602 Communicator Test
606 Listen-In to Follow
607 Burglary Walk-Test
621 Event Log Reset
622 Event Log 50% Full
623 Event Log 90% Full
624 Event Log Overflow
625 Time/Date Reset
631 Exception Schedule Change
632 Access Schedule Change
WWW.DIYALARMFORUM.COM

VISTA-50P/VISTA-50PUL Installation and Setup Guide
D-2 WWW.DIYALARMFORUM.COM

Index-1
Index
••••••••••••••••••••••••••••••••••••••••••••••••••
#93 Menu Mode Programming .................................... 4-2
#93 Menu Mode Programming Commands................. 4-3
12/24 Hour Type Stamp Format................................ 5-13
1361 ...................................................................3-25, C-1
1361CN Transformer................................................. 3-25
1361X10 transformer.................................3-17, 3-25, C-1
24-hour Audible Alarm Type 07................................... 4-6
24-hour Auxiliary Alarm Type 08 ................................. 4-6
24-hour Silent Alarm Type 06...................................... 4-6
2-Wire Latching Glassbreak Detectors...................... 3-10
2-Wire Smoke Detectors ............................................. 3-7
333 PRM ..................................................................... 3-8
4100SM .............................................................. 3-20, 4-7
4100SM Serial Module ................................................ 7-3
4146 .......................................................................... 3-18
4197 Polling Loop Extender ...................................... 3-12
4204 and 4204CF Relay Modules............................. 3-17
4285/4286 VIP Module.............................................. 3-20
4297 Polling Loop Extender ...................................... 3-12
4-Wire Smoke Detectors ............................................. 3-8
5800 Series Transmitters .......................................... 3-16
5800TM Module ........................................................ 3-15
5869 ................................................................... 1-1, 3-13
5881 RF Receivers.................................................... 3-14
5881ENHC ......................................................... 1-1, 3-13
6139 ............................................................................C-1
6160 ............................................................................C-1
675 Ground Start Module .......................................... 3-18
685 receiver........................................................ 3-6, 3-22
719 .............................................................................. 3-4
747 .............................................................................. 3-4
7720 .......................................................................... 3-20
7720ULF.................................................................... 3-20
7920SE...................................................................... 3-20
A
AAV ........................................................................... 3-22
AB12............................................................................ 3-1
ABB1031 ..................................................................... 3-4
AC Loss Keypad Sounding.......................................... 5-2
AC Outlet Ground...................................................... 3-26
Access Group............................................................. 9-3
Access Control ..................................................... 1-2, 4-7
Access Control Commands ......................................... B-1
Access Relay Number ............................................... 5-13
Access Schedules ....................................................... 6-5
Action Code................................................................. 6-8
Action Specifier ........................................................... 6-8
Activation Time............................................................ 6-8
Adding a User Code .................................................... 9-3
Adding an RF Key to a User Code .............................. 9-4
Addressing the Keypads.............................................. 3-3
ADEMCO 4+2 Express................................................ 3-6
ADEMCO 4+2 EXPRESS............................................ C-1
ADEMCO CONTACT ID.............................................. C-1
ADEMCO HIGH SPEED.............................................. C-1
ADEMCO Low Speed...................................................3-6
ADEMCO LOW SPEED .............................................. C-1
Affects Lobby........................................................ 2-2, 5-9
Agency Statements ..................................................... A-1
Alarm Code for Zones 01–08 .......................................5-6
Alarm Code for Zones 09–16 .......................................5-6
Alarm Code for Zones 17–24 .......................................5-6
Alarm Code for Zones 25–32 .......................................5-6
Alarm Code for Zones 33–40 .......................................5-6
Alarm Code for Zones 41–48 .......................................5-6
Alarm Code for Zones 49–56 .......................................5-7
Alarm Code for Zones 65–72 .....................................5-11
Alarm Code for Zones 73–80 .....................................5-11
Alarm Code for Zones 81–88 .......................................5-7
Alarm Code for Zones 89–99 .......................................5-7
Alarm Output Current Load ........................................3-27
Alarm Output Supervision ............................................3-4
Alarm Sounder Duration...............................................5-2
Allow Disarm Outside Window if Alarm Occurs..........5-14
Allow Disarming Only During Arm/Disarm Windows ..5-14
ALPHA PROG ..............................................................4-3
Arm/Disarm Commands ...............................................6-8
Arm-Away Type 21.......................................................4-6
Arms Lobby .......................................................... 2-2, 5-9
Arm-STAY Type 20 ......................................................4-6
Audio Alarm Verification Module ................................3-22
Auto Arming .................................................................6-1
Auto Disarming.............................................................6-1
Auto-Arm Delay.................................................. 5-14, 6-1
Auto-Arm Warning........................................................6-1
Auto-Arm Warning Period ..........................................5-14
Auto-Disarm Delay .....................................................5-14
Auxiliary Output Enable.................................... 3-18, 3-19
Auxiliary Output Mode ................................................5-12
Auxiliary Power Current Load.....................................3-26
B
BACK-UP BATTERY................................................... C-1
Battery Capacity Worksheet.......................................3-27
Battery Selection Table ..............................................3-28
Battery Test................................................................10-1
Burglary Alarm Communicator Delay ...........................5-8
Burglary Trigger for Response Type 8 .........................5-3
Burglary Walk Test.....................................................10-1
Button RF ...................................................................3-16
Button RF (BR) Type 05...............................................4-7
Bypass Commands ......................................................6-8
C
Cabinet Lock ................................................................3-1
California State Fire Marshal (CSFM) ......................... A-2
WWW.DIYALARMFORUM.COM

VISTA-50P/VISTA-50PUL Installation and Setup Guide
Index-2
Call Waiting Defeat.................................................... 5-12
Callback....................................................................... 7-2
Callback Requested .................................................... 7-1
CANADIAN EMISSIONS STATEMENTS .................... A-4
Changing a User Code................................................ 9-4
Check Messages....................................................... 10-3
Checksum Verification................................................. 5-5
Chime on External Siren ........................................... 5-12
CIRCUIT PROTECTORS ............................................ C-1
Code + TEST [5]........................................................ 10-1
Cold Water Pipe ........................................................ 3-26
COMM FAILURE....................................................... 10-3
Common Lobby ........................................................... 2-1
Communication Defaults ............................................. 4-4
Communicator Split Reporting Selection................... 5-11
Compass Downloading Software ................................ 7-3
COMPASS downloading software............................... 7-1
Compatible 2-Wire Smoke Detectors .......................... 3-7
Compatible 4-Wire Smoke Detectors .......................... 3-8
Compatible 5800 Series Transmitters ....................... 3-16
Compatible Alarm Indicating Devices.......................... 3-4
Compatible Glass Break Detectors ........................... 3-10
Compatible Polling Loop Devices.............................. 3-11
Confirmation of Arming Ding ....................................... 5-2
Contact ID ................................................................... 1-2
CONTACT ID EVENT CODES....................................D-1
Contacting Technical Support ................................... 10-4
Control Unit Power Supply Load ............................... 3-26
Conventions Used in This Manual.................................. vi
Cross Zoning Pair Four ............................................. 5-10
Cross Zoning Pair One.............................................. 5-10
Cross Zoning Pair Three ........................................... 5-10
Cross Zoning Pair Two.............................................. 5-10
Cross-Zoning............................................................. 5-10
CUSTOM INDEX......................................................... 4-3
D
Data Encryption........................................................... 7-1
Data Field Descriptions ............................................... 5-1
Data Field Programming Mode.................................... 4-1
Daylight Saving Time Start/End Month...................... 5-13
Daylight Saving Time Start/End Weekend ................ 5-14
Deleting a User Code .................................................. 9-4
DEVICE PROG............................................................ 4-3
Dial Tone Detection..................................................... 5-5
Dial Tone Pause.......................................................... 5-4
Dialer Test ................................................................. 10-1
DIGITAL COMMUNICATOR........................................C-1
DIP Switch Loop (DP) Type 07.................................... 4-7
Direct-Wire Downloading............................................. 7-3
Disable Download Callback....................................... 5-12
Disarm Delay............................................................... 6-1
Disarm Type 22 ........................................................... 4-6
Download Command Enables..................................... 5-4
Download ID Number .................................................. 5-4
Download Phone Number ........................................... 5-4
Downloading................................................................ 7-1
Downloading Access Security ..................................... 7-1
Downloading Requirements .........................................7-1
Dual Reporting .............................................................5-5
Duress Codes Level 6 ..................................................9-2
Duress Reporting .........................................................9-2
E
Earth Ground..............................................................3-26
Enable 5800 RF Button Force Arm ............................5-13
Enable 5800 RF Button Global Arm...........................5-13
Enable Dialer Reports for Panics & Duress..................5-8
Enable GOTO for this Partition...................................5-15
Enable J7 Triggers for Partition..................................5-15
Enable Open/Close Report for Installer Code..............5-4
Enable Open/Close report for Keyswitch .....................5-4
Entering/Exiting Programming Mode............................4-1
Entry Delay #1..............................................................5-1
Entry Delay #2..............................................................5-1
Entry Warning ..............................................................5-8
Entry/Exit #1 Type 01...................................................4-5
Entry/Exit #2 Type 02...................................................4-5
event log.....................................................................3-20
Event Log .....................................................................1-2
Event Log Printer On-Line Mode................................5-13
Event Log Types ........................................................5-13
Event Logging Commands.......................................... B-1
Exception Reports........................................................6-2
Exit Delay #1 ................................................................5-1
Exit Delay #2 ................................................................5-2
Exit Delay Reset...........................................................5-9
Exit Delay Sounding...................................................5-12
Exit Error ......................................................................1-1
Exit Error Logic Enable.................................................5-9
Exiting the User Edit Mode...........................................9-4
EXPERT MODE ...........................................................4-3
Extend Closing Window ...............................................6-1
External Sounders........................................................3-4
F
FCC Part 15 STATEMENT.......................................... A-3
FCC PART 68 NOTICE............................................... A-3
FCC REGISTRATION NO........................................... C-1
First Communication ....................................................7-2
First Test Report Time..................................................5-8
Force Arm.....................................................................6-1
Force Arm Enable for Auto-Arm .................................5-14
G
General Description......................................................1-1
Getting On-Line with a Control Panel...........................7-2
Global Arm ? ................................................................9-3
Go/No Go Test Mode .................................................10-2
Grade A Mercantile Premises Listing ...........................3-1
Grade A Mercantile Safe and Vault Listing ..................3-2
Grade A Service...................................................A-1, A-2
Grade AA Service.................................................A-1, A-2
WWW.DIYALARMFORUM.COM

Index-3
Ground Start Module ................................................. 3-18
H
Hardwire and Optional Expansion Zones.................... 1-1
Hardwired (HW) Type 01............................................. 4-6
Holiday Schedule ........................................................ 6-3
Holiday Schedule Programming .................................. 6-7
Holiday schedules ....................................................... 6-4
Holiday Schedules....................................................... 6-6
House ID Sniffer Mode .............................................. 3-15
I
ID Digit for Zones 01–08 ............................................. 5-6
ID Digit for Zones 09–16 ............................................. 5-6
ID Digit for Zones 17–24 ............................................. 5-6
ID Digit for Zones 25–32 ............................................. 5-6
ID Digit for Zones 33–40 ............................................. 5-6
ID Digit for Zones 41–48 ............................................. 5-6
ID Digit for Zones 49–56 ............................................. 5-7
ID Digit for Zones 57–64 ............................................. 5-7
ID Digit for Zones 65–72 ........................................... 5-11
ID Digit for Zones 73–80 ........................................... 5-11
ID Digit for Zones 81–88 ............................................. 5-7
ID Digit for Zones 89–99 ............................................. 5-7
Ignore Expansion Zone Tamper.................................. 5-3
Installer (User 1) Code Level 0.................................... 9-1
Installer Code .............................................................. 5-1
Installing RPM Devices.............................................. 3-11
Installing the Control.................................................... 3-1
Intelligent Test Report ................................................. 5-3
Interior w/Delay Type 10 ............................................. 4-6
Interior, Follower Type 04............................................ 4-6
K
Keypad Panic Enables ................................................ 5-2
Keypads ............................................................... 2-1, 3-3
Keyswitch .................................................................. 3-18
Keyswitch Assignment................................................. 5-2
Keyswitch Tamper..................................................... 3-19
L
Limitation of Access..................................................... 6-2
Limitation of Access Schedules................................. 6-10
Limitation Of Access Schedules Programming.......... 6-10
LINE SEIZE .................................................................C-1
List of Figures..................................................................v
LO BAT...................................................................... 10-3
Lobby Partition ............................................................ 5-9
Long Range Radio to J7 Triggers ............................. 3-20
Low Speed Format (Primary) ...................................... 5-5
Low Speed Format (Secondary).................................. 5-5
M
Manager Codes Level 2 ...............................................9-1
Master Codes Level 1 ..................................................9-1
Master Keypad .............................................................2-3
MODEM COMM ................................................. 7-1, 10-3
modems........................................................................7-1
Mounting the Control Cabinet ......................................3-1
Multi-Access ? ..............................................................9-3
Multiple Alarms.............................................................5-2
Multiple Partition Access ..............................................9-2
N
No Alarm Response Type 23 .......................................4-6
Non-Alarm Report Codes (First Digit) ................ 5-7, 5-11
Non-Alarm Report Codes (Second Digit) .....................5-7
Non-Alarm Report Codes Report Codes
(Second Digit).........................................................5-12
Non-UL Installations.....................................................3-4
Normally Closed or EOLR (Zones 2-8).........................5-4
Number of Partitions...................................................5-13
O
OC or OPEN CIRCUIT .................................................3-3
On-Line Control Functions ...........................................7-2
Open/Close Reporting..................................................9-2
Open/Close Reports by Exception ..................... 5-14, 6-3
Open/Close Schedule ..................................................6-3
Open/Close Schedule Programming............................6-6
Open/Close Schedules......................................... 6-4, 6-6
Open/Close Windows...................................................6-8
Operator Access Levels ...............................................7-1
Operator Codes Levels 3-5 ..........................................9-1
Output Device Control Commands.............................. B-1
Output Devices...........................................................3-17
Overvoltage Protection.................................................3-6
P
PA400 ..........................................................................3-4
PABX Access Code......................................................5-3
Partitioned System .......................................................2-1
Partitioning ........................................................... 1-2, 2-1
Perimeter Type 03........................................................4-5
Peripherals Devices .....................................................1-1
Permanent Keypad Display Backlighting ...................5-12
Phone Module Access Code ........................................5-2
polling loop .................................................................3-11
Polling Loop Current Draw .........................................3-26
Polling Loop Right Loop (PS) Type 08.........................4-7
Polling Loop Supervision............................................3-12
Power Failure .............................................................10-3
Power-Up in Previous State .........................................5-3
Prevent Fire Timeout....................................................5-2
Prevent Zone XX Bypass .............................................5-4
WWW.DIYALARMFORUM.COM

VISTA-50P/VISTA-50PUL Installation and Setup Guide
Index-4
Primary Format............................................................ 5-5
Primary Phone Number............................................... 5-4
Primary Subscriber’s Account Number........................ 5-3
Printer Baud Rate...................................................... 5-13
Printer Configurations................................................ 3-20
Program Modes........................................................... 4-1
Programming............................................................... 4-1
Programming Commands............................................ B-1
PROGRAMMING COMMANDS................................... 4-1
Programming Entry Errors........................................... 4-2
Programming Partition-Specific Data Fields................ 4-2
Programming Scheduling Options............................... 6-4
Programming System-Wide Data Fields ..................... 4-2
Q
Quick Arm............................................................. 5-3, 9-1
R
RADIONICS LOW SPEED ..........................................C-1
Randomize AC Loss Report ........................................ 5-2
RCVR SETUP ERROR ............................................. 10-3
Real-Time Clock.......................................................... 8-1
Recent Close............................................................... 1-1
Regulatory Agency Statements ................................... A-1
Relay commands......................................................... 6-8
RELAY PGM................................................................ 4-3
Relay Timeout XXX Minutes...................................... 5-13
Relay Timeout YYY Seconds .................................... 5-13
Remote Keypad Sounder .......................................... 3-19
Reporting Formats....................................................... 3-6
Response Types for Zones 01–08 .............................. 5-1
Response Types for Zones 09–16 .............................. 5-1
Response Types for Zones 17–24 .............................. 5-1
Response Types for Zones 25–27, 97, 95, 96,
and 99 ..................................................................... 5-1
Response Types for Zones 28–32 .............................. 5-8
Response Types for Zones 33–40 .............................. 5-8
Response Types for Zones 41–48 .............................. 5-8
Response Types for Zones 49–56 .............................. 5-8
Response Types for Zones 57–64 .............................. 5-8
Response Types for Zones 65–72 .............................. 5-8
Response Types for Zones 73–80 .............................. 5-8
Response Types for Zones 81–87 .............................. 5-9
Response Types for Zones 88–91 .............................. 5-9
Restore Report Timing ................................................ 5-8
Restrict Disarming ....................................................... 6-1
RF Button ? ................................................................. 9-3
RF Receiver Supervision Check-in Interval............... 5-11
RF System Installation Advisories ............................. 3-14
RF System Operation and Supervision ..................... 3-13
RF Transmitter Check-in Interval............................... 5-11
RF Transmitter Low Battery Reporting...................... 5-11
RF Transmitter Low Battery Sound ........................... 5-11
Ring Count .................................................................. 7-2
Ring Detection Count .................................................. 5-5
RINGER EQUIVALENCE ............................................C-1
RJ31X ..........................................................................3-6
RJ31X jack .................................................................3-21
RLY VOICE DESCR.....................................................4-3
S
Scheduling ........................................................... 1-2, 6-1
Scheduling Commands ............................................... B-1
Scheduling Menu Mode................................................6-4
Scheduling Menu Structure..........................................6-4
Scheduling Report Codes (First Digit .........................5-14
Scheduling Report Codes Report Codes
(Second Digit).........................................................5-15
Secondary Format........................................................5-5
Secondary Phone Number...........................................5-4
Secondary Subscriber Account Number ......................5-8
Send Cancel If Alarm + Off ........................................5-12
serial number devices ................................................3-11
Serial Number Polling Loop (SL) Type 06....................4-7
Serial Printer ..............................................................3-20
SESCOA ..................................................................... C-1
Sescoa/Radionics.........................................................3-6
Sescoa/Radionics Select..............................................5-5
Siren Driver ..................................................................3-5
Smoke Power Reversal Module ...................................3-8
Specifications .............................................................. C-1
Standard/Expanded Reporting Primary........................5-5
Standard/Expanded Reporting Secondary...................5-6
Standby Battery Size..................................................3-27
Supervised Fire (Without Verification) Type 09............4-6
Supervised RF............................................................3-16
Supervised RF (RF) Type 03 .......................................4-6
Supervision Pulses for LRR .......................................5-15
Supervisory and Restore Codes for Zones 01–16 .......5-6
Supervisory and Restore Codes for Zones 17–32 .......5-6
Supervisory and Restore Codes for Zones 33–48 .......5-6
Supervisory and Restore Codes for Zones 49–64 .......5-7
Supervisory and Restore Codes for Zones 65–80 .....5-11
Supervisory and Restore Codes for Zones 81–99 .......5-7
Supplementary Power Supply......................................3-3
Suppress Transmitter Supervision Sound..................5-12
Swinger Suppression ...................................................5-8
System Commands ..................................................... B-1
System Communication ...............................................1-2
SYSTEM LO BAT.......................................................10-3
System LoBat”............................................................10-1
System Messages ......................................................10-3
System Sensor A77-716B EOL Relay Module.............3-8
System Sensor MA 12/24D ..........................................3-4
System Sensor P12575................................................3-4
T
Telco Handoff...............................................................7-3
Telephone Line Connections .......................................3-6
TELEPHONE OPERATIONAL PROBLEMS ............... A-3
Temporary Schedule....................................................6-3
Temporary Schedules ................................................6-11
WWW.DIYALARMFORUM.COM

Index-5
Temporary Schedules Programming......................... 6-12
Test Report Interval..................................................... 5-3
Testing The System................................................... 10-1
Time Driven Events ..................................................... 6-2
Time Driven Events Worksheet ................................... 6-7
Time Window Definitions............................................. 6-2
Time Windows...................................................... 6-4, 6-5
Time Windows Programming ...................................... 6-5
Timed Events .............................................................. 6-5
Time-Driven Event Programming ................................ 6-8
Time-Driven Events..................................................... 6-7
Time-Driven Events Programming .............................. 6-7
TouchTone or Rotary Dial ........................................... 5-3
TouchTone with Rotary Backup ................................ 5-11
Transformer Connections.......................................... 3-25
Transmitter Battery Life ............................................. 3-16
Transmitter ID Sniffer Mode ...................................... 10-2
Transmitter Input Types............................................. 3-16
Transmitter Supervision............................................. 3-16
Trouble by Day/Alarm by Night Type 05...................... 4-6
Trouble Conditions .................................................... 10-3
Turning the System Over to the User ........................ 10-3
U
UL Installation Requirements ...................................... A-1
UL1023 Household Burglary Installations ................... 3-4
UL365 Police Station Connected Burglar Alarm.......... A-1
UL609 Grade A Local Mercantile Premises/Local
Mercantile Safe & Vault........................................... A-1
UL611/UL1610 Central Station Burglary Alarm........... A-2
UL985 Household Fire or Household Fire/Burglary
Installations ............................................................. 3-4
UNABLE TO ARM LOBBY PARTITION ...................... 2-2
Unsupervised RF....................................................... 3-16
Unsupervised RF (UR) Type 04 .................................. 4-6
Use Partition Descriptor............................................. 5-15
User Access Codes ..................................................... 9-1
User Code Authority Levels......................................... 9-1
User Code Commands................................................ B-1
User Code Rules ......................................................... 9-2
User Scheduling Menu Mode .................................... 6-12
Users ........................................................................... 2-1
V
View Capabilities..........................................................9-1
VIP Module.................................................................3-20
VIP Module Phone Code..............................................5-2
VISTA-50P/VISTA-50PUL Current Load....................3-27
W
Wheelock AS-121575W ..............................................3-4
Wire Run Length/Gauge ..............................................3-3
Wireless Keypad Assignment.....................................5-12
Wireless Keypad Tamper Detect................................5-12
Wireless System Commands ...................................... B-1
Wireless Zone Expansion...........................................3-13
Wiring Devices to Zones 1-9 ........................................3-6
Wiring the Alarm Output...............................................3-4
Wiring the Keypads ......................................................3-3
Worksheets to calculate the total current ...................3-26
World Wide Web Address ..........................................10-4
X
X-10 Devices..............................................................3-17
Y
Yuasa .........................................................................3-28
Z
Zone 5 Audio Alarm Verification.................................5-13
Zone 87 ......................................................................3-21
Zone 9 Fast/Slow Response ........................................5-2
Zone Defaults...............................................................4-4
Zone Index ...................................................................4-4
Zone Input Type Definitions .........................................4-6
Zone Number Designations..........................................4-4
ZONE PROG........................................................... vi, 4-3
Zone Response Type Definitions .................................4-5
Zone Type Restores for Zone Types 1-8 .....................5-7
Zone Type Restores for Zone Types 9, and 10............5-7
Zones ...........................................................................2-1
WWW.DIYALARMFORUM.COM

WARNING!
THE LIMITATIONS OF THIS ALARM SYSTEM
While this System is an advanced wireless security system, it does not offer guaranteed protection against burglary, fire or
other emergency. Any alarm system, whether commercial or residential, is subject to compromise or failure to warn for a vari-
ety of reasons. For example:
• Intruders may gain access through unprotected openings or have the technical sophistication to bypass an alarm sensor or
disconnect an alarm warning device.
• Intrusion detectors (e.g., passive infrared detectors), smoke detectors, and many other sensing devices will not work with-
out power. Battery-operated devices will not work without batteries, with dead batteries, or if the batteries are not put in
properly. Devices powered solely by AC will not work if their AC power supply is cut off for any reason, however briefly.
• Signals sent by wireless transmitters may be blocked or reflected by metal before they reach the alarm receiver. Even if the
signal path has been recently checked during a weekly test, blockage can occur if a metal object is moved into the path.
• A user may not be able to reach a panic or emergency button quickly enough.
• While smoke detectors have played a key role in reducing residential fire deaths in the United States, they may not acti-
vate or provide early warning for a variety of reasons in as many as 35% of all fires, according to data published by the
Federal Emergency Management Agency. Some of the reasons smoke detectors used in conjunction with this System may
not work are as follows. Smoke detectors may have been improperly installed and positioned. Smoke detectors may not
sense fires that start where smoke cannot reach the detectors, such as in chimneys, in walls, or roofs, or on the other side
of closed doors. Smoke detectors also may not sense a fire on another level of a residence or building. A second floor de-
tector, for example, may not sense a first floor or basement fire. Finally, smoke detectors have sensing limitations. No
smoke detector can sense every kind of fire every time. In general, detectors may not always warn about fires caused by
carelessness and safety hazards like smoking in bed, violent explosions, escaping gas, improper storage of flammable
materials, overloaded electrical circuits, children playing with matches, or arson. Depending on the nature of the fire
and/or location of the smoke detectors, the detector, even if it operates as anticipated, may not provide sufficient warning to
allow all occupants to escape in time to prevent injury or death.
• Passive Infrared Motion Detectors can only detect intrusion within the designed ranges as diagrammed in their
installation manual. Passive Infrared Detectors do not provide volumetric area protection. They do create multiple beams
of protection, and intrusion can only be detected in unobstructed areas covered by those beams. They cannot detect motion
or intrusion that takes place behind walls, ceilings, floors, closed doors, glass partitions, glass doors, or windows.
Mechanical tampering, masking, painting or spraying of any material on the mirrors, windows or any part of the optical
system can reduce their detection ability. Passive Infrared Detectors sense changes in temperature; however, as the
ambient temperature of the protected area approaches the temperature range of 90° to 105°F (32° to 40°C), the detection
performance can decrease.
• Alarm warning devices such as sirens, bells or horns may not alert people or wake up sleepers if they are located on the
other side of closed or partly open doors. If warning devices are located on a different level of the residence from the bed-
rooms, then they are less likely to waken or alert people inside the bedrooms. Even persons who are awake may not hear
the warning if the alarm is muffled by noise from a stereo, radio, air conditioner or other appliance, or by passing traffic.
Finally, alarm warning devices, however loud, may not warn hearing-impaired people.
• Telephone lines needed to transmit alarm signals from a premises to a central monitoring station may be out of service or
temporarily out of service. Telephone lines are also subject to compromise by sophisticated intruders.
• Even if the system responds to the emergency as intended, however, occupants may have insufficient time to protect them-
selves from the emergency situation. In the case of a monitored alarm system, authorities may not respond appropriately.
• This equipment, like other electrical devices, is subject to component failure. Even though this equipment is designed to
last as long as 20 years, the electronic components could fail at any time.
The most common cause of an alarm system not functioning when an intrusion or fire occurs is inadequate maintenance. This
alarm system should be tested weekly to make sure all sensors and transmitters are working properly. The security keypad
(and remote keypad) should be tested as well.
Wireless transmitters (used in some systems) are designed to provide long battery life under normal operating conditions.
Longevity of batteries may be as much as 4 to 7 years, depending on the environment, usage, and the specific wireless device
being used. External factors such as humidity, high or low temperatures, as well as large swings in temperature, may all
reduce the actual battery life in a given installation. This wireless system, however, can identify a true low battery situation,
thus allowing time to arrange a change of battery to maintain protection for that given point within the system.
Installing an alarm system may make the owner eligible for a lower insurance rate, but an alarm system is not a substitute
for insurance. Homeowners, property owners and renters should continue to act prudently in protecting themselves and
continue to insure their lives and property. We continue to develop new and improved protection devices. Users of alarm
systems owe it to themselves and their loved ones to learn about these developments.
WWW.DIYALARMFORUM.COM

LIMITED WARRANTY
Honeywell International Inc., 165 Eileen Way, Syosset, New York 11791, warrants its product(s) to be in
conformance with its own plans and specifications and to be free from defects in materials and workmanship
under normal use and service for 24 months from the date stamp control on the product(s) or, for product(s)
not having a date stamp, for 12 months from date of original purchase unless the installation instructions or
catalog sets forth a shorter period, in which case the shorter period shall apply. Seller’s obligation shall be
limited to repairing or replacing, at its option, free of charge for materials or labor, any product(s) which is
proved not in compliance with Seller’s specifications or proves defective in materials or workmanship under
normal use and service. Seller shall have no obligation under this Limited Warranty or otherwise if the
product(s) is altered or improperly repaired or serviced by anyone other than Honeywell factory service. For
warranty service, return product(s) transportation prepaid, to Honeywell Factory Service, 165 Eileen Way,
Syosset, New York 11791.
THERE ARE NO WARRANTIES, EXPRESS OR IMPLIED, OF MERCHANTABILITY, OR FITNESS FOR A
PARTICULAR PURPOSE OR OTHERWISE, WHICH EXTEND BEYOND THE DESCRIPTION ON THE
FACE HEREOF. IN NO CASE SHALL SELLER BE LIABLE TO ANYONE FOR ANY CONSEQUENTIAL
OR INCIDENTAL DAMAGES FOR BREACH OF THIS OR ANY OTHER WARRANTY, EXPRESS OR
IMPLIED, OR UPON ANY OTHER BASIS OF LIABILITY WHATSOEVER, EVEN IF THE LOSS OR
DAMAGE IS CAUSED BY THE SELLER’S OWN NEGLIGENCE OR FAULT.
Seller does not represent that the product(s) it sells may not be compromised or circumvented; that the
product(s) will prevent any personal injury or property loss by burglary, robbery, fire or otherwise; or that
the product(s) will in all cases provide adequate warning or protection. Customer understands that a
properly installed and maintained alarm system may only reduce the risk of a burglary, robbery, fire, or
other events occurring without providing an alarm, but it is not insurance or a guarantee that such will not
occur or that there will be no personal injury or property loss as a result. CONSEQUENTLY, SELLER
SHALL HAVE NO LIABILITY FOR ANY PERSONAL INJURY, PROPERTY DAMAGE OR OTHER LOSS
BASED ON A CLAIM THAT THE PRODUCT(S) FAILED TO GIVE WARNING. HOWEVER, IF SELLER IS
HELD LIABLE, WHETHER DIRECTLY OR INDIRECTLY, FOR ANY LOSS OR DAMAGE ARISING
UNDER THIS LIMITED WARRANTY OR OTHERWISE, REGARDLESS OF CAUSE OR ORIGIN,
SELLER’S MAXIMUM LIABILITY SHALL NOT IN ANY CASE EXCEED THE PURCHASE PRICE OF
THE PRODUCT(S), WHICH SHALL BE THE COMPLETE AND EXCLUSIVE REMEDY AGAINST
SELLER.
This warranty replaces any previous warranties and is the only warranty made by Seller on this product(s).
No increase or alteration, written or verbal, of the obligations of this Limited Warranty is authorized.
WWW.DIYALARMFORUM.COM
WWW.DIYALARMFORUM.COM
WWW.DIYALARMFORUM.COM

¬19(l
N5944-6V2 5/04 Rev A
165 Eileen Way, Syosset, New York 11791
Copyright © 2004 Honeywell International, Inc.
www.honeywell.com/security
WWW.DIYALARMFORUM.COM