Xerox Phaser 3200MFP, WorkCentre PE220 Service Manual. Www.s Manuals.com. Manual
User Manual: Multi-functional printer Xerox Workcentre PE220 - Service manuals and Schematics, Disassembly / Assembly. Free.
Open the PDF directly: View PDF
.
Page Count: 105 [warning: Documents this large are best viewed by clicking the View PDF Link!]

04/07
PHASER 3200MFP
WORKCENTRE PE220
SERVICE MANUAL
708P88744
04/07 Phaser 3200MFP / Workcentre PE220
Service Documentation
708P88744
April 2007
Prepared by:
Xerox Europe,
Global Knowledge & Language Services,
Enterprise Centre,
P.O. Box 17,
Bessemer Road,
Welwyn Garden City,
Hertfordshire,
AL7 1BU, England.
This manual is an update of the Workcentre PE220 service manual (708P88337). It is also avail-
able in hard copy format, part number 708P88745.
© Copyright 2006 & 2007 by Xerox Ltd.
Xerox, and all identifying numbers used in connection with the Xerox products mentioned in this
publication are registered trademarks of Xerox. Other company trademarks are also acknowl-
edged.
NOTICE
While every care has been taken in the preparation of this manual, no liability will be accepted by
Xerox Europe arising out of any inaccuracies or omissions.
All service documentation is supplied to Xerox external customers for informational purposes
only. Xerox service documentation is intended for use by certified, product trained service per-
sonnel only. Xerox does not warrant or represent that it will notify or provide to such customer
any future change to this documentation. Customer performed service of equipment, or modules,
components or parts of such equipment may affect whether Xerox is responsible to fix machine
defects under the warranty offered by Xerox with respect to such equipment. You should consult
the applicable warranty for its terms regarding customer or third-party provided service.

Introduction
Phaser 3200MFP / Workcentre PE220 04/07 i
Introduction
Safety Precautions .................................................................................................................. iii
1. Service Call Procedures
Section Contents.................................................................................................................. 1-1
2. Repair Analysis Procedures
Section Contents.................................................................................................................. 2-1
3. Image Quality
Section Contents.................................................................................................................. 3-1
4. Repairs/Adjustments
Section Contents.................................................................................................................. 4-1
5. Parts List
Section Contents.................................................................................................................. 5-1
6. General Procedures/Information
Section Contents.................................................................................................................. 6-1
7. Wiring Data
Section Contents.................................................................................................................. 7-1

Introduction
ii 04/07 Phaser 3200MFP / Workcentre PE220
Page intentionally blank

Introduction
Phaser 3200MFP / Workcentre PE220 04/07 iii
Introduction
How To Use This Manual
Differentiating Between Machine Variants
The Phaser 3200MFP/B and 3200MFP/N will be identified in this manual by the identifier Phaser
3200.
The Workcentre PE220 will be identified in this manual by the identifier Workcentre PE220.
When a procedure, parts list description or other reference is common to both the Phaser 3200
and Workcentre PE220, no identifier will be given. Artwork used in these procedures will show
either the Phaser 3200 or Workcentre PE220, not both.
When a procedure, parts list description or other reference is unique to either Phaser 3200 or
Workcentre PE220, the appropriate identifier will be quoted and any artwork will also be specific.
Precautions
In order to prevent accidents and to prevent damage to the equipment, please read the precau-
tions listed below carefully before servicing the machine and follow them closely.
Safety Warning
1. Only to be serviced by appropriately qualified service engineers.
High voltage and lasers inside the product are dangerous. This machine should only be serviced
by a suitably trained and qualified service engineer.
2. Use only Xerox replacement parts
There are no user serviceable parts inside the machine. Do not make any unauthorized changes
or additions to the machine. This could cause the machine to malfunction and create an electric
shock or fire hazards.
3. Laser Safety Statement
The machine is certified in the U.S. to conform to the requirements of DHHS 21 CFR, chapter 1
Subchapter J for Class 1(1) laser products, and elsewhere, it is certified as a Class I laser product
conforming to the requirements of IEC 825. Class I laser products are not considered to be haz-
ardous. The laser system in the machine is designed to never have any human access to laser
radiation above a Class I level during normal operation, user maintenance, or prescribed service
condition.

Introduction
iv 04/07 Phaser 3200MFP / Workcentre PE220
WARNING
Never operate or service the machine with the protective cover removed from the Scanner
assembly. The reflected beam, although invisible, can damage your eyes. When using this prod-
uct, these basic safety pre-cautions should always be followed to reduce risk of fire, electric
shock, and injury to person.
Caution for safety
Toxic material
This product contains toxic materials that could cause illness if ingested.
1. If the LCD control panel is damaged, it is possible for the liquid inside to leak. This liquid is
toxic. Contact with skin should be avoided, wash any splashes from eyes or skin immediately
and contact your doctor. If the liquid gets into the mouth or is swallowed, see a doctor imme-
diately.
2. Please keep toner cartridges away from children. The toner contained in the toner cartridge
may be harmful.Contact a doctor if swallowed.
CAUTION - INVISIBLE LASER RADIATION
WHEN THIS COVER OPEN.
DO NOT OPEN THIS COVER.
VORSICHT - UNSICHTBARE LASERSTRAHLUNG,
WENN ABDECKUNG GE FFNET.
NICHT DEM STRAHL AUSSETZEN.
ATTENTION - RAYONNEMENT LASER INVISIBLE EN CAS
D OUVERTURE. EXPOSITION DANGEREUSE
AU FAISCEAU.
ATTENZIONE - RADIAZIONE LASER INVISIBILE IN CASO DI
APERTURA. EVITARE L ESPOSIZIONE AL
FASCIO.
PRECAUCION - RADIACION LASER IVISIBLE CUANDO SE ABRE.
EVITAR EXPONERSE AL RAYO.
ADVARSEL. - USYNLIG LASERSTR LNING VED BNING, N R
SIKKERHEDSBRYDERE ER UDE AF FUNKTION.
UNDG UDSAETTELSE FOR STR LNING.
ADVARSEL. - USYNLIG LASERSTR LNING N R DEKSEL
PNES. STIRR IKKE INN I STR LEN.
UNNG EKSPONERING FOR STR LEN.
VARNING - OSYNLIG LASERSTR LNING N R DENNA DEL
R PPNAD OCH SP RREN R URKOPPLAD.
BETRAKTA EJ STR LEN. STR LEN R FARLIG.
VARO! - AVATTAESSA JA SUOJALUKITUS OHITETTAESSA
OLET ALTTIINA N KYM TT M LLE LASER-
S TEILYLLE L KATSO S TEESEEN.

Introduction
Phaser 3200MFP / Workcentre PE220 04/07 v
Electric Shock and Fire Safety Precautions
Failure to follow the instructions could cause electric shock or potentially cause a fire.
1. Use only the correct voltage, failure to do so could damage the machine and potentially
cause a fire or electric shock.
2. Use only the power cable supplied with the machine. Use of an incorrectly specified cable
could cause the cable to overheat and potentially cause a fire.
3. Do not overload the power socket, this could lead to overheating of the cables inside the wall
and could lead to a fire.
4. Do not allow water or other liquids to spill into the machine, this can cause an electric shock.
Do not allow paper clips, pins or other foreign objects to fall into the machine. This could
cause a short circuit leading to an electric shock or fire hazard.
5. Never touch the plugs on either end of the power cable with wet hands. This can cause an
electric shock. When servicing the machine, remove the power plug from the wall socket.
6. Use caution when inserting or removing the power connector. The power connector must be
inserted completely, otherwise a poor contact could cause overheating and possibly leading
to a fire. When removing the power connector grip it firmly and pull.
7. Take care of the power cable. Do not allow it to be twisted, bent sharply round corners or oth-
erwise damaged. Do not place objects on top of the power cable. If the power cable is dam-
aged, it could overheat and cause a fire. Exposed cables can also cause an electric shock.
Replace a damaged power cable immediately, do not reuse or repair the damaged cable.
Some chemicals can corrode the insulator of the power cable. Weakening of the insulator or
exposing cables can cause fire and shock risks.
8. Ensure that the power sockets and plugs are not cracked or broken in any way. Any such
defects should be repaired immediately. Take care not to cut or damage the power cable or
plugs when moving the machine.
9. Use caution during thunder or lightning storms. Xerox recommends that this machine be dis-
connected from the power source when such weather conditions are expected. Do not touch
the machine or the power cord if it is still connected to the wall socket in these weather condi-
tions.
10.Avoid damp or dusty areas, install the machine in a clean and well ventilated location. Do not
position the machine near a humidifier. Damp and dust build up inside the machine can lead
to overheating and cause a fire.
11. Do not position the machine in direct sunlight. This will cause the temperature inside the
machine to rise and possibly lead to the machine failing to work properly and in extreme con-
ditions, could lead to a fire.
12.Do not insert any metal objects into the machine through the ventilator fan or other parts of
the casing, contact with a high voltage conductor could occur inside the machine and cause
an electric shock.

Introduction
vi 04/07 Phaser 3200MFP / Workcentre PE220
Handling Precautions
The following instructions are for your own personal safety, to avoid injury and to prevent damage
to the machine
1. Ensure the machine is installed on a level surface, capable of supporting its weight. Failure to
do so could cause the machine to tip or fall.
2. The machine contains many rollers, gears and fans. Take great care to ensure you do not
catch your fingers, hair or clothing in any of these rotating devices.
3. Do not place any small metal objects, containers of water, chemicals or other liquids close to
the machine. If spilled, liquid could get into the machine and cause damage, electric shock or
a potential fire hazard.
4. Do not install the machine in areas with high dust or moisture levels, beside on open window
or close to a humidifier or heater. Damage could be caused to the machine in such areas.
5. Do not place candles, burning cigarettes, etc. on the machine. This could potentially cause a
fire.
Assembly / Disassembly Precautions
Replace parts carefully. Always use Xerox parts. Take care to note the exact location of parts and
also cable routing before dismantling any part of the machine. Ensure all parts and cables are re-
placed correctly.
Please carry out the following procedures before dismantling the machine or replacing any parts.
1. Check the contents of the machine memory and make note of any user settings. These will
be erased if the main board is replaced.
2. Ensure that power is disconnected before servicing or replacing any electrical parts.
3. Disconnect printer interface cables and power cables.
4. Only use approved spare parts. Ensure part numbers, product names, any voltage, current or
temperature ratings are correct.
5. Do not use excessive force when removing or re-fitting any parts, especially when fitting
screws into plastic.
6. Take care not to drop any small parts into the machine.
7. Handling of the OPC Drum
- The OPC Drum can be damaged if exposed to light.
Take care not to expose the OPC Drum either to direct sunlight, fluorescent or incandescent
room lighting. Exposure for as little as 5 minutes can damage the surface photoconductive
properties and will result in print quality degradation. Take extra care when servicing the
machine. Remove the OPC Drum and store it in a black bag or any other lightproof container.
Take care when working with the covers (especially the top cover) open as light will be admit-
ted into the OPC area and can damage the OPC Drum.
- Take care not to scratch the surface of OPC Drum.
If the green surface of the Drum Cartridge is scratched or touched, the print quality will be
compromised.

Introduction
Phaser 3200MFP / Workcentre PE220 04/07 vii
Releasing Plastic Latches
Many of the parts are held in place with plastic latches. The latches break easily; release them
carefully.
To remove such parts, gently pull the hook of the latch away from the part which it is latched on to.
Figure 1
Disregarding this warning may cause bodily injury
1. Be careful with high temperature parts. The fuser unit works at a high temperature. Use cau-
tion when working on the machine. Wait for the fuser to cool down before disassembly.
2. Do not put fingers or hair into rotating parts (paper feeding entrance, motor, fan, etc.). Doing
so may cause injury.
3. This machine weighs 10.4kg (Workcentre PE220) / 11.2 (Phaser 3200) which includes the
toner cartridge and cassette. Use safe lifting and handling techniques. Back injury could
occur if you do not lift carefully.
4. Ensure the machine is installed safely. The machine weighs 10.4kg (Workcentre PE220) /
11.2 (Phaser 3200). Ensure the machine is installed on a level surface, capable of supporting
its weight. Failure to do so could cause the machine to tip or fall and possibly causing per-
sonal injury or damaging the machine.
5. Do not install the machine on a sloping or unstable surface. After installation, ensure that the
machine is stable.
ESD Precautions
Certain semiconductor devices can be easily damaged by static electricity. Such components are
commonly known as “Electrostatically Sensitive (ES) Devices” or ESDs. Examples of typical
ESDs are: integrated circuits, certain field effect transistors and semiconductor “chip” compo-
nents.
The techniques outlined below should be followed to help reduce the incidence of component
damage caused by static electricity.
CAUTION
Ensure no power is applied to the chassis or circuit, and observe all other safety precautions.
1. Immediately before handling a semiconductor component or semiconductor-equipped
assembly, drain off any electrostatic charge on your body by touching a known earth ground.

Introduction
viii 04/07 Phaser 3200MFP / Workcentre PE220
Alternatively, employ a commercially available wrist strap device, which should be removed
for your personal safety reasons prior to applying power to the unit under test.
2. After removing an electrical assembly equipped with ESDs, place the assembly on a conduc-
tive surface, such as aluminium, copper foil, or conductive foam, to prevent electrostatic
charge buildup in the vicinity of the assembly.
3. Use only a grounded tip soldering iron to solder or desolder ESDs.
4. Use only an “anti-static” solder removal device. Some solder removal devices are not classi-
fied as “anti-static” and can generate electrical charges sufficient to damage ESDs.
5. Do not use Freon-propelled chemicals. When sprayed, these can generate electrical charges
sufficient to damage ESDs.
6. Do not remove a replacement ESD from its protective packaging until immediately before
installing it. Most replacement ESDs are packaged with all leads shorted together by conduc-
tive foam, aluminium foil, or a comparable conductive material.
7. Immediately before removing the protective shorting material from the leads of a replacement
ESD, touch the protective material to the chassis or circuit assembly into which the device will
be installed.
8. Maintain continuous electrical contact between the ESD and the assembly into which it will be
installed, until completely plugged or soldered into the circuit.
9. Minimize bodily motions when handling unpackaged replacement ESDs. Normal motions,
such as the brushing together of clothing fabric and lifting one’s foot from a carpeted floor,
can generate static electricity sufficient to damage an ESD.
Super Capacitor or Lithium Battery Precautions
1. Exercise caution when replacing a super capacitor or Lithium battery. There could be danger
of explosion and subsequent operator injury and/or equipment damage if incorrectly installed.
2. Be sure to replace the battery with the same or equivalent type recommended by the manu-
facturer.
3. Super capacitor or Lithium batteries contain toxic substances and should not be opened,
crushed, or burned for disposal.
4. Dispose of used batteries according to the manufacturers instructions.
Toner Cartridge Service
Only toner cartridges supplied by Xerox should be used. Printing defects or set damage caused
by the use of non-approved print cartridges or un-licensed toner refills are not covered by the guar-
antee.
Precautions on Safe-keeping of Print Cartridge
Excessive exposure to direct light for more than a few minutes may cause damage to the car-
tridge.
Service for the Life of Print Cartridge
If the printed image is light due to the low toner supply, you can temporarily improve the print qual-
ity by redistributing the toner (gently shake the toner cartridge). However, you should replace the
toner cartridge to solve the problem permanently.

Introduction
Phaser 3200MFP / Workcentre PE220 04/07 ix
Redistributing Toner
When the print cartridge is near the end of its life, white streaks or light print occurs. The LCD dis-
plays the warning message, “Toner Low.” You can temporarily re-establish the print quality by re-
distributing the remaining toner in the cartridge.
Standard of guarantee for consumable parts.
Please refer to User Manual or Instructions.
Identifying a refilled cartridge
One way security screws are used in the manufacture of the cartridge – check if these are dam-
aged.

Introduction
x 04/07 Phaser 3200MFP / Workcentre PE220
Health and Safety Incident Reporting
I. Summary
This section defines requirements for notification of health and safety incidents involving Xerox
products (equipment and materials) at customer locations.
II. Scope
Xerox Corporation and subsidiaries worldwide.
III. Objective
To enable prompt resolution of health and safety incidents involving Xerox products and to ensure
Xerox regulatory compliance.
IV. Definitions
Incident:
An event or condition occurring in a customer account that has resulted in injury, illness or prop-
erty damage. Examples of incidents include machine fires, smoke generation, physical injury to
an operator or service representative. Alleged events and product conditions are included in this
definition.
V. Requirements
Initial Report:
1. Xerox organisations shall establish a process for individuals to report product incidents to
Xerox Environment Health & Safety within 24 hours of becoming aware of the event.
2. The information to be provided at the time of reporting is contained in Appendix A (Health and
Safety Incident Report involving a Xerox product).
3. The initial notification may be made by any of the following methods:
• For incidents in North America and Developing Markets West (Brazil, Mexico, Latin Amer-
ican North and Latin American South):
- Phone* Xerox EH&S at: 1-800-828-6571.
- Electronic mail Xerox EH&S at: Doris.Bush@xerox.com.
- Fax Xerox EH&S at: 1-585-422-6449 [intelnet 8*222 6449].
• For incidents in Europe and Developing Markets East (Middle East, Africa, India, China
and Hong Kong):
- Phone* Xerox EH&S at: +44 (0) 1707 353434.
- Electronic mail Xerox EH&S at: Elaine.Grange@xerox.com.
- Fax Xerox EH&S at: +44 (0) 1707 353914 [intelnet 8*668 3914].
*Initial notification made by phone must be followed within 24 hours by a completed incident
report and sent to the indicated electronic mail address or fax number.
Note: If sending a fax, please also send the original via internal mail.

Introduction
Phaser 3200MFP / Workcentre PE220 04/07 xi
Responsibilities for Resolution:
1. Business Groups/Product Design Teams responsible for the product involved in the incident
shall:
a. Manage field bulletins, customer correspondence, product recalls, safety retrofits.
b. Fund all field retrofits.
1. Field Service Operations shall:
a. Preserve the Xerox product involved and the scene of the incident inclusive of any associ-
ated equipment located in the vicinity of the incident.
b. Return any affected equipment/part(s) to the location designated by Xerox EH&S and/or
the Business Division.
c. Implement all safety retrofits.
2. Xerox EH&S shall:
a. Manage and report all incident investigation activities.
b. Review and approve proposed product corrective actions and retrofits, if necessary.
c. Manage all communications and correspondence with government agencies.
d. Define actions to correct confirmed incidents.
VI. Appendices
The Health and Safety Incident Report involving a Xerox Product (Form # EH&S-700) is available
at the end of the manual.

Introduction
xii 04/07 Phaser 3200MFP / Workcentre PE220
Page intentionally blank

Service Call Procedures
Phaser 3200MFP / Workcentre PE220 04/07 1-1
1. Service Call Procedures
SCP 1 Service Call Actions ...................................................................................................... 1-3
SCP 2 Final Actions ................................................................................................................ 1-4

Service Call Procedures
1-2 04/07 Phaser 3200MFP / Workcentre PE220
Page intentionally blank

Service Call Procedures
Phaser 3200MFP / Workcentre PE220 04/07 1-3
SCP 1 Service Call Actions
Procedure
Throughout this manual, observe the following warnings:
WARNING
Switch off the electricity to the machine. Disconnect the power cord from the customer supply
while performing tasks that do not need electricity. Electricity can cause death or injury. Moving
parts can cause injury.
WARNING
Do not touch the fuser while it is hot.
WARNING
Take care during this procedure. Sharp edges may be present that can cause injury.
1. Take note of symptoms or error messages.
2. Ask the operator to describe or demonstrate the problem.
3. Ensure that:
• The power cord is connected to the wall outlet and to the machine.
• All cables are connected correctly.
4. If available, check the machine service log book for any previous actions that may be relevant
to the call.
5. Review any defective print or copy samples.
6. Perform 1 Initial Checks RAP.

Service Call Procedures
1-4 04/07 Phaser 3200MFP / Workcentre PE220
SCP 2 Final Actions
Final Actions are used to evaluate the total operation of the system and to identify the actions re-
quired to complete the service call.
Procedure
• Exercise the machine in all modes.
• Make a proof copy or print of a customer document.
• If any of the customers selections were changed, return them to the customers preferred set-
tings.
• Mark off any hardware/software options and modifications installed and/or enabled on the
Service Log book.
• At the first service and at any subsequent service where changes are made or options are
added, print the configuration report and store it with the machine log book. Discard any pre-
vious versions of the configuration report.
• Remove and destroy any copies of test patterns.
• Complete the machine service log book, refer to GP 12 Service Log.
• Ensure the machine and service area are clean before leaving the customer premises.
• Provide customer training if required.

Status Indicator RAPs
Phaser 3200MFP / Workcentre PE220 04/07 2-1
2. Status Indicator RAPs
1 Initial Checks RAP ................................................................................................................. 2-3
2 JAM 0 RAP ............................................................................................................................ 2-6
3 JAM 1 RAP ............................................................................................................................ 2-8
4 JAM 2 RAP ............................................................................................................................ 2-9
5 Multi-Feeding RAP .............................................................................................................. 2-11
6 Fuser Jam RAP ................................................................................................................... 2-12
7 Paper Rolled in the Print Cartridge (OPC Drum) RAP ........................................................ 2-13
8 Control Panel RAP .............................................................................................................. 2-14
9 Melting Fuser Gear RAP........... ........................................................................................... 2-15
10 Paper Empty RAP ............................................................................................................. 2-16
11 Cover Open RAP ............................................................................................................... 2-18
12 Faulty Motor RAP............................................................................................................... 2-20
13 No Power RAP .................................................................................................................. 2-21
14 Bad Software Environment RAP ....................................................................................... 2-22
15 Abnormal Printing RAP ..................................................................................................... 2-24
16 SPOOL Error RAP ............................................................................................................. 2-25
17 Fax & Phone Problems RAP ............................................................................................. 2-26
18 Abnormal Noise RAP ........................................................................................................ 2-31
19 Scanning RAP ................................................................................................................... 2-32
20 Print Cartridge Problems RAP ........................................................................................... 2-33
21 Software Problems RAP .................................................................................................... 2-34

Status Indicator RAPs
2-2 04/07 Phaser 3200MFP / Workcentre PE220
Page intentionally blank

Status Indicator RAPs
Phaser 3200MFP / Workcentre PE220 04/07 2-3
1 Initial Checks RAP
Basic Check List
1. Check the Power.
• Does "Warming Up" appear on the display?
--> If not, check the AC power cord, switch or SMPS.
--> Does the wall socket work?
• Do the motors or other components initialize (listen for main motor, fan and LSU sounds)?
--> If there are none of the normal startup sounds, check the power cord, switch or SMPS.
--> Does the wall socket work?
2. Check the LCD Panel.
• Refer to General Procedures.
• Is there any display at all?
--> If not check the power cord, switch or SMPS.
• Is the display a meaningful message. Are there any broken or badly formed characters?
• Is the message on the LCD Panel a standard error message?
Table 1: LCD Status Error Messages
STATUS LCD Display Descriptions
Document jam Document Jam An original document is jammed in the ADF.
Cover open Front or Rear Cover Open Front door or rear jam cover open.
No paper [No Paper]
Add Paper
No paper in the cassette tray.
Paper jam 0 Paper Jam 0 Open/Close
Door
Jam in the paper pick up/feed area.
Paper jam 1 Paper Jam 1 Open/Close
Door
Jam in the fuser or print cartridge area.
Paper jam 2 Paper Jam 2 Check Inside Jam in the paper exit area.
Communication error [COMM. Error] Fax handshake communication error.
Line error [Line Error] Fax data reception error.
No answer [No Answer] No remote fax connection after designated redial
attempts.
Incompatible [Incompatible] Remote fax does not have the requested feature, such
as polling.
Line busy Line Busy Remote fax line is in use.
Power failure Power Failure When the machine user memory has not been backed
up and there was power off / on. User documents, such
as unprinted faxes will be lost.
Stop pressed [Stop Pressed] Operator pressed the stop key during transmission.
Memory full Memory Full Faxes received to memory failed to print.
Fuse error CRU Fuse Error Unable to initialize the new print cartridge.
LSU error [Hsync Error] Tech mode/laser failure or power loss.
LSU error [LSU Error] User mode/laser failure or power loss.
Toner low [Toner Low] Toner low warning.

Status Indicator RAPs
2-4 04/07 Phaser 3200MFP / Workcentre PE220
--> Does the wall socket work?
--> Check the main PBA and cable harness.
3. Check the Paper Path
• Is there a paper jam?
--> Remove any paper fragments caught in the paper path, GP 7.
• Paper jam occurs repeatedly at a specific point in the paper path.
--> Open the fuser cover and clear the jam, GP 7.
--> Dismantle the machine and carefully inspect the region where the jam occurs.
Check if paper fragments are caught in the fuser, refer to REP 16.
4. Print the System Data Page (Configuration).
• If internal printing is good, print a test page from a computer.
--> If there is an error, check the cables and driver installation.
5. Check the Print Quality.
• Is there a print quality problem?
--> Go to Section 3, Image Quality.
6. Check Consumables (toner etc.).
• Print a test pattern, GP 4.
--> Check the status of the consumables, GP 1.
Enter Tech mode, GP 4. Check the CRU print count. If necessary, install a new toner car-
tridge, PL 1.0 (Workcentre PE220) / PL1.1 (Phaser 3200).
Toner empty [Toner Empty] Toner empty.
Bypass jam [Bypass Jam] Bypass paper feed failure.
Group dial blocked Group Not Available Only single number location may be used.
Retry redial? Retry Redial? Fax redial delay interval allows job cancel.
No. not assigned Number Not Assigned Fax speed dial location has no number assigned.
Load document Load Document Place original document in the ADF or on the platen
glass.
Memory full and cancel the
job
Cancel?
1:Yes 2:No
Press 1 to transmit scanned pages in memory.
No job created Operation Not
Assigned
Add/cancel job number not found.
Low heat error [Low Heat Error] Fuser has not warmed up within the time limit.
Open fuser error Open Fuser Error Fuser thermistor is open or disconnected.
Over heat error [Over Heat] Fuser temperature went over limit.
No print cartridge [Jam 1]
[No Cartridge]
Print cartridge is not installed.
Memory dial full Memory Dial Full Auto dial transmission limit is 15 jobs.
Table 1: LCD Status Error Messages
STATUS LCD Display Descriptions

Status Indicator RAPs
Phaser 3200MFP / Workcentre PE220 04/07 2-5
Initial Inspection
1. Check the power.
1. The machine does not power on after a long period.
• Is the Power Switch (machine and wall socket) turned on?
• Is the Power Cord connected to the machine correctly?
• Is the Power cord connected to the wall socket correctly?
• Is the wall socket working?
• Is the unit rated the same voltage as the supply?
2. Does the Fan work when power is turned on?
• Check the connectors on the SMPS.
• Check the fuses on the SMPS.
2. Check the Installation Environment.
1. Ensure the installation surface is flat, level and free from vibration.
Move the machine if necessary.
2. Ensure that the temperature and humidity of the surroundings are within specification
If necessary move the machine.
3. Ensure that the machine is positioned away from any air conditioning or other heating or cool-
ing equipment. Ensure that the machine is not positioned in a direct draft from any air condi-
tioning, fan or open window.
Move the machine if necessary.
4. Ensure the machine is not positioned in direct sunlight.
If it is unavoidable, use a curtain to shade the machine.
5. Ensure the machine is installed in a clean and dust free environment.
Move the machine if necessary.
6. Certain industrial or cleaning processes which emit fumes can damage the machine.
Move the machine if necessary
3. Check paper type.
1. Use only paper which is of a suitable quality, weight and size.
Check the user guide.
4. Check the overall condition of the machine
1. Clean the Paper Transport areas.
Any rollers with dirt surfaces should be cleaned or replaced.

Status Indicator RAPs
2-6 04/07 Phaser 3200MFP / Workcentre PE220
2 JAM 0 RAP
Description
Paper does not feed from the cassette.
Jam 0 occurs if the paper does not feed into the machine.
Check and Cause Solution
1. Check the paper guides in the cassette. 1. Adjust the paper guides. Install new parts
as necessary:
- PL 8.0 (Workcentre PE220)
- PL 8.1 (Phaser 3200)
2. The side-pad is loose due to poor sealing.
(Phaser 3200 only)
2. Check the sponge, PL 1.2.
3. Check the surface of the pick up rubber:
- PL 6.0 (Workcentre PE220)
- PL 6.2 (Phaser 3200)
3. Clean with soft cloth dampened with IPA
(Isopropyl Alcohol) or water.
4. Check the solenoid by using Engine Test
Mode, GP 6 - Pick up Test.
4. Check and install a new solenoid if neces-
sary:
- PL 6.0 (Workcentre PE220)
- PL 6.1 (Phaser 3200)

Status Indicator RAPs
Phaser 3200MFP / Workcentre PE220 04/07 2-7
5. If the paper feeds into the machine and
Jam 0 occurs, perform Engine Test Mode,
GP 6 - Feed Sensor Test.
5. Check and install new parts as necessary:
• Feed sensor actuator,
- PL 6.0 (Workcentre PE220)
- PL 6.1 (Phaser 3200).
•SMPS
- PL 1.0 (Workcentre PE220)
- PL 1.1 (Phaser 3200)
• HVPS
- PL 1.0 (Workcentre PE220)
- PL 1.1 (Phaser 3200)
Check and Cause Solution

Status Indicator RAPs
2-8 04/07 Phaser 3200MFP / Workcentre PE220
3 JAM 1 RAP
Description
Paper is jammed in front of or inside the fuser.
Paper is jammed in the discharge roller and in the fuser after passing through the Actuator-Feed.
Check and Cause Solution
1. Check for small pieces of paper jammed in
the fuser.
1. Clear paper from the fuser:
- PL 7.0 (Workcentre PE220)
- PL 7.1 (Phaser 3200)
2. If paper is jammed in the discharge roller
and the fuser just after passing through the
Actuator Feed.
2. Check the feed sensor actuator for dam-
age:
- PL 6.0 (Workcentre PE220)
- PL 6.1 (Phaser 3200)
3.Paper is jammed in front of or inside the
fuser.
3. Check and install a new SMPS if neces-
sary:
- PL 1.0 (Workcentre PE220)
- PL 1.1 (Phaser 3200)

Status Indicator RAPs
Phaser 3200MFP / Workcentre PE220 04/07 2-9
4 JAM 2 RAP
Description
Paper is jammed inside the fuser.
Paper is jammed in the discharge roller and in the fuser just after passing through the Actuator-
Feed.
Check and Cause Solution
1. If the paper is completely fed out of the
machine, but Jam 2 occurs, the exit sensor
actuator may be defective.
1. Check the exit sensor actuator:
- PL 7.0 (Workcentre PE220)
- PL 1.4 (Phaser 3200).
2. Concertina jam occurs in the fuser. 2. Remove any paper jammed in the fuser:
- PL 7.0 (Workcentre PE220)
- PL 7.1 (Phaser 3200)
Clean and check the parts as necessary:
• Pressure roller
- PL 7.0 (Workcentre PE220)
- PL 7.1 (Phaser 3200)
• Main Frame Assembly
- PL 8.0 (Workcentre PE220)
- PL 8.1 (Phaser 3200)

Status Indicator RAPs
2-10 04/07 Phaser 3200MFP / Workcentre PE220
3. Paper is rolled in the Fuser
• This occurs when a stripper finger or stripper
finger spring is damaged.
• It occurs when the Heat-Roller or Pressure-
Roller is seriously contaminated.
3. Clean the surface of the pressure roller,
heat roller and the stripper fingers:
- PL 7.0 (Workcentre PE220)
- PL 7.1 (Phaser 3200).
Check and install a new fuser if necessary:
- PL 7.0 (Workcentre PE220)
- PL 7.1 (Phaser 3200).
Check and Cause Solution

Status Indicator RAPs
Phaser 3200MFP / Workcentre PE220 04/07 2-11
5 Multi-Feeding RAP
Description
Multiple sheets of paper are fed together.
Check and Cause Solution
1. Bad quality paper. 1. Fan the paper. Recommend the use of
good quality paper.
2. Pad-Friction is contaminated. 2. Clean the pad friction with soft cloth, damp-
ened with IPA (Isopropyl Alcohol).
3. Solenoid malfunction (the solenoid does
not work properly): Perform Engine Test
Mode, GP 6 - Pick up Test.
3. Check and install a new solenoid if neces-
sary:
- PL 6.0 (Workcentre PE220)
- PL 6.1 (Phaser 3200)

Status Indicator RAPs
2-12 04/07 Phaser 3200MFP / Workcentre PE220
6 Fuser Jam RAP
Description
Constant Jam where paper is entering Fuser unit.
Fuser rollers do not turn.
Check and Cause Solution
1. The fuser stripper fingers are misaligned 1. Check the stripper fingers:
- PL 7.0 (Workcentre PE220)
- PL 7.1 (Phaser 3200).
2. Check if the fuser has overheated and
melted the fuser gear. Check for heat damage
to the heat roller and pressure roller:
- PL 7.0 (Workcentre PE220)
- PL 7.1 (Phaser 3200)
2. Check the following parts:
• Heat Lamp
- PL 7.0 (Workcentre PE220)
- PL 7.1 (Phaser 3200)
• Thermostat
- PL 7.0 (Workcentre PE220)
- PL 7.1 (Phaser 3200)
•Thermistor
- PL 7.0 (Workcentre PE220)
- PL 7.1 (Phaser 3200)
Perform Engine Test Mode - THERM ADC
120, GP 6.
Check and install new parts as necessary:
•SMPS
- PL 1.0 (Workcentre PE220)
- PL 1.1 (Phaser 3200)
• Main PBA
- PL 1.0 (Workcentre PE220)
- PL 1.1 (Phaser 3200)
•Fuser
- PL 7.0 (Workcentre PE220)
- PL 7.1 (Phaser 3200)

Status Indicator RAPs
Phaser 3200MFP / Workcentre PE220 04/07 2-13
7 Paper Rolled in the Print Cartridge (OPC Drum) RAP
Description
Paper is rolled up in the OPC.
Check and Cause Solution
1. Paper is too thin. 1. Recommend use normal paper. Use paper
within specification. Refer to the User Guide.
2. Paper curl. 2. Remove the paper while turning the OPC
Drum against the feed direction.
Turn the paper over.
Recommend the use of good quality ‘long
grain’ paper.

Status Indicator RAPs
2-14 04/07 Phaser 3200MFP / Workcentre PE220
8 Control Panel RAP
8A LCD Defect
Description
Strange characters are displayed in the LCD Window and OPE Panel keys do not work.
8B Defective OPE Keypad
Description
Pressing keys does not cause the set to respond correctly.
Check and Cause Solution
1. Clear the memory, GP 3. 1. Restart the machine and try again after
clearing the memory.
2. Ensure the OPE HARNESS is connected
to the Connection Board.
2. Check and install new parts as necessary:
• OPE Unit, PL 5.0
• Main PBA
- PL 1.0 (Workcentre PE220)
- PL 1.1 (Phaser 3200)
Check and Cause Solution
1. Clear the memory, GP 3 and restart the
machine.
1. Check and replace new parts as necessary
• Membrane, PL 5.0
• Keypad assembly, PL 5.0
2. Check if there is an audible clicking sound
when a key is pressed.
2. Check and install new parts as necessary:
• OPE assembly, PL 5.0
• Main PBA
- PL 1.0 (Workcentre PE220)
- PL 1.1 (Phaser 3200).

Status Indicator RAPs
Phaser 3200MFP / Workcentre PE220 04/07 2-15
9 Melting Fuser Gear RAP
WARNING
Switch off the electricity to the machine. Disconnect the power cord from the customer supply
while performing tasks that do not need electricity. Electricity can cause death or injury. Moving
parts can cause injury.
Description
The fuser gear has melted.
Check and Cause Solution
1. Check the following parts:
•Heat lamp
- PL 7.0 (Workcentre PE220)
- PL 7.1 (Phaser 3200)
• Thermostat
- PL 7.0 (Workcentre PE220)
- PL 7.1 (Phaser 3200)
•Thermistor
- PL 7.0 (Workcentre PE220)
- PL 7.1 (Phaser 3200)
1. Perform Engine Test Mode to test the
Fuser - THERM ADC 120, GP 6.
Check and install new parts as necessary:
• Halogen lamp
- PL 7.0 (Workcentre PE220)
- PL 7.1 (Phaser 3200)
• Fuser assembly
- PL 7.0 (Workcentre PE220)
- PL 7.1 (Phaser 3200)
•SMPS
- PL 1.0 (Workcentre PE220)
- PL 1.1 (Phaser 3200)
• Main PBA
- PL 1.0 (Workcentre PE220)
- PL 1.1 (Phaser 3200)

Status Indicator RAPs
2-16 04/07 Phaser 3200MFP / Workcentre PE220
10 Paper Empty RAP
10A Paper empty with indication error RAP
Description
Paper Empty is displayed in the LCD panel even when paper is loaded in the cassette.
The paper empty message does not appear in the LCD when the paper cassette is empty.
Check and Cause Solution
1. Faulty cables or connectors. 1. Check the cables and connectors.
2. The paper empty sensor actuator is defect-
ective.
2. Check and install a new paper empty sen-
sor actuator:
- PL 8.0 (Workcentre PE220)
- PL 8.1 (Phaser 3200)
3. Memory error. 3. Perform clear all memory, GP 3.
4. The SMPS PBA or Main PBA is defective. 4. Check and install new parts as necessary:
• SMPS PBA
- PL 1.0 (Workcentre PE220)
- PL 1.1 (Phaser 3200)
• Main PBA
- PL 1.0 (Workcentre PE220)
- PL 1.1 (Phaser 3200)

Status Indicator RAPs
Phaser 3200MFP / Workcentre PE220 04/07 2-17
10B Paper empty with no indication error RAP
WARNING
Switch off the electricity to the machine. Disconnect the power cord from the customer supply
while performing tasks that do not need electricity. Electricity can cause death or injury. Moving
parts can cause injury.
Description
The paper lamp on the operator panel does not come ON when the paper cassette is empty.
Check and Cause Solution
1. The paper sensor empty actuator, PL 8.0
(Workcentre PE220) / PL 8.1 (Phaser 3200) is
damaged.
1. Check and install a new paper empty sen-
sor actuator:
- PL 8.0 (Workcentre PE220)
- PL 8.1 (Phaser 3200) if necessary.
2. The SMPS or main PBA may be defective. 2. Check and install new parts as necessary:
•SMPS
- PL 1.0 (Workcentre PE220)
- PL 1.1 (Phaser 3200) if necessary.
• Main PBA
- PL 1.0 (Workcentre PE220)
- PL 1.1 (Phaser 3200) if necessary.

Status Indicator RAPs
2-18 04/07 Phaser 3200MFP / Workcentre PE220
11 Cover Open RAP
11A Cover Open with indication error RAP
Description
The Cover Open message appears on the LCD even when the print cover is closed.
The Cover Open message does not appear on the LCD even when the print cover is open.
Check and Cause Solution
1. The ‘Open Cover’ microswitch may be
faulty.
Note: The front cover microswitch is on the
HVPS, PL 1.0 (Workcentre PE220) / PL 1.1
(Phaser 3200). The rear cover microswitch is
on the SMPS, PL 1.0 (Workcentre PE220) /
PL 1.1 (Phaser 3200).
1. Use TECH mode (“cover sensor test”),
GP 4, to check the relevant cover switch oper-
ation. Check and install a new switch if neces-
sary:
- PL 1.0 (Workcentre PE220)
- PL 1.1 (Phaser 3200).
2. The tab on the front cover, PL 1.0 (Work-
centre PE220) / PL 1.3 (Phaser 3200) may be
damaged.
2. Check and install a new front cover,
- PL 1.0 (Workcentre PE220)
- PL 1.3 (Phaser 3200)
3. Check the connector and cables between
HVPS and Main PBA, SMPS and Main PBA.
3. Install a new harness if necessary, PL 1.
Reseat the connectors.
Check and install new parts as necessary:
• Main PBA
- PL 1.0 (Workcentre PE220)
- PL 1.1 (Phaser 3200)
• HVPS
- PL 1.0 (Workcentre PE220)
- PL 1.1 (Phaser 3200)
•SMPS
- PL 1.0 (Workcentre PE220)
- PL 1.1 (Phaser 3200)

Status Indicator RAPs
Phaser 3200MFP / Workcentre PE220 04/07 2-19
11B Cover Open with no indication error RAP
WARNING
Switch off the electricity to the machine. Disconnect the power cord from the customer supply
while performing tasks that do not need electricity. Electricity can cause death or injury. Moving
parts can cause injury.
Description
The ERROR lamp does not come ON even when the front cover or exit cover is open
Check and Cause Solution
1.Check the front cover open switch and exit
cover open switch.
Note: The front cover open switch is mounted
on the HVPS, PL 1.0 (Workcentre PE220) /
PL 1.1 (Phaser 3200) while the exit cover
open switch is mounted on the SMPS, PL 1.0
(Workcentre PE220) / PL 1.1 (Phaser 3200).
1. Use Engine Test Mode mode, GP 6 - cover
sensor test to check cover switch operation.
Check and install a new switch if necessary
2. Check the connector and cables between
the HVPS and main PBA
- PL 1.0 (Workcentre PE220)
- PL 1.1 (Phaser 3200).
2. Check and install new parts as necessary:
•SMPS
- PL 1.0 (Workcentre PE220)
- PL 1.1 (Phaser 3200)
• HVPS
- PL 1.0 (Workcentre PE220)
- PL 1.1 (Phaser 3200)

Status Indicator RAPs
2-20 04/07 Phaser 3200MFP / Workcentre PE220
12 Faulty Motor RAP
WARNING
Switch off the electricity to the machine. Disconnect the power cord from the customer supply
while performing tasks that do not need electricity. Electricity can cause death or injury. Moving
parts can cause injury.
Description
The main motor is not working during printing. Therefore, paper does not feed into the printer, re-
sulting 'Jam 0'.
Check and Cause Solution
1. The main motor may be defective. 1. Check the operation using Engine Test
Mode, GP 6.
Check and install new parts as necessary:
• Main drive assembly,
- PL 8.0 (Workcentre PE220)
- PL 8.1 (Phaser 3200)
• Main PBA
- PL 1.0 (Workcentre PE220)
- PL 1.1 (Phaser 3200)

Status Indicator RAPs
Phaser 3200MFP / Workcentre PE220 04/07 2-21
13 No Power RAP
Description
When system power is turned on the LCD panel does not come on.
Check and Cause Solution
1. Check if the power input and SMPS output
are normal.
1. Check and install new parts as necessary:
• Power supply cord
- PL 1.0 (Workcentre PE220)
- PL 1.1 (Phaser 3200)
•SMPS
- PL 1.0 (Workcentre PE220)
- PL 1.1 (Phaser 3200)
2. LCD panel does not come on but normal
start up sounds are heard.
2. Check and install a new OPE unit, PL 5.0
3. The OPE unit display does not come on
and no start up sounds are heard.
3. Check and install a new Main PBA if neces-
sary:
- PL 1.0 (Workcentre PE220)
- PL 1.1 (Phaser 3200)

Status Indicator RAPs
2-22 04/07 Phaser 3200MFP / Workcentre PE220
14 Bad Software Environment RAP
14A The machine is not working (1)
Description
While Power turned on, the machine is not working in the printing mode.
Check and Cause Solution
1. Ensure that the customer knows how to
install the correct printer driver and to select
the PE220 or Phaser 3200 as the default
printer.
1. Refer the customer to the PE220 or Phaser
3200 User Guide.
2. Perform Pattern Test, GP 4. 2.Check the power of the machine and per-
form the Pattern Test, GP 4. If the test printing
works, that means no problems in the
machine itself. If the test printing does not
work, that means bad functioning of the
machine (not because of software).
3. Check if the PC and the machine is prop-
erly connected and the print cartridge
installed.
3. Replace the printer cable. If the problems is
not solved even after replacing the cable,
check the amount of remaining toner.
4. Printing is not working in Windows. 4. Check if the connection between PC and
printer port is correct. Uninstall the driver,
then re-install new drivers. Refer to
Xerox.com. Ask the customer to check the
BIOS of the PC to ensure that there are no
IRQ conflicts and to check that the input/out-
put range is 0378.
5. Check if the printer cable is directly con-
nected to peripheral devices
5. If the scanner needs to be connected to the
machine, remove the scanner from the PC to
see if the machine is working alone properly.

Status Indicator RAPs
Phaser 3200MFP / Workcentre PE220 04/07 2-23
14B The machine is not working (2)
Description
After receiving the printing order, no response at all or the low speed of printing occurs due to
wrong setup of the environment rather than malfunction of the machine itself.
Check and Cause Solution
1. Ensure that the customer knows how to
install the correct printer driver and to select
the PE220 or Phaser 3200 as the default
printer.
1. Refer the customer to the PE220 or Phaser
3200 User Guide.
2. Secure more space on the hard disk. 2. Not working with the message 'insufficient
printer memory' means hard disk space prob-
lem rather than the RAM problem. Ask the
customer to provide more space for the hard
disk, using the disk utilities program.
3. Printing error occurs even if there is
enough space in the hard disk.
3. The connection of the cable and printer port
is not correct. Check if the connection is cor-
rect. Ask the customer to check the BIOS of
the PC to ensure that there are no IRQ con-
flicts and to check that the input/output range
is 0378.
4. Check the parallel-port-related items in the
BIOS
4. Ask the customer to select ECP or SPP.
SPP (Normal), ECP, and EPP modes
(increase printing speed). SPP normal mode
supports 8-bit data transfer. ECP mode sup-
ports 12-bit data transfer.
5. Reboot the system to print. 5. If the regular font is not printing, the cable
or the print driver may be defective.
Turn the PC and machine off, and reboot the
system to print again. If not solved, double-
click the printer in my computer. If the regular
fonts are not printing again, the cable must be
defective. Replace the cable with new one.

Status Indicator RAPs
2-24 04/07 Phaser 3200MFP / Workcentre PE220
15 Abnormal Printing RAP
Description
The machine is not working correctly even when there is no problem with the printer cable.
If the machine will not work at all or the strange fonts are repeated, the printer driver may be de-
fective or wrong setup in the BIOS Setup.
Check and Cause Solution
1. Set up the parallel port in the BIOS. 1. Ask the customer to select SPP (Normal) or
ECP LPT Port in the BIOS.
2. Printer Driver Error. 2. Uninstall the driver. Re-install the latest
driver. Refer to Xerox.com
3. Error message from insufficient memory.
(The printing job sometimes stops or due to
insufficient virtual memory, but it actually
comes from the insufficient space of the hard
disk.)
3. Ask the customer to delete the unneces-
sary files to secure enough space of the hard
disk and start printing job again.

Status Indicator RAPs
Phaser 3200MFP / Workcentre PE220 04/07 2-25
16 SPOOL Error RAP
Description
Insufficient disk space to spool the document.
How to delete the data in the spool manager.
In the spool manager, the installed drivers and the list of the documents waiting to be printed are
shown.
Select the document to be deleted and check delete in the menu.
If the job you are deleting is the current job, when you delete the job data that has already been
transferred to the machine’s memory will still be printed. If there is a problem with the machine
(out of toner, off-line, out of paper etc.) the job may take a long time to delete as it must wait for a
time out.
Check and Cause Solution
1. Insufficient space of the hard disk in the
directory assigned for the basic spool.
1. Ask the customer to delete the unneces-
sary files to provide more space to start print-
ing job.
2. If the previous printing error not solved. 2. Inform the customer.
There may be files from previous failed print
jobs on the hard disk with the name in the
form ‘*.jnl’. Delete these files and Reboot Win-
dows to restart the machine.
3. There may be conflict with other drivers or
programs.
3. Ask the customer to shut down all other
programs except the current one, if possible.
4. When an application program or the printer
driver is damaged.
4. Uninstall the print driver. Re-install the lat-
est driver. Refer to Xerox.com.
5. When some files related to OS are dam-
aged or virus infected.
5. After rebooting the computer ask the cus-
tomer to check for viruses, restore the dam-
aged files and reinstall the application
program which is not working properly.
6. Check the print queue. 6. Ask the customer to manage the print
queue.
7. Insufficient memory. 7. Ask the customer to add memory to the
PC.

Status Indicator RAPs
2-26 04/07 Phaser 3200MFP / Workcentre PE220
17 Fax & Phone Problems RAP
17A No Dial Tone
Description
There is no dial tone when the Manual Dial key is pressed.
Check and Cause Solution
1. Check that the telephone line cord supplied
with the set is connected to TEL LINE cor-
rectly.
1. If the telephone cord is OK but there is no
dial tone, try plugging a normal telephone into
the wall socket. If this is OK then replace the
LIU PBA:
- PL 1.0 (Workcentre PE220)
- PL 1.1 (Phaser 3200).
2. Listen for a CLICK sound when the Manual
Dial key is pressed.
Note: Key sound must be set to “on” in GP 3,
User Mode.
2. If you cannot hear the Manual Dial CLICK
sound, the OPE Assembly may be defective.
Check and install a new OPE assembly, PL
5.0 if necessary.
3. Check the connection of the HARNESS
between the LIU and the Main Board.
3. Check the Speaker connection and the har-
ness between the LIU and the Main PBA.
Install new cables as necessary:
- PL 1.0 (Workcentre PE220)
- PL 1.1 (Phaser 3200).
4. Ensure the speaker is connected correctly. 4. Perform Tech mode, GP 4 - Modem Test.
Check and install new parts as necessary
• Speaker
- PL 1.0 (Workcentre PE220)
- PL 1.2 (Phaser 3200)
• Main PBA
- PL 1.0 (Workcentre PE220)
- PL 1.1 (Phaser 3200)

Status Indicator RAPs
Phaser 3200MFP / Workcentre PE220 04/07 2-27
17B Defective MF DIAL
Description
The MF DIAL is not functioning.
Check and Cause Solution
1. Check that the telephone line cord supplied
with the set is connected to TEL LINE cor-
rectly.
1. If the telephone cord is working and there is
no dial tone, try plugging a normal telephone
into the wall socket. If the telephone is work-
ing, then install a new LIU PBA:
- PL 1.0 (Workcentre PE220)
- PL 1.1 (Phaser 3200)
2. Listen for a CLICK sound when a key is
pressed.
Note: Key sound must be set to “on” in GP 3,
User Mode.
2. If you cannot hear the Manual Dial CLICK
sound, the OPE Assembly may be defective.
Check and install a new OPE Assembly, PL
5.0 if necessary.
3. Check the connection of the HARNESS
between the LIU and the Main PBA.
3. Check the Speaker connection and the har-
ness between the LIU and the Main PBA,
Install new parts as necessary:
- PL 1.0 (Workcentre PE220)
- PL 1.1 (Phaser 3200)
4. Ensure the speaker is connected correctly. 4. Perform Tech mode, GP 4 - Modem Test.
Check and install new parts as necessary:
• Speaker
- PL 1.0 (Workcentre PE220)
- PL 1.2 (Phaser 3200).
• LIU PBA
- PL 1.0 (Workcentre PE220)
- PL 1.1 (Phaser 3200).
• Main PBA
- PL 1.0 (Workcentre PE220)
- PL 1.1 (Phaser 3200).
Note: Product supports MF DIAL type only.

Status Indicator RAPs
2-28 04/07 Phaser 3200MFP / Workcentre PE220
17C Defective FAX SEND/RECEIVE
Description
FAX SEND/RECEIVE is not functioning.
17D Defective FAX SEND
Description
RECEIVE is functioning, but FAX SEND is not functioning or received data is corrupt.
Check and Cause Solution
1. Check that you can hear a dial tone by
pressing Manual Dial.
1. Check and install a new LIU PBA if neces-
sary:
- PL 1.0 (Workcentre PE220)
- PL 1.1 (Phaser 3200)
2. Check that you can hear a RECEIVE tone
when MODEM testing in TECH Mode, GP 4.
2. Check and install a new main PBA if neces-
sary:
Main PBA
- PL 1.0 (Workcentre PE220)
- PL 1.1 (Phaser 3200)
Check and Cause Solution
1. Check for NOISE on the line. Press Manual
Dial and listen.
1. If the line is noisy, inform the customer.
2. Check the cable between the set and the
wall socket for damage.
2. Check the telephone line cord.
3. Check that the destination fax machine can
receive forwarded faxes by using a different
sending fax machine (preferably from the
same wall socket).
3. Check and install a new LIU PBA:
- PL 1.0 (Workcentre PE220)
- PL 1.1 (Phaser 3200)

Status Indicator RAPs
Phaser 3200MFP / Workcentre PE220 04/07 2-29
17E Defective FAX RECEIVE (1)
Description
FAX SEND is functioning, but RECEIVE is not functioning or the received data is corrupt.
17F Defective FAX RECEIVE (2)
Description
Received data is corrupted.
Check and Cause Solution
1. Check for NOISE on the line. Press Manual
Dial and listen.
1. If the line is noisy, inform the customer.
2. Use a different fax machine to receive from
the same sender (if possible on the same wall
socket).
2. Check and install a new LIU PBA:
- PL 1.0 (Workcentre PE220)
- PL 1.1 (Phaser 3200)
Check and Cause Solution
1. Check for NOISE on the line. Press Manual
Dial and listen.
1. If you can hear a noisy line when using
Manual Dial, replace or repair the telephone
line.
2. Ask sender to send to another fax machine
(if possible connected to the same wall
socket)
2. Check and install new parts as necessary:
• LIU PBA
- PL 1.0 (Workcentre PE220)
- PL 1.1 (Phaser 3200)
• Main PBA
- PL 1.0 (Workcentre PE220)
- PL 1.1 (Phaser 3200)

Status Indicator RAPs
2-30 04/07 Phaser 3200MFP / Workcentre PE220
17G Defective FAX RECEIVE (3)
Description
The phone is ringing continuously, but the machine does not answer the call.
17H Defective FAX RECEIVE (4)
Description
Received data is reduced by more than 50% in the printing.
17I Defective Automatic Receiving
Description
The automatic receiving function is not working.
Check and Cause Solution
1. Check that the RECEIVE Mode is set to
FAX MODE.
1. Check and install new parts as necessary:
• LIU PBA
- PL 1.0 (Workcentre PE220)
- PL 1.1 (Phaser 3200)
• Main PBA
- PL 1.0 (Workcentre PE220)
- PL 1.1 (Phaser 3200)
Check and Cause Solution
Check the FAX status of the forwarding side. This is a problem with the sending fax
machine. Inform the customer.
Check and Cause Solution
1. Check that the RECEIVE Mode is set to
FAX MODE.
1. If the RECEIVE Mode is set to the TEL
MODE, reset it to the FAX MODE.
2. Check and install new parts as necessary:
• LIU PBA
- PL 1.0 (Workcentre PE220)
- PL 1.1 (Phaser 3200)
• Main PBA
- PL 1.0 (Workcentre PE220)
- PL 1.1 (Phaser 3200)

Status Indicator RAPs
Phaser 3200MFP / Workcentre PE220 04/07 2-31
18 Abnormal Noise RAP
Description
There is noise from the ADF when copying.
Check and Cause Solution
1. Check the Scanner Motor, gearbox and
rollers.
1. Check for correct assembly of gears and
motor. Ensure no parts are damaged and
there are no foreign objects in the mechanism
or scan path.
Check and install new parts as necessary, PL
2.
2. Check the Motor Driver on Driver PBA. 2. Check and install new parts as necessary:
• Main PBA
- PL 1.0 (Workcentre PE220)
- PL 1.1 (Phaser 3200) and
• ADF PBA, PL 2.

Status Indicator RAPs
2-32 04/07 Phaser 3200MFP / Workcentre PE220
19 Scanning RAP
19A PC Scanning Problems
Description
Unable to scan using a PC.
19B Poor Quality of PC Scanned images
Description
Poor quality of scanned to PC images.
Check and Cause Solution
1. Check the Cable (USB or Parallel) is prop-
erly connected and that the machine can print
correctly.
1. Reconnect the PC and machine, replace
any faulty cables. If using a parallel cable,
check that the parallel port is properly config-
ured. Ask the customer to check the BIOS of
the PC to ensure that there are no IRQ con-
flicts and to check that the input/output range
is 0378.
2. Check that the driver is installed properly. 2. If printing is OK check that the Scan driver
is also installed (Refer to User's Manual.)
3. Check that the copy function operates nor-
mally.
3. Check and install new parts as necessary:
• Main PBA
- PL 1.0 (Workcentre PE220)
- PL 1.1 (Phaser 3200) and
• CIS, PL 4
Check and Cause Solution
1. Check if the resolution is set too low in PC
Scan options. (Refer to the User Manual.)
1. Teach the user about scanner resolution –
refer to the User Guide.
2. Use TECH mode, GP 4, to carry out a
shading test and examine the waveform print-
out.
2. If the CIS waveform form is abnormal,
check and install a new CIS, PL 4 if neces-
sary.

Status Indicator RAPs
Phaser 3200MFP / Workcentre PE220 04/07 2-33
20 Print Cartridge Problems RAP
This section explains messages on the LCD that are related to the data stored in the EEPROM in
the print cartridge.
Toner Low
- Explanation: The amount of toner remaining is less than 10%. The print cartridge is almost
empty or at end of life.
- Solution: Replace the toner cartridge.
•PL 1.0 - Workcentre PE220
•PL 1.1 - Phaser 3200
Toner Empty
- Explanation: The print cartridge is empty
- Solution: Replace the toner cartridge.
•PL 1.0 - Workcentre PE220
•PL 1.1 - Phaser 3200
Drum Warning
- Explanation: This message appears when the OPC drum is nearing the end of its life
(14,000 pages). This means that the life of the mechanical parts in the print cartridge has
expired (this is not an indication of toner remaining).
- Solution: After printing about 15,000 pages, in a worst case scenario, the waste toner collec-
tor might overflow and it may cause the system to fail. Also after 15,000 pages the OPC drum
surface will be becoming worn and print quality will degrade, print images will become misty.
It is therefore necessary to replace the print cartridge even though there may be toner left in
it. When this message occurs there are approximately 1,000 pages left.
Replace Drum
- Explanation: The print cartridge mechanical life is expired.
- Solution: Replace the toner cartridge.
•PL 1.0 - Workcentre PE220
•PL 1.1 - Phaser 3200

Status Indicator RAPs
2-34 04/07 Phaser 3200MFP / Workcentre PE220
21 Software Problems RAP
21A The machine is not working (1)
Description
While Power turned on, the machine is not working in print mode.
Check and Cause Solution
1. Ensure that the customer knows how to
install the correct printer driver and to select
the machine as the default printer.
1. Refer the customer to the User Guide.
2. Perform the test, GP 4. 2. If the test print works that means there are
no problems in the machine itself. If the test
printing does not work that means the
machine is faulty and the problem is not due
to computer software or driver settings.
3. Check that the PC and the machine are
properly connected and that the print car-
tridge is installed correctly.
3. Replace the printer cable. If the problem is
not solved even after the cable is replaced,
check the amount of the remaining toner.
4. Printing is not working in Windows. 4. Check if the connection between PC and
printer port is correct. Uninstall the driver,
then re-install new drivers. Refer to
Xerox.com. Ask the customer to check the
BIOS of the PC to ensure that there are no
IRQ conflicts and to check that the input/out-
put range is 0378.
5. Check that the printer cable is directly con-
nected to the machine.
5. If you have other devices that need to
share the printer port try temporarily discon-
necting these devices and perhaps even un-
installing their drivers) to ensure the machine
works by itself. If you are using a USB hub try
connecting directly to the back of the PC
instead.

Status Indicator RAPs
Phaser 3200MFP / Workcentre PE220 04/07 2-35
21B The machine is not working (2)
Description
After receiving the print command there is no response at all or print speed is low due to wrong
setup of the environment rather than malfunction of the machine itself.
Check and Cause Solution
1. Ensure that the customer knows how to
install the correct printer driver and to select
the machine as the default printer.
1. Refer the customer to the User Guide.
2. Ensure you have sufficient free hard disk
space for the temporary work files created
during printing.
2. The message 'insufficient printer memory'
means there is a hard disk space problem on
the PC, rather than a printer RAM problem.
Inform the customer.
3. Printing error occurs even if there is
enough space in the hard disk.
3. The connection of the cable and printer port
is not correct. Check that the cable is properly
connected. Ask the customer to check the
BIOS of the PC to ensure that there are no
IRQ conflicts and to check that the input/out-
put range is 0378.
4. Check the parallel-port-related items in the
BIOS.
4. For the printer port, select ECP. SPP and
normal modes support 8-bit data transfer.
ECP mode supports 12-bit data transfer.
5. Reboot the system to print. 5. If the regular font is not printing, the cable
or the printer driver may be defective. Turn
the PC and machine off, and reboot the sys-
tem to print again. If not solved, double-click
the printer in my computer. If the regular fonts
are not printed this time the cable must be
defective so replace the cable with new one.

Status Indicator RAPs
2-36 04/07 Phaser 3200MFP / Workcentre PE220
21C Abnormal Printing
Description
Printing does not work – even after replacing the cable
Machine does not work at all or strange fonts are printed.
Check and Cause Solution
1. Set up the parallel port in the BIOS. 1. Ask the customer to ensure that ECP (best)
or SPP is selected in the BIOS setup.
2. Printer Driver Error. 2. Ensure that the correct driver is loaded.
Use the driver supplied on the CD or down-
loaded from the Xerox.com. DO NOT use the
Microsoft driver supplied with the Windows
operating system. If the machine is a GDI
printer ensure that ALL OTHER GDI drivers
are un-installed as Windows allows only 1
type of driver to be loaded.
3. Error message “insufficient memory”.
(The printing job sometimes stops due to
insufficient virtual memory, this is caused by
insufficient space on the PC hard disk.)
3. Inform the customer.

Image Quality
Phaser 3200MFP / Workcentre PE220 04/07 3-1
3. Image Quality
IQ 1 Vertical Black Line and Band ............................................................................................ 3-3
IQ 2 Vertical White Line ............................................................................................................ 3-4
IQ 3 Horizontal Black Band ...................................................................................................... 3-5
IQ 4 Black/White Spot .............................................................................................................. 3-6
IQ 5 Light Image ....................................................................................................................... 3-7
IQ 6 Dark Image or Black Image .............................................................................................. 3-8
IQ 7 Uneven Density ................................................................................................................ 3-9
IQ 8 Background .................................................................................................................... 3-10
IQ 9 Ghost (1) ......................................................................................................................... 3-11
IQ 10 Ghost (2) ....................................................................................................................... 3-12
IQ 11 Ghost (3) ....................................................................................................................... 3-13
IQ 12 Ghost (4) ....................................................................................................................... 3-14
IQ 13 Contamination on the Face of Page ............................................................................. 3-15
IQ 14 Contamination on Back of Page ................................................................................... 3-16
IQ 15 Blank Page Print Out (1) ............................................................................................... 3-17
IQ 16 Blank Page Print Out (2) ............................................................................................... 3-18
IQ 17 Misregistration .............................................................................................................. 3-19
IQ 18 Printed Vertical Lines Not Straight ................................................................................ 3-20
IQ 19 Blurred Image ............................................................................................................... 3-21

Wiring Diagrams
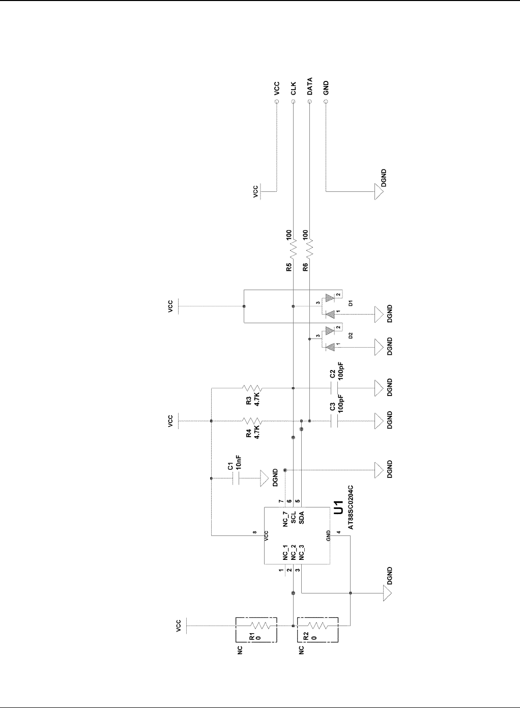
Phaser 3200MFP / Workcentre PE220 04/07 7-1
7. Wiring Data
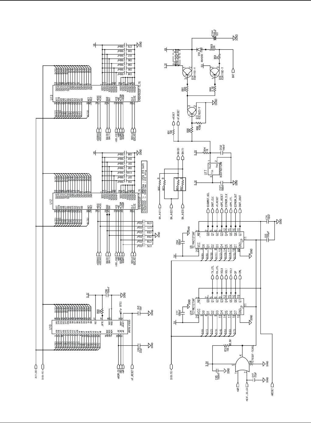
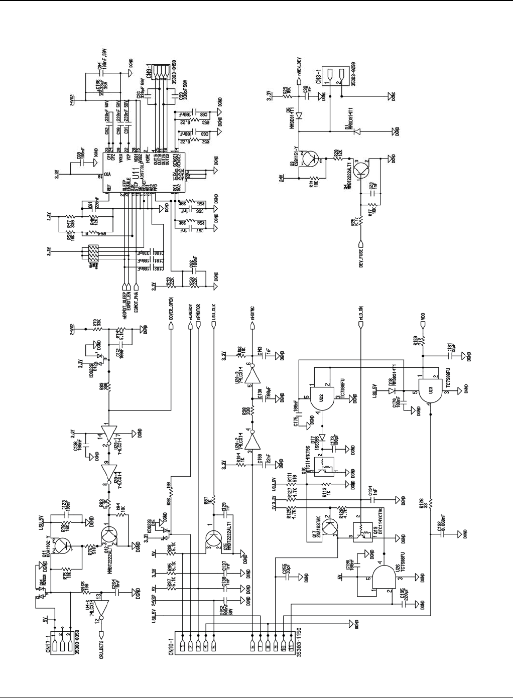
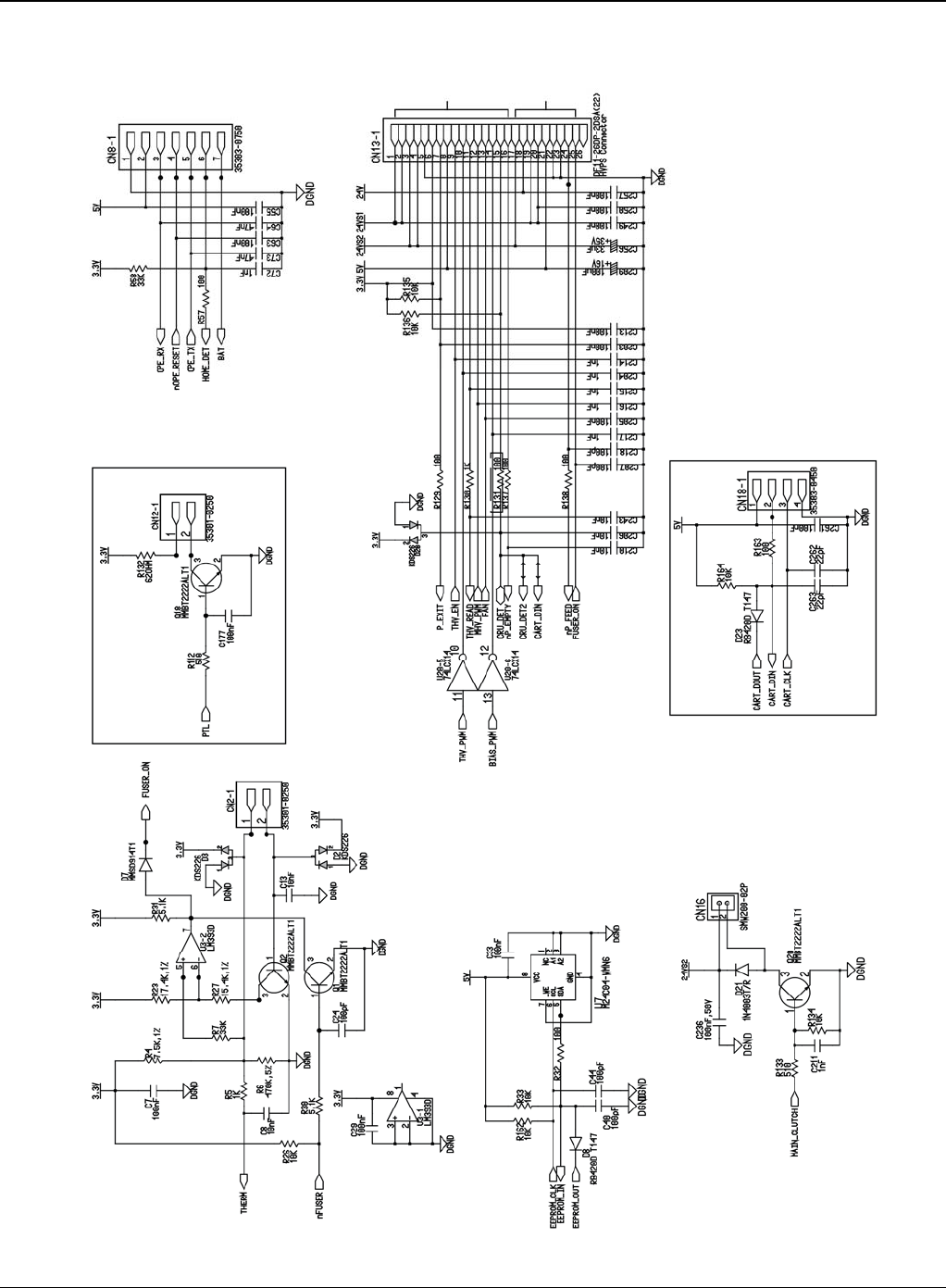
WD 1 System Block Diagram (Workcentre PE220) .................................................................. 7-3
WD 2 PJ Locations (Workcentre PE220) .................................................................................. 7-4
WD 3 Connection Diagram (1/2) (Workcentre PE220).............................................................. 7-5
WD 4 Connection Diagram (2/2) (Workcentre PE220).............................................................. 7-6
WD 5 Main Board (1/7) (Workcentre PE220) ............................................................................ 7-7
WD 6 Main Board (2/7) (Workcentre PE220) ............................................................................ 7-8
WD 7 Main Board (3/7) (Workcentre PE220) ............................................................................ 7-9
WD 8 Main Board (4/7) (Workcentre PE220) .......................................................................... 7-10
WD 9 Main Board (5/7) (Workcentre PE220) .......................................................................... 7-11
WD 10 Main Board (6/7) (Workcentre PE220)........................................................................ 7-12
WD 11 Main Board (7/7) (Workcentre PE220)........................................................................ 7-13
WD 12 LIU (Workcentre PE220) ............................................................................................. 7-14
WD 13 OPE (WorkCentre PE220) ......................................................................................... 7-15
WD 14 LSU ........................................................................................................................... 7-16
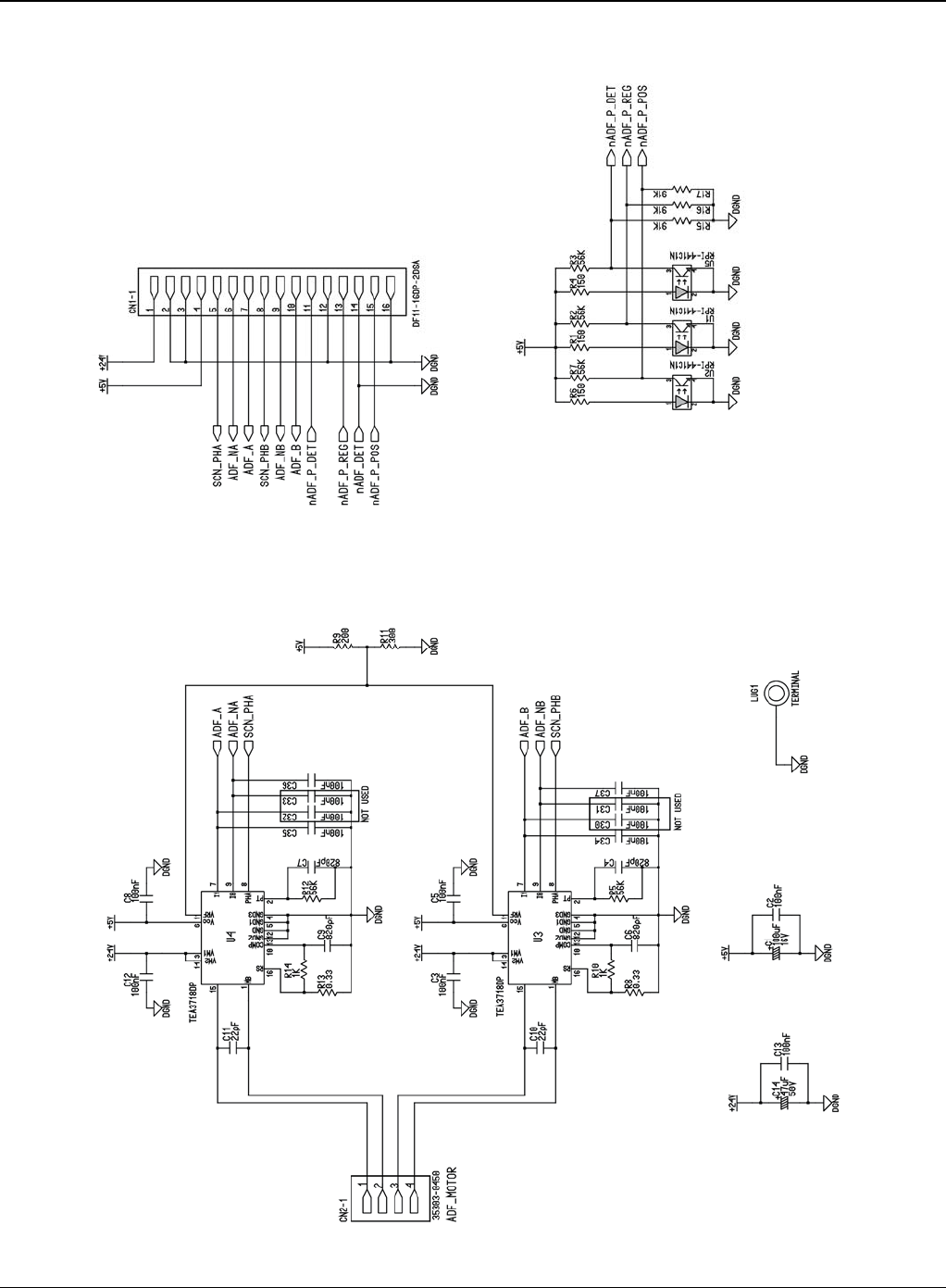
WD 15 ADF ............................................................................................................................ 7-17
WD 16 SMPS (Workcentre PE220)......................................................................................... 7-18
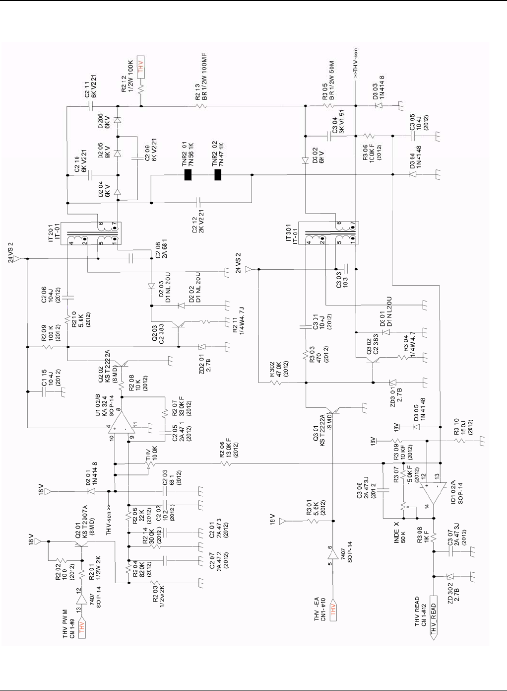
WD 17 HVPS (1/3) (Workcentre PE220)................................................................................. 7-19
WD 18 HVPS (2/3) (Workcentre PE220)................................................................................. 7-20
WD 19 HVPS (3/3) (Workcentre PE220)................................................................................. 7-21
WD 20 System Block Diagram (Phaser 3200) ........................................................................ 7-22
WD 21 PJ Locations (Phaser 3200)........................................................................................ 7-23
WD 22 Connection Diagram (1/2) (Phaser 3200) ................................................................... 7-24
WD 23 Connection Diagram (2/2) (Phaser 3200) ................................................................... 7-25
WD 24 Main Board (1/12) (Phaser 3200) ............................................................................... 7-26
WD 25 Main Board (2/12) (Phaser 3200) ............................................................................... 7-27
WD 26 Main Board (3/12) (Phaser 3200) ............................................................................... 7-28
WD 27 Main Board (4/12) (Phaser 3200) ............................................................................... 7-29
WD 28 Main Board (5/12) (Phaser 3200) ............................................................................... 7-30
WD 29 Main Board (6/12) (Phaser 3200) ............................................................................... 7-31
WD 30 Main Board (7/12) (Phaser 3200) ............................................................................... 7-32
WD 31 Main Board (8/12) (Phaser 3200) ............................................................................... 7-33
WD 32 Main Board (9/12) (Phaser 3200) ............................................................................... 7-34
WD 33 Main Board (10/12) (Phaser 3200) ............................................................................. 7-35
WD 34 Main Board (11/12) (Phaser 3200) ............................................................................. 7-36
WD 35 Main Board (12/12) (Phaser 3200) ............................................................................. 7-37
WD 36 LIU (Phaser 3200) ...................................................................................................... 7-38
WD 37 OPE (Phaser 3200) .................................................................................................... 7-39
WD 38 SMPS (1/2) (Phaser 3200) ......................................................................................... 7-40
WD 39 SMPS (2/2) (Phaser 3200) ......................................................................................... 7-41
WD 40 HVPS (1/3) (Phaser 3200) ......................................................................................... 7-42
WD 41 HVPS (2/3) (Phaser 3200) ......................................................................................... 7-43
WD 42 HVPS (3/3) (Phaser 3200) ......................................................................................... 7-44
WD 43 CRUM PBA (Phaser 3200) ......................................................................................... 7-45

Wiring Diagrams
7-2 04/07 Phaser 3200MFP / Workcentre PE220
Page intentionally blank

Wiring Diagrams
Phaser 3200MFP / Workcentre PE220 04/07 7-3
WD 1 System Block Diagram (Workcentre PE220)

Wiring Diagrams
7-4 04/07 Phaser 3200MFP / Workcentre PE220
WD 2 PJ Locations (Workcentre PE220)

Wiring Diagrams
Phaser 3200MFP / Workcentre PE220 04/07 7-5
WD 3 Connection Diagram (1/2) (Workcentre PE220)

Wiring Diagrams
7-6 04/07 Phaser 3200MFP / Workcentre PE220
WD 4 Connection Diagram (2/2) (Workcentre PE220)

Wiring Diagrams
Phaser 3200MFP / Workcentre PE220 04/07 7-7
WD 5 Main Board (1/7) (Workcentre PE220)

Wiring Diagrams
7-8 04/07 Phaser 3200MFP / Workcentre PE220
WD 6 Main Board (2/7) (Workcentre PE220)

Wiring Diagrams
Phaser 3200MFP / Workcentre PE220 04/07 7-9
WD 7 Main Board (3/7) (Workcentre PE220)

Wiring Diagrams
7-10 04/07 Phaser 3200MFP / Workcentre PE220
WD 8 Main Board (4/7) (Workcentre PE220)

Wiring Diagrams
Phaser 3200MFP / Workcentre PE220 04/07 7-11
WD 9 Main Board (5/7) (Workcentre PE220)

Wiring Diagrams
7-12 04/07 Phaser 3200MFP / Workcentre PE220
WD 10 Main Board (6/7) (Workcentre PE220)

Wiring Diagrams
Phaser 3200MFP / Workcentre PE220 04/07 7-13
WD 11 Main Board (7/7) (Workcentre PE220)

Wiring Diagrams
7-14 04/07 Phaser 3200MFP / Workcentre PE220
WD 12 LIU (Workcentre PE220)

Wiring Diagrams
Phaser 3200MFP / Workcentre PE220 04/07 7-15
WD 13 OPE (Workcentre PE220)

Wiring Diagrams
7-16 04/07 Phaser 3200MFP / Workcentre PE220
WD 14 LSU

Wiring Diagrams
Phaser 3200MFP / Workcentre PE220 04/07 7-17
WD 15 ADF

Wiring Diagrams
7-18 04/07 Phaser 3200MFP / Workcentre PE220
WD 16 SMPS (Workcentre PE220)

Wiring Diagrams
Phaser 3200MFP / Workcentre PE220 04/07 7-19
WD 17 HVPS (1/3) (Workcentre PE220)

Wiring Diagrams
7-20 04/07 Phaser 3200MFP / Workcentre PE220
WD 18 HVPS (2/3) (Workcentre PE220)

Wiring Diagrams
Phaser 3200MFP / Workcentre PE220 04/07 7-21
WD 19 HVPS (3/3) (Workcentre PE220)

Wiring Diagrams
7-22 04/07 Phaser 3200MFP / Workcentre PE220
WD 20 System Block Diagram (Phaser 3200)

Wiring Diagrams
Phaser 3200MFP / Workcentre PE220 04/07 7-23
WD 21 PJ Locations (Phaser 3200)

Wiring Diagrams
7-24 04/07 Phaser 3200MFP / Workcentre PE220
WD 22 Connection Diagram (1/2) (Phaser 3200)

Wiring Diagrams
Phaser 3200MFP / Workcentre PE220 04/07 7-25
WD 23 Connection Diagram (2/2) (Phaser 3200)

Wiring Diagrams
7-26 04/07 Phaser 3200MFP / Workcentre PE220
WD 24 Main Board (1/12) (Phaser 3200)

Wiring Diagrams
Phaser 3200MFP / Workcentre PE220 04/07 7-27
WD 25 Main Board (2/12) (Phaser 3200)

Wiring Diagrams
7-28 04/07 Phaser 3200MFP / Workcentre PE220
WD 26 Main Board (3/12) (Phaser 3200)

Wiring Diagrams
Phaser 3200MFP / Workcentre PE220 04/07 7-29
WD 27 Main Board (4/12) (Phaser 3200)

Wiring Diagrams
7-30 04/07 Phaser 3200MFP / Workcentre PE220
WD 28 Main Board (5/12) (Phaser 3200)

Wiring Diagrams
Phaser 3200MFP / Workcentre PE220 04/07 7-31
WD 29 Main Board (6/12) (Phaser 3200)

Wiring Diagrams
7-32 04/07 Phaser 3200MFP / Workcentre PE220
WD 30 Main Board (7/12) (Phaser 3200)

Wiring Diagrams
Phaser 3200MFP / Workcentre PE220 04/07 7-33
WD 31 Main Board (8/12) (Phaser 3200)

Wiring Diagrams
7-34 04/07 Phaser 3200MFP / Workcentre PE220
WD 32 Main Board (9/12) (Phaser 3200)

Wiring Diagrams
Phaser 3200MFP / Workcentre PE220 04/07 7-35
WD 33 Main Board (10/12) (Phaser 3200)

Wiring Diagrams
7-36 04/07 Phaser 3200MFP / Workcentre PE220
WD 34 Main Board (11/12) (Phaser 3200)

Wiring Diagrams
Phaser 3200MFP / Workcentre PE220 04/07 7-37
WD 35 Main Board (12/12) (Phaser 3200)

Wiring Diagrams
7-38 04/07 Phaser 3200MFP / Workcentre PE220
WD 36 LIU (Phaser 3200)

Wiring Diagrams
Phaser 3200MFP / Workcentre PE220 04/07 7-39
WD 37 OPE (Phaser 3200)

Wiring Diagrams
7-40 04/07 Phaser 3200MFP / Workcentre PE220
WD 38 SMPS (1/2) (Phaser 3200)

Wiring Diagrams
Phaser 3200MFP / Workcentre PE220 04/07 7-41
WD 39 SMPS (1/2) (Phaser 3200)

Wiring Diagrams
7-42 04/07 Phaser 3200MFP / Workcentre PE220
WD 40 HVPS (1/3) (Phaser 3200)

Wiring Diagrams
Phaser 3200MFP / Workcentre PE220 04/07 7-43
WD 41 HVPS (2/3) (Phaser 3200)

Wiring Diagrams
7-44 04/07 Phaser 3200MFP / Workcentre PE220
WD 42 HVPS (3/3) (Phaser 3200)

Wiring Diagrams
Phaser 3200MFP / Workcentre PE220 04/07 7-45
WD 43 CRUM PBA (Phaser 3200)

Wiring Diagrams
7-46 04/07 Phaser 3200MFP / Workcentre PE220
Page intentionally blank

x Page 1 of 2
Form EH&S-700 (27Mar2007)
APPENDIX A: Health & Safety Incident Report Involving a Xerox Product
Customer Identification
Customer Name:
Name of Customer Contact Person:
Telephone : Address:
E-mail:
Fax :
Customer Service Engineer Identification
Name:
Employee : Pager :
Location:
Phone :
Details of Incident
Date Of Incident (mm / dd / yr):
Description Of Incident: (Check all that apply)
Excessive Smoke
Describe quantity and duration of smoke:
Fire with open flames seen
Electric shock to operator or service representative
Physical injury/illness to operator or service representative
Describe:
Other
Describe:
Any damage to customer property? No Yes Describe:
Did external emergency response provider(s) such as fire department, ambulance, and etc. respond?
No Yes Identify: (ie, source, names of individuals)
Apparent cause of incident (identify part that is suspect to be responsible for the incident)
Preliminary actions taken to mitigate incident:

x Page 2 of 2
Form EH&S-700 (27Mar2007)
Product Description
Model No. or Product name:
Product Serial : Serial Number(s) of Accessory (ies):
Installation Date:
Total Copy Meter:
Date of last service maintenance:
List damaged and affected part(s) of the machine by description and part number:
Description
Part Number
Location of product and affected part(s):
Individual Providing Notification
Name: Title: Telephone Number:
Organization:
E-Mail:
Mailing Address:
Date Report Submitted:
Instructions: E-mail or fax this completed form to EH&S:
For incidents in Xerox Europe and Developing Markets East
(Middle East, Africa, India, China, and Hong Kong)
please e-mail: Elaine.Grange@xerox.com or fax: +44 (0) 1707 35 3914 [intelnet 8*668 3914]
Note: - If you fax this form, please also send original by internal mail
For incidents in North America and Developing Markets West
(Brazil, Mexico, Latin American North and Latin American South)
please e-mail: Doris.Bush@xerox.com or fax 585 422 6449 [Intelnet 8*222 6449]

