ZXSC300 Datasheet. Www.s Manuals.com. Zetex
User Manual: Marking of electronic components, SMD Codes C3, C3**, C3-, C3-**, C3-***, C30, C300, C323TS, C327, C32716, C32725, C32740, C337, C33716, C33725, C33740, C3415S, C343TS, C3615, C3616, C3619, C363ES, C3=**, C3G, C3J, C3W, C3p, C3t. Datasheets 1SS226, 1SS302, 2PD601ART, 2SC3415S, 2SC3615, 2SC3616, 2SC3619, APS1016ES5-1.8, BC327, BC327-16, BC327-25, BC327-40, BC337, BC337-16, BC337-25, BC337-40, BZT52H-C56, BZX585-B3V0, CMLDM7003, CMLDM7003G, CMLDM7003J, DTC323TS, DTC343TS, DTC363ES, KST4126, RT8020BGQW, RT8020
Open the PDF directly: View PDF
.
Page Count: 13

1
ZXSC300
ISSUE 3 - NOVEMBER 2006
SINGLE OR MULTI CELL LED DRIVER SOLUTION
Q1
FMMT617
R1
0.33R
L1
100µH
VBATT
LED1
WHITE LED
Vcc
Gnd
Isense
Vdrive
U1
ZXSC300
TYPICAL APPLICATION CIRCUIT ORDERING INFORMATION
DEVICE Reel Tapewidth Quantity
per reel
ZXSC300E5TA 7” 8mm 3,000
DEVICE MARKING C300
Package SOT23-5
DESCRIPTION
The ZXSC300 is a single or multi cell LED driver
designed for applications where step-up voltage
conversion from very low input voltages is required.
These applications mainly operate from single 1.5V or
1.2V battery cells. The circuit generates constant
current pulses that are ideal for driving single or
multiple LED’s over a wide range of operating voltages.
The ZXSC300 is a PFM controller IC that drives an
external Zetex switching transistor with a very low
saturation resistance. These transistors are the best
switching devices available for this type of switching
conversion enabling high efficiency conversion with
input voltages below 1 volt. The drive output of the
ZXSC controller generates a dynamic drive signal for
the switching transistor.
FEATURES
•94% efficiency
•Minimum operating input voltage 0.8V
•Fixed output current
•Low saturation voltage switching transistor
•SOT23-5 package
The circuit can start up under full load and operates
down to an input voltage of 0.8 volts. The solution
configuration ensures optimum efficiency over a wide
range of load currents, several circuit configurations
are possible depending on battery life versus
brightness considerations.
The ZXSC300 is offered in the SOT23-5 package which,
when combined with a SOT23 switching transistor,
generates a high efficiency small size circuit solution.
The IC and discrete combination offers the ultimate
cost vs performance solution for single cell LED driving
applications.
APPLICATIONS
•LED flashlights and torches
•LED backlights
•White LED driving
•Multiple LED driving
•Solar Equipment

ABSOLUTE MAXIMUM RATING
ZXSC300
ISSUE 3 - NOVEMBER 2006
2
Supply Voltage -0.3 to 10V
Maximum Voltage Other Pins -0.3 to VCC+0.3V
Power Dissipation 450mW
Operating Temperature -40 to 85°C
Storage Temperature -55 to 150°C
ELECTRICAL CHARACTERISTICS: Test conditions unless otherwise stated: VCC=1.5V, TAMB=25°C
SYMBOL PARAMETER CONDITIONS MIN. TYP. MAX. UNITS
ηEfficiency194 %
VCC Recommended
supply voltage range
0.8 8 V
VCC(min) Minimum startup
and operating
voltage
IDRIVE=-600µA, VDRIVE=0.7V
IDRIVE=-600µA, VDRIVE=0.7V,
TAMB=-10°C3
0.8
0.9
0.92 V
IQQuiescent current20.2 mA
IVDRIVE Base drive current VDRIVE =0.7V,V
ISENSE =0V 1.5 3.6 mA
ICC Supply current3VDRIVE =0.7V,V
ISENSE =0V 2 4 mA
VVDRIVE(high) High level drive
voltage
VISENSE =0V,I
VDRIVE =-0.5mA VCC-0.3 VCC V
VVDRIVE(low) Low level drive
voltage
VISENSE =50mV,I
VDRIVE =5mA 0 0.2 V
VISENSE
(threshold)
Output current
reference voltage
14 19 24 mV
TCVISENSE ISENSE
voltage temp co.20.4 %/°C
IISENSE ISENSE input current VISENSE =0V 0 -30 -65 µA
TDRV Discharge pulse width 1.2 1.7 3.2 µs
SYMBOL PARAMETER CONDITIONS MIN. TYP. MAX. UNITS
FOSC Recommended operating frequency4200 kHz
1Application dependent, see reference designs.
2These parameters guaranteed by design and characterisation
3Total supply current =IQ+ IVDRIVE, see typical characteristics
4Operating frequency is application circuit dependent. See applications section.
OPERATING CONDITIONS

ZXSC300
ISSUE 3 - NOVEMBER 2006
3
FMMT617
For the circuits described in the applications section, Zetex FMMT617 is the recommended pass transistor. The
following indicates outline data for the transistor, more detailed information can be found in the Zetex surface
mount data book or at www.zetex.com
ELECTRICAL CHARACTERISTICS (at TA= 25°C unless otherwise stated).
PARAMETER SYMBOL MIN. TYP. MAX. UNIT CONDITIONS
Collector-Emitter
Saturation Voltage
VCE(sat) 8
70
150
14
100
200
mV
mV
mV
IC=0.1A, IB=10mA*
IC=1A, IB=10mA*
IC=3A, IB=40mA*
Collector-Emitter
Breakdown Voltage
V(BR)CEO 15 18 V IC=10mA*
*Measured under pulsed conditions. Pulse width=300µs. Duty cycle ≤2%
ZHCS1000
For the circuits described in the applications section Zetex ZHCS1000 is the recommended Schottky diode. The
following indicates outline data for the diode, more detailed information is available at www.zetex.com
ELECTRICAL CHARACTERISTICS (at Tamb = 25°C unless otherwise stated).
PARAMETER SYMBOL MIN. TYP. MAX. UNIT CONDITIONS
Forward Voltage VF400
500
mV
mV
IF=500mA
IF=1A
Reverse Current IR50 100 µAVR=30V
Reverse Recovery
Time
trr 12 ns Switched from IF= 500mA
to IR= 500mA. Measured
at IR=50mA
*Measured under pulsed conditions. Pulse width=300µs. Duty cycle ≤2%

ZXSC300
ISSUE 3 - NOVEMBER 2006
4
TYPICAL CHARACTERISTICS

ZXSC300
ISSUE 3 - NOVEMBER 2006
5
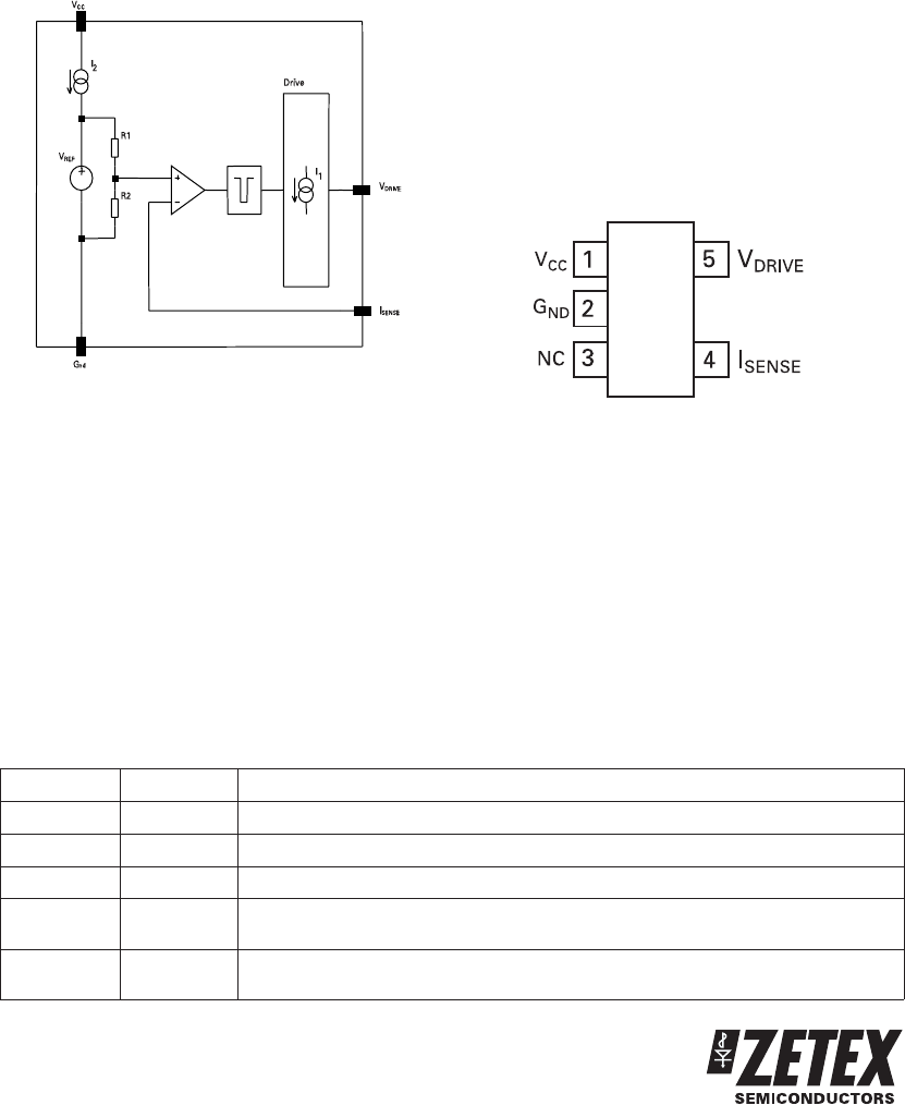
DEVICE DESCRIPTION
The ZXSC300 is PFM, controller IC which, when
combined with a high performance external transistor,
enables the production of a high efficiency boost
converter for use in single cell LED driving
applications. A block diagram is shown for the
ZXSC300 in Figure 1.
The on chip comparator forces the driver circuit and
therefore the external switching transistor off if the
voltage at ISENSE exceeds 19mV. This threshold is set
by an internal reference circuit and divider.
The Voltage at ISENSE is taken from a current sense
resistor connected in series with the emitter of the
switching transistor. A monostable following the
output of the comparator forces the turn-off time of the
output stage to be typically 1.7µs. This ensures that
there is sufficient time to discharge the inductor coil
before the next on period.
With every on pulse the switching transistor is kept on
until the voltage across the current-sense resistor
exceeds the threshold of the ISENSE input. The on-pulse
length, and therefore the switching frequency, is
determined by the programmed peak current, the
input voltage and the input to output voltage
differential. See applications section for details.
The Driver circuit supplies the external switching
transistor with a fixed drive current. To maximise
efficiency the external transistor switched quickly,
typically being forced off within 30ns.
Figure 1 ZXSC300 Block Diagram
Pin Descriptions
Pin No. Name Description
1V
CC Supply voltage, generally Alkaline, NiMH or NiCd single cell
2 Gnd Ground
3 N/C Not connected
4I
SENSE Inductor current sense input. Internal threshold voltage set to 19mV.
Connect external sense resistor
5V
DRIVE Drive output for external switching transistor. Connect to base of external
switching transistor
Pinout Diagram

ZXSC300
ISSUE 3 - NOVEMBER 2006
6
Ref Value Part Number Manufacture Comments
U1 N/A ZXSC300E5 Zetex Plc Single cell converter, SOT23-5
Q1 N/A FMMT617 Zetex Plc Low VCE(sat) NPN, SOT23
D1 1A ZHCS1000 Zetex Plc 1A Shottky diode, SOT23
R1 100mW Generic Various 0805 Size
C1 2.2mF Generic Various Low ESR ceramic capacitor
L1 100µH DO1608P-104 Coilcraft Surface mount inductor
LED1 5600mcd NSPW500BS Nichia White LED
Q1
FMMT617
R1
0.1R
L1
100µH
VBATT
LED1
WHITE LED
D1
ZHCS1000
C1
2.2µF
V
cc
Gnd
I
sense
V
drive
U1
ZXSC300
REFERENCE DESIGNS
Two typical LED driving applications are shown.
Firstly a maximum brightness solution and
secondly an optimised battery life solution.
Maximum brightness solution
This circuit provides a constant current output to
the LED by rectifying the switching pulses. This
ensures maximum LED brightness.
Material List

ZXSC300
ISSUE 3 - NOVEMBER 2006
7
Ref Value Part Number Manufacture Comments
U1 N/A ZXSC300E5 Zetex Plc Single cell converter, SOT23-5
Q1 N/A FMMT617 Zetex Plc Low VCE(SAT) NPN, SOT23
R1 330mW Generic Various 0805 Size
L1 100mH DO1608P-104 Coilcraft Surface mount inductor
LED1 5600mcd NSPW500BS Nichia White LED
1.0 1.5 2.0 2.5 3.0 3.5
85
90
95
100
Input Voltage v Efficiency
Single LED Load
Efficiency (%)
Input Voltage (V)
Q1
FMMT617
R1
0.33R
L1
100µH
VBATT
LED1
WHITE LED
Vcc
Gnd
Isense
Vdrive
U1
ZXSC300
Maximum battery life solution
To ensure optimum efficiency, and therefore
maximum battery life, the LED is supplied with a
pulsed current. Maximum efficiency is ensured with
the removal of rectifier losses experienced in the
maximum brightness solution.
Materials list

ZXSC300
ISSUE 3 - NOVEMBER 2006
8
APPLICATIONS INFORMATION
The following section is a design guide for optimum
converter performance.
Switching transistor selection
The choice of switching transistor has a major impact
on the converter efficiency. For optimum
performance, a bipolar transistor with low VCE(SAT) and
high gain is required.
The Zetex FMMT617 is an ideal choice of transistor,
having a low saturation voltage. A data sheet for the
FMMT617 is available on Zetex web site or through
your local Zetex sales office. Outline information is
included in the characteristics section of this data
sheet.
Schottky diode selection
For the maximum battery life solution a Schottky
rectifier diode is required. As with the switching
transistor the Schottky rectifier diode has a major
impact on the converter efficiency. A Schottky diode
with a low forward voltage and fast recovery time
should be used for this application.
The diode should be selected so that the maximum
forward current is greater or equal to the maximum
peak current in the inductor, and the maximum reverse
voltage is greater or equal to the output voltage.
The Zetex ZHCS1000 meets these needs. Datasheets
for the ZHCS Series are available on Zetex web site or
through your local Zetex sales office. Outline
information is included in the characteristics section of
this data sheet.
For the maximum brightness solution a pulsed current
is supplied to the LED therefore a Schottky rectifier
diode is not required.
Inductor selection
The inductor value must be chosen to satisfy
performance, cost and size requirements of the overall
solution. For the reference designs we recommend an
inductor value of 100uH with a core saturation current
rating greater than the converter peak current value
and low series resistance.
Inductor selection has a significant impact on the
converter performance. For applications where
efficiency is critical, an inductor with a series
resistance of 500mΩor less should be used.
Peak current definition
The peak current rating is a design parameter whose
value is dependent upon the overall application. For
the high brightness reference designs, a peak current
of was chosen to ensure that the converter could
provide the required output power to the LED.
In general, the IPK value must be chosen to ensure that
the switching transistor, Q1, is in full saturation with
maximum output power conditions, assuming
worse-case input voltage and transistor gain under all
operating temperature extremes.
Once IPK is decided the value of RSENSE can be
determined by:
RV
I
SENSE
ISENSE
PK
=
where VISENSE=19mV

ZXSC300
ISSUE 3 - NOVEMBER 2006
9
Output Power Calculation
By making the above assumptions for inductance and
peak current the output power can be determined by:
P(V V x I I
OUT
OUT- IN PK MIN
=+)( )
2xT
TT
OFF
ON OFF
()+
Note: VOUT = output voltage + Schottky rectifier voltage
drop
where
TOFF ≅1.7µs (internally set by ZXSC300)
and
TTV V
V
ON
OFF OUT IN
IN
=−()
and
II
(V - V xT
L
MIN PK
OUT IN OFF
=− )
Operating frequency can be derived by:
FTT
ON OFF
=+
1
()
Capacitor selection
For pulsed operation, as in the maximum battery life
solution, no capacitors are required at the output to
the LED. For rectified operation, as in the maximum
brightness solution, a small value ceramic capacitor
is required, typically 2.2uF.
Generally an input capacitor is not required, but a
small ceramic capacitor may be added to aid EMC,
typically 470nF to 1uF.
Demonstration board
A demonstration board for the Maximum battery life
solution, is available upon request. These can be
obtained through your local Zetex office or through
Zetex web pages. For all reference designs Gerber
files and bill of materials can be supplied.
Layout of Maximum battery life solution
Top Copper Drill Holes
Bottom Copper Silk Screen

ZXSC300
ISSUE 3 - NOVEMBER 2006
10
Manufacturer EUROPE ASIA USA
Zetex Zetex GmbH
Germany
Zetex Asia
Hong Kong
Zetex Inc
Tel: (49) 894549490 (852) 2610 0611 (1) 631 543 7100
URL: http://www.zetex.com
AVX AVX UK AVX Asia
Singapore
AVX USA
Tel: (44) 1252 770000 (65) 6286 7555 (1) 843 448 9411
URL: http://www.avxcorp.com
Coilcraft Coilcraft Europe
UK
Coilcraft Inc
Tel: (44) 1236 730595 (1) 847 639 6400
URL: http://www.coilcraft.com
Nichia Corporation Nichia Europe B.V.
The Netherlands
Nichia Corporation
Japan
Nichia America
Corporation
Tel: (31) 20 5060900 (81) 3 3456 3784 Head Office
(1) 717 285 2323
San Jose
(1) 408 573 0933
URL: http://www.nichia.co.jp
SUPPLIER LISTING

ZXSC300
ISSUE 3 - NOVEMBER 2006
11
DIM
Millimeters Inches
MIN. MAX. MIN. MAX.
A 0.90 1.45 0.0354 0.0570
A1 - 0.15 - 0.0059
A2 0.90 1.30 0.0354 0.0511
b 0.20 0.50 0.0078 0.0196
C 0.09 0.26 0.0035 0.0102
D 2.70 3.10 0.1062 0.1220
E 2.20 3.20 0.0866 0.1181
E1 1.30 1.80 0.0511 0.0708
e 0.95 REF 0.0374 REF
e1 1.90 REF 0.0748 REF
L 0.10 0.60 0.0039 0.0236
a 0° 30° 0° 30°
PACKAGE DIMENSIONSPACKAGE OUTLINE

ZXSC300
12
ISSUE 3 - NOVEMBER 2006
Definitions
Product change
Zetex Semiconductors reserves the right to alter, without notice, specifications, design, price or conditions of supply of any product or service.
Customers are solely responsible for obtaining the latest relevant information before placing orders.
Applications disclaimer
The circuits in this design/application note are offered as design ideas. It is the responsibility of the user to ensure that the circuit is fit for the user's
application and meets with the user's requirements. No representation or warranty is given and no liability whatsoever is assumed by Zetex with
respect to the accuracy or use of such information, or infringement of patents or other intellectual property rights arising from such use or otherwise.
Zetex does not assume any legal responsibility or will not be held legally liable (whether in contract, tort (including negligence), breach of statutory
duty, restriction or otherwise) for any damages, loss of profit, business, contract, opportunity or consequential loss in the use of these circuit
applications, under any circumstances.
Life support
Zetex products are specifically not authorized for use as critical components in life support devices or systems without the express written approvalof
the Chief Executive Officer of Zetex Semiconductors plc. As used herein:
A. Life support devices or systems are devices or systems which:
1. are intended to implant into the body
or
2. support or sustain life and whose failure to perform when properly used in accordance with instructions
for use provided in the labeling can be reasonably expected to result in significant injury to the user.
B. A critical component is any component in a life support device or system whose failure to perform can be reasonably expected to cause the failure of
the life support device or to affect its safety or effectiveness.
Reproduction
The product specifications contained in this publication are issued to provide outline information only which (unless agreed by the company in writing)
may not be used, applied or reproduced for any purpose or form part of any order or contract or be regarded as a representation relating to the products
or services concerned.
Terms and Conditions
All products are sold subjects to Zetex' terms and conditions of sale, and this disclaimer (save in the event of a conflict between the two when the terms
of the contract shall prevail) according to region, supplied at the time of order acknowledgement.
For the latest information on technology, delivery terms and conditions and prices, please contact your nearest Zetex sales office or visit:
www.zetex.com
Quality of product
Zetex is an ISO 9001 and TS16949 certified semiconductor manufacturer.
To ensure quality of service and products we strongly advise the purchase of parts directly from Zetex Semiconductors or one of our regionally
authorized distributors. For a complete listing of authorized distributors please visit: www.zetex.com/salesnetwork
Zetex Semiconductors does not warrant or accept any liability whatsoever in respect of any parts purchased through unauthorized sales channels.
ESD (Electrostatic discharge)
Semiconductor devices are susceptible to damage by ESD. Suitable precautions should be taken when handling and transporting devices. The possible
damage to devices depends on the circumstances of the handling and transporting, and the nature of the device. The extent of damage can vary from
immediate functional or parametric malfunction to degradation of function or performance in use over time. Devices suspected of being affected
should be replaced.
Green compliance
Zetex Semiconductors is committed to environmental excellence in all aspects of its operations which includes meeting or exceeding regulatory
requirements with respect to the use of hazardous substances. Numerous successful programs have been implemented to reduce the use of hazardous
substances and/or emissions.
All Zetex components are compliant with the RoHS directive, and through this it is supporting its customers in their compliance with WEEE and ELV
directives.
Product status key:
"Preview" Future device intended for production at some point. Samples may be available
"Active" Product status recommended for new designs
"Last time buy (LTB)" Device will be discontinued and last time buy period and delivery is in effect
"Not recommended for new designs" Device is still in production to support existing designs and production
"Obsolete" Production has been discontinued
Datasheet status key:
"Draft version" This term denotes a very early datasheet version and contains highly provisional information, which may change in any
manner without notice.
"Provisional version" This term denotes a pre-release datasheet. It provides a clear indication of anticipated performance. However, changes
to the test conditions and specifications may occur, at any time and without notice.
"Issue" This term denotes an issued datasheet containing finalized specifications. However, changes to specifications may
occur, at any time and without notice.
Europe
Zetex GmbH
Kustermann-Park
Balanstraße 59
D-81673 München
Germany
Telefon: (49) 89 45 49 49 0
Fax: (49) 89 45 49 49 49
europe.sales@zetex.com
Americas
Zetex Inc
700 Veterans Memorial Hwy
Hauppauge, NY 11788
USA
Telephone: (1) 631 360 2222
Fax: (1) 631 360 8222
usa.sales@zetex.com
Asia Pacific
Zetex (Asia) Ltd
3701-04 Metroplaza Tower 1
Hing Fong Road, Kwai Fong
Hong Kong
Telephone: (852) 26100 611
Fax: (852) 24250 494
asia.sales@zetex.com
Corporate Headquarters
Zetex Semiconductors plc
Zetex Technology Park
Chadderton, Oldham, OL9 9LL
United Kingdom
Telephone (44) 161 622 4444
Fax: (44) 161 622 4446
hq@zetex.com
© Zetex Semiconductors plc 2006
