Dometic B3200 11 13 07, 3253.331 Air Conditioner Installation Instructions User Manual To The 44003b95 2c17 42c3 A536 6f67461be28a
User Manual: Dometic B3200 to the manual
Open the PDF directly: View PDF
.
Page Count: 120 [warning: Documents this large are best viewed by clicking the View PDF Link!]

2
NOTÉR DISSE OPLYSNINGER OM
ENHEDEN TIL SENERE BRUG:
Modelnummer
Serienummer
Købsdato
INSTALLATIONS- OG DRIFTS
INSTRUKSER
Vigtigt: Disse instrukser skal
opbevares sammen med enheden.
Skal læses omhyggeligt af ejeren.
Denne vejledning skal læses og forstås, inden der udføres installations-, justerings-,
service- eller vedligeholdelsesarbejder. Denne enhed skal installeres af en kvalificeret
servicetekniker. Ændringer af dette produkt kan være yderst farlige og kan medføre
personskader eller skader på materiel.
Luftkonditioneringsapparat
til tagtoppen
CARAVAN MODEL B3200
TYPE 3253.331
Model
B3200
SERVICE KONTOR
Dometic Corporation
For oplysninger
Kontakt:
www.dometic.com
REVISION:
Formular nr. 3310147.032
(Erstatter nr. 3310147.024)
Dansk, engelsk, finsk,
fransk, græsk, hollandsk,
italiensk, norsk, portugisisk,
spansk, svensk og tysk
©2007 9/07 Dometic GmbH
D-57074 Siegen

3
SIKKERHEDSANVISNINGER
Denne vejledning indeholder sikkerhedsoplysninger
og -anvisninger, der hjælper brugere med at undgå
eller nedsætte risikoen for uheld og kvæstelser.
GENKEND SIKKERHEDSOPLYSNINGER
Dette er sikkerhedsadvarselssymbolet. Hvis du ser
dette symbol i denne vejledning, skal du være
opmærksom på, at der kan være risiko for
personskade.
Følg de anbefalede forholdsregler og anvisninger om
sikker betjening.
FORSTÅ SIGNALORD
Et signalord, ADVARSEL ELLER FORSIGTIG,
anvendes sammen med sikkerhedsadvarselssymbolet.
De angiver, hvor stor faren for eventuel personskade er.
angiver en potentielt farlig
situation som—hvis den ikke undgås—kan medføre
alvorlig personskade eller dødsfald.
angiver en potentielt farlig
situation, som—hvis den ikke undgås—kan medføre
mindre eller moderat personskade.
angiver sammen med
sikkerhedsadvarselssymbolet en potentielt farlig situ-
ation, som—hvis den ikke undgås—kan medføre
materielskade.
Læs og følg alle sikkerhedsoplysninger og -
anvisninger.
!
GENERELLE OPLYSNINGER
A. Produktegenskaber eller -specifikationer, som de er
beskrevet eller illustreret her, kan ændres uden varsel.
B. Dette luftkonditioneringsapparat er
beregnet til:
1. Installering på en Caravan på det tidspunkt
Caravanen fabriksfremstilles.
2. Montering på taget af en Caravan.
3. Tagudbygning med spær/underliggere på mindst
406 mm centre.
4. En afstand på minimum 25mm og maksimum 100mm
mellem tag og loft på Caravanen. Alternative
installationsmetoder vil tage højde for tage, der er
tykkere end 100mm.
C. Luftkonditioneringsapparatets evne til at vedligeholde den
ønskede indvendige temperatur afhænger af Caravanens
varmestigning.
Ved at tage nogle forebyggende forholdsregler kan
Caravanens passagerer reducere varmestigningen og
forbedre luftkonditioneringsapparatets ydeevne. Ved
ekstremt høje udendørstemperaturer, kan Caravanens
varmestigning reduceres ved at:
1. Parkere Caravanen i skyggen
2. Anvende vindueafskærmning (rullegardiner og/eller
forhæng)
3. Holde vinduer og døre lukkede eller anvende dem
mindst muligt
4. Undgå anvendelsen af varmeproducerende apparater
Drift på indstillingen høj ventilator/afkølning vil give optimal
eller maksimum effekt ved høj udendørs fugtighed eller høje
temperaturer.
Ved at starte luftkonditioneringsapparatet tidligt om
morgenen og derved give den et “forspring” på de forventede,
høje udendørs omgivelser vil dets evne til at vedligeholde
den ønskede indendørs temperatur forbedres.
For en mere vedvarende løsning på høj varmestigning er der
ekstraudstyr til salg—såsom en udendørs gård og
vinduemarkise—som formindsker varmestigningen ved at
dække for direkte sollys. Disse giver endvidere et pænt
område til at nyde andres selskab i det svale aftentimer.
D. Kondensdannelse
Bemærk: Fabrikanten af dette luftkonditioneringsapparat
kan ikke holdes ansvarlig for skader forårsaget af
kondensdannelse på lofter eller andre overflader. Luft indeholder
fugtighed, og denne fugtighed har det med at kondensere
på kolde overflader. Når luft trænger ind i Caravanen, kan
kondenseret fugtighed forekomme på loftet, vinduer, metaldele,
mv. Luftkonditioneringsapparatet fjerner denne fugtighed
fra luften under normal drift. Ved at holde døre og vinduer
lukkede, mens dette luftkonditioneringsapparat er i drift,
minimeres fugtigheden på kolde overflader.

4
** Fabrikanten giver GENERELLE retningslinjer for
generatorkrav. Disse retningslinjer stammer fra brugeres
oplevelser ved faktisk anvendelse.
Når generatorstørrelsen skal bestemmes, skal din Caravans
totale strømbrug tages i betragtning. Husk på at generatorer kan
tabe strøm i store højder og fra mangel på vedligeholdelse.
Specifikationer
A. Forholdsregler
INSTALLATIONSANVISNINGER
B. Vælg luftkonditioneringsapparatets rette
placering
Dette luftkonditioneringsapparat er konstrueret specifikt til
taginstallation på en Caravan. Når du skal bestemme dine
kølingsbehov, bør det følgende tages i betragtning:
•Størrelsen på din Caravan;
•Vinduesfladen (forhøjer varmestigningen);
•Mængden af isolering i væggene og taget;
•Geografisk område hvor Caravanen skal anvendes;
•Det ønskede personlige komfortniveau.
1. Normal placering-Luftkonditioneringsapparatet er
beregnet til at passe over en eksisterende
tagudluftningsåbning.
FIG. 1
Det anbefales, at luftkonditioneringsapparatet installeres på en
relativt jævnt og vandret tagsektion, som målt med Caravanen
parkeret på et vandret underlag.
Bemærk: En 8° hældning fra side/side er acceptabel; dog er en
for/bag-hældning er ikke acceptabel.
FIG. 3
En for/baghældning er IKKE ACCEPTABEL
Modelnr. B3200 Elektrisk
Varmelegeme
Type 3253.331
Nominel kompressor
Kapacitet (kW) 3,2 1,6
Elektrisk mærkekapacitet 220-240 Vac 50Hz., 1 Ph
Fuld belastning amp.
(Kompressor / Motor) 5,2 / 1,1 --- / 1,1
Låst vingehjul amp.
(Kompressor / Motor) 26 / 3,8 --- / 3,8
Kølemiddel R407C
Gram/ounces 496/15,5 ---
Kredsløbsbeskyttelse 10 amp.
tidsforsinkelsessikring,
eller strømafbryder
Indgangsspænding (kW) 1,35 1,5
Minimum ledningslængde Op til 8 meter
anvend 1mm2, kobber
** Generatorstørrelse 1 enhed - 3,5kW
2 enheder - 5,0kW
Forkert installation kan beskadige udstyret,
medføre livsfare, forårsage alvorlige personskader
og/eller skader på materiel.
1. Læs installations- og betjeningsanvisningerne
grundigt, inden du forsøger at installere
luftkonditioneringsapparatet.
2. Fabrikanten hæfter ikke for materiel- eller personskader,
der opstår ved ikke at følge disse instruktioner.
3. Udstyret skal installeres i overensstemmelse med
de nationale bestemmelser om kabelføring iht. IEC
335-2-40, CI, 7.12.1. Installationen skal udføres i
overensstemmelse med alle gældende forskrifter og/
eller regler.
4. Du MÅ IKKE koble andre apparater eller andet tilbehør
til dette luftkonditioneringsapparat med undtagelse af
de, der udtrykkeligt er autoriserede af Fabrikanten.
5. Dette udstyr skal serviceres af kvalificeret personale;
nogle lokale forskrifter og regler kræver at dette personale
skal være autoriseret.
2. Andre placeringer-Hvis en tagudluftningsåbning ikke
er tilråde eller der ønskes en anden placering, anbefaler
vi det følgende:
a. For installationen af én enhed:
Luftkonditioneringsapparatet bør monteres en
smule foran centeret (fra forsiden til bagsiden) og
være centreret fra side til side.
b. For installationen af to anordninger:
Installér et luftkonditioneringsapparat 1/3 og et
luftkonditioneringsapparat 2/3 fra den forreste ende
af Caravanen, begge centrerede fra side til side.
1/2L LL
1/3L
2/3L
FIG. 2

5
C. Forberedelse af taget
1. Åbningskrav - Før loftåbningen forberedes og
installationen påbegyndes, læs alle de følgende
instruktioner .
Hvis en eksisterende tagudluftningsåbning ikke
anvendes, skal en 362mm x 362mm (± 3,2mm) åbning
skæres gennem taget og loftet på Caravanen. Denne
åbning skal forefindes mellem de tagstyrkende
elementer.
FIG. 5
Åbningen på 362mm x 362mm (± 3,2mm)
er en del af luftkonditioneringsapparatets
tilbageventileringssystem og skal færdiggøres i
overensstemmelse med all statslige og lokale forskrifter
og/eller regler.
2. Fjernelse af tagudluftningen
a. Skru skuerne ud og fjern tagventilatoren.
b. Fjern al tætningsmassen omkring åbningen.
c. Forsegl all skruehullerne og samlingerne
hvor tagpakningen er placeret. Brug en
kvalitetstætningsmasse, der kan anvendes under
alle vejrforhold. Se FIG. 6.
510mm
283
mm
105
mm 105
mm
283
mm
75mm
75mm
Åbningens
midterlinje
Luftboksomkredsen
Hold dette
område frit
for hindringer
105mm
181mm
181mm
362mm x
362mm
(± 3,2mm)
Åbning
543mm
Enhedens midterlinje
305mm
102mm
102mm
Bagsiden
af enheden
362mm x
362mm
(± 3,2mm)
Åbning
3. Efter placeringen er valgt:
a. Kontrollér om der er hindringer i det område
luftkonditioneringsapparatet skal installeres.
Se FIG. 4.
b. Taget skal have en bæreevne på 65kg, når
Caravanen er i bevægelse. Normalt vil en 100kg
statisk belastningskonstruktion opfylde dette krav.
c. Kontrollér indeni Caravanen, om der står hindringer
i vejen for tilbageventileringssættet (dvs.
døråbninger, værelsesadskillere, forhæng,
anordninger i loftet, osv.). Se FIG. 4 og 5.
Det er installatørens, som installerer
luftkonditioneringsapparatsystemet, ansvar at
sikre Caravan-tagets strukturelle integritet. Sørg
for aldrig at skabe et lavpunkt på taget, hvor vand
kan samles. Vand, der står omkring
luftkonditioneringsapparatet, kan sive ind i det
vognens indre og forårsage skade på produktet
og Caravanen.
9-1/2"
39"
28-3/4"
20"
2-1/2"
22"
FIG. 4
24cm
102cm
74cm
51cm
6,4cm
56cm
Der kan være elektrisk ledningsføring mellem
taget og loftet. Frakobl 220 - 240 Volt AC-
strømkablet og den positive (+) 12 Volt DC klemme
fra forsyningsbatteriet. Manglende overholdelse
af denne anvisning kan medføre fare for elektrisk
stød, som kan resultere i alvorlige personskader
eller dødsfald.

6
FIG. 6
FIG. 7
Sørg for ikke at skære
i tagkonstruktionen
eller spærrene
Gode—Spær
understøttet
af tværbjælker
God placering—
Mellem tagspærrene
Forbered åbningen, så
den ikke folder sammen,
når enheden boltes fast
Sørg for at der er tilgang
til ledningsføring til
strømforsyning 375mm min. ved
forsiden af åbningen
25mm min.
d. Hvis åbningen er større end 362mm x 362mm
(± 3,2mm), vil det være nødvendigt at ændre
størrelsen af åbningen tilbage til 362mm x 362mm
(± 3,2mm).
e. Hvis åbningen er mindre end 362mm x 362mm
(± 3,2mm), skal den gøres større.
3. Ny åbning- (Anden installation end udluftningsåbning)
a. Afmærk en 362mm x 362mm (± 3,2mm) firkant
på taget og skær forsigtig åbningen ud.
b. Idet tagåbningen anvendes som skabelon, skær et
tilsvarende hul i taget.
c. Den udskårne åbning skal indrammes på
en sådan vis, at den giver tilstrækkelig støtte og
forhindrer luft i at blive trukket ind fra taghulrummet.
Der skal anvendes tømmer med en tykkelse på
25mm eller mere. Husk at sørg for, at der er et
indgangshul til strømforsyningsdele foran på
åbningen. Se FIG. 7.
Det er installatørens, som installerer
luftkonditioneringsapparatsystemet, ansvar at
sikre Caravan-tagets strukturelle integritet.
Der må aldrig skabes et lavpunkt på taget, hvor
vand kan samles. Vand, der står omkring
luftkonditioneringsapparatet, kan sive ind i det
vognens indre og forårsage skade på produktet
og Caravanen.
D. Ledningsføringskrav
1. 220 - 240 VAC-forsyningsledning
Før en kobber 1mm2, med jordforbindelse,
220 - 240 VAC-forsyningsledning fra
tidsforsinkelsessikringen eller strømafbryderrelæet
til loftåbningen.
a. Denne forsyningsledning skal placeres i den
forreste portion af 362mm x 362mm (± 3,2mm)
åbningen.
b. Strømmen SKAL ledes igennem en særskilt
10 amp. tidsforsinkelsessikring eller en HACR
strømafbryder.
c. Sørg for at et minimum af 375mm forsyningsledning
stikker ind i tagåbningen. Dette sikrer, at det vil
være let at etablere en forbindelse i samledåsen.
d. Føring af ledninger skal ske i overensstemmelse
med alle statslige og lokale forskrifter og/eller
regler for el-installationsarbejde.
e. Anvend en stålbøsning og en muffe eller en
tilsvarende metode for at beskytte ledningen, på
det sted den ledes ind i åbningen.
E. Placering af luftkonditioneringsapparatet
på taget
Denne enhed vejer omkring 45Kg. For at forebygge
rygskade, anvend et mekanisk hejseapparat til at
placere luftkonditioneringsapparatet på taget.
FIG. 8
Enheden må ikke glides. Dette kan skade
tagpakningen, der er påmonteret bunden og kan
forårsage at enheden lækker efter installationen.
FIG. 9 FORSTYKKE
1. Fjern luftkonditioneringsapparatet fra papkassen og
kassér papkassen. Se FIG. 8.
2. Sæt luftkonditioneringsapparatet op på taget.
3. Løft og placér enheden over den forberedte åbning
ved at anvende pakningen på enheden som rettesnor.
Se FIG. 9.

7
FIG. 11
Trin a
Fjern ved
perforeringen Trin b
Fjern ved
perforeringen
Trin c
Anvend
som pakket
Øvre
luftudstrømningsrør
Nedre
luftudstrømningsrør
Bagsiden af
luftkonditioneringsapparatet
Øvre
luftudstrømningsrør Kant uden fals
på enhedens
bagside
FIG. 10
Hvis boltene ikke fastspændes, kan det være
at taget ikke bliver tilstrækkeligt tæt—eller
hvis de overspændes, kan dette forårsage
skade på luftkonditioneringsapparatets bund
eller loftskabelon. Stram ifølge de
drejningsmomentspecifikationer der er angivet i
denne vejledning.
FIG. 12 Glid det nedre
luftudstrømningsrør
henover det øvre rør
Tagpakning
Hold loftskabelonen med én
hånd og installér 3 monteringsbolte
så de er fingerpændte.
Luftkonditioneringsapparatets
tilbageventileringsåbning
Afbryd 220 - 240 Volt AC. Manglende overholdelse
af disse anvisninger kan forårsage elektriske stød,
som kan indebære alvorlige eller livsfarlige
personskader.
4. Anbring det bokssættet for den mekaniske luftdistribution
inde i Caravanen. Denne boks indeholder
monteringsisenkrammet til luftkonditioneringsapparatet
og skal anvendes inde i Caravanen.
Dette færdiggør udendørsarbejdet. Mindre tilpasninger kan
foretages indefra Caravanen om nødvendigt.
F. Installation af luftkonditioneringsapparatet
1. Tag luftboksen og monteringsisenkrammet ud af
papkassen. Det øvre rør er blevet medsendt indeni det
nedre rør, som er en del af loftskabelonen.
2. Kontrollér at den er korrekt flugtet og tilpas enheden
efter behov (tagpakningen centreres over 362mm x
362mm (± 3,2mm).
3. Tag det øvre rør ud af loftskabelonen og sæt den
ovenover blæserafladeren. Se FIG. 10.
Bemærk: Kanten uden fals skal installeres, så den vender mod
BAGSIDEN af åbningen.
4. Anvend to (2) spidse #10 metalpladeskruer til at fæstne
røret til bundbakken. Der er forborede skruehuller i
bunden af bundbakken til disse skruer.
5. Ræk ind i tilbageventileringsåbningen på
luftkonditioneringsapparatet og træk enhedens
elektriske ledning ned, så den kan tilkobles senere.
6. Mål tykkelsen fra loft til tag:
a. Hvis afstanden er mellem 25mm - 50mm, fjern de
perforerede flige fra både det øvre og nedre rør.
Se FIG. 11.
b. Hvis afstanden er mellem 50mm - 75mm, fjern kun
de perforerede flige fra det nedre rør. Se FIG. 11.
c. Hvis afstanden er mellem 75mm - 100mm, installér
rørene som modtaget. Se FIG. 11.
7. Installér loftskabelonen ved at glide det nedre rør over
det øvre rør. Se FIG. 12.
8. Hold loftskabelonen med den ene hånd og med den
anden installér de tre 150mm lange monteringsbolte,
så de går igennem skabelonen og ind in bundbakken.
a. Efterspænd boltene med fingrene og kontrollér
flugtningen. Der burde nu være en lige stor åbning
på hver side og bagfalsen skulle lægge tæt mod
loftåbningen.
b. Efterspænd de tre bolte ENSARTET til et
drejningsmoment på 4,5 to 5,5 Nm
(Newtonmeter). Dette vil sammenpresse
tagpakningen til omkring 13mm. Boltene er
selvlåsende, så overspænding er ikke
nødvendig.
G. Kobling af strømforsyning til
luftkonditioneringsapparatet
Vigtigt: Den elektriske installering skal foretages af en el-
installatør. I nogle lande skal disse være autoriserede.

8
1. Du kan enten forbinde enheden direkte til samledåsen
for at får en permanent sammenkobling eller forbinde et
formpresset stik til samledåsen for at få et stik, der er klar
til senere opkobling.
a. Hvis det er en permanent sammenkobling: Før den
strømførende ledning, som før var installeret i
tagåbningen, ind i samledåsen på loftskabelonen.
Sammenkobl som beskrevet i punkt 2.
b. Hvis det er et stik, der er klar til opkobling: Anvend
den elektriske strømføringsledning—fra
“D. Ledningsføringkrav”—til strømmen og det
installerede elektriske måleudtag, ifølge gældende
lov, i den ende af loftåbningen, der ligger længst
væk fra samledåsen.
Vigtigt: Den formpressede ledning må ikke sættes i, indtil
du er helt færdig med at installere luftkonditioneringsapparatet
og er klar til at foretage et driftscheck. (Driftsinstruktioner)
•Før det formpressede stiksæt fra det
elektriske måleudtag ind i samledåsen, idet
det tilsikres at den overskydende ledning
ikke sammenrulles, så det blokerer
luftgennemstrømningen. Forbind stiksættet til
rækkeklemmen som beskrevet i punkt 2.
2. Forbind den strømførende ledning til
luftkonditioneringsapparatet på den rækkeklemme, der
sidder indeni samledåsen. Forbind hvid med hvid, sort
med sort, og grøn med grøn eller uisoleret
kobberledning (L. N. og henholdsvis).
3. Stram belastningsaflastningen over
strømforsyningsledningen for at holde den helt på plads.
Pas på, at du ikke klemmer eller kortslutter ledningerne.
Bemærk: Hvis det valgfrie elektriske varmelegeme er inkluderet
i denne installation, er dette det rette tidspunkt at installere det
på. Installationsinstruktioner leveres sammen med det elektriske
varmelegemesæt.
4. Tryk forsigtigt alle de overskydende ledninger tilbage
ind i samledåsen, og fastgør dækslet på dåsen med de
to medleverede stumpe skruer.
5. Sæt det elektriske ledningsrør fra den øvre enhed ind i
den tilsvarende koblingsbokskonnektor. Se FIG. 13.
6. Vikl trådforbinder rundt om stikforbindelsen/-
forbindelserne for at forhindre at de(n) fjernes under
fabriksservice.
H. Luftdistributionsbokssætinstallation
1. Fjern de to tilbageventileringsgriller og -filtre.
2. Glid den forreste ende af luftboksen over akslerne på
termostaten og kontaktomskifteren. Se FIG. 14.
FIG. 14
Glid luftboksen over styringerne
3. Installér fire skruer, så det går igennem benene på
luftboksen ind i de forstemplede huller i loftskabelonen.
4. Installér tilbageventileringsgrillerne og -filtrene ved helt
enkelt at skubbe dem på plads.
5. Installér de to medleverede knapper på enderne af
termostat- og kontaktomskifteraklerne.
6. Strømforsyningen til luftkonditioneringsapparatet kan
nu drejes om til “TÆNDT”.
7. Dit luftkonditioneringsapparat er nu installeret og
driftsklart. Læs venligst de følgende anvisninger, før du
forsøger at betjene enheden.
FIG. 16
2. Termostaten styrer kompressorens TÆNDT/SLUKKET
drift i kølingstemperaturområdet fra 18,5°C til 32,5°C.
Se FIG. 16.
Bemærk: Termostaten styrer ikke enhedens valgfrie, elektriske
varmelegeme, hvis den er installeret.
Termostat
FIG. 13
Led strømforsyningen
igennem Romex-
kontaktklemmen
Sæt ledningsrøret ind i
koblingsboksen og bind
den sammen med
trådforbinder så den
ikke kan fjernes.
Installér
dækslet
3
2
1
1
2
3
FIG. 15
Kontaktomskifter
DRIFTSINSTRUKTIONER
A. Styringer
1. Kontaktomskifteren har otte indstillinger, inklusive
“SLUKKET”. Denne styrer ventilatorhastigheden,
varme- og afkølingsfunktionerne. Se FIG. 15.

9
B. Kølingsdrift
1. Indstil termostaten på det ønskede temperaturniveau.
2. Vælg den ventilatorhastighed, der bedst opfylder dine
behov:
a. HØJ AFKØLNING: Vælges, når den maksimale
afkøling og affugtning kræves. (3 )
b. MEDIUM AFKØLNING: Vælges, når normal eller
gennemsnitlig afkøling kræves. (2 )
c. LAV AFKØLNING: Vælges, når rummet har nået
det ønskede komfortniveau, og dette skal
vedligeholdes. Denne hastighed anvendes normalt
til nattedrift. (1 )
Vigtigt: Når luftkonditioneringsapparatet tændes og
termostaten anmoder om afkøling, starter ventilatoren og
kompressoren samtidigt. Efter luftkonditioneringsapparatet
slukkes manuelt v.hj.a. enten kontaktomskifteren
eller termostaten, skal du altid vente 2-3 minutter før du
tænder for luftkonditioneringsapparatet. Dette udligner
kølevæsketrykforholdet i luftkonditioneringsapparatsystemet,
så kompressoren kan genstartes.
Bemærk: Blæseren kører uden afbrydelse for at cirkulere luft og
for at vedligeholde en jævn temperatur. Kompressoren vil blive
tændt eftersom afkøling kræves for at vedligeholde det valgte
temperaturniveau.
C. Ventilatordrift
1. Dette vil cirkulere luften i din Caravan uden afkøling
eller varme. Der er tre indstillinger: Du kan vælge
mellem HØJ VENTILATOR (3 ), MEDIUM
VENTILATOR (2 ) eller LAV VENTILATOR (1 ) alt
efter behov. Se FIG.15.
D. Varmedrift (hvis monteret)
Bemærk: Dette elektriske varmelegeme vil ikke kunne erstatte
et fyr til opvarmning af din Caravan i koldt vejr. Dets formål er
at fjerne køligheden på kølige dage eller morgener.
1. Drej kontaktomskifteren til “VALGFRI VARME”
(). Se FIG. 15.
2. Der vil blive tændt for varmelegemet og opvarmningen
vil blive påbegyndt.
3. Når det ønskede temperaturniveau i Caravanen er
blevet opnået, drej kontaktomskifteren om til
“SLUKKET” eller “VENTILATOR” indstillingen.
Bemærk: Termostaten styrer ikke varmelegemets TÆNDT/
SLUKKET cyklus. Hvis det valgfrie varmelegeme ikke installeres
og vælges, vil ventilatoren køre på “LAV VENTILATOR”-drift.
E. “SLUKKET”-indstilling
1. Denne slukker for enheden.
F. Kundevedligeholdelse
1. Periodisk skal tilbageventileringsfiltrene—som er
placeret ovenover de aftagelige paneler i luftboksen—
fjernes. Vask filtrene med sæbe og varmt vand, lad dem
tørre, og geninstallér dem derefter.
Bemærk: Lad aldrig luftkonditioneringsapparatet køre uden
at luftfilteret er på plads. Dette kan tilproppe enhedens
fordampningsslange med snavs og kan påvirke enhedens
ydeevne betydeligt.
2. Rengør luftbokshuset og styringspanelet med en blød
klud, der er fugtet med et mildt rengøringsmiddel. Der
må aldrig anvendes møbelpolitur eller skurepulver.
3. Blæsermotoren er smurt fra fabrikken og kræver ikke
servicering ved normalt brug.
4. Under visse omstændigheder kan frost dannes
på fordampningsslangen. Hvis dette sker, skal
filteret efterses og rengøres hvis beskidt.
Sørg for at luftudgangene ikke er blokerede.
Luftkonditioneringsapparater har en større tendens til
tilrimning, når udendørstemperaturen er relativ lav.
Dette kan forebygges ved at indstille termostatens
styringsknap til en varmere indstilling (mod uret).
Hvis tilrimning fortsætter, anvend udelukkende LAV,
MEDIUM eller HØJ AFKØLNING indstillingerne indtil
kølerslangen er frostfri.
5. Hvis din enhed ikke går i gang eller betjenes forkert,
kontrollér det følgende før du henvender dig til dit
servicecenter.
a. Hvis Caravanen er koblet til en motorgenerator,
kontrollér om motorgeneratoren er i gang og
producerer strøm.
b. Hvis Caravanen er koblet til en strømforsyningskilde
igennem en fast landledning, sørg for at forbindelsen
er dimensioneret til at kunne håndtere belastningen
fra et luftkonditioneringsapparat, og at den er koblet
til en strømforsyning.
c. Kontrollér din sikring eller strømafbryder for at se
om den er åben.
d. Efter de ovennævnte kontrolprøver er udført,
henvend dig til det lokale servicecenter for yderligere
assistance. Denne enhed må kun serviceres af
kvalificeret servicepersonale.
6. Hvis ledningsføringen eller strømkablet er beskadiget
og skal erstattes, skal det erstattes af producenten,
dets service repræsentant eller en lignende kvalificeret
person.
7. Når der ringes efter service, opgiv altid de følgende
oplysninger:
a. Luftkonditioneringsapparatets model- og
serienummer, som kan findes på mærkepladen på
bunden af luftkonditioneringsapparat bundbakke.
b. Luftdistributionsbokssættets del- og serienummer
som kan findes på mærkepladen på loftskabelonen.
Denne mærkeplade kan ses gennem
luftboksfilterets grillåbning.

10
Opstilling af tagmonteringen
Bagside
Luftkonditioneringsapparat
Øvre
luftudstrømningsrør
Loftskabelon
Monteringsbolte
Luftboks
Tagåbning
FIG. 17

11
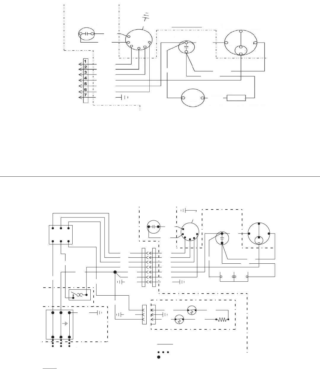
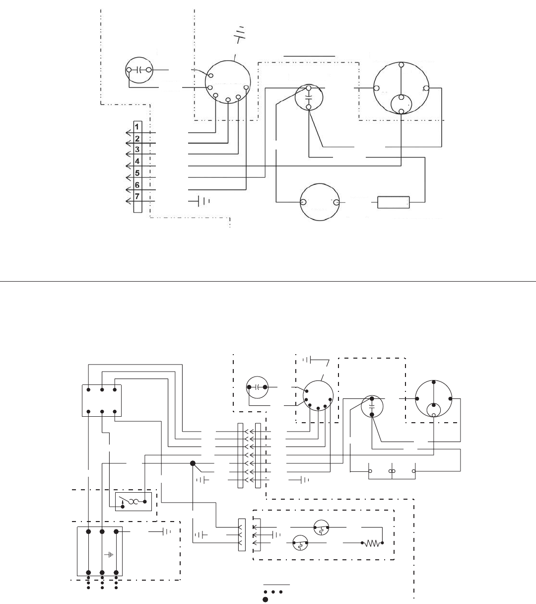
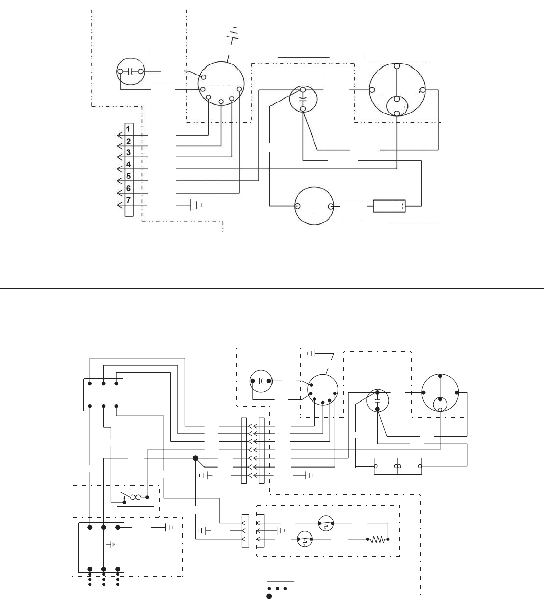
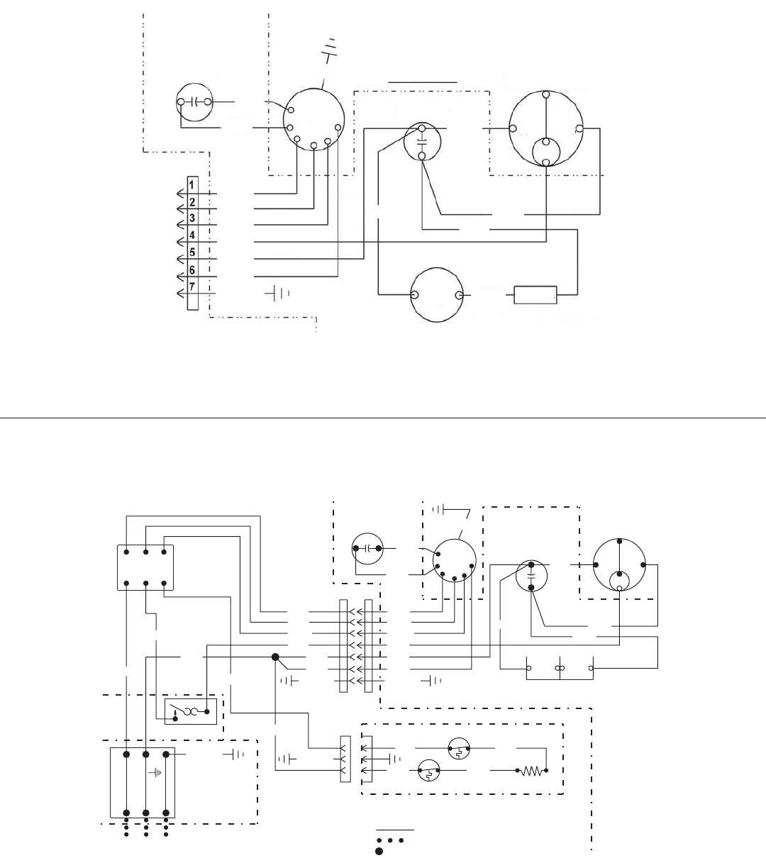
BEMÆRK
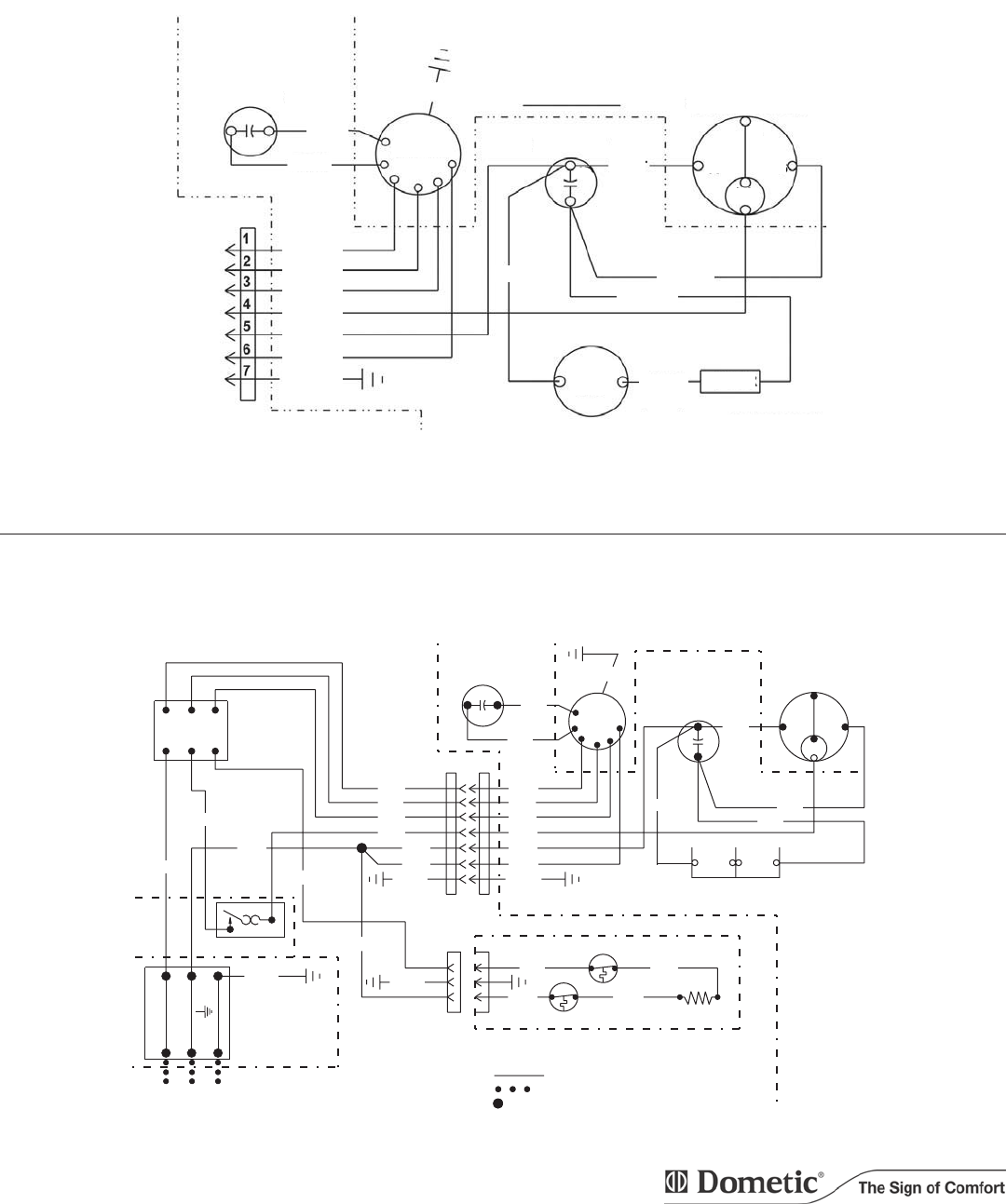
FOR DREJELIGE OMSKIFTER:
C = KOMPRESSOR
H = VARMELEGEME
FOR KOMPRESSOR:
C = ALMINDELIGT
R = KØR
S = START
STRØMSKEMA FOR LUFTKONDITIONERINGSAPPARATET
STRØMSKEMA FOR LUFTBOKSEN
BESTÅET
DIELEKTRIKUM
GRØN/
GUL
BRUN
VENTILATOR-
KONDENSATOR
PTCR
RØD
(OPT.)
START
KONDEN-
SATOR
BLÅ
RØD
GUL
SORT
MOTOR
KØRSELS
KONDENSATOR
HVID
KOMPRESSOR
ID
GRØN/GUL
BRUN
HVID
RØD
RØD
HVID
HVID
ID
C
S
R
3105595.023
O.L.
BEMÆRK
C = ALMINDELIGT
ID = IDENTIFICERET KLEMME
O.L. = OVERBELASTNING
PTCR = POSITIV TEMPERATUR KOEFFICIENT RELÆ
R = KØR
S = START
COMPRESSOR
COMPRESSOR
O.L.
RS
C
RUN CAP
RUN CAP
7
6
5
4
3
2
1
SWITCH
SWITCH
ROTARY
H
C
L1
4
2
1
MOTOR
2
HEAT ACCESSORY
HEAT ACCESSORY
BLK
BLK
BLK
ELEMENT
ELEMENT
LIMIT SWITCH
3
1
WHT
LIMIT SWITCH
BOX
JUNCTION
LINE SPLICE
LINE SPLICE
FIELD WIRING
FIELD WIRING
FACTORY WIRING
TSTAT
USE COPPER CONDUCTORS ONLY
USE COPPER CONDUCTORS ONLY
220/240 VAC 50 HZ, 10
220/240 VAC 50 HZ, 10
3105580.025
FAN CAP
FAN CAP
ID
ID
BLK
YEL
RED
BLU
WHT
WHT
GR/YL
BLK
YEL
RED
BLU
WHT
WHT
GR/YL
BRN
BRN
WHT
RED
RED
WHT
GRY
WHT
WHT
WHT
BLK
GR/YL
GR/YL
GR/YL
BLU
43
ACTIVE (L)
ACTIVE (L)
NEUTRAL (N)
NEUTRAL (N)
EARTH ( )
EARTH ()
GR/YL
PTCR
COMP STARTER
START
*
CAP
MOTOR
VENTILATOR-
KONDENSATOR
KØRSELS-
KONDENSATOR
KOMPRESSOR
L1 C H
DREJELIGE
OMSKIFTER
BLÅ BLÅ BLÅ
SORT
SORT SORT
SORT SORT
SORT
HVID HVID
HVID
HVID
HVID
HVID
HVID
HVID
HVID
GRÅ
TSTAT
GRØN/
GUL GRØN/
GUL
GRØN/
GUL GRØN/
GUL
GRØN/
GUL
RS
BRUN
BRUN
GUL GUL
RØD
RØD RØD
RØD
KOMP STARTER
START
KONDEN-
SATOR
*
PTCR
VARMETILBEHØR
SIKKERHEDSAFBRYDER
ELEMENT
SIKKERHEDSAFBRYDER
LINIESPLEJSNING
SAMLEDÅSE
AKTIV (L)
NEUTRAL (N)
JORD ( )
220/240 VAC 50 HZ, 1Ø FELT EL-INSTALLATIONSARBEJDE
EL-INSTALLATIONSARBEJDE
FRA FABRIKKEN
ANVEND KUN KOBBERLEDERE
DIVERSE:
ID = IDENTIFICERET KLEMME
O.L. = OVERBELASTNING
PTCR = POSITIV TEMPERATUR KOEFFICIENT RELÆ

12
NOTEER DEZE PRODUCTINFORMATIE
VOOR LATER GEBRUIK:
Modelnummer
Serienummer
Aankoopdatum
INSTALLATIE- EN WERKINGS-
INSTRUCTIES
Belangrijk: Bewaar deze
instructies bij het toestel.
Lees de handleiding zorgvuldig.
Voordat u het toestel installeert en afstel-of onderhoudswerkzaamheden eraan
uitvoert, dient u deze handleiding te lezen en te begrijpen. Dit toestel dient door
een bevoegde onderhoudstechnicus te worden geïnstalleerd. Wijzigingen aan
dit product kunnen buitengewoon gevaarlijk zijn en resulteren in persoonlijke
letsel en materiële schade.
Dakairconditioning
CARAVAN MODEL B3200
TYPE 3253.331
Model
B3200
SERVICEKANTOOR
Dometic Corporation
Voor contactinformatie:
www.dometic.com
HERZIENING:
Formulier nr. 3310147.032
(Vervangt nr. 3310147.024)
Deens, Duits, Engels, Fins,
Frans, Grieks, Italiaans,
Nederlands, Noors, Portugees,
Spaans en Zweeds
©2007 9/07 Dometic GmbH
D-57074 Siegen

13
VEILIGHEIDSINSTRUCTIES
De veiligheidsinformatie en -instructies in deze
handleiding zullen gebruikers helpen om het risico
van ongevallen en letsel te elimineren of te
reduceren.
AANDUIDING VAN
VEILIGHEIDSINFORMATIE
Dit symbool is een veiligheidsalarm. Wanneer u dit
symbool in de handleiding ziet, dient u attent te zijn
op mogelijk gevaar voor persoonlijke letsel.
Neem de aanbevolen voorzorgsmaatregelen en volg
de instructies voor een veilige werking.
BETEKENIS VAN DE SIGNAALTERMEN
De signaalterm WAARSCHUWING OF
VOORZICHTIG wordt gebruikt tezamen met het
symbool van een veiligheidsalarm. Deze termen
wijzen op het risiconiveau van mogelijke letsel.
wijst op een mogelijk
gevaarlijke situatie. Het niet vermijden van deze
situatie kan leiden tot ernstig of fataal letsel.
wijst op een mogelijk
gevaarlijke situatie. Het niet vermijden van deze
situatie kan leiden tot ernstig of fataal letsel.
wordt gebruikt zonder
symbool van een veiligheidsalarm en wijst op een
mogelijk gevaarlijke situatie. Het niet vermijden van
deze situatie kan leiden tot materiële schade.
Lees alle veiligheidsinformatie en volg de
instructies op.
!
ALGEMENE INFORMATIE
A. De beschreven of geïllustreerde productkenmerken of
-specificaties kunnen zonder voorafgaande kennisgeving
worden gewijzigd.
B. Deze airconditioner is ontworpen voor:
1. Installatie op een caravan tijdens het fabricageproces.
2. Montage op het dak van een caravan.
3. Dakconstructie met dakspanten/balken waarvan het
midden ten minste 406 mm van elkaar ligt.
4. Afstand van minimaal 25 mm en maximaal 100 mm
tussen het dak en het plafond van de caravan. Bij
andere installatiemethoden komen daken van meer
dan 100 mm dik in aanmerking.
C. Of de airconditioner de gewenste binnentemperatuur kan
bewaren, hangt af van de warmtewinst in de caravan.
Sommige preventieve maatregelen door de bewoners van
de caravan kunnen warmtewinst beperken en de werking
van de airconditioner verbeteren. Bij extreem hoge
buitentemperaturen kan de warmtewinst in de caravan
worden beperkt door:
1. de caravan in de schaduw te parkeren
2. raambekleding (zoals jaloezieën of gordijnen) te
gebruiken
3. ramen en deuren zoveel mogelijk gesloten te houden
4. het gebruik van warmteproducerende apparaten te
vermijden
Gebruik in de hoge ventilator/koeling-modus biedt optimale
of maximale efficiency bij hoge vochtigheid of
buitentemperaturen.
Als u de airconditioner al vroeg in de ochtend start, geeft u hem
een voorsprong op de verwachte hoge buitentemperaturen en
verhoogt u aanzienlijk zijn kans om binnenin de gewenste
temperatuur te behouden.
Denk voor een permanentere oplossing voor grote
warmtewinst aan een buitenpatio en een vensterluifel om
direct zonlicht te elimineren en de hitte te verminderen.
Bovendien creëert u zo een gezellige ruimte om met uw
gezelschap te genieten van de koele avonden.
D. Condensatie
NB: De fabrikant van deze airconditioner is niet aansprakelijk
voor schade ten gevolge van condensaat op plafonds of andere
oppervlakken. Lucht bevat vocht en dit vocht condenseert
doorgaans op koude oppervlakken. Wanneer lucht de caravan
binnenstroomt, kan zich op het plafond, ramen, metalen
onderdelen etc. condensaat vormen. De airconditioner verwijdert
dit vocht uit de lucht bij normale werking. Houd ramen en deuren
dicht wanneer de airconditioner draait om condensaat op koude
oppervlakken tot een minimum te beperken.

14
** De fabrikant geeft ALGEMENE richtlijnen voor vereisten
i.v.m. generatoren. Deze richtlijnen zijn gebaseerd op wat men
in werkelijkheid heeft ervaren.
Bij het kiezen van de generator moet u rekening houden met het
totale stroomverbruik van uw caravan. Vergeet niet dat
generatoren stroom verliezen op grote hoogten en wanneer ze
slecht worden onderhouden.
Specificaties
INSTALLATIE-INSTRUCTIES
A. Voorzorgsmaatregelen
B. Juiste locatie voor de airconditioner
Deze airconditioner is speciaal ontworpen voor installatie op het
dak van een caravan. Om te bepalen hoeveel koeling nodig is,
moet u denken aan het volgende:
•de grootte van de caravan;
•het aantal ramen (vergroot de warmtewinst);
•de hoeveelheid isolatie in de wanden en het plafond;
•waar de caravan wordt gebruikt;
•het persoonlijke comfort dat u zelf wenst.
1. Normale locatie - De airconditioner is ontworpen om
te passen over een bestaande ventilatieopening in
het dak.
1/2L LL
1/3L
2/3L
FIG. 2
Installeer de airconditioner bij voorkeur op een relatief plat en
vlak gedeelte van het dak, waarbij de caravan volledig
waterpas moet staan.
NB: De caravan mag tot 8° schuin staan (wanneer men de
zijkanten met elkaar vergelijkt), maar van voren naar
achteren afhellen is niet toegestaan.
Modelnummer B3200 Elektrische
kachel
Type 3253.331
Nominale compressor-
capaciteit (kW) 3,2 1,6
Nominale waarden 220-240 V~ 50 Hz, 1 fase
Amperage volle belasting
(Compressor / motor) 5,2 / 1,1 --- / 1,1
Amperage geblokkeerde rotor
(Compressor / motor) 26 / 3,8 --- / 3,8
Koelmiddel R407C
Gram/Ons 496/15,5 ---
Kortsluitbeveiliging Zekering van 10 A met
vertraging, of
stroomonderbreker
Ingangsvermogen (kW) 1,35 1,5
Minimale draadgrootte Tot 8 m
gebruik 1 mm2, koper
** Generator 1 apparaat - 3,5 kW
2 apparaten - 5,0 kW
Incorrecte installatie kan het toestel beschadigen
en kan resulteren in ernstig of fataal letsel en/of
materiële schade.
1. Lees zorgvuldig alle installatie- en werkingsinstructies
voordat u aan de installatie van uw airconditioner
begint.
2. De fabrikant is niet aansprakelijk voor schade of letsel
ten gevolge van het niet volgen van deze instructies.
3. Het apparaat moet worden geïnstalleerd in
overeenstemming met het nationale reglement inzake
bedrading volgens IEC 335-2-40, CI, 7.12.1. Voor de
installatie moet worden voldaan aan alle van toepassing
zijnde bepalingen en/of reglementen.
4. Voeg GEEN toestellen of accessoires toe aan deze
airconditioner, behalve indien zij specifiek werden
goedgekeurd door de fabrikant.
5. Dit apparaat moet worden onderhouden door bevoegd
personeel en krachtens sommige bepalingen en
reglementen moet dit personeel over een vergunning
beschikken.
FIG. 1
2. Andere locaties - Wij raden het volgende aan als er geen
dakventilatie is of een andere locatie is gewenst:
a. Installatie van één apparaat: De airconditioner
moet net vóór het midden op de lengteas en precies
in het midden tussen de twee zijkanten worden
gemonteerd.
b. Installatie van twee apparaten: Installeer de eerste
airconditioner 1/3 en de tweede 2/3 van de
voorzijde van de caravan en precies in het midden
tussen de twee zijkanten.
FIG. 3
Van voren naar achteren afhellen is
NIET TOEGESTAAN.

15
C. Voorbereiding van het dak
1. Vereisten voor de opening - Lees alle onderstaande
instructies voordat u het gat in het plafond klaarmaakt
en de installatie begint.
Als u geen gebruik maakt van een bestaande
ventilatieopening in het dak, moet u een opening van
362 mm x 362 mm (± 3,2 mm) maken in het dak en het
plafond van uw caravan. Deze opening moet zich
tussen de versterkende dakonderdelen bevinden.
FIG. 5
De opening van 362 mm x 362 mm (± 3,2 mm) maakt
deel uit van het retourluchtsysteem van de
airconditioner en moet worden afgewerkt in
overeenstemming met alle nationale en plaatselijke
bepalingen en/of reglementen.
2. Verwijderen van dakventilatie
a. Schroef de dakventilatie los en verwijder deze.
b. Verwijder al het afdichtingsmateriaal rond de
opening.
c. Dicht alle schroefgaten en naden af op de plek van
de dakafdichting. Gebruik een weerbestendig
afdichtmiddel van goede kwaliteit. Zie FIG. 6.
510 mm
283
mm
105
mm 105
mm
283
mm
75 mm
75 mm
Middellijn
van opening
Omtrek van
luchthapper
Plaats niets in
deze buurt
105 mm
181 mm
181 mm
362 mm x
362 mm
(± 3,2 mm)
opening
543 mm
Middellijn van apparaat
305 mm
102 mm
102 mm
Achterzijde
van
apparaat
362 mm x
362 mm
(± 3,2 mm)
opening
3. Na het kiezen van de locatie:
a. Controleer of er op de plek waar de airconditioner
geïnstalleerd zal worden, niets de installatie kan
verstoren. Zie FIG. 4.
b. Het dak moet 65 kg kunnen dragen wanneer de
caravan in beweging is. Een ontwerp voor een
statische belasting van 100 kg voldoet doorgaans
aan deze vereiste.
Degene die deze airconditioner installeert, is
verantwoordelijk voor het verzekeren van de
structurele stevigheid van het dak van de cara-
van. Maak in het dak nooit een put waar zich wa-
ter kan verzamelen. Water dat rond de
airconditioner blijft staan, kan naar binnen lekken
en het apparaat en de caravan beschadigen.
c. Controleer de caravan binnenin op blokkering
van de retourlucht (bijv. deuropeningen,
tussenschotten, gordijnen, plafondlampen etc.).
Zie FIG. 4 en 5.
9-1/2"
39"
28-3/4"
20"
2-1/2"
22"
FIG. 4
24 cm
102 cm
74 cm
51 cm
6,4 cm
56 cm
Er kan elektriciteitsdraad tussen het dak en
het plafond steken. Maak het wisselstroomsnoer
van 220-240 V en de positieve (+) 12 volt
gelijkstroompool aan de accu los. Indien u deze
instructie niet volgt, kunt u een elektrische schok
krijgen wat ernstig of fataal letsel kan
veroorzaken.

16
FIG. 6
d. Als de opening groter is dan 362 m x 362 mm
(± 3,2 mm), moet deze worden verkleind tot
362 mm x 362 mm (± 3,2 mm).
e. Als de opening kleiner is dan 362 m x 362 mm
(± 3,2 mm), moet deze worden vergroot.
3. Nieuwe opening - (zonder gebruikmaking van
ventilatieopening)
a. Teken op het dak een vierkant van 362 mm x
362 mm (± 3,2 mm) en snij voorzichtig de opening.
b. Snij het overeenkomende gat in het plafond en
gebruik het gat in het dak als geleideopening.
c. De nieuwe opening moet worden afgewerkt met
een kader voor een goede ondersteuning en om
tocht door het gat te voorkomen. Daarvoor moet
ten minste 25 mm dik hout worden gebruikt. Zorg voor
een gat voor stroomtoevoer aan de voorzijde van de
opening. Zie FIG. 7.
Degene die deze airconditioner installeert, is
verantwoordelijk voor het verzekeren van de
structurele stevigheid van het dak van de cara-
van. Maak in het dak nooit een put waar zich wa-
ter kan verzamelen. Water dat rond de
airconditioner blijft staan, kan naar binnen lekken
en het apparaat en de caravan beschadigen.
D. Bedradingsvereisten
1. Wisselstroomtoevoer van 220 - 240 V~
Leid een koperen toevoerleiding van 1 mm2 en 220 -
240 V~ met aarding van de zekering met vertraging of
de stroomonderbreker naar de dakopening.
a. Deze leiding moet zich in het voorste gedeelte
van de opening van 362 mm x 362 mm (± 3,2 mm)
bevinden.
b. De stroom MOET op een afzonderlijke zekering
van 10 A met vertraging of een HACR-
stroomonderbreker staan.
c. Zorg ervoor dat minimaal 375 mm draad in de
dakopening uitsteekt. Zo kan de aansluiting op de
verdeeldoos gemakkelijker verlopen.
d. De bedrading moet voldoen aan alle nationale en
lokale vigerende bepalingen en/of reglementen.
e. Bescherm de draad waar hij in de opening loopt
met een stalen huls en een doorvoerbuisje of op
een gelijkwaardige manier.
E. Plaatsing van de airconditioner op het dak
FIG. 8
1. Neem de airconditioner uit de doos en gooi de
verpakking weg. Zie FIG. 8.
2. Plaats de airconditioner op het dak.
3. Til het apparaat op en plaats het over de voorbereide
opening. Laat u daarbij leiden door de afdichting.
Zie FIG. 9.
FIG. 7
Dakstructuur
of -spanten niet
doorsnijden
Goed - Dakspanten
ondersteund door
dwarsbalken
Goede locatie -
Tussen
dakspanten
Kaderopening zodat het
niet uit elkaar valt bij het
vastschroeven
Laat opening voor
stroomtoevoerdraden Min. 375 mm aan
voorkant van opening
Min. 25 mm
Dit apparaat weegt ongeveer 45 kg. Maak om
rugletsel te voorkomen gebruik van een
mechanische hulpmiddel om de airconditioner
op het dak te plaatsen.
FIG. 9 VOORZIJDE
Schuif niet met het apparaat. Dat kan de
dakafdichting aan de onderzijde beschadigen en
zorgen voor lekkage.

17
FIG. 11
Stap a
Verwijderen
aan gaatjes Stap b
Verwijderen
aan gaatjes
Stap c
Gebruiken zoals
verpakt
Bovenste
luchtafvoerbuis
Onderste
luchtafvoerbuis
FIG. 12 Schuif onderste
luchtafvoerbuis
over bovenste buis
Dakafdichting
Houd met één hand de
plafondcontourplaat vast
en draai met de andere hand
3 montagebouten vast
Retourluchtopening
van airconditioner
Schakel de wisselstroomtoevoer van 220 - 240
V uit. Indien u deze instructies niet volgt, kunt u
een elektrische schok krijgen wat ernstig of
fataal letsel kan veroorzaken.
4. Plaats de mechanische luchtdistributiekit in de caravan.
Deze doos bevat het montagemateriaal voor de
airconditioner en u hebt deze in de caravan nodig.
Het werk aan de buitenzijde is nu klaar. Eventuele kleine correcties
kunnen van binnenin worden uitgevoerd.
F. Installatie van de airconditioner
1. Neem de luchthapper en het montagemateriaal uit de
verpakking. De bovenste buis bevindt zich in de
onderste, die deel uitmaakt van de plafondcontourplaat.
2. Controleer of de uitlijning correct is en corrigeer indien
nodig (de dakafdichting bevindt zich in het midden over
362 mm x 362 mm (± 3,2 mm).)
3. Neem de bovenste buis uit de plafondcontourplaat en
plaats hem over de afvoer van de ventilator. Zie FIG. 10.
Opmerking: De flensloze rand moet zich aan de ACHTERZIJDE
van de opening bevinden.
4. Bevestig de buis aan de bodem met twee (2) nr. 10
plaatschroeven met scherpe punt. Voor deze schroeven
zijn in de bodem schroefgaten voorzien.
5. Reik met de hand in de retourluchtopening van de
airconditioner en trek het netsnoer van het apparaat
naar beneden om het later aan te sluiten.
6. Meet de afstand tussen het plafond en het dak:
a. Bedraagt hij tussen 25 en 50 mm, verwijder dan de
geperforeerde uitsteeksels uit de bovenste en de
onderste buis. Zie FIG. 11.
b. Bedraagt hij tussen 50 en 75 mm, verwijder dan de
geperforeerde uitsteeksels alleen uit de onderste
buis. Zie FIG. 11.
c. Installeer de buizen zoals u ze hebt ontvangen,
als de afstand tussen 75 en 100 mm bedraagt.
Zie FIG. 11.
7. Installeer de plafondcontourplaat door de onderste buis
over de bovenste buis te schuiven. Zie FIG. 12.
8. Houd de contourplaat met één hand vast en installeer met
de andere de drie 150 mm lange montagebouten door de
contourplaat en in de bodem.
a. Draai de bouten met de hand vast en controleer de
uitlijning. Aan beide zijden moet een even grote
opening zijn en de achterste flens moet zich geheel
tegen de dakopening bevinden.
b. Draai de drie bouten GELIJKMATIG vast met
een aandraaimoment van 4,5 à 5,5 Nm (Newton
meter). Hiermee wordt de dakafdichting
ongeveer 13 mm ingedrukt. De bouten zijn
zelfborgend; te vast draaien is dus niet nodig.
G. Aansluiting van de stroom op de
airconditioner
Belangrijk: De elektrische installatie moet
wordenuitgevoerd door een erkend elektriciën. In sommige
landen moet deze ook een vergunning hebben.
Achterzijde van
airconditioner
Bovenste
luchtafvoerbuis Flensloze rand
aan achterzijde
van apparaat
FIG. 10
Als bouten niet helemaal worden vastgedraaid,
kan de afdichting onvoldoende zijn en, als ze te
vast zijn gedraaid, kan de bodem van de
airconditioner of de plafondcontourplaat worden
beschadigd. Haal aan tot de momentspecificaties
genoemd in deze handleiding.

18
1. U kunt direct in de verdeeldoos bedraden voor een
permanente aansluiting of een aangespoten stekker in de
verdeeldoos bedraden voor een insteekaansluiting.
a. In geval van een permanente aansluiting: Leid de
stroomtoevoerleiding, die eerder op de dakopening
werd geïnstalleerd, in de verdeeldoos op de
plafondcontourplaat. Sluit aan zoals aangegeven
onder 2.
b. In geval van een insteekaansluiting: Leid
de elektrische toevoerleiding (zie hoofdstuk
“D. Bedradingsvereisten”) naar een volgens de
wettelijke bepalingen geïnstalleerd stopcontact, dat
zich het verst van de verdeeldoos bevindt aan het
eind van de dakopening.
Belangrijk: Steek de aangespoten stekker niet in
het stopcontact voordat de airconditioner volledig is
geïnstalleerd en u klaar bent om de werking te controleren.
(Gebruiksaanwijzingen)
•Leid de aangespoten stekker van het
stopcontact in de verdeeldoos en zorg ervoor
dat u de overtollige lengte van het snoer niet
oprolt om de luchtstroom niet te blokkeren.
Plaats de stekker in het aansluitblok (zie 2).
2. Verbind de stroomtoevoerleiding met de airconditioner in
het aansluitblok van de verdeeldoos. Sluit wit op wit, zwart
op zwart en groen op groen of de onbedekte koperdraad
aan (L, N resp. ).
3. Span de trekontlasting op de stroomtoevoerleiding aan
om alles goed op zijn plaats te houden. Knel geen
draden af en sluit ze niet kort.
NB: Indien eventueel een elektrische kachel moet worden
geïnstalleerd, dan is het nu het moment om dat te doen. U vindt
installatie-instructies bij de elektrische kachel.
4. Duw het overtollige snoer voorzichtig in de verdeeldoos
en bevestig er het deksel op met de twee meegeleverde
stompe schroeven.
5. Plaats de elektrische leiding van de bovenste eenheid
in de overeenkomende connector van de schakelkast.
Zie FIG. 13.
6. Wikkel de draad rond de connector(s) zodat hij tijdens
het gebruik niet kan loskomen.
FIG. 13
Leid
stroomtoevoerdraad
door Romex-connector
Plaats leiding in
schakelkast en
bevestig met draad om
loskomen te vermijden
Plaats
deksel
H. Installatie van de luchtdistributiekit
1. Verwijder de twee retourluchtroosters en -filters.
2. Schuif de voorzijde van de luchthapper over de
schachten van de thermostaat en de keuzeschakelaar.
Zie FIG. 14.
FIG. 14
Schuif luchthapper over bedieningselementen
3. Plaats vier schroeven door openingen in de
luchthapper in de voorgeponste gaten van de
plafondcontourplaat.
4. Monteer de retourluchtroosters en -filters door ze
gewoon op hun plaats te duwen.
5. Plaats de twee meegeleverde knoppen op de uiteinden
van de schachten van de thermostaat en de
keuzeschakelaar.
6. De stroomtoevoer naar de airconditioner mag nu
INgeschakeld worden.
7. De airconditioner is nu geïnstalleerd en gebruiksklaar.
Lees echter de volgende instructies voordat u het
apparaat doet draaien.
GEBRUIKSAANWIJZINGEN
A. Bedieningsorganen
1. De keuzeschakelaar heeft acht posities, waaronder
“UIT”. Hij regelt de snelheid van de ventilator,
de verwarming en de koeling. Zie FIG. 15.
FIG. 15
Keuzeschakelaar
3
2
1
1
2
3
FIG. 16
2. De thermostaat regelt de werking van de compressor
(AAN/UIT) bij koeltemperaturen van 18,5 tot 32,5 °C.
Zie FIG. 16.
NB: De thermostaat regelt niet de elektrische kachel, indien deze in
de caravan werd geïnstalleerd.
Thermostaat

19
B. Koeling
1. Stel de thermostaat in op de gewenste temperatuur.
2. Kies de ventilatorsnelheid die u het beste past:
a. HOOG KOEL: Voor maximale koeling en
ontvochtiging. (3 )
b. GEMIDDELD KOEL: Voor normale of gemiddelde
koeling. (2 )
c. LAAG KOEL: Wanneer de gewenste
kamertemperatuur is bereikt en behouden moet
blijven. Normaal gezien voor ‘s nachts. (1 )
Belangrijk: Wanneer de airconditioner is ingeschakeld en
volgens de thermostaat koeling is vereist, beginnen de
ventilator en de compressor tegelijkertijd te werken. Wacht,
nadat de airconditioner handmatig werd uitgeschakeld door
de keuzeschakelaar of de thermostaat, altijd 2 à 3 minuten
voordat u de airconditioner opnieuw inschakelt. Zo kan de
koelmiddeldruk in de airconditioner zich stabiliseren zodat de
compressor opnieuw kan starten.
NB: De ventilator draait continu om de lucht te laten circuleren en de
temperatuur constant te houden. De compressor wordt ingeschakeld
wanneer koeling nodig is om de geselecteerde temperatuur te
bewaren.
C. Werking van de ventilator
1. Deze laat de lucht in uw caravan circuleren, zonder koeling
of verwarming. Er zijn drie standen: VENT. HOOG (3 ),
VENT. GEMIDDELD (2 ) of VENT. LAAG (1 ),
afhankelijk van uw voorkeur. Zie FIG. 15.
D. Verwarming (indien aanwezig)
NB: Deze elektrische kachel vervangt niet de inrichting die nodig
is om uw caravan bij koud weer te verwarmen. Hij is alleen
bedoeld om te vermijden dat u gaat rillen van de kou.
1. Draai de keuzeschakelaar op “OPT. WARMTE”
( ). Zie FIG. 15.
2. De verwarming begint dan te werken.
3. Wanneer in de caravan de gewenste temperatuur
is bereikt, plaatst u de keuzeschakelaar op “UIT” of
“VENTILATOR”.
NB: De thermostaat regelt niet de AAN/UIT-cyclus van de
verwarming. Als de optionele kachel niet is geïnstalleerd en
geselecteerd, draait de ventilator op “VENT. LAAG”.
E. “UIT”-stand
1. Dient om het apparaat uit te schakelen.
F. Onderhoud door de klant
1. Verwijder regelmatig de retourluchtfilters boven de
afneembare panelen van de luchthapper. Was de filters
met lauw water en zeep, laat ze drogen en plaats ze
terug op hun plaats.
NB: Laat de airconditioner nooit draaien als de retourluchtfilters niet op
hun plaats zitten. De verdamperspiraal kan dan nl. geblokkeerd raken
met vuil, wat de werking van het apparaat aanzienlijk kan aantasten.
2. Reinig de behuizing van de luchthapper en het
bedieningspaneel met een zachte, met een mild
reinigingsmiddel bevochtigde doek. Gebruik nooit
meubelwas of schuurpoeder.
3. De motor van de ventilator werd door de fabrikant
gesmeerd en behoeft bij normaal gebruik geen
onderhoud.
4. Onder bepaalde omstandigheden kan zich op de
verdamperspiraal ijs vormen. Inspecteer in dat
geval de filter en reinig deze als hij vuil is. Zorg ervoor dat
de luchtgaten niet geblokkeerd zijn. Er is bij airconditioners
een grotere kans op ijsvorming wanneer de
buitentemperatuur relatief laag is. Dat kan worden
voorkomen door de regelknop van de thermostaat warmer
in te stellen (draai naar links). Als de ijsvorming aanhoudt,
gebruik dan de stand VENT. LAAG, VENT.
GEMIDDELD of VENT. HOOG pas als de koelspiraal
vorstvrij is.
5. Als het apparaat helemaal niet of niet naar behoren werkt,
controleer dan eerst het volgende voordat u de
onderhoudsdienst opbelt:
a. Als de caravan is aangesloten op een
motorgenerator, controleer dan of deze draait en
stroom levert.
b. Als de caravan op het stroomnet is aangesloten via
een landlijn, controleer dan of deze geschikt is voor
de belasting van de airconditioner en op het
stroomnet is aangesloten.
c. Controleer of de zekering of stroomonderbreker niet
is gesprongen c.q. geactiveerd.
d. Bel na de bovenstaande controles uw lokale
onderhoudsdienst voor extra hulp. Dit toestel mag
alleen door bevoegd onderhoudspersoneel
worden onderhouden.
6. Als bedrading of een stroomsnoer beschadigd is en
dient te worden vervangen, moet dit worden gedaan
door de fabrikant, zijn onderhoudstechnicus of een
soortgelijke persoon.
7. Geef altijd de volgende informatie op wanneer u belt
voor service:
a. Het model en serienummer van de airconditioner;
u vindt die op de typeplaat op de bodem van de
airconditioner.
b. Het onderdeel- en serienummer van de
luchtdistributiekit; u vindt die op de typeplaat van de
plafondcontourplaat. U kunt deze plaat door de
roosteropening van de luchthapperfilter zien.

20
Dakmontage
Achterzijde
Airconditioner
Bovenste
afvoerbuis
Plafondcontourplaat
Montagebouten
Luchthapper
Dakopening
FIG. 17

21
BEDRADINGSSCHEMA VAN AIRCONDITIONER
BEDRADINGSSCHEMA VAN LUCHTHAPPER
COMPRESSOR
O.L.
RS
C
RUN CAP
RUN CAP
7
6
5
4
3
2
1
SWITCH
ROTARY
H
C
L1
4
2
1
MOTOR
2
HEAT ACCESSORY
BLK
BLK
BLK
ELEMENT
LIMIT SWITCH
3
1
WHT
LIMIT SWITCH
BOX
JUNCTION
LINE SPLICE
LINE SPLICE
FIELD WIRING
FIELD WIRING
FACTORY WIRING
TSTAT
USE COPPER CONDUCTORS ONLY
USE COPPER CONDUCTORS ONLY
220/240 VAC 50 HZ, 10
220/240 VAC 50 HZ, 10
3105580.025
FAN CAP
FAN CAP
ID
ID
BLK
YEL
RED
BLU
WHT
WHT
GR/YL
BLK
YEL
RED
BLU
WHT
WHT
GR/YL
BRN
BRN
WHT
RED
RED
WHT
GRY
WHT
WHT
BLK
GR/YL GR/YL
BLU
43
ACTIVE (L)
ACTIVE (L)
NEUTRAL (N)
NEUTRAL (N)
EARTH ( )
EARTH ()
GR/YL
PTCR
COMP STARTER
START
*
CAP
MOTOR
VENTILATOR-
CONDENSATOR
BEDRIJFS-
CONDENSATOR
COMPRESSOR
L1 C H DRAAISCHAKELAAR
BLW
BLW BLW
ZW
ZW ZW
ZW ZW
ZW
WIT WIT
WIT
WIT
WIT
WIT
WIT
WIT
WIT
GRIJS
TSTAT
GR/
GEEL GR/
GEEL
GR/
GEEL GR/
GEEL
GR/
GEEL
BRN
BRN
GEEL GEEL
ROOD
ROOD ROOD
ROOD
COMP STARTER
START-
CONDEN-
SATOR *
PTCR
VERWARMINGSACCESSOIRE
EINDSCHAKELAAR
ELEMENT
EINDSCHAKELAAR
BEDRADING FABRIEK
VELDBEDRADING
SPLITSEN LIJN
VERDEELDOOS
ACTIEF (L)
NEUTRAAL (N)
AARDE ( )
220/240 V~ 50 HZ, 1Ø
GEBRUIK ALLEEN KOPEREN GELEIDERS
ISOLATIEWEER-
STANDSMETING
GESLAAGD
GR/GL
BRN
VENTILATOR-
CONDENSATOR
PTCR
RD
(OPT)
START-
CONDEN-
SATOR
BLW
RD
GL
ZWT
MOTOR
BEDRIJFS-
CONDENSATOR
WIT
COMPRESSOR
ID
GR/GL
BRN
WIT
RD
RD
WIT
WIT
ID
C
S
R
3105595.023
O.L.

22
INSTALLATION & OPERATING
INSTRUCTIONS
Important: These Instructions
must stay with unit.
Owner read carefully.
This manual must be read and understood before installation, adjustment,
service, or maintenance is performed. This unit must be installed by a quali-
fied service technician. Modification of this product can be extremely haz-
ardous and could result in personal injury or property damage.
Roof-Top Air Conditioner
CARAVAN MODEL B3200
TYPE 3253.331
Model
B3200
SERVICE OFFICE
Dometic Corporation
For Information
Contact:
www.dometic.com
REVISION:
Form No. 3310147.032
(Replaces no. 3310147.024)
Danish, Dutch, English,
Finnish, French, German,
Greek, Italian, Norwegian,
Portuguese, Spanish & Swedish
©2007 9/07 Dometic GmbH
D-57074 Siegen
RECORD THIS UNIT INFORMATION
FOR FUTURE REFERENCE:
Model Number
Serial Number
Date Purchased

23
SAFETY INSTRUCTIONS
This manual has safety information and instruc-
tions to help users eliminate or reduce the risk of
accidents and injuries.
RECOGNIZE SAFETY INFORMATION
This is the safety-alert symbol. When you see this
symbol in this manual, be alert to the potential
for personal injury.
Follow recommended precautions and safe op-
erating instructions.
UNDERSTAND SIGNAL WORDS
A signal word , WARNING OR CAUTION is used
with the safety-alert symbol. They give the level
of risk for potential injury.
indicates a potentially hazard-
ous situation which, if not avoided, could result
in death or serious injury.
indicates a potentially hazard-
ous situation which, if not avoided may result in
minor or moderate injury.
used without the safety alert
symbol indicates, a potentially hazardous situa-
tion which, if not avoided may result in property
damage.
Read and follow all safety information and in-
structions.
!
WARNING
!
CAUTION
CAUTION
!
GENERAL INFORMATION
A. Product features or specifications as described or
illustrated are subject to change without notice.
B. This Air Conditioner Is Designed For:
1. Installation on a Caravan during the timethe Cara-
van is manufactured.
2. Mounting on the roof of a Caravan.
3. Roof construction with rafters/joists on minimum of
406mm centers.
4. Minimum of 25mm and maximum of 100mm dis-
tance between roof to ceiling of Caravan. Alternate
installation methods will allow for roofs more than
100mm thick.
C. The ability of the air conditioner to maintain the desired
inside temperature depends on the heat gain of the
Caravan.
Some preventative measures taken by the occupants of
the Caravan can reduce the heat gain and improve the
performance of the air conditioner. During extremely
high outdoor temperatures, the heat gain of the Caravan
may be reduced by:
1. Parking the Caravan in a shaded area
2. Using window shades (blinds and/or curtains)
3. Keeping windows and doors shut or minimizing
usage
4. Avoiding the use of heat producing appliances
Operation on High Fan/Cooling mode will give optimum
or maximum efficiency in high humidity or high outside
temperatures.
Starting the air conditioner early in the morning and
giving it a "head start" on the expected high outdoor
ambient will greatly improve its ability to maintain the
desired indoor temperature.
For a more permanent solution to high heat gain,
accessories like an outdoor patio and window awning will
reduce heat gain by removing the direct sun. They also
add a nice area to enjoy company during the cool of the
evening.
D. Condensation
Note: The manufacturer of this air conditioner will not be
responsible for damage caused by condensed moisture on
ceilings or other surfaces. Air contains moisture and this
moisture tends to condense on cold surfaces. When air
enters the Caravan, condensed moisture may appear on the
ceiling, windows, metal parts, etc. The air conditioner
removes this moisture from the air during normal operation.
Keeping doors and windows closed when this air conditioner
is in operation will minimize condensed moisture on cold
surfaces.

24
Model No. B3200 Electric
Heater
Type 3253.331
Nominal Compressor
Capacity (KW) 3.2 1.6
Electrical Rating 220-240 VAC 50Hz., 1 Ph
Full Load Amps
(Compressor / Motor) 5.2 / 1.1 --- / 1.1
Locked Rotor Amps
(Comp / Motor) 26/ 3.8 ---/ 3.8
Refrigerant R407C
Grams/Oz. 496/15.5 ---
Circuit Protection 10 Amp Time Delay Fuse,
or Circuit Breaker
Input Power (KW) 1.35 1.5
Minimum Wire Size Up to 8 meters
use 1mm2, Copper
** Generator Size 1 Unit - 3.5KW
2 Units - 5.0KW
** The Manufacturer gives GENERAL guidelines for gen-
erator requirements. These guidelines come from experi-
ences people have had in actual applications.
When sizing the generator, the total power usage of your
Caravan must be considered. Keep in mind generators lose
power at high altitudes and from lack of maintenance.
Specifications
A. Precautions
INSTALLATION INSTRUCTIONS
B. Choosing Proper Location For The Air
Conditioner
This air conditioner is specifically designed for installation on
the roof of a Caravan. When determining your cooling
requirements, the following should be considered:
•Size of Caravan;
•Window area (increases heat gain);
•Amount of insulation in walls and roof;
•Geographical location where the Caravan will be used;
•Personal comfort level required.
1. Normal Location-The air conditioner is designed to
fit over an existing roof vent opening.
FIG. 1
1/2L LL
1/3L
2/3L
FIG. 2
It is preferred that the air conditioner be installed on a
relatively flat and level roof section measured with the
Caravan parked on a level surface.
Note: A 8° slant to either side is acceptable, but a Front to
Back slant is not acceptable.
FIG. 3
Font to Back Slope Is NOT ACCEPTABLE
Improper installation may damage equipment,
could endanger life, cause serious injury and/
or property damage.
1. Read Installation and Operating Instructions care-
fully before attempting to start your air conditioner
installation.
2. The Manufacturer will not be liable for any damages
or injury incurred due to failure in following these
instructions.
3. The equipment shall be installed in accordance
with national wiring regulation per IEC 335-2-40, CI,
7.12.1. Installation must comply with all applicable
codes and/or regulations.
4. DO NOT add any devices or accessories to this air
conditioner except those specifically authorized by
The Manufacturer.
5. This equipment must be serviced by qualified
personnel and some local codes and regulations
require these people to be licensed.
2. Other Locations-When no roof vent is available or
another location is desired, the following is recom-
mended:
a. For one unit installation: The air conditioner
should be mounted slightly forward of center
(front to back) and centered from side to side.
b. For two unit installations: Install one Air Condi-
tioner 1/3 and one Air Conditioner 2/3’s from
front of Caravan and centered from side to side.

25
CAUTION
C. Roof Preparation
1. Opening Requirements - Before preparing the ceil-
ing opening, read all of the following instructions
before beginning the installation.
If an existing roof vent opening will not be used a
362mm x 362mm (± 3.2mm) opening must be cut
through the roof and ceiling of the Caravan. This
opening must be located between the roof reinforc-
ing members.
There may be electrical wiring between the
roof and the ceiling. Disconnect 220 - 240 Volt
AC power cord and the positive (+) 12 Volt DC
terminal at the supply battery. Failure to fol-
low this instruction may create a shock haz-
ard causing death or severe personal injury.
FIG. 5
The 362mm x 362mm (± 3.2mm) opening is part of
the return air system of the Air Conditioner and must
be finished in accordance with all Nation and local
codes and/or regulations.
2. Roof Vent Removal
a. Unscrew and remove the roof vent.
b. Remove all caulking compound around open-
ing.
c. Seal all screw holes and seams where the roof
gasket is located. Use a good grade of all
weather sealant. See FIG. 6.
9-1/2"
39"
28-3/4"
20"
2-1/2"
22"
FIG. 4
24cm
102cm
74cm
51cm
6.4cm
56cm
510mm
283
mm
105
mm 105
mm
283
mm
75mm
75mm
Center Line
Of Opening
Air Box
Perimeter
Keep This Area
Free From
Obstructions
105mm
181mm
181mm
362mm x
362mm
(± 3.2mm)
Opening
543mm
Center Line Of Unit
305mm
102mm
102mm
Rear
Of
Unit
362mm x
362mm
(± 3.2mm)
Opening
3. After Location Has Been Selected:
a. Check for obstructions in the area where air
conditioner will be installed. See FIG. 4.
b. The roof must be designed to support 65 Kg.
when the Caravan is in motion. Normally
a 100Kg. static load design will meet this
requirement.
It is the responsibility of the installer of this
air conditioner system to ensure structural in-
tegrity of the Caravan roof. Never create a low
spot on the roof where water will collect. Wa-
ter standing around the air conditioner may
leak into the interior causing damage to the
product and the Caravan.
c. Check inside the Caravan for return air kit
obstructions (i.e. door openings, room dividers,
curtains, ceiling fixtures, etc.). See FIG. 4 & 5.

26
FIG. 6
FIG. 7
Do Not Cut
Roof Structure
Or Rafters
Good-Rafters
Supported By
Cross Beams
Good Location-
Between Roof
Rafters
Frame Opening So It
Won't Collapse When
Bolting Down Unit
Leave Access For Power
Supply Wiring 375mm Min. At
Front of opening
25mm Min.
d. If the opening exceeds 362mm x 362mm
(± 3.2mm), it will be necessary to re-size the
opening to 362mm x 362mm (± 3.2mm).
e. If the opening is less than 362mm x 362mm
(± 3.2mm), it must be enlarged.
3. New Opening- (Installation Other Than Vent Open-
ing)
a. Mark a 362mm x 362mm (± 3.2mm) square on
the roof and carefully cut the opening.
b. Using the roof opening as a guide, cut the
matching hole in the ceiling.
c. The opening created must be framed to provide
adequate support and prevent air from being
drawn from the roof cavity. Lumber 25mm or
more in thickness must be used. Remember to
provide an entrance hole for power supplies at
the front of the opening. See FIG. 7.
It is the responsibility of the installer of this
air conditioner system to ensure structural
integrity of the Caravan roof. Never create a
low spot on the roof where water will collect.
Water standing around the air conditioner may
leak into the interior causing damage to the
product and the Caravan.
CAUTION
D. Wiring Requirements
1. 220 - 240 VAC Supply Line
Route a copper 1mm2, with ground, 220 - 240 VAC
supply line from the time delay fuse or circuit
breaker box to the roof opening.
a. This supply line must be located in the front
portion of the 362mm x 362mm (± 3.2mm)
opening.
b. The power MUST be on a separate 10 Amp time
delay fuse or HACR circuit breaker.
c. Make sure that at least 375mm of supply wire
extends into the roof opening. This ensures an
easy connection at the junction box.
d. Wiring must comply with all National and Local
Wiring Codes and/or regulations.
e. Use a steel sleeve and a grommet or equivalent
methods to protect the wire where it passes into
the opening.
E. Placing Air Conditioner On The Roof
This unit weighs approximately 45 Kilograms.
To prevent back injury, use a mechanical hoist
to place Air Conditioner on roof.
FIG. 8
Do not slide the unit. This may damage the
roof gasket attached to the bottom and may
create a leaky installation.
CAUTION
FIG. 9 FRONT
1. Remove the air conditioner from the carton and dis-
card carton. See FIG. 8.
2. Place the air conditioner on the roof.
3. Lift and place the unit over the prepared opening
using the gasket on the unit as a guide. See FIG. 9.

27
FIG. 11
Step a
Remove At
Perforation
Step b
Remove At
Perforation
Step c
Use As
Packaged
Upper Discharge
Air Duct
Lower Discharge
Air Duct
Rear Of Air
Conditioner
Upper Discharge
Air Duct Edge Without
Flange To
Rear Of Unit
FIG. 10
If bolts are left loose there may not be an ad-
equate roof seal or if over tightened, damage
may occur to the air conditioner base or ceil-
ing template. Tighten to torque specifications
listed in this manual.
CAUTION
FIG. 12 Slide Lower Air
Discharge Duct
Over Upper Duct
Roof
Gasket
Hold Ceiling Template With
One Hand And Install 3
Mounting Bolts Finger Tight
Air Conditioner
Return Air
Opening
Disconnect 220 - 240 Volt AC. Failure to follow
these instructions could create a shock hazard
causing death or severe personal injury.
WARNING
!
4. Place the Mechanical Air Distribution Box Kit inside
the Caravan. This box contains mounting hardware
for the air conditioner and will be used inside the
Caravan.
This completes the outside work. Minor adjustments can be
done from the inside of the Caravan if required.
F. Installing The Air Conditioner
1. Remove air box and mounting hardware from car-
ton. The upper duct is shipped inside the lower duct
which is part of the ceiling template.
2. Check for correct alignment and adjust the unit as
necessary (Roof Gasket centers over 362mm x
362mm (± 3.2mm).
3. Remove upper duct from ceiling template and locate
it over blower discharge. See FIG. 10.
Note: Edge without flange installs toward REAR of opening.
4. Use two (2) sharp pointed #10 sheet metal screws
to hold duct to base pan. Screw holes are provided
in bottom of base pan for these screws.
5. Reach up into return air opening of the air conditioner
and pull the unit's electrical cord down for later
connection.
6. Measure the ceiling to roof thickness:
a. If distance is 25mm - 50mm, remove perforated
tabs from both upper and lower ducts. See
FIG. 11.
b. If distance is 50mm - 75mm, remove perforated
tabs from bottom duct only. See FIG. 11.
c. If distance is 75mm - 100mm, install ducts as
received. See FIG. 11.
7. Install ceiling template by sliding lower duct over
upper duct. See FIG. 12.
8. Hold the ceiling template with one hand and with the
other, install the three 150mm long mounting bolts
through the template and into the base pan.
a. Finger-tighten the bolts and check alignment.
There should be an equal opening on each side
and the rear flange must be tight against the roof
opening.
b. EVENLY tighten the three bolts to a torque of
4.5 to 5.5 NM (Newton Meters). This will
compress the roof gasket to approximately
13mm. The bolts are self locking so over
tightening is not necessary.
G. Connection Of Power Supply To Air
Conditioner
Important: The electrical installation must be done
by an authorized electrician. In some areas they must
be licensed.

28
1. You may either wire direct into the junction box for
a permanent connection or wire a molded plug into
the junction box for a plug-in connection.
a. If a Permanent Connection: Route the power
supply line, previously installed to the roof
opening, into the junction box on the ceiling
template. Connect as described in paragraph 2.
b. If a Plug-in Connection: Use the electric supply
line, of "D. Wiring Requirements", to power and
electrical outlet installed, according to appli-
cable law, at the end of the roof opening furthest
from the junction box.
Important: Do not plug the molded cord in until you
have completely installed the air conditioner and are
ready for an operational check. (Operating Instructions)
•Route the molded plug set from the electric
outlet into the junctions box insuring not to
coil excess wire so it will block air flow.
Connect the plug set to the terminal block
as described in paragraph 2.
2. Connect the power supply line to the air conditioner
at the terminal block provided in the junction box.
Connect white to white, black to black and green to
green or bare copper wire (L. N. and respectively).
3. Tighten the strain relief onto the power supply line to
hold firmly in place. Be careful not to pinch and short
wires.
Note: If optional electric heater is part of this installation, now
is the time to install it. Installation instructions are provided
with the electric heater kit.
4. Carefully push all excess wire back into the junction
box and install cover onto the box with two blunt
screws provided.
5. Plug the electrical conduit from the upper unit into
the mating switch box connector. See FIG. 13.
6. Wrap wire tie around plug connector(s) to prevent
removal in field service.
FIG. 13
Route Power Supply
Through Romex
Connector
Plug Conduit Into
Switch Box And
Secure With Wire
Tie To Prevent
Removal
Install
Cover
H. Air Distribution Box Installation
1. Remove the two return air grills and filters.
2. Slide the front end of the air box over the shafts of
the thermostat and selector switch. See FIG. 14.
FIG. 14
Slide Air Box over Controls
3. Install four screws through legs in air box into the
pre-punched holes in the ceiling template.
4. Install the return air grills and filters by simply push-
ing them into place.
5. Install the two knobs provided on the ends of the
thermostat and selector switch shafts.
6. The power supply to the air conditioner may now
be turned "ON".
7. Your air conditioner is now installed and ready for
operation. Please read the following instructions be-
fore attempting to run the unit.
OPERATING INSTRUCTIONS
A. Controls
1. The Selector Switch has eight positions including
"OFF". This controls fan speed, heating mode, and
cooling modes. See FIG. 15.
FIG. 15
Selector Switch
3
2
1
1
2
3
FIG. 16
2. The thermostat controls the compressor ON/OFF
operation in cooling temperature range of 18.5° C to
32.5° C. See FIG. 16.
Note: The thermostat does not control the unit optional
electric heater if installed.
Thermostat

29
B. Cooling Operation
1. Set the thermostat at the desired temperature level.
2. Select the fan speed that best satisfies your needs:
a. HIGH COOL: Selected when maximum cooling
and dehumidification required. (3 )
b. MED COOL: Selected when normal or average
cooling required. (2 )
c. LOW COOL: Selected when room at desired
comfort level and needs to be maintained.
Normally this speed used for night time opera-
tion. (1 )
Important: When the air conditioner is turned on and
the thermostat calls for cooling, the fan and compressor
start at the same time. After shutting the air conditioner
down manually by either the selector switch or the
thermostat, always wait 2-3 minutes before turning on
the air conditioner. This allows the refrigerant pressures
in the air conditioner system to equalize so the compres-
sor may restart.
Note: The blower runs continuously to circulate air and
maintain an even temperature. The compressor will come on
as cooling is required to maintain the selected temperature
level.
C. Fan Operation
1. This will circulate the air in your Caravan without
cooling or heating. There are three positions: HIGH
FAN (3 ), MED FAN (2 ) or LOW FAN (1 ) to
select from, depending upon personal choice. See
FIG.15.
D. Heating Operation (If so equipped)
Note: This electric heater will not replace a furnace for
heating your Caravan in cold weather. The intent is to remove
the chill on cool days or mornings.
1. Turn the selector switch to "OPT HEAT" ( ).
See FIG. 15.
2. The Heater will come on and begin heating.
3. When desired temperature level in Caravan is
reached, move the selector switch to "OFF" or
"FAN" position.
Note: Thermostat does not control heater ON/OFF cycle. If
the optional heater is not installed and selected, the fan will
run as "LOW FAN" operation.
E. "OFF" Position
1. This is to turn Unit off.
F. Customer Maintenance
1. Periodically remove the return air filters located
above the removable panels in the air box. Wash the
filters with soap and warm water, let dry and then
reinstall.
Note: Never run the air conditioner without return air filter in
place. This may plug the unit evaporator coil with dirt and
may substantially affect the performance of the unit.
2. Clean air box housing and control panel with a soft
cloth dampened with a mild detergent. Never use
furniture polish or scouring powders.
3. The blower motor is factory lubricated and requires
no service under normal use.
4. Under certain conditions, frost may form on the
evaporator coil. If this should occur, inspect the
filter and clean if dirty. Make sure air louvers are not
obstructed. Air conditioners have a greater ten-
dency to frost when the outside temperature is
relatively low. This may be prevented by adjusting
the thermostat control knob to a warmer setting
(counter clockwise). Should frosting continue, oper-
ate on LOW, MED, or HIGH FAN only setting until
the cooling coil is free of frost.
5. If your unit fails to operate or operated improperly,
check the following before calling your service
center.
a. If Caravan connected to motor generator, check
to be sure motor generator is running and
producing power.
b. If Caravan connected to power supply by a land
line, check to be sure line is sized properly to
run air conditioner load and it is plugged into
power supply.
c. Check your fuse or circuit breaker to see if it is
open.
d. After the above checks, call your local service
center for further help. This unit must be ser-
viced by qualified service personnel only.
6. If any wiring or supply cord is damaged and
needs to be replaced, it must be replaced by the
manufacturer or its service agent or a similarly
qualified person.
7. When calling for service, always give the following:
a. Air Conditioner Model and Serial Number found
on rating plate located on base pan of air
conditioner bottom.
b. Air Distribution Box Kit Part and Serial Number
found on rating plate located on ceiling tem-
plate. Observe this rating plate through the air
box filter grill opening.

30
Roof Mount Assembly
Rear
Air Conditioner
Upper Discharge
Duct
Ceiling Template
Mounting Bolts
Air Box
Roof Opening
FIG. 17

31
AIR CONDITIONER WIRING DIAGRAM
AIR BOX WIRING DIAGRAM
COMPRESSOR
O.L.
RS
C
RUN CAP
RUN CAP
7
6
5
4
3
2
1
SWITCH
SWITCH
ROTARY
H
C
L1
4
2
1
MOTOR
2
HEAT ACCESSORY
HEAT ACCESSORY
BLK
BLK
BLK
ELEMENT
ELEMENT
LIMIT SWITCH
LIMIT SWITCH
3
1
WHT
LIMIT SWITCH
BOX
JUNCTION
LINE SPLICE
LINE SPLICE
FIELD WIRING
FIELD WIRING
FACTORY WIRING
TSTAT
TSTAT
USE COPPER CONDUCTORS ONLY
USE COPPER CONDUCTORS ONLY
220/240 VAC 50 HZ, 10
220/240 VAC 50 HZ, 10
3105580.025
FAN CAP
FAN CAP
ID
ID
BLK
YEL
RED
BLU
WHT
WHT
GR/YL
BLK
YEL
RED
BLU
WHT
WHT
GR/YL
BRN
BRN
WHT
RED
RED
WHT
GRY
WHT
WHT
BLK
GR/YL GR/YL
BLU
43
ACTIVE (L)
ACTIVE (L)
NEUTRAL (N)
NEUTRAL (N)
EARTH ( )
EARTH ()
GR/YL
GR/YL
PTCR
COMP STARTER
START
*
CAP

32
KIRJOITA MUISTIIN TÄTÄ LAITETTA
KOSKEVAT TIEDOT MYÖHEMPÄÄ
KÄYTTÖÄ VARTEN.
Mallinumero
Sarjanumero
Ostopäivämäärä
ASENNUS- & KÄYTTÖ-
OHJEET
Tärkeää: Ohjeet on
pidettävä laitteen mukana.
Omistajan on luettava ne huolellisesti.
!
VAROITUS
VAROITUS
Tämä käsikirja on luettava ja sen sisältö ymmärrettävä ennen asennuksen, säädön
tai huollon suorittamista. Pätevän huoltomekaanikon on asennettava tämä laite.
Muutosten tekeminen tähän tuotteeseen on erittäin vaarallista, ja siitä voi olla
seurauksena tapaturma tai omaisuusvahinko.
Katonpäällinen ilmastointilaite
ASUNTOVAUNU MALLI B3200
TYYPPI 3253.331
Malli
B3200
SERVICE OFFICE
Dometic Corporation
Lisätietoja
Yhteys:
www.dometic.com
TARKISTUS:
Lomake nro 3310147.032
(Korvaa nro:n 3310147.024)
Englanti, espanja, hollanti, italia, kreikka,
norja, portugali, ranska, ruotsi, saksa,
suomi & tanska
©2007 9/07 Dometic GmbH
D-57074 Siegen

33
TURVALLISUUSOHJEET
Tämä käsikirja sisältää turvallisuutta koskevia tietoja
ja ohjeita, jotka auttavat käyttäjiä ehkäisemään tai
vähentämään onnettomuus- ja tapaturmavaaroja.
TURVALLISUUTTA KOSKEVIEN
TIETOJEN TUNNISTAMINEN
Tämä on turvallisuutta koskeva varoitussymboli. Kun
näet tämän symbolin tässä käsikirjassa, ota
huomioon tapaturman mahdollisuus.
Noudata suositeltuja varotoimenpiteitä ja turvallista
käyttöä koskevia ohjeita.
MERKKISANOJEN YMMÄRTÄMINEN
Merkkisanaa VAROITUS TAI HUOMIO käytetään
turvallisuutta koskevan varoitussymbolin yhteydessä.
Ne osoittavat mahdollisen tapaturman vaaran tason.
!
VAROITUS
VAROITUS
ilmaisee mahdollisesti vaarallisen
tilanteen, josta voi olla seurauksena kuolema tai
vakava vamma.
!
HUOMIO
HUOMIO
ilmaisee mahdollisesti vaarallisen
tilanteen, josta voi olla seurauksena vähäinen tai lievä
vamma.
HUOMIO
HUOMIO
ilman turvallisuutta koskevaa
varoitussymbolia ilmaisee mahdollisesti vaarallisen
tilanteen, josta voi olla seurauksena omaisuusvahinko.
Lue kaikki turvallisuutta koskevat tiedot ja ohjeet ja
noudata niitä.
!
YLEISIÄ TIETOJA
A. Tuotteen ominaisuudet tai tiedot, jotka ovat tekstissä tai
kuvissa, voivat muuttua ilman ilmoitusta.
B. Tämä ilmastointilaite on tarkoitettu seuraaviin
tarkoituksiin:
1. Asentaminen astuntovaunuun asuntovaunun
valmistuksen aikana.
2. Asuntovaunun katolle kiinnittäminen.
3. Katon rakennus selkäpuulla/kannatinpalkeilla
keskustojen ollessa vähintään 406 mm:n etäisyydellä
toisistaan.
4. Vähintään 25 mm:n ja enintään 100 mm:n
etäisyys asuntovaunun ulkokatosta sisäkattoon.
Vaihtoehtoisilla asennusmenetelmillä katoista on
mahdollista saada paksumpia kuin 100 mm.
C. Ilmastointilaitteen kyky ylläpitää haluttu sisälämpötila
riippuu asuntovaunun lämpötilannoususta.
Jotkin asuntovaunussa olevien henkilöiden
ennaltaehkäisytoimet voivat vähentää lämpötilannousua
ja parantaa ilmastointilaitteen suorituskykyä. Erittäin
korkeissa ulkolämpötiloissa asuntovaunun
lämpötilannousua voidaan vähentää seuraavasti:
1. Pysäköimällä asuntovaunu varjoisalle alueelle
2. Käyttäen ikkunavarjostimia (kaihtimia ja/tai verhoja)
3. Pitämällä ikkunat ja ovet kiinni tai vähentämällä
niiden käyttöä
4. Välttämällä lämpöä tuottavien laitteiden käyttöä.
Voimakas tuuletus - tai jäähdytystilassa käyttö
mahdollistaa optimi- tai maksimitehokkuuden kosteuden
ollessa suuri tai korkeissa ulkolämpötiloissa.
Ilmastointilaitteen käynnistäminen aikaisin aamulla ja
“etumatkan” antaminen odotettavissa olevaan korkeaan
ulkolämpötilaan parantaa huomattavasti sen kykyä
ylläpitää haluttu sisälämpötila.
Suuren lämpötilannousun ratkaisemiseksi pysyvästi
sisäpihan ja ikkunamarkiisin tapaisten laitteiden käyttö
vähentää lämpötilannousua poistamalla suoran
auringonpaisteen. Ne lisäävät myös mukavan alueen,
jossa voi nauttia seurasta illan viileydessä.
D. Kondensaatio
Huomautus: Tämän ilmastointilaitteen valmistaja ei ole
vastuussa katto- ja muilla pinnoilla olevan kondensoituneen
kosteuden aiheuttamasta vahingosta. Ilma sisältää kosteutta,
ja tällä kosteudella on taipumus tiivistyä kylmille pinnoille.
Kun ilma tulee sisälle asuntovaunuun, tiivistynyttä kosteutta
voi ilmestyä kattoon, ikkunoihin, metalliosiin jne.
Ilmastointilaite poistaa tämän kosteuden ilmasta normaalin
toiminnan aikana. Ovien ja ikkunoiden pitäminen kiinni, kun
tämä ilmastointilaite on toiminnassa, vähentää kylmille
pinnoille ilmestyvää tiivistynyttä kosteutta.

34
** Valmistaja antaa YLEISIÄ ohjeita
generaattorivaatimuksista. Nämä ohjeet perustuvat
kokemuksiin, joita ihmisillä on ollut tosiasiallisissa
sovelluksissa. Generaattorin kokoa valittaessa on otettava
huomioon asuntovaunusi koko tehonkulutus. Pidä mielessä,
että generaattorit menettävät tehoa suurissa korkeuksissa
ja huollon puutteen vuoksi.
Tekniset tiedot
ASENNUSOHJEET
A. Varotoimet
B. Ilmastointilaitteen paikan valitseminen
Tämä ilmastointilaite on suunniteltu erityisesti asennettavaksi
asuntovaunun katolle. Kun selvität jäähdytysvaatimuksiasi,
on otettava huomioon seuraavat seikat:
•Asuntovaunun koko;
•Ikkunan pinta-ala (lisää lämpötilan nousua);
•Seinä- ja kattoeristeiden määrä;
•Maantieteellinen sijainti, jossa asuntovaunua käytetään;
•Haluttu henkilökohtainen mukavuustaso.
1. Tavallinen sijainti–Ilmastointilaite on suunniteltu
sopimaan katon olemassa olevan tuuletusaukon yli.
KUVA 1
1/2L LL
1/3L
2/3L
KUVA 2
Ilmastointilaite kannattaa asentaa suhteellisen litteälle ja
tasaiselle katto-osuudelle tasaiselle pinnalle pysäköidystä
asuntovaunusta mitattuna.
Huomautus: 8°:n kallistuma sivusuunnassa on
hyväksyttävä, mutta pituussuunnan kallistuma ei ole
hyväksyttävä.
KUVA 3
Pituussuunnassa esiintyvä kallistuma
EI OLE HYVÄKSYTTÄVÄ
Malli nro B3200 Sähköinen
lämmitin
Tyyppi 3253,331
Nimellinen kompressorin
kapasiteetti (kW) 3,2 1,6
Sähköarvot 220-240 VAC 50Hz., 1 Ph
Täyden kuorman virta
(Kompressori / moottori) 5,2 / 1,1 --- / 1,1
Lähtövirta
(Komp / Moottori) 26 / 3,8 --- / 3,8
Kylmäaine R407C
Grammaa/unssia 496/15.5 ---
Virtasuojaus 10 Amp:n hidastettu
varoke, tai virtakatkaisin
Ottovirta (kW) 1,35 1,5
Johdon vähimmäiskoko Enintään 8 metriä
käytä 1mm2, kuparia
** Generaattorin koko 1 yksikkö - 3,5KW
2 yksikköä - 5,0KW
Virheellinen asennus voi vaurioittaa laitetta,
olla hengenvaarallista tai aiheuttaa vakavan
tapaturman ja/tai omaisuusvahingon.
1. Lue asennus- ja käyttöohjeet huolellisesti, ennen
kuin ryhdyt asentamaan ilmastointilaitetta.
2. Valmistaja ei ole vastuussa omaisuus- tai
henkilövahingoista, jotka aiheutuvat siitä, että näitä
ohjeita ei noudateta.
3. Laite on asennettava valtakunnallisen
johdotusasetuksen IEC 335-2-40, CI, 7.12.1.
mukaisesti. Asennuksessa on noudatettava kaikkia
sovellettavia säännöksiä ja/tai määräyksiä.
4. ÄLÄ lisää mitään laitteita tai lisälaitteita tähän
ilmastointilaitteeseen, elleivät ne ole valmistajan
nimenomaan valtuuttamia.
5. Tämän välineen huolto on annettava pätevän
henkilöstön tehtäväksi, ja joissakin paikallisissa
säännöksissä ja määräyksissä edellytetään näiden
henkilöiden olevan valtuutettuja.
!
VAROITUS
VAROITUS
2. Muita sijainteja–Kun ikkunan tuuletusaukkoa ei ole
tai halutaan toinen sijainti, suositellaan seuraavaa:
a. Yhden laitteen asennus: Ilmastointilaite on
kiinnitettävä hiukan keskikohdan eteen (edestä
taakse) ja keskitettävä sivusuunnassa.
b. Kahden laitteen asennus: Asenna yksi
ilmastointilaite 1/3 ja toinen ilmastointilaite 2/3
asuntovaunun pituussuuntaan ja keskitettynä
sivusuunnassa.

35
C. Katon valmistus
1. Aukon vaatimukset - Ennen kattoaukon tekoa lue
kaikki seuraavat ohjeet ennen asennuksen
aloittamista.
Jos katon olemassa olevaa aukkoa ei käytetä,
on leikattava aukko, joka on kooltaan 362mm x
362mm (± 3.2mm), asuntovaunun ulko- ja sisäkaton
läpi. Tämä aukko ei saa sijaita katon vahvikkeiden
välissä.
KUVA 5
Aukko, joka on kooltaan 362mm x 362mm (± 3.2mm),
on osa ilmastointilaitteen paluuilmajärjestelmää ja
se on tehtävä kaikkien valtakunnallisten ja
paikkallisten säännösten ja/tai määräysten
mukaisesti.
2. Kattoaukon poisto
a. Ruuvaa irti ja poista kattoaukko.
b. Poista aukon ympäriltä kaikki tilkitysaine.
c. Sinetöi kaikki ruuviaukot ja saumat, joissa
katon tiiviste sijaitsee. Käytä hyvälaatuista
jokasään tiivistysainetta. Katso KUVA 6.
510mm
283
mm
105
mm 105
mm
283
mm
75mm
75mm
Aukon
keskilinja
Ilmanottokotelon
ympärysmitta
Pidä tämä alue
vapaana
esteistä
105mm
181mm
181mm
362mm x
362mm
(± 3,2mm)
Aukko
543mm
Laitteen keskilinja
305mm
102mm
102mm
Laitteen
takaosa
362mm x
362mm
(± 3,2mm)
Aukko
3. Kun sijainti on valittu:
a. Tarkasta, ettei alueella, johon ilmastointilaite
asennetaan, ole esteitä. Katso KUVA 4.
b. Katon on oltava suunniteltu kannattamaan
65 kg, kun asuntovaunu on liikkeessä.
Normaalisti 100 kg:n paikallaan pysyvän
kuorman suunnittelu täyttää tämän
vaatimuksen.
!
VAROITUS
VAROITUS
Tämän ilmastointijärjestelmän asentajan vastuulla
on varmistaa asuntovaunun kattorakenteen
kestävyys. Älä koskaan jätä katolle matalaa
kohtaa, johon kerääntyy vettä. Ilmastointilaitteen
ympärillä oleva vesi voi vuotaa sisälle aiheuttaen
vahinkoa tuotteelle ja asuntovaunulle.
c. Tarkasta, ettei asuntovaunun sisällä ole
paluuilman esteitä (eli oviaukot, huoneiden
väliseinät, verhot, seinien kiinnitykset jne.).
Katso KUVAT 4 & 5.
9-1/2"
39"
28-3/4"
20"
2-1/2"
22"
KUVA 4
24cm
102cm
74cm
51cm
6,4cm
56cm
Ulko- ja sisäkaton välissä voi olla sähköjohtoja.
Kytke 220 - 240 voltin virtajohto irti ja irrota
positiivinen (+) 12 voltin tasavirtaliitin akusta. Ellei
tätä ohjetta noudateta, seurauksena voi olla
sähköiskun vaara, joka voi aiheuttaa kuoleman tai
vakavan vamman.
HUOMIO
HUOMIO

36
KUVA 6
KUVA 7
Älä katkaise
kattorakennetta
tai selkäpuita
Poikkipalkkien
kannattamat
selkäpuut
Sijainti katon
selkäpuiden välillä
Kehysaukko, joka estää
romahtamisen, kun laite
kiinnitetään pulteilla
Virtalähdejohdotuksen
lähtöaukko Väh. 375mm
aukon edessä
25mm Min.
d. Jos aukko on suurempi kuin 362mm x 362mm
(± 3.2mm), aukko on tehtävä uudelleen kokoon
362mm x 362mm (± 3.2mm).
e. Jos aukko on pienempi kuin 362mm x 362mm
(± 3.2mm), sitä on suurennettava.
3. Uusi aukko- (Muu kuin tuuletusaukko)
a. Merkitse katolle neliö, joka on kooltaan 362mm
x 362mm (± 3.2mm), ja leikkaa aukko varovasti.
b. Käyttäen kattoaukkoa ohjeena leikkaa
samankokoinen reikä kattoon.
c. Aukkoon on tehtävä kehys, joka tukee sitä
kunnolla ja estää kattoaukosta tulevan vedon.
Käytä puutavaraa, joka on paksuudeltaan
vähintään 25mm. Muista tehdä sisääntuloaukko
virransyötölle aukon eteen. Katso KUVA 7.
Tämän ilmastointijärjestelmän asentajan vastuulla
on varmistaa asuntovaunun kattorakenteen
kestävyys. Älä koskaan jätä katolle matalaa
kohtaa, johon kerääntyy vettä. Ilmastointilaitteen
ympärillä seisova vesi voi vuotaa sisälle
aiheuttaen vahinkoa tuotteelle ja asuntovaunulle.
D. Johdotusvaatimukset
1. 220 - 240 VAC syöttöjohto
Reititä 1mm2 maan kanssa, 220 - 240 VAC
syöttöjohto hidastetusta varokkeesta tai
katkaisinlaatikosta kattoaukkoon.
a. Syöttöjohdon on sijaittava etuosassa aukkoa,
jonka koko on 362mm x 362mm (± 3,2mm).
b. Virta TÄYTYY suojata erillisellä 10 ampeerin
hidastetulla varokkeella tai HACR-katkaisimella.
c. Varmista, että ainakin 375 mm:n syöttöjohto
ulottuu kattoaukkoon. Tämä varmistaa helpon
liitännän haaroitusrasiassa.
d. Johdotuksen on oltava kaikkien valtakunnallisten
ja paikallisten johdotussäännösten ja/tai -
määräysten mukainen.
e. Käytä teräsholkkia ja sirkkaa tai vastaavia
menetelmiä johdon suojaamiseksi, kun se
kulkee aukkoon.
Tämä laite painaa noin 45 kilogrammaa.
Selkävammojen välttämiseksi sijoita ilmastointilaite
katolle käyttäen mekaanista vintturia.
KUVA 8
Älä liu’uta laitetta. Tämä voi vahingoittaa pohjaan
kiinnitettyä katon tiivistettä ja voi saada aikaan
asennuksen vuotamisen.
E. Ilmastointilaitteen sijoittaminen katolle
1. Poista ilmastointilaite pahvirasiasta ja hävitä
pahvirasia. Katso KUVA 8.
2. Sijoita ilmastointilaite katolle.
3. Nosta ja sijoita laite valmistetun aukon yli käyttäen
laitteen tiivistettä ohjeena. Katso KUVA 9.
KUVA 9 ETUOSA
HUOMIO
HUOMIO
HUOMIOHUOMIO
!
HUOMIOHUOMIO

37
KUVA 11
Vaihe a
Poista
rei’ityksen
kohdalta
Vaihe b
Poista
rei’ityksen
kohdalta
Vaihe c
Käytä pakatussa
kunnossa
Ylempi
päästöilmajohto
Alempi
päästöilmajohto
Ilmastointilaitteen
takaosa
Ylempi
päästöilmajohto Ilman laippaa oleva
reuna laitteen
takaosaan
KUVA 10
Jos pultit jäävät löysiksi, katossa ei välttämättä
ole asianmukaista tiivistystä, ja jos niitä kiristetään
liikaa, ilmastointilaitteen pohja tai kattomalline
voivat vahingoittua. Kiristä tässä opaskirjassa
lueteltujen vääntömomenttitietojen mukaan.
KUVA 12 Liu’uta alempi
päästöilmajohto
ylemmän yli
Katon
tiiviste
Pidä katon mallinetta
yhdellä kädellä ja kiinnitä
3 kiinnityspulttia kiristäen sormilla
Ilmastointilaitteen
paluuilma-aukko
Kytke irti 220 - 240 voltin AC. Ellei tätä ohjetta
noudateta, seurauksena voi olla sähköiskun vaara,
joka voi aiheuttaa kuoleman tai vakavan vamman.
4. Sijoita mekaaninen ilmanjakelulaatikko asuntovaunun
sisään. Tämä laatikko sisältää ilmastointilaitteen
kiinnitystarpeet ja sitä käytetään asuntovaunun
sisällä.
Tämä on ulkotyön viimeinen vaihe. Asuntovaunun sisältä
voidaan tehdä pieniä korjauksia haluttaessa.
F. Ilmastointilaitteen asentaminen
1. Poista ilmanottokotelo ja kiinnitystarpeet
pahvikotelosta. Ylempi ilmajohto toimitetaan
kattomallineeseen kuuluvan alemman ilmajohdon
sisällä.
2. Tarkasta oikea linjaus ja säädä laitetta tarpeen
mukaan (Kattotiiviste keskittyy yli 362mm x 362mm
(± 3.2mm).
3. Poista yläkanava kattomallineesta ja sijoita se
puhaltimen ulostulon yli. Katso KUVA 10.
Huomautus: Reunustamaton sivu asennetaan aukon
TAKAOSAA kohti.
4. Käytä kahta (2) teräväkärkistä 10-numeroista
peltiruuvia kiinnittämään ilmajohto pohja-alustaan.
Pohja-alustan alaosassa on reiät näille ruuveille.
5. Kurkota ilmastointilaitteen paluuilma-aukkoon ja
vedä laitteen sähköjohto alas myöhempää liittämistä
varten.
6. Mittaa sisä- ja ulkokaton välinen paksuus:
a. Jos etäisyys on 25mm - 50mm, poista rei’itetyt
kielekkeet sekä ylemmästä että alemmasta
ilmajohdosta. Katso KUVA 11.
b. Jos etäisyys on 50mm - 75mm, poista rei’itetyt
kielekkeet ainoastaan alemmasta ilmajohdosta.
Katso KUVA 11.
c. Jos etäisyys on 75mm - 100mm, asenna johdot
vastaanotetussa kunnossa. Katso KUVA 11.
7. Asenna kattomalline liu’uttamalla alempi johto
ylemmän johdon yli. Katso KUVA 12.
8. Pidä kattomallinetta yhdellä kädellä ja toisella
asenna kolme 150 mm pitkää kiinnityspulttia
mallineen läpi ja pohja-alustaan.
a. Kiristä pultit sormilla ja tarkasta linjaus.
Molemmilla puolilla on oltava samanlevyinen
aukko ja takalaipan on oltava tiiviisti kattoaukkoa
vastaan.
b. TASAISESTI kiristä kolme pulttia
vääntömomenttiin 4.5 - 5.5 NM (Newtonmetriä).
Tämä puristaa kattotiivisteen noin 13 mm:iin.
Pultit ovat itselukkiutuvia, joten niitä ei
tarvitse kiristää liikaa.
G. Virtalähteen liittäminen ilmastointilaitteeseen
Tärkeää: Sähköasennus on annettava pätevän
asentajan tehtäväksi. Joillakin alueilla heidän on oltava
valtuutettuja.
!
VAROITUS
VAROITUS
HUOMIOHUOMIO

38
1. Voit joko johdottaa suoraan haaroitusrasiaan kiinteää
liitosta varten tai johdottaa muovatun pistokkeen
haaroitusrasiaan pistokeliitäntää varten.
a. Jos kyse on kiinteästä liitoksesta: Reititä
kattoaukkoon ennestään asennettu virtajohto
seinämallineessa olevaan haaroitusrasiaan.
Liitä kohdassa 2 esitetyllä tavalla.
b. Jos kyse on pistokeliitännästä: Käytä kohdan
“D. Johdotusvaatimukset” sähköjohtoa
haaroitusrasiasta kauimpana olevan kattoaukon
päähän asianomaisen lainsäädännön mukaisesti
asennettuun virta- ja sähkörasiaan.
Tärkeää: älä pistä muovattua johtoa sisään, ennen kuin
olet saattanut ilmastointilaitteen asennuksen loppuun
ja olet valmis suorittamaan toimintatarkastuksen.
(Käyttöohjeet)
•Reititä muovattu pistokesarja sähkörasiasta
haaroitusrasiaan varmistaen, ettet keri
johtoa liikaa, niin että se tukkii ilmavirran.
Liitä pistokesarja jakorasiaan, kuten
kohdassa 2 on esitetty.
2. Liitä virtajohto ilmastointilaitteeseen, joka on
haaroitusrasiassa olevassa jakorasiassa. Liitä
valkoinen valkoiseen, musta mustaan ja vihreä
vihreään tai paljaaseen kuparijohtoon (jännitteinen,
nollajohto ja vastaavasti).
3. Kiristä löysä osuus virtajohtoon, jotta se pysyy
paikallaan. Varo, ettet purista johtoja ja saata niitä
oikosulkuun.
Huomautus: Jos valinnainen sähkölämmitin on osa tätä
asennusta, se on aika asentaa nyt. Asennusohjeet ovat
sähkölämmitinsarjan mukana.
4. Paina varovasti kaikki ylimääräinen johto takaisin
haaroitusrasiaan ja asenna kansi laatikkoon mukana
olevilla kahdella tylpällä ruuvilla.
5. Pistä sähköjohdin ylemmästä yksiköstä
parittaiseen jakorasialiittimeen. Katso KUVA 13.
6. Kääri lankaside pistokeliittimen tai -liittimien ympäri,
jottei se irtoa kentällä.
KUVA 13
Reititiä virtalähde
Romex-liittimen kautta
Pistä johto jakorasiaan
ja varmista lankasiteellä
irtoamisen estämiseksi
Asenna
kansi
H. Ilmanjakelukotelon asennus
1. Poista molemmat paluuilmaristikot ja -suodattimet.
2. Liu’uta ilmanottokotelon etupuoli termostaatin ja
valitsinkytkimen kanavien yli. Katso KUVA 14.
KUVA 14
Liu’uta ilmanottokotelo ohjainten yli
3. Asenna neljä ruuvia ilmanottokotelon jalkojen
läpi kattomallineen esilävistettyihin reikiin.
4. Asenna paluuilmaristikot ja suodattimet
yksinkertaisesti painamalla ne paikoilleen.
5. Asenna molemmat nupit termostaattien ja
valitsinkytkinakselien päihin.
6. Ilmastointilaitteen virtalähde voidaan nyt kääntää
“ON”.
7. Ilmastointilaitteesi on nyt asennettu ja
toimintavalmis. Lue seuraavat ohjeet, ennen
kuin koetat käyttää laitetta.
KÄYTTÖOHJEET
A. Ohjaimet
1. Valitsinkytkimellä on kahdeksan asentoa, mm.
“OFF”. Tästä ohjataan tuulettimen nopeutta,
lämmitystilaa ja jäähdytystiloja. Katso KUVA 15.
KUVA 15
Valitsinkytkin
3
2
1
1
2
3
KUVA 16
2. Termostaatti ohjaa kompressorin ON/OFF-toimintaa
jäähdytyslämpötilan vaihdellessa välillä 18.5° C -
32.5° C. Katso KUVA 16.
Huomautus: Termostaatti ei ohjaa laitteen valinnaista
sähkölämmitintä, jos sellainen on asennettu.
Termostaatti

39
B. Jäähdytystoiminta
1. Aseta termostaatti halutun lämpötilan kohdalle.
2. Valitse tuulettimelle nopeus, joka vastaa parhaiten
tarpeitasi:
a. VOIMAKAS JÄÄHDYTYS: Valitaan, kun
vaaditaan suurin jäähdytys ja kosteuden poisto.
(3 )
b. KESK JÄÄHDYTYS: Valitaan, kun vaaditaan
normaali tai keskinkertainen jäähdytys. (2 )
c. VÄH JÄÄHDYTYS: Valitaan, kun huone on
halutulla ylläpidettävällä mukavuustasolla. Tämä
nopeus on tavallisesti yökäytössä. (1 )
Tärkeää: Kun ilmastointilaite on käännetty päälle ja
termostaatti edellyttää jäähdytystä, tuuletin ja
kompressori käynnistyvät samaan aikaan. Kun
ilmastointilaite on suljettu manuaalisesti joko
valitsinkytkimestä tai termostaatista, odota aina
2-3 minuuttia ennen ilmastointilaitteen kääntämistä
päälle. Tämä antaa ilmastointijärjestelmässä olevien
jäähdytysaineiden tasoittua, niin että kompressori voi
käynnistyä uudelleen.
Huomautus: Puhallin on jatkuvasti käynnissä puhaltaen
ilmaa ja säilyttäen lämpötilan tasaisena. Kompressori menee
päälle, kun jäähdytystä tarvitaan ylläpitämään valittu
lämpötilataso.
C. Tuulettimen toiminta
1. Tämä kierrättää asuntovaunussasi olevan ilman
jäähdyttämättä tai lämmittämättä. Asentoja on
kolme: VOIMAKAS TUULETUS (3 ), KESK
TUULETUS (2 ) tai VÄH TUULETUS (1 ), joista
voi valita henkilökohtaisen valinnan mukaan. Katso
KUVA 15.
D. Lämmitystoiminta (Jos varusteena)
Huomautus: Tämä sähkölämmitin ei korvaa asuntovaunusi
varsinaista lämmitystä kylmällä ilmalla. Tarkoitus on poistaa
koleus kylminä päivinä tai aamuisin.
1. Käännä valitsinkytkin asentoon “OPT LÄMPÖ”
(). Katso KUVA 15.
2. Lämmitin menee päälle ja aloittaa lämmittämisen.
3. Kun asuntovaunussa on saavutettu haluttu lämpötila,
käännä valitsinkytkin asentoon “OFF” tai
“TUULETUS”.
Huomautus: Termostaatti ei ohjaa lämmittimen ON/OFF -
kiertoa. Jos valinnaista lämmitintä ei ole asennettu tai
valittu, tuuletin käy “VÄH TUULETUS” -toiminnolla.
E. “OFF” -asento
1. Tästä laite käännetään pois päältä.
F. Asiakashuolto
1. Irrota säännöllisin väliajoin paluuilmasuodattimet,
jotka sijaitsevat irrotettavien paneelien yläpuolella
ilmanottokotelossa. Pese suodattimet saippualla ja
lämpimällä vedellä, anna kuivua ja pane ne sitten
takaisin.
Huomautus: Älä koskaan käytä ilmastointilaitetta
paluuilmasuodattimen ollessa poissa paikoiltaan. Muuten
laitteen höyrystinkelayksikköön voi jäädä likaa, mikä voi
vaikuttaa laitteen suorituskykyyn huomattavasti.
2. Puhdista ilmanottokotelon pesä ja ohjauspaneeli
pehmeällä kankaalla, joka on kostutettu miedolla
pesuaineella. Älä koskaan käytä huonekalujen
kiillotusaineita tai hankausjauheita.
3. Puhaltimen moottori on voideltu tehtaalla eikä vaadi
huoltoa normaalissa käytössä.
4. Joissakin olosuhteissa höyrystinkelaan voi
muodostua huurretta. Jos näin käy, tarkasta suodatin
ja puhdista se, jos se on likainen. Varmista, että
tuuletusraot eivät ole tukossa. Ilmastointilaitteilla
on suurempi taipumus huurtua, kun ulkolämpötila
on suhteellisen alhainen. Tämä voidaan
estää säätämällä termostaatin ohjausnuppia
lämpimämmälle (vastapäivään). Jos huurtuminen
jatkuu, käännä asentoon VÄH, KESK tai
VOIMAKAS TUULETUS, kunnes jäähdytyskela on
vapaa huurteesta.
5. Jos laitteesi ei toimi tai se toimii väärin, suorita
seuraava tarkastus ennen soittamista
huoltokeskukseen.
a. Jos asuntovaunu on liitetty moottorigeneraattoriin,
varmista, että moottorigeneraattori on
toiminnassa ja tuottaa sähköä.
b. Jos asuntovaunu on liitetty virtalähteeseen
maajohdolla, varmista, että johto vastaa
kooltaan ilmastointilaitteen kuormaa ja se on
kytketty virtalähteeseen.
c. Tarkasta, onko varokkeesi tai katkaisimesi
avoinna.
d. Edellä esitettyjen tarkastusten jälkeen
pyydä lisäapua soittamalla paikalliseen
huoltokeskukseen. Tämän laitteen huolto on
annettava ainoastaan pätevien asentajien
suoritettavaksi.
6. Jos johdotus tai sähköjohto on vaurioitunut ja se
täytyy uusia, sen uusiminen on annettava
valmistajan tai sen huoltajan taikka vastaavan
valtuutetun henkilön suoritettavaksi.
7. Kun soitat huoltoon, ilmoita aina seuraavat:
a. Ilmastointilaitteen malli- ja sarjanumero, joka
on ilmastointilaitteen alustan pohja-alustan
arvokilvessä.
b. Ilmanjakelulaatikon osa- ja sarjanumero, joka
on kattomallineen arvokilvessä. Tämä arvokilpi
näkyy ilmanottokotelon suodattimen
ristikkoaukon läpi.

40
Kattokiinnityssarja
Takaosa
Ilmastointilaite
Ylempi
päästöjohto
Kattomalline
Kiinnityspultit
Ilmanottokotelo
Kattoaukko
KUVA 17

41
ILMASTOINTILAITTEEN JOHDOTUSKAAVIO
ILMANOTTOKOTELON JOHDOTUSKAAVIO
TARKASTAJAN
HYVÄKSYNTÄ
HA/KE
RUS
TUULETINKOND
POS. LÄMPÖT.
KERR RELE
PUN
(OPT)
KÄYN-
NISTYS-
KOND
SIN
PUN
KEL
MUS
MOOTTORI TOIMINTAKOND
VAL
KOMPRESSORI
ID
HA/KE
RUS
VAL
PUN
PUN
VAL
VAL
ID
S
R
3105595.023
O.L.
C
COMPRESSOR
COMPRESSOR
O.L.
RS
C
RUN CAP
RUN CAP
7
6
5
4
3
2
1
SWITCH
ROTARY
H
C
L1
4
2
1
MOTOR
2
HEAT ACCESSORY
HEAT ACCESSORY
BLK
BLK
BLK
ELEMENT
ELEMENT
LIMIT SWITCH
3
1
WHT
LIMIT SWITCH
BOX
JUNCTION
JUNCTION
LINE SPLICE
LINE SPLICE
FIELD WIRING
FIELD WIRING
FACTORY WIRING
TSTAT
USE COPPER CONDUCTORS ONLY
USE COPPER CONDUCTORS ONLY
220/240 VAC 50 HZ, 10
220/240 VAC 50 HZ, 10
3105580.025
FAN CAP
FAN CAP
ID
ID
BLK
YEL
RED
BLU
WHT
WHT
GR/YL
BLK
YEL
RED
BLU
WHT
WHT
GR/YL
BRN
BRN
WHT
RED
RED
WHT
GRY
WHT
WHT
BLK
GR/YL
GR/YL
GR/YL
BLU
43
ACTIVE (L)
ACTIVE (L)
NEUTRAL (N)
NEUTRAL (N)
EARTH ( )
EARTH ()
GR/YL
PTCR
COMP STARTER
START
*
CAP
MOOTTORI
TUULETINKOND
TOIMINTAKOND
KOMPRESSORI
TUNN.
PÄÄTE
TUNN.
PÄÄTE
L1 K L KIERTOKYTKIN
SIN SIN SIN
MUS
MUS MUS
MUS MUS
MUS
VAL VAL
VAL
VAL
VAL
VAL
VAL
VAL
VAL
HAR
TSTAT
HA/KE HA/KE
HA/KE HA/KE
HA/KE
TOI STA
TAV
L.K.
RUS
RUS
KEL KEL
KEL
KEL KEL
KEL
KOMP KÄYNNISTYS
KÄYNNISTYS-
KOND
*
POS.
LÄMPÖT.
KERR.
RELE
LÄMPÖLISÄLAITE
RAJOITUSKYTKIN
ELEMENTTI
RAJOITUSKYTKIN
TEHDASJOHDOTUS
KENTTÄJOHDOTUS
JOHDON LIITOSKOHTA
HAAROITUSRASIA
JÄNNITE (L)
NOLLAJOHTO (N)
MAA ( )
220/240 VAC 50 HZ, 1Ø
KÄYTÄ AINOASTAAN KUPARIJOHTIMIA

42
NOTER CES INFORMATIONS POUR
S’Y REPORTER ULTERIEUREMENT :
Numéro de modèle
Numéro de série
Date d’achat
INSTRUCTIONS D’INSTALLATION
ET D’UTILISATION
Important : Laisser ces instructions
avec l’appareil.
Le propriétaire de ce produit doit lire
ces instructions attentivement.
Lire et comprendre ce manuel avant de procéder à l’installation, à des réglages, de
l’entretien ou des réparations. L’installation de ce produit doit être effectuée par un
réparateur qualifié. Toute modification de ce produit peut être extrêmement
dangereuse et entraîner des blessures ou dommages matériels.
Climatiseur de toit
MODELE B3200 CARAVAN
TYPE 3253.331
Modèle
B3200
SERVICE OFFICE
Dometic Corporation
Pour de plus amples
renseignements,
visiter :
www.dometic.com
RÉVISION
Formulaire n° 3310147.032
(Remplace le formulaire n° 3310147.024)
allemand, anglais, danois, espagnol,
finlandais, français, grec, italien, néerlandais,
norvégien, portugais et suédois
©2007 9/07 Dometic GmbH
D-57074 Siegen

43
INSTRUCTIONS DE SECURITE
Ce manuel comporte des instructions et des
renseignements sur la sécurité destinés à permettre
aux utilisateurs d’éliminer ou de réduire le risque
d’accidents et de blessures.
RECONNAITRE LE SYMBOLE
DONNANT DES INSTRUCTIONS
SUR LA SECURITE
Ceci est le symbole d’alerte à la sécurité. Lorsque
ce symbole d’alerte à la sécurité apparaît dans ce
manuel, faire attention au risque de blessure.
Respecter les précautions recommandées et les
instructions pour une utilisation sans danger.
COMPRENDRE LES MOTS SIGNALANT
DE FAIRE ATTENTION
Les mots, AVERTISSEMENT ou ATTENTION sont
utilisés avec le symbole d’alerte à la sécurité. Ils
indiquent le niveau de risque pour d’éventuelles
blessures.
indique une situation
potentiellement dangereuse qui, si elle n’est pas
évitée, pourrait entraîner de graves blessures, voire
la mort.
indique une situation
potentiellement dangereuse qui, si elle n’est pas
évitée, pourrait résulter en des blessures mineures
ou modérées.
sans le symbole d’alerte à la
sécurité, indique une situation potentiellement
dangereuse qui, si elle n’est pas évitée, pourrait
résulter en des dommages matériels.
Lire et suivre toutes les directives et tous les
renseignements sur la sécurité.
!
INFORMATIONS GENERALES
A. Les spécifications ou caractéristiques du produit, telles
qu’elles sont décrites ou illustrées, sont sujettes à modi-
fication sans préavis.
B. Ce climatiseur est conçu en fonction des
paramètres suivants :
1. Installation dans une caravane lors de la fabrication
de celle-ci.
2. Montage sur le toit d’une caravane.
3. Charpente du toit constituée de solives espacées
d’au moins 40,6 cm.
4. Distance de 2,5 cm minimum/10 cm maximum entre
le toit et le plafond de la caravane. D’autres méthodes
d’installation sont compatibles avec une épaisseur
de toit supérieure à 10 cm.
C. La capacité du climatiseur à maintenir la température
intérieure désirée dépend de la quantité de chaleur qui
pénètre dans la caravane.
Certaines mesures préventives permettent une réduction
de l’entrée de chaleur et l’amélioration de la performance
du climatiseur. Lorsque la température extérieure est très
élevée, les mesures suivantes permettent une réduction
de l’entrée de chaleur :
1. Stationnement de la caravane à l’ombre;
2. Emploi de stores et/ou rideaux aux fenêtres;
3. Maintien des portes et fenêtres fermées; réduction
de leur utilisation;
4. Minimisation de l’emploi d’appareils générateurs de
chaleur.
Un fonctionnement en mode ventilateur vitesse élevée/
refroidissement donne une efficacité maximum en
atmosphère très humide ou si la température extérieure
est élevée.
Une utilisation du climatiseur très tôt le matin, et avant le
début d’une période à température extérieure élevée,
améliore considérablement la capacité du climatiseur à
maintenir la température interne désirée.
Pour une solution plus permanente contre la chaleur,
l’emploi d’un accessoire comme un auvent extérieur
réduit l’exposition directe au soleil et par conséquent la
chaleur. Un tel auvent ménage également un espace
confortable pour les conversations à la fraîcheur du soir.
D. Condensation
Remarque : Le fabricant de ce climatiseur décline toute
responsabilité au titre de dommages imputables à
la condensation se formant sur les plafonds ou d’autres
surfaces. L’air contient de l’humidité et cette humidité tend à
se condenser sur les surfaces froides. Lorsque de l’air pénètre
dans la caravane, on observe la formation de condensation
sur les plafonds, les fenêtres et les pièces métalliques, etc. Le
climatiseur élimine cette humidité de l’air au cours du
fonctionnement normal. On peut minimiser la condensation
d’humidité sur les surfaces froides en maintenant les portes et
fenêtres fermées lorsque le climatiseur fonctionne.
ATTENTION

44
** Le fabricant fournit des directives GENERALES pour les
génératrices. Ces directives découlent de l’expérience
accumulée en situation réelle.
Lors du choix de la génératrice, tenir compte de la
consommation totale d’énergie de la caravane. Tenir compte
également du fait que la puissance de la génératrice peut
diminuer à haute altitude ou à la suite d’un manque d’entretien.
Spécifications
A. Précautions
INSTRUCTIONS D’INSTALLATION
B. Choix de l’emplacement du climatiseur
Ce climatiseur est spécifiquement conçu pour être installé
sur le toit d’une caravane. Pour déterminer les besoins
en refroidissement, les points suivants doivent être tenus
en compte :
•Taille de la caravane;
•Surface des fenêtres (augmente le gain thermique);
•Quantité d’isolant dans les parois et le toit;
•Emplacement géographique de l’endroit où la caravane
sera utilisée;
•Niveau de confort personnel requis.
1. Emplacement normal - Le climatiseur est est conçu
pour être monté sur une ouverture d’aération existante
dans le toit du véhicule.
FIG. 1
1/2 L LL
1/3 L
2/3 L
FIG. 2
Il est préférable que le climatiseur soit installé sur
une section du toit relativement plate et horizontale.
On évalue ceci lorsque la caravane est stationnée sur une
surface horizontale.
Remarque : Une inclinaison de 8° latéralement est tolérée,
mais une inclinaison de l’avant vers l’arrière est inacceptable.
FIG. 3
Une inclinaison de l’avant vers l’arrière est
INACCEPTABLE
Modèle n° B3200 Elément
chauffant
électrique
Type 3253.331
Capacité nominale
du compresseur (kW) 3,2 1,6
Alimentation électrique 220-240 V CA, 50 Hz, 1 phase
Pleine charge - ampères
(compresseur/moteur) 5,2 / 1,1 --- / 1,1
Moteur bloqué - ampères
(compresseur/moteur) 26 / 3,8 --- / 3,8
Charge de réfrigérant R407C
grammes/oz 496 / 15,5 ---
Protection du circuit Fusible temporisé 10 A
ou disjoncteur
Puissance d’entrée (kW) 1,35 1,5
Calibre/longueur Jusqu’à 8 mètres
minimum de fil Choisir un calibre de 1 mm2.
Cuivre.
** Puissance de la 1 appareil - 3,5 kW
génératrice 2 appareils - 5 kW
Une installation incorrecte peut causer
d’importants dommages matériels, être à
l’origine de blessures graves ou d’un accident
mortel.
1. Lire attentivement les instructions d’installation et
d’utilisation avant de faire fonctionner le climatiseur.
2. Le fabricant décline toute responsabilité au titre de
dommages ou blessures imputables au non-respect
des instructions suivantes.
3. L’installation de cet équipement doit être faite
conformément à la norme de câblage nationale IEC
335-2-40, CI, 7.12.1. L’installation doit satisfaire
aux exigences des codes et règlements applicables.
4. Il NE FAUT PAS ajouter à ce climatiseur d’autres
accessoires ou dispositifs que ceux spécifiquement
autorisés par le fabricant.
5. Les travaux d’entretien de cet équipement doivent
être exécutés par un technicien qualifié à qui il peut
être demandé de posséder une licence selon les
codes et règlements locaux en vigueur.
2. Autres emplacements - Si aucun évent n’est
disponible ou qu’un autre emplacement
est souhaité, il est recommandé de suivre ces
indications :
a. Installation d’un seul climatiseur : Le climatiseur
devrait être installé légèrement en avant du cen-
tre (avant/arrière) et centré latéralement.
b. Installation de deux climatiseurs : Installer un
climatiseur à 1/3 de la longueur depuis l’avant
de la caravane. Installer le second climatiseur à
2/3 de la longueur depuis l’avant de la caravane.
Les deux climatiseurs doivent être centrés
latéralement.

45
C. Préparation du toit
1. Ouverture - Avant de découper l’ouverture dans le
plafond et d’entreprendre l’installation, lire toutes les
instructions suivantes.
Si aucun évent existant n’est utilisé, découper une
ouverture de 36,2 x 36,2 cm (± 0,3 cm) dans le toit et
le plafond de la caravane. Cette ouverture doit être
située entre les solives de renforcement du toit.
FIG. 5
L'ouverture de 36,2 x 36,2 cm (± 0,3 cm) fait partie
du système de retour d’air du climatiseur et doit être
finie conformément aux codes et/ou réglements
nationaux et locaux.
2. Enlèvement de l’évent du toit :
a. Dévisser et retirer l’évent.
b. Retirer tout le calfeutrage autour de l’ouverture.
c. Sceller toutes les jointures et les trous de vis à
l’endroit du joint de toit. Utiliser un produit
d’étanchéité de bonne qualité (fig. 6).
9-1/2"
39"
28-3/4"
20"
2-1/2"
22"
FIG. 4
24 cm
102 cm
74 cm
51 cm
6,4 cm
56 cm
51 cm
28,3 cm
10,5 cm
7,5 cm
7,5 cm
Ligne centrale
de l’ouverture
Périmètre de
la boîte à air
Empêcher
l’obstruction
de cette zone
10,5 cm
18,1 cm
18,1 cm
Ouverture de
36,2 x 36,2 cm
(± 0,3 cm)
54,3 cm
Ligne centrale
de l’appareil
30,5 cm
10,2 cm
10,2 cm
Arrière
de
l’appareil
Ouverture de
36,2 x 36,2 cm
(± 0,3 cm)
3. Après avoir choisi l’emplacement :
a. Rechercher d’éventuels obstacles dans la zone
choisie pour l’installation du climatiseur (fig. 4).
b. Le toit du véhicule doit pouvoir soutenir une
charge de 65 kg lorsque le véhicule est en
mouvement. Normalement, une valeur de
conception de 100 kg pour la charge statique
satisfait à cette exigence.
ATTENTION
C’est à l’installateur de ce climatiseur
qu’incombe la responsabilité de vérifier que
la résistance structurale du toit de la caravane
est suffisante. Ne jamais laisser une zone
concave sur le toit où l’eau risquerait de
s’accumuler. De l’eau stagnant autour de
l’appareil pourrait couler à l’intérieur,
endommageant le climatiseur et la caravane.
c. Vérifier l’intérieur de la caravane à la recherche
d’éventuels obstacles (ouverture de portes,
cloisons, rideaux, lampadaires de plafond, etc.)
(fig. 4 et 5).
10,5 cm
28,3 cm
Il peut y avoir des câbles électriques entre le
plafond et le toit du véhicule. Débrancher le
véhicule de toute source d’alimentation
électrique de 220 - 240 V CA et la borne positive
(+) de la batterie de 12 V CC. Le non-respect
de ces instructions pourrait susciter un risque
de choc électrique, entraînant de graves
blessures, voire la mort.

46
FIG. 6
FIG. 7
Ne pas couper la
structure ou les
solives du toit
Correct :
Les solives
sont soutenues
par des poutres
transversales
Bon emplacement :
Entre les solives
du toit
Encadrer l’ouverture
pour qu’elle ne
s’effondre pas lorsque
le climatiseur y est fixé
Laisser un accès pour
les fils électriques 37,5 cm min.
devant l’ouverture
2,5 cm min.
d. Si l’ouverture dépasse 36,2 x 36,2 cm
(± 0,3 cm), il faudra redimensionner l’ouverture
pour qu’elle mesure 36,2 x 36,2 cm (± 0,3 cm).
e. Si l’ouverture est inférieure à 36,2 x 36,2 cm
(± 0,3 cm), elle doit être élargie.
3. Nouvelle ouverture - (Installation autre que l’ouverture
de l’évent)
a. Tracer un carré de 36,2 x 36,2 cm (± 0,3 cm) sur
le toit. Découper soigneusement l’ouverture.
b. Utiliser l’ouverture découpée dans le toit comme
guide pour découper une ouverture identique
dans le plafond.
c. Réaliser un encadrement pour l’ouverture ainsi
créée pour obtenir un support approprié et
empêcher l’introduction d’air dans la cavité du
toit. Utiliser du bois de 2,5 cm d’épaisseur ou
plus. Ne pas oublier de percer un trou à l’avant de
l’ouverture pour faire passer les fils électriques
(fig. 7).
C’est à l’installateur de ce climatiseur
qu’incombe la responsabilité de vérifier que
la résistance structurelle du toit du VR est
suffisante. Ne jamais laisser une zone concave
sur le toit où l’eau risquerait de s’accumuler.
De l’eau stagnant autour de l’appareil pourrait
couler à l’intérieur, endommageant le
climatiseur et la caravane.
D. Câblage
1. Câble d’alimentation de 220 - 240 V CA
Acheminer un câble électrique en cuivre de 1 mm2
et 220 - 240 V CA (avec mise à la terre) entre la
boîte de fusibles ou du disjoncteur et l’ouverture
découpée dans le toit.
a. Ce câble d’alimentation doit être placé dans la
partie avant de l’ouverture de 36,2 x 36,2 cm
(± 0,3 cm).
b. Ce circuit DOIT être un circuit indépendant
protégé par un disjoncteur HACR ou un fusible
temporisé de 10 A.
c. Veiller à laisser le câble dépasser d’au moins
37,5 cm à travers l’ouverture du toit. Il sera
ainsi facile d’effectuer le raccordement au
niveau de la boîte de connexion.
d. Le câblage doit satisfaire aux exigences des
codes nationaux et locaux en matière
d’installations électriques.
e. Protéger le câble à son point de passage dans
l’ouverture (bague d’acier ou passe-fil, ou
méthode équivalente).
E. Installation du climatiseur sur le toit
Cet appareil pèse environ 45 kg. Pour éviter de
se faire mal au dos, utiliser un monte-charge
pour placer l’appareil sur le toit.
FIG. 8
Ne pas faire glisser le climatiseur sur le toit.
Ceci pourrait faire subir des dommages au joint
de néoprène fixé sous le climatiseur et causer
des fuites.
FIG. 9 AVANT
1. Retirer le climatiseur de son emballage et jeter
l’emballage (fig. 8).
ATTENTION
ATTENTION
2. Placer le climatiseur sur le toit.
3. Soulever l’appareil pour le placer au-dessus de
l’ouverture découpée dans le toit. Utiliser le joint du
climatiseur comme guide (fig. 9).

47
FIG. 11
Étape a :
Couper selon
les pointillés
Étape b :
Couper selon
les pointillés
Étape c :
Utiliser tel quel
Conduit supérieur
d’évacuation de l’air
Conduit inférieur
d’évacuation de
l’air
Arrière du
climatiseur
Conduit supérieur
d’évacuation de l’air Bord sans bride
vers l’arrière de
l’appareil
FIG. 10
Si les vis sont mal serrées, l’étanchéité du toit
ne sera pas assurée. Si elles sont trop serrées,
cela risque d’endommager le plateau de base
du climatiseur ou le gabarit de plafond. Serrer
les vis selon les valeurs données dans ce
manuel.
FIG. 12 Faire glisser le conduit
inférieur par-dessus le
conduit supérieur
Joint de toit
Tenir le gabarit de plafond
d’une main et installer les 3 vis
de fixation en les serrant avec
l’autre main
Ouverture de
retour d’air
Déconnecter l’appareil de l’alimentation
220 - 240 volts CA. Le non-respect de cette
instruction présente un risque de choc
électrique, qui peut entraîner de graves
blessures, voire la mort.
4. Amener l’ensemble de boîte à air dans la caravane.
Cet ensemble contient des pièces de montage du
climatiseur qui seront installées à l’intérieur de la
caravane.
Le travail à effectuer à l’extérieur est maintenant terminé.
Le cas échéant, il est possible d’effectuer des ajustements
mineurs depuis l’intérieur de la caravane.
F. Installation du climatiseur
1. Enlever la boîte à air et les pièces de montage de leur
boîte. Pendant le transport, le conduit supérieur est
logé à l’intérieur du conduit inférieur qui fait partie du
gabarit de plafond.
2. Vérifier l’alignement et ajuster au besoin (le joint
du toit est centré sur l’ouverture de 36,2 x 36,2
± 0,3 cm).
3. Sortir le conduit supérieur du gabarit de plafond
et le monter sur l’orifice d’évacuation du ventilateur
(fig. 10).
Remarque : Le bord dépourvu de bride est orienté vers
l’ARRIERE de l’ouverture.
4. Fixer le conduit sur le plateau de base à l’aide de deux
(2) vis à métaux pointues n° 10. Des trous sont
prévus à cet effet dans le fond du plateau de base.
5. Atteindre l’ouverture de retour d’air de l’appareil et
tirer le cordon électrique de l’appareil vers le bas pour
le raccorder plus tard.
6. Mesurer l’épaisseur entre le plafond et le toit :
a. Si la distance est de 2,5 à 5 cm, enlever les
languettes prédécoupées des conduits inférieur
et supérieur (fig. 11).
b. Si la distance est de 5 à 7,5 cm, enlever les
languettes prédécoupées du conduit inférieur
seulement (fig. 11).
c. Si la distance est de 7,5 cm à 10 cm, installer les
conduits tels quels (fig. 11).
7. Installer le gabarit de plafond en faisant glisser le
conduit inférieur par-dessus le conduit supérieur
(fig. 12).
8. Tenir le gabarit de plafond d’une main et, de l’autre,
installer les trois vis de montage de 15 cm dans le
gabarit et le plateau de base.
a. Serrer les vis à la main et vérifier l’alignement. Il
doit y avoir une ouverture égale de chaque côté
et le rebord arrière doit être bien plaqué contre
l’ouverture du toit
b. Serrer UNIFORMEMENT les vis de montage
au couple de 4,5 à 5,5 Nm (newton-mètres).
Ceci provoque la compression du joint
d’étanchéité du toit jusqu’à une épaisseur
d’environ 1,3 cm. Les vis sont autofreinées.
Un serrage excessif n’est donc pas
nécessaire.
G. Raccordement électrique du climatiseur
Important : L’installation électrique doit être effectuée
par un électricien autorisé. Dans certaines régions, cet
électricien doit posséder une licence.
ATTENTION

48
1. Il est possible de raccorder l’appareil directement
à la boîte de connexion (pour un raccordement
permanent) ou de raccorder une fiche moulée à la
boîte de connexion (pour un raccordement ponctuel).
a. En cas de raccordement permanent : Acheminer
le câble d’alimentation déjà installé sur
l’ouverture du toit jusqu’à la boîte de connexion
du gabarit de plafond. Faites le raccordement
conformément aux instructions du paragraphe 2.
b. En cas de raccordement ponctuel : Brancher le
câble d’alimentation mentionné dans
« D. Câblage » sur la prise électrique installée
(conformément aux lois applicables) à l’extrémité
de l’ouverture du toit opposée à la boîte de
connexion.
Important : Ne pas brancher la fiche moulée avant que
le climatiseur ne soit complètement installé et avant d’être
prêt à vérifier qu’il fonctionne. (Instructions d’utilisation)
•Acheminer l’ensemble de fiche moulée de
la prise électrique jusqu’à la boîte de
connexion en prenant garde à ne pas
enrouler l’excés de câble pour ne pas
entraver la circulation de l’air. Raccorder
l’ensemble de fiche au bloc de branchement,
comme décrit au paragraphe 2.
2. Raccorder le câble d’alimentation au climatiseur par
le biais du bloc de branchement qui se situe dans la
boîte de connexion. Raccorder les fils ensemble :
blanc/blanc, noir/noir et vert/vert ou vert/conducteur
de cuivre nu (L, N, et respectivement).
3. Serrer le connecteur du câble d’alimentation pour le
maintenir en place. Prendre garde à ne pas pincer
les câbles ou les faire accidentellement entrer en
contact (court-circuit).
Remarque : Si l’élément chauffant en option fait partie de
cette installation, il doit être installé maintenant. Les instruc-
tions d’installation sont fournies avec l’élément chauffant.
4. Repousser soigneusement l’excès de câble dans la
boîte de connexion et installer le couvercle de la boîte
avec les deux vis sans pointe fournies.
5. Brancher le cordon électrique en provenance de
l’appareil supérieur dans le connecteur
correspondant de la boîte de commutation (fig. 13).
6. Utiliser une attache pour retenir la ou les fiches de
connexion pour qu’elles ne soient pas débranchées
pendant le fonctionnement de l’appareil.
FIG. 13
Acheminer le câble
d’alimentation par le
biais du connecteur
Romex
Brancher le cordon sur
la boîte de distribution et
le fixer à l’aide d’une
attache pour éviter qu’il
ne se débranche
Installer le
couvercle
H. Installation de la boîte à air
1. Enlever les deux grilles et filtres de retour d’air.
2. Faire glisser l’avant de la boîte à air par-dessus les
axes du thermostat et du sélecteur (fig. 14).
FIG. 14
Faire glisser la boîte à air
par-dessus les commandes
3. Installer les quatre vis dans les pieds de la boîte à
air et dans les trous prépercés du gabarit de plafond.
4. Installer les grilles et les filtres de retour d’air en les
poussant.
5. Installer les deux boutons en les enfonçant sur leurs
axes.
6. L’alimentation du climatiseur doit maintenant être
mise en MARCHE.
7. Le climatiseur est maintenant installé et prêt à
fonctionner. Lire les instructions suivantes avant de
faire fonctionner l’appareil.
INSTRUCTIONS D’UTILISATION
A. Commandes
1. Le sélecteur comporte huit positions, dont celle
d’ARRET. Le sélecteur commande la vitesse du
ventilateur, le mode de chauffage et les modes de
refroidissement (fig. 15).
FIG. 15
Sélecteur
3
2
1
1
2
3
FIG. 16
2. Le thermostat commande la mise en marche et
l’arrêt du compresseur à des températures allant de
18,5 °C à 32,5 °C (fig.16).
Remarque : Le thermostat ne commande pas le
fonctionnement de l’élément chauffant, si ce dernier est
installé.
Thermostat

49
B. Refroidissement
1. Tourner le thermostat sur la position désirée.
2. Sélectionner la vitesse du ventilateur qui convient
le mieux :
a. REFROIDISSEMENT ELEVE : Pour le niveau
le plus élevé de refroidissement et l’élimination
de l’humidité. (3 )
b. REFROIDISSEMENT MODERE : Pour un
niveau modéré ou normal de refroidissement.
(2 )
c. REFROIDISSEMENT LEGER : Pour maintenir
un niveau de confort atteint. On utilise
normalement cette vitesse la nuit. (1 )
Important : Lorsque le climatiseur est sous tension et
qu’un refroidissement est nécessaire, le ventilateur et le
compresseur se mettent en marche simultanément. Après
avoir arrêté le climatiseur manuellement par le biais du
sélecteur ou du thermostat, attendre toujours 2 à 3 minutes
avant de le remettre en marche. Cela permet l’équilibrage
des pressions du réfrigérant à l’intérieur du climatiseur et
le redémarrage du compresseur.
Remarque : Le ventilateur marche en continu pour faire circuler
l’air et maintenir une température égale. Le compresseur se
met en marche lorsqu’un refroidissement est nécessaire pour
maintenir le niveau de température souhaité.
C. Fonctionnement du ventilateur
1. Il fait circuler l’air dans le véhicule sans
refroidissement ni chauffage. Il comporte trois
positions : VITESSE ELEVEE (3 ), VITESSE
MOYENNE (2 ) ou VITESSE BASSE (1 ) à
choisir selon les préférences individuelles (fig.15).
D. Chauffage (le cas échéant)
Remarque : Cet élément chauffant électrique ne remplace
pas un appareil de chauffage et ne peut donc pas chauffer le
véhicule par temps froid. Il ne sert qu’à adoucir la température
des matins ou jours plus frais.
1. Tourner le sélecteur sur CHALEUR EN OPTION
() (fig. 15).
2. L’élément chauffant se met ensuite en marche et
commence à chauffer.
3. Lorsque le niveau de température souhaité dans le
véhicule est atteint, déplacer le sélecteur sur la
position d’ARRETou de VENTILATEUR.
Remarque : Le thermostat ne commande pas le cycle
de MISE EN MARCHE/ARRET de l’élément chauffant.
Si l’élément chauffant en option n’est pas installé et sélectionné,
le ventilateur fonctionnera en VITESSE BASSE.
E. Position d’ARRET
1. Pour arrêter l’appareil.
F. Entretien par le client
1. Retirer périodiquement les filtres de retour d’air
situés au-dessus des panneaux amovibles de la
boîte à air. Laver les filtres avec de l’eau tiède et du
savon. Laisser sécher, puis réinstaller le filtre.
Remarque : Ne jamais faire fonctionner le climatiseur alors
que les filtres de retour d’air ne sont pas en place. De la
saleté pourrait s’accumuler sur le serpentin de l’évaporateur
du climatiseur et en affecter sensiblement la performance.
2. Nettoyer le boîtier de la boîte à air et le tableau de
commande à l’aide d’un linge doux imbibé d’un
détergent doux. Ne jamais utiliser de cire pour meubles
ou de poudre à récurer.
3. Le moteur du ventilateur est lubrifié en usine et
ne nécessite donc aucun entretien dans des
conditions d’utilisation normales.
4. Dans certaines conditions, du givre peut se former
sur le serpentin de l’évaporateur. Si cela se produit,
vérifier le filtre et le nettoyer s’il est sale. S’assurer
que les lames ne sont pas obstruées. Le givre a plus
tendance à s’accumuler sur les climatiseurs lorsque
la température extérieure est relativement basse.
Ceci peut être évité en réglant le bouton de commande
du thermostat à un réglage plus chaud (en le tournant
vers la gauche). Si le givre persiste, faire fonctionner
le ventilateur en VITESSE BASSE, MOYENNE ou
ELEVEE, jusqu’à ce que le serpentin de
refroidissement n’ait plus de givre.
5. Si le climatiseur ne fonctionne pas ou fonctionne mal,
contrôler ce qui suit avant de contacter votre centre
de service.
a. Si la caravane est alimentée par le moteur,
vérifier que celui-ci fonctionne et génère une
tension.
b. Si la caravane est alimentée par une ligne
électrique terrestre, vérifier que les
caractéristiques de la ligne d’alimentation
suffisent pour l’alimentation de la charge imposée
par le climatiseur, et vérifier que le climatiseur est
bien branché sur la ligne d’alimentation.
c. Inspecter le fusible ou le disjoncteur pour vérifier
si le circuit est ouvert.
d. Après avoir exécuté les contrôles ci-dessus,
contacter un centre de service local pour obtenir
de l’aide. Seul un technicien qualifié doit exécuter
des travaux sur cet équipement.
6. Si un câble ou cordon d’alimentation est endommagé,
il doit être remplacé par le fabricant, un de ses
techniciens ou une autre personne qualifiée.
7. Lors d’un appel à un centre de service, toujours
donner :
a. Les numéros de modèle et de série du climatiseur,
figurant sur la plaque signalétique située sur le
plateau de base de l’appareil.
b. Les numéros de série et de pièce de l’ensemble
de boîte à air, figurant sur la plaque signalétique
située sur le gabarit de plafond. Il est possible de
voir cette plaque par l’ouverture de la grille de
filtration de la boîte à air.

50
Montage sur le toit
Arrière
Climatiseur
Conduit supérieur
d’évacuation de l’air
Gabarit de plafond
Vis de fixation
Boîte à air
Ouverture dans le toit
FIG. 17

51
SCHÉMA DE CÂBLAGE DU CLIMATISEUR
SCHÉMA DE CÂBLAGE DE LA BOÎTE À AIR
CONTRÔLÉ
PAR TESTS
DIÉLECTRIQUES
VERT/
JAUNE
BRUN
CONDENSATEUR
DU VENTILATEUR
RELAIS
CTP
ROUGE
(OPT.)
COND. DE
DÉMAR-
RAGE
BLEU
ROUGE
JAUNE
NOIR
MOTEUR
CONDENSATEUR
DE MARCHE
BLANC
COMPRESSEUR
ID
VERT/JAUNE
BRUN
BLANC
ROUGE
ROUGE
BLANC
BLANC
ID
C
S
R
3105595.023
O.L.
COMPRESSOR
COMPRESSOR
O.L.
RS
C
RUN CAP
RUN CAP
7
6
5
4
3
2
1
SWITCH
ROTARY
H
C
L1
4
2
1
MOTOR
2
HEAT ACCESSORY
HEAT ACCESSORY
BLK
BLK
BLK
ELEMENT
ELEMENT
LIMIT SWITCH
3
1
WHT
LIMIT SWITCH
BOX
JUNCTION
JUNCTION
LINE SPLICE
LINE SPLICE
FIELD WIRING
FIELD WIRING
FACTORY WIRING
TSTAT
USE COPPER CONDUCTORS ONLY
USE COPPER CONDUCTORS ONLY
220/240 VAC 50 HZ, 10
220/240 VAC 50 HZ, 10
3105580.025
FAN CAP
FAN CAP
ID
ID
BLK
YEL
RED
BLU
WHT
WHT
GR/YL
BLK
YEL
RED
BLU
WHT
WHT
GR/YL
BRN
BRN
WHT
RED
RED
WHT
GRY
WHT
WHT
BLK
GR/YL
GR/YL
GR/YL
BLU
43
ACTIVE (L)
ACTIVE (L)
NEUTRAL (N)
NEUTRAL (N)
EARTH ( )
EARTH ()
GR/YL
PTCR
COMP STARTER
START
*
CAP
MOTEUR
CONDENSATEUR
DU VENTILATEUR
CONDENSATEUR
DE MARCHE
COMPRESSEUR
L1 COM CHA
INTERRUPTEUR
ROTATIF
BLEU BLEU BLEU
NOIR
NOIR NOIR
NOIR NOIR
NOIR
BLANC BLANC
BLANC
BLANC
BLANC
BLANC
BLANC
BLANC
BLANC
GRIS
THERMOSTAT
GRIS/
JAUNE GRIS/
JAUNE
GRIS/
JAUNE
GRIS/
JAUNE
GRIS/
JAUNE
MAR DEM
COM
SUR
BRUN
BRUN
JAUNE JAUNE
ROUGE
ROUGE ROUGE
ROUGE
DÉMARREUR DU COMPRESSEUR
RELAIS
CTP
ACCESSOIRE DE CHAUFFAGE
INTERRUPTEUR
DE FIN DE COURSE
ÉLÉMENT
INTERRUPTEUR
DE FIN DE COURSE
CÂBLAGE DU PRODUIT
CÂBLAGE LOCAL
POINT DE RACCORDEMENT
BOÎTE DE
CONNEXION
ACTIF (L)
NEUTRE (N)
220/240 V CA, 50 Hz, ø 2,5 cm
UTILISER UNIQUEMENT DES
CONDUCTEURS EN CUIVRE
3105580.025
*
* CONDENSATEUR
DE DÉMARRAGE
TERRE ( )

52
BITTE NOTIEREN SIE SICH HIER
DIE DATEN DES GERÄTS:
Modellnr.:
Seriennr.:
Kaufdatum:
INSTALLATIONS- UND
BETRIEBSANLEITUNG
Wichtig: Die Anleitung muss
beim Gerät verbleiben.
Bitte sorgfältig lesen.
Vor dem Einbau, Einstellen oder Warten des Geräts muss die Anleitung gelesen
und verstanden werden. Die Installation muss von einem qualifizierten Techniker
vorgenommen werden. Änderungen an diesem Produkt können gefährlich sein und
zu Verletzungen und Sachbeschädigungen führen.
Dachklimaanlage
CARAVAN-MODELL B3200
TYP 3253.331
Modell
B3200
KUNDENDIENST
Dometic Corporation
Informationen
erhalten Sie unter:
www.dometic.com
ÜBERARBEITUNG:
Form Nr. 3310147.032
(Ersetzt Nr. 3310147.024)
Dänisch, deutsch, englisch,
finnisch, französisch, griechisch,
italienisch, niederländisch, norwegisch,
portugiesisch, schwedisch & spanisch
©2007 9/07 Dometic GmbH
D-57074 Siegen

53
SICHERHEITSVORKEHRUNGEN
Diese Anleitung enthält Sicherheitshinweise, die dem
Benutzer helfen, Unfälle und Verletzungen zu
vermeiden.
SYMBOLE FÜR SICHERHEITSHINWEISE
Dieses Symbol weist auf Gefahren hin. Die
Nichtbeachtung von Gefahrenhinweisen kann zu
Verletzungen führen.
Befolgen Sie daher die Empfehlungen und Hinweise
für den gefahrlosen Betrieb.
BEDEUTUNG DER SIGNALWÖRTER
Das Gefahrensymbol wird vom Signalwort
VORSICHT oder ACHTUNG begleitet. Das
Gefahrensymbol und das Signalwort weisen
zusammen auf die Gefahrenstufe hin.
weist auf die Gefahr einer
schweren oder tödlichen Verletzung hin.
weist auf die Gefahr einer leichten
oder mittelschweren Verletzung hin.
ohne Gefahrensymbol weist auf
die Gefahr einer Sachbeschädigung hin.
Lesen und befolgen Sie jegliche Sicherheitshinweise.
!
A. Die beschriebenen Produkteigenschaften oder
-spezifikationen können ohne vorherige Ankündigung
geändert werden.
B. Diese Klimaanlage wurde für folgende
Anwendungen entwickelt:
1. Installation auf einem Wohnwagen bei der Herstellung
des Wohnwagens.
2. Montage auf dem Dach eines Wohnwagens.
3. Dachkonstruktion aus Sparren und Streben mit
Zwischenräumen von mindestens 406 mm.
4. Mindestens 25 mm und maximal 100 mm Abstand
zwischen dem Dach und der Decke des Wohnwagens.
Bei abweichenden Installationsverfahren ist eine
Dachstärke von mehr als 100 mm möglich.
C. Die Fähigkeit der Klimaanlage, die gewünschte
Innentemperatur aufrecht zu erhalten, ist von der
Wärmeaufnahme des Wohnwagens abhängig.
Benutzer können einige vorbeugende Maßnahmen
ergreifen, um die Wärmeaufnahme des Wohnwagens zu
reduzieren und die Leistung der Klimaanlage zu verbessern.
Bei extrem hohen Außentemperaturen kann die
Wärmeaufnahme des Wohnwagens folgendermaßen
reduziert werden:
1. Abstellen des Wohnwagens in einem schattigen Bereich
2. Verwenden von Fensterverdunklungen (Rollläden und/
oder Vorhängen)
3. Fenster und Türen geschlossen halten, bzw. so selten
wie möglich öffnen
4. Keine wärmeerzeugenden Geräte verwenden
Der Betrieb im Modus Maximale Umwälzung/Kühlung liefert
die beste oder maximale Effizienz bei feuchten oder hohen
Außentemperaturen.
Wenn Sie die Klimaanlage am frühen Morgen starten und
eine ausreichende Vorlauf bei zu erwartenden hohen
Außentemperaturen vorsehen, erleichtern Sie die
Aufrechterhaltung der gewünschten Innentemperaturen.
Als dauerhafte Lösung gegen eine hohe Wärmeaufnahme
empfehlen sich Vorzelte oder Fensterläden, die vor direkter
Sonneneinstrahlung schützen. Sie bieten darüber hinaus
zusätzlichen Raum für das gesellige Beisammensein in den
kühleren Abendstunden.
D. Kondensation
Hinweise:Der Hersteller dieser Klimaanlage haftet nicht für
Schäden, die durch kondensierende Feuchtigkeit an Decken
oder anderen Oberflächen entstehen. Luft enthält Feuchtigkeit,
die an kalten Oberflächen kondensiert. Wenn Luft in den
Wohnwagen eindringt, kann sich an der Decke sowie den
Fenstern, Metallteilen usw. kondensierte Feuchtigkeit
niederschlagen. Die Klimaanlage absorbiert diese Feuchtigkeit
während des normalen Betriebs. Halten Sie während des Betriebs
der Klimaanlage Fenster und Türen geschlossen, um die
Kondensation auf kalten Oberflächen zu minimieren.
ALLGEMEINE INFORMATIONEN

54
** Der Hersteller liefert ALLGEMEINE Richtlinien für
Generatoranforderungen. Diese Richtlinien beruhen auf
Erfahrungen aus der Praxis. Bei der Auswahl der
Generatorleistung muss der Gesamtstromverbrauch des
Wohnwagens beachtet werden. Beachten Sie, dass Generatoren
in großen Höhen und durch fehlende Wartung an Leistung
verlieren.
Technische Daten
A. Vorsichtsmaßnahmen
INSTALLATIONSANWEISUNGEN
B. Auswahl der richtigen Position für die
Klimaanlage
Diese Klimaanlage wurde speziell für die Installation auf dem
Dach eines Wohnwagens entwickelt. Bei der Ermittlung der
Kühlanforderungen ist Folgendes zu beachten:
•Größe des Wohnwagens;
•Fensterfläche (erhöhen die Wärmeaufnahme);
•Umfang der Isolierung von Wänden und Dach;
•Geografischer Standort des Wohnwagens;
•Persönliche Komfortanforderungen.
1. Normale Position: Die Klimaanlage wurde so konstruiert,
dass sie über einer vorhandenen Lüftungsöffnung
montiert werden kann.
ABB. 1
ABB. 2
1/2 L LL
1/3 L
2/3 L
Die Klimaanlage ist auf einem möglichst glatten und ebenen
Dachabschnitt zu installieren, wobei der Wohnwagen auf einer
ebenen Fläche stehen sollte.
Hinweis: Eine Neigung von 8° zu beiden Seiten ist akzeptabel,
eine Neigung von vorne nach hinten ist jedoch nicht zulässig.
ABB. 3
Eine Neigung in Längsrichtung ist
NICHT ZULÄSSIG.
Modellnr. B3200 Elektrische
Heizung
Typ 3253.331
Nennleistung des
Kompressors (KW) 3,2 1,6
Stromversorgung 220/240 V, 50 Hz, 1 Ph
Ampere bei voller Leistung
(Kompressor/Motor) 5,2 / 1,1 --- / 1,1
Ampere bei stehendem Rotor
(Kompressor/Motor) 26 / 3,8 --- / 3,8
Kältemittel R407C
Gramm / Oz. 496/15,5 ---
Schaltungsschutz 10 A zeitverzögerte
Sicherung oder
Schutzschalter
Eingangsleistung (kW) 1,35 1,5
Mindestkabeldurchmesser Bis zu 8 Meter
1 mm2, Kupfer
** Generatorgröße 1 Gerät - 3,5 kW
2 Geräte - 5,0 kW
Eine fehlerhafte Installation kann zu Sachschäden
und Verletzungen führen.
1. Lesen Sie sich vor dem Einbau der Klimaanlage die
Installations- und Betriebsanleitung sorgfältig durch.
2. Der Hersteller haftet nicht für Schäden oder
Verletzungen, die aus der Nichtbeachtung dieser
Anleitung entstehen.
3. Das Betriebsmittel soll in Übereinstimmung mit der
staatlichen Installationsvorschrift gemäß IEC 335-2-
40, CI, 7.12.1 installiert werden. Die Installation muss
unter Einhaltung aller geltenden Vorschriften erfolgen.
4. Verwenden Sie mit dieser Klimaanlage KEINE Geräte
oder Zubehörteile, die vom Hersteller nicht ausdrücklich
zugelassen wurden.
5. Dieses Gerät darf nur von qualifiziertem Personal
gewartet werden. Entsprechend einiger lokaler
Vorschriften können für dieses Personal spezielle
Zulassungen erforderlich sein.
2. Sonstige Positionen: Wenn keine Dachlüftung
vorhanden ist oder eine andere Position gewünscht
wird, gelten folgende Empfehlungen:
a. Installation eines Geräts: Die Klimaanlage sollte
geringfügig vor der Mitte (von vorne gesehen)
sowie mittig von beiden Seiten montiert werden.
b. Installation von zwei Geräten: Installieren Sie
eine Klimaanlage im 1. Drittel und die zweite
Klimaanlage im 2. Drittel (von vorne gesehen)
sowie mittig von beiden Seiten.

55
C. Vorbereitung des Dachs
1. Voraussetzungen für die Öffnung - Lesen Sie sich alle
folgenden Anweisungen durch, bevor Sie mit der Instal-
lation und der Vorbereitung der Deckenöffnung
beginnen.
Wenn keine vorhandene Dachlüftung verwendet
werden soll, muss eine Öffnung von 362 x 362 mm
(± 3,2 mm) in das Dach und die Decke des Wohnwagens
geschnitten werden. Diese Öffnung muss zwischen
den Dachverstärkungen angebracht werden.
ABB. 5
Die Öffnung von 362 x 362 mm (± 3,2 mm) ist Teil der
Abluftsystems der Klimaanlage und muss in
Übereinstimmung mit geltenden Vorschriften
angefertigt werden.
2. Entfernen der Dachluke
a. Lösen Sie die Schrauben, und entfernen Sie die
Dachluke.
b. Entfernen Sie sämtliche Dichtmaterialien im
Bereich der Öffnung.
c. Dichten Sie alle Schraubenlöcher und Nähte im
Bereich der Dachdichtung ab. Verwenden Sie eine
zuverlässige Allwetterdichtmasse. Siehe ABB. 6.
9-1/2"
39"
28-3/4"
20"
2-1/2"
22"
ABB. 4
24 cm
102 cm
74 cm
51 cm
6,4 cm
56 cm
510 mm
283
mm
105
mm 105
mm
283
mm
75 mm
75 mm
Mittellinie
der Öffnung
Außenmaße des
Lüftungskastens
Halten Sie
diesen Bereich frei
von Hindernissen
105 mm
181 mm
181 mm
362 x 362 mm
(± 3,2 mm)
Öffnung
543 mm
Mittellinie des Geräts
305 mm
102 mm
Geräterückseite
362 x 362 mm
(± 3,2 mm)
Öffnung
3. Nach Auswahl der Position:
a. Überprüfen Sie die Installationsposition der
Klimaanlage auf Hindernisse. Siehe ABB. 4.
b. Das Dach muss für eine Belastung von 65 kg bei
Bewegung des Wohnwagens ausgelegt sein. In
der Regel entspricht dies einer statischen
Belastung von 100 kg.
Der Installateur der Klimaanlage haftet für die
Stabilität des Wohnwagendachs. Erzeugen Sie
keine Vertiefungen auf dem Dach, in denen sich
Wasser sammeln kann. Wenn sich in der
Umgebung der Klimaanlage Wasser sammelt,
kann dieses in den Innenraum eindringen und
Schäden an der Klimaanlage sowie am
Wohnwagen verursachen.
c. Überprüfen Sie das Innere des Wohnwagens
auf Hindernisse für die Abluftvorrichtung
(beispielsweise Türöffnungen, Raumteiler,
Vorhänge, Deckenbefestigungen usw.). Siehe
ABB. 4 und 5.
102 mm
Zwischen dem Dach und der Decke können
elektrische Kabel verlaufen. Klemmen Sie das 220/
240-Volt-Netzkabel sowie den 12-Volt-Pluspol (+)
von der Batterie ab. Bei Nichtbefolgung besteht
die Gefahr von Stromschlägen sowie von
schweren und tödlichen Verletzungen.

56
ABB. 6
ABB. 7
Durchtrennen Sie
keine tragenden
Teile des Dachs.
Gut: von
Querstreben
unterstützte
Sparren
Gute Position:
zwischen
Dachsparren
Fassen Sie die Öffnung
ein, damit Sie ausreichend
tragfähig für die Montage
des Geräts ist.
Bringen Sie eine
Zugangsöffnung für die
Stromversorgung an.
mind. 375 mm am
der Vorderseite
der Öffnung
mind. 25 mm
d. Wenn die Öffnung größer als 362 x 362 mm
(± 3,2 mm) ist, muss sie auf eine Größe von 362 x
362 mm (± 3,2 mm) verkleinert werden.
e. Wenn die Öffnung kleiner als 362 x 362 mm
(± 3,2 mm) ist, muss sie entsprechend vergrößert
werden.
3. Neue Öffnung - (Installation ohne Verwendung der
Lüftungsöffnung)
a. Markieren Sie auf dem Dach ein Quadrat von 362 x
362 mm (± 3,2 mm), und schneiden Sie die Öffnung
sorgfältig aus.
b. Verwenden Sie die Dachöffnung als Schablone,
um eine Öffnung in die Decke zu schneiden.
c. Die hergestellte Öffnung muss zur Stabilisierung
und zur Verhinderung des Ansaugens von Luft
aus dem Dachhohlraum eingefasst werden.
Verwenden Sie Holzleisten mit einer Stärke von
mindestens 25 mm. Denken Sie daran, im vorderen
Bereich der Öffnung eine Bohrung für die
Stromversorgung vorzusehen. Siehe ABB. 7.
Der Installateur der Klimaanlage haftet für die
Stabilität des Wohnwagendachs. Erzeugen Sie
keine Vertiefungen auf dem Dach, in denen sich
Wasser sammeln kann. Wenn sich in der
Umgebung der Klimaanlage Wasser sammelt,
kann dieses in den Innenraum eindringen
und Schäden an der Klimaanlage sowie am
Wohnwagen verursachen.
D. Kabelspezifikationen
1. 220/240-Volt-Wechselstromkabel
Verlegen Sie ein geerdetes 220/240-Volt-Kupferkabel
mit einem Querschnitt von 1 mm2 von der verzögerten
Sicherung oder vom Schutzschalter zur Dachöffnung.
a. Dieses Kabel muss sich im vorderen Bereich der
Öffnung von 362 x 362 mm (± 3,2 mm) befinden.
b. Die Stromversorgung MUSS mit einer separaten
verzögerten 10 A-Sicherung oder einem
HACR-Schutzschalter gesichert sein.
c. Stellen Sie sicher, dass das Stromkabel
mindestens 375 mm in die Dachöffnung
hineinreicht. Dies gewährleiste einen problemlosen
Anschluss an den Verteilerkasten.
d. Der Kabelanschluss muss den geltenden
Vorschriften entsprechen.
e. Verwenden Sie eine Stahlummantelung und einen
Dichtungsring o.ä., um das Kabel am Durchgang
zu schützen.
E. Installieren der Klimaanlage auf dem Dach
Das Gerät wiegt ca. 45 kg. Verwenden Sie eine
mechanische Hebevorrichtung, um die
Klimaanlage auf das Dach zu heben. Dadurch
vermeiden Sie Rückenverletzungen.
ABB. 8
Vermeiden Sie es, das Gerät zu schieben. Auf
diese Weise kann die Dichtung auf der Unterseite
des Geräts beschädigt werden, was zu einer
undichten Installation führen kann.
ABB. 9
VORNE
1. Entnehmen Sie die Klimaanlage aus der Verpackung.
Siehe ABB. 8.
2. Platzieren Sie die Klimaanlage auf dem Dach.
3. Heben Sie das Gerät über die vorbereitete Öffnung, und
setzen Sie es dort ab. Verwenden Sie die Dichtung am
Gerät als Orientierungshilfe. Siehe ABB. 9.

57
ABB. 11
Schritt A
Abtrennen an
der Perforation Schritt B
Abtrennen an
der Perforation
Schritt C
Verwenden
wie geliefert
Oberer Abluftkanal
Unterer
Abluftkanal
Rückseite der
Klimaanlage
Oberer Abluftkanal Die Seite ohne
Umbörtelung muss
zur Rückseite des
Geräts weisen.
ABB. 10
Wenn die Bolzen nicht angezogen werden, wird
möglicherweise keine vollständige Dichtigkeit des
Daches erreicht. Wenn die Bolzen zu fest
angezogen werden, können die Unterseite der
Klimaanlage oder der Deckenrahmen beschädigt
werden. Ziehen Sie die Bolzen entsprechend der
Drehmomentangaben in dieser Anleitung an.
ABB. 12 Schieben Sie den
unteren Abluftkanal
über den oberen Kanal.
Dachdichtung
Halten Sie den Dachrahmen mit
einer Hand fest, und ziehen Sie die
drei Befestigungsbolzen handfest an.
Abluftöffnung der
Klimaanlage
Trennen Sie die 220/240 Volt-Stromversorgung.
Bei Nichtbefolgung besteht die Gefahr von
Stromschlägen sowie von schweren und
tödlichen Verletzungen.
4. Platzieren Sie den mechanischen Lüftungskasten im
Inneren des Wohnwagens. Dieser Kasten enthält
Montagevorrichtungen für die Klimaanlage und wird im
Inneren des Wohnwagens verwendet.
Damit sind die Außenarbeiten abgeschlossen. Kleinere
Anpassungen können gegebenenfalls vom Inneren des
Wohnwagens aus vorgenommen werden.
F. Installieren der Klimaanlage
1. Entnehmen Sie den Lüftungskasten und die
Montagevorrichtungen aus der Verpackung. Der obere
Kanal befindet sich innerhalb des unteren Kanals, der
Teil des Deckenrahmens ist.
2. Überprüfen Sie die genaue Ausrichtung, und justieren
Sie das Gerät bei Bedarf (Dachdichtung zentriert bei
362 x 362 mm (± 3,2 mm).)
3. Entfernen Sie den oberen Kanal vom Deckenrahmen,
und platzieren Sie ihn über der Abluftöffnung. Siehe
ABB. 10.
Hinweis: Die Seite ohne Umbörtelung muss zur UNTERSEITE
der Öffnung weisen.
4. Verwenden Sie zwei spitze 10-mm-Blechschrauben,
um den Kanal an der unteren Gehäuseschale zu
befestigen. In der Gehäuseschale sind Löcher für diese
Schrauben vorgesehen.
5. Greifen Sie in die Abluftöffnung der Klimaanlage, und
ziehen Sie das elektrische Kabel des Geräts zum
späteren Anschließen nach unten.
6. Anpassen der Decke an die Stärke des Daches:
a. Wenn der Abstand 25 bis 50 mm beträgt, entfernen
Sie die perforierten Streifen sowohl vom oberen als
auch vom unteren Kanal. Siehe ABB. 11.
b. Wenn der Abstand 50 bis 75 mm beträgt, entfernen
Sie lediglich die perforierten Streifen vom unteren
Kanal. Siehe ABB. 11.
c. Wenn der Abstand 75 bis 100 mm beträgt,
installieren Sie die Kanäle unverändert. Siehe
ABB. 11.
7. Installieren Sie den Deckenrahmen, indem Sie den
unteren Kanal über den oberen Kanal schieben. Siehe
ABB. 12.
8. Halten Sie den Deckenrahmen mit einer Hand fest, und
stecken Sie mit der anderen Hand die drei 150 mm
langen Montagebolzen durch den Rahmen in die
Gehäuseschale.
a. Ziehen Sie die Bolzen handfest an, und prüfen Sie
die Ausrichtung. Die Öffnungen sollten rechts und
links gleich groß sein. Die rückseitige Umbörtelung
muss fest an der Dachöffnung anliegen.
b. Ziehen Sie die drei Bolzen mit einem
Drehmoment von 4,5 bis 5,5 Nm (Newtonmeter)
GLEICHMÄSSIG fest. Dadurch wird die
Dachdichtung auf ca. 13 mm komprimiert. Die
Bolzen sind selbstsichernd, ein übermäßiges
Anziehen ist daher nicht erforderlich.
G. Anschluss der Stromversorgung an die
Klimaanlage
Wichtig: Die elektrische Installation darf ausschließlich von
einem qualifizierten Elektriker vorgenommen werden. Unter
Umständen benötigt dieser eine spezielle Zulassung.

58
1. Sie können die Kabel direkt im Verteilerkasten verlegen
und eine permanente Verbindung herstellen, oder mit
einem anvulkanisierten Stecker an den Verteilerkasten
anschließen.
a. Permanente Verbindung: Verlegen Sie das zuvor
durch die Dachöffnung gezogene Stromkabel
im Verteilerkasten auf dem Deckenrahmen.
Stellen Sie die Verbindung wie in Abschnitt 2
beschrieben her.
b. Steckerverbindung: Verwenden Sie das
Stromversorgungskabel (wie unter
„D. Kabelspezifikationen“ angegeben), um
den Anschluss an die Stromversorgung
vorschriftsgemäß an der Seite der Dachöffnung
vorzunehmen, die am weitesten vom
Verteilerkasten entfernt ist.
Wichtig:Stecken Sie den Stecker erst ein, nachdem Sie die
Klimaanlage vollständig installiert haben und eine
Funktionsprüfung durchgeführt werden kann.
(Betriebsanleitung)
•Führen Sie den Stecker von der
Stromversorgung in den Verteilerkasten,
und achten Sie beim Aufwickeln des
überschüssigen Kabels darauf, dass der
Luftstrom nicht behindert wird. Verbinden Sie
den Stecker wie in Abschnitt 2 erläutert mit
der Anschlussklemme.
2. Verbinden Sie das Stromkabel mit der entsprechenden
Anschlussklemme der Klimaanlage im Verteilerkasten.
Verbinden Sie weiß mit weiß, schwarz mit schwarz
und grün mit grün oder einem blanken Kupferdraht
(Phase bzw. L N und ).
3. Befestigen Sie die Zugentlastung am Kabel, um es
ordnungsgemäß zu fixieren. Achten Sie darauf, die
Kabel nicht zu quetschen und kurzzuschließen.
Hinweis: Wenn Sie eine optionale elektrische Heizung besitzen,
installieren Sie diese zu diesem Zeitpunkt. Installationshinweise
liegen der elektrischen Heizung bei.
4. Ziehen Sie das überschüssige Kabel vorsichtig zurück
in den Verteilerkasten, und befestigen Sie die
Abdeckung mit den beiden mitgelieferten
abgestumpften Schrauben.
5. Schließen Sie das Kabel der oberen Einheit an den
Anschluss des Schaltkastens an. Siehe ABB. 13.
6. Schlingen Sie die Kabelbefestigung um die Stecker,
um ein Entfernen während des Betriebs zu verhindern.
ABB. 13
Ziehen Sie das
Stromkabel durch den
Romex-Anschluss.
Verbinden Sie das Kabel
mit dem Schaltkasten,
und sichern Sie es mit
der Kabelbefestigung
gegen unbeabsichtigtes
Lösen.
Setzen Sie
das Gehäuse
auf.
H. Installation des Lüftungskasten
1. Entfernen Sie die beiden Abluftgitter und -filter.
2. Schieben Sie die Vorderseite des Lüftungskastens
über die Anschlüsse des Thermostats und des
Auswahlschalters. Siehe ABB. 14.
ABB. 14
Schieben Sie den Lüftungskasten
über die Bedienelemente.
3. Stecken Sie die vier Schrauben durch die Löcher im
Lüftungskasten, und schrauben Sie sie in die
vorgesehenen Löcher im Deckenrahmen.
4. Bringen Sie die Abluftgitter und -filter wieder an, indem
Sie sie wieder an ihre Stelle drücken.
5. Setzen Sie die beiden Knöpfe auf die Wellen des Ther-
mostats und des Auswahlschalters auf.
6. Die Stromversorgung für die Klimaanlage kann jetzt
Eingeschaltet werden.
7. Die Klimaanlage ist jetzt installiert und betriebsbereit.
Lesen Sie vor Inbetriebnahme des Geräts die folgende
Betriebsanleitung.
BETRIEBSANLEITUNG
A. Bedienelemente
1. Der Auswahlschalter besitzt acht Stellungen
(einschließlich AUS). Mit diesem Schalter werden die
Ventilatorgeschwindigkeit, der Heizungsmodus und
der Kühlmodus gesteuert. Siehe ABB. 15.
ABB. 15
Auswahlschalter
3
2
1
1
2
3
ABB. 16
2. Mithilfe des Thermostats wird der Kompressor ein- und
ausgeschaltet. Der Kühltemperaturbereich liegt
zwischen 18,5 und 32,5° C. Siehe ABB. 16.
Hinweis: Die optionale elektrische Heizung wird nicht über den
Thermostat gesteuert.
Thermostat

59
B. Kühlbetrieb
1. Stellen Sie am Thermostat die gewünschte Kühlung
ein.
2. Stellen Sie die gewünschte Ventilatorgeschwindigkeit
ein:
a. MAXIMALE KÜHLUNG: Wählen Sie diese
Einstellung, wenn eine maximale Kühlung und
Entfeuchtung gewünscht wird. (3 )
b. MITTLERE KÜHLUNG: Wählen Sie diese
Einstellung, wenn eine normale bzw. mittlere
Kühlung gewünscht wird. (2 )
c. GERINGE KÜHLUNG: Wählen Sie diese
Einstellung, wenn die bestehende Raumtemperatur
aufrechterhalten werden soll. Diese Einstellung
wird in der Regel für den Nachtbetrieb verwendet.
(1 )
Wichtig: Wenn die Klimaanlage eingeschaltet ist und der
Thermostat die Kühlung aktiviert, starten der Ventilator und
der Kompressor gleichzeitig. Warten Sie nach dem manuellen
Ausschalten der Klimaanlage über den Auswahlschalter oder
den Thermostat immer 2 bis 3 Minuten ab, bevor Sie die
Klimaanlage wieder einschalten. Auf diese Weise kann sich
der Kühlmitteldruck in der Klimaanlage ausgleichen, und der
Kompressor kann neu gestartet werden.
Hinweis: Der Lüfter läuft kontinuierlich, um die Luft umzuwälzen
und eine gleichmäßige Raumtemperatur aufrecht zu erhalten.
Der Kompressor wird zugeschaltet, sobald zur Aufrechterhaltung
der gewählten Temperatur eine Kühlung erforderlich ist.
C. Lüfterbetrieb
1. Im Lüfterbetrieb wird die Luft im Wohnwagen umgewälzt,
ohne sie zu kühlen oder zu heizen. Es stehen
drei Positionen zu Verfügung: MAXIMALE
LÜFTUNG (3 ), MITTLERE LÜFTUNG (2 ) oder
GERINGE LÜFTUNG (1 ). Die Auswahl kann nach
Belieben erfolgen. Siehe ABB. 15
D. Heizbetrieb (falls vorhanden)
Hinweis: Diese elektrische Heizung ersetzt keinen Heizofen zur
Heizung des Wohnwagens bei kalten Witterungen. Sie dient
lediglich zur mäßigen Aufwärmung an kühlen Tagen und in den
Morgenstunden.
1. Stellen Sie den Auswahlschalter auf ZUSATZHEIZUNG
(). Siehe ABB. 15.
2. Die Heizung schaltet sich ein.
3. Wenn die gewünschte Temperatur im Wohnwagen
erreicht ist, stellen Sie den Schalter auf AUS oder
LÜFTER.
Hinweis: Der Betrieb der Heizung lässt sich nicht mithilfe des
Thermostats regeln. Wenn die optionale Heizung nicht installiert
ist, wird der Lüfter im Modus GERINGE LÜFTUNG betrieben.
E. Position AUS
1. In dieser Position ist das Gerät ausgeschaltet.
F. Wartung durch den Kunden
1. Entnehmen Sie regelmäßig die Abluftfilter, die sich
oberhalb der abnehmbaren Abdeckungen im
Lüftungskasten befinden. Waschen Sie die Filter mit
Seife und warmem Wasser, und setzen Sie sie nach
dem Trocknen wieder ein.
Hinweis: Betreiben Sie die Klimaanlage NICHT ohne eingesetzte
Abluftfilter. Auf diese Weise kann sich Schmutz auf der
Verdampferschlange absetzen, wodurch die Leistung des Geräts
beeinträchtigt wird.
2. Reinigen Sie das Gehäuse und das Bedienelement mit
einem weichen feuchten Tuch und einem milden
Reinigungsmittel. Verwenden Sie keine Möbelpolitur
oder Scheuerpulver.
3. Der Lüftermotor ist werksseitig geschmiert und erfordert
unter normalen Bedingungen keine Wartung.
4. Unter bestimmten Umständen kann die
Verdampferschlange vereisen. Überprüfen Sie in
diesem Fall die Filter, und reinigen Sie sie
gegebenenfalls. Stellen Sie sicher, dass die
Lufteintrittsöffnungen frei sind. Klimaanlagen neigen
bei niedrigen Außentemperaturen eher zum Vereisen.
Um dies zu vermeiden, drehen Sie den Auswahlschalter
auf eine höhere Temperatur (gegen den Uhrzeigersinn).
Wenn die Vereisung fortbesteht, betreiben Sie
das Gerät ausschließlich in den Modi GERINGE,
MITTLERE oder MAXIMALE LÜFTUNG, bis die
Verdampferschlange eisfrei ist.
5. Wenn das Gerät nicht oder nicht ordnungsgemäß
arbeitet, überprüfen Sie die folgenden Optionen, bevor
Sie sich mit dem Kundendienst in Verbindung setzten.
a. Wenn der Wohnwagen mit einem Motorgenerator
verbunden ist, überprüfen Sie, dass der Generator
läuft und Strom produziert.
b. Wenn der Wohnwagen mit einem Stromkabel
an die Stromversorgung angeschlossen ist,
überprüfen Sie, dass das Kabel für die Last der
Klimaanlage ausreichend dimensioniert
und ordnungsgemäß an die Stromversorgung
angeschlossen ist.
c. Überprüfen Sie, ob die Sicherung bzw. der
Schutzschalter den Stromkreis unterbrechen.
d. Wenn das Problem nach den vorgenannten
Überprüfungen fortbesteht, wenden Sie sich an
den örtlichen Kundendienst. Die Wartung des
Geräts darf ausschließlich von einem qualifizierten
Techniker ausgeführt werden.
6. Wenn jegliche Leitungen oder Stromkabel beschädigt
sind und ausgetauscht werden müssen, darf dies
ausschließlich durch den Hersteller, seine
Kundendienstrepräsentanten oder einen gleichwertig
qualifizierten Fachmann erfolgen.
7. Wenn Sie sich an den Kundendienst wenden, halten
Sie folgende Informationen bereit:
a. Modell- und Seriennummer der Klimaanlage (auf
dem Typenschild auf der unteren Gehäuseschale
der Klimaanlage angegeben).
b. Teile- und Seriennummer des Lüftungskastens
(auf dem Typenschild auf dem Deckenrahmen
angegeben). Zugang zu diesem Typenschild
erhalten Sie durch die Gitteröffnung des Filters.

60
Dacheinheit
Rückseite
Klimaanlage
Oberer Abluftkanal
Deckenrahmen
Montagebolzen
Lüftungskasten
Dachöffnung
ABB. 17

61
SCHALTPLAN DER KLIMAANLAGE
SCHALTPLAN DES LÜFTUNGSKASTENS
GEPRÜFTE
ISOLIERUNG
GR/GE
BRN
LÜFTER-
KONDENS.
KALTLEITER
ROT
(OPT)
START-
KOND.
BLAU
ROT
GELB
SCHW
MOTOR
BETR.-
KONDENS.
WEISS
KOMPRESSOR
ID
GR/GE
BRN
WEISS
ROT
ROT
WEISS
WEISS
ID
GEM.
ÜBER-
LAST
START
BETR.
3105595.023
COMPRESSOR
COMPRESSOR
O.L.
RS
C
RUN CAP
RUN CAP
7
6
5
4
3
2
1
SWITCH
ROTARY
H
C
L1
4
2
1
MOTOR
2
HEAT ACCESSORY
HEAT ACCESSORY
BLK
BLK
BLK
ELEMENT
ELEMENT
LIMIT SWITCH
3
1
WHT
LIMIT SWITCH
BOX
JUNCTION
JUNCTION
LINE SPLICE
LINE SPLICE
FIELD WIRING
FIELD WIRING
FACTORY WIRING
TSTAT
USE COPPER CONDUCTORS ONLY
USE COPPER CONDUCTORS ONLY
220/240 VAC 50 HZ, 10
220/240 VAC 50 HZ, 10
3105580.025
FAN CAP
FAN CAP
ID
ID
BLK
YEL
RED
BLU
WHT
WHT
GR/YL
BLK
YEL
RED
BLU
WHT
WHT
GR/YL
BRN
BRN
WHT
RED
RED
WHT
GRY
WHT
WHT
BLK
GR/YL
GR/YL
GR/YL
BLU
43
ACTIVE (L)
ACTIVE (L)
NEUTRAL (N)
NEUTRAL (N)
EARTH ( )
EARTH ()
GR/YL
PTCR
COMP STARTER
START
*
CAP
BETR.-
KONDENS.
KOMPRESSOR
L1 KOMP. HDREHSCHALTER
BLAU BLAU BLAU
SCHW
SCHW SCHW
SCHW SCHW
SCHW
WEISS WEISS
WEISS
WEISS
WEISS
WEISS
WEISS
WEISS
WEISS
GRAU
THERMOSTAT
GR/GE GR/GE
GR/GE GR/GE
GR/GE
BETR. START
BRN
BRN
GELB GELB
ROT
ROT ROT
ROT
KOMP.-STARTER
START-
KOND.
*
HEIZUNGSZUBEHÖR
GRENZSCHALTER
ELEMENT
GRENZSCHALTER
WERKSVERKABELUNG
FELDVERKABELUNG
KABELVERBINDUNG
VERTEILERKASTEN
AKTIV (L)
NEUTRAL (N)
ERDE ( )
220/240 V 50 Hz, 1 Ø
AUSSCHLIESSLICH
KUPFERLEITUNGEN VERWENDEN
KOMP.
MOTOR
LÜFTER-
KONDENS.
KALTLEITER
ÜBERL.

62
ÊÁÔÁÃÑÁØÔÅ ÁÕÔÅÓ ÔÉÓ ÐËÇÑÏÖÏÑÉÅÓÊÁÔÁÃÑÁØÔÅ ÁÕÔÅÓ ÔÉÓ ÐËÇÑÏÖÏÑÉÅÓ
ÊÁÔÁÃÑÁØÔÅ ÁÕÔÅÓ ÔÉÓ ÐËÇÑÏÖÏÑÉÅÓÊÁÔÁÃÑÁØÔÅ ÁÕÔÅÓ ÔÉÓ ÐËÇÑÏÖÏÑÉÅÓ
ÊÁÔÁÃÑÁØÔÅ ÁÕÔÅÓ ÔÉÓ ÐËÇÑÏÖÏÑÉÅÓ
ÃÉÁ ÌÅËËÏÍÔÉÊÇ ×ÑÇÓÇ:ÃÉÁ ÌÅËËÏÍÔÉÊÇ ×ÑÇÓÇ:
ÃÉÁ ÌÅËËÏÍÔÉÊÇ ×ÑÇÓÇ:ÃÉÁ ÌÅËËÏÍÔÉÊÇ ×ÑÇÓÇ:
ÃÉÁ ÌÅËËÏÍÔÉÊÇ ×ÑÇÓÇ:
Áñéèìüò ìïíôÝëïõÁñéèìüò ìïíôÝëïõ
Áñéèìüò ìïíôÝëïõÁñéèìüò ìïíôÝëïõ
Áñéèìüò ìïíôÝëïõ
Óåéñéáêüò áñéèìüòÓåéñéáêüò áñéèìüò
Óåéñéáêüò áñéèìüòÓåéñéáêüò áñéèìüò
Óåéñéáêüò áñéèìüò
Çìåñïìçíßá áãïñÜòÇìåñïìçíßá áãïñÜò
Çìåñïìçíßá áãïñÜòÇìåñïìçíßá áãïñÜò
Çìåñïìçíßá áãïñÜò
ÅÃÊÁÔÁÓÔÁÓÇ & ËÅÉÔÏÕÑÃÉÁÅÃÊÁÔÁÓÔÁÓÇ & ËÅÉÔÏÕÑÃÉÁ
ÅÃÊÁÔÁÓÔÁÓÇ & ËÅÉÔÏÕÑÃÉÁÅÃÊÁÔÁÓÔÁÓÇ & ËÅÉÔÏÕÑÃÉÁ
ÅÃÊÁÔÁÓÔÁÓÇ & ËÅÉÔÏÕÑÃÉÁ
ÏÄÇÃÉÅÓÏÄÇÃÉÅÓ
ÏÄÇÃÉÅÓÏÄÇÃÉÅÓ
ÏÄÇÃÉÅÓ
Óçìáíôéêü: Óçìáíôéêü:
Óçìáíôéêü: Óçìáíôéêü:
Óçìáíôéêü: Ïé ïäçãßåò áõôÝò ðñÝðåéÏé ïäçãßåò áõôÝò ðñÝðåé
Ïé ïäçãßåò áõôÝò ðñÝðåéÏé ïäçãßåò áõôÝò ðñÝðåé
Ïé ïäçãßåò áõôÝò ðñÝðåé
íá öõëÜóóïíôáé ìáæß ìå ôç ìïíÜäá.íá öõëÜóóïíôáé ìáæß ìå ôç ìïíÜäá.
íá öõëÜóóïíôáé ìáæß ìå ôç ìïíÜäá.íá öõëÜóóïíôáé ìáæß ìå ôç ìïíÜäá.
íá öõëÜóóïíôáé ìáæß ìå ôç ìïíÜäá.
Ï êÜôï÷ïò ðñÝðåé íá ôéò äéáâÜóåé ðñïóåêôéêÜ.Ï êÜôï÷ïò ðñÝðåé íá ôéò äéáâÜóåé ðñïóåêôéêÜ.
Ï êÜôï÷ïò ðñÝðåé íá ôéò äéáâÜóåé ðñïóåêôéêÜ.Ï êÜôï÷ïò ðñÝðåé íá ôéò äéáâÜóåé ðñïóåêôéêÜ.
Ï êÜôï÷ïò ðñÝðåé íá ôéò äéáâÜóåé ðñïóåêôéêÜ.
ÐñÝðåé íá äéáâÜóåôå êáé íá êáôáíïÞóåôå áõôü ôï åã÷åéñßäéï ðñéí áðü ôçíÐñÝðåé íá äéáâÜóåôå êáé íá êáôáíïÞóåôå áõôü ôï åã÷åéñßäéï ðñéí áðü ôçí
ÐñÝðåé íá äéáâÜóåôå êáé íá êáôáíïÞóåôå áõôü ôï åã÷åéñßäéï ðñéí áðü ôçíÐñÝðåé íá äéáâÜóåôå êáé íá êáôáíïÞóåôå áõôü ôï åã÷åéñßäéï ðñéí áðü ôçí
ÐñÝðåé íá äéáâÜóåôå êáé íá êáôáíïÞóåôå áõôü ôï åã÷åéñßäéï ðñéí áðü ôçí
ðñáãìáôïðïßçóç åãêáôÜóôáóçò, ñýèìéóçò, åðéóêåõÞò Þ óõíôÞñçóçò. ÁõôÞ çðñáãìáôïðïßçóç åãêáôÜóôáóçò, ñýèìéóçò, åðéóêåõÞò Þ óõíôÞñçóçò. ÁõôÞ ç
ðñáãìáôïðïßçóç åãêáôÜóôáóçò, ñýèìéóçò, åðéóêåõÞò Þ óõíôÞñçóçò. ÁõôÞ çðñáãìáôïðïßçóç åãêáôÜóôáóçò, ñýèìéóçò, åðéóêåõÞò Þ óõíôÞñçóçò. ÁõôÞ ç
ðñáãìáôïðïßçóç åãêáôÜóôáóçò, ñýèìéóçò, åðéóêåõÞò Þ óõíôÞñçóçò. ÁõôÞ ç
ìïíÜäá ðñÝðåé íá åãêáèßóôáôáé áðü åéäéêåõìÝíï ôå÷íéêü ðñïóùðéêü. ÇìïíÜäá ðñÝðåé íá åãêáèßóôáôáé áðü åéäéêåõìÝíï ôå÷íéêü ðñïóùðéêü. Ç
ìïíÜäá ðñÝðåé íá åãêáèßóôáôáé áðü åéäéêåõìÝíï ôå÷íéêü ðñïóùðéêü. ÇìïíÜäá ðñÝðåé íá åãêáèßóôáôáé áðü åéäéêåõìÝíï ôå÷íéêü ðñïóùðéêü. Ç
ìïíÜäá ðñÝðåé íá åãêáèßóôáôáé áðü åéäéêåõìÝíï ôå÷íéêü ðñïóùðéêü. Ç
ôñïðïðïßçóç áõôïý ôïõ ðñïúüíôïò ìðïñåß íá åßíáé åîáéñåôéêÜ åðéêßíäõíç êáé íáôñïðïðïßçóç áõôïý ôïõ ðñïúüíôïò ìðïñåß íá åßíáé åîáéñåôéêÜ åðéêßíäõíç êáé íá
ôñïðïðïßçóç áõôïý ôïõ ðñïúüíôïò ìðïñåß íá åßíáé åîáéñåôéêÜ åðéêßíäõíç êáé íáôñïðïðïßçóç áõôïý ôïõ ðñïúüíôïò ìðïñåß íá åßíáé åîáéñåôéêÜ åðéêßíäõíç êáé íá
ôñïðïðïßçóç áõôïý ôïõ ðñïúüíôïò ìðïñåß íá åßíáé åîáéñåôéêÜ åðéêßíäõíç êáé íá
ïäçãÞóåé óå ôñáõìáôéóìü Þ õëéêÝò æçìéÝò.ïäçãÞóåé óå ôñáõìáôéóìü Þ õëéêÝò æçìéÝò.
ïäçãÞóåé óå ôñáõìáôéóìü Þ õëéêÝò æçìéÝò.ïäçãÞóåé óå ôñáõìáôéóìü Þ õëéêÝò æçìéÝò.
ïäçãÞóåé óå ôñáõìáôéóìü Þ õëéêÝò æçìéÝò.
Êëéìáôéóôéêü ïñïöÞòÊëéìáôéóôéêü ïñïöÞò
Êëéìáôéóôéêü ïñïöÞòÊëéìáôéóôéêü ïñïöÞò
Êëéìáôéóôéêü ïñïöÞò
ÌÏÍÔÅËÏ ÔÑÏ×ÏÓÐÉÔÏÕ B3200ÌÏÍÔÅËÏ ÔÑÏ×ÏÓÐÉÔÏÕ B3200
ÌÏÍÔÅËÏ ÔÑÏ×ÏÓÐÉÔÏÕ B3200ÌÏÍÔÅËÏ ÔÑÏ×ÏÓÐÉÔÏÕ B3200
ÌÏÍÔÅËÏ ÔÑÏ×ÏÓÐÉÔÏÕ B3200
ÔÕÐÏÓ 3253.331ÔÕÐÏÓ 3253.331
ÔÕÐÏÓ 3253.331ÔÕÐÏÓ 3253.331
ÔÕÐÏÓ 3253.331
ÌïíôÝëïÌïíôÝëï
ÌïíôÝëïÌïíôÝëï
ÌïíôÝëï
B3200B3200
B3200B3200
B3200
ÃÑÁÖÅÉÏÃÑÁÖÅÉÏ
ÃÑÁÖÅÉÏÃÑÁÖÅÉÏ
ÃÑÁÖÅÉÏ
ÅÎÕÐÇÑÅÔÇÓÇÓÅÎÕÐÇÑÅÔÇÓÇÓ
ÅÎÕÐÇÑÅÔÇÓÇÓÅÎÕÐÇÑÅÔÇÓÇÓ
ÅÎÕÐÇÑÅÔÇÓÇÓ
Dometic Corporation
Ãéá ðëçñïöïñßåò
ÅðéêïéíùíÞóôå:
www.dometic.com
ÁÍÁÈÅÙÑÇÓÇ:
Áñ. öüñìáò 3310147.032
(ÁíôéêáèéóôÜ ôïí áñ. 3310147.024)
ÁããëéêÜ, ÃáëëéêÜ, ÃåñìáíéêÜ,
ÄáíÝæéêá, ÅëëçíéêÜ, ÉóðáíéêÜ,
ÉôáëéêÜ, ÍïñâçãéêÜ, ÏëëáíäéêÜ,
ÐïñôïãáëéêÜ, ÓïõçäéêÜ & ÖéëáíäéêÜ
©2007 9/07 Dometic GmbH
D-57074 Siegen
ÐÑÏÅÉÄÏÐÏÉÇÓÇÐÑÏÅÉÄÏÐÏÉÇÓÇ
ÐÑÏÅÉÄÏÐÏÉÇÓÇÐÑÏÅÉÄÏÐÏÉÇÓÇ
ÐÑÏÅÉÄÏÐÏÉÇÓÇ
!

63
ÏÄÇÃÉÅÏÄÇÃÉÅ
ÏÄÇÃÉÅÏÄÇÃÉÅ
ÏÄÇÃÉÅÓÓ
ÓÓ
Ó ÁÓÖÁËÅIÁ ÁÓÖÁËÅIÁ
ÁÓÖÁËÅIÁ ÁÓÖÁËÅIÁ
ÁÓÖÁËÅIÁÓÓ
ÓÓ
Ó
Áõôü ôï åã÷åéñßäéï ðåñéÝ÷åé ðëçñïöïñßåò êáé ïäçãßåò
áóöáëåßáò ðïõ åðéôñÝðïõí óôïõò ÷ñÞóôåò íá
åîáëåßøïõí Þ íá ðåñéïñßóïõí ôïí êßíäõíï áôõ÷çìÜôùí
êáé ôñáõìáôéóìþí.
ÁÍÁÃÍÙÑÉÓÇ ÐËÇÑÏÖÏÑÉÙÍÁÍÁÃÍÙÑÉÓÇ ÐËÇÑÏÖÏÑÉÙÍ
ÁÍÁÃÍÙÑÉÓÇ ÐËÇÑÏÖÏÑÉÙÍÁÍÁÃÍÙÑÉÓÇ ÐËÇÑÏÖÏÑÉÙÍ
ÁÍÁÃÍÙÑÉÓÇ ÐËÇÑÏÖÏÑÉÙÍ
ÁÓÖÁËÅÉÁÁÓÖÁËÅÉÁ
ÁÓÖÁËÅÉÁÁÓÖÁËÅÉÁ
ÁÓÖÁËÅÉÁÓÓ
ÓÓ
Ó
Áõôü åßíáé ôï óýìâïëï óõíáãåñìïý áóöáëåßáò. ¼ôáí
âëÝðåôå ôï óõãêåêñéìÝíï óýìâïëï óå áõôü ôï
åã÷åéñßäéï, íá ðñïóÝ÷åôå ãéá ôï åíäå÷üìåíï
ôñáõìáôéóìïý.
Áêïëïõèåßôå ôéò óõíéóôþìåíåò ðñïöõëÜîåéò êáé ôéò
ïäçãßåò áóöáëïýò ÷åéñéóìïý.
ÊÁÔÁÍÏÇÓÇ ÓÕÍÈÇÌÁÔÉÊÙÍÊÁÔÁÍÏÇÓÇ ÓÕÍÈÇÌÁÔÉÊÙÍ
ÊÁÔÁÍÏÇÓÇ ÓÕÍÈÇÌÁÔÉÊÙÍÊÁÔÁÍÏÇÓÇ ÓÕÍÈÇÌÁÔÉÊÙÍ
ÊÁÔÁÍÏÇÓÇ ÓÕÍÈÇÌÁÔÉÊÙÍ
ËÅÎÅÙÍËÅÎÅÙÍ
ËÅÎÅÙÍËÅÎÅÙÍ
ËÅÎÅÙÍ
Ïé ëÝîåéò, ÐÑÏÅÉÄÏÐÏÉÇÓÇÐÑÏÅÉÄÏÐÏÉÇÓÇ
ÐÑÏÅÉÄÏÐÏÉÇÓÇÐÑÏÅÉÄÏÐÏÉÇÓÇ
ÐÑÏÅÉÄÏÐÏÉÇÓÇ Þ ÐÑÏÓÏ×ÇÐÑÏÓÏ×Ç
ÐÑÏÓÏ×ÇÐÑÏÓÏ×Ç
ÐÑÏÓÏ×Ç
÷ñçóéìïðïéïýíôáé ìå ôï ðñïåéäïðïéçôéêü óýìâïëï
óõíáãåñìïý áóöáëåßáò. Õðïäçëþíïõí ôï âáèìü
êéíäýíïõ ãéá åíäå÷üìåíï ôñáõìáôéóìü.
: õðïäçëþíåé åíäå÷üìåíç
åðéêßíäõíç êáôÜóôáóç ç ïðïßá, åÜí äåí áðïöåõ÷èåß,
ìðïñåß íá ïäçãÞóåé óôï èÜíáôï Þ óå óïâáñü
ôñáõìáôéóìü.
: õðïäçëþíåé åíäå÷üìåíç
åðéêßíäõíç êáôÜóôáóç ç ïðïßá, åÜí äåí áðïöåõ÷èåß,
ìðïñåß íá ïäçãÞóåé óå ìéêñÞò Þ ìÝôñéáò óïâáñüôçôáò
ôñáõìáôéóìü.
: üôáí ÷ñçóéìïðïéåßôáé ÷ùñßò ôï
ðñïåéäïðïéçôéêü óýìâïëï áóöáëåßáò, õðïäçëþíåé
åíäå÷üìåíç åðéêßíäõíç êáôÜóôáóç ç ïðïßá, åÜí äåí
áðïöåõ÷èåß, ìðïñåß íá ïäçãÞóåé óå õëéêÝò æçìéÝò.
ÄéáâÜóôå êáé ôçñÞóôå üëåò ôéò ðëçñïöïñßåò êáé
ïäçãßåò áóöáëåßáò.
!
ÃÅÍÉÊÅÓ ÐËÇÑÏÖÏÑÉÅÓÃÅÍÉÊÅÓ ÐËÇÑÏÖÏÑÉÅÓ
ÃÅÍÉÊÅÓ ÐËÇÑÏÖÏÑÉÅÓÃÅÍÉÊÅÓ ÐËÇÑÏÖÏÑÉÅÓ
ÃÅÍÉÊÅÓ ÐËÇÑÏÖÏÑÉÅÓ
A.A.
A.A.
A. Ôá ÷áñáêôçñéóôéêÜ êáé ïé ðñïäéáãñáöÝò ôïõ ðñïúüíôïò
üðùò ðåñéãñÜöïíôáé Þ áðåéêïíßæïíôáé óôï ðáñüí õðüêåéôáé
óå áëëáãÝò ÷ùñßò ðñïçãïýìåíç åéäïðïßçóç.
Â.Â.
Â.Â.
Â. Áõôü ôï êëéìáôéóôéêü ðñïïñßæåôáé ãéá:Áõôü ôï êëéìáôéóôéêü ðñïïñßæåôáé ãéá:
Áõôü ôï êëéìáôéóôéêü ðñïïñßæåôáé ãéá:Áõôü ôï êëéìáôéóôéêü ðñïïñßæåôáé ãéá:
Áõôü ôï êëéìáôéóôéêü ðñïïñßæåôáé ãéá:
1. ÅãêáôÜóôáóç óå ôñï÷üóðéôï êáôÜ ôçí
êáôáóêåõÞ ôïõ ôñï÷üóðéôïõ.
2. Óõíáñìïëüãçóç óôçí ïñïöÞ åíüò ôñï÷üóðéôïõ.
3. ÊáôáóêåõÞ ïñïöÞò ìå äïêÜñéá óå áðüóôáóç áðü êÝíôñï
óå êÝíôñï ôïõëÜ÷éóôïí 406mm.
4. ÅëÜ÷éóôç áðüóôáóç ìåôáîý ïñïöÞò êáé ôáâáíéïý ôïõ
ôñï÷üóðéôïõ 25mm êáé ìÝãéóôç 100mm. ÅíáëëáêôéêÝò
ìÝèïäïé åãêáôÜóôáóçò åðéôñÝðïõí ïñïöÝò ðÜ÷ïõò Üíù
ôùí 100mm.
Ã.Ã.
Ã.Ã.
Ã. Ç éêáíüôçôá ôïõ êëéìáôéóôéêïý íá äéáôçñåß ôçí åðéèõìçôÞ
åóùôåñéêÞ èåñìïêñáóßá åîáñôÜôáé áðü ôçí áðïññüöçóç
èåñìüôçôáò ôïõ ôñï÷üóðéôïõ.
ÏñéóìÝíá ðñïëçðôéêÜ ìÝôñá ðïõ ëáìâÜíïíôáé áðü ôïõ
êáôïßêïõò ôïõ ôñï÷üóðéôïõ ìðïñïýí íá ìåéþóïõí ôçí
áðïññüöçóç èåñìüôçôáò êáé íá âåëôéþóïõí ôçí áðüäïóç
ôïõ êëéìáôéóôéêïý. ÊáôÜ ôç äéÜñêåéá åîáéñåôéêÜ õøçëþí
åîùôåñéêþí èåñìïêñáóéþí, ç áðïññüöçóç èåñìüôçôáò ôïõ
ôñï÷üóðéôïõ ìðïñåß íá ìåéùèåß ìå ôïõò åîÞò ôñüðïõò:
1. ÓôÜèìåõóç ôïõ ôñï÷üóðéôïõ õðü óêéÜ
2. ×ñÞóç óêéáäßùí óôá ðáñÜèõñá (ðåñóßäåò Þ/êáé
êïõñôßíåò)
3. ÄéáôÞñçóç ôùí ðáñáèýñùí êáé ôùí ðïñôþí êëåéóôþí Þ
åëá÷éóôïðïßçóç ôçò ÷ñÞóçò ôïõò
4. ÁðïöõãÞ ÷ñÞóçò óõóêåõþí ðïõ ðáñÜãïõí èåñìüôçôá
Ç ëåéôïõñãßá High Fan/Cooling ðáñÝ÷åé âÝëôéóôç Þ ìÝãéóôç
áðïäïôéêüôçôá óå õøçëÞ õãñáóßá Þ õøçëÝò åîùôåñéêÝò
èåñìïêñáóßåò.
Ç åêêßíçóç ôïõ êëéìáôéóôéêïý íùñßò ôï ðñùß þóôå íá Ý÷åé ôï
“ðñïâÜäéóìá” óå ó÷Ýóç ìå ôçí áíáìåíüìåíç åîùôåñéêÞ
èåñìïêñáóßá âåëôéþíåé áéóèçôÜ ôçí éêáíüôçôá äéáôÞñçóçò
ôçò åðéèõìçôÞò åóùôåñéêÞò èåñìïêñáóßáò.
Ãéá ìéá ðéï ìüíéìç ëýóç óôçí õøçëÞ áðïññüöçóç èåñìüôçôáò,
áîåóïõÜñ üðùò åîùôåñéêü áßèñéï êáé óôÝãáóôñá ðáñáèýñùí
ìåéþíïõí ôçí áðïññüöçóç èåñìüôçôáò åìðïäßæïíôáò ôçí
Üìåóç çëéáêÞ áêôéíïâïëßá. Åðßóçò äéáìïñöþíïõí Ýíáí
üìïñöï ÷þñï üðïõ ìðïñåßôå íá áðïëáýóåôå ôç äñïóïýëá ôï
âñáäÜêé.
Ä.Ä.
Ä.Ä.
Ä. ÓõìðýêíùóçÓõìðýêíùóç
ÓõìðýêíùóçÓõìðýêíùóç
Óõìðýêíùóç
Óçìåßùóç:Óçìåßùóç:
Óçìåßùóç:Óçìåßùóç:
Óçìåßùóç: Ï êáôáóêåõáóôÞò áõôïý ôïõ êëéìáôéóôéêïý äåí
öÝñåé êáìßá åõèýíç ãéá êáôáóôñïöÝò ðïõ ðñïêáëïýíôáé áðü
óõìðõêíùìÝíç õãñáóßá óôá ôáâÜíéá Þ óå Üëëåò åðéöÜíåéåò. Ï
áÝñáò ðåñéÝ÷åé õãñáóßá êáé ç õãñáóßá áõôÞ Ý÷åé ôçí ôÜóç íá
óõìðõêíþíåôáé óå øõ÷ñÝò åðéöÜíåéåò. ¼ôáí åéóÝñ÷åôáé áÝñáò óôï
ôñï÷üóðéôï, ìðïñåß íá åìöáíéóôåß óõìðõêíùìÝíç õãñáóßá óôï
ôáâÜíé, óôá ðáñÜèõñá, óå ìåôáëëéêÜ ìÝñç, ê.ëð. Ôï êëéìáôéóôéêü
áðïìáêñýíåé ôçí õãñáóßá áõôÞ áðü ôïí áÝñá êáôÜ ôç äéÜñêåéá ôçò
êáíïíéêÞò ëåéôïõñãßáò. Êñáôþíôáò ôéò ðüñôåò êáé ôá ðáñÜèõñá
êëåéóôÜ üôáí ëåéôïõñãåß ôï êëéìáôéóôéêü, ìåéþíåôáé ç óõìðõêíùìÝíç
õãñáóßá óôéò øõ÷ñÝò åðéöÜíåéåò.
ÐÑÏÅÉÄÏÐÏÉÇÓÇÐÑÏÅÉÄÏÐÏÉÇÓÇ
ÐÑÏÅÉÄÏÐÏÉÇÓÇÐÑÏÅÉÄÏÐÏÉÇÓÇ
ÐÑÏÅÉÄÏÐÏÉÇÓÇ
!ÐÑÏÓÏ×ÇÐÑÏÓÏ×Ç
ÐÑÏÓÏ×ÇÐÑÏÓÏ×Ç
ÐÑÏÓÏ×Ç
ÐÑÏÓÏ×ÇÐÑÏÓÏ×Ç
ÐÑÏÓÏ×ÇÐÑÏÓÏ×Ç
ÐÑÏÓÏ×Ç
!

64
** Ï êáôáóêåõáóôÞò ðáñÝ÷åé ÃÅÍÉÊÅÓÃÅÍÉÊÅÓ
ÃÅÍÉÊÅÓÃÅÍÉÊÅÓ
ÃÅÍÉÊÅÓ ïäçãßåò ãéá ôéò áðáéôÞóåéò
ôçò ãåííÞôñéáò. Ïé ïäçãßåò áõôÝò ðñïÝêõøáí áðü ôéò åìðåéñßåò ôùí
ðåëáôþí êáôÜ ôç ÷ñÞóç. ÊáôÜ ôç åðéëïãÞ ôçò ãåííÞôñéáò, èá ðñÝðåé
íá ëçöèåß õðüøç ç óõíïëéêÞ êáôáíÜëùóç éó÷ýïò óôï ôñï÷üóðéôü
óáò. Ìçí îå÷íÜôå üôé ïé ãåííÞôñéåò ÷Üíïõí éó÷ý óå õøçëÜ õøüìåôñá
êáé óå ðåñßðôùóç åëëéðïýò óõíôÞñçóçò.
ÐñïäéáãñáöÝòÐñïäéáãñáöÝò
ÐñïäéáãñáöÝòÐñïäéáãñáöÝò
ÐñïäéáãñáöÝò
ÏÄÇÃÉÅÓ ÅÃÊÁÔÁÓÔÁÓÇÓÏÄÇÃÉÅÓ ÅÃÊÁÔÁÓÔÁÓÇÓ
ÏÄÇÃÉÅÓ ÅÃÊÁÔÁÓÔÁÓÇÓÏÄÇÃÉÅÓ ÅÃÊÁÔÁÓÔÁÓÇÓ
ÏÄÇÃÉÅÓ ÅÃÊÁÔÁÓÔÁÓÇÓ
A.A.
A.A.
A. ÌÝôñá áóöáëåßáòÌÝôñá áóöáëåßáò
ÌÝôñá áóöáëåßáòÌÝôñá áóöáëåßáò
ÌÝôñá áóöáëåßáò
Â.Â.
Â.Â.
Â. ÅðéëïãÞ êáôÜëëçëçò èÝóçò ãéá ôï êëéìáôéóôéêüÅðéëïãÞ êáôÜëëçëçò èÝóçò ãéá ôï êëéìáôéóôéêü
ÅðéëïãÞ êáôÜëëçëçò èÝóçò ãéá ôï êëéìáôéóôéêüÅðéëïãÞ êáôÜëëçëçò èÝóçò ãéá ôï êëéìáôéóôéêü
ÅðéëïãÞ êáôÜëëçëçò èÝóçò ãéá ôï êëéìáôéóôéêü
Ôï êëéìáôéóôéêü áõôü Ý÷åé ó÷åäéáóôåß åéäéêÜ ãéá ÷ñÞóç óôçí ïñïöÞ
åíüò ôñï÷üóðéôïõ. ÊáôÜ ôïí ðñïóäéïñéóìü ôùí áíáãêþí øýîçò
óáò, ëÜâå õðüøç ôá áêüëïõèá:
•ÌÝãåèïò ôñï÷üóðéôïõ
•Ðåñéï÷Þ ðáñáèýñùí (áõîÜíåé ôçí áðïññüöçóç èåñìüôçôáò)
•Âáèìüò ìüíùóçò óôá ôïé÷þìáôá êáé ôçí ïñïöÞ
•ÃåùãñáöéêÞ ôïðïèåóßá üðïõ èá ÷ñçóéìïðïéçèåß ôï
ôñï÷üóðéôï
•Áðáéôïýìåíï ðñïóùðéêü åðßðåäï Üíåóçò.
1. ÊáíïíéêÞ ôïðïèåóßá-Ôï êëéìáôéóôéêü Ý÷åé ó÷åäéáóôåß
ãéá ôïðïèÝôçóç óå Ýíá õðÜñ÷ïí Üíïéãìá åîáåñéóìïý ôçò
ïñïöÞò.
ÅIK.ÅIK.
ÅIK.ÅIK.
ÅIK. 11
11
1
1/2L1/2L
1/2L1/2L
1/2L LL
LL
LLL
LL
L
1/3L1/3L
1/3L1/3L
1/3L
2/3L2/3L
2/3L2/3L
2/3L
ÅIK.ÅIK.
ÅIK.ÅIK.
ÅIK. 22
22
2
Åßíáé ðñïôéìþìåíï ôï êëéìáôéóôéêü íá åãêáôáóôáèåß óå Ýíá ó÷åôéêÜ
åðßðåäï êáé åõèýåðßðåäï êáé åõèý
åðßðåäï êáé åõèýåðßðåäï êáé åõèý
åðßðåäï êáé åõèý ôìÞìá ôçò ïñïöÞò ìåôñçìÝíï üôáí ôï ôñï÷üóðéôï
åßíáé óôáèìåõìÝíï óå åðßðåäï Ýäáöïò.
Óçìåßùóç:Óçìåßùóç:
Óçìåßùóç:Óçìåßùóç:
Óçìåßùóç: Ìéá êëßóç 8° ðñïò ôç ìßá Þ ôçí Üëëçðñïò ôç ìßá Þ ôçí Üëëç
ðñïò ôç ìßá Þ ôçí Üëëçðñïò ôç ìßá Þ ôçí Üëëç
ðñïò ôç ìßá Þ ôçí Üëëç ðëåõñÜ åßíáé
áðïäåêôÞ, áëëÜ ìéá êëßóç åìðñüò ðñïò ôá ðßóùåìðñüò ðñïò ôá ðßóù
åìðñüò ðñïò ôá ðßóùåìðñüò ðñïò ôá ðßóù
åìðñüò ðñïò ôá ðßóù äåíäåí
äåíäåí
äåí åßíáé
áðïäåêôÞ.
ÅIK.ÅIK.
ÅIK.ÅIK.
ÅIK. 33
33
3
ÄÅÍ ÅÐÉÔÑÅÐÅÔÁÉ êëßóç áðüÄÅÍ ÅÐÉÔÑÅÐÅÔÁÉ êëßóç áðü
ÄÅÍ ÅÐÉÔÑÅÐÅÔÁÉ êëßóç áðüÄÅÍ ÅÐÉÔÑÅÐÅÔÁÉ êëßóç áðü
ÄÅÍ ÅÐÉÔÑÅÐÅÔÁÉ êëßóç áðü
åìðñüò ðñïò ôá ðßóùåìðñüò ðñïò ôá ðßóù
åìðñüò ðñïò ôá ðßóùåìðñüò ðñïò ôá ðßóù
åìðñüò ðñïò ôá ðßóù
Áñ. ìïíôÝëïõÁñ. ìïíôÝëïõ
Áñ. ìïíôÝëïõÁñ. ìïíôÝëïõ
Áñ. ìïíôÝëïõ B3200B3200
B3200B3200
B3200 ÇëåêôñéêüòÇëåêôñéêüò
ÇëåêôñéêüòÇëåêôñéêüò
Çëåêôñéêüò
èåñìáíôÞñáòèåñìáíôÞñáò
èåñìáíôÞñáòèåñìáíôÞñáò
èåñìáíôÞñáò
ÔýðïòÔýðïò
ÔýðïòÔýðïò
Ôýðïò 3253.3313253.331
3253.3313253.331
3253.331
ÏíïìáóôéêÞ éêáíüôçôáÏíïìáóôéêÞ éêáíüôçôá
ÏíïìáóôéêÞ éêáíüôçôáÏíïìáóôéêÞ éêáíüôçôá
ÏíïìáóôéêÞ éêáíüôçôá
óõìðéåóôÞ (KW)óõìðéåóôÞ (KW)
óõìðéåóôÞ (KW)óõìðéåóôÞ (KW)
óõìðéåóôÞ (KW) 3,2 1,6
ÇëåêôñéêÝò ïíïìáóôéêÝò ôéìÝòÇëåêôñéêÝò ïíïìáóôéêÝò ôéìÝò
ÇëåêôñéêÝò ïíïìáóôéêÝò ôéìÝòÇëåêôñéêÝò ïíïìáóôéêÝò ôéìÝò
ÇëåêôñéêÝò ïíïìáóôéêÝò ôéìÝò 220-240 VAC 50Hz., 1 Ph
ÁìðÝñ ðëÞñïõò öüñôéóçòÁìðÝñ ðëÞñïõò öüñôéóçò
ÁìðÝñ ðëÞñïõò öüñôéóçòÁìðÝñ ðëÞñïõò öüñôéóçò
ÁìðÝñ ðëÞñïõò öüñôéóçò
(óõìðéåóôÞò/ ìïôÝñ)(óõìðéåóôÞò/ ìïôÝñ)
(óõìðéåóôÞò/ ìïôÝñ)(óõìðéåóôÞò/ ìïôÝñ)
(óõìðéåóôÞò/ ìïôÝñ) 5,2 / 1,1 --- / 1,1
ÁìðÝñ êëåéäùìÝíïõ ñüôïñáÁìðÝñ êëåéäùìÝíïõ ñüôïñá
ÁìðÝñ êëåéäùìÝíïõ ñüôïñáÁìðÝñ êëåéäùìÝíïõ ñüôïñá
ÁìðÝñ êëåéäùìÝíïõ ñüôïñá
(óõìð. / ìïôÝñ)(óõìð. / ìïôÝñ)
(óõìð. / ìïôÝñ)(óõìð. / ìïôÝñ)
(óõìð. / ìïôÝñ) 26 / 3,8 --- / 3,8
Øõêôéêü R407CØõêôéêü R407C
Øõêôéêü R407CØõêôéêü R407C
Øõêôéêü R407C
Grams/Oz. Grams/Oz.
Grams/Oz. Grams/Oz.
Grams/Oz. 496/15,5 ---
Ðñïóôáóßá êõêëþìáôïòÐñïóôáóßá êõêëþìáôïò
Ðñïóôáóßá êõêëþìáôïòÐñïóôáóßá êõêëþìáôïò
Ðñïóôáóßá êõêëþìáôïò ÁóöÜëåéá âñáäåßáò ôÞîçò
10 Amp, áóöáëåéïäéáêüðôç
Éó÷ýò åéóüäïõ (KW)Éó÷ýò åéóüäïõ (KW)
Éó÷ýò åéóüäïõ (KW)Éó÷ýò åéóüäïõ (KW)
Éó÷ýò åéóüäïõ (KW) 1,35 1,5
ÅëÜ÷éóôï ìÝãåèïò óýñìáôïòÅëÜ÷éóôï ìÝãåèïò óýñìáôïò
ÅëÜ÷éóôï ìÝãåèïò óýñìáôïòÅëÜ÷éóôï ìÝãåèïò óýñìáôïò
ÅëÜ÷éóôï ìÝãåèïò óýñìáôïò ¸ùò 8 ìÝôñá
÷ñçóéìïðïéÞóôå 1mm2,
÷áëêïý
** ÌÝãåèïò ãåííÞôñéáò** ÌÝãåèïò ãåííÞôñéáò
** ÌÝãåèïò ãåííÞôñéáò** ÌÝãåèïò ãåííÞôñéáò
** ÌÝãåèïò ãåííÞôñéáò 1 ìïíÜäá - 3,5KW
2 ìïíÜäåò - 5,0KW
ÅóöáëìÝíç åãêáôÜóôáóç ìðïñåß íáÅóöáëìÝíç åãêáôÜóôáóç ìðïñåß íá
ÅóöáëìÝíç åãêáôÜóôáóç ìðïñåß íáÅóöáëìÝíç åãêáôÜóôáóç ìðïñåß íá
ÅóöáëìÝíç åãêáôÜóôáóç ìðïñåß íá
ðñïêáëÝóåé êáôáóôñïöÞ ôïõ åîïðëéóìïý, íáðñïêáëÝóåé êáôáóôñïöÞ ôïõ åîïðëéóìïý, íá
ðñïêáëÝóåé êáôáóôñïöÞ ôïõ åîïðëéóìïý, íáðñïêáëÝóåé êáôáóôñïöÞ ôïõ åîïðëéóìïý, íá
ðñïêáëÝóåé êáôáóôñïöÞ ôïõ åîïðëéóìïý, íá
èÝóåé óå êßíäõíï ôç æùÞ, íá ðñïîåíÞóåéèÝóåé óå êßíäõíï ôç æùÞ, íá ðñïîåíÞóåé
èÝóåé óå êßíäõíï ôç æùÞ, íá ðñïîåíÞóåéèÝóåé óå êßíäõíï ôç æùÞ, íá ðñïîåíÞóåé
èÝóåé óå êßíäõíï ôç æùÞ, íá ðñïîåíÞóåé
óïâáñü ôñáõìáôéóìü Þ/êáé õëéêÝò æçìéÝò.óïâáñü ôñáõìáôéóìü Þ/êáé õëéêÝò æçìéÝò.
óïâáñü ôñáõìáôéóìü Þ/êáé õëéêÝò æçìéÝò.óïâáñü ôñáõìáôéóìü Þ/êáé õëéêÝò æçìéÝò.
óïâáñü ôñáõìáôéóìü Þ/êáé õëéêÝò æçìéÝò.
1. ÄéáâÜóôå ðñïóåêôéêÜ ôéò ïäçãßåò åãêáôÜóôáóçò êáé
ëåéôïõñãßáò ðñéí íá åðé÷åéñÞóåôå íá îåêéíÞóåôå ôçí
åãêáôÜóôáóç ôïõ êëéìáôéóôéêïý.
2. Ï êáôáóêåõáóôÞò äåí öÝñåé åõèýíç ãéá ôõ÷üí æçìéÝò Þ
ôñáõìáôéóìïýò ùò áðïôÝëåóìá ìç ôÞñçóçò áõôþí ôùí
ïäçãéþí.
3. Ï åîïðëéóìüò èá ðñÝðåé íá åãêáôáóôáèåß óýìöùíá ìå
ôéò äéåèíåßò äéáôÜîåéò ó÷åôéêÜ ìå ôçí êáëùäßùóç óýìöùíá
ìå ôï ðñüôõðï IEC 335-2-40, ðáñ., 7.12.1IEC 335-2-40, ðáñ., 7.12.1
IEC 335-2-40, ðáñ., 7.12.1IEC 335-2-40, ðáñ., 7.12.1
IEC 335-2-40, ðáñ., 7.12.1.
Ç åãêáôÜóôáóç ðñÝðåé íá óõììïñöþíåôáé ìå üëïõò ôïõò
éó÷ýïíôåò êþäéêåò Þ/êáé êáíïíéóìïýò.
4. ÌÇÍÌÇÍ
ÌÇÍÌÇÍ
ÌÇÍ ðñïóèÝôåôå óõóêåõÝò Þ åîáñôÞìáôá óå áõôü ôï
êëéìáôéóôéêü åêôüò áðü áõôÜ ðïõ Ý÷ïõí ôç ñçôÞ Ýãêñéóç
ôïõ êáôáóêåõáóôÞ.
5. Ç óõíôÞñçóç ôïõ åîïðëéóìïý ðñÝðåé íá ãßíåôáé ìüíï áðü
åîåéäéêåõìÝíï ðñïóùðéêü êáé ïñéóìÝíïé ôïðéêïß êþäéêåò
êáé êáíïíéóìïß áðáéôïýí ôá Üôïìá áõôÜ íá äéáèÝôïõí
äßðëùìá.
!ÐÑÏÅÉÄÏÐÏÉÇÓÇÐÑÏÅÉÄÏÐÏÉÇÓÇ
ÐÑÏÅÉÄÏÐÏÉÇÓÇÐÑÏÅÉÄÏÐÏÉÇÓÇ
ÐÑÏÅÉÄÏÐÏÉÇÓÇ
2. ¢ëëåò ôïðïèåóßåò-Áí äåí õðÜñ÷åé äéáèÝóéìïò åîáåñéóìüò
ïñïöÞò Þ èÝëåôå íá ôï ôïðïèåôÞóåôå óå Üëëç èÝóç,
óõíéóôþíôáé ôá ðáñáêÜôù:
á. Ãéá åãêáôÜóôáóç ìßáò ìïíÜäáò: Ôï êëéìáôéóôéêü èá
ðñÝðåé íá óõíáñìïëïãçèåß åëáöñþò Ýêêåíôñá ðñïò
ôá åìðñüò (åìðñüò ðñïò ðßóù) êáé êåíôñáñéóìÝíï
áðü ðëåõñÜ óå ðëåõñÜ.
â. Ãéá åãêáôÜóôáóç äýï ìïíÜäùí: ÅãêáôáóôÞóôå ôï
Ýíá êëéìáôéóôéêü 1/3 êáé ôï Üëëï êëéìáôéóôéêü 2/3
áðü ôï ìðñïóôéíü ìÝñïò ôïõ ôñï÷üóðéôïõ êáé
êåíôñáñéóìÝíï áðü ðëåõñÜ óå ðëåõñÜ.

65
Ã.Ã.
Ã.Ã.
Ã. Ðñïåôïéìáóßá ïñïöÞòÐñïåôïéìáóßá ïñïöÞò
Ðñïåôïéìáóßá ïñïöÞòÐñïåôïéìáóßá ïñïöÞò
Ðñïåôïéìáóßá ïñïöÞò
1. ÁðáéôÞóåéò ïñïöÞò - Ðñéí ðñïåôïéìÜóåôå ôï Üíïéãìá ôçò
ïñïöÞò, äéáâÜóôå üëåò ôéò ðáñáêÜôù ïäçãßåò ðñéí
îåêéíÞóåôå ôçí åãêáôÜóôáóç.
Áí äåí ÷ñçóéìïðïéçèåß Ýíá õðÜñ÷ïí Üíïéãìá ïñïöÞò,
ðñÝðåé íá êïðåß Ýíá Üíïéãìá 362mm x 362mm (± 3,2mm)
óôçí ïñïöÞ êáé ôï ôáâÜíé ôïõ ôñï÷üóðéôïõ. Ôï Üíïéãìá
áõôü ðñÝðåé íá âñßóêåôáé ìåôáîý ôùí óôïé÷åßùí åíßó÷õóçò
ôçò ïñïöÞò.
ÅIK.ÅIK.
ÅIK.ÅIK.
ÅIK. 55
55
5
Ôï Üíïéãìá 362mm x 362mm (± 3,2mm) åßíáé ìÝñïò
ôïõ óõóôÞìáôïò áÝñá åðéóôñïöÞò ôïõ êëéìáôéóôéêïý
êáé ðñÝðåé íá óõììïñöþíåôáé ìå üëïõò ôïõ åèíéêïýò
êáé ôïðéêïýò êùäéêïý Þ/êáé äéáôÜîåéò.
2. Áöáßñåóç åîáåñéóìïý ïñïöÞò
á. Îåâéäþóôå ôïí åîáåñéóìü ïñïöÞò.
â. ÁöáéñÝóôå üëåò ôéò óôåãáíïðïéÞóåéò ãýñù áðü ôï
Üíïéãìá.
ã. Óöñáãßóôå üëåò ôéò ïðÝò ôùí âéäþí êáé ôéò ñáöÝò
üðïõ âñßóêåôáé ôï ðáñÝìâõóìá ïñïöÞò.
×ñçóéìïðïéÞóôå óôåãáíïðïéçôéêü ðáíôüò êáéñïý
õøçëÞò ðïéüôçôáò. Äåßôå ôçí ÅÉÊ. 6.
9-1/2"
39"
28-3/4"
20"
2-1/2"
22"
ÅIK.ÅIK.
ÅIK.ÅIK.
ÅIK. 44
44
4
24cm24cm
24cm24cm
24cm
102cm102cm
102cm102cm
102cm
74cm74cm
74cm74cm
74cm
51cm51cm
51cm51cm
51cm
6,4cm6,4cm
6,4cm6,4cm
6,4cm
56cm56cm
56cm56cm
56cm
510mm510mm
510mm510mm
510mm
283283
283283
283
mmmm
mmmm
mm
105105
105105
105
mmmm
mmmm
mm 105105
105105
105
mmmm
mmmm
mm
283283
283283
283
mmmm
mmmm
mm
75mm75mm
75mm75mm
75mm
75mm75mm
75mm75mm
75mm
ÊåíôñéêÞ ãñáììÞÊåíôñéêÞ ãñáììÞ
ÊåíôñéêÞ ãñáììÞÊåíôñéêÞ ãñáììÞ
ÊåíôñéêÞ ãñáììÞ
áíïßãìáôïòáíïßãìáôïò
áíïßãìáôïòáíïßãìáôïò
áíïßãìáôïò
ÐåñßìåôñïòÐåñßìåôñïò
ÐåñßìåôñïòÐåñßìåôñïò
Ðåñßìåôñïò
êïõôéïýêïõôéïý
êïõôéïýêïõôéïý
êïõôéïý
Äéáôçñåßôå ôçíÄéáôçñåßôå ôçí
Äéáôçñåßôå ôçíÄéáôçñåßôå ôçí
Äéáôçñåßôå ôçí
ðåñéï÷Þ åëåýèåñçðåñéï÷Þ åëåýèåñç
ðåñéï÷Þ åëåýèåñçðåñéï÷Þ åëåýèåñç
ðåñéï÷Þ åëåýèåñç
áðü åìðüäéááðü åìðüäéá
áðü åìðüäéááðü åìðüäéá
áðü åìðüäéá
105mm105mm
105mm105mm
105mm
181mm181mm
181mm181mm
181mm
181mm
181mm
181mm181mm
181mm
362mm x362mm x
362mm x362mm x
362mm x
362mm362mm
362mm362mm
362mm
(± 3,2mm)(± 3,2mm)
(± 3,2mm)(± 3,2mm)
(± 3,2mm)
¢íïéãìá¢íïéãìá
¢íïéãìá¢íïéãìá
¢íïéãìá
543mm543mm
543mm543mm
543mm
ÊåíôñéêÞ ãñáììÞÊåíôñéêÞ ãñáììÞ
ÊåíôñéêÞ ãñáììÞÊåíôñéêÞ ãñáììÞ
ÊåíôñéêÞ ãñáììÞ
ìïíÜäáòìïíÜäáò
ìïíÜäáòìïíÜäáò
ìïíÜäáò
305mm305mm
305mm305mm
305mm
102mm102mm
102mm102mm
102mm
ÐßóùÐßóù
ÐßóùÐßóù
Ðßóù
ìÝñïòìÝñïò
ìÝñïòìÝñïò
ìÝñïò
ìïíÜäáòìïíÜäáò
ìïíÜäáòìïíÜäáò
ìïíÜäáò
362mm x362mm x
362mm x362mm x
362mm x
362mm362mm
362mm362mm
362mm
(± 3,2mm)(± 3,2mm)
(± 3,2mm)(± 3,2mm)
(± 3,2mm)
¢íïéãìá¢íïéãìá
¢íïéãìá¢íïéãìá
¢íïéãìá
3. ÌåôÜ ôçí åðéëïãÞ ôçò èÝóçò:
á. ÅëÝãîôå ãéá åìðüäéá óôçí ðåñéï÷Þ üðïõ èá
åãêáôáóôáèåß ôï êëéìáôéóôéêü. Äåßôå ôçí ÅÉÊ. 4.
â. Ç ïñïöÞ èá ðñÝðåé íá õðïóôçñßæåé 65 Kg. üôáí ôï
ôñï÷üóðéôï âñßóêåôáé óå êßíçóç. ÓõíÞèùò ìéá
ðñüâëåøç ãéá óôáôéêü öïñôßï 100Kg. ðëçñïß áõôÞí
ôçí áðáßôçóç.
ÐÑÏÓÏ×ÇÐÑÏÓÏ×Ç
ÐÑÏÓÏ×ÇÐÑÏÓÏ×Ç
ÐÑÏÓÏ×Ç
Ç äéáóöÜëéóç ôçò äïìéêÞò áñôéüôçôáò ôçòÇ äéáóöÜëéóç ôçò äïìéêÞò áñôéüôçôáò ôçò
Ç äéáóöÜëéóç ôçò äïìéêÞò áñôéüôçôáò ôçòÇ äéáóöÜëéóç ôçò äïìéêÞò áñôéüôçôáò ôçò
Ç äéáóöÜëéóç ôçò äïìéêÞò áñôéüôçôáò ôçò
ïñïöÞò ôïõ ôñï÷üóðéôïõ áðïôåëåß åõèýíç ôïõïñïöÞò ôïõ ôñï÷üóðéôïõ áðïôåëåß åõèýíç ôïõ
ïñïöÞò ôïõ ôñï÷üóðéôïõ áðïôåëåß åõèýíç ôïõïñïöÞò ôïõ ôñï÷üóðéôïõ áðïôåëåß åõèýíç ôïõ
ïñïöÞò ôïõ ôñï÷üóðéôïõ áðïôåëåß åõèýíç ôïõ
åãêáôáóôÜôç áõôïý ôïõ óõóôÞìáôïò êëéìáôéóìïý.åãêáôáóôÜôç áõôïý ôïõ óõóôÞìáôïò êëéìáôéóìïý.
åãêáôáóôÜôç áõôïý ôïõ óõóôÞìáôïò êëéìáôéóìïý.åãêáôáóôÜôç áõôïý ôïõ óõóôÞìáôïò êëéìáôéóìïý.
åãêáôáóôÜôç áõôïý ôïõ óõóôÞìáôïò êëéìáôéóìïý.
Ìçí äçìéïõñãåßôå ðïôÝ êïéëüôçôá óôçí ïñïöÞÌçí äçìéïõñãåßôå ðïôÝ êïéëüôçôá óôçí ïñïöÞ
Ìçí äçìéïõñãåßôå ðïôÝ êïéëüôçôá óôçí ïñïöÞÌçí äçìéïõñãåßôå ðïôÝ êïéëüôçôá óôçí ïñïöÞ
Ìçí äçìéïõñãåßôå ðïôÝ êïéëüôçôá óôçí ïñïöÞ
üðïõ èá óõãêåíôñùèåß íåñü. Ôï íåñü ðïõüðïõ èá óõãêåíôñùèåß íåñü. Ôï íåñü ðïõ
üðïõ èá óõãêåíôñùèåß íåñü. Ôï íåñü ðïõüðïõ èá óõãêåíôñùèåß íåñü. Ôï íåñü ðïõ
üðïõ èá óõãêåíôñùèåß íåñü. Ôï íåñü ðïõ
åîÝñ÷åôáé áðü ôï êëéìáôéóôéêü ìðïñåß íáåîÝñ÷åôáé áðü ôï êëéìáôéóôéêü ìðïñåß íá
åîÝñ÷åôáé áðü ôï êëéìáôéóôéêü ìðïñåß íáåîÝñ÷åôáé áðü ôï êëéìáôéóôéêü ìðïñåß íá
åîÝñ÷åôáé áðü ôï êëéìáôéóôéêü ìðïñåß íá
äéáññåýóåé óôï åóùôåñéêü ðñïêáëþíôáò æçìéÝòäéáññåýóåé óôï åóùôåñéêü ðñïêáëþíôáò æçìéÝò
äéáññåýóåé óôï åóùôåñéêü ðñïêáëþíôáò æçìéÝòäéáññåýóåé óôï åóùôåñéêü ðñïêáëþíôáò æçìéÝò
äéáññåýóåé óôï åóùôåñéêü ðñïêáëþíôáò æçìéÝò
óôï ðñïúüí êáé óôï ôñï÷üóðéôï.óôï ðñïúüí êáé óôï ôñï÷üóðéôï.
óôï ðñïúüí êáé óôï ôñï÷üóðéôï.óôï ðñïúüí êáé óôï ôñï÷üóðéôï.
óôï ðñïúüí êáé óôï ôñï÷üóðéôï.
ã. ÅëÝãîôå ôï ôñï÷üóðéôï ãéá åìðüäéá óôïí áÝñá
åðéóôñïöÞò (ð.÷. áíïßãìáôá ðüñôáò, äéá÷ùñéóôéêÜ
äùìáôßùí, êïõñôßíåò, âÜóåéò ïñïöÞò, ê.ëð.) Äåßôå
ôçí ÅÉÊ. 4 & 5.
!ÐÑÏÅÉÄÏÐÏÉÇÓÇÐÑÏÅÉÄÏÐÏÉÇÓÇ
ÐÑÏÅÉÄÏÐÏÉÇÓÇÐÑÏÅÉÄÏÐÏÉÇÓÇ
ÐÑÏÅÉÄÏÐÏÉÇÓÇ
ÅíäÝ÷åôáé íá õðÜñ÷åé çëåêôñéêÞ êáëùäßùóçÅíäÝ÷åôáé íá õðÜñ÷åé çëåêôñéêÞ êáëùäßùóç
ÅíäÝ÷åôáé íá õðÜñ÷åé çëåêôñéêÞ êáëùäßùóçÅíäÝ÷åôáé íá õðÜñ÷åé çëåêôñéêÞ êáëùäßùóç
ÅíäÝ÷åôáé íá õðÜñ÷åé çëåêôñéêÞ êáëùäßùóç
óôçí ïñïöÞ êáé ôï ôáâÜíé. ÁðïóõíäÝóôå ôïóôçí ïñïöÞ êáé ôï ôáâÜíé. ÁðïóõíäÝóôå ôï
óôçí ïñïöÞ êáé ôï ôáâÜíé. ÁðïóõíäÝóôå ôïóôçí ïñïöÞ êáé ôï ôáâÜíé. ÁðïóõíäÝóôå ôï
óôçí ïñïöÞ êáé ôï ôáâÜíé. ÁðïóõíäÝóôå ôï
êáëþäéï ôñïöïäïóßáò AC 220 - 240 Volt êáé ôïíêáëþäéï ôñïöïäïóßáò AC 220 - 240 Volt êáé ôïí
êáëþäéï ôñïöïäïóßáò AC 220 - 240 Volt êáé ôïíêáëþäéï ôñïöïäïóßáò AC 220 - 240 Volt êáé ôïí
êáëþäéï ôñïöïäïóßáò AC 220 - 240 Volt êáé ôïí
èåôéêü ðüëï (+) ôùí 12 volt DC óôç ìïíÜäá ôçòèåôéêü ðüëï (+) ôùí 12 volt DC óôç ìïíÜäá ôçò
èåôéêü ðüëï (+) ôùí 12 volt DC óôç ìïíÜäá ôçòèåôéêü ðüëï (+) ôùí 12 volt DC óôç ìïíÜäá ôçò
èåôéêü ðüëï (+) ôùí 12 volt DC óôç ìïíÜäá ôçò
ìðáôáñßáò. Óå ðåñßðôùóç ðïõ äåí ôçñçèåß áõôÞìðáôáñßáò. Óå ðåñßðôùóç ðïõ äåí ôçñçèåß áõôÞ
ìðáôáñßáò. Óå ðåñßðôùóç ðïõ äåí ôçñçèåß áõôÞìðáôáñßáò. Óå ðåñßðôùóç ðïõ äåí ôçñçèåß áõôÞ
ìðáôáñßáò. Óå ðåñßðôùóç ðïõ äåí ôçñçèåß áõôÞ
ç ïäçãßá, õðÜñ÷åé êßíäõíïò çëåêôñïðëçîßáò ðïõç ïäçãßá, õðÜñ÷åé êßíäõíïò çëåêôñïðëçîßáò ðïõ
ç ïäçãßá, õðÜñ÷åé êßíäõíïò çëåêôñïðëçîßáò ðïõç ïäçãßá, õðÜñ÷åé êßíäõíïò çëåêôñïðëçîßáò ðïõ
ç ïäçãßá, õðÜñ÷åé êßíäõíïò çëåêôñïðëçîßáò ðïõ
ìðïñåß íá ðñïêáëÝóåé ôï èÜíáôï Þ óïâáñüìðïñåß íá ðñïêáëÝóåé ôï èÜíáôï Þ óïâáñü
ìðïñåß íá ðñïêáëÝóåé ôï èÜíáôï Þ óïâáñüìðïñåß íá ðñïêáëÝóåé ôï èÜíáôï Þ óïâáñü
ìðïñåß íá ðñïêáëÝóåé ôï èÜíáôï Þ óïâáñü
ôñáõìáôéóìü.ôñáõìáôéóìü.
ôñáõìáôéóìü.ôñáõìáôéóìü.
ôñáõìáôéóìü.
102mm102mm
102mm102mm
102mm

66
ÅIK.ÅIK.
ÅIK.ÅIK.
ÅIK. 66
66
6
ÅIK.ÅIK.
ÅIK.ÅIK.
ÅIK. 77
77
7
Ìçí êüâåôå ôçÌçí êüâåôå ôç
Ìçí êüâåôå ôçÌçí êüâåôå ôç
Ìçí êüâåôå ôç
äïìÞ ïñïöÞò ÞäïìÞ ïñïöÞò Þ
äïìÞ ïñïöÞò ÞäïìÞ ïñïöÞò Þ
äïìÞ ïñïöÞò Þ
ôá äïêÜñéáôá äïêÜñéá
ôá äïêÜñéáôá äïêÜñéá
ôá äïêÜñéá
ÊáëÜ äïêÜñéáÊáëÜ äïêÜñéá
ÊáëÜ äïêÜñéáÊáëÜ äïêÜñéá
ÊáëÜ äïêÜñéá
õðïóôçñéæüìåíáõðïóôçñéæüìåíá
õðïóôçñéæüìåíáõðïóôçñéæüìåíá
õðïóôçñéæüìåíá
áðü äéáäïêßäåòáðü äéáäïêßäåò
áðü äéáäïêßäåòáðü äéáäïêßäåò
áðü äéáäïêßäåò
ÊáëÞ èÝóç ìåôáîýÊáëÞ èÝóç ìåôáîý
ÊáëÞ èÝóç ìåôáîýÊáëÞ èÝóç ìåôáîý
ÊáëÞ èÝóç ìåôáîý
äïêáñéþí ïñïöÞòäïêáñéþí ïñïöÞò
äïêáñéþí ïñïöÞòäïêáñéþí ïñïöÞò
äïêáñéþí ïñïöÞò
¢íïéãìá ðëáéóßïõ þóôå¢íïéãìá ðëáéóßïõ þóôå
¢íïéãìá ðëáéóßïõ þóôå¢íïéãìá ðëáéóßïõ þóôå
¢íïéãìá ðëáéóßïõ þóôå
íá ìçí ðÝóåé ìå ôïíá ìçí ðÝóåé ìå ôï
íá ìçí ðÝóåé ìå ôïíá ìçí ðÝóåé ìå ôï
íá ìçí ðÝóåé ìå ôï
âßäùìá ôçò ìïíÜäáòâßäùìá ôçò ìïíÜäáò
âßäùìá ôçò ìïíÜäáòâßäùìá ôçò ìïíÜäáò
âßäùìá ôçò ìïíÜäáò
ÁöÞóôå ðñüóâáóç ãéá ôáÁöÞóôå ðñüóâáóç ãéá ôá
ÁöÞóôå ðñüóâáóç ãéá ôáÁöÞóôå ðñüóâáóç ãéá ôá
ÁöÞóôå ðñüóâáóç ãéá ôá
çëåêôñéêÜ êáëþäéáçëåêôñéêÜ êáëþäéá
çëåêôñéêÜ êáëþäéáçëåêôñéêÜ êáëþäéá
çëåêôñéêÜ êáëþäéá
375mm ôï åëÜ÷.375mm ôï åëÜ÷.
375mm ôï åëÜ÷.375mm ôï åëÜ÷.
375mm ôï åëÜ÷.
óôï ìðñïóôéíüóôï ìðñïóôéíü
óôï ìðñïóôéíüóôï ìðñïóôéíü
óôï ìðñïóôéíü
ÜíïéãìáÜíïéãìá
ÜíïéãìáÜíïéãìá
Üíïéãìá
25mm ôï åëÜ÷.25mm ôï åëÜ÷.
25mm ôï åëÜ÷.25mm ôï åëÜ÷.
25mm ôï åëÜ÷.
ä. Áí ôï Üíïéãìá õðåñâáßíåé ôá 362mm x 362mm
(± 3,2mm), èá ÷ñåéáóôåß íá áëëÜîåôå ôï ìÝãåèïò ôïõ
áíïßãìáôïò óå 362mm x 362mm (± 3,2mm).
óô. Áí ôï Üíïéãìá åßíáé ìéêñüôåñï áðü 362mm x 362mm
(± 3,2mm), èá ðñÝðåé íá ôï ìåãáëþóåôå.
3. ÍÝï Üíïéãìá - (åãêáôÜóôáóç ðÝñáí ôïõ áíïßãìáôïò
åîáåñéóìïý)
á. Óçìåéþóôå Ýíá ôåôñÜãùíï 362mm x 362mm
(± 3,2mm) óôçí ïñïöÞ êáé êüøôå ðñïóåêôéêÜ ôï
Üíïéãìá.
â. ×ñçóéìïðïéþíôáò ôï Üíïéãìá ïñïöÞò ùò ïäçãü,
êüøôå ôï áíôßóôïé÷ï Üíïéãìá óôï ôáâÜíé.
ã. Óôï Üíïéãìá ðïõ äçìéïõñãÞèçêå ðñÝðåé íá
ôïðïèåôçèïýí õðïóôçñßãìáôá ãéá ôçí åîáóöÜëéóç
åðáñêïýò ðñïóôáóßáò êáé ôçí ðáñåìðüäéóç ôçò
åéóüäïõ áÝñá áðü ôçí êïéëüôçôá ôçò ïñïöÞò. Èá
ðñÝðåé íá ÷ñçóéìïðïéçèåß îýëï 25mm Þ
ìåãáëýôåñïõ ðÜ÷ïõò. Ìçí îå÷Üóåôå íá áíïßîåôå ìéá
ïðÞ åéóüäïõ ãéá ôá çëåêôñéêÜ êáëþäéá óôï
ìðñïóôéíü ìÝñïò ôïõ áíïßãìáôïò. Äåßôå ÅÉÊ. 7.
Ç äéáóöÜëéóç ôçò äïìéêÞò áñôéüôçôáò ôçòÇ äéáóöÜëéóç ôçò äïìéêÞò áñôéüôçôáò ôçò
Ç äéáóöÜëéóç ôçò äïìéêÞò áñôéüôçôáò ôçòÇ äéáóöÜëéóç ôçò äïìéêÞò áñôéüôçôáò ôçò
Ç äéáóöÜëéóç ôçò äïìéêÞò áñôéüôçôáò ôçò
ïñïöÞò ôïõ ôñï÷üóðéôïõ áðïôåëåß åõèýíç ôïõïñïöÞò ôïõ ôñï÷üóðéôïõ áðïôåëåß åõèýíç ôïõ
ïñïöÞò ôïõ ôñï÷üóðéôïõ áðïôåëåß åõèýíç ôïõïñïöÞò ôïõ ôñï÷üóðéôïõ áðïôåëåß åõèýíç ôïõ
ïñïöÞò ôïõ ôñï÷üóðéôïõ áðïôåëåß åõèýíç ôïõ
åãêáôáóôÜôç áõôïý ôïõ óõóôÞìáôïò êëéìáôéóìïý.åãêáôáóôÜôç áõôïý ôïõ óõóôÞìáôïò êëéìáôéóìïý.
åãêáôáóôÜôç áõôïý ôïõ óõóôÞìáôïò êëéìáôéóìïý.åãêáôáóôÜôç áõôïý ôïõ óõóôÞìáôïò êëéìáôéóìïý.
åãêáôáóôÜôç áõôïý ôïõ óõóôÞìáôïò êëéìáôéóìïý.
Ìçí äçìéïõñãåßôå ðïôÝ êïéëüôçôá óôçí ïñïöÞÌçí äçìéïõñãåßôå ðïôÝ êïéëüôçôá óôçí ïñïöÞ
Ìçí äçìéïõñãåßôå ðïôÝ êïéëüôçôá óôçí ïñïöÞÌçí äçìéïõñãåßôå ðïôÝ êïéëüôçôá óôçí ïñïöÞ
Ìçí äçìéïõñãåßôå ðïôÝ êïéëüôçôá óôçí ïñïöÞ
üðïõ èá óõãêåíôñùèåß íåñü. Ôï íåñü ðïõüðïõ èá óõãêåíôñùèåß íåñü. Ôï íåñü ðïõ
üðïõ èá óõãêåíôñùèåß íåñü. Ôï íåñü ðïõüðïõ èá óõãêåíôñùèåß íåñü. Ôï íåñü ðïõ
üðïõ èá óõãêåíôñùèåß íåñü. Ôï íåñü ðïõ
åîÝñ÷åôáé áðü ôï êëéìáôéóôéêü ìðïñåß íáåîÝñ÷åôáé áðü ôï êëéìáôéóôéêü ìðïñåß íá
åîÝñ÷åôáé áðü ôï êëéìáôéóôéêü ìðïñåß íáåîÝñ÷åôáé áðü ôï êëéìáôéóôéêü ìðïñåß íá
åîÝñ÷åôáé áðü ôï êëéìáôéóôéêü ìðïñåß íá
äéáññåýóåé óôï åóùôåñéêü ðñïêáëþíôáò æçìéÝòäéáññåýóåé óôï åóùôåñéêü ðñïêáëþíôáò æçìéÝò
äéáññåýóåé óôï åóùôåñéêü ðñïêáëþíôáò æçìéÝòäéáññåýóåé óôï åóùôåñéêü ðñïêáëþíôáò æçìéÝò
äéáññåýóåé óôï åóùôåñéêü ðñïêáëþíôáò æçìéÝò
óôï ðñïúüí êáé óôï ôñï÷üóðéôï.óôï ðñïúüí êáé óôï ôñï÷üóðéôï.
óôï ðñïúüí êáé óôï ôñï÷üóðéôï.óôï ðñïúüí êáé óôï ôñï÷üóðéôï.
óôï ðñïúüí êáé óôï ôñï÷üóðéôï.
Ä.Ä.
Ä.Ä.
Ä. ÁðáéôÞóåéò êáëùäßùóçòÁðáéôÞóåéò êáëùäßùóçò
ÁðáéôÞóåéò êáëùäßùóçòÁðáéôÞóåéò êáëùäßùóçò
ÁðáéôÞóåéò êáëùäßùóçò
1. 220 - 240 VAC ãñáììÞ ôñïöïäïóßáò
ÐåñÜóôå ìéá ÷Üëêéíç ãñáììÞ ôñïöïäïóßáò 1mm2, ìå
ãåßùóç, 220 - 240 VAC áðü ôçí áóöÜëåéá âñáäåßáò ôÞîçò
Þ ôçí áóöáëåéïèÞêç óôï Üíïéãìá ôçò ïñïöÞò.
á. Ç ãñáììÞ ôñïöïäïóßáò èá ðñÝðåé íá âñßóêåôáé óôï
ìðñïóôéíü ìÝñïò ôïõ áíïßãìáôïò 362mm x 362mm
(± 3,2mm).
â. Ç éó÷ýò ÐÑÅÐÅÉ íá âñßóêåôáé óå îå÷ùñéóôÞ
áóöÜëåéá âñáäåßáò ôÞîçò 10 Amp Þ
áóöáëåéïäéáêüðôç HACR.
ã. Âåâáéùèåßôå üôé ôïõëÜ÷éóôïí 375mm êáëùäßïõ
ôñïöïäïóßáò åêôåßíåôáé óôï Üíïéãìá ïñïöÞò. ¸ôóé
äéáóöáëßæåôáé ìéá åýêïëç óýíäåóç óôï êïõôß
óõíäÝóåùí.
ä. Ïé êáëùäéþóåéò ðñÝðåé íá óõììïñöþíïíôáé ìå
üëïõò ôïõ åèíéêïýò êáé ôïõò ôïðéêïýò
êáíïíéóìïýò Þ/êáé êùäéêïýò.
óô. ×ñçóéìïðïéÞóôå Ýíá ÷áëýâäéíï ÷éôþíéï êáé Ýíá
ðáñÝìâõóìá Þ ðáñüìïéá ìÝèïäï ãéá íá
ðñïóôáôåýóåôå ôï êáëþäéï óôá óçìåßá ðïõ ðåñíÜåé
áðü ôï Üíïéãìá.
ÓÔ.ÓÔ.
ÓÔ.ÓÔ.
ÓÔ. ÔïðïèÝôçóç ôïõ êëéìáôéóôéêïý óôçí ïñïöÞÔïðïèÝôçóç ôïõ êëéìáôéóôéêïý óôçí ïñïöÞ
ÔïðïèÝôçóç ôïõ êëéìáôéóôéêïý óôçí ïñïöÞÔïðïèÝôçóç ôïõ êëéìáôéóôéêïý óôçí ïñïöÞ
ÔïðïèÝôçóç ôïõ êëéìáôéóôéêïý óôçí ïñïöÞ
Ç ìïíÜäá æõãßæåé ðåñßðïõ 45 êéëÜ. Ãéá íá áðïöýãåôåÇ ìïíÜäá æõãßæåé ðåñßðïõ 45 êéëÜ. Ãéá íá áðïöýãåôå
Ç ìïíÜäá æõãßæåé ðåñßðïõ 45 êéëÜ. Ãéá íá áðïöýãåôåÇ ìïíÜäá æõãßæåé ðåñßðïõ 45 êéëÜ. Ãéá íá áðïöýãåôå
Ç ìïíÜäá æõãßæåé ðåñßðïõ 45 êéëÜ. Ãéá íá áðïöýãåôå
êáôáðüíçóç ôçò ìÝóçò óáò, áíõøþóôå ôçí ìÝ÷ñéêáôáðüíçóç ôçò ìÝóçò óáò, áíõøþóôå ôçí ìÝ÷ñé
êáôáðüíçóç ôçò ìÝóçò óáò, áíõøþóôå ôçí ìÝ÷ñéêáôáðüíçóç ôçò ìÝóçò óáò, áíõøþóôå ôçí ìÝ÷ñé
êáôáðüíçóç ôçò ìÝóçò óáò, áíõøþóôå ôçí ìÝ÷ñé
ôçí ïñïöÞ ìå áíõøùôéêü åîïðëéóìü.ôçí ïñïöÞ ìå áíõøùôéêü åîïðëéóìü.
ôçí ïñïöÞ ìå áíõøùôéêü åîïðëéóìü.ôçí ïñïöÞ ìå áíõøùôéêü åîïðëéóìü.
ôçí ïñïöÞ ìå áíõøùôéêü åîïðëéóìü.
ÅÉÊ.ÅÉÊ.
ÅÉÊ.ÅÉÊ.
ÅÉÊ. 88
88
8
Ìçí óÝñíåôå ôç ìïíÜäá. Ìðïñåßôå íá êáôáóôñáöåßÌçí óÝñíåôå ôç ìïíÜäá. Ìðïñåßôå íá êáôáóôñáöåß
Ìçí óÝñíåôå ôç ìïíÜäá. Ìðïñåßôå íá êáôáóôñáöåßÌçí óÝñíåôå ôç ìïíÜäá. Ìðïñåßôå íá êáôáóôñáöåß
Ìçí óÝñíåôå ôç ìïíÜäá. Ìðïñåßôå íá êáôáóôñáöåß
ôï ðáñÝìâõóìá ïñïöÞò óôï êÜôù ìÝñïò ôçò êáéôï ðáñÝìâõóìá ïñïöÞò óôï êÜôù ìÝñïò ôçò êáé
ôï ðáñÝìâõóìá ïñïöÞò óôï êÜôù ìÝñïò ôçò êáéôï ðáñÝìâõóìá ïñïöÞò óôï êÜôù ìÝñïò ôçò êáé
ôï ðáñÝìâõóìá ïñïöÞò óôï êÜôù ìÝñïò ôçò êáé
ç åãêáôÜóôáóç íá ðáñïõóéÜæåé äéáññïÞ.ç åãêáôÜóôáóç íá ðáñïõóéÜæåé äéáññïÞ.
ç åãêáôÜóôáóç íá ðáñïõóéÜæåé äéáññïÞ.ç åãêáôÜóôáóç íá ðáñïõóéÜæåé äéáññïÞ.
ç åãêáôÜóôáóç íá ðáñïõóéÜæåé äéáññïÞ.
ÅÉÊ.ÅÉÊ.
ÅÉÊ.ÅÉÊ.
ÅÉÊ. 99
99
9ÌÐÑÏÓÔÁÌÐÑÏÓÔÁ
ÌÐÑÏÓÔÁÌÐÑÏÓÔÁ
ÌÐÑÏÓÔÁ
1. ÁöáéñÝóôå ôï êëéìáôéóôéêü áðü ôï ÷áñôïêéâþôéï êáé
ðåôÜîôå ôï êéâþôéï. Äåßôå ôçí ÅÉÊ. 8.
2. ÔïðïèåôÞóôå ôï êëéìáôéóôéêü óôçí ïñïöÞ.
3. Óçêþóôå êáé ôïðïèåôÞóôå ôç ìïíÜäá ðÜíù áðü ôï
ðñïåôïéìáóìÝíï Üíïéãìá ÷ñçóéìïðïéþíôáò ôï
ðáñÝìâõóìá óôç ìïíÜäá ùò ïäçãü. Äåßôå ôçí ÅÉÊ. 9.
ÐÑÏÓÏ×ÇÐÑÏÓÏ×Ç
ÐÑÏÓÏ×ÇÐÑÏÓÏ×Ç
ÐÑÏÓÏ×Ç
ÐÑÏÓÏ×ÇÐÑÏÓÏ×Ç
ÐÑÏÓÏ×ÇÐÑÏÓÏ×Ç
ÐÑÏÓÏ×Ç
!ÐÑÏÓÏ×ÇÐÑÏÓÏ×Ç
ÐÑÏÓÏ×ÇÐÑÏÓÏ×Ç
ÐÑÏÓÏ×Ç

67
ÅÉÊ.ÅÉÊ.
ÅÉÊ.ÅÉÊ.
ÅÉÊ. 1111
1111
11
ÂÞìá áÂÞìá á
ÂÞìá áÂÞìá á
ÂÞìá á
Êüøôå óôçÊüøôå óôç
Êüøôå óôçÊüøôå óôç
Êüøôå óôç
äéáêåêïììÝíçäéáêåêïììÝíç
äéáêåêïììÝíçäéáêåêïììÝíç
äéáêåêïììÝíç
ãñáììÞãñáììÞ
ãñáììÞãñáììÞ
ãñáììÞ
ÂÞìá âÂÞìá â
ÂÞìá âÂÞìá â
ÂÞìá â
Êüøôå óôçÊüøôå óôç
Êüøôå óôçÊüøôå óôç
Êüøôå óôç
äéáêåêïììÝíçäéáêåêïììÝíç
äéáêåêïììÝíçäéáêåêïììÝíç
äéáêåêïììÝíç
ãñáììÞãñáììÞ
ãñáììÞãñáììÞ
ãñáììÞ
ÂÞìá ãÂÞìá ã
ÂÞìá ãÂÞìá ã
ÂÞìá ã
×ñçóéìïðïéÞóôå×ñçóéìïðïéÞóôå
×ñçóéìïðïéÞóôå×ñçóéìïðïéÞóôå
×ñçóéìïðïéÞóôå
üðùò áðïóôÝëëåôáéüðùò áðïóôÝëëåôáé
üðùò áðïóôÝëëåôáéüðùò áðïóôÝëëåôáé
üðùò áðïóôÝëëåôáé
¢íù áåñáãùãüò¢íù áåñáãùãüò
¢íù áåñáãùãüò¢íù áåñáãùãüò
¢íù áåñáãùãüò
åêêÝíùóçòåêêÝíùóçò
åêêÝíùóçòåêêÝíùóçò
åêêÝíùóçò
ÊÜôù áåñáãùãüòÊÜôù áåñáãùãüò
ÊÜôù áåñáãùãüòÊÜôù áåñáãùãüò
ÊÜôù áåñáãùãüò
åêêÝíùóçòåêêÝíùóçò
åêêÝíùóçòåêêÝíùóçò
åêêÝíùóçò
Ðßóù ìÝñïòÐßóù ìÝñïò
Ðßóù ìÝñïòÐßóù ìÝñïò
Ðßóù ìÝñïò
êëéìáôéóôéêïýêëéìáôéóôéêïý
êëéìáôéóôéêïýêëéìáôéóôéêïý
êëéìáôéóôéêïý
¢íù áåñáãùãüò¢íù áåñáãùãüò
¢íù áåñáãùãüò¢íù áåñáãùãüò
¢íù áåñáãùãüò
åêêÝíùóçòåêêÝíùóçò
åêêÝíùóçòåêêÝíùóçò
åêêÝíùóçò Ãùíßá ÷ùñßòÃùíßá ÷ùñßò
Ãùíßá ÷ùñßòÃùíßá ÷ùñßò
Ãùíßá ÷ùñßò
öëÜíôæá óôï ðßóùöëÜíôæá óôï ðßóù
öëÜíôæá óôï ðßóùöëÜíôæá óôï ðßóù
öëÜíôæá óôï ðßóù
ìÝñïò ôçò ìïíÜäáòìÝñïò ôçò ìïíÜäáò
ìÝñïò ôçò ìïíÜäáòìÝñïò ôçò ìïíÜäáò
ìÝñïò ôçò ìïíÜäáò
ÅÉÊ.ÅÉÊ.
ÅÉÊ.ÅÉÊ.
ÅÉÊ. 1010
1010
10
Áí áöÞóåôå ÷áëáñÜ ôá ìðïõëüíéá åíäå÷ïìÝíùòÁí áöÞóåôå ÷áëáñÜ ôá ìðïõëüíéá åíäå÷ïìÝíùò
Áí áöÞóåôå ÷áëáñÜ ôá ìðïõëüíéá åíäå÷ïìÝíùòÁí áöÞóåôå ÷áëáñÜ ôá ìðïõëüíéá åíäå÷ïìÝíùò
Áí áöÞóåôå ÷áëáñÜ ôá ìðïõëüíéá åíäå÷ïìÝíùò
íá ìçí õðÜñ÷åé åðáñêÞò óôåãáíïðïßçóçíá ìçí õðÜñ÷åé åðáñêÞò óôåãáíïðïßçóç
íá ìçí õðÜñ÷åé åðáñêÞò óôåãáíïðïßçóçíá ìçí õðÜñ÷åé åðáñêÞò óôåãáíïðïßçóç
íá ìçí õðÜñ÷åé åðáñêÞò óôåãáíïðïßçóç
ïñïöÞò Þ áí ôá óößîåôå õðåñâïëéêÜ,ïñïöÞò Þ áí ôá óößîåôå õðåñâïëéêÜ,
ïñïöÞò Þ áí ôá óößîåôå õðåñâïëéêÜ,ïñïöÞò Þ áí ôá óößîåôå õðåñâïëéêÜ,
ïñïöÞò Þ áí ôá óößîåôå õðåñâïëéêÜ,
åíäå÷ïìÝíùò íá ðñïêýøåé âëÜâç óôç âÜóç ôïõåíäå÷ïìÝíùò íá ðñïêýøåé âëÜâç óôç âÜóç ôïõ
åíäå÷ïìÝíùò íá ðñïêýøåé âëÜâç óôç âÜóç ôïõåíäå÷ïìÝíùò íá ðñïêýøåé âëÜâç óôç âÜóç ôïõ
åíäå÷ïìÝíùò íá ðñïêýøåé âëÜâç óôç âÜóç ôïõ
êëéìáôéóôéêïý Þ óôïí ïäçãü ôáâáíéïý. Óößîôåêëéìáôéóôéêïý Þ óôïí ïäçãü ôáâáíéïý. Óößîôå
êëéìáôéóôéêïý Þ óôïí ïäçãü ôáâáíéïý. Óößîôåêëéìáôéóôéêïý Þ óôïí ïäçãü ôáâáíéïý. Óößîôå
êëéìáôéóôéêïý Þ óôïí ïäçãü ôáâáíéïý. Óößîôå
óýìöùíá ìå ôéò ðñïâëåðüìåíåò ñïðÝò ðïõóýìöùíá ìå ôéò ðñïâëåðüìåíåò ñïðÝò ðïõ
óýìöùíá ìå ôéò ðñïâëåðüìåíåò ñïðÝò ðïõóýìöùíá ìå ôéò ðñïâëåðüìåíåò ñïðÝò ðïõ
óýìöùíá ìå ôéò ðñïâëåðüìåíåò ñïðÝò ðïõ
áíáöÝñïíôáé óôï ðáñüí.áíáöÝñïíôáé óôï ðáñüí.
áíáöÝñïíôáé óôï ðáñüí.áíáöÝñïíôáé óôï ðáñüí.
áíáöÝñïíôáé óôï ðáñüí.
ÅIK.ÅIK.
ÅIK.ÅIK.
ÅIK. 1212
1212
12 ÐåñÜóôå ôïí êÜôù áãùãüÐåñÜóôå ôïí êÜôù áãùãü
ÐåñÜóôå ôïí êÜôù áãùãüÐåñÜóôå ôïí êÜôù áãùãü
ÐåñÜóôå ôïí êÜôù áãùãü
åêêÝíùóçò áÝñá ðÜíùåêêÝíùóçò áÝñá ðÜíù
åêêÝíùóçò áÝñá ðÜíùåêêÝíùóçò áÝñá ðÜíù
åêêÝíùóçò áÝñá ðÜíù
áðü ôïí ðÜíù áãùãüáðü ôïí ðÜíù áãùãü
áðü ôïí ðÜíù áãùãüáðü ôïí ðÜíù áãùãü
áðü ôïí ðÜíù áãùãü
ÐáñÝìâõóìáÐáñÝìâõóìá
ÐáñÝìâõóìáÐáñÝìâõóìá
ÐáñÝìâõóìá
ïñïöÞòïñïöÞò
ïñïöÞòïñïöÞò
ïñïöÞò
ÊñáôÞóôå ôïí ïäçãü ôáâáíéïýÊñáôÞóôå ôïí ïäçãü ôáâáíéïý
ÊñáôÞóôå ôïí ïäçãü ôáâáíéïýÊñáôÞóôå ôïí ïäçãü ôáâáíéïý
ÊñáôÞóôå ôïí ïäçãü ôáâáíéïý
ìå ôï Ýíá ÷Ýñé êáé ôïðïèåôÞóôåìå ôï Ýíá ÷Ýñé êáé ôïðïèåôÞóôå
ìå ôï Ýíá ÷Ýñé êáé ôïðïèåôÞóôåìå ôï Ýíá ÷Ýñé êáé ôïðïèåôÞóôå
ìå ôï Ýíá ÷Ýñé êáé ôïðïèåôÞóôå
êáé óößîôå 3 ìðïõëüíéá óõíáñìïëüãçóçòêáé óößîôå 3 ìðïõëüíéá óõíáñìïëüãçóçò
êáé óößîôå 3 ìðïõëüíéá óõíáñìïëüãçóçòêáé óößîôå 3 ìðïõëüíéá óõíáñìïëüãçóçò
êáé óößîôå 3 ìðïõëüíéá óõíáñìïëüãçóçò
¢íïéãìá áÝñá¢íïéãìá áÝñá
¢íïéãìá áÝñá¢íïéãìá áÝñá
¢íïéãìá áÝñá
åðéóôñïöÞòåðéóôñïöÞò
åðéóôñïöÞòåðéóôñïöÞò
åðéóôñïöÞò
êëéìáôéóôéêïýêëéìáôéóôéêïý
êëéìáôéóôéêïýêëéìáôéóôéêïý
êëéìáôéóôéêïý
ÁðïóõíäÝóôå ôï ñåýìá 220 - 240 Volt. ÓåÁðïóõíäÝóôå ôï ñåýìá 220 - 240 Volt. Óå
ÁðïóõíäÝóôå ôï ñåýìá 220 - 240 Volt. ÓåÁðïóõíäÝóôå ôï ñåýìá 220 - 240 Volt. Óå
ÁðïóõíäÝóôå ôï ñåýìá 220 - 240 Volt. Óå
ðåñßðôùóç ðïõ äåí ôçñçèïýí áõôÝò ïé ïäçãßåò,ðåñßðôùóç ðïõ äåí ôçñçèïýí áõôÝò ïé ïäçãßåò,
ðåñßðôùóç ðïõ äåí ôçñçèïýí áõôÝò ïé ïäçãßåò,ðåñßðôùóç ðïõ äåí ôçñçèïýí áõôÝò ïé ïäçãßåò,
ðåñßðôùóç ðïõ äåí ôçñçèïýí áõôÝò ïé ïäçãßåò,
õðÜñ÷åé êßíäõíïò çëåêôñïðëçîßáò ðïõ ìðïñåßõðÜñ÷åé êßíäõíïò çëåêôñïðëçîßáò ðïõ ìðïñåß
õðÜñ÷åé êßíäõíïò çëåêôñïðëçîßáò ðïõ ìðïñåßõðÜñ÷åé êßíäõíïò çëåêôñïðëçîßáò ðïõ ìðïñåß
õðÜñ÷åé êßíäõíïò çëåêôñïðëçîßáò ðïõ ìðïñåß
íá ðñïêáëÝóåé ôï èÜíáôï Þ óïâáñü ôñáõìáôéóìü.íá ðñïêáëÝóåé ôï èÜíáôï Þ óïâáñü ôñáõìáôéóìü.
íá ðñïêáëÝóåé ôï èÜíáôï Þ óïâáñü ôñáõìáôéóìü.íá ðñïêáëÝóåé ôï èÜíáôï Þ óïâáñü ôñáõìáôéóìü.
íá ðñïêáëÝóåé ôï èÜíáôï Þ óïâáñü ôñáõìáôéóìü.
4. ÔïðïèåôÞóôå ôï ìç÷áíéêü êéô êïõôéïý äéáíïìÞò áÝñá
ìÝóá óôï ôñï÷üóðéôï. Áõôü ôï êïõôß ðåñéÝ÷åé åîïðëéóìü
óõíáñìïëüãçóçò ãéá ôï êëéìáôéóôéêü êáé èá
÷ñçóéìïðïéçèåß ìÝóá óôï ôñï÷üóðéôï.
¸ôóé ïëïêëçñþíåôáé ç åîùôåñéêÞ åñãáóßá. ÌéêñÝò ðñïóáñìïãÝò
ìðïñïýí íá ãßíïõí áðü ôï åóùôåñéêü ôïõ ôñï÷üóðéôïõ, áí ÷ñåéáóôåß.
Å.Å.
Å.Å.
Å. ÅãêáôÜóôáóç ôïõ êëéìáôéóôéêïýÅãêáôÜóôáóç ôïõ êëéìáôéóôéêïý
ÅãêáôÜóôáóç ôïõ êëéìáôéóôéêïýÅãêáôÜóôáóç ôïõ êëéìáôéóôéêïý
ÅãêáôÜóôáóç ôïõ êëéìáôéóôéêïý
1. ÁöáéñÝóôå ôï êïõôß êáé ôïí åîïðëéóìü óõíáñìïëüãçóçò
áðü ôï ÷áñôïêéâþôéï. Ï ðÜíù áãùãüò áðïóôÝëëåôáé
ìÝóá óôïí êÜôù áãùãü, ï ïðïßïò åßíáé ìÝñïò ôïõ
ðñïôýðïõ ôïõ ôáâáíéïý.
2. ÅëÝãîôå ãéá óùóôÞ åõèõãñÜììéóç êáé ðñïóáñìüóôå
áíáëüãùò ôç ìïíÜäá (ðáñÝìâõóìá ïñïöÞò êåíôñáñéóìÝíï
óå 362mm x 362mm (± 3,2mm)).
3. ÁöáéñÝóôå ôïí ðÜíù áãùãü áðü ôïí ïäçãü ôáâáíéïý êáé
ôïðïèåôÞóôå ôïí ðÜíù áðü ôçí åîáãùãÞ ôïõ öõóçôÞñá.
Äåßôå ôçí ÅÉÊ. 10
Óçìåßùóç: Óçìåßùóç:
Óçìåßùóç: Óçìåßùóç:
Óçìåßùóç: Ç ãùíßá ÷ùñßò öëÜíôæá ôïðïèåôåßôáé ðñïò ôï ÐÉÓÙ
ìÝñïò ôïõ áíïßãìáôïò.
4. ×ñçóéìïðïéÞóôå äýï (2) ìõôåñÝò ìåôáëëéêÝò âßäåò #10
öýëëùí ãéá ôç óõãêñÜôçóç ôïõ äßóêïõ âÜóçò ôïõ
áãùãïý. ÏðÝò ãéá ôéò âßäåò áõôÝò õðÜñ÷ïõí óôï êÜôù
ìÝñïò ôïõ äßóêïõ âÜóçò.
5. ÂÜëôå ôï ÷Ýñé óáò óôï Üíïéãìá áÝñá åðéóôñïöÞò ôïõ
êëéìáôéóôéêïý êáé ôñáâÞîôå ôï çëåêôñéêü êáëþäéï ôçò
ìïíÜäáò ãéá ôç ìåôÝðåéôá óýíäåóç.
6. ÌåôñÞóôå ôï ðÜ÷ïò ôáâáíéïý - ïñïöÞò:
á. Áí ç áðüóôáóç åßíáé 25mm - 50mm, áöáéñÝóôå ôá
äéáêåêïììÝíá ìÝñç áðü ôïõò åðÜíù êáé ôïõò êÜôù
áãùãïýò. Äåßôå ôçí ÅÉÊ. 11.
â. Áí ç áðüóôáóç åßíáé 50mm - 75mm, áöáéñÝóôå ôá
äéáêåêïììÝíá ìÝñç áðü ôïí êÜôù áãùãü ìüíï. Äåßôå
ôçí ÅÉÊ. 11.
ã. Áí ç áðüóôáóç åßíáé 275mm - 100mm, åãêáôáóôÞóôå
ôïõò áãùãïýò üðùò ôïõò ðáñáëÜâáôå. Äåßôå ôçí
ÅÉÊ. 11.
7. ÅãêáôáóôÞóôå ôïí ïäçãü ôáâáíéïý ðåñíþíôáò ôïí êÜôù
áãùãü ðÜíù áðü ôïí åðÜíù ïäçãü. Äåßôå ôçí ÅÉÊ. 12.
8. ÊñáôÞóôå ôïí ïäçãü ôáâáíéïý ìå ôï Ýíá ÷Ýñé êáé ìå ôï
Üëëï, ôïðïèåôÞóôå ôá ôñßá ìðïõëüíéá óõíáñìïëüãçóçò
ìÞêïõò 150mm óôïí ïäçãü êáé óôï äßóêï âÜóçò.
á. Óößîôå ìå ôï ÷Ýñé ôá ìðïõëüíéá êáé åëÝãîôå ôçí
åõèõãñÜììéóç. Èá ðñÝðåé íá õðÜñ÷åé ßóï Üíïéãìá
óôéò äýï ðëåõñÝò êáé ç ðßóù öëÜíôæá èá ðñÝðåé íá
åöáñìüæåé êáëÜ óôï Üíïéãìá ôçò ïñïöÞò.
â. Óößîôå Óößîôå
Óößîôå Óößîôå
Óößîôå ÏÌÏÉÏÌÏÑÖÁÏÌÏÉÏÌÏÑÖÁ
ÏÌÏÉÏÌÏÑÖÁÏÌÏÉÏÌÏÑÖÁ
ÏÌÏÉÏÌÏÑÖÁ ôá ôñßá ìðïõëüíéá ìå ôá ôñßá ìðïõëüíéá ìå
ôá ôñßá ìðïõëüíéá ìå ôá ôñßá ìðïõëüíéá ìå
ôá ôñßá ìðïõëüíéá ìå
ñïðÞ 4,5 Ýùò 5,5 NM (Newton Meters).ñïðÞ 4,5 Ýùò 5,5 NM (Newton Meters).
ñïðÞ 4,5 Ýùò 5,5 NM (Newton Meters).ñïðÞ 4,5 Ýùò 5,5 NM (Newton Meters).
ñïðÞ 4,5 Ýùò 5,5 NM (Newton Meters).
¸ôóé ôï ðáñÝìâõóìá ïñïöÞò èá óõìðéåóôå߸ôóé ôï ðáñÝìâõóìá ïñïöÞò èá óõìðéåóôåß
¸ôóé ôï ðáñÝìâõóìá ïñïöÞò èá óõìðéåóôå߸ôóé ôï ðáñÝìâõóìá ïñïöÞò èá óõìðéåóôåß
¸ôóé ôï ðáñÝìâõóìá ïñïöÞò èá óõìðéåóôåß
ðåñ. óå 13mm. Ôá ìðïõëüíéá åßíáéðåñ. óå 13mm. Ôá ìðïõëüíéá åßíáé
ðåñ. óå 13mm. Ôá ìðïõëüíéá åßíáéðåñ. óå 13mm. Ôá ìðïõëüíéá åßíáé
ðåñ. óå 13mm. Ôá ìðïõëüíéá åßíáé
áõôïáóöáëéæüìåíá, Üñá äåí ÷ñåéÜæåôáé íááõôïáóöáëéæüìåíá, Üñá äåí ÷ñåéÜæåôáé íá
áõôïáóöáëéæüìåíá, Üñá äåí ÷ñåéÜæåôáé íááõôïáóöáëéæüìåíá, Üñá äåí ÷ñåéÜæåôáé íá
áõôïáóöáëéæüìåíá, Üñá äåí ÷ñåéÜæåôáé íá
ôá óößîåôå ðïëý.ôá óößîåôå ðïëý.
ôá óößîåôå ðïëý.ôá óößîåôå ðïëý.
ôá óößîåôå ðïëý.
ÓÔ.ÓÔ.
ÓÔ.ÓÔ.
ÓÔ.Óýíäåóç çëåêôñéêÞò ôñïöïäïóßáò óôïÓýíäåóç çëåêôñéêÞò ôñïöïäïóßáò óôï
Óýíäåóç çëåêôñéêÞò ôñïöïäïóßáò óôïÓýíäåóç çëåêôñéêÞò ôñïöïäïóßáò óôï
Óýíäåóç çëåêôñéêÞò ôñïöïäïóßáò óôï
êëéìáôéóôéêüêëéìáôéóôéêü
êëéìáôéóôéêüêëéìáôéóôéêü
êëéìáôéóôéêü
Óçìáíôéêü:Óçìáíôéêü:
Óçìáíôéêü:Óçìáíôéêü:
Óçìáíôéêü: Ç çëåêôñéêÞ åãêáôÜóôáóç ðñÝðåé íá ãßíåé Ç çëåêôñéêÞ åãêáôÜóôáóç ðñÝðåé íá ãßíåé
Ç çëåêôñéêÞ åãêáôÜóôáóç ðñÝðåé íá ãßíåé Ç çëåêôñéêÞ åãêáôÜóôáóç ðñÝðåé íá ãßíåé
Ç çëåêôñéêÞ åãêáôÜóôáóç ðñÝðåé íá ãßíåé
áðü åîïõóéïäïôçìÝíï çëåêôñïëüãï. Óå ïñéóìÝíåò ÷þñåò,áðü åîïõóéïäïôçìÝíï çëåêôñïëüãï. Óå ïñéóìÝíåò ÷þñåò,
áðü åîïõóéïäïôçìÝíï çëåêôñïëüãï. Óå ïñéóìÝíåò ÷þñåò,áðü åîïõóéïäïôçìÝíï çëåêôñïëüãï. Óå ïñéóìÝíåò ÷þñåò,
áðü åîïõóéïäïôçìÝíï çëåêôñïëüãï. Óå ïñéóìÝíåò ÷þñåò,
ï çëåêôñïëüãïò èá ðñÝðåé íá åßíáé äéðëùìáôïý÷ïò.ï çëåêôñïëüãïò èá ðñÝðåé íá åßíáé äéðëùìáôïý÷ïò.
ï çëåêôñïëüãïò èá ðñÝðåé íá åßíáé äéðëùìáôïý÷ïò.ï çëåêôñïëüãïò èá ðñÝðåé íá åßíáé äéðëùìáôïý÷ïò.
ï çëåêôñïëüãïò èá ðñÝðåé íá åßíáé äéðëùìáôïý÷ïò.
ÐÑÏÓÏ×ÇÐÑÏÓÏ×Ç
ÐÑÏÓÏ×ÇÐÑÏÓÏ×Ç
ÐÑÏÓÏ×Ç
!ÐÑÏÅÉÄÏÐÏÉÇÓÇÐÑÏÅÉÄÏÐÏÉÇÓÇ
ÐÑÏÅÉÄÏÐÏÉÇÓÇÐÑÏÅÉÄÏÐÏÉÇÓÇ
ÐÑÏÅÉÄÏÐÏÉÇÓÇ

68
1. Ìðïñåßôå åßôå íá ôï óõíäÝóôå áðåõèåßáò óôïí çëåêôñéêü
ðßíáêá ãéá ìéá ìüíéìç óýíäåóç Þ íá óõíäÝóåôå Ýíá
äéáìïñöùìÝíï âýóìá óôïí çëåêôñéêü ðßíáêá.
á. Óå ðåñßðôùóç ìüíéìçò óýíäåóçò: ÏäçãÞóôå ôç
ãñáììÞ ôñïöïäïóßáò, ôçí ïðïßá åãêáôáóôÞóåôå
ðñïçãïõìÝíùò óôï Üíïéãìá ôçò ïñïöÞò, ìÝóá óôïí
çëåêôñéêü ðßíáêá óôïí ïäçãü ôáâáíéïý. ÓõíäÝóôå
üðùò ðåñéãñÜöåôáé óôçí ðáñÜãñáöï 2.
â. Óå ðåñßðôùóç óýíäåóçò ìå âýóìá: ×ñçóéìïðïéÞóôå
ôç ãñáììÞ çëåêôñéêÞò ôñïöïäïóßáò, ôïõ
“Ä. ÁðáéôÞóåéò êáëùäßùóçò”, ðñïò ôçí ôñïöïäïóßá
êáé ôçí åãêáôåóôçìÝíç çëåêôñéêÞ ðñßæá, óýìöùíá
ìå ôçí éó÷ýïõóá íïìïèåóßá, óôçí Üêñç ôïõ
áíïßãìáôïò ôçò ïñïöÞò, ìáêñéÜ áðü ôïí çëåêôñéêü
ðßíáêá.
Óçìáíôéêü:Óçìáíôéêü:
Óçìáíôéêü:Óçìáíôéêü:
Óçìáíôéêü:
ìçí óõíäÝåôå ôï äéáìïñöùìÝíï êáëþäéï Ýùòìçí óõíäÝåôå ôï äéáìïñöùìÝíï êáëþäéï Ýùò
ìçí óõíäÝåôå ôï äéáìïñöùìÝíï êáëþäéï Ýùòìçí óõíäÝåôå ôï äéáìïñöùìÝíï êáëþäéï Ýùò
ìçí óõíäÝåôå ôï äéáìïñöùìÝíï êáëþäéï Ýùò
üôïõ ïëïêëçñùèåß ðëÞñùò ç åãêáôÜóôáóç ôïõ êëéìáôéóôéêïýüôïõ ïëïêëçñùèåß ðëÞñùò ç åãêáôÜóôáóç ôïõ êëéìáôéóôéêïý
üôïõ ïëïêëçñùèåß ðëÞñùò ç åãêáôÜóôáóç ôïõ êëéìáôéóôéêïýüôïõ ïëïêëçñùèåß ðëÞñùò ç åãêáôÜóôáóç ôïõ êëéìáôéóôéêïý
üôïõ ïëïêëçñùèåß ðëÞñùò ç åãêáôÜóôáóç ôïõ êëéìáôéóôéêïý
êáé åßíáé Ýôïéìï ãéá ëåéôïõñãéêü Ýëåã÷ï. (Ïäçãßåò ëåéôïõñãßáò)êáé åßíáé Ýôïéìï ãéá ëåéôïõñãéêü Ýëåã÷ï. (Ïäçãßåò ëåéôïõñãßáò)
êáé åßíáé Ýôïéìï ãéá ëåéôïõñãéêü Ýëåã÷ï. (Ïäçãßåò ëåéôïõñãßáò)êáé åßíáé Ýôïéìï ãéá ëåéôïõñãéêü Ýëåã÷ï. (Ïäçãßåò ëåéôïõñãßáò)
êáé åßíáé Ýôïéìï ãéá ëåéôïõñãéêü Ýëåã÷ï. (Ïäçãßåò ëåéôïõñãßáò)
•ÐåñÜóôå ôï äéáìïñöùìÝíï óåô âýóìáôïò áðü
ôçí çëåêôñéêÞ ðñßæá óôïí çëåêôñéêü ðßíáêá,
öñïíôßæïíôáò þóôå ôï êáëþäéï ðïõ ðåñéóóåýåé
íá ìçí ôõëßãåôáé ìðëïêÜñïíôáò ôç ñïÞ ôïõ
áÝñá. ÓõíäÝóôå ôï óåô âýóìáôïò óôï ìðëïê
áêñïäåêôþí üðùò ðåñéãñÜöåôáé óôçí
ðáñÜãñáöï 2.
2. ÓõíäÝóôå ôç ãñáììÞ ôñïöïäïóßáò óôï êëéìáôéóôéêü, óôï
ìðëïê áêñïäåêôþí ôïõ çëåêôñéêïý ðßíáêá. ÓõíäÝóôå
ëåõêü ìå ëåõêü, ìáýñï ìå ìáýñï êáé ðñÜóéíï ìå ðñÜóéíï
Þ ãõìíü ÷Üëêéíï óýñìá (L. N. êáé áíôßóôïé÷á).
3. Óößîôå ôï áíáêïõöéóôéêü êáôáðüíçóçò óôç ãñáììÞ
ôñïöïäïóßáò, þóôå íá óôåñåùèåß óôç èÝóç ôçò. ÐñïóÝîôå
íá ìçí êüøåôå Þ êïíôýíåôå ôá êáëþäéá.
Óçìåßùóç:Óçìåßùóç:
Óçìåßùóç:Óçìåßùóç:
Óçìåßùóç: Áí ìÝñïò ôçò åãêáôÜóôáóçò åßíáé Ýíáò ðñïáéñåôéêüò
çëåêôñéêüò èåñìáíôÞñáò, èá ðñÝðåé íá åãêáôáóôáèåß ôþñá.
Ïäçãßåò åãêáôÜóôáóçò ðáñÝ÷ïíôáé ìáæß ìå ôï êéô ôïõ çëåêôñéêïý
èåñìáíôÞñá.
4. Óðñþîôå ðñïóåêôéêÜ üëá ôï ðåñßóóéï êáëþäéï óôïí
çëåêôñéêü ðßíáêá êáé ôïðïèåôÞóôå ôï êÜëõììá óôï
êïõôß ìå ôéò äýï ðáñå÷üìåíåò áìâëåßåò âßäåò.
5. ÓõíäÝóôå ôïí çëåêôñéêü áãùãü áðü ôçí ðÜíù ìïíÜäá
óôïí áêñïäÝêôç ôïõ çëåêôñéêïý ðßíáêá. Äåßôå ôçí
ÅÉÊ. 13.
6. Ôõëßîôå äåôéêü êáëùäßùí ãýñù áðü ôá âýóìáôá ãéá íá
áðïôñÝøåôå ôçí áðïìÜêñõíóç êáôÜ ôçí åðéôüðéá
óõíôÞñçóç.
ÅÉÊ.ÅÉÊ.
ÅÉÊ.ÅÉÊ.
ÅÉÊ. 1313
1313
13
ÐåñÜóôå ôçí çëåêôñéêÞÐåñÜóôå ôçí çëåêôñéêÞ
ÐåñÜóôå ôçí çëåêôñéêÞÐåñÜóôå ôçí çëåêôñéêÞ
ÐåñÜóôå ôçí çëåêôñéêÞ
ôñïöïäïóßá áðü ôïôñïöïäïóßá áðü ôï
ôñïöïäïóßá áðü ôïôñïöïäïóßá áðü ôï
ôñïöïäïóßá áðü ôï
óõíäåôÞñá RomexóõíäåôÞñá Romex
óõíäåôÞñá RomexóõíäåôÞñá Romex
óõíäåôÞñá Romex
ÓõíäÝóôå ôïí áãùãüÓõíäÝóôå ôïí áãùãü
ÓõíäÝóôå ôïí áãùãüÓõíäÝóôå ôïí áãùãü
ÓõíäÝóôå ôïí áãùãü
óôïí çëåêôñéêüóôïí çëåêôñéêü
óôïí çëåêôñéêüóôïí çëåêôñéêü
óôïí çëåêôñéêü
ðßíáêá êáé óôåñåþóôåðßíáêá êáé óôåñåþóôå
ðßíáêá êáé óôåñåþóôåðßíáêá êáé óôåñåþóôå
ðßíáêá êáé óôåñåþóôå
ìå äåôéêÜ êáëùäßùíìå äåôéêÜ êáëùäßùí
ìå äåôéêÜ êáëùäßùíìå äåôéêÜ êáëùäßùí
ìå äåôéêÜ êáëùäßùí
ÔïðïèåôÞóôåÔïðïèåôÞóôå
ÔïðïèåôÞóôåÔïðïèåôÞóôå
ÔïðïèåôÞóôå
ôï êÜëõììáôï êÜëõììá
ôï êÜëõììáôï êÜëõììá
ôï êÜëõììá
Ç.Ç.
Ç.Ç.
Ç. ÅãêáôÜóôáóç êïõôéïý äéáíïìÞò áÝñáÅãêáôÜóôáóç êïõôéïý äéáíïìÞò áÝñá
ÅãêáôÜóôáóç êïõôéïý äéáíïìÞò áÝñáÅãêáôÜóôáóç êïõôéïý äéáíïìÞò áÝñá
ÅãêáôÜóôáóç êïõôéïý äéáíïìÞò áÝñá
1. ÁöáéñÝóôå ôá äýï ðëÝãìáôá êáé ößëôñá áÝñá åðéóôñïöÞò.
2. ÏëéóèÞóôå ôï ìðñïóôéíü ìÝñïò ôïõ êïõôéïý ðÜíù áðü
ôïõò Üîïíåò ôïõ èåñìïóôÜôç êáé ôïõ äéáêüðôç åðéëïãÞò.
Äåßôå ôçí ÅÉÊ. 14.
ÅIK.ÅIK.
ÅIK.ÅIK.
ÅIK. 1414
1414
14
ÐåñÜóôå ôï êïõôß äéáíïìÞò áÝñáÐåñÜóôå ôï êïõôß äéáíïìÞò áÝñá
ÐåñÜóôå ôï êïõôß äéáíïìÞò áÝñáÐåñÜóôå ôï êïõôß äéáíïìÞò áÝñá
ÐåñÜóôå ôï êïõôß äéáíïìÞò áÝñá
ðÜíù áðü ôá ÷åéñéóôÞñéáðÜíù áðü ôá ÷åéñéóôÞñéá
ðÜíù áðü ôá ÷åéñéóôÞñéáðÜíù áðü ôá ÷åéñéóôÞñéá
ðÜíù áðü ôá ÷åéñéóôÞñéá
3. ÐåñÜóôå ôÝóóåñéò âßäåò áðü ôá ðüäéá ôïõ êïõôéïý óôéò
áíïéãìÝíåò ïðÝò óôïí ïäçãü ôáâáíéïý.
4. ÔïðïèåôÞóôå ôéò ó÷Üñåò êáé ôá ößëôñá áÝñá åðéóôñïöÞò,
óðñþ÷íïíôÜò ôá áðëÜ óôç èÝóç ôïõò.
5. ÔïðïèåôÞóôå ôá äýï ðáñå÷üìåíá êïõìðéÜ óôá Üêñá
ôùí áîüíùí ôïõ èåñìïóôÜôç êáé ôïõ äéáêüðôç åðéëïãÞò.
6. Ç çëåêôñéêÞ ôñïöïäïóßá ôïõ êëéìáôéóôéêïý ìðïñåß ôþñá
íá åíåñãïðïéçèåß.
7. Ç åãêáôÜóôáóç Ý÷åé ïëïêëçñùèåß êáé ôï êëéìáôéóôéêü
óáò åßíáé ðëÝïí Ýôïéìï ãéá ÷ñÞóç. Ðáñáêáëïýìå íá
äéáâÜóåôå ôéò áêüëïõèåò ïäçãßåò ðñéí ôç ëåéôïõñãßá ôçò
ìïíÜäáò.
ÏÄÇÃÉÅÓ ËÅÉÔÏÕÑÃÉÁÓÏÄÇÃÉÅÓ ËÅÉÔÏÕÑÃÉÁÓ
ÏÄÇÃÉÅÓ ËÅÉÔÏÕÑÃÉÁÓÏÄÇÃÉÅÓ ËÅÉÔÏÕÑÃÉÁÓ
ÏÄÇÃÉÅÓ ËÅÉÔÏÕÑÃÉÁÓ
A.A.
A.A.
A. ×åéñéóôÞñéá×åéñéóôÞñéá
×åéñéóôÞñéá×åéñéóôÞñéá
×åéñéóôÞñéá
1. Ï äéáêüðôçò åðéëïãÞò Ý÷åé ïêôþ èÝóåéò ìåôáîý ôùí
ïðïßùí êáé ôï “OFF”“OFF”
“OFF”“OFF”
“OFF”. Áõôüò åëÝã÷åé ôçí ôá÷ýôçôá ôïõ
áíåìéóôÞñá, ôç ëåéôïõñãßá èÝñìáíóçò, êáé ôéò ëåéôïõñãßåò
øýîçò. Äåßôå ôçí ÅÉÊ. 15.
ÅIK.ÅIK.
ÅIK.ÅIK.
ÅIK. 1515
1515
15
Äéáêüðôçò åðéëïãÞòÄéáêüðôçò åðéëïãÞò
Äéáêüðôçò åðéëïãÞòÄéáêüðôçò åðéëïãÞò
Äéáêüðôçò åðéëïãÞò
3
2
1
1
2
3
ÅIK.ÅIK.
ÅIK.ÅIK.
ÅIK. 1616
1616
16
2. Ï èåñìïóôÜôçò åëÝã÷åé ôçí åíåñãïðïßçóç/áðåíåñãïðïßçóç
ôïõ óõìðéåóôÞ óå ðåñéï÷Þ èåñìïêñáóéþí øýîçò 18,5° C
Ýùò 32,5° C. Äåßôå ôçí ÅÉÊ. 16.
Óçìåßùóç:Óçìåßùóç:
Óçìåßùóç:Óçìåßùóç:
Óçìåßùóç: Ï èåñìïóôÜôçò äåí åëÝã÷åé ôïí ðñïáéñåôéêü èåñìáíôÞñá
ôçò ìïíÜäáò, áí åßíáé åãêáôåóôçìÝíïò.
ÈåñìïóôÜôçòÈåñìïóôÜôçò
ÈåñìïóôÜôçòÈåñìïóôÜôçò
ÈåñìïóôÜôçò

69
B.B.
B.B.
B. Ëåéôïõñãßá øýîçòËåéôïõñãßá øýîçò
Ëåéôïõñãßá øýîçòËåéôïõñãßá øýîçò
Ëåéôïõñãßá øýîçò
1. Ñõèìßóôå ôï èåñìïóôÜôç óôï åðéëåãìÝíï åðßðåäï
èåñìïêñáóßáò.
2. ÅðéëÝîôå ôçí ôá÷ýôçôá áíåìéóôÞñá ðïõ åßíáé ðëÝïí
êáôÜëëçëç ãéá ôéò áíÜãêåò óáò:
á. ÕØÇËÇ ØÕÎÇÕØÇËÇ ØÕÎÇ
ÕØÇËÇ ØÕÎÇÕØÇËÇ ØÕÎÇ
ÕØÇËÇ ØÕÎÇ : ÅðéëÝãåôáé üôáí áðáéôåßôáé ìÝãéóôç
øýîç êáé áöýãñáíóç. (3 )
â. ÌÅÓÁÉÁ ØÕÎÇÌÅÓÁÉÁ ØÕÎÇ
ÌÅÓÁÉÁ ØÕÎÇÌÅÓÁÉÁ ØÕÎÇ
ÌÅÓÁÉÁ ØÕÎÇ: ÅðéëÝãåôáé üôáí áðáéôåßôáé êáíïíéêÞ
Þ ìÝôñéá øýîç. (2 )
ã. ×ÁÌÇËÇ ØÕÎÇ×ÁÌÇËÇ ØÕÎÇ
×ÁÌÇËÇ ØÕÎÇ×ÁÌÇËÇ ØÕÎÇ
×ÁÌÇËÇ ØÕÎÇ: ÅðéëÝãåôáé üôáí ç èåñìïêñáóßá
âñßóêåôáé óôï åðéèõìçôü åðßðåäï Üíåóçò êáé èÝëåôå
íá ôç äéáôçñÞóåôå. ÓõíÞèùò, áõôÞ ç ôá÷ýôçôá
÷ñçóéìïðïéåßôáé ãéá ëåéôïõñãßá êáôÜ ôç äéÜñêåéá ôçò
íý÷ôáò. (1 )
Óçìáíôéêü:Óçìáíôéêü:
Óçìáíôéêü:Óçìáíôéêü:
Óçìáíôéêü: ¼ôáí ôï êëéìáôéóôéêü åßíáé åíåñãïðïéçìÝíï êáé ï ¼ôáí ôï êëéìáôéóôéêü åßíáé åíåñãïðïéçìÝíï êáé ï
¼ôáí ôï êëéìáôéóôéêü åßíáé åíåñãïðïéçìÝíï êáé ï ¼ôáí ôï êëéìáôéóôéêü åßíáé åíåñãïðïéçìÝíï êáé ï
¼ôáí ôï êëéìáôéóôéêü åßíáé åíåñãïðïéçìÝíï êáé ï
èåñìïóôÜôçò æçôÜåé øýîç, ï áíåìéóôÞñáò êáé ï óõìðéåóôÞòèåñìïóôÜôçò æçôÜåé øýîç, ï áíåìéóôÞñáò êáé ï óõìðéåóôÞò
èåñìïóôÜôçò æçôÜåé øýîç, ï áíåìéóôÞñáò êáé ï óõìðéåóôÞòèåñìïóôÜôçò æçôÜåé øýîç, ï áíåìéóôÞñáò êáé ï óõìðéåóôÞò
èåñìïóôÜôçò æçôÜåé øýîç, ï áíåìéóôÞñáò êáé ï óõìðéåóôÞò
îåêéíïýí ôçí ßäéá óôéãìÞ. ÌåôÜ ôç ÷åéñïêßíçôç áðåíåñãïðïßçóçîåêéíïýí ôçí ßäéá óôéãìÞ. ÌåôÜ ôç ÷åéñïêßíçôç áðåíåñãïðïßçóç
îåêéíïýí ôçí ßäéá óôéãìÞ. ÌåôÜ ôç ÷åéñïêßíçôç áðåíåñãïðïßçóçîåêéíïýí ôçí ßäéá óôéãìÞ. ÌåôÜ ôç ÷åéñïêßíçôç áðåíåñãïðïßçóç
îåêéíïýí ôçí ßäéá óôéãìÞ. ÌåôÜ ôç ÷åéñïêßíçôç áðåíåñãïðïßçóç
ôïõ êëéìáôéóôéêïý åßôå ìÝóù ôïõ äéáêüðôç åðéëïãÞò åßôå ìÝóùôïõ êëéìáôéóôéêïý åßôå ìÝóù ôïõ äéáêüðôç åðéëïãÞò åßôå ìÝóù
ôïõ êëéìáôéóôéêïý åßôå ìÝóù ôïõ äéáêüðôç åðéëïãÞò åßôå ìÝóùôïõ êëéìáôéóôéêïý åßôå ìÝóù ôïõ äéáêüðôç åðéëïãÞò åßôå ìÝóù
ôïõ êëéìáôéóôéêïý åßôå ìÝóù ôïõ äéáêüðôç åðéëïãÞò åßôå ìÝóù
ôïõ èåñìïóôÜôç, ðåñéìÝíåôå ðÜíôá 2-3 ëåðôÜ ðñéí ôïôïõ èåñìïóôÜôç, ðåñéìÝíåôå ðÜíôá 2-3 ëåðôÜ ðñéí ôï
ôïõ èåñìïóôÜôç, ðåñéìÝíåôå ðÜíôá 2-3 ëåðôÜ ðñéí ôïôïõ èåñìïóôÜôç, ðåñéìÝíåôå ðÜíôá 2-3 ëåðôÜ ðñéí ôï
ôïõ èåñìïóôÜôç, ðåñéìÝíåôå ðÜíôá 2-3 ëåðôÜ ðñéí ôï
åíåñãïðïéÞóåôå îáíÜ. Áõôü åðéôñÝðåé ôçí åîéóïññüðçóç ôùíåíåñãïðïéÞóåôå îáíÜ. Áõôü åðéôñÝðåé ôçí åîéóïññüðçóç ôùí
åíåñãïðïéÞóåôå îáíÜ. Áõôü åðéôñÝðåé ôçí åîéóïññüðçóç ôùíåíåñãïðïéÞóåôå îáíÜ. Áõôü åðéôñÝðåé ôçí åîéóïññüðçóç ôùí
åíåñãïðïéÞóåôå îáíÜ. Áõôü åðéôñÝðåé ôçí åîéóïññüðçóç ôùí
ðéÝóåùí óôï óýóôçìá ôïõ êëéìáôéóôéêïý, þóôå íá ìðïñåß íáðéÝóåùí óôï óýóôçìá ôïõ êëéìáôéóôéêïý, þóôå íá ìðïñåß íá
ðéÝóåùí óôï óýóôçìá ôïõ êëéìáôéóôéêïý, þóôå íá ìðïñåß íáðéÝóåùí óôï óýóôçìá ôïõ êëéìáôéóôéêïý, þóôå íá ìðïñåß íá
ðéÝóåùí óôï óýóôçìá ôïõ êëéìáôéóôéêïý, þóôå íá ìðïñåß íá
îåêéíÞóåé îáíÜ ï óõìðéåóôÞò.îåêéíÞóåé îáíÜ ï óõìðéåóôÞò.
îåêéíÞóåé îáíÜ ï óõìðéåóôÞò.îåêéíÞóåé îáíÜ ï óõìðéåóôÞò.
îåêéíÞóåé îáíÜ ï óõìðéåóôÞò.
Óçìåßùóç:Óçìåßùóç:
Óçìåßùóç:Óçìåßùóç:
Óçìåßùóç: Ï öõóçôÞñáò ëåéôïõñãåß óõíå÷þò ãéá ôçí êõêëïöïñßá
ôïõ áÝñá êáé ôç äéáôÞñçóç ìéáò ïìïéüìïñöçò èåñìïêñáóßáò. Ï
óõìðéåóôÞò åíåñãïðïéåßôáé üôáí áðáéôåßôáé øýîç ãéá ôç äéáôÞñçóç
ôïõ åðéëåãìÝíïõ åðéðÝäïõ èåñìïêñáóßáò.
Ã.Ã.
Ã.Ã.
Ã. Ëåéôïõñãßá áíåìéóôÞñáËåéôïõñãßá áíåìéóôÞñá
Ëåéôïõñãßá áíåìéóôÞñáËåéôïõñãßá áíåìéóôÞñá
Ëåéôïõñãßá áíåìéóôÞñá
1. ¸ôóé êáèßóôáôáé äõíáôÞ ç êõêëïöïñßá áÝñá
óôï ôñï÷üóðéôü óáò ÷ùñßò øýîç Þ èÝñìáíóç. Ïé ôñåéò
èÝóåéò åßíáé ïé åîÞò: ÕØÇËÏÓ ÁÍÅÌÉÓÔÇÑÁÓ (3 ÕØÇËÏÓ ÁÍÅÌÉÓÔÇÑÁÓ (3
ÕØÇËÏÓ ÁÍÅÌÉÓÔÇÑÁÓ (3 ÕØÇËÏÓ ÁÍÅÌÉÓÔÇÑÁÓ (3
ÕØÇËÏÓ ÁÍÅÌÉÓÔÇÑÁÓ (3 ),),
),),
),
ÌÅÓÁÉÏÓ ÁÍÅÌÉÓÔÇÑÁÓÌÅÓÁÉÏÓ ÁÍÅÌÉÓÔÇÑÁÓ
ÌÅÓÁÉÏÓ ÁÍÅÌÉÓÔÇÑÁÓÌÅÓÁÉÏÓ ÁÍÅÌÉÓÔÇÑÁÓ
ÌÅÓÁÉÏÓ ÁÍÅÌÉÓÔÇÑÁÓ (2 (2
(2 (2
(2 ) )
) )
) Þ ×ÁÌÇËÏÓ ×ÁÌÇËÏÓ
×ÁÌÇËÏÓ ×ÁÌÇËÏÓ
×ÁÌÇËÏÓ
ÁÍÅÌÉÓÔÇÑÁÓÁÍÅÌÉÓÔÇÑÁÓ
ÁÍÅÌÉÓÔÇÑÁÓÁÍÅÌÉÓÔÇÑÁÓ
ÁÍÅÌÉÓÔÇÑÁÓ (1 (1
(1 (1
(1 ))
))
). Ìðïñåßôå íá åðéëÝîåôå âÜóåé ôùí
ðñïóùðéêþí óáò ðñïôéìÞóåùí. Äåßôå ôçí ÅÉÊ. 15.
Ä.Ä.
Ä.Ä.
Ä. Ëåéôïõñãßá èÝñìáíóçËåéôïõñãßá èÝñìáíóç
Ëåéôïõñãßá èÝñìáíóçËåéôïõñãßá èÝñìáíóç
Ëåéôïõñãßá èÝñìáíóç (áí õðÜñ÷åé äéáèÝóéìç)
Óçìåßùóç:Óçìåßùóç:
Óçìåßùóç:Óçìåßùóç:
Óçìåßùóç: Áõôüò ï çëåêôñéêüò èåñìáíôÞñáò äåí áíôéêáèéóôÜ ôï
áðáñáßôçôï èåñìáíôéêü óþìá ãéá ôç èÝñìáíóç ôïõ ôñï÷üóðéôïõ
óå ðåñéüäïõò øý÷ïõò. Óêïðüò ôïõ åßíáé íá ðñïóöÝñåé èÝñìáíóç
óå êñýåò çìÝñåò Þ ðñùéíÜ.
1. Ãõñßóôå ôï äéáêüðôç åðéëïãÞ óôï “ÐÑÏÁÉÑÅÔÉÊÏÓ“ÐÑÏÁÉÑÅÔÉÊÏÓ
“ÐÑÏÁÉÑÅÔÉÊÏÓ“ÐÑÏÁÉÑÅÔÉÊÏÓ
“ÐÑÏÁÉÑÅÔÉÊÏÓ
ÁÍÅÌÉÓÔÇÑÁÓ” (ÁÍÅÌÉÓÔÇÑÁÓ” (
ÁÍÅÌÉÓÔÇÑÁÓ” (ÁÍÅÌÉÓÔÇÑÁÓ” (
ÁÍÅÌÉÓÔÇÑÁÓ” ( ))
))
). Äåßôå ôçí ÅÉÊ. 15.
2. Ï èåñìáíôÞñáò èá åíåñãïðïéçèåß êáé èá îåêéíÞóåé íá
èåñìáßíåé.
3. ¼ôáí åðéôåõ÷èåß ôï åðéèõìçôü åðßðåäï èåñìïêñáóßáò
óôï ôñï÷üóðéôï, ãõñßóôå ôï äéáêüðôç åðéëïãÞò óôç èÝóç
“OFF”“OFF”
“OFF”“OFF”
“OFF” Þ “ÁÍÅÌÉÓÔÇÑÁÓ”“ÁÍÅÌÉÓÔÇÑÁÓ”
“ÁÍÅÌÉÓÔÇÑÁÓ”“ÁÍÅÌÉÓÔÇÑÁÓ”
“ÁÍÅÌÉÓÔÇÑÁÓ”.
Óçìåßùóç:Óçìåßùóç:
Óçìåßùóç:Óçìåßùóç:
Óçìåßùóç: Ï èåñìïóôÜôçò äåí åëÝã÷åé ôïí êýêëï ON/OFFON/OFF
ON/OFFON/OFF
ON/OFF ôïõ
èåñìáíôÞñá. Áí äåí Ý÷åé åãêáôáóôáèåß êáé åðéëåãåß ï ðñïáéñåôéêüò
èåñìáíôÞñáò, ï áíåìéóôÞñáò èá ëåéôïõñãåß óôç èÝóç “×ÁÌÇËÏÓ“×ÁÌÇËÏÓ
“×ÁÌÇËÏÓ“×ÁÌÇËÏÓ
“×ÁÌÇËÏÓ
ÁÍÅÌÉÓÔÇÑÁÓ”ÁÍÅÌÉÓÔÇÑÁÓ”
ÁÍÅÌÉÓÔÇÑÁÓ”ÁÍÅÌÉÓÔÇÑÁÓ”
ÁÍÅÌÉÓÔÇÑÁÓ”.
ÓÔÓÔ
ÓÔÓÔ
ÓÔ. ÈÝóç “OFF”ÈÝóç “OFF”
ÈÝóç “OFF”ÈÝóç “OFF”
ÈÝóç “OFF”
1. Ðñïïñßæåôáé ãéá ôçí áðåíåñãïðïßçóç ôçò ìïíÜäáò.
Å.Å.
Å.Å.
Å. ÓõíôÞñçóç ðåëÜôçÓõíôÞñçóç ðåëÜôç
ÓõíôÞñçóç ðåëÜôçÓõíôÞñçóç ðåëÜôç
ÓõíôÞñçóç ðåëÜôç
1. Áöáéñåßôå ðåñéïäéêÜ ôá ößëôñá áÝñá åðéóôñïöÞò ðïõ
âñßóêïíôáé ðÜíù áðü ôá áöáéñïýìåíá êáëýììáôá óôï
êïõôß. Ðëýíåôå ôá ößëôñá ìå óáðïýíé êáé æåóôü íåñü,
áöÞóôå íá óôåãíþóïõí êáé óôç óõíÝ÷åéá ôïðïèåôÞóôå
îáíÜ.
Óçìåßùóç:Óçìåßùóç:
Óçìåßùóç:Óçìåßùóç:
Óçìåßùóç: ÐïôÝ ìçí ëåéôïõñãåßôå ôï êëéìáôéóôéêü ÷ùñßò íá Ý÷åôå
ôïðïèåôÞóåé ôï ößëôñï áÝñá åðéóôñïöÞò óôç èÝóç ôïõ. Óôçí
ðåñßðôùóç áõôÞ ìðïñåß íá åéó÷ùñÞóïõí áêáèáñóßåò óôï ðçíßï
åîáôìéóôÞñá ôçò ìïíÜäáò, ãåãïíüò ðïõ ìðïñåß íá ìåéþóåé óçìáíôéêÜ
ôçí áðüäïóç ôçò ìïíÜäáò.
2. Êáèáñßæåôå ôï ðåñßâëçìá ôïõ êïõôéïý êáé ôïí ðßíáêá
åëÝã÷ïõ ìå Ýíá ìáëáêü ðáíß âñåãìÝíï ìå áðïññõðáíôéêü
Þðéáò äñÜóçò. ÐïôÝ ìçí ÷ñçóéìïðïéåßôå óôéëâùôéêÝò Þ
ëåéáíôéêÝò óêüíåò åðßðëùí.
3. Ôï ìïôÝñ ôïõ öõóçôÞñá äéáèÝôåé åñãïóôáóéáêÞ ëßðáíóç
êáé äåí ÷ñåéÜæåôáé óõíôÞñçóç õðü êáíïíéêÝò óõíèÞêåò
÷ñÞóçò.
4. Õðü ïñéóìÝíåò óõíèÞêåò, ìðïñåß íá ó÷çìáôéóôåß ðÜãïò
óôï ðçíßï ôïõ åîáôìéóôÞñá. Óôçí ðåñßðôùóç áõôÞ, åëÝãîôå
ôï ößëôñï êáé êáèáñßóôå ôï áí åßíáé âñþìéêï. Âåâáéùèåßôå
üôé äåí õðÜñ÷ïõí åìðüäéá óôéò ãñßëéåò áÝñá. Ôá
êëéìáôéóôéêÜ Ý÷ïõí ìéá ãåíéêÞ ôÜóç íá øý÷ïíôáé üôáí ç
åîùôåñéêÞ èåñìïêñáóßá åßíáé ó÷åôéêÜ ÷áìçëÞ. Áõôü
ìðïñåß íá áðïöåõ÷èåß ðåñéóôñÝöïíôáò ôï êïõìðß åëÝã÷ïõ
èåñìïóôÜôç óå ìéá ðéï èåñìÞ ñýèìéóç (áñéóôåñüóôñïöá).
Áí ï ðáãåôüò äåí áíôéìåôùðéóôåß, ëåéôïõñãÞóôå ìüíï óôç
ñýèìéóç ×ÁÌÇËÏÓ, ÌÅÓÁÉÏÓ,×ÁÌÇËÏÓ, ÌÅÓÁÉÏÓ,
×ÁÌÇËÏÓ, ÌÅÓÁÉÏÓ,×ÁÌÇËÏÓ, ÌÅÓÁÉÏÓ,
×ÁÌÇËÏÓ, ÌÅÓÁÉÏÓ, Þ ÕØÇËÏÓÕØÇËÏÓ
ÕØÇËÏÓÕØÇËÏÓ
ÕØÇËÏÓ
ÁÍÅÌÉÓÔÇÑÁÓÁÍÅÌÉÓÔÇÑÁÓ
ÁÍÅÌÉÓÔÇÑÁÓÁÍÅÌÉÓÔÇÑÁÓ
ÁÍÅÌÉÓÔÇÑÁÓ Ýùò üôïõ ôï ðçíßï øýîçò êáèáñßóåé
áðü ôïí ðÜãï.
5. Áí ç ìïíÜäá óáò äåí ëåéôïõñãÞóåé Þ ëåéôïõñãÞóåé
åóöáëìÝíá, åëÝãîôå ôá ðáñáêÜôù ðñéí áðåõèõíèåßôå óôï
êÝíôñï óÝñâéò.
á. Áí ôï ôñï÷üóðéôï åßíáé óõíäåäåìÝíï óå ãåííÞôñéá
ìïôÝñ, åëÝãîôå ãéá íá âåâáéùèåßôå üôé ç ãåííÞôñéá
ìïôÝñ ëåéôïõñãåß êáé ðáñÜãåé ñåýìá.
â. Áí ôï ôñï÷üóðéôï åßíáé óõíäåäåìÝíï óå çëåêôñéêÞ
ôñïöïäïóßá ìÝóù ìéáò åðßãåéáò ãñáììÞò, åëÝãîôå ãéá
íá âåâáéùèåßôå üôé ç ãñáììÞ åßíáé êáôÜëëçëç ãéá
öïñôßá êëéìáôéóôéêïý êáé üôé õðÜñ÷åé óýíäåóç.
ã. ÅëÝãîôå ôçí áóöÜëåéá Þ ôïí áóöáëåéïäéáêüðôç ãéá íá
äåßôå áí åßíáé áíïéêôü.
ä. ÌåôÜ ôïõò ðáñáðÜíù åëÝã÷ïõò, êáëÝóôå ôï ôïðéêü
êÝíôñï óÝñâéò ãéá ðåñáéôÝñù âïÞèåéá. Ç ìïíÜäá
áõôÞ ðñÝðåé íá óõíôçñåßôáé áðü åîåéäéêåõìÝíï
ðñïóùðéêü ìüíïí.
6. Áí êÜðïéá êáëùäßùóç Þ êáëþäéï ôñïöïäïóßáò åßíáé
åëáôôùìáôéêü êáé ðñÝðåé íá áíôéêáôáóôáèåß, ç
áíôéêáôÜóôáóç èá ðñÝðåé íá ãßíåé áðü ôïí êáôáóêåõáóôÞ
Þ ôïí áíôéðñüóùðï óÝñâéò Þ áíôßóôïé÷á åêðáéäåõìÝíï
Üôïìï.
7. ¼ôáí êáëåßôå ôï óÝñâéò, áíáöÝñåôå ðÜíôá ôá åîÞò:
á. ÌïíôÝëï êëéìáôéóôéêïý êáé óåéñéáêü áñéèìü óôçí
ðéíáêßäá ïíïìáóôéêþí ÷áñáêôçñéóôéêþí óôï äßóêï
âÜóçò óôï êÜôù ìÝñïò ôïõ êëéìáôéóôéêïý.
â. Êéô êïõôéïý äéáíïìÞò êáé óåéñéáêü áñéèìü óôçí
ðéíáêßäá ïíïìáóôéêþí ÷áñáêôçñéóôéêþí óôïí ïäçãü
ôáâáíéïý. Ôçñåßôå áõôÞí ôçí ðéíáêßäá ïíïìáóôéêþí
÷áñáêôçñéóôéêþí ãéá ôï Üíïéãìá ó÷Üñáò ôïõ ößëôñïõ
ôïõ êïõôéïý äéáíïìÞò áÝñá.

70
Óõãêñüôçìá óõíáñìïëüãçóçò ïñïöÞòÓõãêñüôçìá óõíáñìïëüãçóçò ïñïöÞò
Óõãêñüôçìá óõíáñìïëüãçóçò ïñïöÞòÓõãêñüôçìá óõíáñìïëüãçóçò ïñïöÞò
Óõãêñüôçìá óõíáñìïëüãçóçò ïñïöÞò
ÐßóùÐßóù
ÐßóùÐßóù
Ðßóù
ÊëéìáôéóôéêüÊëéìáôéóôéêü
ÊëéìáôéóôéêüÊëéìáôéóôéêü
Êëéìáôéóôéêü
¢íù áãùãüò¢íù áãùãüò
¢íù áãùãüò¢íù áãùãüò
¢íù áãùãüò
åêêÝíùóçòåêêÝíùóçò
åêêÝíùóçòåêêÝíùóçò
åêêÝíùóçò
Ïäçãüò ôáâáíéïýÏäçãüò ôáâáíéïý
Ïäçãüò ôáâáíéïýÏäçãüò ôáâáíéïý
Ïäçãüò ôáâáíéïý
ÌðïõëüíéáÌðïõëüíéá
ÌðïõëüíéáÌðïõëüíéá
Ìðïõëüíéá
óõíáñìïëüãçóçòóõíáñìïëüãçóçò
óõíáñìïëüãçóçòóõíáñìïëüãçóçò
óõíáñìïëüãçóçò
Êïõôß äéáíïìÞò áÝñáÊïõôß äéáíïìÞò áÝñá
Êïõôß äéáíïìÞò áÝñáÊïõôß äéáíïìÞò áÝñá
Êïõôß äéáíïìÞò áÝñá
¢íïéãìá ïñïöÞò¢íïéãìá ïñïöÞò
¢íïéãìá ïñïöÞò¢íïéãìá ïñïöÞò
¢íïéãìá ïñïöÞò
ÅIK.ÅIK.
ÅIK.ÅIK.
ÅIK. 1717
1717
17

71
ÄÉÁÃÑÁÌÌÁ ÓÕÍÄÅÓÌÏËÏÃÉÁÓ ÊËÉÌÁÔÉÓÔÉÊÏÕÄÉÁÃÑÁÌÌÁ ÓÕÍÄÅÓÌÏËÏÃÉÁÓ ÊËÉÌÁÔÉÓÔÉÊÏÕ
ÄÉÁÃÑÁÌÌÁ ÓÕÍÄÅÓÌÏËÏÃÉÁÓ ÊËÉÌÁÔÉÓÔÉÊÏÕÄÉÁÃÑÁÌÌÁ ÓÕÍÄÅÓÌÏËÏÃÉÁÓ ÊËÉÌÁÔÉÓÔÉÊÏÕ
ÄÉÁÃÑÁÌÌÁ ÓÕÍÄÅÓÌÏËÏÃÉÁÓ ÊËÉÌÁÔÉÓÔÉÊÏÕ
ÄÉÁÃÑÁÌÌÁ ÓÕÍÄÅÓÌÏËÏÃÉÁÓ ÊÏÕÔÉÏÕÄÉÁÃÑÁÌÌÁ ÓÕÍÄÅÓÌÏËÏÃÉÁÓ ÊÏÕÔÉÏÕ
ÄÉÁÃÑÁÌÌÁ ÓÕÍÄÅÓÌÏËÏÃÉÁÓ ÊÏÕÔÉÏÕÄÉÁÃÑÁÌÌÁ ÓÕÍÄÅÓÌÏËÏÃÉÁÓ ÊÏÕÔÉÏÕ
ÄÉÁÃÑÁÌÌÁ ÓÕÍÄÅÓÌÏËÏÃÉÁÓ ÊÏÕÔÉÏÕ
EΠΙΘΕΩΡΗΣΗ
ΔΙΗΛΕΚΤΡΙΚΟΥ
ΣYΜΠΥΚΝ.
ANEM.
Συνт. ανт.
θετ. θερμ.
ΕΚΚΙΝΗΣΗ
ΣΥΜΠΥΚΝ.
ΜΠΛΕ
ΚΟΚΚINO
ΚΙΤΡINO
ΜΑΥΡΟ
MOTEΡ
ΛΕΙΤ.
ΣΥΜΠΥΚΝ.
ΛΕΥΚΟ
ΣΥΜΠΙΕΣΤΗΣ
ID
ГΚΡΙ/ΚΙΤP.
KAФΕ
ΛΕΥΚΟ
ΛΕΥΚΟ
ΛΕΥΚΟ
ID Έναρξη
Λεiτ.
3105595.023
Υ
ττερ-
Φόρτ.
Tuττ.
KAФΕ
ΚΟΚΚINO
ΚΟΚΚINO
ΚΟΚΚ.
(ΠP.)
ГΚΡΙ/ΚΙΤP.
COMPRESSOR
COMPRESSOR
O.L.
RS
C
RUN CAP
RUN CAP
7
6
5
4
3
2
1
SWITCH
ROTARY
H
C
L1
4
2
1
MOTOR
2
HEAT ACCESSORY
HEAT ACCESSORY
BLK
BLK
BLK
ELEMENT
ELEMENT
LIMIT SWITCH
3
1
WHT
LIMIT SWITCH
BOX
JUNCTION
JUNCTION
LINE SPLICE
LINE SPLICE
FIELD WIRING
FIELD WIRING
FACTORY WIRING
TSTAT
USE COPPER CONDUCTORS ONLY
USE COPPER CONDUCTORS ONLY
220/240 VAC 50 HZ, 10
220/240 VAC 50 HZ, 10
3105580.025
FAN CAP
FAN CAP
ID
ID
BLK
YEL
RED
BLU
WHT
WHT
GR/YL
BLK
YEL
RED
BLU
WHT
WHT
GR/YL
BRN
BRN
WHT
RED
RED
WHT
GRY
WHT
WHT
BLK
GR/YL
GR/YL
GR/YL
BLU
43
ACTIVE (L)
ACTIVE (L)
NEUTRAL (N)
NEUTRAL (N)
EARTH ( )
EARTH ()
GR/YL
PTCR
COMP STARTER
START
*
CAP
ÌÏÔÅÑÌÏÔÅÑ
ÌÏÔÅÑÌÏÔÅÑ
ÌÏÔÅÑ
ÓÕÌÐÕÊÍ.ÓÕÌÐÕÊÍ.
ÓÕÌÐÕÊÍ.ÓÕÌÐÕÊÍ.
ÓÕÌÐÕÊÍ.
ÁÍÅÌ.ÁÍÅÌ.
ÁÍÅÌ.ÁÍÅÌ.
ÁÍÅÌ.
ËÅÉÔ.ËÅÉÔ.
ËÅÉÔ.ËÅÉÔ.
ËÅÉÔ.
ÓÕÌÐÕÊÍ.ÓÕÌÐÕÊÍ.
ÓÕÌÐÕÊÍ.ÓÕÌÐÕÊÍ.
ÓÕÌÐÕÊÍ.
ÓÕÌÐÉÅÓÔÇÓÓÕÌÐÉÅÓÔÇÓ
ÓÕÌÐÉÅÓÔÇÓÓÕÌÐÉÅÓÔÇÓ
ÓÕÌÐÉÅÓÔÇÓ
L1L1
L1L1
L1 CC
CC
CHH
HH
H
ÐÅÑÉÓÔÑ.ÐÅÑÉÓÔÑ.
ÐÅÑÉÓÔÑ.ÐÅÑÉÓÔÑ.
ÐÅÑÉÓÔÑ.
ÄÉÁÊÏÐÔÇÓÄÉÁÊÏÐÔÇÓ
ÄÉÁÊÏÐÔÇÓÄÉÁÊÏÐÔÇÓ
ÄÉÁÊÏÐÔÇÓ
ÌÐËÅÌÐËÅ
ÌÐËÅÌÐËÅ
ÌÐËÅ
ÌÐËÅÌÐËÅ
ÌÐËÅÌÐËÅ
ÌÐËÅ ÌÐËÅÌÐËÅ
ÌÐËÅÌÐËÅ
ÌÐËÅ
ÌÁÕÑÏÌÁÕÑÏ
ÌÁÕÑÏÌÁÕÑÏ
ÌÁÕÑÏ
ÌÁÕÑÏÌÁÕÑÏ
ÌÁÕÑÏÌÁÕÑÏ
ÌÁÕÑÏ ÌÁÕÑÏÌÁÕÑÏ
ÌÁÕÑÏÌÁÕÑÏ
ÌÁÕÑÏ
ÌÁÕÑÏÌÁÕÑÏ
ÌÁÕÑÏÌÁÕÑÏ
ÌÁÕÑÏ ÌÁÕÑÏÌÁÕÑÏ
ÌÁÕÑÏÌÁÕÑÏ
ÌÁÕÑÏ
ÌÁÕÑÏÌÁÕÑÏ
ÌÁÕÑÏÌÁÕÑÏ
ÌÁÕÑÏ
ËÅÕÊÏËÅÕÊÏ
ËÅÕÊÏËÅÕÊÏ
ËÅÕÊÏ ËÅÕÊÏËÅÕÊÏ
ËÅÕÊÏËÅÕÊÏ
ËÅÕÊÏ
ËÅÕÊÏËÅÕÊÏ
ËÅÕÊÏËÅÕÊÏ
ËÅÕÊÏ
ËÅÕÊÏËÅÕÊÏ
ËÅÕÊÏËÅÕÊÏ
ËÅÕÊÏ
ËÅÕÊÏËÅÕÊÏ
ËÅÕÊÏËÅÕÊÏ
ËÅÕÊÏ
ËÅÕÊÏËÅÕÊÏ
ËÅÕÊÏËÅÕÊÏ
ËÅÕÊÏ
ËÅÕÊÏËÅÕÊÏ
ËÅÕÊÏËÅÕÊÏ
ËÅÕÊÏ
ËÅÕÊÏËÅÕÊÏ
ËÅÕÊÏËÅÕÊÏ
ËÅÕÊÏ
ÃÊÑÉÃÊÑÉ
ÃÊÑÉÃÊÑÉ
ÃÊÑÉ
TSTATTSTAT
TSTATTSTAT
TSTAT
ÃÊÑÉÃÊÑÉ
ÃÊÑÉÃÊÑÉ
ÃÊÑÉ ÃÊÑÉÃÊÑÉ
ÃÊÑÉÃÊÑÉ
ÃÊÑÉ
ÃÊÑÉÃÊÑÉ
ÃÊÑÉÃÊÑÉ
ÃÊÑÉ ÃÊÑÉÃÊÑÉ
ÃÊÑÉÃÊÑÉ
ÃÊÑÉ
ÃÊÑÉÃÊÑÉ
ÃÊÑÉÃÊÑÉ
ÃÊÑÉ
Ëåéô.Ëåéô.
Ëåéô.Ëåéô.
Ëåéô. ¸íáñîç¸íáñîç
¸íáñîç¸íáñîç
¸íáñîç
Ôõð.Ôõð.
Ôõð.Ôõð.
Ôõð.
ÊÁÖÅÊÁÖÅ
ÊÁÖÅÊÁÖÅ
ÊÁÖÅ
ÊÁÖÅÊÁÖÅ
ÊÁÖÅÊÁÖÅ
ÊÁÖÅ
ÊÉÔÑ.ÊÉÔÑ.
ÊÉÔÑ.ÊÉÔÑ.
ÊÉÔÑ. ÊÉÔÑ.ÊÉÔÑ.
ÊÉÔÑ.ÊÉÔÑ.
ÊÉÔÑ.
ÊÏÊÊ.ÊÏÊÊ.
ÊÏÊÊ.ÊÏÊÊ.
ÊÏÊÊ.
ÊÏÊÊ.ÊÏÊÊ.
ÊÏÊÊ.ÊÏÊÊ.
ÊÏÊÊ. ÊÏÊÊ.ÊÏÊÊ.
ÊÏÊÊ.ÊÏÊÊ.
ÊÏÊÊ.
ÊÏÊÊ.ÊÏÊÊ.
ÊÏÊÊ.ÊÏÊÊ.
ÊÏÊÊ.
ÅÊÊÉÍÇÔÇÑÁÓÅÊÊÉÍÇÔÇÑÁÓ
ÅÊÊÉÍÇÔÇÑÁÓÅÊÊÉÍÇÔÇÑÁÓ
ÅÊÊÉÍÇÔÇÑÁÓ
ÓÕÌÐÕÊÍ.ÓÕÌÐÕÊÍ.
ÓÕÌÐÕÊÍ.ÓÕÌÐÕÊÍ.
ÓÕÌÐÕÊÍ.
ÅÊÊÉÍÇÓÇÅÊÊÉÍÇÓÇ
ÅÊÊÉÍÇÓÇÅÊÊÉÍÇÓÇ
ÅÊÊÉÍÇÓÇ
ÓÕÌÐÕÊÍ.ÓÕÌÐÕÊÍ.
ÓÕÌÐÕÊÍ.ÓÕÌÐÕÊÍ.
ÓÕÌÐÕÊÍ.
**
**
*
Óõíô.Óõíô.
Óõíô.Óõíô.
Óõíô.
áíô.áíô.
áíô.áíô.
áíô.
èåô. èåô.
èåô. èåô.
èåô.
èåñì. èåñì.
èåñì. èåñì.
èåñì.
ÅÎÏÐËÉÓÌÏÓ ÈÅÑÌÁÍÓÇÓÅÎÏÐËÉÓÌÏÓ ÈÅÑÌÁÍÓÇÓ
ÅÎÏÐËÉÓÌÏÓ ÈÅÑÌÁÍÓÇÓÅÎÏÐËÉÓÌÏÓ ÈÅÑÌÁÍÓÇÓ
ÅÎÏÐËÉÓÌÏÓ ÈÅÑÌÁÍÓÇÓ
ÄÉÁÊÏÐÔÇÓÄÉÁÊÏÐÔÇÓ
ÄÉÁÊÏÐÔÇÓÄÉÁÊÏÐÔÇÓ
ÄÉÁÊÏÐÔÇÓ
ÐÅÑÉÏÑÉÓÌÏÕÐÅÑÉÏÑÉÓÌÏÕ
ÐÅÑÉÏÑÉÓÌÏÕÐÅÑÉÏÑÉÓÌÏÕ
ÐÅÑÉÏÑÉÓÌÏÕ
ÓÔÏÉ×ÅÉÏÓÔÏÉ×ÅÉÏ
ÓÔÏÉ×ÅÉÏÓÔÏÉ×ÅÉÏ
ÓÔÏÉ×ÅÉÏ
ÅÑÃÏÓÔÁÓÉÁÊÇ ÊÁËÙÄÉÙÓÇÅÑÃÏÓÔÁÓÉÁÊÇ ÊÁËÙÄÉÙÓÇ
ÅÑÃÏÓÔÁÓÉÁÊÇ ÊÁËÙÄÉÙÓÇÅÑÃÏÓÔÁÓÉÁÊÇ ÊÁËÙÄÉÙÓÇ
ÅÑÃÏÓÔÁÓÉÁÊÇ ÊÁËÙÄÉÙÓÇ
ÅÐÉÔÏÐÉÁ ÊÁËÙÄÉÙÓÇÅÐÉÔÏÐÉÁ ÊÁËÙÄÉÙÓÇ
ÅÐÉÔÏÐÉÁ ÊÁËÙÄÉÙÓÇÅÐÉÔÏÐÉÁ ÊÁËÙÄÉÙÓÇ
ÅÐÉÔÏÐÉÁ ÊÁËÙÄÉÙÓÇ
ÓÕÍÄÅÓÇ ÃÑÁÌÌÇÓÓÕÍÄÅÓÇ ÃÑÁÌÌÇÓ
ÓÕÍÄÅÓÇ ÃÑÁÌÌÇÓÓÕÍÄÅÓÇ ÃÑÁÌÌÇÓ
ÓÕÍÄÅÓÇ ÃÑÁÌÌÇÓ
ÇËÅÊÔÑÉÊÏÓÇËÅÊÔÑÉÊÏÓ
ÇËÅÊÔÑÉÊÏÓÇËÅÊÔÑÉÊÏÓ
ÇËÅÊÔÑÉÊÏÓ
ÐÉÍÁÊÁÓÐÉÍÁÊÁÓ
ÐÉÍÁÊÁÓÐÉÍÁÊÁÓ
ÐÉÍÁÊÁÓ
ÅÍÅÑÃÏ (L)ÅÍÅÑÃÏ (L)
ÅÍÅÑÃÏ (L)ÅÍÅÑÃÏ (L)
ÅÍÅÑÃÏ (L)
ÏÕÄÅÔÅÑÏ (N)ÏÕÄÅÔÅÑÏ (N)
ÏÕÄÅÔÅÑÏ (N)ÏÕÄÅÔÅÑÏ (N)
ÏÕÄÅÔÅÑÏ (N)
220/240 VAC 50 HZ,220/240 VAC 50 HZ,
220/240 VAC 50 HZ,220/240 VAC 50 HZ,
220/240 VAC 50 HZ,
1Ø1Ø
1Ø1Ø
1Ø
×ÑÇÓÉÌÏÐÏÉÅÉÔÅ ÌÏÍÏÍ×ÑÇÓÉÌÏÐÏÉÅÉÔÅ ÌÏÍÏÍ
×ÑÇÓÉÌÏÐÏÉÅÉÔÅ ÌÏÍÏÍ×ÑÇÓÉÌÏÐÏÉÅÉÔÅ ÌÏÍÏÍ
×ÑÇÓÉÌÏÐÏÉÅÉÔÅ ÌÏÍÏÍ
×ÁËÊÉÍÏÕÓ ÁÃÙÃÏÕÓ×ÁËÊÉÍÏÕÓ ÁÃÙÃÏÕÓ
×ÁËÊÉÍÏÕÓ ÁÃÙÃÏÕÓ×ÁËÊÉÍÏÕÓ ÁÃÙÃÏÕÓ
×ÁËÊÉÍÏÕÓ ÁÃÙÃÏÕÓ
ËÅÕÊÏËÅÕÊÏ
ËÅÕÊÏËÅÕÊÏ
ËÅÕÊÏ
ÄÉÁÊÏÐÔÇÓÄÉÁÊÏÐÔÇÓ
ÄÉÁÊÏÐÔÇÓÄÉÁÊÏÐÔÇÓ
ÄÉÁÊÏÐÔÇÓ
ÐÅÑÉÏÑÉÓÌÏÕÐÅÑÉÏÑÉÓÌÏÕ
ÐÅÑÉÏÑÉÓÌÏÕÐÅÑÉÏÑÉÓÌÏÕ
ÐÅÑÉÏÑÉÓÌÏÕ
ÃÅÉÙÓÇ(ÃÅÉÙÓÇ(
ÃÅÉÙÓÇ(ÃÅÉÙÓÇ(
ÃÅÉÙÓÇ( ))
))
)
Õðåñ-Õðåñ-
Õðåñ-Õðåñ-
Õðåñ-
Öüñô.Öüñô.
Öüñô.Öüñô.
Öüñô.

72
SEGNARE LE INFORMAZIONI
SULL’UNITÀ PER RIFERIMENTI FUTURI:
Numero del modello
Numero di serie
Data di acquisto
ISTRUZIONI DI INSTALLAZIONE
E MESSA IN FUNZIONE
Importante: le istruzioni devono essere
conservate in prossimità dell’unità e
devono essere lette con attenzione.
Il presente manuale deve essere letto con attenzione prima di eseguire operazioni
di installazione, regolazione, riparazione e manutenzione. L’unità deve essere
installata da un tecnico di servizio qualificato. La modifica del prodotto può risultare
estremamente pericolosa e potrebbe provocare danni a cose o persone.
Condizionatore montato sul tetto
CARAVAN MODELLO B3200
TIPO 3253.331
Modello
B3200
UFFICIO DI SERVIZIO
Dometic Corporation
Per informazioni
contattare:
www.dometic.com
REVISIONE:
N. modulo 3310147.032
(Sostituisce n. 3310147.024)
Danese, finlandese, francese, greco,
inglese, italiano, norvegese,
olandese, portoghese, spagnolo,
svedese e tedesco
©2007 9/07 Dometic GmbH
D-57074 Siegen

73
ISTRUZIONI PER LA SICUREZZA
Il presente manuale offre informazioni e istruzioni per
la sicurezza che aiutano gli utenti a eliminare o ridurre
il rischio di incidenti e danni.
RICONOSCERE LE INFORMAZIONI
PER LA SICUREZZA
Questo è il simbolo di pericolo. Quando viene usato
nel manuale, l’utente viene avvisato di un potenziale
rischio di danno personale.
Attenersi alle precauzioni e alle istruzioni di operazione
consigliate.
COMPRENDERE I SIMBOLI DI AVVISO
Insieme al simbolo di pericolo, viene usata anche una
parola, AVVERTENZA o ATTENZIONE, che indica
il livello di rischio di danno.
Indica una situazione
potenzialmente rischiosa che, se non viene evitata,
potrebbe provocare la morte o ferite gravi.
Indica una situazione
potenzialmente rischiosa che, se non viene evitata,
potrebbe provocare ferite leggere o moderate.
Usata senza il simbolo di
pericolo indica una situazione potenzialmente
rischiosa che, se non viene evitata, potrebbe
provocare danni a cose.
Leggere con attenzione le informazioni per la
sicurezza e attenersi alle istruzioni fornite.
!
INFORMAZIONI GENERALI
A. Le funzionalità o le specifiche del prodotto descritte o
specificate nel presente documento sono soggette a modifica
senza preavviso.
B. Il condizionatore d’aria qui descritto è
progettato per:
1. L’installazione su un caravan in fase di
produzione del veicolo.
2. Il montaggio sul tetto di un caravan.
3. Una struttura del tetto con rafter/aste con una distanza
minima fra i centri di 406 mm.
4. Una distanza minima di 25 mm e una distanza massima
di 100 mm fra il tetto e il soffitto del caravan. Metodi
di installazione alternativi consentono l’installazione
su tetti più spessi di 100 mm.
C. La capacità del condizionatore d’aria di mantenere la
temperatura interna desiderata dipende dall’assorbimento
di calore del caravan.
Alcune misure preventive prese dagli occupanti del
caravan contribuiscono a ridurre l’assorbimento di calore
migliorando le prestazioni del condizionatore. Quando la
temperatura esterna è molto alta, l’assorbimento di calore
da parte del caravan può essere ridotto utilizzando i
seguenti accorgimenti:
1. Parcheggiare il caravan all’ombra
2. Applicare oscuratori e/o tendine alle finestre
3. Lasciare chiuse porte e finestre o ridurne al minimo
l’apertura
4. Evitare di usare apparecchiature che producono calore
Il funzionamento in modalità veloce/di raffreddamento offre
prestazioni ottimali e la massima efficienza in condizioni di
elevata umidità o con temperature esterne molto alte.
L’avvio del condizionatore al mattino presto, dandogli un
“vantaggio” sulle alte temperature esterne previste,
consentirà di migliorare le prestazioni nel mantenere la
temperatura interna desiderata.
Per una soluzione permanente all’elevato assorbimento di
calore, accessori, come l’installazione di verande e tende
parasole, consentiranno di ridurre l’assorbimento di calore
evitando la luce diretta del sole. Questi accessori offrono
anche un’area piacevole per stare in compagnia al fresco
durante la sera.
D. Condensa
Nota: il produttore del condizionatore descritto nel presente
manuale declina ogni responsabilità per danni provocati
dall’umidità e dalla condensa che si forma sul soffitto o su altre
superfici. L’aria contiene umidità che tende a condensarsi
sulle superfici fredde. Quando l’aria entra nel caravan, sul soffitto,
sulle finestre, sulle parti metalliche e altro potrebbe formarsi
della condensa. Il condizionatore rimuove l’umidità dall’aria
in condizioni di normale funzionamento. Se quando il
condizionatore è in funzione si lasciano chiuse porte e finestre,
la condensa sulle superfici fredde sarà ridotta la minimo.

74
** Il produttore fornisce indicazioni GENERALI per i requisiti
del generatore. Queste indicazioni provengono dall’esperienza
ottenuta in applicazioni pratiche dell’apparecchio.
Quando si sceglie il generatore occorre considerare il consumo
energetico totale del caravan. Ricordare che i generatori perdono
potenza alle elevate altitudini e se non si esegue una corretta
manutenzione.
Specifiche
A. Precauzioni
ISTRUZIONI DI INSTALLAZIONE
B. Scegliere la posizione appropriata per il
condizionatore
Il condizionatore descritto nel presente documento è stato
appositamente progettato per essere installato sul tetto di un
caravan. Nel determinare i requisiti di raffreddamento necessari,
tenere conto dei seguenti fattori:
•Dimensione del caravan.
•Area delle finestre (aumenta l’assorbimento di calore).
•Livello di isolamento delle pareti e del tetto.
•Area geografica in cui sarà utilizzato il caravan.
•Livello di comfort personale richiesto.
1. Posizione normale: il condizionatore è progettato per
l’installazione su un’apertura di sfiato già presente
sul tetto.
FIG. 1
1/2 L LL
1/3 L
2/3 L
FIG. 2
È preferibile installare il condizionatore d’aria su una parte del
tetto relativamente piana e a livello misurata con il caravan
parcheggiato su una superficie piana.
Nota: è accettabile un’inclinazione di 8° su un lato, ma non è
accettabile un’inclinazione dalla parte anteriore a quella
posteriore.
FIG. 3
L’inclinazione dalla parte anteriore a quella
posteriore NON È CONSENTITA
Modello N. B3200 Riscaldamento
elettrico
Tipo 3253.331
Capacità nominale del
compressore (KW) 3,2 1,6
Tensione alimentazione 220 - 240 VAC 50 Hz.,
monofase
Assorbimento (Amp)
pieno carico 5,2 / 1,1 --- / 1,1
(Compressore/Motore)
Assorbimento (Amp)
rotore bloccato 26 / 3,8 --- / 3,8
(Compressore/Motore)
Refrigerante R407C
Grammi/Oz 496/15,5 ---
Protezione circuito Fusibile ritardato da 10 Amp,
o salvavita
Corrente d’ingresso (KW) 1,35 1,5
Sezione minima cavo Fino a 8 metri
usare cavo di rame da 1 mm2
** Dimensione generatore 1 unità - 3,5 KW
2 unità - 5,0 KW
Un’installazione non appropriata potrebbe
danneggiare l’apparecchiatura, creare pericolo
di morte, causare ferite gravi e/o danni a cose.
1. Leggere attentamente le istruzioni di installazione e
messa in funzione prima di procedere con l’installazione
del condizionatore.
2. Il produttore declina ogni responsabilità per eventuali
danni o ferite dovuti al mancato rispetto delle istruzioni
qui presentate.
3. L’apparecchiatura deve essere installata in conformità
con la normativa nazionale sul cablaggio per IEC
335-2-40, CI, 7.12.1. L’installazione deve avvenire in
conformità alle leggi e/o alle normative applicabili.
4. NON aggiungere apparecchiature o accessori al
condizionatore, a eccezione di quelli autorizzati dal
produttore.
5. Le operazioni di manutenzione devono essere eseguite
da personale qualificato e alcune leggi e normative
locali richiedono che il personale sia in possesso di
un’apposita licenza.
2. Altre posizioni: se non è disponibile un’apertura di sfiato
sul tetto o si desidera installare il condizionatore in
un’altra posizione, attenersi alle indicazioni seguenti:
a. Per l’installazione di un’unità: il condizionatore
deve essere montato un po’ più avanti rispetto al
centro del veicolo (spostato verso la parte
anteriore) e centrato rispetto ai lati.
b. Per l’installazione di due unità: installare un
condizionatore a 1/3 e l’altro a 2/3 della lunghezza
dalla parte anteriore del caravan e centrarli rispetto
ai lati.

75
C. Preparazione del tetto
1. Requisiti dell’apertura: prima di preparare l’apertura
nel soffitto e procedere con l’installazione, leggere tutte
le istruzioni seguenti.
Se non si usa un’apertura di sfiato già presente nel
tetto, è necessario creare un’apertura di 362 mm x
362 mm (± 3,2 mm) nel tetto e nel soffitto del caravan.
Questa apertura deve trovarsi fra gli elementi di rinforzo
del tetto.
FIG. 5
L’apertura di 362 mm x 362 mm (± 3,2 mm) fa parte
del sistema di presa d’aria del condizionatore e
deve essere creata in conformità alle leggi e/o alle
normative nazionali e locali.
2. Rimozione dello sfiato sul tetto
a. Svitare e rimuovere il sistema di sfiato presente sul
tetto.
b. Rimuovere il materiale di isolamento presente
intorno all’apertura.
c. Sigillare tutti i fori per le viti e le giunture su cui è
posizionata la guarnizione del tetto. Utilizzare una
quantità sufficiente di materiale impermeabilizzante.
Vedere FIG. 6.
9-1/2"
39"
28-3/4"
20"
2-1/2"
22"
FIG. 4
24 cm
102 cm
74 cm
51 cm
6,4 cm
56 cm
510 mm
283
mm
105
mm 105
mm
283
mm
75 mm
75 mm
Linea centrale
dell’apertura
Perimetro del sistema
di distribuzione dell’aria
Quest’area non
deve presentare
ostruzioni
105 mm
181 mm
181 mm
Apertura
362 mm x
362 mm
(± 3,2 mm)
543 mm
Linea centrale
dell’unità
305 mm
102 mm
Parte
posteriore
dell’unità
Apertura
362 mm x
362 mm
(± 3,2 mm)
3. Dopo aver scelto la posizione:
a. Verificare che non ci siano ostruzioni nell’area in
cui sarà installato il condizionatore. Vedere FIG. 4.
b. Il tetto deve essere omologato per supportare 65 kg
di peso quando il caravan è in movimento.
Generalmente un modello con carico da fermo di
100 kg soddisfa questo requisito.
È responsabilità dell’installatore del sistema
di condizionamento dell’aria verificare l’integrità
strutturale del tetto del caravan. Non lasciare mai
spazi vuoti sul tetto dove potrebbe accumularsi
l’acqua. L’acqua accumulatasi intorno al
condizionatore potrebbe filtrare all’interno e
danneggiare sia l’apparecchio che il caravan.
c. Verificare che all’interno del caravan non ci siano
ostruzioni al sistema di presa d’aria (per esempio
porte, separatori di ambienti, tende, oggetti appesi
al soffitto, ecc.). Vedere FIG. 4 e 5.
Fra il tetto e il soffitto potrebbero essere
presenti cavi elettrici. Disconnettere il cavo di
alimentazione 220-240 V AC e il terminale
positivo (+) a 12 volt DC della batteria di
alimentazione. Il mancato rispetto di questa
indicazione potrebbe provocare uno shock
elettrico con conseguente morte o ferite gravi.
102 mm

76
FIG. 6
FIG. 7
Non tagliare la
struttura del
tetto o i rafter
Rafter di qualità
supportati da
aste incrociate
Posizionamento
corretto fra i
rafter del tetto
Aggiungere un telaio
all’apertura per evitare
che collassi quando si
monta l’unità
Lasciare uno spazio
adeguato per i cavi di
alimentazione Almeno 375 mm nella parte
anteriore dell’apertura
Almeno 25 mm
d. Se l’apertura è maggiore di 362 mm x 362 mm
(± 3,2 mm), sarà necessario ridimensionarla a
362 mm x 362 mm (± 3,2 mm).
e. Se l’apertura è minore di 362 mm x 362 mm
(± 3,2 mm), è necessario allargarla.
3. Nuova apertura (installazione su un’apertura diversa
da quella di sfiato)
a. Disegnare un quadrato di 362 mm x 362 mm
(± 3,2 mm) sul tetto e ritagliare con attenzione
l’apertura.
b. Usando l’apertura nel tetto come guida, ritagliare
lo stesso foro nel soffitto.
c. L’apertura creata deve essere corredata da un
telaio per offrire un supporto adeguato e impedire
l’ingresso dell’aria nella cavità del tetto. Usare a
questo scopo assi di legno dello spessore minimo
di 25 mm. Ricordarsi di lasciare un foro di ingresso
per i cavi di alimentazione nella parte anteriore
dell’apertura. Vedere FIG. 7.
È responsabilità dell’installatore del sistema di
condizionamento dell’aria verificare l’integrità
strutturale del tetto del caravan. Non lasciare mai
spazi vuoti sul tetto dove potrebbe accumularsi
l’acqua. L’acqua accumulatasi intorno al
condizionatore potrebbe filtrare all’interno e
danneggiare sia l’apparecchio che il caravan.
D. Requisiti per il cablaggio
1. Linea di alimentazione 220 - 240 VAC
Collegare il cavo con sezione di 1 mm2, con messa a
terra, dalla linea di alimentazione 220 - 240 VAC dal
fusibile ritardato o dal salvavita all’apertura
nel tetto.
a. La linea di alimentazione deve essere posizionata
nella parte anteriore dell’apertura da 362 mm x
362 mm (± 3,2 mm).
b. L’alimentazione DEVE avere un fusibile ritardato
da 10 Amp o un salvavita HACR.
c. Accertarsi che il cavo di alimentazione si estenda
per almeno 375 mm nell’apertura nel tetto. Questo
garantisce un facile collegamento alla scatola di
derivazione.
d. Il cablaggio deve essere conforme alle leggi e/o
alle normative nazionali e locali.
e. Usare una staffa in acciaio e un anello di rinforzo
o sistemi simili per proteggere il cavo nei punti in
cui passa attraverso l’apertura.
E. Posizionare il condizionatore sul tetto
L’unità pesa circa 45 kg. Per evitare ferite, usare
un montacarichi per posizionare il condizionatore
sul tetto.
FIG. 8
Non fare scivolare l’unità, perché la guarnizione
del tetto nella parte inferiore potrebbe danneggiarsi
e provocare delle perdite.
FIG. 9 PARTE
ANTERIORE
1. Rimuovere il condizionatore dalla scatola e riciclare
l’imballaggio. Vedere FIG. 8.
2. Posizionare il condizionatore sul tetto.
3. Sollevare l’unità e posizionarla sull’apertura preparata
usando la guarnizione dell’unità come guida. Vedere
FIG. 9.

77
FIG. 11
Fase a
Rimuovere nel
punto perforato
Fase b
Rimuovere
nel punto
perforato
Fase c
Usare come
forniti
Tubo superiore
sfiato aria
Tubo inferiore
sfiato aria
Parte posteriore
del condizionatore
Tubo superiore
sfiato aria Bordo senza flangia
nella parte posteriore
dell’unità
FIG. 10
Se le viti sono allentate il tetto non viene isolato
in modo adeguato; se, invece, sono troppo
strette si potrebbe danneggiare la base del
condizionatore o la struttura montata nel soffitto.
Stringere secondo le specifiche indicate nel
presente manuale.
FIG. 12 Fare scorrere il tubo di
sfiato dell’aria inferiore
su quello superiore.
Guarnizione
del tetto
Tenere la struttura montata nel
soffitto con una mano e installare
3 viti stringendole con le dita
Apertura per la
presa d’aria del
condizionatore
Scollegare l’alimentazione 220 - 240 Volt AC.
Il mancato rispetto di queste istruzioni potrebbe
provocare uno shock elettrico con conseguente
morte o ferite gravi.
4. Posizionare il kit del sistema di distribuzione meccanica
dell’aria all’interno del caravan. Il kit contiene gli attrezzi
di montaggio del condizionatore e sarà utilizzato
all’interno del caravan.
Il lavoro esterno è così terminato. Se necessario è possibile
effettuare alcuni aggiustamenti dall’interno del caravan.
F. Installazione del condizionatore
1. Rimuovere dalla confezione il dispositivo per l’aria e gli
attrezzi di montaggio. Il tubo superiore è collocato
all’interno del tubo inferiore che fa parte della struttura
da installare sul soffitto.
2. Verificare che l’unità sia allineata correttamente e, se
necessario, sistemarla (la guarnizione del tetto deve
essere centrata sull’apertura di 362 mm x 362 mm
± 3,2 mm).
3. Rimuovere il tubo superiore dalla struttura da montare
al soffitto e posizionarlo sopra lo sfiato del ventilatore.
Vedere FIG. 10.
Nota: il bordo senza flangia deve essere installato nella parte
POSTERIORE dell’apertura.
4. Usare due (2) viti metalliche appuntite #10 per fissare
il tubo al pannello di base. Nella parte inferiore del
pannello di base sono presenti i fori per le viti.
5. Inserire la mano nell’apertura della presa d’aria del
condizionatore fino a raggiungere il cavo elettrico
dell’unità e tirarlo verso il basso.
6. Misurare lo spessore tra il soffitto e il tetto:
a. Se la distanza è di 25-50 mm, rimuovere le linguette
perforate dal tubo superiore e da quello inferiore.
Vedere FIG. 11.
b. Se la distanza è di 50-75 mm, rimuovere le linguette
perforate soltanto dal tubo inferiore. Vedere FIG. 11.
c. Se la distanza è di 75-100 mm, installare i tubi come
forniti. Vedere FIG. 11.
7. Installare la struttura da montare sul soffitto facendo
scorrere il tubo inferiore sul tubo superiore. Vedere
FIG. 12.
8. Tenere ferma la struttura da montare sul soffitto con una
mano e con l’altra installare le tre viti di montaggio da
150 mm facendole passare attraverso la struttura e
fissandole al pannello di base.
a. Stringere le viti con le dita e controllare
l’allineamento. Dovrebbe esserci un’apertura
uguale su ogni lato e la flangia posteriore deve
aderire perfettamente all’apertura nel tetto.
b. Fissare in modo UNIFORME le tre viti con una
torsione da 4,5 a 5,5 NM (Newton Meter). In
questo modo la guarnizione del tetto sarà
compressa a circa 13 mm. Le viti sono
autobloccanti, quindi non è necessario stringerle.
G. Collegamento dell' alimentazione al
condizionatore
Importante: l’installazione elettrica deve essere eseguita
da un elettricista autorizzato. In alcuni Paesi è necessaria
anche la licenza.

78
1. È possibile effettuare il collegamento diretto alla scatola
di derivazione per una connessione permanente oppure
collegare una presa di terra alla scatola di derivazione
per collegare il dispositivo tramite una spina.
a. In caso di connessione permanente: portare la
linea di alimentazione, precedentemente installata
nell’apertura del tetto, fino alla scatola di derivazione
presente nella struttura montata sul soffitto.
Effettuare il collegamento come descritto nel
paragrafo 2.
b. In caso di connessione a spina: usare la linea di
alimentazione elettrica (conforme alle indicazioni
della sezione “D. Requisiti per il cablaggio”) per
alimentare una presa elettrica (conforme alle
normative applicabili) installata all’estremità
dell’apertura nel tetto più lontana dalla scatola di
derivazione.
Importante: non collegare il cavo a terra fino a quando non
è stata completata l’installazione e il condizionatore è pronto
per un controllo operativo (Istruzioni per il funzionamento).
•Collegare il set della presa di terra dalla presa
elettrica alla scatola di derivazione evitando
di avvolgere troppi cavi che potrebbero
bloccare il flusso d’aria. Collegare il set della
presa al morsetto come descritto nel
paragrafo 2.
2. Collegare la linea di alimentazione del condizionatore
al morsetto fornito nella scatola di derivazione.
Collegare il bianco con il bianco, il nero con il nero e il
verde con il verde o un cavo di rame nudo (L.N. e
rispettivamente).
3. Fissare il premistoppa alla linea di alimentazione in
modo che rimanga fermo in posizione. Fare attenzione
a non schiacciare i cavi ed evitare che ci siano fili
scoperti.
Nota: se l’installazione prevede un sistema di riscaldamento
opzionale, occorre installarlo ora. Le istruzioni per l’installazione
sono fornite insieme al kit per il sistema di riscaldamento elettrico.
4. Spingere con cautela il cavo in eccesso nella scatola
di derivazione e installare il coperchio usando le due
viti fornite.
5. Collegare la linea elettrica dell’unità superiore al
connettore di commutazione corrispondente. Vedere
FIG. 13.
6. Avvolgere il cavo intorno ai connettori della presa per
evitare la rimozione durante la manutenzione.
FIG. 13
Instradare
l’alimentazione
attraverso il
connettore Romex
Collegare il cavo
alla scatola di
commutazione e
fissare con nastro
isolante per evitare
che venga rimosso
Installare
il coperchio
H. Installazione del sistema di distribuzione
dell’aria
1. Rimuovere le due griglie e i filtri della presa d’aria.
2. Fare scorrere l’estremità anteriore del dispositivo lungo
le aste del termostato e dell’interruttore di selezione.
Vedere FIG. 14.
FIG. 14
Fare scorrere il sistema di
distribuzione dell’aria sui controlli
3. Installare le quattro viti nei fori presenti nella struttura
montata sul soffitto per fissare il sistema di distribuzione
dell’aria.
4. Installare le griglie e i filtri della presa d’aria spingendoli
in posizione.
5. Installare le due manopole fornite alle estremità del
termostato e dell’interruttore di regolazione.
6. Ora è possibile posizionare l’alimentazione del
condizionatore su “ON”.
7. Il condizionatore è stato installato ed è pronto per l’uso.
Leggere le istruzioni seguenti prima di usare l’unità.
ISTRUZIONI PER LA MESSA IN FUNZIONE
A. Controlli
1. L’interruttore di selezione consente otto posizioni,
incluso “OFF”. Consente di regolare la velocità della
ventola, la modalità di riscaldamento e le modalità di
raffreddamento. Vedere FIG. 15.
FIG. 15
Interruttore di selezione
3
2
1
1
2
3
FIG. 16
2. Il termostato controlla l’accensione e lo spegnimento
del compressore in un intervallo di temperature di
raffreddamento compreso fra 18,5 °C e 32,5 °C. Vedere
FIG. 16.
Nota: il termostato non controlla il sistema di riscaldamento
elettrico opzionale, se installato.
Termostato

79
B. Raffreddamento
1. Impostare il termostato alla temperatura desiderata.
2. Selezionare la velocità della ventola desiderata:
a. MOLTO FREDDO: selezionare questa temperatura
quando è necessario il massimo raffreddamento e
la massima deumidificazione. (3 )
b. FREDDO: selezionare questa temperatura quando
è necessario un raffreddamento normale o medio.
(2 )
c. NON FREDDO: selezionare questa temperatura
quando viene raggiunta una temperatura ideale e
si desidera mantenerla. Generalmente questa
impostazione viene usata durante la notte. (1 )
Importante: se il condizionatore è acceso e il termostato
richiede il raffreddamento, la ventola e il compressore vengono
avviati in contemporanea. Quando si spegne il condizionatore
a mano tramite l’interruttore di selezione o il termostato,
attendere sempre 2-3 minuti prima di riaccenderlo. Questo
consente la stabilizzazione della pressione del refrigerante
nel sistema di condizionamento per consentire il riavvio
del compressore.
Nota: il ventilatore funziona in continuazione per far circolare
l’aria e mantenere una temperatura costante. Il compressore
viene attivato quando è necessario raffreddare la temperatura
per mantenere il livello selezionato.
C. Ventola
1. La ventola consente di far circolare l’aria nel caravan
senza raffreddare né riscaldare. Sono consentite tre
velocità: VELOCE (3 ), MEDIA (2 ) o LENTA (1 ),
a seconda delle scelte personali. Vedere FIG. 15.
D. Riscaldamento (se presente)
Nota: il sistema di riscaldamento elettrico non sostituisce la
caldaia per fornire acqua calda nel caravan. L’obiettivo è quello
di attenuare il freddo durante i giorni freddi o al mattino.
1. Impostare l’interruttore di selezione su
“RISCALDAMENTO FACOLTATIVO” ( ).
Vedere FIG. 15.
2. Il sistema di riscaldamento viene avviato e inizia a
riscaldare.
3. Quando viene raggiunta la temperatura desiderata
all’interno del caravan, spostare l’interruttore di
selezione su “OFF” o sulla posizione “VENTOLA”.
Nota: il termostato non controlla l’accensione/lo spegnimento
del sistema di riscaldamento. Se il sistema di riscaldamento
opzionale non è installato e selezionato, la ventola funzionerà
alla velocità “LENTA”.
E. Posizione “OFF”
1. Consente di spegnere l’unità.
F. Manutenzione eseguita dal cliente
1. Rimuovere periodicamente i filtri della presa d’aria
posizionati sopra i pannelli rimovibili del sistema di
distribuzione dell’aria. Lavare i filtri con acqua tiepida
e sapone, lasciare asciugare e reinstallarli.
Nota: il condizionatore non deve essere usato mai senza il filtro
della presa d’aria installato. L’assenza del filtro potrebbe provocare
l’accumulo di sporco sulla bobina dell’evaporatore e influire
negativamente sulle prestazioni dell’unità.
2. Pulire l’alloggiamento del sistema di distribuzione
dell’aria e il pannello di controllo con un panno morbido
inumidito con un detergente neutro. Non usare mai
detersivi o polveri abrasive.
3. Il motore del ventilatore è lubrificato in fabbrica e non
richiede manutenzione in condizioni di normale utilizzo.
4. In situazioni particolari sulla bobina del ventilatore
potrebbe formarsi della brina. In questo caso, esaminare
il filtro e pulirlo se è sporco. Accertarsi che i bocchettoni
dell’aria non siano ostruiti. I condizionatori presentano
un’elevata tendenza a brinare quando la temperatura
esterna è relativamente bassa. Per evitare questo
inconveniente, regolare la manopola del termostato
su una temperatura più tiepida (ruotare in senso
antiorario). Se la brina rimane, regolare le velocità della
ventola VELOCE, MEDIA o LENTA fino a quando sulla
bobina non appare più alcuna traccia di brina.
5. Se l’unità non funziona o funziona in modo non corretto,
verificare quanto segue prima di contattare il centro di
assistenza.
a. Se il caravan è collegato al generatore del motore,
accertarsi che il generatore funzioni e produca
energia.
b. Se il caravan è collegato all’alimentazione tramite
una linea a terra, accertarsi che la linea di
alimentazione sia adeguata per il funzionamento
del condizionatore e che sia collegata
all’alimentazione.
c. Controllare il fusibile o il salvavita per verificare se
è aperto.
d. Dopo aver eseguito i controlli elencati, contattare
il centro di assistenza. Le operazioni di
manutenzione devono essere eseguite
esclusivamente da personale qualificato.
6. Qualora un cavo o un cavo di alimentazione fosse
danneggiato e richiedesse una sostituzione, dovrà
essere sostituito dal produttore o da un suo tecnico
oppure da altra persona qualificata.
7. Quando si contatta il centro di assistenza è necessario
fornire sempre le informazioni seguenti:
a. Modello e numero di serie del condizionatore
indicati sulla targhetta nel pannello di base nella
parte inferiore del condizionatore.
b. Numero componente e numero di serie del kit del
sistema di distribuzione dell’aria indicati sulla
targhetta posta sulla struttura montata nel soffitto.
Leggere i dati di questa etichetta tramite l’apertura
della griglia del filtro del sistema di distribuzione
dell’aria.

80
Unità di montaggio sul tetto
Parte posteriore
Condizionatore
Tubo superiore
di sfiato
Struttura montata
nel soffitto
Viti di montaggio
Sistema di
distribuzione
dell’aria
Apertura nel tetto
FIG. 17

81
SCHEMA DI CABLAGGIO PER IL CONDIZIONATORE
SCHEMA DI CABLAGGIO DEL SISTEMA DI DISTRIBUZIONE DELL’ARIA
DIELETTRICO
SUPERATO
VE/GI
MAR
COPERCHIO
VENTOLA
PTCR
ROSSO
(OPZ)
CON
AVVIO
BLU
ROSSO
GIA
NERO
MOTORE
CON
ESECUZIONE
BIA
COMPRESSORE
ID
VE/GI
MAR
BIA
ROSSO
ROSSO
BIA
BIA
ID
C
S
R
3105595.023
O.L.
COMPRESSOR
O.L.
RS
C
RUN CAP
RUN CAP
7
6
5
4
3
2
1
SWITCH
SWITCH
ROTARY
H
C
L1
4
2
1
MOTOR
2
HEAT ACCESSORY
HEAT ACCESSORY
BLK
BLK
BLK
ELEMENT
LIMIT SWITCH
3
1
WHT
LIMIT SWITCH
BOX
JUNCTION
JUNCTION
LINE SPLICE
LINE SPLICE
FIELD WIRING
FIELD WIRING
FACTORY WIRING
FACTORY WIRING
TSTAT
TSTAT
USE COPPER CONDUCTORS ONLY
USE COPPER CONDUCTORS ONLY
220/240 VAC 50 HZ, 10
220/240 VAC 50 HZ, 10
3105580.025
FAN CAP
FAN CAP
ID
ID
BLK
YEL
RED
BLU
WHT
WHT
GR/YL
BLK
YEL
RED
BLU
WHT
WHT
GR/YL
GR/YL
BRN
BRN
WHT
RED
RED
RED
WHT
GRY
WHT
WHT
BLK
GR/YL GR/YL
BLU
43
ACTIVE (L)
ACTIVE (L)
NEUTRAL (N)
NEUTRAL (N)
EARTH ( )
EARTH ()
GR/YL
PTCR
COMP STARTER
START
*
CAP
MOTORE
CON
VENTOLA
CON
ESECUZIONE
COMPRESSORE
TI
TI
L1 COMP R
INTERRUTTORE
ROTANTE
BLU
BLU BLU
NERO
NERO NERO
NERO NERO
NERO
BIA BIA
BIA
BIA
BIA
BIA
BIA
BIA
BIA
GRI
TSTAT
VE/GI VE/GI
VE/GI VE/GI
VE/GI
F A
MAR
MAR
GIA GIA
ROSSOROSSO ROSSO
ROSSO
AVVIO COMP
CON
AVVIO
*
PTCR
RISCALDAMENTO OPZIONALE
INTERRUTTORE
FINE CORSA
ELEMENTO
INTERRUTTORE
FINE CORSA
CABLAGGIO DI FABBRICA
CABLAGGIO IN LOCO
SUDDIVISIONE LINEA
SCATOLA DI
DERIVAZIONE
ATTIVO (L)
NEUTRO (N)
TERRA ( )
220/240 VAC 50 HZ, 1Ø
USARE SOLO CONDUTTORI IN RAME
SC

82
SKRIV NED FØLGENDE
OPPLYSNINGER OM APPARATET
FOR FREMTIDIG BRUK:
Modellnummer:
Serienummer:
Kjøpedato:
MONTERINGS- OG
BRUKSANVISNINGER
Viktig: Oppbevar disse
anvisningene ved apparatet.
Eieren må lese dem grundig.
Du må lese og forstå denne håndboken før apparatet installeres, justeres,
repareres eller vedlikeholdes. Apparatet må installeres av en kvalifisert
servicetekniker. Det kan være svært farlig å modifisere dette apparatet fordi
det kan resultere i personskade eller materielle skader.
Takmontert klimaanlegg
CAMPINGVOGN - MODELL B3200
TYPE 3253.331
Modell
B3200
SERVICEAVDELING
Dometic Corporation
For opplysninger
kontakt:
www.dometic.com
REVISJON:
Skjema nr. 3310147.032
(Erstatter nr. 3310147.024)
Dansk, Engelsk, Finsk, Fransk, Gresk,
Hollandsk,Italiensk, Norsk, Portugisisk,
Spansk, Svensk og Tysk
©2007 9/07 Dometic GmbH
D-57074 Siegen

83
SIKKERHETSANVISNINGER
Denne håndboken inneholder sikkerhets-
opplysninger for å hjelpe brukerne i å eliminere
eller redusere uhell- og skaderisiko.
GJØR DEG KJENT MED
SIKKERHETSOPPLYSNINGENE
Dette er varselssymbolet. Du må være klar over
muligheten for personskade når du ser dette
symbolet i håndboken.
Følg anbefalte sikkerhetsregler og anvisningene
for sikker bruk.
FORSTÅ VARSELSORDENE
Varselsordene ADVARSEL ELLER FORSIKTIG
brukes sammen med varselssymbolet. De angir
risikoen for mulig skade.
indikerer en potensielt farlig
situasjon som kan resultere i dødsulykke eller
alvorlige skader hvis den ikke unngås.
indikerer en potensielt farlig
situasjon som kan resultere i mindre alvorlig eller
moderat skade hvis den ikke unngås.
brukes uten varselsymbolet
for å indikere en potensielt farlig situasjon som
kan resultere i materielle skader om den ikke
unngås.
Les og følg sikkerhetsopplysningene og -
anvisningene.
!
GENERELLE OPPLYSNINGER
A. Produktets egenskaper og spesifikasjoner som er
beskrevet eller illustrert kan endres uten varsel.
B. Dette klimaanlegg er beregnet for:
1. For fabrikkinstallasjon i en campingvogn.
2. For montering på taket på en campingvogn.
3. For takkonstruksjoner med taksperrer/bjelker med
avstand på minst 406 mm.
4. Mellom 25 mm og 100 mm avstand mellom
campingvognens over- og undertak. Alternative
monteringsmetoder tillater tak som er tykkere enn
100 mm.
C. Klimaanleggets evne til å vedlikeholde innetemperaturen
som ønskes avhenger av hvor sterk varme
campingvognen utsettes for.
De som befinner seg i campingvognen kan ta forskjellige
forbehold for å redusere varmetilgangen og forbedre
ytelsen til klimaanlegget. Ved høye utetemperaturer kan
varmetilgangen reduseres ved å:
1. Parkere campingvognen i skyggen
2. Bruke vindusskjermer (persienne og/eller gardiner)
3. Holde vinduene og dørene lukket og åpne dem
minst mulig.
4. Unngå å bruke apparater som produserer varme
Ved å kjøre apparatet med høy viftehastighet/nedkjøling
vil du oppnå optimal eller maksimal effekt ved høy
luftfuktighet eller høy utetemperatur.
Ved å starte klimaanlegget tidlig om morenen for å gi det
et «forsprang» når det er ventet høy utetemperatur, vil
dette hjelpe til med å holde vedlike den ønskede
innetemperaturen.
Andre mer permanente løsninger for å redusere
varmetilgangen inkluderer tilbehørsutstyr som f.eks.
markise over terrasse og vinduer som vil redusere
varmetilgangen ved å forhindre direkte sollys. De vil
også bidra til et koselig sted hvor en kan hygge seg med
venner for å nyte en sval kveld.
D. Kondensering
Merknad: Produsenten av dette klimaanlegget skal ikke
være ansvarlig for eventuelle skader som kunne oppstå som
følge av kondensert fuktighet på taket eller andre overflater.
Luft inneholder fuktighet, og denne fuktigheten har en
tendens til å kondensere på kalde overflater. Når luft kommer
inn i campingvognen, kan det danne seg fuktighet under
taket, på vinduene, metalldeler osv. Klimaanlegget fjerner
denne fuktigheten fra luften under vanlig drift. Ved å holde
dørene og vinduene lukket når klimaanlegget er i drift, vil en
redusere kondensert fuktighet på kalde overflater.

84
** Produsenten gir GENERELLE retningslinjer for
generatorbehov. Disse retningslinjene er basert på erfaringene
folk har hatt i reelle brukssituasjoner.
For å bestemme generatorens størrelse, må campingvognens
totale strømbehov vurderes. Husk at generatorer taper
strøm ved større høyder og manglende vedlikehold.
Spesifikasjoner
MONTERINGSANVISNINGER
A. Forhåndsregler
B. Valg av riktig monteringssted for
klimaanlegget
Dette klimaanlegget er spesielt beregnet på å bli montert
på taket av en campingvogn. Følgende forhold bør tas i
betraktning når kjølebehovet ska bestemmes:
•Campingvognens størrelse;
•Vindusflaten (øker varmetilgang);
•Isolasjonen i vegger og tak;
•Det geografiske området campingvognen skal brukes;
•Personlige trivselskrav.
1. Normalt monteringssted- Klimaanlegget er beregnet
på å passé over en eksisterende ventilasjonsluke i
taket.
FIG. 1
Det foretrekkes at klimaanlegget monteres på en forholdsvis
flat og horisontal seksjon av taket når campingvognen står
parkert på jevn bakke.
Merknad: En helling på 8° til én av sidene er akseptabelt,
men en bakoverhelling er ikke akseptabel.
FIG. 3
En helling bakover er IKKE AKSEPTABELT
Modellnummer B3200 Elektrisk
varmeovn
Type 3253.331
Nominell
kompressorkapasitet (KW) 3,2 1,6
Spenning 220 – 240 VAC 50 Hz.,
1 fase
Ampere ved full last
(kompressor / motor) 5,2 / 1,1 --- / 1,1
Ampere ved blokkert rotor
(kompressor / motor) 26 / 3,8 --- / 3,8
Kjølemiddel R407C
Gram/Oz. 496/15,5 ---
Sikring 10 Amp tidssikring eller
overbelastningsbryter
Inngangseffekt (KW) 1,35 1,5
Minste ledningsstørrelse For opp til 8 meter,
bruk 1mm2 kobber
** Generatorstørrelse 1 enhet – 3,5 KW
2 enheter – 5,0 KW
Feil montering kan skade apparatet, kan
være livsfarlig eller resultere i person- og/eller
materielle skader.
1. Les monterings- og bruksanvisningene omhyggelig
før du begynner å installere klimaanlegget.
2. Leverandøren skal ikke være ansvarlig for
eventuelle tap eller skader som kan oppstå som
følge av at anvisningene ikke ble fulgt.
3. Utstyret skal installeres i henhold til landets
forskrifter for elektriske installasjoner per direktiv
IEC 335-2-40, CI, 7.12.1. Monteringen må utføres
i henhold til alle gjeldende koder og/eller forskrifter.
4. IKKE koble andre apparater eller ekstrautstyr til
dette klimaanlegget enn de som er uttrykkelig
godkjente av produsenten.
5. Service på dette utstyret må kun utføres av
kvalifisere teknikere, og enkelte lokale koder og
forskrifter krever at disse må være autoriserte.
2. Andre steder - Når ingen ventilasjonsluke er
tilgjengelig eller når et annet sted foretrekkes,
anbefales følgende:
a. For montering av én enhet: Klimaanlegget bør
monteres noe foran midtpunktet (mellom
vognens for- og bakkant) og på midtlinjen mellom
sidene.
b. For montering av to enheter: Installer det ene
klimaanlegget 1/3, og det andre klimaanlegget
2/3 fra campingvognens forkant og på midtlinjen
mellom vognens sider.
1/2 L LL
1/3 L
2/3 L
FIG. 2

85
C. Forberedelse av taket
1. Nødvendig åpning – Les følgende anvisninger før
takåpningen forberedes og monteringen begynner.
Dersom åpningen i en eksisterende ventilasjonsluke
ikke brukes, må det skjæres en åpning på
362 mm x 362 mm (± 3,2 mm) gjennom taket på
campingvognen. Denne åpningen må plasseres
mellom bærebjelkene i taket.
FIG. 5
Åpningen på 362 mm x 362 mm (± 3,2 mm) er en
del av returluftsystemet til klimaanlegget og må
utføres i overensstemmelse med landets og stedets
koder og/eller forskrifter.
2. Fjerning av ventilasjonsluken på taket
a. Fjern skruene og ventilasjonsluken.
b. Fjern all fugemasse rundt åpningen.
c. Tett igjen alle skruehull og sømmer rundt
takpakningen. Bruk allværs fugemasse av god
kvalitet. Se FIG. 6.
9-1/2"
39"
28-3/4"
20"
2-1/2"
22"
FIG. 4
24 cm
102 cm
74 cm
51 cm
6,4 cm
56 cm
510 mm
283
mm
105
mm 105
mm
283
mm
75 mm
75 mm
Åpningens
midtlinje
Omriss for
returluftkasse
Hold dette
området fritt
for hindringer
105 mm
181 mm
181 mm
362 mm x
362 mm
(± 3,2 mm)
Åpning
543 mm
Åpningens midtlinje
305 mm
102 mm
102 mm
Enhetens
bakkant
362 mm x
362 mm
(± 3,2 mm)
Åpning
3. Etter at stedet er valgt:
a. Undersøk om det er hindringer i området der
klimaanlegget skal monteres. Se FIG. 4.
b. Taket må være konstruert slik at det kan tåle
65 kg når campingvognen er i bevegelse. Normalt
vil en konstruksjon for en statisk last på100 kg
være tilstrekkelig.
c. Sjekk på innsiden av campingvognen for å se
om det finnes hindringer for returluftkassen
(dvs. døråpninger, vegger, gardiner, taklamper
osv.). Se FIG. 4 og 5.
Det er ansvaret til montøren som installerer dette
klimaanlegget å sørge for at integriteten til
campingvognens takkonstruksjon bevares. Det
må aldri oppstå et lavt punkt på taket hvor vannet
kan samle seg. Vann som samler seg rundt
omkring klimaanlegget kan lekke inn og skade
apparatet og campingvognen.
Det er mulig at det finnes elektriske ledninger
i taksjiktet. Koble ut nettstrømmen med 220 –
240 Volt vekslestrøm og fjern den positive (+)
polklemmen fra 12 volt batteriet. Støt og
berøringsfare kan oppstå om dette unnlates og
kan føre til dødsulykke eller alvorlig personskade.

86
FIG. 6
FIG. 7
Ikke skjær gjennom
takskonstruksjonen
eller bjelker
Bra løsning –
sperrer
understøttet av
kryssbjelker
Bra lokasjon –
Mellom
takbjelker
Form åpningen slik
at taklagene ikke vil
sammentrykkes når
enheten boltes fast
Minimum 375 mm i
åpningens forkant
25 mm minimum
d. Dersom åpeningen er større enn 362 mm x
362 mm (±3,2 mm), er det nødvendig å
redusere åpningen til 362 mm x 362 mm
(± 3,2 mm).
e. Dersom åpeningen er mindre enn 362 mm x
362 mm (± 3,2 mm), må den gjøres større.
3. Ny åpning - (montering utenom ventilasjonsåpningen)
a. Marker et kvadrat på 362 mm x 362 mm
(± 3,2 mm) på taket og skjær forsiktig ut
åpningen.
b. Ved å bruke åpningen i det øvre laget som
rettleder skjæres et tilsvarende hull i undertaket.
c. Åpningen som er dannet må avstives for å
kunne gi tilstrekkelig understøtte og hindre at
luft trekkes fra mellomrommet mellom over- og
undertaket. Det må brukes trematerialer som er
25 mm eller tykkere. Husk på å lage et
tilgangshull for strømledninger i forkanten av
åpningen. Se FIG. 7.
Det er ansvaret til montøren som installerer dette
klimaanlegget å sørge for at integriteten til
campingvognens takkonstruksjon bevares. Det
må aldri oppstå et lavt punkt på taket hvor vannet
kan samle seg. Vann som samler seg rundt omkring
klimaanlegget kan lekke inn og skade apparatet
og campingvognen.
D. Nødvendig kabling
1. 220 - 240 VAC mateledning
Legg en 1mm2 kobber ledning med jord, 220 –
240 VAC mateledning fra el-tavlen med tidssikring
eller overbelastningsbryter til takåpningen.
a. Mateledningen må legges inn i forkanten på
åpningen på 362 mm x 362 mm (± 3,2 mm).
b. Strømledningen MÅ kobles til en egen 10 Amp.
tidssikting eller VVS-overbelastningsbryter.
c. Sørg for at minst 375 mm av matningsledningen
stikker inn i takåpningen. Dette forenkler
tilkoblingen i koblingsboksen.
d. Kablingen må utføres i overensstemmelse med
landets og stedets koder og/eller forskrifter.
e. Bruk en stålhylse og en kabelgjennomføring
eller tilsvarende for å beskytte ledningen der
den føres inn i åpningen.
E. Plassering av klimaanlegget på taket
Denne enheten veier ca. 45 kg. For å forhindre
ryggskade, bør det brukes en kran for å plassere
klimaanlegget på taket.
FIG. 8
Ikke skyv enheten. Dette kan skade takpakningen
som er festet på bunnen og føre til at monteringen
lekker.
FIG. 9 FRONT
1. Ta klimaanlegget ut av pappkartongen og kast
kartongen. Se FIG. 8.
Tillat tilstrekkelig åpning
for strømledninger
2. Plasser klimaanlegget på taket.
3. Løft og sett enheten over åpningen som er tillaget
ved å bruke pakningen på enheten som rettleder.
Se FIG. 9.

87
FIG. 11
Punkt a
Riv av ved
perforering
Punkt b
Riv av ved
perforering
Punkt c
Brukes som
mottatt
Øvre
returluftkanal
Nedre
returluftkanal
Klimaanleggets
bakkant
Øvre
returluftkanal Kant uten flens
peker mot bakkant
FIG. 10
Dersom skruene er satt inn for løst, er det mulig
tetningen mot taket ikke er tilstrekkelig,
eller dersom de trekkes for hardt til, kan
klimaanleggets bunn eller takmal skades. Trekk til
med dreiemomentet som står oppført i denne
håndboken.
FIG. 12 Skyv nedre
returluftkanal
over øvre kanal
Takpakning
Hold takmalen oppe med
én hånd og skru
3 festeskruer til for hånd
Klimaanleggets
returluftåpning
Koble fra nettspenningen med 220 – 240 Volt
vekselstrøm. Hvis denne anvisningen ikke følges,
kan det være fare for elektriske støt som resulterer
i dødsulykke eller alvorlig personskade.
4. Sett esken med det mekaniske luftfordelersettet
inne i campingvognen. Denne esken inneholder
monteringsdeler for klimaanlegget som brukes inne
i campingvognen.
Nå er arbeidet på utsiden unnagjort. Om det er nødvendig
kan mindre justeringer utføres fra innsiden av vognen.
F. Montering av klimaanlegget
1. Ta ut luftkassen og monteringsdelene fra esken.
Den øvre kanalen leveres innsatt i den nedre kanalen
som er en del av takmalen.
2. Sjekk oppstillingen og juster enheten om det er
nødvendig (takpakningen midtstilles over 362 mm x
362 mm (± 3,2 mm).
3. Fjern øvre kanal fra takmalen og plasser den over
vifteavløpet. Se FIG. 10
Merknad: Kanten uten flens monteres mot åpningens
BAKKANT.
4. Bruk to (2) spisse #10 plateskruer for å feste
kanalen til bunnpannen. Det er boret hull i bunnen på
bunnpannen for disse skruene.
5. Rekk hånden inn i returluftåpningen i klimaanlegget
og trekk ut enhetens elektriske ledning for at denne
kan bli tilkoblet senere.
6. Mål avstanden mellom over- og undertak:
a. Dersom avstanden er 25 mm – 50 mm, fjernes
fanene etter den perforerte linjen på både øvre
og nedre kanal. Se FIG. 11.
b. Dersom avstanden er 50 mm – 75 mm, fjernes
fanene etter den perforerte linjen bare på den
nedre kanalen. Se FIG. 11.
c. Dersom avstanden er 75 mm – 100 mm,
monteres kanalene slik de er mottatt.
Se FIG. 11.
7. Monter takmalen ved å føre nedre kanal over øvre
kanal. Se FIG. 12.
8. Hold takmalen oppe med én hånd og skru inn tre
150 mm lange festeskruer gjennom malen og inn i
bunnpannen.
a. Trekk skruene til for hånd og kontroller
oppstillingen. Det bør være like store åpninger
på hver side og den bakre falsen må ligge tett
mot takåpningen.
b. Trekk de tre skruene JEVNT til med et
dreiemoment på 4,5 til 5,5 NM (Newton Meter).
Dette vil klemme takpakningen sammen til
ca. 13 mm. Skruene er selvlåsende så det er
ikke nødvendig å trekke til for hardt.
G. Tilkobling av strømforsyning til
klimaanlegget
Viktig: Den elektriske tilkoblingen må utføres av en
autorisert elektriker. I enkelte tilfelle må de være
godkjente.

88
FIG. 13
Før strømforsyningsledningen
gjennom en
kabelgjennomføring
Plasser kabelrøret
i bryterboksen og
fest den med en
trådforbindelse for å
hindre at den fjernes
Fest
dekslet
FIG. 14
Skyv luftkassen over kontrollene
FIG. 15
Valgbryter
3
2
1
1
2
3
FIG. 16
Termostat
1. Du kan enten koble ledningen til koblingsboks for en
fast tilkobling, eller koble en ledning med påstøpt
støpsel til koblingsboksen for en innstikkstilkobling.
a. For en fast tilkobling: Før strømforsynings-
ledningen som allerede er installert i takåpningen
til koblingsboksen på takmalen. Koble til som
beskrevet i paragraf 2.
b. For en innstikkstilkobling: Bruk strømforsynings-
ledningen nevnt i “D. Nødvendig kabling” og
legg den til strømuttaket som er montert i
samsvar med gjeldende lover ved takåpningen
lengst vekk fra koblingsboksen.
Viktig: Ikke plugg inn støpselet før du har montert
klimaanlegget helt og er klar til å foreta en
funksjonskontroll. (Bruksanvisningen)
•Før ledningen med påstøpt støpslet fra
strømuttaket til koblingsboksen og sørg for
at oppkveilet overflødig ledning ikke hindrer
luftstrømmen. Koble støpselledningen til
koblingsklemmen som beskrevet i
paragraf 2.
2. Koble strømforsyningsledningen til klimaanleggets
koblingsklemme montert i koblingsboksen. Koble
hvit til hvit, svart til svart og grønn til grønn, eller bar
kobberledning (henholdsvis L. N. og ).
3. Trekk til strekkavlastningen rundt
strømforsyningsledningen for at den festes godt.
Vær forsiktig å ikke klem ledningene slik at de
kortslutter.
Merknad: Hvis det skal monteres en varmeovn som en del
av anlegget, bør den monteres nå. Monteringsanvisningene
levers sammen med varmeovnssettet.
4. Skyv varsomt all overflødig ledning inn i
koblingsboksen og fest dekslet på boksen med de
to medfølgende butte skruene.
5. Sett kabelrøret fra den øvre delen inn i den tilpassende
koblingen på bryterboksen. Se FIG. 13.
6. Fest en trådforbindelse rundt koblingen(e) for å
hindre at de(n) fjernes under service.
H. Montering av luftfordelingsboks
1. Ta ut de to returluftgrillene og filtrene.
2. Før forkanten av luftkassen over termostat- og
valgbrytertappene. Se FIG. 14.
3. Fest fire skruer gjennom benene i luftkassen og inn
i hullene i takmalen.
4. Monter returgrillen og filtrene ved å skyve dem på
plass.
5. Sett på de to medfølgende knottene på endene til
termostat- og valgbrytertappene.
6. Nå kan klimaanleggets strømforsyning slås på
“PÅ”.
7. Klimaanlegget er nå ferdig installert og klart for bruk.
Du bør lese følgende bruksanvisninger før du bruker
enheten.
BRUKSANVISNING
A. Reguleringer
1. Valgbryteren har åtte stillinger, medregnet “AV”.
Denne bryteren regulerer viftehastigheten samt
varme- og kjølemodusene. Se FIG. 15.
2. Termostaten reguler bruken av kompressoren
for å kjøle temperaturen ned til mellom 18,5 °C og
32,5 °C. Se FIG. 16.
Merknad: Termostaten styrer ikke enhetens varmeovn, om
det er montert en slik enhet.

89
B. Kjøling
1. Still termostaten til ønsket temperaturnivå.
2. Velg viftehastigheten som vil best tilfredsstille ditt
behov:
a. HØY KJØLING: Velges nå det kreves
maksimum kjøling og avfukting. (3 )
b. MIDDELS KJØLING: Velges når det kreves
normal eller middels kjøning. (2 )
c. LAV KJØLING: Velges når rommet er
komfortabelt og forholdene ønskes å bli holdt
vedlike. Normalt vil denne hastigheten brukes
for drift om natten. (1 )
Viktig: Når klimaanlegget er slått på og termostaten
bestiller kjøling, starter viften og kompressoren samtidig.
Etter klimaanlegget er slått av manuelt enten ved hjelp
av velgerbryteren eller termostaten, bør du vente i
2-3 minutter før du slår klimaanlegget på igjen. Dette gir
trykket i klimaanleggets kuldemedium tid til å utjevne
seg så kompressoren kan starte igjen.
Merknad: Viften går hele tiden for å sirkulere luften og holde
jevn temperatur. Kompressoren vil slå seg på når kjøling
kreves for å holde ved like den valgte temperaturen.
C. Viften
1. Viften vil sirkulere luften i campingvognen uten å
kjøle eller varme opp luften. Den har tre stillinger:
HØY VIFTE (3 ), MIDDELS VIFTE (2 ) eller LAV
VIFTE (1 ) som kan velges avhengig av hva du
ønsker. Se FIG.15.
D. Oppvarming (dersom anlegget er utstyrt med ovn)
Merknad: Den elektriske varmeovnen vil ikke erstatte en
varmeovn for oppvaring av campingvognen i kaldt vær.
Hensikten er å ta bort kjøligheten på kjølige dager eller
morgener.
1. Slå valgbryteren til “VALGFRI VARME” ( ) .
Se FIG. 15.
2. Varmeovnen vil komme på og begynne å varme opp
luften.
3. Når temperaturen i campingvognen når ønsket nivå,
flytter du velgerbryteren til “AV” eller “VIFTE” –
stillingen.
Merknad: Termostaten regulerer ikke varmeovnens
PÅ/AV-syklus. Dersom varmeovnen som er valgfritt utstyr
ikke er installert velges, vil viften gå i “LAV VIFTE” modus.
E. “AV”
1. Dette slår enheten av.
F. Vedlikehold utført av kunden
1. Fjern luftfiltrene av og til. Disse finner du over de
avtakbare panelene i luftkassen. Vask filtrene med
såpe og varmt vann, la dem tørke og sett dem på
plass igjen.
Merknad: Kjør aldri klimaanlegget uten at filtrene er på
plass. Dette kan resultere i at enhetens fordamperspiral
tettes med støv, og dette kan redusere enhetens
kjølekapasitet vesentlig.
2. Gjør luftkassen og reguleringspanelet rene med en
myk klut fuktet med mildt vaskemiddel. Bruk aldri
møbelpolitur eller skrubbepulver.
3. Viftemotoren er smurt på fabrikken og krever ingen
service under normalt bruk.
4. Under visse forhold kan det danne seg is på
fordamperspiralen. Dersom dette skulle skje bør
filteret kontrolleres og gjøres rent om det er skittent.
Sørg for at lufteventilene ikke er tette. Klimaanlegg
har større tendens til å ise over når utetemperaturen
er forholdsvis lav. Dette kan unngås ved å justere
termostatkontrollen til en varmere innstilling (moturs).
Skulle isingen fortsette, bruk anlegget bare på LAV,
MIDDELS, eller HØY KJØLING innstillingene inntil
fordamperspiralen er isfri.
5. Dersom enheten ikke virker eller ikke virker riktig,
bør du sjekke følgende før du ringer
serviceavdelingen.
a. Dersom campingvognen er koblet til en
motordreven generator, må du sjekke om
motorgeneratoren går og produserer strøm.
b. Dersom campingvognen er koblet til
strømforsyning med en nettkabel, må du sjekke
om kabelen har stor nok kapasitet til å drive
klimaanlegget og at den er koblet inn til
strømnettet.
c. Sjekk om sikringen er gått eller
overbelastningsbryteren er åpen.
d. Etter du har utført disse kontrollene, kan du
ringe serviceavdelingen på stedet for å få
ytterligere hjelp. Kun kvalifisert servicepersonell
skal utføre service på denne enheten.
6. Dersom kabling eller ledninger er skadd og trenger
å bli skiftet ut, må dette bli utført av produsenten
eller produsentens servicerepresentant eller en annen
autorisert person.
7. Når du ringer for service, må du oppgi følgende:
a. Klimaanleggets modell- og serienummer som
du finner på typeskiltet festet på bunnpannen
under klimaanlegget.
b. Luftfordelingsboksens settnummer og
serienummer som du finner på typeskiltet festet
på takmalen. Du kan se typeskiltet gjennom
grillen på luftfordelerboksen

90
Takmontert enhet
Bakkant
Klimaanlegg
Øvre returluftkanal
Takmal
Monteringsskruer
Luftfordelerkasse
Takåpning
FIG. 17

91
KOBLINGSSKJEMA FOR KLIMAANLEGGET
KOBLINGSSKJEMA FOR LUFTFORDELERKASSE
GODKJENT
DIELEKTRISK
GR/GL
BRN
VIFTEKON
PTCR
RØD
(OPT.)
START-
KON
BLÅ
RØD
GUL
SRT
MOTOR
DRIFTKON
VIT
KOMPRESSOR
ID
GR/GL
BRN
VIT
RØD
RØD
VIT
VIT
ID
S
R
3105595.023
O.L.
FELLES
COMPRESSOR
COMPRESSOR
O.L.
RS
C
RUN CAP
RUN CAP
7
6
5
4
3
2
1
SWITCH
ROTARY
H
C
L1
4
2
1
MOTOR
2
HEAT ACCESSORY
HEAT ACCESSORY
BLK
BLK
BLK
ELEMENT
ELEMENT
LIMIT SWITCH
3
1
WHT
LIMIT SWITCH
BOX
JUNCTION
JUNCTION
LINE SPLICE
LINE SPLICE
FIELD WIRING
FIELD WIRING
FACTORY WIRING
TSTAT
USE COPPER CONDUCTORS ONLY
USE COPPER CONDUCTORS ONLY
220/240 VAC 50 HZ, 10
220/240 VAC 50 HZ, 10
3105580.025
FAN CAP
FAN CAP
ID
ID
BLK
YEL
RED
BLU
WHT
WHT
GR/YL
BLK
YEL
RED
BLU
WHT
WHT
GR/YL
BRN
BRN
WHT
RED
RED
WHT
GRY
WHT
WHT
BLK
GR/YL
GR/YL
GR/YL
BLU
43
ACTIVE (L)
ACTIVE (L)
NEUTRAL (N)
NEUTRAL (N)
EARTH ( )
EARTH ()
GR/YL
PTCR
COMP STARTER
START
*
CAP
MOTOR
VIFTE KON
DRIFT
KON
KOMPRESSOR
L1 COM VRM
DREIE-
BRYTER
BLÅ BLÅ BLÅ
SRT
SRT SRT
SRT SRT
SRT
VIT VIT
VIT
VIT
VIT
VIT
VIT
VIT
VIT
GRÅ
TSTAT
GR/GL GR/GL
GR/GL GR/GL
GR/GL
RS
FELLES
BRN
BRN
GUL GUL
RØD
RØD RØD
RØD
KOMP STARTER
START
KON
*
PTC-
RELÉ
VALGFRI VARMEOVN
GRENSEBRYTER
ELEMENT
GRENSEBRYTER
FABRIKKABLING
FELTKABLING
LINJESPLEIS
KOBLINGS-
BOKS
ACTIVE (L)
NØYTRAL (N)
JORD ( )
220/240 VAC 50 Hz, 1Ø
BRUK BARE KOBBERLEDNINGER

92
ARQUIVE ESTAS INFORMAÇÕES
PARA CONSULTAS FUTURAS
Número do Modelo
Número de Série
Data de Aquisição
INSTRUÇÕES DE INSTALAÇÃO
E DE FUNCIONAMENTO
Importante: As instruções devem
ser guardadas junto do aparelho.
O proprietário deve ler as mesmas
atentamente.
Este manual deve ser lido e compreendido antes de efectuar a instalação,
ajustamento, assistência ou manutenção. Este aparelho deve ser instalado por um
técnico qualificado. As modificações efectuadas neste produto podem ser
extremamente perigosas e poderão ter como resultado acidentes pessoais ou danos
materiais.
Ar condicionado de instalação
em tejadilho
CARAVAN MODELO B3200
TIPO 3253.331
Modelo
B3200
CENTRO DE ASSISTÊNCIA
Dometic Corporation
Para obter informações
Contacte:
www.dometic.com
REVISÃO
Formulário nº 3310147.032
(Substitui nº 3310147.024)
Alemão, dinamarquês, espanhol,
finlandês, francês, grego,
holandês, inglês, italiano,
norueguês, português e sueco
©2007 9/07 Dometic GmbH
D-57074 Siegen

93
INSTRUÇÕES DE SEGURANÇA
Este manual contém informações e instruções de
segurança para ajudarem os utilizadores a eliminar
ou reduzir o risco de acidentes e ferimentos.
COMO RECONHECER
A INFORMAÇÃO DE SEGURANÇA
Este é o símbolo de alerta de segurança. Quando vir
este símbolo no manual, mantenha-se atento para a
possibilidade de acidentes pessoais.
Siga as precauções e instruções de funcionamento
recomendadas.
EXPLICAÇÃO DAS PALAVRAS
DE ALERTA
Uma palavra de alerta, AVISO OU CUIDADO é
usada juntamente com o símbolo de alerta de
segurança. Elas definem o nível de risco para a
possibilidade de acidente.
indica uma situação potencialmente
perigosa que, se não for evitada, poderá ter como
resultado morte ou acidente grave.
CUIDADO
!
indica uma situação potencialmente
perigosa que, se não for evitada, poderá ter como
resultado acidentes menores ou moderados.
CUIDADO
!
usada sem o símbolo de alerta de
segurança indica uma situação potencialmente
perigosa que, se não for evitada, poderá ter como
resultado danos materiais.
Leia e siga todas as informações e instruções de
segurança.
!
INFORMAÇÃO GERAL
A. As características ou especificações do produto descritas
ou ilustradas estão sujeitas a alteração sem aviso prévio.
B. Este Ar Condicionado destina-se a:
1. Instalação numa Caravana durante o fabrico da
Caravana.
2. Montagem no tejadilho duma Caravana.
3. Construção no tejadilho com traves/vigas com centros
mínimos de 406 mm.
4. Distância mínima de 25 mm e máxima de 100 mm entre
o tejadilho e o tecto da Caravana. Métodos alternativos
de instalação permitirão aos tejadilhos uma espessura
superior a 100 mm.
C. A capacidade do ar condicionado para manter a temperatura
interna desejada depende do ganho de calor da Caravana.
Algumas medidas de prevenção por parte dos ocupantes da
Caravana podem reduzir o ganho de calor e melhorar o
desempenho do ar condicionado. Em condições de
temperaturas exteriores elevadas, o ganho de calor da
Caravana pode ser reduzido devido a:
1. Estacionar a Caravana numa área com sombra
2. Utilizar sombras de janela (estores e/ou cortinas)
3. Manter as janelas e portas fechadas ou minimizar a
sua utilização
4. Evitar o uso de equipamentos produtores de calor
O funcionamento no modo de ventilação forte/refrigeração
proporcionará uma eficiência óptima ou máxima em
condições de humidade ou temperatura elevada no
exterior.
A colocação do ar condicionado em funcionamento logo de
manhã, proporcionando-lhe um “arranque” no ambiente
exterior previsto, melhorará grandemente a sua capacidade
para manter a temperatura interior pretendida.
Para uma solução mais permanente para obter um elevado
ganho de calor, acessórios como um pátio exterior e uma
janela de avançado reduzirão o ganho de calor ao anularem
a luz solar directa. Proporcionam também duma área
agradável para desfrutar de companhia quando a tarde
arrefece.
D. Condensação
Nota: O fabricante deste ar condicionado não se responsabiliza
por quaisquer danos causados pela humidade de condensação
nos tectos ou noutras superfícies. O ar contém humidade e esta
tem tendência para condensar-se em superfícies frias. Quando
o ar entra na Caravana, a humidade condensada pode surgir
no tecto, nas janelas, peças metálicas, etc. O ar condicionado
remove esta humidade do ar durante o funcionamento normal.
A manutenção das portas e janelas fechadas quando este ar
condicionado se encontra em funcionamento minimizará a
humidade condensada em superfícies frias.

94
** O fabricante fornece orientações GERAIS relativas aos
requisitos do gerador. Estas orientações resultam da experiência
tida por pessoas em aplicações reais. Quando dimensionar o
gerador, a utilização total de potência da sua Caravana deve ser
considerada. Tenha presente que os geradores perdem potência
em altitudes elevadas e devido a falta de manutenção.
Especificações
INSTRUÇÕES DE INSTALAÇÃO
A. Precauções
B. Escolha da localização apropriada para o
sistema de ar condicionado
Este ar condicionado foi concebido especificamente para a
instalação no tejadilho duma Caravana. Quando determinar os
seus requisitos de refrigeração, deverá considerar o seguinte:
•Dimensão da Caravana;
•Área de janela (aumenta o ganho de calor);
•Grau de isolamento nas paredes e no tejadilho;
•Localização geográfica em que a Caravana será utilizada;
•Nível de conforto pessoal exigido.
1. Localização normal-O ar condicionado foi concebido
para ser adaptado sobre uma abertura de ventilação
existente no tejadilho.
FIG. 1
1/2 C CC
1/3 C
2/3 C
FIG. 2
É preferível que o ar condicionado seja instalado numa secção
do tejadilho relativamente plana e nivelada, medida com a
Caravana estacionada numa superfície horizontal.
Nota: Uma inclinação de 8° para qualquer dos lados é aceitável,
mas uma inclinação de Frente para Trás não é aceitável.
FIG. 3
A inclinação de Frente para Trás
NÃO É ACEITÁVEL
Modelo Nº B3200 Eléctrico
Aquecedor
Tipo 3253.331
Capacidade nominal
do compressor (KW) 3.2 1.6
Classificação Eléctrica 220-240 VCA 50 Hz., 1 Fase
Amp plena carga
(Compressor / Motor) 5.2 / 1.1 --- / 1.1
Amp rotor bloqueado
(Comp / Motor) 26 / 3.8 --- / 3.8
Líquido de
arrefecimento R407C
gramas/Oz 496/15.5 ---
Protecção do circuito Fusível de 10 Amp com
retardo, ou disjuntor
Potência de entrada (KW) 1.35 1.5
Calibre mínimo Até 8 metros
dos condutores utilizar 1 mm2, Cobre
** Capacidade do gerador 1 Unidade - 3.5 KW
2 Unidades - 5.0 KW
Uma instalação incorrecta pode danificar o
equipamento, poderá colocar em risco vidas,
causar graves acidentes e/ou danos materiais.
1. Leia atentamente as Instruções de Instalação e
Funcionamento antes de proceder à instalação do ar
condicionado.
2. O fabricante não se responsabiliza por quaisquer danos
ou lesões emergentes do incumprimento destas
instruções.
3. O equipamento deverá ser montado de acordo com o
regulamento nacional sobre cablagem e que consta
do documento 335-2-40, CI 7.12.1, da Comissão
Electrotécnica Internacional. A instalação deve estar
em conformidade com todos e quaisquer códigos e
regulamentações aplicáveis.
4. NÃO adicione quaisquer dispositivos ou acessórios a
este ar condicionado, com excepção dos expressamente
autorizados pelo fabricante.
5. Este equipamento deve receber assistência prestada
por pessoal qualificado e algumas normas e
regulamentações locais requerem que esse pessoal
esteja licenciado.
2. Outras localizações-Quando não está disponível
qualquer ventilação no tejadilho ou é pretendida outra
localização, recomenda-se o seguinte:
a. Para a instalação de uma unidade: O ar
condicionado deve ser montado ligeiramente à
frente do centro (da frente para trás) e centrado
lateralmente.
b. Para a instalação de duas unidades: Instale um ar
condicionado a 1/3 e um ar condicionado a 2/3 da
frente da Caravana e centrados lateralmente.

95
C. Preparação do tejadilho
1. Requisitos da abertura - Antes de preparar a abertura
do tejadilho, leia completamente as instruções antes
de iniciar a instalação.
Se não for utilizada uma abertura de ventilação existente
no tejadilho, deve ser cortada uma abertura de 362 mm
x 362 mm (± 3.2 mm) através do tejadilho e do tecto da
Caravana. Esta abertura deve ficar localizada entre
os membros de reforço do tejadilho.
FIG. 5
A abertura de 362 mm x 362 mm (± 3.2 mm) faz parte
do sistema de ar de retorno do ar condicionado e deve
ser acabada de acordo com todas as normas e/ou
regulamentações nacionais e locais.
2. Remoção da ventilação do tejadilho
a. Desaparafusar e retirar a ventilação do tejadilho.
b. Remova toso o material de calafetagem em torno
da abertura.
c. Vede todos os orifícios e junções dos parafusos
nos quais estava localizado o suporte do tejadilho.
Utilize um vedante com uma boa classificação
para todas as condições meteorológicas. Ver FIG. 6.
9-1/2"
39"
28-3/4"
20"
2-1/2"
22"
FIG. 4
24 cm
102 cm
74 cm
51 cm
6,4 cm
56 cm
510 mm
283
mm
105
mm 105
mm
283
mm
75 mm
75 mm
Linha central
da abertura
Perímetro da
caixa de ar
Mantenha esta
área livre de
obstruções
105 mm
181 mm
181 mm
Abertura de
362 mm x
362 mm
(± 3.2 mm)
543 mm
Linha central
da unidade
305 mm
102 mm
102 mm
Traseira
da
unidade
Abertura de
362 mm x
362 mm
(± 3.2 mm)
3. Depois de a localização ter sido seleccionada:
a. Verifique se não existem obstruções na área em
que o ar condicionado vai ser instalado. Ver FIG. 4.
b. O tejadilho deve ter sido concebido para suportar
65 Kg quando a Caravana se encontra em
movimento. Normalmente, uma carga estática
projectada de 100 Kg satisfará este requisito.
CUIDADO
!
É da responsabilidade do instalador deste ar
condicionado assegurar a integridade estrutural
do tejadilho da Caravana. Nunca crie um ponto
baixo no tejadilho onde a água possa ser recolhida.
A água presente em torno do ar condicionado
pode penetrar no interior, causando danos no
produto e na Caravana.
c. Verifique no interior da Caravana se existem
algumas obstruções do kit de ar de retorno (isto é,
abertura de portas, divisórias de divisões, cortinas,
acessórios do tecto, etc.). Ver FIG. 4 e 5.
Poderá haver uma instalação eléctrica entre o
tejadilho e o tecto. Desligue o cabo de alimentação
de 220 - 240 V CA e o terminal positivo de (+)
12 V CC da bateria de alimentação. O não
cumprimento desta instrução pode criar um
perigo de choque eléctrico que pode causar morte
ou grave acidente pessoal.

96
FIG. 6
FIG. 7
Não cortar a
estrutura ou
as traves do
tejadilho
Boas traves
suportadas por
vigas cruzadas
Boa localização-
Entre as traves
do tejadilho
Abertura da armação
de modo a não colapsar
quando aplicar os pernos
na unidade
Deixar o acesso para
os cabos de alimentação
eléctrica Mín. 375 mm na
frente da abertura
Mín. 25 mm
d. Se a abertura excede 362 mm x 362 mm (± 3.2 mm),
será necessário redimensionar a abertura para
362 mm x 362 mm (± 3.2 mm).
e. Se a abertura tiver uma dimensão inferior a 362 mm
x 362 mm (± 3.2 mm), deve ser alargada.
3. Abertura nova- (Instalação fora da abertura de
ventilação)
a. Marque um quadrado de 362 mm x 362 mm
(± 3.2 mm) no tejadilho e corte cuidadosamente
a abertura.
b. Utilizando a abertura no tejadilho como guia, corte
o orifício correspondente no tecto.
c. A abertura criada deve ser armada para
proporcionar um suporte adequado e prevenir a
saída de ar pela cavidade do tejadilho. Deve ser
utilizado um madeiramento com uma espessura
de 25mm ou superior. Lembre-se de reservar um
orifício de entrada para a alimentação eléctrica na
frente da abertura. Ver FIG. 7.
É da responsabilidade do instalador deste ar
condicionado assegurar a integridade estrutural
do tejadilho da Caravana. Nunca crie um ponto
baixo no tejadilho onde a água possa ser recolhida.
A água presente em torno do ar condicionado
pode penetrar no interior, causando danos no
produto e na Caravana.
D. Requisitos de ligação
1. Linha de alimentação eléctrica de 220 - 240 VCA
Ligar uma linha de alimentação de cobre com 1 mm2,
terra, 220 - 240 VCA desde o fusível com retardo ou
caixa de disjuntores para a abertura do tejadilho.
a. Esta linha de alimentação deve estar localizada
na parte frontal da abertura de 362 mm x 362 mm
(± 3.2 mm).
b. A alimentação eléctrica DEVE estar situada num
fusível de 10 Amp com retardo ou um disjuntor AVAC.
c. Certifique-se de que o cabo de alimentação se
estende pelo menos 375 mm para o interior da
abertura do tejadilho. Este comprimento assegura
uma ligação fácil à caixa de uniões.
d. A ligação eléctrica deve estar em conformidade
com todos e quaisquer códigos e/ou
regulamentações locais e nacionais aplicáveis a
ligações eléctricas.
e. Utilizar uma manga de aço e uma anilha ou
métodos equivalentes para proteger o cabo no
local onde passa através da abertura.
E. Colocação do ar condicionado no tejadilho
Esta unidade pesa aproximadamente
45 quilogramas. Para prevenir lesões nas costas,
utilize um guindaste mecânico para colocar o ar
condicionado no tejadilho.
FIG. 8
Não faça deslizar a unidade. Isso poderá danificar
o suporte do tejadilho anexado ao fundo e pode
criar uma instalação com fugas.
FIG. 9 FRENTE
1. Retire o ar condicionado da embalagem e descarte a
embalagem. Ver FIG. 8.
2. Coloque o ar condicionado no tejadilho.
3. Levante e coloque a unidade sobre a abertura
preparada, utilizando o suporte na unidade como guia.
Ver FIG. 9.
CUIDADO
!
CUIDADO
!
CUIDADO
!

97
FIG. 11
Passo a
Retirar em
Perfuração Passo b
Retirar em
Perfuração
Passo c
Utilizar conforme
embalado
Conduta de ar de
descarga superior
Conduta de ar de
descarga inferior
Traseira do ar
condicionado
Conduta de ar de
descarga superior Extremidade
com flange para a
traseira da unidade
FIG. 10
Se os pernos forem deixados desapertados,
poderá não haver uma vedação adequada do
tejadilho ou, se forem demasiado apertados,
poderão ocorrer danos na base do ar condicionado
ou no modelo de tecto. Aperte de acordo com as
especificações apresentadas neste manual.
FIG. 12 Fazer deslizar a conduta
de ar de descarga inferior
sobre a conduta superior
Suporte do
tejadilho
Segurar o modelo de tecto com
uma mão e instalar os 3 pernos de
montagem apertados manualmente
Abertura de
retorno do ar do
ar condicionado
Desligar a alimentação de 220 - 240 V CA. O não
cumprimento destas instruções pode criar um
perigo de choque eléctrico que pode causar morte
ou grave acidente pessoal.
4. Coloque o kit da caixa de distribuição mecânica de ar
no interior da Caravana. Esta caixa contém o
equipamento de montagem para o ar condicionado e
será utilizado no interior da Caravana.
Isto conclui o trabalho no exterior. Podem ser efectuados
pequenos ajustes a partir do interior da Caravana, se necessário.
F. Instalar o Ar condicionado
1. Retire a caixa de ar e o equipamento de montagem da
embalagem. A conduta superior é enviada no interior
da conduta inferior, que faz parte do modelo de tecto.
2. Verifique o alinhamento correcto e ajuste a unidade, se
necessário (O suporte de tecto centra-se sobre a área
de 362 mm x 362 mm (± 3.2 mm).
3. Retire a conduta superior do modelo de tecto e coloque-
a sobre a descarga do ventilador. Ver FIG. 10.
Nota: A extremidade sem flange é instalada virada para a
TRASEIRA da abertura.
4. Utilize dois (2) parafusos de folha metálica de ponta
afiada N.º 10 para fixar a conduta ao colector de base.
São fornecidos orifícios para os parafusos no fundo do
colector de base.
5. Alcance a abertura do ar de retorno do ar condicionado
e puxe os cabos eléctricos da unidade para uma
ligação posterior.
6. Medição entre as espessuras do tecto e do tejadilho:
a. Se a distância é de 25 mm - 50 mm, remova os
separadores perfurados das condutas superior e
inferior. Ver FIG. 11.
b. Se a distância é de 50 mm - 75 mm, remova os
separadores perfurados apenas da conduta infe-
rior. Ver FIG. 11.
c. Se a distância é de 75 mm - 100 mm, instale as
condutas conforme foram recebidas. Ver FIG. 11.
7. Instale o modelo de tecto fazendo deslizar a conduta
inferior sobre a conduta superior. Ver FIG. 12.
8. Segure o modelo de tecto com uma mão e, com a outra,
instale os três pernos de montagem de 150 mm de
comprimento através do modelo, até ao interior do
colector de base.
a. Aperte os pernos com os dedos e verifique o
alinhamento. Deverá existir uma abertura igual de
ambos os lados e a flange traseira deve estar
apertada contra a abertura do tecto.
b. Apertar UNIFORMEMENTE os três pernos com
um binário de aperto de 4.5 a 5.5 NM (Newton
Metro). Esta operação irá comprimir o suporte
do tejadilho para aproximadamente 13 mm.
Os pernos são auto-bloqueantes pelo não é
necessário apertar demasiado.
G. Ligação da fonte de alimentação ao ar
condicionado
Importante: A instalação eléctrica deve ser executada
por um electricista autorizado. Nalgumas áreas deve ser
licenciado.
CUIDADO
!

98
1. Pode efectuar as ligações eléctricas directamente à
caixa de uniões para uma ligação permanente ou
instalar uma tomada moldada na caixa de uniões para
dispor duma ligação de tomada.
a. No caso duma ligação permanente: Encaminhe a
linha de alimentação eléctrica, previamente
instalada na abertura do tejadilho, para a caixa de
uniões no modelo de tecto. Efectue as ligações
conforme descrito no parágrafo 2.
b. No caso duma ligação de tomada: Utilize a
linha de alimentação eléctrica, descrita em
“D. Requisitos de ligação”, para a alimentação e
para a saída eléctrica instalada, de acordo com a
legislação aplicável, na extremidade da abertura
do tejadilho mais afastada da caixa de uniões.
Importante: não ligue o cabo moldado enquanto não tiver
instalado completamente o ar condicionado e estiver
preparado para uma verificação operacional. (Instruções de
Funcionamento)
•Encaminhar o conjunto da tomada moldada
da tomada eléctrica para a caixa de uniões,
assegurando que não resta cabo em excesso
que possa bloquear o fluxo de ar. Efectuar a
ligação do conjunto da tomada ao bloco de
terminais, conforme descrito no parágrafo 2.
2. Ligar a linha da fonte de alimentação ao ar
condicionado no bloco de terminais fornecido na caixa
de uniões. Ligar branco com branco, preto com preto e
verde com verde ou com fio de cobre (L. N. e
respectivamente).
3. Apertar o cabo na linha da fonte de alimentação para
fixá-lo firmemente no lugar. Tenha cuidado para não
pressionar e encurtar os cabos.
Nota: Se o aquecedor eléctrico fizer parte desta instalação,
deverá ser instalado nesta fase. As instruções de instalação
são fornecidas com o kit do aquecedor eléctrico.
4. Empurrar cuidadosamente o excesso de cabo para o
interior da caixa de uniões e instalar a tampa sobre a
caixa com os dois parafusos de gume cego fornecidos.
5. Ligar o condutor eléctrico da unidade superior ao
conector da caixa de interruptores correspondente. Ver
FIG. 13.
6. Enrolar os cabos em torno do(s) conector(es) para
prevenir a sua remoção durante a assistência.
FIG. 13
Encaminhe a
alimentação eléctrica
através do conector
Romex
Ligar o condutor na
caixa de interruptores
com atilho para
prevenir a remoção
Instalar
a tampa
H. Instalação da caixa de distribuição de ar
1. Retire as duas grelhas e os filtros do ar de retorno.
2. Faça deslizar a extremidade frontal da caixa de ar sobre
os cabos do termóstato e do selector. Ver FIG. 14.
FIG. 14
Faça deslizar a caixa de ar sobre os controlos
3. Instale quatro parafusos através das escoras na caixa
de ar, nos orifícios pré-perfurados no modelo de tecto.
4. Instale as grelhas e os filtros do ar de retorno,
empurrando-as simplesmente para a sua posição.
5. Instale os dois botões nas extremidades dos cabos do
termóstato e do selector.
6. A alimentação eléctrica para o ar condicionado pode
agora ser “LIGADA (ON)”.
7. O seu ar condicionado encontra-se agora instalado e
pronto a funcionar. Leia as instruções antes de tentar
ligar a unidade.
INSTRUÇÕES DE FUNCIONAMENTO
A. Controlos
1. O Selector possui oito posições, incluindo “OFF”. Este
controla a velocidade da ventoinha, o modo de
aquecimento e os modos de refrigeração. Ver FIG. 15.
FIG. 15
Selector
3
2
1
1
2
3
FIG. 16
2. O termóstato controla a colocação do compressor
ON/OFF no intervalo de temperatura de refrigeração de
18.5 °C a 32.5 °C. Ver FIG. 16.
Nota: O termóstato não controla o aquecedor eléctrico opcional
da unidade, se instalado.
Termóstato

99
B. Funcionamento em refrigeração
1. Ajuste o termóstato para o nível de temperatura desejado.
2. Seleccione a velocidade da ventoinha que melhor
satisfaça as suas necessidades:
a. REFRIGERAÇÃO ALTA: Seleccione quando
pretender a refrigeração e desumidificação
máximas. (3 )
b. REFRIGERAÇÃO MÉDIA: Seleccione quando
pretende refrigeração normal ou média. (2 )
c. REFRIGERAÇÃO BAIXA: Seleccione quando a
sala se encontra no nível de conforto pretendido e
precisa de ser mantido. Normalmente, esta
velocidade é utilizada para o funcionamento
durante a noite. (1 )
Importante: Quando o ar condicionado é ligado e o
termóstato solicita refrigeração, a ventoinha e o compressor
começam a funcionar ao mesmo tempo. Depois de desligar
manualmente o ar condicionado através do selector ou
do termóstato, aguarde sempre 2-3 minutos antes de ligar
novamente o ar condicionado. Isto permite que as pressões
do refrigerante no sistema de ar condicionado se equilibrem,
de modo a que o compressor possa começar a funcionar
de novo.
Nota: O ventilador funciona continuamente para fazer circular o
ar e manter uma temperatura uniforme. O compressor ligar-se-
á quando é necessária refrigeração para manter o nível de
temperatura pretendido.
C. Funcionamento da ventoinha
1. Esta fará circular o ar no interior da sua Caravana sem
refrigeração ou aquecimento. Existem três posições:
VENTOINHA FORTE (3 ), VENTOINHA MÉDIA (2 )
ou VENTOINHA FRACA (1 ) para seleccionar,
dependendo da escolha pessoal. Ver FIG.15.
D. Funcionamento em aquecimento (se equipado)
Nota: Este aquecedor eléctrico não substitui uma caldeira para
aquecimento da sua Caravana em tempo frio. A intenção é
remover o frio em dias ou manhãs frios.
1. Coloque o selector na posição “CALOR OPCIONAL”
(). Ver FIG. 15.
2. O Aquecedor liga-se e inicia o aquecimento.
3. Quando o nível de temperatura desejado é atingido no
interior da Caravana, mova o selector para a posição
“OFF” ou “VENTOINHA”.
Nota: O termóstato não controla o ciclo ON/OFF do aquecedor.
Se o aquecedor opcional não está instalado e é seleccionado,
a ventoinha funcionará no modo “VENTOINHA FRACA”.
E. Posição “OFF”
1. Serve para desligar a Unidade.
F. Manutenção pelo utilizador
1. Periodicamente, retire os filtros do ar de retorno
localizados sobre os painéis amovíveis na caixa de ar.
Lave os filtros com água morna e sabão, deixe-os secar
e instale-os novamente.
Nota: Nunca coloque o ar condicionado a funcionar sem o filtro
do ar de retorno no seu local. Isso poderá obstruir a bobina do
evaporador da unidade com sujidade e afectar substancialmente
o desempenho da unidade.
2. Limpe o compartimento da caixa de ar e o painel de
controlo com um pano macio humedecido com um
detergente suave. Nunca utiliza produtos de polimento
para mobílias ou pós abrasivos.
3. O motor do ventilador é lubrificado de fábrica e não
necessita de qualquer assistência em condições
normais de utilização.
4. Em determinadas condições, poderá ocorrer
congelação na bobina do evaporador. Se tal ocorrer,
inspeccione o filtro e limpe-o, se apresentar sujidade.
Certifique-se de que as persianas do ar não são
obstruídas. Os sistemas de ar condicionado possuem
uma maior tendência para congelar quando a
temperatura exterior é relativamente baixa. Isto poderá
ser prevenido ajustando o botão de controlo do
termóstato para um ajuste mais quente (no sentido
contrário ao dos ponteiros do relógio). No caso de o
congelamento persistir, utilize apenas o ajuste de
VENTOINHA FRACA, MÉDIA ou FORTE até a bobina
de refrigeração descongelar.
5. Se a unidade deixar de funcionar ou funcionar
incorrectamente, verifique os seguintes itens antes de
contactar o seu centro de assistência.
a. Se a Caravana estiver ligada ao gerador do motor,
verifique se o gerador do motor se encontra a
funcionar e a produzir corrente.
b. Se a Caravana estiver ligada à alimentação eléctrica
por uma linha terrestre, certifique-se de que a linha
possui um calibre apropriado para suportar a carga
do ar condicionado e que se encontra ligada à
alimentação eléctrica.
c. Verifique o fusível ou disjuntor para confirmar se
não foi disparado.
d. Após as verificações anteriores, contacte o seu
centro de assistência para obter ajuda adicional. A
assistência prestada a este aparelho deve ser
executada apenas por pessoal qualificado.
6. Se qualquer fio ou cabo de alimentação está danificado
e precisa de ser substituído, deve ser substituído pelo
fabricante ou por um agente de assistência ou uma
pessoa com qualificação.
7. Quando contactar dos seguintes:
a. Modelo e número de série do ar condicionado, que
poderá encontrar na placa de identificação
localizada no colector de base, no fundo do ar
condicionado.
b. Número de peça e de série do kit da caixa de
distribuição de ar, encontrado na placa de
identificação localizada no modelo de tecto. Pode
observar esta placa de identificação através da
abertura da grelha do filtro da caixa de ar.

100
Conjunto de montagem no tejadilho
Traseira
Sistema de ar
condicionado
Conduta de
descarga superior
Modelo de tecto
Pernos de montagem
Caixa de ar
Abertura do
tejadilho
FIG. 17

101
DIAGRAMA DE LIGAÇÕES DO AR CONDICIONADO
DIAGRAMA DE LIGAÇÕES DA CAIXA DE AR
DIELÉCTRICO
ULTRAPASSADO
CAST
CONDENSADOR DA
VENTOÍNHA
PTCR
VERM
(OPC)
AR-
RANCA-
DOR
COMP
AZUL
VERM
AMAR
PRE
MOTOR
COND
ARR
BRA
COMPRESSOR
ID
CINZ/AMAR
CAST
BRA
VERM
VERM
BRA
BRA
ID
C
S
R
3105595.023
O.L.
CINZ/AMAR
COMPRESSOR
COMPRESSOR
O.L.
RS
C
RUN CAP
RUN CAP
7
6
5
4
3
2
1
SWITCH
ROTARY
H
C
L1
4
2
1
MOTOR
2
HEAT ACCESSORY
HEAT ACCESSORY
BLK
BLK
BLK
ELEMENT
ELEMENT
LIMIT SWITCH
3
1
WHT
LIMIT SWITCH
BOX
JUNCTION
JUNCTION
LINE SPLICE
LINE SPLICE
FIELD WIRING
FIELD WIRING
FACTORY WIRING
TSTAT
USE COPPER CONDUCTORS ONLY
USE COPPER CONDUCTORS ONLY
220/240 VAC 50 HZ, 10
220/240 VAC 50 HZ, 10
3105580.025
FAN CAP
FAN CAP
ID
ID
BLK
YEL
RED
BLU
WHT
WHT
GR/YL
BLK
YEL
RED
BLU
WHT
WHT
GR/YL
BRN
BRN
WHT
RED
RED
WHT
GRY
WHT
WHT
BLK
GR/YL
GR/YL
GR/YL
BLU
43
ACTIVE (L)
ACTIVE (L)
NEUTRAL (N)
NEUTRAL (N)
EARTH ( )
EARTH ()
GR/YL
PTCR
COMP STARTER
START
*
CAP
CONDENSATOR
DA VENTOINHA
CAP ARR
COMPRESSOR
L1 CAQU
INTERRUPTOR
ROTATIVO
AZU AZU AZU
PRE
PRE PRE
PRE PRE
PRE
BRA BRA
BRA
BRA
BRA
BRA
BRA
BRA
BRA
CIN
TSTAT
VE/AM VE/AM
VE/AM VE/AM
VE/AM
AI
C
CAS
CAS
AMA AMA
VRMVRM VRM
VRM
ARRANCADOR COMP
INICIAR
CAP
*
PTCR
ACESSÓRIO DE
AQUECIMENTO
INTERRUPTOR
DE LIMITAÇÃO
ELEMENTO
INTERRUPTOR
DE LIMITAÇÃO
LIGAÇÕES DE FÁBRICA
LIGAÇÕES DE APLICAÇÃO
UNIÃO DA LINHA
CAIXA DE
UNIÕES
FASE (L)
NEUTRO (N)
TERRA ( )
220/240 VCA 50 HZ, 1Ø
UTILIZAR APENAS CONDUTORES
DE COBRE
MOTOR
SC

102
REGISTRE LA SIGUIENTE
INFORMACIÓN DE ESTA UNIDAD
PARA REFERENCIA FUTURA:
Número de modelo
Número de serie
Fecha de compra
INSTRUCCIONES DE INSTALACIÓN
Y FUNCIONAMIENTO
Importante: Estas instrucciones
deben permanecer con la unidad.
Propietario: lea atentamente.
ADVERTENCIA
Este manual debe ser leído y comprendido antes de la instalación, ajuste, servicio o
mantenimiento de esta unidad. Esta unidad debe ser instalada por un técnico de
servicio calificado. La modificación de este producto puede ser extremadamente
peligrosa y puede resultar en lesiones personales o daños a la propiedad.
Acondicionador de aire de techo
MODELO PARA REMOLQUES B3200
TIPO 3253.331
Modelo
B3200
OFICINA DE SERVICIO
Dometic Corporation
Para obtener información
Póngase en contacto con:
www.dometic.com
REVISIÓN
Planilla No. 3310147.032
(Reemplaza la versión No. 3310147.024)
Alemán, danés, español, finlandés, francés,
griego, holandés, inglés, italiano,
noruego, portugués y sueco
©2007 9/07 Dometic GmbH
D-57074 Siegen

103
INSTRUCCIONES DE SEGURIDAD
Este manual contiene información e instrucciones de
seguridad que ayudarán al usuario a eliminar o reducir
el riesgo de sufrir accidentes y lesiones.
RECONOZCA LA INFORMACIÓN
DE SEGURIDAD
Este es el símbolo de alerta de seguridad. Cuando
vea este símbolo en el manual, manténgase alerta
ya que existe la posibilidad de sufrir lesiones
personales.
Siga las precauciones y las instrucciones de
funcionamiento seguro recomendadas.
COMPRENDA LAS PALABRAS DE ALERTA
Junto con el símbolo de alerta de seguridad se utiliza
una palabra de alerta tal como ADVERTENCIA O
PRECAUCIÓN. Estas palabras de alerta ofrecen
información sobre el nivel de riesgo de sufrir lesiones.
ADVERTENCIA
indica una situación de
posible riesgo que, si no se evita, podría resultar en
lesiones graves o la muerte.
PRECAUCIÓN indica una situación de posible
riesgo que, si no se evita, podría resultar en lesiones
leves o moderadas.
PRECAUCIÓN sin el símbolo de alerta de
seguridad indica una situación de posible riesgo que,
si no se evita, podría resultar en daños a la propiedad.
Lea y siga toda la información y las recomendaciones
de seguridad.
!
INFORMACIÓN GENERAL
A. Las características o especificaciones del producto como se
describen o ilustran están sujetas a cambio sin previo aviso.
B. Este acondicionador de aire está diseñado
para:
1. Instalación en un remolque durante su fabricación.
2. Instalación en el techo de un remolque.
3. Construcción de techos con los centros de las vigas a
un mínimo de 406 mm.
4. Una distancia entre 25 mm y 100 mm entre el techo
interior y exterior del remolque. Métodos alternativos de
instalación pueden ser usados en techos de más de
100 mm de grosor.
C. La capacidad del acondicionador de aire de mantener la
temperatura interior deseada depende de la ganancia de
calor del remolque.
Los ocupantes del remolque pueden tomar medidas
preventivas para reducir la ganancia de calor y mejorar el
rendimiento del acondicionador de aire. Cuando la
temperatura exterior sea extremadamente alta, se puede
reducir la ganancia de calor del remolque:
1. Estacionando el remolque a la sombra
2. Cubriendo las ventanas (persianas y/o cortinas)
3. Manteniendo las ventanas y puertas cerradas o
minimizando su uso
4. Evitando el uso de electrodomésticos que generen
calor
El funcionamiento en el ajuste alto de enfriamiento/
ventilación ofrece una eficiencia máxima en ambientes de
alta humedad o alta temperatura exterior.
Si enciende el acondicionador de aire en la mañana y le
da la oportunidad de “adelantarse” a las condiciones
ambientales exteriores, mejorará la capacidad
del acondicionador de mantener estable la temperatura
interior.
Para una solución más permanente a la ganancia alta de
calor, puede obtener accesorios como un toldo para patio
y ventana, el cual reduce la ganancia de calor al remover la
incidencia directa de los rayos del sol. Estos toldos también
añaden un área agradable para disfrutar de compañía en el
fresco de la tarde.
D. Condensación
Nota: El fabricante de este acondicionador de aire no se hace
responsable por daños causados por la humedad condensada
en el techo u otras superficies. El aire contiene humedad y esta
humedad tiende a condensarse en superficies frías. Cuando el
aire entra en el remolque, la humedad condensada puede
aparecer en el techo, en las ventanas, en las piezas metálicas,
etc. El acondicionador de aire elimina esta humedad del aire
durante su funcionamiento normal. Si mantiene las puertas y
ventanas cerradas cuando el acondicionador de aire esté en
funcionamiento, se reducirá la humedad condensada en las
superficies frías.

104
**El fabricante ofrece pautas GENERALES para los
requerimientos del generador. Estas pautas provienen de la
experiencia de las personas en aplicaciones reales.
Cuando mida el generador, debe considerar el consumo eléctrico
total del remolque. Tenga en mente que los generadores pierden
potencia en altitudes grandes y por falta de mantenimiento.
Especificaciones
1. Lea las Instrucciones de instalación y funcionamiento
cuidadosamente antes de comenzar la instalación de
su acondicionador de aire.
2. El fabricante no será responsable por ningún daño o
lesión causados por el incumplimiento de estas
instrucciones.
3. El equipo debe ser instalado de acuerdo con las
normas nacionales de cableado IEC 335-2-40, CI,
7.12.1. La instalación debe cumplir con todos los códigos
y/o leyes que se apliquen.
4. NO añada ningún dispositivo o accesorio a este
acondicionador de aire excepto aquellos autorizados
específicamente por el fabricante.
5. Este equipo debe ser reparado por personal calificado.
Algunos códigos y leyes locales requieren que este
personal tenga licencia.
INSTRUCCIONES DE INSTALACIÓN
A. Precauciones
B. Elija la ubicación adecuada para el
acondicionador de aire
Este acondicionador de aire está diseñado específicamente
para ser instalado en el techo de un remolque. Cuando determine
sus requerimientos de enfriado, considere lo siguiente:
•Tamaño del remolque;
•Área de las ventanas (aumenta la ganancia de calor);
•Cantidad de aislamiento en las paredes y techo;
•Ubicación geográfica donde se usará el remolque;
•Nivel de comodidad personal requerido.
1. Ubicación normal-El acondicionador de aire está
diseñado para caber sobre una abertura de ventilación
en el techo existente.
FIG. 1
1/2 L LL
1/3 L
2/3 L
FIG. 2
Es preferible instalar el acondicionador de aire en una sección
del techo relativamente plana y nivelada medida cuando el
remolque está estacionado en una superficie nivelada.
Nota: Una inclinación de 8° hacia cualquier lado es aceptable,
pero una inclinación de adelante hacia atrás no es aceptable.
FIG. 3
Una inclinación de adelante hacia atrás
NO ES ACEPTABLE
Modelo No. B3200 Calefactor
eléctrico
Tipo 3253.331
Capacidad nominal
del compresor (KW) 3,2 1,6
Características eléctricas 220 a 240 V CA,
50 Hz., 1 fase
Amperaje de carga completa
(compresor / motor) 5,2 / 1,1 --- / 1,1
Amperaje con rotor bloqueado
(compresor / motor) 26 / 3,8 --- / 3,8
Refrigerante R407C
gramos/oz 496/15.5 ---
Fusible de acción
Protección de circuito retardada de 10 A
o disyuntor
Potencia de entrada (KW) 1,35 1,5
Calibre mínimo del cable Hasta 8 metros, use un
cable de cobre de 1 mm2
**Capacidad del generador 1 unidad - 3,5 KW
2 unidades - 5,0 KW
La instalación inadecuada puede dañar el
electrodoméstico, poner en riesgo la vida y causar
lesiones personales y/o daños graves a la
propiedad.
ADVERTENCIA
2. Otras ubicaciones-Cuando no haya una abertura de
ventilación disponible en el techo o se desea instalar
en otra ubicación, se recomienda lo siguiente:
a. Instalación de una unidad: El acondicionador de
aire debe ser instalado levemente hacia adelante
desde el centro (de adelante hacia atrás) y
centrado de lado a lado.
b. Instalación de dos unidades: Instale un
acondicionador de aire a 1/3 de distancia desde
el frente del remolque y el otro a 2/3 de distancia
centrado de lado a lado.

105
C. Preparación del techo
1. Requerimientos de la abertura - Antes de preparar la
abertura del techo, lea las siguientes instrucciones en
su totalidad antes de comenzar la instalación.
Si no se va a utilizar una abertura de ventilación de
techo existente, se debe abrir un agujero de 362 mm x
362 mm (±3,2 mm) a través del techo del remolque. Esta
abertura debe ser ubicada entre los elementos de
refuerzo del techo.
FIG. 5
La abertura de 362 mm x 362 mm (±3,2 mm) es parte
del sistema de retorno de aire del acondicionador de
aire y debe ser acabado de acuerdo con todos los
códigos y/o leyes nacionales y locales.
2. Desinstalación de la ventilación del techo
a. Desatornille y retire la ventilación del techo.
b. Remueva toda la masilla sellante alrededor de la
abertura.
c. Selle todos los agujeros de los tornillos y las
ranuras donde se encuentra la junta del techo. Use
un sellante para todo tipo de clima de buena
calidad. Vea la FIG. 6.
9-1/2"
39"
28-3/4"
20"
2-1/2"
22"
FIG. 4
24 cm
102 cm
74 cm
51 cm
6,4 cm
56 cm
510 mm
283
mm
105
mm 105
mm
283
mm
75 mm
75 mm
Línea central
de la abertura
Perímetro de
la caja de aire
Mantenga esta
área libre de
obstrucciones
105 mm
181 mm
181 mm
Abertura de
362 mm x
362 mm
(±3,2 mm)
543 mm
Línea central
de la unidad
305 mm
102 mm
Parte
trasera de
la unidad
Abertura de
362 mm x
362 mm
(±3,2 mm)
3. Después de haber seleccionado una ubicación:
a. Verifique que no haya obstrucciones en el área
donde se va a instalar el acondicionador de aire.
Vea la FIG. 4.
b. El techo debe haber sido diseñado para soportar
65 Kg. de peso cuando el remolque esté en
movimiento. En términos generales, un diseño de
100 Kg. de carga estática cumple con este requisito.
PRECAUCIÓN
Es responsabilidad del instalador de este sistema
de acondicionador de aire asegurar la integridad
estructural del techo del remolque. Nunca
cree un punto bajo en el techo donde se acumule
el agua. El agua que quede alrededor del
acondicionador de aire podría filtrarse al
interior y causar daños al producto y al remolque.
c. Verifique el interior del remolque en búsqueda de
obstrucciones del kit de retorno de aire (por ejemplo,
aberturas de puertas, divisiones de habitaciones,
cortinas, lámparas, etc.). Vea las FIGS. 4 y 5.
ADVERTENCIA
Puede haber cableado eléctrico en el interior
del techo. Desenchufe el cordón eléctrico de
220 - 240 V CA y el terminal positivo (+) de 12 V CC
de la batería. El incumplimiento de estas
instrucciones puede crear un peligro de choque
eléctrico que puede causar la muerte o lesiones
personales graves.
102 mm

106
FIG. 6
FIG. 7
No corte la
estructura del
techo o las vigas
Correcto-Vigas
apoyadas en
las barras
transversales
Buena ubicación-
Entre las vigas
del techo
Abertura del marco
para que no colapse
cuando se fije la unidad
Deje espacio de
acceso para cableado
de suministro eléctrico
375 mm mín. en
la parte delantera
de la abertura
25 mm mín.
d. Si la abertura excede los 362 mm x 362 mm
(±3,2 mm), será necesario ajustar la hasta dichas
proporciones.
e. Si la abertura es menor de 362 mm x 362 mm
(±3,2 mm), la misma debe ser ensanchada.
3. Abertura nueva- (instalación en una ubicación que no
sea la abertura de ventilación)
a. Marque un cuadrado de 362 mm x 362 mm
(±3,2 mm) en el lado exterior del techo y corte
cuidadosamente la abertura.
b. Usando la abertura del techo como guía, corte el
agujero concordante en el lado interior del techo.
c. La abertura creada debe ser enmarcada para
proporcionar soporte adecuado y evitar que el aire
escape a través de la cavidad del techo. Para esto se
debe usar madera de 25 mm o más de grosor.
Recuerde proporcionar un agujero de acceso para
el suministro eléctrico en la parte delantera de la
abertura. Vea la FIG. 7.
Es responsabilidad del instalador de este sistema
de acondicionador de aire asegurar la integridad
estructural del techo del remolque. Nunca cree
un punto bajo en el techo donde se acumule
el agua. El agua que quede alrededor del
acondicionador de aire podría filtrarse al
interior y causar daños al producto y al remolque.
D. Requerimientos de cableado
1. Suministro eléctrico de 220 - 240 V CA
Instale un cable de cobre puesto a tierra de 1 mm2 y
suministro de 220 - 240 V CA desde el fusible de acción
retardada o caja del disyuntor hasta la abertura del techo.
a. Este cable de suministro eléctrico debe estar
ubicado en la porción delantera de la abertura de
362 mm x 362 mm (±3,2 mm).
b. EL suministro eléctrico DEBE estar conectado por
separado a un fusible de acción retardada de 10 A
o a un disyuntor HACR (especial para calefacción
y aire acondicionado).
c. Asegúrese de que un mínimo de 375 mm de cable
de suministro se extienda a la abertura del techo.
Esto asegura una conexión fácil en la caja del
disyuntor.
d. El cableado debe cumplir con todos los códigos y/
o leyes locales de cableado.
e. Use un manguito de acero y un ojete o algún
método equivalente para proteger el cable en el
punto donde atraviesa la abertura.
Esta unidad pesa aproximadamente
45 kilogramos. Para evitar lesiones de la espalda,
use un montacargas mecánico para subir el
acondicionador de aire al techo.
FIG. 8
No deslice la unidad. Esto podría dañar la junta del
techo fijada en la parte inferior de la unidad y así
producir una instalación con escapes.
FIG. 9 PARTE
DELANTERA
1. Retire el acondicionador de aire de la caja y deseche
la caja. Vea la FIG. 8.
2. Coloque el acondicionador de aire en el techo.
3. Levante la unidad y colóquela sobre la abertura
preparada usando la junta de la unidad como guía. Vea
la FIG. 9.
PRECAUCIÓN
PRECAUCIÓN
PRECAUCIÓN
E. Instalación del acondicionador de aire en
el techo

107
FIG. 11
Paso a
Retire en la
perforación
Paso b
Retire en la
perforación
Paso c
Use como están
Conducto de descarga
de aire superior
Conducto de
descarga de
aire inferior
Parte trasera del
acondicionador
de aire
Conducto de
descarga de
aire superior Borde sin solapa
hacia la parte
trasera de la unidad
FIG. 10
Si los pernos quedan flojos, es posible que no se
cree un sello adecuado en el techo. Si se aprietan
demasiado, se puede dañar la base del
acondicionador de aire o la plantilla del techo.
Apriete usando las especificaciones de torque
indicadas en este manual.
FIG. 12 Deslice el conducto
de descarga de aire
inferior sobre el
conducto superior
Junta
del techo
Sostenga la plantilla del techo
con una mano e instale 3 pernos de
instalación y apriételos con la mano
Abertura de aire de retorno
del acondicionador de aire
Desconecte el suministro de 220 - 240 V CA. El
incumplimiento de estas instrucciones puede
crear un peligro de choque eléctrico que puede
causar la muerte o lesiones personales graves.
4. Coloque el kit de la caja de distribución mecánica de aire
dentro del remolque. Esta caja contiene accesorios de
instalación para el acondicionador de aire, los cuales serán
utilizados dentro del remolque.
Esto culmina el trabajo de instalación en el exterior. De ser
necesario, se pueden realizar ajustes pequeños desde el
interior del remolque.
F. Instalación del acondicionador de aire
1. Retire la caja de aire y los accesorios de instalación de
la caja. El conducto superior está empacado en el
interior del conducto inferior, el cual es parte del molde
para el techo.
2. Verifique la alineación correcta de la unidad y ajústela
de ser necesario (la junta del techo se centra sobre los
362 mm x 362 mm / ±3,2 mm).
3. Retire el conducto superior de la plantilla del techo y
ubíquela sobre la descarga del ventilador. Vea la
FIG 10.
Nota: El borde sin solapa se instala hacia la parte TRASERA de
la abertura.
4. Use dos (2) tornillos #10 para láminas de metal con
punta afilada para fijar el conducto a la bandeja base.
La parte inferior de la bandeja base cuenta con agujeros
para estos tornillos.
5. Introduzca su mano en la abertura del retorno de aire
del acondicionador y tire del cordón eléctrico hacia
abajo para conectarlo más adelante.
6. Mida el espesor del techo (desde el lado interior hasta
el lado exterior):
a. Si la distancia está entre los 25 y los 50 mm,
retire las lengüetas perforadas de los conductos
superior e inferior. Vea la FIG. 11.
b. Si la distancia está entre los 50 y los 75 mm, retire
las lengüetas perforadas del conducto inferior
solamente. Vea la FIG. 11.
c. Si la distancia está entre los 75 y los 100 mm, instale
los conductos como están. Vea la FIG. 11.
7. Instale la plantilla del techo deslizando el conducto inferior
sobre el conducto superior. Vea la FIG. 12.
8. Sostenga la plantilla del techo con una mano mientras instala
con la otra los tres pernos de 150 mm de largo a través de
la plantilla y dentro de la bandeja base.
a. Apriete los pernos a mano y verifique la alineación.
Debe haber una abertura de igual tamaño a cada
lado y la solapa trasera debe estar firme contra la
abertura del techo.
b. Apriete de manera UNIFORME los tres pernos
usando un torque de 4,5 a 5,5 NM (newton
metros). Esto comprimirá la junta del techo
aproximadamente 13 mm. Los pernos son
autobloqueantes, por lo que no es necesario
apretar demasiado.
G. Conexión del suministro eléctrico al
acondicionador de aire
Importante: La conexión eléctrica debe ser realizada por
un electricista autorizado. En algunas áreas el electricista
debe tener licencia.
PRECAUCIÓN
ADVERTENCIA

108
1. El cable puede ser conectado directamente en el disyuntor
para una conexión permanente o puede instalar un enchufe
preformado al disyuntor para una conexión por enchufe.
a. Si va a utilizar una conexión permanente: Instale el
cable de suministro eléctrico instalado previamente
en la abertura del techo hacia la caja del disyuntor
en la plantilla del techo. Realice la conexión como
se describe en el párrafo 2.
b. Si va a utilizar una conexión por enchufe: Use el
cable de suministro eléctrico especificado en la
sección D (requerimientos eléctricos) para
conectar el tomacorriente instalado de acuerdo
con las leyes que apliquen en el extremo de la
abertura del techo más lejana a la caja del
disyuntor.
Importante: No enchufe el cable preformado hasta haber
instalado completamente el acondicionador de aire y esté
listo para una prueba de funcionamiento. (Instrucciones de
funcionamiento)
•Instale el juego de enchufe preformado del
tomacorriente hacia la caja del disyuntor
asegurándose de que el exceso de cable no
obstruya el flujo de aire. Conecte el juego de
enchufe en el tablero de terminales como se
describe en el párrafo 2.
2. Conecte el cable de suministro eléctrico en el
acondicionador de aire en el tablero de terminales de
la caja del disyuntor. Conecte los cables de la siguiente
manera: blanco con blanco, negro con negro y verde
con verde o sin forro (L. N. y respectivamente).
3. Apriete el dispositivo de liberación de tensión del cable
de suministro eléctrico para fijarlo en su lugar. Tenga
cuidado de no presionar los cables ni hacer un corto
circuito.
Nota: Si el calefactor eléctrico es parte de esta instalación, debe
instalarlo ahora. Las instrucciones de instalación vienen con el
kit de calefactor eléctrico.
4. Empuje cuidadosamente el exceso de cable en la caja
del disyuntor e instale la cubierta usando dos tornillos
sin punta provistos.
5. Enchufe el conducto eléctrico de la unidad superior en
el conector correspondiente de la caja del interruptor.
Vea la FIG. 13.
6. Utilice un amarre para cables alrededor del(los)
conector(es) para evitar que sea(n) removido(s) durante
el servicio.
FIG. 13
Instale el cable de
suministro eléctrico
a través del conector
Romex
Enchufe el conducto en la
caja del interruptor y fíjelo
con amarres para cables
para evitar que sea
removido
Instalación
de la
cubierta
H. Instalación de la caja de distribución de aire
1. Retire las dos rejillas y los filtros de retorno.
2. Deslice el extremo delantero de la caja de aire sobre
los ejes del termostato y del interruptor de selección.
Vea la FIG. 14.
FIG. 14
Deslice la caja de aire sobre los controles
3. Instale cuatro tornillos a través de las patas de la caja de
aire y dentro de los agujeros de la plantilla del techo.
4. Instale las rejillas y filtros de retorno oprimiéndolos en su
lugar hasta que encajen.
5. Instale las dos perillas proporcionadas en los extremos
de los ejes del termostato y del interruptor de selección.
6. Ahora puede encender el suministro eléctrico al
acondicionador de aire en la posición “ENCENDIDO”.
7. Su acondicionador de aire ahora está instalado y listo
para ser utilizado. Por favor lea las siguientes
instrucciones antes de intentar utilizar la unidad.
INSTRUCCIONES DE FUNCIONAMIENTO
A. Controles
1. El interruptor de selección tiene ocho posiciones,
incluyendo “APAGADO”. Este interruptor controla la
velocidad del ventilador, la función de calefacción y las
funciones de enfriamiento. Vea la FIG. 15.
2. El termostato controla el encendido y apagado del
FIG. 15
Interruptor de selección
3
2
1
1
2
3
FIG. 16
compresor para temperaturas de enfriamiento entre los
18,5°C y los 32,5°C. Vea la FIG. 16.
Nota: El termostato no controla el calefactor eléctrico opcional si está
instalado.
B. Enfriamiento
Termostato

109
1. Ajuste el termostato al nivel de temperatura deseado.
2. Seleccione la velocidad de ventilador que mejor
satisfaga sus necesidades:
a. “ENFRIAMIENTO ALTO”: Elija esta opción cuando
requiera un enfriamiento y deshumidificación
máximos. (3 )
b. “ENFRIAMIENTO MEDIO”: Elija esta opción
Cuando requiera enfriamiento normal o promedio.
(2 )
c. “ENFRIAMIENTO BAJO”: Elija esta opción para
mantener el ajuste cuando la habitación esté en el
nivel de comodidad deseado. Esta velocidad
normalmente se usa durante la noche. (1 )
Importante: Cuando el acondicionador de aire está
encendido y el termostato requiere enfriamiento, el ventilador
y el compresor se encenderán a la vez. Después de apagar
manualmente el acondicionador de aire usando el interruptor
o el termostato, siempre espere 2 a 3 minutos antes de
encender el acondicionador de aire de nuevo. Esto permite
que las presiones del refrigerante del sistema del
acondicionador de aire se nivelen para que el compresor
pueda encenderse de nuevo.
Nota: El ventilador funciona de manera continua para hacer
circular el aire y mantener la temperatura uniforme. El compresor
se encenderá cuando se requiera enfriamiento para mantener
el nivel de temperatura seleccionado.
C. Ventilador
1. Esta función hace circular el aire en el remolque sin
calentar o enfriar. Cuenta con tres posiciones:
“VENTILADOR ALTO” (3 ), “VENTILADOR MEDIO”
(2 ) o “VENTILADOR BAJO” (1 ), dependiendo de
su preferencia personal. Vea la FIG. 15.
D. Calefactor (si viene equipado)
Nota: Este calefactor eléctrico no reemplaza la caldera de la
calefacción de su remolque en climas fríos. El propósito de este
calefactor es remover el aire frío de los días templados o de las
mañanas.
1. Gire el interruptor de selección a la posición
“CALEFACCIÓN OPCIONAL” ( ). Vea la
FIG. 15.
2. El calefactor se encenderá y comenzará a calentar.
3. Cuando la temperatura del remolque llegue al nivel
deseado, mueva el interruptor de selección a la posición
“APAGADO” o “VENTILADOR”.
Nota: El termostato no controla el ciclo de encendido y apagado
del calefactor. Si el calefactor opcional no es instalado
y seleccionado, el ventilador funcionará en el modo
“VENTILADOR BAJO”.
E. Posición “APAGADO”
1. Esto apagará la unidad.
F. Mantenimiento del cliente
1. Retire con frecuencia los filtros de retorno de aire
ubicados sobre los paneles removibles de la caja de
aire. Lave los filtros con agua tibia y jabón, déjelos secar
y luego vuelva a instalarlos.
Nota: Nunca haga funciona el acondicionador de aire sin el filtro
de aire en su lugar. Esto podría llenar de sucio el serpentín del
evaporador de la unidad y podría afectar seriamente el
rendimiento de la unidad.
2. Limpie el alojamiento de la caja de aire y el panel de
control con un paño suave humedecido con detergente
suave. Nunca use pulitura para muebles o polvos
abrasivos.
3. El motor del ventilador es lubricado en la fábrica y no
necesita mantenimiento bajo condiciones de uso
normales.
4. Bajo ciertas condiciones se puede formar escarcha en
el serpentín del evaporador. Si esto sucede, inspeccione
el filtro y límpielo de ser necesario. Asegúrese de que
las persianas de ventilación no estén obstruidas. Los
acondicionadores de aire tienen una mayor tendencia
a acumular escarcha si la temperatura exterior es
relativamente baja. Esto puede ser evitado ajustando
la perilla de control del termostato a un ajuste más
caliente (a la izquierda). Si continúa la formación
de escarcha, haga funcionar la unidad en los ajustes
“BAJO”, “MEDIO” o “VENTILADOR ALTO” hasta que
el serpentín de enfriamiento esté libre de escarcha.
5. Si la unidad no funciona o funciona mal, verifique lo
siguiente antes de llamar al centro de servicio.
a. Si el remolque está conectado a un generador de
motor, asegúrese de que el generador esté
funcionando y generando energía.
b. Si el remolque está conectado a un suministro
eléctrico fijo por tierra, verifique que el cable sea
del calibre adecuado para la carga de un
acondicionador de aire. Verifique también que el
mismo esté conectado al suministro eléctrico.
c. Verifique el fusible o disyuntor para ver si está
abierto.
d. Después de realizar todas las verificaciones
anteriores, llame a su centro de servicio local para
obtener más asistencia. Esta unidad debe ser
revisada únicamente por personal de servicio
calificado.
6. Si cualquier cable o cordón eléctrico se daña y debe ser
reemplazado, debe ser reemplazado por el fabricante
o su agente de servicio o por un técnico con calificaciones
similares.
7. Cuando solicite servicio, siempre proporcione la
siguiente información:
a. Números de modelo y de serie del acondicionador
de aire. Estos números se encuentran en la placa
de información ubicada en la bandeja base de la
parte inferior del acondicionador de aire.
b. Números de pieza y de serie del kit de caja de
distribución de aire. Estos números se encuentran
en la placa de información ubicada en la plantilla
del techo. Puede observar la placa de información
a través de la abertura de la rejilla del filtro de la caja
de aire.

110
Conjunto de instalación en el techo
Parte trasera
Acondicionador de aire
Conducto de
descarga superior
Plantilla del techo
Pernos de
instalación
Caja de aire
Abertura del techo
FIG. 17

111
DIAGRAMA DE CABLEADO DEL ACONDICIONADOR DE AIRE
DIAGRAMA DE CABLEADO DE LA CAJA DE AIRE
INSPECCIÓN
DIELÉCTRICA
APROBADA
MAR
CON VENT
RCTP
ROJO
(OPT)
COND
ENCEN-
DIDO
AZUL
ROJO
AMA
NEG
MOTOR
COND
MARCHA
BLN
COMPRESSOR
ID
VER/AMA
MAR
BLN
ROJO
ROJO
BLN
BLN
ID
COMÚN
ENC
MARCHA
3105595.023
VER/AMA
S.C.
COMPRESSOR
O.L.
RS
C
RUN CAP
RUN CAP
7
6
5
4
3
2
1
SWITCH
ROTARY
H
C
L1
4
2
1
MOTOR
2
HEAT ACCESSORY
BLK
BLK
BLK
ELEMENT
LIMIT SWITCH
3
1
WHT
LIMIT SWITCH
BOX
JUNCTION
LINE SPLICE
LINE SPLICE
FIELD WIRING
FIELD WIRING
FACTORY WIRING
TSTAT
USE COPPER CONDUCTORS ONLY
USE COPPER CONDUCTORS ONLY
220/240 VAC 50 HZ, 10
220/240 VAC 50 HZ, 10
3105580.025
FAN CAP
FAN CAP
ID
ID
BLK
YEL
RED
BLU
WHT
WHT
GR/YL
BLK
YEL
RED
BLU
WHT
WHT
GR/YL
BRN
BRN
WHT
RED
RED
WHT
GRY
WHT
WHT
BLK
GR/YL GR/YL
BLU
43
ACTIVE (L)
ACTIVE (L)
NEUTRAL (N)
NEUTRAL (N)
EARTH ( )
EARTH ()
GR/YL
PTCR
COMP STARTER
START
*
CAP
MOTOR
COND
VENT
COND
MARCHA
COMPRESOR
TI
TI
L1 COMP CALEF
INTERRUPTOR
GIRATORIO
AZU AZU AZU
NEG
NEG NEG
NEG NEG
NEG
BLN BLN
BLN
BLN
BLN
BLN
BLN
BLN
BLN
GRI
TSTATO
GRI/AMA GRI/AMA
GRI/AMA GRI/AMA
GRI/AMA
MARCHA ENC
COMÚN
MAR
MAR
AMA AMA
ROJOROJO ROJO
ROJO
ENCENDEDOR COMP
COND
ENCENDIDO
*
RCTP
ACCESORIO DE CALEFACCIÓN
INTERRUPTOR
LIMITADOR
ELEMENTO
INTERRUPTOR
LIMITADOR
CABLEADO DE FÁBRICA
CABLEADO EN SITIO
EMPALME DE LA LÍNEA
CAJA DE
DISYUNTOR
ACTIVO (L)
NEUTRO (N)
TIERRA ( )
220/240 V CA, 50 HZ,
1Ø
SÓLO USE CONDUCTORES
DE COBRE
S.C.

112
SPARA DENNA ENHETSINFORMATION
FÖR FRAMTIDA BEHOV:
Modellnummer
Serienummer
Inköpsdatum
INSTALLATIONS- OCH DRIFTS-
INSTRUKTIONER
Viktigt: Förvara handboken
med enheten.
Ägaren bör läsa den noggrant.
Det är viktigt att läsa och förstå bruksanvisningen innan installation, justering,
service och underhåll utförs. Enheten måste installeras av kvalificerad
servicetekniker. Ombyggnad eller ändring av produkten kan vara extremt
farlig och kan medföra allvarlig person- eller egendomsskada.
Takluftskonditionering
HUSVAGNSMODELL B3200
TYP 3253.331
Modell
B3200
SERVICEKONTOR
Dometic Corporation
För information
Kontakt:
www.dometic.com
Revidering
Formulärnr. 3310147.032
(Ersätter nr. 3310147.024)
Danska, Engelska, Finska,
Franska, Grekiska, Holländska,
Italienska, Norska, Portugisiska,
Spanska, Svenska och Tyska
©2007 9/07 Dometic GmbH
D-57074 Siegen

113
SÄKERHETSANVISNINGAR
Denna bruksanvisning innehåller säkerhets-
information och anvisningar som hjälper
användaren att förebygga eller minska risken för
olyckor och skador.
VAR UPPMÄRKSAM PÅ
SÄKERHETSINFORMATIONEN
Denna symbol betyder säkerhetsrisk. Var
uppmärksam på risken för personskada när du
ser symbolen i bruksanvisningen.
Iakttag rekommenderade skyddsåtgärder och följ
bruksanvisningen noga.
FÖRSTÅ SIGNALORDEN
Ett signalord, VARNING ELLER FÖRSIKTIGHET
används i samband med en säkerhetssymbol. De
anger hur stor risken är för eventuell skada.
avser situation med risk för
dödsfall eller allvarlig personskada om inte
anvisningarna följs.
FÖRSIKTIGHET
avser situation med
risk för mindre eller allvarligare personskada om
inte anvisningarna följs.
FÖRSIKTIGHET
används tan säkerhets-
symbolen avser situation med risk för
egendomsskada om anvisningarna inte följs.
Läs säkerhetsinformationen noga och följ alla
anvisningar.
!
ALLMÄN INFORMATION
A. Produktegenskaper eller -specifikationer som beskrivs
eller illustreras kan ändras utan föregående varsel.
B. Denna luftkonditionsanläggning är
tillverkad för:
1. Installation i en husvagn då husvagnen tillverkas.
2. Montering på husvagnens tak.
3. Takkonstruktion med taksparrar/tvärstänger på
minst 406 mm avstånd.
4. Minst 25 mm och högst 100 mm avstånd mellan
yttertaket till innertaket på husvagnen. Alternativa
installationsmetoder tillåter tak som är mer än
100 mm tjocka.
C. Syftet med luftkonditioneringsanläggningen är att
bibehålla önskad inomhustemperatur beroende på
husvagnens värme.
Vissa förebyggande åtgärder kan tas av husvagnens
ägare för att reducera värmen och förbättra
luftkonditioneringsanläggningens prestanda. Vid extremt
höga utomhustemperaturer kan värmen i husvagnen
reduceras genom att:
1. Parkera husvagnen i skugga
2. Använda fönsterpersienner (jalusier och/eller
gardiner)
3. Stäng fönster och dörrrar eller minimera
användningen
4. Undvik användning av värmeproducerande apparater
Användning med högt fläkt-/kylläge ger optimal eller
maximal effektivitet vid hög fuktighet eller höga
utomhustemperaturer.
Startar man luftkonditioneringen tidigt på morgonen
och ger den en “tidig start” före förväntade höga
utomhustemperaturer kommer det att förbättra
möjligheten att bibehålla önskad inomhustemperatur.
För en mer permanent lösning för hög värme, kan
tillbehör som en utomhusplats och fönstermarkis reducera
värmen genom att skydda mot direkt solljus. Det är
också en trevlig plats att njuta av trevligt sällskap under
svala kvällar.
D. Kondensering
Obs: Tillverkaren som framställt denna luftkonditionerings-
anläggning ansvarar inte för skador som orsakas av
kondenserad fukt på tak eller andra ytor. Luft innehåller fukt
och denna fukt brukar kondensera på kalla ytor. När det
kommer in luft i husvagnen kan det uppstå kondenserad fukt
på taket, fönsterna, metalldelar, etc. Luftkonditionerings-
anläggningen tar bort fukt från luften vid normal användning.
Håller man dörrar och fönster stängda när luftkonditioneringen
är i drift kommer det att minimera kondenserad fukt
på kalla ytor.

114
** Tillverkaren tillhandahåller ALLMÄNNA riktlinjer för
generatorkrav. Dessa riktlinjer grundas på erfarenheter
personer haft vid tillämpning. När man bestämmer storlek på
generatorn, måste din husvagns totala strömanvändning tas
med i beräkningen. Tänk på att generatorer förlorar ström på
hög höjd och vid brist på underhåll.
Specifikationer
INSTALLATIONSINSTRUKTIONER
A. Försiktighetsåtgärder
B. Välj rätt plats för luftkonditionerings-
anläggningen
Denna luftkonditionerare är speciellt designad för installation
på husvagnens tak. När du bestämmer dina kylningskrav
måste följande tas med i beräkningen:
•Husvagnens storlek;
•Fönsterområde (ökar värmen);
•Mängden isolering i väggar och tak;
•Geografisk lokalisering där husvagnen kommer att
användas;
•Personlig önskad bekvämlighetsnivå.
1. Normal lokalisering - Luftkonditioneraren är designad
att passa över en existerande taköppning.
BILD 1
1/2 L LL
1/3 L
2/3 L
BILD 2
Det rekommenderas att luftkonditioneraren installeras på en
relativt flat och jämn del av taket mätt när husvagnen står
parkerad på en jämn yta.
Obs: Åtta graders lutning åt endera sida är acceptabelt men
lutning framåt eller bakåt är inte acceptabelt.
BILD 3
Lutning från framsida till baksida är
INTE ACCEPTABELT
Modell nr. B3200 Elektriskt
värmelement
Typ 3253.331
Nominell kompressor
Kapacitet (KW) 3.2 1.6
Elektrisk spänning 220-240 VAC 50 Hz., 1 Ph
Amp. vid full belastning
(Kompressor/motor) 5.2 / 1.1 --- / 1.1
Amp. vid låst rotor
(Komp./motor) 26 / 3.8 --- / 3.8
Kylemedel/28,5 g
Grams/Oz 496/15.5 ---
Kretsskydd 10 Amp tidsfördröjd
säkring, eller kretsbrytare
Inström (KW) 1.35 1.5
Minsta sladdstorlek Upp till åtta meter
använd 1 mm2, koppar
** Generatorstorlek 1 enhet - 3.5 KW
2 enheter - 5.0 KW
Felaktig installation kan skada utrustningen och
medföra risk för dödsfall, allvarlig personskada
och/eller egendomsskada.
1. Läs installationsguiden och bruksanvisningen
noggrant innan du påbörjar installationen av
luftkonditioneraren.
2. Tillverkaren kan inte hållas ansvarsskyldig för skador
eller olyckor på grund av dessa riktlinjer inte följs.
3. Utrustningen skall installeras i enlighet med gällande
regler för elinstallationer och uppfylla standarden
IEC 335-2-40, CI, 7.12.1. Installationen måste
överensstämma med alla tillämpliga villkor och/
eller regler.
4. TILLFOGA INTE några enheter eller tillbehör till
denna luftkonditionerare förutom de som specifikt
godkänts av tillverkaren.
5. Denna utrustning måste servas av kvalificerad
personal och vissa lokala villkor och bestämmelser
kräver att de personerna är licensierade.
2. Andra lokaliseringar - När det inte finns någon
taköppning eller annan lokalisering önskas,
rekommenderas följande:
a. För installation av en enhet: Luftkonditioneraren
bör monteras lite framför mitten (framifrån och
bak) och centreras mellan sidorna.
b. För installation av två enheter: Installera en
luftkonditionerare 1/3 och en luftkonditionerare
2/3 från husvagnens front och centrera mellan
sidorna.

115
C. Förberedelse av tak
1. Krav på öppningen - Innan du förbereder
taköppningen läser du följande instruktioner innan
du påbörjar installationen.
Om en existerande takventileringsöppning inte
kommer att användas måste en öppning på 362 mm
x 362 mm (± 3.2 mm) sågas ut på husvagnen.
Denna öppning måste lokaliseras mellan takets
förstärkningslister.
BILD 5
Öppningen på 362 mm x 362 mm (± 3.2 mm) är en
del av returluftssystemet på luftkonditioneraren och
måste genomföras i enlighet med alla nationella
och lokala villkor och/eller regler.
2. Borttagning av takventilering
a. Skruva loss och ta bort takventileringen.
b. Ta bort all fogmassa runt öppningen.
c. Täta alla skruvhål och skarvar där takpackningen
finns. Använd en bra grad på all väderbeständig
tätningsmassa. Se bild 6.
9-1/2"
39"
28-3/4"
20"
2-1/2"
22"
BILD 4
24 cm
102 cm
74 cm
51 cm
6,4 cm
56 cm
510 mm
283
mm
105
mm 105
mm
283
mm
75 mm
75 mm
Öppningens
centerlinje
Luftboxens
omkrets
Håll detta område
fritt från hinder
105 mm
181 mm
181 mm
362 mm x
362 mm
(± 3.2 mm)
Öppning
543 mm
Enhetens centerlinje
305 mm
102 mm
Enhetens
baksida
362 mm x
362 mm
(± 3.2 mm)
Öppning
3. Efter att lokalisering valts:
a. Kontrollera hinder i området där luftkonditioneraren
kommer att installeras. Se bild 4.
b. Taket måste vara tillverkat så att det håller för
65 kg när husvagnen rör sig. Normalt kommer
en 100 kg statisk belastningsdesign att möta
upp med kravet.
Det faller på installatörens ansvar att säkerställa
att luftkonditioneringssystemet sitter fast säkert
på husvagnens tak. Skapa aldrig en bula på taket
där vatten kommer att samlas. Vatten som samlas
runt luftkonditioneraren kan läcka in i interiören
och orsaka skador på produkten och husvagnen.
c. Kontrollera insidan av husvagnen för hinder
för tillbakaluft (dvs. dörröppningar, rumdelare,
gardiner, takanordningar, etc.). Se bilderna
4 och 5.
Det kan finnas elektriska ledningar mellan
yttertaket och innertaket. Drag ur 220 - 240 Volt
nätsladden och lossa den positiva (+) anslutningen
från 12 V-batteriet. Underlåtenhet att följa denna
instruktion kan orsaka elektrisk stöt med risk för
dödsfall eller allvarlig personskada.
102 mm
FÖRSIKTIGHET

116
BILD 6
BILD 7
Kapa inte
takkonstruktionen
eller taksparrar
Bra -
Taksparrarna
stöds av
tvärgående
balkar
Bra lokalisering -
Mellan taksparrar
Ramöppning så att
den inte kollapsar när
du bultar fast enheten
Lämna plats
för elledningar Min. 375 mm
vid öppningens
framsida
Min. 25 mm
d. Om öppningen är större än 362 mm x 362 mm
(± 3.2 mm), är det nödvändigt att minska
öppningen till 362 mm x 362 mm (± 3.2 mm).
e. Om öppningen är mindre än 362 mm x 362 mm
(± 3.2 mm), måste den förstoras.
3. Ny öppning (Installation annan än takventilationen)
a. Markera en 362 mm x 362 mm (± 3.2 mm) stor
fyrkant och såga försiktigt ut öppningen.
b. Använd taköppningen som guide och såga ut
ett liknande hål i taket.
c. Öppningen som skapas måste infattas för att
tillhandahålla tillräckligt stöd och förhindra att
luft leds ut genom hålet i taket. Virke på 25 mm
tjocklek eller mer måste användas. Kom ihåg
att göra ett hål för elledningar vid öppningens
framsida. Se bild 7.
Det faller på installatörens ansvar att säkerställa
att husvagnens tak klarar av att bära
luftkonditioneringssystemet. Skapa aldrig en bula
på taket där vatten kommer att samlas. Vatten som
samlas runt luftkonditioneraren kan läcka in i
interiören och orsaka skador på produkten och
husvagnen.
D. Sladdkrav
1. 220 - 240 VAC försörjningsledning
Dra en kopparsladd 1 mm2, med jord, 220 - 240 VAC
försörjningsledning från den tidsfördröjda säkringen
eller kretsbrytarboxen till taköppningen.
a. Denna försörjningsledning måste finnas på
framsidan av öppningen på 362 mm x 362 mm
(± 3.2 mm).
b. Ström MÅSTE finns på en separat 10 Amp
tidsfördröjd säkring eller HACR-kretsbrytare.
c. Se till att minst 375 mm extra ledning går in i
taköppningen. Detta säkerställer enkel
anslutning vid kopplingsboxen.
d. Sladdarna måste överensstämma med alla
nationella lokala sladdvillkor och/eller -regler.
e. Använde en stålmuff och en skyddshysla eller
liknande metoder för att skydda sladden när
den går in i öppningen.
E. Placera luftkonditioneringen på taket
Denna enhet väger cirka 45 kg. För att förhindra
ryggskada använder du en mekanisk hiss för att
placera luftkonditioneraren på taket.
BILD 8
Skjut inte enheten. Detta kan skapa takpackningen
som är fäst på bottnen och kan skapa en installa-
tion som läcker.
BILD 9 FRAMSIDA
1. Ta ut luftkonditioneringen ur kartongen och släng
kartongen. Se bild 8.
2. Placera luftkonditioneringen på taket.
3. Lyft och placera enheten över den förberedda
öppningen med packningen på enheten som guide.
Se bild 9.
FÖRSIKTIGHET
FÖRSIKTIGHET
FÖRSIKTIGHET

117
BILD 11
Steg a
Ta bort vid
perforering Steg b
Ta bort vid
perforering
Steg c
Använd som
paketerad
Övre
luftutgångsrörledning
Undre
luftutgångsrörledning
Luftkonditioneringens
baksida
Övre
luftutgångsrörledning
Kant utan fläns
till enhetens
baksida
BILD 10
Om bultar lämnas lösa kanske inte tätningen blir
tillräcklig eller om den är spänd för hårt kan det
skada luftkonditioneringens bas eller takmall.
Spänn till de vridmoment som finns i denna
bruksanvisning.
BILD 12 Skjut den undre
luftutgångsrörledningen
över den övre
rörledningen
Takpackning
Håll takmallen med en
hand och installera tre
monteringsbultar med handkraft
Luftkonditioneringens
returluftsöppning
Koppla ur 220 - 240 Volt AC. Underlåtenhet att följa
dessa instruktioner kan orsaka elektrisk stöt med
risk för dödsfall eller allvarlig personskada.
4. Placera den mekaniska luftdistributionsboxen på
insidan av husvagnen. Denna box innehåller
monteringsanordningar för luftkonditioneraren och
kommer att användas på husvagnens insida.
Detta slutför arbetet på utsidan. Mindre justeringar kan göras
från husvagnens insida vid behov.
F. Installera luftkonditioneraren
1. Ta bort luftboxen och monteringsanordningen ur
kartongen. Den övre rörledningen levereras inuti
den undre rörledningen som är en del av takmallen.
2. Kontrollera korrekt inriktning och justera enheten
efter behov (Takpackningen centeras över 362 mm
x 362 mm (± 3.2 mm).
3. Ta bort den övre rörledningen från takmallen och
lokalisera den över utblåsningsutgången. Se bild 10.
Obs: Kanten utan fläns installeras mot öppningens
BAKRE del.
4. Använd två (2) skarpa #10 metallskruvar för att hålla
rörledningen mot basskålen. Det finns skruvhål i
basskålens botten för dessa skruvar.
5. Sträck dig upp i luftkonditioneringens
returluftsöppning och dra ner enhetens elektriska
sladd för anslutning senare.
6. Mät hur tjockt taket är:
a. Om avståndet är 25 - 50 mm tar du bort de
perforerade flikarna från de övre och under
rörledningarna. Se bild 11.
b. Om avståndet är 50 - 75 mm tar du bara bort den
perforerade fliken från den undre rörledningen.
Se bild 11.
c. Om avståndet är 75 - 100 mm installerar du
rörledningarna som de levereras. Se bild 11.
7. Installera innertaksmallen genom att skjuta den
undre rörledningen över den övre. Se bild 12.
8. Håll takmallen med en hand och med den andra
installerar du de tre 150 mm långa monteringsbultarna
genom mallen och in i basskålen.
a. Spänn bultarna med handkraft och kontrollera.
Det bör finns en lika stor öppning på varje sida
och den bakre flänsen måste ligga tätt mot
taköppningen.
b. Spänn JÄMNT de tre bultarna till ett
vridmoment på 4.5 till 5.5 NM (Newtonmeter).
Detta kommer att komprimera takpackningen
till cirka 13 mm. Bultarna låses av sig själv
så man behöver inte spänna för hårt.
G. Anslutning av strömförsörjning till
luftkonditionering
Viktigt: Den elektriska installationen måste utföras av
en auktoriserad elektriker. I vissa områden måste de
vara licensierade.
FÖRSIKTIGHET

118
1. Antingen kan du ansluta sladdarna direkt i
kopplingsboxen för permanent anslutning eller koppla
in en plugg i kopplingsboxen för plugganslutning.
a. Vid permanent anslutning: Dra strömsladden,
som tidigare anslutits i taköppningen, till
kopplingsboxen på takmallen. Anslut enligt
beskrivningen i paragraf 2.
b. Vid plugganslutning: Använd den elektriska
sladden, för “D. Sladdkrav”, till ett installerat
ström- eller eluttag, i enlighet med gällande
lagar, vid slutet på den taköppning som finns
längst från kopplingsboxen.
Viktigt: anslut inte formsladden förrän du helt
installerat luftkonditioneraren och är redo för
driftskontroll. (Bruksanvisning)
•Dra pluggsatsen från den elektriska uttaget
till kopplingsboxen utan överdrivet mycket
sladdar så att det blockerar luftflödet. Anslut
pluggsatsen till terminalblocket enligt
beskrivningen i paragraf 2.
2. Anslut strömförsörjningen till luftkonditioneraren vid
terminalblocket som finns i kopplingsboxen. Anslut
vit till vit, svart till svart och grön till grön eller bar
kopparsladd (L. N. och respektive).
3. Spänn sträckstödet till strömsladden så att det
sitter på plats. Se till så att du inte klämmer eller
kortsluter sladdar.
Obs: Om extra elektriskt värmeelement finns i denna
installation, skall det installeras nu. Installationsanvisningarna
levereras med den elektriska värmesatsen.
4. Tryck tillbaka alla sladdar i kopplingsboxen och
installera skyddet på boxen med de två trubbiga
skruvar som medföljer.
5. Anslut det elektriska ledningsröret från den övre
enheten till parboxanslutningen. Se bild 13.
6. Snurra sladden runt kontakterna så att de inte faller
av vid användning.
BILD 13
Dra strömsladden
genom
Romexkopplingen
Koppla ledningen
till kopplingsboxen
och säkra med sladdar
för att förhindra
borttagning
Installera
skydd
H. Installation av luftdistributionsbox
1. Ta bort de två returluftsgrillarna och -filterna.
2. Skjut den främre delen på luftboxen över
termostatens axlar och väljarkontakt. Se bild 14.
BILD 14
Skjut luftboxen över kontrollerna
3. Installera fyra skruva genom benen i luftboxen in i
de förborrade hålen i takmallen.
4. Installera returluftsgrillar och -filterna genom att
trycka dem på plats.
5. Installera de två knapparna som medföljer vid änden
på termostaten och väljarkontaktens axlar.
6. Strömförsörjningen till luftkonditioneringen kan nu
slås “PÅ”.
7. Din luftkonditionerare är nu installerad och redo för
användning. Läs följande instruktioner innan du
försöker använda enheten.
BRUKSANVISNING
A. Kontroller
1. Väljarkontakten har åtta lägen inklusive “AV”.
Detta kontrollera fläkthastighet, värmeläge och
kyllägen. Se bild 15.
BILD 15
Väljarkontakt
3
2
1
1
2
3
BILD 16
2. Termostaten kontrollerar kompressorns PÅ/AV-
drift i kyltemperaturer mellan 18.5° C till 32.5° C.
Se bild 16.
Obs: Termostateten kontrollerar inte enhetens valfria
elektriska värmeelement om det är installerat.
Termostat

119
B. Kylning
1. Ställ in termostatet vid önskad temperaturnivå.
2. Välj den fläkthastighet som bäst passar dina behov:
a. HÖG KYLNING: Väljs när man önskar maximal
kylning och avfuktning. (3 )
b. MEDEL KYLNING: Väljs när man önskar nor-
mal eller medel kylning. (2 )
c. LÅG KYLNING: Väljs när rummet har önskad
temperaturnivå som bara måste bibehållas.
Detta läge används vanligtvis på natten. (1 )
Viktigt: När luftkonditioneringen är aktiverad och
termostaten börjar kyla startar fläkten och kompressorn
samtidigt. Efter att luftkonditioneringen stängts ner
manuellt med antingen väljarkontakten eller termostatet
måste man vänta 2-3 minuter innan man sätter på
luftkonditioneringen. Detta gör att kyltrycket i
luftkonditioneringssystemet jämnas ut så att
kompressorn kan starta om.
Obs: Ventilatorn kör fortlöpande för att cirkulera luft och
bibehålla jämn temperatur. Kompressorn kommer att gå
igång när kylning krävs för att bibehålla vald temperaturnivå.
C. Fläktanvändning
1. Detta kommer att cirkulera luft i din husvagn utan
kylning eller uppvärmning. Det finns tre lägen: HÖG
FLÄKT (3 ), MEDEL FLÄKT (2 ) eller LÅG
FLÄKT (1 ) att välja på, beroende på personliga
önskemål. Se bild 15.
D. Värmeanvändning (Om utrustad med det)
Obs: Detta elektriska värmeelement ersätter inte värmepanna
för uppvärmning av din husvagn vid låga temperaturer.
Syftet är att eliminera den värsta kylan på kalla dagar eller
morgnar.
1. Ställ in väljarkontakten på “OPT VÄRME” ( ).
Se bild 15.
2. Värmeelementet kommer att starta och börja värma.
3. När önskad temperaturnivå i husvagnen är uppnådd
flyttar du väljarkontakten till “AV” eller “FLÄKT”.
Obs: Termostaten kontrollerar inte värmeelementets PÅ/
AV-cykel. Om det extra värmeelementet inte är installerat
och valt kommer fläkten att användas på “LÅG FLÄKT”.
E. “AV”-läge
1. Detta stänger av enheten.
F. Underhåll av kund
1. Ta regelbundet av returluftsfilterna som finns över
de avtagbara panelerna i luftboxen. Tvätta filterna
med såpa och varmt vatten, låt torka och
återinstallera.
Obs: Använd aldrig luftkonditioneringen när inte returluftsfiltret
är på plats. Det kan plugga igen enhetens avdunstningsslinga
med smuts och kan påverka enhetens prestanda.
2. Rengör luftboxhuset och kontrollpanelen med en
mjuk trasa fuktad med ett milt rengöringsmedel.
Använd aldrig möbelpolish eller skurpulver.
3. Ventilatormotorn är smörjd på fabriken och behöver
ingen service vid normal användning.
4. Under speciella omständigheter kan det bildas
frost på avdunstningsslingan. Händer det kontrollerar
du filtret och rengör om den är smutsig. Kontrollera
att luftinsläppen inte är tilltäppta. Luftkonditioneringen
frostar mycket enklare igen när utomhustemperaturen
är relativt låg. Detta kan förebyggas genom att man
justerar termostatens kontrollknapp till varmare
inställning (moturs). Om frostningen fortsätter kör
man på LÅG, MEDEL, eller HÖG FLÄKT tills
kylslingan är fri från frost.
5. Om din enhet inte fungerar eller används felaktigt
kontrollerar du följande innan du ringer till
servicecentrat.
a. Om husvagnen är ansluten till motorgenerator
kontrollerar du att motorgeneratorn är på och
producerar ström.
b. Om husvagnen är ansluten till ström via en
landkabel, kontrollerar du att kabeln är korrekt
för luftkonditioneringen och är ansluten till
strömförsörjningen.
c. Kontrollera din säkring eller kretsbrytare för att
se om den är öppen.
d. Efter ovanstående kontroll ringer du ditt lokala
servicecenter för ytterligare hjälp. Denna enhet
får bara servas av kvalificerad servicepersonal.
6. Om en ström- eller tillförselsladd är skadad och
måste bytas ut, kan den bytas ut av tillverkaren,
dess serviceagent eller motsvarande kvalificerad
person.
7. När du ringer efter service, måste du uppge följande:
a. Lufkonditioneringens modell- och serienummer
som finns på skylten på basskålen längst nere
på luftkonditioneringen.
b. Luftdistributionsboxens del- och serienummer
som finns på skylten på innertaksmallen.
Du kan se skylten genom luftboxens
filtergrillöppning.

120
Tamonteringsanordning
Baksida
Luftkonditionering
Övre
utgångsledning
Takmall
Monteringsbultar
Luftbox
Taköppning
BILD 17

121
SLADDSCHEMA ÖVER LUFTKONDITIONERING
SLADDSCHEMA ÖVER LUFTBOX
PASSERAT
DIELEKTRISKT
GR/GL
BRN
FLÄKTSKYDD
PTCR
RÖD
(VALFRI)
START-
SKYDD
BLÅ
RÖD
GUL
SVT
MOTOR KÖRSKYDD
VIT
KOMPRESSOR
ID
GR/GL
BRN
VIT
RÖD
RÖD
VIT
VIT
ID
C
S
R
3105595.023
O.L.
COMPRESSOR
COMPRESSOR
O.L.
RS
C
RUN CAP
RUN CAP
7
6
5
4
3
2
1
SWITCH
ROTARY
H
C
L1
4
2
1
MOTOR
2
HEAT ACCESSORY
HEAT ACCESSORY
BLK
BLK
BLK
ELEMENT
ELEMENT
LIMIT SWITCH
3
1
WHT
LIMIT SWITCH
BOX
JUNCTION
JUNCTION
LINE SPLICE
LINE SPLICE
FIELD WIRING
FIELD WIRING
FACTORY WIRING
TSTAT
USE COPPER CONDUCTORS ONLY
USE COPPER CONDUCTORS ONLY
220/240 VAC 50 HZ, 10
220/240 VAC 50 HZ, 10
3105580.025
FAN CAP
FAN CAP
ID
ID
BLK
YEL
RED
BLU
WHT
WHT
GR/YL
BLK
YEL
RED
BLU
WHT
WHT
GR/YL
BRN
BRN
WHT
RED
RED
WHT
GRY
WHT
WHT
BLK
GR/YL
GR/YL
GR/YL
BLU
43
ACTIVE (L)
ACTIVE (L)
NEUTRAL (N)
NEUTRAL (N)
EARTH ( )
EARTH ()
GR/YL
PTCR
COMP STARTER
START
*
CAP
MOTOR
FLÄKTSKYDD
KÖRSKYDD
KOMPRESSOR
L1 C H
ROTERINGS-
KONTAKT
BLU BLU BLU
BLK
BLK BLK
BLK BLK
BLK
WHT WHT
WHT
WHT
WHT
WHT
WHT
WHT
WHT
GRY
TSTAT
GR/YL GR/YL
GR/YL GR/YL
GR/YL
RS
BRN
BRN
YEL YEL
RÖDRÖD RÖD
RÖD
KOMP-STARTARE
STARTSKYDD
*PTCR
VÄRMETILLBEHÖR
GRÄNSKONTAKT
ELEMENT
GRÄNSKONTAKT
FABRIKSSLADDSCHEMA
FÄLTSLADDSCHEMA
SLADDSPLITS
KOPPLINGSBOX
AKTIV (L)
NEUTRAL (N)
JORD ( )
220/240 VAC 50 HZ, 1Ø
ANVÄND BARA KOPPARLEDARE