DormaKaba Multihousing In Sync CR Installation Instructions LIT1003 05 19 WEB 9909401
User Manual: DormaKaba Multihousing InSync CR Installation Instructions Installation Instructions
Open the PDF directly: View PDF
.
Page Count: 6

1
All parts needed to install the InSync™ CR lock are included with each unit. Check to make sure all parts are
accounted for before beginning installation. Do not substitute any of the parts. The use of substitute parts will result
in poor performance of the lock.
Product Description
The InSync CR common access reader is an InSync key reader module designed for use with electric strikes, electrical
exit devices, electromagnetic locks, parking gates, telephone entry systems and other applications. The InSync CR
can also function as an Elevator Control Unit (ECU). It is basically an InSync key activated switch.
When valid keys are inserted into the common access reader, the unit will activate a relay for 5 seconds. This access
control information is encoded onto resident and staff keys according to the site design.
Pre-Installation Requirements – Access Control
Select a location to mount the InSync CR away from weather and close to the entry being controlled. Note that
when a valid key is used the InSync CR will activate for 5 seconds. Select a location that will allow enough time for
the resident to reach the entry before the InSync CR times out.
The InSync CR is powered by 12 to 24 volts AC or DC and usually connects to the access control device power source.
If the access device power source does not meet the 12- to 24-volt requirement, contact dormakaba for other power
supplies available to power the reader.
The InSync CR is equipped with a relay that can be configured either “normally open” or “normally closed.” The relay is
rated for 5 amps at 250 VAC or 30 VDC. Typically, the “Common” and “normally open” set of contacts are used for
electric strikes and the “common and normally closed" set of contacts are used for magnetic latches. Review your
local fire and electrical codes before installing this product. Be sure to investigate the switching current and voltages
required to activate the access control device and determine if the contact rating and configuration of the InSync CR
will be adequate.
Select a certified electrician who is capable and knowledgeable of the access control system. Review your local codes
for correct application of this product.
All information contained herein, including but not limited to product pricing and other intellectual property, is confidential and intended for
the sole use of the addressee(s) so named. Any misuse of this confidential information contained herein may result in legal action by
Computerized Security Systems dba SAFLOK and its parent company.
InSync™ CR Installation Instructions
Kaba Insertion Card Reader ECU Installation Instructions

2
Installation Instruction – Access Control
1. Position the InSync CR in an accessible location. Avoid installing the InSync CR in an unprotected exterior
location. If this is not possible, contact dormakaba for rain shroud equipment.
NOTE: When a key is inserted and removed, the user will have approximately five seconds to open the lock
before it returns to the locked position. Care should be taken to select a mounting location that will allow
enough time for the resident to reach the entry before the InSync CR times out.
2. Fasten the InSync CR double gang box in position. Make sure the fastener heads will not impede the key
reader when assembled into the box.
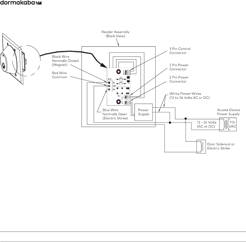
3. Run the appropriate wires to the double gang box (see Fig. 2 on the following page). Be sure to observe
local fire and electrical codes.
IMPORTANT: You must connect the double gang box to earth ground before proceeding.
4. Connect the wires from the access control hardware to the wires of the InSync CR. There are three
terminals: Common, Normally Open, and Normally Closed.
• For electric strikes, connections are typically made to the Common and Normally Open.
• For magnetic latches, connections are typically made to the Common and Normally Closed.
5. Connect the two white wires from the InSync CR power supply to the access control power source. The
InSync CR power supply can handle 12 to 24 volts AC or DC and usually connects to the access control
device power source. If the access device power source does not meet the 12- to 24-volt requirement,
contact SAFLOK for other power supplies available to power the reader.
6. Position the InSync CR assembly into the double gang box. Be sure that no wires are pinched.
7. Secure the cover using the screws provided and test the unit using the construction key.

3
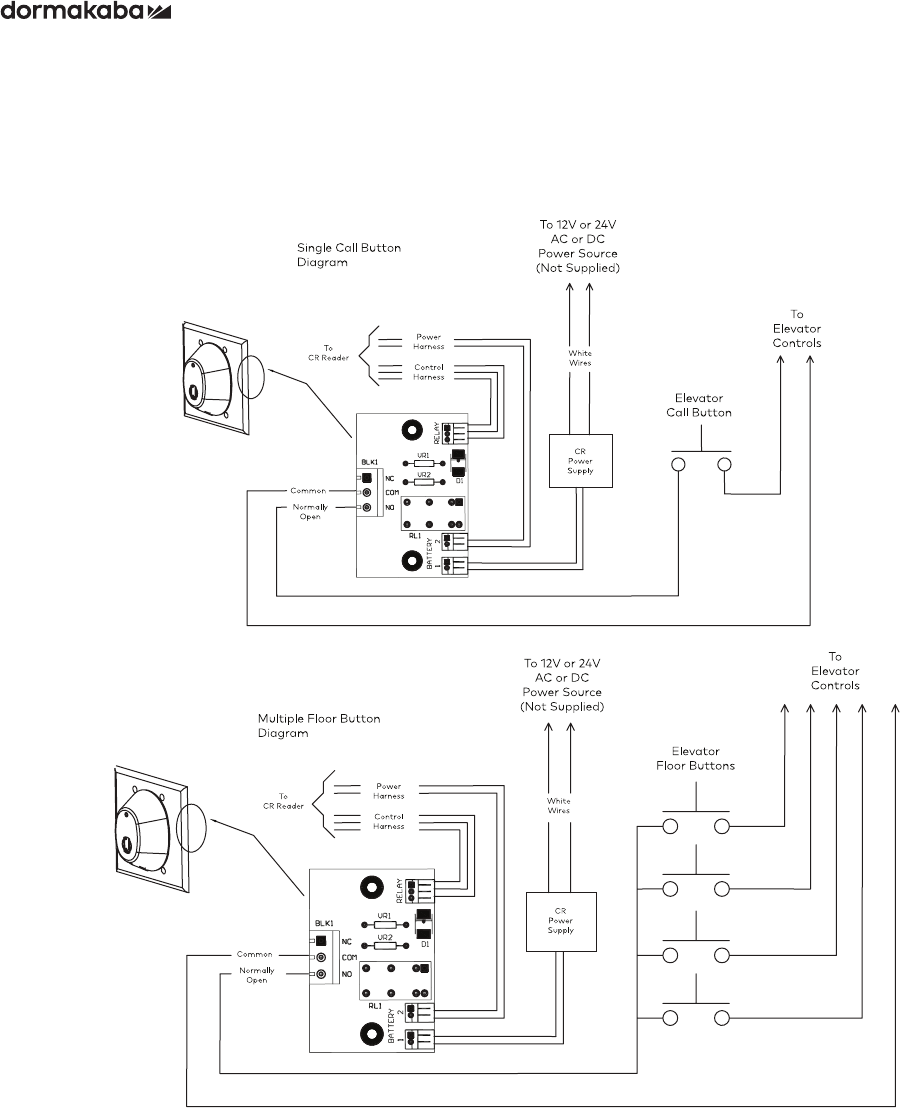
Schematic Diagram – Access Control
InSync CR Elevator Control Description
The InSync CR common access reader (RCU) can be used to control access to a floor or a group of floors on an
elevator. The unit can be used to control access to one floor by replacing a single call button, or the unit can control
access to several floors by working in conjunction with call buttons. In the latter case, the key is used first, and then a
button must be pressed within five seconds to send the elevator to the desired floor.
There are 2 mounting options to mount the InSync CR to an elevator panel. You can use the double gang box cover
plate (See fig X) or you can mount the InSync CR reader only in a 2 1/8”dia hole (see fig Y).
Residents staying on secured floor(s) have a unique “pass level” encoded on their Resident SAMrf key. The InSync
RCU will be programmed to allow access only to these authorized key users.
CAUTION: The InSync RCU unit must be installed by a certified Elevator technician.
Pre-Installation Requirements – Elevator Control
The space behind the elevator panel must be adequate to allow the mounting of the RCU. You will need a minimum
area of (2 ¾” W x 2 ¾” H x 2 3/8” D) free space behind the panel. Refer to local codes for positioning the reader on
the elevator panel.
The InSync CR is powered by a 12 to 24 volt AC or DC power source. The power supply is not included. DO NOT
EXCEED 24 VOLTS. If the elevator does not have adequate power avalible contact dormakaba for other power
supply options to power the reader.
The InSync CR is equipped with a relay that can be configured either “normally open” or “normally closed.” The relay is
rated for 5 amps at 250 VAC or 30 VDC. Typically, the “normally open” set of contacts are used so that the InSync
CR acts as the contact closure normally present at the call button. Review your local fire and electrical codes before
installing this product. Be sure to investigate the switching current and voltages present at the existing elevator
buttons and determine if the contact rating and configuration of the InSync CR will be adequate.
Select a certified elevator technician who is capable and knowledgeable of the elevator system. All installations must
be done in such a way as to be able to commandeer the elevators with an emergency arrangement, overriding or
bypassing the InSync CR. There are many variations in elevator controls and local codes; for this reason,
the InSync
CR must be installed by a qualified elevator technician.

4

5
Installation Instructions – Elevator Control Unit
1. Determine the position of the InSync CR on the face of the elevator panel and decide which mounting option
(cover plate or reader only) is going to be used. Remember you will need 2 ¾” W x 2 ¾” H x 2 3/8” D free space
behind the elevator panel to mount the RCU.
2. Cut the elevator panel using appropriate panel prep for the mounting the option selected (see figs)
3. Assemble the InSync CR onto the panel and secure. If using the cover plate option secure with the four 6-32 screws.
If using the reader only option then secure using the reader mounting hardware. (Refer to figs)
4. Connect the 2 white wires from the InSync CR power supply to a 12 to 24 volt AC or DC power source. DO NOT
EXCEED 24 VOLTS. If the elevator does not have adequate power avalible contact dormakaba for other power
supply options to power the reader.
5. Connect the call button wires to the appropriate relay contacts. Typically the common and normally open contacts
are used.
6. Test the unit with a construction key for functionality.

Schematic Diagram – Elevator Control
Questions? Call Customer Service at 800.999.6213.
For online assistance, visit https://www.dormakaba.com/us-en/support
dormakaba USA Inc.
2941 Indiana Avenue
Winston-Salem, NC 27105
Tel: 1-800-849-8324
www.dormakaba.us LIT1003_05_19