Dremel 335 Users Manual DM 2610920458 2 04
335 to the manual 17fd3b12-8021-4c09-9b1b-085c74efb337
2015-02-02
: Dremel Dremel-335-Users-Manual-396682 dremel-335-users-manual-396682 dremel pdf
Open the PDF directly: View PDF
.
Page Count: 36

Operating/Safety Instructions
Model 335 Plunge Router Attachment
•Safety
• Assembly
•Operation
• Service Parts
•Warranty
2 610 920 458 02/04 Printed in Taiwan
Parlez-vous français?
Voir page 12
¿Habla español?
Vea página 23
P.O. Box 1468
Racine, Wisconsin
1-800-437-3635
http://www.dremel.com
Dremel brand products are manufactured and sold by the
Dremel Division of Robert Bosch Tool Corporation
DM 2610920458 2-04 2/19/04 12:24 PM Page 1

2
Power Tool Safety Rules
Read and understand all instructions. Failure to follow all instructions listed
below, may result in electric shock, fire and/or serious personal injury.
SAVE THESE INSTRUCTIONS
!
WARNING
Hold tool by insulated gripping surfaces
when performing an operation where the
cutting tool may contact hidden wiring or
its own cord. Contact with a “live” wire will
make exposed metal parts of the tool “live”
and shock the operator. If cutting into exist-
ing walls or other blind areas where electri-
cal wiring may exist is unavoidable, discon-
nect all fuses or circuit breakers feeding this
worksite.
Always make sure the work surface is
free from nails and other foreign objects.
Cutting into a nail can cause the bit and the
tool to jump and damage the bit.
Never hold the workpiece in one hand
and the tool in the other hand when in
use. Never place hands near or below
cutting surface. Clamping the material and
guiding the tool with both hands is safer.
Never place tool with bit protruding
through base on top of bench or work
surface. Lay the tool on its side or retract
the bit before setting on bench or work
surface. Protruding cutting bit may cause
tool to jump.
Always wear safety goggles and dust
mask. Use only in well ventilated area.
Using personal safety devices and working
in safe environment reduces risk of injury.
After changing the bits or making any
adjustments, make sure the collet nut and
any other adjustment devices are secure-
ly tightened. Loose adjustment device can
unexpectedly shift, causing loss of control.
Loose rotating components will be violently
thrown.
Never start the tool when the bit is
engaged in the material. The bit cutting
edge may grab the material causing loss of
control of the cutter.
Always hold the tool with two hands dur-
ing startup. The reaction torque of the
motor can cause the tool to twist.
The direction of feeding the bit into the
material is very important and it relates to
the direction of bit rotation. When view-
ing the tool from the top, the bit rotates
clockwise. Feed direction of cutting must
be counterclockwise. NOTE: Inside and
outside cuts will require different feed direc-
tion. Refer to section on feeding the router.
Feeding the tool in the wrong direction caus-
es the cutting edge of the bit to climb out of
the workpiece and pull the tool in the direc-
tion of the feed.
Always use the tool with the router base
securely attached and positioned flat
against material being cut. Having the
base securely positioned on the material
improves the stability and control of your
tool.
Never use dull or damaged bits. Sharp
bits must be handled with care. Damaged
bits can snap during use. Dull bits require
more force to push the tool, possibly caus-
ing the bit to break.
Never touch the bit during or immediately
after use. After use, the bit is too hot to be
touched by bare hands.
Never lay the tool down until the motor
has come to complete stop. The spinning
bit can grab the surface and pull the tool out
of your control.
Do not use the tool for drilling purposes.
This tool is not intended to be used with drill
bits.
Never use bits that have a cutting diame-
ter greater than the opening in the base.
Safety Rules for Routers
Make sure to read and understand the Owner’s Manual for your Dremel Rotary Tool
Models 275, 285, 395 & 398.
DM 2610920458 2-04 2/19/04 12:24 PM Page 2

3
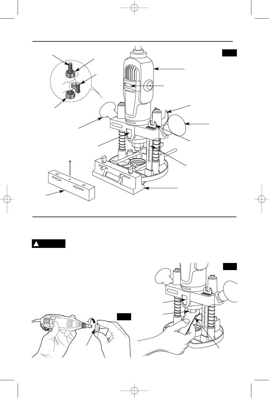
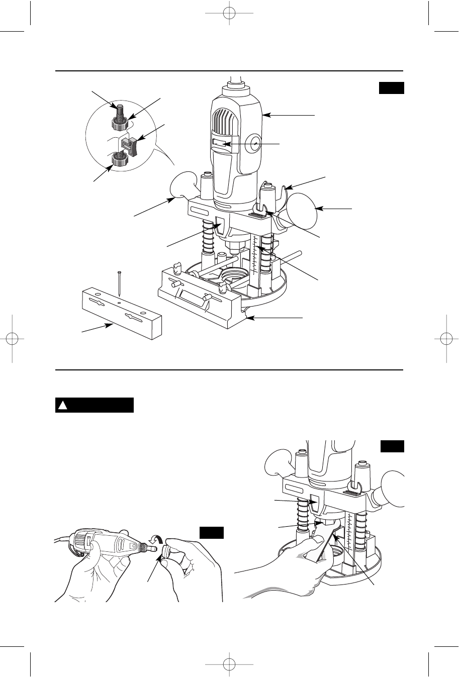
Operating Controls
Assembling Plunge Router Attachment to your Tool
ATTACHMENT FOR USE WITH DREMEL
ROTARY TOOL MODELs 275, 285, 395, &
398.
Disconnect the plug from
the power source before
making any assembly, adjustments or
changing accessories. Such preventive
safety measures reduce the risk of starting
the tool accidentally.
1. Remove collet nut, then remove housing
cap from your rotary tool and set housing
cap aside (Fig. 2). The housing cap must
be reinstalled when this attachment is
not used. Once housing cap has been
removed, reassemble the collet nut.
2. Place tool into your router attachment
with the shaft lock button facing forward
as shown (Fig. 3).
3. Thread mounting nut clockwise onto the
threaded portion of your Rotary Tool and
securely tighten with the mounting
wrench provided.
!
WARNING
Shaft Lock
Button
Hand Grip
(turn to lock)
Hand Grip
(stationary)
Speed Control
Depth Scale
(English/Metric)
Dremel
Rotary Tool
Depth Stop Adjustment
Nut, Upper
Release
Button
Adjustment
Nut, Lower
Shaft Lock
Button
Housing
Cap
Mounting Wrench
& Storage Area
Collet Nut Wrench
Storage Area
(Wrench not included)
Mounting
Wrench
Mounting
Nut
Edge Guide
FIG. 1
FIG. 2
FIG. 3
Circle
Guide
DM 2610920458 2-04 2/19/04 12:24 PM Page 3

4
Operating Instructions
ATTACHMENT FOR USE WITH DREMEL
HIGH SPEED ROTARY TOOL MODELS
275, 285, 395, & 398.
ATTENTION: This attachment will convert
Dremel Rotary Tool to a Plunge Router for
freehand routing, edging, grooving, and
circular cuts. The router attachment comes
assembled ready for freehand or pilot bit
routing.
This Router Attachment is
not intended for use
under a router or saw table.
!
WARNING
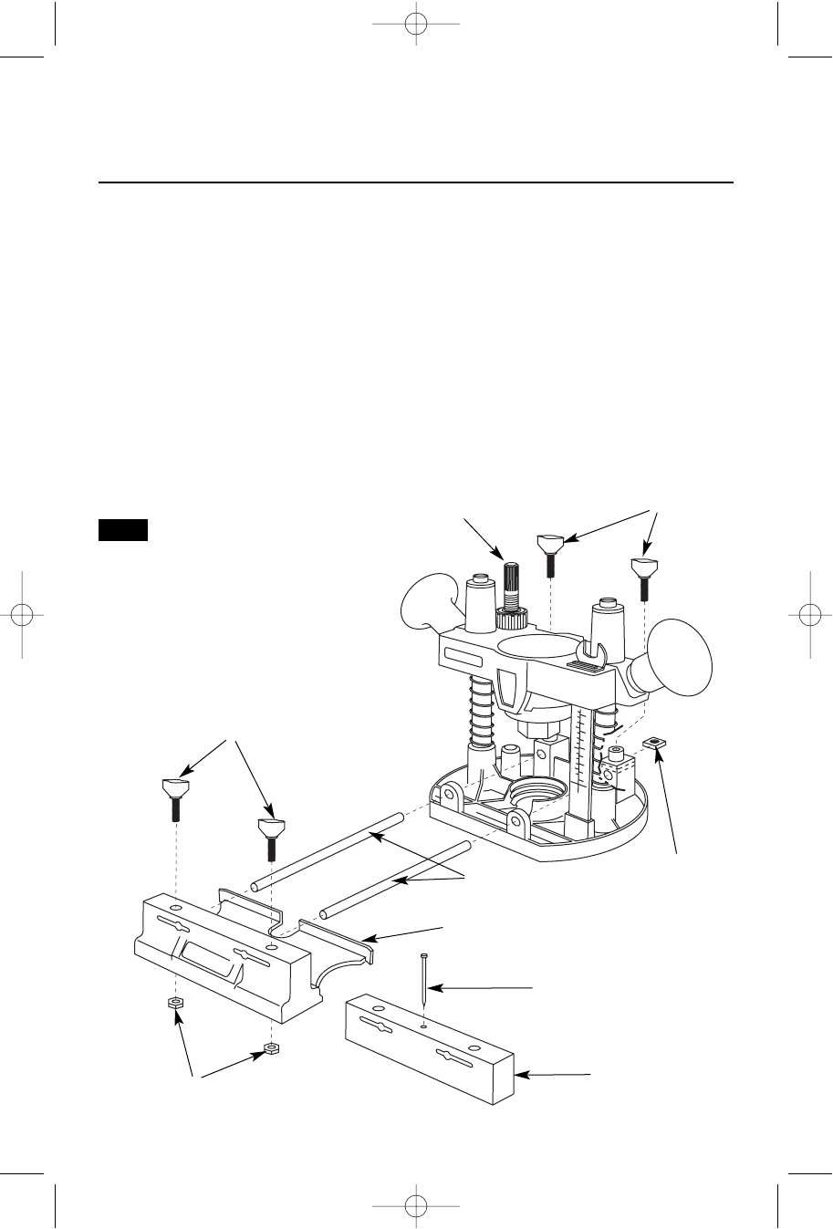
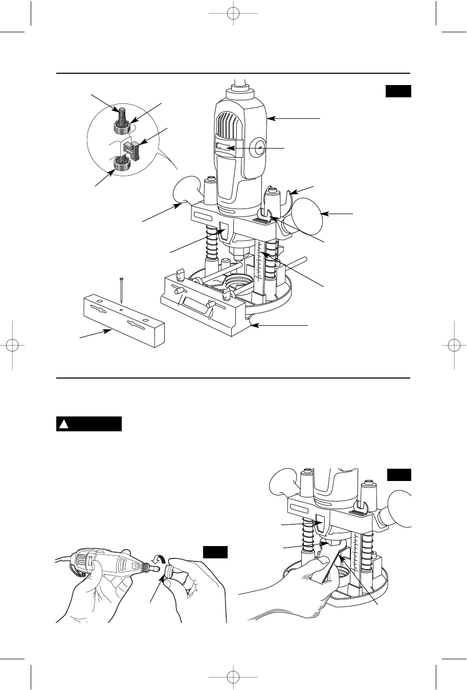
Inserting the Router Bit
The router bits are held in the tool by a
collet system. The bit may be installed
before or after the rotary tool is installed
in the attachment.
1. Depress and hold the shaft lock button
while rotating the collet nut and shaft.
Continue to rotate the collet nut and
shaft until the lock engages and holds
the shaft (Fig. 4).
2. Use the wrench from your Dremel Rotary
Tool and turn the collet nut counter-
clockwise to loosen it.
3. Release the shaft lock button.
4. Insert the router bit into the collet as
deep as possible to ensure proper grip-
ping of the bit and to minimize run out.
Do not insert the bit so far that bit flutes
touch the collet or collet nut to avoid
chipping or cracking the bit.
NOTE: Never place the tool with bit
protruding through base on top of bench or
work surface. Lay the tool on its side or
retract the bit before setting on bench or
work surface. Protruding cutting bit may
cause tool to jump.
5. Re-engage the shaft lock button and
tighten the collet nut; first by hand, then
using the wrench until bit is held securely.
Shaft Lock
Button
Collet Nut
Wrench
Collet Nut
Base
FIG. 4
DM 2610920458 2-04 2/19/04 12:24 PM Page 4

5
Adjusting Routing Depth
NOTE: When making deep cuts, especially
plunge cuts away from the edge of the work-
piece, it is recommended to make several
successive cuts progressively deeper using
the depth adjustment and depth scale rather
than making one single deep cut.
The depth limiter can be adjusted for two
depths.
1. Place your Dremel Rotary Tool and Router
assembly on the workpiece.
2. Turn the upper adjustment nut upward
and turn the lower adjustment nut down-
ward so depth stop is free to move (Fig. 5).
3. Loosen the locking hand grip (Fig. 6).
Slowly lower the tool until the router bit
just touches the workpiece.
4. Tighten the locking hand grip to lock the
tool in place.
5. Press and hold the release button so
depth stop touches the router base.
1st Routing Depth
6. Turn the depth stop upwards so that
measurement X equals the first desired
routing depth (Fig. 7).
NOTE: 1 turn equals .06" (1.5 mm)
7. Turn the upper adjustment nut down
snug against the router frame.
2nd Routing Depth
8. Turn the depth stop upwards so that
measurement X equals the second
desired routing depth. Make sure upper
adjustment nut turns with the depth stop,
so it rises away from router frame (Fig. 8).
9. Turn the lower adjustment nut up snug
against the router frame.
NOTE: The upper adjustment nut must
remain stationary when tightening the lower
adjustment nut.
1
X
X
X
X
Upper
Adjustment
Nut
Lower
Adjustment
Nut
Hand
Grip
FIG. 5
FIG. 6
Release
Button
FIG. 7
Depth
Stop
Upper
Adjustment
Nut
Depth
Stop
Lower
Adjustment
Nut
Depth
Stop
FIG. 8
DM 2610920458 2-04 2/19/04 12:24 PM Page 5

6
10.Press the release button to select the 1st
or 2nd routing depth (Fig. 9).
NOTE: The adjustment of each routing
depth should be checked with a trial cut and
re-adjusted as necessary.
When routing is complete, loosen the hand
grip and return the router to the top position.
Feeding the Router
If the router is hard to control, heats up,
runs very slowly or leaves an imperfect cut,
consider these causes:
• Wrong direction of feed – hard to con-
trol.
• Feeding too fast – overloads motor.
• Dull bit – overloads motor.
• Cut too large for one pass – overloads
motor.
• Feeding too slow – leaves friction burns
on the workpiece.
Feed smoothly and steadily (do not force).
You will soon learn how the router sounds
and feels when it is working best.
Rate Of Feed
When routing or doing related work in wood
and plastics, the best finishes will result if
the depth of cut and feed rate are regulated
to keep the motor operating at high speed.
Feed the router at a moderate rate. Soft
materials require a faster feed rate than hard
materials.
The router may stall if improperly used or
overloaded. Reduce the feed rate to prevent
possible damage to the tool. Always be sure
the collet nut is tightened securely before
use. Always use router bits with the shortest
cutting length necessary to produce the
desired cut. This will minimize router bit run-
out and chatter.
Edge Forming
When edge forming, always use piloted or
bearing bits. The lower portion of a pilot
tipped bit is a shaft with no cutting edges.
Bearing guide bits have a ball bearing to
pilot the bit.
The pilot slides along the edge of the work
as the rotating blades make the cut, making
decorative edges. The edge on which the
pilot slides should be perfectly smooth since
any irregularities are transferred to the
shaped surface.
When routing a workpiece that requires edge
forming on the endgrain, always rout the
endgrain edge before routing the edges that
follow the grain. This minimizes the possibil-
ity of damage from any blowout at the end of
the endgrain.
Router Feed Direction
The router spindle turns in a clockwise
direction when viewed from above. For best
control and quality of cut, feed the tool into
the workpiece in the direction that the bit will
tend to pull itself into the wood. Incorrect
feed direction will cause the bit to try and
climb over the wood.
Feed the tool in direction shown here. If cut-
ting around the edge of a square piece,
move the tool in a counterclockwise direc-
tion. If routing the inside surface as shown,
move in a clockwise direction (Fig. 10).
NOTE: Feed direction is extremely important
when using a pilot bit freehand on the edge
of a workpiece.
Release button
FIG. 9
Router Feed direction
Bit Rotation
Work
Rout
End
Grains
First
FIG. 10
DM 2610920458 2-04 2/19/04 12:24 PM Page 6

7
Assembling the Edge Guide
For edge guide use, assemble guide rods into
tool holder assembly and secure using (2)
#10-24 square nuts and (2) guide rod knobs
(Fig. 11).
Square nut will slide in slots above the guide
rods. Guide rod knobs are assembled from
the top through holes down through nuts, and
against the rods. Fasten edge guide to guide
rods using edge guide knobs, and hex head
nuts.
Locate hex head nuts underneath edge guide
and fasten with edge guide knob on top
surface of edge guide. Slide edge guide
assembly on guide rods as shown. Set edge
guide at desired distance from cutter and
tighten edge guide knobs. (See Fig. 11 )
Edge guide is used for shaping edges, cut-
ting rabbets, dadoes, mortise, tongues,
grooves, slots, and chamfers. Remember to
feed so the cutter tends to pull the edge
guide against the wood. A consistent feed
rate gives a smooth cut.
In general, several shallow cuts should be
used when a deep groove is desired.
Maximum depth of cut will vary depending
on material used. Do not over feed to an
amount that the motor is noticeably slowed.
Square Nuts
Circle Guide
Edge Guide
Finishing Nail
Edge Guide Knob
Guide Rods
Hex Head Nuts
Guide Rod Knob
Depth Adjustment
Screw
FIG. 11
Tool Lubrication
Periodic cleaning and lubrication of guide
posts will keep plunge action smooth.
Depress and lock plunge router and evenly
apply a light lubricant (i.e. petroleum jelly,
cooking oil) to upper portion of guide posts.
DM 2610920458 2-04 2/19/04 12:24 PM Page 7

8
Installation
1. Install the edge guide to the plunge
router mounting blocks (Fig. 12).
2. Place parallel guide against work surface
with router bit in desired position.
3. Tighten thumbscrews.
Routing with Edge Guide
Slide the flattened side of the edge guide
along the work surface.
Edge Guide
Routing Arcs and Circles
1 Remove the edge guide and attach the
circle guide bracket to the guide rods
(Fig. 13).
2. Use the finishing nail provided as a com-
pass point. Set the circle guide for the
desired radius.
3. Place the nail through the hole in the
guide and place the nail at the center of
the desired radius to be cut.
Edge
Guide
Mounting
Blocks
Edge
Guide
Finishing
Nail
FIG. 12
FIG. 13
DM 2610920458 2-04 2/19/04 12:24 PM Page 8

9
Templates
Using template patterns lets you duplicate
designs or letters uniformly time after time.
This technique requires the use of a guide
bushing.
GUIDE BUSHINGS
The guide bushing shown in (Fig. 14), is
essentially a plate with a collar which is insert-
ed into the hole in base as shown, and
secured by threading a bushing plug on top of
the guide bushing. The guide bushing rides
along the edge of the template while the
router bit, protruding below, cuts into the
work.
ATTENTION: Be sure the thickness of the
template is the same or larger than the length
of bushing protruding below the base.
Do not use a bit that may touch the inside of
the collar. Select a bit that is at least 1/16"
less in diameter.
In addition, special templates are easily pre-
pared for cutting repeated patterns, special
designs, inlays, and other applications. A
template pattern may be made of plywood,
hardboard, metal or even plastic, and the
design can be cut with a router, jigsaw, or
other suitable cutting tool.
Remember that the pattern will have to be
made to compensate for the distance
between the router bit and the guide bushing
(the “offset”), as the final workpiece will
differ in size from the template pattern by
that amount, due to the bit position (Fig. 15).
FREEHAND ROUTING
Many effects are gained by using the router
freehand with a small diameter bit. Usually the
craftsman pencils the outline or script he
desires onto the work and uses the pencil line
as a guide.
Collet Nut
Workpiece
Router Bit
Offset
Guide Bushing
Templete
Pattern
FIG. 15
Base
Bushing
Plug
Guide
Bushing
Base
FIG. 14
DM 2610920458 2-04 2/19/04 12:24 PM Page 9

10
Ref. Part Description
No. No.
1 2610920042 Spring (2)
2 2610920041 Guide Post. (2)
3 2610913432 Depth Marker
4 2610920044 Guide Plate Assy.
5 1603501018 Knurled Thumbscrew
6 2603345015 Adjusting Nut (2)
7 2604511008 Compression Spring
8 2602305044 Detent Pin
9 2610918203 Hand Grip
10 2610918204 Handle Cap
11 2610918206 Handle Cap
12 2916011884 Plain Washer (2)
13 2910011191 Cheese Head Screws (2)
14 2610358149 Nut (2)
Ref. Part Description
No. No.
15 2610920043 Pressure Spindle
16 2610917203 Edge Guide
17 2610920879 Base plate Assy.
18 2610917207 Mounting Wrench
19 2610917208 Guide Rod (2)
20 2615294964 Square Nut (2)
21 2610915483 Nut (2)
22 2610914826 Circle Guide
23 2610914825 Clamp Screw #6-32 (4)
24 2615294965 Nail
25 2610920984 Bushing Plug
26 2610920985 Guide Bushing 15/16"
27 2610920986 Guide Bushing 5/8"
Dremel Parts Diagram
1
2
3
4
5
9
10
11
12
12 13
13
14
15
17
19
8
7
6
6
22
23
23
23
24
20
21 16
18
26 27
25
DM 2610920458 2-04 2/19/04 12:24 PM Page 10

11
Your Dremel product is warranted against defective material or workmanship for a period of
one year from date of purchase. In the event of a failure of a product to conform to this
written warranty, please take the following action:
1. DO NOT return your product to the place of purchase.
2. Carefully package the product by itself, with no other items, and return it, freight prepaid,
along with:
A. A copy of your dated proof of purchase (please keep a copy for yourself).
B. A written statement about the nature of the problem.
C. Your name, address and phone number to:
We recommend that the package be insured against loss or in transit damage for which we
cannot be responsible.
This warranty applies only to the original registered purchaser. DAMAGE TO THE PRODUCT
RESULTING FROM TAMPERING, ACCIDENT, ABUSE, NEGLIGENCE, UNAUTHORIZED
REPAIRS OR ALTERATIONS, UNAPPROVED ATTACHMENTS OR OTHER CAUSES UNRE-
LATED TO PROBLEMS WITH MATERIAL OR WORKMANSHIP ARE NOT COVERED BY
THIS WARRANTY.
No employee, agent, dealer or other person is authorized to give any warranties on behalf of
Dremel. If Dremel inspection shows that the problem was caused by problems with material
or workmanship within the limitations of the warranty, Dremel will repair or replace the prod-
uct free of charge and return product prepaid. Repairs made necessary by normal wear or
abuse, or repair for product outside the warranty period, if they can be made, will be charged
at regular factory prices.
DREMEL MAKES NO OTHER WARRANTY OF ANY KIND WHATEVER, EXPRESSED OR
IMPLIED, AND ALL IMPLIED WARRANTIES OF MERCHANTABILITY AND FITNESS FOR A
PARTICULAR PURPOSE WHICH EXCEED THE ABOVE MENTIONED OBLIGATION ARE
HEREBY DISCLAIMED BY DREMEL AND EXCLUDED FROM THIS LIMITED WARRANTY.
This warranty gives you specific legal rights and you may also have other rights which vary
from state to state. The obligation of the warrantor is solely to repair or replace the product.
The warrantor is not liable for any incidental or consequential damages due to any such
alleged defect. Some states do not allow the exclusion or limitation of incidental or conse-
quential damages, so the above limitations or exclusion may not apply to you.
For prices and warranty fulfillment in the continental United States, contact your local Dremel
distributor.
Exportado por: Robert Bosch Tool Corporation Mt. Prospect, IL 60056 -2230, E.U.A.
Importado en México por: Robert Bosch, S.A. de C.V., Calle Robert Bosch No. 405,
Zona Industrial, Toluca, Edo. de México, C.P. 50070, Tel. (722) 2792300
Dremel Limited Warranty
UNITED STATES
Dremel Service Center
4915 Twenty-First Street
Racine, Wisconsin 53406
Dremel Service Center
4631 E. Sunny Dunes
Palm Springs, CA 92264
OUTSIDE CONTINENTAL
UNITED STATES
See your local distributor or write
to Dremel, 4915 Twenty-First
Street, Racine, Wisconsin 53406
CANADA
Clinique d’ Outillage M.P.
3075 Boul, Hamel, Suite 107
Quebec City, Quebec G1P 4C6
Giles Tool Agencies
6520 Lawrence Avenue, East
Scarborough, Ontario M1C4A7
Service d’Outlis ACM
2071 Victoria Street
St. Lambert, Quebec J4S 1H1
Westcoast Tool
Unit 2-285 East First Avenue
Vancouver, B.C. V5T 1A8
DM 2610920458 2-04 2/19/04 12:24 PM Page 11

12
Consignes de fonctionnement/sécurité
Accessoire de défonceuse en plongée modèle 335
• Sécurité
• Assemblage
• Fonctionnement
• Pièces de service
• Garantie
P.O. Box 1468
Racine, Wisconsin
1-800-437-3635
http://www.dremel.com
Les produits de marque Dremel sont fabriqués et commercialisés par la
Division Dremel de Robert Bosch Tool Corporation
DM 2610920458 2-04 2/19/04 12:24 PM Page 12

13
Règles de Sécurité Générales
Vous devez lire et comprendre toutes les instructions. Le non-respect, même partiel,
des instructions ci-après entraîne un risque de choc életrique, d'incendie et/ou de
blessures graves.
CONSERVEZ CES INSTRUCTIONS
Règles de sécurité concernant les toupies
Veuillez lire et comprendre le mode d’emploi de votre outil rotatif Dremel modèle
275, 285, 395 ou 398.
AVERTISSEMENT
!
Tenez l'outil par les surfaces isolées de prise en exé-
cutant une opération lorsque l'outil de coupe peut
venir en contact avec des fils cachés ou son propre
cordon. Le contact avec un fil sous tension rendra les
parties métalliques exposées de l'outil sous tension et
causera des secousses électriques à l'opérateur.
Pour
couper dans des murs existants ou autres endroits
aveugles pouvant dissimuler des fils électriques,
débranchez tous les fusibles ou les disjoncteurs ali-
mentant ce lieu de travail.
Assurez-vous toujours que la surface de travail est
exempte de clous et autres objets étrangers. La coupe
dans un clou peut faire sauter la lame et l'outil, et ainsi
abîmer la lame.
Ne tenez jamais le matériau d'une main et l'outil de
l'autre lorsque vous en faites usage. Ne placez
jamais les mains sous la surface de coupe ou à prox-
imité de celle-ci. Il est plus sûr de cramponner le
matériau et de guider l'outil des deux mains.
Ne placez jamais l’outil avec le fer dépassant de
l’embase sur un établi ou sur la surface de la pièce.
Couchez l’outil ou rentrez le fer avant de poser
l’outil sur un établi ou sur la surface de la pièce. Si
le fer dépasse, il risque de provoquer un rebond de
l’outil.
Portez toujours des lunettes de sécurité et un masque
anti-poussières. N'utilisez l'outil qu'à un endroit bien
aéré. L'utilisation de dispositifs de sécurité personnelle
et le travail dans un environnement sûr réduisent les
risques de blessures.
Après avoir changé les lames ou effectué quelque
réglage que ce soit, assurez-vous que l'écrou de la
douille et tout autre dispositif de réglage sont bien
serrés. Un dispositif de réglage lâche peut bouger
soudainement et causer ainsi une perte de contrôle avec
projection violente des composants en rotation.
Ne mettez jamais l'outil en marche alors que la lame
est enfoncée dans le matériau. Le tranchant de la lame
peut se coincer dans le matériau et vous faire perdre le
contrôle du couteau.
Tenez toujours le couteau des deux mains durant la
mise en marche. Le couple de réaction du moteur peut
faire tordre l'outil.
Le sens d'introduction de la lame dans le matériau
est très important, et il est lié au sens d'introduction
de la lame. Lorsque vous regardez l'outil depuis le
dessus, la lame tourne en sens horaire. Le sens d'in-
troduction du couteau doit être anti-horaire. REMAR-
QUE : Les coupes intérieures et extérieures néces-
siteront des sens de déplacement différents - référez-
vous à la section consacrée au sens de déplacement de
la toupie. Si l'outil est introduit dans le mauvais sens, le
tranchant de la lame peut sortir du matériau et tirer
l'outil dans le sens de cette introduction.
Il faut toujours utiliser l’outil avec l’embase de
défonceuse fixée solidement et placée bien à plat
sur la pièce à toupiller. De cette manière, votre outil
est plus stable et plus facile à maîtriser.
N'utilisez jamais de lames émoussées ou abîmées.
Les lames affilées doivent être maniées soigneuse-
ment. Les mèches abîmées peuvent se rompre
brusquement durant l'usage. Les lames émoussées
nécessitent plus de force pour pousser l'outil, causant
éventuellement un bris de la lame.
Ne touchez jamais la lame durant ou immédiatement
après l'usage. Après usage, la lame est trop chaude
pour être touchée à main nue.
Ne posez jamais l'outil avant que le moteur ne se soit
arrêté complètement. La lame en rotation peut saisir la
surface et vous faire perdre le contrôle de l'outil.
N'utilisez pas l'outil pour percer. Cet outil n'est pas
destiné à être utilisé avec des mèches de perceuse.
N’utilisez jamais des fers dont le diamètre de coupe
est supérieur à celui de l’ouverture pratiquée dans la
base.
DM 2610920458 2-04 2/19/04 12:24 PM Page 13

14
Commandes
Assemblage de l’accessoire de défonceuse en plongée sur votre outil
ACCESSOIRE À UTILISER AVEC LES OUTILS ROTAT-
IFS DREMEL MODÈLES 275, 285, 395 OU 398.
Débranchez la prise avant
tout assemblage, réglage
ou changement d’accessoire. De telles mesures de
sécurité préventive réduisent le risque de démarrage
intempestif de l’outil.
1. Enlevez l’écrou de douille, ensuite enlevez le cou-
vercle du boîtier de votre outil rotatif et mettez-le
de côté (Fig. 2). Remontez-le quand vous avez fini
d’utiliser cet accessoire. Une fois le couvercle
enlevé, remontez l’écrou de douille.
2. Placez l’outil dans votre accessoire de défonceuse
de sorte que le bouton de blocage de l’arbre soit
tourné vers l’avant comme indiqué (Fig. 3).
3. Vissez l’écrou de montage en sens horaire sur la
partie filetée de votre outil rotatif et serrez-le
fermement à l’aide de la clé de montage fournie.
Bouton de blocage
de l’arbre
Poignée
(tournez pour bloquer)
Poignée fixe
Commande de vitesse
Échelle des profondeurs
(anglaise/métrique)
Outil rotatif
Dremel
Butée de profondeur Écrou de réglage
supérieur
Bouton de
déblocage
Écrou de réglage
inférieur
Bouton de
blocage de
l’arbre
Couvercle du
boîtier
Clé de montage et
zone de rangement
Zone de rangement pour
clé à écrou de douille
(clé non comprise)
Clé de
montage
Écrou de
montage
Guide parallèle
FIG. 1
FIG. 2
FIG. 3
Guide de
cercle
AVERTISSEMENT
!
DM 2610920458 2-04 2/19/04 12:24 PM Page 14

15
Consignes de fonctionnement
ACCESSOIRE À UTILISER AVEC LES OUTILS ROTAT-
IFS À HAUTE VITESSE DREMEL MODÈLES 275, 285,
395 OU 398.
ATTENTION : Cet accessoire transforme votre outil
rotatif Dremel en défonceuse en plongée qui permet le
toupillage à main levée, le toupillage de chants et de
rainures et les découpes circulaires. Cet accessoire
est livré assemblé et prêt à l’emploi pour effectuer des
toupillages à main levée ou avec fer piloté.
Cette défonceuse n’est
pas prévue pour être util-
isée sous une table de toupillage ou de sciage.
Montage des fers de défonceuse
Les fers de défonceuse sont maintenus dans l’outil par
un système de douille. Le fer peut être installé avant
ou après avoir monté l’outil rotatif sur l’accessoire.
1. Appuyez sur le bouton de blocage de l’arbre et
maintenez-le enfoncé tout en tournant l’écrou de
douille et l’arbre. Continuez de tourner jusqu’à ce
que le blocage s’enclenche et bloque la rotation de
l’arbre (Fig. 4).
2. Utilisez la clé de votre outil rotatif Dremel et tournez
l’écrou de douille en sens anti-horaire pour le
dévisser.
3. Lâchez le bouton de blocage de l’arbre.
4. Enfilez le fer de défonceuse dans la douille aussi
loin que possible pour assurer le pincement correct
du fer et minimiser son battement. N’enfoncez pas
le fer au point que ses cannelures touchent la
douille ou l’écrou de douille afin d’éviter de
l’ébrécher ou de le fêler.
REMARQUE : Ne placez jamais l’outil avec le fer
dépassant de l’embase sur un établi ou sur la sur-
face de la pièce. Couchez l’outil ou rentrez le fer
avant de poser l’outil sur un établi ou sur la surface
de la pièce. Si le fer dépasse, il risque de provoquer
un rebond de l’outil.
5. Ré-enclenchez le bouton de verrouillage de l’arbre
et serrez l’écrou de douille; d’abord à la main, puis
à l’aide de la clé jusqu’à ce que le fer soit correcte-
ment serré.
Bouton de blocage
de l’arbre
Clé pour écrou
de douille
Écrou de douille
Embase
FIG. 4
AVERTISSEMENT
!
DM 2610920458 2-04 2/19/04 12:24 PM Page 15

16
Réglage de la profondeur de toupillage
REMARQUE : Pour faire des coupes profondes, surtout
pour les coupes en plongée au milieu de la pièce, il est
conseillé de faire plusieurs passes successives de pro-
fondeurs croissantes en se servant du réglage de pro-
fondeur et de l’échelle des profondeurs plutôt que de
tout toupiller en une seule fois.
The depth limiter can be adjusted for two depths.
La butée de profondeur peut être réglée pour deux pro-
fondeurs différentes.
1. Posez votre outil rotatif Dremel avec l’ensemble de
défonceuse sur la pièce à toupiller.
2. Tournez l’écrou de réglage supérieur pour le faire
remonter et l’écrou de réglage inférieur pour
l’abaisser de sorte que la butée de profondeur soit
libre de bouger (Fig. 5).
3. Desserrez la poignée de blocage (Fig. 6). Abaissez
lentement l’outil jusqu’à ce que le fer de défonceuse
effleure la pièce.
4. Serrez la poignée de blocage pour bloquer l’outil en
place.
5. Appuyez sur le bouton de déblocage et maintenez-
le enfoncé pour permettre à la butée de profondeur
de venir toucher l’embase de la défonceuse.
1eprofondeur de toupillage
6. Tournez la butée de profondeur vers le haut de
manière à amener la cote X à la première pro-
fondeur de toupillage désirée (Fig. 7).
REMARQUE : 1 tour égale 0,06 po (1,5 mm)
7. Tournez l’écrou de réglage supérieur de manière à
l’abaisser et le serrer légèrement contre le bâti de
la défonceuse.
2eprofondeur de toupillage
8. Tournez la butée de profondeur pour la remonter
de manière à amener la cote X à la seconde pro-
fondeur de toupillage désirée. Assurez-vous que
l’écrou de réglage supérieur tourne avec la butée
de profondeur et qu’il remonte et s’éloigne du bâti
de la défonceuse (Fig. 8).
9. Tournez l’écrou de réglage inférieur de manière à
le remonter et à le serrer légèrement contre le bâti
de la défonceuse
REMARQUE : L’écrou de réglage supérieur ne doit pas
bouger lorsque vous serrez l’écrou de réglage
inférieur.
1
X
X
X
X
Écrou de réglage
supérieur
Écrou de réglage
inférieur
Poignée
FIG. 5
FIG. 6
Bouton de
déblocage
FIG. 7
Butée de
profondeur
Écrou de
réglage
supérieur
Butée de
profondeur
Écrou de
réglage
inférieur
Butée de
profondeur
FIG. 8
DM 2610920458 2-04 2/19/04 12:24 PM Page 16

17
10. Appuyez sur le bouton de déblocage pour choisir
la 1e ou la 2e profondeur de toupillage (Fig. 9).
REMARQUE : Il est conseillé de contrôler le réglage
des deux profondeurs de toupillages en faisant un
essai. Réglez à nouveau si nécessaire.
Quand vous avez terminé le toupillage, desserrez la
poignée et ramenez la défonceuse à la position haute.
Mouvement d’avance
Si la défonceuse est difficile à maîtriser, chauffe,
tourne très lentement ou produit une coupe impar-
faite, considérez les raisons suivantes :
• Sens d’avance incorrect – difficile à maîtriser.
• Avance trop rapide – surcharge du moteur.
• Fer émoussé – surcharge du moteur.
• Passe trop importante – surcharge du moteur.
• Avance trop lente – brûlures sur la pièce dues au
frottement.
Déplacez l’outil régulièrement et sans vous arrêter (ne
forcez pas). Vous apprendrez vite à reconnaître le
bruit et le comportement de la défonceuse quand
celle-ci est utilisée au mieux de ses possibilités.
Vitesse d’avance
Lors du toupillage ou usinage similaire dans du bois
ou du plastique, les meilleur finis sont obtenus quand
la profondeur de coupe et la vitesse d’avance sont
régulés afin de maintenir la vitesse du moteur à un
niveau élevé. Déplacez la défonceuse à une vitesse
modérée. Les matériaux tendres nécessitent une
vitesse d’avance plus importante que les matériaux
durs.
Il se peut que la défonceuse cale si elle est utilisée
incorrectement ou si elle est en surcharge. Réduisez
la vitesse d’avance pour éviter d’abîmer l’outil.
Assurez-vous toujours que l’écrou de douille est serré
fermement avant toute utilisation. Utilisez toujours
des fers de défonceuse dont le tranchant est aussi
court que possible tout en étant suffisamment long
pour produire l’usinage désiré. Ceci minimisera le
battement et les vibrations du fer.
Toupillage de chants
Pour toupiller des chants, utilisez toujours des fers
pilotés ou munis d’un roulement. La partie inférieure
d’un fer piloté est un arbre lisse sans bord tranchant.
Les fers guidés par roulement sont munis d’un roule-
ment à bille qui sert à piloter le fer.
Le pilote glisse le long du chant de la pièce pendant
que les tranchants en rotation usinent pour former un
chant décoratif. Le chant sur lequel glisse le pilote
doit être parfaitement lisse car toute irrégularité serait
recopiée sur la surface usinée.
Quand on toupille une pièce dont on doit moulurer un
chant en bois de bout, il convient de toupiller ce chant
avant de toupiller ceux qui sont dans le sens du fil.
Ceci minimise le risque que les éclats éventuels à
l’extrémité du chant en bois de bout n’abîment la
pièce.
Sens d’avance de la défonceuse
L’arbre de la défonceuse tourne dans le sens horaire
en vue de dessus. Pour bien maîtriser l’outil et pour
assurer un travail de haute qualité, déplacez l’outil
vers la pièce dans le sens qui tend à s’opposer à la
rotation du fer et à faire pénétrer ce dernier automa-
tiquement dans la pièce. Si le sens de l’avance est
incorrect, le fer aura tendance à grimper le long de la
surface usinée.
Déplacez l’outil dans le sens indiqué ici. Pour
toupiller le long du chant d’une pièce carrée, déplacez
la défonceuse en sens anti-horaire. Pour toupiller un
bord interne comme indiqué, déplacez la défonceuse
en sens horaire (Fig. 10).
REMARQUE : le sens de l’avance est très important
quand on utilise un fer piloté à main levé le long du
chant d’une pièce.
Bouton de déblocage
FIG. 9
Sens d’avance de la défonceuse
Sens de rotation du fer
Pièce
Toupiller
d’abord
le bois
de bout
FIG. 10
DM 2610920458 2-04 2/19/04 12:24 PM Page 17

18
Assemblage du guide parallèle
Pour utiliser le guide parallèle, assemblez les tiges du
guide dans l’ensemble du porte-outil et serrez-les à
l’aide de (2) écrous carrés No 10-24 et (2) boutons des
tiges du guide (Fig. 11).
Les écrous carrés se glissent dans les fentes situées
au-dessus des tiges de guide. Les boutons des tiges
du guide se montent par le dessus, par le trou, puis
dans l’écrou et enfin contre la tige. Serrez le guide par-
allèle sur les tiges du guide à l’aide des boutons de
guide parallèle et des écrous six-pans.
Placez les écrous six-pans sous le guide parallèle et
serrez avec le bouton du guide parallèle situé sur la
surface supérieure du guide parallèle. Glissez l’ensem-
ble du guide parallèle sur les tiges du guide comme
indiqué. Réglez le guide parallèle à la distance désirée
du fer et serrez les boutons du guide parallèle. (Voir
Fig. 11 )
On se sert du guide parallèle pour toupiller des chants,
usiner des feuillures, des rainures, des mortaises, des
languettes, des gorges, des fentes et des chanfreins.
Souvenez-vous de déplacer l’outil de manière à ce que
le fer tende à appuyer le guide parallèle contre la pièce.
Un déplacement régulier produit un toupillage uni-
forme.
En général, il est préférable de faire plusieurs passes
peu profondes quand on désire produire une rainure
profonde. La profondeur de coupe maximale dépend
du matériau toupillé. Ne déplacez pas la machine si vite
que la vitesse du moteur décroît sensiblement.
Écrous carrés
Guide de cercle
Guide parallèle
Clou de finition
Bouton de guide parallèle
Tiges du guide
Écrous six-pans
Bouton de tige du guide
Vis de réglage de profondeur
FIG. 11
Lubrification de l’outil
Le nettoyage et le graissage réguliers des montants-
guides maintiendra l'action du piston sans à-coup.
Appuyer sur le guide du piston et le verrouiller, et
appliquer uniformément du lubrifiant léger (tel que de
la vaseline, de l'huile de cuisine) sur la partie
supérieure des montants-guides.
DM 2610920458 2-04 2/19/04 12:24 PM Page 18

19
Installation
1. Montez le guide parallèle sur les blocs de montage
de la défonceuse en plongée. (Fig. 12).
2. Placez le guide parallèle contre la surface de la
pièce et mettez le fer de défonceuse dans la position
souhaitée.
3. Serrez les boutons.
Toupillage avec le guide parallèle
Faites glisser la partie plate du guide parallèle le long de
la surface de la pièce.
Guide parallèle
Toupillage d’arcs de cercle et de cercles
1. Enlevez le guide parallèle et fixez le support du
guide de cercle sur les tiges du guide (Fig. 13).
2. Servez-vous du clou de finition fourni comme de
la pointe d’un compas. Réglez le guide de cercles
afin d’obtenir le rayon désiré.
3. Enfilez le clou dans le trou du guide et positionnez-
le au centre du rayon que vous désirez toupiller.
Guide parallèle
Blocs de
montage
Guide parallèle
Clou de finition
FIG. 12
FIG. 13
DM 2610920458 2-04 2/19/04 12:24 PM Page 19

20
Gabarits
L’utilisation de motifs en gabarit vous permet de
recopier des dessins ou des lettres régulièrement à
chaque fois. Cette technique nécessite l’utilisation
d’une bague de guidage.
BAGUES DE GUIDAGE
La bague de guidage illustrée à la Fig. 14 est principale-
ment une plaque munie d’un anneau qu’on insère dans
le trou de l’embase comme indiqué. On l’y fixe en vis-
sant une bague filetée au-dessus de la bague de
guidage. La bague de guidage glisse le long du bord du
gabarit tandis que le fer de la défonceuse, qui lui
dépasse en dessous, toupille la pièce.
ATTENTION : Assurez-vous que l’épaisseur du gabarit
est au moins égale à la longueur de bague de guidage
qui dépasse sous l’embase.
N’utilisez pas de fer qui risque de toucher l’intérieur de
l’anneau. Choisissez un fer de diamètre environ 1/16 po
plus petit.
De plus, il est facile de préparer des gabarits spéciaux
pour toupiller des motifs à répétition, des dessins spé-
ciaux, de la marqueterie et pour effectuer d’autres tâch-
es. Pour fabriquer un gabarit, on peut utiliser du contre-
plaqué, du panneau de fibres dur, du métal ou même du
plastique et le motif peut être découpé à la défonceuse,
à la scie sauteuse ou avec tout autre outil qui convient.
Souvenez-vous que le motif doit être conçu en tenant
compte de la distance entre le fer de défonceuse et la
bague de guidage (appelée « écart ») car la pièce finale
aura des dimensions qui différeront de celle du gabarit
de la valeur de l’écart, ceci étant dû à la position du fer
(Fig. 15).
TOUPILLAGE À MAIN LEVÉE
On peut produire de nombreux effets spéciaux en util-
isant la toupie à main levée avec un fer de petit diamètre.
En général, l’artisan reproduit sur la pièce, avec un cray-
on, le motif ou les lettres qu’il souhaite découper, après
quoi il se guide sur le trait de crayon.
Écrou de douille
Pièce
Fer de
défonceuse
Écart
Bague de guidage
Motif du
gabarit
FIG. 15
Embase
Bague filetée
Bague de
guidage
Embase
FIG. 14
DM 2610920458 2-04 2/19/04 12:24 PM Page 20

21
No de No de Description
réf. pièce
1 2610920042 Ressort (2)
2 2610920041 Colonne (2)
3 2610913432 Repère de profondeur
4 2610920044 Ensemble de plaque de guidage
5 1603501018 Vis moletée
6 2603345015 Écrou de réglage (2)
7 2604511008 Ressort hélicoïdal
8 2602305044 Goupille
9 2610918203 Poignée
10 2610918204 Capot de poignée
11 2610918206 Capot de poignée
12 2916011884 Rondelle plate (2)
13 2910011191 Vis à tête cylindrique (2)
14 2610358149 Écrou (2)
No de No de Description
réf. pièce
15 2610920043 Axe de pression
16 2610917203 Guide parallèle
17 2610920879 Ensemble de semelle
18 2610917207 Clé de montage
19 2610917208 Tige du guide (2)
20 2615294964 Écrou carré (2)
21 2610915483 Écrou (2)
22 2610914826 Guide de cercle
23 2610914825 Vis de blocage No 6-32 (4)
24 2615294965 Clou
25 2610920984 Bague filetée
26 2610920985 Bague de guidage 15/16 po
27 2610920986 Bague de guidage 5/8 po
1
2
3
4
5
9
10
11
12
12 13
13
14
15
17
19
8
7
6
6
22
23
23
23
24
20
21
16
18
Schéma des pièces Dremel
26 27
25
DM 2610920458 2-04 2/19/04 12:24 PM Page 21

22
Votre produit Dremel est garanti contre les vices de matériaux ou d’exécution pendant un délai un an depuis la
date d’achat. Dans l’hypothèse où le produit ne se conformerait pas à cette garantie écrite, veuillez procéder de
la façon suivante :
1. NE RAPPORTEZ PAS le produit à l’endroit où vous l’avez acheté.
2. Emballez avec soin le produit seul, sans aucun autre article, et renvoyez-le, port payé, accompagné :
A. d’une copie de votre preuve d’achat datée (veuillez en garder une copie pour vous-même)
B. d’une déclaration écrite concernant la nature du problème
C. d’une indication de vos nom, adresse et numéro de téléphone, à l’adresse suivante :
We recommend that the package be insured against loss or in transit damage for which we can-
not be responsible.
This warranty applies only to the original registered purchaser. DAMAGE TO THE PRODUCT
RESULTING FROM TAMPERING, ACCIDENT, ABUSE, NEGLIGENCE, UNAUTHORIZED REPAIRS
OR ALTERATIONS, UNAPPROVED ATTACHMENTS OR OTHER CAUSES UNRELATED TO
PROBLEMS WITH MATERIAL OR WORKMANSHIP ARE NOT COVERED BY THIS WARRANTY.
No employee, agent, dealer or other person is authorized to give any warranties on behalf of
Dremel. If Dremel inspection shows that the problem was caused by problems with material or
workmanship within the limitations of the warranty, Dremel will repair or replace the product free of
charge and return product prepaid. Repairs made necessary by normal wear or abuse, or repair
for product outside the warranty period, if they can be made, will be charged at regular factory
prices.
DREMEL MAKES NO OTHER WARRANTY OF ANY KIND WHATEVER, EXPRESSED OR IMPLIED,
AND ALL IMPLIED WARRANTIES OF MERCHANTABILITY AND FITNESS FOR A PARTICULAR
PURPOSE WHICH EXCEED THE ABOVE MENTIONED OBLIGATION ARE HEREBY DISCLAIMED
BY DREMEL AND EXCLUDED FROM THIS LIMITED WARRANTY.
This warranty gives you specific legal rights and you may also have other rights which vary from
state to state. The obligation of the warrantor is solely to repair or replace the product. The war-
rantor is not liable for any incidental or consequential damages due to any such alleged defect.
Some states do not allow the exclusion or limitation of incidental or consequential damages, so
the above limitations or exclusion may not apply to you.
For prices and warranty fulfillment in the continental United States, contact your local Dremel dis-
tributor.
Exportado por: Robert Bosch Tool Corporation Mt. Prospect, IL 60056 -2230, E.U.A.
Importado en México por: Robert Bosch, S.A. de C.V., Calle Robert Bosch No. 405, Zona
Industrial, Toluca, Edo. de México, C.P. 50070, Tel. (722) 2792300
Garantie limitée de Dremel
ÉTATS-UNIS
Dremel Service Center
4915 Twenty-First Street
Racine, Wisconsin 53406
Dremel Service Center
4631 E. Sunny Dunes
Palm Springs, CA 92264
À L’EXTÉRIEUR DU TERRITOIRE
CONTINENTAL DES ÉTATS-UNIS
Consultez votre distributeur local ou
écrivez à :
Dremel 4915 Twenty-First St., Racine,
Wisconsin 53406
CANADA
Clinique d’ Outillage M.P.
3075 Boul, Hamel, Suite 107
Quebec City, Quebec G1P 4C6
Giles Tool Agencies
6520 Lawrence Avenue, East
Scarborough, Ontario M1C4A7
Service d’Outlis ACM
2071 Victoria Street
St. Lambert, Quebec J4S 1H1
Westcoast Tool
Unit 2-285 East First Avenue
Vancouver, B.C. V5T 1A8
DM 2610920458 2-04 2/19/04 12:24 PM Page 22

23
Instrucciones de funcionamiento y seguridad
Aditamento de fresadora de descenso
vertical modelo 335
• Seguridad
• Ensamblaje
• Funcionamiento
• Piezas de repuesto
• Garantía
P.O. Box 1468
Racine, Wisconsin
1-800-437-3635
http://www.dremel.com
Los productos de la marca Dremel son fabricados y vendidos por la
División Dremel de Robert Bosch Tool Corporation
DM 2610920458 2-04 2/19/04 12:24 PM Page 23

24
Normas de seguridad para herramientas mecánicas
Lea y entienda todas las instrucciones. El incumplimiento de todas las instrucciones indi-
cadas a continuación puede dar lugar a sacudidas eléctricas, incendios y/o lesiones per-
sonales graves. CONSERVE ESTAS INSTRUCCIONES
Normas de seguridad para fresadoras
Asegúrese de leer y entender el manual del usuario de los modelos de herramienta giratoria Dremel
275, 285, 395 y 398.
ADVERTENCIA
!
Sujete siempre la herramienta por las superficies de
agarre aisladas al realizar una operación en la que la
herramienta de corte pueda entrar en contacto con
cables ocultos o con su propio cordón. El contacto con
un cable con corriente transmitirá corriente a las piezas
metálicas al descubierto y hará que el operador reciba
sacudidas eléctricas.
Si el corte en paredes existentes u
otras áreas ciegas donde puedan existir cables eléctri-
cos es inevitable, desconecte todos los fusibles o
cortacircuitos que alimentan el lugar de trabajo.
Asegúrese siempre de que la superficie de trabajo no
tenga clavos ni otros objetos extraños. El corte de un
clavo puede hacer que la broca y la herramienta salten
y que la broca se dañe.
Nunca tenga la pieza de trabajo en una mano y la her-
ramienta en la otra al utilizarla. Nunca ponga las
manos cerca o debajo de la superficie de corte. Es
más seguro fijar con abrazaderas el material y guiar la
herramienta con ambas manos.
No ponga nunca la herramienta sobre un banco o
una superficie de trabajo si la broca está sobre-
saliendo a través de la base. Coloque la herramienta
apoyándola sobre uno de sus lados o retraiga la
broca antes de poner la herramienta sobre un banco
o una superficie de trabajo. Si la broca de corte
sobresale, podría hacer que la herramienta salte.
Use siempre gafas de seguridad y máscara antipolvo.
Use la herramienta únicamente en un área bien ven-
tilada. La utilización de dispositivos de seguridad per-
sonal y el trabajar en un entorno seguro reducen el ries-
go de que se produzcan lesiones.
Después de cambiar las brocas o de hacer ajustes,
asegúrese de que la tuerca del portaherramienta y
otros dispositivos de ajuste estén apretados firme-
mente. Un dispositivo de ajuste flojo puede desplazarse
inesperadamente, causando pérdida de control, y los
componentes giratorios flojos saldrán despedidos vio-
lentamente.
Nunca arranque la herramienta cuando la broca esté
acoplada en el material. El borde de corte de la broca
puede engancharse en el material, causando pérdida de
control de la cortadora.
Sujete siempre la herramienta con las dos manos
durante el arranque. El par de reacción del motor
puede hacer que la herramienta se tuerza.
El sentido de avance de la broca en el material es
muy importante y está relacionado con el sentido de
giro de la broca. Al mirar a la herramienta desde arri-
ba, la broca gira en el sentido de las agujas del reloj.
El sentido de avance de corte debe ser en contra de
las agujas del reloj. NOTA: Los cortes interiores y
exteriores requerirán un sentido de avance distinto;
consulte la sección sobre avance de la fresadora. El
hacer avanzar la herramienta en sentido incorrecto hace
que el borde de corte de la broca se salga de la pieza de
trabajo y tire de la herramienta en el sentido de este
avance.
Utilice siempre la herramienta con la base de
fresadora sujeta firmemente y posicionada plana
contra el material que se esté cortando. Tener la base
posicionada firmemente sobre el material mejora la
estabilidad y el control de la herramienta.
Nunca use brocas desafiladas o dañadas. Las brocas
afiladas se deben manejar con cuidado. Las brocas
dañadas pueden romperse bruscamente durante el uso.
Las brocas desafiladas requieren más fuerza para
empujar la herramienta, con lo que es posible que la
broca se rompa.
Nunca toque la broca durante ni inmediatamente
después de la utilización. Después del uso, la broca
está demasiado caliente como para tocarla con las
manos desnudas.
Nunca deje la herramienta hasta que el motor se
haya detenido por completo. La broca que gira puede
engancharse en la superficie y tirar de la herramienta
haciendo que usted pierda el control.
No utilice la herramienta para taladrar. Esta her-
ramienta no está diseñada para uso con brocas tal-
adradoras.
Nunca utilice brocas que tengan un diámetro de corte
mayor que la abertura de la base.
DM 2610920458 2-04 2/19/04 12:24 PM Page 24

25
Controles de utilización
Montaje del aditamento de fresadora de descenso vertical en la herramienta
ADITAMENTO PARA USO CON LOS MODELOS DE
HERRAMIENTA GIRATORIA DREMEL 275, 285, 395
Y 398.
Desconecte el enchufe de la
fuente de alimentación antes
de realizar cualquier ensamblaje o ajuste, o antes
de cambiar accesorios. Dichas medidas preventivas
de seguridad reducen el riesgo de arrancar acciden-
talmente la herramienta.
1. Quite la tuerca del portaherramienta, luego quite
la tapa de la carcasa de la herramienta giratoria y
deje a un lado la tapa de la carcasa (Fig. 2). La
tapa de la carcasa se debe reinstalar cuando este
aditamento no se esté utilizando. Una vez que se
haya quitado la tapa de la carcasa, monte de
nuevo la tuerca del portaherramienta.
2. Coloque la herramienta dentro del aditamento de
fresadora con el botón de fijación del eje orienta-
do hacia delante de la manera que se muestra en
la ilustración (Fig. 3).
3. Enrosque la tuerca de montaje en el sentido de las
agujas del reloj en la porción roscada de la
herramienta giratoria y apriétela firmemente con
la llave de tuerca de montaje suministrada.
Botón de
fijación del eje
Agarre de mano
(gírela para fijar
la herramienta)
Agarre de mano
(estacionario)
Control de velocidad
Escala de profundidad
(inglesa/métrica)
Herramienta giratoria
Dremel
Tope de profundidad Tuerca de
ajuste superior
Botón de
suelta
Tuerca de
ajuste inferior
Botón de
fijación del eje
Tapa de la
carcasa
Llave de tuerca de montaje
y área de almacenamiento
Área de almacenamiento
de la llave de tuerca del
portaherramienta
(llave no incluida)
Llave de tuerca
de montaje
Tuerca de
montaje
Guía de borde
FIG. 1
FIG. 2
FIG. 3
Guía de
círculos
ADVERTENCIA
!
DM 2610920458 2-04 2/19/04 12:24 PM Page 25

26
Instrucciones de utilización
ADITAMENTO PARA USO CON LOS MODELOS DE
HERRAMIENTA GIRATORIA DE ALTA VELOCIDAD
DREMEL 275, 285, 395 Y 398.
ATENCIÓN: Este aditamento convertirá la herramienta
giratoria Dremel en una fresadora de descenso verti-
cal para realizar fresado, conformado de bordes,
ranurado y cortes circulares a pulso. El aditamento de
fresadora viene ensamblado, listo para realizar
fresado a pulso o con broca piloto.
Este aditamento de fresadora
no está diseñado para
utilizarse debajo de una mesa de fresadora o de
sierra.
Introducción de la broca de fresadora
Las brocas de fresadora se sujetan en la herramienta
mediante un sistema de portaherramienta. La broca
se puede instalar antes o después de que la
herramienta giratoria esté instalada en el
aditamento.
1. Oprima y mantenga oprimido el botón de fijación
del eje a la vez que gira la tuerca del portaher-
ramienta y el eje. Continúe girando la tuerca del
portaherramienta y el eje hasta que el cierre se
acople y sujete el eje (Fig. 4).
2. Utilice la llave de tuerca de la herramienta girato-
ria Dremel y gire la tuerca del portaherramienta en
sentido contrario al de las agujas del reloj para
aflojarla.
3. Suelte el botón de fijación del eje.
4. Introduzca la broca de fresadora en el portaher-
ramienta tan profundamente como sea posible,
para asegurarse de que la broca quede agarrada
apropiadamente y para minimizar el descen-
tramiento. No introduzca la broca tan profunda-
mente como para que sus estrías toquen el porta-
herramienta o la tuerca del portaherramienta, con
el fin de evitar descascarar o agrietar la broca.
NOTA: No ponga nunca la herramienta sobre un
banco o una superficie de trabajo si la broca está
sobresaliendo a través de la base. Coloque la her-
ramienta apoyándola sobre uno de sus lados o
retraiga la broca antes de poner la herramienta sobre
un banco o una superficie de trabajo. Si la broca de
corte sobresale, podría hacer que la herramienta
salte.
5. Reacople el botón de fijación del eje y apriete la
tuerca del portaherramienta, primero con la mano
y luego usando la llave de tuerca, hasta que la
broca esté firmemente sujeta.
Botón de fijación
del eje
Llave de tuerca del
portaherramienta
Tuerca del
portaherramienta
Base
FIG. 4
ADVERTENCIA
!
DM 2610920458 2-04 2/19/04 12:24 PM Page 26

27
Ajuste de la profundidad de fresado
NOTA: Cuando realice cortes profundos, especialmente
cortes por penetración alejados del borde de la pieza de
trabajo, se recomienda realizar varios cortes sucesivos,
progresivamente más profundos, utilizando el ajuste
de profundidad y la escala de profundidad, en lugar de
realizar un solo corte profundo.
El limitador de profundidad se puede ajustar para dos
profundidades.
1. Coloque el conjunto de herramienta giratoria
Dremel y fresadora sobre la pieza de trabajo.
2. Gire hacia arriba la tuerca de ajuste superior y gire
hacia abajo la tuerca de ajuste inferior para que el
tope de profundidad quede libre para moverse
(Fig. 5).
3. Afloje el agarre de mano de fijación (Fig. 6). Baje
lentamente la herramienta hasta que la broca de
fresadora justo toque la pieza de trabajo.
4. Apriete el agarre de mano de fijación para fijar la
herramienta en su sitio.
5. Oprima y mantenga oprimido el botón de suelta
para que el tope de profundidad toque la base de
la fresadora.
Primera profundidad de fresado
6. Gire hacia arriba el tope de profundidad de modo
que la medida X sea igual a la primera profundidad
de fresado deseada (Fig. 7).
NOTA: 1 vuelta es igual a 0.06" (1.5 mm)
7. Gire hacia abajo la tuerca de ajuste superior hasta
que esté perfectamente ajustada contra el
armazón de la fresadora.
Segunda profundidad de fresado
8. Gire hacia arriba el tope de profundidad de modo
que la medida X sea igual a la segunda profundi-
dad de fresado deseada. Asegúrese de que la
tuerca de ajuste superior gire con el tope de pro-
fundidad, de modo que suba alejándose del
armazón de la fresadora (Fig. 8).
9. Gire hacia arriba la tuerca de ajuste inferior hasta
que esté perfectamente ajustada contra el
armazón de la fresadora.
NOTA: La tuerca de ajuste superior debe permanecer
estacionaria cuando se apriete la tuerca de ajuste
inferior.
1
X
X
X
X
Tuerca de ajuste
superior
Tuerca de
ajuste inferior
Agarre de
mano
FIG. 5
FIG. 6
Botón de
suelta
FIG. 7
Tope de
profundidad
Tuerca de
ajuste superior
Tope de
profundidad
Tuerca de
ajuste inferior
Tope de
profundidad
FIG. 8
DM 2610920458 2-04 2/19/04 12:24 PM Page 27

28
10. Oprima el botón de suelta para seleccionar la
primera o la segunda profundidad de fresado
(Fig. 9).
NOTA: El ajuste de cada profundidad de fresado debe
comprobarse con un corte de prueba y debe reajus-
tarse según sea necesario.
Cuando se haya completado el fresado, afloje el
agarre de mano y devuelva la fresadora a la posición
superior.
Avance de la fresadora
Si la fresadora es difícil de controlar, se calienta,
funciona muy lentamente o deja un corte imperfecto,
considere estas causas:
• Sentido de avance incorrecto: Difícil de controlar.
• Avance demasiado rápido: Sobrecarga el motor.
• Broca desafilada: Sobrecarga el motor.
• Corte demasiado grande para una pasada:
Sobrecarga el motor.
• Avance demasiado lento: Deja quemaduras de fric-
ción en la pieza de trabajo.
Haga avanzar la fresadora suave y firmemente (no la
fuerce). Pronto aprenderá el sonido y la sensación
de la fresadora cuando está funcionando de modo
óptimo.
Velocidad de avance
Cuando frese o realice trabajo relacionado en madera
y plásticos, se obtendrán los mejores acabados si la
profundidad de corte y la velocidad de avance se
regulan para mantener el motor funcionando a alta
velocidad. Haga avanzar la fresadora a una velocidad
moderada. Los materiales blandos requieren una
velocidad de avance más rápida que los materiales
duros.
Es posible que la fresadora se pare si se utiliza
incorrectamente o se sobrecarga. Reduzca la velocidad
de avance para prevenir posibles daños a la
herramienta. Asegúrese siempre de que la tuerca del
portaherramienta esté apretada firmemente antes de
utilizar la fresadora. Utilice siempre brocas de
fresadora con la longitud de corte más corta
necesaria para producir el corte deseado. Esto
minimizará el descentramiento y la vibración ruidosa
de la broca de fresadora.
Conformado de bordes
Al realizar conformado de bordes, utilice siempre brocas
con punta piloto o con cojinete. La parte inferior de una
broca con punta piloto es un vástago que no tiene
bordes de corte. Las brocas con guía de cojinete tienen
un cojinete de bolas para pilotar la broca.
El piloto se desliza a lo largo del borde de la pieza de
trabajo a medida que la broca que gira realiza el corte,
formando bordes decorativos. El borde sobre el que el
piloto se desliza debe ser perfectamente liso, ya que
cualquier irregularidad es transferida a la superficie
conformada.
Al fresar una pieza de trabajo que requiera conformar
un borde a contrahilo, frese siempre el borde a
contrahilo antes de fresar los bordes que siguen la
veta. Esto minimiza la posibilidad de daños por causa
de estallidos al final del contrahilo.
Sentido de avance de la fresadora
El husillo de la fresadora gira en el sentido de las agujas
del reloj cuando se ve desde arriba. Para lograr el
mejor control y la mejor calidad de corte, haga avanzar
la herramienta hacia la pieza de trabajo en el sentido en
que la broca tienda a penetrar en la madera. Un sentido
de avance incorrecto hará que la broca intente trepar y
acabe trepando por la madera.
Haga avanzar la herramienta en el sentido que se
muestra aquí. Si se está cortando alrededor del borde
de una pieza cuadrada, mueva la herramienta en sentido
contrario al de las agujas del reloj. Si se está fresando
la superficie interior de la manera que se muestra en la
ilustración, mueva la herramienta en el sentido de las
agujas del reloj (Fig. 10).
NOTA: El sentido de avance es sumamente
importante cuando se utilice a pulso una broca con
punta piloto en el bode de una pieza de trabajo.
Botón de suelta
FIG. 9
Sentido de avance de la fresadora
Rotación de la broca
Pieza de trabajo
Frese
primero
a
contrahilo
FIG. 10
DM 2610920458 2-04 2/19/04 12:24 PM Page 28

29
Montaje de la guía de borde
Para usar la guía de borde, monte las varillas de guía
en el conjunto del portaherramienta y sujételas
firmemente utilizando (2) tuercas cuadradas No. 10-24
y (2) pomos de varilla de guía (Fig. 11).
La tuerca cuadrada se deslizará sobre las varillas de
guía. Los pomos de varilla de guía se montan desde
arriba a través de los agujeros, hacia abajo a través de
las tuercas y contra las varillas. Sujete la guía de borde
a las varillas de guía utilizando los pomos de la guía de
borde y las tuercas de cabeza hexagonal.
Localice las tuercas de cabeza hexagonal debajo de la
guía de borde y sujételas con el pomo de la guía de
borde en la superficie superior de la guía de borde.
Deslice el conjunto de la guía de borde sobre las
varillas de guía de la manera que se muestra en la
ilustración. Ajuste la guía de borde a la distancia desea-
da del cortador y apriete los pomos de la guía de borde
(vea la Fig. 11).
La guía de borde se utiliza para conformar bordes y
cortar rebajos, ranuras, mortajas, lengüetas, surcos,
hendiduras y chaflanes. Recuerde hacer avanzar la
fresadora de manera que el cortador tienda a tirar de la
guía de borde contra la madera. Una velocidad de
avance constante da un corte suave.
En general, se deben hacer varios cortes poco profundos
cuando se desee una ranura profunda. La profundidad
de corte máxima variará dependiendo del material
utilizado. No sobreavance hasta una cantidad tal que se
reduzca apreciablemente la velocidad del motor.
Tuercas
cuadradas
Guía de círculos
Guía de borde
Clavo de acabado
Pomo de la guía de borde
Varillas de guía
Tuercas de cabeza hexagonal
Pomo de varilla
de guía
Tornillo de ajuste de profundidad
FIG. 11
Lubricación de las herramientas
La limpieza y lubricación periódica de los montantes
de guía mantendrán el movimiento de descenso ver-
tical uniforme.
Oprima y bloquee la fresadora de descenso vertical y
luego aplique un lubricante ligero (por ejemplo,
vaselina, aceite de cocina) a la parte superior de los
montantes de guía.
DM 2610920458 2-04 2/19/04 12:24 PM Page 29

30
Instalación
1. Instale la guía de borde en los bloques de montaje
de la fresadora de descenso vertical (Fig. 12).
2. Coloque la guía paralela contra la superficie de
trabajo con la broca de fresadora en la posición
deseada.
3. Apriete los tornillos de apriete manual.
Fresado con la guía de borde
Deslice el lado aplanado de la guía de borde a lo largo
de la superficie de trabajo.
Guía de borde
Fresado de arcos y círculos
1. Quite la guía de borde y acople el soporte de la
guía de círculos a las varillas de guía (Fig. 13)
2. Utilice el clavo de acabado suministrado como
punta de compás. Ajuste la guía de círculos para
lograr el radio deseado.
3. Coloque el clavo a través del agujero que está en
la guía y coloque el clavo en el centro del radio
deseado que se vaya a cortar.
Guía de
borde
Bloques de
montaje
Guía de
borde
Clavo de
acabado
FIG. 12
FIG. 13
DM 2610920458 2-04 2/19/04 12:24 PM Page 30

31
Plantillas
La utilización de patrones de plantilla permite duplicar
diseños o letras de modo uniforme una y otra vez. Esta
técnica requiere el uso de un casquillo de guía.
CASQUILLOS DE GUÍA
El casquillo de guía mostrado en la Fig. 14 es esencial-
mente una placa con un collarín que se introduce a
través del agujero de la base de la manera que se muestra
en la ilustración y se sujeta enroscando un tapón de
casquillo sobre el casquillo de guía. El casquillo de guía
se desplaza a lo largo del borde de la plantilla mientras
que la broca de fresadora, que sobresale por debajo,
corta penetrando en la pieza de trabajo.
ATENCIÓN: Asegúrese de que el grosor de la plantilla
sea el mismo o mayor que la longitud del casquillo que
sobresale por debajo de la base.
No utilice una broca que pueda tocar el interior del col-
larín. Seleccione una broca cuyo diámetro sea al
menos 1/16" más pequeño.
Además, es fácil preparar plantillas especiales para
cortar patrones repetidos, diseños especiales,
incrustaciones y otras aplicaciones. Un patrón de plan-
tilla se puede hacer de madera contrachapada, tablero
de aglomerado, metal o incluso plástico, y el diseño se
puede cortar con una fresadora, una sierra caladora u
otra herramienta de corte adecuada.
Recuerde que el patrón tendrá que hacerse de modo
que se compense la distancia entre la broca de fre-
sadora y el casquillo de guía (la "excentricidad"), ya que
la pieza de trabajo final diferirá en tamaño del patrón de
plantilla en esa cantidad, debido a la posición de la
broca (Fig. 15).
FRESADO A PULSO
Muchos efectos se logran utilizando la fresadora a pulso
con una broca de diámetro pequeño. Normalmente, el
artesano dibuja a lápiz el contorno o la inscripción que
desea en la pieza de trabajo y utiliza la línea de lápiz
como guía.
Tapón de
casquillo
Casquillo de
guía
Base
FIG. 14
Tuerca del
portaherramienta
Pieza de trabajo
Broca de
fresadora
Excentricidad
Casquillo de guía
Patrón de
plantilla
FIG. 15
Base
DM 2610920458 2-04 2/19/04 12:24 PM Page 31

32
No. No. Descripción
de de
ref. pieza
1 2610920042 Resorte (2)
2 2610920041 Poste de guía (2)
3 2610913432 Marcador de profundidad
4 2610920044 Conjunto de la placa de guía
5 1603501018 Tornillo estriado de apriete manual
6 2603345015 Tuerca de ajuste (2)
7 2604511008 Resorte de compresión
8 2602305044 Pasador de retén
9 2610918203 Agarre de mano
10 2610918204 Tapa de mango
11 2610918206 Tapa de mango
12 2916011884 Arandela lisa (2)
13 2910011191 Tornillos de cabeza chata ranurada (2)
14 2610358149 Tuerca (2)
No. No. Descripción
de de
ref. pieza
15 2610920043 Husillo de presión
16 2610917203 Guía de borde
17 2610920879 Conjunto de placa-base
18 2610917207 Llave de tuerca de montaje
19 2610917208 Varilla de guía (2)
20 2615294964 Tuerca cuadrada (2)
21 2610915483 Tuerca (2)
22 2610914826 Guía de círculos
23 2610914825 Tornillo de abrazadera No. 6-32 (4)
24 2615294965 Clavo
25 2610920984 Tapón de casquillo
26 2610920985 Casquillo de guía 15/16"
27 2610920986 Casquillo de guía 5/8"
1
2
3
4
5
9
10
11
12
12 13
13
14
15
17
19
8
7
6
6
22
23
23
23
24
20
21
16
18
Diagrama de piezas Dremel
26 27
25
DM 2610920458 2-04 2/19/04 12:24 PM Page 32

33
Este producto Dremel está garantizado contra defectos de material o de fabricación durante un período de un año
a partir de la fecha de compra. En caso de que un producto no se ajuste a esta garantía escrita, por favor, tome
las medidas siguientes:
1. NO devuelva el producto al lugar de compra.
2. Empaquete el producto cuidadosamente y solo, sin otros artículos, y envíelo con el porte pagado junto con:
A. Una copia de la prueba de compra fechada (por favor, conserve una copia para usted).
B. Una explicación por escrito de la naturaleza del problema.
C. Su nombre, dirección y número de teléfono a:
Recomendamos que el paquete sea asegurado contra pérdida o daños durante el transporte por los cuales no
podemos ser responsables.
Esta garantía tiene validez únicamente para el comprador original inscrito. LOS DAÑOS AL PRODUCTO
PRODUCIDOS POR MANIPULACION INCORRECTA, ACCIDENTE, ABUSO, NEGLIGENCIA, REPARACIONES O
ALTERACIONES NO AUTORIZADAS, ACCESORIOS NO APROBADOS U OTRAS CAUSAS NO RELACIONADAS
CON PROBLEMAS DEL MATERIAL O LA FABRICACION NO ESTAN CUBIERTOS POR ESTA GARANTIA.
Ningún empleado, agente, distribuidor, ni ninguna otra persona está autorizado a dar ninguna garantía en nombre
de Dremel. Si la inspección de Dremel demuestra que el problema fue causado por problemas con el material o
la fabricación dentro de los límites de la garantía, Dremel reparará o reemplazará el producto gratuitamente y
devolverá el producto con el porte pagado. Las reparaciones necesarias debido al desgaste normal o al abuso, o
las reparaciones de productos que se encuentren fuera del período de garantía, en caso de que se puedan realizar,
se cobrarán a precios de fábrica normales.
DREMEL NO DA NINGUNA OTRA GARANTIA DE NINGUN OTRO TIPO, EXPRESA O IMPLICITA, Y TODAS LAS
GARANTIAS IMPLICITAS DE COMERCIABILIDAD E IDONEIDAD PARA UN PROPOSITO ESPECIFICO QUE
EXCEDEN LA OBLIGACION MENCIONADA ANTERIORMENTE QUEDAN POR LA PRESENTE RECHAZADAS POR
PARTE DE DREMEL Y ESTAN EXCLUIDAS DE ESTA GARANTIA LIMITADA.
Esta garantía le confiere a usted derechos legales específicos y es posible que usted también tenga otros
derechos que varían de un estado a otro. La obligación del garante consiste únicamente en reparar o reemplazar
el producto. El garante no es responsable de ningún daño incidental o emergente debido a cualquiera de dichos
defectos alegados. Algunos estados no permiten la exclusión o limitación de los daños incidentales o emergentes,
por lo que es posible que las limitaciones o la exclusión anterior no sean aplicables en el caso de usted.
Para precios y cumplimiento de la garantía en los territorios continentales de los Estados Unidos, póngase en
contacto con el distribuidor local Dremel.
Exportado por: Robert Bosch Tool Corporation Mt. Prospect, IL 60056 -2230, E.U.A.
Importado en México por: Robert Bosch, S.A. de C.V., Calle Robert Bosch No. 405, Zona Industrial,
Toluca, Edo. de México, C.P. 50070, Tel. (722) 2792300
Garantía limitada Dremel
ESTADOS UNIDOS
Dremel Service Center
4915 Twenty-First Street
Racine, Wisconsin 53406
Dremel Service Center
4631 E. Sunny Dunes
Palm Springs, CA 92264
FUERA DE LOS TERRITORIOS
CONTINENTALES DE LOS EE.UU.
Vea al distribuidor local
o escriba a Dremel, 4915 Twenty-First St.
Racine, Wisconsin 53406
CANADA
Clinique d’ Outillage M.P.
3075 Boul, Hamel, Suite 107
Quebec City, Quebec G1P 4C6
Giles Tool Agencies
6520 Lawrence Avenue, East
Scarborough, Ontario M1C4A7
Service d’Outlis ACM
2071 Victoria Street
St. Lambert, Quebec J4S 1H1
Westcoast Tool
Unit 2-285 East First Avenue
Vancouver, B.C. V5T 1A8
DM 2610920458 2-04 2/19/04 12:24 PM Page 33

34
Notes:
DM 2610920458 2-04 2/19/04 12:24 PM Page 34

35
Remarques :
DM 2610920458 2-04 2/19/04 12:24 PM Page 35

36
Notas:
DM 2610920458 2-04 2/19/04 12:24 PM Page 36