EMS Technologies 008CMIR8 Cellular Repeater User Manual OP
EMS Technologies Inc Cellular Repeater OP
Operator Manual

Operator's Manual
MirrorCell Select
CDMA Repeater
Model CDR812
Model CDR801
1211 Ira E. Woods avenue
Grapevine, TX 76051
(817) 416-0583
Fax: (817) 488-1949

Introduction CI Wireless Inc.
MirrorCell Select CDR812 Manual
ii Rev. X1
File: \CDR812X1.DOC
Rev. X1
07 SEPT 1999

CI Wireless Inc. Introduction
MirrorCell Select CDR812 Manual
Rev. X1 iii
Disclaimer
Every attempt has been made to make this material complete, accurate, and up-to-date. Users are
cautioned, however, that CI Wireless Inc. reserves the right to make changes without notice and
shall not be responsible for any damages, including consequential, caused by reliance on the
material presented, including, but not limited to, typographical, arithmetical, or listing errors.
Copyright Information
© 1999 by CI Wireless Inc.
CI Wireless Inc.
Grapevine, TX 76051

Introduction CI Wireless Inc.
MirrorCell Select CDR812 Manual
iv Rev. X1
WARNINGS, CAUTIONS, AND GENERAL NOTES
This product conforms to FCC Part 15, Section 21. Changes or modifications not expressly
approved by the party responsible for compliance could void the user's authority to operate
the equipment.
Note: This equipment has been tested and found to comply with the limits for a Class A
digital device, pursuant to part 15 of the FCC rules. These limits are designed to
provide reasonable protection against harmful interference when the equipment is
operated in a commercial environment. This equipment generates, uses and can
radiate radio frequency energy and, if not installed and used in accordance with the
instruction manual, may cause harmful interference to radio communications.
Operation of this equipment in a residential area is likely to cause harmful
interference in which case the user will be required to correct the interference at
their own expense.
Safety Considerations
When installing or using this product, observe all safety precautions during handling and
operation. Failure to comply with the following general safety precautions and with specific
precautions described elsewhere in this manual violates the safety standards of the design,
manufacture, and intended use of this product. CI Wireless Inc. assumes no liability for the
customer's failure to comply with these precautions.
WARNING
WARNING Calls attention to a procedure or practice which, if ignored, may result in damage
to the system or system component. Do not perform any procedure preceded by a WARNING until
described conditions are fully understood and met.
If You Need Help
If you need additional copies of this manual, or have questions about system options, or
need help with installation and using of the system, please contact CI Wireless’ Sales
Department.
CI Wireless Sales Dept.
1211 Ira E. Woods Ave. Grapevine, TX 76051 USA
(817) 416-0583

CI Wireless Inc. Introduction
MirrorCell Select CDR812 Manual
Rev. X1 v
Service
Do not attempt to modify or service any part of this product other than in accordance with
procedures outlined in this Operator's Manual. If the product does not meet its warranted
specifications, or if a problem is encountered that requires service, notify CI Wireless’ sales
department. Service will be rendered according the CI Wireless’ warranty and repair policy.
The product shall not be returned without contacting CI wireless and obtaining a return
authorization number from the Sales department
When returning a product for service, include the following information: Owner, Model
Number, Serial Number, Return Authorization Number (obtained in advance from CI Wireless
Customer Service Department), service required and/or a description of the problem
encountered.
Warranty and Repair Policy
The CI Wireless Quality Plan includes product test and inspection operations to verify the
quality and reliability of our products.
CI Wireless uses every reasonable precaution to ensure that every device meets published
electrical, optical, and mechanical specifications prior to shipment. Customers are asked to
advise their incoming inspection, assembly, and test personnel as to the precautions
required in handling and testing ESD sensitive opto-electronic components. Physical
damage to the external surfaces voids warranty.
These products are covered by the following warranties:
1. General Warranty
CI Wireless warrants to the original purchaser all standard products sold by CI
Wireless to be free of defects in material and workmanship for the duration of the
warranty period of one (1) year from date of shipment from CI Wireless. During the
warranty period, CI Wireless’ obligation, at our option, is limited to repair or
replacement of any product that CI Wireless proves to be defective. This warranty
does not apply to any product which has been subject to alteration, abuse, improper
installation or application, accident, electrical or environmental over-stress,
negligence in use, storage, transportation or handling.
2. Specific Product Warranty Instructions
All CI Wireless products are manufactured to high quality standards and are
warranted against defects in workmanship, materials and construction, and to no
further extent. Any claim for repair or replacement of a device found to be defective
on incoming inspection by a customer must be made within 30 days of receipt of the
shipment, or within 30 days of discovery of a defect within the warranty period.
This warranty is the only warranty made by CI Wireless and is in lieu of all other
warranties, expressed or implied, except as to title, and can be amended only by a
written instrument signed by an officer of CI Wireless. CI Wireless sales agents or
representatives are not authorized to make commitments on warranty returns.
In the event that it is necessary to return any product against the above warranty, the
following procedure shall be followed:

Introduction CI Wireless Inc.
MirrorCell Select CDR812 Manual
vi Rev. X1
a. Return authorization shall be received from the CI Wireless Customer
Service prior to returning any device. Advise the CI Wireless Customer
Service of the model, serial number, and the discrepancy. The device shall
then be forwarded to CI Wireless, transportation prepaid. Devices returned
freight collect or without authorization may not be accepted.
b. Prior to repair, CI Wireless Customer Service will advise the customer of CI
Wireless test results and will advise the customer of any charges for repair
(usually for customer caused problems or out-of-warranty conditions).
If returned devices meet full specifications and do not require repair, or if
non-warranty repairs are not authorized by the customer, the device may be
subject to a standard evaluation charge. Customer approval for the repair
and any associated costs will be the authority to begin the repair at CI
Wireless. Customer approval is also necessary for any removal of certain
parts, such as connectors, which may be necessary for CI Wireless testing
or repair.
c. Repaired products are warranted for the balance of the original warranty
period, or at least 90 days from date of shipment.
3. Limitations of Liabilities
CI Wireless’ liability on any claim of any kind, including negligence, for any loss or
damage arising from, connected with, or resulting from the purchase order, contract,
or quotation, or from the performance or breach thereof, or from the design,
manufacture, sale, delivery, installation, inspection, operation or use of any
equipment covered by or furnished under this contract, shall in no case exceed the
purchase price of the device which gives rise to the claim.
EXCEPT AS EXPRESSLY PROVIDED HEREIN, ORTEL MAKES NO WARRANTY OF
ANY KIND, EXPRESSED OR IMPLIED, WITH RESPECT TO ANY GOODS, PARTS AND
SERVICES PROVIDED IN CONNECTION WITH THIS AGREEMENT INCLUDING, BUT
NOT LIMITED TO, THE IMPLIED WARRANTIES OF MERCHANTABILITY AND FITNESS
FOR A PARTICULAR PURPOSE. ORTEL SHALL NOT BE LIABLE FOR ANY OTHER
DAMAGE INCLUDING, BUT NOT LIMITED TO, INDIRECT, SPECIAL OR
CONSEQUENTIAL DAMAGES ARISING OUT OF OR IN CONNECTION WITH
FURNISHING OF GOODS, PARTS AND SERVICE HEREUNDER, OR THE
PERFORMANCE, USE OF, OR INABILITY TO USE THE GOODS, PARTS AND
SERVICE.
CI Wireless test reports or data indicating mean-time-to-failure, mean-time-between-
failure, or other reliability data are design guides and are not intended to imply that
individual products or samples of products will achieve the same results. These
numbers are to be used as management and engineering tools, and are not
necessarily indicative of expected field operation. These numbers assume a mature
design, good parts, and no degradation of reliability due to manufacturing
procedures and processes.

CI Wireless Inc. Introduction
MirrorCell Select CDR812 Manual
Rev. X1 vii
Handling the CDR812
1. Use ESD precautions when dealing with the modules within the CDR 812 so that units are not
damaged.
2. Opening any module voids the warranty.
3. Modules cannot be "hot-swapped" (removed while unit is in operation). Disconnecting any
component within the CDR 812 when powered can damage or destroy the equipment and will void
the warranty. Unit must not be operating when modules are removed for replacement.

Introduction CI Wireless Inc.
MirrorCell Select CDR812 Manual
viii Rev. X1
TABLE OF CONTENTS
1GENERAL INFORMATION.................................................................................1-1
2DESCRIPTION OF MAJOR MODULAR COMPONENTS....................................2-1
2.1 Channel Modules ..........................................................................................2-1
2.2 Power Amplifiers...........................................................................................2-1
2.3 Power Supply Module ...................................................................................2-1
2.4 Duplex Filter ..................................................................................................2-1
2.5 Status and Control Module...........................................................................2-1
2.6 LNA Module...................................................................................................2-1
Mechanical Drawing of the CDR812 Repeater......................................................2-2
3SPECIFICATIONS ..............................................................................................3-1
3.1 RF Specifications ..........................................................................................3-1
3.2 Mechanical Specifications............................................................................3-2
3.3 Environmental Specifications.......................................................................3-2
4CHANNEL AND FREQUENCY PLAN.................................................................4-1
4.1 Frequency Bands ..........................................................................................4-1
4.2 Channel Plan ............................................................................................4-24-2
5ATTENUATION CONTROL OF THE AMPLIFIER...............................................5-1
6DESCRIPTION OF THE CONTROL MODULE....................................................6-1
6.1 General ..........................................................................................................6-1
6.2 Settings..........................................................................................................6-1
6.3 Login via Local Maintenance Terminal (LMT) ..............................................6-1
6.4 Commands ....................................................................................................6-2
6.5 Quick Commands..........................................................................................6-3
6.6 Command Log...............................................................................................6-3
6.7 Configuring the External Alarms..................................................................6-3
6.8 LED Indicators...............................................................................................6-3
6.9 Communication via DataCall ........................................................................6-4
6.10 Command Attributes.................................................................................6-5
6.10.1 Channel Assignment Parameters............................................................6-5
6.10.2 Status Parameters ..................................................................................6-6
6.10.3 Communication Parameters....................................................................6-7
6.10.4 Security Parameters ...............................................................................6-7
6.10.5 Heartbeat Parameter ..............................................................................6-8
6.10.6 Miscellaneous Parameters......................................................................6-8
6.11 Alarms and Alarm Configuration..............................................................6-9
6.11.1 Overview ................................................................................................6-9
6.11.2 Alarm Formats ......................................................................................6-10

CI Wireless Inc. Introduction
MirrorCell Select CDR812 Manual
Rev. X1 ix
6.11.3 Alarm Attributes ....................................................................................6-11
6.11.4 Acknowledgment of Alarms...................................................................6-12
6.11.5 Alarm Retransmission...........................................................................6-12
6.11.6 Alarm Configuration ..............................................................................6-13
6.11.6.1 Alarm String Format.........................................................................6-13
6.11.6.2 Alarm Threshold Values...................................................................6-14
6.11.7 Miscellaneous Alarm Configuration Parameters ....................................6-15
6.11.7.1 Configuring the External Alarms.......................................................6-15
6.11.7.2 Minimum Alarm Repetition Time.......................................................6-15
6.12 Heartbeat Message Format.....................................................................6-17
7INSTALLATION OF THE CDR812......................................................................7-1
7.1 Shipment Contents .......................................................................................7-1
7.2 Site Selection ................................................................................................7-1
7.3 Antenna Selection.........................................................................................7-1
7.4 Antenna Mounting.........................................................................................7-2
7.4.1 Donor Antenna........................................................................................7-2
7.4.2 Server Antenna Mounting and Isolation Measurements...........................7-3
7.5 Repeater Mounting and Installation .............................................................7-4
7.5.1 Repeater Dimensions..............................................................................7-5
7.5.2 Pole Mounting of the Repeater................................................................7-6
7.6 Repeater Set-up and Turn-on .......................................................................7-7
7.7 Optimization ................................................................................................7-11
7.8 HyperTerminal Configuration .....................................................................7-13
7.9 Configuration for Remote Operation..........................................................7-15
7.10 Configuration for MEM Setup.................................................................7-17
7.11 Troubleshooting......................................................................................7-18
7.12 Maintenance............................................................................................7-18
7.13 Parts Replacement..................................................................................7-19

Introduction CI Wireless Inc.
MirrorCell Select CDR812 Manual
xRev. X1
LIST OF FIGURES
Figure 1. Block Diagram of the CDR812 repeater..................................................................................1-1
Figure 2. Mechanical drawing of the CDR812 repeater..........................................................................2-2
Figure 3. Minimum Alarm Repetition time............................................................................................6-16
Figure 4. Isolation Measurement Setup.................................................................................................7-3
Figure 5. Repeater Dimensions, shown in inches. .................................................................................7-5
Figure 6. Pole Mounting the Repeater...................................................................................................7-6
Figure 7. Status Screen for the CDR812. ..............................................................................................7-9
Figure 8. Neighbor List Changes.........................................................................................................7-12
Figure 9. Connection Description in HyperTerminal.............................................................................7-13
Figure 10. HyperTerminal Screen for Direct Connection.....................................................................7-14
Figure 11. HyperTerminal Screen for Modem Connection. ..................................................................7-14
Figure 12. Port Settings for Direct Connection and Remote Connection. .............................................7-15

CI Wireless Inc. General Information
MirrorCell Select CDR812 Manual
Rev. X1 1-1
1 GENERAL INFORMATION
The CDR812 is a channel-selective CDMA repeater, designed to be fully compliant with
TIA/EIA/IS-95, titled “Mobile Station-Base Station Compatibility Standard for Dual
Wideband Spread Spectrum Cellular System” specifications. Separate modules are used
for each channel in both the transmit and receive directions. Each module selects a
channel in a given direction (transmit or receive) and amplifies it. Standard forward path
output power is 5W (37 dBm) per channel for two-channel system. Reverse path output
power is 0.25W (24dBm) per channel for two-channel system.
The repeater is outfitted with two channels for each radio frequency path. The frequency
and amplification of each channel can be individually controlled. The monitoring and
control of the system occurs with a direct connection to a laptop computer or via a
wireline option for remote access by modem.
Figure 1. Block Diagram of the CDR812 repeater.
The CDR812 consists of several modules: the duplexer, LNA (Low Noise Amplifier),
Channel Module (also known as Channelizer), and Power Amplifier. The reverse and
forward directions consist of similar modules.
The primary frequency stabilization for the CDR812 CDMA repeater is provided by the 10
MHz temperature stabilized crystal oscillator, which provides a temperature compensated
basic reference frequency for the PLL that provides the local oscillator frequency. The
basic settable frequency accuracy is 5 ppm. All internally generated frequencies are
Donor
Antenna
Duplexer Duplexer
Syn. Osc. Syn.
MixerMixer SAW Filter
Ch. 1
Syn. Osc. Syn.
MixerMixer SAW Filter
LNA
2 : 1
Power
Amplifier
Ch. 2
Reverse
Channels
Ch. 1
LNA
Forward
Channels
2 : 1
Ch. 2
Server
Antenna
Channel Module

General Information Ortel Corporation
MirrorCell Select CDR1912 Manual
1-2 Rev. X1
locked to this basic oscillator. The same LO frequency is used for both the upconverter
and downconverter, ensuring no difference in the input and output frequencies.
An aluminum case houses the repeater. Cooling fins for the amplifier are located on the
rear of the unit. The choice of aluminum as the case material gives a lightweight design
with good heat conduction and weatherproof protection. The housing conforms to NEMA
4 standard.
The transmit and receive antenna ports are 7/16” standard, with the option of N-type
connectors, located on the underside of the repeater. The external connections on the
bottom of the repeater are protected from unauthorized access with a cover, which can
be opened only from the inside of the repeater.

CI Wireless Inc. Description of the Major Modular Components
MirrorCell Select CDR812 Manual
Rev. X1 2-1
2 DESCRIPTION OF MAJOR MODULAR COMPONENTS
2.1 Channel Modules
Each channel module consists of a preamplifier, a baseband downconverter with SAW
(Surface Acoustic Wave) filters, a baseband upconverter, and a post amplifier. The
module includes power level control functionality.
2.2 Power Amplifiers
The power amplifiers are designed for an output power of 12.5W (41dBm) composite .
The power amplifiers are designed to meet IS-95 standards for Adjacent Channel Power
Ratio (ACPR) or spectral regrowth.
2.3 Power Supply Module
The power supply is designed for an input voltage of 105 – 130 VAC. Options for 230
VAC and 24 VDC are available. In addition, the AC input is equipped with a surge
suppression filter.
2.4 Duplex Filter
The transmit and receive antennas are combined with duplex filters operating in the PCS
frequency band. The filter consists of comb-line cavity bandpass filters, which provide
excellent isolation against out-of-band signals.
2.5 Status and Control Module
The status and control module enables monitoring and control of the repeater. This
module determines the status of all channel modules and identifies all failure conditions.
When an alarm occurs, the module can send a message to a PC over a serial data link.
The PC connection is over a serial port through an RS232 interface to a VT-100 series
terminal. The status and control module sends and receives channel and amplification
data on the addressed channel modules when connected to a modem.
Monitoring and control is possible through the MirrorCell Element Manager (MEM) using
a modem connection. The MEM is not accessible with a direct hard-line connection to the
status and control module.
2.6 LNA Module
The LNA (Low Noise Amplifier) module consists of a low noise amplifier to provide the
initial gain for a good noise figure.

Description of the Major Modular Components Ortel Corporation
MirrorCell Select CDR812 Manual
2-2 Rev. X1
2.7 Mechanical Drawing of the CDR812 Repeater
Figure 2. Mechanical drawing of the CDR812 repeater.
Combiners are located above the duplexers.
LNA UPLINK
AC MODULE
DUPLEXER
DONOR TEST
PORT (-30dB)
UPLINK IN
(SERVER)
BRACKET, CONN.
PROTECTOR
CONTROLLER
DC - DC
PS
CHANNEL DOWNLINK
CHANNEL UPLINK
LNA DOWNLINK
PA UPLINK
DUPLEXER
PA DOWNLINK
SERVER TEST
PORT (-30dB)
DOWN LINK IN
(DONOR)
1
2
34567
8
9
10
11

CI Wireless Inc. Specifications
MirrorCell Select CDR812 Manual
Rev. X1 3-1
3 SPECIFICATIONS
3.1 RF Specifications
Parameters Reverse Link Forward Link
Frequency See Table 3.1.1 See Table 3.1.1
Channel Bandwidth 1.23 MHz 1.23 MHz
Output Power Limit (Per Channel)
- 737 (5 Watts)
- 740 (10 Watts)
24 dBm (± 1 dB)
27 dBm (± 1 dB)
37 dBm (+1,-0.5 dB)
40 dBm (+1,-0.5 dB)
Noise Figure at Max Gain
Noise Figure at Min Gain ≤ 5 dB ≤ 5 dB
N/A
Gain at Minimum Attenuation 95 dB (± 2 dB) 95 dB (± 2 dB)
Digital Attenuator Range
0 to 30 dB
2 dB steps
(± 1 dB)
0 to 30 dB
2 dB steps
(± 1 dB)
Spectral Regrowth @ Max Output
Power (0-30 dB Attenuation Range)
@ ±± 750 KHz Offset (30 KHz BW)
@ 1.98 MHz Offset (30 KHz BW)
< -45 dBc
< -60 dBc
Spectral Regrowth @ Max Output
Power @ Max Gain:
@ ±± 885 KHz Offset (30 KHz BW)
@ 1.98 MHz Offset (30 KHz BW)
< -42 dBc
< -54 dBc
Flatness over 1.23 MHz 2.5 dB (p-p) 2.5 dB (p-p)
Gain Change over 25 MHz BW ± 2 dB ± 2 dB
Gain Change over temperature
(-25 to 50 °°C operating ambient
temp.) ± 2 dB ± 2 dB
Return Loss (I/O) > 14 dB > 14 dB
Signal Electrical Delay 11 usec (Typical) 11 usec (Typical)
Impedance 50 ohm 50 ohm
Donor/Server Test Ports Coupling -30 ± 2 dB -30 ± 2 dB

Specifications CI Wireless Inc.
MirrorCell Select CDR812 Manual
3-2 Rev. X1
3.2 Mechanical Specifications
Housing (W x H x D) 12 x 17.9 x 9.5 inches
Housing, with metal cover 15.2 x 19.9 x 11.8 inches
and anchorable feet
Weight 47 + 2 pounds, completely loaded
Housing Material Aluminum
Primary Power 105 - 130 VAC, 1.8 A, 50 - 60 Hz
230 VAC, optional
24 VDC, optional
Connection Panel Protected against unauthorized access
Color Gray (painted)
Cooling External Convection
No ventilation slots
3.3 Environmental Specifications
EMI Meets specifications for influx of an
electromagnetic field of 10 V/m between 100 kHz –
1 GHz, excluding band of
operation
Operating -25 to 50° C. Also conforms to Bellcore
Temperature specification GR-63-CORE, section 5.1.2
Storage -40 to 75° C
Temperature
Weather Enclosure: NEMA 4 rated
Resistance
Shipping Conforms to Bellcore specification
GR-63-CORE, sections 5.3 and 5.4.3

CI Wireless Inc. Channel and Frequency Plan
MirrorCell Select CDR812 Manual
Rev. X1 4-1
4 CHANNEL AND FREQUENCY PLAN
The Cellular frequencies are divided into primary and secondary A & B bands. These
bands are labeled A” (1 MHz BW), A (10 MHz), B (10 MHz), A’ (1.5 MHz) and B’ (2.5
MHz). Each band consists of two sets of frequencies: one set for transmit (forward) and
one for receive (reverse). The transmit frequencies range from 869 MHz – 894 MHz;
receive frequencies range from 824 MHz – 849 MHz. See the following table for
assigned channel numbers and corresponding frequencies.
4.1 Frequency Bands
System Valid CDMA
Frequency
Assignments
Analog
Channel
Count
CDMA
Channel
Count
Reverse
Link
Frequency
Assignment
Forward
Link
Frequency
Assignment
A” / / / / / / / / / / / 22 991
1012
824.040
824.670
869.040
869.670
(1 MHz) CDMA 11 1013
1023
824.700
825.000
869.700
870.000
ACDMA 311 1
311
825.030
834.330
870.030
879.330
(10 MHz) / / / / / / / / / / / 22 312
333
834.360
834.990
879.360
879.990
/ / / / / / / / / / / 22 334
355
835.020
835.650
880.020
880.650
B
(10 MHz) CDMA 289 356
644
835.680
844.320
880.680
889.320
/ / / / / / / / / / / 22 645
666
844.350
844.980
889.350
889.980
/ / / / / / / / / / / 22 667
688
845.010
845.640
890.010
890.640
A’
(1.5 MHz) CDMA 6689
694
845.670
845.820
890.670
890.820
/ / / / / / / / / / / 22 695
716
845.850
846.480
890.850
891.480
/ / / / / / / / / / / 22 717
738
846.510
847.140
891.510
892.140
B’
(2.5 MHz) CDMA 39 739
777
847.170
848.310
892.170
893.310
/ / / / / / / / / / / 22 778
799
848.340
848.970
893.340
893.970

Channel and Frequency Plan CI Wireless Inc.
MirrorCell Select CDR812 Manual
4-2 Rev. X1
Frequencies in shaded (/ / / / / /) regions are not valid for CDMA frequency
assignments
4.2 Channel Plan
CDMA Channel Number CDMA Frequency
Assignment, MHz
Reverse Link 1 ≤ N ≤ 777 0.030 N + 825.000
1013 ≤ N ≤ 1023 0.030 (N-1023) + 825.000
Forward Link 1 ≤ N ≤ 777 0.030 N + 870.000
1013 ≤ N ≤ 1023 0.030 (N-1023) + 870.000

CI Wireless Inc. Attenuation Control of the Amplifier
MirrorCell Select CDR812 Manual
Rev. X1 5-1
5 ATTENUATION CONTROL OF THE AMPLIFIER
The MirrorCell Select CDMA repeater offers 30dB of user-settable attenuation to
customize the desired output of the repeater. The amplifier can be attenuated in 2dB
steps, from 0dB to 30dB. Ortel recommends that you start with 30dB of attenuation and
slowly decrease attenuation, thereby increasing output power, in order to ensure the
repeater transmits only the desired amount, and not more. This will help to reduce
interference caused by too much output power.
The following table is a guideline for setting the attenuation.
Attenuation Nominal Gain Setting
(dB) (dB)
40 dBm Output
0 95
2 93
4 91
6 89
8 87
10 85
12 83
14 81
16 79
18 77
20 75
22 73
24 71
26 69
28 67
30 65

Attenuation Control of the Amplifier CI Wireless Inc.
MirrorCell Select CDR812 Manual
5-2 Rev. X1
This page intentionally left blank.

CI Wireless Inc. Description of the Control Module
MirrorCell Select CDR812 Manual
Rev. X1 6-1
6 DESCRIPTION OF THE CONTROL MODULE
6.1 General
The repeater is equipped with a status & control module, which allows the monitoring and
control of various parameters such as channel number, attenuation, temperature, status
of door, etc., either with a local terminal or via OMC. The communication interface
between the local terminal and the control module is set up as a self-explanatory menu
for simple manual control and monitoring. This way, the parameters can be easily read
off of and set up from the display.
6.2 Settings
The physical interface to the control module consists of a VT-100 series terminal
connected to the repeater. Specifically, you will need a laptop computer with a terminal
emulation program, such as ProComm or Hyperterminal, connected to the repeater via a
DB9 straight-through serial cable with a male connector for the repeater side and a
female connector to hook up to the computer’s RS232 serial port.
The communication format must be set in the terminal emulation program:
• 9600 baud
• 8 bit
• 1 stop bit
• No parity
• No flow control (flow control = none)
6.3 Login via Local Maintenance Terminal (LMT)
When the PC is connected to the repeater, the login sequence is activated by user-input
keystrokes. (See Section 7.6 in the Installation chapter for greater detail.) The login
sequence begins by asking for Username and Password. Different user accounts have
different authorities. The default login parameters are:
User Name Password Authority
USERNAM1 PASSWRD1 read/write
USERNAM2 PASSWRD2 read/write
USERNAM3 PASSWRD3 read only
USERNAM4 PASSWRD4 read only
Note: The Usernames and Passwords should be changed during installation. See
Section 7.6, step 6.
For example, to change the second Username and Password:
SET UID2 ORTEL <enter>
SET PWD2 Alhambra <enter>
For more information, see section 6.10.3.

Description of the Control Module CI Wireless Inc.
MirrorCell Select CDR812 Manual
6-2 Rev. X1
The control module logs the number of failed login attempts. If this number exceeds the
user-defined maximum (ILA, default = 8), then future login attempts will be blocked. The
false login count is decreased by one each hour. This means you must wait one hour
after reaching the maximum number of failed login attempts before a single login can be
initiated.
6.4 Commands
The control module does not differentiate between upper- and lower case characters.
Command attributes and parameters can be viewed in the tables in section 6.10.
Available commands:
• ADDRESS Gives information about current address configuration.
• CLEAR Clears the display.
• CLOCK Displays a real-time clock.
• HELP Displays a quick overview of commands.
• LOG Shows the alarm log.
• LOGOUT Ends the work session.
• STATUS Displays the RF parameters (channel number, attenuation,
etc.), as well as peripheral parameters (current draw, status
of door).
• SYSTEM Shows system data (number of messages).
• SET, GET These commands allow the monitoring and control of the
repeater’s parameters.
All user editable parameters and current status of the repeater can be accessed using
the GET and SET commands. Refer to section 6.10 for the format of the different
attributes.
Note: The command field must be completely used; otherwise an error results.
Two parameters are writable only, not readable; these are Username and Password. See
table 6.10.6.
The syntax for the GET command is:
GET [Attribute] <enter>
For example, to get the status of the forward path amplifier chains:
GET AMD <enter>
The syntax for the SET command is:
SET [Attribute] [Format] <enter>
Where all entries must be separated by a blank space. For example, to set the channel
number for the repeater’s channel 1:

CI Wireless Inc. Description of the Control Module
MirrorCell Select CDR812 Manual
Rev. X1 6-3
SET CHA X YYY <enter>
where X = channel within the repeater and YYY = the CDMA channel number. The
channel can be set only to channels within your system’s band of operation.
6.5 Quick Commands
Three quick commands are available with the function keys:
• F1: Help Menu
• F2: Shows a list of the last ten entered commands
• F3: Shows the Status screen.
6.6 Command Log
The control module stores the last ten commands that have been entered. The F2 button
brings up these commands. Use the up and down arrow keys to read off these stored
commands. The right and left arrow keys can then be used, along with backspace and
clear, to edit the commands as needed.
6.7 Configuring the External Alarms
The external alarms can be configured active-low or active-high, so the alarm is given in
either the absence or presence of applied power. Input voltage can range from 12 VDC to
24 VDC. For configuration, use the following command:
SET EXT BC <enter>
where B refers to pin 1 and C refers to pin 2.
B or C = 0 means the absence of voltage is normal,
B or C = 1 means the presence of voltage is normal.
The alarms are laid out so that pin 1 is read from EX1 and pin 2 is read from EX2.
6.8 LED Indicators
The LEDs on the control module are tri-colored, where the illuminated colors mean:
• GREEN: Repeater is functioning properly
• AMBER: User is logged in to the control module
• RED: Repeater is not functioning properly
Note: Depending on the alarm configuration, the door alarm may go off a number of
seconds after the door has been opened; in this case, the LED will change from Amber to
Red.

Description of the Control Module CI Wireless Inc.
MirrorCell Select CDR812 Manual
6-4 Rev. X1
6.9 Communication via DataCall
To establish a connection to the repeater, use a standard communication software
package, such as HyperTerminal (which comes standard with Windows 95) or ProComm
Plus. (See section 7.8 for setup instructions for HyperTerminal.) When a modem
connection is established with the repeater, the command and parameter access is the
same as when you are logged in directly to the repeater.

CI Wireless Inc. Description of the Control Module
MirrorCell Select CDR812 Manual
Rev. X1 6-5
6.10 Command Attributes
Note: Write access to the parameters shown in each table is valid only if you have
logged in with a read-and-write access password.
6.10.1 Channel Assignment Parameters
Designation Attribute Read Write Format Comments
Attenuation ATD X X N MM N is the repeater channel number,
Downlink MM is the amount of attenuation
(Forward) between 0 and 30 in 2dB steps.
Attenuation ATU X X N MM N MM N is the repeater channel number,
Uplink MM is the amount of attenuation
(Reverse) between 0 and 30 in 2dB steps.
Channel CHA X X N MMM N MMM N is the repeater channel number,
Information MMM is the actual CDMA channel number.
Channel limits CHL XXXX YYY XXX is the minimum CDMA channel
number.
YYY is the maximum CDMA channel
number.
Output level LVD X X N MM N MM N is the repeater channel number,
Downlink MM is the RF output power limiting
(Forward) point: 27, 30, 33dBm.
Set MM to "1" to disable the amplifier to
turn off the repeater.
Output level LVU X X N MM N MM N is the repeater channel number,
Uplink MM is the RF output power limiting
(Reverse) point: 27, 30, 33dBm; NOTE: due to low
output power from the mobile, reverse
path power rarely exceeds 20dBm.
Set MM to "1" to disable the amplifier to
turn off the repeater.

Description of the Control Module CI Wireless Inc.
MirrorCell Select CDR812 Manual
6-6 Rev. X1
6.10.2 Status Parameters
Designation Attribute Read Write Format Comments
Amplifier downlink AMD XBB First digit: channel 1 status
status Second digit: channel 2 status
0 is OK
1 is ERROR
- is channel not installed
Amplifier uplink AMU XBB First digit: channel 1 status
status Second digit: channel 2 status
0 is OK
1 is ERROR
- is channel not installed
Status of COM XXYZW X is status of communication with
communication channelizer 1 UL (reverse)
Channelizers to Y is status of communication with
Controller channelizer 2 UL (reverse)
Z is status of communication with
channelizer 1 DL (forward)
W is status of communication with
channelizer 2 DL (forward)
0 is OK
1 is ERROR
- is channel not installed
Door status DOO XB0 = closed; 1 = opened
External pin 1 EX1 XBStatus of external pin 1
status 0 is OK
1 is ERROR
External pin 2 EX2 XBStatus of external pin 2
status 0 is OK
1 is ERROR
Power 1 status PW1 XBStatus of Power 1
0 is OK
1 is ERROR
Power 2 status PW2 XBStatus of Power 2
0 is OK
1 is ERROR
Synthesizers SZD XBB First digit: channel 1 status
downlink Second digit: channel 2 status
0 is OK
1 is ERROR
Synthesizers SZU XBB First digit: channel 1 status
uplink Second digit: channel 2 status
0 is OK
1 is ERROR
Temperature TEM XB0 indicates operating within limits
1 indicates operating out of limits

CI Wireless Inc. Description of the Control Module
MirrorCell Select CDR812 Manual
Rev. X1 6-7
6.10.3 Communication Parameters
Designation Attribute Read Write Format Comments
Addresses ADD X X N XXXXX..X These addresses are used when the
up to 15 digits repeater is configured for SMS. These are
phone numbers to which the repeater
reports messages;
Up to four numbers are allowed:
N = Selector (1 < N < 4)
Address of OMC ASC X X NNNN..NN For DataCall, address to dial for the OMC.
Up to 15 digits For SMS, address of Short Message
Service Center (SMSC)
Communication DEV X X MMM MMM = DTC for DataCall or remote
Device VT-100 series login capability.
MMM = SMS enables SMS
MMM = NUL disables Communication.
Main Address MAD X X NUsed when configured for SMS.
1 < N < 4 Main address is the selector of one of the
four addresses from ADD. This is the
address to which alarms, heartbeat
information, and traffic reports will
be sent.
Modem Connect MCT X X NN 30 to 90 seconds; the time the repeater
Time waits for the modem connection to be
established. Valid only when configured
for DataCall.
Message MSG X X N MMMMMM N = Selector (1 < N < 4)
Numbers Number of messages sent from the
repeater.
6.10.4 Security Parameters
Designation Attribute Read Write Format Comments
OMC to Repeater ORP XXXXXXXXX Up to 8 characters
Password Password used for OMC to login to
the repeater
Passwords PWD XN XXXXXXXX Password up to 8 characters long
N = Selector (1 < N < 4)
Repeater to OMC ROP XXXXXXXXX Password up to 8 characters long
Password Password for repeater to login to OMC
User-ID UID XN XXXXXXXX Password up to 8 characters long
(1 < N < 4) N = Selector (1 < N < 4)
User-ID 1 and 2: read and write
User-ID 3 and 4: read only

Description of the Control Module CI Wireless Inc.
MirrorCell Select CDR812 Manual
6-8 Rev. X1
6.10.5 Heartbeat Parameter
Designation Attribute Read Write Format Comments
Repetition Cycle RCH X X NNNN Interval between heartbeat messages to
Alarm 0 to 1440 OMC in minutes. Setting RCH to 0
disables heartbeat. When setting this
parameter, a heartbeat will be sent out as
soon as possible (ie, when user logs out
if currently logged in)
6.10.6 Miscellaneous Parameters
Designation Attribute Read Write Format Comments
Date DAT X X DDMMYY
Hardware version HWV XCC..CC Hardware version of the
number (max 120 characters) controller.
Invalid login ILA X X CC Number of consecutive
attempts (2 digits) invalid login attempts before
an alarm is generated. The
number is independent of the
User-ID.
Timeout for LMT LMT X X NN Time after user is
(2 digits) automatically logged out
when no activity is detected.
Maximum Gain MGA XGG GG = maximum gain of the
(2 digits) repeater.
Number of NCH XNNumber of channels
channels (1 < N < 4) installed in the repeater.
Repeater RIN XCC..CC Miscellaneous repeater
information (max 120 characters) information.
Serial Number SNO XCC..CC Textual description of
(max 37 characters) repeater and controller
serial numbers.
Software version SWV XCC..CC Version of software in
number (max 120 characters) controller.
Time TIM X X HHMMSS 24 hour clock.
Vendor name VND XCC..CC Vendor information.
(max 120 characters)

CI Wireless Inc. Description of the Control Module
MirrorCell Select CDR812 Manual
Rev. X1 6-9
6.11 Alarms and Alarm Configuration
6.11.1 Overview
The MirrorCell Select CDMA repeater can send alarms to an Operations and
Maintenance Center or to the MirrorCell Element Manager (MEM), both referred to as the
OMC in this document, via a DataCall (modem connection). For each alarm sent, an end
of alarm will also be sent when the end of alarm condition is detected. This does not
include VLI, LGO, CLR, and ILI alarms. By default, the repeater requires an
acknowledgement of each alarm sent. When using SMS, all letters must be capitalized.
Each alarm source can be individually configured. The software has the capability to
enable or disable the requirement to acknowledge particular alarms (not including VLI,
LGO, CLR, and ILI alarms), and the capability to configure different threshold for
particular alarms. In addition, if a particular alarm condition arises which causes the alarm
to toggle between OK and ERROR, the software has the capability to adjust the Minimum
Alarm Repetition (MAR) time and the Maximum Number of Repetitions (MNR). This will
keep the repeater from blocking the communication interface with a series of Alarm/End
of Alarm notifications. (See section 6.11.7.2, “Minimum Alarm Repetition Time” for more
information on this feature.)

Description of the Control Module CI Wireless Inc.
MirrorCell Select CDR812 Manual
6-10 Rev. X1
6.11.2 Alarm Formats
Each alarm source has additional parameters sent with the alarm to the OMC, such as
the severity of the alarm, the class of alarm, alarm attributes, and in some cases a textual
description of the alarm. The message formats of the alarms sent to the repeater are
described in the table below. These message formats apply to DataCall communications.
Message Field Format Description
Repeater ID XX-YY-ZZZZ ID of the repeater generating the message.
Message number NNNNN Number of the message from the repeater.
Message type ALARM Indicates either an alarm or end of alarm.
Date DDMMYY Day, month, and year of when the alarm was detected.
Time HHMMSS Hour, minute, and second when the alarm was detected.
Argument SZU, SZD,… Code for the alarm source; refer to section 6.11.3 for a description
of the alarm sources within the repeater.
Severity CC An abbreviation for the severity of the alarm.
CR = Critical
MA = Major
MI = Minor
WA = Warning
CL = Cleared
Depending on the alarm source, the alarm has different severity
classifications. When an end of alarm is sent, the severity is CL.
See section 6.11.3 for the severity of the different alarms.
Class CC Abbreviation for the kind of alarm.
CO = Communication alarm
EN = Environmental alarm
QS = Quality of service alarm
PR = Processing alarm
EQ = Equipment alarm
See section 6.11.3 for the severity of the different alarms.
Parameter CThe attribute for the different alarms.
1 = Error
0 = OK
See section 6.11.3 for the severity of the different alarms.
Additional CC..CC Some alarm messages contain additional information for the
Information alarms sent.
Example of an alarm format: (the message fields are separated with blanks)
17-42-4711 00023 ALARM 250697 145135 DOO CR EQ 1
The above alarm indicates a door alarm from repeater 17-42-4711; CR means it is
critical; and the 1 means it is an error condition.

CI Wireless Inc. Description of the Control Module
MirrorCell Select CDR812 Manual
Rev. X1 6-11
6.11.3 Alarm Attributes
The following table provides a description of each of the alarm sources within the
repeater and the corresponding severity levels and class. In the parameter field, X = 0
means the attribute if OK, and X = 1 means the attribute is in error. Some of the attributes
have the capability to report “-“ which indicates the piece of equipment that would
normally report this alarm is not installed. For example, in a two channel repeater with
only one channel installed, certain alarms for channel 2 will indicate “-“.
Alarm Severity Class Parameter Description and notes
attribute Alarm/End
SZU CR/CL EQ XX Synthesizer uplink (reverse)
UL1 and UL2 status reported.
SZD CR/CL EQ XX Synthesizer downlink (forward)
DL1 and DL2 reported.
AMU CR/CL EQ XX Uplink amplifier chain for UL1 and UL2.
AMD CR/CL EQ XX Downlink amplifier chain for DL1 and DL2.
TEM CR/CL EQ XX Temperature alarm.
DOO CR/CL EQ XX Door alarm.
PW1 CR/CL EQ XX Power 1 alarm.
PW2 CR/CL EQ XX Power 2 alarm.
EX1 WA/CL EN XX Alarm from external pin 1.
EX2 WA/CL EN XX Alarm from external pin 2.
COM WA/CL EN XYZW Communication between controller and
channelizers. The order is:
X: UL1, Y: UL2, Z: DL1, W: DL2.
VLI WA EN [Username] Valid login alarm; an alarm that someone has
logged in successfully to the repeater.
Username is the username logged in.
NOTE: No end of alarm message sent.
LGO WA EN [Username] Sent to indicate that Username has logged out
from the repeater.
NOTE: No end of alarm message sent.
CLR MI EN Sent to indicate that changes were made by
the last person logged in to the repeater.
NOTE: No end of alarm message sent.
ILI CR EN [Username] Sent when the maximum number of failed login
Attempts is exceeded.
[Username] is the last person attempting to login.
NOTE: No end of alarm message sent.

Description of the Control Module CI Wireless Inc.
MirrorCell Select CDR812 Manual
6-12 Rev. X1
6.11.4 Acknowledgment of Alarms
In the case of DataCall communications, the alarm is considered to be acknowledged
when the repeater has logged in to the OMC and reports the alarm.
Message Field Format Description
Repeater ID XX-YY-ZZZZ ID of the repeater that the message is intended for.
Message number NNNNN Message number from the OMC.
Command ACT Indicates that the message will perform an action.
Argument ACK Indicates that an acknowledgment is expected.
Argument MMMMM Message number of the alarm/end alarm message
sent by the repeater.
An example of an alarm acknowledgment message, with message fields separated by
blanks:
17-42-4711 00242 ACT ACK 00023
This message indicates an acknowledgment of alarm number 00023 from repeater 17-
42-4711.
6.11.5 Alarm Re-transmission
If the repeater fails to send an alarm, or of it does not receive an acknowledgment of the
alarm, the repeater will attempt to re-send the alarm after a user-configurable time
interval. The repeater will continue to try to re-send the alarm for a user-configurable
number of times, or until the repeater receives an acknowledgment of the alarm.
The command/attribute for setting the time interval between re-transmissions (Repetition
Cycle Alarm) is:
SET RCA XXX <enter> (0<XXX<999 minutes)
The command/attribute for setting the maximum number of repetitions, MNR, is:
SET MNR XX <enter> (0<XX<99 repetition)

CI Wireless Inc. Description of the Control Module
MirrorCell Select CDR812 Manual
Rev. X1 6-13
6.11.6 Alarm Configuration
Each alarm source is associated with a specific configuration string. This string provides
the operator with the possibility to individually configure each alarm. The program has the
capability to enable or disable each alarm, the capability to disable the requirement to
acknowledge certain alarms (not including VLI, LGO, CLR, and ILI alarms), and the
capability to configure different thresholds for particular alarms.
The command to set the alarm string is:
SET ALA [ALARMSOURCE] [ALARMSTRING] <enter>
The following tables describe the alarm string format and the default threshold values for
each of the alarms.
6.11.6.1 Alarm String Format
Field Format Description and Notes
Number
1XDetermines if the alarm source is enable/disabled
X = 0 Alarm is enabled
X = 1 Alarm is disabled
2YDetermines whether the alarm needs acknowledgment
Y = 0 Alarm requires acknowledgment from the OMC
Y = 1 Alarm does not require acknowledgment from OMC
NOTE: This attribute is not used by VLI, LGO, CLR, or ILI
3EShows how alarm is to be calculated/measured
E = 1 Evaluate both thresholds
E = 2 Evaluate lower threshold
E = 3 Evaluate upper threshold
E = 4 Ignore limit thresholds (for digital signals such as
the door).
NOTE: This attribute is only an indication of how the alarm
parameters are calculated. Changing this will not affect the
measurements; ie, the calculation is hard coded.
4 LLL Lower threshold value
5UUU Upper threshold value
6TTT Time in seconds for the alarm/measurement to be out of
limits before an alarm is triggered.

Description of the Control Module CI Wireless Inc.
MirrorCell Select CDR812 Manual
6-14 Rev. X1
6.11.6.2 Alarm Threshold Values
Alarm Send Ack Eval Lower Upper Seconds Comments
Code
SZU 0 0 4 000 000 001
SZD 0 0 4 000 000 001
AMU 0 0 2 020 000 001
AMD 0 0 2 020 000 001 Set for 33 dBm output
TEM 0 0 3 000 060 005 Threshold in ° C
DOO 0 0 4 000 000 030
PW1 0 0 1 090 110 005 Threshold in % of normal
PW2 0 0 1 090 110 005 Threshold in % of normal
EX1 0 0 4 000 000 001
EX2 0 0 4 000 000 001
COM 0 0 4 000 000 001
VLI 0 0 4 000 000 000
LGO 0 0 4 000 000 000
CLR 0 0 4 000 000 000
ILI 0 0 4 000 000 000
Example of an alarm string custom configuration, with message fields separated by
blanks:
SET ALA PW1 0 0 1 80 120 5 <enter>
will customize the thresholds for the PW1 alarm. It will enable the alarm, require
acknowledgment, set the lower threshold to 80, set the upper threshold to 120, and
require the attribute to be out of limits for 5 seconds before an alarm is generated. The
alarm evaluator remains in the default value (1).
Note: The threshold for the AMD alarm depends upon the output power. The default of
“20” is based on a peak output power of 33dBm. For output power = 30, set AMD to 17.
For output power = 27, set AMD to 14.

CI Wireless Inc. Description of the Control Module
MirrorCell Select CDR812 Manual
Rev. X1 6-15
6.11.7 Miscellaneous Alarm Configuration Parameters
6.11.7.1 Configuring the External Alarms
The external alarms can be configured active-low or active-high. Use the following
command to configure these alarms:
SET EXT BC <enter>
B refers to pin 1, read from EX1, and C refers to pins 2, read from EX2.
B, C = 0 means that no voltage is an OK condition
B, C = 1 means that a high voltage is an OK condition.
Note: The write access to these parameters is valid only if you are logged in with a read-
and-write access password, or if you are sending an SMS message with read and write
access.
Designation Attribute Read Write Format Comments
External alarm EXT X X BC B, C = 0 Alarm active low.
pin configuration B, C = 0 Alarm active high.
Repetition cycle RCA X X NNN Amount of time the repeater waits before
alarm 3 digits retransmitting unconfirmed alarm
Minimum alarm MAR X X NN NN is from 0 to 99 minutes.
repetition time 2 digits
Maximum MNR X X NN Maximum number of RCA attempts.
number of 2 digits
repetitions

Description of the Control Module CI Wireless Inc.
MirrorCell Select CDR812 Manual
6-16 Rev. X1
6.11.7.2 Minimum Alarm Repetition Time
This command has been introduced for the case where an alarm is toggling between OK
and ERROR. In this state, the repeater should not continuously call the OMC with the
new alarm detected for the same fault condition and potentially block the communication
between the repeater and the OMC. Typically the MAR should be set to a minimum of
two or three times the amount it takes for the repeater to dial up and report the alarm.
MAR is expressed in minutes, and the default value is 3.
Note that the first error will always be detected within the normal threshold time. Only the
repeated alarms will be blocked. If numerous alarms are received at the OMC, the
operator must be able to send a message to disable the particular alarm at the repeater
until service of the repeater can be performed.
For example, to set Minimum Alarm Repetition:
SET MAR 5 <enter>
This will set the alarm repetition time to 5 minutes.
Figure 3. Minimum Alarm Repetition time.
This figure shows how repetitive alarms are blocked by the MAR attribute.
An error is
detected
An end of error is
detected,
End alarm sent
awayNew alarm from
the same source
A new alarm is
sent away. When
the MAR has
expired
Thresholdtime Thresholdtime
Time
Minimum Alarm Repetition Time

CI Wireless Inc. Description of the Control Module
MirrorCell Select CDR812 Manual
Rev. X1 6-17
6.12 Heartbeat Message Format
Field Format Description
Repeater ID XX-YY-ZZZZ
Message no. NNNNN
State STATE Incoming heartbeat
Date DDMMYY
Time HHMMSS 24 hour clock
NCH N Number of channels
CHA 1 NNN If channel is not installed, number is replaced by '-' Length of
attribute depends on channel number (ie, CDMA channel 100)
CHA2 NNN If channel is not installed, number is replaced by '-' Length of
attribute depends on channel number (ie, CDMA channel 100)
Reserved for - - Two dashes separated by a space
future use
ATU1 NN If channel is not installed, number is replaced by '-' (dash)
ATU2 NN If channel is not installed, number is replaced by '-' (dash)
Reserved for - - Two dashes separated by a space
future use
ATD1 NN If channel is not installed, number is replaced by '-' (dash)
ATD2 NN If channel is not installed, number is replaced by '-' (dash)
Reserved for - - Two dashes separated by a space
future use
LVU1 NN If channel is not installed, number is replaced by '-' (dash)
LVU2 NN If channel is not installed, number is replaced by '-' (dash)
Reserved for - - Two dashes separated by a space
future use
LVD1 If channel is not installed, number is replaced by '-' (dash)
LVD2 If channel is not installed, number is replaced by '-' (dash)
Reserved for - - Two dashes separated by a space
future use
SZU BB If status not available, replaced by '-'
SZD BB If status not available, replaced by '-'
AMU BB If status not available, replaced by '-'
AMD BB If status not available, replaced by '-'
COM BBBB If status not available, replaced by '-'
TEM BState of temperature
DOO BState of door
PW1 BState of power 1
PW2 BState of power 2
EX1 BState of external pin 1
EX2 BState of external pin 2
RCH NNNN Repetition cycle heartbeat
RCA NNN Repetition cycle alarm
MNR NN Maximum number of alarm repetitions.

CI Wireless Inc. Installation of the CDR812
MirrorCell Select CDR812 Manual
Rev. X1 7-1
7 INSTALLATION OF THE CDR812
7.1 Shipment Contents
• Repeater
• Operator’s manual
• Wall mount brackets
• Keys for repeater’s locks
• “Quick Tips”
7.2 Site Selection
Site selection for the repeater is one of the most critical decisions affecting the overall
performance of the repeater system. A repeater must be located where it can receive a
sufficient signal from the donor site in order to maximize the repeater’s performance. For
40dBm output, an input signal strength at the donor input connector (after the donor
antenna and coax cable) of greater than or equal to –55dBm is required for a 40dBm
output: -55dBm + 95dB gain = 40dBm.
Examples of repeater and accompanying antenna locations include, but are not limited
to:
• the roof of a building adjacent to the affected area with the antennas
mounted to the penthouse or building sides
• the top of a hill that is obstructing the donor site’s coverage, with the
antennas pipe-mounted at ground level
• a water tower with antennas mounted at the top
• an existing utility pole, with equipment and antennas mounted below any
existing power lines
• a newly installed pole or tower.
For more detailed information on site selection, as well as antenna selection and
placement, please see CI Wireless’ Application Note: “Integrating MirrorCell Select
Repeaters into a CDMA Network.”
7.3 Antenna Selection
Proper selection of the repeater’s donor and server antennas is crucial in designing the
repeater system. Good antenna characteristics help to provide proper isolation between
the server and donor antennas, which helps to prevent feedback.
The donor antenna selected for use with a CDR812 is critical in the design of a properly
functioning repeater system. Since in CDMA systems all of the base stations transmit the
same frequency, the donor antenna selected must be capable of receiving only the
desired base station. Microwave dish antennas with vertical and horizontal beamwidths of

Installation of the CDR812 CI Wireless Inc.
MirrorCell Select CDR812 Manual
7-2 Rev. X1
less than 15° are ideal candidates for the donor antenna. Microwave dish antennas also
provide the recommended front-to-back ratio of greater than or equal to 25dB to help
achieve the required antenna isolation.
The server antenna should provide the desired coverage and also provide the
recommended front-to-back ratio of 25dB. Many different types of antennas will work as a
server, such as panel antennas, Yagi antennas, and, for indoor applications, Omni-
directional antennas.
The isolation between antennas must be at least 10dB greater than the gain setting of the
repeater or the repeater could go into oscillation. Specific ways to achieve proper
isolation include:
• using high gain, directional antennas with good front-to-back ratios (>25dB).
Also evaluate and select antenna with the desired antenna radiation pattern
(vertical and/or horizontal) that provides adequate insertion loss at angle(s)
of separation.
• pointing the donor and server antennas opposite each other; ie, at 180° from
each other
• physical separation of the repeater’s donor and server antennas, either
vertically or horizontally
• external shielding, such as wire mesh or a grounded metal plane.
Antenna isolation limits the amount of gain to which the repeater should be set.
Therefore, if isolation is less than 105dB, the repeater cannot be set to the maximum gain
of 95dB.
7.4 Antenna Mounting
7.4.1 Donor Antenna
Use the following steps to mount the donor antenna.
1. Mount donor antenna at initially desired location.
2. Measure the received signal strength from the donor site. The amount of power the
repeater can produce is dependent on this signal level. Note whether the donor is
loaded or unloaded, as this will affect the amount of power needed.
3. If a greater signal strength is needed, try raising the donor antenna’s height, or use a
higher gain antenna, if possible.
4. Measure the pilot tone strength received after the donor antenna and verify that the
proper base station sector is being received. The pilot tone of the desired base
station should be at least 15dB higher than any of the other received pilot tones. If
this is not the case, the donor antenna should be adjusted until the desired pilot tone
is 15dB greater than any other received pilot tones. (Note that this requires a CDMA
signal measurement device.)

CI Wireless Inc. Installation of the CDR812
MirrorCell Select CDR812 Manual
Rev. X1 7-3
7.4.2 Server Antenna Mounting and Isolation Measurements
Isolation measurements should be taken to ensure proper operation of the repeater.
Measurement of isolation can be accomplished easily by following the procedures, as
illustrated in Figure 15.
1. Mount server and donor antennas at initially chosen location to obtain
desired coverage.
2. Inject a known signal within the bandwidth of operation into the donor
antenna. An unused channel within the band should be used. The signal
should be at least 1W in order to allow for an accurate measurement of
isolation. The repeater and a low-power signal generator can be used in
series to generate a signal of sufficient strength. The repeater will add 65dB
– 95dB of gain, depending upon how much attenuation is added to the
repeater.
3. Connect a signal measurement device, such as a spectrum analyzer, to the
server antenna. Measure the received signal level. The difference between
the signal input to the donor antenna and the received signal measured
after the server antenna is the antenna isolation. (Note that the gain of the
antenna is not used in the calculation.)
Figure 4. Isolation Measurement Setup.
SPECTRUM
ANALYZER
RF In
SIGNAL
GENERATOR
RF Out

Installation of the CDR812 CI Wireless Inc.
MirrorCell Select CDR812 Manual
7-4 Rev. X1
Antenna isolation can be measured once the donor and server antennas have been
mounted at their initially desired location. Isolation measurement is important in properly
setting up a repeater.
4. The repeater gain can be set to at least 10dB below the figured measured
above. (The antenna isolation must be at least 10dB greater than the
repeater gain.) For example, if the antenna isolation measured is 90dB, the
repeater gain should be set for no more than 80dB.
5. If isolation is not great enough (ie, if more gain is required), you can try either
of the following:
a. Separate the antennas by a greater distance.
b. Mount some type of external shielding between the antennas, such as a
mesh screen, an ice shield, or grounded metal plate.
7.5 Repeater Mounting and Installation
The following recommendations should be adhered to for enhanced repeater
performance.
1. The repeater comes standard with wall mount brackets as shown in Figure
16. The brackets attach to the repeater with eight M8x1.25 thread bolt
screws, included in the shipment.
2. The repeater should be mounted so the heatsink avoids direct sunlight. This
will help improve the lifetime of the repeater.
3. Mount the repeater upright so that the connectors are on the underside. This
will help prevent a buildup of moisture inside the repeater.
4. The repeater is equipped with 7/16” DIN (or N-type as an option) antenna
connectors. Connectors are located at the bottom of the unit. A protective
cover is included with the repeater to prevent unauthorized access to the
connectors. The cover can be installed or removed only from the inside of the
unit.
5. Ensure that adequate room has been allocated for the bending radius of the
cables. Refer to the cable manufacturer’s specifications for the allowable
cable-bend radius.
6. Ensure that adequate room is allowed for the opening and closing of the
repeater door. See Figure 16 for dimensions of the repeater.

CI Wireless Inc. Installation of the CDR812
MirrorCell Select CDR812 Manual
Rev. X1 7-5
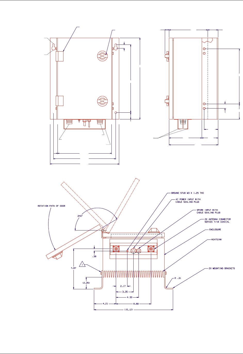
7.5.1 Repeater Dimensions
Figure 5. Repeater Dimensions, shown in inches.
8.4
2.2
.91
12.00
3.3
2x .984
3.03
3.5
10.7
7.1
2X
CABLE
2X DOOR LOCK
2X HINGE
2X R
2X R
11.8
13.62
15.1
DONOR PORT
SERVER PORT
NEARSIDE BRACKET,
PROTECTORREMOVED FOR
.79
17.7
14.8
1.4

Installation of the CDR812 CI Wireless Inc.
MirrorCell Select CDR812 Manual
7-6 Rev. X1
7.5.2 Pole Mounting of the Repeater
Figure 17 shows a method of pole mounting for the repeater. This can be accomplished
using brackets, “unistrut,” and appropriately sized U-bolts.
Figure 6. Pole Mounting the Repeater.
Mount the repeater onto a pole by attaching “unistrut” to the repeater’s wall-mounting
brackets and attaching an appropriately sized U-bolt to the “unistrut.”

CI Wireless Inc. Installation of the CDR812
MirrorCell Select CDR812 Manual
Rev. X1 7-7
7.6 Repeater Set-up and Turn-on
The MirrorCell CDR1912 can be configured locally through an RS-232 port and a laptop
computer. Once the repeater is configured, it can be controlled using an optional
telephone line interface.
The following is a step-by-step procedure for configuring the repeater.
WARNING!
DO NOT TURN ON THE POWER UNLESS THE REPEATER IS CONNECTED TO
ANTENNAS OR ATTENUATORS ON BOTH OUTPUT PORTS!
1. Connect the computer using an RS232 serial port with a DB9 male connector (on
cable end for the repeater) to the status and control module in the repeater.
2. Us a terminal emulation program, such as ProComm or Hyperterminal, set to:
• VT-100 series terminal emulation
• 9600 baud
• 8 bit
• 1 stop bit
• no parity
• no flow control (flow control = none).
3. Turn the repeater on; press any key on the computer to initialize the login screen.
Note: Login may take several seconds if the repeater is in active communications mode.
To bypass sending all of the alarms, press ENTER as soon as the date and time appear
on the screen.
4. For assistance, use the following function keys. See Section 6.10 for a complete
table of available commands.
• F1: List of available commands
• F2: List of last 10 commands; use arrow to get to desired command
• F3: Shows Status screen.
5. Login to the repeater using one of the following default Usernames and Passwords.
The control module does not differentiate between upper and lower case letters. Do
not use the number pad on the keyboard to input numbers.
User Name Password Authority
USERNAM1 PASSWRD1 read/write
USERNAM2 PASSWRD2 read/write
USERNAM3 PASSWRD3 read only
USERNAM4 PASSWRD4 read only

Installation of the CDR812 CI Wireless Inc.
MirrorCell Select CDR812 Manual
7-8 Rev. X1
6. Change the default Username and Password. Each Username and Password can
have a maximum of eight characters. For example, to change the second Username
and Password, enter the following two commands.
SET UID 2 [newname] <enter>
SET PWD 2 [password] <enter>
7. To see the current status of repeater setup and configuration, type STATUS <enter>.
See Figure 18 for a Status screen display. Note that, even if parameters shown on
the screen are changed, the screen readout remains the same until STATUS is
retyped.
8. Next, set the channel frequency. For example:
SET CHA X YYY N MMM<enter>
X = Channel 1 within the repeater
YYY = CDMA channel number for the repeater’s channel 1
(can be set to only channels within your system’s band.)
N = Channel 2 within the repeater
MMM = CDMA channel number for the repeater’s channel 2.
SET CHA 1 175 2 225<enter>

CI Wireless Inc. Installation of the CDR812
MirrorCell Select CDR812 Manual
Rev. X1 7-9
Figure 7. Status Screen for the CDR812.
The Status screen shows many important monitoring and alarm parameters for the
CDR812.
9. Set the attenuation levels of 0 – 30dB as follows. For the uplink (reverse path)
attenuation in channel 1:
SET ATU X YY N MM <enter>
X = Channel 1 within the repeater
YY = Uplink attenuation level for channel 1.
N = Channel 2 within the repeater
MM = Uplink attenuation level for channel 2.
SET ATU 1 10 2 10<enter>
sets the reverse attenuation level for the repeater’s channels 1 and 2 to 10dB. Now,
the repeater’s reverse gain will be 85 – 10 = 75dB, for the standard repeater.
For the downlink (forward path) attenuation:

Installation of the CDR812 CI Wireless Inc.
MirrorCell Select CDR812 Manual
7-10 Rev. X1
SET ATD X YY N MM<enter>
X = Channel 1 within the repeater
YY = Downlink attenuation level for channel 1
N = Channel 2 within the repeater
MM = downlink attenuation level for channel 2.
SET ATD 1 10 2 10<enter>
sets the forward path attenuation level for the repeater’s channels 1 and 2 to 10dB.
Thus, the repeater’s forward path gain will be 85dB – 10dB = 75dB.
Note: Although the attenuation values for forward and reverse can be set differently,
path imbalances may occur when doing so.
Note: In order to transmit the lowest needed power, the initial setup attenuation
should be set for maximum (30dB). Then, attenuation levels can be reduced until the
desired output power is achieved. This reverse attenuation should then be set equal
to the forward attenuation to maintain path balance.
10. Set the peak levels at which the repeater should transmit in the uplink (reverse) and
downlink (forward) directions. Forward peak levels for the standard repeater are
34dBm, 37dBm, and 40dBm. Reverse peak levels for the standard repeaters are
21dBm, 24dBm, and 27dBm. Note that due to low output power from the mobile,
reverse path power rarely exceeds 20dBm.
To set the peak level in the reverse path:
SET LVU X YY N MM<enter>
X = Repeater’s channel 1
YY = Reverse maximum transmit level for channel 1
N = Repeater’s channel 2
MM = Reverse maximum transmit level for channel 2.
SET LVU 1 27 2 27<enter>
To set the peak level in the forward path:
SET LVD X YY N MM <enter>
X = Repeater’s channel 1

CI Wireless Inc. Installation of the CDR812
MirrorCell Select CDR812 Manual
Rev. X1 7-11
YY = Forward maximum transmit level for channel 1
N = Repeater’s channel 2
MM = Forward maximum transmit level for channel 2.
SET LVD 1 40 2 40 <enter>
Typing STATUS will show that the channel number and gain settings have been
changed. The repeater now should be configured for operation.
11. The repeater should be turned off before connecting it to the antennas. Once
connected, the repeater can be turned on. The output power of the repeater should
be monitored on the test port. The test ports are 30dB couplers; thus if an output
power of 40dBm (2W) is desired, the power measured at the test port should be
10dBm. The attenuation of the repeater should be decreased until the desired output
power is achieved.
7.7 Optimization
Now that the repeater is providing the desired output power, the system needs to be
optimized. The search window and neighbor lists of the donor base station should be
reviewed. Verify the pilot search window parameters are properly set to compensate for
filter group delays in the repeater. The repeater uses highly selective Surface Acoustic
Wave (SAW) filters, which have a group delay of 11 microseconds. Since the propagation
delay of free space is 5.4 microseconds per mile, the delay is “equivalent” to two miles of
free space propagation.
The search window of the donor base station may need to be increased depending on
the distance from the repeater to the donor base station. For example, if the repeater is 3
miles from the donor base station, and the desired coverage area of the repeater is 2
miles (for a total of 5 miles):
(5 miles) * (5.4 µsec/mile) + 11 µsec (delay in the repeater) = 38 µsec
The donor BTS pilot search window would need to be at least 38 microseconds for call
activation to take place.
The neighbor lists of the donor base station and the base stations surrounding the area
served by the repeater need to be adjusted. For example, in Figure 19 a repeater
extends the coverage of BTS1 to a new area. BTS1 is now neighbors with BTS4 and
BTS5, whereas without the repeater, BTS1 is neighbors with just BTS2 and BTS3. Thus
BTS4 and BTS5 must be added to BTS1’s neighbor list, and BTS1 must be added to
BTS4’s and BTS5’s neighbor lists. A drive test of the coverage area should be performed
to verify the final setup.

Installation of the CDR812 CI Wireless Inc.
MirrorCell Select CDR812 Manual
7-12 Rev. X1
Figure 8. Neighbor List Changes.
Neighbor list changes may need to be implemented when adding a repeater into a
system.
BTS 1
BTS 3
BTS 4
COVERAGE
AREA
REPEATER
BTS 2
BTS 5

CI Wireless Inc. Installation of the CDR812
MirrorCell Select CDR812 Manual
Rev. X1 7-13
7.8 HyperTerminal Configuration
HyperTerminal may be used for terminal emulation when using remote control of the
repeater. Use the following steps for setting up HyperTerminal.
1. In the Start menu, open the Programs folder. Go to the Accessories folder in the
Programs folder.
2. Choose Hyperterminal. In that folder, choose HyperTerminal.
3. A dialog box will ask you to name the session. Use any name you choose. Select the
icon showing the two telephones. See Figure 20.
Figure 9. Connection Description in HyperTerminal.
4. For a direct connection to the repeater, choose “Direct to Com X” in the drop down
box. See Figure 21.

Installation of the CDR812 CI Wireless Inc.
MirrorCell Select CDR812 Manual
7-14 Rev. X1
Figure 10. HyperTerminal Screen for Direct Connection.
For remote connection via modem, enter the number you wish to dial and choose to
connect using “Standard Modem” as in Figure 22.
Figure 11. HyperTerminal Screen for Modem Connection.

CI Wireless Inc. Installation of the CDR812
MirrorCell Select CDR812 Manual
Rev. X1 7-15
5. After clicking OK, you will need to choose “Port Settings.” Select:
• Bits per Second: 9600
• Data bits: 8
• Parity: None
• Stop bits: 1
“Flow control” selection will depend on whether you are using a direct connection to
the repeater or a remote connection. For a direct connection, choose “None.” For a
remote connection choose “Hardware.” Click OK.
Figure 12. Port Settings for Direct Connection and Remote Connection.
The port settings will be the same for direct connection and remote connection, except for
the flow control. For a direct connection to the repeater, make sure flow control is set to
“None.” For remote connection, set flow control to “Hardware.”
7.9 Configuration for Remote Operation
The CDR812 MirrorCell repeater is designed to report alarms and be configurable using
DataCall capabilities. The repeater can be configured for remote operation using the
following procedures.
1. The wireline interface with modem must be installed in the repeater.

Installation of the CDR812 CI Wireless Inc.
MirrorCell Select CDR812 Manual
7-16 Rev. X1
2. Any existing alarm messages (from factory testing and initialization) should be
cleared before activating the repeater. First check the existing alarm log, then clear
the log. This can be done at any time during the setup procedure.
LOG <enter>
CLEAR LOG <enter>
3. The proper communication mode must first be enabled before communications can
begin. For DataCall messaging:
SET DEV DTC <enter>
4. The phone number to which the repeater will report alarms must be programmed into
the repeater, using the following command:
SET ASC [phone number] <enter>
5. Set the maximum number of times (Maximum Number of Repetitions) the repeater
will attempt to resend an unacknowledged message to the predetermined phone
number:
SET MNR xx <enter>
where xx = number of retries.
6. Set the amount of time the repeater should wait (Repetition Cycle Alarm) for an
acknowledgment before resending the messaging, preset at 10 minutes.
SET RCA xxx <enter>
where xxx is the number of minutes to wait between each retry.
7. To set the Repeater’s ID number:
SET RID xx-yy-zzzz <enter>
where x, y, and z are digits.
8. The threshold for Illegal Login Attempts tells how many times a false password can
be attempted before the systems locks out any further attempts. This is preset at 8.
To reset the value,
SET ILA xx <enter>
9. The external alarms can be configured active low or active high, so that the alarm is
given in either the presence or absence of applied power.
SET EXT BC <enter>
Where B, read from EX1, refers to pin 1 and C, read from EX2, refers to
pin 2.

CI Wireless Inc. Installation of the CDR812
MirrorCell Select CDR812 Manual
Rev. X1 7-17
B, C = 0 means the absence of voltage is OK
B, C = 1 means the presence of voltage is OK
7.10 Configuration for MEM Setup
In order to use the MirrorCell Element Manager (MEM) certain parameters must be
adjusted for proper communications between the MEM and the repeater. Follow these
steps to configure the repeater.
1. Turn on power to the repeater.
2. Login to the repeater using a read-and-write password.
3. Set the address code to blank. This will disable the sending of alarms to the MEM.
The MEM will configure the correct address.
SET ASC <enter>
4. Set the communications type to DataCall/modem connection.
SET DEV DTC <enter>
5. If necessary, set the MEM to Repeater password. This information must be
forwarded to the person doing the MEM installation.
SET ORP [password] <enter>
6. The repeater is now set-up for MEM operation.

Installation of the CDR812 CI Wireless Inc.
MirrorCell Select CDR812 Manual
7-18 Rev. X1
7.11 Troubleshooting
PROBLEM POSSIBLE CAUSE SOLUTION
LED on Status & Control (S&C)
module is unlit. 1. Unit not turned on.
2. No power to unit.
3. S&C module failure.
4. Power supply failure.
1. Plug in/turn on unit.
2. Restore power to unit.
3. Replace S&C module.
4. Replace power supply.
LED on S&C module is lit but
cannot login to the repeater 1. Software emulation program
is not set properly.
2. Software emulation program
is not working properly.
3. Cables not functioning
properly.
4. Bad S&C module.
1. Verify program is set
properly.
2. Verify program is working
properly; replace if
necessary.
3. Replace cable.
4. Replace S&C module.
Poor reverse signal quality;
forward signal quality looks fine. Excessive noise contribution to
BTS because gain set too high. Reduce repeater gain setting.
Output power too low on forward
link. 1. Receiving too low of a signal
from donor site.
2. Gain not set correctly.
1. Verify adequate signal is
received; adjust donor
antenna if necessary.
2. Reset gain.
Receiving sufficient signal
strength but too much
interference to make a call.
Repeater goes into oscillation
because of insufficient antenna
isolation.
1. Improve antenna isolation:
• Further separate antennas
• Mount a shield between
antennas.
2. Reduce repeater gain.
7.12 Maintenance
CI Wireless’ MirrorCell CDR812 does not require preventative maintenance.

CI Wireless Inc. Installation of the CDR812
MirrorCell Select CDR812 Manual
Rev. X1 7-19
7.13 Parts Replacement
In case of repeater failure, CI Wireless recommends you send back the entire repeater
for repair, and mount a spare repeater in its place. However, if you would rather make the
repair yourself, the following modules can be replaced on the repeater.
WARNING!
TURN OFF REPEATER AND DISCONNECT POWER FROM THE REPEATER
BEFORE REMOVING ANY MODULES!
• Status & Control Module
• Uplink (reverse) channelizer
• Downlink (forward) channelizer
• Uplink power amplifier
• Downlink power amplifier
• LNA, uplink
• LNA, downlink
WARNING!
DO NOT INSERT CHANNEL MODULES OR POWER AMPLIFIER INTO THE WRONG
POSITION!