ENERNET 13000 WIRELESS RS485 INTERFACE User Manual 130 User Guide

ENERNET Corporation WIRELESS RS485 INTERFACE 130 User Guide

USERS MANUAL

Pub No. 13001-082207  ENERNET Corporation      Copyright 2007  Model 130 User Guide Communicating Thermostat Wireless RS485 Accessory
MODEL 13000 Application Guide  ENERNET CORPORATION IS NOT RESPONSIBLE FOR ANY RADIO OR TV INTERFERENCE CAUSED BY UNAUTHORIZED MODIFICATIONS TO THIS EQUIPMENT.  SUCH MODIFICATIONS COULD VOID THE USER’S AUTHORITY TO OPERATE THE EQUIPMENT.  THIS EQUIPMENT COMPLIES WITH PART 15 OF THE FCC RULES.  OPERATION IS SUBJECT TO THE FOLLOWING TWO CONDITIONS:  (1) THIS DEVICE MAY NOT CAUSE HARMFUL INTERFERENCE, AND (2) THIS DEVICE MUST ACCEPT ANY INTERFERENCE RECEIVED, INCLUDING INTERFERENCE THAT MAY CAUSE UNDESIRED OPERATION.  ENERNET CORPORATION PROVIDES THIS PUBLICATION “AS IS” WITHOUT WARRANTY OF ANY KIND, EITHER EXPRESS OR IMPLIED, INCLUDING, BUT NOT LIMITED TO, THE IMPLIED WARRANTIES OF MERCHANTABILITY OR FITNESS FOR A PARTICULAR PURPOSE.  THIS MANUAL MAY CONTAIN TECHNICAL INACCURACIES AND/OR TYPOGRAPHICAL ERRORS.  CHANGES ARE PERIODICALLY MADE TO THIS MANUAL, WHICH ARE INCORPORATED IN LATER EDITIONS.    ENERNET CORPORATION MAY MAKE CHANGES AND IMPROVEMENTS TO THE PRODUCT(S) AND/OR PROGRAMS DESCRIBED IN THIS PUBLICATION AT ANY TIME WITHOUT NOTICE.   IN NO EVENT WILL ENERNET CORPORATION BE LIABLE FOR DAMAGES, INCLUDING LOST PROFITS, LOST SAVINGS OR OTHER INCIDENTAL OR CONSEQUENTIAL DAMAGES ARISING OUT OF THE USE OF OR INABILITY TO USE SUCH PRODUCT, EVEN IF ENERNET CORPORATION OR AN APPROVED RESELLER HAS BEEN ADVISED OF THE POSSIBILITY OF SUCH DAMAGES, OR FOR ANY CLAIM BY ANY OTHER PARTY.  ENERNET Corporation 307 Dewittshire Road, Syracuse, New York 13214 Phone:  (315) 449-0839   Fax:  (315) 449-3056
MODEL 13000 Application Guide  ANTENNA The wireless RF equipment described in this document may be supplied with one of two possible antenna configurations.  Stick-On 1/2-wave Dipole Antenna: Antenna Factor P/N ANT-916-MHW -RPS  PCB Mounted 12-Inch Coaxial Monopole: ENERNET P/N 060-012   EQUIPMENT MANUFACTURER (OEM) The Original Equipment Manufacturer (OEM) must ensure that FCC labeling requirements are met. This includes a clearly visible label on the outside of the final product enclosure that displays the following: CONTAINS FCC ID:  TGD13000
MODEL 13000 Application Guide 1                             Figure 1: Aprilaire 8870 Thermostat — Model 130 Remote Communication NodePB1— SERIAL LOOP BACK TEST A valid 8870 thermostat command is sent ov er the RS485 interface.  A valid return data string is expected.   ? Green LED (D5) flash = PASS ?  Red LED (D4) flash = FAILED. PB2 — RF COMMUNICATION TEST Initiates a 5-second communication test with the model 130 Master transceiver it has been linked to. .  ? Green LED (D5) flash = PASS ? Red LED (D4) flash = FAILED PB3 — CONFIGURATION SETUP Holding PB3 down for 3-seconds places unit into configuration setup (see Configuration Setup section for details). PB2 + PB3 — INSTALLATION MODE Simultaneously pressing PB2 & PB3 places the model 130 Remote Communication Node (RCN) into Installation Ready mode for a 5-second period during which time it can be linked to a Master Transceiver.  The Yellow LED (D3) and Green LED (D2) will simultaneously light to indicate the RCN is in Installation Ready mode.   PB1 PB3 PB2 D1D2 D3D5D4 RED ( R ) BLK ( C ) YEL (A+)BLUE (A-) WH (B+) GRN (B-) J2 Power Supply Network Processor ANT  Thermostat 24VAC Power Crystal Serial Interface 8870 Thermostat Communication Terminals RF XCVR RF Section
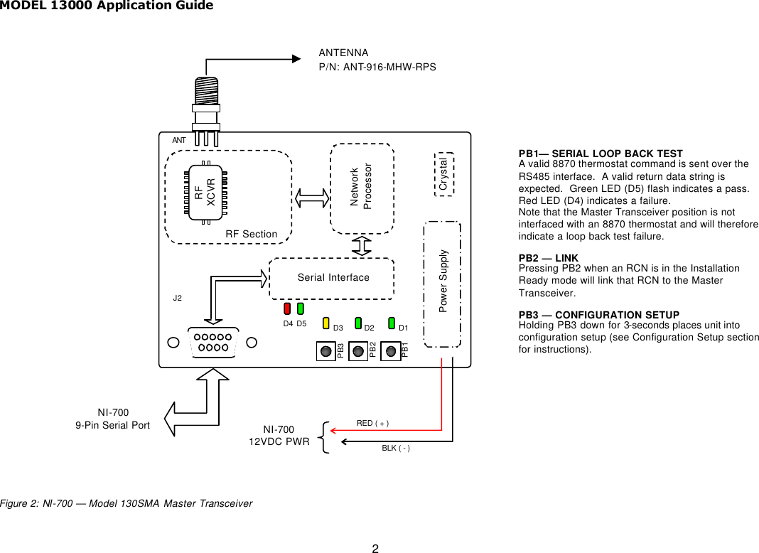
MODEL 13000 Application Guide 2                 Figure 2: NI-700 — Model 130SMA Master TransceiverPB1— SERIAL LOOP BACK TEST A valid 8870 thermostat command is sent over the RS485 interface.  A valid return data string is expected.  Green LED (D5) flash indicates a pass.  Red LED (D4) indicates a failure.   Note that the Master Transceiver position is not interfaced with an 8870 thermostat and will therefore indicate a loop back test failure.   PB2 — LINK Pressing PB2 when an RCN is in the Installation Ready mode will link that RCN to the Master Transceiver. PB3 — CONFIGURATION SETUP Holding PB3 down for 3-seconds places unit into configuration setup (see Configuration Setup section for instructions).    PB1 PB3 PB2 D1D2 D3D5D4 RED ( + ) BLK ( - ) J2 Power Supply Network Processor ANT  NI-700 12VDC PWR Crystal Serial Interface NI-700 9-Pin Serial Port ANTENNA P/N: ANT-916-MHW-RPS RF XCVR RF Section
MODEL 13000 Application Guide 3 INTRODUCTION The model 130 series RF transceivers are designed to provide a wireless, mesh network RS485/422 interface over an unlicensed 900MHz RF data channel.  The application discussed in this manual utilizes an NI-700 NetLinx Integrated Controller made by AMX and the Aprilaire model 8870 Communicating Thermostat.  The Aprilaire 8870 thermostat supports a hardwired RS485/422 serial communication channel such as that provided by an NI-700 serial port.  Through the NI-700, information can be received from and commands can be sent to individually addressed thermostats.  As many as 64 thermostats can be connected on a single network.  The model 130 series RF transceiver provides  a transparent wireless communication channel between an NI-700 and its associated thermostats.   There are two physical configurations of the model 130 as well as two operating configurations.  Figure 1 above shows a model 130 Remote Communication Node or RCN, which is located with an 8870 thermostat.  This configuration provides two power wires, four RS485/422 serial communication wires and a 12” long coaxial antenna.  It should be powered by the same 24VAC as the thermostat.  (Black ‘C’ wire MUST connect to the thermostat ‘C’ wire - Red ‘R’ wire MUST connect to thermostat ‘R’ wire.)  Figure 2 depicts a model 130SMA Master Transceiver.  In this physical configuration, the four serial communication wires are replaced by a 9-pin female serial connector.  The antenna is replaced by the SMA style threaded connector which mates to a remote antenna connector.  Operating configuration setup is covered later in this manual.
MODEL 13000 Application Guide 4 OPERATING CONFIGURATION Model 130 series RF transceivers can be configured to operate as either a Master Transceiver or as a Remote Communication Node (RCN) And, the mesh network / repeater function can be turned on or off (factory default is off).  Because of the physical configuration differences in the two models it is unlikely to be necessary to alter the Master Transceiver / RCN configuration. Two configuration property tables are accessible by the user. The first property table sets Mode of Operation, The second sets the mesh network / repeater function on or off.  The configuration tables that follow provide operational descriptions and factory default settings.  Selections are indicated through the FLASH-COUNT of LED’s D1 and D2.  (Refer to Figure 1 and 2 above.)  D2 repeatedly flashes 1 or 2 times to indicate the property table that is active.  D1 flashes 1 or 2 times to indicate the specific operational ‘property’ selected. (Refer to Figure 1 or 2 for button and LED locations) PB3 (Configuration Setup) will switch the unit into and out of the configuration mode.  Holding PB3 down for approximately 3-seconds will take you into the configuration area.  To leave the configuration area, simply press and release PB3. PB2 selects configuration table 1 or 2, which is indicated by D2 FLASH-COUNT.    PB1 selects the configuration property as indicated by D1 FLASH-COUNT.  Pressing PB3 to leave the configuration area will save changes made.  To review or change the configuration, refer to the configuration tables below for descriptions and perform the following: 1.  Press and hold PB3 until LED indicator lamps D2 & D1 flash alternately.  (NOTE: At any time during the setup process PB3 can be pressed again to return to normal operation.) 2.  D2 will flash once indicating Table 1, Operating Mode configuration, followed by D1 flashing 1 or 2 times indicating the specific configuration in Table 1 that is currently active.  (NOTE: D2 and D1 will flash repeatedly to indicate the Table and the configuration.) Pressing PB1 will advance the configuration option by one.  Press PB1 until the FLASH-COUNT corresponds to the desired configuration. (Refer to Table 1.) 3.  Press PB2 to advance to Table 2, Message Repeat configuration.  D2 will flash 2 times, followed by D1 flashing 1 or 2 times depending on how it is currently set.  Press PB1 until the FLASH-COUNT corresponds to the desired configuration. 4.  Press PB3 to return to normal node operation, saving any configuration changes you’ve just made.
MODEL 13000 Application Guide 5     M A S T E R   T R A N S C E I V E R   /  R C N   C O N F I G U R A T I O N   —   T A B L E  1   D2 D1   CONFIGURATION FLASH COUNT FLASH COUNT DESCRIPTION 1 Remote Communication Node RCN* (Factory Default) 1 1  Wires directly to an Aprilaire 8870 Communicating Thermostat. 2 Master Transceiver 1 2  Plugs on to one of the RS485/422 serial ports of an NI-700. * Factory default setting.      R E P E A T E R   ON  /  OFF   C O N F I G U R A T I O N   —   T A B L E  2   D2 D1   CONFIGURATION FLASH COUNT FLASH COUNT DESCRIPTION 1 Mesh Repeater function OFF* (Factory Default) 2 1  Does not repeat messages it hears from a Master Transceiver or other RCN units.  (Applies only to an RCN.) 2 Mesh Repeater function ON 2 2  Repeats messages it hears from a Master Transceiver or other RCN unit.  (Applies only to an RCN.) * Factory default setting.
MODEL 13000 Application Guide 6 INSTALLATION / LINKING A Master Transceiver and Remote Communication Node will not operate as a system until they are linked together through the installation linking process.  The linking process binds  one or more RCN units to a Master so that they will communicate with each other as a control system.  There is no practical limit to how many RCN units can be linked to a Master.  Once linked, Remote Control Nodes will only respond to the Master they are linked to.  Message traffic from other Master Transceivers and nodes will be ignored.  Master Transceivers and associated RCN units will not interfere with or be affected by any other Master or RCN in adjacent apartments, hotel rooms or neighboring homes.  Linking information is stored in non-volatile memory — It is not necessary to re-link a Master and RCN if power is lost.  Upon restoration of power the units will continue to communicate as before.  NOTE: If multiple installation teams are performing the linking process at the same time, coordinate the activity to avoid the possibility of installers simultaneously attempting to link RCN units.   For immediate visual confirmation of a successful link, it is recommended that RCN’s and Master Transceivers are linked in close proximity to each other.    LINKING PROCESS Start the linking process by simultaneously pressing PB2 and PB3 on the Remote Control Node you wish to associate with a given Master Transceiver.  LED’s D2 and D3 will light and stay on for approximately 5-seconds after you have simultaneously pressed both buttons indicating an installation link period window is open.   Simultaneously press PB2 and PB3 on any RCN circuit board to initiate an installation period.  At any time during the link period window , press PB2 on the Master Transceiver.  A successful link is indicated by green LED D4 flash on the RCN.  An unsuccessful link or installation period timeout is indicated by red LED D5 flash.   PB1 PB3 PB2 D1 D2 D3 PB1 PB3 PB2 D1 D2 D3
MODEL 13000 Application Guide 7 RF COMMUNICATION TEST After RCN units have been linked to a Master and installed on thermostat bases , a communication test should be run to ensure a reliable communication path exists between each RCN and its Master Transceiver. Initiate a 5-second communication test with the Master transceiver by pressing PB2 on the RCN under test.  After the 5-second test period a PASS/FAIL indication is given:   ? Green LED (D5) flash = PASS ? Red LED (D4) flash = FAILED Each model 130 wireless RS485/422 RCN can be operated with or without mesh (message repeating) functions turned on.  Factory default is repeater OFF.  With the repeater function off, the Master Transceiver must be able to directly communicate with each of its RCN’s.  While the repeater function allows the system to over come RF range limitations, unnecessary repeats adds traffic to the network.  A better use of the function is to selectively enable it.  Figure 3 is an example of using the repeater function selectively.  In this example case, a Master Transceiver directly communicates with RCN 1, 2 and 3.  RCN 4 and 5 however are out of range.  RCN 3 is the closet RCN to 4 and 5.  Its repeater function is enabled, forming the bridge between the Master and RCN units 4 and 5.                    Master Transceiver  8870  RCN #1 8870  RCN #2  8870  RCN #5  8870  RCN #4  8870  RCN #3 (Repeater on) NI-700 Figure 3: Mesh Repeater Example
  This device complies with Part 15 of the FCC Rules.    Operation is subject to the following two conditions:   (1) this device may not cause harmful interference, and (2) this device must accept any interference received, including interference that may cause undesired operation. Important Note:The device cannot be sold retail,to the general public or by mail order.The device should be installed by licensed professionals ( EUT sold to dealer who hire installers)

Navigation menu