ENUSTECH KLAT7-RC WIRELESS REMOTE CONTROLLER User Manual User s manual KlaT7 20100126
ENUSTECH WIRELESS REMOTE CONTROLLER User s manual KlaT7 20100126
ENUSTECH >
Users Manual

User’s Manual
KlaT 7 1 of 19 Confidential Proprietary
User’s Manual
[KlaT 7]

User’s Manual
KlaT 7 2 of 19 Confidential Proprietary
REVISION HISTORY
Version Date Name Revision History
00.10 June 26, 2009 OJ Sim Initial release
Non Graphic version

User’s Manual
KlaT 7 3 of 19 Confidential Proprietary
CONTENTS
1 GETTING STARTED..................................................................................... 4
1.1 CAR KIT PACKAGE LAYOUT ........................................................................ 4
1.2 INSTALLATION........................................................................................... 5
1.3 CONNECTING THE REMOTE CONTROLLER TO THE BRAIN BOX ........................ 6
1.4 ESTABLISHING A CONNECTION WITH YOUR PHONE........................................ 7
1.5 VOICE COMMAND ...................................................................................... 9
2 USING THE CAR KIT ................................................................................. 10
2.1 OPERATION ............................................................................................ 10
2.2 SETTING................................................................................................. 13
3 SPECIAL FEATURES TO ACCESS SERVICE IN USA ............................. 14
4 APPENDIX.................................................................................................. 15
5 SAFETY AND GENERAL INFORMATION ................................................. 16

User’s Manual
KlaT 7 4 of 19 Confidential Proprietary
1 Getting started
1.1 Car kit package layout
MIC+ cable STAND CLIP
CONT TAPEBATTERY 2032
①②
③④
⑤⑥
⑦
NONE BATTERY
CONTROLLER
○
1 Brain box
○
2 Remote controller (RC + battery + 양면테입)
○
3Dual microphone (Mic + cable + mount 2 개)
○
4 Cont Tape
○
5 MIC Cable
○
6 MIC Stand
○
7 MIC Clip

User’s Manual
KlaT 7 5 of 19 Confidential Proprietary
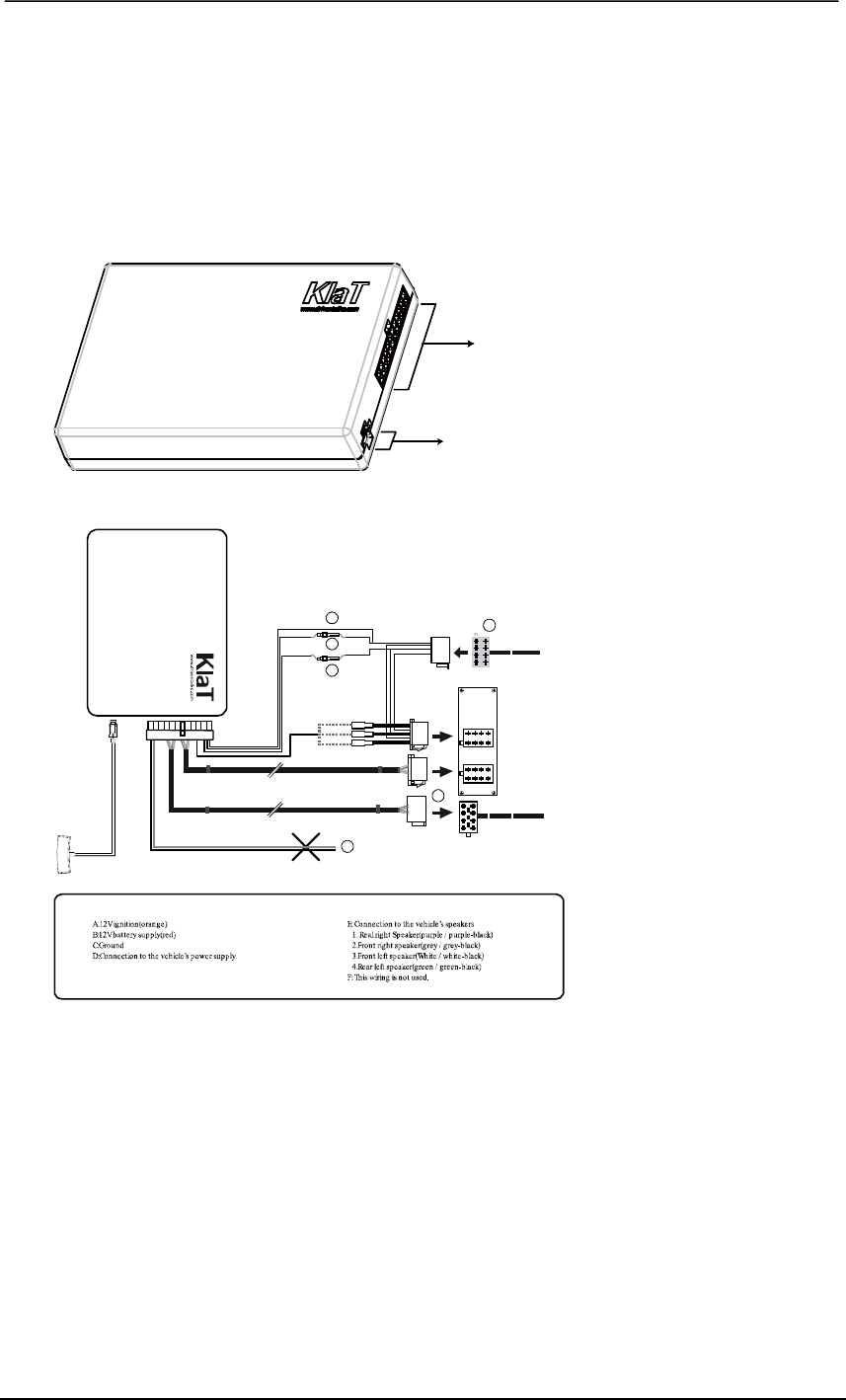
1.2 Installation
Brain box
You can place the electronic module anywhere inside the vehicle to facilitate
convenient connection between the installation cable and other system
components.
B
r
ain Box
d
esc
r
i
p
t
ion
24PIN Vehicle System Terminal
16Pin Extenal Terminal
B
r
ain
b
oxins
t
alla
t
ion
Car Rad io
A
mute in1
2
3
Mute
B
CD
E
F
1. Connect the male connectors of the car kit to the car stereo.
2. Join the vehicles audio and power supply cables to the female connectors of
the car kit
3. Connect the microphone cable to brain box
Installation cable (optional)
The Installation cable connects the brain box to your car and other components. It
connects the vehicle’s power and ignition to the car kit and provides car audio
connections.
! Note
The configuration of installation cable might be varies per your sellers. For more
information, ask to your seller.

User’s Manual
KlaT 7 6 of 19 Confidential Proprietary
Remote controller
The remote controller can be mounted in several ways to provide a safe and
comfortable environment for use. A double sided tape and coin battery are comes
with the remote controller
The remote control only works with a 3V CR2032 battery, Make sure the battery is
correctly positioned before inserting it into the remote control
Dual microphone
The microphone is placed best near the rearview mirror and aimed directly toward
the user. The microphone cable can be mounted in several ways to provide a safe
and comfortable environment for use.
45 degree
40 Cm
! Note
Once you have stuck the double sided tape, wait for approximately 2 hours to make
sure the adhesive tape adheres well.
1.3 Connecting the remote controller to the brain box
If the remote control doesn’t seem to be associated to the brain box while using
the car kit for the first time, press and hold and buttons while holding down the
END and MFB buttons until the ‘Pairing successful’ message is said.

User’s Manual
KlaT 7 7 of 19 Confidential Proprietary
! Note
This has to be done during a 30 seconds period once the ignition is turned on.
1.4 Establishing a connection with your phone
Before you can use this car kit, you must establish a Bluetooth connection
between the car kit and your phone.
! Note
The process of initiating a Bluetooth connection with a phone varies per phone
manufacturer. For more information, refer to the user’s guide for your phone.
Pairing a phone
1. Press the CALL button.
2. After ‘say command’ message is heard, say ‘Pair mode’
or press and hold the CALL and the END button together.
Kla T 7
Device found
Mo b ilSu rf
Bluetooth
In fr are d p o rt
WAPoptions
Synchronization
Networks
Connectivity
From your phone, search for Bluetooth peripherals. When the phone displays the
device name ‘KlaT 7’

User’s Manual
KlaT 7 8 of 19 Confidential Proprietary
3. Select the device.
Kla T 7
Passkey:
The phone displays the password entry screen.
4. Enter the passkey (0000).
Kla T 7
Kla T 7
Ad d e d .Th e
handsfree is now
ready foruse
‘Your phone is connected’ message is heard.
Additional Pairing
With the same way of ‘pairing a phone’, you can have more paired links. This
system supports paired links with up to 8 phones.
Automatic re-connection
When you set up a paired link, the car kit remembers the phone’s ID. Once the
car kit and phone are paired, your car kit automatically connects to your phone
every time you start your vehicle or power up the car kit.
! Note
If the automatic re-connection is not available, press the CALL button for manual re-
connection. This will recover the last paired link.
! Note
You can terminate pair mode at any time by pressing the END button.

User’s Manual
KlaT 7 9 of 19 Confidential Proprietary
1.5 Voice command
At any time, you can activate voice command mode by pressing CALL button. ‘Say
command’ message is heard, say a voice command what you want.
You can use the “What Can I Say” command to listen the available commands. The
following is the list of the available commands
Voice c
ommands
Proceed this way
What
Can I
Say?
Tell
you all
a
v
ailable
c
ommands
Pair
Mode
Enter the pairing
mode
Am
I
C
onnec
t
ed?
Tell
you
if
connected
to
a
phone
Phone
c
ommand
Enter voice
r
ec
og
nition
func
tion
(if mobile phone
suppor
t)
Redial Dial the last dialed
number
Call Inf
orma
tion
Connect to
M
icr
osof
t
’
s
Bing Search
C
en
t
er
Call
Favorite
1~5
Call
number preset on
Speed
Dial
1
Call
Home
Call
number preset on
Speed
Dial
6
Call
Office
Call
number preset on
Speed
Dial
7
A
nsw
er
Answer the incoming call
Ignor
e
R
ejec
t
the incoming call
Settings
Menu
Enter to setting
menu
Y
es
Answer
“yes”
for yes/no
question
No
Answer
“no”
for yes/no
question

User’s Manual
KlaT 7 10 of 19 Confidential Proprietary
2 Using the car kit
2.1 Operation
Adjusting the volume
Use the wheel during a call to adjust the volume.
WheelVolume up WheelVolume down
Making a Call with the Car Kit
You can place a call with the car kit in these ways:
• Use the Quick voice dial command.
1. Press the CALL button
2. When ‘Say command’ message is heard, say any Quick voice dial. You can choice
among 7 Quick voice dials ‘call home, call office, call favorite 1~5’
3. The car kit dial the number saved on each Quick voice dial address.
! Note
Refer to ‘3.3 setting’ of this document. You can save the number you want on each Quick
voice dial address.
• Use the Redial voice command.
1. Press the CALL button
2. When ‘Say command’ message is heard, say ‘redial’
3. The car kit redial the last number

User’s Manual
KlaT 7 11 of 19 Confidential Proprietary
• Use last number redial by pressing CALL button
1. Press and hold the CALL button
2. The car kit redial the last number
! Note
When connected, all of these calls are handsfree. You can terminate calls at any time by
pressing the END button.
Receiving a call with the car kit
1 . Answering a call
• Press the CALL button to answer an incoming call.
• After ‘call from call ID’ message is heard, Say ‘answer’
2. Ignoring a call
• Press the END button to ignore an incoming call.
• After ‘call from call ID’ message is heard, say ‘ignore’
Using the car kit while on a call
You can place a call with the car kit in these ways:
• Transferring a call
1. During a call, if you want to continue the conversation on your phone (privacy
mode), press the CALL button. The call is transferred to the phone.
2. If you want to switch back to the kit (handsfree mode), press the CALL button again
• Muting a call
1. To mute the microphone during a call, press the mute button. You can still hear
your caller’s voice.
2. To un-mute the microphone, press the mute button again.
• Call waiting
1. Press the CALL button to accept the second incoming call. The first call is
automatically put on hold.
2. Press the END button to decline the second incoming call. You can also hang up
directly from your phone.
3. Press the CALL button to switch from a call to another.

User’s Manual
KlaT 7 12 of 19 Confidential Proprietary
! Note
When connected, all of these calls are handsfree. You can terminate calls at any time by
pressing the END button.
! Note
Please refer to setting menu of this document about quick voice dial command. You can
save dial number on each quick voice dial address.
Phone command
This activates the voice recognition mode of your phone, if your phone support.
1. Press the CALL button
2. When ‘Say command’ message is heard, say ‘phone command’.
3. The voice control mode of your phone is activated
! Note
The voice recognition mode varies per phone manufacturer. For more information, refer
to the user’s guide for your phone.
Music
You can use the car kit to listen to songs stored on your phone. Your mobile phone
must support the Bluetooth A2DP profile.
• Play / Pause / Resume a song
1. Press MFB button to play a song
2. To pause the music, press MFB button when music is playing.
3. Press MFB button again to playback.
• Escape music mode
1. Press and hold MFB button for 1sec.
• Previous / Next song
1. Press the button, to the previous song.
2. Press the button, to the next song.
• Rewind / Fast forward
1. Press and hold the button for rewinding
2. Press and hold the button for fast forwarding.
! Note
The features of supporting the Bluetooth A2DP profile varies per phone manufacturer.
For more information, refer to the user’s guide for your phone.

User’s Manual
KlaT 7 13 of 19 Confidential Proprietary
2.2 Setting
Enter setting menu
1. Press CALL button
2. After ‘Say command’ message is heard, say ‘settings menu’
3. The car kit says ‘You can say incoming call announcement, save favorite’, say
‘incoming call announcement’ after the message
Quick voice dial setting
Under setting menu, you can save a phone number on the car kit.
Enable or disable incoming call announcement
Under setting menu, you enable or disable the Incoming call ID.
Software upgrade
You can upgrade the software of the car kit. Visit to ‘www.driventalks.com’ and download
the latest software and manual.

User’s Manual
KlaT 7 14 of 19 Confidential Proprietary
3 Special features to access service in USA
1. Call information
You can say ‘Call Information’ to search for local and business listings with Bing™
411. Find news, directions, restaurant locations, weather forecasts, movie
showtimes, and more.
2. Text message
You can say ‘Text message’ to use voice to text service. You can send SMS, e-
mail and more by using your voice. For more information, visit to
‘www.driventalks.com’.
! Note
The features mentioned on this page are only available in USA.

User’s Manual
KlaT 7 15 of 19 Confidential Proprietary
4 Appendix
ISO 24pin configuration
Car Battery
Front Right Speaker
Rear Right Speaker
Car Audio Rear Left
Car Audio Rear Right
-
+
-
+
-
+
-
+
-
+
-
+
-
+
-
+
KlaT7AudioRightLineOut
+
-
+
-
Car 12V Ignition
KlaT7MuteMuteOut
Car Ground
KlaT7
Install Type Bluetooth Hands Free Kit
CAR ECU
AMP Output
External
Woofer AMP
Car Audio System
Front Left Speaker
Rear Left Speaker
Pin.1
Pin.2
Pin.4
Pin.5
Pin.6
Pin.7
Pin.8
Pin.9
Pin.10
Pin.12
Pin.13
Pin.14
Pin.15
Pin.16
Pin.17
Pin.18
Pin.19
Pin.20
Car Audio Front Left
Car Audio Front Right
Pin.21
Pin.22
Pin.23
Pin.24
12V Battery Voltage

User’s Manual
KlaT 7 16 of 19 Confidential Proprietary
5 Safety and general information
For the efficient and safe operation of the car kit, observe these manual-lines.
1. Qualified installer
We advise only qualified personnel should install this car kit. If necessary, contact the
vehicle manufacturer for air bag information specific to the vehicle.
2. Air bag
All air bag inflates with great force. Do not place objects, including both installed and
portable wireless equipment, in the area over the air bag or in the air bag development
area. If in-vehicle wireless equipment is improperly installed and the air bag inflates,
serious injury could result.
3. Installation
Mount components securely on strong surfaces to prevent shifting that could cause
injury or interfere with safe vehicle operation. Always use the supplied mounting
hardware
Mounted components and attached wires or cables must not interfere with seating or
leg space.
4. Hearing Aids
It may interfere with certain hearing aids. In the event of such interference you may
consult the hearing manufacturer to discuss alternatives.
5. Other Medical Devices
If you use any other medical devices, please consult a physician or the manufacturer of
the medical devices to determine if they are adequately shielded from external RF
energy. Your physician may be able to assist you in obtaining this information. Always
check the regulations of the healthcare facilities, which generally request that all
mobiles are switched off on entry.

User’s Manual
KlaT 7 17 of 19 Confidential Proprietary
Certification and Safety approvals
This product is CE marked according to the provisions of the R&TTE Directive
(99/5/EC). We declare that this product is in compliance with the essential
requirements and other relevant provisions of Directive 1999/5/EC. For further
information, please refer to website.
FCC Information to User
This equipment has been tested and found to comply with the limits for a Class B
digital device, pursuant to Part 15 of the FCC Rules. These limits are designed to
provide reasonable protection against harmful interference in a residential installation.
This equipment generates, uses and can radiate radio frequency energy and, if not
installed and used in accordance with the instructions, may cause harmful interference
to radio communications. However, there is no guarantee that interference will not
occur in a particular installation. If this equipment does cause harmful interference to
radio or television reception, which can be determined by turning the equipment off and
on, the user is encouraged to try to correct the interference by one of the following
measures:
• Reorient or relocate the receiving antenna.
• Increase the separation between the equipment and receiver.
• Connect the equipment into an outlet on a circuit different from that to which the
receiver is con-nected.
• Consult the dealer or an experienced radio/TV technician for help.
Caution
Modifications not expressly approved by the party responsible for compliance could
void the user’s authority to operate the equipment.
FCC Compliance Information : This device complies with Part 15 of the FCC Rules.
Operation is subject to the following two conditions: (1) This device may not cause
harmful interference, and (2) this device must accept any interference received,
including interference that may cause undesired operation
Note on environmental protection:
After the implementation of the European Directive 2002/96/EU in the national legal
system, the following applies: Electrical and electronic devices may not be disposed of
with domestic waste. Consumers are obliged by law to return electrical and electronic
devices at the end of their service lives to the public collecting points set up for this
purpose or point of sale. Details to this are defined by the national law of the
respective country. This symbol on the product, the instruction manual or the package
indicates that a product is subject to these regulations. By recycling, reusing the
materials or other forms of utilizing old devices, you are making an important
contribution to protecting our environment.

User’s Manual
KlaT 7 18 of 19 Confidential Proprietary
Sales contact List

User’s Manual
KlaT 7 19 of 19 Confidential Proprietary
Warranty contents