ENUSTECH KLAT8-BR BLUETOOTH HANDS-FREE KIT User Manual Product Description
ENUSTECH BLUETOOTH HANDS-FREE KIT Product Description
ENUSTECH >
Users Manual

User’s Guide
KlaT 8 1 of 25 Confidential Proprietary
User’s Guide
[KlaT 8]
Mar 24th, 2011

User’s Guide
KlaT 8 2 of 25 Confidential Proprietary
REVISION HISTORY
Version Date Name Revision History
00.10 29th Mar, 2011 OJ Sim Initial release

User’s Guide
KlaT 8 3 of 25 Confidential Proprietary
CONTENTS
1 GETTING STARTED..................................................................................... 4
1.1 PACKAGE LAYOUT..................................................................................... 4
1.2 INSTALLATION........................................................................................... 4
1.3 CONNECTING THE REMOTE CONTROLLER TO THE BRAIN BOX ...................... 10
1.4 PAIRING INSTRUCTION ............................................................................. 10
1.5 VOICE COMMAND .................................................................................... 11
2 USING YOUR PRODUCT........................................................................... 12
2.1 OPERATION ............................................................................................ 12
2.2 SETTING................................................................................................. 14
2.3 OTHERS................................................................................................. 15
3 PRODUCT SPECIFICATION ...................................................................... 17
4 FOR MORE HELP ...................................................................................... 18
4.1 CUSTOMER CARE ....................................................................................... 18
4.2 SPECIAL FEATURES TO ACCESS SERVICES IN USA / CANADA ......................... 18
5 SAFETY AND GENERAL INFORMATION ................................................. 20
6 CERTIFICATION AND SAFETY APPROVALS .......................................... 22
7 WARRANTY................................................................................................ 23

User’s Guide
KlaT 8 4 of 25 Confidential Proprietary
1 Getting started
1.1 Package layout
① Brain box
② Remote controller
③ Remote controller accessories
④ Microphone w/ cable
⑤ Microphone accessories
⑥ Installation cable
⑦ USB download cable
⑧ User’s guide & Voucher card (Optional)
⑨ Gift box
1.2 Installation
Brain box
You can place the Brain box inside the vehicle dashboard. Before installing the
Brain box, you should uncover your vehicle dashboard and remove the car stereo
from your vehicle first, refer to your car stereo user’s guide or contact your car
dealer for appropriate installation.

User’s Guide
KlaT 8 5 of 25 Confidential Proprietary
Installation cable
The Installation cable connects the vehicle’s power and ignition to your product and
provides car audio connections. Make sure installation cable is securely connected
with the Brain box.
! Note
If you have an amplified or aftermarket audio system, we would recommend you find
professional assistance such as dealer or installation cable supplier to integrate your
product into your vehicle. In some cases, you need specific adaptor cables which
bypass the amplified system.
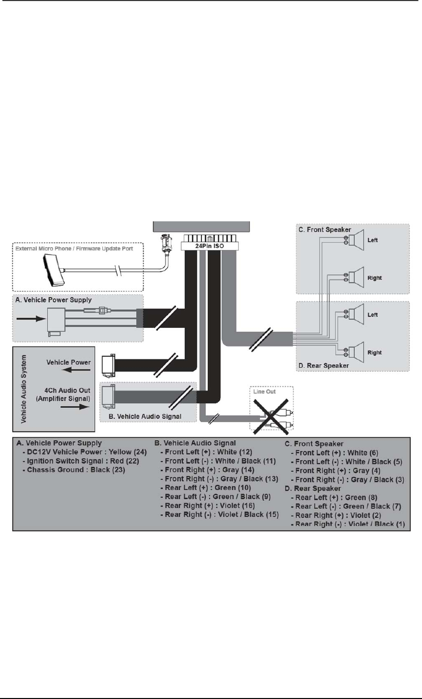
a. Basic configuration
- Connect 24pin ISO connector to the Brain box.
- Connect two male connectors of the installation cable to the car stereo.
- Join the vehicle’s audio and power supply cables to the female connectors
of the installation cable.
- Connect the mute wire (yellow) to the corresponding audio system’s mute-
input if available.
- Connect the microphone cable to the Brain box.

User’s Guide
KlaT 8 6 of 25 Confidential Proprietary
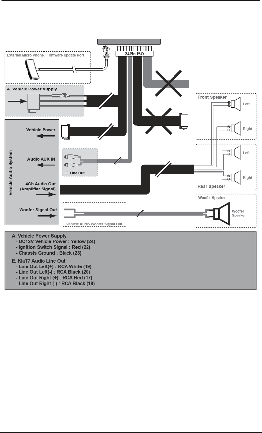
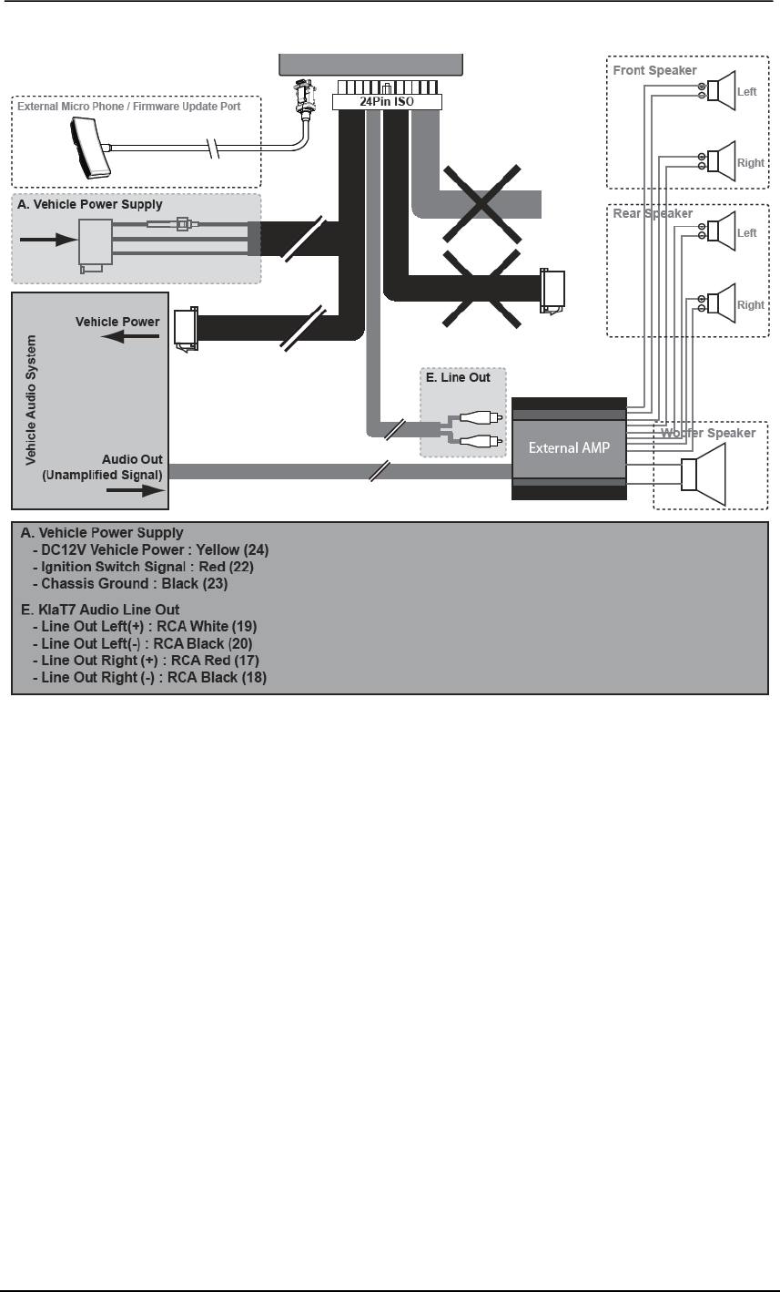
b. Auxiliary Configuration
With General car stereo

User’s Guide
KlaT 8 7 of 25 Confidential Proprietary
With External AMP
- Connect 24pin ISO connector to the Brain box.
- Join the RCA jacks of the installation cable (red & white jack) to your car
stereo’s AUX IN connectors.
- Connect the mute wire (yellow) to the corresponding audio system’s mute-
input if available.
- Connect the microphone cable to the Brain box.
! Note
To deactivate or activate auxiliary configuration, press and hold the MFB until you
hear ‘Auxiliary interface is activated’ or ‘Auxiliary interface is de-activated’ when your
product is in idle mode.

User’s Guide
KlaT 8 8 of 25 Confidential Proprietary
c. Sub-woofer
- This connection is same with ‘a. Basic Configuration’.
- If the vehicle has sub woofer system which is with an appropriate connection
to the installation cable, join the RCA jacks of the installation cable (red &
white jack) to your sub woofer system.

User’s Guide
KlaT 8 9 of 25 Confidential Proprietary
Remote controller
The remote controller can be mounted in several ways to provide a safe and
comfortable environment for use. A holder, double sided tapes and coin battery are
come with the remote controller. This only works with a 3V CR2032 battery.
Dual microphone
The microphone is placed best near
the rear view mirror and aimed directly
toward the user. The microphone cable
can be mounted in several ways to
provide a safe and comfortable
environment for use.
! Note
Once you have stuck the double sided
tape, wait for approximately 2 hours to
make sure the adhesive tape adheres
well.

User’s Guide
KlaT 8 10 of 25 Confidential Proprietary
1.3 Connecting the remote controller to the brain box
If the remote controller doesn’t seem to be associated to the brain box while using
your product for the first time, press and hold the MFB and the END button together
until the ‘Connected’ message is said. This has to be done during 30 seconds period
once the ignition is turned on. If the connection is not established continuously,
change the current battery as new one.
1.4 Pairing instruction
KlaT8 preparation:
1. First pairing
1) When your product turns on, you will hear ‘Pair mode’.
2) Your product is now ready. When it is paired with your phone, ‘KlaT8’ will
display on the screen.
2. Subsequent pairing
1) Turn on the Bluetooth feature on your phone.
2) Press and hold the CALL and END buttons until you hear ‘Pair mode’.
3) You can activate the pairing mode by tapping the CALL button or saying ‘Hello,
drive and talk (DriveNTalk)’ if the voice trigger is on. When you hear ‘Say a
command’, say ‘Pair mode.’
4) Your product is now in pairing mode.
5) If you don’t hear ‘Pair mode’, try again.
Phone preparation
1. Activate Bluetooth feature on your phone, then use the phone’s setting to ㅠ
add/search/discover new Bluetooth devices.
2. Select ‘KlaT8’ from the list of Bluetooth devices shown on your phone.
3. If necessary, enter the PIN code (default is ‘0000’). You may see **** on screen.

User’s Guide
KlaT 8 11 of 25 Confidential Proprietary
1.5 Voice command
You can simply activate voice command mode by saying ‘Hello drive and talk (DriveNTalk)’ or
tapping the CALL button. With a ‘Say a command’ announcement is played, your product is
ready to receive voice commands. You can use ‘What can I say’ command to listen to list of
commands available. Following is the list of the available commands.
Menu English Spanish French
Voice trigger Hello drive and talk Hello drive and talk Hello drive and talk
Pair Mode Modo de Emparejamiento Mode d'appariement
Am I Connected? ¿Tengo Conexión? Suis-je connecté ?
Phone Command Comando del Teléfono Commande du téléphone
Redial Rediscado Recomposer
Call Information Llamar a Información telefónica Appeler Information
Check Battery Verificar Batería Vérifier la batterie
Call Favorite 1 Llamar a Favorito 1 (Uno) Appeler Favori un
Call Favorite 2 Llamar a Favorito 2 (Dos) Appeler Favori deux
Call Favorite 3 Llamar a Favorito 3 (Tres) Appeler Favori trois
Call Favorite 4 Llamar a Favorito 4 (Cuatro) Appeler Favori quatre
Call Favorite 5 Llamar a Favorito 5 (Cinco) Appeler Favori cinq
Call Voicemail Llamar al Correo de Voz Appeler messagerie vocale
Call Office Llamar a Oficina Appeler bureau
Call Home Llamar a Casa Appeler maison
Text Message Mensaje Message texte
Settings Menu Menú de Configuraciones Menu des paramètres
Cancel Cancelar Annuler
Main Menu
What Can I Say? ¿Qué Puedo Decir? Que puis-je dire?
Incoming Call Announcement Aviso de Llamada Entrante Annonce d'appel entrant
Handsfree Trigger Disparador manos libres Déclencheur du mode
mains libres
Save Favorite Guardar como Favorito Enregistrer le favori
Cancel Cancelar Annuler
Settings Menu
What Can I Say? ¿Qué Puedo Decir? Que puis-je dire?
Answer Responder Répondre
Answer/Ignore Ignore Ignorar Ignorer
No No Non
Yes/No Yes Sí Oui

User’s Guide
KlaT 8 12 of 25 Confidential Proprietary
2 Using your product
2.1 Operation
Adjusting the volume
Use the wheel during a call to adjust the volume. You can adjust the volume of voice
prompt separately from level 1 to level 15. Use the wheel while pressing ‘END’ button.
This function does not work during a call and streaming audio.
Making a Call
• Use the Redial voice command.
1. Press the CALL button or say ‘Hello drive and talk (DriveNTalk)’.
2. When ‘Say a command’ message is heard, say ‘Redial’.
3. Your product will dial the last dialed number.
• Use last number redial by pressing the CALL button.
1. Press and release the CALL button when you hear beep sound.
2. Your product will dial the last dialed number.
• Use the Call favorite command.
1. Press the CALL button or say ‘Hello drive and talk (DriveNTalk)’.
2. When ‘Say a command’ message is heard, say any Call Favorite. You can
choice among 7 Call Favorites, Call Home, Call Office, Call Favorite 1~5’.
3. Your product will dial a number saved on each Call Favorite.
! Note
When connected, you can terminate calls at any time by pressing the END button.
Receiving a call
• Answering a call
1. Press the CALL button to answer an incoming call.
2. After ‘Call from X-X-X-X-X’ message is heard, say ‘Answer’.
• Rejecting a call
1. Press the END button to reject an incoming call.
2. After ‘Call from X-X-X-X-X’ message is heard, say ‘Ignore’.

User’s Guide
KlaT 8 13 of 25 Confidential Proprietary
While on a call
• Transferring a call
1. During a call, if you want to continue the conversation on your phone (privacy
mode), press the CALL button. The call is transferred to the phone.
2. If you want to switch back to your product (hands-free mode), press the CALL
button again.
• Muting a call
1. To mute the microphone during a call, press the MFB. You can still hear your
caller’s voice and beep signals continuously.
2. To un-mute the microphone, press the MFB again.
• Call waiting
1. Press the CALL button to accept the second incoming call. The first call is
automatically put on hold.
2. Press the END button to decline the second incoming call. You can also hang
up directly from your phone.
3. Press the CALL button to switch from a call to another.
• Phone command
1. Press the CALL button or say ‘Hello drive and talk (DriveNTalk)’.
2. When ‘Say a command’ message is heard, say ‘Phone command’.
3. The voice control mode of your phone is activated.
4. The voice recognition mode varies per phone manufacturers. For more
information, refer to the user’s guide of your phone.
• Streaming Audio
If your phone supports the Bluetooth A2DP profile, you can listen to streaming
audio, such as music and GPS instructions through your product.
• Play / Pause / Resume a song
1. Press the MFB to play a song
2. Press the MFB again to pause.
3. Press the MFB again to playback.
• Escape music mode
Press and hold the MFB until escape music mode.

User’s Guide
KlaT 8 14 of 25 Confidential Proprietary
• Previous / Next song
1. Press the button, to the previous song.
2. Press the button, to the next song.
• Rewind / Fast forward
1. Press and hold the button for rewinding.
2. Press and hold the button for fast forwarding.
2.2 Setting
Entering Setting Menu
1. Press the CALL button or say ‘Hello drive and talk (DriveNTalk)’.
2. When ‘Say a command’ message is played, say ‘Settings menu’.
3. Once you hear ‘Settings menu, you can say ‘incoming call announcement’,
‘hands-free trigger’, ‘save favorite’ or ‘cancel.’’ Say what you want to do or
cancel to exit the setting.
Incoming Call Announcement
Enable or disable incoming call announcement.
1. Say ‘Incoming call announcement’.
2. Depending on current setting, you will hear either ‘The incoming call
announcement is on. Do you want to turn it off?’ or ‘The incoming call
announcement is off. Do you want to turn it on?’
3. Say ‘Yes’ or ‘No’.
4. Depending on your answer, you will hear ‘The incoming call announcement is
on’ or ‘The incoming call announcement is off.’
Hands-free trigger
You can also enable or disable hands-free trigger feature with voice command
1. Say ‘Hands-free trigger’.
2. Depending on current setting, you will hear either ‘Hands-free trigger setting.
Do you want to turn it off?’ or ‘Hands-free trigger setting. Do you want to turn it
on?’
3. Say ‘Yes’ or ‘No’.
4. Depending on your answer, you will hear ‘Trigger off’ or ‘Trigger always on.’
Save favorites
This feature allows you to save the last incoming call number as your favorite

User’s Guide
KlaT 8 15 of 25 Confidential Proprietary
number.
1. Say ‘Save favorite’.
2. You will hear ‘A phone number can be saved as a favorite after you have
received an incoming call from that number ‘XXXXXX’. ‘Tell me which
favorite you want me to save it as’ followed by. You will also hear ‘You can
say ‘Call Home’, ‘Call Office’, ‘Call Favorite followed by numbers 1 through
5’, or ‘Cancel.’’
3. You should specify the favorite number’s location by saying ‘Call Home’,
‘Call Office’, or ‘Call Favorite the number X (choose a number 1 through 5)’,
or ‘Cancel.’
4. If ‘Call home’ was chosen, you will hear ‘Phone number saved as call
home’ followed by ‘Is that right?’, asking for your confirmation.
5. If you say ‘Yes’, you will hear ‘Phone number saved’ and exit setting.
If you say ‘No’, it will exit the setting without saving.
!Note
Quick Voice Dial Editor
Visit www.driventalks.com and download ‘Quick Voice Dial Editor’ from ‘Support & Download’
menu. You can save phone numbers set as ‘Favorite 1~5’, ‘Office’, ‘Home’ and service numbers
of ‘Call Information’ and ‘Text Message’. This program is compatible with Microsoft Windows XP,
Windows Vista and Windows 7 (32bit) only.
Language selection
Press MFB more than 5 seconds (very long press) during pair mode to activate the
language selection menu. You will hear the current language setting and the default
language is English. If you want to change the language, volume up or down. Press
MFB again when you hear the language you want to change.
2.3 Others
Multi point
BHF2000 supports multipoint technology, allowing you to use one headset with two different
Bluetooth enabled phones.
When multipoint is in use, the last connected phone is the primary phone and the phone was
connected before the primary phone is the second phone. Your product controls, initiates or
redials a call from the primary phone. To use the second paired phone instead, make the call
using the controls on that phone.
! Note
Re-connect by using phone menu or subsequent paring. In this case the previous primary

User’s Guide
KlaT 8 16 of 25 Confidential Proprietary
phone will be the second phone and the last connected phone will be the primary phone.
Multi pairing
BHF2000 supports multi pairing feature up to 8 phones. To delete the phone connection list,
press and hold the MFB for 5 seconds during pair mode. When deleted, pairing is activated
automatically.
Download phonebook and caller ID*
Your product supports Bluetooth PBAP profile. You can download up to 2,000 contacts from
your phone to your product. When your product is connected to your phone for the first time,
your contacts will be transferred automatically to your product.
!Note
Your product can save up to 1,000 contacts per connected phone. If you add contacts to your
phone and need to update your downloaded phonebook, press very long the mode key to
download again.
Firmware upgrade
You can also download ‘DriveNTalk firmware updater’ and the latest firmware at
‘www.driventalks.com’. Once latest firmware is downloaded to your PC, use the USB download
cable to download it to your product. For more detail, refer to the program user’s guide.

User’s Guide
KlaT 8 17 of 25 Confidential Proprietary
3 Product Specification
Product Name KlaT8
73 x 107 x 21.1
(
Brainbox
)
Dimension(mm)
x
(
RC
)
103.5
(
Brainbox
)
Weight(g)
(
RC
)
Bluetooth V 2.1 / EDR com
p
liant
RF
p
ower Class 2
Su
pp
orted Profile H F P, H S P, P B A P, A 2 D
P
, AVRCP
Out
p
ut : Max. 10w
(p
er channel
)
Voice : Front 2channel / Music : 4channel
(
Front, Rear
)
Full du
p
lex / Noise su
pp
ression / Echo cancellation
Acoustic features
Dual Microphone (Beam Forming)
Voice user interface Voice tri
gg
er, Voice Command, TTS, Voice
pr
om
p
t
Voice to test SMS, E-mail, etc.
(
O
p
tional Service
)
Voice lan
g
ua
g
e En
g
lish / S
p
anish / French
Multi
p
oint
Multi
p
airin
g
U
p
to 8
p
hones
Auto Mute
Interface : Wi
r
eless
(
FSK 433Mhz
)
Controller
5 buttons, 1 wheel
Harness cable 24
p
in ISO standard t
yp
e
USB connector Micro USB I/
O
, Firmware u
pg
radable

User’s Guide
KlaT 8 18 of 25 Confidential Proprietary
4 For more help
4.1 Customer care
If you are having trouble getting your product to work, please visit our website
www.driventalks.com for help and support. Please contact us before returning your product to a
store and we will help you through any difficulty you may have.
4.2 Special features to access services in USA / Canada
1. Call information
You can say ‘Call information’ to search for local and business listings with Bing™
411 to access updated news, directions, restaurant locations, weather forecasts,
movie show times, and many more.
For more information, visit to the following web-site,
http://www.discoverbing.com/mobile/411/
! Note
Bing is a free US based information service. Long distance charges may apply when
using this service outside a US calling area.
2. Text message (Voice to text service)
You can say ‘text message’ to use voice to text service. Send SMS, e-mail and more
by using your voice. DriveNTalk provides a 90 days free voucher card of the voice to
text service to its users which voucher codes need to be registered before using this
service. All rights and responsibilities of the services are belonging with Dial2Do
service provider. For more information, please go to www.driventalks.com and
search Voice to Text, Dial2Do.
! Note
Before you use this service, please check if a proper service number is stored in
your product according to where you are. You can set the 'Text message' number
through Quick Voice Dial Editor program. Please visit at www.driventalks.com to
download the program.
[Dial2Do Service No.]
* USA
6503600959
* Canada
Ontario: 4168002218
Quebec: 5149073174

User’s Guide
KlaT 8 19 of 25 Confidential Proprietary
Alberta: 7806281814
Calgary, Alberta: 4037751217
Vancouver, British Columbia: 6044841955

User’s Guide
KlaT 8 20 of 25 Confidential Proprietary
5 Safety and general information
For the efficient and safe operation of your product, observe these manual-lines.
We advise only qualified personnel should install your product. If necessary, contact
the vehicle manufacturer for air bag information specific to the vehicle.
Mount components securely on strong surfaces to prevent shifting that could cause
injury or interfere with safe vehicle operation. Always use the supplied mounting
hardware.
Mounted components and attached wires or cables must not interfere with seating or
leg space.
Pair your product with the phone and adjust the settings before driving to ensure your
attention and focus remain on driving safely.
All air bag inflates with great force. Do not place your product in the area over the air
bag area. If your product is improperly placed and the air bag inflates, serious injury
could result.
Keep your product away from small children and pets. Small parts may cause chocking
or serious injury if swallowed.
Observe all signs and instructions regarding the use of an electrical device or RF radio
product in designated areas, such as gas stations, hospitals, potentially explosive
atmospheres or aircraft.
Use only provided chargers specifically designed for your product. Do not use the
chargers for any other purpose.
Never place your product on or in heating devices, such as microwave ovens, stoves,
or radiators. Battery may explode when overheated.
Do not allow your product to get wet. Liquid and moisture can cause serious damage to
electric devices.
Do not separate, repair nor remodel your product arbitrarily. If repair is needed, please
contact us or your dealer.
Do not use any chemical solvents or detergent. The use of chemicals on your product
may cause damage to it.
If you use any other medical devices, please consult a physician or the manufacturer of

User’s Guide
KlaT 8 21 of 25 Confidential Proprietary
the medical devices to determine if they are adequately shielded from external RF
energy.

User’s Guide
KlaT 8 22 of 25 Confidential Proprietary
6 Certification and safety approvals
This product is CE marked according to the provisions of the R&TTE Directive (99/5/EC). We
declare that this product is in compliance with the essential requirements and other relevant
provisions of Directive 1999/5/EC. For further information, please refer to website.
FCC Information to User
This equipment has been tested and found to comply with the limits for a Class B digital
device, pursuant to Part 15 of the FCC Rules. These limits are designed to provide
reasonable protection against harmful interference in a residential installation. This
equipment generates, uses and can radiate radio frequency energy and, if not installed and
used in accordance with the instructions, may cause harmful interference to radio
communications. However, there is no guarantee that interference will not occur in a
particular installation. If this equipment does cause harmful interference to radio or
television reception, which can be determined by turning the equipment off and on, the user
is encouraged to try to correct the interference by one of the following measures:
• Reorient or relocate the receiving antenna.
• Increase the separation between the equipment and receiver.
• Connect the equipment into an outlet on a circuit different from that to which the receiver
is con-nected.
• Consult the dealer or an experienced radio/TV technician for help.
Caution
Modifications not expressly approved by the party responsible for compliance could void
the user’s authority to operate the equipment.
FCC Compliance Information : This device complies with Part 15 of the FCC Rules.
Operation is subject to the following two conditions: (1) This device may not cause harmful
interference, and (2) this device must accept any interference received, including
interference that may cause undesired operation
Note on environmental protection:
After the implementation of the European Directive 2002/96/EU in the national legal system, the
following applies: Electrical and electronic devices may not be disposed of with domestic waste.
Consumers are obliged by law to return electrical and electronic devices at the end of their
service lives to the public collecting points set up for this purpose or point of sale. Details to this
are defined by the national law of the respective country. This symbol on the product, the
instruction manual or the package indicates that a product is subject to these regulations. By
recycling, reusing the materials or other forms of utilizing old devices, you are making an
important contribution to protecting our environment.

User’s Guide
KlaT 8 23 of 25 Confidential Proprietary
7 Warranty
Limited One (1) Year Warranty
DriveNTalk (“DNT”) warrants this product to be free from defects in materials and
workmanship (subject to the terms set forth below) for a period of one (1) year from the
date of purchase (“Warranty Period”).
During the Warranty Period, DNT will repair or replace (at DNT’s sole discretion) this
product or any defective parts (“Warranty Service”).
If repair or replacement is not commercially practicable or cannot be timely made, DNT
may choose to refund to you the purchase price paid for the affected product. Repair or
replacement under the terms of this Warranty does not give right to any extension or a
new beginning of the period of warranty.
Claims under the Warranty
To obtain Warranty Service, please contact the DNT’s dealer from which you
purchased this product. You will need to return the product to the dealer in either its
original packaging or packaging affording an equal degree of protection.
The following information must be presented to obtain Warranty Service: (a) the
product, (b) proof of purchase, which clearly indicates the name and address of the
dealer, the date of purchase and the product type, and (c) reason for return.
As part of DNT’s efforts to reduce environmental waste you understand that the product
may consist of reconditioned equipment that contains used components, some of
which have been reworked. The used components all live up to DNT’s high quality
standards and comply with DNT’s product performance and reliability specifications.
You understand that replaced parts or components will become the property of DNT.
Limitation of Warranty
This Warranty is only valid for the original purchaser and will automatically terminate
prior to expiration, if this product is sold or otherwise transferred to another party. The
warranty provided by DNT in this statement applies only to products purchased for use,
and not for resale. It does not apply to open box purchases, which are sold “as is” and
without any warranty.

User’s Guide
KlaT 8 24 of 25 Confidential Proprietary
Specifically exempt from warranty are limited-life consumable components subject to normal
wear and tear, such as cables, mount, clip, tapes, cushions, modular plugs, decorative finishes,
batteries, and other accessories.
This Warranty is invalid if the factory-applied serial number, date code label, or product label
has been altered or removed from the product.
This Warranty does not cover defects or damages that result from: (a) improper storage, misuse
or abuse, accident or neglect, such as physical damage (cracks, scratches, etc.) to the surface
of the product resulting from misuse; (b) contact with water, extreme humidity, sand, dirt or the
like or extreme heat; (c) use of the product or accessories for commercial purposes or
subjecting the product or accessories to abnormal usage or conditions; or (d) other acts which
are not the fault of DNT.
Furthermore, this Warranty does not cover damage due to improper operation, maintenance or
installation, or attempted repair by anyone other than DNT or a DNT’s dealer which is
authorized to do DNT warranty work. Any unauthorized repairs will void this Warranty. Neither
does this Warranty cover defects or damages that result from the use of non-DNT branded or
certified products, accessories, or other peripheral equipment, nor does this Warranty apply to
products which have not been charged for six (6) months.
DNT does not offer any warranty for such performance.
REPAIRS OR REPLACEMENTS AS PROVIDED UNDER THIS WARRANTY ARE THE
EXCLUSIVE REMEDY OF THE BUYER. DNT SHALL NOT BE LIABLE FOR ANY
INCIDENTAL OR CONSEQUENTIAL DAMAGES FOR BREACH OF ANY EXPRESS OR
IMPLIED WARRANTY ON THIS PRODUCT.
EXCEPT TO THE EXTENT PROHIBITED BY LAW, THIS WARRANTY IS EXCLUSIVE
AND IN LIEU OF ALL OTHER EXPRESS AND IMPLIED WARRANTIES WHATSOEVER,
INCLUDING BUT NOT LIMITED TO THE WARRANTY OF MERCHANTABILITY AND
FITNESS FOR A PRACTICAL PURPOSE.
! NOTE
This Warranty gives you specific legal rights. You may have other rights which vary from
location to location. Some jurisdictions do not allow the exclusion or limitation of incidental
or consequential damages or implied warranties, so the above exclusions may not apply to
you. This Warranty does not affect your legal statutory rights under your applicable national
or local laws.

User’s Guide
KlaT 8 25 of 25 Confidential Proprietary
© 2010 Enustech Inc. The driventalk is a registered trademark of Enustech Inc. All rights
reserved.