Electrolux Fom 71 Cls Users Manual
FOM 71 MP-LAB to the manual 9d44826c-4478-4b65-b1ed-93d58e7d7739
2015-01-16
: Electrolux Electrolux-Fom-71-Cls-Users-Manual-250569 electrolux-fom-71-cls-users-manual-250569 electrolux pdf
Open the PDF directly: View PDF
.
Page Count: 164 [warning: Documents this large are best viewed by clicking the View PDF Link!]

2010.11.30
438 9094-21/ENOperating manual in original language
Maintenance manual
for reference machines
Washer extactors
FOM 71 CLS, FOM 71 MP-Lab
IEC 60456 Ed 5


3
Contents
Contents
Introduction .............................................................................................1:1
Wascator FOM 71 CLS
Software versions ...................................................................................2:1
Installation inspection of the reference machine ....................................3:1
Calibration of the level control system ....................................................4:1
Calibration of the scale system ...............................................................5:1
Installation of laboratory sensors for temperature and ...........................6:1
speed connection for external weight signal
Adjustment of temperature, speed and water ........................................7:1
Cleaning the machine from lint, scale and detergent .............................8:1
Maintenance before start up of a test series ..........................................9:1
Regular maintenance 6 - 12 months .....................................................10:1
Empty run test data CLS .......................................................................11:1
Program description CLS ......................................................................12:1
FOM 71 MP-Lab
Installation inspection of the reference machine…................ ...............13:1
Calibration of the level control system……………............... .................14:1
Installation of laboratory sensors for temperature and speed. .............15:1
Adjustment of temperature, speed and water……………….. ...............16:1
Flow meter: Installation…………………………….............. ...................17:1
Flow meter: Calibration………………………….................. ...................18:1
Flow meter: Change of amount of water…………................ ................19:1
Flow meter: Maintenance…………………………............... ...................20:1
Cleaning the machine from lint, scale and detergent …. ......................21:1
Maintenance before start up of a test series………............... ...............22:1
Regular maintenance 6 – 12 months……………….............. .................23:1
Empty run test data MP-Lab……………………….............. ..................24:1
Program description MP-Lab………………………............. ..................25:1
Programming charts Mp-Lab………………………............. ..................24:1
Installation of flow meter control (438 9041-07/04)…. .............. Appendix 1

1:1
Introduction
Introduction
The Maintenance manual for reference machines shall be used when performing
washing machine tests according to the international standard IEC 60456 Ed 5.
The purpose of this manual is to help the user to keep the reference machine in
best condition in order to minimize the inaccuracy of the results caused by the
reference machine.
The manual only deals with the approved reference machines in IEC 60456 Ed 5:
Wascator FOM 71 CLS and, FOM 71 MP-Lab equipped with flow meter 472 99
0298..
Wascator
FOM 71 CLS

2:1
Wascator FOM 71 CLS
Software versions
Software 1.3:
Original software installed from production start
Software 1.7:
Introduced 2004-04-28 from serial number 005200049196
Changes: Following parameters added to Settings 1:
START SLOW FILL MM Default value = 0
IS TEMP ADJUST ADD Default value = 0
IS TEMP ADJUST SUB Default value = 0
Software 1.8
Introduced 2007-01-27 from serial number 005200089296
Changes: Following parameters added to Settings 1:
SPEED CALIB. LOW RANGE IN % Default value = 1000
SPEED CALIB. HIGH RANGE IN % Default value = 1000
SHOWED SPEED CALIB. LOW' Default value = 1000
SHOWED SPEED CALIB. HIGH' Default value = 1000
Software 2.0
Introduced 2009-08-25 from serial number 005200126347
Changes: Software bug regarding first fill corrected.
Following parameters added to Settings 1:
BACKLIGHT Default value
Rev 2.03
Introduced 2009-12-18 from serial number 005220402809
Changes: Default values changed:
IS TEMP ADJUST ADD Default value = 0
IS TEMP ADJUST SUB Default value = 3
Software 3.0
Introduced 2010-04-12 from serial number 005220405727
Changes: Software bug corrected.
Bug does not affect testing in accordance with IEC standards.
All software from 1.30 is suitable for IEC 60456 testing, but version 1.8 is recommen-
ded. Contact your nearest Electrolux Laundry Service Centre for downloading instruc-
tions.
Software versions

3:1
Installation inspection of the reference machine
5710 A
1
Wascator FOM 71 CLS
Installation inspection of the
reference machine
Before carrying out any major test series inspect
the installation and check the following terms:
• Themachinemustbeinstalledonalevel
base. The following clearances are recom-
mended in order to facilitate calibration:
At least 500 mm between the machine and
the wall behind and min. 50 mm on both
sides of the machine whether installed next to
the wall or other machines.
• Checkthelevellingofthemachine.Theverti-
cal difference from corner to corner of the top
lid shall not exceed 5 mm. If not adjust the
feet of the machine.
• Themachineshallbeconnectedusingthe
supplied Y hose or using two single hoses.
• Thewaterhoseandpowercablemusthang
freely between the machine and wall in order
to prevent disrupting the reference machine
scale system.
• Makesurethatthedraininstallationismade
according to the information on next page.
Observe the required air gap in the drain sys-
tem.
50 mm
500 mm
1

3:2 Installation inspection of the reference machine
5330
1
Drain connection
• Connect a 75 mm (2 1/2") flexible rubber hose
to the machine’s drain pipe, ensuring a down-
ward flow from the machine. Avoid sharp
bends, which may prevent proper drainage.
• There should be an air-gap of 50 mm between
the drain hose and the drain.
• Make sure that the drain hose is sufficiently
flexible so that it does not cause problems
related to the scale system.
• Pipes made from PVC or similar materials
may not be connected to the machine due to
the load cells.
• The drainage hose should be located over a
floor drain, drainage channel or similar so that
the distance between the outlet and the drain
is at least 25 mm (1").
• Checkthattheamountofsupplywateratthe
water connection to the reference machine is
sufficient and compliant with the specifica-
tion in the standard (15 ± 2 litre) and that the
amount can be maintained at all times. The
water pressure at the intake of the machine
may never fall below 100kPa.
• Checkthatthepowersupplyiscompliantwith
the voltage specified on the reference machi-
ne data label and within the tolerances of the
standard (± 2%) .
• Makesurethatthepowersupplycanmaintain
the required voltage level whilst the reference
machine is heating.
1

4:1
Calibration of the level control system
CLS 1.jpeg
CLS 2.jpeg
1
2
Wascator FOM 71 CLS
Calibration of the level control
system
During testing compliant with the IEC 604456
Ed5 standard, this calibration does not control
the supply water values of the wash program.
However, where wash programs use the scale
for controlling the water intake level, the control
becomes active and manages other levels inside
the machine such as empty machine, heating
element safety level and overfill. These levels
are needed for the safety values of the machine.
Therefore, the level must be adjusted and main-
tained in accordance with the procedure descri-
bed below.
Assembling the ruler
Fig. 1-2: Mount the scale and ruler as shown in
the pictures.

4:2 Calibration of level control system
1
CLS 7.jpg
2
IMG 0012.jpg
Calibration of level control system
The level control system can be calibrated both individually and manually.
Calibration starts at the bottom of the inner drum and can go up to 250
mm from that point.
A ruler is supplied with the machine with which the water level above the
inner drum can be read.
• Placetheruleronthebottomoftheinnerdrum,equidistantbetweentwo
lifters and front and rear gables. Rotate the drum so that the ruler is fully
vertical and ensure that the three pins of the ruler fit in the holes of the inner
drum.
• Pushthescaletothebottomofthedrumandtightenthenuts.
• Closethedoor.
1
2

4:3
Calibration of level control system
3
CLS 4.jpg
CLS 6.jpg
• Therulerhastwodifferentscales,oneinmmandoneinRUunits
(exactly 2 mm/RU unit).
The calibration shall be made in at least five level steps, and the first
step when the water just enters the inner drum. More calibration steps
can be made if requested.
- Go down to ”Options menu”.
- Press ”Select”.
- Go down to ”Service mode”.
- Press ”Select”.
3

4:4 Calibration of level control system
4
• ”ServiceMode”menuisnowshownonthedisplay.
SERVICE PROGRAM
MAKE A CHOICE:
CLEAR TRIP HOUR COUNTER
CLEAR SERVICE COUNTER
CLEAR WASH PROGRAM COUNTER IN CLS
CLEAR WASH PROGRAM COUNTER IN SMC
SCALE ADJUSTMENTS
CALIB. OF LEVEL SENSOR
EXIT
SELECT
4

4:5
Calibration of level control system
5
• Closethedoor.
• Godownto”Calibrationoflevelsensor”.
• Press”Select”.
• Press”Open”tollthemachinewithwateruntilthelevelreachesthebotton
of the inner drum where the ruler is placed.
• Press”OK”.
• EnterthevaluereadontherulerinRUunits(Therstsettingis0=levelin
drum.
• Press”OK”.
• Press”Open”tollmorewater.
• Press”OK”.
• EnterthevaluereadontherulerinRUunits.(Ifyouenteranincorrectvalue,
press ”CLR”. Enter new value.
• Press”OK”.
• Enteranotherthreevalues,makingveintotal.
• Onceallvalueshavebeenentered,press”Save”.
LEVEL CALIBRATION
FILL WATER TO
DESIRED LEVEL
LEVEL: 0 SCU
OPEN
OK
5

4:6 Calibration of level control system
6
• Press”OK”.
• Godownto”Exit”.
• Press”Select”.
LEVEL CALIBRATION
OLD CALIBRATION
WILL BE OWERWRITTEN
ARE YOU SURE?
PRESS OK ELSE PRESS ANY OTHER KEY
OK
6

5:1
Calibration of the scale system
Wascator FOM 71 CLS
Calibration of the scale system
After installation, and once all hoses and electrical cables have been
connected to the machine, the scale must be calibrated. The current
calibration (Weight vs scale output) is factory-set and a zero calibration
is required in order to compensate for the additional weight of the cables
and hoses. Important: The cables and hoses must hang freely and the
drain must have an air gap in order to ensure that the scale functions
properly. See chapter: Installation.
Zero calibration is almost identical to a Tara, but with one big difference. In
a Tara, the scale will be zero adjusted, although the adjustment will be lost
when the power is switched off. In a Zero calibration, the adjustment will
be saved.
Additional calibration variants may be selected in Service mode, but they
do not apply to the CLS version.
If a weight transducer need to be replaced, or if the scale electronics are
changed, a complete calibration of the scale is required. Please consult
an Electrolux Laundry System Service Centre before performing such a
calibration.

5:2 Calibration of the scale system
Zero adjustment of the scale (weight function)
The scale is factory-set and no adjustment should be necessary unless
some components have to be replaced. However, a zero adjustment must
be carried out as the total weight of the machine has to be programmed
into the scale.
Make sure that the water and drain hoses are in place and properly moun-
ted. Make sure that all panels are fitted and the power connection is loca-
ted on top of the machine.
• Enter”Servicemode”asdescribedinlevelcalibration.
• Goto”Scaleadjustment”
• Press”Select”
• Goto”Zerocalibration”
• Press”Select”
• Press”Select”(Makesurethatthereisnoadditionalweightonthe
machine and don´t lean on the machine).
• Whendisplaytext”Resetscalefromcalibration…”appears,
press ”Select”
• Godownto”Exit”
• Press”Select”
• Gobacktothemainmenu.
The zero adjustment is now complete and the weight of the emty machine
should now be shown in the display as 0.0 kg (a margin of ± 0.1 kg is
permitted). If a different value is shown in the display, the zero adjustment
must be done again.

5:3
Calibration of the scale system
Bild 5.3.jpg
Adjustment of the FOM 71 CLS scale control unit in event that the scale
cannot be set to zero
If the offset weight is too high (or negative), a zero calibration may fail. This may be cau-
sed by the addition or removal of heavy objects (hoses, panels, etc) during installation.
The instruction below describes how to overcome this fault.
1. Remove the lower front panel and open up the control box for the FOM 71 CLS Weight
System located below the machine as shown in the picture above. The box is only at-
tached to the frame with zippers.
2. All panel plates and components removed from the machine must be placed on top of
the machine. This is important in order to get the correct weight when performing the
calibration.
3. Turn the potentiometer (shown above) counter clockwise until the Clarus Control display
shows about -20 kg. If you turn the display too far it will display 999. If so, turn the poten-
tiometer back about 1 full turn.
4. Once this has been done, a normal zero calibration may be performed in accordance
with the instructions above.

6:1
Calibration of the scale system
Wascator FOM 71 CLS
Installation of laboratory sensors for tempe-
rature and speed and connection for external
weight signal
Laboratory sensors can be attached to the
Wascator FOM 71 CLS model. However, it is
important that the installation is carried out in
accordance with the instructions below so as
not to incur improper operation or obtain inac-
curate test results.
Installation of a laboratory temperature
sensor
A suitable place for an external temperature
sensor can be found on the back gable of the
drum.
At the bottom of the gable, next to the rubber
hose running to the sample cock, there is a
socket to which a sensor can be connected.
Use a ¼” clamping nut for the sensor.
Maximum insertion of the sensor is 50 mm from
the edge of the socket. If the sensor is inserted
too far, it will interfere with the rotating inner
drum.
CLS 5.jpg
1

6:2 Calibration of the scale system
Installation of speed sensor
A speed sensor can be attached to the end of
the drum shaft. In order to be able to attach the
sensor, a hole can be made in the back panel
of the machine. A diameter less than 60 mm
will not affect the performance of the machine.
(Ventilation holes may change the air tempera-
ture inside the machine, which may also affect
water temperature.)
External weight sensing signal
An external signal may be obtained from the
weight control system. On distribution card B
(located on the right side panel in the rear con-
nection box), there are two outputs (X78:1 and X
78:2), which are for the weight signal. The loca-
tion of X78 is shown in the diagram of distribu-
tion card B below.
Electrical installation must be carried out
by an authorized personnel
5331
1
View of rear connection box
Japan only A B
A B

6:3
Calibration of the scale system
Card B
View of distribution card B
5743A
3
Weight signal 4 -20 mA (4 mA
equal to 0 kg and 20mA to 80 kg)
Output X78:1 = +
X78:2 = -

7:1
Adjustment of temperature, speed and water
Wascator FOM 71 CLS
Adjustment of temperature, speed and water
Many of the machine's preset parameters shown under Settings 1 in Menu
mode can be changed. Some of these parameters are useful during the mainte-
nance and calibration procedures. A full parameter list can be found in Table 1
Adjustment of temperature
If the actual temperature in the bath does not correspond to the set temperatu-
re or temperature shown in the display, a correction can be made. Parameters
“IS TEMP ADJUST ADD” and IS TEMP ADJUST SUB” can correct a deviation.
Each parameter will change the temperature (decrease or increase). For defini-
tions and scale intervals, see table at the end of this document. Note that equal
parameter values in both fields will both add and subtract the same change and
thus giving no correction from the default value.
Adjustment of speed
An accurate calibration of the wash and/or spin speed can be achieved using
the SPEED CALIB. LOW RANGE IN % and SPEED CALIB. HIGH RANGE IN %
parameters. The low range covers the speed interval 0-300 rpm, and the high
range from 300-1100 rpm. The parameters are a ratio factor where a change of
one unit will give a 0.1 % change of the speed.
It is also possible to adjust the display value of the speed to actual speed. The
display value shown is a calculated value derived from motor speed and the
pulley ratios. Due to belt slip and pulley tolerances the displayed value may
from time to time differ from the actual value. Parameters: SHOWED SPEED
CALIB. LOW' and SHOWED SPEED CALIB. HIGH
can adjust any difference. These parameters are also ratios where a change of
1 unit will give a 0.1% change of displayed speed.
Adjustment of water
For zero calibration of the scale see "Calibration of the scale system".
Due to the short time delay between the scale sensor system and the water
valve closure a negative off set value is needed in order to increase the ac-
curacy. Parameter: OFF SET LEVEL HG (1Hg = 0.1kg). Default value is 2 (0.2
kg) but in case water pressure is high, this value may need to be increased, or if
the pressure/flow is low, to be decreased. If a change is necessary this can be
observed during a filling if the weighting system always stops at a small amount
(± 0.1-0.2 kg ) from the expected value.
The control system switches from the normal high flow valve to a smaller 5
litre/min valve at the end of each filling in order to increase the accuracy of the
system. The parameter START SLOW FILLING HG defines how much before
the set amount of water this change of valves shall occur. Default value is 10HG
(=1 kg and equal to 1 litre )and shall not be changed.

7:2 Adjustment of temperature, speed and water
NOTE: It is advisable that authorized technicians from Electrolux
Laundry Systems are contacted before any change is made.
Procedure for changing parameters in SETTINGS 1
Electrical installation must be carried out by an authorized personnel
• TurnmainswitchattherearofthemachinetoOFF.
• Disconnectthemachinefromthemainpower.
• Unscrewthelidtotherearelectricalconnectionbox(4screws)andre-
move the lid.
• Removethemainswitchknobfromthelidandplacetheknobinthe
main switch again.
• Reconnectthemachinetomainpowerandturnthemainpowerswitch
to ON.
• SelectMENUindisplay.
• GodowntoSETTINGS1.
• Selectandchangethedesiredparameter.Foralistofavailableparame-
ters, see Table 1.
• Onceallchangeshavebeenmade,gotoREADY(lastlineinSettings1).
• Insertashort-circuitjumperoverthetwopinstotherightinconnection
X80 on the A21 board in rear connection box. (The board to the right
facing rear). The location of X80 is shown in fig. 1. The jumper is stored
on one of the pins in the X80 connector.
• PressSELECTonthefrontpanelandreadindisplaythatthechanges
have been loaded into the CPU.
• Disconnectthejumper.Replacethejumperononlyonepin.
• TurnmainswitchtoOFFanddisconnectmainpower.
• Re-tthemainswitchknobintherearconnectionboxlidandre-tthe
lid on the machine (knob in the OFF position).
• ConnectthemachinetomainpowerandturnmainswitchtotheON
position.

7:3
Adjustment of temperature, speed and water
Bild 7.3.jpg

7:4
FUNCTION DEFAULT
VALUE
EXPLANATION
ADJUST TIME ALLOWED N Change of the “step time” (See display) e.g. wash/
rinse/etc time during a program operation.
ADJUST TEMPERATURE ALLOWED N Change of the temperature within a sequence during
program operation
RAPID ADVANCE ALLOWED Y Permission to rapid advance during a program ope-
ration
SHOW WEIGHT ALLOWED Y Option to show scale output in the display.
WATER REDUCTION NOT ALLOWED Y Some normal washing machines with this type of
control can have an automatic system with water
reduction depending on load weight. For the FOM 71
CLS this function must always be Y.
MANUAL FUNCTIONS ALLOWED Y The functions in “Manual Mode” (See display under
Menu) are active
PAUSE ALLOWED Y Pause function can be activated with the pause
button.
FREE TEXT ALLOWED Y Option to write a free text area for each wash pro-
gram. This is used in order to shift between pro-
grams using the scale or level control, see manual
Programming FOM 71 CLS, chapter Programming
text page 42.
CHANGE WASH PROGRAM ALLO-
WED
Y Possibility to change to a different wash program
during a program operation
AUTO RESTART ALLOWED Y Automatic restart possible. The same program will be
restarted as many times as desired when selecting
the function Auto restart in wash program display.
ADJUST SPIN SPEED ALLOWED Y A possibility to change the spin speed during an
extraction in an ongoing wash program
DISPLAY REMAINING TIME Y Remaining time will be shown in display during
program operation Note: The remaining time will not
be shown the very first time a specific program is
running.
DISPLAY ACTUAL TEMPERATURE Y Actual bath temperature will be shown in the display
during program operation
DISPLAY ACTUAL SPEED Y Actual machine speed will be shown during the pro-
gram operation
MACHINE NOT HEATED N Should be set to Y if programs without thermostop
shall be used. ( Fixed program time programs)
If set to N the wash programs will be programmed
with thermostop. (The program will wait for the tem-
perature to reach set temperature before count down
of set time.
Adjustment of temperature, speed and water
Table 1: Parameters in Settings 1

7:5
FUNCTION DEFAULT
VALUE
EXPLANATION
TEMPERATURE CONTROL OF
WATER
Y If set to Y and using hot and cold water supply the
hot and cold water is pulsed so the inlet water tem-
perature does not exceed the set temperature.
TEMPERATURE IN ºC Y Temperatures shown in centigrade. If N is set the
temperature shown will be in Fahrenheit.
REPEATED PROGRAM MODE
QUESTION
N If set to Y a switch between standard and advanced
programming can be made before each sequence.
FOM 71 CLS shall always be programmed in advan-
ced mode.
LOCKED STANDARD WASH
PROGRAMS
N If N the user has access to programs 991 -999. IN
FOM 71 CLS these programs are the start up and
check programs.
LEVEL QUICK COOL DOWN 80 If sequence COOL DOWN is used this value defines
the level increase of cold water if the Quick Cool
down function is activated.
LEVEL UNBALANCE 0 If set to a value other than zero the machine fills the
drum to selected level at an unbalance stop before
next attempt to distribute. For FOM 71 CLS the value
shall be 0
LEVEL LOW 0 Set level for low level question in standard program-
ming mode. Not used with FOM 71 CLS
LEVEL MEDIUM 0 See above (medium level)
LEVEL HIGH 0 See above (high level)
MIDDLE TEMPERATURE COOL
DOWN
70 Breaking point in the cool down sequence where the
temperature controlled cool down (4 ºC/min) ends
and the unmonitored part of the cool down sequence
starts.1 step = 1ºC
DEFAULT MOTOR ON TIME 12 A default value for the motor on time. This value only
used during certain restarts after for example unba-
lance breaks. 1 step = 1 sec
DEFAULT MOTOR OFF TIME 3 Default value for the motor off time: Only used as
above. 1 step = 1 sec
FLUSH DELAY TIME 10 Delay time for the flushing of water when liquid de-
tergent injection pumps are used. 1 step = 1 sec
FLUSH ON TIME 6 Flushing time for the water after the flush delay time.
1 step = 1 sec
BUZZER ON BUTTON N If Y a beep will occur each time a front panel key is
pressed.
MAX FILLING TIME 60 Max filling time before an error message occur if not
level/amount of water has been reached. 1 step = 10
sec
MAX HEATING TIME 60 Max heating time before an error message occurs if
the temperature has not increased a specific number
of degrees. 1 step = 10 sec
Adjustment of temperature, speed and water
Table 1: Parameters in Settings 1

7:6
FUNCTION DEFAULT
VALUE
EXPLANATION
SHOW WEIGHT TIMEOUT 20 Time the weight is shown in the display before the
normal display is restored. 1 step = 1 sec
PC5 BLOCKING OF HEATING N Parameter for parallel operation of commercial wash-
ers. Not used in FOM 71 CLS operations
PC5 BLOCKING OF SPINNING N See above
HEAT 2 STANDARD N For machines with dual heating systems. Selects
which system that shall have priority. Not used in
FOM 71 CLS operations.
SERVICE ALARM, HOURS 0 Time between service information calls. Parameter
for commercial machines not used in FOM 71 CLS
operations
BUZZER TIMEOUT AT END 3 Buzzer on time at the end of a wash process. 1 step
= 1 sec
BUZZER TIMEOUT AT PAUSE 10 Buzzer on time at the activation of a programmed
pause. 1 step = 1 sec
ERROR, OVERFILLED N If N no overfilling error message. Levels above the
over fill level allowed.
PASSWORD ACTIVE N No password required. If Y password needed in
order to start the machine.
CMIS ADDRESS 0 Address for commercial management system. Not
used in FOM 71 CLS operations.
LEVEL IN MM ACTIVE N If Y the level values are in mm from bottom of the
drum. For FOM 71 CLS the highest possible level
exceeds the number of available software bites and
therefore the levels are measured in RU units (1 RU
unit = 2 mm)
START SLOW FILLING HG 10 Amount of water to be filled through the 5litre/min
valve at the end of the filling sequence when using
the scale in order to increase the accuracy. Value in
hg (1 hg = 0.1 Kg)
OFF SET LEVEL HG - 2 Offset value (negative) for the scale calculation elimi-
nating delays in control and valve systems. Value in
hg (1 hg = 0.1 Kg) Value entered
START SLOW FILL, MM
From software 1.7 and machine serial
number 52049196
0 Amount of water to be filled through the 5litre/min
valve at the end of the filling sequence when using
the level control in order to increase the accuracy.
Value in hg (1 hg = 0.1 Kg)
IS TEMP ADJUST ADD 0 Temperature calibration. Add increases actual
temperature signal to the control unit. Step ~0.7 ºC.
Result will be a lower wash temperature.
IS TEMP ADJUST SUB 3 Temperature calibration. Sub decreases actual
temperature signal to the control unit. Step ~0.7 ºC.
Result will be a higher wash temperature.
Adjustment of temperature, speed and water
Table 1: Parameters in Settings 1

7:7
FUNCTION DEFAULT
VALUE
EXPLANATION
SPEED CALIB. LOW RANGE IN %
From software 1.8 and machine serial
number 052089296
1000 Will change the drum speed in the low speed interval
≤ 300 RPM. The default value is a ratio value and a 1
unit change will change the ratio 0.1%
Thus 956 will mean 95.6% of original speed and
1050 105% of original speed.
SPEED CALIB. HIGH RANGE IN %
From software 1.8 and machine serial
number 052089296
1000 Will change the drum speed in the high speed inter-
val > 300 RPM. The default value is a ratio value and
a 1 unit change will change the ration 0.1% in the
same way as for LOW RANGE.
SHOWED SPEED CALIB. LOW'
From software 1.8 and machine serial
number 052089296
1000 Corrects the speed showed in display to actual
speed
Will change the showed display speed in the low
speed interval ≤ 300 RPM. The default value is a
ratio value and a 1 unit change will change the ratio
0.1% Thus 956 will mean 95.6% of original displayed
speed and 1050 105% of original displayed speed.
SHOWED SPEED CALIB. HIGH
From software 1.8 and machine serial
number 052089296
1000 Corrects the speed showed in display to actual
speed
Will change the shown display speed in the high
speed interval > 300 RPM. The default value is a ratio
value and a 1 unit change will change the ratio 0.1%
in the same way as for CALIB. LOW.
BACKLIGHT 30 Controls the time the display shall be illuminated in
seconds. 1 step = 1 sec.Max value 254 seconds.
Value 0 means display always illuminated.
READY
Adjustment of temperature, speed and water
Table 1: Parameters in Settings 1

8:1
Cleaning the machine
Wascator FOM 71 CLS
Cleaning the machine from debris in water, lint,
scale and residual detergent
It is very important that the wet parts of the machine are free from debris
and particles that can influence the wash performance of the machine.
Lint and threads from ballast and test swatches can accumulate on the
heating elements and as the bundle of lint/threads will grow it may eventu-
ally be so large that is clogging the drain valve and causing the drain valve
to leak. This leakage will definitely influence the wash performance as in the
beginning of the main wash unsolved detergent is located above the drain
valve seat. When leakage occurs the concentrated solution will leak out
reducing the detergent concentration in the bath.
Calcium carbonate from the hard water used in IEC tests will after time ac-
cumulate mainly on the heating elements. If the scale layer is too thick the
heating elements may be destroyed due to the insulating effect of the layer.
Heating power will also be reduced, giving longer heating times.
Lint from the textiles, together with zeolite from the detergent, will accumu-
late on the surface of the outer drum and on the back gable. If the amount
of detergent is too large this can affect the wash and/or rinse results from
the reference machine.
It is advisable not to remove the heating elements only for visual inspection
of any scale or lint. Elements shall only be removed when lint or scale have
been identified in accordance with the inspection procedure. A frequent
removal of the elements will sooner or later result in high resistance in the
wire connection causing too high connector temperature.
Electrical installation must be carried out by an authorized personnel

8:2 Cleaning the machine
Cleaning the incoming supply water filter
Debris clogging the incoming supply water filter can prolong the supply
time so it falls outside the specification given in the standard. Therefore it
is necessary to regularly to clean the filter.
• Disconnecttheincomingwaterhoseandremovethelter.Thelter
cartridge can easily be taken out from the valve housing. Clean the
filter and reassemble all the parts.
Inspecting and removal of lint from heating elements and the drain
valve
• Thebuilt-upoflintaroundtheheatingelementsandatthedrainvalve
can be observed from inside the inner drum. Use a battery torch and
illuminate the inner side of the outer drum via the holes in the inner
drum. Lint around the elements and at the drain valve can then be
seen.
• Iflintisobservedaroundtheheatingelementstheyshallberemoved
and cleaned. Remove the front panel and the element cover. Discon-
nect the electrical wires and unscrew the fastening bolt on the ele-
ment until the bolt is at the end of the tread. (Do not remove the bolt).
Press the bolt and press in inwards as far as possible. Now the hea-
ting element can be removed and cleaned. Also clean the element if
a layer of scale is visible. After cleaning, the heating elements shall be
assembled again. Make sure that no water leaks are visible around the
element seal before mounting on the front panel.
Removal of lint from the drain valve
• Iflinthasbeenobservedin/onthedrainvalvetrytoremovethelintvia
the openings of the heating elements.
• Ifthatisnotpossiblethenthedrainvalvemustberemoved.Seein-
struction on next page.

8:3
Cleaning the machine
101772
4
5222
5
5185
3
3
4
5
Repairs
Repair work on the machine should only be
done by specially trained personnel.
Dissambly
For repair works on the drain valve, there is
a risk that water still left in the machine may
flood onto the floor. Be sure to dry up any
spilled water since it may cause people to
slip and hurt themselves.
1. Take down power from the machine by tur-
ning the main power switch to the 0 position.
2. Remove the front cover.
3. Disconnect the drain hose from upper part of
the valve.
4. Undo the hose clamp holding the valve rub-
ber bellows against the sleeve coupling of the
outer drum.
5. Loosen and unscrew the 4 retaining nuts of
the valve a couple of turns (use a socket,
extender and ratchet wrench). Turn the valve
and unhook it from the bolts.
6. Disconnect the pressure hose from the lo-
werm part of the valve.
7. Replace the valve with a new one.
Main power switch
Upper part
Rubber
diaphragm
with drain
connection
Pressure plate
Recoll spring
Cylinder
Diaphragm
Nipple for con-
nection of feed
hose from control
valve
Lower part

8:4 Installation
Assembling
1. Connect the pressure hose to the lower part of the valve. Check that the
hose is not bent or pinched.
2. Fit the rubber bellows onto the sleeve coupling.
3. Hook the valve onto the bolts and turn the valve into position. Secure the
4 retaining bolts of the valve.
4. Secure the hose clamp at the connection of the rubber bellows on the
sleeve coupling.
5. Connect the drain hose to the upper part of the valve.
6. Turn the main power switch to position 1 and verify correct valve
operation and that it does not leak.
7. Reattach the front cover.
Removal of scale
Depending on the use of the reference machine, scale must be removed
from all parts exposed to water on a regular basis.
• Ifthemachineisoperatedinahardwaterarea,decalcifythemachinein
accordance with the following procedure:
o Put 0.5 kg of citric acid in the detergent department.
o Start program Cotton 85ºC.
o Rinse the reference machine by running the Cotton 85ºC program
again.
Removal of residual detergent
Detergent may accumilate at certain parts of the machine and also be a part
of the deposits on the inner side of the outer drum.
• Detergentmayaccumilateinthehosebetweenthedrumandtheexter-
nal tap valve. Remove the valve and clean the hose with a bottle cleaner.
Flush the hose with water to ensure that no detergent remains.
• RuneitheraCotton85°CorCotton60°Cprogramsonaregularbasis,
without ading a load or detergent. If foam is visible during the main wash,
repeat the Cotton programs until no "stable" foam is visible.
4
5
3

9:1
Maintenance before start up of a test series
Wascator FOM 71 CLS
Maintenance before start up of a test series
In order to ensure that the reference machine is in good order and will
work in accordance with the specifications given in IEC 60456 a number
of checks can be carried out:
Before any major test period:
• CheckforanylintaccordingtoinstructionsinChapter8.
• Checkthesupplytimeforrstll.Shallbe114±14secondsfrom
closure of door lock relay to end of filling of the 5 litre valve. If the time
is too short, lower the water pressure. If the time is too long, clean the
supply filter in accordance with the instruction set out in Chapter 8 or
increase the water pressure.
• CarryoutaninstallationcheckaccordingtoinstructionsinChapter3.
• CarryoutaweightcheckaccordingtoinstructionsinChapter5.
• Carryoutanemptyruntest.UseCotton60ºCorCotton40ºCdepen-
ding on the type of program to run be run during the test period.
• ComparetheresultsobtainedwithresultsshowninTable1inChapter
9 "Empty run test data". Note the definitions assigned to the time inter-
vals shown in the table.
• IfthevaluefalloutsidethespecicationdetailedinTableE.2inIEC
60456, carry out a second empty run test or recalibrate.
• Ifothervaluesobtainedfromtheemptyruntestdiffersfromthevalue
in Table 1, analyse the reason for this difference and correct (wrong
water pressure, wrong supply water temperature, faulty heating ele-
ment etc).
Before every test period:
• CheckforthepresenceoflintaccordingtoinstructionsinChapter8.
• Checkthesupplytimeforrstll.Shallbe127±14secondsfrom
closure of door lock relay to end of filling of the 5 litre valve. If the time
is too short, lower the water pressure. If the time is too long, clean the
supply filter according to instruction in Chapter 8 or rise the water pres-
sure.
• CarryoutaweightcheckaccordingtoinstructionsinChapter5.
Daily check:
• Ifthemachinehasnotbeeninuseforthelast2hoursrunthestartup
program (Program 991).The start up program will flush the machine
with water and normalise all temperatures inside the machine.

10:1
Regular maintenance 6 - 12 month
Wascator CLS FOM 71 CLS
Regular maintenance 6-12 months
The reference machine shall at a regular basis be maintained and checked
in order to ensure that the reference machine is in good order and will work
in accordance with the specifications given in IEC 60456.
Every 6 months:
• CarryoutaninstallationcheckaccordingtoinstructionsinChapter3.
• Usethestartupprogram(Program991)andmakeavisualcheckand
ensure that the supply or drain valves are not leaking.
• CarryoutaweightcheckaccordingtoinstructionsinChapter5.
• Topreventthebuildupofscaleifthereferencemachineisruninhard
water decalcify the machine according to procedure described in Chap-
ter 8.
• Checkforanybuildupoflintordetergentandifveriedcleanaccording
to instructions in Chapter 8
• CarryoutanemptyruntestCotton60ºCorCotton40ºCdepending
what type of program to run during the test period.
• ComparetheresultsobtainedwithresultsshowninTable1inChapter
11 "Empty run test data". Note the definitions assigned to the time inter-
vals shown in the table.
• IfvaluesareoutsidethespecicationinTableE.2inIEC60456make
another empty run test or recalibrate.
• Ifothervaluesfromtheemptyruntestdiffersfromthevaluesshownin
Table 1 Analyse why the values differ and correct (Wrong water pressure,
wrong supply water temperature, faulty heating element etc).
Once a year:
• Performaacompletecalibrationofthemachineinaccordancewithcerti-
fied procedures.

11:1
Empty run test data
Wascator FOM 71 CLS
Empty run test data
During the RRT2008 ring test, data was obtained from a number
of laboratories. This data is useful when checking that the refe-
rence machine in the laboratory is performing as expected.
Please note: This data is obtained from runs with an unloaded
machine. Therefore, the energy and process times obtained
here cannot be compared with the same parameters applied
during a test series carried out with a loaded machine. However,
empty test runs are not affected by load differentials or deter-
gent batches and will only produce results that are specific to
the machine.
Table 1 below shows the estimated/defined values for Cotton
60°C,aswellasaveragevaluesfromtheRRT2008ringtest.
The RRT 2008 average values were obtained from the RRT 008
IEC/CENELEC/CECED ring test. These values are based on
empty run tests undertaken at 20 different laboratories.
The definitions used in Table 1 differ from those given in IEC
60456 and below are applicable to Table1.
Definitions
Total program time: Time from the start of first filling to
the start of the retardation phase at
the end extraction sequence.
Heating time: The time until the heating relays have
been switched on during the diffe-
rent heating periods.
Total main wash time: The time from start of first filling until
the start of first rinse water supply.
Filling time of water: The first filling time (26 litre). From
closure of door lock relay to end of
filling.
Cold water inlet temperature: The temperature of the supplied cold
water.
Temp at end of heating in
enzyme step: The temperature at the time the hea-
ting relay is switched off after reach
ing the 40ºC enzyme step.
Temp at the end of the
enzyme step: The temperature in the bath just
prior to the heating up to 60ºC.

11:2
Temp at the end of heating in
final heating: The temperature when the hea-
ting relay is switched off after
reaching 60ºC.
Temp at the end of the main wash: The temperature in the bath
just prior to drain after main
wash.
Amount of water in main wash: The amount of supplied water
to the main wash.
Amount of water in rinses: The amount of water supplied
in each rinse.
Total energy consumption: The total energy consumed
during the program.
Drum Speed: Drum speed measured in RPM.
Water pressure: Water pressure (Static) measured
close to inlet valve and during the
filling of water.
Empty run test data

11:3
Estimated/
defined
std values
Estimated/
defined std
ranges
RRT2008
Average
value
Time:
Total program time Min,sec 72:00 2:00 71:58
Heating time cold - 20ºC Min,sec 1,30 1:00 1:30
Heating time 20ºC - 40ºC Min,sec 7:00 0:30 7:52
Heating time 40ºC - 60ºC Min,sec 8:30 0:30 8:02
Total mainwash time Min,sec 46:00 1:30 46:07
Filling time of water first fill Min,sec 1:45 0:30 2:02
Temperature:
Cold water inlet temperature ºC 15.0 2.0 15.4
At end of heating to 40 ºC. ºC 40.0 1,3 39.2
At end of heating to 60 ºC ºC 60.0 1,0 59.1
At the end of mainwash ºC 57,0 2.0 56.6
Water:
Amount of water in mainwash Litre 26,0 0,5 26.0
Amount of water in rinse 1 Litre 18,0 0,5 18.0
Amount of water in rinse 2 Litre 18,0 0,5 18.0
Amount of water in rinse 3 Litre 18,0 0,5 18.0
Amount of water in rinse 4 Litre 18,0 0,5 18.1
Total amount Litre 98.0 2.5 98.1
Energy:
Total energy consumption kWh 1,700 0,150 1.671
Voltage:
Line voltage during the test V 230 4 229.7
Ambient temperature:
Room temperature close to machine ºC 23.0 2 23.2
FOM 71 CLS
IEC 60456 ED 5 Cotton 60 Empty run
Empty run test data

12:1
Program description for IEC 60456 Ed5
Wascator FOM 71 CLS Program description for IEC 60456 Ed5
Programs contained in memory card assy: 988 91 62 28 (For software 1.5 9 and lower card no: 438 95 37 71, for software 1.6 0 and
higher card no:438 95 37 98)
NOTE 1 : All programs for Wascator FOM 71 CLS have a “pre fill” of water before detergent flush. The “pre fill” consists of a 5 litre fill
through the 15 litre/min valve followed by an 1 litre fill through a 5 litre/min valve before flushing the detergent together with the addi-
tional 20 litre of water.
NOTE 2: For software 1.59 and lower the filling parameters are Mainwash 1: 6 litre , Mainwash 2: 20 litre, for software 1. 60 and higher
the filling parameters are Mainwash 1: 6 litre , Mainwash 2: 26 litre. The tables show the programs for software 1.60 and higher.
IEC 60456 Ed5 Cotton 85ºC (Wascator FOM 71 CLS)
Sequence Water Supply
(litre)
Action during
heating
Normal/Gentle
Action during
wash
Normal/Gentle
Heating
Yes/No
Temperature
(ºC)
Time at
temperature
(Min)
Rinse/Drain/Spin
time(Min)
Mainwash 1 6 N
Mainwash 2 26 N N Y 20 2:00
Mainwash 3 N N Y 40 1:00
Mainwash 4 N N 14:00
Mainwash 5 N N Y 85 1:00
Mainwash 6 N N 8:00
Drain 1 N 1:00
Rinse 1 18 N 3:00
Drain 2 N 1:00
Rinse 2 18 N 3:00
Drain 3 N 1:00
Rinse 3 18 N 2:00
Drain 4 N 1:00
Rinse 4 18 N 2:00
Drain 5 N 1:00
Spin 1 5:00

12:2
IEC 60456 Ed5 Cotton 60ºC (Wascator FOM 71 CLS)
Sequence Water Supply
(litre)
Action during
heating
Normal/Gentle
Action during
wash
Normal/Gentle
Heating
Yes/No
Temperature
(ºC)
Time at
temperature
(Min)
Rinse/Drain/Spin
time(Min)
Mainwash 1 6 N
Mainwash 2 26 N N Y 20 2:00
Mainwash 3 N N Y 40 1:00
Mainwash 4 N N 14:00
Mainwash 5 N N Y 60 1:00
Mainwash 6 N N 8:00
Drain 1 N 1:00
Rinse 1 18 N 3:00
Drain 2 N 1:00
Rinse 2 18 N 3:00
Drain 3 N 1:00
Rinse 3 18 N 2:00
Drain 4 N 1:00
Rinse 4 18 N 2:00
Drain 5 N 1:00
Spin 1 5:00
Program description for IEC 60456 Ed5

12:3
IEC 60456 Ed5 Cotton 40ºC (Wascator FOM 71 CLS)
Sequence Water Supply
(litre)
Action during
heating
Normal/Gentle
Action during
wash
Normal/Gentle
Heating
Yes/No
Temperature
(ºC)
Time at
temperature
(Min)
Rinse/Drain/Spin
time(Min)
Mainwash 1 6 N
Mainwash 2 26 N N Y 20 2:00
Mainwash 3 N N Y 40 1:00
Mainwash 4 N N 11:00
Drain 1 N 1:00
Rinse 1 18 N 3:00
Drain 2 N 1:00
Rinse 2 18 N 3:00
Drain 3 N 1:00
Rinse 3 18 N 2:00
Drain 4 N 1:00
Rinse 4 18 N 2:00
Drain 5 N 1:00
Spin 1 5:00
Drain 5 N 1:00
Spin 1 5:00
Program description for IEC 60456 Ed5

12:4
IEC 60456 Ed5 Synthetics/Blends 60ºC (Wascator FOM 71 CLS)
Sequence Water Supply
(litre)
Action during
heating
Normal/Gentle
Action during
wash
Normal/Gentle
Heating
Yes/No
Temperature
(ºC)
Time at
temperature
(Min)
Rinse/Drain/Spin
time(Min)
Mainwash 1 6 N
Mainwash 2 22 N N Y 20 2:00
Mainwash 3 N N Y 40 1:00
Mainwash 4 N N 14:00
Mainwash 5 N N Y 60 1:00
Mainwash 6 N N 8:00
Mainwash 7
(Cool Down)
4 N N 2:00
Drain 1 N 1:00
Rinse 1 22 N 3:00
Drain 2 N 1:00
Rinse 2 22 N 3:00
Drain 3 N 1:00
Rinse 3 22 N 2:00
Drain 4 N 1:00
Spin 1 2:00
Spin 1 5:00
Program description for IEC 60456 Ed5

12:5
IEC 60456 Ed5 Synthetics/Blends 40ºC (Wascator FOM 71 CLS)
Sequence Water Supply
(litre)
Action during
heating
Normal/Gentle
Action during
wash
Normal/Gentle
Heating
Yes/No
Temperature
(ºC)
Time at
temperature
(Min)
Rinse/Drain/Spin
time(Min)
Mainwash 1 6 N
Mainwash 2 22 N N Y 20 2:00
Mainwash 3 N N Y 40 1:00
Mainwash 4 N N 11:00
Drain 1 N 1:00
Rinse 1 22 N 3:00
Drain 2 N 1:00
Rinse 2 22 N 3:00
Drain 3 N 1:00
Rinse 3 22 N 2:00
Drain 4 N 1:00
Spin 1 2:00
Program description for IEC 60456 Ed5

12:6
IEC 60456 Ed5 Wool 40ºC (Wascator FOM 71 CLS)
Sequence Water Supply
(litre)
Action during
heating
Normal/Gentle
Action during
wash
Normal/Gentle
Heating
Yes/No
Temperature
(ºC)
Time at
temperature
(Min)
Rinse/Drain/Spin
time(Min)
Mainwash 1 6 N
Mainwash 2 26 G G Y 20 0:30
Mainwash 3 G Y 35 0:30
Mainwash 4 G G Y 40 3:30
Drain 1 G 1:00
Rinse 1 26 G 3:00
Drain 2 G 1:00
Rinse 2 26 G 3:00
Drain 3 G 1:00
Spin 1 1:00
Rinse 3 26 G 2:00
Drain 4 G 1:00
Spin 2 6:00
Program description for IEC 60456 Ed5

12:7
IEC 60456 Ed5 Cotton 30ºC (Wascator FOM 71 CLS)
Sequence Water Supply
(litre)
Action during
heating
Normal/Gentle
Action during
wash
Normal/Gentle
Heating
Yes/No
Temperature
(ºC)
Time at
temperature
(Min)
Rinse/Drain/Spin
time(Min)
Mainwash 1 6 N
Mainwash 2 26 N N Y 20 2:00
Mainwash 3 N N Y 30 1:00
Mainwash 4 N N 17:00
Drain 1 N 1:00
Rinse 1 18 N 3:00
Drain 2 N 1:00
Rinse 2 18 N 3:00
Drain 3 N 1:00
Rinse 3 18 N 2:00
Drain 4 N 1:00
Spin 1 5:00
Program description for IEC 60456 Ed5

12:8
IEC 60456 Ed5 Cotton 20ºC (Wascator FOM 71 CLS)
Sequence Water Supply
(litre)
Action during
heating
Normal/Gentle
Action during
wash
Normal/Gentle
Heating
Yes/No
Temperature
(ºC)
Time at
temperature
(Min)
Rinse/Drain/Spin
time(Min)
Mainwash 1 6 N
Mainwash 2 26 N N Y 20 2:00
Mainwash 3 N Y 20 1:00
Mainwash 4 N N 7:00
Drain 1 N 1:00
Rinse 1 18 N 3:00
Drain 2 N 1:00
Rinse 2 18 N 3:00
Drain 3 N 1:00
Rinse 3 18 N 2:00
Drain 4 N 1:00
Spin 1 5:00
Program description for IEC 60456 Ed5
FOM 71 MP-Lab

13:1
Installation inspection of the reference machine
FOM 71 MP-Lab
Installation inspection of the reference machine
Before carrying out any major test series, inspect the installation and
check the following items:
• Inordertomakeinstallationandservicingthemachineeasier,thefol-
lowing clearances are recommended:
o At least 500 mm between the machine and the wall behind.
o A minimum clearance of 250mm at the sides between the machine
and a wall or other machine, where more than one machine is instal-
led.
• Checkthemountingboltstotheoor,asinthistypeofmachinethe
drum is attached directly to the frame. As a result, the floor under the
machine must be stable enough to absorb the dynamic forces genera-
ted during the spin cycles. For fastening details see the Operating and
installation manual for FOM 71 MP-Lab.
• Checkthelevellingofthemachine.Theverticaldifferencefromcorner
to corner of the top lid shall not exceed 5 mm. If this is not the case,
adjust the feet of the machine.
• ThemachinemustbeconnectedusingthesuppliedYhoseortwo
single hoses.
• Checkthattheamountofsupplywateratthewaterconnectionto
the reference machine is sufficient and in line with the specification in
the standard (15 ± 2 litre) and that the amount can be maintained in
all circumstances. Water pressure at the machine's water intake must
never fall below 100 kPa.
• Checkthatthepowersupplyiscompliantwiththevoltagespecied
on the reference machine's data label and within the tolerances of the
standard (± 2%).
• Makesurethatthepowersupplycanmaintaintherequiredvoltage
level whilst the reference machine is heating.
Bild 13_1.jpg

14:1
Calibration of the level control system
FOM 71 MP-Lab
Calibration of the level control system
For tests carried out in accordance with the IEC 604456 Ed5 standard, this
calibration does not control the supply water values of the wash program.
However, even if the wash programs use the flow meter to control water in-
take, the level control becomes active and manages other levels inside the
machine such as empty machine, heating element safety levels and overfill that
are required for the safety values of the machine. Therefore, the level must be
adjusted and maintained in accordance with the procedure outlined below.
A: Calibration of the external level scale
• Cleanthelefthandexternalleveltubeusingabottlecleaner(withasmall
diameter) and remove all detergent deposits.
• Rotatethedrumsothattwoliftersareequidistantrelativetothelowest
point.
• Closethedoorandpressthemanualushbuttontoallowwaterintothe
drum until the level reaches the inner surface of the drum.
• Checkthatthezerolineontheexternalleveltubematcheswiththelevel.If
it does not, adjust the scale so the that the zero level lines match up.
• Usethedrainbuttontodrainthewater.
B: Water level check
1: Level calibration.
• Themachinemustbeempty.
• UsetheLevelControlProgram(programno.1).TheLevelControlprogram
fills the machine 5 times to 160 mm and then to 100 mm, 130 mm, 160 mm
and 200 mm.
Measure to 160 mm on the external scale, adjusting using the rotating poten-
tiometer on the front panel if necessary. One full turn of the potentiometer cor-
responds to about 3 mm in level difference.
• Restartforsecondllingandchecktheadjustment.
2: Repeatability
•RunLevelControlprogram(Program1).
•Fill5timesto160mm.
•Readwaterleveleachtimeontheexternalscale.Maxdeviation±5mm.
3: Linearity
• RunLevelControlprogram(Program1).
• Runthelastpart.Theprogramllsrepeatedlyto100mm,130mm,160mm
and 200 mm.
• Readwaterlevelateachstopontheexternalscale.Maxdeviation±5mm.

15:1
Installation of laboratory sensors
FOM 71 MP-Lab
Installation of laboratory sensors for temperature
and speed
Laboratory sensors can be attached to the FOM 71 MP-Lab model. Ho-
wever, it is important that the installation is executed in accordance with
the instructions below so as not to return improper operations or faulty test
results.
Installation of the laboratory temperature sensor.
A suitable place for an external temperature sensor can be found at the
side of the heating element box. Hole dimension is ½ “BSP. See picture
below.
Electrical installation must be carried out by an authorized personnel

15:2 Installation of laboratory sensors
Installation of speed sensor
A speed sensor can be attached to the end of the drum shaft. To facilitate
attaching the sensor, a hole can be made in the back panel of the machine.
A diameter of less than 60 mm will not affect machine performance. (Venti-
lation holes may change the air temperature inside the machine, which may
also affect water temperature).

16:1
Adjustment of temperature, speed and water
FOM 71 MP-Lab
Adjustment of temperature, speed and water
In contrary to Wascator FOM 71 CLS, there is little scope to change or
calibrate the internal parameters of the FOM 71 MP-Lab software.
Temperature:
• Ifthetemperatureofawashprogramistoohighortoolowduringthe
main wash sequence, the temperature sensor must be replaced.
Speed:
• Ifspeedistoolow(washspeedand/orspinspeed),checkincoming
voltage and frequency.
• Ifspeedistoohigh(washspeedand/orspinspeed)checkincoming
voltage and frequency. Also check to see whether the V-belt is exhibit-
ing signs of excessive wear. Changing to a new V-belt will/may reduce
the speed somewhat.
Water:
• Forleveladjustment,seeChapter13.
• Forowmeteradjustment,seeChapter17.

17:1
Flow meter installation
FOM 71 Mp-Lab
Flow meter installation
(All references in this document refer to ELS document 438 9041-07 Instal-
lation of flow meter control FOM 71 MP-Lab. See Appendix 1.
• MakesurethattheowmeterisinstalledasdescribedinInstallation
manual 438 9041-07
• Examinethestraighttubesinfrontandaftertheowmetersensorhou-
sing.
• Theowsensorhousingshallnotbeplacedinalocationwherewater
can drip on it.
• ProgramtheunitinaccordancewithInstallationmanual4389041-07.

18:1
Flow meter calibration
FOM 71 MP-Lab
Flow meter calibration
(All references in this document refers to ELS document 438 9041-07 Installation
of flow meter control FOM 71 MP-lab. See Appendix 1)
The flow meter must be configured and calibrated in accordance with the in-
stallation manual. The configuration must adhere to the procedure at page 6 of
the Installation manual. The configuration also sets the amount of water for the
main wash and rinses, as well as calibration factor K. The value of the K-factor is
dependent on actual water pressure in the supply line and must be adjusted for
each installation. This calibration must be redone if water pressure in the supply
line changes.
A flow meter shall be checked on a regular basis. If necessary, recalibration must
be carried out in accordance with the procedures set out in the flow meter instal-
lation manual.
The check shall be carried out in accordance with one of the following procedu-
res.
• ProcedureA1
o Select the Cotton 60 program (or any other IEC cotton program)
o Start the program without load.
o Pause the program after first fill.
o Drain the machine via the manual drain button and collect the water in a
receptacle. Make sure no water is left in the drain hose.
o Weigh the water in the receptacle.
o If the receptacle is too small, drain water in stages and weigh.
o Rapid advance the program to its end.
o If the amount of water is incorrect, adjust the K-factor until the correct
amount is achieved.
o Make sure no other machine connected to the same water line is filling with
water whilst calibration is in process.
• ProcedureA2.
o Disconnect the water supply hose containing the flow meter from the
machine.
o Fit a flow restrictor of about 15 litres/min at the end of the hose (or a valve
with the opening adjusted to about 15 litres/min.)
o SelecttheCotton60°Cprogram(oranyotherIECcottonprogram)
o Start the program without load.
o Pause the program after first fill.
o Collect the water in a receptacle.
o Weigh the water in the receptacle.
o Rapid advance the program to its end.

18:2 Flow meter calibration
o If amount of water is not correct adjust the K-factor until the correct amount
is achieved.
o Be sure no other machine connected to the same water line is filling water at
the same time the calibration is done.
• ProcedureB:
If a high quality and resolution calibrated laboratory flow meter is connected in se-
ries with the reference machine flow meter, the following procedure may be imple-
mented instead:
o SelecttheCotton60°Cprogram(oranyotherIECcottonprogram).
o Start the program without load.
o Pause the program after first fill.
o Read the laboratory flow meter and compare with the 26 litres the reference
flow meter is to supply.
o If the amount of water is incorrect, adjust the K-factor until the correct
amount is achieved.
o Rapid advance the program to its end.
o Be sure no other machine connected to the same water line is filling water at
the same time the calib

19:1
Flow meter: Setting of the correct amount of water
FOM 71 MP-Lab
Flow meter: Setting of the correct amount of water
(All references in this document refers to ELS Document 438 9041-07
Installation of the flow meter control FOM 71 MP-Lab. See Appendix 1)
In IEC 60456 Ed 5 the amount of water levels programmed into the flow
meter shall be set according to table D.3 in the standard.
Program Set value A1 (Litre) Set Value A2 (Litre)
Cotton85°C 26 18
Cotton60°C 26 18
Cotton40°C 26 18
Synthetics/Blends60°C 22 4
Synthetics/Blends40°C 22 --a
Wool40°C 26 --a
Cotton30°C 26 18
Cotton20°C 26 18
NOTE:
a: No set value for A2 needed
IEC 60456 Ed5 Table D.3
Procedure for programming new set values into the flow meter:
• FollowtheprogramminggivenintheInstallationmanualfortheow
meter page 6 to 9.
• GothroughthecompletecongurationprocedureandsetA1andA2
(page 8 in the Installation manual) to the desired values.
• Controlthattheowmeterisdeliveringthecorrectamount.Ifadevia-
tion correct with the K-factor (See Chapter 18 Flow

20:1
Flow meter: maintenance
FOM 71 MP-Lab
Flow meter: maintenance
(All references in this document refers to ELS document 438 9041-07 Instal-
lation of flow meter control FOM 71 LAB. See Appendix 1)
• Occasionallychecktheamountofwatercomingfromtheowmeter.If
the amount is not correct, recalibrate in accordance with the procedures
set out in Chapter 16.
• Theimpellerintheowmeterissensitivetocontaminantsinthewater
and after long inoperative periods, the impeller may stop functioning.
• Iftheimpellerisnotworkingproperly,oriftheconnectionbetweenim-
peller or control unit is broken, the water intake will stop at 8 litre.
• Inthiscase,checktheelectricalconnectionbetweentheimpellerand
control unit or or ascertain where the impeller may be stuck open and
clean the impeller in accordance with the following instructions:
o Remove the electrical housing (Unscrew the side mounted screw and
twist and lift off the housing.)
o Unscrew the 4 screws on the impeller housing and remove the impel-
ler plate with impeller.
o Carefully turn the impeller and rotate (blow on) the impeller until it
rotates free.
o Refit the impeller and electrical housing.

21:1
Cleaning the machine
FOM 71 MP-Lab
Cleaning the machine from debris in water, lint, scale and residual
detergent
It is very important that the wet parts of the machine are free from debris
and particles that may affect influence the wash performance of the machi-
ne.
Lint and threads from ballast and test swatches may accumulate on the
heating elements and as the bundle of lint/threads will grow it may even-
tually become so large that it clogs the drain valve, causing the drain valve
to leak. This leakage will definitely affect wash performance as undissolved
detergent builds up above the drain valve seat when the main wash begins.
When leakage occurs, the concentrated solution will leak out reducing de-
tergent concentration in the bath.
Calcium carbonate from hard water used in IEC tests will, after prolonged
exposure, accumulate on the heating elements. If the scale layer is too thick
the heating elements may be destroyed due to the insulating effect of the
layer. The heating power will also be reduced giving longer heating times.
Lint from textiles, together with zeolite from detergent, will accumulate on
the surface of the outer drum and on the back gable. Detergent will also
build up in these layers. If the amount of detergent is exessive, this may af-
fect the wash and/or rinse results obtained from the reference machine.
It is not advisable simply to remove the heating elements to visually inspect
for scale or lint. The elements should only be removed where accumulations
of lint or scale have been identified using the inspection procedure descri-
bed below. Frequently removing the elements will sooner or later produce
high resistance in the wire connection, causing an excessively high connec-
tor temperature.

21:2 Cleaning the machine
Cleaning the incoming supply water filter
Debris clogging the incoming supply water filter can prolong the supply
time so it falls outside the specification given in the standard. Therefore it
is necessary to clean the filter on a regular basis.
• Removetheincomingwaterhoseandremovethelter.Theltercart-
ridge can be easily removed from the valve housing. Clean the filter and
refit all components.
Inspecting and removing lint from heating elements and drain valve
• Abuild-upoflintaroundtheheatingelementsandatthedrainvalvecan
be seen from inside the inner drum. Use a battery torch to illuminate the
inner side of the outer drum through the holes in the inner drum. This
will allow you to see any lint around the elements and the drain valve.
• Ifthereislintontheheatingelements,theymustberemovedandclea-
ned. Disconnect the electrical wires and loosen the fastening bolt on
the element (do not remove the bolt). Using flat pliers, turn the threaded
axisabout90°anti-clockwise.Theheatingelementcannowberemoved
and cleaned. Also clean the element if a layer of scale is visible. After
cleaning, refit the element and ensure that no water leaks are visible
around the element seal before refitting the front panel.
Removing lint from the drain valve
• Iflinthasbeenobservedin/onthedrainvalve,trytoremoveitviathe
heating element openings.
• Ifthisisnotpossible,thedrainvalvemustberemoved.
• Removethefrontpanelandunscrewallhosefasteningsonhosefrom
detergent box, to drain pipe and on the hose to the drum. Unscrew the
two bolts holding the drain valve unit and remove the electrical connec-
tion to the drain valve.
• Thedrainvalveassemblycannowberemoved.
• Reassembletheunitinreverseorder.
• Note:Donotplacetheelectricalconnectorinwrongplace(correctfre-
quency is 50 or 60 Hz).
• Alsoseeinstructionsonnextpage.

21:3
Cleaning the machine
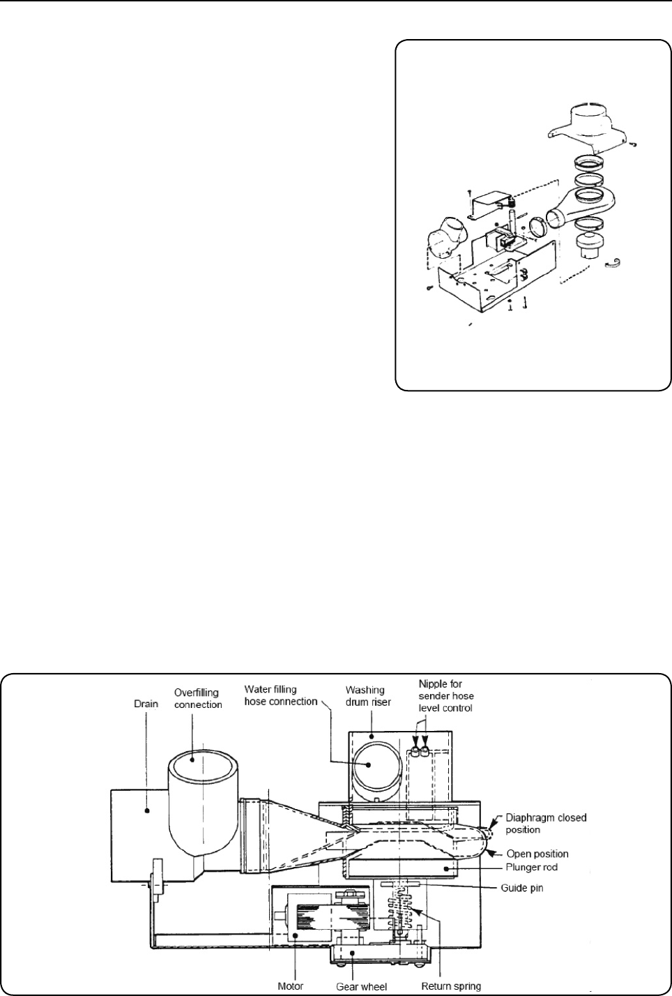
Description
The drain valve is a motor-operated diaphragm
valve, which ensures rapid machine emptying
by its opening on a large cross-sectional surface
area. Its design is self-clearing, which eliminates
the need for lint filters.
The main valve components are:
• motorwithgear
• acme-threadedplungerrodwithplungerand
return spring
• rubberdiaphragm
• connectionsforwaterlling,overllingand
drainage.
In the open position, the valve is de-energised.
The plunger rod is thus screwed down to its
lowest position by the return spring. The di-
aphragm is compressed, forcing the piston
downwards and opening the valve.
When the motor is activated and begins to rotate,
the plunger rod is screwed upwards via the gear,
the diaphragm is compressed, forcing the plung-
er upwards, and the valve closes.
The overfilling connection is connected to the up-
per half of the washing drum, and the water and
suds are led directly to the waste outlet, should
the inlet valves or level control cease to function.
The connection for water filling as well as a
nipple for ceonnection of the sensing line for the
level control are located on the riser to the wash-
ing drum.
Bild 2 21_3
Bild 1 21_3

21:4 Cleaning the machine
Repair instructions
Deposits of scale in the diaphragm may prevent the valve from closing or
opening correctly. Therefore, the valve should be cleaned at specific inter-
vals dictated by operating conditions and water quality.
The valve fails to open or close correctly
• Checkthatthemotorhasthecorrectsupplyvoltage.
• Checkthattheplungerrodcanmovefreely.
• Checkthatthediaphragmisnotcloggedbydepositsofscale.
Comment
When replacing the motor:
Brown cable: 60 Hz
Blue cable: common.
Black cable: 50 Hz
Tensioning the return springs
With the valve housing removed:
- Turn the return spring so that the spring's ''tongue'' is resting against
the stop screw.
- Place the valve housing over the return spring so that the pin on the
spring fits into the inlet of the piston rod. (NOTE: The piston rod shall
be fitted so that its input is longitudinal with the housing.)
- Then turn the housing one turn in a clockwise direction. (In this way,
the spring's pin will be threaded into the piston rod. The spring is then
tensioned approximately 1/4 turn, as a result of the rise in the piston
rod.)
Stop screw
Spring tongue Return spring's pin

21:5
Removal of scale
Depending on how the reference machine is to be used, wet parts should
be descaled on a regular basis.
• Toremoveandpreventtheformationofscaleininstanceswherethe
machine is used in a hard water area, implement the following proce-
dure:
o Put 0.5 kg of citric acid in the detergent department.
o Start program Cotton 85ºC.
o Rinse the reference machine again by running the Cotton 85ºC pro-
gram.
Removal of residual detergent
Detergent may accumulate in certain parts of the machine and may also
form part of deposits on the inner side of the outer drum.
• Detergentmayaccumulateinthehosebetweenthedrumandtheexter-
nal tap valve. Remove the valve and clean the hose using bottle cleaner.
Flush the hose with water to ensure that no detergent remains.
• Detergentmayalsoaccumulateinthehosebetweenthedrumandthe
external level glass. Clean the glass and hose using bottle cleaner. Flush
the hose with water to ensure that no detergent remains.
• RunaCotton85°CorCotton60°Cprogramwiththemachineemptyand
without detergent on a regular basis. If foam is visible during the main
wash, repeat the Cotton program until no "stable" foam is visible.
Cleaning the machine

22:1
Maintenance before start up of a test series
FOM 71MP-Lab
Maintenance before start up of a test series
In order to ensure that the reference machine is in good order and will
work in accordance with the specifications given in IEC 60456 a number of
checks can be carried out:
Before any major test period:
• CheckforanylintaccordingtoinstructionsinChapter21.
• Checkthesupplytimeforrstll.Shallbe109±14secondsfromclosu-
re of door lock relay to end of filling. If time is too short, lower the water
pressure. If the time is too long, clean the supply filter in accordance with
the instruction set out in Chapter 21 or increase the water pressure.
• CarryoutaninstallationcheckaccordingtoinstructionsinChapter13.
• CarryoutaowmetercheckaccordingtoinstructionsinChapter19.
• Carryoutanemptyruntest.UseCotton60ºCorCotton40ºCdepending
on the type of program to be run during the test period.
• ComparetheresultsobtainedwithresultsshowninTable1inChapter
23 "Empty run test data" MP-Lab. Note the definitions assigned to the
time intervals shown in the table.
• IfthevaluefalloutsidethespecicationdetailedinTableE.2inIEC
60456, carry out a second empty run test or recalibrate.
• Ifothervaluesobtainedfromtheemptyruntestdiffersfromthevaluein
Table 1, analyse the reason for this difference and correct (wrong water
pressure, wrong supply water temperature, faulty heating element etc).
Before every test period:
• CheckforthepresenceoflintaccordingtoinstructionsinChapter21.
• Checkthesupplytimeforrstll.Shallbe109±14secondsfromclo-
sure of door lock relay to end of filling. If the time is too short, lower the
water pressure. If the time is too long, clean the supply filter in accordan-
ce to instruction in Chapter 21 or rise the water pressure.
• CarryoutaweightcheckaccordingtoinstructionsinChapter19.
Daily check:
• Ifthemachinehasnotbeeninuseforthelast2hoursrunthestartup
program (Program 991). The start up program will flush the machine with
water and normalise all temperatures inside the machine.

23:1
FOM 71MP-Lab
Regular maintenance 6-12 months
The reference machine shall at a regular basis be maintained and checked
in order to ensure that the reference machine is in good order and will
work in accordance with the specifications given in IEC 60456.
Every 6 months:
• Usethestartupprogram(Program3)andmakeavisualcheckand
ensure that the supply or drain valves are not leaking.
• CarryoutaowmetercheckaccordingtoinstructionsinChapter18.
• Topreventthebuildupofscaleifthereferencemachineisruninhard
water decalcify the machine according to procedure described in
chapter 21.
• Checkforanybuildupoflintordetergentandifveriedcleanaccor-
ding to instructions in Chapter 21
• CarryoutanemptyruntestCotton60ºCorCotton40ºCdepending
what type of program to run during the test period.
• ComparetheresultsobtainedwithresultsshowninTable1inChap-
ter 11 "Empty run test data". Note the definitions assigned to the time
intervals shown in the table.
• IfvaluesareoutsidethespecicationinTableE.2inIEC60456make
another empty run test or recalibrate.
• Ifothervaluesfromtheemptyruntestdiffersfromthevaluesshownin
Table 1, analyse the reason for this difference and correct (wrong water
pressure, wrong supply water temperature, faulty heating element etc).
• Topreventthebuild-upofscaleifthereferencemachineisrunin
hard water decalcify the machine according to procedure described in
chapter 21.
• Checkforanybuild-upoflintordetergentand,ifveried,cleaninac-
cordance with procedures set out in Chapter 21.
• CarryoutanemptyruntestCotton60ºCorCotton40ºCdepending
what type of program to run during the test period.
• ComparetheresultsobtainedwithresultsshowninTable1inChap-
ter 24 "Empty run test data". Note the definitions assigned to the time
intervals shown in the table.
• IfvaluesareoutsidethespecicationinTableE.2inIEC60456make
another empty run test or recalibrate.
• Ifothervaluesfromtheemptyruntestdiffersfromthevaluesshownin
Table 1, analyse the reason for this difference and correct (wrong water
pressure, wrong supply water temperature, faulty heating element etc).
Once a year:
• Performacompletecalibrationofthemachineinaccordancewithcer-
tified procedures.
Regular maintenance 6 -12 months

24:1
FOM 71 MP-Lab
Empty run test data
During the CLS MP-Lab ring test, data was obtained from a number of laboratories.
This data is useful when checking that the reference machine in the laboratory is
performing as expected.
Please note: This data is obtained from runs with an unloaded machine. Therefore,
the energy and process times obtained here cannot be compared with the same
parameters applied during a test series carried out with a loaded machine. However,
empty test runs are not affected by load differentials or detergent batches and will
only produce results that are specific to the machine.
Table1belowshowstheestimated/denedvaluesforCotton60°C,aswellasav-
erage values from the RRT 2008 ring test.
The RRT 2008 average values were obtained from the RRT 008 IEC/CENELEC/CE-
CED ring test. These values are based on empty run tests undertaken at 15 different
laboratories.
The definitions used in Table 1 differ from those given in IEC 60456 and below are
applicable to Table1.
Definitions
Total program time: Time from the start of first filling to the start
of the retardation phase at the end extraction
sequence.
Heating time: The time until the heating relays have been
switched on during the different heating peri-
ods.
Total main wash time: The time from start of first filling until the start
of first rinse water supply.
Filling time of water: The first filling time (26 litre). From closure of
door lock relay to end of filling.
Cold water inlet temperature: The temperature of the supplied cold water.
Temp at end of heating in
enzyme step: The temperature at the time the heating relay is
switched off after reaching the 40ºC enzyme
step.
Temp at the end of the
enzyme step: The temperature in the bath just
prior to the heating up to 60ºC.
Empty run test data

24:2
Temp at the end of heating in
final heating: The temperature when the hea ting relay
is switched off after reaching 60ºC.
Temp at the end of the main wash: The temperature in the bath just prior to
drain after main wash.
Amount of water in main wash: The amount of supplied water to the
main wash.
Amount of water in rinses: The amount of water supplied in each
rinse.
Total energy consumption: The total energy consumed during the
program.
Drum Speed: Drum speed measured in RPM.
Water pressure: Water pressure (Static) measured
close to inlet valve and during the filling
of water.
Empty run test data

24:3
Table 1
FOM 71 MP-Lab Estimated/
defined std
values
Estimated/
defined std
ranges
RRT2008
Average
value
Measured
value
16 IEC/CENELEC(Not Com-
pulsory)
IEC 60456 Cotton 60 Empty
run
Time:
Total program time Min,sec 78:00 2:00 78:24
Heating time cold - 20ºC Min,sec 1,00 0:30 0:54
Heating time 20ºC - 40ºC Min,sec 7:30 0:30 7:19
Heating time 40ºC - 60ºC Min,sec 8:15 0:30 8:25
Total mainwash time Min,sec 52:45 1:30 52:47
Filling time of water first fill Min,sec 1:45 0:15 1:43
Temperature:
Cold water inlet tempera-
ture
ºC 15.0 2.0 15.3
At end of heating to 40 ºC. ºC 40.0 1,0 40.1
At end of heating to 60 ºC ºC 60.0 1,0 60.3
At the end of mainwash ºC 55,0 2.0 56.2
Water:
Amount of water in main-
wash
Litre 26.0 0,5 26.0
Amount of water in rinse 1 Litre 18,0 0,5 18.0
Amount of water in rinse 2 Litre 18,0 0,5 18.1
Amount of water in rinse 3 Litre 18,0 0,5 18.1
Amount of water in rinse 4 Litre 18,0 0,5 18.1
Total amount Litre 98.0 2.5 98.2
Energy:
Total energy consumption kWh 1,800 0,150 1.830
Voltage:
Line voltage during the test V 230 4 231
Ambient temperature:
Room temperature close to
machine
ºC 23.0 2 23.2
Empty run test data

25:1
Wascator FOM 71 MP-Lab Program description for IEC 60456 Ed5
IEC 60456 Ed5 Cotton 85ºC (Wascator FOM 71 MP-Lab
NOTE: For full program description see Chapter 26.
Sequence Water Supply
(litre)
Action during
heating
Normal/Gentle
Action during
wash
Normal/Gentle
Heating
Yes/No
Temperature
(ºC)
Time at
temperature
(Min)
Rinse/Drain/Spin
time(Min)
Mainwash 1 26 N N Y 20 1:00
Mainwash 2 N 20 0:30
Mainwash 3 N N 20 1:00
Mainwash 4 N 20 0:30
Mainwash 5 N N Y 40 1:00
Mainwash 6 N N 14:00
Mainwash 7 N N Y 85 1:00
Mainwash 8 N N 14:00
Drain 1 N 1:00
Rinse 1 18 N 3:00
Drain 2 N 1:00
Rinse 2 18 N 3:00
Drain 3 N 1:00
Rinse 3 18 N 2:00
Drain 4 N 1:00
Rinse 4 18 N 2:00
Drain 5 N 1:00
Spin 1 5:00
Program description for IEC 60456 Ed5

25:2
IEC 60456 Ed5 Cotton 60ºC (Wascator FOM 71 MP-Lab)
NOTE: For full program description see Chapter 26.
Sequence Water Supply
(litre)
Action during
heating
Normal/Gentle
Action during
wash
Normal/Gentle
Heating
Yes/No
Temperature
(ºC)
Time at
temperature
(Min)
Rinse/Drain/Spin
time(Min)
Mainwash 1 26 N N Y 20 1:00
Mainwash 2 N 20 0:30
Mainwash 3 N N 20 1:00
Mainwash 4 N 20 0:30
Mainwash 5 N N Y 40 1:00
Mainwash 6 N N 14:00
Mainwash 7 N N Y 60 1:00
Mainwash 8 N N 14:00
Drain 1 N 1:00
Rinse 1 18 N 3:00
Drain 2 N 1:00
Rinse 2 18 N 3:00
Drain 3 N 1:00
Rinse 3 18 N 2:00
Drain 4 N 1:00
Rinse 4 18 N 2:00
Drain 5 N 1:00
Spin 1 5:00
Program description for IEC 60456 Ed5

25:3
IEC 60456 Ed5 Cotton 40ºC (Wascator FOM 71 CLS)
NOTE: For full program description see Chapter 26.
Sequence Water Supply
(litre)
Action during
heating
Normal/Gentle
Action during
wash
Normal/Gentle
Heating
Yes/No
Temperature
(ºC)
Time at
temperature
(Min)
Rinse/Drain/Spin
time(Min)
Mainwash 1 26 N N Y 20 1:00
Mainwash 2 N 20 0:30
Mainwash 3 N N 20 1:00
Mainwash 4 N 20 0:30
Mainwash 5 N N Y 40 1:00
Mainwash 6 N N 14:00
Drain 1 N 1:00
Rinse 1 18 N 3:00
Drain 2 N 1:00
Rinse 2 18 N 3:00
Drain 3 N 1:00
Rinse 3 18 N 2:00
Drain 4 N 1:00
Rinse 4 18 N 2:00
Drain 5 N 1:00
Spin 1 5:00
Program description for IEC 60456 Ed5

25:4
IEC 60456 Ed5 Synthetics/Blends 60ºC (Wascator FOM 71 Mp-Lab)
NOTE: For full program description see Chapter 26.
Sequence Water Supply
(litre)
Action during
heating
Normal/Gentle
Action during
wash
Normal/Gentle
Heating
Yes/No
Temperature
(ºC)
Time at
temperature
(Min)
Rinse/Drain/Spin
time(Min)
Mainwash 1 22 N N Y 20 1:00
Mainwash 2 N 20 0:30
Mainwash 3 N N 20 1:00
Mainwash 4 N 20 0:30
Mainwash 5 N N Y 40 1:00
Mainwash 6 N N 14:00
Mainwash 7 N N Y 60 1:00
Mainwash 8 N N 14:00
Mainwash 9
(Cool Down)
4 N N 2:00
Drain 1 N 1:00
Rinse 1 22 N 3:00
Drain 2 N 1:00
Rinse 2 22 N 3:00
Drain 3 N 1:00
Rinse 3 22 N 2:00
Drain 4 N 1:00
Spin 1 2:00
Program description for IEC 60456 Ed5

25:5
IEC 60456 Ed5 Synthetics/Blends 40ºC (Wascator FOM 71 Mp-Lab)
NOTE: For full program description see Chapter 26.
Sequence Water Supply
(litre)
Action during
heating
Normal/Gentle
Action during
wash
Normal/Gentle
Heating
Yes/No
Temperature
(ºC)
Time at
temperature
(Min)
Rinse/Drain/Spin
time(Min)
Mainwash 1 22 N N Y 20 1:00
Mainwash 2 N 20 0:30
Mainwash 3 N N 20 1:00
Mainwash 4 N 20 0:30
Mainwash 5 N N Y 40 1:00
Mainwash 6 N N 14:00
Drain 1 N 1:00
Rinse 1 22 N 3:00
Drain 2 N 1:00
Rinse 2 22 N 3:00
Drain 3 N 1:00
Rinse 3 22 N 2:00
Drain 4 N 1:00
Spin 1 2:00
Program description for IEC 60456 Ed5

25:6
IEC 60456 Ed5 Wool 40ºC (Wascator FOM 71 Mp-Lab)
NOTE: For full program description see Chapter 26.
Sequence Water Supply
(litre)
Action during
heating
Normal/Gentle
Action during
wash
Normal/Gentle
Heating
Yes/No
Temperature
(ºC)
Time at
temperature
(Min)
Rinse/Drain/Spin
time(Min)
Mainwash 1 26 G G Y 20 0:30
Mainwash 2 Y 40 0:30
Mainwash 3 G N 40 3:00
Drain 1 G 1:00
Rinse 1 26 G 3:00
Drain 2 G 1:00
Rinse 2 26 G 3:00
Drain 3 G 1:00
Spin 1 1:00
Rinse 3 26 G 2:00
Drain 4 G 1:00
Spin 2 6:00
Program description for IEC 60456 Ed5

25:7
IEC 60456 Ed5 Cotton 30ºC (Wascator FOM 71 Mp-Lab)
NOTE: For full program description see Chapter 26.
Sequence Water Supply
(litre)
Action during
heating
Normal/Gentle
Action during
wash
Normal/Gentle
Heating
Yes/No
Temperature
(ºC)
Time at
temperature
(Min)
Rinse/Drain/Spin
time(Min)
Mainwash 1 26 N N Y 20 1:00
Mainwash 2 N 20 0:30
Mainwash 3 N N 20 1:00
Mainwash 4 N 20 0:30
Mainwash 5 N N Y 30 1:00
Mainwash 6 N N 17:00
Drain 1 N 1:00
Rinse 1 18 N 3:00
Drain 2 N 1:00
Rinse 2 18 N 3:00
Drain 3 N 1:00
Rinse 3 18 N 2:00
Drain 4 N 1:00
Spin 1 5:00
Program description for IEC 60456 Ed5

25:8
IEC 60456 Ed5 Cotton 20ºC (Wascator FOM 71 MP-Lab)
NOTE: For full program description see Chapter 26.
Sequence Water Supply
(litre)
Action during
heating
Normal/Gentle
Action during
wash
Normal/Gentle
Heating
Yes/No
Temperature
(ºC)
Time at
temperature
(Min)
Rinse/Drain/Spin
time(Min)
Mainwash 1 26 N N Y 20 1:00
Mainwash 2 N 20 0:30
Mainwash 3 N N 20 1:00
Mainwash 4 N 20 0:30
Mainwash 5 N N 20 1:00
Mainwash 6 N N 7:00
Drain 1 N 1:00
Rinse 1 18 N 3:00
Drain 2 N 1:00
Rinse 2 18 N 3:00
Drain 3 N 1:00
Rinse 3 18 N 2:00
Drain 4 N 1:00
Spin 1 5:00
Program description for IEC 60456 Ed5

26:1
FOM 71 MP-Lab
Reference Programming IEC 60456 Ed5
COTTON 85
MAINWASH 1
PAUSE WITH BUZZER Y/N N
NORMAL ACTION DURING FILLING Y/N N
GENTLE ACTION DURING FILLING Y/N N
NORMAL ACTION DURING HEATING Y/N Y
GENTLE ACTION DURING HEATING Y/N N
NORMAL ACTION DURING WASH Y/N Y
GENTLE ACTION DURING WASH Y/N N
LEVEL ... UNITS 31
HYSTERESES ... UNITS 255
TEMPERATURE...°C 20
WASH TIME ... MIN ... SEC 1 MIN
COLD WATER Y/N Y
HOT WATER Y/N N
COLD HARD WATER Y/N Y
COMP 1 (LEVEL CONTROLLED) Y/N N
COMP 2 (LEVEL CONTROLLED) Y/N Y
COMP 3 (LEVEL CONTROLLED) Y/N N
COMP 2 HOT (LEVEL CONTROLLED) Y/N N
SOAP DISPENSER N
DETERGENT 1 TIME ... MIN ... SEC 0
DETERGENT 2 TIME ... MIN ... SEC 0
DETERGENT 3 TIME ... MIN ... SEC 0
DETERGENT 4 TIME ... MIN ... SEC 0
DETERGENT 5 TIME ... MIN ... SEC 0
MAINWASH 2
PAUSE WITH BUZZER Y/N N
NORMAL ACTION DURING FILLING Y/N N
GENTLE ACTION DURING FILLING Y/N N
NORMAL ACTION DURING HEATING Y/N N
GENTLE ACTION DURING HEATING Y/N N
NORMAL ACTION DURING WASH Y/N N
GENTLE ACTION DURING WASH Y/N N
LEVEL ... UNITS 31
HYSTERESES ... UNITS 255
TEMPERATURE...°C 20
WASH TIME ... MIN ... SEC 30 SEC
COLD WATER Y/N N
IEC 60456 Ed5 Cotton 85

26:2
HOT WATER Y/N N
COLD HARD WATER Y/N N
COMP 1 (LEVEL CONTROLLED) Y/N N
COMP 2 (LEVEL CONTROLLED) Y/N N
COMP 3 (LEVEL CONTROLLED) Y/N N
COMP 2 HOT (LEVEL CONTROLLED) Y/N N
SOAP DISPENSER N
DETERGENT 1 TIME ... MIN ... SEC 0
DETERGENT 2 TIME ... MIN ... SEC 0
DETERGENT 3 TIME ... MIN ... SEC 0
DETERGENT 4 TIME ... MIN ... SEC 0
DETERGENT 5 TIME ... MIN ... SEC 0
MAINWASH 3
PAUSE WITH BUZZER Y/N N
NORMAL ACTION DURING FILLING Y/N N
GENTLE ACTION DURING FILLING Y/N N
NORMAL ACTION DURING HEATING Y/N Y
GENTLE ACTION DURING HEATING Y/N N
NORMAL ACTION DURING WASH Y/N Y
GENTLE ACTION DURING WASH Y/N N
LEVEL ... UNITS 31
HYSTERESES ... UNITS 255
TEMPERATURE...°C 20
WASH TIME ... MIN ... SEC 1 MIN
COLD WATER Y/N N
HOT WATER Y/N N
COLD HARD WATER Y/N N
COMP 1 (LEVEL CONTROLLED) Y/N N
COMP 2 (LEVEL CONTROLLED) Y/N N
COMP 3 (LEVEL CONTROLLED) Y/N N
COMP 2 HOT (LEVEL CONTROLLED) Y/N N
SOAP DISPENSER N
DETERGENT 1 TIME ... MIN ... SEC 0
DETERGENT 2 TIME ... MIN ... SEC 0
DETERGENT 3 TIME ... MIN ... SEC 0
DETERGENT 4 TIME ... MIN ... SEC 0
DETERGENT 5 TIME ... MIN ... SEC 0
MAINWASH 4
PAUSE WITH BUZZER Y/N N
NORMAL ACTION DURING FILLING Y/N N
GENTLE ACTION DURING FILLING Y/N N
NORMAL ACTION DURING HEATING Y/N N
GENTLE ACTION DURING HEATING Y/N N
IEC 60456 Ed5 Cotton 85

26:3
NORMAL ACTION DURING WASH Y/N N
GENTLE ACTION DURING WASH Y/N N
LEVEL ... UNITS 31
HYSTERESES ... UNITS 255
TEMPERATURE...°C 20
WASH TIME ... MIN ... SEC 30 SEC
COLD WATER Y/N N
HOT WATER Y/N N
COLD HARD WATER Y/N N
COMP 1 (LEVEL CONTROLLED) Y/N N
COMP 2 (LEVEL CONTROLLED) Y/N N
COMP 3 (LEVEL CONTROLLED) Y/N N
COMP 2 HOT (LEVEL CONTROLLED) Y/N N
SOAP DISPENSER N
DETERGENT 1 TIME ... MIN ... SEC 0
DETERGENT 2 TIME ... MIN ... SEC 0
DETERGENT 3 TIME ... MIN ... SEC 0
DETERGENT 4 TIME ... MIN ... SEC 0
DETERGENT 5 TIME ... MIN ... SEC 0
MAINWASH 5
PAUSE WITH BUZZER Y/N N
NORMAL ACTION DURING FILLING Y/N N
GENTLE ACTION DURING FILLING Y/N N
NORMAL ACTION DURING HEATING Y/N Y
GENTLE ACTION DURING HEATING Y/N N
NORMAL ACTION DURING WASH Y/N Y
GENTLE ACTION DURING WASH Y/N N
LEVEL ... UNITS 31
HYSTERESES ... UNITS 255
TEMPERATURE...°C 40
WASH TIME ... MIN ... SEC 1 MIN
COLD WATER Y/N N
HOT WATER Y/N N
COLD HARD WATER Y/N N
COMP 1 (LEVEL CONTROLLED) Y/N N
COMP 2 (LEVEL CONTROLLED) Y/N N
COMP 3 (LEVEL CONTROLLED) Y/N N
COMP 2 HOT (LEVEL CONTROLLED) Y/N N
SOAP DISPENSER N
DETERGENT 1 TIME ... MIN ... SEC 0
DETERGENT 2 TIME ... MIN ... SEC 0
DETERGENT 3 TIME ... MIN ... SEC 0
DETERGENT 4 TIME ... MIN ... SEC 0
DETERGENT 5 TIME ... MIN ... SEC 0
IEC 60456 Ed5 Cotton 85

26:4
MAINWASH 6
PAUSE WITH BUZZER Y/N N
NORMAL ACTION DURING FILLING Y/N N
GENTLE ACTION DURING FILLING Y/N N
NORMAL ACTION DURING HEATING Y/N Y
GENTLE ACTION DURING HEATING Y/N N
NORMAL ACTION DURING WASH Y/N Y
GENTLE ACTION DURING WASH Y/N N
LEVEL ... UNITS 31
HYSTERESES ... UNITS 255
TEMPERATURE...°C 30
WASH TIME ... MIN ... SEC 14 MIN
COLD WATER Y/N N
HOT WATER Y/N N
COLD HARD WATER Y/N N
COMP 1 (LEVEL CONTROLLED) Y/N N
COMP 2 (LEVEL CONTROLLED) Y/N N
COMP 3 (LEVEL CONTROLLED) Y/N N
COMP 2 HOT (LEVEL CONTROLLED) Y/N N
SOAP DISPENSER N
DETERGENT 1 TIME ... MIN ... SEC 0
DETERGENT 2 TIME ... MIN ... SEC 0
DETERGENT 3 TIME ... MIN ... SEC 0
DETERGENT 4 TIME ... MIN ... SEC 0
DETERGENT 5 TIME ... MIN ... SEC 0
MAINWASH 7
PAUSE WITH BUZZER Y/N N
NORMAL ACTION DURING FILLING Y/N N
GENTLE ACTION DURING FILLING Y/N N
NORMAL ACTION DURING HEATING Y/N Y
GENTLE ACTION DURING HEATING Y/N N
NORMAL ACTION DURING WASH Y/N Y
GENTLE ACTION DURING WASH Y/N N
LEVEL ... UNITS 31
HYSTERESES ... UNITS 255
TEMPERATURE...°C 85
WASH TIME ... MIN ... SEC 1 MIN
COLD WATER Y/N N
HOT WATER Y/N N
COLD HARD WATER Y/N N
COMP 1 (LEVEL CONTROLLED) Y/N N
COMP 2 (LEVEL CONTROLLED) Y/N N
COMP 3 (LEVEL CONTROLLED) Y/N N
COMP 2 HOT (LEVEL CONTROLLED) Y/N N
IEC 60456 Ed5 Cotton 85

26:5
SOAP DISPENSER N
DETERGENT 1 TIME ... MIN ... SEC 0
DETERGENT 2 TIME ... MIN ... SEC 0
DETERGENT 3 TIME ... MIN ... SEC 0
DETERGENT 4 TIME ... MIN ... SEC 0
DETERGENT 5 TIME ... MIN ... SEC 0
DETERGENT 5 TIME ... MIN ... SEC 0
MAINWASH 8
PAUSE WITH BUZZER Y/N N
NORMAL ACTION DURING FILLING Y/N N
GENTLE ACTION DURING FILLING Y/N N
NORMAL ACTION DURING HEATING Y/N Y
GENTLE ACTION DURING HEATING Y/N N
NORMAL ACTION DURING WASH Y/N Y
GENTLE ACTION DURING WASH Y/N N
LEVEL ... UNITS 31
HYSTERESES ... UNITS 255
TEMPERATURE...°C 30
WASH TIME ... MIN ... SEC 14 MIN
COLD WATER Y/N N
HOT WATER Y/N N
COLD HARD WATER Y/N N
COMP 1 (LEVEL CONTROLLED) Y/N N
COMP 2 (LEVEL CONTROLLED) Y/N N
COMP 3 (LEVEL CONTROLLED) Y/N N
COMP 2 HOT (LEVEL CONTROLLED) Y/N N
SOAP DISPENSER N
DETERGENT 1 TIME ... MIN ... SEC 0
DETERGENT 2 TIME ... MIN ... SEC 0
DETERGENT 3 TIME ... MIN ... SEC 0
DETERGENT 4 TIME ... MIN ... SEC 0
DETERGENT 5 TIME ... MIN ... SEC 0
DRAIN 1
PAUSE WITH BUZZER Y/N N
NORMAL ACTION Y/N Y
GENTLE ACTION Y/N N
TIME ... MIN ... SEC 1 MIN
RINSE 1
PAUSE WITH BUZZER Y/N N
NORMAL ACTION DURING FILLING Y/N N
GENTLE ACTION DURING FILLING Y/N N
NORMAL ACTION DURING HEATING Y/N Y
IEC 60456 Ed5 Cotton 85

26:6
GENTLE ACTION DURING HEATING Y/N N
NORMAL ACTION DURING WASH Y/N Y
GENTLE ACTION DURING WASH Y/N N
LEVEL ... UNITS 31
HYSTERESES ... UNITS 255
TEMPERATURE...°C 0
WASH TIME ... MIN ... SEC 3 MIN
COLD WATER Y/N N
HOT WATER Y/N Y
COLD HARD WATER Y/N Y
COMP 1 (LEVEL CONTROLLED) Y/N N
COMP 2 (LEVEL CONTROLLED) Y/N N
COMP 3 (LEVEL CONTROLLED) Y/N N
COMP 2 HOT (LEVEL CONTROLLED) Y/N N
SOAP DISPENSER N
DETERGENT 1 TIME ... MIN ... SEC 0
DETERGENT 2 TIME ... MIN ... SEC 0
DETERGENT 3 TIME ... MIN ... SEC 0
DETERGENT 4 TIME ... MIN ... SEC 0
DETERGENT 5 TIME ... MIN ... SEC 0
DRAIN 2
PAUSE WITH BUZZER Y/N N
NORMAL ACTION Y/N Y
GENTLE ACTION Y/N N
TIME ... MIN ... SEC 1 MIN
RINSE 2
PAUSE WITH BUZZER Y/N N
NORMAL ACTION DURING FILLING Y/N N
GENTLE ACTION DURING FILLING Y/N N
NORMAL ACTION DURING HEATING Y/N Y
GENTLE ACTION DURING HEATING Y/N N
NORMAL ACTION DURING WASH Y/N Y
GENTLE ACTION DURING WASH Y/N N
LEVEL ... UNITS 31
HYSTERESES ... UNITS 255
TEMPERATURE...°C 0
WASH TIME ... MIN ... SEC 3 MIN
COLD WATER Y/N N
HOT WATER Y/N Y
COLD HARD WATER Y/N Y
COMP 1 (LEVEL CONTROLLED) Y/N N
COMP 2 (LEVEL CONTROLLED) Y/N N
COMP 3 (LEVEL CONTROLLED) Y/N N
IEC 60456 Ed5 Cotton 85

26:7
COMP 2 HOT (LEVEL CONTROLLED) Y/N N
SOAP DISPENSER N
DETERGENT 1 TIME ... MIN ... SEC 0
DETERGENT 2 TIME ... MIN ... SEC 0
DETERGENT 3 TIME ... MIN ... SEC 0
DETERGENT 4 TIME ... MIN ... SEC 0
DETERGENT 5 TIME ... MIN ... SEC 0
DRAIN 3
PAUSE WITH BUZZER Y/N N
NORMAL ACTION Y/N Y
GENTLE ACTION Y/N N
TIME ... MIN ... SEC 1 MIN
RINSE 3
PAUSE WITH BUZZER Y/N N
NORMAL ACTION DURING FILLING Y/N N
GENTLE ACTION DURING FILLING Y/N N
NORMAL ACTION DURING HEATING Y/N Y
GENTLE ACTION DURING HEATING Y/N N
NORMAL ACTION DURING WASH Y/N Y
GENTLE ACTION DURING WASH Y/N N
LEVEL ... UNITS 31
HYSTERESES ... UNITS 255
TEMPERATURE...°C 0
WASH TIME ... MIN ... SEC 2 MIN
COLD WATER Y/N N
HOT WATER Y/N Y
COLD HARD WATER Y/N Y
COMP 1 (LEVEL CONTROLLED) Y/N N
COMP 2 (LEVEL CONTROLLED) Y/N N
COMP 3 (LEVEL CONTROLLED) Y/N N
COMP 2 HOT (LEVEL CONTROLLED) Y/N N
SOAP DISPENSER N
DETERGENT 1 TIME ... MIN ... SEC 0
DETERGENT 2 TIME ... MIN ... SEC 0
DETERGENT 3 TIME ... MIN ... SEC 0
DETERGENT 4 TIME ... MIN ... SEC 0
DETERGENT 5 TIME ... MIN ... SEC 0
DRAIN 4
PAUSE WITH BUZZER Y/N N
NORMAL ACTION Y/N Y
GENTLE ACTION Y/N N
TIME ... MIN ... SEC 1 MIN
IEC 60456 Ed5 Cotton 85

26:8
RINSE 4
PAUSE WITH BUZZER Y/N N
NORMAL ACTION DURING FILLING Y/N N
GENTLE ACTION DURING FILLING Y/N N
NORMAL ACTION DURING HEATING Y/N Y
GENTLE ACTION DURING HEATING Y/N N
NORMAL ACTION DURING WASH Y/N Y
GENTLE ACTION DURING WASH Y/N N
LEVEL ... UNITS 31
HYSTERESES ... UNITS 255
TEMPERATURE...°C 0
WASH TIME ... MIN ... SEC 2 MIN
COLD WATER Y/N N
HOT WATER Y/N Y
COLD HARD WATER Y/N Y
COMP 1 (LEVEL CONTROLLED) Y/N N
COMP 2 (LEVEL CONTROLLED) Y/N N
COMP 3 (LEVEL CONTROLLED) Y/N N
COMP 2 HOT (LEVEL CONTROLLED) Y/N N
SOAP DISPENSER N
DETERGENT 1 TIME ... MIN ... SEC 0
DETERGENT 2 TIME ... MIN ... SEC 0
DETERGENT 3 TIME ... MIN ... SEC 0
DETERGENT 4 TIME ... MIN ... SEC 0
DETERGENT 5 TIME ... MIN ... SEC 0
DRAIN 5
PAUSE WITH BUZZER Y/N N
NORMAL ACTION Y/N Y
GENTLE ACTION Y/N N
TIME ... MIN ... SEC 1 MIN
EXTRACT
SPINNING ... MIN ... SEC 5 MIN
MAIN DATA
BUZZER ON WHEN PROGRAM FINISHED Y/N Y
GENTLE ACTION ON TIME … SEC 3
GENTLE ACTION OFF TIME … SEC 12
NORMAL ACTION ON TIME … SEC 12
NORMAL ACTION OFF TIME … SEC 3
IEC 60456 Ed5 Cotton 85

26:9
COTTON 60
MAINWASH 1
PAUSE WITH BUZZER Y/N N
NORMAL ACTION DURING FILLING Y/N N
GENTLE ACTION DURING FILLING Y/N N
NORMAL ACTION DURING HEATING Y/N Y
GENTLE ACTION DURING HEATING Y/N N
NORMAL ACTION DURING WASH Y/N Y
GENTLE ACTION DURING WASH Y/N N
LEVEL ... UNITS 31
HYSTERESES ... UNITS 255
TEMPERATURE...°C 20
WASH TIME ... MIN ... SEC 1 MIN
COLD WATER Y/N Y
HOT WATER Y/N N
COLD HARD WATER Y/N Y
COMP 1 (LEVEL CONTROLLED) Y/N N
COMP 2 (LEVEL CONTROLLED) Y/N Y
COMP 3 (LEVEL CONTROLLED) Y/N N
COMP 2 HOT (LEVEL CONTROLLED) Y/N N
SOAP DISPENSER N
DETERGENT 1 TIME ... MIN ... SEC 0
DETERGENT 2 TIME ... MIN ... SEC 0
DETERGENT 3 TIME ... MIN ... SEC 0
DETERGENT 4 TIME ... MIN ... SEC 0
DETERGENT 5 TIME ... MIN ... SEC 0
MAINWASH 2
PAUSE WITH BUZZER Y/N N
NORMAL ACTION DURING FILLING Y/N N
GENTLE ACTION DURING FILLING Y/N N
NORMAL ACTION DURING HEATING Y/N N
GENTLE ACTION DURING HEATING Y/N N
NORMAL ACTION DURING WASH Y/N N
GENTLE ACTION DURING WASH Y/N N
LEVEL ... UNITS 31
HYSTERESES ... UNITS 255
TEMPERATURE...°C 20
WASH TIME ... MIN ... SEC 30 SEC
COLD WATER Y/N N
HOT WATER Y/N N
COLD HARD WATER Y/N N
COMP 1 (LEVEL CONTROLLED) Y/N N
IEC 60456 Ed5 Cotton 60

26:10
COMP 2 (LEVEL CONTROLLED) Y/N N
COMP 3 (LEVEL CONTROLLED) Y/N N
COMP 2 HOT (LEVEL CONTROLLED) Y/N N
SOAP DISPENSER N
DETERGENT 1 TIME ... MIN ... SEC 0
DETERGENT 2 TIME ... MIN ... SEC 0
DETERGENT 3 TIME ... MIN ... SEC 0
DETERGENT 4 TIME ... MIN ... SEC 0
DETERGENT 5 TIME ... MIN ... SEC 0
MAINWASH 3
PAUSE WITH BUZZER Y/N N
NORMAL ACTION DURING FILLING Y/N N
GENTLE ACTION DURING FILLING Y/N N
NORMAL ACTION DURING HEATING Y/N Y
GENTLE ACTION DURING HEATING Y/N N
NORMAL ACTION DURING WASH Y/N Y
GENTLE ACTION DURING WASH Y/N N
LEVEL ... UNITS 31
HYSTERESES ... UNITS 255
TEMPERATURE...°C 20
WASH TIME ... MIN ... SEC 1 MIN
COLD WATER Y/N N
HOT WATER Y/N N
COLD HARD WATER Y/N N
COMP 1 (LEVEL CONTROLLED) Y/N N
COMP 2 (LEVEL CONTROLLED) Y/N N
COMP 3 (LEVEL CONTROLLED) Y/N N
COMP 2 HOT (LEVEL CONTROLLED) Y/N N
SOAP DISPENSER N
DETERGENT 1 TIME ... MIN ... SEC 0
DETERGENT 2 TIME ... MIN ... SEC 0
DETERGENT 3 TIME ... MIN ... SEC 0
DETERGENT 4 TIME ... MIN ... SEC 0
DETERGENT 5 TIME ... MIN ... SEC 0
MAINWASH 4
PAUSE WITH BUZZER Y/N N
NORMAL ACTION DURING FILLING Y/N N
GENTLE ACTION DURING FILLING Y/N N
NORMAL ACTION DURING HEATING Y/N N
GENTLE ACTION DURING HEATING Y/N N
NORMAL ACTION DURING WASH Y/N N
GENTLE ACTION DURING WASH Y/N N
LEVEL ... UNITS 31
IEC 60456 Ed5 Cotton 60

26:11
HYSTERESES ... UNITS 255
TEMPERATURE...°C 20
WASH TIME ... MIN ... SEC 30 SEC
COLD WATER Y/N N
HOT WATER Y/N N
COLD HARD WATER Y/N N
COMP 1 (LEVEL CONTROLLED) Y/N N
COMP 2 (LEVEL CONTROLLED) Y/N N
COMP 3 (LEVEL CONTROLLED) Y/N N
COMP 2 HOT (LEVEL CONTROLLED) Y/N N
SOAP DISPENSER N
DETERGENT 1 TIME ... MIN ... SEC 0
DETERGENT 2 TIME ... MIN ... SEC 0
DETERGENT 3 TIME ... MIN ... SEC 0
DETERGENT 4 TIME ... MIN ... SEC 0
DETERGENT 5 TIME ... MIN ... SEC 0
MAINWASH 5
PAUSE WITH BUZZER Y/N N
NORMAL ACTION DURING FILLING Y/N N
GENTLE ACTION DURING FILLING Y/N N
NORMAL ACTION DURING HEATING Y/N Y
GENTLE ACTION DURING HEATING Y/N N
NORMAL ACTION DURING WASH Y/N Y
GENTLE ACTION DURING WASH Y/N N
LEVEL ... UNITS 31
HYSTERESES ... UNITS 255
TEMPERATURE...°C 40
WASH TIME ... MIN ... SEC 1 MIN
COLD WATER Y/N N
HOT WATER Y/N N
COLD HARD WATER Y/N N
COMP 1 (LEVEL CONTROLLED) Y/N N
COMP 2 (LEVEL CONTROLLED) Y/N N
COMP 3 (LEVEL CONTROLLED) Y/N N
COMP 2 HOT (LEVEL CONTROLLED) Y/N N
SOAP DISPENSER N
DETERGENT 1 TIME ... MIN ... SEC 0
DETERGENT 2 TIME ... MIN ... SEC 0
DETERGENT 3 TIME ... MIN ... SEC 0
DETERGENT 4 TIME ... MIN ... SEC 0
DETERGENT 5 TIME ... MIN ... SEC 0
MAINWASH 6
PAUSE WITH BUZZER Y/N N
IEC 60456 Ed5 Cotton 60

26:12
NORMAL ACTION DURING FILLING Y/N N
GENTLE ACTION DURING FILLING Y/N N
NORMAL ACTION DURING HEATING Y/N Y
GENTLE ACTION DURING HEATING Y/N N
NORMAL ACTION DURING WASH Y/N Y
GENTLE ACTION DURING WASH Y/N N
LEVEL ... UNITS 31
HYSTERESES ... UNITS 255
TEMPERATURE...°C 30
WASH TIME ... MIN ... SEC 14 MIN
COLD WATER Y/N N
HOT WATER Y/N N
COLD HARD WATER Y/N N
COMP 1 (LEVEL CONTROLLED) Y/N N
COMP 2 (LEVEL CONTROLLED) Y/N N
COMP 3 (LEVEL CONTROLLED) Y/N N
COMP 2 HOT (LEVEL CONTROLLED) Y/N N
SOAP DISPENSER N
DETERGENT 1 TIME ... MIN ... SEC 0
DETERGENT 2 TIME ... MIN ... SEC 0
DETERGENT 3 TIME ... MIN ... SEC 0
DETERGENT 4 TIME ... MIN ... SEC 0
DETERGENT 5 TIME ... MIN ... SEC 0
MAINWASH 7
PAUSE WITH BUZZER Y/N N
NORMAL ACTION DURING FILLING Y/N N
GENTLE ACTION DURING FILLING Y/N N
NORMAL ACTION DURING HEATING Y/N Y
GENTLE ACTION DURING HEATING Y/N N
NORMAL ACTION DURING WASH Y/N Y
GENTLE ACTION DURING WASH Y/N N
LEVEL ... UNITS 31
HYSTERESES ... UNITS 255
TEMPERATURE...°C 60
WASH TIME ... MIN ... SEC 1 MIN
COLD WATER Y/N N
HOT WATER Y/N N
COLD HARD WATER Y/N N
COMP 1 (LEVEL CONTROLLED) Y/N N
COMP 2 (LEVEL CONTROLLED) Y/N N
COMP 3 (LEVEL CONTROLLED) Y/N N
COMP 2 HOT (LEVEL CONTROLLED) Y/N N
SOAP DISPENSER N
DETERGENT 1 TIME ... MIN ... SEC 0
IEC 60456 Ed5 Cotton 60

26:13
DETERGENT 2 TIME ... MIN ... SEC 0
DETERGENT 3 TIME ... MIN ... SEC 0
DETERGENT 4 TIME ... MIN ... SEC 0
DETERGENT 5 TIME ... MIN ... SEC 0
DETERGENT 5 TIME ... MIN ... SEC 0
MAINWASH 8
PAUSE WITH BUZZER Y/N N
NORMAL ACTION DURING FILLING Y/N N
GENTLE ACTION DURING FILLING Y/N N
NORMAL ACTION DURING HEATING Y/N Y
GENTLE ACTION DURING HEATING Y/N N
NORMAL ACTION DURING WASH Y/N Y
GENTLE ACTION DURING WASH Y/N N
LEVEL ... UNITS 31
HYSTERESES ... UNITS 255
TEMPERATURE...°C 30
WASH TIME ... MIN ... SEC 14 MIN
COLD WATER Y/N N
HOT WATER Y/N N
COLD HARD WATER Y/N N
COMP 1 (LEVEL CONTROLLED) Y/N N
COMP 2 (LEVEL CONTROLLED) Y/N N
COMP 3 (LEVEL CONTROLLED) Y/N N
COMP 2 HOT (LEVEL CONTROLLED) Y/N N
SOAP DISPENSER N
DETERGENT 1 TIME ... MIN ... SEC 0
DETERGENT 2 TIME ... MIN ... SEC 0
DETERGENT 3 TIME ... MIN ... SEC 0
DETERGENT 4 TIME ... MIN ... SEC 0
DETERGENT 5 TIME ... MIN ... SEC 0
DRAIN 1
PAUSE WITH BUZZER Y/N N
NORMAL ACTION Y/N Y
GENTLE ACTION Y/N N
TIME ... MIN ... SEC 1 MIN
RINSE 1
PAUSE WITH BUZZER Y/N N
NORMAL ACTION DURING FILLING Y/N N
GENTLE ACTION DURING FILLING Y/N N
NORMAL ACTION DURING HEATING Y/N Y
GENTLE ACTION DURING HEATING Y/N N
NORMAL ACTION DURING WASH Y/N Y
IEC 60456 Ed5 Cotton 60

26:14
GENTLE ACTION DURING WASH Y/N N
LEVEL ... UNITS 31
HYSTERESES ... UNITS 255
TEMPERATURE...°C 0
WASH TIME ... MIN ... SEC 3 MIN
COLD WATER Y/N N
HOT WATER Y/N Y
COLD HARD WATER Y/N Y
COMP 1 (LEVEL CONTROLLED) Y/N N
COMP 2 (LEVEL CONTROLLED) Y/N N
COMP 3 (LEVEL CONTROLLED) Y/N N
COMP 2 HOT (LEVEL CONTROLLED) Y/N N
SOAP DISPENSER N
DETERGENT 1 TIME ... MIN ... SEC 0
DETERGENT 2 TIME ... MIN ... SEC 0
DETERGENT 3 TIME ... MIN ... SEC 0
DETERGENT 4 TIME ... MIN ... SEC 0
DETERGENT 5 TIME ... MIN ... SEC 0
DRAIN 2
PAUSE WITH BUZZER Y/N N
NORMAL ACTION Y/N Y
GENTLE ACTION Y/N N
TIME ... MIN ... SEC 1 MIN
RINSE 2
PAUSE WITH BUZZER Y/N N
NORMAL ACTION DURING FILLING Y/N N
GENTLE ACTION DURING FILLING Y/N N
NORMAL ACTION DURING HEATING Y/N Y
GENTLE ACTION DURING HEATING Y/N N
NORMAL ACTION DURING WASH Y/N Y
GENTLE ACTION DURING WASH Y/N N
LEVEL ... UNITS 31
HYSTERESES ... UNITS 255
TEMPERATURE...°C 0
WASH TIME ... MIN ... SEC 3 MIN
COLD WATER Y/N N
HOT WATER Y/N Y
COLD HARD WATER Y/N Y
COMP 1 (LEVEL CONTROLLED) Y/N N
COMP 2 (LEVEL CONTROLLED) Y/N N
COMP 3 (LEVEL CONTROLLED) Y/N N
COMP 2 HOT (LEVEL CONTROLLED) Y/N N
SOAP DISPENSER N
IEC 60456 Ed5 Cotton 60

26:15
DETERGENT 1 TIME ... MIN ... SEC 0
DETERGENT 2 TIME ... MIN ... SEC 0
DETERGENT 3 TIME ... MIN ... SEC 0
DETERGENT 4 TIME ... MIN ... SEC 0
DETERGENT 5 TIME ... MIN ... SEC 0
DRAIN 3
PAUSE WITH BUZZER Y/N N
NORMAL ACTION Y/N Y
GENTLE ACTION Y/N N
TIME ... MIN ... SEC 1 MIN
RINSE 3
PAUSE WITH BUZZER Y/N N
NORMAL ACTION DURING FILLING Y/N N
GENTLE ACTION DURING FILLING Y/N N
NORMAL ACTION DURING HEATING Y/N Y
GENTLE ACTION DURING HEATING Y/N N
NORMAL ACTION DURING WASH Y/N Y
GENTLE ACTION DURING WASH Y/N N
LEVEL ... UNITS 31
HYSTERESES ... UNITS 255
TEMPERATURE...°C 0
WASH TIME ... MIN ... SEC 2 MIN
COLD WATER Y/N N
HOT WATER Y/N Y
COLD HARD WATER Y/N Y
COMP 1 (LEVEL CONTROLLED) Y/N N
COMP 2 (LEVEL CONTROLLED) Y/N N
COMP 3 (LEVEL CONTROLLED) Y/N N
COMP 2 HOT (LEVEL CONTROLLED) Y/N N
SOAP DISPENSER N
DETERGENT 1 TIME ... MIN ... SEC 0
DETERGENT 2 TIME ... MIN ... SEC 0
DETERGENT 3 TIME ... MIN ... SEC 0
DETERGENT 4 TIME ... MIN ... SEC 0
DETERGENT 5 TIME ... MIN ... SEC 0
DRAIN 4
PAUSE WITH BUZZER Y/N N
NORMAL ACTION Y/N Y
GENTLE ACTION Y/N N
TIME ... MIN ... SEC 1 MIN
IEC 60456 Ed5 Cotton 60

26:16
RINSE 4
PAUSE WITH BUZZER Y/N N
NORMAL ACTION DURING FILLING Y/N N
GENTLE ACTION DURING FILLING Y/N N
NORMAL ACTION DURING HEATING Y/N Y
GENTLE ACTION DURING HEATING Y/N N
NORMAL ACTION DURING WASH Y/N Y
GENTLE ACTION DURING WASH Y/N N
LEVEL ... UNITS 31
HYSTERESES ... UNITS 255
TEMPERATURE...°C 0
WASH TIME ... MIN ... SEC 2 MIN
COLD WATER Y/N N
HOT WATER Y/N Y
COLD HARD WATER Y/N Y
COMP 1 (LEVEL CONTROLLED) Y/N N
COMP 2 (LEVEL CONTROLLED) Y/N N
COMP 3 (LEVEL CONTROLLED) Y/N N
COMP 2 HOT (LEVEL CONTROLLED) Y/N N
SOAP DISPENSER N
DETERGENT 1 TIME ... MIN ... SEC 0
DETERGENT 2 TIME ... MIN ... SEC 0
DETERGENT 3 TIME ... MIN ... SEC 0
DETERGENT 4 TIME ... MIN ... SEC 0
DETERGENT 5 TIME ... MIN ... SEC 0
DRAIN 5
PAUSE WITH BUZZER Y/N N
NORMAL ACTION Y/N Y
GENTLE ACTION Y/N N
TIME ... MIN ... SEC 1 MIN
EXTRACT
SPINNING ... MIN ... SEC 5 MIN
MAIN DATA
BUZZER ON WHEN PROGRAM FINISHED Y/N Y
GENTLE ACTION ON TIME … SEC 3
GENTLE ACTION OFF TIME … SEC 12
NORMAL ACTION ON TIME … SEC 12
NORMAL ACTION OFF TIME … SEC 3
IEC 60456 Ed5 Cotton 60

26:17
COTTON 40
MAINWASH 1
PAUSE WITH BUZZER Y/N N
NORMAL ACTION DURING FILLING Y/N N
GENTLE ACTION DURING FILLING Y/N N
NORMAL ACTION DURING HEATING Y/N Y
GENTLE ACTION DURING HEATING Y/N N
NORMAL ACTION DURING WASH Y/N Y
GENTLE ACTION DURING WASH Y/N N
LEVEL ... UNITS 31
HYSTERESES ... UNITS 255
TEMPERATURE...°C 20
WASH TIME ... MIN ... SEC 1 MIN
COLD WATER Y/N Y
HOT WATER Y/N N
COLD HARD WATER Y/N Y
COMP 1 (LEVEL CONTROLLED) Y/N N
COMP 2 (LEVEL CONTROLLED) Y/N Y
COMP 3 (LEVEL CONTROLLED) Y/N N
COMP 2 HOT (LEVEL CONTROLLED) Y/N N
SOAP DISPENSER N
DETERGENT 1 TIME ... MIN ... SEC 0
DETERGENT 2 TIME ... MIN ... SEC 0
DETERGENT 3 TIME ... MIN ... SEC 0
DETERGENT 4 TIME ... MIN ... SEC 0
DETERGENT 5 TIME ... MIN ... SEC 0
MAINWASH 2
PAUSE WITH BUZZER Y/N N
NORMAL ACTION DURING FILLING Y/N N
GENTLE ACTION DURING FILLING Y/N N
NORMAL ACTION DURING HEATING Y/N N
GENTLE ACTION DURING HEATING Y/N N
NORMAL ACTION DURING WASH Y/N N
GENTLE ACTION DURING WASH Y/N N
LEVEL ... UNITS 31
HYSTERESES ... UNITS 255
TEMPERATURE...°C 20
WASH TIME ... MIN ... SEC 30 SEC
COLD WATER Y/N N
HOT WATER Y/N N
COLD HARD WATER Y/N N
COMP 1 (LEVEL CONTROLLED) Y/N N
COMP 2 (LEVEL CONTROLLED) Y/N N
IEC 60456 Ed5 Cotton 40

26:18
COMP 3 (LEVEL CONTROLLED) Y/N N
COMP 2 HOT (LEVEL CONTROLLED) Y/N N
SOAP DISPENSER N
DETERGENT 1 TIME ... MIN ... SEC 0
DETERGENT 2 TIME ... MIN ... SEC 0
DETERGENT 3 TIME ... MIN ... SEC 0
DETERGENT 4 TIME ... MIN ... SEC 0
DETERGENT 5 TIME ... MIN ... SEC 0
MAINWASH 3
PAUSE WITH BUZZER Y/N N
NORMAL ACTION DURING FILLING Y/N N
GENTLE ACTION DURING FILLING Y/N N
NORMAL ACTION DURING HEATING Y/N Y
GENTLE ACTION DURING HEATING Y/N N
NORMAL ACTION DURING WASH Y/N Y
GENTLE ACTION DURING WASH Y/N N
LEVEL ... UNITS 31
HYSTERESES ... UNITS 255
TEMPERATURE...°C 20
WASH TIME ... MIN ... SEC 1 MIN
COLD WATER Y/N N
HOT WATER Y/N N
COLD HARD WATER Y/N N
COMP 1 (LEVEL CONTROLLED) Y/N N
COMP 2 (LEVEL CONTROLLED) Y/N N
COMP 3 (LEVEL CONTROLLED) Y/N N
COMP 2 HOT (LEVEL CONTROLLED) Y/N N
SOAP DISPENSER N
DETERGENT 1 TIME ... MIN ... SEC 0
DETERGENT 2 TIME ... MIN ... SEC 0
DETERGENT 3 TIME ... MIN ... SEC 0
DETERGENT 4 TIME ... MIN ... SEC 0
DETERGENT 5 TIME ... MIN ... SEC 0
MAINWASH 4
PAUSE WITH BUZZER Y/N N
NORMAL ACTION DURING FILLING Y/N N
GENTLE ACTION DURING FILLING Y/N N
NORMAL ACTION DURING HEATING Y/N N
GENTLE ACTION DURING HEATING Y/N N
NORMAL ACTION DURING WASH Y/N N
GENTLE ACTION DURING WASH Y/N N
LEVEL ... UNITS 31
HYSTERESES ... UNITS 255
IEC 60456 Ed5 Cotton 40

26:19
TEMPERATURE...°C 20
WASH TIME ... MIN ... SEC 30 SEC
COLD WATER Y/N N
HOT WATER Y/N N
COLD HARD WATER Y/N N
COMP 1 (LEVEL CONTROLLED) Y/N N
COMP 2 (LEVEL CONTROLLED) Y/N N
COMP 3 (LEVEL CONTROLLED) Y/N N
COMP 2 HOT (LEVEL CONTROLLED) Y/N N
SOAP DISPENSER N
DETERGENT 1 TIME ... MIN ... SEC 0
DETERGENT 2 TIME ... MIN ... SEC 0
DETERGENT 3 TIME ... MIN ... SEC 0
DETERGENT 4 TIME ... MIN ... SEC 0
DETERGENT 5 TIME ... MIN ... SEC 0
MAINWASH 5
PAUSE WITH BUZZER Y/N N
NORMAL ACTION DURING FILLING Y/N N
GENTLE ACTION DURING FILLING Y/N N
NORMAL ACTION DURING HEATING Y/N Y
GENTLE ACTION DURING HEATING Y/N N
NORMAL ACTION DURING WASH Y/N Y
GENTLE ACTION DURING WASH Y/N N
LEVEL ... UNITS 31
HYSTERESES ... UNITS 255
TEMPERATURE...°C 40
WASH TIME ... MIN ... SEC 1 MIN
COLD WATER Y/N N
HOT WATER Y/N N
COLD HARD WATER Y/N N
COMP 1 (LEVEL CONTROLLED) Y/N N
COMP 2 (LEVEL CONTROLLED) Y/N N
COMP 3 (LEVEL CONTROLLED) Y/N N
COMP 2 HOT (LEVEL CONTROLLED) Y/N N
SOAP DISPENSER N
DETERGENT 1 TIME ... MIN ... SEC 0
DETERGENT 2 TIME ... MIN ... SEC 0
DETERGENT 3 TIME ... MIN ... SEC 0
DETERGENT 4 TIME ... MIN ... SEC 0
DETERGENT 5 TIME ... MIN ... SEC 0
MAINWASH 6
PAUSE WITH BUZZER Y/N N
NORMAL ACTION DURING FILLING Y/N N
IEC 60456 Ed5 Cotton 40

26:20
GENTLE ACTION DURING FILLING Y/N N
NORMAL ACTION DURING HEATING Y/N Y
GENTLE ACTION DURING HEATING Y/N N
NORMAL ACTION DURING WASH Y/N Y
GENTLE ACTION DURING WASH Y/N N
LEVEL ... UNITS 31
HYSTERESES ... UNITS 255
TEMPERATURE...°C 30
WASH TIME ... MIN ... SEC 14 MIN
COLD WATER Y/N N
HOT WATER Y/N N
COLD HARD WATER Y/N N
COMP 1 (LEVEL CONTROLLED) Y/N N
COMP 2 (LEVEL CONTROLLED) Y/N N
COMP 3 (LEVEL CONTROLLED) Y/N N
COMP 2 HOT (LEVEL CONTROLLED) Y/N N
SOAP DISPENSER N
DETERGENT 1 TIME ... MIN ... SEC 0
DETERGENT 2 TIME ... MIN ... SEC 0
DETERGENT 3 TIME ... MIN ... SEC 0
DETERGENT 4 TIME ... MIN ... SEC 0
DETERGENT 5 TIME ... MIN ... SEC 0
DRAIN 1
PAUSE WITH BUZZER Y/N N
NORMAL ACTION Y/N Y
GENTLE ACTION Y/N N
TIME ... MIN ... SEC 1 MIN
RINSE 1
PAUSE WITH BUZZER Y/N N
NORMAL ACTION DURING FILLING Y/N N
GENTLE ACTION DURING FILLING Y/N N
NORMAL ACTION DURING HEATING Y/N Y
GENTLE ACTION DURING HEATING Y/N N
NORMAL ACTION DURING WASH Y/N Y
GENTLE ACTION DURING WASH Y/N N
LEVEL ... UNITS 31
HYSTERESES ... UNITS 255
TEMPERATURE...°C 0
WASH TIME ... MIN ... SEC 3 MIN
COLD WATER Y/N N
HOT WATER Y/N Y
COLD HARD WATER Y/N Y
COMP 1 (LEVEL CONTROLLED) Y/N N
IEC 60456 Ed5 Cotton 40

26:21
COMP 2 (LEVEL CONTROLLED) Y/N N
COMP 3 (LEVEL CONTROLLED) Y/N N
COMP 2 HOT (LEVEL CONTROLLED) Y/N N
SOAP DISPENSER N
DETERGENT 1 TIME ... MIN ... SEC 0
DETERGENT 2 TIME ... MIN ... SEC 0
DETERGENT 3 TIME ... MIN ... SEC 0
DETERGENT 4 TIME ... MIN ... SEC 0
DETERGENT 5 TIME ... MIN ... SEC 0
DRAIN 2
PAUSE WITH BUZZER Y/N N
NORMAL ACTION Y/N Y
GENTLE ACTION Y/N N
TIME ... MIN ... SEC 1 MIN
RINSE 2
PAUSE WITH BUZZER Y/N N
NORMAL ACTION DURING FILLING Y/N N
GENTLE ACTION DURING FILLING Y/N N
NORMAL ACTION DURING HEATING Y/N Y
GENTLE ACTION DURING HEATING Y/N N
NORMAL ACTION DURING WASH Y/N Y
GENTLE ACTION DURING WASH Y/N N
LEVEL ... UNITS 31
HYSTERESES ... UNITS 255
TEMPERATURE...°C 0
WASH TIME ... MIN ... SEC 3 MIN
COLD WATER Y/N N
HOT WATER Y/N Y
COLD HARD WATER Y/N Y
COMP 1 (LEVEL CONTROLLED) Y/N N
COMP 2 (LEVEL CONTROLLED) Y/N N
COMP 3 (LEVEL CONTROLLED) Y/N N
COMP 2 HOT (LEVEL CONTROLLED) Y/N N
SOAP DISPENSER N
DETERGENT 1 TIME ... MIN ... SEC 0
DETERGENT 2 TIME ... MIN ... SEC 0
DETERGENT 3 TIME ... MIN ... SEC 0
DETERGENT 4 TIME ... MIN ... SEC 0
DETERGENT 5 TIME ... MIN ... SEC 0
DRAIN 3
PAUSE WITH BUZZER Y/N N
NORMAL ACTION Y/N Y
IEC 60456 Ed5 Cotton 40

26:22
GENTLE ACTION Y/N N
TIME ... MIN ... SEC 1 MIN
RINSE 3
PAUSE WITH BUZZER Y/N N
NORMAL ACTION DURING FILLING Y/N N
GENTLE ACTION DURING FILLING Y/N N
NORMAL ACTION DURING HEATING Y/N Y
GENTLE ACTION DURING HEATING Y/N N
NORMAL ACTION DURING WASH Y/N Y
GENTLE ACTION DURING WASH Y/N N
LEVEL ... UNITS 31
HYSTERESES ... UNITS 255
TEMPERATURE...°C 0
WASH TIME ... MIN ... SEC 2 MIN
COLD WATER Y/N N
HOT WATER Y/N Y
COLD HARD WATER Y/N Y
COMP 1 (LEVEL CONTROLLED) Y/N N
COMP 2 (LEVEL CONTROLLED) Y/N N
COMP 3 (LEVEL CONTROLLED) Y/N N
COMP 2 HOT (LEVEL CONTROLLED) Y/N N
SOAP DISPENSER N
DETERGENT 1 TIME ... MIN ... SEC 0
DETERGENT 2 TIME ... MIN ... SEC 0
DETERGENT 3 TIME ... MIN ... SEC 0
DETERGENT 4 TIME ... MIN ... SEC 0
DETERGENT 5 TIME ... MIN ... SEC 0
DRAIN 4
PAUSE WITH BUZZER Y/N N
NORMAL ACTION Y/N Y
GENTLE ACTION Y/N N
TIME ... MIN ... SEC 1 MIN
RINSE 4
PAUSE WITH BUZZER Y/N N
NORMAL ACTION DURING FILLING Y/N N
GENTLE ACTION DURING FILLING Y/N N
NORMAL ACTION DURING HEATING Y/N Y
GENTLE ACTION DURING HEATING Y/N N
NORMAL ACTION DURING WASH Y/N Y
GENTLE ACTION DURING WASH Y/N N
LEVEL ... UNITS 31
HYSTERESES ... UNITS 255
IEC 60456 Ed5 Cotton 40

26:23
TEMPERATURE...°C 0
WASH TIME ... MIN ... SEC 2 MIN
COLD WATER Y/N N
HOT WATER Y/N Y
COLD HARD WATER Y/N Y
COMP 1 (LEVEL CONTROLLED) Y/N N
COMP 2 (LEVEL CONTROLLED) Y/N N
COMP 3 (LEVEL CONTROLLED) Y/N N
COMP 2 HOT (LEVEL CONTROLLED) Y/N N
SOAP DISPENSER N
DETERGENT 1 TIME ... MIN ... SEC 0
DETERGENT 2 TIME ... MIN ... SEC 0
DETERGENT 3 TIME ... MIN ... SEC 0
DETERGENT 4 TIME ... MIN ... SEC 0
DETERGENT 5 TIME ... MIN ... SEC 0
DRAIN 5
PAUSE WITH BUZZER Y/N N
NORMAL ACTION Y/N Y
GENTLE ACTION Y/N N
TIME ... MIN ... SEC 1 MIN
EXTRACT
SPINNING ... MIN ... SEC 5 MIN
MAIN DATA
BUZZER ON WHEN PROGRAM FINISHED Y/N Y
GENTLE ACTION ON TIME … SEC 3
GENTLE ACTION OFF TIME … SEC 12
NORMAL ACTION ON TIME … SEC 12
NORMAL ACTION OFF TIME … SEC 3
IEC 60456 Ed5 Cotton 40

26:24
Synth/Blends 60
MAINWASH 1
PAUSE WITH BUZZER Y/N N
NORMAL ACTION DURING FILLING Y/N N
GENTLE ACTION DURING FILLING Y/N N
NORMAL ACTION DURING HEATING Y/N Y
GENTLE ACTION DURING HEATING Y/N N
NORMAL ACTION DURING WASH Y/N Y
GENTLE ACTION DURING WASH Y/N N
LEVEL ... UNITS 31
HYSTERESES ... UNITS 255
TEMPERATURE...°C 20
WASH TIME ... MIN ... SEC 1 MIN
COLD WATER Y/N Y
HOT WATER Y/N N
COLD HARD WATER Y/N Y
COMP 1 (LEVEL CONTROLLED) Y/N N
COMP 2 (LEVEL CONTROLLED) Y/N Y
COMP 3 (LEVEL CONTROLLED) Y/N N
COMP 2 HOT (LEVEL CONTROLLED) Y/N N
SOAP DISPENSER N
DETERGENT 1 TIME ... MIN ... SEC 0
DETERGENT 2 TIME ... MIN ... SEC 0
DETERGENT 3 TIME ... MIN ... SEC 0
DETERGENT 4 TIME ... MIN ... SEC 0
DETERGENT 5 TIME ... MIN ... SEC 0
MAINWASH 2
PAUSE WITH BUZZER Y/N N
NORMAL ACTION DURING FILLING Y/N N
GENTLE ACTION DURING FILLING Y/N N
NORMAL ACTION DURING HEATING Y/N N
GENTLE ACTION DURING HEATING Y/N N
NORMAL ACTION DURING WASH Y/N N
GENTLE ACTION DURING WASH Y/N N
LEVEL ... UNITS 31
HYSTERESES ... UNITS 255
TEMPERATURE...°C 20
WASH TIME ... MIN ... SEC 30 SEC
COLD WATER Y/N N
HOT WATER Y/N N
COLD HARD WATER Y/N N
COMP 1 (LEVEL CONTROLLED) Y/N N
COMP 2 (LEVEL CONTROLLED) Y/N N
IEC 60456 Ed5 Synth/Blends 60

26:25
COMP 3 (LEVEL CONTROLLED) Y/N N
COMP 2 HOT (LEVEL CONTROLLED) Y/N N
SOAP DISPENSER N
DETERGENT 1 TIME ... MIN ... SEC 0
DETERGENT 2 TIME ... MIN ... SEC 0
DETERGENT 3 TIME ... MIN ... SEC 0
DETERGENT 4 TIME ... MIN ... SEC 0
DETERGENT 5 TIME ... MIN ... SEC 0
MAINWASH 3
PAUSE WITH BUZZER Y/N N
NORMAL ACTION DURING FILLING Y/N N
GENTLE ACTION DURING FILLING Y/N N
NORMAL ACTION DURING HEATING Y/N Y
GENTLE ACTION DURING HEATING Y/N N
NORMAL ACTION DURING WASH Y/N Y
GENTLE ACTION DURING WASH Y/N N
LEVEL ... UNITS 31
HYSTERESES ... UNITS 255
TEMPERATURE...°C 20
WASH TIME ... MIN ... SEC 1 MIN
COLD WATER Y/N N
HOT WATER Y/N N
COLD HARD WATER Y/N N
COMP 1 (LEVEL CONTROLLED) Y/N N
COMP 2 (LEVEL CONTROLLED) Y/N N
COMP 3 (LEVEL CONTROLLED) Y/N N
COMP 2 HOT (LEVEL CONTROLLED) Y/N N
SOAP DISPENSER N
DETERGENT 1 TIME ... MIN ... SEC 0
DETERGENT 2 TIME ... MIN ... SEC 0
DETERGENT 3 TIME ... MIN ... SEC 0
DETERGENT 4 TIME ... MIN ... SEC 0
DETERGENT 5 TIME ... MIN ... SEC 0
MAINWASH 4
PAUSE WITH BUZZER Y/N N
NORMAL ACTION DURING FILLING Y/N N
GENTLE ACTION DURING FILLING Y/N N
NORMAL ACTION DURING HEATING Y/N N
GENTLE ACTION DURING HEATING Y/N N
NORMAL ACTION DURING WASH Y/N N
GENTLE ACTION DURING WASH Y/N N
LEVEL ... UNITS 31
HYSTERESES ... UNITS 255
IEC 60456 Ed5 Synth/Blends 60

26:26
TEMPERATURE...°C 20
WASH TIME ... MIN ... SEC 30 SEC
COLD WATER Y/N N
HOT WATER Y/N N
COLD HARD WATER Y/N N
COMP 1 (LEVEL CONTROLLED) Y/N N
COMP 2 (LEVEL CONTROLLED) Y/N N
COMP 3 (LEVEL CONTROLLED) Y/N N
COMP 2 HOT (LEVEL CONTROLLED) Y/N N
SOAP DISPENSER N
DETERGENT 1 TIME ... MIN ... SEC 0
DETERGENT 2 TIME ... MIN ... SEC 0
DETERGENT 3 TIME ... MIN ... SEC 0
DETERGENT 4 TIME ... MIN ... SEC 0
DETERGENT 5 TIME ... MIN ... SEC 0
MAINWASH 5
PAUSE WITH BUZZER Y/N N
NORMAL ACTION DURING FILLING Y/N N
GENTLE ACTION DURING FILLING Y/N N
NORMAL ACTION DURING HEATING Y/N Y
GENTLE ACTION DURING HEATING Y/N N
NORMAL ACTION DURING WASH Y/N Y
GENTLE ACTION DURING WASH Y/N N
LEVEL ... UNITS 31
HYSTERESES ... UNITS 255
TEMPERATURE...°C 40
WASH TIME ... MIN ... SEC 1 MIN
COLD WATER Y/N N
HOT WATER Y/N N
COLD HARD WATER Y/N N
COMP 1 (LEVEL CONTROLLED) Y/N N
COMP 2 (LEVEL CONTROLLED) Y/N N
COMP 3 (LEVEL CONTROLLED) Y/N N
COMP 2 HOT (LEVEL CONTROLLED) Y/N N
SOAP DISPENSER N
DETERGENT 1 TIME ... MIN ... SEC 0
DETERGENT 2 TIME ... MIN ... SEC 0
DETERGENT 3 TIME ... MIN ... SEC 0
DETERGENT 4 TIME ... MIN ... SEC 0
DETERGENT 5 TIME ... MIN ... SEC 0
MAINWASH 6
PAUSE WITH BUZZER Y/N N
NORMAL ACTION DURING FILLING Y/N N
IEC 60456 Ed5 Synth/Blends 60

26:27
GENTLE ACTION DURING FILLING Y/N N
NORMAL ACTION DURING HEATING Y/N Y
GENTLE ACTION DURING HEATING Y/N N
NORMAL ACTION DURING WASH Y/N Y
GENTLE ACTION DURING WASH Y/N N
LEVEL ... UNITS 31
HYSTERESES ... UNITS 255
TEMPERATURE...°C 30
WASH TIME ... MIN ... SEC 14 MIN
COLD WATER Y/N N
HOT WATER Y/N N
COLD HARD WATER Y/N N
COMP 1 (LEVEL CONTROLLED) Y/N N
COMP 2 (LEVEL CONTROLLED) Y/N N
COMP 3 (LEVEL CONTROLLED) Y/N N
COMP 2 HOT (LEVEL CONTROLLED) Y/N N
SOAP DISPENSER N
DETERGENT 1 TIME ... MIN ... SEC 0
DETERGENT 2 TIME ... MIN ... SEC 0
DETERGENT 3 TIME ... MIN ... SEC 0
DETERGENT 4 TIME ... MIN ... SEC 0
DETERGENT 5 TIME ... MIN ... SEC 0
MAINWASH 7
PAUSE WITH BUZZER Y/N N
NORMAL ACTION DURING FILLING Y/N N
GENTLE ACTION DURING FILLING Y/N N
NORMAL ACTION DURING HEATING Y/N Y
GENTLE ACTION DURING HEATING Y/N N
NORMAL ACTION DURING WASH Y/N Y
GENTLE ACTION DURING WASH Y/N N
LEVEL ... UNITS 255
HYSTERESES ... UNITS 31
TEMPERATURE...°C 60
WASH TIME ... MIN ... SEC 1 MIN
COLD WATER Y/N N
HOT WATER Y/N N
COLD HARD WATER Y/N N
COMP 1 (LEVEL CONTROLLED) Y/N N
COMP 2 (LEVEL CONTROLLED) Y/N N
COMP 3 (LEVEL CONTROLLED) Y/N N
COMP 2 HOT (LEVEL CONTROLLED) Y/N N
SOAP DISPENSER N
DETERGENT 1 TIME ... MIN ... SEC 0
DETERGENT 2 TIME ... MIN ... SEC 0
IEC 60456 Ed5 Synth/Blends 60

26:28
DETERGENT 3 TIME ... MIN ... SEC 0
DETERGENT 4 TIME ... MIN ... SEC 0
DETERGENT 5 TIME ... MIN ... SEC 0
DETERGENT 5 TIME ... MIN ... SEC 0
MAINWASH 8
PAUSE WITH BUZZER Y/N N
NORMAL ACTION DURING FILLING Y/N N
GENTLE ACTION DURING FILLING Y/N N
NORMAL ACTION DURING HEATING Y/N Y
GENTLE ACTION DURING HEATING Y/N N
NORMAL ACTION DURING WASH Y/N Y
GENTLE ACTION DURING WASH Y/N N
LEVEL ... UNITS 31
HYSTERESES ... UNITS 255
TEMPERATURE...°C 30
WASH TIME ... MIN ... SEC 14 MIN
COLD WATER Y/N N
HOT WATER Y/N N
COLD HARD WATER Y/N N
COMP 1 (LEVEL CONTROLLED) Y/N N
COMP 2 (LEVEL CONTROLLED) Y/N N
COMP 3 (LEVEL CONTROLLED) Y/N N
COMP 2 HOT (LEVEL CONTROLLED) Y/N N
SOAP DISPENSER N
DETERGENT 1 TIME ... MIN ... SEC 0
DETERGENT 2 TIME ... MIN ... SEC 0
DETERGENT 3 TIME ... MIN ... SEC 0
DETERGENT 4 TIME ... MIN ... SEC 0
DETERGENT 5 TIME ... MIN ... SEC 0
MAINWASH 9
PAUSE WITH BUZZER Y/N N
NORMAL ACTION DURING FILLING Y/N N
GENTLE ACTION DURING FILLING Y/N N
NORMAL ACTION DURING HEATING Y/N Y
GENTLE ACTION DURING HEATING Y/N N
NORMAL ACTION DURING WASH Y/N Y
GENTLE ACTION DURING WASH Y/N N
LEVEL ... UNITS 31
HYSTERESES ... UNITS 255
TEMPERATURE...°C 0
WASH TIME ... MIN ... SEC 2 MIN
COLD WATER Y/N N
HOT WATER Y/N Y
IEC 60456 Ed5 Synth/Blends 60

26:29
COLD HARD WATER Y/N Y
COMP 1 (LEVEL CONTROLLED) Y/N N
COMP 2 (LEVEL CONTROLLED) Y/N N
COMP 3 (LEVEL CONTROLLED) Y/N N
COMP 2 HOT (LEVEL CONTROLLED) Y/N N
SOAP DISPENSER N
DETERGENT 1 TIME ... MIN ... SEC 0
DETERGENT 2 TIME ... MIN ... SEC 0
DETERGENT 3 TIME ... MIN ... SEC 0
DETERGENT 4 TIME ... MIN ... SEC 0
DETERGENT 5 TIME ... MIN ... SEC 0
DRAIN 1
PAUSE WITH BUZZER Y/N N
NORMAL ACTION Y/N Y
GENTLE ACTION Y/N N
TIME ... MIN ... SEC 1 MIN
RINSE 1
PAUSE WITH BUZZER Y/N N
NORMAL ACTION DURING FILLING Y/N N
GENTLE ACTION DURING FILLING Y/N N
NORMAL ACTION DURING HEATING Y/N Y
GENTLE ACTION DURING HEATING Y/N N
NORMAL ACTION DURING WASH Y/N Y
GENTLE ACTION DURING WASH Y/N N
LEVEL ... UNITS 31
HYSTERESES ... UNITS 255
TEMPERATURE...°C 0
WASH TIME ... MIN ... SEC 3 MIN
COLD WATER Y/N Y
HOT WATER Y/N N
COLD HARD WATER Y/N Y
COMP 1 (LEVEL CONTROLLED) Y/N N
COMP 2 (LEVEL CONTROLLED) Y/N N
COMP 3 (LEVEL CONTROLLED) Y/N N
COMP 2 HOT (LEVEL CONTROLLED) Y/N N
SOAP DISPENSER N
DETERGENT 1 TIME ... MIN ... SEC 0
DETERGENT 2 TIME ... MIN ... SEC 0
DETERGENT 3 TIME ... MIN ... SEC 0
DETERGENT 4 TIME ... MIN ... SEC 0
DETERGENT 5 TIME ... MIN ... SEC 0
IEC 60456 Ed5 Synth/Blends 60

26:30
DRAIN 2
PAUSE WITH BUZZER Y/N N
NORMAL ACTION Y/N Y
GENTLE ACTION Y/N N
TIME ... MIN ... SEC 1 MIN
RINSE 2
PAUSE WITH BUZZER Y/N N
NORMAL ACTION DURING FILLING Y/N N
GENTLE ACTION DURING FILLING Y/N N
NORMAL ACTION DURING HEATING Y/N Y
GENTLE ACTION DURING HEATING Y/N N
NORMAL ACTION DURING WASH Y/N Y
GENTLE ACTION DURING WASH Y/N N
LEVEL ... UNITS 31
HYSTERESES ... UNITS 255
TEMPERATURE...°C 0
WASH TIME ... MIN ... SEC 3 MIN
COLD WATER Y/N Y
HOT WATER Y/N N
COLD HARD WATER Y/N Y
COMP 1 (LEVEL CONTROLLED) Y/N N
COMP 2 (LEVEL CONTROLLED) Y/N N
COMP 3 (LEVEL CONTROLLED) Y/N N
COMP 2 HOT (LEVEL CONTROLLED) Y/N N
SOAP DISPENSER N
DETERGENT 1 TIME ... MIN ... SEC 0
DETERGENT 2 TIME ... MIN ... SEC 0
DETERGENT 3 TIME ... MIN ... SEC 0
DETERGENT 4 TIME ... MIN ... SEC 0
DETERGENT 5 TIME ... MIN ... SEC 0
DRAIN 3
PAUSE WITH BUZZER Y/N N
NORMAL ACTION Y/N Y
GENTLE ACTION Y/N N
TIME ... MIN ... SEC 1 MIN
RINSE 3
PAUSE WITH BUZZER Y/N N
NORMAL ACTION DURING FILLING Y/N N
GENTLE ACTION DURING FILLING Y/N N
NORMAL ACTION DURING HEATING Y/N Y
GENTLE ACTION DURING HEATING Y/N N
NORMAL ACTION DURING WASH Y/N Y
IEC 60456 Ed5 Synth/Blends 60

26:31
GENTLE ACTION DURING WASH Y/N N
LEVEL ... UNITS 31
HYSTERESES ... UNITS 255
TEMPERATURE...°C 0
WASH TIME ... MIN ... SEC 2 MIN
COLD WATER Y/N Y
HOT WATER Y/N N
COLD HARD WATER Y/N Y
COMP 1 (LEVEL CONTROLLED) Y/N N
COMP 2 (LEVEL CONTROLLED) Y/N N
COMP 3 (LEVEL CONTROLLED) Y/N N
COMP 2 HOT (LEVEL CONTROLLED) Y/N N
SOAP DISPENSER N
DETERGENT 1 TIME ... MIN ... SEC 0
DETERGENT 2 TIME ... MIN ... SEC 0
DETERGENT 3 TIME ... MIN ... SEC 0
DETERGENT 4 TIME ... MIN ... SEC 0
DETERGENT 5 TIME ... MIN ... SEC 0
DRAIN 4
PAUSE WITH BUZZER Y/N N
NORMAL ACTION Y/N Y
GENTLE ACTION Y/N N
TIME ... MIN ... SEC 1 MIN
EXTRACT
SPINNING ... MIN ... SEC 2 MIN
MAIN DATA
BUZZER ON WHEN PROGRAM FINISHED Y/N Y
GENTLE ACTION ON TIME … SEC 3
GENTLE ACTION OFF TIME … SEC 12
NORMAL ACTION ON TIME … SEC 12
NORMAL ACTION OFF TIME … SEC 3
IEC 60456 Ed5 Synth/Blends 60

26:32
Synth/Blends 40
MAINWASH 1
PAUSE WITH BUZZER Y/N N
NORMAL ACTION DURING FILLING Y/N N
GENTLE ACTION DURING FILLING Y/N N
NORMAL ACTION DURING HEATING Y/N Y
GENTLE ACTION DURING HEATING Y/N N
NORMAL ACTION DURING WASH Y/N Y
GENTLE ACTION DURING WASH Y/N N
LEVEL ... UNITS 31
HYSTERESES ... UNITS 255
TEMPERATURE...°C 20
WASH TIME ... MIN ... SEC 1 MIN
COLD WATER Y/N Y
HOT WATER Y/N N
COLD HARD WATER Y/N Y
COMP 1 (LEVEL CONTROLLED) Y/N N
COMP 2 (LEVEL CONTROLLED) Y/N Y
COMP 3 (LEVEL CONTROLLED) Y/N N
COMP 2 HOT (LEVEL CONTROLLED) Y/N N
SOAP DISPENSER N
DETERGENT 1 TIME ... MIN ... SEC 0
DETERGENT 2 TIME ... MIN ... SEC 0
DETERGENT 3 TIME ... MIN ... SEC 0
DETERGENT 4 TIME ... MIN ... SEC 0
DETERGENT 5 TIME ... MIN ... SEC 0
MAINWASH 2
PAUSE WITH BUZZER Y/N N
NORMAL ACTION DURING FILLING Y/N N
GENTLE ACTION DURING FILLING Y/N N
NORMAL ACTION DURING HEATING Y/N N
GENTLE ACTION DURING HEATING Y/N N
NORMAL ACTION DURING WASH Y/N N
GENTLE ACTION DURING WASH Y/N N
LEVEL ... UNITS 31
HYSTERESES ... UNITS 255
TEMPERATURE...°C 20
WASH TIME ... MIN ... SEC 30 SEC
COLD WATER Y/N N
HOT WATER Y/N N
COLD HARD WATER Y/N N
COMP 1 (LEVEL CONTROLLED) Y/N N
COMP 2 (LEVEL CONTROLLED) Y/N N
IEC 60456 Ed5 Synth/Blends 40

26:33
COMP 3 (LEVEL CONTROLLED) Y/N N
COMP 2 HOT (LEVEL CONTROLLED) Y/N N
SOAP DISPENSER N
DETERGENT 1 TIME ... MIN ... SEC 0
DETERGENT 2 TIME ... MIN ... SEC 0
DETERGENT 3 TIME ... MIN ... SEC 0
DETERGENT 4 TIME ... MIN ... SEC 0
DETERGENT 5 TIME ... MIN ... SEC 0
MAINWASH 3
PAUSE WITH BUZZER Y/N N
NORMAL ACTION DURING FILLING Y/N N
GENTLE ACTION DURING FILLING Y/N N
NORMAL ACTION DURING HEATING Y/N Y
GENTLE ACTION DURING HEATING Y/N N
NORMAL ACTION DURING WASH Y/N Y
GENTLE ACTION DURING WASH Y/N N
LEVEL ... UNITS 31
HYSTERESES ... UNITS 255
TEMPERATURE...°C 20
WASH TIME ... MIN ... SEC 1 MIN
COLD WATER Y/N N
HOT WATER Y/N N
COLD HARD WATER Y/N N
COMP 1 (LEVEL CONTROLLED) Y/N N
COMP 2 (LEVEL CONTROLLED) Y/N N
COMP 3 (LEVEL CONTROLLED) Y/N N
COMP 2 HOT (LEVEL CONTROLLED) Y/N N
SOAP DISPENSER N
DETERGENT 1 TIME ... MIN ... SEC 0
DETERGENT 2 TIME ... MIN ... SEC 0
DETERGENT 3 TIME ... MIN ... SEC 0
DETERGENT 4 TIME ... MIN ... SEC 0
DETERGENT 5 TIME ... MIN ... SEC 0
MAINWASH 4
PAUSE WITH BUZZER Y/N N
NORMAL ACTION DURING FILLING Y/N N
GENTLE ACTION DURING FILLING Y/N N
NORMAL ACTION DURING HEATING Y/N N
GENTLE ACTION DURING HEATING Y/N N
NORMAL ACTION DURING WASH Y/N N
GENTLE ACTION DURING WASH Y/N N
LEVEL ... UNITS 31
HYSTERESES ... UNITS 255
IEC 60456 Ed5 Synth/Blends 40

26:34
TEMPERATURE...°C 20
WASH TIME ... MIN ... SEC 30 SEC
COLD WATER Y/N N
HOT WATER Y/N N
COLD HARD WATER Y/N N
COMP 1 (LEVEL CONTROLLED) Y/N N
COMP 2 (LEVEL CONTROLLED) Y/N N
COMP 3 (LEVEL CONTROLLED) Y/N N
COMP 2 HOT (LEVEL CONTROLLED) Y/N N
SOAP DISPENSER N
DETERGENT 1 TIME ... MIN ... SEC 0
DETERGENT 2 TIME ... MIN ... SEC 0
DETERGENT 3 TIME ... MIN ... SEC 0
DETERGENT 4 TIME ... MIN ... SEC 0
DETERGENT 5 TIME ... MIN ... SEC 0
MAINWASH 5
PAUSE WITH BUZZER Y/N N
NORMAL ACTION DURING FILLING Y/N N
GENTLE ACTION DURING FILLING Y/N N
NORMAL ACTION DURING HEATING Y/N Y
GENTLE ACTION DURING HEATING Y/N N
NORMAL ACTION DURING WASH Y/N Y
GENTLE ACTION DURING WASH Y/N N
LEVEL ... UNITS 31
HYSTERESES ... UNITS 255
TEMPERATURE...°C 40
WASH TIME ... MIN ... SEC 1 MIN
COLD WATER Y/N N
HOT WATER Y/N N
COLD HARD WATER Y/N N
COMP 1 (LEVEL CONTROLLED) Y/N N
COMP 2 (LEVEL CONTROLLED) Y/N N
COMP 3 (LEVEL CONTROLLED) Y/N N
COMP 2 HOT (LEVEL CONTROLLED) Y/N N
SOAP DISPENSER N
DETERGENT 1 TIME ... MIN ... SEC 0
DETERGENT 2 TIME ... MIN ... SEC 0
DETERGENT 3 TIME ... MIN ... SEC 0
DETERGENT 4 TIME ... MIN ... SEC 0
DETERGENT 5 TIME ... MIN ... SEC 0
MAINWASH 6
PAUSE WITH BUZZER Y/N N
NORMAL ACTION DURING FILLING Y/N N
IEC 60456 Ed5 Synth/Blends 40

26:35
GENTLE ACTION DURING FILLING Y/N N
NORMAL ACTION DURING HEATING Y/N Y
GENTLE ACTION DURING HEATING Y/N N
NORMAL ACTION DURING WASH Y/N Y
GENTLE ACTION DURING WASH Y/N N
LEVEL ... UNITS 31
HYSTERESES ... UNITS 255
TEMPERATURE...°C 30
WASH TIME ... MIN ... SEC 14 MIN
COLD WATER Y/N N
HOT WATER Y/N N
COLD HARD WATER Y/N N
COMP 1 (LEVEL CONTROLLED) Y/N N
COMP 2 (LEVEL CONTROLLED) Y/N N
COMP 3 (LEVEL CONTROLLED) Y/N N
COMP 2 HOT (LEVEL CONTROLLED) Y/N N
SOAP DISPENSER N
DETERGENT 1 TIME ... MIN ... SEC 0
DETERGENT 2 TIME ... MIN ... SEC 0
DETERGENT 3 TIME ... MIN ... SEC 0
DETERGENT 4 TIME ... MIN ... SEC 0
DETERGENT 5 TIME ... MIN ... SEC 0
DRAIN 1
PAUSE WITH BUZZER Y/N N
NORMAL ACTION Y/N Y
GENTLE ACTION Y/N N
TIME ... MIN ... SEC 1 MIN
RINSE 1
PAUSE WITH BUZZER Y/N N
NORMAL ACTION DURING FILLING Y/N N
GENTLE ACTION DURING FILLING Y/N N
NORMAL ACTION DURING HEATING Y/N Y
GENTLE ACTION DURING HEATING Y/N N
NORMAL ACTION DURING WASH Y/N Y
GENTLE ACTION DURING WASH Y/N N
LEVEL ... UNITS 31
HYSTERESES ... UNITS 255
TEMPERATURE...°C 0
WASH TIME ... MIN ... SEC 3 MIN
COLD WATER Y/N Y
HOT WATER Y/N N
COLD HARD WATER Y/N Y
COMP 1 (LEVEL CONTROLLED) Y/N N
IEC 60456 Ed5 Synth/Blends 40

26:36
COMP 2 (LEVEL CONTROLLED) Y/N N
COMP 3 (LEVEL CONTROLLED) Y/N N
COMP 2 HOT (LEVEL CONTROLLED) Y/N N
SOAP DISPENSER N
DETERGENT 1 TIME ... MIN ... SEC 0
DETERGENT 2 TIME ... MIN ... SEC 0
DETERGENT 3 TIME ... MIN ... SEC 0
DETERGENT 4 TIME ... MIN ... SEC 0
DETERGENT 5 TIME ... MIN ... SEC 0
DRAIN 2
PAUSE WITH BUZZER Y/N N
NORMAL ACTION Y/N Y
GENTLE ACTION Y/N N
TIME ... MIN ... SEC 1 MIN
RINSE 2
PAUSE WITH BUZZER Y/N N
NORMAL ACTION DURING FILLING Y/N N
GENTLE ACTION DURING FILLING Y/N N
NORMAL ACTION DURING HEATING Y/N Y
GENTLE ACTION DURING HEATING Y/N N
NORMAL ACTION DURING WASH Y/N Y
GENTLE ACTION DURING WASH Y/N N
LEVEL ... UNITS 31
HYSTERESES ... UNITS 255
TEMPERATURE...°C 0
WASH TIME ... MIN ... SEC 3 MIN
COLD WATER Y/N Y
HOT WATER Y/N N
COLD HARD WATER Y/N Y
COMP 1 (LEVEL CONTROLLED) Y/N N
COMP 2 (LEVEL CONTROLLED) Y/N N
COMP 3 (LEVEL CONTROLLED) Y/N N
COMP 2 HOT (LEVEL CONTROLLED) Y/N N
SOAP DISPENSER N
DETERGENT 1 TIME ... MIN ... SEC 0
DETERGENT 2 TIME ... MIN ... SEC 0
DETERGENT 3 TIME ... MIN ... SEC 0
DETERGENT 4 TIME ... MIN ... SEC 0
DETERGENT 5 TIME ... MIN ... SEC 0
DRAIN 3
PAUSE WITH BUZZER Y/N N
NORMAL ACTION Y/N Y
IEC 60456 Ed5 Synth/Blends 40

26:37
GENTLE ACTION Y/N N
TIME ... MIN ... SEC 1 MIN
RINSE 3
PAUSE WITH BUZZER Y/N N
NORMAL ACTION DURING FILLING Y/N N
GENTLE ACTION DURING FILLING Y/N N
NORMAL ACTION DURING HEATING Y/N Y
GENTLE ACTION DURING HEATING Y/N N
NORMAL ACTION DURING WASH Y/N Y
GENTLE ACTION DURING WASH Y/N N
LEVEL ... UNITS 31
HYSTERESES ... UNITS 255
TEMPERATURE...°C 0
WASH TIME ... MIN ... SEC 2 MIN
COLD WATER Y/N Y
HOT WATER Y/N N
COLD HARD WATER Y/N Y
COMP 1 (LEVEL CONTROLLED) Y/N N
COMP 2 (LEVEL CONTROLLED) Y/N N
COMP 3 (LEVEL CONTROLLED) Y/N N
COMP 2 HOT (LEVEL CONTROLLED) Y/N N
SOAP DISPENSER N
DETERGENT 1 TIME ... MIN ... SEC 0
DETERGENT 2 TIME ... MIN ... SEC 0
DETERGENT 3 TIME ... MIN ... SEC 0
DETERGENT 4 TIME ... MIN ... SEC 0
DETERGENT 5 TIME ... MIN ... SEC 0
DRAIN 4
PAUSE WITH BUZZER Y/N N
NORMAL ACTION Y/N Y
GENTLE ACTION Y/N N
TIME ... MIN ... SEC 1 MIN
EXTRACT
SPINNING ... MIN ... SEC 2 MIN
MAIN DATA
BUZZER ON WHEN PROGRAM FINISHED Y/N Y
GENTLE ACTION ON TIME … SEC 3
GENTLE ACTION OFF TIME … SEC 12
NORMAL ACTION ON TIME … SEC 12
NORMAL ACTION OFF TIME … SEC 3
IEC 60456 Ed5 Synth/Blends 40

26:38
Wool 40
MAINWASH 1
PAUSE WITH BUZZER Y/N N
NORMAL ACTION DURING FILLING Y/N N
GENTLE ACTION DURING FILLING Y/N N
NORMAL ACTION DURING HEATING Y/N N
GENTLE ACTION DURING HEATING Y/N Y
NORMAL ACTION DURING WASH Y/N N
GENTLE ACTION DURING WASH Y/N N
LEVEL ... UNITS 31
HYSTERESES ... UNITS 255
TEMPERATURE...°C 20
WASH TIME ... MIN ... SEC 30 SEC
COLD WATER Y/N Y
HOT WATER Y/N N
COLD HARD WATER Y/N Y
COMP 1 (LEVEL CONTROLLED) Y/N N
COMP 2 (LEVEL CONTROLLED) Y/N Y
COMP 3 (LEVEL CONTROLLED) Y/N N
COMP 2 HOT (LEVEL CONTROLLED) Y/N N
SOAP DISPENSER N
DETERGENT 1 TIME ... MIN ... SEC 0
DETERGENT 2 TIME ... MIN ... SEC 0
DETERGENT 3 TIME ... MIN ... SEC 0
DETERGENT 4 TIME ... MIN ... SEC 0
DETERGENT 5 TIME ... MIN ... SEC 0
MAINWASH 2
PAUSE WITH BUZZER Y/N N
NORMAL ACTION DURING FILLING Y/N N
GENTLE ACTION DURING FILLING Y/N N
NORMAL ACTION DURING HEATING Y/N N
GENTLE ACTION DURING HEATING Y/N N
NORMAL ACTION DURING WASH Y/N N
GENTLE ACTION DURING WASH Y/N N
LEVEL ... UNITS 31
HYSTERESES ... UNITS 255
TEMPERATURE...°C 40
WASH TIME ... MIN ... SEC 30 SEC
COLD WATER Y/N N
HOT WATER Y/N N
COLD HARD WATER Y/N N
COMP 1 (LEVEL CONTROLLED) Y/N N
COMP 2 (LEVEL CONTROLLED) Y/N N
IEC 60456 Ed5 Synth/Blends 40

26:39
COMP 3 (LEVEL CONTROLLED) Y/N N
COMP 2 HOT (LEVEL CONTROLLED) Y/N N
SOAP DISPENSER N
DETERGENT 1 TIME ... MIN ... SEC 0
DETERGENT 2 TIME ... MIN ... SEC 0
DETERGENT 3 TIME ... MIN ... SEC 0
DETERGENT 4 TIME ... MIN ... SEC 0
DETERGENT 5 TIME ... MIN ... SEC 0
MAINWASH 3
PAUSE WITH BUZZER Y/N N
NORMAL ACTION DURING FILLING Y/N N
GENTLE ACTION DURING FILLING Y/N N
NORMAL ACTION DURING HEATING Y/N N
GENTLE ACTION DURING HEATING Y/N N
NORMAL ACTION DURING WASH Y/N N
GENTLE ACTION DURING WASH Y/N Y
LEVEL ... UNITS 31
HYSTERESES ... UNITS 255
TEMPERATURE...°C 40
WASH TIME ... MIN ... SEC 3 MIN
COLD WATER Y/N N
HOT WATER Y/N N
COLD HARD WATER Y/N N
COMP 1 (LEVEL CONTROLLED) Y/N N
COMP 2 (LEVEL CONTROLLED) Y/N N
COMP 3 (LEVEL CONTROLLED) Y/N N
COMP 2 HOT (LEVEL CONTROLLED) Y/N N
SOAP DISPENSER N
DETERGENT 1 TIME ... MIN ... SEC 0
DETERGENT 2 TIME ... MIN ... SEC 0
DETERGENT 3 TIME ... MIN ... SEC 0
DETERGENT 4 TIME ... MIN ... SEC 0
DETERGENT 5 TIME ... MIN ... SEC 0
DRAIN 1
PAUSE WITH BUZZER Y/N N
NORMAL ACTION Y/N N
GENTLE ACTION Y/N Y
TIME ... MIN ... SEC 1 MIN
RINSE 1
PAUSE WITH BUZZER Y/N N
NORMAL ACTION DURING FILLING Y/N N
GENTLE ACTION DURING FILLING Y/N N
IEC 60456 Ed5 Synth/Blends 40

26:40
NORMAL ACTION DURING HEATING Y/N N
GENTLE ACTION DURING HEATING Y/N Y
NORMAL ACTION DURING WASH Y/N N
GENTLE ACTION DURING WASH Y/N Y
LEVEL ... UNITS 31
HYSTERESES ... UNITS 255
TEMPERATURE...°C 0
WASH TIME ... MIN ... SEC 3 MIN
COLD WATER Y/N Y
HOT WATER Y/N N
COLD HARD WATER Y/N Y
COMP 1 (LEVEL CONTROLLED) Y/N N
COMP 2 (LEVEL CONTROLLED) Y/N N
COMP 3 (LEVEL CONTROLLED) Y/N N
COMP 2 HOT (LEVEL CONTROLLED) Y/N N
SOAP DISPENSER N
DETERGENT 1 TIME ... MIN ... SEC 0
DETERGENT 2 TIME ... MIN ... SEC 0
DETERGENT 3 TIME ... MIN ... SEC 0
DETERGENT 4 TIME ... MIN ... SEC 0
DETERGENT 5 TIME ... MIN ... SEC 0
DRAIN 2
PAUSE WITH BUZZER Y/N N
NORMAL ACTION Y/N N
GENTLE ACTION Y/N Y
TIME ... MIN ... SEC 1 MIN
RINSE 2
PAUSE WITH BUZZER Y/N N
NORMAL ACTION DURING FILLING Y/N N
GENTLE ACTION DURING FILLING Y/N N
NORMAL ACTION DURING HEATING Y/N N
GENTLE ACTION DURING HEATING Y/N Y
NORMAL ACTION DURING WASH Y/N N
GENTLE ACTION DURING WASH Y/N Y
LEVEL ... UNITS 31
HYSTERESES ... UNITS 255
TEMPERATURE...°C 0
WASH TIME ... MIN ... SEC 3 MIN
COLD WATER Y/N Y
HOT WATER Y/N N
COLD HARD WATER Y/N Y
COMP 1 (LEVEL CONTROLLED) Y/N N
COMP 2 (LEVEL CONTROLLED) Y/N N
IEC 60456 Ed5 Synth/Blends 40

26:41
COMP 3 (LEVEL CONTROLLED) Y/N N
COMP 2 HOT (LEVEL CONTROLLED) Y/N N
SOAP DISPENSER N
DETERGENT 1 TIME ... MIN ... SEC 0
DETERGENT 2 TIME ... MIN ... SEC 0
DETERGENT 3 TIME ... MIN ... SEC 0
DETERGENT 4 TIME ... MIN ... SEC 0
DETERGENT 5 TIME ... MIN ... SEC 0
DRAIN 3
PAUSE WITH BUZZER Y/N N
NORMAL ACTION Y/N N
GENTLE ACTION Y/N Y
TIME ... MIN ... SEC 1 MIN
EXTRACT
SPINNING ... MIN ... SEC 1 MIN
RINSE 3
PAUSE WITH BUZZER Y/N N
NORMAL ACTION DURING FILLING Y/N N
GENTLE ACTION DURING FILLING Y/N N
NORMAL ACTION DURING HEATING Y/N N
GENTLE ACTION DURING HEATING Y/N Y
NORMAL ACTION DURING WASH Y/N N
GENTLE ACTION DURING WASH Y/N Y
LEVEL ... UNITS 31
HYSTERESES ... UNITS 255
TEMPERATURE...°C 0
WASH TIME ... MIN ... SEC 2 MIN
COLD WATER Y/N Y
HOT WATER Y/N N
COLD HARD WATER Y/N Y
COMP 1 (LEVEL CONTROLLED) Y/N N
COMP 2 (LEVEL CONTROLLED) Y/N N
COMP 3 (LEVEL CONTROLLED) Y/N N
COMP 2 HOT (LEVEL CONTROLLED) Y/N N
SOAP DISPENSER N
DETERGENT 1 TIME ... MIN ... SEC 0
DETERGENT 2 TIME ... MIN ... SEC 0
DETERGENT 3 TIME ... MIN ... SEC 0
DETERGENT 4 TIME ... MIN ... SEC 0
DETERGENT 5 TIME ... MIN ... SEC 0
IEC 60456 Ed5 Synth/Blends 40

26:42
DRAIN 4
PAUSE WITH BUZZER Y/N N
NORMAL ACTION Y/N N
GENTLE ACTION Y/N Y
TIME ... MIN ... SEC 1 MIN
EXTRACT
SPINNING ... MIN ... SEC 6 MIN
MAIN DATA
BUZZER ON WHEN PROGRAM FINISHED Y/N Y
GENTLE ACTION ON TIME … SEC 3
GENTLE ACTION OFF TIME … SEC 12
NORMAL ACTION ON TIME … SEC 12
NORMAL ACTION OFF TIME … SEC 3
IEC 60456 Ed5 Synth/Blends 40

26:43
COTTON 30
MAINWASH 1
PAUSE WITH BUZZER Y/N N
NORMAL ACTION DURING FILLING Y/N N
GENTLE ACTION DURING FILLING Y/N N
NORMAL ACTION DURING HEATING Y/N Y
GENTLE ACTION DURING HEATING Y/N N
NORMAL ACTION DURING WASH Y/N Y
GENTLE ACTION DURING WASH Y/N N
LEVEL ... UNITS 31
HYSTERESES ... UNITS 255
TEMPERATURE...°C 20
WASH TIME ... MIN ... SEC 1 MIN
COLD WATER Y/N Y
HOT WATER Y/N N
COLD HARD WATER Y/N Y
COMP 1 (LEVEL CONTROLLED) Y/N N
COMP 2 (LEVEL CONTROLLED) Y/N Y
COMP 3 (LEVEL CONTROLLED) Y/N N
COMP 2 HOT (LEVEL CONTROLLED) Y/N N
SOAP DISPENSER N
DETERGENT 1 TIME ... MIN ... SEC 0
DETERGENT 2 TIME ... MIN ... SEC 0
DETERGENT 3 TIME ... MIN ... SEC 0
DETERGENT 4 TIME ... MIN ... SEC 0
DETERGENT 5 TIME ... MIN ... SEC 0
MAINWASH 2
PAUSE WITH BUZZER Y/N N
NORMAL ACTION DURING FILLING Y/N N
GENTLE ACTION DURING FILLING Y/N N
NORMAL ACTION DURING HEATING Y/N N
GENTLE ACTION DURING HEATING Y/N N
NORMAL ACTION DURING WASH Y/N N
GENTLE ACTION DURING WASH Y/N N
LEVEL ... UNITS 31
HYSTERESES ... UNITS 255
TEMPERATURE...°C 20
WASH TIME ... MIN ... SEC 30 SEC
COLD WATER Y/N N
HOT WATER Y/N N
COLD HARD WATER Y/N N
COMP 1 (LEVEL CONTROLLED) Y/N N
COMP 2 (LEVEL CONTROLLED) Y/N N
IEC 60456 Ed5 Cotton 30

26:44
COMP 3 (LEVEL CONTROLLED) Y/N N
COMP 2 HOT (LEVEL CONTROLLED) Y/N N
SOAP DISPENSER N
DETERGENT 1 TIME ... MIN ... SEC 0
DETERGENT 2 TIME ... MIN ... SEC 0
DETERGENT 3 TIME ... MIN ... SEC 0
DETERGENT 4 TIME ... MIN ... SEC 0
DETERGENT 5 TIME ... MIN ... SEC 0
MAINWASH 3
PAUSE WITH BUZZER Y/N N
NORMAL ACTION DURING FILLING Y/N N
GENTLE ACTION DURING FILLING Y/N N
NORMAL ACTION DURING HEATING Y/N Y
GENTLE ACTION DURING HEATING Y/N N
NORMAL ACTION DURING WASH Y/N Y
GENTLE ACTION DURING WASH Y/N N
LEVEL ... UNITS 31
HYSTERESES ... UNITS 255
TEMPERATURE...°C 20
WASH TIME ... MIN ... SEC 1 MIN
COLD WATER Y/N N
HOT WATER Y/N N
COLD HARD WATER Y/N N
COMP 1 (LEVEL CONTROLLED) Y/N N
COMP 2 (LEVEL CONTROLLED) Y/N N
COMP 3 (LEVEL CONTROLLED) Y/N N
COMP 2 HOT (LEVEL CONTROLLED) Y/N N
SOAP DISPENSER N
DETERGENT 1 TIME ... MIN ... SEC 0
DETERGENT 2 TIME ... MIN ... SEC 0
DETERGENT 3 TIME ... MIN ... SEC 0
DETERGENT 4 TIME ... MIN ... SEC 0
DETERGENT 5 TIME ... MIN ... SEC 0
MAINWASH 4
PAUSE WITH BUZZER Y/N N
NORMAL ACTION DURING FILLING Y/N N
GENTLE ACTION DURING FILLING Y/N N
NORMAL ACTION DURING HEATING Y/N N
GENTLE ACTION DURING HEATING Y/N N
NORMAL ACTION DURING WASH Y/N N
GENTLE ACTION DURING WASH Y/N N
LEVEL ... UNITS 31
HYSTERESES ... UNITS 255
IEC 60456 Ed5 Cotton 30

26:45
TEMPERATURE...°C 20
WASH TIME ... MIN ... SEC 30 SEC
COLD WATER Y/N N
HOT WATER Y/N N
COLD HARD WATER Y/N N
COMP 1 (LEVEL CONTROLLED) Y/N N
COMP 2 (LEVEL CONTROLLED) Y/N N
COMP 3 (LEVEL CONTROLLED) Y/N N
COMP 2 HOT (LEVEL CONTROLLED) Y/N N
SOAP DISPENSER N
DETERGENT 1 TIME ... MIN ... SEC 0
DETERGENT 2 TIME ... MIN ... SEC 0
DETERGENT 3 TIME ... MIN ... SEC 0
DETERGENT 4 TIME ... MIN ... SEC 0
DETERGENT 5 TIME ... MIN ... SEC 0
MAINWASH 5
PAUSE WITH BUZZER Y/N N
NORMAL ACTION DURING FILLING Y/N N
GENTLE ACTION DURING FILLING Y/N N
NORMAL ACTION DURING HEATING Y/N Y
GENTLE ACTION DURING HEATING Y/N N
NORMAL ACTION DURING WASH Y/N Y
GENTLE ACTION DURING WASH Y/N N
LEVEL ... UNITS 31
HYSTERESES ... UNITS 255
TEMPERATURE...°C 30
WASH TIME ... MIN ... SEC 1 MIN
COLD WATER Y/N N
HOT WATER Y/N N
COLD HARD WATER Y/N N
COMP 1 (LEVEL CONTROLLED) Y/N N
COMP 2 (LEVEL CONTROLLED) Y/N N
COMP 3 (LEVEL CONTROLLED) Y/N N
COMP 2 HOT (LEVEL CONTROLLED) Y/N N
SOAP DISPENSER N
DETERGENT 1 TIME ... MIN ... SEC 0
DETERGENT 2 TIME ... MIN ... SEC 0
DETERGENT 3 TIME ... MIN ... SEC 0
DETERGENT 4 TIME ... MIN ... SEC 0
DETERGENT 5 TIME ... MIN ... SEC 0
MAINWASH 6
IEC 60456 Ed5 Cotton 30

26:46
PAUSE WITH BUZZER Y/N N
NORMAL ACTION DURING FILLING Y/N N
GENTLE ACTION DURING FILLING Y/N N
NORMAL ACTION DURING HEATING Y/N Y
GENTLE ACTION DURING HEATING Y/N N
NORMAL ACTION DURING WASH Y/N Y
GENTLE ACTION DURING WASH Y/N N
LEVEL ... UNITS 31
HYSTERESES ... UNITS 255
TEMPERATURE...°C 20
WASH TIME ... MIN ... SEC 17 MIN
COLD WATER Y/N N
HOT WATER Y/N N
COLD HARD WATER Y/N N
COMP 1 (LEVEL CONTROLLED) Y/N N
COMP 2 (LEVEL CONTROLLED) Y/N N
COMP 3 (LEVEL CONTROLLED) Y/N N
COMP 2 HOT (LEVEL CONTROLLED) Y/N N
SOAP DISPENSER N
DETERGENT 1 TIME ... MIN ... SEC 0
DETERGENT 2 TIME ... MIN ... SEC 0
DETERGENT 3 TIME ... MIN ... SEC 0
DETERGENT 4 TIME ... MIN ... SEC 0
DETERGENT 5 TIME ... MIN ... SEC 0
DRAIN 1
PAUSE WITH BUZZER Y/N N
NORMAL ACTION Y/N Y
GENTLE ACTION Y/N N
TIME ... MIN ... SEC 1 MIN
RINSE 1
PAUSE WITH BUZZER Y/N N
NORMAL ACTION DURING FILLING Y/N N
GENTLE ACTION DURING FILLING Y/N N
NORMAL ACTION DURING HEATING Y/N Y
GENTLE ACTION DURING HEATING Y/N N
NORMAL ACTION DURING WASH Y/N Y
GENTLE ACTION DURING WASH Y/N N
LEVEL ... UNITS 31
HYSTERESES ... UNITS 255
TEMPERATURE...°C 0
WASH TIME ... MIN ... SEC 3 MIN
COLD WATER Y/N N
HOT WATER Y/N Y
IEC 60456 Ed5 Cotton 30

26:47
COLD HARD WATER Y/N Y
COMP 1 (LEVEL CONTROLLED) Y/N N
COMP 2 (LEVEL CONTROLLED) Y/N N
COMP 3 (LEVEL CONTROLLED) Y/N N
COMP 2 HOT (LEVEL CONTROLLED) Y/N N
SOAP DISPENSER N
DETERGENT 1 TIME ... MIN ... SEC 0
DETERGENT 2 TIME ... MIN ... SEC 0
DETERGENT 3 TIME ... MIN ... SEC 0
DETERGENT 4 TIME ... MIN ... SEC 0
DETERGENT 5 TIME ... MIN ... SEC 0
DRAIN 2
PAUSE WITH BUZZER Y/N N
NORMAL ACTION Y/N Y
GENTLE ACTION Y/N N
TIME ... MIN ... SEC 1 MIN
RINSE 2
PAUSE WITH BUZZER Y/N N
NORMAL ACTION DURING FILLING Y/N N
GENTLE ACTION DURING FILLING Y/N N
NORMAL ACTION DURING HEATING Y/N Y
GENTLE ACTION DURING HEATING Y/N N
NORMAL ACTION DURING WASH Y/N Y
GENTLE ACTION DURING WASH Y/N N
LEVEL ... UNITS 31
HYSTERESES ... UNITS 255
TEMPERATURE...°C 0
WASH TIME ... MIN ... SEC 3 MIN
COLD WATER Y/N N
HOT WATER Y/N Y
COLD HARD WATER Y/N Y
COMP 1 (LEVEL CONTROLLED) Y/N N
COMP 2 (LEVEL CONTROLLED) Y/N N
COMP 3 (LEVEL CONTROLLED) Y/N N
COMP 2 HOT (LEVEL CONTROLLED) Y/N N
SOAP DISPENSER N
DETERGENT 1 TIME ... MIN ... SEC 0
DETERGENT 2 TIME ... MIN ... SEC 0
DETERGENT 3 TIME ... MIN ... SEC 0
DETERGENT 4 TIME ... MIN ... SEC 0
DETERGENT 5 TIME ... MIN ... SEC 0
DRAIN 3
IEC 60456 Ed5 Cotton 30

26:48
PAUSE WITH BUZZER Y/N N
NORMAL ACTION Y/N Y
GENTLE ACTION Y/N N
TIME ... MIN ... SEC 1 MIN
RINSE 3
PAUSE WITH BUZZER Y/N N
NORMAL ACTION DURING FILLING Y/N N
GENTLE ACTION DURING FILLING Y/N N
NORMAL ACTION DURING HEATING Y/N Y
GENTLE ACTION DURING HEATING Y/N N
NORMAL ACTION DURING WASH Y/N Y
GENTLE ACTION DURING WASH Y/N N
LEVEL ... UNITS 31
HYSTERESES ... UNITS 255
TEMPERATURE...°C 0
WASH TIME ... MIN ... SEC 2 MIN
COLD WATER Y/N N
HOT WATER Y/N Y
COLD HARD WATER Y/N Y
COMP 1 (LEVEL CONTROLLED) Y/N N
COMP 2 (LEVEL CONTROLLED) Y/N N
COMP 3 (LEVEL CONTROLLED) Y/N N
COMP 2 HOT (LEVEL CONTROLLED) Y/N N
SOAP DISPENSER N
DETERGENT 1 TIME ... MIN ... SEC 0
DETERGENT 2 TIME ... MIN ... SEC 0
DETERGENT 3 TIME ... MIN ... SEC 0
DETERGENT 4 TIME ... MIN ... SEC 0
DETERGENT 5 TIME ... MIN ... SEC 0
DRAIN 4
PAUSE WITH BUZZER Y/N N
NORMAL ACTION Y/N Y
GENTLE ACTION Y/N N
TIME ... MIN ... SEC 1 MIN
EXTRACT
SPINNING ... MIN ... SEC 5 MIN
MAIN DATA
BUZZER ON WHEN PROGRAM FINISHED Y/N Y
GENTLE ACTION ON TIME … SEC 3
GENTLE ACTION OFF TIME … SEC 12
NORMAL ACTION ON TIME … SEC 12
NORMAL ACTION OFF TIME … SEC 3
IEC 60456 Ed5 Cotton 30

26:49
COTTON 20
MAINWASH 1
PAUSE WITH BUZZER Y/N N
NORMAL ACTION DURING FILLING Y/N N
GENTLE ACTION DURING FILLING Y/N N
NORMAL ACTION DURING HEATING Y/N Y
GENTLE ACTION DURING HEATING Y/N N
NORMAL ACTION DURING WASH Y/N Y
GENTLE ACTION DURING WASH Y/N N
LEVEL ... UNITS 31
HYSTERESES ... UNITS 255
TEMPERATURE...°C 20
WASH TIME ... MIN ... SEC 1 MIN
COLD WATER Y/N Y
HOT WATER Y/N N
COLD HARD WATER Y/N Y
COMP 1 (LEVEL CONTROLLED) Y/N N
COMP 2 (LEVEL CONTROLLED) Y/N Y
COMP 3 (LEVEL CONTROLLED) Y/N N
COMP 2 HOT (LEVEL CONTROLLED) Y/N N
SOAP DISPENSER N
DETERGENT 1 TIME ... MIN ... SEC 0
DETERGENT 2 TIME ... MIN ... SEC 0
DETERGENT 3 TIME ... MIN ... SEC 0
DETERGENT 4 TIME ... MIN ... SEC 0
DETERGENT 5 TIME ... MIN ... SEC 0
MAINWASH 2
PAUSE WITH BUZZER Y/N N
NORMAL ACTION DURING FILLING Y/N N
GENTLE ACTION DURING FILLING Y/N N
NORMAL ACTION DURING HEATING Y/N N
GENTLE ACTION DURING HEATING Y/N N
NORMAL ACTION DURING WASH Y/N N
GENTLE ACTION DURING WASH Y/N N
LEVEL ... UNITS 31
HYSTERESES ... UNITS 255
TEMPERATURE...°C 20
WASH TIME ... MIN ... SEC 30 SEC
COLD WATER Y/N N
HOT WATER Y/N N
COLD HARD WATER Y/N N
COMP 1 (LEVEL CONTROLLED) Y/N N
COMP 2 (LEVEL CONTROLLED) Y/N N
IEC 60456 Ed5 Cotton 20

26:50
COMP 3 (LEVEL CONTROLLED) Y/N N
COMP 2 HOT (LEVEL CONTROLLED) Y/N N
SOAP DISPENSER N
DETERGENT 1 TIME ... MIN ... SEC 0
DETERGENT 2 TIME ... MIN ... SEC 0
DETERGENT 3 TIME ... MIN ... SEC 0
DETERGENT 4 TIME ... MIN ... SEC 0
DETERGENT 5 TIME ... MIN ... SEC 0
MAINWASH 3
PAUSE WITH BUZZER Y/N N
NORMAL ACTION DURING FILLING Y/N N
GENTLE ACTION DURING FILLING Y/N N
NORMAL ACTION DURING HEATING Y/N Y
GENTLE ACTION DURING HEATING Y/N N
NORMAL ACTION DURING WASH Y/N Y
GENTLE ACTION DURING WASH Y/N N
LEVEL ... UNITS 31
HYSTERESES ... UNITS 255
TEMPERATURE...°C 20
WASH TIME ... MIN ... SEC 1 MIN
COLD WATER Y/N N
HOT WATER Y/N N
COLD HARD WATER Y/N N
COMP 1 (LEVEL CONTROLLED) Y/N N
COMP 2 (LEVEL CONTROLLED) Y/N N
COMP 3 (LEVEL CONTROLLED) Y/N N
COMP 2 HOT (LEVEL CONTROLLED) Y/N N
SOAP DISPENSER N
DETERGENT 1 TIME ... MIN ... SEC 0
DETERGENT 2 TIME ... MIN ... SEC 0
DETERGENT 3 TIME ... MIN ... SEC 0
DETERGENT 4 TIME ... MIN ... SEC 0
DETERGENT 5 TIME ... MIN ... SEC 0
MAINWASH 4
PAUSE WITH BUZZER Y/N N
NORMAL ACTION DURING FILLING Y/N N
GENTLE ACTION DURING FILLING Y/N N
NORMAL ACTION DURING HEATING Y/N N
GENTLE ACTION DURING HEATING Y/N N
NORMAL ACTION DURING WASH Y/N N
GENTLE ACTION DURING WASH Y/N N
LEVEL ... UNITS 31
IEC 60456 Ed5 Cotton 20

26:51
HYSTERESES ... UNITS 255
TEMPERATURE...°C 20
WASH TIME ... MIN ... SEC 30 SEC
COLD WATER Y/N N
HOT WATER Y/N N
COLD HARD WATER Y/N N
COMP 1 (LEVEL CONTROLLED) Y/N N
COMP 2 (LEVEL CONTROLLED) Y/N N
COMP 3 (LEVEL CONTROLLED) Y/N N
COMP 2 HOT (LEVEL CONTROLLED) Y/N N
SOAP DISPENSER N
DETERGENT 1 TIME ... MIN ... SEC 0
DETERGENT 2 TIME ... MIN ... SEC 0
DETERGENT 3 TIME ... MIN ... SEC 0
DETERGENT 4 TIME ... MIN ... SEC 0
DETERGENT 5 TIME ... MIN ... SEC 0
MAINWASH 5
PAUSE WITH BUZZER Y/N N
NORMAL ACTION DURING FILLING Y/N N
GENTLE ACTION DURING FILLING Y/N N
NORMAL ACTION DURING HEATING Y/N Y
GENTLE ACTION DURING HEATING Y/N N
NORMAL ACTION DURING WASH Y/N Y
GENTLE ACTION DURING WASH Y/N N
LEVEL ... UNITS 31
HYSTERESES ... UNITS 255
TEMPERATURE...°C 20
WASH TIME ... MIN ... SEC 1 MIN
COLD WATER Y/N N
HOT WATER Y/N N
COLD HARD WATER Y/N N
COMP 1 (LEVEL CONTROLLED) Y/N N
COMP 2 (LEVEL CONTROLLED) Y/N N
COMP 3 (LEVEL CONTROLLED) Y/N N
COMP 2 HOT (LEVEL CONTROLLED) Y/N N
SOAP DISPENSER N
DETERGENT 1 TIME ... MIN ... SEC 0
DETERGENT 2 TIME ... MIN ... SEC 0
DETERGENT 3 TIME ... MIN ... SEC 0
DETERGENT 4 TIME ... MIN ... SEC 0
DETERGENT 5 TIME ... MIN ... SEC 0
MAINWASH 6
IEC 60456 Ed5 Cotton 20

26:52
PAUSE WITH BUZZER Y/N N
NORMAL ACTION DURING FILLING Y/N N
GENTLE ACTION DURING FILLING Y/N N
NORMAL ACTION DURING HEATING Y/N Y
GENTLE ACTION DURING HEATING Y/N N
NORMAL ACTION DURING WASH Y/N Y
GENTLE ACTION DURING WASH Y/N N
LEVEL ... UNITS 31
HYSTERESES ... UNITS 255
TEMPERATURE...°C 10
WASH TIME ... MIN ... SEC 7 MIN
COLD WATER Y/N N
HOT WATER Y/N N
COLD HARD WATER Y/N N
COMP 1 (LEVEL CONTROLLED) Y/N N
COMP 2 (LEVEL CONTROLLED) Y/N N
COMP 3 (LEVEL CONTROLLED) Y/N N
COMP 2 HOT (LEVEL CONTROLLED) Y/N N
SOAP DISPENSER N
DETERGENT 1 TIME ... MIN ... SEC 0
DETERGENT 2 TIME ... MIN ... SEC 0
DETERGENT 3 TIME ... MIN ... SEC 0
DETERGENT 4 TIME ... MIN ... SEC 0
DETERGENT 5 TIME ... MIN ... SEC 0
DRAIN 1
PAUSE WITH BUZZER Y/N N
NORMAL ACTION Y/N Y
GENTLE ACTION Y/N N
TIME ... MIN ... SEC 1 MIN
RINSE 1
PAUSE WITH BUZZER Y/N N
NORMAL ACTION DURING FILLING Y/N N
GENTLE ACTION DURING FILLING Y/N N
NORMAL ACTION DURING HEATING Y/N Y
GENTLE ACTION DURING HEATING Y/N N
NORMAL ACTION DURING WASH Y/N Y
GENTLE ACTION DURING WASH Y/N N
LEVEL ... UNITS 31
HYSTERESES ... UNITS 255
TEMPERATURE...°C 0
WASH TIME ... MIN ... SEC 3 MIN
COLD WATER Y/N N
HOT WATER Y/N Y
IEC 60456 Ed5 Cotton 20

26:53
COLD HARD WATER Y/N Y
COMP 1 (LEVEL CONTROLLED) Y/N N
COMP 2 (LEVEL CONTROLLED) Y/N N
COMP 3 (LEVEL CONTROLLED) Y/N N
COMP 2 HOT (LEVEL CONTROLLED) Y/N N
SOAP DISPENSER N
DETERGENT 1 TIME ... MIN ... SEC 0
DETERGENT 2 TIME ... MIN ... SEC 0
DETERGENT 3 TIME ... MIN ... SEC 0
DETERGENT 4 TIME ... MIN ... SEC 0
DETERGENT 5 TIME ... MIN ... SEC 0
DRAIN 2
PAUSE WITH BUZZER Y/N N
NORMAL ACTION Y/N Y
GENTLE ACTION Y/N N
TIME ... MIN ... SEC 1 MIN
RINSE 2
PAUSE WITH BUZZER Y/N N
NORMAL ACTION DURING FILLING Y/N N
GENTLE ACTION DURING FILLING Y/N N
NORMAL ACTION DURING HEATING Y/N Y
GENTLE ACTION DURING HEATING Y/N N
NORMAL ACTION DURING WASH Y/N Y
GENTLE ACTION DURING WASH Y/N N
LEVEL ... UNITS 31
HYSTERESES ... UNITS 255
TEMPERATURE...°C 0
WASH TIME ... MIN ... SEC 3 MIN
COLD WATER Y/N N
HOT WATER Y/N Y
COLD HARD WATER Y/N Y
COMP 1 (LEVEL CONTROLLED) Y/N N
COMP 2 (LEVEL CONTROLLED) Y/N N
COMP 3 (LEVEL CONTROLLED) Y/N N
COMP 2 HOT (LEVEL CONTROLLED) Y/N N
SOAP DISPENSER N
DETERGENT 1 TIME ... MIN ... SEC 0
DETERGENT 2 TIME ... MIN ... SEC 0
DETERGENT 3 TIME ... MIN ... SEC 0
DETERGENT 4 TIME ... MIN ... SEC 0
DETERGENT 5 TIME ... MIN ... SEC 0
IEC 60456 Ed5 Cotton 20

26:54
DRAIN 3
PAUSE WITH BUZZER Y/N N
NORMAL ACTION Y/N Y
GENTLE ACTION Y/N N
TIME ... MIN ... SEC 1 MIN
RINSE 3
PAUSE WITH BUZZER Y/N N
NORMAL ACTION DURING FILLING Y/N N
GENTLE ACTION DURING FILLING Y/N N
NORMAL ACTION DURING HEATING Y/N Y
GENTLE ACTION DURING HEATING Y/N N
NORMAL ACTION DURING WASH Y/N Y
GENTLE ACTION DURING WASH Y/N N
LEVEL ... UNITS 31
HYSTERESES ... UNITS 255
TEMPERATURE...°C 0
WASH TIME ... MIN ... SEC 2 MIN
COLD WATER Y/N N
HOT WATER Y/N Y
COLD HARD WATER Y/N Y
COMP 1 (LEVEL CONTROLLED) Y/N N
COMP 2 (LEVEL CONTROLLED) Y/N N
COMP 3 (LEVEL CONTROLLED) Y/N N
COMP 2 HOT (LEVEL CONTROLLED) Y/N N
SOAP DISPENSER N
DETERGENT 1 TIME ... MIN ... SEC 0
DETERGENT 2 TIME ... MIN ... SEC 0
DETERGENT 3 TIME ... MIN ... SEC 0
DETERGENT 4 TIME ... MIN ... SEC 0
DETERGENT 5 TIME ... MIN ... SEC 0
DRAIN 4
PAUSE WITH BUZZER Y/N N
NORMAL ACTION Y/N Y
GENTLE ACTION Y/N N
TIME ... MIN ... SEC 1 MIN
EXTRACT
SPINNING ... MIN ... SEC 5 MIN
IEC 60456 Ed5 Cotton 20

26:55
MAIN DATA
BUZZER ON WHEN PROGRAM FINISHED Y/N Y
GENTLE ACTION ON TIME … SEC 3
GENTLE ACTION OFF TIME … SEC 12
NORMAL ACTION ON TIME … SEC 12
NORMAL ACTION OFF TIME … SEC 3
IEC 60456 Ed5 Cotton 20


Installation of flow meter control
FOM 71 LAB
438 9041-07/04
May only be carried out by authorized personnel.


1
Flow meter control
Flow meter control
This flow meter kit is specially designed for use
together with the reference machine FOM 71
LAB and complies with the new EN 60456/prA1.
The kit contains all necessary tubes and
connectors for installation to a water hose. If
installation to fixed tubes is preferred be sure that
a straight tube of 150 mm before and 75 mm
behind the flow meter is mounted in order to get
a uniform flow. The tube diameter shall be the
same as the attached tubes. Be sure that the
water has no particles that can block the rotating
sensor wheel in the flow meter. Mount if
necessary a filter in the water housing in front of
the straight tube. The kit also contains a standard
battery eliminator with euroconnection and 230V.
If other connections or voltages are needed an
eliminator should be bought locally with following
specifications: Output 24 VDC stabilised, Max
330mAmp, DC connector type: 2.1 mm pin,
negative pole in centre.
• Disconnect the power supply to the machine.
• Mount the flow meter control box on the wall.
• Remove the top panel.
• Mount the flow meter on the cold water supply
pipe.
• Connect cable with connection X135 to the
flow meter and connect X135 on the flow
meter control box (see page 10 and 11).
• Connect the eliminator 24V (X136) to the flow
meter control box.
• If the level control A is black it shall be
exchanged to a light grey (included in the kit).
Part No 471 8856-02.
Remove capacitor C22.
• Make a hole in the rear panel by knocking out
the hole to the left of the water connecions.
• Connect cable 10 connection X133 to the flow
meter control box and the other end to the
plinth B (X22) on connections 3 and 7 via the
hole in the rear panel.
• Disconnect the quick connector A (X9) with
the wires coming from the water valves. Pull
cable 9 through the hole in the rear panel and
connect X9A and X9B to both sides of opened
connector X9. Connect X9C to the flow meter
control box.
1
Fig
1
2
3
Fig
2
Fig
2
Fig
3
Flow
meter
Hot water
connection Cold water
connection
Cold water
supply pipe
B
A
A
C22

2
Change of EPROM
• Two memories are included in the kit, one with English display text and
one with German display text. In some cases the existing memory must
be changed (See section Start up with flow controlled programs.)
• In case a memory shift is needed dismount the FOM control board and
change the EPROM to attached.
On some machines relay 10 may not be mounted. If so, replace the
board.
Fig
4
Flow meter control
4
Fig
5
EPROM
5
RL 10
RC 10

3
106
104
102
100
98
96
0,5 1 1,5 2 2,5 3 3,5
Series 1
P (bar)
Volume %
Calibration and configuration of the flow meter
Configure the flow meter according to the
attached configuration scheme. It is very easy to
make mistakes during the configuration so be
careful and follow strictly the scheme. For a full
description of all possibilities see the attached
manual for the Batch controller type 8025. The
calibration factor ”K-factor” must be calibrated
according to conditions in each individual
laboratory. The K-factor depends among other
things of available water pressure. The figure
shows the dependency as measured in the
Electrolux- Wascator laboratory.
The two programmable volumes A1 and A2 shall
be programmed according to the water volume
indicated in EN 60 456. Note that carry over can
depend on textile quality and always make a
check before any new test series.
Flow meter control
6
Fig
5

4
Start up with flow controlled programs
Be sure that the service switch mounted on top of the electronic board is in
position 1. See picture in chapter "Service switch" in Operating and
Installation Manual FOM 71 LAB. The switch in that position means that all
programming questions will be presented on the display during
programming. Be sure that the question ”COLD HARD WATER” appears in
main wash and rinse sequences. If not the memory attached to the kit has
to be mounted on the FOM control board.
The flow meter can work parallel to the normal level control. A ”YES on
question ”HARD” water in mainwash and rinse sequences will initiate the
flow meter. The questions ”Cold” and ”HOT” water will choose the two
necessary volumes. Following procedures shall be made to convert an
existing EN 60456 program to a new program with flow meter control.
Take the existing EN 60 456 programs you want to convert to flow meter
controlled programs and copy them into an empty location (See Operating
and Installation Manual for FOM 71 LAB for copying instructions.) and
make following changes:
Set all water levels to 31 scale units (In all sequences.)
Change all inlet water in mainwash from ”COLD” to ”COLD” and ”HARD”
water.
Change all inlet waters in rinses from ”COLD” to ”HOT” and ”HARD” water.
Now ”HARD” means that the flow meter shall be used and ”COLD” water
volume A1 and ”HOT” water volume A2 (see page 8).
Only change in the sequences where you want a supply of water.
All other parameters shall be unchanged.
It is possible to run all original programs with the level control as
usual as long as the parameter ”HARD WATER” is not activated.
Flow meter control

5
Failures
The water supply stops at about 8 litres.
• Configuration wrong. Go through all configuration steps and correct.
Too much water (Approx. 30 - 40 litre). Flow control unit sends Alarm.
• No signal from sensor to flow control unit.
• Check cables.
• Check that sensor wheel in the sensor unit rotates free. Can be easily
checked by removing the sensor housing and unscrew the 4 screws
holding the wheel.
Error message from flow control unit.
• Error in stored values. Reprogram the unit.
Flow meter control

6Flow meter control

7
Flow meter control
Set and trim the K-factor value with
buttons 1 and 2 according to local
conditions depending on water
pressure, tube size etc. See also fig 6
at page 3. Suitable start value: 100.0.

8Flow meter control

9
Flow meter control

10 Flow meter control

11
Flow meter control
