Embed STT001 smartTouch Tap User Manual AIO V5 Wireless up date manual V0 1
Embed International Pty Ltd smartTouch Tap AIO V5 Wireless up date manual V0 1
Embed >
User manual

s
s
m
m
a
a
r
r
t
t
T
T
o
o
u
u
c
c
h
h
D
D
o
o
c
c
N
N
o
o
.
.
7
7
2
2
0
0
1
1
0
0
0
0
0
0
0
0
8
8
V
V
e
e
r
r
s
s
i
i
o
o
n
n
1
1
smartTouch Tap User Manua
l
smartTouch Tap User Manua
l
smartTouch Tap User Manua
l
smartTouch Tap User Manua
l
smartTouch Tap User Manua
l
STT-001STT-001STT-001STT-001STT-001

www.embedcard.com 1
Copyright © 2015 by Embed International
Notice of Rights
All rights reserved. No part of this document may be reproduced or transmitted in any form or by any
means, electronic, mechanical, photocopying, recording, or otherwise, without prior written permission of
Embed. For more information on getting permission for reprints and excerpts, contact Embed.
Notice of Liability
The information in this document is distributed on an ͞as is͟ basis, without warranty. While every precaution
has been taken in the preparation of this document, neither the author or Embed shall have any liability to any
person or entity with respect to any loss or damage caused or alleged to be caused directly or indirectly by the
instructions contained in this document or by the computer software or hardware products described herein.
www.embedcard.com
Embed Asia-Pacific ʹ Head Office
2 Neil Street
Osborne Park, WA 6017
Australia
Telephone +61 (8) 9340 0100
Facsimile +61 (8) 9340 0199
Information: info@embed.com.au
Sales: sales@embed.com.au
Support: support@embed.com.au
Embed Middle East
#1504, Indigo Icon. PO Box
37307 Jumeirah Lakes Towers
Dubai, UAE
Telephone +971 (4) 4356331
Facsimile +971 (4) 4356332
Information: infoME@embedcard.com
Sales: salesME@embedcard.com
Support: supportME@embedcard.com
Embed North & South America
1621 West Crosby Rd.
Suite 100A
Carrollton, TX 75006 United States
Telephone (469) 521-8000
Facsimile (214) 260-0976
Information: info@embedcard.com
Sales: sales@embedcard.com
Support: USAsupport@embedcard.com
Embed UK and Europe
14 The Maltings
Brassmill Lane
Bath BA1 3JL United Kingdom
Telephone +44 (0)1225 311 323
Facsimile +44 (0)1225 445 217
Information: infoUK@embedcard.com
Sales: salesUK@embedcard.com
Support:supportUK@embedcard.com

www.embedcard.com 2
Table of Contents
LIST OF ACRONYMS .............................................................................................................................................. 2
SAFETY INFORMATION ........................................................................................................................................ 3
PROTECTING AGAINST ELECTROSTATIC DISCHARGE ................................................................................................. 3
OTHER INFORMATION AND WARNINGS: ..................................................................................................................... 3
INTRODUCTION ...................................................................................................................................................... 4
MAJOR COMPONENTS ............................................................................................................................................... 4
RECOMMENDED INSTALLATION HARDWARE ............................................................................................................ 5
PRE-INSTALLATION .............................................................................................................................................. 6
SMARTTOUCH TAP READER INSTALLATION ............................................................................................... 7
VIDEO GAME INSTALLATION .................................................................................................................................... 9
HARNESS CONNECTIONS ........................................................................................................................................... 9
POWER ± 12 VOLT DC ............................................................................................................................................... 9
GAME CREDIT CONNECTIONS ................................................................................................................................. 10
BASIC CONFIGURATION OF THE SMARTTOUCH TAP .............................................................................. 11
HOW IT WORKS ..................................................................................................................................................... 11
FCC PART 15B COMPLIANCE STATEMENT .................................................................................................. 12
CE ± DECLARATION OF CONFORMITY ......................................................................................................... 12
VERSION HISTORY ............................................................................................................................................... 13
Notice
All images presented in this document are for illustration purposes only.
All procedures in this document assume a degree of technical knowledge, only persons with the
appropriate qualifications and experience should implement these procedures.
List of Acronyms
Acronym Description
STT smartTouch Tap
Wi-Fi Wireless Fidelity / IEEE 802.11b/g/n Direct Sequence
AC Alternating Current
DC Direct Current

www.embedcard.com 3
Safety Information
This guide assumes that the installer is qualified to work on electrical devices, with electronic skills
and experience working with arcade machines.
Do not use in life critical or applications requiring high reliability
The smartTouch Tap is not intended for use in systems that may affect human life or that require
a very high degree of reliability such as medical equipment, nuclear facilities, aerospace
equipment or transportation equipment. Embed does not assume any liability for accidents
resulting in injury or death, or for any damages to property that may occur as a result of using the
product in such facilities, equipment, or control systems.
Protecting against electrostatic discharge
Electrostatic discharge can damage electronic components including the Embed
smartTouch Tap. Please observe electrostatic discharge precautions for handling or
installing this equipment.
Other information and warnings:
x Embed smartTouch Tap is intended for operation between 55 0C and -20 OC (131 0F and
-4 OF).
x Embed smartTouch Tap is not intended for domestic use.

www.embedcard.com 4
Introduction
This manual describes the requirements and steps needed to successfully install the smartTouch
Tap. The scope of this document covers the hardware installation and the interface to common
Video game type.
Major Components
The smartTouch Reader
The smartTouch is the guest facing device that features a touchscreen display with a dedicated
contactless type cards type reader. Guests will tap their card for the primary purpose of
transacting at games and attractions.
The device can be mounted in portrait or landscape orientations to best suite the game and guest
accessibility.

www.embedcard.com 5
Recommended Installation Hardware
The following is a recommended range of hardware to securely install and mount the smartTouch
Tap reader. The smartTouch Tap reader uses 4mm brass inserts in the base of the enclosure so
the appropriate length 4mm metric screws must be used to properly secure the smartTouch Tap
reader. All other hardware can be adjusted to what is most appropriate and available in your area.
M4 metric, pan head, Philips drive, and zinc coated steel screws.
x Used to secure the smartTouch to the surface of the game or attraction.
x Recommended you have lengths of 10mm, 20mm and 25mm available as
a minimum.
M4 metric, zinc coated steel washers.
x Recommended these are used under every screw.
M4 metric, zinc coated steel full width nuts
6g Wood Screws used for mounting the IOC inside a wooden cabinet.

www.embedcard.com 6
Pre-Installation
Before the installation of any hardware, verify the following:
x An adequate earth connection point exists in the game cabinet.
x If the mounting surface is metal, that it is adequately earthed.
x The game credits when a coin is inserted
x The game accurately dispenses tickets
x The coin and ticket meters increment correctly
x Correct any identified faults and retest
x Disconnect the power from the game
It is vital that you are certain the game is in proper working order before beginning the installation
of the Embed hardware. This will prevent confusion later in the process.
Never source and use wire taps or wire nuts. Wire taps cut into the wire and make a minimal
connection that will deteriorate over time leading to game credit and power supply related
problems. Wire nuts also offer a less-than-desirable connection on the small gauge wire used in
games.
We recommends that crimp type butt connectors be used for wire joins and splicing.
You will need some tools and hardware for the equipment installation and recommend the
following as a minimum.
x Multi-meter
x Drill
x 5 mm drill bit
x Step drill bit up to 20mm
x Phillips screwdriver
x Wire stripper
x Crimp tool for connectors
x Butt connectors
x Cable ties
Wire Tap Wire Nut Butt Connector

www.embedcard.com 7
smartTouch Tap Reader Installation
The smartTouch Tap reader is best mounted and fixed to a location on the game that ensures LW¶V
easily accessible to guests. ,Q PDQ\ FDVHV LW¶V UHFRPPHQGHG WR PRXQW WKH smartTouch Tap
reader over the existing coin entry point as it is readily accessible and allows use of the existing
hole for cable entry.
The smartTouch Tap reader display can be adjusted to accommodate a portrait or landscape
display orientation.
Step 1: Locate the ideal position to mount the smartTouch Tap reader.
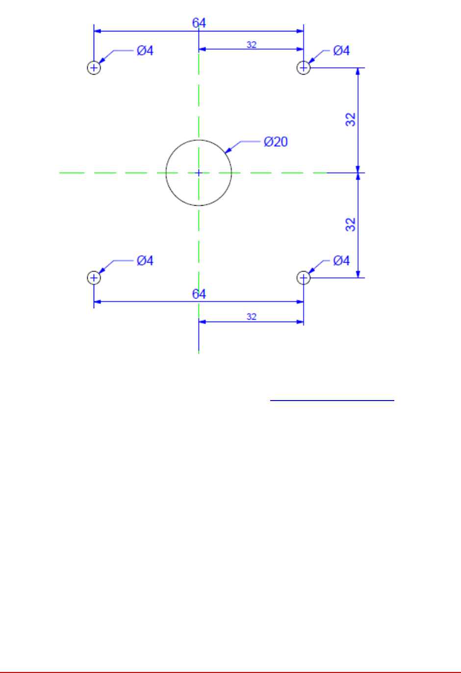
Step 2: Mark the spots for drilling. Use the smartTouch Tap reader mounting template to mark
the four mounting points and the cable connection point.
Step 3: Drill the four mounting points with a 5mm drill-bit. Drill a harness connection hole with a
12.5mm step drill-bit. Clear the holes of sharp edges to protect the harness.
Step 4: Connect the harness to the connector in the bottom of the smartTouch Tapreader. Feed
harness through the hole in the cabinet and position the smartTouch Tap reader to line up with
the screw mounting holes. Insert the correct length 4mm screws into the base of the smartTouch
Tap reader and tighten.
Portrait Orientation
Landscape Orientation

www.embedcard.com 8
Template for the smartTouch Tap reader mount point drill holes. NOT TO 1:1 SCALE
This template is available in scale PDF format from support@embedcard.com

www.embedcard.com 9
Video Game Installation
Standard type Video Games are typically strait forward to install with connections to the 12v DC
Power Supply and Credit Input only. From start to finish you can expect to take 25-35 minutes.
Harness Required
7KHKDUQHVVUHTXLUHGIRUWKLVLQVWDOODWLRQLVWKH³6WDQGDUGVideo Harness´.
Harness Connections
Power ± 12 volt DC
Power to the IOC is supplied via the 12-way connector through the following pins:
Pin number Wire Colour
Wire Function
1 ORANGE
DC +12 v
2 BLACK
DC Ground
Start by locating the JDPH¶VSRZHUVXSSO\, these are typically located in the base of the cabinet.
Identify and measure the 12v DC output ensure it is stable and ideally between 12-13v DC. Splice
in the Orange wire to +12v DC and the Black wire to DC Ground.
It is important for long term reliability that this this connection is made at, or as close as possible
to the Power Supply and not at a mid-point in the game harness or coin door.
Standard Video Harness ± Part # IOC-005

www.embedcard.com 10
If +12 v DC is not available from the game or is unstable then you will need to install a dedicated
+12v DC 1000mA supply. Note: LW¶V very important the DC Ground of the new power supply is
commoned with the existing DC Ground of the existing in game power supply. Without this
common ground ant ticket or coin monitoring will not operate correctly.
Game Credit Connections
Pin number Wire Colour
Wire Function
7 ORANGE/BLACK
CREDIT 1 N.O.
8 YELLOW/BLACK
CREDIT 1 COM.
1RWH³12PHDQV³1RUPDOO\2SHQ´³&20´0HDQV³&RPPRQ´
On the selected player station you can typically disconnect the common and normally open
connectors from the existing coin switch and plug them directly into the pre fitted harness
connectors.
Connect the other end of the harness to the smartTouch Tap at connector J7.

www.embedcard.com 11
Basic Configuration of the smartTouch Tap
As with any configurable electronic device, the smartTouch Tap contains settings that either
control or change its behaviour without modifying hardware or software associated with the
device.
The smartTouch Tap has an integrated Wi-Fi module. The smartTouch is configured to attach to
the networking and security information with the use of a special staff card.
How it works
The smartTouch Tap is very simple to use . User simply present their cards over the display to
transact. The user only needs to ensure the card is tapped within the display area of the
smartTouch Tap. The card can be tapped in either face up or face down.
The functions available to the user include :
x E-Ticket collection
x Start/ Play game
x Check Card balance
Note : The smartTouch Tap is a smart interactive device and will display messages dianamically to a user
to enhance gaming experience. The game configuration is independent of the smartTouch Tap reader and
varies from game type to game type. The user descriptions for interactive gaming messages fall outside
the scope of this manual.

www.embedcard.com 12
FCC Part 15B Compliance Statement
RADIO AND TELEVISION INTERFERENCE
This equipment has been tested and found to comply with the limits for a Class B
digital device, pursuant to Part 15 of the FCC rules. These limits are designed to
provide reasonable protection against harmful interference in a residential
installation. This equipment generates, uses and can radiate radio frequency
energy and, if not installed and used in accordance with the instructions, may
cause harmful interference to radio communications. However, there is no
guarantee that interference will not occur in a particular installation. If this
equipment does cause harmful interference to radio or television reception, which
can be determined by turning the equipment off and on, the user is encouraged to
try to correct the interference by one or more of the following measures:
x Reorient or relocate the receiving device.
x Increase the separation between the equipment and the receiver.
x Connect the equipment into an outlet on a circuit different from that to which
the receiver is connected.
x Consult the dealer or an experienced radio/TV technician for help.
You may also find helpful the following booklet, prepared by the FCC: "How to
Identify and Resolve Radio-TV Interference Problems." This booklet is available
from the U.S. Government Printing Office, Washington D.C. 20402.
Any Changes or Modifications not expressly approved by Embed International or
registrant of this equipment can void your authority to operate this equipment under
Federal Communications Commissions rules.
This device complies with part 15 of the FCC Rules. Operation is subject to the
Following two conditions:
(1) This device may not cause harmful interference, and (2) this device must
accept any interference received, including interference that may cause
undesired operation
CE ± Declaration of Conformity
The smartTouch Tap equipment meets the requirement of EC dircetives for CE certification
R&TTE 1999/5/EC the following standards are applied :
Standard
EN 60950-1: 2006+A11:2009+A1:2010+A12:2011+A2:2013
ETSI EN 301 489-1 V1.9.2, ETSI EN 301 489-3 V1.6.1,
ETSI EN 301 489-17 V2.2.1, ETSI EN 300 328 V1.9.1, ETSI EN 300 330-1
V1.8.1, ETSI EN 300 330-2 V1.6.1, EN 62311: 2008, EN 50364: 2010
This equipment complies w ith FCC radiation ex posure limits set forth for an
uncontrolled env ironment. This equipment should be installed and operated w ith
minimum distance 20cm betw een the radiator & y our body.

www.embedcard.com 13
Version History
V 0.0 Initial document T Venter 20/01/2016
V 1.0 Upate smartTouch errors T Venter 28/01/2016