Emerson 299H Pressure Reducing Regulators Data Sheet
2015-03-30
: Emerson Emerson-299H-Pressure-Reducing-Regulators-Data-Sheet-680898 emerson-299h-pressure-reducing-regulators-data-sheet-680898 emerson pdf
Open the PDF directly: View PDF
.
Page Count: 28

Bulletin 71.2:299H
January 2014
D102683X012
www.sherregulators.com
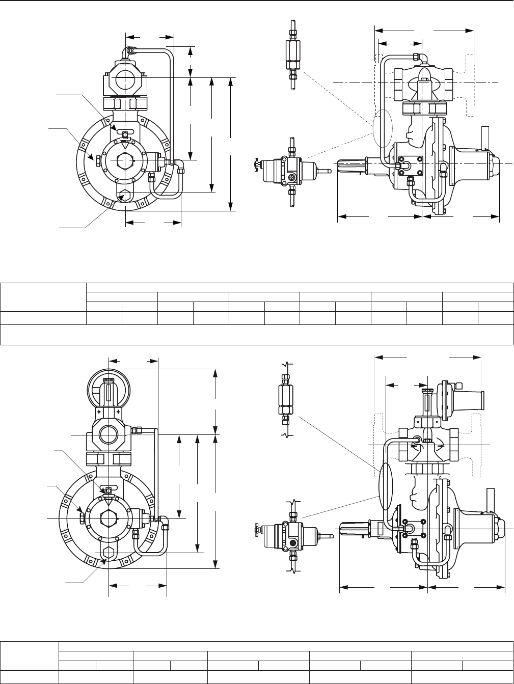
Figure 1. 299H Series Pressure Reducing Regulators
299H Series Pressure Reducing Regulators
• Inlet Pressure up to
175 psig / 12.1 bar
• Compact
• Integral Pilot
• ±1% Accuracy for
Fixed Factor Billing (PFM)
• Rugged Construction
• Easy to Maintain
• No Bleed Monitor
• Optional
Slam-Shut
Conguration
• External, Internal or
Dual Registration
• Optional Token Relief
• High Capacity
• Robust
• Outlet Pressures up
to 60 psig / 4.1 bar
W7513

Bulletin 71.2:299H
2
Available Constructions
Type 299H: Pilot-operated pressure reducing
regulator with a pilot integrally mounted to the
actuator casing.
Type 299HR: A Type 299H with a token internal
relief valve to relieve minor overpressure caused
by thermal expansion.
Type 299HS: Same as the Type 299H with a
Type VSX-2 slam-shut valve which provides
overpressure or overpressure and
underpressure protection.
Type 299HSR: Same as the Type 299HS with an
internal token relief valve.
Body Size and End Connection Styles
See Table 1
Maximum Operating Inlet Pressure by Orice Size(1)
1/4 x 3/8 inch / 6.4 x 9.5 mm ......... 175 psig / 12.1 bar
3/8 inch / 9.5 mm ........................... 175 psig / 12.1 bar
1/2 inch / 13 mm ............................ 175 psig / 12.1 bar
3/4 inch / 19 mm ......................... 150 psig / 10.3 bar
7/8 inch / 22 mm(5)...........................125 psig / 8.6 bar
1 inch / 25 mm(5) ..............................100 psig / 6.9 bar
1-3/16 inch / 30 mm(5) ..........................80 psig / 5.5 bar
Maximum Casing and Emergency Outlet Pressure(1)
66 psig / 4.5 bar
Outlet (Control) Pressure Ranges(1)(2)
See Table 2
Maximum Set Pressure for Type 299HS(1)
16 psig / 1.1 bar
Maximum Set Pressure for Slam-Shut Device(1)
23 psig / 1.6 bar
Minimum and Maximum Trip Pressure Ranges
See Table 4
Type VSX-2 Sensing Line Connection
1/4 NPT
Flow Coefcients
See Table 3
Flow Capacities
See Tables 5 through 10
1. The pressure/temperature limits in this Bulletin and any applicable standard or code limitation should not be exceeded.
2. For optimum performance, a pilot supply regulator may be installed in the pilot supply tubing between the main valve and pilot.
3. A pilot supply regulator or a P590 Series lter (only one may be used, not both) may be ordered with the Type 299H, but not both.
4. For inch w.c., use a pilot supply regulator if actual inlet pressure varies more than ±20 psi / ±1.4 bar and published accuracy is required.
5. This orice size is not available for Types 299HS and 299HSR.
Pressure Control Accuracy (Fixed Factor) (PFM)
±1%(3) of absolute control pressure
Minimum Differential Pressure For Full Stroke
1.5 psid / 0.10 bar d
Control Line Connections
3/4 NPT; See Figures 8 and 9
Temperature Capabilities(1)
-20 to 150°F / -29 to 66°C
Approximate Weight
21 pounds / 10 kg
Pressure Registration
Internal, External or Dual Registration
See Figure 3
Fixed Restriction Sizes
0.044 inch / 1.1 mm, Red (standard gain)
0.071 inch / 1.8 mm, Green (low gain)
0.082 inch / 2.1 mm, Blue (lower gain)
Options
• Filter(3): A P590 Series lter installed in the pilot
supply tubing between main body and pilot
• Filtered pilot supply regulator(3)(4): A Type 67CF
supply regulator with integral 5 micron
Polyethylene lter
Construction Materials
Actuator Upper Casings: Aluminum
Actuator Lower Casing: Aluminum
Pilot Spring Case: Aluminum
Actuator Diaphragm: Nitrile (NBR)
Pilot Diaphragm: Nitrile (NBR)
Pilot Inlet Screen: Stainless steel
Valve Body: Cast iron, Ductile iron or Steel
Orice and Valve Stem: Aluminum
Disk Holder: Aluminum holder with Nitrile (NBR) disk
Main Disk Construction: Nitrile (NBR)
Metal Trim Parts For Pilot: Aluminum
Pilot Disk Construction: Nitrile (NBR)
O-rings: Nitrile (NBR)
Fittings: Steel (standard) or Stainless steel
Tubing: Stainless steel
Specications
Specications for 299H Series constructions are given below. Some specications for a given regulator as it originally
comes from the factory are stamped on a nameplate located on the actuator upper casing.

Bulletin 71.2:299H
3
3/4 NPT
CONTROL LINE
Figure 2. 299H Series Sectional Views
Features
• Compact in Size—Small envelope because of the
built-in pilot and internal registration.
• Unique No Bleed Monitor System—Flexible
worker/monitor system setup that allows for
bleed to be piped to the intermediate piping thus
eliminating downstream bleed which reduces lost
and unaccounted for gas. Another advantage of this
conguration is that the system lockup pressure is
that of the worker instead of the monitor.
• Not an Adaptation of Existing Regulators—
New design of integrated cases and internal
registration ports.
• Wide Variety of Applications—Natural gas
distribution systems, gas supply to industrial
boilers, furnaces, ovens, mixers, plant air service.
• Highest Quality— Designed and manufactured to
ISO 9001 standards.
• Accuracy—Keeps constant inlet pressures to
downstream equipment by accurately controlling
distribution system pressures at widely varying ow
rates and supply pressures for maximum efciency
and best operation or by eliminating the need for
pressure-compensating meters by holding a steady
pressure to the meter inlet.
• Optional Token Relief—The Types 299HR and
299HSR with an integral token relief in the pilot is
designed to relieve minor overpressure caused by
thermal expansion.
• High-Capacity Pressure Control—Actuator
diaphragm responds quickly to downstream
pressure change, causing immediate correction in
W7527-1
TYPE 299H WITH EXTERNAL REGISTRATION TYPE 299HR PILOT WITH OPTIONAL TOKEN RELIEF
W7528-1
main valve position. Pilot responds simultaneously
and controls nal positioning of main valve. This
action permits full main valve travel, resulting in
higher capacity than could be obtained without an
external pilot regulator.
• Easy Registration Conversion—Two screws and
O-rings change internal registration to external or
dual registration.
• Easy Startup—No special procedure required.
• Easy to Maintain—Main valve disk and orice can
be inspected without removing body from pipeline.
Easy access two bolt ange permits quick removal
of actuator and pilot from body.
• Economical, Labor-Saving Installation—Supply
pressure to pilot is factory-piped directly from inlet
side of main regulator body, thus requiring no
upstream pilot supply line on standard installations.
• Rugged Construction—With a two bolt connection
of the regulator to the body and no union ring, the
299H Series regulators are designed for longer
service life with minimal maintenance requirements.
• No gaskets—Reusable O-rings at all
serviceable joints.
• Startup Protection—The main valve and the pilot
are designed with reverse pressure mechanisms to
prevent damage during startup or sudden increase
in downstream pressure.
• Fewer Parts—Fewer recommended parts needed
for spare parts inventory.

Bulletin 71.2:299H
4
Introduction
Description
!
WARNING
Since a pilot-operated regulator is
constructed of both a pilot and a main
valve, do not exceed the maximum inlet
pressure shown on the nameplate.
The 299H Series pressure reducing regulators provide
a broad capacity of controlled pressure ranges and
capacities in a wide variety of distribution, industrial
and commercial applications. A 299H Series regulator
has a pilot integrally mounted to the actuator casing.
The 299H Series regulators can handle inlet pressures
up to 175 psig / 12.1 bar depending on orice size.
The integral token relief on the Types 299HR and
299HSR regulators is located in the pilot and
alerts you to an increase in downstream pressure
beyond the regulator setpoint.
The Type 299HS provides overpressure or
overpressure and underpressure protection by
completely shutting off the ow of gas to the
downstream system. It comes with a Type VSX-2
slam-shut device which can be congured for
Ovepressure Shutoff (OPSO) or Overpressure and
Underpressure Shutoff (OPSO/UPSO). The slam-shut
device’s actions are independent of the main valve
and of variations to the inlet pressure. The Type VSX-2
slam-shut device has internal or external registration.
External registration requires a downstream
sensing line.
Options
P590 Series Pilot Supply Filter
The optional P590 Series pilot supply lter prevents
pipeline debris from entering the pilot; a primary cause
of pilot clogging. When the upstream system is free of
debris, the 299H Series regulators may be installed
without a pilot supply lter.
Type 67CF Filtered Pilot Supply Regulator
When it is necessary to install a pilot supply regulator,
an optional Type 67CF ltered pilot supply regulator
may be installed. For example, on applications with
inches of water column setpoints and inlet pressure
variations of more than ±20 psig / ±1.4 bar it may
be necessary to install a Type 67CF to maintain
published accuracy.
Principle of Operation
Letter keys in this section refer to Figure 3 unless
otherwise noted. Fast response and accuracy are made
possible by the amplifying effect of the pilot and by the
two-path control system. The function of the pilot is
to sense change in the controlled outlet pressure and
amplify it into a larger change in the loading pressure.
Any changes in outlet pressure act quickly on both the
actuator diaphragm and the loading pilot, thus providing
the precise pressure control and fast speed of response
that is characteristic of a two-path system.
Upstream or inlet pressure is utilized as the operating
medium, which is reduced through pilot operation to
load the main diaphragm chamber. Tubing connects
the inlet pressure to the pilot. Downstream or outlet
pressure registers underneath main diaphragm (E) and
on top of pilot diaphragm (F). There are three different
versions of pressure registration for the Type 299H.
Internal registration (screws and O-rings (J)
removed)—Outlet pressure is registered through the
throat to the main diaphragm chamber and through a
small port (G) to the top of the pilot diaphragm. Internal
registration is used for ease of installation. Capacity
is somewhat limited because of droop and/or boost
associated with sensing pressure within the body.
External registration—Screws and O-rings (J) block
the throat and a downstream control line is connected to
the pilot diaphragm chamber which is connected to the
lower main diaphragm chamber by a small port (G). The
other end of the control line connects to the downstream
pipeline. External registration is used for higher capacity
and/or the upstream regulator in a monitor set. It also
allows monitoring for inlet pressures over 66 psig /
4.5 bar. Capacity is increased because of better
registration of pipeline pressure when a control line is
used. The alternate 3/4 NPT control line connection
(on the side of the pilot) can be used for piping
convenience, see Figures 8 and 9.
Dual registration (screws and O-rings (J) removed)—
The lower main diaphragm chamber registers outlet
pressure through the throat and the pilot diaphragm
chamber registers downstream pressure by use of
a downstream control line. The port (G) between the
chambers is blocked by inserting a screw and O-ring
(J) that was removed from the throat and the control
line runs from the pilot to the downstream pipeline. Dual
registration, with its larger orice (control line must be
piped to the primary 3/4 NPT connection on the side
of the pilot), provides an improved performance as
compared to internal pressure registration when used in
low ow rate and high pressure drop applications. It is
also used for no downstream bleed monitoring systems
with inlet pressures up to 66 psig / 45 bar.

Bulletin 71.2:299H
5
3/4 NPT
DOWNSTREAM
CONTROL LINE
CONNECTION
J
G
3/4 NPT
DOWNSTREAM
CONTROL LINE
CONNECTION
J
G
Figure 3. Type 299H Operational Schematic
INLET PRESSURE
OUTLET PRESSURE
ATMOSPHERIC PRESSURE
LOADING PRESSURE
A7268_1
EXTERNAL REGISTRATION
A7269
DUAL REGISTRATION
A7270
Figure 4. Type 299HR Operational Schematic
TOKEN RELIEF CLOSED TOKEN RELIEF OPEN
A7271
A7272
INLET
OUTLET
A
PILOT
SUPPLY
SCREEN
C
G
F
K
3/4 NPT
CONTROL LINE
CONNECTION
B
E
H
J
TYPE 299H WITH INTERNAL REGISTRATION

Bulletin 71.2:299H
6
Figure 5. Type 299HS Operational Schematic
Type 299HS
E0072
INLET PRESSURE
OUTLET PRESSURE
ATMOSPHERIC PRESSURE
July 2008 Type 299HS
LOADING PRESSURE
EXTERNAL REGISTRATION
INTERNAL REGISTRATION
Type 299H
In operation, assume the outlet pressure is less than
the setting of pilot control spring (A). The top side
of pilot diaphragm assembly (F) will have a lower
pressure than the setting of spring (A). Spring (A)
forces the diaphragm assembly upward, opening the
pilot orice (C). Additional loading pressure is supplied
to the top side of the main diaphragm (E).
This creates a higher pressure on the top side of
main diaphragm (E) than on the bottom side, forcing
the diaphragm downward. This motion is transmitted
through a lever, which pulls the valve disk (K) open,
allowing more gas to ow through the valve.
When the gas demand in the downstream system
has been satised, the outlet pressure increases.
The increased pressure is transmitted through the
downstream control line (for external or dual registration)
or through the port (G) (for internal registration) and acts
on top of the pilot diaphragm (F). This pressure exceeds
the pilot spring setting and forces the diaphragm down,
closing the orice (C). The loading pressure acting on
main diaphragm (E) bleeds to the downstream system
through a bleed restriction (H).
With a decrease in loading pressure on top of main
diaphragm (E), main spring (B) exerts an upward
force on the diaphragm post connected to main
diaphragm (E), pulling it upward. This moves the
main valve disk (K) toward its seat, decreasing ow
to the downstream system.
Type 299HR
Refer to Figure 4. The Type 299HR provides an integral
token relief valve. During an overpressure condition the
spring on the pilot post will allow the diaphragm head to
travel to the spring case. As the diaphragm head moves
a small amount of gas is relieved.
Note
The Type 299HR is not a full capacity
relief device. Approximate start-to-
discharge pressure is dependent on set
pressure, see Figure 7.
During normal operation the Type 299HR performance
is identical to the Type 299H. If an overpressure
condition occurs, the pilot diaphragm head will
separate from the pilot diaphragm post and travel
until it contacts the pilot spring case. The movement
of the diaphragm head creates a path and a token or
noticeable amount of gas will be released.
When the overpressure condition ceases, the pilot
diaphragm head will return to the diaphragm post and
the regulator will return to normal operation.
E0072
Type 299HS
E0072
INLET PRESSURE
OUTLET PRESSURE
ATMOSPHERIC PRESSURE
July 2008 Type 299HS
LOADING PRESSURE
EXTERNAL REGISTRATION
INTERNAL REGISTRATION
Type 299HS
E0072
INLET PRESSURE
OUTLET PRESSURE
ATMOSPHERIC PRESSURE
July 2008 Type 299HS
LOADING PRESSURE
EXTERNAL REGISTRATION
INTERNAL REGISTRATION

Bulletin 71.2:299H
7
Table 2. Outlet Pressure Ranges
Table 1. Body Sizes and End Connection Styles
BODY SIZE,
NPS / DN
BODY MATERIAL AND END CONNECTION STYLES
Cast Iron
(For Types 299H and 299HR only) Ductile Iron Steel
(For Types 299H and 299HR only)
1-1/4
1-1/2
NPT
NPT
- - - -
NPT
- - - -
NPT
2 / 50 NPT, CL125 FF Flanged(1) NPT, CL125 FF and CL250 RF Flanged,
PN 10/16 Flanged NPT, CL150 RF Flanged
1. This ange is available with a face-to-face dimension of 7.5 or 10 inches / 191 or 254 mm.
Type 299HS
Refer to Figure 5. The Type VSX-2 slam-shut device
on the Type 299HS regulator is a fast acting slam-shut
valve which provides overpressure or overpressure
and underpressure protection by completely shutting
off the ow of gas to the downstream system. The
slam-shut module’s actions are independent of the
Type 299HS main regulator and of variations to
the inlet pressure. The Type VSX-2 has internal or
external registration. External registration requires a
downstream sensing line.
The slam-shut disk is held in the open position (reset
position) by a small ball holding the disk stem. If the
pressure below the diaphragm increases (or decreases)
reaching the Type VSX-2 setpoint, the diaphragm will
travel upwards (or downwards) operating a lever which
in turn releases the ball.
Once the ball is released, the spring force on the stem
will push the stem and disk to the closed position against
the seat shutting off all gas ow. The pilot supply pressure
is also shut off when the Type VSX-2 is closed. The
manual reset has an internal bypass to equalize the reset
pressure on either side on the slam-shut disk.
In order for the Underpressure Shutoff (UPSO) of
any slam shut to be triggered, the downstream pipe
pressure must drop below the UPSO setpoint. In the
case of a downstream line break, numerous factors
can prevent the downstream pipe pressure from
decreasing below the slam-shut UPSO setpoint. These
factors include the distance of pipe to the break, the
diameter of the pipe, size of the break and the number
of restrictions, such as valves, elbows and bends,
downstream of the regulator and/or slam-shut device.
Due to these factors additional protections should be
installed to stop ow in the event of a line break.
Overpressure Protection
Like most regulators, the Type 299H has outlet pressure
ratings lower than the inlet pressure ratings. Complete
downstream overpressure protection is needed if the
actual inlet pressure exceeds the outlet pressure rating.
Overpressure protection for internal parts is built
into the main and pilot diaphragms by means of a
small spring on each post. The springs will allow
the diaphragm heads to move farther on the posts
avoiding damage to or bending of the valve trim.
Overpressuring any portion of a regulator or
associated equipment may cause leakage, parts
damage or personal injury due to bursting of pressure-
containing parts or explosion of accumulated gas.
Regulator operation within ratings specied in the
Specications section and on the regulator nameplate
does not preclude the possibility of damage from
external sources or from debris in the pipeline. A
regulator should be inspected for damage periodically
and after any overpressure condition. The pilot vent
is provided with a 1/4 NPT tapped connection in the
spring case.
Monitoring Systems
Monitoring regulators serve as overpressure protection
devices to limit system pressure in the event of open
failure of a working regulator feeding the system.
OUTLET (CONTROL)
PRESSURE RANGE
TYPE PILOT CONTROL SPRING
299H
299HR,
299HS and
299HSR
Part Number Color Free Length Wire Diameter
Inch w.c. mbar Inch mm Inch mm
3.5 to 6(1)
5 to 9(1)
7 to 20(1)
16 to 40(1)
9 to 15(1)
12 to 22(1)
17 to 50(1)
40 to 99(1)
X
X
X
X
X
X
X
X
T13707T0012
T13589T0012
1N3112X0012
1B413727222
Black
Yellow
Unpainted
Purple
1.86
2.05
2.18
2.12
47.2
52.1
55.4
53.8
0.055
0.051
0.075
0.092
1.40
1.30
1.90
2.34
1 to 3.25 psig
2.75 to 6 psig
5 to 16 psig
14 to 35 psig
30 to 60 psig
69 mbar to 0.22 bar
0.19 to 0.41 bar
0.34 to 1.1 bar
0.97 to 2.4 bar
2.1 to 4.1 bar
X
X
X
X
X
X
X
X
- - - -
- - - -
T13593T0012
T13671T0012
T13600T0012
19B0432X012
19B0432X022
Light blue
Orange
Red
Zinc
Green
2.12
2.40
2.10
2.15
2.75
53.8
61.0
53.3
54.6
69.8
0.105
0.120
0.142
0.207
0.225
2.67
3.05
3.61
5.26
5.71
1. Use a pilot supply regulator if actual inlet pressure varies more than ±20 psi / ±1.4 bar and the published accuracy is required.

Bulletin 71.2:299H
8
A7136A
NOTE: IF USED, THE PILOT SUPPLY REGULATOR SHOULD BE SET TO
3 psig / 0.21 bar ABOVE THE MONITOR OUTLET PRESSURE SETTING.
WIDE-OPEN DOWNSTREAM MONITOR
Figure 6. Typical Monitor Installations
A7136B
NOTE: IF USED, THE PILOT SUPPLY REGULATOR SHOULD BE SET TO
3 psig / 0.21 bar ABOVE THE MONITOR OUTLET PRESSURE SETTING.
WIDE-OPEN UPSTREAM MONITOR
A7136C
NOTE: THE PILOT SUPPLY REGULATOR SHOULD BE SET TO
3 psig / 0.21 bar ABOVE THE MONITOR OUTLET PRESSURE SETTING.
WIDE-OPEN UPSTREAM MONITOR
OPTIONAL PILOT
SUPPLY FILTER OR
FILTERED PILOT
SUPPLY REGULATOR
WIDE-OPEN
MONITOR
OPTIONAL PILOT
SUPPLY REGULATOR
WORKING
REGULATOR
A7273
NOTE: THE PILOT SUPPLY REGULATOR SHOULD BE SET TO
3 psig / 0.21 bar ABOVE THE MONITOR OUTLET PRESSURE SETTING.
NO DOWNSTREAM BLEED MONITOR SYSTEM
0.14 0.28 0.41 0.55 0.69 0.83 0.97 1.10 1.24 1.38 1.52
16
14
12
10
8
6
4
2
0
1.10
0.97
0.83
0.69
0.55
0.41
0.28
0.14
0246810 12 14 16 18 20 22
APPROXIMATE START-TO-DISCHARGE, psig
APPROXIMATE START-TO-DISCHARGE, bar
SET psig
SET bar
RED SPRING
5 TO 16 psig /
0.34 to 1.1 bar
T13600T0012
LIGHT BLUE
SPRING
1 TO 3.25 psig /
69 mbar to
0.22 bar
T13593T0012
ORANGE SPRING
2.75 TO 6 psig /
0.19 to 0.41 bar
T13671T0012
SET mbar
APPROXIMATE START-TO-DISCHARGE, psig
APPROXIMATE START-TO-DISCHARGE, bar
0.10 0.14 0.17 0.21 0.24 0.28
40
35
SET INCHES W.C.
30
25
20
15
10
5
0
99
87
75
62
50
37
25
12
1.5 2.0 2.5 3.0 3.5 4.0
YELLOW SPRING
5 TO 9 INCHES W.C. /
12 to 22 mbar
T13589T0012
Figure 7. Type 299HR Approximate Start-to-Discharge
BLACK SPRING
3.5 TO
6 INCHES W.C. /
9 to 15 mbar
T13707T0012
PURPLE SPRING
16 TO
40 INCHES W.C. /
40 to 99 mbar
1B41372722
UNPAINTED SPRING
7 TO 20-INCHES W.C. /
17 to 50 mbar
1N3112X0012
OPTIONAL PILOT SUPPLY
FILTER OR FILTERED PILOT
SUPPLY REGULATOR
OPTIONAL PILOT
SUPPLY REGULATOR
WIDE-OPEN
MONITOR
WORKING
REGULATOR
OPTIONAL PILOT SUPPLY
FILTER OR FILTERED PILOT
SUPPLY REGULATOR
OPTIONAL PILOT
SUPPLY REGULATOR
WIDE-OPEN
MONITOR
WORKING
REGULATOR
OPTIONAL PILOT SUPPLY
FILTER OR FILTERED PILOT
SUPPLY REGULATOR
OPTIONAL PILOT
SUPPLY REGULATOR
WIDE-OPEN
MONITOR
WORKING
REGULATOR

Bulletin 71.2:299H
9
Table 4. Type VSX-2 High and Low Trip Pressure Ranges
Table 3. Flow Coefcients
TYPE ORIFICE DIAMETER WIDE-OPEN REGULATING(1) C1 WHEN ∆P < 10 psi /
0.69 bar
C1 WHEN ∆P > 10 psi /
0.69 bar
Inch mm CgCvCgCv
299H / 299HR
1/4 x 3/8
3/8
1/2
3/4
7/8
1
1-3/16
6.4 x 9.5
9.5
13
19
22
25
30
53
117
203
437
544
725
910
2.0
4.2
7.0
14.1
16.5
20.7
25.3
50
115
200
430
534
710
885
1.9
4.0
6.9
13.9
16.2
20.3
24.6
26
30
30
32
34
36
37
26
28
28
30
32
34
35
299HS /
299HSR
1/4 x 3/8
3/8
1/2
3/4
6.4 x 9.5
9.5
13
19
53
117
184
421
2.0
4.1
5.0
11.9
50
115
180
415
1.9
4.0
4.9
11.7
26
30
38
36
26
28
36
35
1. For external/dual registration only.
RANGE SLAM-SHUT
REGISTRATION
FOR USE WITH MAIN VALVE
SPRING RANGE
MINIMUM TO MAXIMUM
TRIP PRESSURE TYPE VSX-2
SPRING PART
NUMBER
SPRING FREE
LENGTH
SPRING WIRE
DIAMETER
Inch w.c. mbar Inch w.c. mbar Inch mm Inch mm
High
Pressure
Trip
Internal or
External
3.5 to 6 9 to 15 12 to 25 30 to 62 T14162T0012 3.15 80.0 0.07 1.70
5 to 9 12 to 22
3.5 to 6 9 to 15
20 to 52 50 to 129 T14163T0012 3.15 80.0 0.08 2.03
5 to 9 12 to 22
7 to 20 17 to 50
7 to 20 17 to 50 1.4 to 3.9 psig 97 to 269 T14164T0012 3.15 80.0 0.09 2.31
16 to 40 40 to 99
16 to 40 40 to 99
3.8 to 8.7 psig 262 to 600 T14165T0012 3.15 80.0 0.12 3.051 to 3.25 psig 69 mbar to 0.22 bar
2.75 to 6 psig 0.19 to 0.41 bar
2.75 to 6 psig 0.19 to 0.41 bar 5.8 to 16 psig 400 to 1103 T14166T0012 3.15 80.0 0.14 3.51
5 to 16 psig 0.34 to 1.1 bar
5 to 16 psig 0.34 to 1.1 bar 11.6 to 23 psig 800 to 1586 T14167T0012 3.15 80.0 0.17 4.32
Low
Pressure
Trip
External
5 to 9 12 to 22 2 to 12 5 to 30 T14168T0012 3.15 80.0 0.04 1.09
7 to 20 17 to 50
7 to 20 17 to 50 4 to 30 10 to 75 T14169T0012 3.15 80.0 0.06 1.40
16 to 40 40 to 99
1 to 3.25 psig 69 mbar to 0.22 bar 0.36 to 2.3 psig 25 to 159 T14170T0012 3.15 80.0 0.07 1.70
2.75 to 6 psig 0.19 to 0.41 bar
2.75 to 6 psig 0.19 to 0.41 bar 1.5 to 10.8 psig 103 to 745 T14171T0012 3.15 80.0 0.13 3.17
5 to 16 psig 0.34 to 1.1 bar
Low
Pressure
Trip
Internal
5 to 9(1) 12 to 22(1)
- - - - - - - - - - - - - - - - - - - - - - - - - - - - - - - - - - -
7 to 20(1) 17 to 50(1)
7 to 20(1) 17 to 50(1)
16 to 40(1) 40 to 99(1)
1 to 3.25 psig(2) 69 mbar to 0.22 bar(2) 70% of regulator
setpoint to 2.3 psig
70% of regulator
setpoint to 159 mbar T14170T0012 3.15 80.0 0.07 1.70
2.75 to 6 psig(2) 0.19 to 0.41 bar(2)
2.75 to 6 psig(2) 0.19 to 0.4 1 bar(2) 70% of regulator
setpoint to 10.8 psig
70% of regulator
setpoint to 745 mbar T14171T0012 3.15 80.0 0.13 3.17
5 to 16 psig(3) 0.34 to 1.1 bar(3) 75% of regulator
setpoint to 10.8 psig
75% of regulator
setpoint to 745 mbar T14171T0012 3.15 80.0 0.13 3.17
1. Low Pressure Trip cannot be used with this main valve spring range for an internally registered Type VSX-2 to provide underpressure shutoff under owing conditions. If protection against
loss of inlet pressure is the only required function for the Type VSX-2 then an internally registered Type VSX-2 may be used with the same minimum trip pressures as an externally
registered Type VSX-2.
2. 70% of regulator setpoint is the minimum allowable Low Pressure Trip setting for an internally registered Type VSX-2 used with this main valve spring range. If protection against loss of inlet
pressure is the only required function for the Type VSX-2 then an internally registered Type VSX-2 may be used with the same minimum trip pressures as an externally registered
Type VSX-2.
3. 75% of regulator setpoint is the minimum allowable Low Pressure Trip setting for an internally registered VSX-2 used with this main valve spring range. If protection against loss of inlet
pressure is the only required function for the Type VSX-2 then an internally registered Type VSX-2 may be used with the same minimum trip pressures as an externally registered
Type VSX-2.
Note: Other spring combinations are available. Please contact your local Sales Ofce for additional information.

Bulletin 71.2:299H
10
Wide-Open Monitor
The control line of the upstream regulator is connected
downstream of the second regulator (Figure 6), so
that during normal operation the monitoring regulator
is standing wide open with the reduction to distribution
pressure being taken across the working regulator. Only
in case of open failure of the working regulator does the
wide-open monitoring regulator take control at its slightly
higher setting. A pressure build-up above the monitor set
pressure is required for the monitor to take control in the
event of an overpressure situation. Installing a pilot supply
regulator on the monitor will minimize the pressure build-
up. The pilot supply regulator should be set to
3 psig / 0.21 bar above the monitor setpoint.
The minimum set pressure difference between
the worker and monitor should be greater than the
proportional band. Small set pressure differences may
cause the worker and monitor to function independently.
The upstream regulator can easily be eld converted
or ordered with screws and O-rings in the throat
(Figure 6). This seals off the path that otherwise would
let line pressure ahead of the working regulator inlet
and try to close the wide-open monitoring regulator.
No Downstream Bleed Monitor
The no bleed monitor is a wide-open upstream
monitor which works like a conventional wide-open
upstream monitor except for registration. The no bleed
monitor utilizes a dual registration construction as
opposed to the external registration construction of the
conventional monitor. This ensures that the lockup of
the monitor system is the lockup of the downstream
working monitor at zero ow during normal operation.
Installation
Although the actuator and pilot can be mounted in
90° increments relative to the body, the normal installation
is with the body in a horizontal run of pipe and the pilot
hanging vertically from the bottom of the actuator.
Control and vent lines necessary for installation are not
supplied with a Type 299H regulator. Control and vent
connection locations are shown in Figures 8 and 9.
In many instances good piping practice will require
that outlet piping be swaged up above the body size
to prevent excessive pressure drop along the outlet
line. The piping should be expanded as close to the
regulator outlet as possible.
Capacity Information
Tables 5 through 10 give the 299H Series natural gas
regulating capacities at selected inlet pressures and
outlet pressure settings. Flows are in SCFH (60°F and
14.7 psig) and Nm³/h (0°C and 1.01325 bar) of 0.6
specic gravity natural gas. To determine equivalent
capacities for air, propane, butane or nitrogen, multiply
the capacity number in the tables by the following
appropriate conversion factor: 0.775 for air, 0.628 for
propane, 0.548 for butane or 0.789 for nitrogen. For
gases of other specic gravities, multiply the given
capacity by 0.775 and divide by the square root of the
appropriate specic gravity.
For critical ow:
To determine wide-open ow capacities for relief
sizing of 0.6 specic gravity natural gas at 60°F at
critical pressure drops (absolute outlet pressure equal
to approximately one-half or less than one-half of the
absolute inlet pressure), use the following formula:
Q = P1(abs)(Cg)(1.29)
For subcritical ow:
If pressure drops are lower than critical (absolute
outlet pressure greater than approximately one-half
the absolute inlet pressure), use the following formula
and convert according to the factors in the preceding
paragraph if necessary:
Q = CgP1SIN
520
GT
3417
C1
∆P
P1
DEG
where:
C1 = Cg/Cv (see Table 3)
Cg = Gas sizing coefcient (see Table 3)
G = Gas specic gravity (air = 1.0)
P1 = Regulator inlet pressure, psia
∆P = Pressure drop across regulator, psi
Q = Gas ow rate, SCFH
T = Absolute temperature of gas at
inlet, °Rankine
Note
Due to boost, the above formulas
cannot be used to obtain correct
regulating capacities for regulators with
internal registration.
The published capacities were obtained using inlet and
outlet piping the same size as the regulator body size.

Bulletin 71.2:299H
11
OUTLET PRESSURE
RANGE, SETTING,
ACCURACY, SPRING PART
NUMBER AND COLOR
INLET PRESSURE
CAPACITIES IN SCFH / Nm3/h OF 0.6 SPECIFIC GRAVITY NATURAL GAS
Orice Size, Inch / mm
1/4 x 3/8 / 6.4 x 9.5 3/8 / 9.5 1/2 / 13 3/4 / 19 7/8 / 22 1 / 25 1-3/16 / 30
psig bar SCFH Nm3/h SCFH Nm3/h SCFH Nm3/h SCFH Nm3/h SCFH Nm3/h SCFH Nm3/h SCFH Nm3/h
3.5 to 6 inches w.c. /
9 to 15 mbar
3.5 inches w.c. /
9 mbar
-1 to 2 inches w.c. /
-2 to 5 mbar
T13707T0012
Black
2
5
10
15
0.14
0.34
0.69
1.0
760
1160
1590
1920
20.4
31.1
42.6
51.4
1560
2460
3580
4410
41.8
65.9
95.9
118
2700
4270
6230
7670
72.4
114
167
206
5490
8790
13,060
16,480
147
236
350
442
6460
10,350
15,270
19,450
173
277
409
521
8170
13,310
20,300
25,780
219
357
544
691
9940
16,250
24,900
31,730
266
436
667
850
20
25
30
40
1.4
1.7
2.1
2.8
2240
2570
2890
3530
60.0
68.9
77.4
94.6
5150
5890
6640
8120
138
158
178
218
8960
10,250
11,540
14,120
240
275
309
378
19,250
22,030
24,800
30,350
516
590
665
813
24,110
27,110
31,110
38,100
646
727
834
1021
31,790
36,370
40,950
50,100
852
975
1097
1343
39,620
45,330
51,040
62,450
1062
1215
1368
1674
50
60
80
100
3.4
4.1
5.5
6.9
4180
4820
6110
7400
112
129
164
198
9600
11,090
14,050
17,020
257
297
377
456
16,700
19,280
24,440
29,600
448
517
655
793
35,890
41,440
52,540
63,630
962
1111
1408
1705
44,100
51,090
65,080
79,060
1182
1369
1744
2119
59,260
68,420
86,740
105,060
1588
1834
2325
2816
73,870
85,290
108,120
1980
2286
2898
125
150
175
8.6
10.3
12.1
9020
10,630
12,240
242
285
328
20,730
24,440
28,150
556
655
754
36,050
42,500
48,950
966
1139
1312
77,500
91,360
2077
2448
96,050 2574
5 to 9 inches w.c. /
12 to 22 mbar
7 inches w.c. /
17 mbar
-1 to 2 inches w.c. /
-2 to 5 mbar
T13589T0012
Yellow
2
5
10
15
0.14
0.34
0.69
1.0
750
1160
1590
1920
20.1
31.1
42.6
51.4
1520
2440
3580
4410
40.7
65.4
95.9
118
2650
4240
6220
7670
71.0
114
167
206
5380
8730
13,040
16,480
144
234
349
442
6270
10,250
15,220
19,420
168
275
408
520
8000
13,220
20,250
25,750
214
354
543
690
9730
16,130
24,830
31,690
261
432
665
849
20
25
30
40
1.4
1.7
2.1
2.8
2240
2570
2890
3530
60.0
68.9
77.4
94.6
5150
5890
6640
8120
138
158
178
218
8960
10,250
11,540
14,120
240
275
309
378
19,250
22,030
24,800
30,350
516
590
665
813
24,110
27,110
31,110
38,100
646
727
834
1021
31,790
36,370
40,950
50,100
852
975
1097
1343
39,620
45,330
51,040
62,450
1062
1215
1368
1674
50
60
80
100
3.4
4.1
5.5
6.9
4180
4820
6110
7400
112
129
164
198
9600
11,090
14,050
17,020
257
297
377
456
16,700
19,280
24,440
29,600
448
517
655
793
35,890
41,440
52,540
63,630
962
1111
1408
1705
44,100
51,090
65,080
79,060
1182
1369
1744
2119
59,260
68,420
86,740
105,060
1588
1834
2325
2816
73,870
85,290
108,120
1980
2286
2898
125
150
175
8.6
10.3
12.1
9020
10,630
12,240
242
285
328
20,730
24,440
28,150
556
655
754
36,050
42,500
48,950
966
1139
1312
77,500
91,360
2077
2448
96,050 2574
7 to 20 inches w.c. /
17 to 50 mbar
14 inches w.c. /
35 mbar
±2 inches w.c./
±5 mbar
1N3112X0012
Unpainted
2
5
10
15
0.14
0.34
0.69
1.0
700
1140
1580
1920
18.8
30.5
42.3
51.4
1430
2400
3560
4410
38.3
64.3
95.4
118
2480
4170
6190
7670
66.5
112
166
206
5040
8570
12,970
16,480
135
230
348
442
5850
10,040
15,110
19,350
157
269
405
519
7480
12,950
20,110
25,660
200
347
539
688
9090
15,800
24,640
31,560
244
423
660
846
20
25
30
40
1.4
1.7
2.1
2.8
2240
2570
2890
3530
60.0
68.9
77.4
94.6
5150
5890
6640
8120
138
158
178
218
8960
10,250
11,540
14,120
240
275
309
378
19,250
22,030
24,800
30,350
516
590
665
813
24,110
27,110
31,110
38,100
646
727
834
1021
31,790
36,370
40,950
50,100
852
975
1097
1343
39,620
45,330
51,040
62,450
1062
1215
1368
1674
50
60
80
100
3.4
4.1
5.5
6.9
4180
4820
6110
7400
112
129
164
198
9600
11,090
14,050
17,020
257
297
377
456
16,700
19,280
24,440
29,600
448
517
655
793
35,890
41,440
52,540
63,630
962
1111
1408
1705
44,100
51,090
65,080
79,060
1182
1369
1744
2119
59,260
68,420
86,740
105,060
1588
1834
2325
2816
73,870
85,290
108,120
1980
2286
2898
125
150
175
8.6
10.3
12.1
9020
10,630
12,240
242
285
328
20,730
24,440
28,150
556
655
754
36,050
42,500
48,950
966
1139
1312
77,500
91,360
2077
2448
96,050 2574
16 to 40 inches w.c. /
40 to 99 mbar
28 inches w.c. /
70 mbar
±4 inches w.c. /
±10 mbar
1B413727222
Purple
5
10
15
20
0.34
0.69
1.0
1.4
1110
1570
1920
2240
29.7
42.1
51.4
60.0
2320
3530
4410
5150
62.2
94.6
118
138
4020
6140
7670
8960
108
165
206
240
8250
12,830
16,170
19,250
221
344
433
516
9580
14,870
19,220
24,110
257
399
515
646
12,430
19,830
25,480
30,670
333
531
683
822
15,150
24,290
31,320
37,820
406
651
839
1014
25
30
40
50
60
1.7
2.1
2.8
3.4
4.1
2570
2890
3530
4180
4820
68.9
77.4
94.6
112
129
5890
6640
8120
9600
11,090
158
178
218
257
297
10,250
11,540
14,120
16,700
19,280
275
309
378
448
517
22,030
24,800
30,350
35,890
41,440
590
665
813
962
1111
27,110
31,110
38,100
44,100
51,090
727
834
1021
1182
1369
36,370
40,950
50,100
59,260
68,420
975
1097
1343
1588
1834
45,330
51,040
62,450
73,870
85,290
1215
1368
1674
1980
2286
80
100
125
150
175
5.5
6.9
8.6
10.3
12.1
6110
7400
9020
10,630
12,240
164
198
242
285
328
14,050
17,020
20,730
24,440
28,150
377
456
556
655
754
24,440
29,600
36,050
42,500
48,950
655
793
966
1139
1312
52,540
63,630
77,500
91,360
1408
1705
2077
2448
65,080
79,060
96,050
1744
2119
2574
86,740
105,060
2325
2816
108,120 2898
1. Downstream piping may affect actual capacity. It may be necessary to use enlarged downstream piping to obtain published capacities.
- Blank areas indicate where maximum operating inlet pressure for a given orice size is exceeded.
Table 5. Types 299H and 299HR Flow Capacities(1) for 1-1/2 NPT and NPS 2 / DN 50 External/Dual Registration
- continued -

Bulletin 71.2:299H
12
- continued -
Table 5. Types 299H and 299HR Flow Capacities(1) for 1-1/2 NPT and NPS 2 / DN 50 External/Dual Registration (continued)
OUTLET PRESSURE
RANGE, SETTING,
ACCURACY, SPRING PART
NUMBER AND COLOR
INLET PRESSURE
CAPACITIES IN SCFH / Nm3/h OF 0.6 SPECIFIC GRAVITY NATURAL GAS
Orice Size, Inches / mm
1/4 x 3/8 / 6.4 x 9.5 3/8 / 9.5 1/2 / 13 3/4 / 19 7/8 / 22 1 / 25 1-3/16 / 30
psig bar SCFH Nm3/h SCFH Nm3/h SCFH Nm3/h SCFH Nm3/h SCFH Nm3/h SCFH Nm3/h SCFH Nm3/h
1 to 3.25 psig /
69 mbar to 0.22 bar
2 psig / 0.14 bar
±1% psia / bar
T13593T0012
Light Blue
5
10
15
20
0.34
0.69
1.0
1.4
1020
1550
1920
2240
27.3
41.5
51.4
60.0
2100
3340
4360
5150
56.4
89.5
117
138
3640
5810
7580
8960
97.5
156
203
240
7440
12,040
15,990
19,250
199
323
429
516
8650
14,410
18,950
24,110
232
386
508
646
11,140
18,460
25,050
30,380
299
495
671
814
13,560
22,570
30,760
37,410
363
605
824
1003
25
30
40
50
60
1.7
2.1
2.8
3.4
4.1
2570
2890
3530
4180
4820
68.9
77.4
94.6
112
129
5890
6640
8120
9600
11,090
158
178
218
257
297
10,250
11,540
14,120
16,700
19,280
275
309
378
448
517
22,030
24,800
30,350
35,890
41,440
590
665
813
962
1111
27,110
31,110
38,100
44,100
51,090
727
834
1021
1182
1369
36,370
40,950
50,100
59,260
68,420
975
1097
1343
1588
1834
45,330
51,040
62,450
73,870
85,290
1215
1368
1674
1980
2286
80
100
125
150
175
5.5
6.9
8.6
10.3
12.1
6110
7400
9020
10,630
12,240
164
198
242
285
328
14,050
17,020
20,730
24,440
28,150
377
456
556
655
754
24,440
29,600
36,050
42,500
48,950
655
793
966
1139
1312
52,540
63,630
77,500
91,360
1408
1705
2077
2448
65,080
79,060
96,050
1744
2119
2574
86,740
105,060
2325
2816
108,120 2898
2.75 to 6 psig /
0.19 to 0.41 bar
5 psig / 0.34 bar
±1% psia / bar
T13671T0012
Orange
10
15
20
25
0.69
1.0
1.4
1.7
1390
1870
2240
2570
37.2
50.1
60.0
68.9
2910
4190
5090
5890
78.0
112
136
158
5050
7280
8850
10,250
135
195
237
275
10,350
15,150
18,640
22,030
277
406
500
590
12,700
17,950
22,970
27,110
340
481
616
727
15,600
23,310
29,180
34,550
418
625
782
926
19,030
28,530
35,820
42,530
510
765
960
1140
30
40
50
60
80
2.1
2.8
3.4
4.1
5.5
2890
3530
4180
4820
6110
77.4
94.6
112
129
164
6640
8120
9600
11,090
14,050
178
218
257
297
377
11,540
14,120
16,700
19,280
24,440
309
378
448
517
655
24,800
30,350
35,890
41,440
52,540
665
813
962
1111
1408
31,110
38,100
44,100
51,090
65,080
834
1021
1182
1369
1744
40,950
50,100
59,260
68,420
86,740
1097
1343
1588
1834
2325
51,040
62,450
73,870
85,290
108,120
1368
1674
1980
2286
2898
100
125
150
175
6.9
8.6
10.3
12.1
7400
9020
10,630
12,240
198
242
285
328
17,020
20,730
24,440
28,150
456
556
655
754
29,600
36,050
42,500
48,950
793
966
1139
1312
63,630
77,500
91,360
1705
2077
2448
79,060
96,050
2119
2574
105,060 2816
5 to 16 psig /
0.34 to 1.1 bar
10 psig / 0.69 bar
±1% psia / bar
T13600T0012
Red
15
20
25
30
1.0
1.4
1.7
2.1
1580
2130
2540
2890
42.3
57.1
68.1
77.4
3280
4720
5710
6640
87.9
126
153
178
5690
8210
9930
11,540
152
220
266
309
11,640
17,000
20,790
24,150
312
456
557
647
12,640
20,380
24,570
29,540
339
546
658
792
17,470
25,940
32,220
37,900
468
695
863
1016
21,280
31,690
39,480
46,550
570
849
1058
1248
40
50
60
80
2.8
3.4
4.1
5.5
3530
4180
4820
6110
94.6
112
129
164
8120
9600
11,090
14,050
218
257
297
377
14,120
16,700
19,280
24,440
378
448
517
655
30,350
35,890
41,440
52,540
813
962
1111
1408
38,100
44,100
51,090
65,080
1021
1182
1369
1744
50,100
59,260
68,420
86,740
1343
1588
1834
2325
62,450
73,870
85,290
108,120
1674
1980
2286
2898
100
125
150
175
6.9
8.6
10.3
12.1
7400
9020
10,630
12,240
198
242
285
328
17,020
20,730
24,440
28,150
456
556
655
754
29,600
36,050
42,500
48,950
793
966
1139
1312
63,630
77,500
91,360
1705
2077
2448
79,060
96,050
2119
2574
105,060 2816
5 to 16 psig /
0.34 to 1.1 bar
15 psig / 1.0 ba
±1% psia / bar
T13600T0012
Red
20
25
30
40
1.4
1.7
2.1
2.8
1750
2360
2820
3530
46.9
63.2
75.6
94.6
3620
5220
6290
8120
97.0
140
169
218
6290
9070
10,940
14,120
169
243
293
378
12,830
18,700
22,790
29,650
344
501
611
795
15,830
22,040
27,870
36,530
424
591
747
979
19,190
28,360
35,050
46,610
514
760
939
1249
23,360
34,610
42,890
57,270
626
928
1149
1535
50
60
80
100
3.4
4.1
5.5
6.9
4180
4820
6110
7400
112
129
164
198
9600
11,090
14,050
17,020
257
297
377
456
16,700
19,280
24,440
29,600
448
517
655
793
35,890
41,440
52,540
63,630
962
1111
1408
1705
44,100
51,090
65,080
79,060
1182
1369
1744
2119
57,080
68,420
86,740
105,060
1530
1834
2325
2816
70,350
85,290
108,120
1885
2286
2898
125
150
175
8.6
10.3
12.1
9020
10,630
12,240
242
285
328
20,730
24,440
28,150
556
655
754
36,050
42,500
48,950
966
1139
1312
77,500
91,360
2077
2448
96,050 2574
14 to 35 psig /
0.97 to 2.4 bar
20 psig / 1.4 bar
±1% psia / bar
19B0432X012
Zinc
25
30
40
50
60
1.7
2.1
2.8
3.4
4.1
1920
2580
3480
4180
4820
51.4
69.1
93.3
112
129
3930
5680
7830
9600
11,090
105
152
210
257
297
6840
9870
13,610
16,700
19,280
183
265
365
448
517
13,930
20,280
28,440
35,140
41,440
373
544
762
942
1111
14,960
24,090
34,480
41,940
51,090
401
646
924
1124
1369
20,800
30,630
43,980
55,310
65,780
557
821
1179
1482
1763
25,310
37,340
53,880
67,980
81,060
80
100
125
150
175
5.5
6.9
8.6
10.3
12.1
6110
7400
9020
10,630
12,240
164
198
242
285
328
14,050
17,020
20,730
24,440
28,150
377
456
556
655
754
24,440
29,600
36,050
42,500
48,950
655
793
966
1139
1312
52,540
63,630
77,500
91,360
1408
1705
2077
2448
65,080
79,060
96,050
1744
2119
2574
86,740
105,060
2325
2816
108,120
1. Downstream piping may affect actual capacity. It may be necessary to use enlarged downstream piping to obtain published capacities.
- Blank areas indicate where maximum operating inlet pressure for a given orice size is exceeded.

Bulletin 71.2:299H
13
OUTLET PRESSURE
RANGE, SETTING,
ACCURACY, SPRING PART
NUMBER AND COLOR
INLET
PRESSURE
CAPACITIES IN SCFH / Nm3/h OF 0.6 SPECIFIC GRAVITY NATURAL GAS
Orice Size, Inch / mm
1/4 x 3/8 / 6.4 x 9.5 3/8 / 9.5 1/2 / 13 3/4 / 19 7/8 / 22 1 / 25 1-3/16 / 30
psig bar SCFH Nm3/h SCFH Nm3/h SCFH Nm3/h SCFH Nm3/h SCFH Nm3/h SCFH Nm3/h SCFH Nm3/h
14 to 35 psig /
0.97 to 2.4 bar
25 psig / 1.7 bar
±1% psia / bar
19B0432X012
Zinc
30
40
50
60
2.1
2.8
3.4
4.1
2070
3320
4140
4820
55.5
89.0
111
129
4230
7350
9340
11,090
113
197
250
297
7360
12,780
16,250
19,280
197
343
436
517
14,980
26,420
34,040
40,630
401
708
912
1089
18,330
32,120
40,400
48,920
491
861
1083
1311
22,310
40,220
52,830
64,010
598
1078
1416
1715
27,140
49,120
64,770
78,690
727
1316
1736
2109
80
100
125
150
175
5.5
6.9
8.6
10.3
12.1
6110
7400
9020
10,630
12,240
164
198
242
285
328
14,050
17,020
20,730
24,440
28,150
377
456
556
655
754
24,440
29,600
36,050
42,500
48,950
655
793
966
1139
1312
52,540
63,630
77,500
91,360
1408
1705
2077
2448
65,080
79,060
96,050
1744
2119
2574
86,740
105,060
2325
2816
108,120 2898
14 to 35 psig /
0.97 to 2.4 bar
30 psig / 2.1 bar
±1% psia / bar
19B0432X012
Zinc
40
50
60
80
2.8
3.4
4.1
5.5
2980
4020
4800
6110
79.9
108
129
164
6520
8950
10,850
14,050
175
240
291
377
11,330
15,560
18,870
24,440
304
417
506
655
23,190
32,300
39,600
52,540
621
866
1061
1408
27,330
37,410
46,980
65,080
732
1003
1259
1744
34,790
49,460
61,630
83,170
932
1326
1652
2229
42,370
60,480
75,590
102,470
1136
1621
2026
2746
100
125
150
175
6.9
8.6
10.3
12.1
7400
9020
10,630
12,240
198
242
285
328
17,020
20,730
24,440
28,150
456
556
655
754
29,600
36,050
42,500
48,950
793
966
1139
1312
63,630
77,500
91,360
1705
2077
2448
79,060
96,050
2119
2574
105,060 2816
14 to 35 psig /
0.97 to 2.4 bar
35 psig / 2.4 bar
±1% psia / bar
19B0432X012
Zinc
40
50
60
80
2.8
3.4
4.1
5.5
2350
3770
4700
6110
63.0
101
126
164
4790
8300
10,510
14,050
128
222
282
377
8330
14,430
18,270
24,440
223
387
490
655
16,920
29,690
38,050
51,600
453
796
1020
1383
20,530
34,220
44,960
62,470
550
917
1205
1674
25,150
44,890
58,520
81,400
674
1203
1568
2182
30,580
54,750
71,620
100,090
820
1467
1919
2682
100
125
150
175
6.9
8.6
10.3
12.1
7400
9020
10,630
12,240
198
242
285
328
17,020
20,730
24,440
28,150
456
556
655
754
29,600
36,050
42,500
48,950
793
966
1139
1312
63,630
77,500
91,360
1705
2077
2448
79,060
96,050
2119
2574
105,060 2816
30 to 60 psig /
2.1 to 4.1 bar
40 psig / 2.8 bar
±1% psia / bar
19B0432X022
Green
50
60
80
100
3.4
4.1
5.5
6.9
3340
4500
6100
7400
89.5
121
163
198
7290
9970
13,840
17,020
195
267
371
456
12,670
17,340
24,070
29,600
340
465
645
793
25,840
35,820
50,670
63,630
693
960
1358
1705
30,500
42,700
61,300
77,250
817
1144
1643
2070
38,590
54,480
79,160
100,560
1034
1460
2121
2695
46,950
66,530
97,160
1258
1783
2604
125
150
175
8.6
10.3
12.1
9020
10,630
12,240
242
285
328
20,730
24,440
28,150
556
655
754
36,050
42,500
48,950
966
1139
1312
77,500
91,360
2077
2448
95,700 2565
30 to 60 psig /
2.1 to 4.1 bar
50 psig / 3.4 bar
±1% psia / bar
19B0432X022
Green
60
80
100
4.1
5.5
6.9
3680
5900
7400
98.6
158
198
7990
13,170
16,830
214
353
451
13,900
22,900
29,260
373
614
784
28,290
47,570
61,700
758
1275
1654
33,300
57,000
74,800
892
1528
2005
42,110
72,950
96,630
1129
1955
2590
51,210
89,220
1372
2391
125
150
175
8.6
10.3
12.1
9020
10,630
12,240
242
285
328
20,730
24,440
28,150
556
655
754
36,050
42,500
48,950
966
1139
1312
77,500
91,360
2077
2448
94,400 2530
30 to 60 psig /
2.1 to 4.1 bar
60 psig / 4.1 bar
±1% psia / bar
19B0432X022
Green
80
100
125
5.5
6.9
8.6
5380
7260
9020
144
195
242
11,810
16,270
20,730
317
436
556
20,540
28,290
35,860
550
758
961
42,160
59,000
75,900
1130
1581
2034
50,000
70,900
92,300
1340
1900
2474
63,540
90,970
1703
2438
77,440 2075
150
175
10.3
12.1
10,630
12,240
285
328
24,440
28,150
655
754
42,500
48,950
1139
1312
91,360 2448
1. Downstream piping may affect actual capacity. It may be necessary to use enlarged downstream piping to obtain published capacities.
- Blank areas indicate where maximum operating inlet pressure for a given orice size is exceeded.
Table 5. Types 299H and 299HR Flow Capacities(1) for 1-1/2 NPT and NPS 2 / DN 50 External/Dual Registration (continued)

Bulletin 71.2:299H
14
- continued -
OUTLET PRESSURE
RANGE, SETTING,
ACCURACY, SPRING PART
NUMBER AND COLOR
INLET PRESSURE
CAPACITIES IN SCFH / Nm3/h OF 0.6 SPECIFIC GRAVITY NATURAL GAS
Orice Size, Inch / mm
1/4 x 3/8 / 6.4 x 9.5 3/8 / 9.5 1/2 / 13 3/4 / 19 1 / 25 1-3/16 / 30
psig bar SCFH Nm3/h SCFH Nm3/h SCFH Nm3/h SCFH Nm3/h SCFH Nm3/h SCFH Nm3/h
3.5 to 6 inches w.c. /
9 to 15 mbar
3.5 inches w.c. /
9 mbar
-1 to 2 inches w.c. /
-2 to 5 mbar
T13707T0012
Black
2
5
10
15
0.14
0.34
0.69
1.0
760
1200
1700
2000
20.4
32.2
45.6
53.6
1560
2600
3800
4600
41.8
69.7
102
123
2700
4500
6500
8000
72.4
121
174
214
4050
8490
7140
7120
109
228
191
191
4340
10,690
8570
10,860
116
286
230
291
4540
7290
10,570
9020
122
195
283
242
20
25
30
40
1.4
1.7
2.1
2.8
2350
2700
3040
3700
63.0
72.4
81.5
99.2
5300
6000
6740
8200
142
161
181
220
9250
10,010
10,330
11,640
248
268
277
312
7060
7100
8030
9610
189
190
215
258
11,250
11,170
11,660
10,790
302
299
312
289
9810
9760
9700
11,150
263
262
260
299
50
60
80
100
3.4
4.1
5.5
6.9
4400
5100
4700
4300
118
137
126
115
9700
11,200
4680
3040
260
300
125
81.5
11,650
11,380
4510
3990
312
305
121
107
10,530
11,590
15,210
14,510
282
311
408
389
9460
9010
6250
7700
254
241
168
206
10,100
10,200
8900
271
273
239
125
150
175
8.6
10.3
12.1
4300
4320
5600
115
116
150
3200
3200
5050
85.8
85.8
135
4390
4810
7300
118
129
196
8640
2650
232
71.0
5 to 9 inches w.c. /
12 to 22 mbar
7 inches w.c. /
17 mbar
-1 to 2 inches w.c. /
-2 to 5mbar
T13589T0012
Yellow
2
5
10
15
0.14
0.34
0.69
1.0
750
1300
1600
2000
20.1
34.8
42.9
53.6
1520
2600
3800
4400
40.7
69.7
102
118
2650
4250
6500
8000
71.0
114
174
214
5380
7110
8150
6180
144
191
218
166
5610
7600
8210
10,770
150
204
220
289
5790
6620
10,320
9040
155
177
277
242
20
25
30
40
1.4
1.7
2.1
2.8
2300
2600
2970
3700
61.6
69.7
79.6
99.2
5100
5800
6600
8200
137
155
177
220
9500
10,660
10,410
10,170
255
286
279
273
6520
6190
7420
12,030
175
166
199
322
11,510
10,920
10,850
10,310
308
293
291
276
9510
9850
10,080
10,170
255
264
270
273
50
60
80
100
3.4
4.1
5.5
6.9
4400
5100
4850
4600
118
137
130
123
9700
11,200
4700
2800
260
300
126
75.0
11,170
11,710
4570
3790
299
314
122
102
12,160
10,620
3610
3380
326
285
96.7
90.6
10,430
8230
8000
6400
280
221
214
172
10,000
10,200
8500
268
273
228
125
150
175
8.6
10.3
12.1
4600
4600
5400
123
123
145
3200
3640
5050
85.8
97.5
135
4190
4590
7300
112
123
196
3440
2400
92.2
64.3
7 to 20 inches w.c. /
17 to 50 mbar
14 inches w.c. /
35 mbar
±2 inches w.c. /
±5 mbar
1N3112X0012
Unpainted
2
5
10
15
0.14
0.34
0.69
1.0
700
1100
1700
1900
18.8
29.5
45.6
50.9
1430
2200
3600
4600
38.3
59.0
96.5
123
2480
4000
6500
8000
66.5
107
174
214
5040
7180
8310
7000
135
192
223
188
6900
7280
9330
11,940
185
195
250
320
7050
8860
10,320
9530
189
237
277
255
20
25
30
40
1.4
1.7
2.1
2.8
2150
2400
2740
3400
57.6
64.3
73.4
91.1
5300
6000
6740
8200
142
161
181
220
8500
9000
10,000
10,900
228
241
268
292
7410
6900
6500
9220
199
185
174
247
11,850
11,330
11,270
10,820
318
304
302
290
11,060
11,080
10,780
11,220
296
297
289
301
50
60
80
100
3.4
4.1
5.5
6.9
4250
5100
5250
5400
114
137
141
145
9700
11,000
5210
4580
260
295
140
123
10,210
9650
4060
4410
274
259
109
118
12,580
11,750
4970
4970
337
315
133
133
10,820
8840
8550
6780
290
237
229
182
10,450
11,100
9400
280
297
252
125
150
175
8.6
10.3
12.1
5400
5900
555
145
158
149
4400
5020
5200
118
135
139
5290
6170
6500
142
165
174
4330
3130
116
83.9
16 to 40 inches w.c. /
40 to 99 mbar
28 inches w.c. /
70 mbar
±4 inches w.c. /
±10 mbar
1B413727222
Purple
5
10
15
20
0.34
0.69
1.0
1.4
1200
1600
2000
2300
32.2
42.9
53.6
61.6
2400
3700
4400
5100
64.3
99.2
118
137
4000
6500
8000
9250
107
174
214
248
6010
8130
10,340
11,980
161
218
277
321
9210
10,300
13,020
14,790
247
276
349
396
9070
10,650
12,890
13,170
243
285
345
353
25
30
40
50
60
1.7
2.1
2.8
3.4
4.1
2600
2800
3200
4100
5000
69.7
75.0
85.8
110
134
5800
6600
8200
9750
11,100
155
177
220
261
297
10,500
11,840
14,060
14,010
14,040
281
317
377
375
376
12,390
12,500
13,350
14,530
13,440
332
335
358
389
360
14,570
14,050
13,290
12,860
13,020
390
377
356
345
349
14,180
13,770
14,110
12,050
10,950
380
369
378
323
293
80
100
125
150
175
5.5
6.9
8.6
10.3
12.1
6300
7600
9200
10,700
5510
169
204
247
287
148
5910
5220
5690
7380
5100
158
140
152
198
137
6140
5420
6010
5970
7250
165
145
161
160
194
9950
7780
8220
4900
267
209
220
131
8500
6500
228
174
10,200 273
1. Downstream piping may affect actual capacity. It may be necessary to use enlarged downstream piping to obtain published capacities.
- Blank areas indicate where maximum operating inlet pressure for a given orice size is exceeded.
Table 6. Types 299H and 299HR Flow Capacities(1) for 1-1/2 NPT Internal Registration

Bulletin 71.2:299H
15
- continued -
Table 6. Types 299H and 299HR Flow Capacities(1) for 1-1/2 NPT Internal Registration (continued)
OUTLET PRESSURE
RANGE, SETTING,
ACCURACY, SPRING PART
NUMBER AND COLOR
INLET PRESSURE
CAPACITIES IN SCFH / Nm3/h OF 0.6 SPECIFIC GRAVITY NATURAL GAS
Orice Size, Inch / mm
1/4 x 3/8 / 6.4 x 9.5 3/8 / 9.5 1/2 / 13 3/4 / 19 1 / 25 1-3/16 / 30
psig bar SCFH Nm3/h SCFH Nm3/h SCFH Nm3/h SCFH Nm3/h SCFH Nm3/h SCFH Nm3/h
1 to 3.25 psig /
69 mbar to 0.22 bar
2 psig / 0.14 bar
±1% psia / bar
T13593T0012
Light Blue
5
10
15
20
0.34
0.69
1.0
1.4
1020
1550
1920
2240
27.3
41.5
51.4
60.0
2100
3340
4360
5150
56.4
89.5
117
138
3640
5840
7580
8960
97.5
157
203
240
7020
8990
11,260
12,950
188
241
302
347
10,790
12,180
13,580
13,630
289
326
364
365
10,820
11,180
11,960
12,750
290
300
321
342
25
30
40
50
60
1.7
2.1
2.8
3.4
4.1
2570
2890
3530
4180
4820
68.9
77.4
94.6
112
129
5890
6640
8120
9600
10,890
158
178
218
257
292
10,250
11,540
14,120
15,010
15,740
275
309
378
402
422
13,090
14,830
13,500
13,780
14,050
351
397
362
369
377
13,890
13,740
13,470
13,970
14,080
372
368
361
374
377
13,370
14,000
15,250
12,500
12,300
358
375
409
335
330
80
100
125
150
175
5.5
6.9
8.6
10.3
12.1
6110
7400
8170
8450
7750
164
198
219
226
208
9000
5200
5040
5870
5250
241
139
135
157
141
12,230
5200
5200
5200
5730
328
139
139
139
154
11,100
5200
5200
5600
297
139
139
150
12,750
6400
342
172
10,500 281
2.75 to 6 psig /
0.19 to 0.41 bar
5 psig / 0.34 bar
±1% psia / bar
T13671T0012
Orange
10
15
20
25
0.69
1.0
1.4
1.7
1390
1870
2240
2570
37.2
50.1
60.0
68.9
2910
4190
5090
5890
78.0
112
136
158
5050
7280
8850
10,250
135
195
237
275
8470
11,290
12,590
13,210
227
303
337
354
12,010
14,300
13,820
14,500
322
383
370
389
12,190
12,400
13,260
14,310
327
332
355
384
30
40
50
60
80
2.1
2.8
3.4
4.1
5.5
2890
3530
4180
4820
6110
77.4
94.6
112
129
164
6640
8120
9600
11,090
14,050
178
218
257
297
377
11,540
14,120
16,700
16,290
14,000
309
378
448
437
375
13,820
15,060
15,400
15,750
13,620
370
404
413
422
365
15,290
15,650
16,010
16,370
14,000
410
419
429
439
375
15,370
16,630
14,000
13,250
14,000
412
446
375
355
375
100
125
150
175
6.9
8.6
10.3
12.1
7400
9020
10,630
6800
198
242
285
182
17,020
7690
6330
6050
456
206
170
162
9020
7690
6360
8200
242
206
170
220
9610
7890
5500
258
211
147
14,000 375
5 to 16 psig /
0.34 to 1.1 bar
10 psig / 0.69 bar
±1% psia / bar
T13600T0012
Red
15
20
25
30
1.0
1.4
1.7
2.1
1580
2130
2540
2890
42.3
57.1
68.1
77.4
3280
4720
5740
6580
87.9
126
154
176
5690
8210
9940
11,440
152
220
266
307
9930
11,990
13,400
14,810
266
321
359
397
13,230
14,130
15,990
17,850
355
379
429
478
13,570
14,100
15,870
17,640
364
378
425
473
40
50
60
80
2.8
3.4
4.1
5.5
3530
4180
4820
6110
94.6
112
129
164
8120
9600
11,090
14,050
218
257
297
377
14,120
16,700
17,200
16,950
378
448
461
454
17,640
18,110
18,580
17,810
473
485
498
477
18,630
19,400
20,170
15,750
499
520
541
422
18,920
16,400
16,600
17,600
507
440
445
472
100
125
150
175
6.9
8.6
10.3
12.1
7400
9020
6790
6200
198
242
182
166
17,020
20,730
6790
5600
456
556
182
150
15,350
16,740
6830
5700
411
449
183
153
15,900
16,270
5800
426
436
155
15,950 427
5 to 16 psig /
0.34 to 1.1 bar
15 psig / 1.0 bar
±1% psia / bar
T13600T0012
Red
20
25
30
40
1.4
1.7
2.1
2.8
1750
2360
2820
3540
46.9
63.2
75.6
94.9
3620
5220
6290
8070
97.0
140
169
216
6290
9070
10,940
14,020
169
243
293
376
11,380
13,590
15,810
20,230
305
364
424
542
114,450
17,440
20,430
21,610
3067
467
548
579
14,980
17,430
19,910
21,220
401
467
534
569
50
60
80
100
3.4
4.1
5.5
6.9
4180
4820
6110
7400
112
129
164
198
9600
11,090
14,050
17,020
257
297
377
456
16,700
18,110
19,910
21,710
448
485
534
582
20,820
21,410
22,000
22,600
558
574
590
606
22,800
23,890
19,500
22,200
611
640
523
595
20,500
21,600
19,900
549
579
533
125
150
175
8.6
10.3
12.1
9020
10,630
7400
242
285
198
20,730
24,440
6750
556
655
181
23,960
26,210
7100
642
702
190
23,190
21,200
621
568
14 to 35 psig /
0.97 to 2.4 bar
20 psig / 1.4 bar
±1% psia / bar
19B0432X012
Zinc
25
30
40
50
1.7
2.1
2.8
3.4
1920
2580
3480
4180
51.4
69.1
93.3
112
3930
5690
7830
9550
105
152
210
256
6840
9870
13,610
16,610
183
265
365
445
12,840
15,200
22,820
20,950
344
407
612
561
15,670
20,740
24,600
23,620
420
556
659
633
16,320
20,760
23,510
22,200
437
556
630
595
60
80
100
4.1
5.5
6.9
4820
6110
7400
129
164
198
11,090
14,050
17,020
297
377
456
18,080
20,980
23,680
485
562
635
23,330
25,120
26,930
625
673
722
26,120
24,500
26,200
700
657
702
25,000
24,900
670
667
125
150
175
8.6
10.3
12.1
9020
10,630
7500
242
285
201
20,730
24,440
8200
556
655
220
26,980
30,280
8600
723
812
230
28,020
21,600
751
579
1. Downstream piping may affect actual capacity. It may be necessary to use enlarged downstream piping to obtain published capacities.
- Blank areas indicate where maximum operating inlet pressure for a given orice size is exceeded.

Bulletin 71.2:299H
16
Table 6. Types 299H and 299HR Flow Capacities(1) for 1-1/2 NPT Internal Registration (continued)
OUTLET PRESSURE
RANGE, SETTING,
ACCURACY, SPRING PART
NUMBER AND COLOR
INLET PRESSURE
CAPACITIES IN SCFH / Nm3/h OF 0.6 SPECIFIC GRAVITY NATURAL GAS
Orice Size, Inch / mm
1/4 x 3/8 /
6.4 x 9.5 3/8 / 9.5 1/2 / 13 3/4 / 19 1 / 25 1-3/16 / 30
psig bar SCFH Nm3/h SCFH Nm3/h SCFH Nm3/h SCFH Nm3/h SCFH Nm3/h SCFH Nm3/h
14 to 35 psig /
0.97 to 2.4 bar
25 psig / 1.7 bar
±1% psia / bar
19B0432X012
Zinc
30
40
50
60
2.1
2.8
3.4
4.1
2070
3320
4140
4830
55.5
89.0
111
129
4230
7350
9340
11,030
113
197
250
296
7360
12,780
16,250
18,050
197
343
436
484
14,300
16,810
21,090
25,240
383
451
565
676
16,880
24,040
24,430
28,260
452
644
655
757
17,700
24,090
23,500
27,400
474
646
630
734
80
100
125
150
175
5.5
6.9
8.6
10.3
12.1
6110
7400
9020
10,630
10,200
164
198
242
285
273
14,050
17,020
20,730
24,440
25,200
377
456
556
655
675
22,050
25,650
30,000
34,360
7900
591
687
804
921
212
28,250
31,260
32,840
27,000
757
838
880
724
30,200
27,000
809
724
28,500 764
14 to 35 psig /
0.97 to 2.4 bar
30 psig / 2.1 bar
±1% psia / bar
19B0432X012
Zinc
40
50
60
80
2.8
3.4
4.1
5.5
2980
4020
4800
6110
79.9
108
129
164
6520
8950
10,850
14,050
175
240
291
377
11,330
15,560
18,020
23,130
304
417
483
620
15,750
21,220
27,150
31,370
422
569
728
841
18,100
25,240
30,390
30,500
485
676
814
817
19,080
22,500
28,000
32,300
511
603
750
866
100
125
150
175
6.9
8.6
10.3
12.1
7400
9020
10,630
10,600
198
242
285
284
17,020
20,730
24,440
24,500
456
556
655
657
27,630
33,030
38,430
31,500
740
885
1030
844
35,690
37,670
32,000
956
1010
858
32,500 871
14 to 35 psig /
0.97 to 2.4 bar
35 psig / 2.4 bar
±1% psia / bar
19B0432X012
Zinc
40
50
60
80
2.8
3.4
4.1
5.5
2350
3770
4700
6120
63.0
101
126
164
4790
8300
10,510
14,000
128
222
282
375
8330
14,430
18,270
24,350
223
387
490
653
13,640
21,350
29,060
34,490
366
572
779
924
19,570
26,060
32,530
34,500
524
698
872
925
20,850
22,000
29,000
33,600
559
590
777
900
100
125
150
175
6.9
8.6
10.3
12.1
7400
9020
10,630
10,900
198
242
285
292
17,020
20,730
24,440
24,800
456
556
655
665
29,600
36,050
42,500
37,000
793
966
1139
992
39,920
42,500
32,100
1070
1139
860
38,200 1024
30 to 60 psig /
2.1 to 4.1 bar
40 psig / 2.8 bar
±1% psia / bar
19B0432X022
Green
50
60
80
100
3.4
4.1
5.5
6.9
2400
3470
5600
6400
64.3
93.0
150
172
6000
8000
12,000
14,500
161
214
322
389
10,000
13,670
21,000
27,000
268
366
563
724
14,000
22,000
38,000
38,000
375
590
1018
1018
20,000
26,000
30,000
34,000
536
697
804
911
20,000
22,667
28,000
536
607
750
125
150
175
8.6
10.3
12.1
7600
9500
11,400
204
255
306
19,500
22,750
26,000
523
610
697
33,000
37,000
41,000
884
992
1099
38,000
42,000
1018
1126
30 to 60 psig /
2.1 to 4.1 bar
50 psig / 3.4 bar
±1% psia / bar
19B0432X022
Green
60
80
100
4.1
5.5
6.9
3000
5250
6750
80.4
141
181
6500
10,750
15,000
174
288
402
9500
17,750
26,000
255
476
697
16,250
28,750
41,250
436
771
1106
22,500
31,250
40,000
603
838
1072
25,000
32,500
670
871
125
150
175
8.6
10.3
12.1
8250
9500
10,750
221
255
288
17,500
21,750
26,000
469
583
697
32,500
37,750
43,000
871
1012
1152
43,750
46,250
1173
1240
30 to 60 psig /
2.1 to 4.1 bar
60 psig / 4.1 bar
±1% psia / bar
19B0432X022
Green
80
100
125
5.5
6.9
8.6
2750
2750
3250
73.7
73.7
87.1
7200
10,600
3000
193
284
80.4
13,000
15,500
22,000
348
415
590
18,750
25,000
46,250
503
670
1240
27,500
40,000
737
1072
32,500 871
150
175
10.3
12.1
3130
3000
83.9
80.4
2900
2800
77.7
75.0
18,000
14,000
482
375
11,250 302
1. Downstream piping may affect actual capacity. It may be necessary to use enlarged downstream piping to obtain published capacities.
- Blank areas indicate where maximum operating inlet pressure for a given orice size is exceeded.

Bulletin 71.2:299H
17
- continued -
Table 7. Types 299H and 299HR Flow Capacities(1) for NPS 2 / DN 50 Internal Registration
OUTLET PRESSURE
RANGE, SETTING,
ACCURACY, SPRING PART
NUMBER AND COLOR
INLET PRESSURE
CAPACITIES IN SCFH / Nm3/h OF 0.6 SPECIFIC GRAVITY NATURAL GAS
Orice Size, Inch / mm
1/4 x 3/8 / 6.4 x 9.5 3/8 / 9.5 1/2 / 13 3/4 / 19 1 / 25 1-3/16 / 30
psig bar SCFH Nm3/h SCFH Nm3/h SCFH Nm3/h SCFH Nm3/h SCFH Nm3/h SCFH Nm3/h
3.5 to 6-inches w.c. /
9 to 15 mbar
3.5-inches w.c. / 9 mbar
-1 to 2-inches w.c. /
-2 to 5 mbar
T13707T0012
Black
2
5
10
15
0.14
0.34
0.69
1.0
760
1200
1700
2000
20.4
32.2
45.6
53.6
1560
2600
3800
4600
41.8
69.7
102
123
2700
4500
6500
8000
72.4
121
174
214
4050
8600
9500
10,600
109
230
255
284
5740
11,500
14,750
18,000
154
308
395
482
6350
12,000
17,000
15,500
170
322
456
415
20
25
30
40
1.4
1.7
2.1
2.8
2350
2700
3030
3700
63.0
72.4
81.2
99.2
5300
6000
6730
8200
142
161
180
220
9250
10,500
11,500
13,500
248
281
308
362
11,400
12,200
14,630
19,500
306
327
392
523
19,700
20,400
21,100
20,400
528
547
565
547
16,000
17,300
18,600
21,800
429
464
498
584
50
60
80
100
3.4
4.1
5.5
6.9
4400
5100
4700
4300
118
137
126
115
9700
11,200
7500
3800
260
300
201
102
17,000
20,500
12,750
5000
456
549
342
134
20,000
20,500
19,600
18,700
536
549
525
501
19,700
14,833
5100
3500
528
398
137
93.8
25,000
12,500
12,000
670
335
322
125
150
175
8.6
10.3
12.1
4300
4300
4300
115
115
115
4000
4000
4000
107
107
107
5500
6000
6500
147
161
174
11,150
3600
299
96.5
5 to 9-inches w.c. /
12 to 22 mbar
7-inches w.c. / 17 mbar
-1 to 2-inches w.c. /
-2 to 5 mbar
T13589T0012
Yellow
2
5
10
15
0.14
0.34
0.69
1.0
750
1300
1600
2000
20.1
34.8
42.9
53.6
1520
2600
3800
4400
40.7
69.7
102
118
2650
4250
6500
8000
71.0
114
174
214
5380
8500
12,500
10,500
144
228
335
281
6260
10,500
14,350
18,200
168
281
385
488
6680
10,000
17,000
16,000
179
268
456
429
20
25
30
40
1.4
1.7
2.1
2.8
2300
2600
2970
3700
61.6
69.7
79.6
99.2
5100
5800
6600
8200
137
155
177
220
9500
11,000
11,170
11,500
255
295
299
308
11,500
12,500
16,830
25,500
308
335
451
683
20,600
20,500
20,400
20,200
552
549
547
541
16,000
17,750
19,500
20,200
429
476
523
541
50
60
80
100
3.4
4.1
5.5
6.9
4400
5100
4850
4600
118
137
130
123
9700
11,200
7350
3500
260
300
197
93.8
15,750
20,000
12,380
4750
422
536
332
127
22,500
19,500
4500
4500
603
523
121
121
20,000
14,800
4400
2800
536
397
118
75.0
20,900
12,500
12,500
560
335
335
125
150
175
8.6
10.3
12.1
4600
4600
4600
123
123
123
4000
4560
5120
107
122
137
5250
5750
6500
141
154
174
4500
4500
121
121
7 to 20-inches w.c. /
17 to 50 mbar
14-inches w.c. / 35 mbar
±2-inches w.c. / ±5 mbar
1N3112X0012
Unpainted
2
5
10
15
0.14
0.34
0.69
1.0
700
1100
1700
1900
18.8
29.5
45.6
50.9
1430
2200
3600
4600
38.3
59.0
96.5
123
2480
4000
6500
8000
66.5
107
174
214
5040
8500
12,500
11,500
135
228
335
308
7440
11,800
15,850
19,900
199
316
425
533
8460
12,400
17,000
17,000
227
332
456
456
20
25
30
40
1.4
1.7
2.1
2.8
2150
2400
2740
3400
57.6
64.3
73.4
91.1
5300
6000
6740
8200
142
161
181
220
8500
9000
10,000
12,000
228
241
268
322
12,500
13,250
14,000
19,500
335
355
375
523
21,000
21,150
21,300
21,150
563
567
571
567
19,100
19,750
20,400
21,650
512
529
547
580
50
60
80
100
3.4
4.1
5.5
6.9
4250
5100
5250
5400
114
137
141
145
9700
11,200
8200
5200
260
300
220
139
13,500
15,000
10,000
5000
362
402
268
134
25,000
22,050
5620
6000
670
591
151
161
21,000
16,330
7000
8300
563
438
188
222
22,900
14,100
12,400
614
378
332
125
150
175
8.6
10.3
12.1
5400
5900
6400
145
158
172
5000
5700
6400
134
153
172
6000
7000
7000
161
188
188
6000
6000
161
161
16 to 40-inches w.c. /
40 to 99 mbar
28-inches w.c. / 70 mbar
±4-inches w.c. / ±10 mbar
1B413727222
Purple
5
10
15
20
0.34
0.69
1.0
1.4
1200
1600
2000
2300
32.2
42.9
53.6
61.6
2400
3700
4400
5100
64.3
99.2
118
137
4000
6500
8000
9250
107
174
214
248
7500
11,750
16,000
19,000
201
315
429
509
9500
14,850
20,200
24,500
255
398
541
657
11,400
16,850
22,300
21,800
306
452
598
584
25
30
40
50
60
1.7
2.1
2.8
3.4
4.1
2600
2800
3200
4100
5000
69.7
75.0
85.8
110
134
5800
6600
8200
9750
11,300
155
177
220
261
303
10,500
11,830
14,500
16,500
18,500
281
317
389
442
496
21,750
24,500
26,750
29,000
24,170
583
657
717
777
648
25,600
25,230
24,500
24,000
23,500
686
676
657
643
630
23,900
24,130
24,600
26,000
27,200
641
647
659
697
729
80
100
125
150
175
5.5
6.9
8.6
10.3
12.1
6300
7600
9200
10,700
12,200
169
204
247
287
327
9150
7000
7000
9300
11,600
245
188
188
249
311
12,880
7250
7380
7500
15,250
345
194
198
201
409
14,500
14,500
14,500
15,500
389
389
389
415
24,500
22,400
657
600
30,000 804
1. Downstream piping may affect actual capacity. It may be necessary to use enlarged downstream piping to obtain published capacities.
- Blank areas indicate where maximum operating inlet pressure for a given orice size is exceeded.

Bulletin 71.2:299H
18
Table 7. Types 299H and 299HR Flow Capacities(1) for NPS 2 / DN 50 Internal Registration (continued)
OUTLET PRESSURE
RANGE, SETTING,
ACCURACY, SPRING PART
NUMBER AND COLOR
INLET PRESSURE
CAPACITIES IN SCFH / Nm3/h OF 0.6 SPECIFIC GRAVITY NATURAL GAS
Orice Size Inch / mm
1/4 x 3/8 / 6.4 x 9.5 3/8 / 95 1/2 / 13 3/4 / 19 1 / 25 1-3 / 16/30
psig bar SCFH Nm3/h SCFH Nm3/h SCFH Nm3/h SCFH Nm3/h SCFH Nm3/h SCFH Nm3/h
1 to 3.25 psig /
69 bar to 0.22 bar
2 psig / 0.14 bar
± 1% psia / bar
T13593T0012
Light Blue
5
10
15
0.34
0.69
1.0
1020
1550
1920
27.3
41.5
51.4
2100
3340
4360
56.4
89.5
117
3640
5840
7580
97.5
157
203
7440
12,040
15,990
199
323
429
10,980
15,460
20,900
294
414
560
13,800
17,710
20,670
370
475
554
20
25
30
40
1.4
1.7
2.1
2.8
2240
2670
2890
3530
60.0
71.5
77.4
94.6
5150
5890
6640
8120
138
158
178
218
8960
10,250
11,540
14,120
240
275
309
378
19,250
22,030
27,800
27,070
516
590
745
725
22,470
24,000
24,860
25,640
602
643
666
687
21,620
22,410
24,170
26,160
579
601
648
701
50
60
80
100
3.4
4.1
5.5
6.9
4180
4820
6110
7400
112
129
164
198
9600
11,090
14,050
17,020
257
297
377
456
16,700
19,280
24,440
29,840
448
517
655
800
28,970
25,770
25,500
14,260
776
691
683
382
26,390
26,000
12,800
28,300
707
697
343
758
26,900
29,000
30,000
721
777
804
125
150
175
8.6
10.3
12.1
8170
8450
12,400
219
226
332
12,360
13,750
7100
331
369
190
17,520
18,580
20,000
470
498
536
13,260
17,000
355
456
2.75 to 6 psig /
0.19 to 0.41 bar
5 psig / 0.34 bar
±1 % psig / bar
T13671T0012
Orange
10
15
0.69
1.0
1390
1870
37.2
50.1
2910
4190
78.0
112
5050
7280
135
195
10,350
15,150
277
406
13,200
21,850
354
586
16,070
21,370
431
573
20
25
30
40
1.4
1.7
2.1
2.8
2240
2570
2890
3530
60.0
68.9
77.4
94.6
5090
5890
6640
8120
136
158
178
218
8850
10,250
11,540
14,120
237
275
309
378
18,640
21,260
24,340
27,670
500
570
652
742
21,350
24,540
26,500
28,300
572
658
710
758
21,390
22,740
25,870
28,930
573
609
693
775
50
60
80
100
3.4
4.1
5.5
6.9
4180
4820
6110
7400
112
129
164
198
9600
11,090
14,050
17,020
257
297
377
456
16,700
19,280
24,440
29,600
448
517
655
793
30,570
29,390
31,410
22,150
819
788
842
594
29870
30,390
28,000
32,000
801
814
750
858
30,000
31,000
34,000
804
831
911
125
150
175
8.6
10.3
12.1
9020
10,630
11,800
242
285
316
20,730
17,170
15,400
556
460
413
36,050
26,560
21,500
966
712
576
21,590
17,000
579
456
5 to 16 psig /
0.34 to 1.1 bar
10 psig / 0.69 bar
± 1% psia / bar
T13600T0012
Red
15
20
25
30
40
1.0
1.4
1.7
2.1
2.8
1580
2130
2540
2890
3530
42.3
57.1
68.1
77.4
94.6
3280
4720
5740
6580
8120
87.9
126
154
176
218
5690
8210
9940
11,440
14,120
152
220
266
307
378
11,640
17,000
20,790
24,150
28,660
312
456
557
647
768
15,420
19,500
25,440
29,250
32,780
413
523
682
784
879
18,340
21,000
23,290
28,700
33,540
492
563
624
769
899
50
60
80
100
3.4
4.1
5.5
6.9
4180
4820
6110
7400
112
129
164
198
9600
11,090
14,050
17,020
257
297
377
456
16,700
19,280
24,440
29,600
448
517
655
793
33,230
35,410
41,270
35,310
891
949
1106
946
35,680
37,700
38,000
35,000
956
1010
1018
938
33,100
33,100
37,000
887
887
992
125
150
175
8.6
10.3
12.1
9020
10,630
11,200
242
285
300
20,730
20,590
18,100
556
552
485
36,050
34,530
25,000
966
925
670
35,740
22,000
958
590
5 to 16 psig /
0.34 to 1.1 bar
15 psig / 10 bar
± 1% psia / bar
T13600T0012
Red
20
25
30
40
50
60
1.4
1.7
2.1
2.8
3.4
4.1
1750
2360
2820
3540
4180
4820
46.9
63.2
75.6
94.9
112
129
3620
5220
6290
8070
9600
11,090
97.0
140
169
216
257
297
6290
9070
10,940
14,020
16,700
19,280
169
243
293
376
448
517
12,830
18,700
22,790
29,650
35,890
41,440
344
501
611
795
962
1111
17,640
26,350
31,990
37,270
41,490
45,020
473
706
857
999
1112
1207
20,640
23,850
31,540
38,150
43,000
39,000
553
639
845
1022
1152
1045
80
100
125
150
175
5.5
6.9
8.6
10.3
12.1
6110
7400
9020
10,630
11,800
164
198
242
285
316
14,050
17,020
20,730
24,440
27,400
377
456
556
655
734
24,440
29,600
36,050
42,500
48,000
655
793
966
1139
1286
51,120
48,470
49,780
60,000
1370
1299
1334
1608
49,000
46,000
1313
1233
43,000 1152
14 to 35 psig /
0.97 to 2.4 bar
20 psig / 14 bar
± 1% psia / bar
19B0432X012
Zinc
25
30
40
50
60
1.7
2.1
2.8
3.4
4.1
1920
2580
3480
4180
4820
51.4
69.1
93.3
112
129
3930
5680
7830
9550
11,090
105
152
210
256
297
6840
9870
13,610
16,610
19,280
183
265
365
445
517
13,930
20,280
28,440
35,140
41,440
373
544
762
942
1111
20,800
30,630
33,040
41,800
47,530
557
821
885
1120
1274
21,940
32,630
35,700
40,520
40,520
588
874
957
1086
1086
80
100
125
150
175
5.5
6.9
8.6
10.3
12.1
6110
7400
9020
10,630
11,600
164
198
242
285
311
14,050
17,020
20,730
24,440
26,300
377
456
556
655
705
24,440
29,600
36,050
42,500
47,000
655
793
966
1139
1260
51,240
52,260
56,710
65,000
1373
1401
1520
1742
41,800
41,800
1120
1120
41,000 1099
1. Downstream piping may affect actual capacity. It may be necessary to use enlarged downstream piping to obtain published capacities.
- Blank areas indicate where maximum operating inlet pressure for a given orice size is exceeded.
- continued -

Bulletin 71.2:299H
19
Table 7. Types 299H and 299HR Flow Capacities(1) for NPS 2 / DN 50 Internal Registration (continued)
OUTLET PRESSURE
RANGE, SETTING,
ACCURACY, SPRING PART
NUMBER AND COLOR
INLET PRESSURE
CAPACITIES IN SCFH / Nm3/h OF 0.6 SPECIFIC GRAVITY NATURAL GAS
Orice Size, Inch / mm
1/4 x 3/8 / 6.4
x 9.5 3/8 / 9.5 1/2 / 13 3/4 / 19 1 / 25 1-3/16 / 30
psig bar SCFH Nm3/h SCFH Nm3/h SCFH Nm3/h SCFH Nm3/h SCFH Nm3/h SCFH Nm3/h
14 to 35 psig /
0.97 to 2.4 bar
25 psig / 1.7 bar
±1% psia / bar
19B0432X012
Zinc
30
40
50
60
2.1
2.8
3.4
4.1
2070
3320
4140
4830
55.5
89.0
111
129
4230
7350
9340
11,030
113
197
250
296
7360
12,780
16,250
19,190
197
343
436
514
14,980
23,420
34,040
40,630
401
628
912
1089
22,310
40,220
42,110
50,050
598
1078
1129
1341
23,270
33,260
50,000
54,000
624
891
1340
1447
80
100
125
150
175
5.5
6.9
8.6
10.3
12.1
6110
7400
9020
10,630
11,000
164
198
242
285
295
14,050
17,020
20,730
24,440
26,500
377
456
556
655
710
24,440
29,600
36,050
42,500
46,000
655
793
966
1139
1233
51,360
56,050
63,640
77,000
1376
1502
1706
2064
62,000
60,000
1662
1608
60,000 1608
14 to 35 psig /
0.97 to 2.4 bar
30 psig / 2.1 bar
±1% psia / bar
19B0432X012
Zinc
40
50
60
80
2.8
3.4
4.1
5.5
2980
4020
4800
6110
79.9
108
129
164
6520
8950
10,850
14,050
175
240
291
377
11,330
15,560
18,870
24,440
304
417
506
655
23,190
32,300
39,600
51,480
621
866
1061
1380
24,580
42,430
52,560
72,000
659
1137
1409
1930
30,810
50,000
54,000
72,000
826
1340
1447
1930
100
125
150
175
6.9
8.6
10.3
12.1
7400
9020
10,630
10,200
198
242
285
273
17,020
20,730
24,440
25,000
456
556
655
670
29,600
36,050
42,500
48,000
793
966
1139
1286
59,840
70,570
84,000
1604
1891
2251
76,000 2037
14 to 35 psig /
0.97 to 2.4 bar
35 psig / 2.4 bar
±1% psia / bar
19B0432X012
Zinc
40
50
60
80
2.8
3.4
4.1
5.5
2350
3770
4700
6120
63.0
101
126
164
4790
8300
10,510
14,000
128
222
282
375
8330
14,430
18,270
24,350
223
387
490
653
16,920
29,690
38,050
51,600
453
796
1020
1383
20,350
42,740
55,080
70,000
545
1145
1476
1876
28,360
48,000
60,000
74,000
760
1286
1608
1983
100
125
150
175
6.9
8.6
10.3
12.1
7400
9020
10,630
11,200
198
242
285
300
17,020
20,730
24,440
25,500
456
556
655
683
29,600
36,050
42,500
49,000
793
966
1139
1313
63,630
77,500
87,000
1705
2077
2332
76,000 2037
30 to 60 psig /
2.1 to 4.1 bar
40 psig / 2.8 bar
±1% psia / bar
19B0432X022
Green
50
60
80
100
3.4
4.1
5.5
6.9
1600
2800
5200
7600
42.9
75.0
139
204
6500
8170
11,500
13,500
174
219
308
362
9000
17,000
23,000
29,000
241
456
616
777
20,000
33,000
48,000
31,000
536
884
1286
831
28,000
48,000
66,000
76,000
750
1286
1769
2037
34,000
52,000
68,000
911
1394
1822
125
150
175
8.6
10.3
12.1
8200
9800
11,400
220
263
306
19,000
22,750
26,500
509
610
710
35,000
42,000
47,000
938
1126
1260
76,000
91,000
2037
2439
30 to 60 psig /
2.1 to 4.1 bar
50 psig / 3.4 bar
±1% psia / bar
19B0432X022
Green
60
80
100
4.1
5.5
6.9
3400
5800
6200
91.1
155
166
7000
11,000
15,000
188
295
402
10,000
21,000
26,000
268
563
697
21,000
45,000
59,000
563
1206
1581
32,000
69,000
88,000
858
1849
2358
45,000
74,000
1206
1983
125
150
175
8.6
10.3
12.1
8400
9600
10,800
225
257
289
19,500
23,000
26,500
523
616
710
35,000
42,000
49,000
938
1126
1313
77,000
89,000
2064
2385
30 to 60 psig /
2.1 to 4.1 bar
60 psig / 4.1 bar
±1% psia / bar
19B0432X022
Green
80
100
125
5.5
6.9
8.6
2800
3600
2800
75.0
96.5
75.0
3500
9500
15,000
93.8
255
402
17,000
23,000
22,000
456
616
590
36,000
50,000
69,000
965
1340
1849
52,000
64,000
90,000
1394
1715
2412
53,000 1420
150
175
10.3
12.1
4600
6400
123
172
11,000
7000
295
188
18,000
18,000
482
482
89,000 2385
1. Downstream piping may affect actual capacity. It may be necessary to use enlarged downstream piping to obtain published capacities.
- Blank areas indicate where maximum operating inlet pressure for a given orice size is exceeded.

Bulletin 71.2:299H
20
OUTLET PRESSURE
RANGE AND SETTING,
CONTROL SPRING PART
NUMBER AND COLOR
INLET PRESSURE
CAPACITIES IN SCFH/ Nm3/h OF 0.6 SPECIFIC GRAVITY NATURAL GAS
Orice Size, Inch / mm
1/4 x 3/8 / 6.4 x 9.5 3/8 / 9.5 1/2 / 13 3/4 / 19
psig bar SCFH Nm3/h SCFH Nm3/h SCFH Nm3/h SCFH Nm3/h
3.5 to 6 inches w.c. /
9 to 15 mbar
3.5 inches w.c. / 9 mbar
-1 to 2 inches w.c. /
-2 to 5 mbar
T13707T0012
Black
2
5
10
15
20
25
0.14
0.34
0.69
1.0
1.4
1.7
750
1150
1580
1910
2230
2560
20.1
30.8
42.3
51.2
59.8
68.6
1540
2440
3570
4400
5140
5880
41.3
65.4
95.7
118
138
158
1960
3230
4970
6890
8050
9210
52.5
86.6
133
185
216
247
4750
7760
11,660
15,890
18,570
21,250
127
208
312
426
498
570
30
40
50
60
80
2.1
2.8
3.4
4.1
5.5
2880
3520
4170
4810
6100
77.2
94.3
112
129
163
6630
8110
9590
11,080
14,040
178
217
257
297
376
10,370
12,700
15,020
17,340
21,980
278
340
403
465
589
23,930
29,280
34,630
39,990
50,690
641
785
928
1072
1358
100
125
150
175
6.9
8.6
10.3
12.1
7390
9010
10,620
12,230
198
241
285
328
17,010
20,720
24,430
28,140
456
555
655
754
26,630
32,430
38,240
44,040
714
869
1025
1180
61,400
74,780
88,170
1646
2004
2363
5 to 9 inches w.c. /
12 to 22 mbar
7 inches w.c. / 17 mbar
-1 to 2 inches w.c. /
-2 to 5 mbar
T13589T0012
Yellow
2
5
10
15
20
25
0.14
0.34
0.69
1.0
1.4
1.7
730
1150
1580
1910
2230
2560
19.6
30.8
42.3
51.2
59.8
68.6
1490
2420
3570
4400
5140
5880
39.9
64.9
95.7
118
138
158
1900
3190
4950
6890
8050
9210
50.9
85.5
133
185
216
247
4610
7690
11,620
15,890
18,570
21,250
124
206
311
426
498
570
30
40
50
60
80
2.1
2.8
3.4
4.1
5.5
2880
3520
4170
4810
6100
77.2
94.3
112
129
163
6630
8110
9590
11,080
14,040
178
217
257
297
376
10,370
12,700
15,020
17,340
21,980
278
340
403
465
589
23,930
29,280
34,630
39,990
50,690
641
785
928
1072
1358
100
125
150
175
6.9
8.6
10.3
12.1
7390
9010
10,620
12,230
198
241
285
328
17,010
20,720
24,430
28,140
456
555
655
754
26,630
32,430
38,240
44,040
714
869
1025
1180
61,400
74,780
88,170
1646
2004
2363
7 to 20 inches w.c. /
17 to 50 mbar
14 inches w.c. /
35 mbar
±2 inches w.c. / ±5 mbar
1N3112X0012
Unpainted
2
5
10
15
20
25
0.14
0.34
0.69
1.0
1.4
1.7
690
1130
1570
1910
2230
2560
18.5
30.3
42.1
51.2
59.8
68.6
1410
2390
3550
4400
5140
5880
37.8
64.1
95.1
118
138
158
1790
3130
4920
6890
8050
9210
48.0
83.9
132
185
216
244
4340
7550
11,540
15,890
18,570
21,250
116
202
309
426
498
570
30
40
50
60
80
2.1
2.8
3.4
4.1
5.5
2880
3520
4170
4810
6100
77.2
94.3
112
129
163
6630
8110
9590
11,080
14,040
178
217
257
297
376
10,370
12,700
15,020
17,340
21,980
278
340
403
465
589
23,930
29,280
34,630
39,990
50,690
641
785
928
1072
1358
100
125
150
175
6.9
8.6
10.3
12.1
7390
9010
10,620
12,230
198
241
285
328
17,010
20,720
24,430
28,140
456
555
655
754
26,630
32,430
38,240
44,040
714
869
1025
1180
61,400
74,780
88,170
1646
2004
2363
16 to 40 inches w.c. /
40 to 99 mbar
28 inches w.c. /
70 mbar
±4 inches w.c. / ±10 mbar
1B413727222
Purple
5
10
15
20
25
0.34
0.69
1.0
1.4
1.7
1100
1560
1910
2230
2560
29.5
41.8
51.2
59.8
68.6
2310
3420
4400
5140
5880
61.9
91.7
118
138
158
3010
4680
6890
8050
9210
80.7
125
185
216
247
7260
11,180
14,680
18,570
21,250
195
300
393
498
570
30
40
50
60
80
2.1
2.8
3.4
4.1
5.5
2880
3520
4170
4810
6100
77.2
94.3
112
129
163
6630
8110
9590
11,080
14,040
178
217
257
297
376
10,370
12,700
15,020
17,340
21,980
278
340
403
465
589
23,930
29,280
34,630
39,990
50,690
641
785
928
1072
1358
100
125
150
175
6.9
8.6
10.3
12.1
7390
9010
10,620
12,230
198
241
285
328
17,010
20,720
24,430
28,140
456
555
655
754
26,630
32,430
38,240
44,040
714
869
1025
1180
61,400
74,780
88,170
1646
2004
2363
1. Capacities are limited to 15,000 SCFH / 402 Nm³/h when the Type VSX-2 is used without a control line.
2. Due to slam-shut properties, capacities cannot be calculated with critical ow equation.
- Blank areas indicate where maximum operating inlet pressure for a given orice size is exceeded.
Table 8. Types 299HS and 299HSR Flow Capacities(1)(2) for 1-1/2 NPT and NPS 2 / DN 50 External/Dual Registration
- continued -

Bulletin 71.2:299H
21
OUTLET PRESSURE
RANGE AND SETTING,
CONTROL SPRING PART
NUMBER AND COLOR
INLET PRESSURE
CAPACITIES IN SCFH / Nm3/h OF 0.6 SPECIFIC GRAVITY NATURAL GAS
Orice Size, Inch / mm
1/4 x 3/8 / 6.4 x 9.5 3/8 / 9.5 1/2 / 13 3/4 / 19
psig bar SCFH Nm3/h SCFH Nm3/h SCFH Nm3/h SCFH Nm3/h
1 to 3.25 psig /
69 mbar to 0.22 bar
2 psig / 0.14 bar
±1% psia / bar
T13593T0012
Light blue
5
10
15
20
25
0.34
0.69
1.0
1.4
1.7
1010
1540
1910
2230
2560
27.1
41.3
51.2
59.8
68.6
2090
3330
4350
5140
5880
56.0
89.2
117
138
158
2690
4500
6160
8050
9210
72.1
121
165
216
247
6500
10,780
14,420
18,570
21,250
174
289
386
498
570
30
40
50
60
80
2.1
2.8
3.4
4.1
5.5
2880
3520
4170
4810
6100
77.2
94.3
112
129
163
6630
8110
9590
11,080
14,040
178
217
257
297
376
10,370
12,700
15,020
17,340
21,980
278
340
403
465
589
23,930
29,280
34,630
39,990
50,690
641
785
928
1072
1358
100
125
150
175
6.9
8.6
10.3
12.1
7390
9010
10,620
12,230
198
241
285
328
17,010
20,720
24,430
28,140
456
555
655
754
26,630
32,430
38,240
44,040
714
869
1024
1180
61,400
74,780
88,170
1646
2004
2363
2.75 to 6 psig /
0.19 to 0.41 bar
5 psig / 0.34 bar
±1% psia / bar
T13671T0012
Orange
10
15
20
25
0.69
1.0
1.4
1.7
1380
1860
2230
2560
37.0
49.8
59.8
68.6
2890
4180
5080
5880
77.5
112
136
158
3780
5690
7170
9210
101
152
192
247
9110
13,370
16,790
21,250
244
358
450
570
30
40
50
60
80
2.1
2.8
3.4
4.1
5.5
2880
3520
4170
4810
6100
77.2
94.3
112
129
163
6630
8110
9590
11,080
14,040
178
217
257
297
376
10,370
12,700
15,020
17,340
21,980
278
340
403
465
589
23,930
29,280
34,630
39,990
50,690
641
785
928
1072
1358
100
125
150
175
6.9
8.6
10.3
12.1
7390
9010
10,620
12,230
198
241
285
328
17,010
20,720
24,430
28,140
456
555
655
754
26,630
32,430
38,240
44,040
714
869
1024
1180
61,400
74,780
88,170
1646
2004
2363
5 to 16 psig /
0.34 to 1.1 bar
10 psig / 0.69 bar
±1% psia / bar
T13600T0012
Red
15
20
25
30
1.0
1.4
1.7
2.1
1570
2120
2530
2880
42.1
56.8
67.8
77.2
3270
4710
5700
6630
87.6
126
153
178
4220
6310
7890
10,370
113
169
211
278
10,200
14,850
18,510
21,820
273
398
496
585
40
50
60
80
2.8
3.4
4.1
5.5
3520
4170
4810
6100
94.3
112
129
163
8110
9590
11,080
14,040
217
257
297
376
12,700
15,020
17,340
21,980
340
403
465
589
29,280
34,630
39,990
50,690
785
928
1072
1358
100
125
150
175
6.9
8.6
10.3
12.1
7390
9010
10,620
12,230
198
241
285
328
17,010
20,720
24,430
28,140
456
555
655
754
26,630
32,430
38,240
44,040
714
869
1025
1180
61,400
74,780
88,170
1646
2004
2363
5 to 16 psig /
0.34 to 1.1 bar
15 psig / 1.0 bar
±1% psia / bar
T13600T0012
Red
20
25
30
1.4
1.7
2.1
1740
2350
2810
46.6
63.0
75.3
3610
5210
6280
96.7
139
168
4640
6890
8560
124
185
229
11,210
16,220
20,110
300
435
539
40
50
60
80
2.8
3.4
4.1
5.5
3520
4170
4810
6100
94.3
112
129
163
8110
9590
11,080
14,040
217
257
297
376
12,700
15,020
17,340
21,980
340
403
464
589
26,850
34,630
39,990
50,690
720
928
1072
1358
100
125
150
175
6.9
8.6
10.3
12.1
7390
9010
10,620
12,230
198
241
285
328
17,010
20,720
24,430
28,140
456
555
655
754
26,630
32,430
38,240
44,040
714
869
1025
1180
61,400
74,780
88,170
1646
2004
2363
1. Capacities are limited to 15,000 SCFH / 402 Nm³/h when the Type VSX-2 is used without a control line.
2. Due to slam-shut properties, capacities cannot be calculated with critical ow equation.
- Blank areas indicate where maximum operating inlet pressure for a given orice size is exceeded.
Table 8. Types 299HS and 299HSR Flow Capacities(1)(2) for 1-1/2 NPT and NPS 2 / DN 50 External/Dual Registration (continued)

Bulletin 71.2:299H
22
- continued -
OUTLET PRESSURE
RANGE AND SETTING,
CONTROL SPRING PART
NUMBER AND COLOR
INLET PRESSURE
CAPACITIES IN SCFH / Nm3/h OF 0.6 SPECIFIC GRAVITY NATURAL GAS
Orice Size, Inch / mm
1/4 x 3/8 / 6.4 x 9.5 3/8 / 9.5 1/2 / 13 3/4 / 19
psig bar SCFH Nm3/h SCFH Nm3/h SCFH Nm3/h SCFH Nm3/h
3.5 to 6 inches w.c. /
9 to 15 mbar
3.5 inches w.c. / 9 mbar
-1 to 2 inches w.c. /
-2 to 5 mbar
T13707T0012
Black
2
5
10
15
20
25
0.14
0.34
0.69
1.0
1.4
1.7
760
1160
1590
1920
2240
2570
20.4
31.1
42.6
51.5
60.0
68.9
1780
2450
3560
4400
5100
5450
47.7
65.7
95.4
118
137
146
2800
4000
6000
7500
9000
7620
75.0
107
161
201
241
204
6460
7140
7140
8320
10,830
9870
173
191
191
223
290
265
30
40
50
60
80
2.1
2.8
3.4
4.1
5.5
2890
3530
3880
4090
3110
77.5
94.6
104
110
83.3
5800
7550
9300
7700
2800
155
202
249
206
75.0
9880
12,070
11,300
6660
1230
265
323
303
178
33.0
9870
6400
6840
7010
9000
265
172
183
188
241
100
125
150
175
6.9
8.6
10.3
12.1
4790
5210
5640
7310
128
140
151
196
3600
3600
3600
5680
96.5
96.5
96.5
152
2990
4090
5210
7300
80.1
110
140
196
4650
3230
3230
125
86.6
86.6
5 to 9 inches w.c. /
12 to 22 mbar
7 inches w.c. / 17 mbar
-1 to 2 inches w.c. /
-2 to 5 mbar
T13589T0012
Yellow
2
5
10
15
20
25
0.14
0.34
0.69
1.0
1.4
1.7
750
1120
1590
1920
2240
2570
20.1
30.0
42.6
51.5
60.0
68.9
1890
2460
3400
4320
5060
5800
50.7
65.9
91.1
116
136
155
2800
4000
6000
7000
9000
9690
75.0
107
161
188
241
260
5520
6020
6520
8000
7930
7420
148
161
175
214
213
199
30
40
50
60
80
2.1
2.8
3.4
4.1
5.5
2890
3530
4180
4820
4020
77.5
94.6
112
129
108
6500
7900
7800
6560
2620
174
212
209
176
70.2
10,480
11,490
10,280
7170
1200
281
308
276
192
32.2
7050
4900
5940
6310
8340
189
131
159
169
224
100
125
150
175
6.9
8.6
10.3
12.1
4670
5070
5480
6430
125
136
147
172
3420
3600
3870
5120
91.7
96.5
104
137
2990
5180
5180
7300
80.1
139
139
196
3900
3360
2340
105
90.0
62.7
7 to 20 inches w.c. /
17 to 50 mbar
14 inches w.c. / 35 mbar
±2 inches w.c. / ±5 mbar
1N3112X0012
Unpainted
2
5
10
15
20
25
0.14
0.34
0.69
1.0
1.4
1.7
700
1110
1580
1920
2240
2570
18.8
29.7
42.3
51.5
60.0
68.9
1420
2200
3500
4300
5000
5700
38.1
59.0
93.8
115
134
153
3440
4000
6000
7600
9000
10,000
92.2
107
161
204
241
268
4790
6080
7440
9250
10,670
8950
128
163
199
248
286
240
30
40
50
60
80
2.1
2.8
3.4
4.1
5.5
2890
3530
4180
4820
4600
77.5
94.6
112
129
123
6500
7900
9300
7490
2730
174
212
249
201
73.2
11,200
11,620
12,400
12,090
2030
300
311
332
324
54.4
8450
6800
7240
7400
7420
226
182
194
198
199
100
125
150
175
6.9
8.6
10.3
12.1
4970
5200
5430
4700
133
139
146
126
3900
3900
3900
3900
105
105
105
105
4410
5990
5990
6310
118
161
161
169
4970
4330
3120
133
116
83.6
16 to 40 inches w.c. /
40 to 99 mbar
28 inches w.c. / 70 mbar
±4 inches w.c. / ±10 mbar
1B413727222
Purple
5
10
15
20
25
0.34
0.69
1.0
1.4
1.7
1110
1570
1920
2240
2570
29.7
42.1
51.5
60.0
68.9
2600
3500
4400
5100
5800
69.7
93.8
118
137
155
3600
6000
7200
8800
10,000
96.5
161
193
236
268
5200
6910
9370
11,030
11,390
139
185
251
296
305
30
40
50
60
80
2.1
2.8
3.4
4.1
5.5
2890
3530
4180
4820
6110
77.5
94.6
112
129
164
6500
7900
9300
8250
4260
174
212
249
221
114
11,600
13,570
13,920
14,410
3090
311
364
373
386
82.8
11,980
11,220
10,020
9170
11,320
321
301
269
246
303
100
125
150
175
6.9
8.6
10.3
12.1
6360
6450
6540
2950
170
173
175
79.1
5150
5930
6110
3560
138
159
164
95.4
4850
5290
5570
3320
130
142
149
89.0
3750
3960
2520
101
106
67.5
1. Capacities are limited to 15,000 SCFH / 402 Nm³/h when the Type VSX-2 is used without a control line.
2. Due to slam-shut properties, capacities cannot be calculated with critical ow equation.
- Blank areas indicate where maximum operating inlet pressure for a given orice size is exceeded.
Table 9. Types 299HS and 299HSR Flow Capacities(1)(2) for 1-1/2 NPT and NPS 2 / DN 50 Internal Registration

Bulletin 71.2:299H
23
OUTLET PRESSURE
RANGE AND SETTING,
CONTROL SPRING PART
NUMBER AND COLOR
INLET PRESSURE
CAPACITIES IN SCFH / Nm3/h OF 0.6 SPECIFIC GRAVITY NATURAL GAS
Orice Size, Inch / mm
1/4 x 3/8 / 6.4 x 9.5 3/8 / 9.5 1/2 / 13 3/4 / 19
psig bar SCFH Nm3/h SCFH Nm3/h SCFH Nm3/h SCFH Nm3/h
1 to 3.25 psig /
69 mbar to 0.22 bar
2 psig / 0.14 bar
±1% psia / bar
T13593T0012
Light blue
5
10
15
20
25
0.34
0.69
1.0
1.4
1.7
1020
1550
1920
2240
2570
27.3
41.5
51.5
60.0
68.9
2900
3600
4300
5000
5550
77.7
96.5
115
134
149
4000
5500
7500
8500
10,000
107
147
201
228
268
5660
7840
10,210
12,100
11,880
152
210
273
324
318
30
40
50
60
80
2.1
2.8
3.4
4.1
5.5
2890
3530
4180
4820
6110
77.5
94.6
112
129
164
6100
7750
9400
10,530
8580
163
208
252
282
230
11,000
14,000
14,380
15,510
12,000
295
375
385
416
322
12,800
13,960
10,940
9810
3700
343
374
293
263
99.2
100
125
150
175
6.9
8.6
10.3
12.1
6850
7070
7300
4560
184
189
196
122
3290
3050
3200
5540
88.2
81.7
85.8
148
1130
2220
2090
2090
30.3
59.5
56.0
56.0
2910
2910
2910
78.0
78.0
78.0
2.75 to 6 psig /
0.19 to 0.41 bar
5 psig / 0.34 bar
±1% psia / bar
T13671T0012
Orange
10
15
20
25
0.69
1.0
1.4
1.7
1390
1870
2240
2570
37.3
50.1
60.0
68.9
2800
3750
4700
5700
75.0
101
126
153
5000
7000
8500
9500
134
188
228
255
6540
9680
11,480
12,420
175
259
308
333
30
40
50
60
80
2.1
2.8
3.4
4.1
5.5
2890
3530
4180
4790
5740
77.5
94.6
112
128
154
6430
7900
9300
10,700
13,350
172
212
249
287
358
11,000
13,000
16,000
15,200
13,170
295
348
429
407
353
13,050
15,780
15,110
10,710
8670
350
423
405
287
232
100
125
150
175
6.9
8.6
10.3
12.1
6680
7170
7650
4400
179
192
205
118
16,000
4740
3530
3530
429
127
94.6
94.6
2430
1700
1910
3050
65.1
45.6
51.2
81.7
8670
7300
6470
232
196
173
5 to 16 psig /
0.34 to 1.1 bar
10 psig / 0.69 bar
±1% psia / bar
T13600T0012
Red
15
20
25
1.0
1.4
1.7
1800
2200
2600
48.2
59.0
69.7
3200
4300
5400
85.8
115
145
4000
12,000
9000
107
322
241
7250
9870
12,240
194
265
328
30
40
50
60
80
2.1
2.8
3.4
4.1
5.5
3000
3650
4300
4950
6250
80.4
97.8
115
133
168
6600
7800
9000
10,460
13,400
177
209
241
280
359
10,000
13,000
16,000
16,050
15,950
268
348
429
430
427
13,490
17,230
18,520
20,460
10,780
362
462
496
548
289
100
125
150
175
6.9
8.6
10.3
12.1
7600
9300
6320
5810
204
249
169
156
16,110
19,500
4960
3270
432
553
133
87.6
15,030
16,250
1970
1970
403
436
52.8
52.8
11,250
11,250
6590
302
302
177
5 to 16 psig /
0.34 to 1.1 bar
15 psig / 1.0 bar
±1% psia / bar
T13600T0012
Red
20
25
30
1.4
1.7
2.1
1900
2450
3000
50.9
65.7
80.4
3400
4550
5700
91.1
122
153
6000
8000
10,000
161
214
268
8860
10,900
13,870
237
292
372
40
50
60
80
2.8
3.4
4.1
5.5
3700
4320
4950
6200
99.2
116
133
166
7600
8900
10,330
13,200
204
239
277
354
13,000
15,000
16,900
18,730
348
402
453
502
19,100
20,300
20,660
21,940
512
544
554
588
100
125
150
175
6.9
8.6
10.3
12.1
7350
8800
10,220
7300
197
236
274
196
16,000
19,500
22,950
6500
429
523
615
174
21,260
23,920
25,900
5910
570
641
694
158
16,310
13,970
10,600
437
374
284
1. Capacities are limited to 15,000 SCFH / 402 Nm³/h when the Type VSX-2 is used without a control line.
2. Due to slam-shut properties, capacities cannot be calculated with critical ow equation.
- Blank areas indicate where maximum operating inlet pressure for a given orice size is exceeded.
Table 9. Types 299HS and 299HSR Flow Capacities(1)(2) for 1-1/2 NPT and NPS 2 / DN 50 Internal Registration (continued)

Bulletin 71.2:299H
24
OUTLET PRESSURE
RANGE AND SETTING,
CONTROL SPRING PART
NUMBER AND COLOR
INLET PRESSURE
CAPACITIES IN SCFH / Nm3/h OF 0.6 SPECIFIC GRAVITY NATURAL GAS
Orice Size, Inch / mm
1/4 x 3/8 / 6.4 x 9.5 3/8 / 9.5 1/2 / 13 3/4 / 19
psig bar SCFH Nm3/h SCFH Nm3/h SCFH Nm3/h SCFH Nm3/h
3.5 to 6 inches w.c. /
9 to 15 mbar
3.5 inches w.c. / 9 mbar
-1 to 2 inches w.c. /
-2 to 5 mbar
T13707T0012
Black
2
5
10
15
20
25
0.14
0.34
0.69
1.0
1.4
1.7
760
1160
1590
1920
2240
2570
20.4
31.1
42.6
51.5
60.0
68.9
1780
2450
3560
4400
5100
5450
47.7
65.7
95.4
118
137
146
2800
4000
6000
7500
9000
8000
75.0
107
161
201
241
214
6460
7600
9500
12,400
17,500
17,000
173
204
255
332
469
456
30
40
50
60
80
2.1
2.8
3.4
4.1
5.5
2890
3530
3880
4090
3110
77.5
94.6
104
110
83.3
5800
7550
9300
7700
4500
155
202
249
206
121
11,000
14,000
16,500
12,000
3500
295
375
442
322
93.8
17,000
13,000
13,000
12,400
11,600
456
348
348
332
311
100
125
150
175
6.9
8.6
10.3
12.1
4790
5210
5620
5620
128
140
151
151
4500
4500
4500
4500
121
121
121
121
3750
5120
6500
6500
101
137
174
174
6000
4400
4400
161
118
118
5 to 9 inches w.c. /
12 to 22 mbar
7 inches w.c. / 17 mbar
-1 to 2 inches w.c. /
-2 to 5 mbar
T13589T0012
Yellow
2
5
10
15
20
25
0.14
0.34
0.69
1.0
1.4
1.7
750
1120
1590
1920
2240
2570
20.1
30.0
42.6
51.5
60.0
68.9
1890
2460
3400
4320
5060
5800
50.7
65.9
91.1
116
136
155
2800
4000
6000
7000
9000
10,000
75.0
107
161
188
241
268
5520
7200
10,000
13,600
14,000
15,000
148
193
268
364
375
402
30
40
50
60
80
2.1
2.8
3.4
4.1
5.5
2890
3530
4180
4180
4020
77.5
94.6
112
112
108
6500
7900
7800
6560
4100
174
212
209
176
110
11,250
13,000
14,500
12,250
3250
302
348
389
328
87.1
16,000
10,400
10,400
10,400
10,400
429
279
279
279
279
100
125
150
175
6.9
8.6
10.3
12.1
4670
5070
5480
5480
125
136
147
147
4270
4500
4850
5200
114
121
130
139
3750
6500
6500
6500
101
174
174
174
5200
4400
4400
139
118
118
7 to 20 inches w.c. /
17 to 50 mbar
14 inches w.c. /
35 mbar
±2 inches w.c. /
±5 mbar
1N3112X0012
Unpainted
2
5
10
15
20
25
0.14
0.34
0.69
1.0
1.4
1.7
700
1110
1580
1920
2240
2570
18.8
29.7
42.3
51.5
60.0
68.9
1420
2200
3500
4300
5000
5700
38.1
59.0
93.8
115
134
153
3440
4000
6000
7600
9000
10,000
92.2
107
161
204
241
268
4800
7200
11,200
15,200
18,000
17,200
129
193
300
407
482
461
30
40
50
60
80
2.1
2.8
3.4
4.1
5.5
2890
3530
4180
4820
4600
77.5
94.6
112
129
123
6500
7900
9300
7630
4300
174
212
249
204
115
11,200
12,800
16,400
18,800
5000
300
343
440
504
134
18,200
14,400
14,400
14,000
8400
488
386
386
375
225
100
125
150
175
6.9
8.6
10.3
12.1
4970
5200
5430
5430
133
139
146
146
4430
4600
4850
5100
119
123
130
137
5000
6800
6800
6800
134
182
182
182
6000
6000
6000
161
161
161
16 to 4 inches w.c. /
40 to 99 mbar
28 inches w.c. /
70 mbar
±4 inches w.c. /
±10 mbar
1B413727222
Purple
5
10
15
20
25
0.34
0.69
1.0
1.4
1.7
1110
1570
1920
2240
2570
29.7
42.1
51.5
60.0
68.9
2600
3500
4400
5100
5800
69.7
93.8
118
137
155
3600
6000
7200
8800
10,000
96.5
161
193
236
268
6500
10,000
14,500
17,500
20,000
174
268
389
469
536
30
40
50
60
80
2.1
2.8
3.4
4.1
5.5
2890
3530
4180
4820
6110
77.5
94.6
112
129
164
6500
7900
9300
8400
6600
174
212
249
225
177
11,600
14,000
16,400
19,000
6500
311
375
440
509
174
23,500
22,500
20,000
16,500
16,500
630
603
536
442
442
100
125
150
175
6.9
8.6
10.3
12.1
6360
6450
6540
6540
170
173
175
175
6910
7300
7700
8100
185
196
206
217
6500
6500
7000
7000
174
174
188
188
7000
7000
7000
188
188
188
1. Capacities are limited to 15,000 SCFH / 402 Nm³/h when the Type VSX-2 is used without a control line.
2. Due to slam-shut properties, capacities cannot be calculated with critical ow equation.
- Blank areas indicate where maximum operating inlet pressure for a given orice size is exceeded.
Table 10. Types 299HS and 299HSR Flow Capacities(1)(2) for 2 NPT Internal Registration
- continued -

Bulletin 71.2:299H
25
OUTLET PRESSURE
RANGE AND SETTING,
CONTROL SPRING, PART
NUMBER AND COLOR
INLET PRESSURE
CAPACITIES IN SCFH / Nm3/h OF 0.6 SPECIFIC GRAVITY NATURAL GAS
Orice Size, Inch / mm
1/4 x 3/8 / 6.4 x 9.5 3/8 / 9.5 1/2 / 13 3/4 / 19
psig bar SCFH Nm3/h SCFH Nm3/h SCFH Nm3/h SCFH Nm3/h
1 to 3.25 psig /
69 mbar to 0.22 bar
2 psig / 0.14 bar
±1% psia / bar
T13593T0012
Light blue
5
10
15
20
25
0.34
0.69
1.0
1.4
1.7
1020
1550
1920
2240
2670
27.3
41.5
51.5
60.0
71.6
2900
3600
4300
5000
5550
77.7
96.5
115
134
149
4000
5500
7500
8500
10,000
107
147
201
228
268
6000
10,500
14,500
18,000
20,000
161
281
389
482
536
30
40
50
60
80
2.1
2.8
3.4
4.1
5.5
2890
3530
4180
4820
6110
77.5
94.6
112
129
164
6100
7750
9400
10,730
13,400
163
208
252
288
359
11,000
14,000
16,000
19,000
24,000
295
375
429
509
643
24,000
28,000
23,000
18,000
8000
643
750
616
482
214
100
125
150
175
6.9
8.6
10.3
12.1
6850
7070
7300
7300
184
189
196
196
10,770
7500
7500
7500
289
201
201
201
6500
7500
7500
7500
174
201
201
201
8000
8000
9500
214
214
255
2.75 to 6 psig /
0.19 to 0.41 bar
5 psig / 0.34 bar
±1% psia / bar
T13671T0012
Orange
10
15
20
25
0.69
1.0
1.4
1.7
1390
1870
2240
2570
37.3
50.1
60.0
68.9
2800
3750
4700
5700
75.0
101
126
153
5000
7000
8500
9500
134
188
228
255
8000
13,000
17,000
20,000
214
348
456
536
30
40
50
60
80
2.1
2.8
3.4
4.1
5.5
2890
3530
4180
4790
5740
77.5
94.6
112
128
154
6430
7900
9300
10,700
13,350
172
212
249
287
358
11,000
13,000
16,000
18,000
23,000
295
348
429
482
616
23,000
29,000
30,000
20,000
20,000
616
777
804
536
536
100
125
150
175
6.9
8.6
10.3
12.1
6680
7170
7650
7650
179
192
205
205
16,000
12,800
9600
9600
429
343
257
257
8000
8000
8000
8000
214
214
214
214
20,000
20,000
20,000
536
536
536
5 to 16 psig /
0.34 to 1.1 bar
10 psig / 0.69 bar
±1% psia / bar
T13600T0012
Red
15
20
25
30
1.0
1.4
1.7
2.1
1800
2200
2600
3000
48.2
59.0
69.7
80.4
3200
4300
5400
6600
85.8
115
145
177
4000
12,000
9000
10,000
107
322
241
268
8500
14,000
19,000
22,000
228
375
509
590
40
50
60
80
2.8
3.4
4.1
5.5
3650
4300
4950
6250
97.8
115
133
168
7800
9000
10,460
13,400
209
241
280
359
13,000
16,000
18,000
23,000
348
429
482
616
28,000
34,000
39,000
25,000
750
911
1045
670
100
125
150
175
6.9
8.6
10.3
12.1
7600
9300
9900
10,500
204
249
265
281
16,110
19,500
15,050
10,600
432
523
403
284
29,000
35,000
10,000
10,000
777
938
268
268
25,000
25,000
25,000
670
670
670
5 to 16 psig /
0.34 to 1.1 bar
15 psig / 1.0 bar
±1% psia / bar
T13600T0012
Red
20
25
30
1.4
1.7
2.1
1900
2450
3000
50.9
65.7
80.4
3400
4550
5700
91.1
122
153
6000
8000
10,000
161
214
268
10,000
15,000
20,000
268
402
536
40
50
60
80
2.8
3.4
4.1
5.5
3700
4320
4950
6200
99.2
116
133
166
7600
8900
10,330
13,200
204
239
277
354
13,000
15,000
18,000
23,000
348
402
482
616
28,000
35,000
40,000
51,000
750
938
1072
1367
100
125
150
175
6.9
8.6
10.3
12.1
7350
8800
10,220
11,650
197
236
274
312
16,000
19,500
22,950
26,400
429
523
615
708
29,000
36,000
40,000
40,000
777
965
1072
1072
35,000
30,000
30,000
938
804
804
1. Capacities are limited to 15,000 SCFH / 402 Nm³/h when the Type VSX-2 is used without a control line.
2. Due to slam-shut properties, capacities cannot be calculated with critical ow equation.
- Blank areas indicate where maximum operating inlet pressure for a given orice size is exceeded.
Table 10. Types 299HS and 299HSR Flow Capacities(1)(2) for 2 NPT Internal Registration (continued)

Bulletin 71.2:299H
26
TYPE 67CF FILTERED
PILOT SUPPLY
REGULATOR OPTION
TYPE P590
FILTER OPTION
3/4 NPT ALTERNATE
CONTROL LINE
CONNECTION
3/4 NPT
CONTROL
LINE CONNECTION
1/4 NPT VENT
4.9 /
124
3.1 / 79
8.6 /
218 12.1 /
307
13.7 /
348
5.8 /
147
4.3 /
109
A
7.9 /
201
9.0 /
229
INCH / mm
DIMENSION
END CONNECTION STYLE AND FACE-TO-FACE DIMENSION
NPT CL125 FF(1) CL125 FF CL150 RF CL250 RF(2) PN 10 or 16(2)
Inch mm Inch mm Inch mm Inch mm Inch mm Inch mm
A 6.12 155 7.50 199 10.00 254 10.00 254 10.50 267 9.06 230
1. Available in Cast iron only.
2. Available in Ductile iron only.
DIMENSION
BODY SIZE AND END CONNECTION
1-1/2 NPT 2 NPT NPS 2 / DN 50 CL125 FF NPS 2 / DN 50 CL250 RF NPS 2 / DN 50 PN 10/16 RF
Inch mm Inch mm Inch mm Inch mm Inch mm
A 6.12 / 155 6.12 / 155 10.00 / 254 10.50 / 267 9.06 / 230
Figure 9. Types 299HS and 299HSR Dimensions
Table 13. Types 299HS and 299HSR Dimensions
Figure 8. Types 299H and 299HR Dimensions
Table 12. Types 299H and 299HR Dimensions
A7274
T14021
4.9 / 124
6.7 / 170
13.7 /
348
12.1 /
307
8.6 /
218
5.8 /
147
4.3 /
109
A
(BODY LENGTH)
9.0 /
229
7.9 /
201
3/4 NPT
ALTERNATIVE
CONTROL LINE
CONNECTION
TYPE P590 FILTER OPTION
TYPE 67CF
FILTERED PILOT SUPPLY
REGULATOR OPTION
3/4 NPT
CONTROL LINE
CONNECTION
1/4 NPT VENT

Bulletin 71.2:299H
27
Ordering Information
To order, complete the Ordering Guide on pages 27
and 28. Carefully review the Specications section on
page 2 and specify the desired selection whenever
there is a choice to be made.
Ordering Guide
Type (Select One)
299H***
299HR***
299HS***
299HSR***
Body Size, Material and End Connection Style (Select One)
1-1/4 NPT
Cast iron (For Types 299H and 299HR only)***
1-1/2 NPT
Cast iron (For Types 299H and 299HR only)***
Ductile iron***
Steel (For Types 299H and 299HR only)***
NPS 2 / DN 50
Cast iron (For Types 299H and 299HR only)
NPT***
CL125 FF - 7.5 inches / 191 mm***
CL125 FF - 10 inches / 254 mm***
Ductile iron
NPT***
CL125 FF - 10 inches / 254 mm***
CL250 RF***
PN 10 RF*
PN 16 RF*
Steel (For Types 299H and 299HR only)
NPT***
CL150 RF***
Orice Size (Select One)
1/4 x 3/8 inch / 6.4 x 9.5 mm***
3/8 inch / 9.5 mm***
1/2 inch / 13 mm***
3/4 inch / 19 mm***
7/8 inch / 22 mm (For Types 299H and 299HR only)***
1 inch / 25 mm (For Types 299H and 299HR only)***
1-3/16 inch / 30 mm (For Types 299H and 299HR only)***
Outlet Pressure Range (Select One)
3.5 to 6 inches w.c. / 9 to 15 mbar, Black***
5 to 9 inches w.c. / 12 to 22 mbar, Yellow***
7 to 20 inches w.c. / 17 to 50 mbar, Unpainted***
16 to 40 inches w.c. / 40 to 99 mbar, Purple***
1 to 3.25 psig / 69 mbar to 0.22 bar, Light Blue***
2.75 to 6 psig / 0.19 to 0.41 bar, Orange***
5 to 16 psig / 0.34 to 1.1 bar, Red***
14 to 35 psig / 0.97 to 2.4 bar (Type 299H only), Zinc***
30 to 60 psig / 2.1 to 4.1 bar (Type 299H only), Green***
Pressure Registration (Select One)
Internal***
External***
Dual***
Fixed Restriction (Select One)
0.044 inch / 1.1 mm, Red (standard gain)***
0.071 inch / 1.8 mm, Green (low gain)***
0.082 inch / 2.1 mm, Blue (lower gain)***
Type VSX-2 Trip Pressure Range
High Pressure Trip (Select One)
(For OPSO or OPSO/UPSO)
12 to 25 inches w.c. / 30 to 62 mbar***
20 to 52 inches w.c. / 50 to 129 mbar***
1.4 to 3.9 psig / 97 to 269 mbar***
3.8 to 8.7 psig / 262 to 600 mbar***
5.8 to 16 psig / 400 to 1103 mbar***
11.6 to 23 psig / 800 to 1586 mbar***
Figure 10. Body and Vent Positions
POSITION E
(STANDARD)
POSITION D
POSITION C
POSITION F
POSITION 1 POSITION 2 POSITION 3 POSITION 4
(STANDARD)

Bulletin 71.2:299H
©Emerson Process Management Regulator Technologies, Inc., 1999, 2014; All Rights Reserved
The Emerson logo is a trademark and service mark of Emerson Electric Co. All other marks are the property of their prospective owners. Fisher is a mark owned by Fisher Controls International LLC,
a business of Emerson Process Management.
The contents of this publication are presented for informational purposes only, and while every effort has been made to ensure their accuracy, they are not to be construed as warranties or
guarantees, express or implied, regarding the products or services described herein or their use or applicability. We reserve the right to modify or improve the designs or specications of such
products at any time without notice.
Emerson Process Management Regulator Technologies, Inc. does not assume responsibility for the selection, use or maintenance of any product. Responsibility for proper selection, use and
maintenance of any Emerson Process Management Regulator Technologies, Inc. product remains solely with the purchaser.
Industrial Regulators
Emerson Process Management
Regulator Technologies, Inc.
USA - Headquarters
McKinney, Texas 75070 USA
Tel: +1 800 558 5853
Outside U.S. +1 972 548 3574
Asia-Pacic
Shanghai 201206, China
Tel: +86 21 2892 9000
Europe
Bologna 40013, Italy
Tel: +39 051 419 0611
Middle East and Africa
Dubai, United Arab Emirates
Tel: +011 971 4811 8100
Natural Gas Technologies
Emerson Process Management
Regulator Technologies, Inc.
USA - Headquarters
McKinney, Texas 75070 USA
Tel: +1 800 558 5853
Outside U.S. +1 972 548 3574
Asia-Pacic
Singapore 128461, Singapore
Tel: +65 6770 8337
Europe
Bologna 40013, Italy
Tel: +39 051 419 0611
Chartres 28008, France
Tel: +33 2 37 33 47 00
Middle East and Africa
Dubai, United Arab Emirates
Tel: +011 971 4811 8100
TESCOM
Emerson Process Management
Tescom Corporation
USA - Headquarters
Elk River, Minnesota 55330-2445, USA
Tels: +1 763 241 3238
+1 800 447 1250
Europe
Selmsdorf 23923, Germany
Tel: +49 38823 31 287
Asia-Pacic
Shanghai 201206, China
Tel: +86 21 2892 9499
For further information visit www.emersonprocess.com/regulators
Regulators Quick Order Guide
* * * Standard - Readily Available for Shipment
* * Non-Standard - Allow Additional Time for Shipment
*Special Order, Constructed from Non-Stocked Parts.
Consult your local Sales Ofce for Availability.
Availability of the product being ordered is determined by the component with the
longest shipping time for the requested construction.
Specication Worksheet
Application (Please designate units):
Specic Use
Line Size
Gas Type and Specic Gravity
Gas Temperature
Does the Application Require Overpressure Protection?
No Yes, if so, which is preferred:
Relief Valve Monitor Regulator Shutoff Device
Is overpressure protection equipment selection assistance
desired?
Pressure (Please designate units):
Maximum Inlet Pressure (P1max)
Minimum Inlet Pressure (P1min)
Downstream Pressure Setting(s) (P2)
Maximum Flow (Qmax)
Performance Required:
Accuracy Requirements?
Need for Extremely Fast Response?
Other Requirements:
Ordering Guide (continued)
Low Pressure Trip (Select One) (For OPSO/UPSO only)
2 to 12 inches w.c. / 5 to 30 mbar***
4 to 30 inches w.c. / 10 to 75 mbar***
0.36 to 2.3 psig / 25 to 159 mbar***
1.5 to 10.8 psig / 103 to 745 mbar***
Type P590 Pilot Supply Filter (Optional)
Type P593-1, Aluminum
Type 594-1, Brass
Type 67CF Filtered Pilot Supply Regulator (Optional)
Yes, please add a Type 67CF regulator to this order.
Main Valve Parts Kit (Optional)
Yes, please send one parts kit to match this order.
Pilot Parts Kit (Optional)
Yes, please send one parts kit to match this order.