Emerson 5300 Series Installation Manual Superior Performance Guided Wave Radar Level And Interface Transmitter
2015-01-05
: Emerson Emerson-5300-Series-Installation-Manual-165685 emerson-5300-series-installation-manual-165685 emerson pdf
Open the PDF directly: View PDF
.
Page Count: 36
- Superior Performance Guided Wave Radar Level and Interface Transmitter
- Step 1: Confirm system readiness
- Step 2: Mount the transmitter head/probe
- Step 3: Connect the wiring
- Step 4: Configure
- Safety Instrumented Systems (4-20 mA only)
- Product certifications

Quick Installation Guide
00825-0100-4530, Rev EC
March 2013
Superior Performance
Guided Wave Radar
Level and Interface Transmitter

March 2013
2
Quick Installation Guide
About this guide
This installation guide provides basic guidelines for Rosemount 5300 Series
transmitters. It does not provide instructions for configuration, diagnostics,
maintenance, service, troubleshooting, Explosion-proof, Flameproof, or
intrinsically safe (I.S.) installations. Refer to the Rosemount 5300 Series Reference
Manual (Document No. 00809-0100-4530) for more instruction. The manual and
this Quick Installation Guide (QIG) are also available electronically on
www.rosemount.com.
Failure to follow safe installation and service guidelines could result in death or serious
injury
Make sure the transmitter is installed by qualified personnel and in accordance with
applicable code of practice.
Use the equipment only as specified in this QIG and the Reference Manual. Failure to do so
may impair the protection provided by the equipment.
Do not perform any services other than those contained in this manual unless you are
qualified.
Explosions could result in death or serious injury
Verify that the operating environment of the transmitter is consistent with the appropriate
hazardous locations specifications. See Product Certifications on page 25 in this Quick
Installation Guide.
To prevent ignition of flammable or combustible atmospheres, disconnect power before
servicing.
Before connecting a HART®, FOUNDATION™ fieldbus, or Modbus based communicator in an
explosive atmosphere, make sure the instruments in the loop are installed in accordance
with intrinsically safe or non-incendive field wiring practices.
To avoid process leaks, only use O-rings designed to seal with the corresponding flange
adapter.
Electrical shock can result in death or serious injury
Avoid contact with the leads and terminals. High voltage that may be present on leads can
cause electrical shock.
Make sure the main power to the Rosemount 5300 Series transmitter is off and the lines to
any other external power source are disconnected or not powered while wiring the
transmitter.
Probes with non-conducting surfaces
Probes covered with plastic and/or with plastic discs may generate an ignition-capable level of
electrostatic charge under certain extreme conditions. Therefore, when the probe is used in a
potentially explosive atmosphere, appropriate measures must be taken to prevent
electrostatic discharge.

Quick Installation Guide
3
March 2013
Any substitution of non-authorized parts or repair, other than exchanging the complete
transmitter head or probe assembly, may jeopardize safety and is prohibited.
Unauthorized changes to the product are strictly prohibited as they may unintentionally and
unpredictably alter performance and jeopardize safety. Unauthorized changes that interfere
with the integrity of the welds or flanges, such as making additional perforations, compromise
product integrity and safety. Equipment ratings and certifications are no longer valid on any
products that have been damaged or modified without the prior written permission of
Emerson Process Management. Any continued use of product that has been damaged or
modified without prior written authorization is at the customer's sole risk and expense.
Eliminate the risk of ESD discharge prior to dismounting the transmitter head from the probe.
Probes may generate an ignition- capable level of electrostatic charge under extreme
conditions.
During any type of installation or maintenance in a potentially explosive atmosphere the
responsible person should make sure that any ESD risks are eliminated before attempting to
separate the probe from the transmitter head.
Contents
Confirm system readiness . . . . . . . . . . . . . . . . . 4
Mount the transmitter head/probe . . . . . . . . . 5
Connect the wiring . . . . . . . . . . . . . . . . . . . . . . . 8
Configure . . . . . . . . . . . . . . . . . . . . . . . . . . . . . . 15
Safety Instrumented Systems (4-20 mA only) 21
Product certifications . . . . . . . . . . . . . . . . . . . . 25

March 2013
4
Quick Installation Guide
Step 1: Confirm system readiness
Confirm HART revision capability
If using HART-based control or asset management systems, confirm the HART
capability of those systems prior to transmitter installation. Not all systems
are capable of communicating with the HART Revision 7 protocol.
This transmitter can be configured for either HART Revision 5 or 7.
For instructions on how to change the HART revision of your transmitter, see
“Switch HART revision mode” on page 4.
Confirm correct Device Driver
Verify that the latest Device Driver (DD/DTM) is loaded on your systems to
ensure proper communication.
Download the latest Device Driver from www.rosemount.com/LevelSoftware.
Rosemount 5300 device revisions and drivers
Table 1 provides the information necessary to ensure that you have the correct
Device Driver and documentation for your device.
Table 1. Rosemount 5300 device revisions and files
Switch HART revision mode
If the HART configuration tool is not capable of communicating with HART
Revision 7, the Rosemount 5300 Series will load a Generic Menu with limited
capability. The following procedures will switch the HART revision mode from the
Generic Menu:
1. Manual Setup > Device Information > Identification > Message
To change to HART Revision 5, Enter: “HART5” in the Message field
To change to HART Revision 7, Enter: “HART7” in the Message field
Firmware
Version1
1. Firmware version is printed on the transmitter head label, e.g. SW 2E0.
Find Device Driver Review Instructions Review Functionality
HART
Universal
Revision
Device
Revision2
2. Device revision is printed on the transmitter head label, e.g. HART Dev Rev 4.
Manual Document Number Changes to Software3
3. HART Revision 5 and 7 are selectable.
2F0 and later 74
00809-0100-4530
Rev EA See footnote 3 for list of
changes.
53
2A2 - 2D2 5 3 00809-0100-4530
Rev DA N/A

Quick Installation Guide
5
March 2013
Step 2: Mount the transmitter head/probe
Tank connection with flange
1. Place a gasket on top of the tank flange.
2. Lower the probe with flange into the tank.
3. Tighten the bolts and nuts with sufficient torque
regarding flange and gasket choice.
4. Loosen the nut that connects the housing to the
probe and rotate the housing to the desired
direction.
5. Tighten the nut.
Threaded tank connection
1. For adapters with BSP/G threads, place a gasket
on top of the tank flange.
2. Lower the probe into the tank.
3. Mount the adapter into the process connection.
4. Loosen the nut that connects the housing to the
probe and rotate the housing to the desired
direction.
5. Tighten the nut.
Tri-Clamp tank connection
1. Place a gasket on top of the tank flange.
2. Lower the transmitter and probe into the tank.
3. Fasten the Tri-Clamp to the tank with a clamp.
4. Loosen the nut that connects the transmitter
housing to the probe slightly.
5. Rotate the transmitter housing so the cable
entries/display face the desired direction.
6. Tighten the nut.
Refer to the Rosemount 5300 Series Reference Manual (Document No.
00809-0100-4530) for details regarding the mounting of transmitter head/probe.
Flange
Probe
Gasket
Tan k
Flange
Trans mi tter
Housing
Nut
Bolt
Adapter
Probe
Tank Flange/
Process
Connection
Nut
Sealant on
threads (NPT)
or
Gasket (BSP/G)
NOTE:
For adapters with NPT threads, pressure-tight joints
require a sealant.
Gasket
Probe
Nut
Tank
Tri-Clamp
Clamp

March 2013
6
Quick Installation Guide
Step 2 continued...
Bracket mounting, on wall
1. Mount the bracket directly to the wall with
screws suitable for the purpose.
2. Mount the transmitter with probe to the bracket
and secure the installation with the three
supplied screws.
Bracket mounting, on pipe
1. Put the two U-bolts through the holes of the
bracket. Holes are available for both vertical and
horizontal pipe mounting.
2. Put the clamping brackets on the U-bolts and
around the pipe.
3. Fasten the bracket to the pipe using the four
supplied nuts.
4. Mount the transmitter with probe to the bracket
and secure with the three supplied screws.
See the Rosemount 5300 Series Reference Manual
(Document No. 00809-0100-4530) for more
installation details.
U-bolts
Bracket
Clamping
brackets
Transmitter
housing
Bracket
Probe
Vertical mounting
Transmitter
housing
Probe
Horizontal mounting
Transmitter
housing
Probe

Quick Installation Guide
7
March 2013
Step 2 continued...
Remote housing
1. Remove the transmitter head from the probe by
unscrewing the M50 nut.
For safety information regarding ESD discharge,
see the applicable warning on page 3.
2. Mount the probe in the tank.
3. Mount the bracket to the pole, making sure the
distance between the probe and bracket does
not exceed the length of the remote connection.
Put the two U-bolts through the holes of the
bracket. Several holes are available for
vertical/horizontal pipe mounting.
Put the clamping brackets on the U-bolts and
around the pipe.
Use the supplied nuts to fasten the bracket to
the pipe.
4. Fasten the housing support to the bracket using
the M6 screws. The screws are threaded through
the top of the mounting bracket and into the
housing support.
5. Mount the probe housing on the probe, making
sure that the M50 nut is properly tightened.
6. Connect the transmitter head on the housing
support, making sure that the M50 nut is
properly tightened.
M50 nut
U-bolt Bracket Clamping
brackets
M6 screw
M50 nut

March 2013
8
Quick Installation Guide
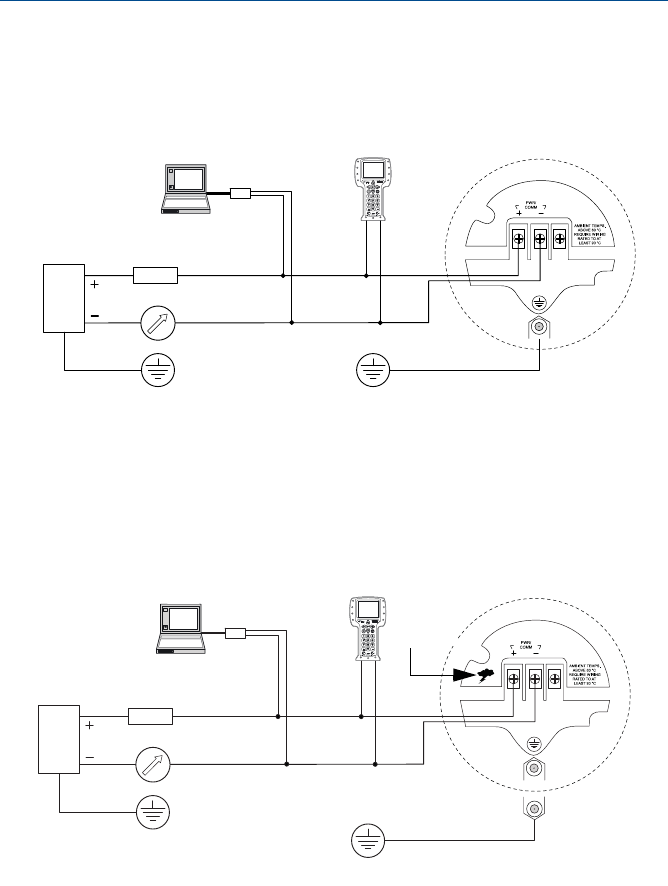
Step 3: Connect the wiring
Wiring and power supply requirements can be dependent upon the approval
certification. As with all FOUNDATION fieldbus requirements, a conditioned power
supply and terminating resistors are required for proper operation.
It is recommended that shielded twisted pair wiring (18-12 AWG) suitable for the
supply voltage be used and, if applicable, approved for use in hazardous areas.
For electrical information, such as power supply, see diagrams and drawings for
HART, Modbus, and FOUNDATION fieldbus on the following pages.
NOTE:
Avoid running instrument cable next to power cables in cable trays or near heavy electrical
equipment.
It is important that the instrument cable shield be:
- trimmed close and insulated from touching the transmitter housing
- continuously connected throughout the segment
- connected to a good earth ground at the power supply end
Grounding
When wiring the transmitters, the grounding should be completed such that:
The loop is grounded at the power supply.
When transmitters are installed on metal tanks, ensure there is a
metal-to-metal connection between the device and the tank.
If the tank is non-metallic, the housing must be grounded to an earth ground
that is separate from the power supply. The external ground terminal may be
used for this purpose.
If the tank is cathodically protected, the housing must be grounded to an
earth ground that is outside of the cathodic protection system ground. Use
the external terminal for this purpose.
When transient protection terminal block is used, the ground wire should be
separate from the signal wire. Use the external ground terminal.
Make sure grounding is done (including IS ground inside Terminal compartment)
according to Hazardous Locations Certifications, national and local electrical
codes.
The most effective transmitter housing grounding method is a direct connection
to earth ground with minimal (< 1 ) impedance.
NOTE:
Grounding the transmitter housing using the threaded conduit connection may not provide
a sufficient ground. The transient protection terminal block will not provide transient
protection unless the transmitter housing is properly grounded. Use the above guidelines to
ground the transmitter housing. Do not run transient protection ground wire with signal
wiring; the ground wire may carry excessive current if a lightning strike occurs.

Quick Installation Guide
9
March 2013
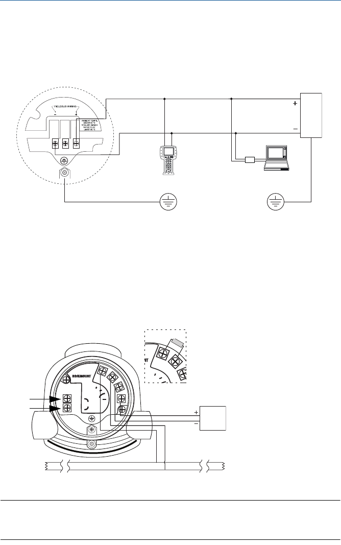
To connect the transmitter
1. Verify that the power supply is disconnected.
2. Remove the terminal block cover (see picture below).
3. Pull the cable through the cable gland/conduit. For Explosion-proof /
Flameproof installations, only use cable glands or conduit entry devices
certified Explosion-proof or Flameproof. Install wiring with a drip loop where
the bottom of the loop must be lower than the cable/conduit entry.
4. To connect the wires, see the illustrations on the following pages.
5. Use the enclosed metal plug to seal any unused port.
6. Tighten the cable gland.
7. Mount the cover and make sure it is fully engaged to meet Explosion-proof
requirements (adapters are required if M20 glands are used).
For ATEX, IECEx, NEPSI, INMETRO, and TIIS installations, lock the cover with the
locking screw.
8. Connect the power supply.
NOTE:
Use PTFE tape or other sealant at the NPT threads in the Cable Entries.
Terminal block
Cable Entry, ½
in. NPT - 14 or
M20x1.5
adapter
Internal Ground
Screw
Terminals for
signal and
power supply
External Ground Screw
Termi nal
Block
Cover
Cable Entry, ½
in. NPT - 14 or
M20x1.5
adapter
Remove the orange, protective,
plastic plugs, used for
transportation.
Seal any unused port with the
enclosed metal plug.
Locking screw

March 2013
10
Quick Installation Guide
Step 3 continued...
HART communication
The Rosemount 5300 Series transmitter operates with a power supply ranging
from 16 - 42.4 Vdc (16 - 30 Vdc in IS applications, 20-42.4 Vdc in Explosion-proof /
Flameproof applications and in Non-Sparking / Energy Limited applications).
All configuration tools for HART communication, such as the Field Communicator
and Rosemount Radar Master, require a minimum load resistance (RL) of 250
within the loop in order to function properly, see diagrams below.
Non-intrinsically safe power supply
NOTE:
Rosemount 5300 Series Transmitters with Flameproof/Explosion-proof output have a
built-in barrier; no external barrier needed.
Intrinsically safe power supply
Load Resistance
250
Power
Supply
HART
Modem
Field
Communicator
PC
Rosemount 5300 Series
Transmitter
Power
Supply RL250
Approved IS
Barrier
Field
Communicator
PC
For IS Parameters, see the Product certifications chapter.
HART
Modem
Rosemount 5300 Series
Transmitter

Quick Installation Guide
11
March 2013
Step 3 continued...
Type n approvals : non-sparking / energy limited power supply
Transient protection terminal block
Load Resistance
250
Power
Supply
HART
Modem
Field
Communicator
PC
Rosemount 5300 Series
Transmitter
HART: Un = 42.4 V
Power
Supply
Load Resistance
250
PC
HART
Modem
Field
Communicator
Rosemount 5300 Series
Transmitter
Transient
Protection
Symbol
HART: Un = 42.4 V

March 2013
12
Quick Installation Guide
Step 3 continued...
Load limitations
The Field Communicator requires a minimum load resistance of 250 within the
loop to function properly. The maximum load resistance can be obtained from
the following diagrams.
NOTE:
For Flameproof / Explosion-proof installations, the diagram is only valid if the HART load resistance
is at the + side and if the - side is grounded. Otherwise, the load resistance value is limited to
435 .
NOTE:
Rosemount 5300 Series Transmitters with Flameproof/Explosion-proof output have a built-in
barrier; no external barrier needed.
R(): Maximum Load Resistance
UE(V): External Power Supply Voltage
Explosion-proof/Flameproof (Ex d)
Installations
Non-Hazardous Installations,
and Non-Sparking / Energy
Limited Power Supply
R(): Maximum Load Resistance
UE(V): External Power Supply Voltage
Operating
region Operating
region
Intrinsically Safe Installations
R(): Maximum Load Resistance
UE(V): External Power Supply Voltage

Quick Installation Guide
13
March 2013
Step 3 continued...
FOUNDATION fieldbus
The Rosemount 5300 Series transmitter, FOUNDATION fieldbus version, operates
with a power supply ranging from 9 - 32 Vdc (9 - 30 Vdc in IS applications and 16 -
32 Vdc in Explosion-proof / Flameproof and in Non-Sparking / Energy Limited
applications).
FISCO, IS applications: 9 - 17.5 Vdc.
Non-intrinsically safe power supply
NOTE:
Rosemount 5300 Series Transmitters with Flameproof/Explosion-proof output have a built-in
barrier; no external barrier needed.
Intrinsically safe power supply
Power
Supply
Field Communicator PC
Rosemount 5300 Series
Transmitter
Fieldbus
Modem
Power
Supply
Approved IS Barrier
Field Communicator PC
For IS Parameters, see the Product certifications chapter.
Rosemount 5300 Series
Transmitter
Fieldbus
Modem

March 2013
14
Quick Installation Guide
Step 3 continued...
Type n approvals : non-sparking / energy limited power supply
RS-485 with Modbus communication
The 5300 Series RS-485 with Modbus communication transmitter version
operates using a power supply ranging from 8 - 30 Vdc (max. rating). See the
Rosemount 5300/5400 Series with HART to Modbus Converter Manual
supplement (Document No. 00809-0500-4530) for details.
Power Consumption:
< 0.5 W (with HART address = 1)
< 1.2 W (incl. four HART slaves)
NOTE:
Rosemount 5300 Series Transmitters with Flameproof/Explosion-proof output have a built-in
barrier; no external barrier needed.
Power
Supply
Field Communicator PC
Rosemount 5300 Series
Transmitter
Fieldbus
Modem
MODBUS
POWER
HART
(RS-485)
HART to M odbus C onverter
MB
MA
-
-+
+
Ambients > 60 ºC
Use wiring rated
for min 90 ºC
MODBUS
(RS-485)
nv
erter
MB
MA
-
If it is the last
transmitter on the
bus, connect the
120termination
resistor.
120
Power
Supply
120
RS-485 Bus
120
A
B
HART -
HART +

Quick Installation Guide
15
March 2013
Step 4: Configure
NOTE:
If the transmitter is pre-configured at the factory, it is only necessary to proceed with the
following steps if you need to verify or change the settings.
Basic configuration can easily be done either with Rosemount Radar Master, a
Field Communicator, the AMS™ Suite, DeltaV®, or any other DD (Device
Description) compatible host system. For advanced configuration features,
Rosemount Radar Master is recommended.
Rosemount Radar Master Guided Setup includes a Wizard for Basic Configuration
and a Device Specific Setup which are sufficient for most cases. Further
configuration options are available using the Setup Functions, as described in the
Rosemount 5300 Series Reference Manual (Document No. 00809-0100-4530).
Configuration with Rosemount Radar Master Guided Setup is described on the
following pages and the corresponding Field Communicator fast key sequence
and FOUNDATION fieldbus parameters are given.
Help is accessed by selecting the Contents option from the Help menu. Help is
also available through a Help button in most windows.
The configuration instructions in this Quick Installation Guide cover standard
installations. For more complicated situations, such as interface applications or
for installations that have disturbing objects within the radar beam etc, see the
Rosemount 5300 Series Reference Manual (Document No. 00809-0100-4530).
Installing the Rosemount Radar Master software
To install Rosemount Radar Master:
1. Insert the installation CD into the CD-ROM drive.
2. Follow the instructions. If the installation program does not start
automatically, run Setup.exe from the CD.

March 2013
16
Quick Installation Guide
Configuration using the Rosemount Radar Master
software
1. Start Rosemount Radar Master (Programs > Rosemount > Rosemount Radar
Master).
2. Connect to the desired transmitter. Once the transmitter is connected, the
Guided Setup window appears automatically.
3. Click the Run Wizard for guided setup button. Follow the instructions for a
Basic Configuration and you will be guided through a short transmitter
installation procedure.
4. The first window in the Configuration Wizard presents general information
such as Device Model (5301 / 5302 / 5303), serial number, Probe Type,
Probe Length, communication protocol, and device address. Check that the
information complies with the ordering information. Click Next.
5. The General window lets you enter Tag, Message1, Descriptor1, and Date1.
This information is not required for operation of the transmitter and can be
left out if desired.
Handheld HART Communicator: Fast Key Sequence [2, 2, 1].
Click Next and the following window appears (Probe).
6. Verify that the parameters in the Probe window are correct. The parameters
1) Only for HART communication.
Run Wizard

Quick Installation Guide
17
March 2013
are normally configured at the factory, but can be changed if, for example, the
probe is cut in the field, or if disturbing objects in the near zone need to be
blocked out (Hold Off Distance/Upper Null Zone (UNZ)).
Handheld HART Communicator: Fast Key Sequence [2, 1, 2].
FOUNDATION fieldbus parameters:
TRANSDUCER_1100 > PROBE_TYPE
TRANSDUCER_1100 > PROBE_LENGTH
TRANSDUCER_1100 > GEOM_HOLD_OFF_DIST
Click Next and the following window appears (Geometry).
7. Enter Tank Height, the distance from the Upper Reference Point to the Lower
Reference Point (which is the tank bottom in the screenshot above), making
sure it is as accurate as possible. See Configuration in the Rosemount 5300
Series Reference Manual (Document No. 00809-0100-4530) for details.
Set Mounting Type. Set Diameter if Mounting Type is Nozzle or
Pipe/Chamber. Set Nozzle Height if Mounting Type is Nozzle.
Handheld HART Communicator: Fast Key Sequence [2, 1, 3]
FOUNDATION fieldbus parameters:
TRANSDUCER_1100 > GEOM_TANK_HEIGHT
TRANSDUCER_1100 > MOUNTING_TYPE
TRANSDUCER_1100 > PIPE_DIAMETER
TRANSDUCER_1100 > NOZZLE_HEIGHT

March 2013
18
Quick Installation Guide
Click Next and the following window appears (Tank Environment).
8. In the Environment window, select Measurement Mode. If the surface is
moving up or down at rates over 40 mm/s (1.5 in./s), the Rapid Level Changes
box should also be selected. Enter the Upper Product Dielectric Constant
(icons for help functions are available to the right). For Interface Level with
Submerged Probe and Product and Interface measurement modes, it is
important that the dielectric constant value is exact.
See the Rosemount 5300 Series Reference Manual (Document No.
00809-0100-4530) for details.
Handheld HART Communicator: Fast Key Sequence [2, 1, 4]
FOUNDATION fieldbus parameters:
TRANSDUCER_1100 > MEAS_MODE
TRANSDUCER_1100 > PRODUCT_DIELEC_RANGE
TRANSDUCER_1100 > UPPER_PRODUCT_DC
TRANSDUCER_1100 > ENV_ENVIRONMENT
Click Next and the following window appears (Volume).
9. If volume calculation is desired, choose a pre-defined Volume Calculation
Method and tank dimensions based on a tank shape that corresponds to the
actual tank. Choose Strapping Table if the actual tank does not match any of

Quick Installation Guide
19
March 2013
the available pre-defined tank options, or if high volume accuracy is desired.
Choose None if volume calculation is not desired.
Handheld HART Communicator: Fast Key Sequence [2, 1, 5]
FOUNDATION fieldbus parameters:
TRANSDUCER_1300 > VOL_VOLUME_CALC_METHOD
TRANSDUCER_1300 > VOL_IDEAL_DIAMETER
TRANSDUCER_1300 > VOL_IDEAL_LENGTH
TRANSDUCER_1300 > VOL_VOLUME_OFFSET
Click Next and the following window appears (Analog Output).
10. This step is not applicable for FOUNDATION fieldbus, the parameters are entered
in the AI-block instead.
Handheld HART Communicator: Fast Key Sequence [2, 1, 6]
For HART communication, choose Primary Variable, PV.
Specify the analog output range by setting the Upper Range Value (20 mA)
and the Lower Range Value (4 mA) to the desired corresponding level values.
The Alarm Mode specifies the output state when a measurement error
occurs. Choose between the following:
High: 21.75 mA (standard) or 22.5 mA (Namur)
Low: 3.75 mA (standard) or 3.6 mA (Namur)
Freeze: the output current is set to the last valid value at the time when the
error occurs.
Click Next.
11. Continue with Steps 2 to 5 in the Guided Setup window:
Step 2: Device specific setup might advise you to make further configurations.
Handheld HART Communicator: Fast Key Sequence [2, 1, 7, 2].
Step 3: Restart the device to make sure all configuration changes are properly
activated.
Step 4: View live values from the device to verify that the transmitter works
correctly.
Step 5: Make a complete backup of the device.
NOTE:
The 4-20 mA range must not include the
upper transition zone, the lower transition
zone, or the upper null zone. See the
Rosemount 5300 Series Reference Manual
(Document No. 00809-0100-4530) for
details.

March 2013
20
Quick Installation Guide
12. The Basic Configuration with the Radar Master Wizard is now finished.
Proceed with the Device Specific Setup to see which additional configuration
is needed. You may be required to calibrate Vapor Compensation, to set up
Probe End Projection, or to perform a Trim Near Zone depending on type of
the device, application, and functions available.
For further information, see the Rosemount 5300 Series Reference Manual
(Document No. 00809-0100-4530).
For Signal Quality Metrics information and further configuration, see the
Rosemount 5300 Series Reference Manual (Document No. 00809-0100-4530).
Setup - Modbus communication parameters
For transmitters with the Modbus option, do the following to configure the
communication parameters:
1. In the Setup menu select General. The following window appears.
2. Choose the Communication tab.
3. Click Modbus Setup.
4. Enter the desired Modbus communication settings.
Step 1: Run Wizard
Step 3: Restart the device
Step 4: View live values from the device
Step 5: Make a complete backup of the device
Step 2: Device specific setup

Quick Installation Guide
21
March 2013
Safety Instrumented Systems (4-20 mA only)
The following section is applicable to the Rosemount 5300 Prior-Use option
(Special certification: QS). Additional Safety Instrumented Systems information is
available in the Rosemount 5300 Series Reference Manual (Document No.
00809-0100-4530). The manual is available electronically at
www.rosemount.com or by contacting an Emerson Process Management
representative.
To identify a 5300 Prior-Use option transmitter:
Verify the QS option code in the model code, on the label affixed to the
outside of the transmitter head or
Handheld HART Communicator: Fast Key Sequence [1, 7, 8].
Verify that the Prior-Use safety device is ON or
Open Rosemount Radar Master, right click on the device, and select
Properties. Verify that the Safety Device (QS Option) is present
Installation
The device should be installed and configured as a level sensing device per
manufacturer’s instructions. The materials must be compatible with process
conditions and process fluids. No special installation is required in addition to the
standard installation practices outlined in this document.
Environmental limits are available in the Rosemount 5300 Series Reference
Manual (Document No. 00809-0100-4530), Appendix A: Reference Data.
The loop must be designed so the terminal voltage does not drop below the
minimum input voltage, see values in Table 2, when the transmitter output is
22.5 mA.
Table 2. Minimum input voltage (Ui) at different currents
Configuration
Use a HART-compliant master, such as Rosemount Radar Master or a Field
Communicator, to communicate with and verify configuration of the Rosemount
5300 Series. A full review of configuration methods is available in the Rosemount
5300 Series Reference Manual (Document No. 00809-0100-4530).
NOTE:
The Rosemount 5300 Series transmitter is not safety-rated during maintenance work,
configuration changes, multidrop, loop test, or other activity that affects the Safety Function.
Alternative means should be used to ensure process safety during such activities.
Hazardous approval
Current
3.60 mA 3.75 mA 21.75 mA 22.50 mA
Minimum input voltage (UI)
Non-Hazardous Installations and
Intrinsically Safe Installations 16 Vdc 16 Vdc 11 Vdc 11 Vdc
Explosion-proof / Flameproof
Installations 20 Vdc 20 Vdc 15.5 Vdc 15.5 Vdc

March 2013
22
Quick Installation Guide
Damping
User adjusted damping affects the transmitter’s ability to respond to process
changes. Therefore, the damping values + response time should not exceed the
Safety loop requirements.
Alarm and saturation levels
DCS or safety logic solver should be configured to handle both High alarm and
Low alarm. Table 3 identifies the alarm levels available and their operation values.1
It is assumed that the current output signal is fed to a Safety Integrity Level 2
(SIL2) -compliant analog input board of a safety logic solver. For instructions on
alarm level settings, see the Rosemount 5300 Series Reference Manual
(Document No. 00809-0100-4530), “Analog Output (HART)” section.
NOTE:
Only the High or Low Alarm Mode can be used for the Safety Function. Do not choose Freeze
Current as an error will not be announced in the current loop.
Write protection
A Rosemount 5300 transmitter can be protected from unintentional
configuration changes by a password protected function. It is recommended to
use write protection described in the Rosemount 5300 Series Reference Manual
(Document No. 00809-0100-4530), “Write Protecting a Transmitter” section.
1) In certain cases, the transmitter does not go into the user defined alarm state. For example, in case of a short circuit,
the transmitter goes into High Alarm state even if Low Alarm has been configured.
Table 3. Alarm levels and operation values
Rosemount Alarm Level
Normal Operation
3.75 mA1
1. Transmitter Failure, hardware or software alarm in Low position.
4 mA 21.75 mA2
3.9 mA
low saturation
20.8 mA
high saturation
Namur Alarm Level
Normal Operation
3.6 mA14 mA 22.5 mA2
3.8 mA
low saturation
20.5 mA
high saturation
2. Transmitter Failure, hardware or software alarm in High position.
20 mA
20 mA

Quick Installation Guide
23
March 2013
Site acceptance
After the installation and configuration, proper operation of the transmitter
should be verified. A site acceptance test is therefore recommended. The proof
test outlined in this section can be used for this.
Operation and maintenance
The Rosemount 5300 Series Prior-Use option must be tested at regular intervals
to confirm that the overfill and empty tank protection function result in the
desired system response. The following proof test is recommended. If an error is
found in the safety functionality, the measuring system must be switched out of
service and the process held in a safe state by means of other measures.
Proof test results and corrective actions taken must be documented at
www.emersonprocess.com/rosemount/safety.
The required proof test intervals depend on the transmitter configuration and
process environment. Refer to the reference manual and the Failure Modes,
Effects, and Diagnostic Analysis (FMEDA) report for further information.
Proof test
This test detects approximately 95% of the possible Dangerous Undetected (DU)
failures of the transmitter including the sensor element, not detected by the
transmitter’s automatic diagnostics. See the Rosemount 5300 Reference Manual
(Document No. 00809-0100-4530) for additional details and instructions. Prior to
this test, the echo curve should be inspected to ensure that no disturbing echoes
affecting the measurement performance are present in the tank.
Required tools: Field Communicator and mA meter.
1. Bypass the logic solver or take other appropriate actions to avoid false trip.
2. Disable write protection if the function is enabled.
3. Using Loop Test, enter the mA value representing a high alarm current output.
Verify that the analog current reaches that value using the reference meter.
This step tests for compliance voltage problems, such as a low loop power supply
voltage or increased wiring resistance.
NOTE:
Use the Handheld HART Communicator: Fast Key Sequence [2, 4, 1, 4] to perform a Loop
Test. See the Rosemount 5300 Series Reference Manual (Document No. 00809-0100-4530)
for additional information.
4. Using Loop Test, enter the mA value representing a low alarm current output.
Verify that the analog current reaches that value using the reference meter.
This step tests for possible quiescent current related failures.
5. Perform a two-point calibration check of the transmitter by applying level to
two points on the probe within the measuring range1. Verify that the current
output corresponds to the level input values using a known reference
measurement.
This step verifies that the analog output is correct in the operating range and that
the Primary Variable is properly configured.
1) For best performance, use the 4 - 20 mA range points as calibration points.

March 2013
24
Quick Installation Guide
6. Enable write protection.
7. Restore the loop to full operation.
8. Remove the bypass from the safety logic solver or otherwise restore normal
operation.
9. Document the test result for future reference.
Inspection
Visual inspection
It is recommended to inspect the probe for possible build up or clogging.
Special tools
Not required.
Product repair
All failures detected by the transmitter diagnostics or by the proof test must be
reported. Feedback can be submitted electronically at
www.emersonprocess.com/rosemount/safety (Contact Us).
The Rosemount 5300 Series is repairable by complete transmitter head
replacement. Contact your local Emerson Process Management representative to
perform the replacement. Additional information is available in the Rosemount
5300 Series Reference Manual (Document No. 00809-0100-4530).
References
Specifications
The Rosemount 5300 must be operated in accordance with the functional and
performance specifications provided in the Rosemount 5300 Series Reference
Manual (Document No. 00809-0100-4530), Appendix A: Reference Data.
Failure rate data
The FMEDA report includes failure rates and common cause Beta factor
estimates. The full report is accessible at
www.emersonprocess.com/rosemount/safety/PriorUse.htm.
Useful lifetime
The established failure rates of electrical components apply within the useful
lifetime, which should be based on experience. According to IEC 61508-2,
7.4.7.4, note 3, the useful lifetime often lies within a range of 8 to 12 years for
transmitters.

Quick Installation Guide
25
March 2013
Product certifications
EU conformity
The EC declaration of conformity can be found on page 33. The most recent
revision of the EC declaration of conformity can be found at
www.rosemount.com.
Safety Instrumented Systems (SIS)
The Rosemount 5300 Series has been evaluated by a third party, Exida, against
hardware requirements according to IEC 61508. With a FMEDA (Failure Modes,
Effects and Diagnostics Analysis) report with a Safe Failure Fraction (SFF) above
90%, 5300 is suitable in SIS according to the Prior Use methodology. For more
information, go to: http://emersonprocess.com/rosemount/safety/. To order the
certificate of FMEDA data, use option code QS.
Hazardous Locations certifications
North-American certifications
Factory Mutual (FM) approvals
Project ID: 3020497
Specific conditions of use:
WARNING: Potential Electrostatic Charging Hazard - The enclosure is constructed from
plastic. To prevent the risk of electrostatic sparking, the plastic surface should only be
cleaned with a damp cloth.
WARNING: The apparatus enclosure contains aluminum and is considered to constitute a
potential risk of ignition by impact or friction. Care must be taken into account during
installation and use to prevent impact or friction.
E51 Explosion-proof:
Explosion-proof for Class I, Div. 1,
Groups B, C, and D;
Dust-ignition-proof for Class II/III, Div. 1, Groups E, F, and G;
With Intrinsically Safe connections to
Class I, II, III, Div. 1, Groups B, C, D, E, F, and G.
Temp. Code T4
Ambient temperature limits: -50 °C to +70 °C2.
Seal not required.
Approval valid for HART, FOUNDATION fieldbus, and Modbus options.
1) Ordering information code for Product Certifications, see the Rosemount 5300 Series Product Data Sheet
(Document No. 00813-0100-4530) or the Rosemount 5300 Series Reference Manual
(Document No. 00809-0100-4530).
2) +60 °C with FOUNDATION fieldbus or FISCO option.

March 2013
26
Quick Installation Guide
I5, IE1 Intrinsically safe and FISCO model:
Intrinsically Safe for Class I, II, III, Div. 1, Groups A, B, C, D, E, F, and G,
Class I, Zone 0, AEx ia IIC T4 when installed per Control Drawing: 9240 030-936.
Non-Incendive Class I, Div. 2, Groups A, B, C, D, F, and G;
Suitable for Class II, III, Div. 2, Groups F and G;
4-20 mA/HART model: Ui = 30 Vdc, Ii = 130 mA, Pi = 1.0 W, Ci = 7.26 nF, Li = 0 H.
Max. operation: 42.4 V, 25 mA
FOUNDATION fieldbus model: Ui = 30 Vdc, Ii = 300 mA, Pi = 1.3 W, Ci = 0 nF, Li = 0 H.
Max. operation: 32 V, 25 mA
FISCO model: Ui = 17.5 Vdc, Ii = 380 mA, Pi = 5.32 W, Li = Ci = 0.
Temp. Code T4
Ambient temperature limits: -50 °C to +70 °C2
Approval valid for HART, FOUNDATION fieldbus, and FISCO options.
Canadian Standards Association (CSA) approvals
Certificate: 1514653
Product options bearing the Dual Seal marking meets the Dual Seal Requirements of
ANSI/ISA12.27.01-2003.
Dual seal annunciation
The breach of the secondary seal is annunciated via product leakage from the antenna’s
vents. The leakage will be visible and/or audible from the transmitter
head’s threads.
Dual seal maintenance
No maintenance required. Verify proper operation by keeping leak path free from ice or
contamination.
WARNING: The substitution of components may impair intrinsic safety.
E61 Explosion-proof with internal intrinsically safe circuits [Exia]
Class I, Div. 1, Groups B, C, and D;
Class II, Div. 1 and 2, Groups E, F, and G;
Class III, Div. 1
Temp Code T4.
Ambient temperature limits -50 °C to +70 °C2
Approval valid for HART, FOUNDATION fieldbus, and Modbus options.
I6, IF1 Intrinsically Safe Exia:
Class I, Div. 1, Groups A, B, C, and D.
Temp Code T4.
4-20 mA/HART model: Ui = 30 Vdc, Ii = 130 mA, Pi = 1.0 W, Ci = 7.26 nF, Li = 0 H.
FOUNDATION fieldbus model: Ui = 30 Vdc, Ii = 300 mA, Pi = 1.3 W, Ci = 0 nF, Li = 0 H.
FISCO model: Ui = 17.5 Vdc, Ii = 380 mA, Pi = 5.32 W, Li = Ci = 0.
Installation Drawing: 9240 030-937
Ambient temperature limits -50 °C to +70 °C2.
Approval valid for HART, FOUNDATION fieldbus, and FISCO options.
1) Ordering information code for Product Certifications, see the Rosemount 5300 Series Product Data Sheet
(Document No. 00813-0100-4530) or the Rosemount 5300 Series Reference Manual
(Document No. 00809-0100-4530).
2) +60 °C with FOUNDATION fieldbus or FISCO option.

Quick Installation Guide
27
March 2013
European certifications
ATEX approvals
Special conditions for safe use (X)
The intrinsically safe circuits do not withstand the 500 V AC test as specified in IEC 60079-11
clause 6.4.12.
Impact and friction hazards need to be considered according to EN 60079-0 clause 8.1.2
when the transmitter and part of antennas exposed to the exterior atmosphere of the tank is
made with light metal alloys and of category II 1G EPL Ga.
The Ex ia version of model 5300 FISCO field device may be supplied by an [Ex ib] FISCO power
supply when the power supply is certified with three separate safety current limiting devices
and voltage limitation which meets the requirements for type Ex ia.
E11 Flameproof:
Nemko 04ATEX1073X
II 1/2 G T4
II 1D T79 °C2
Ex ia/db ia IIC T4 Ga/Gb (-40 °C < Ta < +70 °C3)
Ex ta IIIC T79 °C2 (-40 °C < Ta < +70 °C3)
Um = 250 V
Approval valid for HART, FOUNDATION fieldbus, and Modbus options.
I1, IA1 Intrinsically safe and FISCO model:
Nemko 04ATEX1073X
II 1 G T4 or
II 1/2 G T4
II 1 D T79 °C2
Ex ia IIC T4 (-50 °C < Ta < +70 °C3)
Ex ia/ib IIC T4 Ga/Gb (-50 °C < Ta < +60 °C)
Ex ta IIIC T79 °C2 (-50 °C < Ta < +70 °C3)
4-20 mA/HART model: Ui = 30 Vdc, Ii = 130 mA, Pi = 1.0 W,
Ci = 7.26 nF, Li = 0 H.
FOUNDATION fieldbus model: Ui = 30 Vdc, Ii = 300 mA, Pi = 1.5 W,
Ci = 4.95 nF, Li = 0 H.
FISCO model: Ui = 17.5 Vdc, Ii = 380 mA, Pi = 5.32 W, Ci = 4.95 nF, Li < 1 μH.
Installation Drawing: 9240 030-938
Approval valid for HART, FOUNDATION fieldbus, and FISCO options.
N11 Type n:
II 3G Ex nAnL IIC T4 Gc (-50 °C < Ta < +70 °C3)
II 3G Ex nL IIC T4 Gc (-50 °C < Ta < +70 °C3)
Nemko 10ATEX1072
4-20 mA/HART model: Un = 42.4 V
FOUNDATION fieldbus model: Un = 32 V
Approval valid for HART and FOUNDATION fieldbus options.
1) Ordering information code for Product Certifications, see the Rosemount 5300 Series Product Data Sheet
(Document No. 00813-0100-4530) or the Rosemount 5300 Series Reference Manual
(Document No. 00809-0100-4530).
2) +69 °C with FOUNDATION fieldbus or FISCO option.
3) +60 °C with FOUNDATION fieldbus or FISCO option.

March 2013
28
Quick Installation Guide
Brazilian certifications
INMETRO approvals
Special conditions for safe use (X)
Letter X in the number of the certificate indicates the following special condition(s) for safe
use:
For models 530xFxxxxxxxxxE1..., 530xFxxxxxxxxxKA..., 530xFxxxxxxxxxKB... or
530xFxxxxxxxxxKC... and when the sensor area requires an EPL Ga, the installation of the
transmitter on the process wall must be done in a way that ensures the minimum
degree of protection IP67 in the connection, in compliance with regulation ABNT NBR
IEC 60529.
The intrinsically safe circuit did not withstand the dielectric rigidity tests with 500 Vca as
specified in clause 6.4.12 of regulation IEC 60079-11.
Probes covered with plastic or plastic discs should have a non-conductive area not
exceeding the maximum permitted area for the MC group, which is 4 cm2. Therefore,
when an antenna is used in a potentially explosive atmosphere, appropriate measures
should be taken by the user to prevent electrostatic discharge.
This equipment contains light metals. The equipment must be installed in a way that
the risk of impact or friction with other metal surfaces is eliminated.
The Ex ia version of the field device of model FISCO 5300 can be provided with a FISCO
[Ex ib] power supply when the power supply is certified with three current limiter safety
devices separately and with limitation of voltage, complying with the requirements of
the Ex ia model.
Certificate: NCC 4205/07X
Standards:
ABNT NBR IEC: 60079-0:2008/2010, 60079-1:2009, 60079-11:2009, 60079-26:2008
IEC 60079-31:2008
E21 Flameproof:
4-20 mA/HART model:
Ex d ia IIC T4 Gb/Ga
Ex ta IIIC T79 °C
-40 °C < Ta < +70 °C
Um: 250 V
FOUNDATION fieldbus model:
Ex d ia IIC T4 Gb/Ga
Ex ta IIIC T69 °C
-40 °C < Ta < +60 °C
Um: 250 V
MODBUS model:
Ex d ia IIC T4 Gb/Ga
Ex ta IIIC T79 °C
-40 °C < Ta < +70 °C
Um: 250 V
1) Ordering information code for Product Certifications, see the Rosemount 5300 Series Product Data Sheet
(Document No. 00813-0100-4530) or the Rosemount 5300 Series Reference Manual
(Document No. 00809-0100-4530).

Quick Installation Guide
29
March 2013
I21 Intrinsically safe:
4-20 mA/HART model:
Ex ia IIC T4 Ga
Ex ta IIIC T79 °C
-50 °C < Ta < +70 °C
Ui: 30 V, Ii: 130 mA, Pi: 1.0 W, Li: 0 μH, Ci: 7.26 nF
FOUNDATION fieldbus model:
Ex ia IIC T4 Ga
Ex ta IIIC T69 °C
-50 °C < Ta < +60 °C
Ui: 30 V, Ii: 300 mA, Pi: 1.5 W, Li: 0 μH, Ci: 4.95 nF
Installation Drawing: 9240030-938
IB1 FISCO model:
FISCO Field Device
Ex ia IIC T4 Ga
Ex ia/ib IIC T4 Ga/Gb
Ex ta IIIC T69 °C
-50 °C < Ta < +60 °C
Ui: 17.5 V, Ii: 380 mA, Pi: 5.32 W, Li: <1 μH, Ci: 4.95 nF
Installation Drawing: 9240030-938
Chinese certifications
National Supervision and Inspection Center for Explosion
Protection and Safety of Instrumentation (NEPSI) approvals
Special conditions for safe use (X):
Refer to Certificates GYJ 111230X and GYJ 081131X.
E31 Flameproof:
HART model:
Ex d ia IIC T4 (-40 °C < Ta < +70 °C) DIP A20 TA79 °C
FOUNDATION fieldbus model:
Ex d ia IIC T4 (-40 °C < Ta < +60 °C) DIP A20 TA69 °C
Approval valid for HART, FOUNDATION fieldbus, and Modbus options.
I31 Intrinsically safe:
HART model:
Ex ia IIC T4 (-50 °C < Ta < +70 °C) DIP A20 TA79 °C
4-20 mA/HART model: Ui = 30 V, Ii = 130 mA, Pi = 1.0 W, Ci = 7.26 nF, Li 0 μH
FOUNDATION fieldbus model:
Ex ia IIC T4 (-50 °C < Ta < +60 °C) DIP A20 TA69 °C
Ui = 30 V, Ii = 300 mA, Pi = 1.5 W, Ci 4.95nF, Li 0 μH
Approval valid for HART and FOUNDATION fieldbus options.
1) Ordering information code for Product Certifications, see the Rosemount 5300 Series Product Data Sheet
(Document No. 00813-0100-4530) or the Rosemount 5300 Series Reference Manual
(Document No. 00809-0100-4530).

March 2013
30
Quick Installation Guide
IC1 FOUNDATION fieldbus FISCO model:
Ex ia IIC T4 (-50 °C < Ta< +60 °C) DIP A20 TA69 °C
Ui = 17.5 V, Ii = 380 mA, Pi = 5.32 W, Ci4.95 nF, Li 0.1 μH
N3 Type n:
HART model:
Ex nL IIC T4 (-50 °C < Ta < +70 °C)
Ui = 30 V, Ii = 130 mA, Pi = 1.0 W, Ci7.26 nF, Li 0 μH
FOUNDATION fieldbus model:
Ex nL IIC T4 (-50 °C < Ta < +60 °C)
Ui = 30 V, Ii = 300 mA, Pi = 1.5 W, Ci4.95 nF, Li 0 μH
Japanese certifications
Technology Institution of Industrial Safety (TIIS) approval
Special conditions for safe use (X):
Refer to certificate TC20104 and TC20192.
E41 Flameproof:
4-20 mA/HART model:
Transmitter: Ex d [ia] IIC T4x
-20 ~ +60 °C
DC 20 - 42.4 V
Um = 250 V
Uo = 22.2 V
Io = 177.5 mA
Po = 0.985 W
Probe: Ex Ia IIC T4X
FOUNDATION fieldbus model:
Transmitter: Ex d [ia] IIC T4X
-20 ~ +60 °C
DC 16 - 32 V
Um = 250 V
Uo = 22.2 V
Io = 177.5 mA
Po = 0.985 W
Probe: Ex ia IIC T4X
Installation Drawing: 05300-00548.
Approval valid for HART and FOUNDATION fieldbus options.
1) Ordering information code for Product Certifications, see the Rosemount 5300 Series Product Data Sheet
(Document No. 00813-0100-4530) or the Rosemount 5300 Series Reference Manual
(Document No. 00809-0100-4530)

Quick Installation Guide
31
March 2013
IECEx certifications
IECEx approvals
Special conditions for safe use (X)
The intrinsically safe circuits do not withstand the 500 V AC test as specified in IEC 60079-11
clause 6.4.12.
Impact and friction hazards need to be considered according to EN 60079-0 clause 8.1.2
when the transmitter and part of antennas exposed to the exterior atmosphere of the tank is
made with light metal alloys and of category EPL Ga.
The Ex ia version of model 5300 FISCO field device may be supplied by an [Ex ib] FISCO power
supply when the power supply is certified with three separate safety current limiting devices
and voltage limitation which meets the requirements for type Ex ia.
E71 Flameproof:
IECEx NEM 06.0001X
Ex ia/db ia IIC T4 Ga/Gb (-40 °C < Ta < +70 °C2)
Ex ta IIIC T 79 °C3 (-40 °C < Ta < +70 °C2)
Um = 250 V.
Approval valid for HART, FOUNDATION fieldbus, and Modbus options.
I7, IG1 Intrinsically safe and FISCO model:
IECEx NEM 06.0001X
Ex ia IIC T4 (-50 °C < Ta < +70 °C2).
Ex ia/ib IIC T4 Ga/Gb (-50 °C < Ta < +60 °C).
Ex ta IIIC T 79 °C3 (-50 °C < Ta < +70 °C2).
4-20 mA/HART model: Ui = 30 Vdc, Ii = 130 mA, Pi = 1.0 W,
Ci = 7.26 nF, Li = 0 H.
FOUNDATION fieldbus model: Ui = 30 Vdc, Ii = 300 mA, Pi = 1.5 W, Ci = 4.95 nF, Li = 0 H.
FISCO model: Ui = 17.5 Vdc, Ii = 380 mA, Pi = 5.32 W, Ci = 4.95 nF, Li < 1 μH.
Installation Drawing: 9240 030-938
Approval valid for HART, FOUNDATION fieldbus, and FISCO options.
N71 Type n:
Ex nAnL IIC T4 (-50 °C < Ta < +70 °C2)
Ex n IIC T4 (-50 °C < Ta < +70 °C2)
IECEx NEM 10.0005
4-20 mA/HART model: Un = 42.4 V
FOUNDATION fieldbus model: Un = 32 V
Approval valid for HART and FOUNDATION fieldbus options.
1) Ordering information code for Product Certifications, see the Rosemount 5300 Series Product Data Sheet
(Document No. 00813-0100-4530) or the Rosemount 5300 Series Reference Manual
(Document No. 00809-0100-4530).
2) +60 °C with FOUNDATION fieldbus or FISCO option.
3) +69 °C with FOUNDATION fieldbus or FISCO option.

March 2013
32
Quick Installation Guide
Other certifications
Overfill protection
Cert. no: Z-65.16-476
U1 TÜV-tested and approved by DIBt for overfill protection according to the German WHG
regulations
Approval valid for HART and FOUNDATION fieldbus options.
Suitability for intended use
Compliant with NAMUR NE 95, version 07.07.2006 “Basic Principles of Homologation”
For detailed information on product certificates, refer to the Rosemount 5300 Series
Reference Manual (Document No. 00809-0100-4530).

Quick Installation Guide
33
March 2013
EC Declaration of Conformity
Figure 1. EC Declaration of Conformity - page 1

March 2013
34
Quick Installation Guide
Figure 2. EC Declaration of Conformity - page 2

Quick Installation Guide
35
March 2013
Figure 3. EC Declaration of Conformity - page 3

Emerson Process Management
Rosemount Measurement
8200 Market Boulevard
Chanhassen, MN 55317 USA
Tel (USA) 1 800 999 9307
Tel (International) +1 952 906 8888
Fax +1 952 906 8889
Emerson Process
Management
Asia Pacific Pte Ltd
1 Pandan Crescent
Singapore 128461
Tel +65 6777 8211
Fax +65 6777 0947
Service Support Hotline:
+65 6770 8711
E-mail:
Enquiries@AP.EmersonProcess.com
Emerson Process
Management
Blegistrasse 23
P.O. Box 1046
CH 6341 Baar
Switzerland
Tel +41 (0) 41 768 6111
Fax +41 (0) 41 768 6300
Emerson FZE
P.O. Box 17033
Jebel Ali Free Zone
Dubai UAE
Tel +971 4 811 8100
Fax +971 4 886 5465
Emerson Process
Management Latin America
1300 Concord Terrace, Suite 400
Sunrise Florida 33323 USA
Tel +1 954 846 5030
Emerson Beijing
Instrument Co
No.6 North Street, Hepingli
Dongcheng District, Beijing
100013
China
Tel +8610 64282233
Fax +8610 642 87640
© 2013 Rosemount Inc. All rights reserved. All marks property of owner.
The Emerson logo is a trade mark and service mark of Emerson Electric Co.
Rosemount and the Rosemount logotype are registered trademarks of Rosemount
Inc.
Quick Installation Guide
00825-0100-4530, Rev EC
March 2013
00825-0100-4530