Emerson Fisher 644 And 645 Installation Instructions
2015-03-30
: Emerson Emerson-Fisher-644-And-645-Installation-Instructions-681944 emerson-fisher-644-and-645-installation-instructions-681944 emerson pdf
Open the PDF directly: View PDF
.
Page Count: 12

www.Fisher.com
Fisherr644 and 645 Differential Pressure Pump
Governors
Contents
Introduction 1.................................
Scope of Manual 1.............................
Description 1.................................
Specifications 2...............................
Educational Services 3.........................
Installation 3..................................
Direct-Acting Actuators 4.......................
Reverse-Acting Actuators 5.....................
Overpressure 6.................................
Startup 6......................................
Adjustment 6.................................
Principle of Operation 7.........................
Maintenance 7.................................
Disassembly 8................................
Reassembly 8.................................
Parts Ordering 10...............................
Parts List 10...................................
Figure 1. Fisher 644 Actuator Mounted on a Typical
easy-e™ Valve
W2265-1
Introduction
Scope of Manual
This instruction manual provides information on installation, adjustment, maintenance, and parts ordering for the
Fisher 644 and 645 differential pressure pump governors. Refer to separate instruction manuals for information about
the valve and other accessories used with these governors.
Do not install, operate, or maintain 644 or 645 governors without being fully trained and qualified in valve, actuator,
and accessory installation, operation, and maintenance. To avoid personal injury or property damage, it is important
to carefully read, understand, and follow all the contents of this manual, including all safety cautions and warnings. If
you have any questions about these instructions, contact your Emerson Process Management sales office before
proceeding.
Description
644 and 645 actuators are used in combination with any of several sliding-stem valves to automatically control
steam-driven boiler feedwater pumps (reciprocating or turbine). The 644 or 645 actuator (see figures 1 and 2), when
used in combination with one of several push-down-to-close sliding-stem valves, forms a pump governor.
644 and 645 actuators may also be combined with push-down-to-open valves to be used as relief governors. Relief
governors are used to divert excess pump discharge back to the suction side of the pump.
Instruction Manual
D100302X012
644 and 645 Pump Governors
February 2014

Instruction Manual
D100302X012
644 and 645 Pump Governors
February 2014
2
Table 1. Specifications
Actuator Sizes
See table 2
Actuator Travel
Chloroprene Diaphragm: 11 mm (0.4375 inch)
maximum
Stainless Steel Diaphragm: 3 mm (0.125 inch)
maximum
Operating Principle
JDirect-acting with push-down-to-close valve
JReverse-acting with push-down-to-open valve
Differential Pressure Ranges
See table 2
Maximum Casing Pressure
644 Actuator:
Cast-Iron Casing: 20.7 bar (300 psig)
Steel Casing:41.4 bar (600 psig)
645 Actuator:
Cast-Iron Casing: 34.5 bar (500 psig)
Steel Casing: 69.0 bar (1000 psig)
Maximum nPAcrossDiaphragm
13.8 bar (200 psi)
Effective Diaphragm Area
644:
Size 1: 146 cm2(8.9 inch2)
Size 2: 243 cm2(14.8 inch2)
Size 3: 364 cm2(22.2 inch2)
645:338cm
2(20.6 inch2)
Material Temperature Capabilities
644:
Chloroprene Diaphragm:-40 to 82_C
(-40 to 180_F)
Stainless Steel Diaphragm:
Cast-iron casing: -40 to 232_C(-40to450_F); Steel
casing: -40 to +399_C(-40to750_F)
645: -37 to 82_C(-35_to 180_F)
Casing Pressure Connections
1/4 NPT internal
Spring Ranges and Sensitivity
See table 2
Specifications
Specifications for the 644 and 645 pump governors are shown in table 1. Information for a specific pump governor is
also found on the nameplate of that pump governor.
Table 2. Spring Information
ACTUATOR DIFFERENTIAL PRESSURE RANGE SPRING RATE SENSITIVITY SPRING PART NUMBER
Bar Psi N/mm Lbf/in mm/N In/Psi
644
Size 3
Casing
0.3-1.2
1.2-1.9
5-18
18-27
56
107
314
609
26.1
13.5
0.0707
0.0365
1F945527032
1F945627032
Size 2
Casing
1.9-2.8
2.8-3.8
27-40
40-55
107
165
609
940
9.0
6.2
0.0244
0.0168
1F945627032
1F945727042
Size 1
Casing
3.8-4.7
4.7-6.9
55-68
68-100
107
165
609
940
5.4
3.7
0.0146
0.0101
1F945627032
1F945727042
645
1.0-1.7
1.7-2.4
2.4-3.2
3.2-4.1
4.1-4.3
14-24
24-35
35-47
47-59
59-62
43
64
86
107
129
246
368
490
612
735
21.0
14.0
10.5
11.0
7.1
0.057
0.038
0.0286
0.0299
0.0191
1F714427112
1F176727032
1F176827092
1F176927092
1E792327092
4.3-5.9
5.9-6.8
6.8-8.2
8.2-9.7
9.7-10.7
62-85
85-99
99-119
119-140
140-155
145
221
257
310
368
830
1260
1470
1770
2100
6.2
4.1
3.5
2.9
2.5
0.0169
0.0111
0.0095
0.0079
0.0067
1F714327092
1E795327082
1E792427082
1E795427082
1E793327082

Instruction Manual
D100302X012
644 and 645 Pump Governors
February 2014
3
Educational Services
For information on available courses for Fisher 644 and 645 pump governors, as well as a variety of other products,
contact:
Emerson Process Management
Educational Services - Registration
P.O. Box 190
Marshalltown, IA 50158-2823
Phone: 800-338-8158 or 641-754-3771
FAX: 641-754-3431
e-mail: education@emerson.com
Figure 2. Typical Pump Governor Sectionals
W2263-1 W2264-1
644 ED 645 ED
WARNING
These governors must be installed, operated, and maintained in accordance with Fisher instructions and all applicable
federal, state, and local codes, laws, rules and regulations.
If a leak develops in the system or if any of the equipment is damaged, service is required. Failure to investigate problems
immediately may cause a hazardous condition.
Call a serviceman in case of trouble. Only a qualified person must install or service the actuator.
Installation
WARNING
Always wear protective gloves, clothing, and eyewear when performing any maintenance operations to avoid personal
injury.

Instruction Manual
D100302X012
644 and 645 Pump Governors
February 2014
4
To avoid personal injury or property damage caused by bursting of pressure-retaining parts, be certain the service
conditions do not exceed the casing pressure limit (maximum nP across the diaphragm) of 13.8 bar (200 psi). Use
pressure-limiting or pressure-relieving devices to prevent service conditions from exceeding this limit.
Check with your process or safety engineer for any other hazards that may be present from exposure to process media.
If installing into an existing application, also refer to the WARNING at the beginning of the Maintenance section in this
instruction manual.
Normal operating temperature range for the 644 actuator is from -40 to 82_C(-40to180_F). For the 645 actuator, the
range is from -37 to 82_C(-35to180_F).
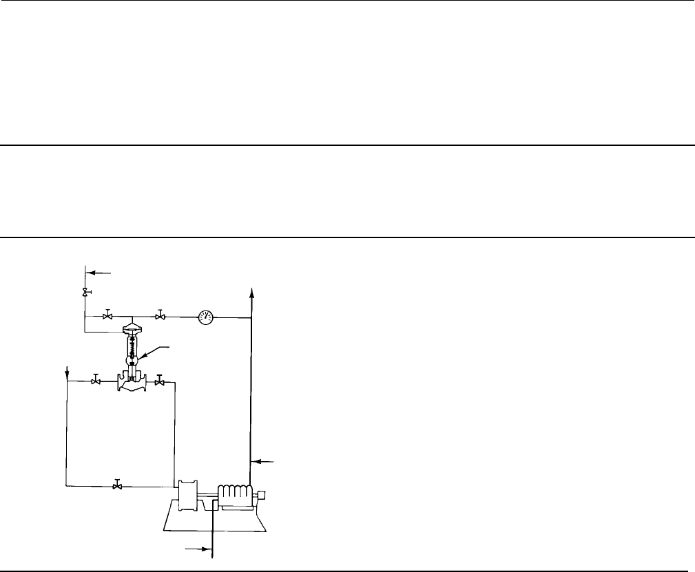
Figure 3. Typical Installation for a Direct-Acting Governor
14A2729-A
A1762
AFB
645-ED PUMP
ACTUATOR
CONNECT TO BOILER PRESSURE
STEAM
SUPPLY
PUMP
DISCHARGE
SUCTION
EC
D
Direct-Acting Actuators
Proceed as follows to install 644 and 645 actuators that are used with push-down-to-close valves (644-ED, 645-ED).
Refer to figure 3.
1. Place the governor in the steam line between a hand operated throttle valve (C) and the steam inlet to the pump.
The governor may be installed in any position, as long as the flow is in the direction of the arrow cast on the valve
body. However, when used for steam service, the unit should be installed so condensate will drain back into the
diaphragm casing and maintain a water seal on the diaphragm. Failure to do so may impact performance.
2. Install a hand-operated throttle valve (E) between the governor and the steam supply line.
3. Runa1/4-inchcontrollinefromtheupperdiaphragmcasingtothesideortopofthepumpdischargeline.Keepthe
controllineawayfromanynipple,swage,orelbow.
4. Install a lock-shield needle valve (B) and a pressure gauge in this control line.
5. Run a second 1/4-inch control line from the lower diaphragm casing to the boiler steam pressure line. Install a
needle valve (A) in this line. Slope the line toward the actuator in order to form a water seal on the diaphragm.
6. Connect the two control lines with an equalizing line in which a needle valve (F) has been installed.

Instruction Manual
D100302X012
644 and 645 Pump Governors
February 2014
5
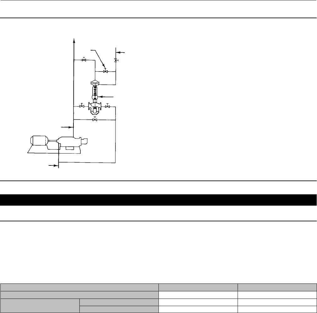
Figure 4. Typical Installation for a Relief Governor
SUCTION
PUMP
DISCHARGE
14A2789-A
A1763
EQUALIZING
VALVE BOILER
PRESSURE
RELIEF
ACTUATOR
CAUTION
The equalizing line helps prevent damage to the diaphragm when the system is started up.
Reverse-Acting Actuators
Proceed as follows to install 644 and 645 actuators that are used with push-down-to-open valves (644-EDR, 645-EDR).
Table 3. Maximum Static Casing Pressures
Diaphragm Casing Material Cast Iron Steel
Valve Body Ratings CL125 and CL250 CL150, CL300 and CL600
Actuator 644 300 psig 600 psig
645 500 psig 1000 psig
1. Place the governor in the steam line. It may be installed in any position as long as the flow is in the direction of the
arrow cast on the valve body. However, when used for steam service, the unit should be installed so condensate will
drain back into the diaphragm casing and maintain a water seal on the diaphragm. Failure to do so may impact
performance.
2. Run a bypass line from the pump's discharge line to the suction line of the pump. In this line, install a hand-operated
throttle valve (D).
3. Run a 1/4-inch control line from the upper diaphragm casing to the pump discharge line. Install a needle valve (B) in
this line.
4. Extend a second 1/4-inch control line from the lower diaphragm casing to the boiler steam pressure line. Place a
needle valve (A) in this line.
5. Connect the two control lines with an equalizing line in which a needle valve (F) has been installed.

Instruction Manual
D100302X012
644 and 645 Pump Governors
February 2014
6
Overpressure
WARNING
Overpressuring any portion of this equipment may cause damage to the governor parts, leaks in the system, or personal
injury due to bursting of pressure-containing parts.
To avoid overpressure, provide an appropriate overpressure protection device to ensure that none of the limits listed in
table 3 will be exceeded.
Check the system for damage after any overpressure condition.
Startup
Proceed as follows to start up direct-acting actuators (644-ED, 645-ED). See figure 3.
1. Close all valves except the bypass valve (D).
2. Open the equalizing valve (F).
3. Opentheneedlevalve(B)inthepumpdischargelineapproximately1/2turn.
4. Open needle valve (A) in the pressure control line and close equalizing valve (F).
5. Openvalve(C)thatisdownstreamofthegovernor.Closebypassvalve(D).
6. Slowly open valve (E) which is upstream of the governor.
7. To increase the discharge pressure, if it is too low, turn the lower spring seat (key 19, figures 6 and 7) clockwise into
the yoke.
8. If the discharge pressure is too high, slightly open needle valve (B). If the pressure does not fall to the desired
setting, turn the lower spring seat counterclockwise out of the yoke.
9. Open or close the lock-shield needle valve (B) to a point where a very slight movement of the valve stem
(approximately 1/64-inch) is noticeable with each stroke of the pump. Greater stem movement will result in erratic
operation and shorten the life of the diaphragm.
To start up reverse-acting actuators (644-EDR, 645-EDR) proceed as follows. See figure 4.
1. Close all valves except the bypass valve (D).
2. Open the equalizing valve (F).
3. Open valve (A) that is in the boiler pressure control line.
4. When the pump has built up the discharge pressure, open valve (B) that is in the discharge pressure control line.
Close equalizing valve (F).
5. Valve(C),downstreamofthegovernor,should now be opened. Close bypass valve (D).
6. Slowly open upstream valve (E).
7. To increase the discharge pressure if it is too low, turn the lower spring seat (key 19, figures 6 and 7) clockwise into
the yoke.
8. If discharge pressure is too high, slightly open equalizing valve (F). If the pressure does not fall low enough, turn the
lower spring seat counterclockwise out of the yoke.
9. Open or close valve (B) to a point where very slight movement (approximately 1/64-inch) of the stem is noticeable
with each stroke of the pump. Greater stem movement will result in erratic operation and shorten the life of the
diaphragm.
Adjustment
No adjustment is required other than that described in the procedure for putting the governor into operation. If it is
necessary to change the setting, turn the lower spring seat clockwise into the yoke to increase the pressure setting.
Turn the lower spring seat counterclockwise, out of the yoke, to decrease the pressure setting.

Instruction Manual
D100302X012
644 and 645 Pump Governors
February 2014
7
Principle Of Operation
Figure 3 shows a 645-ED being used to directly maintain a differential setting between the pump discharge pressure
and the boiler steam pressure in a boiler feedwater system.
If pump discharge pressure increases, the change is registered on the top of the actuator diaphragm. The increased
pressure forces the diaphragm and valve plug downward. With the steam supply thus restricted, less steam reaches
the pump. This causes the discharge pressure to drop so that a difference between the discharge pressure and the
boiler pressure will return to the desired differential setting.
In figure 4, a 644-EDR is being used as a relief governor maintaining a differential pressure between the boiler and
pump discharge.
An increase in the pump discharge pressure is registered on the top of the actuator diaphragm. The increased pressure
forces the diaphragm and valve plug downward. Since this governor is reverse-acting, this action opens the valve and
allows the excess pump discharge to flow to the pump suction line. The pump discharge pressure drops and the
difference between the boiler pressure and the pump discharge pressure returns to the desired level.
Maintenance
Actuator parts are subject to normal wear and must be inspected and replaced when necessary. The frequency of
inspection and replacement depends on the severity of service conditions.
WARNING
Avoid personal injury or property damage from sudden release of process pressure or bursting of parts. Before performing
any maintenance operations:
DDo not remove the actuator from the valve while the valve is still pressurized.
DAlways wear protective gloves, clothing, and eyewear when performing any maintenance operations to avoid personal
injury.
DDisconnect any operating lines providing air pressure, electric power, or a control signal to the actuator. Be sure the
actuator cannot suddenly open or close the valve.
DUse bypass valves or completely shut off the process to isolate the valve from process pressure. Relieve process pressure
from both sides of the valve. Drain the process media from both sides of the valve.
DVent the power actuator loading pressure and relieve any actuator spring precompression.
DUse lock-out procedures to be sure that the above measures stay in effect while you work on the equipment.
DThe valve packing box may contain process fluids that are pressurized, even when the valve has been removed from the
pipeline. Process fluids may spray out under pressure when removing the packing hardware or packing rings, or when
loosening the packing box pipe plug.
DCheck with your process or safety engineer for any other hazards that may be present from exposure to process media.
WARNING
To avoid personal injury and equipment damage, isolate the pump governor from all pressure before beginning
disassembly. The pump governor can be isolated by throttling valve (D) and closing the shut-off valves (A, B, C, and E).

Instruction Manual
D100302X012
644 and 645 Pump Governors
February 2014
8
Disassembly
Refer to figures 6 and 7.
1. Remove the control line from the upper casing.
2. Relieve spring compression by turning the lower spring seat (key 19) clockwise into the yoke.
3. Disconnect the stem (key 22) and the diaphragm rod (key 14) by unscrewing the locknuts (key 31).
CAUTION
To avoid damage to the valve plug and seating surface, do not turn the stem while the valve plug is seated.
4. Unscrew hex nuts (key 9) and remove the packing box flange (key 7) and the packing follower (key 6).
5. Remove cap screws (key 23) and hex nuts (key 24) and lift off the upper diaphragm casing (key 1).
6. Lift off the upper diaphragm head (key 29). Pull the diaphragm (key 3), lower diaphragm head (key 13), and the
diaphragm rod (key 14) out of the lower diaphragm casing (key 2). (A travel stop or washer, key 17, figure 6, may
also be present between the lower diaphragm head and locknut.) Do not change the position of the lower
diaphragm head and locknut (key 15) on the diaphragm rod because they are set to give the proper clearance for
valve travel.
7. Withawirehook,pullthepacking(key11,figure6;key12,figure7)fromthebottomofthelowerdiaphragm
casing. Remove the spacer (key 5) and the upper piece of packing (key 12, figure 6; key 11, figure 7) in the same
manner.
Reassembly
Note
Bearings and adjusting screw threads should be lubricated with antiseize prior to the reassembly steps below.
644 (figure 6)
1. Install packing onto the diaphragm rod (key 14) from the bottom of the lower diaphragm casing (key 2) in the
following order:
For PTFE packing:
a. Bushing (key 10, if previously removed), packing spring (key 5), special washer (key 37), male adaptor (key 28),
packing rings (key 12, 3 required), female adaptor (key 38), packing follower (key 6) and felt wiper ring (key 39.)
For graphite packing:
a. Bushing (key 10, if previously removed), packing ring (key 11), packing ring (key 12, with zinc washer), packing
ring (key 11), lantern ring (key 5), packing ring (key 11), packing ring (key 12, with zinc washers between, 2 each
required), packing ring (key 11) and packing follower (key 6).
2. Replace the packing flange (key 7.)

Instruction Manual
D100302X012
644 and 645 Pump Governors
February 2014
9
3. Lubricate the packing flange studs (key 8) and the faces of the packing flange nuts (key 9) and install the packing
flange nuts (torque: 26 lbf•in for PTFE, 53 lbf•in for graphite.)
4. Place a new diaphragm (key 3) on the lower diaphragm head (key 13).
5. Put the upper diaphragm head (key 29) onto the diaphragm. Set the upper diaphragm casing (key 1) onto the
lower casing, lubricating and tightening the diaphragm casing cap screws (key 23) and hex nuts (key 24)
finger-tight only.
6. Reconnect the connecting rod (key 22) and the diaphragm rod.
7. Turn the lower spring seat counterclockwise out of the yoke to remove slack from the diaphragm. Torque the
diaphragm casing cap screws and nuts to the following:
a. Size 1: 29 lbf•ft.
b. Sizes 2 and 3: 67 lbf•ft.
Note
For 644 reverse-acting, travel stops (key 17) are required to be installed between the lower diaphragm head and the hex jam nut
(key 15.) See the Parts List for the type and quantity of travel stops required for each actuator size.
645 (figure 7)
1. Install packing onto the diaphragm rod (key 14) from the bottom of the lower diaphragm casing (key 2) in the
following order:
For PTFE packing:
a. Packing box ring (key 10, if previously removed), packing spring (key 5), special washer (key 28), packing set (key
11), and packing follower (key 6).
For graphite packing:
a. Packing box bushing (key 10, if previously removed packing ring (key 11), packing ring (key 12, with zinc
washer), packing ring (key 11), lantern rings (key 5, 2 required), packing ring (key 11), packing rings (key 12, with
zinc washers between, 2 each required), packing ring (key 11) and packing follower (key 6).
2. Replace the packing flange (key 7.)
3. Lubricate the packing flange studs (key 8) and the faces of the packing flange nuts (key 9) and install the packing
flange nuts (torque: 58 lbf•in for PTFE, 122 lbf•in for graphite.)
4. Place a new diaphragm (key 3) on the lower diaphragm head (key 13).
5. Put the upper diaphragm head (key 29) onto the diaphragm. Set the upper diaphragm casing (key 1) onto the
lower casing, lubricating and tightening the diaphragm casing studs (key 23) and hex nuts (key 24) fingertight
only.
6. Reconnect the connecting rod (key 22) and the diaphragm rod.
7. Turn the lower spring seat counterclockwise out of the yoke to remove slack from the diaphragm. Torque the
diaphragm casing studs and hex nuts to 385 lbf•ft.
Note
For 645 reverse-acting, two washers (key 17) are required to be installed as shown in figure 7.

Instruction Manual
D100302X012
644 and 645 Pump Governors
February 2014
10
Parts Ordering
Each actuator has a serial number stamped on the nameplate. Always mention this number when corresponding with
your Emerson Process Management sales office regarding technical information or replacement parts. Also, reference
the complete 11-character part number of each needed part as found in the following Parts List.
WARNING
Use only genuine Fisher replacement parts. Components that are not supplied by Emerson Process Management should
not, under any circumstances, be used in any Fisher valve, because they may void your warranty, might adversely affect the
performance of the valve, and could cause personal injury and property damage.
Parts List
Note
Recommended spare parts are included in the Parts Kits shown at the
top of this page. For additional information or for part numbers not
shown, contact your Emerson Process Management sales office.
Key Description Part Number
1 Upper Diaphragm Casing
2 Lower Diaphragm Casing
3* Diaphragm
Neoprene
644
Size 1 1F939502192
Size 2 1F939302192
Size 3 1F939602192
645 0F092802162
SST
644 only
Size 1 1J8430X0012
Size 2 1U5770X0012
Size 3 1H5791X0012
4Yoke
5 Lantern Ring or Packing Spring
6 Packing Follower
7 Packing Box Flange
8StudBolt
9HexNut
10* Bushing, SST
644 1E943835012
Packing Box Ring, SST
645 1E839135012
11* Packing, 644 (4 req'd)
Graphite 1F3370X0322
Packing Ring, 645, (4 req'd)
Graphite 1E3190X0222
Packing Set, 645
PTFE 1R290201012
12* Packing, 644 (3 req'd)
Graphite 1V3160X0022
PTFE 1C752601012
Packing Ring, 645 (3 req'd)
Graphite 1V3802X0022
Key Description Part Number
13 Lower Diaphragm Head
14 Diaphragm Rod
15 Hex Jam Nut
16 Yoke Lock Nut
17 Travel Stops
644 Reverse-Acting
Size 1, washer (2 req'd)
Size 2, washer (1 req'd)
Size 3, bearing retainer
645 Reverse-Acting
Washer (2 req'd)
18 Upper Spring Seat
19 Lower Spring Seat
20 Spring
21 Adjusting Screw
22 Connecting Rod
23 Cap Screw
24 Nut
25 Set Screw
26 Bearing Retainer
27 Pipe Plug
Lubricator
Lubricator/Isolating Valve
28* Male Adaptor, PTFE
(with PTFE packing) 1F124801012
Special Washer (645 with
PTFE packing) 1F125136042
29 Upper Diaphragm Head
30 Bearing
31 Hex Nut
32 Hex Jam Nut
33 Name Plate
34 Drive Screw
35 Hex Nut
36 Needle Valve
37 Special Washer (644 with PTFE packing)
38* Female Adaptor, PTFE (PTFE packing)
644 only 1F124401012
39* Wiper Ring, felt
644 only 1J872606332
40 Nipple
41 Tee
42 Nipple
43 Union
44 Elbow
45 Nipple
47 Stem Disk
*Recommended spare parts

Instruction Manual
D100302X012
644 and 645 Pump Governors
February 2014
11
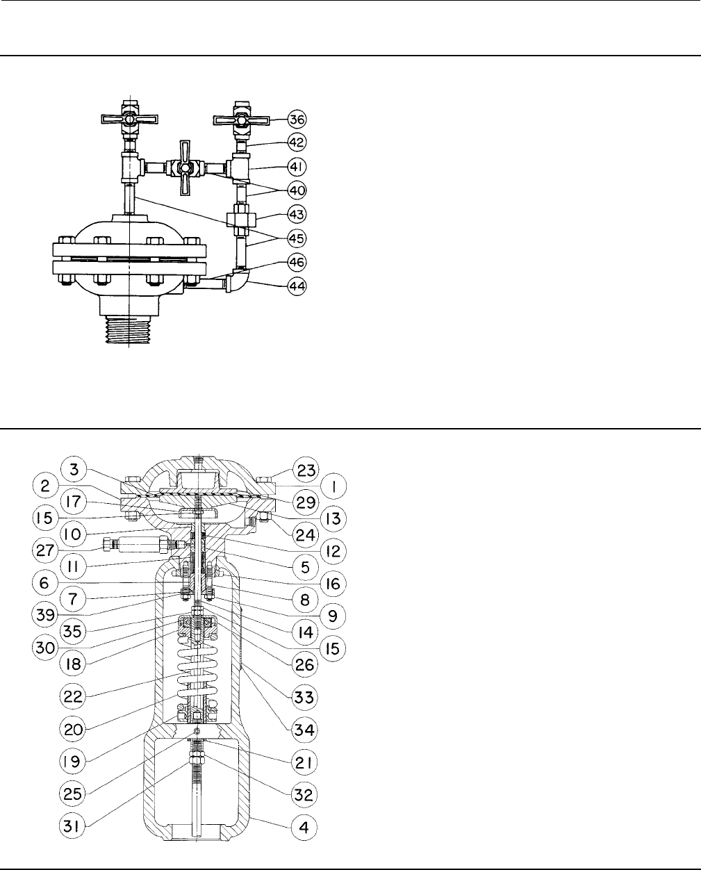
Figure 5. Equalizing Piping Configuration
10A8251-A
Figure 6. Fisher 644 Actuator Assembly
SIZE 3
40A5422-C

Instruction Manual
D100302X012
644 and 645 Pump Governors
February 2014
12
Figure 7. Fisher 645 Actuator Assembly
DF9840-A
PARTS NOT
SHOWN: KEY 28
Emerson Process Management
Marshalltown, Iowa 50158 USA
Sorocaba, 18087 Brazil
Chatham, Kent ME4 4QZ UK
Dubai, United Arab Emirates
Singapore 128461 Singapore
www.Fisher.com
The contents of this publication are presented for informational purposes only, and while every effort has been made to ensure their accuracy, they arenot
to be construed as warranties or guarantees, express or implied, regarding the products or services described herein or their use or applicability. All sales are
governed by our terms and conditions, which are available upon request. We reserve the right to modify or improve the designs or specifications of such
products at any time without notice.
E1976, 2014 Fisher Controls International LLC. All rights reserved.
Fisher and easy-e are marks owned by one of the companies in the Emerson Process Management business unit of Emerson Electric Co. Emerson Process
Management, Emerson, and the Emerson logo are trademarks and service marks of Emerson Electric Co. All other marks are the property of their respective
owners.
Neither Emerson, Emerson Process Management, nor any of their affiliated entities assumes responsibility for the selection, use or maintenance
of any product. Responsibility for proper selection, use, and maintenance of any product remains solely with the purchaser and end user.