Emerson Fisher Easy E Ew Instruction Manual
2015-03-30
: Emerson Emerson-Fisher-Easy-E-Ew-Instruction-Manual-680785 emerson-fisher-easy-e-ew-instruction-manual-680785 emerson pdf
Open the PDF directly: View PDF
.
Page Count: 24

www.Fisher.com
FisherrEWN Series and EW-1 Series Valves
Contents
Introduction 1.................................
Scope of Manual 1.............................
Description 1.................................
Specifications 1...............................
Educational Services 3.........................
Installation 3..................................
Maintenance 5.................................
Packing Lubrication 5..........................
Packing Maintenance 6.........................
Trim Removal 10..............................
Lapping Seating Surfaces 11....................
Valve Plug Maintenance 12.....................
Parts Ordering 14...............................
Parts List 14...................................
Figure1.FisherEWNT-2NPS12x8EWNT-2Valve
with Typical Actuator
W3310
Introduction
Scope of Manual
This instruction manual includes installation, maintenance, and parts information for Fisher NPS 8 x 6 and 12 x 8 EWN
Series and EW-1 Series valves (figure 1). Refer to separate manuals for instructions covering the actuator and
accessories.
Do not install, operate, or maintain an EWN or EW-1 Series valve without being fully trained and qualified in valve,
actuator, and accessory installation, operation, and maintenance. To avoid personal injury or property damage, it is
important to carefully read, understand, and follow all the contents of this manual, including all safety cautions and
warnings. If you have any questions about these instructions, contact your Emerson Process Management sales office
before proceeding.
Description
Thesesingle-portglobe-stylevalveshavecageguiding, threaded seat rings, metal-to-metal seating, and
push-down-to-close valve plug action. Additional details are given in tables 1 and 2.
Specifications
Typical specifications for these valves are shown in table 1. Some of the specifications for a given valve assembly as it
was shipped from the factory appear on the actuator nameplate if the valve is part of a complete control valve
assembly.
Instruction Manual
D100400X012
EWN and EW-1 Valves
July 2014

Instruction Manual
D100400X012
EWN and EW-1 Valves
July 2014
2
Table 1. Specifications
Available Configurations and Valve Body Sizes
See table 2
End Connection Styles
Flanged Ends: Styles per ASME B16.5 are CL300, 600,
or 900 Jraised-face or Jring-type joint
Buttwelding Ends: Styles per ASME B16.25 are
Schedule J40 or J80 for all CL300 and 600 valves
or Schedule J80, J100, or J120 for all CL900
valves
Maximum Inlet Pressures and Temperatures and
Pressure Drops(1)
Consistent with applicable JCL300, J600, or J900
pressure/temperature ratings per ASME B16.34, but
do not exceed the pressure, temperature, and
pressure drop conditions specified when the valve
was ordered. Also see the Installation section
Shutoff Classifications
See table 3
Flow Characteristics
Standard Cages: JLinear, Jquick-opening, or J
equal percentage
Whisper Trim™ Cages: Linear, except equal
percentage for first 38.1 mm (1.5 inch) of travel with
level D cage for NPS 8 x 6 valve
Flow Directions
EWS-1withStandardCage:Normally up
All Others with Standard Cages: Normally down
Whisper Trim Cages: Always up
Valve Plug Travels
See table 2
Approximate Weights
NPS 8 x 6 CL900 Valve Body
Flanged Ends: 839 kg (1850 lb)
Buttwelding Ends: 703 kg (1550 lb)
NPS 12 x 8 Valve Body
CL300 (Flanged Ends Only): 721 kg (1590 lb)
CL600 Flanged Ends: 930 kg (2050 lb)
CL600 Buttwelding Ends: 726 kg (1600 lb)
CL900 Flanged Ends: 1497 kg (3300 lb)
CL900 Buttwelding Ends: 1293 kg (2850 lb)
Additional Specifications
For specifications such as materials, cage levels, and
stem diameters, refer to the Parts List section.
1. The pressure or temperature limits in this manual and any applicable standard limitations should not be exceeded.
Table 2. Available Configurations
PRESSURE
RATING
VALVE
SIZE,
NPS
VALVE
PLUG TRAVEL VALVE BODY DESIGN & CAGE STYLE DESCRIPTION
mm Inches
CL900 12 x 8 76 3EWD-1withstandardcage
Seat ring threaded to valve body;
balanced valve plug with piston ring
152 6EWD-1 with Whisper Trim III cage
CL900 8x6 127 5
EWND-1 with Whisper Trim III cage only
CL300, 600, or
900 12 x 8 203 8
CL900 8x6 127 5EWNT-1 with Whisper Trim III cage only Seat ring threaded to valve body;
balanced valve plug with spring-loaded seat ring
12 x 8 203 8
CL300, 600, or
900 12 x 8 203 8EWNT-2 with Whisper Trim III cage only
Seat ring threaded to cage;
balanced valve plug;
spring-loaded seal rings on both seat ring and valve plug
CL900 12 x 8
76 3EWS-1withstandardcageonly Seat ring threaded to valve body;
unbalanced valve plug
76 3EWT-1 with standard cage Seat ring threaded to valve body;
balanced valve plug with spring-loaded seal ring
152 6EWT-1 with Whisper Trim III cage

Instruction Manual
D100400X012
EWN and EW-1 Valves
July 2014
3
Table 3. Shutoff Classification Per ANSI/FCI 70-2 and IEC 60534-4
Valve Seating Shutoff Class
EWD-1 or EWND-1 Metal II (standard)
III (optional for CL300 or CL600 valves only)
EWND-1 Metal IV (optional with extra piston rings)
EWS-1 Metal IV (standard)
V (optional, consult your Emerson Process Management sales office)
EWNT-1, EWNT-2, or EWT-1 Metal IV (standard)
Educational Services
For information on available courses for the Fisher EWN series and EW-1 series valves, as well as a variety of other
products, contact:
Emerson Process Management
Educational Services - Registration
Phone: 1-641-754-3771 or 1-800-338-8158
E-mail: education@emerson.com
http://www.emersonprocess.com/education
Installation
WARNING
Always wear protective gloves, clothing, and eyewear when performing any installation operations to avoid personal
injury.
Personal injury or equipment damage caused by sudden release of pressure may result if the valve assembly is installed
where service conditions could exceed the limits given in table 1 or on the appropriate nameplates. To avoid such injury or
damage, provide a suitable overpressure protection device as required by local, state, and Federal codes and good
engineering practices.
Check with your process or safety engineer for any additional measures that must be taken to protect against process
media.
If installing into an existing application, also refer to the WARNING at the beginning of the Maintenance section in this
instruction manual.
CAUTION
When ordered, the valve configuration and construction materials were selected to meet particular pressure, temperature,
pressure drop, and controlled fluid conditions. Responsibility for the safety of process media and compatibility of valve
materials with process media rests solely with the purchaser and end-user. Since some valve body/trim material
combinations are limited in their pressure drop and temperature ranges, do not apply any other conditions to the valve
without first contacting your Emerson Process Management sales office.
If hoisting the valve, the use of a nylon sling is recommended to protect the painted surfaces. Also be careful to position the
sling so there will be no damage to the tubing or any accessories.
1. Before installing the valve, inspect the valve body and associated equipment for any damage and any foreign
material. Make certain that the valve body interior is clean, pipelines are free of foreign material, and the valve is
orientedsothatpipelineflowisinthesamedirectionasthearrowonthesideofthevalvebody.

Instruction Manual
D100400X012
EWN and EW-1 Valves
July 2014
4
2. The control valve assembly may be installed in any orientation unless limited by seismic criteria. However, the
normal method is with the actuator vertical above the valve. Other positions may result in uneven valve plug and
cage wear and in improper operation. With some valves, the actuator may also need to be supported when it is not
vertical. For more information, consult your Emerson Process Management sales office.
Figure 2. Lubricator and Lubricator/Isolating Valve (Key 14)
10A9421-A
AJ5428-D
A0832-1
LUBRICATOR
LUBRICATOR/ISOLATING VALVE
Note
If the valve being installed has a Whisper Trim cage with small internal flow passages, consideration should be given to installing
an upstream strainer to prevent the lodging of particles in these passages. This is especially important if the pipeline cannot be
thoroughly cleaned or if the flowing medium is not clean.
3. Use accepted piping and welding practices when installing the valve in the line. Internal elastomeric parts may stay
in place during the welding procedure. For flanged valves, use a suitable gasket between the valve body and
pipeline flanges.
CAUTION
Depending on valve body materials used, post weld heat treating may be required. If so, damage to internal elastomeric
and plastic parts, as well as internal metal parts is possible. Shrunk-fit pieces and threaded connections may also loosen. In
general, if post weld heat treating is to be performed, all trim parts should be removed. Contact your Emerson Process
Management sales office for additional information.
4. With a leak-off bonnet construction, remove the 1/4 NPT pipe plugs (keys 14 and 16, figure 6) to hook up the
leak-off piping. If continuous operation is required during inspection or maintenance, install a three-valve bypass
around the control valve assembly.
5. If the actuator and valve are shipped separately, refer to the appropriate actuator instruction manual for the
actuator mounting procedure.

Instruction Manual
D100400X012
EWN and EW-1 Valves
July 2014
5
WARNING
Personal injury could result from packing leakage. Valve packing was tightened before shipment; however, the packing
might require some readjustment to meet specific service conditions. Check with your process or safety engineer for any
additional measures that must be taken to protect against process media.
Maintenance
Valve parts are subject to normal wear and must be inspected and replaced as necessary. Inspection and maintenance
frequency depends on the severity of service conditions. This section includes instructions for packing lubrication,
packing replacement, trim maintenance, and lapping seating surfaces. All maintenance operations may be performed
with the valve body in the line.
WARNING
Avoid personal injury or damage to property from sudden release of pressure or uncontrolled process fluid. Before starting
disassembly:
DDo not remove the actuator from the valve while the valve is still pressurized.
DAlways wear protective gloves, clothing, and eyewear when performing any maintenance operations to avoid personal
injury.
DDisconnect any operating lines providing air pressure, electric power, or a control signal to the actuator. Be sure the
actuator cannot suddenly open or close the valve.
DUse bypass valves or completely shut off the process to isolate the valve from process pressure. Relieve process pressure
from both sides of the valve. Drain the process media from both sides of the valve.
DVent the pneumatic actuator loading pressure and relieve any actuator spring precompression.
DUse lock-out procedures to be sure that the above measures stay in effect while you work on the equipment.
DThe valve packing box may contain process fluids that are pressurized, even when the valve has been removed from the
pipeline. Process fluids may spray out under pressure when removing the packing hardware or packing rings, or when
loosening the packing box pipe plug.
DCheck with your process or safety engineer for any additional measures that must be taken to protect against process
media.
Note
Whenever a gasket seal is disturbed by removing or shifting gasketed parts, a new gasket should be installed upon reassembly.
This is necessary to ensure a good gasket seal.
Packing Lubrication
CAUTION
Do not lubricate graphite packing. Graphite packing is self-lubricated. Additional lubrication may result in slip-stick
movement of the valve.

Instruction Manual
D100400X012
EWN and EW-1 Valves
July 2014
6
WARNING
To avoid personal injury or property damage resulting from fire or explosion, do not lubricate packing used in oxygen
service or in processes with temperatures over 260_C (500_F).
If a lubricator or lubricator/isolating valve (figure 2) is provided for PTFE/composition or other packings that require
lubrication, it will be installed in place of the 1/4 NPT pipe plug (key 14, figure 6). Use a silicon-base lubricant. Packing
used in oxygen service or in processes with temperatures over 260C(500F) should not be lubricated. To operate the
lubricator, turn the cap screw clockwisetoforcethelubricantintothepackingbox.Thelubricator/isolatingvalve
operatesthesamewayexcepttheisolatingvalvemustfirstbe opened and then closed after lubrication is completed.
Packing Maintenance
This section covers only PTFE V-ring and PTFE/composition packing. Refer to a separate manual for graphite
laminate/filament packing if used. Key numbers refer to figure 3 for PTFE V-ring packing and to figure 4 for
PTFE/composition packing unless otherwise indicated.
For spring-loaded single PTFE V-ring packing, the spring (key 8, figure 3) maintains a sealing force on the packing. If
leakage is noted around the packing follower (key 13, figure 3), check to be sure the shoulder on the packing follower
is touching the bonnet. If the shoulder is not touching the bonnet, tighten the packing flange nuts (key 5, figure 6)
until the shoulder is against the bonnet. If leakage cannot be stopped in this manner, proceed to the Replacing
Packing section.
If there is undesirable packing leakage with other than spring-loaded packing, first try to limit the leakage and
establish a stem seal by tightening the packing flange nuts.
If the packing is relatively new and tight on the stem and if tightening the packing flange nuts does not stop the
leakage, it is possible that the valve stem is worn or nicked so that a seal cannot be made. The surface finish of a new
valve stem is 0.1 micro-meter (4 micro-inches) rms. If the leakage comes from the outside diameter of the packing, it
is possible that the leakage is caused by nicks or scratches around the packing box wall. If performing any of the
following procedures, inspect the valve stem and packing box wall for nicks and scratches.
Adding Packing Rings
When using packing with a lantern ring (key 8, figure 3 or 4), it is possible to add packing rings above the lantern ring
as a temporary measure without removing the actuator from the valve body.
1. Remove the packing flange nuts (key 5, figure 6), and lift the packing flange and follower (keys 3 and 13, figure 6)
away from the valve body.
2. Itmaybepossibletodigouttheoldpackingringsontopofthelanternring,butusecaretoavoidscratchingthe
valve stem or packing box wall. Clean all metal parts to remove particles that would prevent the packing from
sealing.
3. If split-ring packing is being added, spread the rings over the stem, and slide the rings into the packing box.
If solid-ring packing is being added, remove the stem connector, and slip the rings over the end of the valve stem.
4. Replace the packing flange and packing follower. Tighten the packing flange nuts (key 5, figure 6) only far enough
to stop leakage under operating conditions.
5. If the valve-actuator stem connection was taken apart, reconnect according to the appropriate actuator instruction
manual.
6. Check for leakage around the packing follower when the valve is being put into service. Retighten the packing
flange nuts as required.

Instruction Manual
D100400X012
EWN and EW-1 Valves
July 2014
7
Figure 3. PTFE V-Ring Packing Arrangements
12A7839-A
B1428
12A8178-A
A2628
B1429
UPPER WIPER
(KEY 12)
PACKING
FOLLOWER
(KEY 13)
WASHER
(KEY 10)
SPRING
(KEY 8)
PACKING BOX
RING (KEY 11)
UPPER WIPER
(KEY 12)
PACKING
FOLLOWER
(KEY 13)
PACKING BOX
RING (KEY 11)
SPACER (KEY 8)
FEMALE
ADAPTOR
PACKING
RING
MALE
ADAPTOR
FEMALE
ADAPTOR
PACKING
RING
MALE
ADAPTOR
LOWER
WIPER
LOWER
WIPER
PACKING
SET (KEY 6)
FOR 316 OR 17-4PH SST
METAL PACKING BOX PARTS
FOR ALL OTHER METAL PACKING
BOX PART MATERIALS
SINGLE ARRANGEMENT
UPPER WIPER
(KEY 12) UPPER WIPER
(KEY 12)
PACKING
FOLLOWER
(KEY 13)
PACKING FOLLOWER
(KEY 13)
MALE
ADAPTOR (KEY 31)
MALE
ADAPTOR (KEY 31)
FEMALE
ADAPTOR (KEY 32)
FEMALE
ADAPTOR (KEY 32)
PACKING RING (KEY 7)
PACKING RING
(KEY 7)
PACKING BOX
RING (KEY 11)
PACKING BOX
RING (KEY 11)
LOWER
WIPER
(KEY 30) LOWER WIPER (KEY 30)
LANTERN
RING (KEY 8)
LANTERN
RING (KEY 8)
DOUBLE ARRANGEMENT
LEAK-OFF ARRANGEMENT FOR 19.1 mm
(3/4 IN.) STEM ONLY
ASSEMBLY 1
(POSITIVE
PRESSURES)
ASSEMBLY 2
(VACUUM)
ASSEMBLY 3
(POSITIVE
PRESSURES &
VACUUM)
Replacing Packing
WARNING
Observe the warning at the start of the Maintenance section.
1. Disconnect the operating lines from the actuator and any leak-off piping from the bonnet. Disconnect the stem
connector, and then remove the actuator from the valve by unscrewing the yoke locknut (key 15, figure 6) or the
hex nuts (key 26, figure 6).

Instruction Manual
D100400X012
EWN and EW-1 Valves
July 2014
8
Figure 4. Detail of PTFE/Composition Packing Arrangements
12A8180-A
A1498-2
12A8173-A
A2619 12A8165-A
UPPER WIPER
(KEY 12)
PACKING
FOLLOWER
(KEY 13)
PACKING RING
(KEY 7)
LANTERN
RING (KEY 8)
PACKING BOX
RING (KEY 11)
TYPICAL
(DOUBLE)
ARRANGEMENT LEAK-OFF ARRANGEMENT
19.1 OR 25.4 mm
(3/4 OR 1 IN.)
STEMS
31.8 mm
(1-1/4 IN.)
STEMS
2. Loosen the packing flange nuts (key 5, figure 6) so that the packing is not tight on the valve stem. Remove any
travel indicator parts and stem locknuts from the valve stem threads.
CAUTION
When lifting the bonnet (key 1, figure 6), be sure that the valve plug and stem assembly remains in the valve and on the
seat. This will avoid damage to the seating surfaces as a result of the assembly dropping from the bonnet after being lifted
part way out. The parts are also easier to handle separately.
3. Unscrew the hex nuts (key 16, figure 7 through 10) that bolt the bonnet and valve body together, and carefully lift
the bonnet off the valve stem.
4. If the valve plug and stem assembly starts to lift with the bonnet, use a brass or lead hammer on the end of the stem
and tap it back down. Set the bonnet on a protective surface to prevent damage to the bonnet gasket surface.
5. Remove the bonnet gasket (key 10, figure 7 through 10), and cover the opening in the valve body to protect the
gasket surface and prevent foreign material from getting into the valve body cavity.
6. Remove the packing flange nuts, packing flange, upper wiper, and packing follower (keys 5, 3, 12, and 13, figure 6).
Carefully push out all the remaining packing parts from the valve body side of the bonnet using a rounded rod or
other tool that will not scratch the packing box wall. Clean the packing box and the metal packing parts.
7. Inspect the valve stem threads and packing box surfaces for any sharp edges that might cut the packing. Scratches
or burrs could cause packing box leakage or damage to the new packing. If the surface condition cannot be
improved by light sanding, replace the damaged parts.
8. Remove the covering protecting the valve body cavity, and install a new bonnet gasket (key 10, figure 7 through
10), making sure the gasket seating surfaces are clean and smooth.

Instruction Manual
D100400X012
EWN and EW-1 Valves
July 2014
9
Table 4. Valve Body-to-Bonnet Bolt Torque Guidelines(1)
VALVE SIZE, NPS BOLT TORQUES(2) FOR FIELD-LUBRICATED BOLTING
NSmLbfSFt
8 x 6 CL900 542 400
12 x 8
CL300 or 600 691 510
CL900 with steel or alloy steel bolting 2440 1800
CL900 with stainless steel bolting 2712 2000
1. For other materials, contact your Emerson Process Management sales office for torques.
2. Determined from laboratory tests.
Note
Proper performance of the tightening procedures in step 9 compresses the outer edge of the bonnet gasket (key 10, figure 7
through 10) enough to seal the valve body-to-bonnet joint.
The bolting procedures in step 9 include -- but are not limited to -- ensuring that bolting threads are clean and evenly tightening
the hex nuts onto the studs in a crisscross pattern. Because of the boltup characteristics of the bonnet gasket, tightening one nut
may loosen an adjacent nut. Repeat the crisscross tightening pattern several times until each nut is tight and the valve
body-to-bonnet seal is made. When the operating temperature has been reached, perform this torquing procedure once again.
Note
Stud(s) and nut(s) should be installed such that the manufacturer's trademark and material grade marking is visible, allowing easy
comparison to the materials selected and documented in the Emerson/Fisher serial card provided with this product.
WARNING
Personal injury or damage to equipment could occur if improper stud and nut materials or parts are used. Do not operate or
assemble this product with stud(s) and nut(s) that are not approved by Emerson/Fisher engineering and/or listed on the
serial card provided with this product. Use of unapproved materials and parts could lead to stresses exceeding the design
or code limits intended for this particular service. Install studs with the material grade and manufacturer's identification
mark visible. Contact your Emerson Process Management representative immediately if a discrepancy between actual
parts and approved parts is suspected.
9. Lubricate the stud bolts (key 15, figure 7 through 10) with anti-seize lubricant, slide the bonnet over the stem and
onto the bolts, and secure with the stud bolt nuts (key 16, figure 7 through 10), using accepted bolting procedures
during tightening so that the valve body-to-bonnet joint will withstand test pressures and application service
conditions. The bolt torques in table 4 may be used as guidelines unless accepted bolting procedures dictate
otherwise.
10. Install new packing and the metal packing box parts according to the appropriate arrangement in figure 3 or 4.
Place a smooth-edged pipe over the valve stem, and gently tap each soft packing part into the packing box, being
sure that air is not trapped between adjacent soft parts.
11. Slide the packing follower, upper wiper, and packing flange (keys 13, 12, and 3, figure 6) into position. Lubricate
the packing flange studs (key 4, figure 6) and the faces of the packing flange nuts (key 5, figure 6). Replace the
packing flange nuts.
12. For spring-loaded PTFE V-ring packing, tighten the packing flange nuts until the shoulder on the packing follower
(key 13, figure 6) contacts the bonnet.
For other packing types, tighten the packing flange nuts far enough to stop leakage under operating conditions.

Instruction Manual
D100400X012
EWN and EW-1 Valves
July 2014
10
13. Mount the actuator on the valve body assembly, and reconnect the actuator and valve stem according to the
procedure in the appropriate actuator instruction manual.Checkforleakagearoundthe packing follower when the
valve is being put into service. Retighten the packing flange nuts as required.
Trim Removal
WARNING
Observe the warning at the start of the Maintenance section.
Except where indicated, key numbers in this section are referenced in figures 7 and 8 for EWN Series constructions and
in figures 9 and 10 for EW-1 Series constructions.
1. Remove the actuator and the bonnet according to steps 1 through 5 of the Replacing Packing section.
CAUTION
When lifting the valve plug stem (key 7) and attached valve plug (key 2) out of the valve body, be certain that the cage or
cage assembly (key 3) remains in the valve body (key 1). This is to prevent damage caused by the cage or cage assembly
dropping back into the valve body after being lifted part way out.
Use care to avoid damaging gasket sealing surfaces. Any damage to the gasket sealing surfaces could cause the valve to
leak.
Thegraphitepistonring(key5)inanEWD-1orEWND-1valvebody is brittle and in two pieces. Use care to avoid damage to
the piston ring caused by dropping or rough handling.
The surface finish of the valve stem (key 7) is critical for making a good packing seal. The inside surface of the cage or cage
assembly (key 3) is critical for smooth operation of the valve plug and for making a seal with the piston ring or seal ring
(key 5). The seating surfaces of the valve plug (key 2) and seat ring (key 9) are critical for tight shutoff. Protect these parts
accordingly while disassembling the trim.
Table 5. Pin Replacement
VALVE STEM CONNECTION (VSC) DRILL SIZE,
INCH
mm Inches
19.1
25.4
31.8
3/4
1
1-1/4
3/16
1/4
1/4
2. Packing parts can be removed if desired. Replace these parts as described in the Packing Replacement section.
3. Lift the valve plug and stem assembly out of the valve body and set it on a protective surface. If the valve plug is to
be reused, protect the valve plug seating surface to prevent scratches.
4. Install screws or bolts into the tapped holes in the top of the cage or cage assembly, and carefully lift it out of the
valve body. Remove the associated gaskets (key 10 and, if used, key 11).
5. The EWNT-2 valve body has a seat ring seal ring (key 6). Inspect this seal ring, and remove it if replacement is
necessary. The EWNT-2 seat ring is screwed into the cage and secured with two tack welds, one on each side of the
cage. The seat ring can be removed by grinding or filing off the tack welds and then inserting a bar through slots cut
intheseatringtoturnitoutofthecage.
6. To remove the seat ring (key 9) from an EW-1 or EWN-1 Series valve, use a seat ring removal tool made as shown in
figure 5. Use a piece of pipe of the indicated size and schedule, machine as appropriate, and then weld a collar of
the indicated dimensions around the pipe. Engage the seat ring lugs with the 44.5 mm (1-3/4-inch) groove of the
tool, and then remove the seat ring by slipping a suitable length of pipe through the 76.2 mm (3-inch) diameter
hole in the other end of the tool to provide leverage.

Instruction Manual
D100400X012
EWN and EW-1 Valves
July 2014
11
7. Inspect parts for wear or damage that would prevent proper operation of the valve. Replace or repair trim parts
according to the following Lapping Seating Surfaces or Valve Plug Maintenance procedures as appropriate.
Lapping Seating Surfaces
Seating surfaces of the valve plug and seat ring (keys 2 and 9, figure 7 through 10) can be lapped for improved shutoff.
(Deep nicks should be machined out rather than ground out.) Use a commercial lapping compound or a mixture of
600-grit carborundum and solidified vegetable oil.
Assemble the valve to the extent that the cage or cage assembly is in place and the bonnet bolted to the valve. A
simplehandlecanbemadefromapieceofstrapironlockedtothevalveplugstemwithnuts.Rotatethehandle
alternately in each direction to lap the seats. After lapping, remove the bonnet, and clean the seat surfaces.
Completely assemble the valve as described in the Trim Replacement section, and test the valve for shutoff. Repeat
the lapping procedure if leakage is still excessive.
Figure 5. Removal Tool Required for Seat Ring Threaded to Valve Body (also see tables 6 and 7)
FOR136,197,OR203mm(5-3/8,7-3/4,OR8-INCH)SEATRINGS
36A9660-B
B1464
FOR 172 mm (6-3/4 INCH) SEAT RINGS

Instruction Manual
D100400X012
EWN and EW-1 Valves
July 2014
12
Table 6. Removal Tool Required for Seat Ring Threaded to Valve Body (For 136, 197, or 203 mm (5-3/8, 7-3/4, or
8-inch) Seat Rings)
VALVE SIZE AND
DESIGN
PIPE TO MACHINE DIMENSION
ACMin D E H J
Size, Inch Schedule mm Inch mm Inch mm Inch mm Inch mm Inch mm Inch
8x6EWN-1Series 5120 610 24.00 12.7 0.50 63.5 2.50 25.4 1.00 210 8.25 133 5.25
12 x 8 EW-1 Series 8XXS 678 26.69 69.9 2.75 76.2 3.00 28.6 1.125 246 9.69 194 7.62
EWN-1 Series 8XXS 825 32.50 69.9 2.75 88.9 3.50
Table 7. Removal Tool Required for Seat Ring Threaded to Valve Body (For 172 mm (6-3/4-inch) Seat Rings)
VALVE SIZE AND DESIGN PIPE TO MACHINE DIMENSION A
Size, Inch Schedule mm Inch
12 x 8 EW-1 Series 6XS 678 26.69
EWN-1 Series 6XS 825 32.50
Valve Plug Maintenance
Except where indicated, key numbers in this section are referenced in figures 7and8forEWNSeriesvalveplugsandin
figures 9 and 10 for EW-1 Series valve plugs.
CAUTION
Ifreplacingthevalveplugpistonringorsealring(key5),becarefulnottoscratchthesurfacesoftheringgrooveinthe
valve plug or any of the surfaces of the replacement ring, or the replacement ring may not seal properly.
1. With the valve plug (key 2) removed according to the Disassembly section, proceed as appropriate:
For the EWD-1 or EWND-1 graphite piston ring, the ring or rings can be easily removed since each ring is in two halves.
A new graphite piston ring is furnished as a complete ring and must be broken into two approximately equal portions.
Do this by placing the ring horizontally in a vise and applying pressure until the ring snaps. An alternate method is to
placetheringonedgeonasmooth,hardsurfaceandstriketheringsquarelywithahammer.Besuretomatchthe
broken ends when installing the ring in the valve plug groove.
For the EWT-1, EWNT-1, or EWNT-2 spring-loaded seal ring, the ring used on the valve plug for an NPS 8 x 6 valve body
may be removed undamaged by first working the retaining ring (key 13) off with a screwdriver. Then carefully slide the
metal backup ring (key 12) and seal ring (key 5) off the valve plug (key 2). The spring-loaded seal ring used on the valve
plug for an NPS 12 x 8 valve body must be carefully pried and/or cut from its groove. Therefore, it cannot be reused.
A spring-loaded seal ring must be installed so that its open side faces toward either the top or the bottom of the valve
plug, depending on flow direction, as shown in view A of figure 7, 8, or 10. To install a spring-loaded seal ring on the
valve plug for an NPS 8 x 6 valve body, slide the seal ring (key 5) onto the valve plug followed by the metal backup ring
(key 12). Then install the retaining ring (key 13) by inserting one end in the groove and, while turning the plug, press
the ring into the groove. Again, be careful not to scratch any surfaces of the ring or plug.
To install the seal ring on the valve plug for an NPS 12 x 8 valve body, lubricate it with a general purpose silicone-base
lubricant. Then gently stretch the seal ring, and work it over the top edge of the valve plug. The PTFE material in the
seal ring must be permitted time to cold-flow during stretching procedure; so avoid jerking sharply on the ring.
Stretching the seal ring over the valve plug may make it seem unduly loose when in the groove, but it will contract to
its original size after insertion into the cage.

Instruction Manual
D100400X012
EWN and EW-1 Valves
July 2014
13
CAUTION
Never reuse an old stem with a new valve plug. Using an old stem with a new plug requires drilling a new pin hole in the
stem. This weakens the stem and may cause it to fail in service. However, a used valve plug may be reused with a new stem.
2. Toreplacethevalvestem(key7)onalldesigns,driveoutthepin(key8)andunscrewthestemfromthevalveplug.
3. Tightly turn in the new stem; then refer to table 5 to select the proper drill size. Drill through the stem, using the
hole in the valve plug as a guide. Remove any chips or burrs, and drive in a new pin to lock the assembly.
Trim Replacement
Except where indicated, key numbers are referenced in figures7and8forEWNSeriesconstructionsandinfigures9
and 10 for EW-1 Series constructions.
1. With an EW-1 or EWN-1 Series construction, lubricate the threads of the seat ring (key 9) with anti-seize lubricant
and then install the seat ring into the valve body according to figure 5. Engage the seat ring lugs with the grooved
end of the tool, and then secure the seat ring by slipping a suitable length of pipe through the hole in the other end
to provide leverage. For NPS 8x6 valves, tighten to 6800 NSm (5000 lbfSft). For NPS 12x8 valves, tighten to 10,800
NSm (8000 lbfSft).
2. With an EWNT-2 construction, turn the seat ring into the cage with a bar inserted through the seat ring slots. Tack
weld the seat ring to the cage using minimal heat. Two welds, 6 mm (1/4 inch) long and 180 degrees apart, are
required. Install the seat ring seal ring (key 6) so that its open side faces along the valve stem as shown in view B of
figure 8. Lubricate the seal ring with a general purpose silicone-base lubricant, and place it over the bottom end of
theseatring.Starttheringinthegrooveononesideoftheseatring,andgentlyworkitovertheseatring.
3. Install a bonnet gasket (key 10) or the cage gasket if used (key 11) into the valve body. Temporarily install screws or
bolts into the tapped holes in the top of the cage or cage assembly (key 3) to help while installing this piece into the
valve body. Any rotational orientation of the cage or assembly with respect to the valve body is acceptable.
Use care to avoid damaging the seat ring seal ring and cage seating surfaces while handling the heavy parts. To help
insertthecageorassemblyintothevalvebody,lubricatetheoutsidediameteroftheseatringsealringifusedorthe
cage/seat ring seating surfaces with a general purpose silicone-base lubricant.
4. Slide the valve plug (key 2) and stem assembly into the cage. Make sure the valve plug piston ring or seal ring (key
5) is evenly engaged in the entrance chamfer at the top of the cage or cage assembly to avoid damaging the ring.
CAUTION
If the packing is to be reused and was not removed from the bonnet, use care when installing the bonnet to avoid
damaging the packing with the valve stem threads.
5. Mount the bonnet on the valve body, and complete assembly according to steps 9 through 13 of the Replacing
Packingsection,omittingsteps10and11ifnewpackingisnotbeinginstalledandbeingsuretoobservethenote
prior to step 9.

Instruction Manual
D100400X012
EWN and EW-1 Valves
July 2014
14
Parts Ordering
Each valve body-bonnet assembly is assigned a serial number, which can be found on the valve body. This same
number also appears on the actuator nameplate when the valve is shipped from the factory as part of a control valve
assembly. Refer to the serial number when contacting your Emerson Process Management sales office for technical
assistance. When ordering replacement parts, refer to the serial number and to the 11-character part number for each
part required from the following parts list.
WARNING
Use only genuine Fisher replacement parts. Components that are not supplied by Emerson Process Management should
not, under any circumstances, be used in any Fisher valve, because they may void your warranty, might adversely affect the
performance of the valve, and could cause personal injury and property damage.
Parts List
Note
Part numbers are shown for recommended spares only. For part
numbers not shown, contact your Emerson Process Management sales
office.
Bonnet Assembly
(figure2,3,4,or6)
Key Description Part Number
1 Bonnet
If you need a bonnet, order by valve size and stem
diameter, serial number, and desired material.
5 Packing Flange Nuts (2 req'd)
Key Description Part Number
6* Single PTFE V-Ring Packing Set See following table
7* Individual Packing Ring See following table
8 Packing Box Spring or Lantern Ring See following table
10 Special Washer See following table
11 Packing Box Ring See following table
12* Upper Wiper See following table
13 Packing Follower See following table
14 Packing Box Pipe Plug
14 Packing Box Lubricator, steel/ 440 SST
14 Packing Box Lubricator/Isolating Valve
Assy, Cd pl steel
15 Yoke Locknut for 19.1 mm (3/4 in.) stem dia bonnet
16 Pipe Plug for double-tapped bonnet
25 Cap Screw for 25.4 mm (1 in.) or 31.8 mm (1-1/4 in.)
stem dia bonnet, steel (8 req'd)
26 Hex Nut for 25.4 mm (1 in.) or 31.8 mm (1-1/4 in.)
stem dia bonnet, pl steel (8 req'd)
27 Pipe Nipple (for use only w/lube/iso valve)
30* Lower Wiper See following table
31* Male Adaptor See following table
32* Female Adaptor See following table
*Recommended spare parts

Instruction Manual
D100400X012
EWN and EW-1 Valves
July 2014
15
Figure 6. Typical Bonnet Assemblies
35A3976-A
CU3911-C
30A9425-A
C0363
CL300 OR CL600 DOUBLE-TAPPED EXTENSION
BONNETFOR19.1mm(3/4IN.)STEM
CL300 OR CL600 DOUBLE-TAPPED EXTENSION
BONNETFOR25.4mm(1IN.)STEM
DETAIL OF CL900 BONNET FOR 31.8 mm (1-1/4 IN.) STEM

Instruction Manual
D100400X012
EWN and EW-1 Valves
July 2014
16
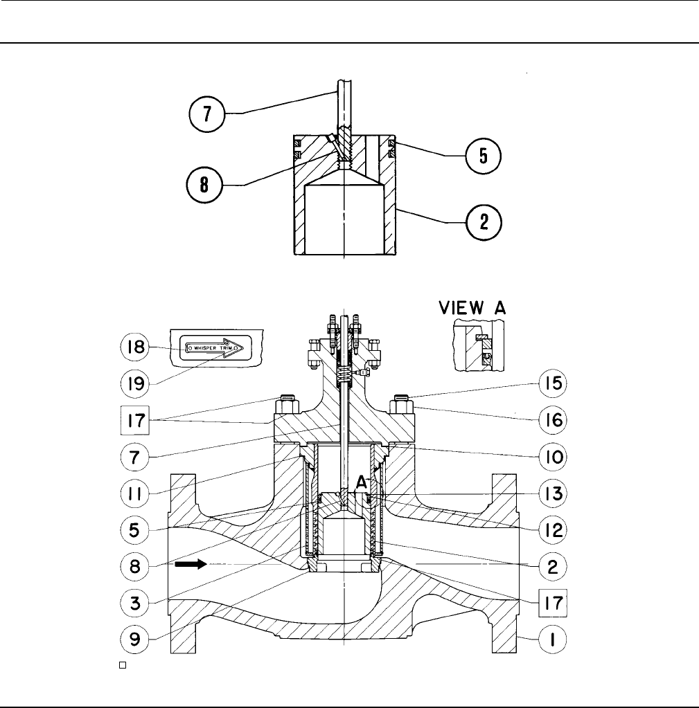
Figure 7. Typical NPS 8 x 6 CL900 EWN Series Valve Body Assemblies
45A4111-A
45A4115-A EWND-1 PLUG DETAIL
EWNT-1 VALVE WITH LEVEL D1 OR D3 CAGE
APPLY LUB
Valve Body Assembly (figure 7-10)
Key Description Part Number
1ValveBody
If you need a valve body as a replacement part, order by valve
size, serial number, and desired material.
2* Valve Plug See following tables
3 Cage, Cage Assembly, or Cage/Seat
Ring Assembly
5* Valve Plug Piston Ring, graphite
(not used w/ EWNT-1, EWNT-2, EWS-1, or EWT-1)
Key Description Part Number
NPS 8 x 6 EWND-1 w/ Whisper Trim III cage,
all levels (2 req'd)
Steam or nonoxidizing service to
316_C (600_F) 11A9727X012
Steam or nonoxidizing service to
482_C (900_F)orairoroxidizing
service to 427_C (800_F) 11A9727X022
Steam or nonoxidizing service to
593_C (1100_F) or air or
oxidizing service to 538_C (1000_F) 11A9727X032
*Recommended spare parts

Instruction Manual
D100400X012
EWN and EW-1 Valves
July 2014
17
Key Description Part Number
NPS12x8EWD-1orEWND-1(1req'd)
Steam or nonoxidizing service to 316_C (600_F)
Std or Level A, B, or C Whisper Trim III
cage 10A3262X012
Level D Whisper Trim III cage 15A9019X012
Steam or nonoxidizing service to 482_C (900_F)
orairoroxidizingserviceto427_C (800_F)
Std or Level A, B, or C Whisper Trim III
cage 10A3262X022
Level D Whisper Trim III cage 15A9019X022
Steam or nonoxidizing service to 593_C (1100_F)
orairoroxidizingserviceto538_C (1000_F)
Std or Level A, B, or C Whisper Trim lll
cage 10A3262X032
Level D Whisper Trim III cage 15A9019X032
5* ValvePlugSealRing(notusedw/
EWD-1, EWND-1, or EWS-1)
NPS 8 x 6 EWNT-1 w/Whisper Trim III
cage (all levels)
Spring-loaded PTFE for -73 to 232_C
(-100 to 450_F) service, except -73 to 149_C
(-100 to 300_F) for sour gas service 10A5411X022
NPS12x8EWNT-1,EWNT-2,orEWT-1
Spring-loaded PTFE for -18 to 232_C
(0 to 450_F) service
Std or Level A, B, or C Whisper Trim III
cage 10A3261X012
Level D Whisper Trim III cage 13A1239X012
6* Seat Ring Seal Ring (used only w/ EWNT-2)
Spring-loaded PTFE for -18 to 232_C (0 to 450_F)
service 15A9044X012
7* Valve Plug Stem, S31600
EWD-1, EWS-1, or EWT-1 w/
31.8 mm (1-1/4 in.) stem dia only
For 585C Series or 657,
667, or 1008 actuator used w/std cage 11A3430X592
For 585C Series actuator used
w/Whisper Trim III cage 11A3430X092
NPS 8 x 6 EWND-1 or EWNT-1
19.1 mm (3/4 in.) stem dia
For 102 mm (4 in.) max travel
W/585C Series actuator w/o handwheel and
all 657, 657-4, 667, 667-4, & 1008
actuators 10A9265X592
W/585C Series actuator w/handwheel 10A9265XF72
For 127 mm (5 in.) max travel w/ 585C
Series actuator 10A9265X882
25.4mm(1in.)stemdia
For 102 mm (4 in.) max travel
W/ 667 & 667-4 actuators w/o
handwheel 11A3429X102
W/ 657, 657-4, 667, & 667-4
actuators w/handwheel 1K7891X0012
Key Description Part Number
W/ 657 actuator w/o handwheel
and 585C Series actuators
for use w/sliding stem valves 11A3429X722
For 127 mm (5 in.) max travel w/ 585C
Series actuator 11A3429X112
31.8 mm (1-1/4 in.) stem dia
For 102 mm (4 in.) max travel
W/ 667 & 667-4 actuators
w/o handwheel 1K747735162
W/ 657, 657-4, 667, & 667-4 actuators
w/handwheel 11A3430X0142
W/ 657 actuator w/o
handwheel and all 585C Series
sliding stem actuators 11A3430X432
For 127 mm (5 in.) max travel
W/ 585C Series actuators 1V4641X00A2
NPS 12 x 8 CL900 EWND-1
or EWNT-1 11A3430X552
NPS 12 x 8 CL600 EWND-1 or EWNT-2
19.1 mm (3/4 in.) stem dia
Std service 15A9152X022
Sour gas service 15A9152X042
25.4mm(1in.)stemdia
Std service 13A9942X042
Sour gas service 13A9942X132
31.8 mm (1-1/4 in.) stem dia
Std service 13A4764X112
Sour gas service 13A4764X142
8* Pin, S31600
All except EWS-1
19.1 mm (3/4 in.) stem dia 1V326035072
25.4 mm (1 in.) or 31.8 mm (1-1/4 in.)
stem dia 1V334035072
EWS-1 w/31.8 mm (1-1/4 in.)
stem dia only 1K249838992
9* Seat Ring
EWD-1, EWS-1, or EWT-1 w/std cage
Heat-treated CA6NM 25A9300X022
S31600 25A9300X012
S31600 w/seat hard faced w/Alloy 6 25A9301X012
CY40 25A9300X032
EWD-1 or EWT-1 w/Whisper Trim III cage
Level A, B, or C
Heat-treated CA6NM 36A0584X012
S31600 w/seat hard faced w/Alloy 6 36A4108X012
Level D
Heat-treated CA6NM 36A0582X012
S31600 w/seat hard faced w/Alloy 6 36A0583X022
NPS 8 x 6 EWND-1 or EWNT-1
S31600 w/seat hard faced w/Alloy 6 26A1135X022
NPS 12 x 8 CL600 EWND-1
Level A, B, or C cage
S31600 w/seat hard faced w/Alloy 6 35A9046X012
Level D cage
S31600 w/seat hard faced w/Alloy 6 35A9021X012
NPS 12 x 8 CL900 EWND-1 or EWNT-1
Level A, B, or C cage
Heat-treated CA6NM 35A9284X012
S31600 w/seat hard faced w/Alloy 6 35A9285X012
Level D cage
Heat-treated CA6NM 35A9286X012
S31600 w/seat hard faced w/Alloy 6 35A9287X012
*Recommended spare parts

Instruction Manual
D100400X012
EWN and EW-1 Valves
July 2014
18
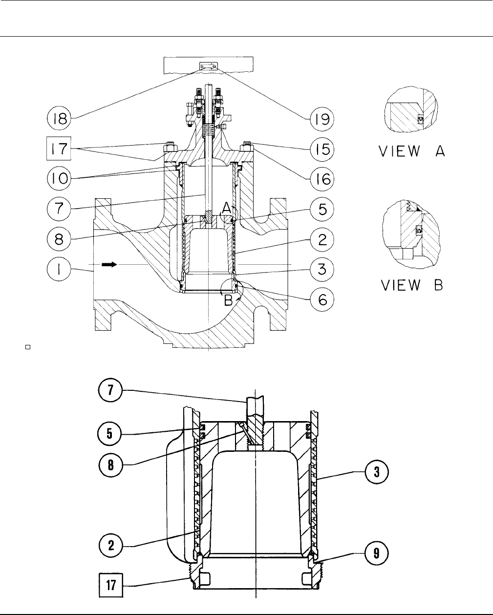
Figure 8. Typical NPS 12 x 8 CL600 EWN Series Valve Body Assemblies
55A9158-B
55A9154-D
EWNT-2 VALVE WITH LEVEL A1 THROUGH C3 CAGE
APPLY LUB
EWND-1 TRIM DETAIL

Instruction Manual
D100400X012
EWN and EW-1 Valves
July 2014
19
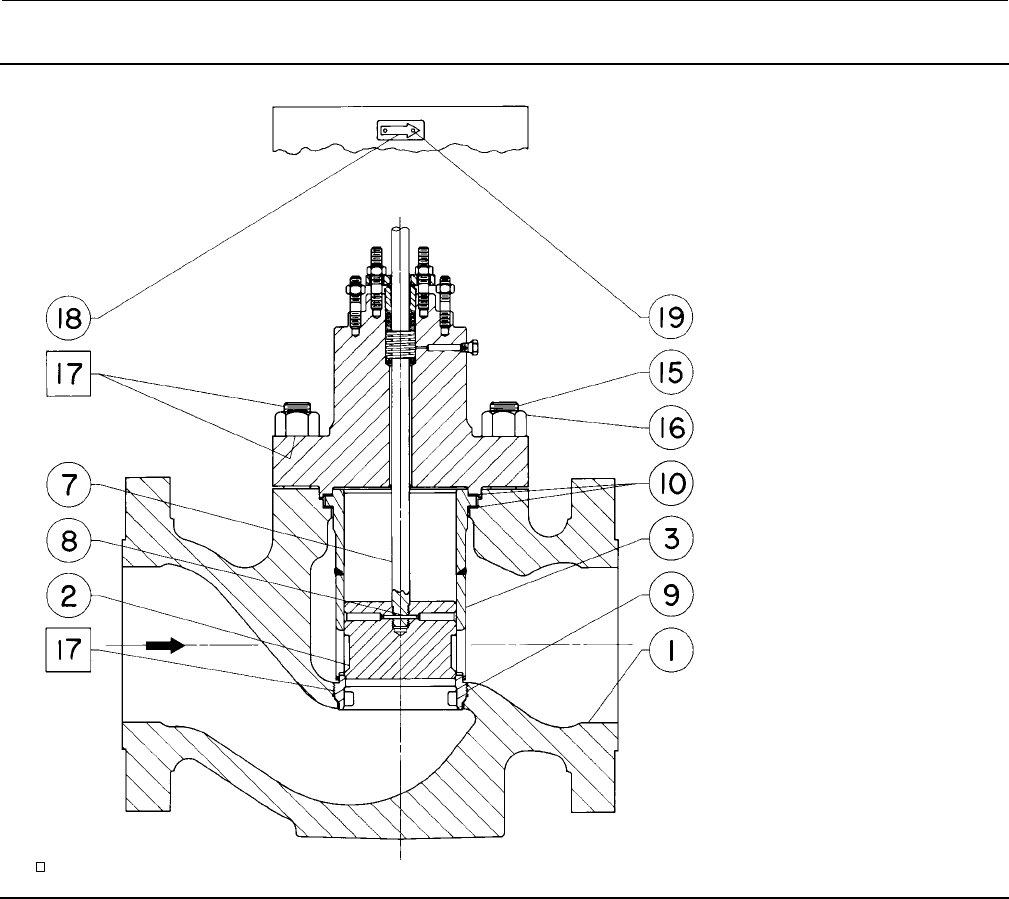
Figure9.NPS12x8CL900EWS-1ValveBodyAssembly
56A6324-B
APPLY LUB
Key Description Part Number
10* Bonnet Gasket
NPS 8 x 6 EWND-1 or EWNT-1 (1 req'd)
Standard service, silver plated
N04400 11A8244X012
Sour gas service, tin plated
N04400 11A8244X032
NPS 12 x 8 EWD-1, EWND-1,
EWNT-1, EWNT-2, EWS-1, or EWT-1
to 427_C (800_F), graphite (2 req'd) 10A3265X112
11* Cage Gasket (for use only w/ NPS 8 x 6
EWND-1 or EWNT-1)
Standard service, silver plated
N04400 13A3183X022
Sour gas service, tin plated
N04400 13A3183X032
12 Backup Ring (for use only w/ NPS 8 x 6
EWNT-1)
Key Description Part Number
13 Retaining Ring (for use only w/ NPS 8 x 6
EWNT-1)
15 Stud Bolt
NPS 8 x 6 EWND-1 or EWNT-1 (12 req'd)
NPS 12 x 8 CL600 EWND-1 or
EWNT-2 (16 req'd)
NPS 12 x 8 CL900 EWD-1,
EWND-1, EWNT-1, EWS-1, or EWT-1 (12 req'd)
16 Stud Bolt Nut
NPS 8 x 6 EWND-1 or EWNT-1 (12 req'd)
NPS 12 x 8 CL600 EWND-1
or EWNT-2 (16 req'd)
NPS 12 x 8 CL900 EWD-1,
EWND-1, EWNT-1, or EWT-1 (12 req'd)
17 Anti-seize lubricant (not furnished)
18 Flow Arrow
19 Drive Screw, 18-8 SST (2 req'd)
*Recommended spare parts

Instruction Manual
D100400X012
EWN and EW-1 Valves
July 2014
20
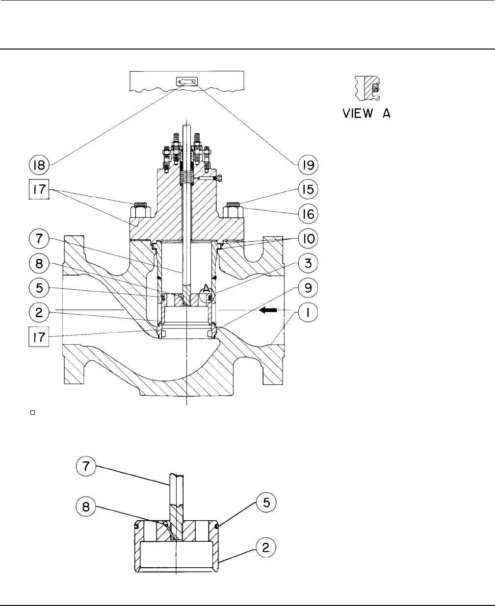
Figure 10. NPS 12 x 8 CL900 EWD-1 and EWT-1 Valve Body Assemblies
56A6326-B
56A6325-B
APPLY LUB EWT-1 VALVE
EWD-1 PLUG DETAIL

Instruction Manual
D100400X012
EWN and EW-1 Valves
July 2014
21
Keys 6*, 7*, 8, 10, 11, 12*, 13, 30*, 31*, and 32* Packing Box Parts
DESCRIPTION KEY
NO.
STEM DIAMETER, mm (INCHES)
19.1 (3/4) 25.4 (1) 31.8 (1-1/4)
PTFE
V-Ring
Packing
Single packing set, PTFE 61R290401012 1R290601012 1R290801012
Packing ring, PTFE 71C752801012 1C752901012 1D387601012
Quantity req'd
Single
Double
Leak-off
---
---
---
3
6
5
3
6
---
3
6
---
Lower wiper, PTFE 30 1J872306992 1J872406992 1J872506992
Male adaptor, PTFE (1 req'd for single or
2 req'd for double or leak-off) 31 1F124601012 1H982501012 1H995701012
Female adaptor, PTFE (1 req'd for single or
2 req'd for double or leak-off) 32 1F124201012 1H982401012 1H995801012
Spring, stainless steel (for single only) 81F125637012 1D582937012 1D387437012
Lantern ring, stainless steel (for double or leak-off
only) 80N028435072 0U099735072 0W087135072
Quantity req'd Double
Leak-off
---
---
1
2
1
---
1
---
Special washer, stainless steel (for single only) 10 1F125036042 1H982236042 1H995936042
PTFE/Composition
Packing
Packing Ring, PTFE/Composition 71E319101042 1D7518X0012 1D7520X0012
Quantity req'd Double
Leak-off
---
---
8
6
8
6
8
7
Lantern ring, stainless steel (1 req'd for double or 2
req'd for leak-off) 80N028435072 0U099735072 0W087135072
Common Parts
Packing box ring S31600 11 1J873335072 --- ---
S17400 11 --- 1J873435012 1J873535012
Upper wiper, felt 12 1J872806332 1J872906332 1J873006332
Packing follower, S31600 13 1E944735072 1H982335072 1H998435072
Key 2* EWD-1, EWS-1, or EWT-1 Valve Plug
VALVE
DESIGN
CAGE
STYLE S41600
HEAT-
TREATED
CA6NM
S31600
S31600 W/
SEAT HARD
FACED W/ALLOY
6(CoCr-A)
S31600 W/SEAT & GUIDE
HARD FACED w/ ALLOY 6
To 427_C
(800_F)(1)
Over 427_C
(800_F)
EWD-1
Standard 21A5358X012 --- 21A5358X022 21A5361X012 21A5364X012 21A5367X012
Whisper Trim III
Level A, B,
or C --- --- --- --- --- 36A4114X012
Level D --- --- --- --- --- 36A4111X012
EWS-1 Standard 21A5264X012 --- 21A5264X022 21A5267X012 21A5270X012 21A5273X012
EWT-1
Standard 21A5358X012 --- 21A5358X022 21A5361X012 21A5364X012
---
Whisper Trim III
Level A, B,
or C --- 36A4112X012 --- --- 36A4113X012
Level D --- 36A4109X012 --- --- 36A4110X012
1. To 232_C(450_F) for EWT-1.
*Recommended spare parts

Instruction Manual
D100400X012
EWN and EW-1 Valves
July 2014
22
Key 2* EWND-1 Valve Plug
VALVE
SIZE, NPS.
STEM DIA WHISPER TRIM III
CAGE LEVEL S41600
S31600 W/SEAT & GUIDE
HARD FACED w/ ALLOY 6
mm Inches To 427_C
(800_F)
Over 427_C
(800_F)
8x6
19.1
25.4
31.8
3/4
1
1-1/4
A, B, C, or D
A, B, C, or D
A, B, C, or D
26A2986X012
26A2988X012
25A8795X012
26A2980X012
26A2985X012
25A8794X012
26A2987X012
26A2989X012
25A4126X012
12 x 8
CL300
or 600
19.1 3/4
A
BorC
D
---
---
---
35A9657X012
25A9026X012
25A9016X012
---
25.4 1
A
BorC
D
---
---
---
35A9658X012
25A9027X012
25A9017X012
31.8 1-1/4
A
BorC
D
---
---
---
35A9659X012
25A9028X012
25A9018X012
12 x 8
CL900 31.8 1-1/4
A
BorC
D
---
---
---
---
---
---
35A9659X012
25A9028X012
25A9018X012
Key2*EWNT-1orEWNT-2ValvePlug
VALVE
DESIGN
STEM DIA WHISPER TRIM III
CAGE LEVEL S41600 HEAT-TREATED
CA6NM
S31600 W/SEAT & GUIDE
HARD FACED w/ ALLOY 6
mm Inches
NPS 8 X 6
EWNT-1
19.1
25.4
31.8
3/4
1
1-1/4
A, B, C, or D
A, B, C, or D
A, B, C, or D
22A3307X032
22A3310X032
25A4104X012
---
---
---
22A3309X012
22A3312X012
25A4109X012
NPS 12 x 8
EWNT-1 31.8 1-1/4
A
BorC
D
---
---
---
35A9656X012
25A9025X012
25A9004X012
35A9839X012
25A9837X012
25A9834X012
NPS 12 x 8
EWNT-2
19.1 3/4
A
BorC
D
---
---
---
35A9654X012
25A9023X012
25A9002X012
35A9838X012(1)
25A9835X012(1)
25A9832X012(1)
25.4 1
A
BorC
D
---
---
---
35A9655X012
25A9024X012
25A9003X012
35A9840X012(1)
25A9836X012(1)
25A9833X012(1)
31.8 1-1/4
A
BorC
D
---
---
---
35A9656X012
25A9025X012
25A9004X012
35A9839X012(1)
25A9837X012(1)
25A9834X012(1)
1.Forsourgasservice.
*Recommended spare parts

Instruction Manual
D100400X012
EWN and EW-1 Valves
July 2014
23

Instruction Manual
D100400X012
EWN and EW-1 Valves
July 2014
24
Emerson Process Management
Marshalltown, Iowa 50158 USA
Sorocaba, 18087 Brazil
Chatham, Kent ME4 4QZ UK
Dubai, United Arab Emirates
Singapore 128461 Singapore
www.Fisher.com
The contents of this publication are presented for informational purposes only, and while every effort has been made to ensure their accuracy, they arenot
to be construed as warranties or guarantees, express or implied, regarding the products or services described herein or their use or applicability. All sales are
governed by our terms and conditions, which are available upon request. We reserve the right to modify or improve the designs or specifications of such
products at any time without notice.
E1981, 2014 Fisher Controls International LLC. All rights reserved.
Fisher and Whisper Trim are marks owned by one of the companies in the Emerson Process Management business unit of Emerson Electric Co. Emerson
Process Management, Emerson, and the Emerson logo are trademarks and service marks of Emerson Electric Co. All other marks are the property of their
respective owners.
Neither Emerson, Emerson Process Management, nor any of their affiliated entities assumes responsibility for the selection, use or maintenance
of any product. Responsibility for proper selection, use, and maintenance of any product remains solely with the purchaser and end user.