Emerson Fisher Fieldvuedvc6200 Digital Valve Controller Instruction Manual D103605X012_Jan15
2015-03-30
: Emerson Emerson-Fisher-Fieldvuedvc6200-Digital-Valve-Controller-Instruction-Manual-681743 emerson-fisher-fieldvuedvc6200-digital-valve-controller-instruction-manual-681743 emerson pdf
Open the PDF directly: View PDF
.
Page Count: 104 [warning: Documents this large are best viewed by clicking the View PDF Link!]

www.Fisher.com
Fisherr FIELDVUE™ DVC6200 Digital Valve
Controller
This manual applies to
Instrument Level HC, AD, PD, ODV
Device Type 09
Device Revision 1 & 2
Hardware Revision 2
Firmware Revision 2, 3, 4, 5 & 6
DD Revision 1, 2, 3, 4 & 5
Contents
Section 1 Introduction 3.................
Installation, Pneumatic and Electrical Connections,
and Initial Configuration 3.....................
Scope of Manual 3..............................
Conventions Used in this Manual 3................
Description 3..................................
Specifications 5................................
Related Documents 5...........................
Educational Services 8...........................
Section 2 Wiring Practices 9..............
Control System Requirements 9..................
HART Filter 9.................................
Voltage Available 9............................
Compliance Voltage 11........................
Auxiliary Terminal Wiring Length Guidelines 12....
Maximum Cable Capacitance 12.................
Installation in Conjunction with a Rosemountt
333 HART Tri‐Loopt HART‐to‐Analog
Signal Converter 13.........................
Section 3 Configuration 15...............
Guided Setup 15...............................
Manual Setup 15...............................
Mode and Protection 16........................
Instrument Mode 16.......................
Write Protection 16........................
Instrument 16................................
Identification 16...........................
Serial Numbers 17.........................
Units 17..................................
Terminal Box 17...........................
Input Range 17............................
Spec Sheet 18.............................
Edit Instrument Time 18....................
W9713
Travel/Pressure Control 18......................
Travel/Pressure Select 18...................
Cutoffs and Limits 19.......................
End Point Pressure Control 19................
Pressure Control 20........................
Pressure Fallback 20........................
Control Mode 21..........................
Characterization 21........................
Dynamic Response 23......................
Tuning 24....................................
Travel Tuning 24...........................
Pressure Tuning 27........................
Travel/Pressure Integral Settings 27..........
Valve and Actuator 28..........................
Partial Stroke Test 30..........................
Outputs 33...................................
Output Terminal Configuration 33............
Switch Configuration 33....................
HART Variable Assignments 34..............
Transmitter Output 34.....................
Alert Setup 35.................................
Change to HART 5 / HART 7 36....................
Instruction Manual
D103605X012
DVC6200 Digital Valve Controller
January 2015

Instruction Manual
D103605X012
DVC6200 Digital Valve Controller
January 2015
2
Contents (continued)
Section 4 Calibration 37.................
Calibration Overview 37.........................
Travel Calibration 38...........................
Auto Calibration 38........................
Manual Calibration 39......................
Pushbutton Calibration 40..................
Sensor Calibration 41..........................
Pressure Sensors 41........................
Analog Input Calibration 42.................
Relay Adjustment 43...........................
Double‐Acting Relay 43.....................
Single‐Acting Relays 44.....................
PST Calibration 45.............................
Section 5 Device Information,
Diagnostics, and Alerts 47...............
Overview 47...................................
Status & Primary Purpose Variables 47............
Device Information 47.........................
Service Tools 48................................
Device Status 48..............................
Alert Record 48...............................
Electronics 48.............................
Pressure 49...............................
Travel 50.................................
Travel History 51..........................
Alert Record 51............................
Status 52.................................
Diagnostics 52................................
Stroke Valve 52............................
Partial Stroke Test (ODV only) 52.............
Variables 53...................................
Section 6 Maintenance and
Troubleshooting 55.....................
Replacing the Magnetic Feedback Assembly 56......
Module Base Maintenance 56.....................
Tools Required 56.............................
Component Replacement 57....................
Removing the Module Base 57..................
Replacing the Module Base 58...................
Submodule Maintenance 58......................
I/P Converter 59...............................
Printed Wiring Board (PWB) Assembly 61..........
Pneumatic Relay 63............................
Gauges, Pipe Plugs or Tire Valves 63..............
Terminal Box 64................................
Removing the Terminal Box 64..................
Replacing the Terminal Box 65...................
Troubleshooting 65.............................
Checking Voltage Available 65....................
Restart Processor 66............................
DVC6200 Technical Support Checklist 68...........
Section 7 Parts 69......................
Parts Ordering 69...............................
Parts Kits 69...................................
PWB Assembly 69.............................
Parts List 70...................................
Housing 70...................................
Common Parts 71.............................
Module Base 71...............................
I/P Converter Assembly 71......................
Relay 71.....................................
Terminal Box 72...............................
Feedback Connection Terminal Box 72............
Pressure Gauges, Pipe Plugs, or Tire
Valve Assemblies 72.........................
DVC6215 Feedback Unit 72.....................
HART Filters 72...............................
Appendix A Principle of Operation 79......
HART Communication 79........................
DVC6200 Digital Valve Controller 79...............
Appendix B Field Communicator
Menu Tree 83........................
Glossary 91............................
Index 97..............................
The FIELDVUE DVC6200 Digital Valve Controller is a core component of the PlantWeb™ digital plant
architecture. The digital valve controller powers PlantWeb by capturing and delivering valve
diagnostic data. Coupled with ValveLink™ software, the DVC6200 provides users with an accurate
picture of valve performance, including actual stem position, instrument input signal, and pneumatic
pressure to the actuator. Using this information, the digital valve controller diagnoses not only itself,
but also the valve and actuator to which it is mounted.

Instruction Manual
D103605X012
Introduction
January 2015
3
Section 1 Introduction
Installation, Pneumatic and Electrical Connections,
and Initial Configuration
Refer to the DVC6200 Series Quick Start Guide (D103556X012) for DVC6200
installation, connection and initial configuration information. If a copy of this quick
start guide is needed scan or click the QR code at the right, contact your Emerson
Process Management sales office, or visit our website at www.Fisher.com.
Scope of Manual
This instruction manual is a supplement to the DVC6200 Series Quick Start Guide that ships with every instrument.
This instruction manual includes product specifications, reference materials, custom setup information, maintenance
procedures, and replacement part details.
This instruction manual describes using the 475 Field Communicator to set up and calibrate the instrument. You can
also use Fisher ValveLink software or ValveLink Mobile software to setup, calibrate, and diagnose the valve and
instrument. For information on using ValveLink software with the instrument refer to ValveLink software help or
documentation.
Do not install, operate, or maintain a DVC6200 digital valve controller without being fully trained and qualified in
valve, actuator, and accessory installation, operation, and maintenance. To avoid personal injury or property damage,
it is important to carefully read, understand, and follow all of the contents of this manual, including all safety cautions
and warnings. If you have any questions about these instructions, contact your Emerson Process Management sales
office before proceeding.
Conventions Used in this Manual
Navigation paths and fast‐key sequences are included for procedures and parameters that can be accessed using the
Field Communicator.
For example, to access Device Setup:
Field Communicator Configure > Guided Setup > Device Setup (2‐1‐1)
Refer to Appendix B for Field Communicator menu trees.
Description
DVC6200 digital valve controllers (figures 1‐1 and 1‐2) are communicating, microprocessor‐based
current‐to‐pneumatic instruments. In addition to the normal function of converting an input current signal to a
pneumatic output pressure, the DVC6200 digital valve controller, using the HARTr communications protocol, gives
easy access to information critical to process operation. You can gain information from the principal component of the
process, the control valve itself, using the Field Communicator at the valve, or at a field junction box, or by using a
personal computer or operator's console within the control room.
Using a personal computer and ValveLink software or AMS Suite: Intelligent Device Manager, or a Field Communicator,
you can perform several operations with the DVC6200 digital valve controller. You can obtain general information
concerning software revision level, messages, tag, descriptor, and date.
Scan or click
to access
field support

Instruction Manual
D103605X012
Introduction
January 2015
4
Figure 1‐1. FIELDVUE DVC6200 Digital Valve
Controller Mounted on a Fisher Sliding-Stem Valve
Actuator
W9643
Figure 1‐2. FIELDVUE DVC6200 Digital Valve
Controller Integrally Mounted to a Fisher GX Control
Valve
W9616
Diagnostic information is available to aid you when troubleshooting. Input and output configuration parameters can
be set, and the digital valve controller can be calibrated. Refer to table 1‐1 for details on the capabilities of each
diagnostic tier.
Using the HART protocol, information from the field can be integrated into control systems or be received on a single
loop basis.
The DVC6200 digital valve controller is designed to directly replace standard pneumatic and electro‐pneumatic valve
mounted positioners.
Table 1‐1. Instrument Level Capabilities
CAPABILITY DIAGNOSTIC LEVEL(2)
HC AD PD ODV
Auto Calibration X X X X
Custom Characterization X X X X
Burst Communication X X X X
Alerts X X X X
Step Response, Drive Signal Test & Dynamic Error Band X X X
Advanced Diagnostics (Valve Signature) X X X
Performance Tuner X X X
Travel Control ‐ Pressure Fallback X X X
Supply Pressure Sensor X X X
Performance Diagnostics X X
Solenoid Valve Testing X X
Lead/Lag Set Point Filter(1) X
1. Refer to brochure part # D351146X012 for information on Fisher optimized digital valves for compressor antisurge applications.
2. HC = HART Communicating ; AD = Advanced Diagnostics ; PD = Performance Diagnostics ; ODV = Optimized Digital Valve.

Instruction Manual
D103605X012
Introduction
January 2015
5
Specifications
WARNING
Refer to table 1‐2 for specifications. Incorrect configuration of a positioning instrument could result in the malfunction of
the product, property damage or personal injury.
Specifications for DVC6200 digital valve controllers are shown in table 1‐2. Specifications for the Field Communicator
can be found in the product manual for the Field Communicator.
Related Documents
This section lists other documents containing information related to the DVC6200 digital valve controller. These
documents include:
D Bulletin 62.1:DVC6200 - Fisher FIELDVUE DVC6200 Digital Valve Controller (D103415X012)
D Bulletin 62.1:DVC6200 HC - Fisher FIELDVUE DVC6200 Digital Valve Controller (D103423X012)
D Bulletin 62.1:DVC6200(S1) Fisher FIELDUVE DVC6200 Digital Valve Controller Dimensions (D103543X012)
D Fisher FIELDVUE DVC6200 Series Digital Valve Controller Quick Start Guide (D103556X012)
D FIELDVUE Digital Valve Controller Split Ranging (D103262X012)
D Using FIELDVUE Instruments with the Smart HART Loop Interface and Monitor (HIM) (D103263X012)
D Using FIELDVUE Instruments with the Smart Wireless THUMt Adapter and a HART Interface Module (HIM)
(D103469X012)
D Audio Monitor for HART Communications (D103265X012)
D HART Field Device Specification - Supplement to Fisher FIELDVUE DVC6200 Digital Valve Controller (D103639X012)
D Using the HART Tri‐Loop HART‐to‐Analog Signal Converter with FIELDVUE Digital Valve Controllers (D103267X012)
D Implementation of Lock‐in‐Last Strategy (D103261X012)
D Fisher HF340 Filter Instruction Manual (D102796X012)
D 475 Field Communicator User's Manual
D ValveLink Software Help or Documentation
All documents are available from your Emerson Process Management sales office. Also visit our website at
www.FIELDVUE.com.

Instruction Manual
D103605X012
Introduction
January 2015
6
Table 1‐2. Specifications
Available Mounting
DVC6200 digital valve controller or DVC6215
feedback unit: JIntegral mounting to the Fisher GX
Control Valve and Actuator System JWindow
mounting to Fisher rotary actuators JSliding‐stem
linear applications JQuarter‐turn rotary applications
DVC6205 base unit for 2 inch pipestand or wall
mounting (for remote‐mount)
The DVC6200 digital valve controller or DVC6215
feedback unit can also be mounted on other
actuators that comply with IEC 60534‐6-1, IEC
60534-6-2, VDI/VDE 3845 and NAMUR mounting
standards.
Communication Protocol
JHART 5 or JHART 7
Input Signal
Point-to-Point
Analog Input Signal: 4-20 mA DC, nominal; split
ranging available
Minimum Voltage Available at Instrument Terminals
must be 9.5 VDC for analog control, 10 VDC for HART
communication
Minimum Control Current: 4.0 mA
Minimum Current w/o Microprocessor Restart: 3.5 mA
Maximum Voltage: 30 VDC
Overcurrent protected
Reverse Polarity protected
Multi-drop
Instrument Power: 11 to 30 VDC at 10 mA
Reverse Polarity protected
Supply Pressure(1)
Minimum Recommended: 0.3 bar (5 psig) higher
than maximum actuator requirements
Maximum: 10.0 bar (145 psig) or maximum pressure
rating of the actuator, whichever is lower
Medium: Air or Natural Gas
Air: Supply pressure must be clean, dry air that meets
the requirements of ISA Standard 7.0.01.
Natural Gas: Natural Gas must be clean, dry, oil-free
and noncorrosive. H2S content should not exceed 20
ppm.
A maximum 40 micrometer particle size in the air
system is acceptable. Further filtration down to 5
micrometer particle size is recommended. Lubricant
content is not to exceed 1 ppm weight (w/w) or
volume (v/v) basis. Condensation in the air supply
should be minimized.
Per ISO 8573-1
Maximum particle density size: Class 7
Oil content: Class 3
Pressure Dew Point: Class 3 or at least 10 K less than
the lowest ambient temperature expected
Output Signal
Pneumatic signal, up to full supply pressure
Minimum Span: 0.4 bar (6 psig)
Maximum Span: 9.5 bar (140 psig)
Action: JDouble, JSingle Direct or JReverse
Steady‐State Air Consumption(2)(3)
Standard Relay
At 1.4 bar (20 psig) supply pressure:
Less than 0.38 normal m3/hr (14 scfh)
At 5.5 bar (80 psig) supply pressure:
Less than 1.3 normal m3/hr (49 scfh)
Low Bleed Relay
At 1.4 bar (20 psig) supply pressure:
Average value 0.056 normal m3/hr (2.1 scfh)
At 5.5 bar (80 psig) supply pressure:
Average value 0.184 normal m3/hr (6.9 scfh)
Maximum Output Capacity(2)(3)
At 1.4 bar (20 psig) supply pressure:
10.0 normal m3/hr (375 scfh)
At 5.5 bar (80 psig) supply pressure:
29.5 normal m3/hr (1100 scfh)
Operating Ambient Temperature Limits(1)(4)
-40 to 85_C (-40 to 185_F)
-52 to 85_C (-62 to 185_F) for instruments utilizing
the Extreme Temperature option (fluorosilicone
elastomers)
-52 to 125_C (-62 to 257_F) for remote‐mount
feedback unit
Independent Linearity(5)
Typical Value: ±0.50% of output span
Electromagnetic Compatibility
Meets EN 61326-1 (First Edition)
Immunity—Industrial locations per Table 2 of
the EN 61326-1 standard. Performance is
shown in table 1‐3 below.
Emissions—Class A
ISM equipment rating: Group 1, Class A
-continued-

Instruction Manual
D103605X012
Introduction
January 2015
7
Table 1‐2. Specifications (continued)
Lightning and Surge Protection—The degree of
immunity to lightning is specified as Surge immunity
in table 1‐3. For additional surge protection
commercially available transient protection devices
can be used.
Vibration Testing Method
Tested per ANSI/ISA-S75.13.01 Section 5.3.5. A
resonant frequency search is performed on all three
axes. The instrument is subjected to the ISA specified
1/2 hour endurance test at each major resonance.
Input Impedance
An equivalent impedance of 500 ohms may be used.
This value corresponds to 10V @ 20 mA.
Humidity Testing Method
Tested per IEC 61514‐2
Electrical Classification
Hazardous Area Approvals
CSA— Intrinsically Safe, Explosion‐proof,
Division 2, Dust Ignition-proof
FM— Intrinsically Safe, Explosion‐proof,
Dust Ignition-proof, Non-Incendive
ATEX— Intrinsically Safe, Flameproof, Type n
IECEx— Intrinsically Safe, Flameproof, Type n
Electrical Housing
CSA— Type 4X, IP66
FM— Type 4X, IP66
ATEX— IP66
IECEx— IP66
Other Classifications/Certifications
CUTR— Customs Union Technical Regulations
(Russia, Kazakhstan and Belarus)
INMETRO— National Institute of Metrology, Quality,
and Technology (Brazil)
PESO CCOE— Petroleum and Explosives Safety
Organisation - Chief Controller of Explosives (India)
Contact your Emerson Process Management sales
office for classification/certification specific
information.
Connections
Supply Pressure: 1/4 NPT internal and integral pad for
mounting 67CFR regulator
Output Pressure: 1/4 NPT internal
Tubing: 3/8‐inch recommended
Vent: 3/8 NPT internal
Electrical: 1/2 NPT internal, M20 adapter optional
Actuator Compatibility
Stem Travel (Sliding‐Stem Linear)
Minimum: 6.5 mm (0.25 inch)
Maximum: 606 mm (23.875 inches)
Shaft Rotation (Quarter‐Turn Rotary)
Minimum: 45_
Maximum: 90_
Weight
DVC6200
Aluminum: 3.5 kg (7.7 lbs)
Stainless Steel: 8.6 kg (19 lbs)
DVC6205: 4.1 kg (9 lbs)
DVC6215: 1.4 kg (3.1 lbs)
Construction Materials
Housing, module base and terminal box:
A03600 low copper aluminum alloy (standard)
Stainless steel (optional)
Cover: Thermoplastic polyester
Elastomers: Nitrile (standard)
Fluorosilicone (extreme temperature)
Options
JSupply and output pressure gauges or
JTire valves JIntegral mounted filter regulator
JLow‐Bleed Relay JExtreme Temperature
JRemote Mount(6) JStainless Steel
J Integral 4‐20 mA Position Transmitter(7):
4‐20 mA output, isolated
Supply Voltage: 8‐30 VDC
Fault Indication: offrange high or low
Reference Accuracy: 1% of travel span
J Integral Switch(7):
One isolated switch, configurable throughout the
calibrated travel range or actuated from a device alert
Off State: 0 mA (nominal)
On State: up to 1 A
Supply Voltage: 30 VDC maximum
Reference Accuracy: 2% of travel span
Contact your Emerson Process Management sales
office or go to www.FIELDVUE.com for additional
information
-continued-

Instruction Manual
D103605X012
Introduction
January 2015
8
Table 1‐2. Specifications (continued)
Declaration of SEP
Fisher Controls International LLC declares this
product to be in compliance with Article 3 paragraph
3 of the Pressure Equipment Directive (PED) 97 / 23 /
EC. It was designed and manufactured in accordance
with Sound Engineering Practice (SEP) and cannot
bear the CE marking related to PED compliance.
However, the product may bear the CE marking to
indicate compliance with other applicable European
Community Directives.
NOTE: Specialized instrument terms are defined in ANSI/ISA Standard 51.1 - Process Instrument Terminology.
1. The pressure/temperature limits in this document and any other applicable code or standard should not be exceeded.
2. Normal m3/hour - Normal cubic meters per hour at 0_C and 1.01325 bar, absolute. Scfh - Standard cubic feet per hour at 60_F and 14.7 psia.
3. Values at 1.4 bar (20 psig) based on a single-acting direct relay; values at 5.5 bar (80 psig) based on double-acting relay.
4. Temperature limits vary based on hazardous area approval.
5. Not applicable for travels less than 19 mm (0.75 inch) or for shaft rotation less than 60 degrees. Also not applicable for digital valve controllers in long‐stroke applications.
6. 4‐conductor shielded cable, 18 to 22 AWG minimum wire size, in rigid or flexible metal conduit, is required for connection between base unit and feedback unit. Pneumatic tubing between base
unit output connection and actuator has been tested to 91 meters (300 feet). At 15 meters (50 feet) there was no performance degradation. At 91 meters there was minimal pneumatic lag.
7. The electronic output is available with either the position transmitter or the switch.
Table 1‐3. EMC Summary Results—Immunity
Port Phenomenon Basic Standard Test Level Performance
Criteria(1)
Enclosure
Electrostatic discharge (ESD) IEC 61000‐4‐2 4 kV contact
8 kV air A
Radiated EM field IEC 61000‐4‐3
80 to 1000 MHz @ 10V/m with 1 kHz AM at 80%
1400 to 2000 MHz @ 3V/m with 1 kHz AM at 80%
2000 to 2700 MHz @ 1V/m with 1 kHz AM at 80%
A
Rated power frequency
magnetic field IEC 61000‐4‐8 30 A/m at 50/60Hz A
I/O signal/control
Burst IEC 61000‐4‐4 1 kV A
Surge IEC 61000‐4‐5 1 kV B
Conducted RF IEC 61000‐4‐6 150 kHz to 80 MHz at 3 Vrms A
Performance criteria: +/- 1% effect.
1. A = No degradation during testing. B = Temporary degradation during testing, but is self‐recovering.
Educational Services
For information on available courses for the DVC6200 digital valve controller, as well as a variety of other products,
contact:
Emerson Process Management
Educational Services - Registration
Phone: +1-641‐754‐3771 or +1-800‐338‐8158 or
e‐mail: education@emerson.com
http://www.emersonprocess.com/education

Instruction Manual
D103605X012
Wiring Practices
January 2015
9
Section 2 Wiring Practices22
Control System Requirements
There are several parameters that should be checked to ensure the control system is compatible with the DVC6200
digital valve controller.
HART Filter
Depending on the control system you are using, a HART filter may be needed to allow HART communication. The
HART filter is a passive device that is inserted in field wiring from the HART loop. The filter is normally installed near the
field wiring terminals of the control system I/O (see figure 2‐1). Its purpose is to effectively isolate the control system
output from modulated HART communication signals and raise the impedance of the control system to allow HART
communication. For more information on the description and use of the HART filter, refer to the appropriate HART
filter instruction manual.
To determine if your system requires a filter contact your Emerson Process Management sales office.
Note
A HART filter is typically NOT required for any of the Emerson Process Management control systems, including PROVOXt, RS3t,
and DeltaVt systems.
Figure 2‐1. HART Filter Application
DIGITAL VALVE
CONTROLLER
4‐20 mA + HART
VALVE
Tx Tx
I/O I/O
HART
FILTER
NON‐HART BASED DCS
A6188‐1
Voltage Available
The voltage available at the DVC6200 digital valve controller must be at least 10 VDC. The voltage available at the
instrument is not the actual voltage measured at the instrument when the instrument is connected. The voltage
measured at the instrument is limited by the instrument and is typically less than the voltage available.

Instruction Manual
D103605X012
Wiring Practices
January 2015
10
As shown in figure 2‐2, the voltage available at the instrument depends upon:
D the control system compliance voltage
D if a filter, wireless THUM adapter, or intrinsic safety barrier is used, and
D the wire type and length.
The control system compliance voltage is the maximum voltage at the control system output terminals at which the
control system can produce maximum loop current.
The voltage available at the instrument may be calculated from the following equation:
Voltage Available = [Control System Compliance Voltage (at maximum current)] - [filter voltage drop (if a HART filter is
used)] - [total cable resistance maximum current] - [barrier resistance x maximum current].
The calculated voltage available should be greater than or equal to 10 volts DC.
Table 2‐1 lists the resistance of some typical cables.
The following example shows how to calculate the voltage available for a Honeywellt TDC2000 control system with a
HF340 HART filter, and 1000 feet of Beldent 9501 cable:
Voltage available = [18.5 volts (at 21.05 mA)] - [2.3 volts] - [48 ohms 0.02105 amps]
Voltage available = [18.5] - [2.3] - [1.01]
Voltage available = 15.19 volts
Figure 2‐2. Determining Voltage Available at the Instrument
The voltage available at the instrument is not the voltage measured at the instrument terminals. Once the instrument is
connected, the instrument limits the measured voltage to approximately 8.0 to 9.5 volts.
Obtain filter voltage drop. The measured drop will be different than this value. The measured filter voltage drop
depends upon control system output voltage, the intrinsic safety barrier (if used), and the instrument. See note 3.
HART FILTER
(if used)
CONTROL
SYSTEM
+
-
COMPLIANCE VOLTAGE
VOLTAGE
AVAILABLE AT THE
INSTRUMENT
+
-
R
INTRINSIC SAFETY
BARRIER
(if used)
Control system compliance voltage
= Voltage available at the instrument
– Filter voltage drop (if used)
Example Calculation
18.5 volts (at 21.05 mA)
– 2.3 volts (for HF300 filter)
– Intrinsic safety barrier resistance (if used) x maximum loop current – 2.55 volts (121 ohms x 0.02105 amps)
TOTAL LOOP
CABLE RESISTANCE
– Total loop cable resistance x maximum loop current – 1.01 volts (48 ohms x 0.02105 amps for
1000 feet of Belden 9501 cable)
= 15.19 volts, available—if safety barrier (2.55 volts)
is not used
1
3
NOTES:
1
2
Calculate Voltage Available at the Instrument as follows:
THUM ADAPTER
(IF USED)
– Smart Wireless THUM adapter voltage drop (if used) 2
The voltage drop of the THUM adapter is linear from 2.25 volts at 3.5 mA to 1.2 volts at 25 mA.
3

Instruction Manual
D103605X012
Wiring Practices
January 2015
11
Table 2‐1. Cable Characteristics
Cable Type Capacitance(1)
pF/Ft
Capacitance(1)
pF/m
Resistance(2)
Ohms/ft
Resistance(2)
Ohms/m
BS5308/1, 0.5 sq mm 61.0 200 0.022 0.074
BS5308/1, 1.0 sq mm 61.0 200 0.012 0.037
BS5308/1, 1.5 sq mm 61.0 200 0.008 0.025
BS5308/2, 0.5 sq mm 121.9 400 0.022 0.074
BS5308/2, 0.75 sq mm 121.9 400 0.016 0.053
BS5308/2, 1.5 sq mm 121.9 400 0.008 0.025
BELDEN 8303, 22 awg 63.0 206.7 0.030 0.098
BELDEN 8441, 22 awg 83.2 273 0.030 0.098
BELDEN 8767, 22 awg 76.8 252 0.030 0.098
BELDEN 8777, 22 awg 54.9 180 0.030 0.098
BELDEN 9501, 24 awg 50.0 164 0.048 0.157
BELDEN 9680, 24 awg 27.5 90.2 0.048 0.157
BELDEN 9729, 24 awg 22.1 72.5 0.048 0.157
BELDEN 9773, 18 awg 54.9 180 0.012 0.042
BELDEN 9829, 24 awg 27.1 88.9 0.048 0.157
BELDEN 9873, 20 awg 54.9 180 0.020 0.069
1. The capacitance values represent capacitance from one conductor to all other conductors and shield. This is the appropriate value to use in the cable length calculations.
2. The resistance values include both wires of the twisted pair.
Compliance Voltage
If the compliance voltage of the control system is not known, perform the following compliance voltage test.
1. Disconnect the field wiring from the control system and connect equipment as shown in figure 2‐3 to the control
system terminals.
Figure 2‐3. Voltage Test Schematic
CIRCUIT
UNDER
TEST
VOLTMETER
MILLIAMMETER
1 kW POTENTIOMETER
A6192‐1
2. Set the control system to provide maximum output current.
3. Increase the resistance of the 1 kW potentiometer, shown in figure 2‐3, until the current observed on the
milliammeter begins to drop quickly.
4. Record the voltage shown on the voltmeter. This is the control system compliance voltage.
For specific parameter information relating to your control system, contact your Emerson Process Management sales
office.

Instruction Manual
D103605X012
Wiring Practices
January 2015
12
Auxiliary Terminal Wiring Length Guidelines
The Auxiliary Input Terminals of a DVC6200 with instrument level ODV can be used with a locally‐mounted switch for
initiating a partial stroke test. Some applications require that the switch be installed remotely from the DVC6200.
The length for wiring connected to the Auxiliary Input Terminals is limited by capacitance. For proper operation of the
Auxiliary Input Terminals capacitance should not exceed 100,000 pF. As with all control signal wiring, good wiring
practices should be observed to minimize adverse effect of electrical noise on the Aux Switch function.
Example Calculation: Capacitance per foot or per meter is required to calculate the length of wire that may be
connected to the Aux switch input. The wire should not exceed the capacitance limit of 100,000 pF. Typically the wire
manufacturer supplies a data sheet which provides all of the electrical properties of the wire. The pertinent parameter
is the highest possible capacitance. If shielded wire is used, the appropriate number is the “Conductor to Other
Conductor & Shield” value.
Example — 18AWG Unshielded Audio, Control and Instrumentation Cable
Manufacturer's specifications include:
Nom. Capacitance Conductor to Conductor @ 1 KHz: 26 pF/ft
Nom. Conductor DC Resistance @ 20 Deg. C: 5.96 Ohms/1000 ft
Max. Operating Voltage - UL 200 V RMS (PLTC, CMG),150 V RMS (ITC)
Allowable Length with this cable = 100,000pF /(26pF/ft) = 3846 ft
Example — 18AWG Shielded Audio, Control and Instrumentation Cable
Manufacturer's specifications include:
Nom. Characteristic Impedance: 29 Ohms
Nom. Inductance: .15 μH/ft
Nom. Capacitance Conductor to Conductor @ 1 KHz: 51 pF/ft
Nom. Cap. Cond. to other Cond. & Shield @ 1 KHz 97 pF/ft
Allowable Length with this cable = 100,000pF /(97pF/ft) = 1030 ft
The AUX switch input passes less than 1 mA through the switch contacts, and uses less than 5V, therefore, neither the
resistance nor the voltage rating of the cable are critical. Ensure that switch contact corrosion is prevented. It is
generally advisable that the switch have gold‐plated or sealed contacts.
Maximum Cable Capacitance
The maximum cable length for HART communication is limited by the characteristic capacitance of the cable.
Maximum length due to capacitance can be calculated using the following formulas:
Length(ft) = [160,000 - Cmaster(pF)] [Ccable(pF/ft)]
Length(m) = [160,000 - Cmaster(pF)] [Ccable(pF/m)]
where:
160,000 = a constant derived for FIELDVUE instruments to ensure that the HART network RC time constant will be no
greater than 65 μs (per the HART specification).
Cmaster = the capacitance of the control system or HART filter

Instruction Manual
D103605X012
Wiring Practices
January 2015
13
Ccable = the capacitance of the cable used (see table 2‐1)
The following example shows how to calculate the cable length for a Foxborot I/A control system (1988) with a Cmaster
of 50, 000 pF and a Belden 9501 cable with characteristic capacitance of 50pF/ft.
Length(ft) = [160,000 - 50,000pF] [50pF/ft]
Length = 2200 ft.
The HART communication cable length is limited by the cable characteristic capacitance. To increase cable length,
select a wire with lower capacitance per foot. Contact your Emerson Process Management sales office for specific
information relating to your control system.
Installation in Conjunction with a Rosemount 333 HART Tri‐Loop
HART‐to‐Analog Signal Converter
Use the DVC6200 digital valve controller in operation with a Rosemount 333 HART Tri‐Loop HART‐to‐Analog Signal
Converter to acquire an independent 4‐20 mA analog output signal for the analog input, travel target, pressure, or
travel. The HART Tri‐Loop accepts any three of these digital signals and converts them into three separate 4‐20 mA
analog channels.
Refer to figure 2‐4 for basic installation information. Refer to the 333 HART Tri‐Loop HART‐to‐Analog Signal Converter
Product Manual for complete installation information.
Figure 2‐4. HART Tri‐Loop Installation Flowchart
START HERE
DONE
Digital valve
controller
Installed?
Unpack the
HART Tri‐Loop
Review the
HART Tri‐Loop
Product Manual
Set the digital
valve controller
Burst Option
Set the digital
valve controller
Burst Mode
No
Yes
Install the digital
valve controller.
Install the HART Tri‐
Loop. See HART Tri‐
Loop product manual
Mount the HART
Tri‐Loop to the
DIN rail.
Wire the digital
valve controller to
the HART Tri‐Loop.
Install Channel 1
wires from HART
Tri‐Loop to the
control room.
(Optional) Install
Channel 2 and 3 wires
from HART Tri‐Loop to
the control room.
Configure the HART
Tri‐Loop to receive
digital valve controller
burst commands
Pass system
test?
Check
troubleshooting
procedures in
HART Tri‐Loop
product manual.
No
Yes
E0365

Instruction Manual
D103605X012
Wiring Practices
January 2015
14
Commissioning the Digital Valve Controller for use with the HART
Tri‐Loop Signal Converter
To prepare the digital valve controller for use with a 333 HART Tri‐Loop, you must configure the digital valve controller
to burst mode, and select Burst Command 3. In burst mode, the digital valve controller provides digital information to
the HART Tri‐Loop HART‐to‐Analog Signal Converter. The HART Tri‐Loop converts the digital information to a 4 to 20
mA analog signal. Each burst message contains the latest value of the primary (analog input), secondary (travel
target), tertiary (configured output pressure), and quaternary (travel) variables.
To commission a DVC6200 for use with a HART Tri‐Loop, perform the following procedures.
Note
The DVC6200 must be in HART 5 compatibility mode to use burst communications.
Enable Burst Operation
Field Communicator
With I/O Package
Configure > Manual Setup > Outputs > Burst Mode (2‐2‐6‐5) HC, AD, PD or (2-2-7-5) ODV
Without I/O Package
Configure > Manual Setup > Outputs > Burst Mode (2‐2‐6‐2) HC, AD, PD or (2-2-7-2) ODV
Select Burst Enable and follow the prompts to enable burst mode. Then select Burst Command and follow the prompts
to configure Loop Current/PV/SV/TV/QV.
Select the HART Variable Assignments
Field Communicator
With I/O Package
Configure > Manual Setup > Outputs > HART Variable Assignments (2-2-6-4) HC, AD, PD or (2-2-7-4) ODV
Without I/O Package
Configure > Manual Setup > Outputs > HART Variable Assignments (2-2-6-1) HC, AD, PD or (2-2-7-1) ODV
Configure the HART Variable Assignments. The Primary Variable (PV) is always Analog Input. The Secondary Variable
(SV), Tertiary Variable (TV) and Quaternary Variable (QV) can be configured to any of the following variables.
D Setpoint
D Travel (see note below)
D Pressure A
D Pressure B
D Pressure AB
D Supply Pressure
D Drive Signal
D Analog Input
Note
If the instrument is configured to operate in pressure control mode, or detects an invalid travel sensor reading, the Travel variable
will report pressure in percent of bench set range.

Instruction Manual
D103605X012
Configuration
January 2015
15
Section 3 Configuration
Guided Setup
Field Communicator Configure > Guided Setup (2‐1)
To quickly setup the instrument, the following procedures will guide you through the process.
D Device Setup—This procedure is used to configure actuator and valve information, calibrate the valve assembly, and
assign the tuning set for the valve assembly.
D Performance Tuner (instrument level AD, PD, ODV)—This procedure executes a simple step response test and then
calculates a recommended set of gain values based on the response of the control valve. See page 26 for additional
information.
D Stabilize Optimize (instrument level HC)—This procedure permits you to adjust valve response by changing the
digital valve controller tuning. See page 26 for additional information.
Manual Setup33
Manual Setup allows you to configure the digital valve controller to your application. Table 3‐1 lists the default settings
for a standard factory configuration. You can adjust actuator response, set the various modes, alerts, ranges, travel
cutoffs and limits. You can also restart the instrument and set the protection.
Table 3‐1. Default Detailed Setup Parameters
Setup Parameter Default Setting(1)
Instrument
Configuration
Control Mode Analog
Restart Control Mode Resume Last
Analog In Range Low 4 mA
Analog In Range High 20 mA
Analog Input Units mA
Local AutoCal Button Disabled
Polling Address 0
Burst Mode Enable No
Burst Command 3
Cmd 3 (Trending) Pressure A-B
Dynamic Response and
Tuning
Input Characterization Linear
Travel Limit High 125%
Travel Limit Low -25%
Travel/Pressure Cutoff High 99.46%
Travel/Pressure Cutoff Low 0.50%
Set Point Rate Open 0%/sec
Set Point Rate Close 0%/sec
Set Point Filter Time (Lag Time) 0 sec
Integrator Enable Yes
Integral Gain 9.4 repeats/minute
Integral Deadzone 0.26%
-continued on next page-

Instruction Manual
D103605X012
Configuration
January 2015
16
Table 3‐1. Default Detailed Setup Parameters (continued)
Setup Parameter Default Setting(1)
Deviation & Other Alerts
Travel Deviation Alert Enable Yes
Travel Deviation Alert Point 5%
Travel Deviation Time 9.99 sec
Pressure Deviation Alert Enable Yes
Pressure Deviation Alert Point 5 psi(2)
Pressure Deviation Alert Time 5.0 sec
Drive Signal Alert Enable Yes
Supply Pressure Alert Enable Yes
1. The settings listed are for standard factory configuration. DVC6200 instruments can also be ordered with custom configuration
settings. Refer to the order requisition for the custom settings.
2. Adjust to bar, kPa, or Kg/cm2 if necessary
Mode and Protection
Field Communicator Configure > Manual Setup > Mode and Protection (2‐2‐1)
Instrument Mode
There are two instrument modes for the DVC6200; In Service or Out of Service. In Service is the normal operating
mode such that the instrument follows the 420 mA control signal. Out of Service is required in some cases to modify
configuration parameters or to run diagnostics.
Note
Some changes that require the instrument to be taken Out Of Service will not take effect until the instrument is placed back In
Service or the instrument is restarted.
Write Protection
There are two Write Protection modes for the DVC6200: Not Protected or Protected. Protected prevents configuration
and calibration changes to the instrument. The default setting is Not Protected. Write Protection can be changed to
Protected remotely. However, to change Write Protection to Not Protected, you must have physical access to the
instrument. The procedure will require you to press a button ( ) on the terminal box as a security measure.
Instrument
Field Communicator Configure > Manual Setup > Instrument (2‐2‐2)
Follow the prompts on the Field Communicator display to configure the following Instrument parameters:
Identification
D HART Tag—A tag name up to 8 characters is available for the instrument. The HART tag is the easiest way to
distinguish between instruments in a multi‐instrument environment. Use the HART tag to label instruments
electronically according to the requirements of your application. The tag you assign is automatically displayed
when the Field Communicator establishes contact with the digital valve controller at power‐up.
D HART Long Tag (HART Universal Revision 7 only)—A tag name up to 32 characters is available for the instrument.

Instruction Manual
D103605X012
Configuration
January 2015
17
D Description—Enter a description for the application with up to 16 characters. The description provides a longer
user‐defined electronic label to assist with more specific instrument identification than is available with the HART
tag.
D Message—Enter any message with up to 32 characters. Message provides the most specific user‐defined means for
identifying individual instruments in multi‐instrument environments.
D Polling Address—If the digital valve controller is used in point‐to‐point operation, the Polling Address is 0. When
several devices are connected in the same loop, such as for split ranging, each device must be assigned a unique
polling address. The Polling Address is set to a value between 0 and 63 for HART 7 and 0 and 15 for HART 5. To
change the polling address the instrument must be Out Of Service.
For the Field Communicator to be able to communicate with a device whose polling address is not 0, it must be
configured to automatically search for all or specific connected devices.
Serial Numbers
D Instrument Serial Number—Enter the serial number on the instrument nameplate, up to 12 characters.
D Valve Serial Number—Enter the serial number for the valve in the application, up to 12 characters.
Units
D Pressure Units—Defines the output and supply pressure units in either psi, bar, kPa, or kg/cm2.
D Temperature Units—Degrees Fahrenheit or Celsius. The temperature measured is from a sensor mounted on the
digital valve controller's printed wiring board.
D Analog Input Units—Permits defining the Analog Input Units in mA or percent of 4-20 mA range.
Terminal Box
D Calibration (CAL) Button—This button is near the wiring terminals in the terminal box and provides a quick means to
autocalibrate the instrument. The button must be pressed for 3 to 10 seconds. Autocalibration will move the valve
through the full range of travel whether the Instrument Mode is In Service or Out of Service. However, if the Write
Protection is Protected, this button will not be active. To abort, press the button again for 1 second. The calibration
button is disabled by default.
D Auxiliary Terminal Action—These wire terminals can be configured to initiate a partial stroke test upon detection of
a short across the (+) and (-) terminals. The terminals must be shorted for 3 to 10 seconds.
Note
Auxiliary Terminal Action is only available for instrument level ODV.
Analog Input Range
D Input Range Hi—Permits setting the Input Range High value. Input Range High should correspond to Travel Range
High, if the Zero Power Condition is configured as closed. If the Zero Power Condition is configured as open, Input
Range High corresponds to Travel Range Low. See figure 3‐1.

Instruction Manual
D103605X012
Configuration
January 2015
18
D Input Range Lo—Permits setting the Input Range Low value. Input Range Low should correspond to Travel Range
Low, if the Zero Power Condition is configured as closed. If the Zero Power Condition is configured as open, Input
Range Low corresponds to Travel Range High. See figure 3‐1.
Figure 3‐1. Calibrated Travel to Analog Input Relationship
TRAVEL
RANGE
HIGH
TRAVEL
RANGE
LOW
THE SHAPE OF THESE LINES
DEPENDS ON THE INPUT
CHARACTERISTICS LINEAR
CHARACTERISTIC SHOWN
INPUT RANGE
LOW
INPUT RANGE
HIGH
ANALOG INPUT
mA OR % OF 4‐20 mA
CALIBRATED TRAVEL, %
A6531‐1
ZPC = CLOSED
ZPC = OPEN
NOTE:
ZPC = ZERO POWER CONDITION
Spec Sheet
The Spec Sheet provides a means to store the entire control valve specifications on board the DVC6200.
Edit Instrument Time
Permits setting the instrument clock. When alerts are stored in the alert record, the record includes the time and date.
The instrument clock uses a 24‐hour format.
Travel/Pressure Control
Field Communicator Configure > Manual Setup > Travel/Pressure Control (2‐2-3)
Travel/Pressure Select
This defines the operating mode of the instrument as well as the behavior of the instrument should the travel sensor
fail. There are four choices.
D Travel Control—The instrument is controlling to a target travel. Fallback is not enabled.
D Pressure Control—The instrument is controlling to a target pressure. Fallback is not enabled.
D Fallback-Sensor Failure—The instrument will fallback to pressure control if a travel sensor failure is detected.

Instruction Manual
D103605X012
Configuration
January 2015
19
D Fallback-Sensor/Tvl Deviation—The instrument will fallback to pressure control if a travel sensor failure is detected,
or if the Tvl Dev Press Fallback setting is exceeded for more than the Tvl Dev Press Fallback Time.
Note
Travel / Pressure Select must be set to Travel for double‐acting actuators
Cutoffs and Limits
D Hi Limit/Cutoff Select—When the Hi Cutoff/Limit Select is configured for Cutoff, the Travel Target is set to 123%
when the Travel exceeds the Hi Cutoff Point. When the Hi Cutoff/Limit Select is configured for Limit, the Travel
Target will not exceed the Hi Limit Point.
D Hi Limit/Cutoff Point—This is the point within the calibrated travel range above which the Limit or Cutoff is in effect.
When using cutoffs, a Cutoff Hi of 99.5% is recommended to ensure valve goes fully open. The Hi Cutoff/Limit is
deactivated by setting it to 125%.
D Lo Limit/Cutoff Select—When the Lo Cutoff/Limit Select is configured for Cutoff, the Travel Target is set to 23%
when the Travel is below the Lo Cutoff Point. When the Hi Cutoff/Limit Select is configured for Limit, the Travel
Target will not fall below the Lo Limit Point.
D Lo Limit/Cutoff Point—This is the point within the calibrated travel range below which the Limit or Cutoff is in effect.
When using cutoffs, a Cutoff Lo of 0.5% is recommended to help ensure maximum shutoff seat loading. The Lo
Limit/Cutoff is deactivated by setting it to 25%.
End Point Pressure Control (EPPC)
Note
End Point Pressure Control is available for instrument level ODV.
D EPPC Enable—Select Yes or No. End Point Pressure Control allows the digital valve controller to pull back from
saturation of the pneumatic output after reaching the travel extreme. Rather than having the instrument provide
full supply pressure (saturation) continuously at the travel extreme, the digital valve controller switches to an End
Point Pressure Control where the output pressure (pressure controller set point) to the actuator is maintained at a
certain value. This value is configured through the Upper Operating Pressure feature. Because the digital valve
controller is constantly in control and not allowed to reach a dormant or saturated state, it is constantly testing its
own pneumatic system. If there is an output pressure deviation, for example, the instrument will issue an alert. To
ensure there is an alert when an output pressure deviation occurs, setup the alert as described under Pressure
Deviation Alert.

Instruction Manual
D103605X012
Configuration
January 2015
20
D EPPC Set Point—Used in conjunction with End Point Pressure Control, End Point Pressure Control Set Point allows
the user to select a pressure to be delivered by the instrument at the travel extreme. For a fail‐closed valve, this
pressure must be sufficient to maintain the fully open position. For a fail‐open valve, this pressure (which is
automatically set to supply pressure) must be sufficient to fully close the valve and maintain its rated shutoff
classification. For double‐acting spring return actuators, this is the differential pressure required to either maintain
the fully open or fully closed position, depending on the valve and actuator configuration. For a double‐acting
actuator without springs with a fail‐close valve, this is 95% of the supply pressure. If the valve is fail‐open, the upper
operating pressure for all actuator is set to the supply pressure.
D EPPC Saturation Time—End Point Pressure Control Saturation Time is the time the digital valve controller stays in
hard cutoff before switching to pressure control. Default is 45 seconds.
Pressure Control
D Pressure Range High—The high end of output pressure range. Enter the pressure that corresponds with 100% valve
travel when Zero Power Condition is closed, or 0% valve travel when Zero Power Condition is open. This pressure
must be greater than the Pressure Range Lo.
D Pressure Range Lo—The low end of the output pressure range. Enter the pressure that corresponds to 0% valve
travel when Zero Power Condition is closed, or 100% valve travel when Zero Power Condition is open. This pressure
must be less than the Pressure Range Hi.
Pressure Fallback
Note
Pressure Fallback is available for instrument level AD, PD, ODV.
D Tvl Dev Press Fallback—When the difference between the travel target and the actual travel exceeds this value for
more than the Tvl Dev Press Fallback Time, the instrument will disregard the travel feedback and control based on
output pressure.
D Tvl Dev Press Fallback Time—This is the time, in seconds, that the travel target and the actual travel must be
exceeded before the instrument falls back into pressure control.
D Fallback Recovery—If the instrument has fallen into pressure control and the feedback problem is resolved, recovery
to travel control can occur automatically or with manual intervention. To return to travel control when Manual
Recovery is selected, change the Fallback Recovery to Auto Recovery, and then back to Manual Recovery (if
desired).

Instruction Manual
D103605X012
Configuration
January 2015
21
Control Mode
D Control Mode—This displays the current control mode of the instrument. This will show Analog if the instrument is
in PointtoPoint mode and is using a 420 mA signal for its power and set point. This will show Digital if the
instrument is in Multidrop mode and is using 24 VDC for power and a digital set point for control.
Note
Another mode, Test, may be displayed. Normally the instrument should not be in the Test mode. The digital valve controller
automatically switches to this mode whenever it needs to stroke the valve during calibration or stroke valve, for example.
However, if you abort from a procedure where the instrument is in the test mode, it may remain in this mode. To take the
instrument out of the Test mode, select Change Control Mode and enter Analog or Digital.
D Change Control Mode—This allows the user to configure the control mode to Analog or Digital.
D Restart Control Mode—This defines the Control Mode of the instrument after a restart (e.g. power cycle). Available
choices are Resume Last, Analog and Digital.
Characterization
D Input Characterization
Input Characterization defines the relationship between the travel target and ranged set point. Ranged set point is the
input to the characterization function. If the zero power condition equals closed, then a set point of 0% corresponds to
a ranged input of 0%. If the zero power condition equals open, a set point of 0% corresponds to a ranged input of 100%.
Travel target is the output from the characterization function.
To select an input characterization, select Input Characterization from the Characterization menu. You can select from
the three fixed input characteristics shown in figure 3‐2 or you can select a custom characteristic. Figure 3‐2 shows the
relationship between the travel target and ranged set point for the fixed input characteristics, assuming the Zero
Power Condition is configured as closed.
You can specify 21 points on a custom characteristic curve. Each point defines a travel target, in % of ranged travel, for
a corresponding set point, in % of ranged set point. Set point values range from -6.25% to 106.25%. Before
modification, the custom characteristic is linear.
D Custom Characterization
To define a custom input character, select Custom Characterization from the Characterization menu. Select the point
you wish to define (1 to 21), then enter the desired set point value. Press Enter then enter the desired travel target for
the corresponding set point. When finished, select point 0 to return to the Characterization menu.
With input characterization you can modify the overall characteristic of the valve and instrument combination.
Selecting an equal percentage, quick opening, or custom (other than the default of linear) input characteristic
modifies the overall valve and instrument characteristic. However, if you select the linear input characteristic, the
overall valve and instrument characteristic is the characteristic of the valve, which is determined by the valve trim (i.e.,
the plug or cage).

Instruction Manual
D103605X012
Configuration
January 2015
22
Figure 3‐2. Travel Target Versus Ranged Set Point, for Various Input Characteristics (Zero Power Condition = Closed)
Travel Target, %
Ranged Set Point, %
-25 0 125100 -25 0 125100
-25 0 125100
Input Characteristic = Linear Input Characteristic = Equal Percentage
Input Characteristic = Quick Opening
100
0
-25
125
Travel Target, %
100
0
-25
125
Ranged Set Point, %
Travel Target, %
100
0
-25
125
Ranged Set Point, %
A6535‐1

Instruction Manual
D103605X012
Configuration
January 2015
23
Dynamic Response
D SP Rate Open—Maximum rate (% of valve travel per second) at which the digital valve controller will move to the
open position regardless of the rate of input current change. A value of 0 will deactivate this feature and allow the
valve to stroke open as fast as possible. In firmware 2, 3, and 4 this parameter should be set to 0.
D SP Rate Close—Maximum rate (% of valve travel per second) at which the digital valve controller will move to the
close position regardless of the rate of input current change. A value of 0 will deactivate this feature and allow the
valve to stroke close as fast as possible. In firmware 2, 3, and 4 this parameter should be set to 0.
D Set Point Filter Time (Lag Time)—The Set Point Filter Time (Lag Time) slows the response of the digital valve
controller. A value ranging from 0.2 to 10.0 can be used for noisy or fast processes to improve closed loop process
control. Entering a value of 0.0 will deactivate the lag filter. In firmware 2, 3, and 4 this parameter should be set to 0.
Note
Set Point Filter Time (Lag Time) is available for instrument level HC, AD, and PD.
D Lead/Lag Set Point Filter—ODV devices have access to a lead‐lag set point filter that can be used to improve a valve's
dynamic response. The lead‐lag filter is part of the set point processing routine that reshapes the input signal before
it becomes travel set point. Lead‐lag filters are characterized by lead and lag time constants.
Note
Lead/Lag is only available for instrument level ODV.
When the valve is in its active control region (off the seat), the lead‐lag filter improves small amplitude response by
momentarily overdriving the travel set point. This is useful when the actuator is large and equipped with accessories.
As a result, any volume boosters that are present will be activated. The longer the lag time, the more pronounced the
overdrive. Since the lead‐lag input filter is used to enhance the dynamic response of a control valve, filter parameters
should be set after the tuning parameters have been established.
When the valve is at its seat, the lead‐lag filter also has a boost function that sets the initial conditions of the filter
artificially low so that small amplitude signal changes appear to be large signal changes to the filter. The boost
function introduces a large spike that momentarily overdrives the instrument and activates any external volume
boosters that may be present. The lead‐lag boost function is normally disabled except for those cases where the valve
must respond to small command signals off the seat. By setting the lead/lag ratio in the opening and closing directions
to 1.0, the boost function can be enabled without introducing lead‐lag dynamics in the active control region. See table
3‐2 for typical lead‐lag filter settings.
Table 3‐2. Typical Lead/Lag Filter Settings for Instrument Level ODV
Parameter Description Typical Value
Lag Time First order time constant. A value of 0.0 will disable the lead‐lag filter. 0.2 sec
Opening Lead/Lag Ratio Initial response to the filter in the opening direction. 2.0
Closing Lead/Lag Ratio Initial response to the filter in the closing direction. 2.0
Lead‐Lag Boost Initial conditions of the lead‐lag filter when the lower travel cutoff is active. Off

Instruction Manual
D103605X012
Configuration
January 2015
24
Tuning
Field Communicator Configure > Manual Setup > Tuning (2‐2-4)
Travel Tuning
WARNING
Changes to the tuning set may cause the valve/actuator assembly to stroke. To avoid personal injury and property damage
caused by moving parts, keep hands, tools, and other objects away from the valve/actuator assembly.
D Travel Tuning Set
There are eleven tuning sets to choose from. Each tuning set provides a preselected value for the digital valve
controller gain settings. Tuning set C provides the slowest response and M provides the fastest response.
Table 3‐3 lists the proportional gain, velocity gain and minor loop feedback gain values for preselected tuning sets.
Table 3‐3. Gain Values for Preselected Travel Tuning Sets
Tuning Set Proportional Gain Velocity Gain Minor Loop Feedback Gain
C
D
E
F
G
4.4
4.8
5.5
6.2
7.2
3.0
3.0
3.0
3.1
3.6
35
35
35
35
34
H
I
J
K
L
M
8.4
9.7
11.3
13.1
15.5
18.0
4.2
4.85
5.65
6.0
6.0
6.0
31
27
23
18
12
12
X (Expert) User Adjusted User Adjusted User Adjusted
In addition, you can specify Expert tuning and individually set the proportional gain, velocity gain, and minor loop
feedback gain. Individually setting or changing any tuning parameter or running the Performance Tuner or Stabilize
Optimize routint will automatically change the tuning set to X (expert).
Note
Use Expert tuning only if standard tuning has not achieved the desired results.
Stabilize/Optimize or Performance Tuner may be used to achieve the desired results more rapidly than manual Expert tuning.
Table 3‐4 provides tuning set selection guidelines for Fisher and Baumann actuators. These tuning sets are only
recommended starting points. After you finish setting up and calibrating the instrument, you may have to select either
a higher or lower tuning set to get the desired response. You can use the Performance Tuner to optimize tuning.

Instruction Manual
D103605X012
Configuration
January 2015
25
Table 3‐4. Actuator Information for Initial Setup
Actuator
Manufacturer Actuator Model Actuator Size Actuator Style Starting
Tuning Set
Travel Sensor Motion(2)
Relay A or C(3)
Fisher
585C & 585CR
25
50
60
68, 80
100, 130
Piston Dbl w/ or w/o
Spring. See actuator
instruction manual and
nameplate.
E
I
J
L
M
User Specified
657
30
34, 40
45, 50
46, 60, 70, 76, &
80‐100
Spring & Diaphragm
H
K
L
M
Away from the top of the instrument
667
30
34, 40
45, 50
46, 60, 70, 76, &
80‐100
Spring & Diaphragm
H
K
L
M
Towards the top of the instrument
1051 & 1052
20, 30
33
40
60, 70
Spring & Diaphragm
(Window‐mount)
H
I
K
M
Away from the top of the instrument
1061
30
40
60
68, 80, 100, 130
Piston Dbl w/o Spring
J
K
L
M
Depends upon pneumatic connections. See
description for Travel Sensor Motion
1066SR 20
27, 75 Piston Sgl w/Spring G
L
Mounting Style Travel Sensor Motion
AAway from the top of
the instrument
BTowards the top of the
instrument
CTowards the top of the
instrument
DAway from the top of
the instrument
2052
1
2
3
Spring & Diaphragm
(Window‐mount)
H
J
M
Away from the top of the instrument
3024C
30, 30E
34, 34E, 40, 40E
45, 45E
Spring & Diaphragm
E
H
K
For Po operating mode (air opens):
Towards the top of the instrument
For Ps operating mode (air closes):
Away from the top of the instrument
GX
225
Spring & Diaphragm
X(1) Air to Open
Towards the top of
the instrument
Air to Close
Away from the top of
the instrument
750 K
1200 M
Baumann
Air to Extend 16
32
54 Spring & Diaphragm
C
E
H
Towards the top of the instrument
Air to Retract Away from the top of the instrument
Rotary
10
25
54
E
H
J
Specify
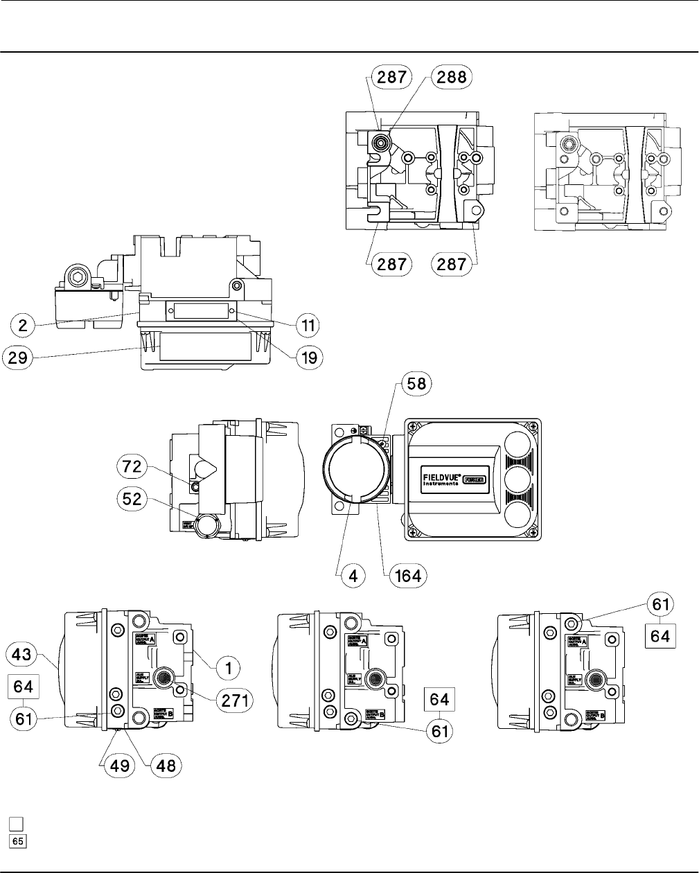
NOTE: Refer to figure table 3‐6 for feedback connection (magnet assembly) information.
1. X = Expert Tuning. Proportional Gain = 4.2; Velocity Gain = 3.0; Minor Loop Feedback Gain = 18.0
2. Travel Sensor Motion in this instance refers to the motion of the magnet assembly.
3. Values shown are for Relay A and C. Reverse for Relay B.
D Proportional Gain—the proportional gain for the travel control tuning set. Changing this parameter will also change
the tuning set to Expert.
D Velocity Gain—the velocity gain for the travel control tuning set. Changing this parameter will also change the
tuning set to Expert.

Instruction Manual
D103605X012
Configuration
January 2015
26
D MLFB Gain—the minor loop feedback gain for the travel control tuning set. Changing this parameter will also change
the tuning set to Expert.
D Integral Enable—Yes or No. Enable the integral setting to improve static performance by correcting for error that
exists between the travel target and actual travel. Travel Integral Control is enabled by default.
D Integral Gain—Travel Integral Gain is the ratio of the change in output to the change in input, based on the control
action in which the output is proportional to the time integral of the input.
D Performance Tuner
WARNING
During performance tuning the valve may move, causing process fluid or pressure to be released. To avoid personal injury
and property damage caused by the release of process fluid or pressure, isolate the valve from the process and equalize
pressure on both sides of the valve or bleed off the process fluid.
Note
The Performance Tuner is available for instrument level AD, PD, and ODV, and can only be run while in Travel control mode.
The Performance Tuner is used to determine digital valve controller tuning. It can be used with digital valve controllers
mounted on most sliding‐stem and rotary actuators, including Fisher and other manufacturers' products. Moreover,
because the performance tuner can detect internal instabilities before they become apparent in the travel response, it
can generally optimize tuning more effectively than manual tuning. Typically, the performance tuner takes 3 to 5
minutes to tune an instrument, although tuning instruments mounted on larger actuators may take longer.
D Stabilize/Optimize
WARNING
During Stabilize/Optimize the valve may move, causing process fluid or pressure to be released. To avoid personal injury
and property damage caused by the release of process fluid or pressure, isolate the valve from the process and equalize
pressure on both sides of the valve or bleed off the process fluid.
Stabilize/Optimize permits you to adjust valve response by changing the digital valve controller tuning. During this
routine the instrument must be out of service, however, the instrument will respond to setpoint changes.
If the valve is unstable, select Decrease Response to stabilize valve operation. This selects the next lower tuning set
(e.g., F to E). If the valve response is sluggish, select Increase Response to make the valve more responsive. This selects
the next higher tuning set (e.g., F to G).
If after selecting Decrease Response or Increase Response the valve travel overshoot is excessive, select Decrease
Damping to select a damping value that allows more overshoot. Select Increase Damping to select a damping value that
will decrease the overshoot. When finished, select done.

Instruction Manual
D103605X012
Configuration
January 2015
27
Pressure Tuning
D Pressure Tuning Set
There are twelve Pressure Tuning Sets to choose from. Each tuning set provides a preselected value for the digital valve
controller gain settings. Tuning set C provides the slowest response and M provides the fastest response.
Tuning set B is appropriate for controlling a pneumatic positioner. Table 3‐5 lists the proportional gain, pressure
integrator gain and minor loop feedback gain values for preselected tuning sets.
Table 3‐5. Gain Values for Preselected Pressure Tuning Sets
Tuning Set Proportional Gain Integrator Gain Minor Loop Feedback Gain
B
C
D
E
F
G
0.5
2.2
2.4
2.8
3.1
3.6
0.3
0.1
0.1
0.1
0.1
0.1
35
35
35
35
35
34
H
I
J
K
L
M
4.2
4.8
5.6
6.6
7.8
9.0
0.1
0.1
0.1
0.1
0.1
0.1
31
27
23
18
12
12
X (Expert) User Adjusted User Adjusted User Adjusted
In addition, you can specify Expert tuning and individually set the pressure proportional gain, pressure integrator gain,
and pressure minor loop feedback gain. Individually setting or changing any tuning parameter will automatically
change the tuning set to X (expert).
Note
Use Expert tuning only if standard tuning has not achieved the desired results.
Stabilize/Optimize or Performance Tuner may be used to achieve the desired results more rapidly than Expert tuning.
D Proportional Gain—the proportional gain for the pressure control tuning set. Changing this parameter will also
change the tuning set to Expert.
D MLFB Gain—the minor loop feedback gain for the pressure control tuning set. Changing this parameter will also
change the tuning set to Expert.
D Integral Enable—Yes or No. Enable the pressure integral setting to improve static performance by correcting for
error that exists between the pressure target and actual pressure. Pressure Integral Control is disabled by default.
D Integral Gain—Pressure Integral Gain (also called reset) is the gain factor applied to the time integral of the error
signal between desired and actual pressure. Changing this parameter will also change the tuning set to Expert.
Travel/Pressure Integral Settings
D Integral Dead Zone—A window around the Primary Setpoint in which integral action is disabled. This feature is used
to eliminate friction induced limit cycles around the Primary Setpoint when the integrator is active. The Dead Zone

Instruction Manual
D103605X012
Configuration
January 2015
28
is configurable from 0% to 2%, corresponding to a symmetric window from 0% to +/-2% around the Primary
Setpoint. Default value is 0.25%.
D Integrator Limit—The Integrator Limit provides an upper limit to the integrator output. The high limit is configurable
from 0 to 100% of the I/P drive signal.
Valve and Actuator
Field Communicator Configure > Manual Setup > Valve and Actuator (2‐2‐5)
Valve Style—Enter the valve style, rotary or sliding‐stem
Actuator Style—Enter the actuator style, spring and diaphragm, piston double‐acting without spring, piston
single‐acting with spring, or piston double‐acting with spring.
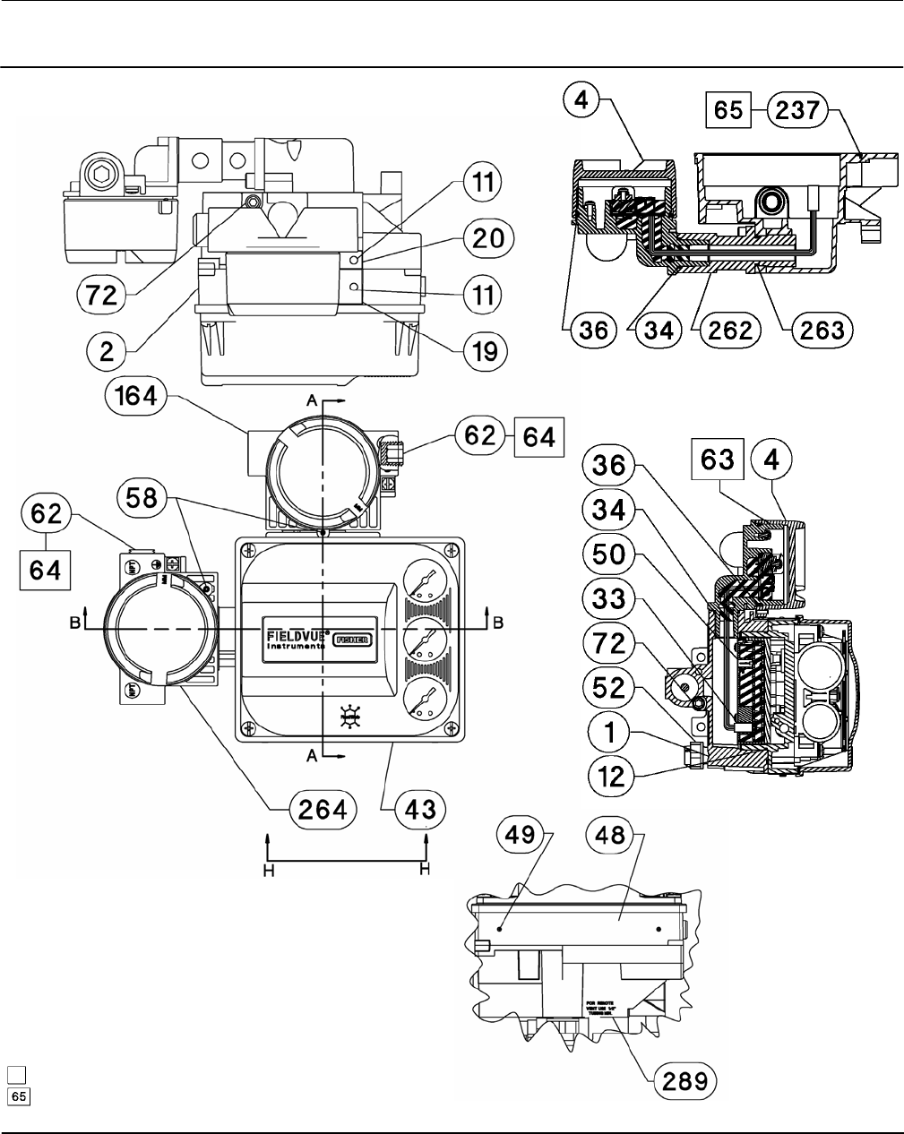
Feedback Connection—Refer to table 3‐6 for Feedback Connection options. Choose the assembly that matches the
actuator travel range.
Note
As a general rule, do not use less than 60% of the magnet assembly travel range for full travel measurement. Performance will
decrease as the assembly is increasingly subranged.
The linear magnet assemblies have a valid travel range indicated by arrows molded into the piece. This means that the hall sensor
(on the back of the DVC6200 housing) has to remain within this range throughout the entire valve travel. The linear magnet
assemblies are symmetrical. Either end may be up.
Table 3‐6. Feedback Connection Options
Magnet Assembly Travel Range
mm Inch Degrees
SStem #7 4.2-7 0.17-0.28 -
SStem #19 8-19 0.32-0.75 -
SStem #25 20-25 0.76-1.00 -
SStem #38 26-38 1.01-1.50 -
SStem #50 39-50 1.51-2.00 -
SStem #110 51-110 2.01-4.125 -
SStem #210 110-210 4.125-8.25
SStem #1 Roller > 210 > 8.25 60-90_
RShaft Window #1 - - 60-90_
RShaft Window #2 - - 60-90_
RShaft End Mount - - 60-90_
Relay Type—There are three categories of relays that result in combinations from which to select.
Relay Type: The relay type is printed on the label affixed to the relay body.
A = double‐acting or single‐acting
B = single‐acting, reverse
C= single‐acting, direct
Special App: This is used in single‐acting applications where the “unused” output port is configured to read the
pressure downstream of a solenoid valve.
Lo Bleed: The label affixed to the relay body indicates whether it is a low bleed version.

Instruction Manual
D103605X012
Configuration
January 2015
29
Zero Power Condition—The position of the valve (open or closed) when the electrical power to the instrument is
removed. Zero Power Condition (ZPC) is determined by relay type, as shown in figure 3‐3.
Figure 3‐3. Zero Power Condition
A
B
Single‐Acting Direct (Relay A or C)Port A pressure to zero.
Single‐Acting Reverse (Relay B)
Double‐Acting (Relay A)
Loss of Electrical Power
Port B pressure to full supply.
Port A pressure to zero.
Port B pressure to full supply.
Relay Type
Travel Sensor Motion
WARNING
If you answer YES to the prompt for permission to move the valve when determining travel sensor motion, the instrument
will move the valve through a significant portion of its travel range. To avoid personal injury and property damage caused
by the release of process fluid or pressure, isolate the valve from the process and equalize pressure on both sides of the
valve or bleed off the process fluid.
Select Clockwise/Toward Bottom, or Counterclockwise/Toward Top. Travel Sensor Motion establishes the proper
travel sensor rotation. For quarter‐turn actuators determine rotation by viewing the rotation of the magnet assembly
from the back of the instrument.
Note
Travel Sensor Motion in this instance refers to the motion of the magnet assembly. Note that the magnet assembly may be
referred to as a magnetic array in user interface tools.
D For instruments with Relay A and C: If increasing air pressure at output A causes the magnet assembly to move
down or the rotary shaft to turn clockwise, enter CW/To Bottom Inst. If it causes the magnet assembly to move up,
or the rotary shaft to turn counterclockwise, enter CCW/To Top Inst.
D For instruments with Relay B: If decreasing air pressure at output B causes the magnet assembly to down, or the
rotary shaft to turn clockwise, enter CW/To Bottom Inst. If it causes the magnet assembly to move up, or the rotary
shaft to turn counterclockwise, enter CCW/To Top Inst.
Maximum Supply Pressure
Enter the maximum supply pressure that is required to fully stroke the valve.

Instruction Manual
D103605X012
Configuration
January 2015
30
Partial Stroke Test (PST) (Instrument Level ODV only)
Field Communicator Configure > Manual Setup > Partial Stroke (2-2-6)
Note
Partial Stroke is only available for instrument level ODV.
Partial Stroke Test (PST)
D PST Pressure Limit— This defines the actuator pressure at which a partial stroke test will abort. This prevents the
DVC6200 from exhausting (or building) excessive pressure to the actuator in an attempt to move a stuck valve.
During Device Setup or Auto Travel Calibration, the Partial Stroke Pressure Limit will be set automatically as follows:
Single Acting Actuators - For those actuators that exhaust pressure from the partial test start point, the Pressure
Limit will be a minimum value. For those actuators that build pressure from the partial test start point, the Pressure
Limit will be a maximum value.
Double Acting Actuators - The Pressure Limit will be set to a negative value for actuators where the partial stroke
start point is opposite of the Zero Power Condition (e.g., Partial Stroke Start Point = Open and Zero Power
Condition = Closed) and to a positive valve for actuators where the partial stroke start point is the same as the Zero
Power Condition.
The pressure signal used to determine this parameter depends on relay type and is summarized below.
Relay Type Pressure Signal
A or C Port A - Port B
B Port B - Port A
B Special App. Port B
C Special App. Port A
To manually set the partial stroke pressure limit, you must examine current partial stroke test results using ValveLink
software. The following steps will guide you through the process:
1. Connect the DVC6200 to a system running ValveLink software.
2. Disable the following parameters:
D Travel Deviation Alert - set to 125%.
D End Point Pressure Control - disable
D Partial Stroke Pressure Limit - disable by setting the appropriate value shown in table 3‐7.

Instruction Manual
D103605X012
Configuration
January 2015
31
Table 3‐7. Values for Disabling Partial Stroke Pressure Limit
Actuator Type Relay Type Zero Power Condition Partial Stroke Start Point Partial Stroke Pressure Limit (Disabled)
Single Acting
A or C
Closed Open 0.0
Closed Psupply
Open Open Psupply
Closed 0.0
B
Closed Open Psupply
Closed 0.0
Open Open 0.0
Closed Psupply
Double Acting A
Closed Open -Psupply
Closed Psupply
Open Open Psupply
Closed -Psupply
3. Run a partial stroke test.
4. Select the Press/Time radio button on the partial stroke graph (refer to the example in figure 3‐4, bottom plot). If
the actuator pressure starts high and moves low, find the minimum actuator pressure (Pmin). If the actuator
pressure starts low and moves high, find the maximum actuator pressure (Pmax). Doubleacting actuators will
display differential pressure. Use table 3‐8 to estimate the partial stroke pressure limit.
Table 3‐8. Estimates for Partial Stroke Pressure Limits
Actuator Style Relay Type Zero Power Condition PST Starting Point Partial Stroke Pressure Limit(1)
Spring and
Diaphragm
A or C
Closed Open Pmin - 0.25 * (Bench Set High - Bench Set Low)
Closed Pmax + 0.25 * (Bench Set High - Bench Set Low)
Open Open Pmax + 0.25 * (Bench Set High - Bench Set Low)
Closed Pmin - 0.25 * (Bench Set High - Bench Set Low)
B
Closed Open Pmax + 0.25 * (Bench Set High - Bench Set Low)
Closed Pmin - 0.25 * (Bench Set High - Bench Set Low)
Open Open Pmin - 0.25 * (Bench Set High - Bench Set Low)
Closed Pmax + 0.25 * (Bench Set High - Bench Set Low)
Single Acting Piston
A or C
Closed Open 0.5 * Pmin
Closed Pmax + 0.5 * (Psupply - Pmax)
Open Open Pmax + 0.5 * (Psupply - Pmax)
Closed 0.5 * Pmin
B
Closed Open Pmax + 0.5 * (Psupply - Pmax)
Closed 0.5 * Pmin
Open Open 0.5 * Pmin
Closed Pmax + 0.5 * (Psupply - Pmax)
Double Acting Piston A
Closed Open Pmin - 0.5 * (Psupply + Pmin)
Closed Pmax + 0.5 * (Psupply - Pmax)
Open Open Pmax + 0.5 * (Psupply - Pmax)
Closed Pmin - 0.5 * (Psupply + Pmin)
5. Enable the parameters that were previously disabled:
D Travel Deviation Alert - set to 1.5x the maximum travel deviation between travel set point and travel.
D End Point Pressure Control - enable
D Partial Stroke Pressure Limit - calculate the value using table 3‐8.

Instruction Manual
D103605X012
Configuration
January 2015
32
PST Enable—Yes or No. This enables or disables the Partial Stroke Test.
PST Start Point—Valve Open or Valve Closed. This defines the travel stop that the valve needs to be at before a partial
stroke test can be initiated. This also defines the travel stop for end point pressure control. Setting this value to Not
Configured will disable partial stroke tests and end point pressure control.
PST Variables—Follow the prompts on the Field Communicator display to enter or view information for following PST
Variables:
D Max Travel Movement— This is the percentage of total span that the valve moves away from its normal operating
state towards its tripped state during the test. The default value is 10%.
D Test Speed—This is the rate at which the valve will move during the test. The default value is 0.25%/second.
D Pause Time—This is the pause time between the up and down strokes of the test. The default value is 5 seconds.
Figure 3‐4. Example Time Series Plots of Travel Set Point, Travel, Error, and Actuator Pressure
ACTUAL TRACE FROM TEST (TYPICAL)
ACTUAL TRACE FROM TEST (TYPICAL)
ACTUAL TRACE FROM TEST (TYPICAL)
TEST START POINT
TEST SPEED
(%/SEC)
TEST PAUSE
TIME (SEC)
MAX. TRAVEL
PERCENT (%)
MAXIMUM DEVIATION
PARTIAL STROKE PRESSURE LIMIT
TRAVEL DEVIATION ALERT POINT
TIME (SEC)
TIME (SEC)
TIME (SEC)
MINIMUM PRESSURE
(Pmin)
TVL SET POINT, TRAVEL (%)
ERROR (%)PRESSURE (%)

Instruction Manual
D103605X012
Configuration
January 2015
33
Outputs
Field Communicator Configure > Manual Setup > Outputs (2-2-6) HC, AD, PD or (2-2-7) ODV
Output Terminal Configuration
Note
These menu items are only available on units that have the optional 420 mA position transmitter or switch hardware installed.
D Output Terminal Enable—If using the optional output terminal for a Position Transmitter or Switch output, this must
be Enabled.
D Function—The output terminals can be configured as one of the following:
Transmitter - 420mA output that represents 0100% of the calibrated valve travel.
Limit Switch - Discrete switch (1A max) that trips at a configurable point within 0100% of calibrated valve travel.
Alert Switch - Discrete switch (1A max) that trips based on a configurable device alert.
D Fail Signal—Should the output circuit fail to operate properly, the output will attempt to drive to a known state.
Depending on the nature of the failure, the circuit may or may not be able to achieve this fail state. When
configured as a transmitter, the output can be configured to drive high (22.5 mA) or low (3.6 mA). When
configured as a switch, the output can be configured to drive Closed or Open.
Note
On loss of positioner power, the switch circuit will always go to the open state. However, on loss of positioner power, the
transmitter output will continue to operate as long as the transmitter circuit is still powered and functioning.
Switch Configuration
Note
Switch Configuration is only available on units that have the optional 420 mA position transmitter or switch hardware installed.
D Limit Switch Trip Point—When the function is configured as a Limit Switch, this defines the threshold for the limit
switch in percent of calibrated travel.
D Alert Switch Source—When the function is configured as a Alert Switch, this determines which alert will activate the
switch. The alert choices are: Travel Deviation or Pressure Fallback.
D Switch Closed—This configures the action of the switch. The choices are: Below Trip Point / Alert Not Active or
Above Trip Point / Alert Active.

Instruction Manual
D103605X012
Configuration
January 2015
34
HART Variable Assignments
Instrument variables can be reported via four different HART variable assignments. The Primary Variable is always
configured as Analog Input. However, the remaining three variables have additional options as listed below.
Primary Variable (PV) Analog Input
Secondary Variable (SV) Travel, Travel Setpoint, Pressure A, Pressure B, Pressure AB, Supply Pressure,
Drive Signal, or Analog Input
Tertiary Variable (TV) Travel, Travel Setpoint, Pressure A, Pressure B, Pressure AB, Supply Pressure,
Drive Signal, or Analog Input
Quaternary Variable (QV) Travel, Travel Setpoint, Pressure A, Pressure B, Pressure AB, Supply Pressure,
Drive Signal, or Analog Input
Transmitter Output
Note
Transmitter Output is only available on units that have the optional 420 mA position transmitter or switch hardware installed.
This configures the relationship between the valve travel and the position transmitter output signal. There are two
choices; 4mA = Valve Closed or 4mA = Valve Open.
Burst Mode
Burst mode provides continuous communication from the digital valve controller. Burst mode applies only to the
transmission of burst mode data (HART Variable Assignments) and does not affect the way other data is accessed.
Burst mode is only available in devices configured as HART Universal Revision 5.
D Burst Enable—This turns on or off the burst mode.
D Burst Command—This defines which HART command is configured for burst reporting. There are three options to
choose from. When using a TriLoop, select the third option.
- Analog Input (Command 1)
- Loop Current / Travel (Command 2)
- Loop Current / PV / SV / TV / QV (Command 3)
Note
Access to information in the instrument is normally obtained through the poll/response of HART communication. The Field
Communicator or the control system may request any of the information that is normally available, even while the instrument is in
burst mode. Between each burst mode transmission sent by the instrument, a short pause allows the Field Communicator or
control system to initiate a request. The instrument receives the request, processes the response message, and then continues
“bursting” the burst mode data.
Burst mode will be automatically disabled during diagnostics tests such as Valve Signature.
Note
If the instrument is configured to operate in pressure control mode, or detects an invalid travel sensor reading, the Travel variable
will report pressure in percent of bench set range.

Instruction Manual
D103605X012
Configuration
January 2015
35
Alert Setup
Field Communicator Configure > Alert Setup (2‐3)
An alert is a notification that the instrument has detected a problem. A shutdown is an action that the instrument
takes to drive the air output to the Zero Power Condition as per figure 3‐3. Some alerts can be configured to shutdown
the instrument. Refer to table 3‐9 for default alert and shutdown settings.
Alerts may be enabled or disabled with the instrument In Service, Out of Service, Protected, or Not Protected.
However, the instrument must be Not Protected to enable or disable a shutdown. Alerts are not processed when a
diagnostic is in progress.
If shutdown is enabled, and the alert is active, the instrument will latch in the shutdown state until power to the
instrument is cycled and the alert has cleared. While in the shutdown condition, HART communication will continue if
the instrument remains powered.
For a detailed explanation of the alerts and the recommended actions, refer to Section 5.
Table 3‐9. Default Alert and Shutdown Settings
ALERT DEFAULT ALERT SETTING DEFAULT SHUTDOWN SETTING
Travel Sensor Failure Enabled Disabled
Temperature Sensor Failure Enabled Disabled
Minor Loop Sensor Failure Enabled Disabled
Pressure Sensor Failure Enabled Disabled
Drive Current Failure Enabled Disabled
Critical NVM Failure Enabled Disabled
Non-Critical NVM Failure Enabled Disabled
Flash Integrity Failure Enabled Disabled
Reference Voltage Failure Enabled Disabled
Drive Signal Out of Range Enabled Not Available
Supply Pressure Low(1) Enabled Not Available
Travel Deviation Enabled Not Available
Pressure Fallback Active(1) Enabled Not Available
High Travel Disabled Not Available
Low Travel Disabled Not Available
High-High Travel Disabled Not Available
Low-Low Travel Disabled Not Available
Travel Limit/Cutoff High Disabled Not Available
Travel Limit/Cutoff Low Disabled Not Available
Integrator Saturated High Disabled Not Available
Integrator Saturated Low Disabled Not Available
Cycle Count High Disabled Not Available
Travel Accumulator High Disabled Not Available
Output Circuit Communication Failure Disabled Not Available
Alert Record Not Empty Disabled Not Available
Alert Record Full Disabled Not Available
Instrument Time is Approximate Disabled Not Available
1. Instrument level AD, PD, or ODV only.

Instruction Manual
D103605X012
Configuration
January 2015
36
Change to HART 5 / Change to HART 7
Field Communicator Service Tool > Maintenance > Change to HART 5 / Change to HART 7 (3-5-3) HC or (3-5-4) AD, PD or (3-5-5) ODV
Note
This procedure must never be done while the valve is in service and controlling the process. Depending on the control system or
asset management system attached, complete system reset may be required to reestablish HART communication. Consult the
system documentation for further information.
This procedure changes the instrument from HART Universal Revision 5 to HART Universal Revision 7 (or vice versa).
Before proceeding, verify that your systems are prepared to support HART Universal Revision 7 devices. Follow the
prompts on the Field Communicator display.

Instruction Manual
D103605X012
Calibration
January 2015
37
Section 4 Calibration 44
Calibration Overview
When a DVC6200 digital valve controller is ordered as part of a control valve assembly, the factory mounts the digital
valve controller on the actuator and connects the necessary tubing, then sets up and calibrates the controller.
For digital valve controllers that are ordered separately, recalibration of the analog input or pressure sensors generally
is unnecessary. However, after mounting on an actuator, perform the initial setup then calibrate travel by selecting
Configure > Calibration > Travel Calibration > Auto Calibration. For more detailed calibration information, refer to the
following calibration procedures.
Field Communicator Configure > Calibration (2-4)
Auto Travel Calibration - see page 38
Manual Travel Calibration - see page 39
Pushbutton Calibration - see page 40
Pressure Sensor Calibration - see page 41
Analog Input Calibration - see page 42
Relay Adjustment - see page 43
PST Calibration (ODV Instrument Level only) - see page 45
Note
The Instrument Mode must be Out Of Service and the Protection set to None before the instrument can be calibrated.
If you are operating in burst mode, we recommend that you disable burst before continuing with calibration. Once calibration is
complete, burst mode may then be turned back on.
WARNING
During calibration the valve will move full stroke. To avoid personal injury and property damage caused by the release of
pressure or process fluid, isolate the valve from the process and equalize pressure on both sides of the valve or bleed off the
process fluid.

Instruction Manual
D103605X012
Calibration
January 2015
38
Travel Calibration
If a double‐acting relay is used, you will be prompted to run the relay adjustment when auto or manual calibration is
selected. Select Yes to adjust the relay, select No to proceed with calibration. For additional information, refer to Relay
Adjustment on page 43.
Auto Calibration
1. The auto calibration procedure is automatic. It is completed when the Calibration menu appears.
During calibration, the instrument seeks the high and low end points and the minor loop feedback (MLFB) and output
bias. By searching for the end points, the instrument establishes the limits of physical travel, i.e. the actual travel 0 and
100% positions. This also determines how far the relay beam swings to calibrate the sensitivity of the MLFB sensor.
2. Place the instrument In Service and verify that the travel properly tracks the current source.
If the unit does not calibrate, refer to table 4‐1 for error messages and possible remedies.
Table 4‐1. Auto Calibrate Travel Error Messages
Error Message Possible Problem and Remedy
Power failure occurred during Auto Calib The analog input signal to the instrument must be greater than 3.8 mA. Adjust the current output
from the control system or the current source to provide at least 4.0 mA.
Auto Calib did not complete within the time limit.
The problem may be one or the other of the following:
1. The tuning set selected is too low and the valve does not reach an end point in the allotted time.
Select Manual Setup > Tuning > Travel Tuning > Stabilize/Optimize then Increase Response (selects next
higher tuning set).
2. The tuning set selected is too high, valve operation is unstable and does not stay at an end point
for the allotted time. Select Manual Setup > Tuning > Travel Tuning > Stabilize/Optimize then Decrease
Response (selects next lower tuning set).
Insufficient travel
Prior to receiving this message, did the instrument output go from zero to full supply? If not, verify
instrument supply pressure by referring to the specifications in the appropriate actuator instruction
manual. If supply pressure is correct, check instrument pneumatic components (I/P converter and
relay).
If the instrument output did go from zero to full supply prior to receiving this message, then verify
proper mounting by referring to the appropriate mounting procedure in the Installation section and
checking the magnet array for proper alignment.
Drive signal exceed low limit; check supply
pressure
1. Check supply pressure (reverse‐acting relay)
2. Friction is too high.
Drive signal exceed high limit; check supply
pressure
1. Check supply pressure (direct‐acting relay)
2. Friction is too high

Instruction Manual
D103605X012
Calibration
January 2015
39
Manual Calibration
Two procedures are available to manually calibrate travel:
D Analog Adjust— This procedure is used when you can manually change the 4-20 mA current source to move the
valve.
D Digital Adjust— This procedure is used when the 4-20 mA current source cannot be manually changed.
Analog Calibration Adjust
Connect a variable current source to the instrument LOOP + and LOOP - terminals. The current source should be
capable of generating 4 to 20 mA.
Follow the prompts on the Field Communicator display to calibrate the instrument's travel in percent.
Note
0% Travel = Valve Closed
100% Travel = Valve Open
1. Adjust the input current until the valve is near mid‐travel. Press OK.
Note
In steps 2 through 7 the accuracy of the current source adjustment affects the position accuracy.
2. Adjust the current source until the valve is at 0% travel, then press OK.
3. Adjust the current source until the valve is at 100% travel, then press OK.
4. Adjust the current source until the valve is at 0% travel, then press OK.
5. Adjust the current source until the valve is at 100% travel, then press OK.
6. Adjust the current source until the valve is at 5% travel, then press OK.
7. Adjust the current source until the valve is at 95% travel, then press OK.
8. Place the instrument In Service and verify that the travel properly tracks the current source.
Digital Calibration Adjust
Connect a variable current source to the instrument LOOP + and LOOP - terminals. The current source should be set
between 4 and 20 mA.
Follow the prompts on the Field Communicator display to calibrate the instrument's travel in percent.
1. Adjust the input current until the valve is near mid‐travel. Press OK.
Note
0% Travel = Valve Closed
100% Travel = Valve Open

Instruction Manual
D103605X012
Calibration
January 2015
40
2. From the adjustment menu, select the direction and size of change required to set the travel at 0%.
Selecting large, medium, and small adjustments causes changes of approximately 10.0%, 1.0%, and 0.1%, respectively.
If another adjustment is required, repeat step 2. Otherwise, select Done and go to step 3.
3. From the adjustment menu, select the direction and size of change required to set the travel to 100%.
If another adjustment is required, repeat step 3. Otherwise, select Done and go to step 4.
4. From the adjustment menu, select the direction and size of change required to set the travel at 0%.
If another adjustment is required, repeat step 4. Otherwise, select Done and go to step 5.
5. From the adjustment menu, select the direction and size of change required to set the travel to 100%.
If another adjustment is required, repeat step 5. Otherwise, select Done and go to step 6.
6. From the adjustment menu, select the direction and size of change required to set the travel to 5%.
If another adjustment is required, repeat step 6. Otherwise, select Done and go to step 7.
7. From the adjustment menu, select the direction and size of change required to set the travel to 95%.
If another adjustment is required, repeat step 7. Otherwise, select Done and go to step 8.
8. Place the instrument In Service and verify that the travel properly tracks the current source.
Pushbutton Calibration
A pushbutton near the wiring terminals in the terminal box provides a quick means to autocalibrate the instrument.
The button must be pressed for 3 to 10 seconds. Autocalibration will move the valve through the full range of travel
whether the Instrument Mode is In Service or Out of Service. However, if the Write Protection is Protected, this button
will not be active. To abort, press the button again for 1 second. The calibration button is disabled by default. To
enable it, go to Manual Setup > Instrument > Calibration Button.
Note
Pressure range (used for Pressure Fallback) is not recalibrated during this procedure.
This calibration procedure is recommended whenever the I/P converter or pneumatic relay is replaced. Do not use the
pushbutton calibration for initial calibration when mounting the instrument on an actuator, or if the printed wiring
board assembly was replaced.
If you suspect calibration has changed due to drift, first perform a Valve Signature diagnostic test using ValveLink
software to capture the asfound data for future root cause analysis.

Instruction Manual
D103605X012
Calibration
January 2015
41
Sensor Calibration
Pressure Sensors
Note
The pressure sensor is calibrated at the factory and should not require calibration.
Output Pressure Sensor
To calibrate the output pressure sensor, connect an external reference gauge to the output being calibrated. The
gauge should be capable of measuring maximum instrument supply pressure. Depending upon the sensor you wish to
calibrate, select either Output A Sensor or Output B Sensor. Follow the prompts on the Field Communicator display to
calibrate the instrument's output pressure sensor.
1. Adjust the supply pressure regulator to the maximum instrument supply pressure. Press OK.
2. The instrument reduces the output pressure to 0. The following message appears.
Use the Increase and Decrease
selections until the displayed
pressure matches the output x
pressure.
Press OK when you have read the message.
3. The value of the output pressure appears on the display. Press OK to display the adjustment menu.
4. From the adjustment menu, select the direction and size of adjustment to the displayed value.
Selecting large, medium, and small adjustments causes changes of approximately 3.0 psi/0.207 bar/20.7 kPa, 0.30
psi/0.0207 bar/2.07 kPa, and 0.03 psi/0.00207 bar/0.207 kPa, respectively.
If the displayed value does not match the output pressure, press OK, then repeat this step (step 4) to further adjust the
displayed value. When the displayed value matches the output pressure, select Done and go to step 5.
5. The instrument sets the output pressure to full supply. The following message appears.
Use the Increase and Decrease
selections until the displayed
pressure matches the output x
pressure.
Press OK when you have read the message.
6. The value of the output pressure appears on the display. Press OK to display the adjustment menu.
7. From the adjustment menu, select the direction and size of adjustment to the displayed value. If the displayed value
does not match the output pressure, press OK, then repeat this step (step 7) to further adjust the displayed value.
When the displayed value matches the output pressure, select Done and go to step 8.
8. Place the instrument In Service and verify that the displayed pressure matches the measured output pressure.

Instruction Manual
D103605X012
Calibration
January 2015
42
Supply Pressure Sensor
Note
Supply Pressure Sensor Calibration is not available for instrument level HC.
To calibrate the supply pressure sensor, connect an external reference gauge to the output side of the supply
regulator. The gauge should be capable of measuring maximum instrument supply pressure. Follow the prompts on
the Field Communicator display to calibrate the instrument's supply pressure sensor.
1. Select a) Zero Only, or b) Zero and Span (gauge required).
a. If Zero Only calibration is selected, adjust the supply pressure regulator to remove supply pressure from the
instrument. Press OK. Once calibration is complete, go to step 5.
b. If Zero and Span calibration is selected, adjust the supply pressure regulator to remove supply pressure from the
instrument. Press OK. Adjust the supply regulator to the maximum instrument supply pressure. Press OK.
Proceed with step 2.
2. The following message appears:
Use the Increase and Decrease
selections until the displayed
pressure matches the supply
pressure.
Press OK when you have read this message.
3. The value of the pressure appears on the display.
4. From the adjustment menu, select the direction and size of adjustment to the displayed value.
Selecting large, medium, and small adjustments causes changes of approximately 3.0 psi/0.207 bar/20.7 kPa,
0.30 psi/0.0207 bar/2.07 kPa, and 0.03 psi/0.00207 bar/0.207 kPa, respectively.
Adjust the displayed value until it matches the supply pressure, select Done and go to step 5.
5. Place the instrument In Service and verify that the displayed pressure matches the measured supply pressure.
Analog Input Calibration
To calibrate the analog input sensor, connect a variable current source to the instrument LOOP+ and LOOP- terminals.
The current source should be capable of generating an output of 4 to 20 mA. Follow the prompts on the Field
Communicator display to calibrate the analog input sensor.
1. Set the current source to the target value shown on the display. The target value is the Input Range Low value. Press
OK.
2. The following message appears:
Use the Increase and Decrease
selections until the displayed
current matches the target.

Instruction Manual
D103605X012
Calibration
January 2015
43
Press OK when you have read this message.
3. The value of the Analog Input appears on the display. Press OK to display the adjustment menu.
4. From the adjustment menu, select the direction and size of adjustment to the displayed value.
Selecting large, medium, and small adjustments causes changes of approximately 0.4 mA, 0.04 mA, and 0.004 mA,
respectively.
If the displayed value does not match the current source, press OK, then repeat this step (step 4) to further adjust the
displayed value. When the displayed value matches the current source, select Done and go to step 5.
5. Set the current source to the target value shown on the display. The target value is the Input Range High value.
Press OK.
6. The following message appears:
Use the Increase and Decrease
selections until the displayed
current matches the target.
Press OK when you have read this message.
7. The value of the Analog Input appears on the display. Press OK to display the adjustment menu.
8. From the adjustment menu, select the direction and size of adjustment to the displayed value. If the displayed value
does not match the current source, press OK, then repeat this step (step 8) to further adjust the displayed value.
When the displayed value matches the current source, select Done and go to step 9.
9. Place the instrument In Service and verify that the analog input displayed matches the current source.
Relay Adjustment
Before beginning travel calibration, check the relay adjustment. Replace the digital valve controller cover when
finished.
Note
Relay B and C are not user‐adjustable.
Double‐Acting Relay
The double‐acting relay is designated by “Relay A” on a label affixed to the relay itself. For double‐acting actuators, the
valve must be near mid‐travel to properly adjust the relay. The Field Communicator will automatically position the
valve when Relay Adjust is selected.
Rotate the adjustment disc, shown in figure 4‐1, until the output pressure displayed on the Field Communicator is
between 50 and 70% of supply pressure. This adjustment is very sensitive. Be sure to allow the pressure reading to
stabilize before making another adjustment (stabilization may take up to 30 seconds or more for large actuators).
If the low bleed relay option has been ordered stabilization may take approximately two minutes longer than the
standard relay.

Instruction Manual
D103605X012
Calibration
January 2015
44
Figure 4‐1. Relay A Adjustment (Shroud Removed for Clarity)
ADJUSTMENT DISC
FOR SINGLE‐ACTING DIRECT
RELAYS: ROTATE ADJUSTMENT
DISC IN THIS DIRECTION UNTIL IT
CONTACTS THE BEAM
FOR DOUBLE‐ACTING RELAYS:
ROTATE ADJUSTMENT DISC IN
THIS DIRECTION TO DECREASE
OUTPUT PRESSURE
FOR DOUBLE‐ACTING RELAYS:
ROTATE ADJUSTMENT DISC IN
THIS DIRECTION TO INCREASE
OUTPUT PRESSURE
W9034
Relay A may also be adjusted for use in single‐acting‐ direct applications. Rotate the adjustment disc as shown in figure
4‐1 for single‐acting direct operation.
CAUTION
Care should be taken during relay adjustment as the adjustment disc may disengage if rotated too far.
Single‐Acting Relays
WARNING
For Instrument Level ODV only:
If the unused port is monitoring pressure, ensure that the pressure source conforms to ISA Standard 7.0.01 and does not
exceed the pressure supplied to the instrument.
Failure to do so could result in personal injury or property damage caused by loss of process control.
Single‐Acting Direct Relay
The single‐acting direct relay is designated by “Relay C” on a label affixed to the relay itself. Relay C requires no
adjustment.
Single‐Acting Reverse Relay
The single‐acting reverse relay is designated by “Relay B” on a label affixed to the relay itself. Relay B is calibrated at the
factory and requires no further adjustment.

Instruction Manual
D103605X012
Calibration
January 2015
45
PST Calibration (ODV Instrument Level only)
This procedure permits you to run the Partial Stroke Calibration, which enables the Partial Stroke Test. It establishes
values for Partial Stroke Pressure Limit, Pressure Set Point and Pressure Saturation Time for End Point Pressure Control,
Travel Deviation Alert Point and Travel Deviation Time. The Partial Stroke Calibration also sets default values for max
travel movement, test speed, and test pause time.
Note
You must take the instrument out of service before running Partial Stroke Calibration.
Ensure that the instrument is put back in service after the completing the calibration procedure.

Instruction Manual
D103605X012
Calibration
January 2015
46

Instruction Manual
D103605X012
Device Information, Diagnostics, and Alerts
January 2015
47
Section 5 Device Information, Diagnostics, and Alerts55
Overview
Field Communicator Overview (1)
Status & Primary Purpose Variables
The overview section provides basic information about the current state of the instrument and gives you access to the
current values of:
D Alert Status
D Communication Status
D Instrument Mode (In/Out of Service)
D Analog Input
D Setpoint
D Travel
D Supply Pressure (not available in Instrument Level HC)
D Actuator Pressure(s)
D Travel/Pressure Control Configuration
Device Information
Device Information provides details about the instrument construction including:
D Tag Name
D Instrument Model Number
D Instrument Level (see table 5‐1)
D Device ID (unique number used to prevent the instrument from accepting commands intended for other
instruments)
D Serial Numbers
D Firmware, DD, and Hardware Revisions
D HART Universal Revision
D Write Protection (provides a procedure to enable/disable)
Table 5‐1. Functions Available for Instrument Level
Instrument Level Functions Available
HC
Communicates with the Field Communicator and ValveLink software. In addition,
HC provides: travel cutoffs and limits, minimum opening and closing times, input characterization (linear, equal
percentage, quick opening, and custom), trending with ValveLink Solo, and the following alerts: travel deviation;
travel alert high, low, high high, and low low; drive signal; cycle counter; and travel accumulation.
AD Includes all functions listed above plus (with ValveLink software) all offline diagnostic tests (dynamic error band,
drive signal, step response, and valve signature) plus online trending
PD Includes all functions listed above plus all Performance Diagnostics online/in‐service valve testing (valve friction,
electronics, and mechanical condition)
ODV Includes all functions listed above plus partial stroke test and lead/lag set point filter

Instruction Manual
D103605X012
Device Information, Diagnostics, and Alerts
January 2015
48
Service Tools
Field Communicator Service Tools (3)
Device Status
Instrument alerts, when enabled, detect many operational and performance issues that may be of interest. If there are
no alerts currently active, this display will be empty.
Alert Record
The DVC6200 will store 20 alerts. Once the alert record is full, no additional alerts will be stored until the record is
cleared.
Below is a list of the alerts that can be detected by the instrument. To enable or disable the alerts, navigate to
Configure > Alert Setup.
D Offline/Failed Alert—This alert is active if a shutdown alert has put the device in a failed state and is therefore not
controlling the input. Press Enter to view the alert(s) that caused the shutdown.
Electronics
D Drive Current Failure—This alert is active when the drive current to the I/P converter is not flowing as expected. If
this alert occurs, check the connection between the I/P converter and the printed wiring board assembly. Try
removing the I/P converter and reinstalling it. If the alert does not clear, replace the I/P converter or the printed
wiring board assembly.
D Drive Signal Alert—This alert monitors the drive signal and calibrated travel. If one of the following conditions exists
for more than 20 seconds, the alert is set.
For the case where Zero Power Condition is defined as closed:
Drive Signal < 10% and Calibrated Travel > 3%
Drive Signal > 90% and Calibrated Travel < 97%
For the case where Zero Power Condition is defined as open:
Drive Signal < 10% and Calibrated Travel < 97%
Drive Signal > 90% and Calibrated Travel > 3%
D NonCritical NVM Alert—This alert is active if there is a failure associated with NVM (nonvolatile memory) that is not
critical for instrument operation. If this alert is active, restart the instrument. If the alert persists, replace the printed
wiring board assembly.
D Critical NVM Alert—This alert is active if there is a failure associated with NVM that is critical for instrument
operation. If this alert is active, restart the instrument. If the alert persists, replace the printed wiring board
assembly.
D Flash Integrity Failure—This alert is active if there is a failure associated with flash ROM (read only memory). If this
alert is active, restart the instrument. If the alert persists, replace the printed wiring board assembly.
D Reference Voltage Failure—This alert is active if there is a failure associated with the internal voltage reference. If
this alert is active, replace the printed wiring board assembly.

Instruction Manual
D103605X012
Device Information, Diagnostics, and Alerts
January 2015
49
D Variable Out of Range—This alert is active if one or more of the measured analog sensor readings (loop current,
pressure, temperature, or travel) is saturated or reading out of its configured range. The condition may be due to
improper configuration or physical setup and not be due to a sensor malfunction.
D Field Device Malfunction—This alert is active if the pressure, position, or temperature sensors are providing invalid
readings.
D Internal Sensor Out of Limits—This alert is active if there is a problem with either the pressure sensor or the printed
wiring board assembly.
D Travel Sensor Alert—This alert is active if the sensed travel is outside the range of 25.0 to 125.0% of calibrated
travel. If this alert is active, check the instrument mounting. Also, check that the electrical connection from the
travel sensor is properly plugged into the printed wiring board assembly. After restarting the instrument, if the alert
persists, troubleshoot the printed wiring board assembly or travel sensor.
D Temperature Sensor Alert—This alert is active when the instrument temperature sensor fails, or the sensor reading
is outside of the range of 60 to 100°C (76 to 212°F). The temperature reading is used internally for temperature
compensation of inputs. If this alert is active, restart the instrument. If the alert persists, replace the printed wiring
board assembly.
D Pressure Sensor Alert—This alert is active if any of the 3 pressure sensor readings are outside the range of 24.0 to
125.0% of the calibrated pressure for more than 60 seconds. If this alert is active, check the instrument supply
pressure, ensure the printed wiring board assembly is properly mounted onto the module base assembly, and
ensure the pressure sensor orings are properly installed. If the alert persists after restarting the instrument, replace
the printed wiring board assembly.
D Minor Loop Sensor Alert—This alert is active if the pneumatic relay position reading is outside the valid range. If the
alert persists, replace the printed wiring board.
D Loop Current Validation Alert—This alert is active if the loop current is significantly out of range, or if there is a
problem with the analog circuit electronics. If this alert is active, restart the instrument with the loop current
verified to be in the 420 mA range. If the alert persists, replace the printed wiring board.
Note
If the control system is known to output current 24 mA or above, Shutdown on Loop Current Validation should not be enabled.
D Output Circuit Communication Failure—This alert is active if the output circuit is not responding. If configured as a
position transmitter output, first make sure the transmitter circuit is powered. If the alert persists, make sure the
DIP switch on the main electronics matches the configuration of the OUT terminals. If the alert is still active, replace
the main electronics.
D Instrument Time is Approximate Alert—This alert is active if the instrument has been powered down since the last
time the instrument clock was set. To clear the alert, reset the instrument time.
Pressure
D Supply Pressure Alert—This alert is active if the supply pressure falls below the supply pressure alert point.
Note
The Supply Pressure Lo alert is available for instrument level AD, PD, and ODV.

Instruction Manual
D103605X012
Device Information, Diagnostics, and Alerts
January 2015
50
Travel
Note
The Travel Alert Deadband applies to the Travel Deviation Alert as well as the Travel Alert Hi, Lo, Hi Hi, and Lo Lo.
D Travel Deviation Alert—If the difference between the Travel Target and the Travel exceeds the Travel Deviation Alert
Point for more than the Travel Deviation Time, the Travel Deviation Alert is active. It remains active until the
difference between the travel target and the Travel is less than the Travel Deviation Alert Point minus the Travel
Alert Deadband.
D Travel Alert Hi—This alert is active when the Travel exceeds the Travel Alert Hi Point. Once the alert is active, the
alert will clear when the Travel falls below the Travel Alert Hi Point minus the Travel Alert Deadband. See figure 5‐1.
Figure 5‐1. Travel Alert Deadband
ALERT IS CLEARED
ALERT IS SET
TRAVEL ALERT
HIGH POINT
TRAVEL ALERT
DEADBAND
A6532
D Travel Alert Hi Hi—This alert is active when the Travel exceeds the Travel Alert Hi Hi Point. Once the alert is active,
the alert will clear when the Travel falls below the Travel Alert Hi Hi Point minus the Travel Alert Deadband.
D Travel Alert Lo—This alert is active when the Travel is below the Travel Alert Lo Point. Once the alert is active, the
alert will clear when the Travel exceeds the Travel Alert Lo Point plus the Travel Alert Deadband.
D Travel Alert Lo Lo—This alert is active when the Travel is below the Travel Alert Lo Lo Point. Once the alert is active,
the alert will clear when the Travel exceeds the Travel Alert Lo Lo Point plus the Travel Alert Deadband.
D Travel Limit/Cutoff Hi Alert—This alert is active when the Travel exceeds the Hi Limit/Cutoff Point.
D Travel Limit/Cutoff Lo Alert—This alert is active when the Travel falls below the Lo Limit/Cutoff Point.
D Integrator Saturated High Alert—This alert is active if the instrument integrator is saturated at the high extreme.
D Integrator Saturated Low Alert—This alert is active if the instrument integrator is saturated at the low extreme.
D Pressure Fallback Active Alert—This alert is active when the instrument has detected a problem with the travel
feedback and is now controlling the output like an I/P transducer.

Instruction Manual
D103605X012
Device Information, Diagnostics, and Alerts
January 2015
51
Travel History
D Cycle Count High Alert—This alert is active if the Cycle Counter exceeds the Cycle Count Alert Point. The Cycle Count
records the number of times the travel changes direction when it is outside of the deadband. To clear the alert, set
the Cycle Counter to a value less than the alert point.
D Travel Accumulator High Alert—This alert is active if the Travel Accumulator exceeds the Travel Accumulator Alert
Point. The Travel Accumulator totalizes the travel of the valve when the deadband is exceeded. To clear the alert,
set the Travel Accumulator to a value less than the alert point.
Note
The Cycle Count / Travel Accumulator Deadband applies to both the Cycle Count High Alert and the Travel Accumulator High
Alert.
The deadband is the percent (%) of ranged travel around a travel reference point. The travel reference point gets
reestablished to the point of travel reversal that occurs outside of the deadband. The deadband must be exceeded
before a change in travel direction will be counted as a cycle and the accumulated travel (up to the point of travel
reversal) is added to the total accumulation. See figure 5‐2.
Figure 5‐2. Cycle Counter and Travel Accumulator Deadband Example (set at 10%)
DEADBAND (+/- 5%)
DEADBAND EXCEEDED, NEW
REFERENCE POINT ESTABLISHED
CYCLE COUNTER INCREMENTS
DEADBAND
REFERENCE POINT
DEADBAND
DARK SEGMENTS REPRESENT THE AMOUNT OF TRAVEL
THAT WILL BE ADDED TO THE TRAVEL ACCUMULATOR
TIME
VALVE POSITION
E1473
Alert Record
D Alert Record Not Empty Alert—This alert is active when there are 1 or more alerts stored in the alert record.
D Alert Record Full Alert—This alert is active when the alert record is full. Additional alerts that are detected will not be
saved to the alert record until the alert record is cleared.

Instruction Manual
D103605X012
Device Information, Diagnostics, and Alerts
January 2015
52
Status
D Calibration in Progress Alert—This alert is active when calibration is in progress.
D AutoCal in Progress Alert—This alert is active when auto calibration is in progress.
D Diagnostic in Progress Alert—This alert is active when a diagnostic test is in progress.
D Diagnostic Data Available Alert—This alert is active when diagnostic data has been collected and is being stored in
the instrument.
D Pressure Control Active Alert—This alert is active when the instrument is controlling like an I/P transducer (Pressure
Control instead of Travel Control).
Diagnostics
Stroke Valve
Follow the prompts on the Field Communicator display to select from the following:
D Done—Select this if you are done. All ramping is stopped when DONE is selected.
D Ramp Open—ramps the travel toward open at the rate of 1.0% per second of the ranged travel.
D Ramp Closed—ramps the travel toward closed at the rate of 1.0% per second of the ranged travel.
D Ramp to Target—ramps the travel to the specified target at the rate of 1.0% per second of the ranged travel.
D Step to Target—steps the travel to the specified target.
Partial Stroke Test
Note
Partial Stroke Test is only available for instrument level ODV.
The Partial Stroke Test allows DVC6200 digital valve controllers with instrument level ODV to perform a Valve
Signature type of test while the instrument is in service and operational. In some applications, it is important to be able
to exercise and test the valve to verify that it will operate when commanded. This feature allows the user to partially
stroke the valve while continually monitoring the input signal. If a demand arises, the test is aborted and the valve
moves to its commanded position. The partial stroke valve travel is configurable between 1 and 30% maximum travel,
in 0.1% increments. Data from the last partial stroke test is stored in the instrument memory for retrieval by ValveLink
software.
The Partial Stroke Test allows you to perform a partial, 10%, stroke test (standard) or a custom stroke test. With the
custom stroke test, the stroke may be extended up to 30%. Be sure to check plant guidelines before performing a
custom stroke test. The purpose of this test is to ensure that the valve assembly moves upon demand.
A partial stroke test can be initiated when the valve is operating at either 4 or 20 mA (point‐to‐point mode). In
applications where a spurious trip is to be minimized, 4 mA is the normal operating position.

Instruction Manual
D103605X012
Device Information, Diagnostics, and Alerts
January 2015
53
When enabled, a partial stroke test may be initiated by the device (as a scheduled, auto partial stroke test), a remote
pushbutton located in the field or at the valve, a Field Communicator, or ValveLink software.
D Automatic (Scheduled)
The Auto Partial Stroke Test allows the partial stroke test to be scheduled by the DVC6200. The test is scheduled in
number of hours between tests. Any power cycle will reset the test clock timer.
D Local Pushbutton
A partial stroke test command may be sent to the digital valve controller using a set of contacts wired to the auxiliary
+/- terminals. To perform a test, the contacts must be closed for 3 to 5 seconds and then opened. To abort the test,
close the contacts for 1 second. The last set of diagnostic data is stored in the instrument memory for later retrieval via
ValveLink software.
D Field Communicator
1. Connect the Field Communicator to the LOOP terminals on the digital valve controller.
2. Turn on the Field Communicator.
3. From the Online menu, select Service Tools > Diagnostics > Partial Stroke Test.
4. Select either Standard (10%) or Custom. With the Custom Stroke Test, the stroke may be entered up to 30% with
configurable stroking speed and pause time.
5. The currently configured Stroke, Stroking Speed, and Pause Time is displayed. Choose “Yes” to run the test using
these values. Choose “No” to modify the values. The default value for Stroke Speed is 0.25%/second.
6. The valve begins to move and the actual travel reported by the digital valve controller is displayed on the Field
Communicator.
7. Once the valve has reached the endpoint, check that the valve has reached the desired set point. The valve should
return to its original position.
For information on configuring the Partial Stroke Test, see Partial Stroke Variables in the Detailed Setup section.
Variables
Field Communicator Service Tools > Variables (3-4)
The Variables section provides current values of the instrument variables. Below is a list of the variables available for
viewing:
D Write Protection (also provides a procedure to enable/disable)
D Instrument Mode (also provides a procedure to place in/out of service)
D Analog Input
D Setpoint
D Travel
D Drive Signal
D Input Characterization (also provides a procedure to modify)
D Cycle Counter
D Travel Accumulator
D Supply Pressure (not available in Instrument Level HC)

Instruction Manual
D103605X012
Device Information, Diagnostics, and Alerts
January 2015
54
D Actuator Pressure(s)
D Travel/Pressure Control Configuration (also provides a procedure to modify)
D Control Mode (also provides a procedure to modify)
D Instrument Temperature
D Travel Counts (this is the raw travel sensor reading used for advanced adjustments)
D Maximum Recorded Temperature
D Minimum Recorded Temperature
D Number of Power Ups
D Days Powered Up

Instruction Manual
D103605X012
Maintenance and Troubleshooting
January 2015
55
Section 6 Maintenance and Troubleshooting66
The DVC6200 digital valve controller enclosure is rated Type 4X and IP66, therefore periodic cleaning of internal
components is not required. If the DVC6200 is installed in an area where the exterior surfaces tend to get heavily
coated or layered with industrial or atmospheric contaminants, however, it is recommended that the vent (key 52) be
periodically inspected to ensure it is fully open. If the vent appears to be clogged, it can be removed, cleaned and
replaced. Lightly brush the exterior of the vent to remove contaminants and run a mild water/detergent solution
through the vent to ensure it is fully open. Allow the vent to dry before reinstalling.
WARNING
Personal injury or property damage can occur from cover failure due to overpressure. Ensure that the housing vent
opening is open and free of debris to prevent pressure buildup under the cover.
WARNING
To avoid static discharge from the plastic cover when flammable gases or dust are present, do not rub or clean the cover
with solvents. To do so could result in a spark that may cause the flammable gases or dust to explode, resulting in personal
injury or property damage. Clean with a mild detergent and water only.
WARNING
Avoid personal injury or property damage from sudden release of process pressure or bursting of parts. Before performing
any maintenance procedures on the DVC6200 digital valve controller:
D Always wear protective clothing, gloves, and eyewear.
D Do not remove the actuator from the valve while the valve is still pressurized.
D Disconnect any operating lines providing air pressure, electric power, or a control signal to the actuator. Be sure the
actuator cannot suddenly open or close the valve.
D Use bypass valves or completely shut off the process to isolate the valve from process pressure. Relieve process pressure
from both sides of the valve.
D Use lock‐out procedures to be sure that the above measures stay in effect while you work on the equipment.
D Check with your process or safety engineer for any additional measures that must be taken to protect against process
media.
D Vent the pneumatic actuator loading pressure and relieve any actuator spring precompression so the actuator is not
applying force to the valve stem; this will allow for the safe removal of the stem connector.
WARNING
When using natural gas as the supply medium, or for explosion proof applications, the following warnings also apply:
D Remove electrical power before removing the housing cap. Personal injury or property damage from fire or explosion
may result if power is not disconnected before removing the cap.
D Remove electrical power before disconnecting any of the pneumatic connections.
D When disconnecting any of the pneumatic connections or any pressure retaining part, natural gas will seep from the
unit and any connected equipment into the surrounding atmosphere. Personal injury or property damage may result

Instruction Manual
D103605X012
Maintenance and Troubleshooting
January 2015
56
from fire or explosion if natural gas is used as the supply medium and appropriate preventive measures are not taken.
Preventive measures may include, but are not limited to, one or more of the following: ensuring adequate ventilation
and the removal of any ignition sources.
D Ensure that the cover is correctly installed before putting this unit back into service. Failure to do so could result in
personal injury or property damage from fire or explosion.
CAUTION
When replacing components, use only components specified by the factory. Always use proper component replacement
techniques, as presented in this manual. Improper techniques or component selection may invalidate the approvals and
the product specifications, as indicated in table 1‐2, and may also impair operations and the intended function of the
device.
Because of the diagnostic capability of the DVC6200, predictive maintenance is available through the use of ValveLink
software. Using the digital valve controller, valve and instrument maintenance can be enhanced, thus avoiding
unnecessary maintenance. For information on using ValveLink software, refer to the ValveLink software online help.
Removing the Magnetic Feedback Assembly
To remove the magnet assembly from the actuator stem, perform the following basic steps.
1. Make sure that the valve is isolated from the process.
2. Remove the instrument terminal box cover.
3. Disconnect the field wiring from the terminal board.
4. Shut off the instrument air supply.
5. Disconnect the pneumatic tubing and remove the DVC6200 or the DVC6215 from the actuator.
6. Remove the screws holding the magnet assembly to the connector arm.
When replacing the instrument, be sure to follow the mounting guidelines in the quick start guide (D103556X012)
that shipped with the digital valve controller. Setup and calibrate the instrument prior to returning to service.
Module Base Maintenance
The digital valve controller contains a module base consisting of the I/P converter, printed wiring board assembly, and
pneumatic relay. The module base may be easily replaced in the field without disconnecting field wiring or tubing.
Tools Required
Table 6‐1 lists the tools required for maintaining the DVC6200 digital valve controller.
Table 6‐1. Tools Required
Tool Size Component
Phillips Screwdriver
Hex key
Hex key
Hex key
Hex key
5 mm
1.5 mm
2.5 mm
6 mm
Relay, printed wiring board assembly, and cover
screws
Terminal box screw
Terminal box cover screw
I/P converter screws
Module base screws

Instruction Manual
D103605X012
Maintenance and Troubleshooting
January 2015
57
Component Replacement
When replacing any of the components of the DVC6200, the maintenance should be performed in an instrument shop
whenever possible. Make sure that the electrical wiring and pneumatic tubing is disconnected prior to disassembling
the instrument.
Removing the Module Base
Refer to figure 7‐2 or 7‐4 for key number locations.
WARNING
To avoid personal injury or equipment damage from bursting of parts, turn off the supply pressure to the digital valve
controller and bleed off any excess supply pressure before attempting to remove the module base assembly from the
housing.
1. Unscrew the four captive screws in the cover (key 43) and remove the cover from the module base (key 2).
2. Using a 6 mm hex socket wrench, loosen the three‐socket head screws (key 38). These screws are captive in the
module base by retaining rings (key 154).
Note
The module base is linked to the housing by two cable assemblies. Disconnect these cable assemblies after you pull the module
base out of the housing.
3. Pull the module base straight out of the housing (key 1). Once clear of the housing, swing the module base to the
side of the housing to gain access to the cable assemblies.
4. The digital valve controller/base unit has two cable assemblies, shown in figure 6‐1, which connect the module
base, via the printed wiring board assembly, travel sensor and the terminal box. Disconnect these cable assemblies
from the printed wiring board assembly on the back of the module base.
Figure 6‐1. Printed Wiring Board Cable Connections
HOUSING
W9924-1_no label
CABLE TO TRAVEL SENSOR
PRINTED WIRING
BOARD ASSEMBLY
CABLE
TO TERMINAL BOX
TERMINAL
BOX
MODULE BASE ASSEMBLY

Instruction Manual
D103605X012
Maintenance and Troubleshooting
January 2015
58
Replacing the Module Base
Refer to figure 7‐2 or 7‐4 for key number locations.
CAUTION
To avoid affecting performance of the instrument, take care not to damage the module base seal or guide surface. Do not
bump or damage the bare connector pins on the PWB assembly. Damaging either the module base or guide surface may
result in material damage, which could compromise the instruments ability to maintain a pressure seal.
Note
To avoid affecting performance of the instrument, inspect the guide surface on the module and the corresponding seating area in
the housing before installing the module base assembly. These surfaces must be free of dust, dirt, scratches, and contamination.
Ensure the module base seal is in good condition. Do not reuse a damaged or worn seal.
1. Ensure the module base seal (key 237) is properly installed in the housing (key 1). Ensure the O‐ring (key 12) is in
place on the module base assembly.
2. Connect the travel sensor and terminal box cable assemblies to the PWB assembly (key 50). Orientation of the
connector is required.
3. Insert the module base (key 2) into the housing (key 1).
4. Install three socket head screws (key 38) in the module base into the housing. If not already installed, press three
retaining rings (key 154) into the module base. Evenly tighten the screws in a crisscross pattern to a final torque of
16 NSm (138 lbfSin).
WARNING
Personal injury, property damage, or disruption of process control can result if the cable assemblies/wiring are damaged
when attaching the cover to the module base assembly
Ensure that the cable assemblies/wiring are positioned in the cavity of the module base so they do not get compressed or
damaged when attaching the cover to the module base assembly in step 5.
5. Attach the cover (key 43) to the module base assembly.
Submodule Maintenance
The module base of the DVC6200 contains the following submodules: I/P converter, PWB assembly, and pneumatic
relay. If problems occur, these submodules may be removed from the module base and replaced with new
submodules. After replacing a submodule, the module base may be put back into service.
CAUTION
Exercise care when performing maintenance on the module base. Reinstall the cover to protect the I/P converter and
gauges when servicing other submodules.
In order to maintain accuracy specifications, do not strike or drop the I/P converter during submodule maintenance.

Instruction Manual
D103605X012
Maintenance and Troubleshooting
January 2015
59
I/P Converter
Refer to figure 7‐2 or 7‐4 for key number locations. The I/P converter (key 41) is located on the front of the module
base.
Note
After I/P converter submodule replacement, calibrate the digital valve controller to maintain accuracy specifications.
Replacing the I/P Filter
A screen in the supply port beneath the I/P converter serves as a secondary filter for the supply medium. To replace this
filter, perform the following procedure:
1. Remove the I/P converter (key 41) and shroud (key 169) as described in the Removing the I/P Converter procedure.
2. Remove the screen (key 231) from the supply port.
3. Install a new screen in the supply port as shown in figure 6‐2.
Figure 6‐2. I/P Filter Location
SCREEN (FILTER) LOCATED IN
I/P CONVERTER SUPPLY PORT
O‐RING LOCATED IN I/P
CONVERTER OUTPUT PORT
W8072
4. Inspect the O‐ring (key 39) in the I/P output port. if necessary, replace it.
5. Reinstall the I/P converter (key 41) and shroud (key 169) as described in the Replacing the I/P Converter procedure.
Removing the I/P Converter
1. Remove the front cover (key 43), if not already removed.
2. Refer to figure 6‐3. Using a 2.5 mm hex socket wrench, remove the four socket‐head screws (key 23) that attach the
shroud (key 169) and I/P converter (key 41) to the module base (key 2).
3. Remove the shroud (key 169); then pull the I/P converter (key 41) straight out of the module base (key 2). Be
careful not to damage the two electrical leads that come out of the base of the I/P converter.

Instruction Manual
D103605X012
Maintenance and Troubleshooting
January 2015
60
4. Ensure that the O‐ring (key 39) and screen (key 231) stay in the module base and do not come out with the I/P
converter (key 41).
Replacing the I/P Converter
1. Refer to figure 6‐2. Inspect the condition of the O‐ring (key 39) and screen (key 231) in the module base (key 2).
Replace them, if necessary. Apply silicone lubricant to the O‐rings.
2. Ensure the two boots (key 210) shown in figure 6‐3 are properly installed on the electrical leads.
W9328
SOCKET‐HEAD
SCREWS (4)
(KEY 23)
SHROUD
(KEY 169)
I/P CONVERTER
(KEY 41)
BOOTS
(KEY 210)
Figure 6‐3. I/P Converter
3. Install the I/P converter (key 41) straight into the module base (key 2), taking care that the two electrical leads feed
into the guides in the module base. These guides route the leads to the printed wiring board assembly submodule.
4. Install the shroud (key 169) over the I/P converter (key 41).
5. Install the four socket‐head screws (key 23) and evenly tighten them in a crisscross pattern to a final torque of
1.6 NSm (14 lbfSin).
6. After replacing the I/P converter, calibrate travel or perform touch‐up calibration to maintain accuracy
specifications.

Instruction Manual
D103605X012
Maintenance and Troubleshooting
January 2015
61
Printed Wiring Board (PWB) Assembly
Refer to figure 7‐2 or 7‐4 for key number locations. The PWB assembly (key 50) is located on the back of the module
base assembly (key 2).
Note
If the PWB assembly submodule is replaced, calibrate and configure the digital valve controller to maintain accuracy specifications.
Removing the Printed Wiring Board Assembly
1. Separate the module base from the housing by performing the Removing the Module Base procedure.
2. Remove three screws (key 33).
3. Lift the PWB assembly (key 50) straight out of the module base (key 2).
4. Ensure that the O‐rings (key 40) remain in the pressure sensor bosses on the module base assembly (key 2) after the
PWB assembly (key 50) has been removed.
Replacing the Printed Wiring Board Assembly and Setting the DIP Switch
1. Apply silicone lubricant to the pressure sensor O‐rings (key 40) and install them on the pressure sensor bosses in the
module base assembly.
2. Properly orient the PWB assembly (key 50) as you install it into the module base. The two electrical leads from the
I/P converter (key 41) must guide into their receptacles in the PWB assembly and the pressure sensor bosses on the
module base must fit into their receptacles in the PWB assembly.
3. Push the PWB assembly (key 50) into its cavity in the module base.
4. Install and tighten three screws (key 33) to a torque of 1 NSm (10.1 lbfSin).
5. Set the DIP switch on the PWB assembly according to table 6‐2.
Table 6‐2. DIP Switch Configuration(1)
Switch Label Operational Mode DIP Switch Position
PT-PT 420 mA PointtoPoint Loop LEFT
Multi 24 VDC MultiDrop Loop RIGHT
1. Refer to figure 6‐4 for switch location.

Instruction Manual
D103605X012
Maintenance and Troubleshooting
January 2015
62
X0432
Figure 6‐4. Printed Wiring Board (PWB) Connections and Settings
TRANSMITTER / SWITCH
SELECTION
TRAVEL SENSOR
CONNECTOR
TERMINAL BOX
CONNECTOR
OPERATIONAL
MODE SELECTION
TRAVEL SENSOR
CONNECTOR
TERMINAL BOX
CONNECTOR
OPERATIONAL
MODE SELECTION
X0463
Note
For the digital valve controller to operate with a 4 to 20 mA control signal, be sure the DIP switch is in the point‐to‐point loop
position.
6. Reassemble the module base to the housing by performing the Replacing the Module Base procedure.
7. Setup and calibrate the digital valve controller.

Instruction Manual
D103605X012
Maintenance and Troubleshooting
January 2015
63
Pneumatic Relay
Refer to figure 7‐2 or 7‐4 for key number locations. The pneumatic relay (key 24) is located on the front of the module
base.
Note
After relay submodule replacement, calibrate the digital valve controller to maintain accuracy specifications.
Removing the Pneumatic Relay
1. Loosen the four screws that attach the relay (key 24) to the module base. These screws are captive in the relay.
2. Remove the relay.
Replacing the Pneumatic Relay
1. Visually inspect the holes in the module base to ensure they are clean and free of obstructions. If cleaning is
necessary, do not enlarge the holes.
2. Apply silicone lubricant to the relay seal and position it in the grooves on the bottom of the relay as shown in
figure 6‐5. Press small seal retaining tabs into retaining slots to hold relay seal in place.
Figure 6‐5. Pneumatic Relay Assembly
W8074
RELAY SEAL
3. Position the relay (with shroud) on the module base. Tighten the four screws, in a crisscross pattern, to a final
torque of 2 NSm (20.7 lbfSin).
4. Using the Field Communicator, verify that the value for Relay Type parameter matches the relay type installed.
5. After replacing the relay and verifying the relay type, calibrate travel or perform touch‐up calibration to maintain
accuracy specifications
Gauges, Pipe Plugs, or Tire Valves
Depending on the options ordered, the DVC6200 or DVC6205 will be equipped with either gauges (key 47), pipe plugs
(key 66), or tire valves (key 67). Single‐acting direct instruments will also have a screen (key 236, figure 7‐3). These are
located on the top of the module base next to the relay.

Instruction Manual
D103605X012
Maintenance and Troubleshooting
January 2015
64
Perform the following procedure to replace the gauges, tire valves, or pipe plugs. Refer to figure 7‐2 and 7‐3 for key
number locations.
1. Remove the front cover (key 43).
2. Remove the gauge, pipe plug, or tire valve as follows:
For gauges (key 47), the flats are on the gauge case. Use a wrench on the flats of the gauge to remove the gauge from
the module base. For double‐acting instruments, to remove the supply gauge remove one of the output gauges.
For pipe plugs (key 66) and tire valves (key 67), use a wrench to remove these from the module base.
3. Apply zinc based anti-seize sealant (key 64) to the threads of the replacement gauges, pipe plugs, or tire valves.
4. Using a wrench, screw the gauges, pipe plugs, or tire valves into the module base.
Terminal Box
Refer to figure 7‐2 or 7‐4 for key number locations.
The terminal box is located on the housing and contains the terminal strip assembly for field wiring connections.
Note
The DVC6205 feedback connections terminal box (shown in figure 6‐6) is not a replaceable part. Do not remove the tamper proof
paint on the screw.
Figure 6‐6. Terminal Boxes
FEEDBACK CONNECTIONS
TERMINAL BOX; NOT
REPLACEABLE
DVC6205
DVC6200
MAIN TERMINAL
BOX
MAIN TERMINAL BOX
X0338 X0379
Removing the Terminal Box
WARNING
To avoid personal injury or property damage caused by fire or explosion, remove power to the instrument before removing
the terminal box cover in an area which contains a potentially explosive atmosphere or has been classified as hazardous.
1. Loosen the set screw (key 58) in the cap (key 4) so that the cap can be unscrewed from the terminal box.
2. After removing the cap (key 4), note the location of field wiring connections and disconnect the field wiring from
the terminal box.

Instruction Manual
D103605X012
Maintenance and Troubleshooting
January 2015
65
3. Separate the module base from the housing by performing the Removing the Module Base procedure.
4. Disconnect the terminal box wiring connector from the PWB assembly (key 50).
5. Remove the screw (key 72). Pull the terminal box assembly straight out of the housing.
Replacing the Terminal Box
Note
Inspect all O‐rings for wear and replace as necessary.
1. Apply lubricant, silicone sealant to the O‐ring (key 34) and install the O‐ring over the stem of the terminal box.
2. Insert the terminal box assembly stem into the housing until it bottoms out. Position the terminal box assembly so
that the hole for the screw (key 72) in the terminal box aligns with the threaded hole in the housing. Install the
screw (key 72).
3. Connect the terminal box wiring connector to the PWB assembly (key 50). Orientation of the connector is required.
4. Reassemble the module base to the housing by performing the Replacing the Module Base procedure.
5. Reconnect the field wiring as noted in step 2 in the Removing the Terminal Box procedure.
6. Apply lubricant, silicone sealant to the O‐ring (key 36) and install the O‐ring over the 2‐5/8 inch threads of the
terminal box. Use of a tool is recommended to prevent cutting the O‐ring while installing it over the threads.
7. Apply lithium grease (key 63) to the 2‐5/8 inch threads on the terminal box to prevent seizing or galling when the
cap is installed.
8. Screw the cap (key 4) onto the terminal box.
9. Install a set screw (key 58) into the cap (key 4). Loosen the cap (not more than 1 turn) to align the set screw over
one of the recesses in the terminal box. Tighten the set screw (key 58).
Troubleshooting
If communication or output difficulties are experienced with the instrument, refer to the troubleshooting chart in
table 6‐3. Also see the DVC6200 Technical Support Checklist on page 68.
Checking Voltage Available
WARNING
Personal injury or property damage caused by fire or explosion may occur if this test is attempted in an area which contains
a potentially explosive atmosphere or has been classified as hazardous.
To check the Voltage Available at the instrument, perform the following:
1. Connect the equipment in figure 2‐3 to the field wiring in place of the FIELDVUE instrument.
2. Set the control system to provide maximum output current.
3. Set the resistance of the 1 kilohm potentiometer shown in figure 2‐3 to zero.
4. Record the current shown on the milliammeter.

Instruction Manual
D103605X012
Maintenance and Troubleshooting
January 2015
66
5. Adjust the resistance of the 1 kilohm potentiometer until the voltage read on the voltmeter is 10.0 volts.
6. Record the current shown on the milliammeter.
7. If the current recorded in step 6 is the same as that recorded in step 4 (± 0.08 mA), the voltage available is
adequate.
8. If the voltage available is inadequate, refer to Wiring Practices in the Installation section.
Restart Processor
This is a “soft” reset of the device. This procedure can only be performed while the instrument is out of service. A soft
reset will immediately put into effect changes that have been sent to the instrument. Also, if the device is configured
to shutdown on an alert, the soft reset will clear the shutdown.
Table 6‐3. Instrument Troubleshooting
Symptom Possible Cause Action
1. Analog input reading at
instrument does not match
actual current provided.
1a. Control mode not Analog. 1a. Check the control mode using the Field Communicator. If in
the Digital or Test mode, the instrument receives its set point as
a digital signal. Control is not based on input current. Change
Control Mode to Analog.
1b. Low control system compliance voltage. 1b. Check system compliance voltage (see Wiring Practices in
the Installation section.
1c. Instrument shutdown due to self test failure. 1c. Check instrument status using the Field Communicator (see
Viewing Instrument Status in the Viewing Device Information
section).
1d. Analog input sensor not calibrated. 1d. Calibrate the analog input sensor (see Analog Input
Calibration in the Calibration section).
1e. Current leakage. 1e. Excessive moisture in the terminal box can cause current
leakage. Typically the current will vary randomly if this is the
case. Allow the inside of the terminal box to dry, then retest.
2. Instrument will not
communicate.
2a. Insufficient Voltage Available. 2a. Calculate Voltage Available (see Wiring Practices in the
Installation section). Voltage Available should be greater than or
equal to 10 VDC.
2b. Controller output Impedance too low. 2b. Install a HART filter after reviewing Control System
Compliance Voltage requirements (see Wiring Practices in the
Installation section).
2c. Cable capacitance too high. 2c. Review maximum cable capacitance limits (see Wiring
Practices in the Installation section).
2d. HART filter improperly adjusted. 2d. Check filter adjustment (see the appropriate HART filter
instruction manual).
2e. Improper field wiring. 2e. Check polarity of wiring and integrity of connections. Make
sure cable shield is grounded only at the control system.
2f. Controller output providing less than 4 mA to loop. 2f. Check control system minimum output setting, which should
not be less than 3.8 mA.
2g. Disconnected loop wiring cable at PWB. 2g. Verify connectors are plugged in correctly.
2h. PWB DIP switch not set properly. 2h. Check for incorrect setting or broken DIP switch on the back
of the PWB. Reset switch or replace PWB, if switch is broken. See
table 6‐2 for switch setting information

Instruction Manual
D103605X012
Maintenance and Troubleshooting
January 2015
67
Table 6‐3. Instrument Troubleshooting
Symptom Possible Cause Action
2. Instrument will not
communicate.
2j. PWB failure. 2j. Use a 4-20 mA current source to apply power to the
instrument. Terminal voltage across the LOOP+ and LOOP-
terminals should be 8.0 to 9.5 VDC. If the terminal voltage is not
8.0 to 9.5 VDC, replace the PWB.
2k. Polling address incorrect. 2k. Use the Field Communicator to set the polling address (refer
to the Detailed Setup section). From the Utility menu, select
Configure Communicator > Polling > Always Poll. Set the
instrument polling address to 0.
2l. Defective terminal box. 2l. Check continuity from each screw terminal to the
corresponding PWB connector pin. If necessary, replace the
terminal box assembly.
2m. Defective Field Communicator or ValveLink
modem cable.
2m. If necessary, repair or replace cable.
2n. ValveLink modem defective or not compatible
with PC.
2n. Replace ValveLink modem.
2p. ValveLink hardlock defective or not programmed. 2p. Replace if defective or return to factory for programming.
3. Instrument will not
calibrate, has sluggish
performance or oscillates.
3a. Configuration errors. 3a. Verify configuration:
If necessary, set protection to None.
If Out of Service, place In Service.
Check:
Travel Sensor Motion
Tuning set
Zero Power Condition
Feedback Connection
Control mode (should be Analog)
Restart control mode (should be Analog)
3b. Restricted pneumatic passages in I/P converter. 3b. Check screen in I/P converter supply port of the module base.
Replace if necessary. If passages in I/P converter restricted,
replace I/P converter.
3c. O‐ring(s) between I/P converter ass'y missing or hard
and flattened losing seal.
3c. Replace O‐ring(s).
3d. I/P converter ass'y damaged/corroded/clogged. 3d. Check for bent flapper, open coil (continuity),
contamination, staining, or dirty air supply. Coil resistance
should be between 1680 ‐ 1860 ohms. Replace I/P assembly if
damaged, corroded, clogged, or open coil.
3e. I/P converter ass'y out of spec. 3e. I/P converter ass'y nozzle may have been adjusted. Verify
drive signal (55 to 80% for double‐acting; 60 to 85% for
single‐acting) with the valve off the stops. Replace I/P converter
assembly if drive signal is continuously high or low.
3f. Defective module base seal. 3f. Check module base seal for condition and position. If
necessary, replace seal.
3g. Defective relay. 3g. Depress relay beam at adjustment location in shroud, look
for increase in output pressure. Remove relay, inspect relay seal.
Replace relay seal or relay if I/P converter assembly is good and
air passages not blocked. Check relay adjustment.
3h. Defective 67CFR regulator, supply pressure gauge
jumps around.
3h. Replace 67CFR regulator.
4. ValveLink diagnostic tests
provide erroneous results.
4a. Defective pressure sensor. 4a. Replace PWB.
4b. Pressure sensor O‐ring missing. 4b. Replace O‐ring.
5. Field Communicator does
not turn on.
5a. Battery pack not charged. 5a. Charge battery pack.
Note: Battery pack can be charged while attached to the Field
communicator or separately. The Field Communicator is fully
operable while the battery pack is charging. Do not attempt to
charge the battery pack in a hazardous area.

Instruction Manual
D103605X012
Maintenance and Troubleshooting
January 2015
68
DVC6200 Technical Support Checklist
Have the following information available prior to contacting your Emerson Process Management sales office for
support.
1. Instrument serial number as read from nameplate ________________________________________________
2. Is the digital valve controller responding to the control signal? Yes _________ No _________
If not, describe ___________________________________________________________________________
3. Measure the voltage across the “Loop -” and Loop +” terminal box screws when the commanded current is 4.0 mA
and 20.0 mA: __________V @ 4.0 mA __________V @ 20.0 mA.
(These values should be around 8.6 V @ 4.0 mA and 8.8 V @ 20 mA).
4. Is it possible to communicate via HART to the digital valve controller? Yes _________ No _________
5. What is the Diagnostic Tier of the digital valve controller? AC ____ HC ____ AD ____ PD ____ ODV____
6. What is the firmware version of the digital valve controller? ______________
7. What is the hardware version of the digital valve controller? ______________
8. Is the digital valve controller's Instrument Mode “In Service”? Yes _________ No _________
9. Is the digital valve controller's Control Mode set to “Analog”? Yes _________ No _________
10. Is it on Travel or Pressure control?
11. What are the following parameter readings?
Input Signal _________ Drive Signal _________%
Supply Pressure _________ Pressure A _________ Pressure B _________
Travel Target _________% Travel _________%
12. What are the following alert readings?
Fail alerts _______________________________________________________________________________
Valve alerts _____________________________________________________________________________
Operational status ________________________________________________________________________
Alert event record entries __________________________________________________________________
13. Export ValveLink data (if available) for the device (Status Monitor, Detailed Setup, etc.).
Mounting
1. Which digital valve controller do you have? DVC6200 __________ DVC6205/DVC6215 ___________________
2. What Make, Brand, Style, Size, etc. actuator is the DVC6200 mounted on? ______________________________
3. What is the full travel of the valve? ______________________________________________________________
4. What is the Mounting Kit part number? __________________________________________________________
5. If mounting kits are made by LBP/Customer, please provide pictures of installation.
6. Is the Mounting kit installed per the instructions? Yes _________ No _________
7. What is the safe position of the valve? Fail closed _________ Fail open _________

Instruction Manual
D103605X012
Parts
January 2015
69
Section 7 Parts77
Parts Ordering
Whenever corresponding with your Emerson Process Management sales office about this equipment, always mention
the controller serial number. When ordering replacement parts, refer to the 11‐character part number of each
required part as found in the following parts list. Part numbers are shown for kits and recommended spares only. For
part numbers not shown, contact your Emerson Process Management sales office.
WARNING
Use only genuine Fisher replacement parts. Components that are not supplied by Emerson Process Management should
not, under any circumstances, be used in any Fisher instrument. Use of components not supplied by Emerson Process
Management may void your warranty, might adversely affect the performance of the instrument, and could cause personal
injury and property damage.
Parts Kits
Kit Description Part Number
1* Elastomer Spare Parts Kit (kit contains parts to
service one digital valve controller)
Standard 19B5402X012
Extreme Temperature option
(fluorosilicone elastomers) 19B5402X022
2* Small Hardware Spare Parts Kit (kit contains parts
to service one digital valve controller) 19B5403X012
3* Seal Screen Kit [kit contains 25 seal screens (key 231)
and 25 O‐rings (key 39)]
Standard and Extreme Temperature option
(fluorosilicone elastomers) 14B5072X182
4* Terminal Box Kit (see figure 7‐1)
Note
Use only with replace in-kind. The following terminal boxes are
compatible only with PWB Assembly electronics hardware revision 2
(HW2).
Aluminum, without I/O Package
Standard Temperature (nitrile elastomers) 19B5401X142
Extreme Temperature (fluorosilicone elastomers 19B5401X152
Aluminum, without I/O Package, Natural Gas Approved
Standard Temperature (nitrile elastomers) 19B5401X162
Extreme Temperature (fluorosilicone elastomers 19B5401X172
Aluminum, with I/O Package
Standard Temperature (nitrile elastomers) 19B5401X182
Extreme Temperature (fluorosilicone elastomers) 19B5401X192
Stainless Steel, with I/O Package,
Extreme Temperature (fluorosilicone elastomers) 19B5401X202
Figure 7‐1. Terminal Box
WITHOUT I/O PACKAGE WITH I/O PACKAGE
Key Description
50 PWB Assembly (HW2) (see figure 7‐2 and 7‐4) for DVC6200 and
DVC6205
Note
The following PWB Assemblies are compatible only with the terminal
boxes shown in figure 7‐1. Contact your Emerson Process Management
sales office if a replacement PWB is needed.
Hardware Revision 2 (HW2), without I/O Package
For instrument level HC
For instrument level AD
For instrument level PD
For instrument level ODV
Hardware Revision 2 (HW2), with I/O Package
For instrument level HC
For instrument level AD
For instrument level PD
For instrument level ODV
*Recommended spare parts

Instruction Manual
D103605X012
Parts
January 2015
70
Kit Description Part Number
5* I/P Converter Kit
Standard 38B6041X152
For Extreme Temperature option
(fluorosilicone elastomers) 38B6041X132
6* Spare Module Base Assembly Kit,
[kit contains module base (key 2); drive screws, qty. 2,
(key 11); shield/label (key 19); hex socket cap screw, qty. 3,
(key 38); self tapping screw, qty. 2 (key 49); pipe plug, qty. 3
(key 61); retaining ring, qty. 3 (key 154); screen (key 236);
and flame arrestors, qty. 3 (key 243)]
Aluminum GE18654X012
Stainless Steel GE18654X022
7* Spare Housing Assembly Kit
[kit contains housing (key 1); vent assembly (key 52);
seal (only included in Housing A kits) (key 288);
seal (key 237); O‐ring (key 34); O‐ring (only used
with integrally mounted regulator) (key 5)]
Aluminum
Housing A (used for GX actuator)
Standard (nitrile elastomers) GE48798X032
Extreme Temperature option
(fluorosilicone elastomers) GE48798X042
Housing B (used for all actuators except GX)
Standard (nitrile elastomers) GE48798X072
Extreme Temperature option
(fluorosilicone elastomers) GE48798X082
Stainless Steel
Housing B (used for all actuators except GX)
Extreme Temperature option
(fluorosilicone elastomers) GE48798X102
8* Spare I/P Shroud Kit
[kit contains shroud (key 169) and
hex socket cap screw, qty. 4 (key 23)] GE29183X012
9 Remote Mount Feedback Unit Kit (see figure 7‐5)
[remote housing assembly (key25); hex socket set
screw (key 58); 1/2 NPT pipe plug (key 62); wire retainer, qty 2
(key 131); terminal cover (key 255); o-ring (key 256); gasket
(Housing A only, used for GX actuator) (key 287); seal
(Housing A only, used for GX actuator) (key 288)
Housing A (used for GX actuator) GE46670X012
Housing B (used for all actuators except GX) GE40178X012
10 Feedback Array Kit
Sliding Stem (Linear)
[kit contains feedback array and hex socket cap screws, qty. 2,
washer, plain, qty. 2, external tooth lock washer, qty. 2 (only
with aluminum feedback array kit) and alignment template.
210 mm (8-1/4 inch) kit contains feedback array and hex
socket cap screws, qty. 4, washer, plain, qty. 4, external tooth
lock washer, qty. 4 (only with aluminum feedback array kit),
alignment template and insert]. Stainless steel kits only for use
with stainless steel mounting kits.
7 mm (1/4-inch)
Aluminum GG20240X012
Key Description Part Number
10 Feedback Array Kit
Sliding Stem (Linear) (cont'd)
19 mm (3/4-inch)
Aluminum GG20240X022
Stainless steel GE65853X012
25 mm (1-inch)
Aluminum GG20240X032
Stainless steel GE65853X022
38 mm (1-1/2 inch)
Aluminum GG20240X042
Stainless steel GE65853X032
50 mm (2-inch)
Aluminum GG20240X052
Stainless steel GE65853X042
110 mm (4-1/8 inch)
Aluminum GG20240X082
Stainless steel GE65853X062
210 mm (8-1/4 inch)
Aluminum GG20243X012
Stainless steel GE65853X072
Rotary
[Kit contains feedback assembly, pointer assembly, travel
indicator scale and M3 machine pan head screws qty. 2].
Stainless steel kits only for use with stainless steel mounting kits.
Aluminum GE71982X012
Stainless steel GE71982X022
11 Mounting Shield Kit
[kit contains shield, qty. 3 and machine
screws, qty. 6] GG05242X022
12* Gasket/Seal Kit, for use with GX actuator
[kit contains insulating gasket (key 287)
and seal (key 288)] GE45468X012
Parts List
Note
Part numbers are shown for recommended spares only. For part
numbers not shown, contact your Emerson Process Management sales
office.
Parts with footnote numbers shown are available in parts kits; see
footnote information at the bottom of the page.
Key Description
Housing (see figure 7‐2 and 7‐4)
DVC6200 and DVC6205
1 Housing(7)
11 Drive Screw (2 req'd) (DVC6205 only)
20 Shield (DVC6205 only)
52 Vent, plastic(2)
74 Mounting Bracket (DVC6205 only)
248 Screw, hex head (4 req’d) (DVC6205 only)
249 Screw, hex head (4 req’d) (DVC6205 only)
250 Spacer (4 req’d) (DVC6205 only)
*Recommended spare parts
2. Available in the Small Hardware Spare Parts Kit
7. Available in the Spare Housing Assembly Kit

Instruction Manual
D103605X012
Parts
January 2015
71
Key Description Part Number
267 Standoff (2 req’d) (DVC6205 only)
271 Screen(7)
287 Gasket, Housing A only (used for GX actuator) (DVC6200 only)
288 Seal, Housing A only (used for GX actuator) (DVC6200 only)
Common Parts
(see figure 7‐2, 7‐3, and 7‐4)
DVC6200 and DVC6205
16* O‐ring(1) (3 req'd)
29 Warning label, for use only with LCIE hazardous area
classifications
33 Mach Screw, pan head, SST(2) (3 req'd)
38 Cap Screw, hex socket, SST(2)(6) (3 req'd)
43* Cover Assembly (includes cover screws)
Standard 38B9580X022
Extreme temperature option
(fluorosilicone elastomers) 38B9580X032
48 Nameplate
49 Screw, self tapping (2 req'd)(6)
61 Pipe Plug, hex socket(6)
Housing A with relay C (2 req'd ) (used for GX actuator)
Housing A with relay B (1 req'd) (used for GX actuator)
Housing B with relay B and C (1 req'd)
(used for all actuators except GX)
Not required for relay A
63 Lithium grease (not furnished with the instrument)
64 Zinc based anti‐seize compound (not furnished with the
instrument)
65 Lubricant, silicone sealant (not furnished with the instrument)
154 Retaining Ring(2) (3 req'd)
236 Screen (required for relay B and C only)(7)
237 Module Base Seal(1)
Module Base
(see figure 7‐2 and 7‐4)
DVC6200 and DVC6205
2 Module Base(6)
11 Drive Screw(6) (2 req'd)
12 O‐ring(1)
19 Shield(6)
61 Pipe Plug, hex socket(6) (3 req'd)
243 Slotted Pin (flame arrestor)(6) (3 req'd)
Key Description Part Number
I/P Converter Assembly
(see figure 7‐2 and 7‐4)
DVC6200 and DVC6205
23 Cap Screw, hex socket, SST(2)(8) (4 req'd)
39* O‐ring(1)(3)(5)
41 I/P Converter(5)
169 Shroud(5)(8) (see figure 6‐3)
210* Boot, nitrile(1)(5) (2 req'd) (see figure 6‐3)
231* Seal Screen(1)(3)(5)
Relay (see figure 7‐2 and 7‐4)
DVC6200 and DVC6205
24* Relay Assembly, (includes shroud, relay seal, mounting screws)
Standard (nitrile elastomers)
Standard Bleed
Housing A (used for GX actuator)
Single‐acting direct (relay C) 38B5786X182
Single‐acting reverse (relay B) 38B5786X172
Housing B (used for all actuators except GX)
Single‐acting direct (relay C) 38B5786X132
Double‐acting (relay A) 38B5786X052
Single‐acting reverse (relay B) 38B5786X092
Low Bleed
Housing A (used for GX actuator)
Single‐acting direct (relay C) 38B5786X202
Single‐acting reverse (relay B) 38B5786X192
Housing B (used for all actuators except G)
Single‐acting direct (relay C) 38B5786X152
Double‐acting (relay A) 38B5786X072
Single‐acting reverse (relay B) 38B5786X112
Extreme Temperature option (fluorosilicone elastomers)
Standard Bleed
Single‐acting direct (relay C) 38B5786X142
Double‐acting (relay A) 38B5786X032
Single‐acting reverse (relay B) 38B5786X102
Low Bleed
Single‐acting direct (relay C) 38B5786X162
Double‐acting (relay A) 38B5786X082
Single‐acting reverse (relay B) 38B5786X122
*Recommended spare parts
1. Available in the Elastomer Spare Parts Kit
2. Available in the Small Hardware Spare Parts Kit
3. Available in the Seal Screen Kit
5. Available in the I/P Converter Kit
6. Available in the Spare Module Base Assembly Kit
7. Available in the Spare Housing Assembly Kit
8. Available in the Spare Shroud Kit

Instruction Manual
D103605X012
Parts
January 2015
72
Key Description Part Number
Loop Connections Terminal Box
(see figure 7‐2 and 7‐4)
DVC6200 and DVC6205
4 Terminal Box Cap
34* O‐ring(1)(4)
36* O‐ring(1)(4)
58 Set Screw, hex socket, SST(2)
72 Cap Screw, hex socket, SST(2)
164 Terminal Box Assembly
Feedback Connections Terminal
Box (see figure 7‐4)
DVC6205
4 Terminal Box Cap
34* O‐ring(1)(4)
36* O‐ring(1)(4)
58 Set Screw, hex socket, SST(2)
62 Pipe Plug, hex hd, SST
262 Adapter
263* O-ring
Standard 1F463606992
Extreme temperature option, (fluorosilicone) 1F4636X0092
Key Description Part Number
Pressure Gauges, Pipe Plugs, or
Tire Valve Assemblies
(see figure 7‐3)
DVC6200 and DVC6205
47* Pressure Gauge, nickel‐plated brass case, brass connection
Double‐acting (3 req'd); Single‐acting (2 req'd)
PSI/MPA Gauge Scale
To 60 PSI, 0.4 MPa 18B7713X042
To 160 PSI, 1.1 MPa 18B7713X022
PSI/bar Gauge Scale
To 60 PSI, 4 bar 18B7713X032
To 160 PSI, 11 bar 18B7713X012
PSI/KG/CM2 Gauge Scale
To 60 PSI, 4 KG/CM218B7713X072
To 160 PSI, 11 KG/CM218B7713X082
66 Pipe Plug, hex head
For double‐acting and single‐acting direct w/gauges
(none req'd)
For single‐acting reverse w/gauges (1 req'd)
For all units w/o gauges (3 req'd)
67 Tire Valve, used with Tire Valve Option only
Double‐acting (3 req'd); Single‐acting (2 req'd)
DVC6215 Feedback Unit
(see figure 7‐5)
65 Lubricant, silicone sealant (not furnished with the instrument)
256* O-Ring, fluorosilicone 1K1810X0122
HART Filters
HF340, DIN rail mount 39B5411X022
HF341, DIN rail Mount, pass through (no filter) 39B5412X012
*Recommended spare parts
1. Available in the Elastomer Spare Parts Kit
2. Available in the Small Hardware Spare Parts Kit
4. Available in the Terminal Box Kit

Instruction Manual
D103605X012
Parts
January 2015
73
Figure 7‐2. FIELDVUE DVC6200 Digital Valve Controller
Housing Assembly
DOUBLE‐ACTING DIRECT‐ACTING REVERSE‐ACTING
HOUSING A—BACK VIEW
(USED FOR GX ACTUATOR)
HOUSING B—BACK VIEW
(USED FOR ALL
ACTUATORS EXCEPT GX)
GE40185 sheet 1 of 3
APPLY LUBRICANT, SEALANT, OR THREAD LOCK
APPLY LUBRICANT ON ALL O-RINGS UNLESS OTHERWISE SPECIFIED

Instruction Manual
D103605X012
Parts
January 2015
74
Figure 7‐2. FIELDVUE DVC6200 Digital Valve Controller Housing Assembly (continued)
SECTION A-A
SECTION C-C
SCALE 2 : 1
SECTION E-E
SCALE 2 : 1
SECTION F-F
SCALE 2 : 1
GE40185 sheet 2 of 3
APPLY LUBRICANT, SEALANT, OR THREAD LOCK
APPLY LUBRICANT ON ALL O-RINGS UNLESS OTHERWISE SPECIFIED
Figure 7‐3. Gauge Configuration
DOUBLE‐ACTING DIRECT‐ACTING REVERSE‐ACTING
GE40185 sheet 3 of 3
APPLY LUBRICANT, SEALANT, OR THREAD LOCK
APPLY LUBRICANT ON ALL O-RINGS UNLESS OTHERWISE SPECIFIED
FOR PIPE PLUG OPTION REPLACE 47 WITH 66
FOR TIRE VALVE OPTION REPLACE 47 WITH 67

Instruction Manual
D103605X012
Parts
January 2015
75
Figure 7‐4. FIELDVUE DVC6205 Base Unit Housing Assembly
SECTION B-B
SECTION H-H
SECTION A-A
GE40181
APPLY LUBRICANT, SEALANT, OR THREAD LOCK
APPLY LUBRICANT ON ALL O-RINGS UNLESS OTHERWISE SPECIFIED

Instruction Manual
D103605X012
Parts
January 2015
76
Figure 7‐4. FIELDVUE DVC6205 Base Unit Housing Assembly (continued)
SECTION C-C
SCALE 2 : 1
SECTION E-E
SCALE 2 : 1
DOUBLE‐ACTING DIRECT‐ACTING REVERSE‐ACTING
DOUBLE‐ACTING SHOWN
GE40181
APPLY LUBRICANT, SEALANT, OR THREAD LOCK
APPLY LUBRICANT ON ALL O-RINGS UNLESS OTHERWISE SPECIFIED

Instruction Manual
D103605X012
Parts
January 2015
78
Figure 7‐5. FIELDVUE DVC6215 Remote Feedback Assembly
SECTION A-A
HOUSING A
(USED FOR GX ACTUATOR)
HOUSING B
(USED FOR ALL ACTUATORS EXCEPT GX)
SECTION A-A
PARTS NOT SHOWN: 158
PARTS NOT SHOWN: 158
GE46670-B
GE40178-B
APPLY LUBRICANT/SEALANT
APPLY LUBRICANT/SEALANT

Instruction Manual
D103605X012
Principle of Operation
January 2015
79
Appendix A Principle of OperationAA−A
HART Communication
The HART (Highway Addressable Remote Transducer) protocol gives field devices the capability of communicating
instrument and process data digitally. This digital communication occurs over the same two‐wire loop that provides
the 4‐20 mA process control signal, without disrupting the process signal. In this way, the analog process signal, with
its faster update rate, can be used for control. At the same time, the HART protocol allows access to digital diagnostic,
maintenance, and additional process data. The protocol provides total system integration via a host device.
The HART protocol uses frequency shift keying (FSK). Two individual frequencies of 1200 and 2200 Hz are
superimposed over the 4‐20 mA current signal. These frequencies represent the digits 1 and 0 (see figure A‐1). By
superimposing a frequency signal over the 4-20 mA current, digital communication is attained. The average value of
the HART signal is zero, therefore no DC value is added to the 4‐20 mA signal. Thus, true simultaneous communication
is achieved without interrupting the process signal.
Figure A‐1. HART Frequency Shift Keying Technique
-0.5V
+0.5V
1200 Hz
“1” 2200 Hz
“0”
AVERAGE CURRENT CHANGE DURING COMMUNICATION = 0
ANALOG
SIGNAL
0
A6174
The HART protocol allows the capability of multidropping, i.e., networking several devices to a single communications
line. This process is well suited for monitoring remote applications such as pipelines, custody transfer sites, and tank
farms. See table 6‐2 for instructions on changing the printed wiring board DIP switch configuration to multidrop.
DVC6200 Digital Valve Controller
The DVC6200 digital valve controller housing contains the travel sensor, terminal box, pneumatic input and output
connections and a module base that may be easily replaced in the field without disconnecting field wiring or tubing.
The module base contains the following submodules: I/P converter, printed wiring board (pwb) assembly, and
pneumatic relay. The relay position is detected by sensing the magnet on the relay beam via a detector on the printed
wiring board. This sensor is used for the minor loop feedback (MLFB) reading. The module base can be rebuilt by
replacing the submodules. See figures A‐3 and A‐4.

Instruction Manual
D103605X012
Principle of Operation
January 2015
80
Figure A‐2. Typical FIELDVUE Instrument to Personal Computer Connections for ValveLink Software
FIELD TERM.
CONTROL SYSTEM
HART MODEM
E1362
DVC6200 digital valve controllers are loop‐powered instruments that provide a control valve position proportional to
an input signal from the control room. The following describes a double‐acting digital valve controller mounted on a
piston actuator.
The input signal is routed into the terminal box through a single twisted pair of wires and then to the printed wiring
board assembly submodule where it is read by the microprocessor, processed by a digital algorithm, and converted
into an analog I/P drive signal.
As the input signal increases, the drive signal to the I/P converter increases, increasing the I/P output pressure. The I/P
output pressure is routed to the pneumatic relay submodule. The relay is also connected to supply pressure and
amplifies the small pneumatic signal from the I/P converter. The relay accepts the amplified pneumatic signal and
provides two output pressures. With increasing input (4 to 20 mA signal), the output A pressure always increases and
the output B pressure decreases. The output A pressure is used for double‐acting and single‐acting direct applications.
The output B pressure is used for double‐acting and single‐acting reverse applications. As shown in figure A‐3 the
increased output A pressure causes the actuator stem to move downward. Stem position is sensed by the non‐contact
travel feedback sensor. The stem continues to move downward until the correct stem position is attained. At this point
the printed wiring board assembly stabilizes the I/P drive signal. This positions the flapper to prevent any further
increase in nozzle pressure.
As the input signal decreases, the drive signal to the I/P converter submodule decreases, decreasing the I/P output
pressure. The pneumatic relay decreases the output A pressure and increases the output B pressure. The stem moves
upward until the correct position is attained. At this point the printed wiring board assembly stabilizes the I/P drive
signal. This positions the flapper to prevent any further decrease in nozzle pressure.

Instruction Manual
D103605X012
Principle of Operation
January 2015
81
Figure A‐3. FIELDVUE DVC6200 Digital Valve Controller Block Diagram
E1361
INPUT SIGNAL
4-20 mA
+
HART
SUPPLY PRESSURE
PRINTED
WIRING BOARD
PNEUMATIC
RELAY
I/P
CONVERTER
OUTPUT A
OUTPUT B
VALVE TRAVEL FEEDBACK
AUXILIARY
TERMINALS
TERMINAL BOX
DRIVE
SIGNAL
VALVE AND ACTUATOR
VENT
TERMINAL BOX WITH COVER
MODULE BASE ASSEMBLY
PRINTED WIRING
BOARD ASSEMBLY
I/P CONVERTER
PNEUMATIC
RELAY
HOUSING
GAUGES
COVER
W9925-2
Figure A‐4. FIELDVUE DVC6200 Digital Valve Controller Assembly

Instruction Manual
D103605X012
Principle of Operation
January 2015
82

Instruction Manual
D103605X012
Field Communicator Menu Trees
January 2015
83
Appendix B Field Communicator Menu Trees
This section contains the Field Communicator menu trees for instrument level HC, AD, PD, and ODV. It also contains
an alphabetized function/variable list to help locate the function/variable on the appropriate menu tree. All Fast Key
Sequences referenced in the menu trees assume the Online menu (see figure B-2) as the starting point.
Instrument Level HC, AD, PD, and ODV
Function/Variable See Figure
Actual Travel B-5
Actuator Manufacturer B-5
Actuator Model B-5
Actuator Selection B-5
Actuator Size B-5
Actuator Style B-7
Air B-5
Alert Record Full Enable B-8
Alert Record Not Empty Enable B-8
Alert Switch Source B-7
Analog Input B-3, B-10
Analog Input (Calibration) B-9
Analog Input Units B-5
Area Units B-5
Auto Calibration B-9
Auxiliary Terminal Action B-5
Auxiliary Terminal Action, Edit B-5
Breakout Torque B-5
Burst Mode B-7
Calibration Button B-5
Calibration Record B-9
Calibration Time B-9
Calibration Type B-9
Calibrator B-9
Change Control Mode B-6, B-10
Change Instrument Mode B-1, B-5
Change to HART 5 B-10
Change to HART 7 B-10
Change Write Protection B-1, B-3, B-5
Clear Records B-8, B-10
Control Mode B-6, B-10
Critical NVM Failure Shutdown B-8
Custom Characterization B-6, B-10
Cycle Count Alert Enable B-8
Cycle Count Alert Point B-8
Cycle Counter B-10
Cycle Count/Travel Accum Deadband B-8
Days Powered Up B-10
DD Information B-3
Description B-3, B-5
Device ID B-3
Device Revision B-3
Device Setup B-4
Device Status B-3, B-10
Drive Current Failure Shutdown B-8
Drive Signal B-10
Function/Variable See Figure
Drive Signal Alert Enable B-8
Dynamic Torque B-5
Edit Cycle Counts B-8
Edit Instrument Time B-5, B-8
Edit Travel Accumulator B-8
Effective Area (Acutator) B-5
End Point Pressure Control (EPPC) B-6
EPPC Deviation (Alert Setup) B-8
Fail Signal B-7
Fallback Recovery B-6, B-8, B-10
Feedback Connection B-7
Firmware Revision B-3
Flash Integrity Failure Shutdown B-8
Flow Direction B-5
Flow Tends to B-5
Function B-7
Hardware Revision (Device) B-3
HART Long Tag B-3, B-5
HART Tag B-3, B-5
HART Universal Revision B-3
Hi Limit/Cutoff Point B-6, B-8
Hi Limit/Cutoff Select B-6, B-8
HART Variable Assignments B-7
Inlet Pressure B-5
Input Characterization B-6, B-10
Input Range Hi B-5
Input Range Lo B-5
Instrument Alert Record B-8
Instrument Level B-3
Instrument Mode B-1, B-5
Instrument Serial Number B-3, B-5
Instrument Time is Approximate Enable B-8
Integral Enable B-7
Integral Gain B-7
Integrator Saturated High Enable B-8
Integrator Saturated Lo Enable B-8
Integrator Limit B-7
Intgegral Dead Zone B-7
Last AutoCal Status B-9
Leak Class (Trim) B-5
Length Units B-5
Lever Arm Length B-5
Lever Style B-5
Limit Switch Trip Point B-7
Limit Switch Valve Close B-5
Limit Switch Valve Open B-5

Instruction Manual
D103605X012
Field Communicator Menu Trees
January 2015
84
Function/Variable See Figure
Lo Limit/Cutoff Point B-6, B-8
Lo Limit/Cutoff Select B-6, B-8
Manual Calibration B-9
Manufacturer (Device) B-3
Maximum Recorded Temperature B-10
Maximum Supply Pressure B-7
Message B-3, B-5
Mininum Recorded Temperature B-10
Minor Loop Sensor Failure Shutdown B-8
MLFB Gain B-7
Model (Device) B-3
Non-Critical NVM Failure Shutdown B-8
Number of Power Ups B-10
Outlet Pressure B-5
Output Circuit Comm Failure Enable B-8
Output Terminal Enable B-7
Packing Type B-5
Partial Stroke Test B-10
Partial Stroke Test (PST) B-7
Performance Tuner B-4, B-7, B-10
Polling Address B-5
Port Diameter (Trim) B-5
Port Type (Trim) B-5
Position Transmitter B-5
Pressure A B-3, B-10
Pressure A-B B-3, B-10
Pressure B B-3, B-10
Pressure Fallback Active Enable B-8
Pressure Range Hi B-6
Pressure Range Lo B-6
Pressure Sensor Failure Shutdown B-8
Pressure Sensors (Calibration) B-9
Pressure Tuning Set B-7
Pressure Units B-5
Proportional Gain B-7
PST Enable B-7
PST Calibration B-9
PST Pressure Limit B-7
PST Start Point B-7
PST Variables B-7
Push Down To (Trim) B-5
PWB Serial Number B-3
Quick Release B-5
Rated Travel B-5
Relay Adjust B-9
Relay Type B-7
Reference Voltage Failure Shutdown B-8
Reset Valve Stuck Alert B-10
Restart Control Mode B-10
Restart Processor B-10
Seat Type (Trim) B-5
Setpoint B-3, B-10
Shutdown on Alert B-8
Solenoid Valve B-5
SP Rate Close B-6
Function/Variable See Figure
SP Rate Open B-6
Spring Rate B-5
Spring Rate Units B-5
Stabilize/Optimize B-4, B-7, B-10
Stem Diameter B-5
Stroke Valve B-10
Supply Pressure B-3, B-10
Supply Pressure Lo Alert B-8
Switch Closed B-7
Temperature B-10
Temperature Units B-5
Temp Sensor Failure Shutdown B-8
Torque Units B-5
Transmitter Output B-7
Travel B-3, B-10
Travel Accumulator B-10
Travel Accumulator Alert Enable B-8
Travel Accumulator Alert Point B-8
Travel Alert Deadband B-8
Tavel Alert Hi Enable B-8
Travel Alert Hi Hi Enable B-8
Travel Alert Hi Hi Point B-8
Travel Alert Hi Point B-8
Travel Alert Lo Enable B-8
Travel Alert Lo Lo Enable B-8
Travel Alert Lo Lo Point B-8
Travel Alert Lo Point B-8
Travel Counts B-10
Travel Deviation (Alert Setup) B-8
Travel Deviation Pressure Fallback B-6
Travel Deviation Pressure Fallback Time B-6
Travel Limit/Cutoff High Enable B-8
Travel Limit/Cutoff Lo Enable B-8
Travel/Pressure Select (Alert Setup) B-8
Travel Sensor Failure Shutdown B-8
Travel Sensor Motion B-7
Travel Tuning Set B-7
Travel Units B-5
Travel/Pressure Select B-6, B-10
Unbalanced Area (Trim) B-5
Valve Class B-5
Valve Manufacturer B-5
Valve Model B-5
Valve Serial Number B-3, B-5
Valve Size B-5
Valve Style B-7
Velocity Gain B-7
View Alert Records B-10
View Edit Lag Time B-6
View Edit Lead/Lag B-6
Volume Booster B-5
Write Protection B-1, B-3, B-5
Zero Power Condition B-7

Instruction Manual
D103605X012
Field Communicator Menu Trees
January 2015
85
Figure B-1. Hot Key
Hot Key
1 Instrument Mode
2 Change Instrument Mode
3 Write Protection
4 Change Write Protection
Figure B-2. Online
Online
1 Overview
2 Configure
3 Service Tools
HART Application
1 Offline
2 Online
3 Utility
4 HART Diagnostics
Figure B-3. Overview (1)
Device Information
1 Identification
2 Revisions
3 Security
Identification
1 HART Tag
2 HART Long Tag
3 Manufacturer
4 Model
5 Instrument Level
6 Device ID and Serial Numbers
7 Message
8 Description
Overview
1 Device Status
2 Analog Input
3 Setpoint
4 Travel
5 Supply Pressure
6 Pressure A
7 Pressure B
8 Pressure A-B
9 Device Information
Revisions
1 HART Universal Revision
2 Device Revision
3 Hardware Revision
4 Firmware Revision
5 DD Information
Security
1 Write Protection
2 Change Write Protection
1-9 (AD, PD, ODV)
1-9-1 (AD, PD, ODV)
1-9-2 (AD, PD, ODV)
1-8-3 (HC)
2 HART LONG TAG IS AVAILABLE WITH HART 7.
NOTES:
Device ID and Serial Numbers
1 Device ID
2 Valve Serial Number
3 Instrument Serial Number
4 PWB Serial Number
1 SUPPLY PRESSURE IS AVAILABLE FOR INSTRUMENT LEVEL AD, PD, AND ODV.
1-8 (HC)
1-8-1 (HC)
1-8-2 (HC)
1-9-3 (AD, PD, ODV)
1-9-1-5 (AD, PD, ODV, HART 5
1-8-1-5 (HC, HART 5)
1-8-1-6 (HC, HART 7)
1-9-1-6 (AD, PD, ODV, HART 7)
2
1
Figure B-4. Guided Setup (2-1)
Guided Setup
1 Device Setup
2 Performance Tuner
1 THIS MENU ITEM IS STABILIZE/OPTIMIZE FOR INSTRUMENT LEVEL HC.
1
NOTES:

Instruction Manual
D103605X012
Field Communicator Menu Trees
January 2015
86
Figure B-5. Manual Setup > Mode Protection (2-2-1) and Manual Setup > Instrument (2-2-2)
Manual Setup
1 Mode and Protection
2 Instrument
3 Travel/Pressure Control
4 Tuning
5 Valve and Actuator
6 Partial Stroke Test (PST)
7 Outputs
Mode and Protection
1 Instrument Mode
2 Change Instrument Mode
3 Write Protection
4 Change Write Protection
Instrument
1 Identification
2 Serial Numbers
3 Units
4 Terminal Box
5 Analog Input Range
6 Spec Sheet
7 Edit Instrument Time
Identification
1 HART Tag
2 HART Long Tag
3 Description
4 Message
5 Polling Address
Serial Numbers
1 Instrument Serial Number
2 Valve Serial Number
Units
1 Pressure Units
2 Temperature Units
3 Analog Input Units
Terminal Box
1 Calibration Button
2 Auxiliary Terminal Action
3 Edit Auxiliary Terminal Action
Spec Sheet
1 Units
2 Valve
3 Trim
4 Actuator
5 Accessories
2-2-1
2-2-2-1
2-2-2-2
2-2-2-3
2-2-2-4
2-2-2-5
2-2-2-6
Analog Input Range
1 Input Range Hi
2 Input Range Lo
1
NOTES:
2
1 HART LONG TAG IS AVAILABLE WITH HART 7.
2 AUXILIARY TERMINAL ACTION AND EDIT AUXILIARY TERMINAL ACTION ARE AVAILABLE WITH INSTRUMENT LEVEL ODV.
Units
1 Travel Units
2 Length Units
3 Area Units
4 Spring Rate Units
5 Torque Units
Trim
1 Seat Type
2 Leak Class
3 Port Diameter
4 Port Type
5 Flow Direction
6 Push Down To
7 Flow Tends To
8 Unbalanced Area
Valve Travel
1 Rated Travel
2 Actual Travel
Inlet/Outlet Pressures
1 Inlet Pressure
2 Outlet Pressure
Torque
1 Dynamic Torque
2 Breakout Torque
Valve
1 Valve Manufacturer
2 Valve Model
3 Valve Size
4 Valve Class
5 Stem Diameter
6 Packing Type
7 Valve Travel
8 Inlet/Outlet Pressures
9 Torque
Actuator
1 Actuator Manufacturer
2 Actuator Model
3 Actuator Size
4 Actuator Selection
5 Lever Style
6 Lever Arm Length
7 Effective Area
8 Spring Rate
9 Air
Accessories
1 Volume Booster
2 Quick Release
3 Solenoid Valve
4 Position Transmitter
5 Limit Switch Valve Open
6 Limit Switch Valve Close
2
2-2-2-6-1
2-2-2-6-3
2-2-2-6-4
2-2-2-6-5
2-2-2-6-2
2-2-2-6-2-7
2-2-2-6-2-8
2-2-2-6-2-9
2-2-2

Instruction Manual
D103605X012
Field Communicator Menu Trees
January 2015
87
Figure B-6. Manual Setup > Travel/Pressure Control (2-2-3)
Manual Setup
1 Mode and Protection
2 Instrument
3 Travel/Pressure Control
4 Tuning
5 Valve and Actuator
6 Partial Stroke Test (PST)
7 Outputs
Travel/Pressure Control
HC, AD, PD
1 Travel/Pressure Select
2 Cutoffs and Limits
3 Pressure Control
4 Pressure Fallback
5 Control Mode
6 Characterization
7 Dynamic Response
Pressure Fallback
1 Tvl Dev Press Fallback
2 Tvl Dev Press Fallback Time
3 Fallback Recovery
Pressure Control
1 Pressure Range High
2 Pressure Range Lo
Control Mode
1 Control Mode
2 Change Control Mode
3 Restart Control Mode
Characterization
1 Input Characterization
2 Custom Characterization
Dynamic Response
1 SP Rate Open
2 SP Rate Close
3 View/Edit Lag Time
2-2-3-2
Cutoffs and Limits
1 Hi Limit/Cutoff Select
2 Hi Limit/Cutoff Point
3 Lo Limit/Cutoff Select
4 Lo Limit/Cutoff Point
2-2-3-3
2-2-3-7 (AD, PD)
2-2-3-6 (AD, PD)
2-2-3-4 (AD, PD)
2-2-3-5 (AD, PD)
Travel/Pressure Control
ODV
1 Travel/Pressure Select
2 Cutoffs and Limits
3 End Point Pressure Control (EPPC)
4 Pressure Control
5 Pressure Fallback
6 Control Mode
7 Response Control
8 Dynamic Response
HC, AD, PD
Cutoffs and Limits
1 Hi Limit/Cutoff Select
2 Hi Limit/Cutoff Point
3 Lo Limit/Cutoff Select
4 Lo Limit/Cutoff Point
Dynamic Response
1 SP Rate Open
2 SP Rate Close
3 View/Edit Lead/Lag
2-2-3-7
2-2-3-8
ODV
Characterization
1 Input Characterization
2 Custom Characterization
Pressure Fallback
1 Tvl Dev Press Fallback
2 Tvl Dev Press Fallback Time
3 Fallback Recovery
Control Mode
1 Control Mode
2 Change Control Mode
3 Restart Control Mode
2-2-3-6 2-2-3-5
Pressure Control
1 Pressure Range High
2 Pressure Range Lo
2-2-3-4
End Point Pressure Control (EPPC)
1 EPPC Enab
2 Change EPPC Enab
3 EPPC Set Point
4 EPPC Saturation Time
2-2-3
2-2-3
2-2-3-2
2-2-3-3
1 PRESSURE FALLBACK IS AVAILABLE FOR INSTRUMENT LEVEL AD, PD, AND ODV.
1
2-2-3-4 (HC)
2-2-3-6 (HC)
2-2-3-5 (HC)
NOTE:

Instruction Manual
D103605X012
Field Communicator Menu Trees
January 2015
88
Figure B-7. Manual Setup > Tuning (2-2-4) through Manual Setup > Outputs (2-2-7)
Manual Setup
1 Mode and Protection
2 Instrument
3 Travel/Pressure Control
4 Tuning
5 Valve and Actuator
6 Partial Stroke Test (PST)
7 Outputs
Outputs
1 Output Terminal Config
2 Switch Configuration
3 Transmitter Output
4 HART Var Assignments
5 Burst Mode
HART Var Assignments
1 Primary Variable (PV)
2 Secondary Variable (SV)
3 Tertiary Variable (TV)
4 Quaternary Variable (QV)
Output Terminal Config
1 Output Terminal Enable
2 Function
3 Fail Signal
2-2-6 (HD, AD, PD)
2-2-6-1 (HC, AD, PD)
Valve and Actuator
1 Valve Style
2 Actuator Style
3 Feedback Connection
4 Relay Type
5 Zero Power Condition
6 Travel Sensor Motion
7 Maximum Supply Pressure
Pressure Tuning
1 Pressure Tuning Set
2 Proportional Gain
3 MLFB Gain
4 Integral Enable
5 Integral Gain
Travel/Pressure Integral Settings
1 Integral Dead Zone
2 Integrator Limit
Tuning
1 Travel Tuning
2 Pressure Tuning
3 Travel/Pressure Integral Settings
Travel Tuning
1 Travel Tuning Set
2 Proportional Gain
3 Velocity Gain
4 MLFB Gain
5 Integral Enable
6 Integral Gain
7 Performance Tuner
8 Stabilize/Optimize
2-2-5
2-2-4
2-2-6-2 (HC, AD, PD)
2-2-4-3
2-2-4-1
Switch Configuration
1 Limit Switch Trip Point
2 Alert Switch Source
3 Switch Closed
1 PARTIAL STROKE TEST (PST) IS AVAILABLE FOR INSTRUMENT LEVEL ODV.
4
2 THIS MENU ITEM IS HART VAR ASSIGNMENTS WITH HART 5.
3 THIS MENU ITEM IS TRANSMITTER OUTPUT WITH HART 5.
NOTES:
2-2-7 (ODV)
2-2-4-2
Partial Stroke Test (PST)
1 PST Pressure Limit
2 PST Enable
3 PST Start Point
4 PST Variables
1
1
2-2-6
WITH I/O PACKAGE
Burst Mode
1 Burst Enable
2 Burst Command
2-2-7-2 (ODV)
2-2-7-1 (ODV)
WITH I/O PACKAGE
2-2-6-5 (HC, AD, PD)
2-2-7-5 (ODV)
2-2-6-4 (HC, AD, PD)
2-2-7-4 (ODV)
WITHOUT I/O PACKAGE
Outputs
1 HART Var Assignments
2 Burst
HART Var Assignments
1 Primary Variable (PV)
2 Secondary Variable (SV)
3 Tertiary Variable (TV)
4 Quaternary Variable (QV)
2-2-6 (HD, AD, PD)
4
2-2-7 (ODV)
WITHOUT I/O PACKAGE
Burst Mode
1 Burst Enable
2 Burst Command
2-2-6-1 (HC, AD, PD)
2-2-7-1 (ODV)
2-2-6-2 (HC, AD, PD)
2-2-7-2 (ODV)
4
4
4 BURST MODE IS AVAILABLE WITH HART 5.
2
3
5
5 PERFORMANCE TUNER IS AVAILABLE FOR INSTRUMENT LEVEL AD, PD, AND ODV.

Instruction Manual
D103605X012
Field Communicator Menu Trees
January 2015
89
Figure B-8. Alert Setup (2-3)
Electronics
1 Drive Signal Alert Enable
2-3-1
Alert Setup
1 Electronics
2 Supply Pressure Alert
3 Travel
4 Pressure Fallback
5 Travel History
6 EPPC Deviation
7 Output Circuit Comm Failure Enable
8 Shutdown On Alert
9 Alert Record/Instrument Time
Sensors
1 Travel Sensor Failure Shutdown
2 Temp Sensor Failure Shutdown
3 Minor Loop Sensor Failure Shutdown
4 Pressure Sensor Failure Shutdown
Travel
1 Travel Alert DB
2 Travel Deviation
3 Travel Limit
4 Travel Limit/Cutoff
5 Integrator
Travel Deviation
1 Travel Deviation
2 Travel Deviation Alert Enable
3 Travel Deviation Alert Point
4 Travel Deviation Time
Travel Limit
1 Travel Alert Hi Hi Enable
2 Travel Alert Hi Hi Point
3 Travel Alert Lo Lo Enable
4 Travel Alert Lo Lo Point
5 Travel Alert Hi Enable
6 Travel Alert Hi Point
7 Travel Alert Lo Enable
8 Travel Alert Lo Point
Travel Limit/Cutoff
1 Travel Limit/Cutoff Hi Enable
2 Hi Limit/Cutoff Point
3 Hi Limit/Cutoff Select
4 Travel Limit/Cutoff Lo Enable
5 Lo Limit/Cutoff Point
6 Lo Limit/Cutoff Select
Integrator
1 Integrator Sat Hi Enable
2 Integrator Sat Lo Enable
2-3-2-2 (HC)
Travel History
1 Cycle Count/Travel Accum Deadband
2 Cycle Count Alert Enable
3 Edit Cycle Counts
4 Cycle Count Alert Point
5 Travel Accumulator Alert Enable
6 Edit Travel Accumulator
7 Travel Accumulator Alert Point
Alert Record/Instrument Time
1 Alert Record Not Empty Enable
2 Alert Record Full Enable
3 View Alert Records
4 Clear Records
5 Instrument Alert Record
6 Instrument Time is Approximate Enable
7 Edit Instrument Time
2-3-3 (HC)
2-3-5 (HC)
1 SUPPLY PRESSURE LO ALERT IS AVAILABLE FOR INSTRUMENT LEVEL AD, PD, AND ODV.
1
Pressure Fallback
1 Pressure Fallback Active Enable
2 Travel/Pressure Select
3 Fallback Recovery
1
2 PRESSURE FALLBACK IS AVAILABLE FOR INSTRUMENT LEVEL AD, PD, AND ODV.
4
2-3-5 (AD, PD, ODV)
Supply Pressure Lo Alert
1 Supply Pressure Lo Alert Enable
2 Supply Pressure Lo Alert Point
2
NOTES:
4 OUTPUT CIRCUIT COMM FAILURE ENABLE IS AVAILABLE WHEN THE TRANSMITTER FUNCTION IS CONFIGURED.
2-3-4 (AD, PD, ODV)
2-3-2 (AD, PD, ODV)
2-3-2 (HC)
2-3-3 (AD, PD, ODV)
2-3-3-2 (AD, PD, ODV)
2-3-2-3 (HC)
2-3-3-3 (AD, PD, ODV)
2-3-2-5 (HC)
2-3-3-5 (AD, PD, ODV)
2-3-2-4 (HC)
2-3-3-4 (AD, PD, ODV)
EPPC Deviation
1 EPPC Deviation Alert Enable
2 EPPC Set Point
3 EPPC Deviation Alert Point
4 EPPC Deviation Time
2-3-6 (ODV)
Electronics
1 Drive Current Failure Shutdown
2 Critical NVM Failure Shutdown
3 Non-Critical NVM Failure Shutdown
4 Flash Integrity Failure Shutdown
5 Reference Voltage Failure Shutdown
2-3-9 (ODV)
3 EPPC DEVIATION IS AVAILABLE FOR INSTRUMENT LEVEL ODV.
2
3
3
Shutdown On Alert
1 Sensors
2 Electronics
2-3-4 (HC)
2-3-7 (AD, PD)
2-3-8 (ODV)
2-3-4-1 (HC)
2-3-6-1 (AD, PD)
2-3-8-1 (ODV)
2-3-4-2 (HC)
2-3-6-2 (AD, PD)
2-3-8-2 (ODV)
5 FAST KEY SEQUENCES FOR THESE MENUS DROP ONE MENU SEQUENCE WHEN THE TRANSMITTER FUNCTION IS NOT CONFIGURED.
5
5
5
5
5
5
2-3-6 (AD, PD)

Instruction Manual
D103605X012
Field Communicator Menu Trees
January 2015
90
Figure B-9. Calibration (2-4)
Calibration
1 Travel Calibration
2 Relay Adjust
3 Sensor Calibration
4 PST Calibration
Travel Calibration
1 Auto Calibration
2 Last AutoCal Status
3 Manual Calibration
4 Calibration Record
Sensor Calibration
1 Pressures Sensors
2 Analog Input
2-4-1
2-4-3
HART 5
HART 5
HART 7 Travel Calibration
1 Auto Calibration
2 Last AutoCal Status
3 Manual Calibration
4 Calibration Type
5 Calibration Time
6 Calibrator
2-4-1
HART 7
1 PST CALIBRATION IS AVAILABLE FOR INSTRUMENT LEVEL ODV.
1
NOTE:
2
2 ANALOG INPUT IS NOT AVAILABLE WHEN THE DIP SWITCH IS SET TO MULTI-DROP.
Figure B-10. Service Tools (3)
Service Tools
1 Device Status
2 Alert Record
3 Diagnostics
4 Variables
5 Maintenance
Diagnostics
1 Stroke Valve
2 Partial Stroke Test
3-4
Variables
1 Travel/Pressure
2 Control Mode
3 Analog Input
4 Temperature
5 Travel Counts
6 Characterization
7 Travel History
8 Run Time Extremes
Control Mode
1 Control Mode
2 Change Control Mode
3 Restart Control Mode
3-3 Travel/Pressure
1 Setpoint
2 Travel
3 Drive Signal
4 Supply Pressure
5 Pressure A
6 Pressure B
7 Pressure A-B
8 Travel/Pressure Select
9 Fallback Recovery
Characterization
1 Input Characterization
2 Custom Characterization
Travel History
1 Cycle Counter
2 Travel Accumulator
Run Time Extremes
1 Maximum Recorded Temperature
2 Minimum Recorded Temperature
3 Days Powered Up
4 Number of Power Ups
Maintenance
1 Performance Tuner
2 Stabilize/Optimize
3 Restart Processor
4 Reset Valve Stuck Alert
5 Change to HART 5
3-4-8
3-4-7
3-5
5 THIS MENU ITEM READS CHANGE TO HART 7 WITH HART 5.
3 PERFORMANCE TUNER IS AVAILABLE FOR INSTRUMENT LEVEL AD, PD, AND ODV.
Alert Record
1 View Alert Records
2 Clear Records
3-2
1
2
2
5
3-4-1
3-4-2
3-4-6
1 PARTIAL STROKE TEST IS AVAILALBE IN INSTRUMENT LEVEL ODV.
2 SUPPLY PRESSURE AND FALLBACK RECOVERY ARE AVAILABLE FOR AD, PD, ODV.
3
4 RESET VALVE STUCK ALERT IS AVAILABLE IN INSTRUMENT LEVEL OD V.
4
NOTES:

Instruction Manual
D103605X012
Glossary
January 2015
91
Glossary
Alert Point
An adjustable value that, when exceeded,
activates an alert.
Algorithm
A set of logical steps to solve a problem or
accomplish a task. A computer program contains
one or more algorithms.
Alphanumeric
Consisting of letters and numbers.
Analog Input Units
Units in which the analog input is displayed and
maintained in the instrument.
ANSI (acronym)
The acronym ANSI stands for the American
National Standards Institute
ANSI Class
Valve pressure/temperature rating.
Bench Set
Pressure, supplied to an actuator, required to
drive the actuator through rated valve travel.
Expressed in pounds per square inch.
Byte
A unit of binary digits (bits). A byte consists of
eight bits.
Calibration Location
Where the instrument was last calibrated; either
in the factory or in the field.
Configuration
Stored instructions and operating parameters for
a FIELDVUE Instrument.
Control Loop
An arrangement of physical and electronic
components for process control. The electronic
components of the loop continuously measure
one or more aspects of the process, then alter
those aspects as necessary to achieve a desired
process condition. A simple control loop
measures only one variable. More sophisticated
control loops measure many variables and
maintain specified relationships among those
variables.
Control Mode
Defines where the instrument reads its set point.
The following control modes are available for a
FIELDVUE Instrument:
Analog The instrument receives its travel set
point over the 4‐20 mA loop.
Digital The instrument receives its set point
digitally, via the HART communications link.
Test This is not a user‐selectable mode. The Field
Communicator or ValveLink software places the
instrument in this mode whenever it needs to
move the valve, such as for calibration or
diagnostic tests.
Control Mode, Restart
Determines the instrument control mode after a
restart. See Control Mode for the available restart
control modes.
Controller
A device that operates automatically to regulate a
controlled variable.
Current‐to‐Pressure (I/P) Converter
An electronic component or device that converts
a milliamp signal to a proportional pneumatic
pressure output signal.
Cycle Counter
The capability of a FIELDVUE instrument to record
the number of times the travel changes direction.
The change in direction must occur after the
deadband has been exceeded before it can be
counted as a cycle.

Instruction Manual
D103605X012
Glossary
January 2015
92
Cycle Counter Alert
Checks the difference between the Cycle Counter
and the Cycle Counter Alert Point. Cycle Counter
Alert is active when the cycle counter value
exceeds the Cycle Counter Alert Point. It clears
after you reset the Cycle Counter to a value less
than the alert point.
Cycle Counter Alert Point
An adjustable value which, when exceeded,
activates the Cycle Counter Alert. Valid entries
are 0 to 4 billion cycles.
Cycle Counter Deadband
Region around the travel reference point, in
percent of ranged travel, established at the last
increment of the Cycle Counter. The deadband
must be exceeded before a change in travel can
be counted as a cycle. Valid entries are 0% to
100%. Typical value is between 2% and 5%.
Deviation
Usually, the difference between set point and
process variable. More generally, any departure
from a desired or expected value or pattern.
Device ID
Unique identifier embedded in the instrument at
the factory.
Device Revision
Revision number of the interface software that
permits communication between the Field
Communicator and the instrument.
Drive Signal
The signal to the I/P converter from the printed
wiring board. It is the percentage of the total
microprocessor effort needed to drive the valve
fully open.
Drive Signal Alert
Checks the drive signal and calibrated travel. If
one of the following conditions exists for more
than 20 seconds, the Drive Signal Alert is active. If
none of the conditions exist, the alert is cleared.
If Zero Power Condition = Closed
The alert is active when:
drive signal <10% and calibrated travel >3%
drive signal >90% and calibrated travel <97%
If Zero Power Condition = Open
The alert is active when:
drive signal <10% and calibrated travel <97%
drive signal >90% and calibrated travel >3%
Equal Percentage
A valve flow characteristic where equal
increments of valve stem travel produce equal
percentage changes in existing flow. One of the
input characteristics available for a FIELDVUE
Instrument. See also, Linear and Quick Opening.
Feedback Signal
Indicates to the instrument the actual position of
the valve. The travel sensor provides the feedback
signal to the instrument printed wiring board
assembly.
Firmware Revision
The revision number of the instrument firmware.
Firmware is a program that is entered into the
instrument at time of manufacture and cannot be
changed by the user.
Free Time
Percent of time that the microprocessor is idle. A
typical value is 25%. The actual value depends on
the number of functions in the instrument that
are enabled and on the amount of
communication currently in progress.
Full Ranged Travel
Current, in mA, that corresponds with the point
where ranged travel is maximum, i.e., limited by
the mechanical travel stops.
Gain
The ratio of output change to input change.
Hardware Revision
Revision number of the Fisher instrument
hardware. The physical components of the
instrument are defined as the hardware.

Instruction Manual
D103605X012
Glossary
January 2015
93
HART (acronym)
The acronym HART stands for Highway
Addressable Remote Transducer.
HART Universal Revision
Revision number of the HART Universal
Commands which are the communications
protocol for the instrument.
Input Characteristic
The relationship between the ranged travel and
ranged input. Possible values include: linear,
equal percentage, and quick opening.
Input Current
The current signal from the control system that
serves as the analog input to the instrument. See
also Input Signal.
Input Range
The analog input signal range that corresponds to
the travel range.
Input Signal
The current signal from the control system. The
input signal can be displayed in milliamperes or in
percent of ranged input.
Instrument Level
Determines the functions available for the
instrument. See table 5‐1.
Instrument Mode
Determines if the instrument responds to its
analog input signal. There are two instrument
modes:
In Service: For a fully functioning instrument, the
instrument output changes in response to analog
input changes. Typically changes to setup or
calibration cannot be made when the instrument
mode is In Service.
Out of Service: The instrument output does not
change in response to analog input changes
when the instrument mode is Out of Service.
Some setup parameters can be changed only
when the instrument mode is Out of Service.
Instrument Protection
Determines if commands from a HART device can
calibrate and/or configure certain parameters in
the instrument. There are two types of
instrument protection:
Configuration and Calibration: Prohibits changing
protected setup parameters; prohibits
calibration.
None: Permits both configuration and calibration.
The instrument is ”unprotected.”
Instrument Serial Number
The serial number assigned to the printed wiring
board by the factory but can be changed during
setup. The instrument serial number should
match the serial number on the instrument
nameplate.
Leak Class
Defines the allowable leakage by a valve when it is
closed. Leak class numbers are listed in two
standards: ANSI/FCI 70‐2 and IEC 534‐4.
Linear
A valve flow characteristic where changes in flow
rate are directly proportional to changes in valve
stem travel. One of the input characteristics
available for a FIELDVUE Instrument. See also,
Equal Percentage and Quick Opening.
Linearity, dynamic
Linearity (independent) is the maximum
deviation from a straight line best fit to the
opening and closing curves and a line
representing the average value of those curves.
Memory
A type of semiconductor used for storing
programs or data. FIELDVUE instruments use
three types of memory: Random Access Memory
(RAM), Read Only Memory (ROM), and
Non‐Volatile Memory (NVM). See also these
listings in this glossary.
Menu
A list of programs, commands, or other activities
that you select by using the arrow keys to
highlight the item then pressing ENTER, or by
entering the numeric value of the menu item.

Instruction Manual
D103605X012
Glossary
January 2015
94
Minimum Closing Time
Minimum time, in seconds, for the travel to
decrease through the entire ranged travel. This
rate is applied to any travel decrease. Valid entries
are 0 to 400 seconds. Deactivate by entering a
value of 0 seconds.
Minimum Opening Time
Minimum time, in seconds, for the travel to
increase through the entire ranged travel. This
rate is applied to any travel increase. Because of
friction, actual valve travel may not respond in
exactly the same time frame. Valid entries are 0
to 400 seconds. Deactivate by entering a value of
0 seconds.
Non‐Volatile Memory (NVM)
A type of semiconductor memory that retains its
contents even though power is disconnected.
NVM contents can be changed during
configuration unlike ROM which can be changed
only at time of instrument manufacture. NVM
stores configuration restart data.
Parallel
Simultaneous: said of data transmission on two or
more channels at the same time.
Polling Address
Address of the instrument. If the digital valve
controller is used in a point‐to‐point
configuration, set the polling address to 0. If it is
used in a multidrop configuration, or split range
application, set the polling address to a value
from 0 to 15.
Pressure Sensor
A FIELDVUE instrument internal device that
senses pneumatic pressure. The DVC6200 has
three pressure sensors: one to sense supply
pressure and two to sense the output pressures.
Primary Master
Masters are communicating devices. A primary
master is a communicating device permanently
wired to a field instrument. Typically, a
HART‐compatible control system or a computer
running ValveLink software is the primary master.
In contrast, a secondary master is not often
permanently wired to a field instrument. The
Field Communicator or a computer running
ValveLink software communicating through a
HART modem could be considered a secondary
master.
Note: If one type of master takes an instrument
Out Of Service, the same type must put it In
Service. For example, if a device set up as a
primary master takes an instrument Out Of
Service, a device set up as a primary master must
be used to place the instrument In Service.
Quick Opening
A valve flow characteristic where most of the
change in flow rate takes place for small amounts
of stem travel from the closed position. The flow
characteristic curve is basically linear through the
first 40 percent of stem travel. One of the input
characteristics available for a FIELDVUE
Instrument. See also, Equal Percentage and
Linear.
Random Access Memory (RAM)
A type of semiconductor memory that is normally
used by the microprocessor during normal
operation that permits rapid retrieval and storage
of programs and data. See also Read Only
Memory (ROM) and Non‐Volatile Memory (NVM).
Rate
Amount of change in output proportional to the
rate of change in input.
Read‐Only Memory (ROM)
A memory in which information is stored at the
time of instrument manufacture. You can
examine but not change ROM contents.
Seat Load
Force exerted on the valve seat, typically
expressed in pounds force per lineal inch of port
circumference. Seat load is determined by shutoff
requirements.

Instruction Manual
D103605X012
Glossary
January 2015
95
Set Point Filter Time (Lag Time)
The time constant, in seconds, for the first‐order
input filter. The default of 0 seconds will bypass
the filter.
Software
Microprocessor or computer programs and
routines that reside in alterable memory (usually
RAM), as opposed to firmware, which consists of
programs and routines that are programmed into
memory (usually ROM) when the instrument is
manufactured. Software can be manipulated
during normal operation, firmware cannot.
Stroking Time
The time, in seconds, required to move the valve
from its fully open position to fully closed, or vice
versa.
Temperature Sensor
A device within the FIELDVUE instrument that
measures the instrument's internal temperature.
Travel
Movement of the valve stem or shaft which
changes the amount the valve is open or closed.
Travel Accumulator
The capability of a FIELDVUE instrument to record
total change in travel. The value of the Travel
Accumulator increments when the magnitude of
the change exceeds the Travel Accumulator
Deadband. To reset the Travel Accumulator, set it
to zero.
Travel Accumulator Alert
Checks the difference between the Travel
Accumulator value and the Travel Accumulator
Alert Point. The Travel Accumulator Alert is active
when the Travel Accumulator value exceeds the
Travel Accumulator Alert Point. It clears after you
reset the Travel Accumulator to a value less than
the alert point.
Travel Accumulator Alert Point
An adjustable value which, when exceeded,
activates the Travel Accumulator Alert. Valid
entries are 0% to 4 billion %.
Travel Accumulator Deadband
Region around the travel reference point
established at the last increment of the
accumulator. This region must be exceeded
before a change in travel can be accumulated.
Valid entries are 0% to 100%.
Travel Alert
Checks the ranged travel against the travel high
and low alert points. The travel alert is active if
either the high or low point is exceeded. Once a
high or low point is exceeded, the ranged travel
must clear that point by the Travel Alert
Deadband before the alert clears. Four travel
alerts are available: Travel Alert Hi, Travel Alert Lo,
Travel Alert Hi Hi, and Travel Alert Lo Lo.
Travel Alert Deadband
Travel, in percent of ranged travel, required to
clear a travel alert, once it is active. Valid entries
are -25% to 125%.
Travel Alert High Point
Value of the travel, in percent of ranged travel,
which, when exceeded, sets the Travel Alert Hi
alert. Valid entries are -25% to 125%.
Travel Alert High High Point
Value of the travel, in percent of ranged travel,
which, when exceeded, sets the Travel Alert Hi Hi
alert. Valid entries are -25% to 125%.
Travel Alert Low Point
Value of the travel, in percent of ranged travel,
which, when exceeded, sets the Travel Alert Lo
alert. Valid entries are -25% to 125%.
Travel Alert Low Low Point
Value of the travel, in percent of ranged travel,
which, when exceeded, sets the Travel Alert Lo Lo
alert. Valid entries are -25% to 125%.
Travel Cutoff
Defines the cutoff point for the travel, in percent
of ranged travel. There are two travel cutoffs:
high and low. Once travel exceeds the cutoff, the
drive signal is set to either maximum or
minimum, depending on the Zero Control Signal
and if the cutoff is high or low. Minimum opening
time or minimum closing time are not in effect
while the travel is beyond the cutoff. Use the
travel cutoff to obtain the desired seat load or to
be sure the valve is fully open.

Instruction Manual
D103605X012
Glossary
January 2015
96
Travel Deviation
The difference between the analog input signal
(in percent of ranged input), the “target” travel,
and the actual “ranged” travel.
Travel Deviation Alert
Checks the difference between the target and the
ranged travel. If the difference exceeds the Travel
Deviation Alert Point for more than the Travel
Deviation Time, the Travel Deviation Alert is
active. It remains active until the difference is less
than the Travel Deviation Alert Point.
Travel Deviation Alert Point
An adjustable value for the target travel and the
ranged travel difference, expressed in percent,
When this value is exceeded by the travel
deviation for more than the Travel Deviation
Time, the Travel Deviation Alert is active. Valid
entries are 0% to 100%. Typically this is set to 5%.
Travel Deviation Time
The time, in seconds. that the travel deviation
must exceed the Travel Deviation Alert Point
before the alert is active. Valid entries are 1 to 60
seconds.
Travel Limit
A setup parameter that defines the maximum
allowable travel (in percent of ranged travel) for
the valve. During operation, the travel target will
not exceed this limit. There are two travel limits:
high and low. Typically the travel limit low will be
used to keep the valve from going completely
closed.
Travel Range
Travel, in percent of calibrated travel, that
corresponds to the input range.
Travel Sensor
A device within the FIELDVUE instrument that
senses valve stem or shaft movement. The travel
sensor in the DVC6200 is the Hall Effect sensor
that measures the position of the magnetic
assembly.
Travel Sensor Motion
Increasing or decreasing air pressure causes the
magnet assembly to move up or down or the
rotary shaft to turn clockwise or
counterclockwise. The Setup Wizard asks if it can
move the valve to determine travel.
Tuning
The adjustment of control terms or parameter
values to produce a desired control effect.
Tuning Set
Preset values that identify gain settings for a
FIELDVUE instrument. The tuning set and supply
pressure together determine an instrument's
response to input signal changes.
Watch Dog Timer
A timer that the microprocessor must rearm
periodically. If the microprocessor is unable to
rearm the timer, the instrument goes through
reset.
Zero Power Condition
The position of the valve (open or closed) when
the electrical power to the instrument is
removed. Zero Power Condition (ZPC) is
determined by relay and actuator action as
follows:
Single Acting Direct (Relay C) Upon loss of
electrical power instrument goes to zero air
output at port A.
Double Acting (Relay A) Upon loss of electrical
power instrument goes to full supply air output at
port B. A goes to zero air output.
Single Acting Reverse (Relay B) Upon loss of
electrical power instrument goes to full supply air
output at Port B.

Instruction Manual
D103605X012
Index
January 2015
97
Index
A
Actuator Compatibility, 7
Actuator Style, 28
Alert Record Full Alert, 51
Alert Record Not Empty Alert, 51
Alert Setup, 35
Alert Switch, Function, Output Terminal
Configuration, 33
Alert Switch Source, 33
AMS Suite: Intelligent Device Manager, 3
Analog Calibration Adjust, 39
Analog Input Range, 17
Input Range Hi, 17
Input Range Lo, 18
Analog Input Units, 17
Auto Calibration, 38
Error Messages, 38
Auto Partial Stroke Test, 53
AutoCal in Progress Alert, 52
Auxiliary Terminal, Wiring Length Guidelines, 12
Auxiliary Terminal Action, 17
B
Burst Mode, 34
Burst Operation, setting for Tri-Loop, 14
C
Calibration, 37
Analog Input, 42
Pressure Sensors, 41
PST, 45
Pushbutton, 40
Relay Adjustment, 43
Sensor, 41
Travel, 38
Auto, 38
Manual, 39
Calibration (CAL) Button, 17
Calibration in Progress Alert, 52
Certifications, Other
Brazil, INMETRO, 7
India, PESO CCOE, 7
Russia, Kazakhstan and Belarus, CUTR, 7
Change Control Mode, 21
Change HART Universal Revision, 36
Characterization, 21
Custom Characterization, 21
Input Characterization, 21
Communication Protocol, HART 7 or HART 5, 6
Compliance Voltage, 11
Configuration, Initial, 3
Connections, 7
Electrical, 3
Pneumatic, 3
Construction Materials, 7
Control Mode, 21
Change Control Mode, 21
Control Mode, 21
Restart Control Mode, 21
Critical NVM Alert, 48
Custom Characterization, Defining, 21
Customs Union Technical Regulations (CUTR), Russia,
Kazakhstan and Belarus, Other
Classifications/Certifications, 7
Cutoffs and Limits, 19
Hi Limit/Cutoff Point, 19
Hi Limit/Cutoff Select, 19
Lo Limit/Cutoff Point, 19
Lo Limit/Cutoff Select, 19
Cycle Count High Alert, 51
D
Declaration of SEP, 8
Default Parameters, Detailed Setup, 15
Descriptor, 17
Device Diagnostics, 48
Device Information, 47
Device Status, 48
Alert Record, 48
Alert Record, 51
Electronics, 48
Pressure, 49
Status, 52
Travel, 50

Instruction Manual
D103605X012
Index
January 2015
98
Travel History, 51
Diagnostic Data Available Alert, 52
Diagnostic in Progress Alert, 52
Diagnostics, 52
Partial Stroke Test, 52
Stroke Valve, 52
Digital Calibration Adjust, 39
DIP Switch, setting, 61
Drive Current Failure, 48
Drive Signal Alert, 48
Dynamic Response, 23
Lag Time, 23
SP Rate Close, 23
SP Rate Open, 23
E
Edit Instrument Time, 18
Educational Services, 8
Electrical Classification, 7
Electrical Connections, 3
Electromagnetic Compatibility, 6
EMC Summary Results, Immunity, 8
End Point Pressure Control, 19
End Point Pressure Control (EPPC), 19
Expert tuning, travel tuning, 24, 27
F
Fail Signal, Output Terminal Configuration, 33
Fallback Recovery, 20
Fallback-Sensor Failure, Travel/Pressure Select, 18
Fallback-Sensor/Tvl Deviation, Travel/Pressure Select,
19
Fast Key Sequences, Field Communicator, 83
Feedback Connection, 28
Field Communicator, Partial Stroke Test, 53
Field Communicator Menu Trees, 83
Field Device Malfunction, 49
Filter Settings, Typical Lead/Lag, 23
Flash Integrity Failure, 48
frequency shift keying (FSK), 79
Function, Output Terminal Configuration
Alert Switch, 33
Limit Switch, 33
Transmitter, 33
G
Gain Values
Pressure Tuning Sets, 27
Travel Tuning Sets, 24
Gauges, maintenance, 63
Guided Setup, 15
H
HART Communication, principle of operation, 79
HART Filter, 9
HART Long Tag, 16
HART Tag, 16
HART Tri‐Loop, 13
Installation Flowchart, 13
HART Variable Assignments, 34
HARTr communications protocol, 3
Hazardous Area Approvals , 7
Hi Limit/Cutoff Point, 19
Hi Limit/Cutoff Select, 19
Humidity Testing Method, 7
I
I/P Converter
maintenance, 59
removing, 59
replacing, 60
I/P Filter, replacing, 59
Independent Linearity, 6
INMETRO, Brazil, Other Classifications/Certifications, 7
Input Characterization, 21
Input Impedance, 7
Input Range, 17
Input Range Hi, 17

Instruction Manual
D103605X012
Index
January 2015
99
Input Range Lo, 18
Input Signal, 6
Installation, 3
Instrument Level, Capabilities, 4
Instrument Mode, 16
Instrument Time, Edit, 18
Instrument Time is Approximate Alert, 49
Instument Serial Number, 17
Integral 4‐20 mA Position Transmitter, 7
specifications, 7
Integral Dead Zone, Travel/Pressure Integral Settings,
27
Integral Enable
Pressure Tuning, 27
Travel Tuning, 26
Integral Gain
Pressure Tuning, 27
Travel Tuning, 26
Integral Limit Switch, specifications, 7
Integral Setting, 27
Integral Switch, 7
Integrator Limit, Travel/Pressure Integral Settings, 28
Integrator Saturated High Alert, 50
Integrator Saturated Low Alert, 50
Internal Sensor Out of Limits, 49
L
Lag Time, 23
Lead/Lag, 23
typical filter settings, 23
Lead/Lag Time, 23
Lightning and Surge Protection, 7
Limit Switch, Function, Output Terminal
Configuration, 33
Limit Switch Trip Point, 33
Lo Limit/Cutoff Point, 19
Lo Limit/Cutoff Select, 19
Loop Current Validation Alert, 49
M
Magnet Assembly, 28
Magnetic Feedback Assembly, removing, 56
Maintenance
Gauges, Pipe Plugs, or Tire Valves, 63
I/P Converter, 59
module base, 56
Pneumatic Relay, 63
Printed Wiring Board Assembly, 61
Terminal Box, 64
tools required, 56
Maintenance and Troubleshooting, 55
Manual Calibration, 39
Manual Setup, 15
Max Travel Movement, 32
Maximum Cable Capacitance, 12
Maximum Output Capacity, 6
maximum supply pressure, 29
Message, 17
Minor Loop Sensor Alert, 49
MLFB Gain
Pressure Tuning, 27
Travel Tuning, 26
Mode, Burst, 34
Module Base
removing, 57
replacing, 58
Module Base Maintenance, 56
Mountings, 6
N
natural gas, as supply medium, 55
NonCritical NVM Alert, 48
O
Offline/Failed Alert, 48
Options, 7
Output Circuit Communication Failure, 49
Output Pressure Sensor, Calibration, 41
Output Signal, 6

Instruction Manual
D103605X012
Index
January 2015
100
Output Terminal Configuration, 33
Output Terminal Enable, 33
Outputs, 33
Burst Mode, 34
HART Variable Assignments, 34
Output Terminal Configuration, 33
Switch Configuration, 33
Transmitter Output, 34
Overview, 47
Device, 53
Status & Primary Purpose Variables, 47
P
Partial Stroke Test
Automatic (scheduled), 53
PST Enable, 32
PST Pressure Limit, 30
PST Start Point, 32
PST Variables, 32
Pause Time, 32
Test Speed, 32
Partial Stroke Test (ODV only), 52
Auxiliary Terminal, Local Pushbutton, 53
Field Communicator, 53
Partial Stroke Test (PST), 30
PST Variables, Max Travel Movement, 32
Parts
Kits, 69
List, 70
ordering, 69
Pause Time, 32
Performance Tuner, 26
PESO CCOE, India, Other Classifications/Certifications,
7
Pipe Plugs, maintenance, 63
Pneumatic Connections, 3
Pneumatic Relay
maintenance, 63
removing, 63
replacing, 63
Polling Address, 17
Position Transmitter, 33
Pressure Control, 20
Pressure Range High, 20
Pressure Range Lo, 20
Travel/Pressure Select, 18
Pressure Control Active Alert, 52
Pressure Fallback Active Alert, 50
Pressure Range High, 20
Pressure Range Lo, 20
Pressure Sensor Alert, 49
Pressure Sensors, Calibration, 41
Pressure Tuning, 27
Pressure Tuning Set, 27
Pressure Tuning Sets, Gain Values, 27
Pressure Units, 17
Principle of Operation
DVC6200, 79
HART Communication, 79
Printed Wiring Board Assembly
maintenance, 61
removing, 61
replacing, 61
Proportional Gain
Pressure Tuning, 27
Travel Tuning, 25
PST Calibration, 45
PST Enable, 32
PST Pressure Limit, 30
PST Start Point, 32
PST Variables, 32
Pushbutton Calibration, 40
R
Reference Voltage Failure, 48
Related Documents, 5
Relay Adjustment, 43
Relay Type, 28
Restart Control Mode, 21
Restart Processor, 66
RShaft End Mount, Magnet Assembly, 28
RShaft Window #1, Magnet Assembly, 28
RShaft Window #2, Magnet Assembly, 28

Instruction Manual
D103605X012
Index
January 2015
101
S
Sensor Calibration, 41
Serial Number
Instrument, 17
Valve, 17
Service Tools, 48
Device Status, 48
Set Point Filter Lag Time, 23
Set Point Filter Lead/Lag Time, 23
SP Rate Close, 23
SP Rate Open, 23
Spec Sheet, 18
Special App, Relay, 28
Specifications, 5
SStem #1 Roller, Magnet Assembly, 28
SStem #110, Magnet Assembly, 28
SStem #19, Magnet Assembly, 28
SStem #210, Magnet Assembly, 28
SStem #25, Magnet Assembly, 28
SStem #38, Magnet Assembly, 28
SStem #50, Magnet Assembly, 28
SStem #7, Magnet Assembly, 28
Stabilize/Optimize, 26
Status & Primary Purpose Variables, Device
Information, 47
Steady‐State Air Consumption, 6
Stroke Valve, 52
Supply Pressure, 6
Supply Pressure Alert, 49
Supply Pressure Sensor, Calibration, 42
Switch, 33
Specifications, 7
Switch Closed, 33
Switch Configuration, 33
Alert Switch Source, 33
Limit Switch Trip Point, 33
Switch Closed, 33
T
Technical Support Checklist, 68
Temperature Limits, Operating Ambient, 6
Temperature Sensor Alert, 49
Temperature Units, 17
Terminal Box, 17
Auxiliary Terminal Action, 17
Calibration (CAL) Button, 17
maintenance, 64
removing, 64
replacing, 65
Test Speed, 32
Tire Valves, maintenance, 63
Transmitter, 7, 33
Function, Output Terminal Configuration, 33
Specifications, 7
Transmitter Output, 34
Travel Accumulator High Alert, 51
Travel Alert Hi, 50
Travel Alert Hi Hi, 50
Travel Alert Lo, 50
Travel Alert Lo Lo, 50
Travel Calibration, 38
Travel Control, Travel/Pressure Select, 18
Travel Deviation Alert, 50
Travel Limit/Cutoff Hi Alert, 50
Travel Limit/Cutoff Lo Alert, 50
Travel Sensor Alert, 49
Travel Sensor Motion, 29
Travel Tuning, 24
Performance Tuner, 26
Stabilize/Optimize, 26
Travel Tuning Set, 24
Travel Tuning Sets, Gain Values, 24
Travel/Pressure Control, 18
Control Mode, 21
Cutoffs and Limits, 19
End Point Pressure Control, 19
Fallback Recovery, 20
Pressure Control, 20
Pressure Fallback, 20
Travel/Pressure Select, 18

Instruction Manual
D103605X012
Index
January 2015
102
Tvl Dev Press Fallback, 20
Tvl Dev Press Fallback Time, 20
Travel/Pressure Select, 18
Fallback-Sensor/Tvl Deviation, 18
Pressure Control, 18
Pressure-Sensor Fallback, 18
Travel Control, 18
Troubleshooting
Checking Voltage Available, 65
Communications or Output, 65
instrument, 66
Tuning, 24
Integral Settings, 27
Pressure, 27
Travel, 24
Tuning Set
Pressure, 27
Travel, 24
Tvl Dev Press Fallback, 20
Tvl Dev Press Fallback Time, 20
U
Units
Analog Input, 17
Pressure, 17
Temperature, 17
V
Valve Serial Number, 17
Valve Style, 28
ValveLink software, 3
Variable Out of Range, 49
Variables, Status & Primary Purpose, 47
Velocity Gain, Travel Tuning, 25
Vibration Testing Method, 7
Voltage Available, 9
checking, 65
W
Weight
DVC6200, 7
DVC6205, 7
DVC6215, 7
Wiring Practices, 9
Control System Requirements, 9
Compliance Voltage, 11
HART Filter, 9
Voltage Available, 9
Maximum Cable Capacitance, 12
Write Protection, 16
Z
Zero Power Condition, 29

Instruction Manual
D103605X012
DVC6200 Digital Valve Controller
January 2015
103

Instruction Manual
D103605X012
DVC6200 Digital Valve Controller
January 2015
104
Emerson Process Management
Marshalltown, Iowa 50158 USA
Sorocaba, 18087 Brazil
Chatham, Kent ME4 4QZ UK
Dubai, United Arab Emirates
Singapore 128461 Singapore
www.Fisher.com
The contents of this publication are presented for informational purposes only, and while every effort has been made to ensure their accuracy, they are not
to be construed as warranties or guarantees, express or implied, regarding the products or services described herein or their use or applicability. All sales are
governed by our terms and conditions, which are available upon request. We reserve the right to modify or improve the designs or specifications of such
products at any time without notice.
E 2012, 2015 Fisher Controls International LLC. All rights reserved.
Neither Emerson, Emerson Process Management, nor any of their affiliated entities assumes responsibility for the selection, use or maintenance
of any product. Responsibility for proper selection, use, and maintenance of any product remains solely with the purchaser and end user.
Fisher, FIELDVUE, ValveLink, PlantWeb, PROVOX, Rosemount, Tri-Loop, DeltaV, RS3, and THUM are marks owned by one of the companies in the Emerson
Process Management business unit of Emerson Electric Co. Emerson Process Management, Emerson, and the Emerson logo are trademarks and service
marks of Emerson Electric Co. HART is a mark owned by the HART Communication Foundation. All other marks are the property of their respective owners.
