Emtron North America DX-2 HF Amature User Manual 308274
Emtron North America HF Amature 308274
Users Manual

OPERATING MANUAL
EMTRON DX-2
HF LINEAR AMPLIFIER
Emtron North America
Distributed Exclusively in North America By:
Emtron North America
6531 Boundary Run Drive

DX-2, Serial No…………
INITIAL SETTINGS FOR PLATE AND LOAD CAPACITORS
TEST
FREQUENCY
BAND FACTORY SETTINGS
50 OHM LOAD
USER SETTING
ANTENNA
PLATE LOAD PLATE LOAD
21.200 MHz 15m
18.100 MHz 17m
14.200 MHz 20m
7.070 MHz 40m
3.600 MHz 80m
1.800MHz 160m
1.850 MHz 160m
1.900 MHz 160m
TABLE 1
TABLE OF CONTENTS
1 GENERAL DESCRIPTION.................................................................................................................................1
1.1 DX-2 – INTERNAL VIEW.............................................................................................................................2
2 TECHNICAL SPECIFICATIONS ......................................................................................................................3
3 UNPACKING.........................................................................................................................................................3
3.1 OPENING THE CARTON................................................................................................................................4
3.2 OPENING THE DX-2 COVER ........................................................................................................................4
4 INSTALLATION I ENVIRONMENT.................................................................................................................4
4.1 REQUIRED ENVIRONMENT ..........................................................................................................................4
4.2 POWER REQUIREMENTS ..............................................................................................................................4
5 REAR PANEL ....................................................................................................................................................... 4
5.1 POWER / EARTH CONNECTIONS...................................................................................................................4
5.2 RF CONNECTIONS .......................................................................................................................................4
5.3 TRANSCEIVER CONTROL .............................................................................................................................4
6 FRONT PANEL.....................................................................................................................................................5
6.1 CONTROLS..................................................................................................................................................5
6.2 DISPLAYS ...................................................................................................................................................5
7 ELECTRICAL CONNECTIONS ........................................................................................................................6
7.1 CONNECTIONS TO TRANSCEIVER / EXCITER ...............................................................................................6
7.2 EARTH AND MAINS CONNECTIONS ..............................................................................................................6
7.3 TERMINATING THE POWER CABLE (EXPORT VERSION) ................................................................................7
7.4 OPERATION AT 230V, 220V AND 200V (EXPORT VERSION)........................................................................7
8 DX-2 DESCRIPTION............................................................................................................................................7
8.1 RF SECTION................................................................................................................................................7
8.2 MAINS TRANSFORMER ................................................................................................................................8
8.3 H. V. POWER SUPPLY .................................................................................................................................8
8.4 SOFT START MODULE.................................................................................................................................. 8
8.5 SENSOR MODULE ........................................................................................................................................8
8.6 ANTENNA RELAY / QSK MODULE...............................................................................................................8
8.7 DISPLAY BOARD .........................................................................................................................................8
8.8 CONTROLLER BOARD..................................................................................................................................8
9 POWERING UP ....................................................................................................................................................9
10 OPERATION .........................................................................................................................................................9
10.1 TUNNING PROCEDURE - ......................................................................................................................9
10.1.1 General........................................................................................................................................................9
10.1.2 Preliminary tuning ......................................................................................................................................9
10.1.3 Final tuning............................................................................................................................................... 10
10.1.4 Potential problems during tuning..............................................................................................................10
10.2 ALC ADJUSTMENT ..............................................................................................................................10
10.3 USING YOUR DX-2 ...............................................................................................................................11
10.3.1 CW / RTTY and all digital modes..............................................................................................................11
10.3.2 Voice modes (SSB) ....................................................................................................................................11
10.3.3 Hints on good linearity and efficiency.......................................................................................................11
11 SWITCHING THE POWER OFF .....................................................................................................................11
12 TROUBLESHOOTING - IF SOMETHING GOES WRONG ........................................................................ 12
12.1 NO POWER ................................................................................................................................................12
12.2 FAN GOES TO HIGH SPEED ......................................................................................................................... 12
12.3 FAN NOT WORKING ...................................................................................................................................12
12.4 IF THE FAULT LIGHT TURNS ON...............................................................................................................12
12.5 OVER-TEMPERATURE CUT-OFF .................................................................................................................12
12.6 OVER-CURRENT CUT-OFF .........................................................................................................................12
12.7 IG2 BLINKS FAST - NO PLATE VOLTAGE ....................................................................................................12
12.8
S
PARKS
/
D
ISCHAR
GES IN
RF
AREA
................................
................................
................................
..........
13
14 GLOSSARY .........................................................................................................................................................13
15 SERVICE .............................................................................................................................................................14
15.1 GENERAL..................................................................................................................................................14
15.1.1 CONTROL BOARD................................................................................................................................... 14
15.1.2 DISPLAY BOARD ADJUSTMENTS .........................................................................................................18
15.1.3 RF SENSOR ADJUSTMENT..................................................................................................................... 19
16 DIAGRAMS AND SCHEMATICS....................................................................................................................21
16.1 DX-2 BLOCK DIAGRAM ...........................................................................................................................21
16.2 CONTROL BOARD CONNECTIONS AND ADJUSTMENT POINTS ...................................................................22
16.3 DISPLAY BOARD ADJUSTMENT POINTS .................................................................................................... 23
16.4 CIRCUIT DIAGRAM – HIGH VOLTAGE POWER SUPPLY ....................................................................24
16.5 CIRCUIT DIAGRAM – AC INPUT AND SOFT START WIRING – U.S. VERSION .....................................25
16.6 CIRCUIT DIAGRAM – RF MODULE .........................................................................................................26
16.7 CIRCUIT DIAGRAM – DISPLAY BOARD ................................................................................................27
16.8 CIRCUIT DIAGRAM – SOFT START – 240 VOLT VERSION....................................................................... 28
16.9 CIRCUIT DIAGRAM – QSK........................................................................................................................29
16.10 CIRCUIT DIAGRAM – CONTROL BOARD ..............................................................................................30
16.11 CONTROL BOARD – COMPONENT LEGEND ...............................................................................................31
16.12 CONTROL BOARD – SOLDER SIDE TRACK WORK ......................................................................................32

DX-2 LINEAR AMPLIFIER
Serial No …………
OPERATING MANUAL
January 2003
CAUTION
1 GENERAL DESCRIPTION
The Emtron DX-2 Linear Amplifier is a 1500 watt carrier output power, for the 160m through 15m amateur bands (7 bands), housed in a desk-top
cabinet with self-contained power supply and cooling system.
It utilises a single high performance tetrode, type GU84B (4CX2500), a ceramic metal tube with a plate dissipation of 2500W. The tube is air cooled by
a commercial grade forced air turbine blower system with 2 speeds, controlled by a temperature sensor. Tetrodes offer exceptionally stable operation
and levels of quality performance far exceeding that which can be expected from triodes. The harmonic output and intermodulation distortion achieved
with this tube are exceptionally low. This is especially important when dealing with a high output power.
The Emtron DX-2 is supplied as standard with a host of features including solid state metering, comprehensive protection systems and extremely long
duty cycle. In addition, a unique Emtron QSK module is available as an option. With this installed, extremely rapid switching times between transmit
and receive are possible, with consequent advantages when using the digital modes.
Operation of the DX-2 is greatly simplified by the absence of meter switching, mechanical displays and front panel level setting controls. The front
panel moving LED display systems indicate plate voltage, plate current, output power, reflected power, screen grid current, ready, overdrive warning,
and high SWR cut-off indication.
The Emtron Electronic Bias Switch (EBS) automatically switches the standing current (typically 0.37 A) off when there is no modulation. This reduces
the average tube dissipation. On initial switch on, the unique Emtron "soft start" circuitry ensures that no damaging AC surge currents are generated.
Professional, fine output tuning adjustment is possible, due to the 6: 1 reduction mechanism fitted.
The DX-2 has been designed for 100% safe operation and long life.
Interlocking sensing circuitry constantly monitors conditions inside the
amplifier. It must be noted however, that the high voltages present inside
the DX-2 are EXTREMELY DANGEROUS. Do not remove the top cover
under any circumstances if any leads are still plugged into the rear of the
amplifier - especially if the AC lead is plugged in the power outlet. Before
any component inside the high voltage, power supply or output section is
touched, unplug all rear panel leads and allow at least 5 minutes of 'off
time'. After that, you should further check this by momentarily shorting the
tube anode to the chassis with a suitable insulated lead.
1.1 DX-2 – Internal View
The main components of a DX-2 amplifier are shown in the picture below.
3
2 TECHNICAL SPECIFICATIONS
FREQUENCY COVERAGE: Complete (manually tuned) coverage of the seven HF amateur bands:
1.800 – 1.900 MHz
3.500 – 4.000 MHz
7.000 – 7.500 MHz
14.000 – 14.350 MHz
18.000 – 18.500 MHz
21.000 – 21.500 MHz
TRANSMITTING MODES: Both continuous and low duty cycle modes are supported. That is, the DX-2 supports SSB, CW, AM,
FM, RTTY and SSTV.
OUTPUT POWER: Typical 1500 watts PEP
DRIVE POWER: Nominal 50-60 watts for full rated output.
INPUT IMPEDANCE: Nominal 50 ohm passive impedance, unbalanced. VSWR 1.4:1 or less.
OUTPUT IMPEDANCE: Tuned circuit, nominal 50 ohm load, VSWR maximum 2.6:1 set by protection circuit.
DISTORTION: Third order intermodulation products are more than 35 dB below rated output.
HARMONICS: Harmonic output is better than 47dB below the rated output.
FAULT PROTECTION: The extremely comprehensive fault protection systems include circuitry to monitor:
• plate current: should the plate current exceed a safe value, the amplifier goes to standby mode for 2 minutes.
• screen grid over-current: Absolute tube protection is offered with visual warning and a reduced power level being enabled if
the screen current exceeds a pre-set limit.
• temperature: Should the tube's temperature exceed a specific level, amplifier operation is suspended until the temperature
drops to a safe level.
OPERATIONAL PROTECTION
• Overdrive protection: Should the DX-2 be overdriven, a LED warning indictor will light up when the linearity limit is
reached. If the drive is increased further, a 2 second cut off (by-pass) will follow.
• SWR protection: Should the DX-2 sense a load impedance with SWR exceeding 2.6:1, an LED warning indicator will light
up, simultaneously with a 3 second cut off (by-pass).
METERING: The front panel moving LED display systems indicate:
• plate voltage
• plate current
• output power
• reflected power
• screen grid current
• ready and fault conditions
• overdrive warning
• SWR cut-off indicator
ALC: Negative going, adjustable output level.
EBS: Electronic Bias Switch - automatically switches the standing current (about 0.37 A) to a lower ("pre-bias") value - when there is
no input drive.
PRE-BIAS: A small current will flow in the tube when the amplifier is keyed on, but there is no modulation. This will prevent a harsh
sound at the beginning of each word, when the EBS is activated and the tube goes through a non-linear zone, before reaching the
correct initial bias.
QSK: is an option that makes possible the antenna switching at very fast rate - typically 3ms switching time in each direction.
FACTORY INSTALLED ONLY.
SOFT START: when switched on, the mains power is gradually applied to the transformer, over a period of about 5 seconds, to avoid
the high in-rush current typical for such high loads (transformer “Bang” and filament over-current).
COOLING: the cooling fan has 2 speeds, with electronic temperature control. Most of the time the fan runs at low speed, for reduced
noise.
OPERATING TEMPERATURE: 0 to 40° Celsius
FUSING: Two 20A fast acting fuses on the rear panel
DIMENSIONS: 435mm wide, 190mm high, 465mm deep WEIGHT: 4lkg (90 lb) unpacked
3 UNPACKING
The DX-2 is packed in a heavy duty package easily sufficient to protect the amplifier during transportation, even in case of fairly rough
handling. The weight of the commercially rated mains transformer does mean, however, that dropping the amplifier would without
doubt result in some damage.
4
3.1 Opening the carton
Save the packing material for possible further re-use. Shipment of your DX -2 in other than factory packing may result in non-warranty
damage.
3.2 Opening the DX-2 cover
An inspection of the interior of the amplifier should reveal no damage or adversely affected components. Remove the 4 screws on each
side and remove the cover. Should there be any form of problem, notify your supplier immediately.
4 INSTALLATION I ENVIRONMENT
4.1 Required environment
The DX-2 amplifier can be operated at an ambient temperature between 0 and 40° Celsius. It should be installed in a place with a good
ventilation and protected from the direct sunlight. At least 5 cm (2 inches) of free space must be left at the rear and left and right, for
ventilation. Do not place any object on top of the amplifier, especially above the ventilation opening.
An environment free of dust, smoke and high humidity is required, as for any high powered RF amplifier. Dust, or particles resulting
from burning fire wood or coal could be responsible for sparks or electrical discharges between the capacitor plates, or in other parts of
the RF section.
4.2 Power requirements
When operating at full power, up to 16A from the 240 VAC mains is required. Ensure that the AC supply you intend to use is fully
rated and properly fused. The Emtron "soft start" circuitry ensures that there are no momentary surges of current at power-up, therefore
the fuse does not need to be over-rated. However, the wiring of the mains supply for the amplifier should be able to handle the power at
full load with minimal drop in the voltage, to insure the performance of your DX-2 does not suffer.
5 REAR PANEL
The following connectors and controls are present on the rear panel
5.1 Power / Earth connections
A wing-nut Earth connection is provided at the rear of DX-2. A good Earth link must be provided here. Connect this first, before
making any other connection to the amplifier. The AC power input is protected by two 20A fuses.
5.2 RF connections
RF INPUT
The RF input is an SO-239 female connector. A 50 ohm coaxial cable line of good quality terminated with a PL-259 coaxial
connector is required to connect the transceiver or exciter output to the input connector of your DX-2 amplifier.
RF OUTPUT
The RF output is also a female SO-239 connector. The use of a high quality RG-8A/U, RG-213 or similar 50 ohm coaxial
cable line terminated with a ‘VHF’ type PL-259 connector is essential. Similarly, a VSWR of 2: 1 or better is
mandatory. Remember too, that the EMTRON DX-2 amplifier can deliver 1.5 kW continuously in the SSB mode. Not all antennas can
handle such power.
5.3 Transceiver control
ALC
The ALC output is via a black female RCA connector.
This is an ALC system for use with transceivers or transmitters having a negative-going ALC system and possessing an external ALC
input jack. A shielded patch lead with an appropriate connector at one end and a male RCA connector for the DX-2 at the other end is
required. Check the specifications of your transceiver for a suitable connection.
PTT
The PTT input is a female RCA connector (red). This line controls the transmit/receive switching system. This jack must be connected
to transceiver or exciter relay contacts which are open on RECEIVE and closed on TRANSMIT. In the standard version (DX-2 fitted
with a l2V antenna relay), the PTT input presents an open circuit voltage of + l2V with respect to the chassis, with an impedance of
about 70 ohm. Therefore, a current of typically 0.17 A must be switched by the transceiver or exciter.
In the QSK version, the voltage at the PTT input is typically 28V (and up to 36V unloaded), with an impedance of about 240 ohm. A
current of about 0.12 A has to be switched in this case.
ALC CONTROL
This is a user-accessible control for setting the negative voltage at the ALC output. Further details are given in section 10.2
5
6 FRONT PANEL
The following controls and indicators are present on the front panel:
6.1 Controls
BAND SWITCH
A nine position switch selects the desired frequency range. The 7 operating bands are indicated in metres. The last two switch positions
are not used in the U.S. version of DX-2. If a special licence is produced, the amplifier can be delivered with all 9 bands operational.
PLATE TUNE
Tunes the amplifier operating frequency. A chart of approximate starting settings is given in Table-1
LOAD TUNE
Tunes the amplifier output loading. A chart of approximate starting settings is given in Table-1
ON/OFF
Switches the AC power on and off. On initial switch on, the standby mode is enabled. Note also the appropriate switch down sequence,
given in Section 11.
OPR/STBY
Enables the amplifier once it has warmed up. In STANDBY mode, the screen voltage is removed and any RF power applied to the
input, is bypassed to the output. If this switch is changed to OPERATE before the READY light comes on, the FAULT light will turn
on. This is not a fault, but it is better to leave the switch in STBY position until the amplifier is ready to operate.
6.2 Displays
All the DX-2 indicators are concentrated in a single, solid state, "moving LEDs" display (See drawing). The following parameters are
displayed (top to bottom):
Output Power - Scale up to 2kW. Yellow LEDs, with red indicating power over 1.5kW.
Reflected Power - Scale up to 250W. The colour is green, yellow and red, indicating progressively higher reflected power and possibly
problems with your antenna.
Ig2 - Zero-centred display. The left (green) side has a full scale of about 25 mA of negative screen current. The right (red) side has a
full scale of about 50 mA of positive screen current. Above this value, the red LEDs will flash, warning you to increase the loading, or
reduce the drive. At about 60 mA, the protective current limiting will cut in.
Plate Voltage - Scale up to 3.3kV, green.
Plate Current - Scale up to 2.0A. Yellow, with a green zone indicating the standing current bias (when EBS is disabled only. NOTE:
the factory adjustment could be slightly different from the green zone indication). The area above 1.8A is red. It indicates excessive
plate current, due to high drive level and improper tuning (especially plate tuning - see "Tuning" chapter, Section 10.1).
ON Air - single LED, green. When pressing PTT, this LED turns on (while in OPERATE)
READY - single LED, yellow. Turns on at the end of warm-up period, when the mains power to DX-2 is switched on. It turns off for
about 2 minutes if the plate current protection is triggered. In this case, the FAULT light also turns on (if switch on OPR).
FAULT - single LED, red. Turns on in 3 situations:
when the over-temperature protection is triggered, the FAULT turns on until the tube cools to a safe level. During this time,
the operation of the amplifier is disabled, the screen voltage is off and any RF power applied to the input is bypassed directly to
the output.
when the over-current protection is triggered, FAULT turns on for 2 minutes, while READY turns off
at DX-2 power up, if the OPR/STBY switch on the front panel is left in OPR position. The FAULT light will go off when
the DX-2 is ready for operation, after warm-up.
SWR - single LED, red. A three second cut-off will happen if your antenna has a SWR worse than 2:1 (typical 2.6:1) at the operating
frequency. During the cut-off, the RF from the input is directly by-passed to the output.
OVER-DRIVE - single LED, yellow. Flashes when the input drive is exceeding the linear operation level. If even more drive is
applied, the overdrive protection will cut off (by-pass) the operation for about 2 seconds.

6
Figure 1. DX-2 Front Panel Display
7 ELECTRICAL CONNECTIONS
7.1 Connections to Transceiver / Exciter
Signal connections
Before making any connections, ensure that DX-2 is not connected to AC power, and the transceiver is not transmitting. Connect the
antenna first to the DX-2 output. Then connect the transceiver output to the DX-2 RF input. Plug the PTT lead into the RCA socket
marked PTT on the rear panel. If required, connect the ALC.
The most appropriate interconnection layout is shown in Figure 1 below. In this set-up, the transmit/receive relays in the DX-2 are
controlled directly by the transceiver or exciter.
Figure 2. Connections between DX-2 and station transceiver
7.2 Earth and mains connections
Power connections
Before connecting any power to the amplifier, make a good Earth connection to the screw with wing nut at the rear of DX-2. Make sure
the POWER switch on the front panel is in the OFF position. Then plug the power cable into the power point.
RF OUTPUT POWER
(
kW
)
REFLECTED POWER
(
W
)
PLATE VOLTAGE
(
kV
)
PLATE CURRENT
(
A
)
I
g
2
OVE
R
DRIVE
ON AIR
READY
SWR
FAULT
EMTRON
DX-2
STATION
TRANSCEIVER
RF IN RF
OUT
TO
ANTENNA
ALC ALC
PTT
Relay
In
p
ut
PTT
Relay
Out
p
ut

7
7.3 Terminating the power cable (export version)
As different countries have different standards for their power connections, all DX-2 amplifiers exported from Australia are supplied
with un-terminated power cables.
The green/yellow wire is connected to the amplifier chassis and MUST be connected to the safety ground of the AC mains supply. It
must NEVER be connected to one of the AC 'hot' wires. The brown and blue wires connect to the mains transformer input. The brown
wire is the "active", or "live". The blue wire is the mains neutral. Both wires are fused.
7.4 Operation at 230V, 220V and 200V (export version)
The Emtron DX-2 will normally arrive pre-set for the power source of the country the amplifier has been sold to. However if operation
to another mains voltage is required, the appropriate connection changes will be needed.
Figure 2 shows the transformer connections for 200V, 220V, 230V and 240V operation. If a change is required, this should be done
only by a qualified technician, after taking all the necessary safety precautions. See CAUTION on page 1.
PLEASE NOTE: The DX-2 should not be connected to a mains supply of less than 200V AC !
Figure 3. DX-2 Transformer AC Input Connections
8 DX-2 DESCRIPTION
8.1 RF Section
The RF section occupies the right hand side of the DX-2 (looking from the top - front). See picture in 1.1.
RF Switch and tuned circuits
At the front of the amplifier are two variable capacitors, for plate and load tuning and a band switch. Next to the switch is the “Pi” coil.
The “L” coil is wound on a ferrite torroid.
RF Sub-chassis
The GU84B tube is positioned on a separate RF sub-chassis. All the connections to the tube, except for the plate, are under this sub-
chassis. A 9-way heavy duty connector is used for inter-connections. The fan blows air into this sub-chassis, which is forced out
through the ventilation fins of the tube. The air temperature is sensed by two sensors placed above the tube. The sensors must stay in a
position close to horizontal. Make sure you are not pushing them down, too close to the tube, as high voltage exists between them. The
plate is connected to the RF network and to the choke supplying the 2500VDC voltage to the plate of the GU84B tube.
0
0
0
0
240
230
220
200
FAN
FAN
FAN
FAN
240
240
240
230
230
230
220
220
220
200
200
200
240 volt:
230 volt:
220 volt:
200 volt:
8
8.2 Mains transformer
The transformer is the heart of the amplifier, a high performance type, designed to reduce the size and weight. It is built with a
generous reserve of power, handling easily the DX-2 requirements in continuous operation. The primary can be wired for 200VAC,
220VAC, 230VAC or 240VAC operation. See Figure 2. There are several secondary windings, as follows:
Filament supply
Low voltage supply to the controller board
QSK module supply
Bias supply
Screen grid supply
High voltage supply
8.3 H. V. Power Supply
A full wave bridge rectifier and filter converts the high voltage AC into high voltage DC with a huge reserve capacity of 58
microfarads.
8.4 Soft start module
At power up, the mains power is gradually applied to the transformer by the soft start module. The power is gradually applied over a
time of about 5 seconds, avoiding the high inrush current typical for such big loads.
8.5 Sensor module
A small metal box positioned at the output of the DX-2. It detects the forward and reverse power, for measurement and display, as well
as for SWR monitoring and to activate the protection, when needed.
8.6 Antenna relay / QSK module
In the standard DX-2, the antenna relay is controlled by the transceiver, via the control board. It switches the antenna between the
transceiver, during reception, and amplifier, during transmission. It is also used to bypass the RF from the transceiver, directly into the
antenna, when the amplifier is in standby mode, or during special conditions like overdrive, bad SWR or other error conditions.
When the QSK option is installed, this is a module with two very fast, high power vacuum relays, and the control circuitry. The
purpose of QSK is to allow very fast switching between transmit and receive, during digital communications. See Annex 1 showing
oscilloscope displays of fast switching times and contact bounce-free operation of the QSK module.
8.7 Display board
This board has a number of inputs where various voltages are connected. The board converts these voltages into a "moving LED" type
of display. Two of these displays have flashing light indication (Ig2 and plate current).
8.8 Controller board
The brain of the amplifier is the Controller Board. The following circuitry is part of this board:
Bias voltage regulator, also incorporating a sensitive grid current detector for overdrive detection . Adjustable pre-bias,
removes the distortion at the beginning of the word, when EBS is activated.
Screen voltage regulator, with adjustable voltage and adjustable current limiting, for tube protection.
Overdrive protection and timer - based on detecting grid current, it initially gives visual warning and, at higher level of
overdrive, it cuts off the amplifier for 2 seconds. It ensures a clean signal, making it virtually impossible to overdrive the DX-
2
SWR detector and timer - switches the amplifier to bypass mode for about 3 seconds when high SWR is detected.
Adjustable SWR level. Factory adjusted to about 2.6: 1
EBS - the Electronic Bias Switch - senses the presence of RF input power and turns on the bias to start transmission.
Factory adjusted for about 0.5W. When the input power exceeds this limit, the plate current starts flowing. When there is no
speech, even for a very short time, the tube dissipation is cut to a low value, as set by the pre-bias adjustment.
Interlocking, timer for filament warm-up
Relay control: ready relay, SWR relay, over-drive relay, antenna relay
QSK switching control
Display control: Ig2 measurement and display, SWR cut-off display, overdrive warning display, READY display, FAULT
display
Logic circuitry, low voltage supply to the various electronic circuits

9
9 POWERING UP
Before switching the power on, check all the necessary connections: Earth, Antenna, Transceiver, PTT, ALC (if used). Make sure the 2
switches on the front panel are in the positions: OFF, STBY.
Switch now the mains power ON (The power switch to ON position). The "soft start" system will take about 5 seconds to fully turn the
power on. After 5 seconds, the display will indicate the plate voltage, typically 2450 V. The FAULT light will turn on briefly, then off.
Wait for the DX-2 to warm up, until the READY light turns on.
This takes about 2 - 3 minutes. This is a minimum required. If you are not in a hurry, give it another minute or two before transmitting.
WARNING!
WHEN YOU SWITCH THE POWER ON, YOU MUST HEAR AIR FLOW NOISE.
IF THERE IS NO AIR FLOW NOISE, SWITCH THE POWER OFF IMMEDIATELY
AND CONTACT YOUR SUPPLIER
10 OPERATION
10.1 TUNNING PROCEDURE -
10.1.1 General
For each band and operating frequency, the transceiver settings must match the position of the BAND switch on the front panel of the
DX-2, while the PLATE and LOAD knobs must be adjusted for optimum operation which gives – in conjunction with the input drive
level, the maximum output power that can be obtained for that input power. When the tuning is correct, this will also result in a
minimum plate current, minimum plate dissipation and good linearity.
10.1.2 Preliminary tuning
• Turn the BAND switch to the same band setting as the transceiver. (Also, make sure the right antenna is used).
• Put LOAD and PLATE knobs in the initial positions given in Table 1.
• DX-2 must be powered ON and "Ready", with the OPR/STBY switch in OPR position.
• Start with the transmitter at minimum power, in a "carrier" mode e.g. RTTY or CW - key down.
• Key the transceiver ON and gradually apply power to the DX-2. When 0.5 to l W of drive is reached, the EBS is activated and
the plate current jumps from zero to about 0.3 - 0.4A
• Increase the drive until there is some output power indicated. If the current plate Ip reaches about l A and there is still no
output indication, turn PTT off and check the connections, the band and the initial settings.
• As soon as there is any power indication, tune PLATE for maximum output (and minimum plate current).
• Apply more drive and adjust PLATE again for maximum output. Keep PTT ON for short time only (about 10 seconds). Go
gradually, in several steps. When about 700 - 1000W output is reached, adjust LOAD for maximum output. If there is no red
Ig2 indication, it is likely that LOAD needs to be turned clockwise, towards higher numbers on the dial.
• Apply more drive and adjust both knobs again. When screen current appears (red Ig2 indication), increase loading by turning
anti-clockwise the loading capacitor. (LOAD towards lower numbers on dial) until Ig2 drops almost to zero. Then adjust
PLATE for maximum output power and maximum Ig2. At this point, Ig2 is the most sensitive indicator of resonance on
the working frequency. If Ig2 goes too high (e.g. starts blinking), increase the loading again, then tune PLATE.
• Repeat the above steps, while gradually increasing the input drive power, until the overdrive indicator just starts turning on.
Now the DX-2 is tuned for operation at full power on that particular operating frequency.
NOTES:
1. The maximum power is obtained from a DX-2 when:
onset of the overdrive indication
PLATE is tuned for maximum output power, maximum screen current Ig2 and minimum plate current, Ip
Ig2 indicator shows 2 or 3 red LEDs.
2. The above conditions will also give the best linearity.
3. During the preliminary tuning, switch PTT on and off several times, to allow time for tube cooling. The tube dissipation (at a given
drive level) is minimum when tuning is optimum. In short, be brief, with tuning "bursts".
4. Preliminary tuning, as described above, is only necessary when operating for the first time in a certain band. When the final settings
for PLATE and LOAD have been found for the particular working conditions - especially the antenna used, note your settings on
Table 1. The new settings will normally differ to some extent from the ones indicated, depending on the "purity" of your antenna load.
Note that the settings (especially LOAD) will be different at lower output power – See “Tuning for less than full power”.
10
10.1.3 Final tuning
Once the preliminary tuning has been done for each band / antenna combination, the values found for PLATE and LOAD can be used
for final tuning, with no need to repeat the preliminary tuning every time.
Tuning for full power
• Start with low drive level and the PLATE and LOAD knobs in the known initial positions
• Put PTT ON and increase the power (fairly quickly), to the onset of the overdrive indication. If the screen current (red Ig2)
goes too high, adjust LOAD, by turning the knob to the left (increasing the load).
• Adjust the drive level and LOAD until the overdrive indicator is just about to turn ON, and at the same time Ig2 shows two or
three red LED's ON.
• Fine tune PLATE for maximum output and maximum Ig2.
• Repeat the last two steps above if required.
Tuning for less than full power
• Start at low power, with the initial values for PLATE and LOAD
• Put PTT ON and apply drive until the output is about 1/2 of the desired power.
• Adjust LOAD for maximum output. Most likely, the knob will have to be rotated to the right, towards higher numbers on the
dial.
• Adjust PLATE for maximum output
• Apply more power
• Repeat the 3 steps above until the required power is achieved. If screen current is indicated by Ig2, is should, display two or
three red LED's. Maximise this Ig2 indication (and the output power at the same time), by tuning PLATE
• If the output goes higher then desired, reduce the drive and re-tune. Never reduce the output by de-tuning the amplifier!
NOTE: If the output is low (say, less than about 700W), Ig2 will never show any screen current at all. Ig2 might even indicate a
negative current, in green - this is normal and is no cause for concern).
However, if there (green) negative current indication, usually this will go away with better tuning of the PLATE control.
If there is no Ig2 red indication., simply rotate LOAD to the right in small steps, and each time maximise the output by turning PLATE,
until the highest possible maximum in the output power is achieved.
10.1.4 Potential problems during tuning
The tuning operation. should be completed fairly quickly. If the tuning process takes a longer time, it should be done by switching the
transmission on and off several times, to allow the tube time to cool.
• If the fan changes to high speed, the operation can continue, as there is ample reserve of cooling power. However, it is the best
to make a pause (about 1 minute will be sufficient) and wait for the tube to cool.
• If the FAULT light comes on, it is possible that the plate current has reached too high values due to incorrect plate tuning. In
this case, reduce the excitation power, wait for the FAULT light to turn off (about 2 minutes) and resume tuning.
• If the overdrive protection is activated, by cutting off the amplifier for 2 seconds. It is likely in this case that you are applying
too much power at the input. Reduce the power and watch the "overdrive" LED. Increase the power only until this light starts
flashing.
• If the SWR protection cuts in - it is likely that your antenna is not a good 50 ohm match at the operating frequency. In
principle, the SWR protection level in DX-2 is adjustable, but it is far preferable for you to fix your antenna.
10.2 ALC ADJUSTMENT
The DX-2 can be operated without any ALC connection. However, if you wish to use it, and your transceiver has an ALC input, then
the potentiometer on the rear panel must be adjusted. This adjustment is not critical, since its voltage output is zero under normal
operation and it increases sharply (towards a negative value - up to -11 V), when the overdrive limit is approached. The ALC in DX-2
amplifier is not a conventional design, this circuit operates for only one reason - to prevent overdriving and to keep the signal clean.
To adjust the ALC potentiometer:
• Turn the potentiometer initially all the way to the right (minimum ALC voltage)
• In CW mode, after tuning, apply increasingly higher drive, until the "overdrive" LED just starts to turn on
• Increase the drive slightly more, to have the light fully on, but make sure the DX-2 overdrive protection does not cut you off.
At this power level, adjust the ALC potentiometer to the left, until the transceiver drops its power output.
Alternatively, in voice mode, increase the RF gain or the microphone gain until the overdrive led is flashing at peak of modulation.
Then, increase ALC (rotate potentiometer to the left) until the transceiver begins to limit the drive to DX-2.
NOTE: Some types of transceivers (e.g. YAESU FTI00MP, FT920 and others) are not compatible with this type of ALC. They require
an ALC signal proportional with the output power. DX-2' s ALC is zero until the drive reaches the over-drive limit, when the negative
voltage increases sharply. YAESU operating manual indicates that this type of ALC might not work well with their transceivers, since
grid current could be generated by amplifier mis-tuning not related to excessive drive conditions. If this is the case, simply do not
connect it.

11
10.3 USING YOUR DX-2
While tuning and adjusting the amplifier, a CW mode is normally used. When these operations are finished, you can change to the
operating mode you wish to use and start operating.
10.3.1 CW / RTTY and all digital modes
In CW, the setting up of the amplifier is similar to that of the tuning mode. After adjusting the input power level to the amplifier,
according to the desired output level, and tuning the plate and load capacitors, you can simply start operating by applying the same
carrier level as during tuning. If the amplifier is set to deliver full output power, or close to, then screen current will be present. As in
the case of tuning, the best operation is achieved when there is a certain amount of screen current flowing, corresponding to two or
three red LED's turning on in the Ig2 display.
10.3.2 Voice modes (SSB)
When a voice modulation is applied to the amplifier, the drive level is not precisely defined, as in the case of tuning with continuous
carrier. If there is screen current flowing, or an input overdrive, they will be indicated only at peak of modulation, by the respective
indicators flashing. You will have to adjust the microphone gain, or the RF drive, or both, in an attempt to achieve input driving
conditions similar to those you have used while tuning. Occasional flashing of the overdrive indicator is acceptable. If the over-driving
is severe, a momentary cut-off will occur.
10.3.3 Hints on good linearity and efficiency
Operating with good efficiency: If you are watching the plate current indicator, you must be aware that the total power the amplifier is
drawing from the mains is proportional to the plate current. Power that is not sent to antenna, is dissipated by the tube. As explained in
the Tuning section, the best tuning achieves a maximum power output at the same time with a minimum plate current, drastically
minimising the tube dissipation. Be aware that at a low power level, slightly different tuning is required than is for full power.
Achieving the best linearity: The amplifier must be tuned and operated all the time in the linear mode. This is important because a non-
linear operation will generate harmonics which will disturb RF communications in other bands and frequencies.
We must distinguish two situations:
Less than full power.
With less then full power (say 1000W or less), correct tuning, no screen current and no input overdrive indication, you will always
have your DX-2 operating with a good linearity and clean signal.
Full power operation.
At full power, there are two things that must be watched to see when you reach the limit of linear operation: the screen current, Ig2, and
the grid current, indicated by the "Over-drive" LED.
In this case a good linearity is maintained up to the moment when the screen current is approaching the full scale value of the Ig2
indicator and it starts flashing, or when the overdrive indicator begins to turn on.
A high screen current, indicated by 4 LED's on in the Ig2 display, will create a moderate level of distortion.
Even a small amount of grid current will cause severe distortion. When the "Over-drive" indicator just begins to turn on, there is
already a small amount of distortion, created by a grid current of about 100 microamperes.
With this indicator flashing, you are at the limit of the RF carrier clipping. This is probably more acceptable in a voice mode of
operation. In CW or digital modes, the best is to slightly reduce the drive, just below this level. A severe level of over-driving is not
possible anyway, due to the cut-off protection. The cut-off will happen at about 400 microamperes of grid current.
See the Appendix 2 and the Troubleshooting section for oscilloscope displays showing examples of a two tone generator driving the
DX-2 in linear mode, and an overdrive situation, when a DX-2 with the overdrive protection disabled is being overdriven by the two-
tone generator.
The Ig2 indicator should have two to four LED's flashing on at peak of modulation. This (combined with a correct plate tuning),
indicates an optimum loading, good efficiency and good linearity. A lower screen current, due to excessive loading, will reduce the
output power, with an equal amount of extra power dissipated by the tube. A higher screen current, making all four LED's in the Ig2
flashing, will increase the distortion.
11 SWITCHING THE POWER OFF
When you have finished using the amplifier and you want to switch it off, the following procedure is recommended:
Stop transmitting.
Put the switch on STBY.
Leave the DX-2 running idle for a few minutes, to cool the tube, then switch the power off.
12
12 TROUBLESHOOTING - If something goes wrong
12.1 No power
• When you switch on a DX-2, it takes about 3 - 5 seconds for the lights on the front panel display to come on. This is due to the
"soft start" circuit. If nothing happens after turning the power on, switch off at the front panel, then check the following:
• make sure the power outlet has power
• make sure the power plug is fully pushed in into the power outlet.
If it is still not working, unplug the power cord from the mains, then remove the fuses from the fuse holders on the rear panel of DX-2
and check them with an ohmmeter.
• If a fuse is blown, replace it with a fuse of the same type and try again.
• If the fuse blows again, or if the fuses were not blown in the first place, contact your supplier.
12.2 Fan goes to high speed
This could happen especially during tuning, or when the ambient temperature is high. It could also happen when the ventilation is
restricted, for example by blocking the openings at the back, sides or on the top of the amplifier. In normal operation, with correct
tuning, the DX-2 should be able to handle the maximum power with the fan still running at low speed. Usually driving the amplifier
with high power and bad tuning can make the fan to go high speed. When this happens, the tube temperature is nominally 120° Celsius.
This offers a margin of 30°C before a temperature cut-off occurs, and way below the tube rating, of 200°C. That means you can
continue to operate the amplifier with the fan at high speed, but the best is to let it idle until the fan drops back to low speed. This
usually takes less than one minute.
12.3 Fan not working
As soon as you switch the power on, you should notice two things about your DX-2: the display should indicate about 2500V of plate
voltage, and you should be able to hear the fan running. The amplifier is not supposed to be powered without the fan, even in idling
mode. If the fan does not operate when you power up, or if it stops while using the amplifier, switch the mains power off immediately
and contact your supplier.
12.4 If the FAULT light turns on
The FAULT (red) light turns on in two situations:
• Over-current in the plate circuit
This could happen due to a flash-over in the tube, or as a result of a momentary high plate current during tuning. This completely
disables the amplifier for about 2 minutes. The same timer is activated as when the amplifier is switched on, causing the READY light
to turn off. If the OPR/STBY switch on the front panel is put on STBY, the FAULT will turn off, but the READY will be also off.
When the READY comes on again, the FAULT will disappear (if the amplifier was left in OPR), and the DX-2 is ready to operate
again.
• Over-temperature cut-off. See below.
12.5 Over-temperature cut-off
This would normally happen after a change of the fan to high speed. The operation of the amplifier is disabled, but the timer is not
activated. The FAULT light turns on.. When the tube cools down, the FAULT turns off and the operation can resume. This type of
fault should never happen. DX-2 has a very efficient air cooling system. When the ventilation is not restricted, in normal ambient
conditions, when properly tuned, a DX-2 can operate at full power for extended periods of time, with the fan not even going to high
speed. The temperature cut-off happens when the tube reaches 150º Celsius, with ample safety margin to the specified limit of 200ºC
for the GU84B tube.
12.6 Over-current cut-off
If the plate current exceeds even for a brief time a pre-set safe limit, an over-current detector will activate the power up timer, disabling
the amplifier for about 2 minutes. During this time the READY light is off, and the FAULT light is on, if the amplifier is left in OPR
mode, as explained under 12.4, "If the FAULT light turns on".
12.7 Ig2 blinks fast - No plate voltage
If the high voltage is lost due to a fault in the amplifier, the screen current tends to reach very high values. This is an unlikely situation,
but if did happen, this would normally guarantee a tube failure in unprotected amplifiers that do not have a current limiting circuit. The
screen current limiting in DX-2 is so efficient, that the tube is fully protected even in such a situation and test bench DX-2's have been
extensively run with no plate voltage and maximum screen voltage, with no effect on the tube. If this loss of high voltage should
happen to your DX-2, the Ig2 display will have the red LEDs flashing, due to the screen current exceeding the pre-set limit, with no
input power applied to the amplifier, while switched to OPR.
In such a case, it is possible that the high voltage is still shown on the display, but it does not reach the tube. In any case, this is a major
fault. Put the amplifier on STBY and the flashing will stop. Then switch the power off and contact your supplier.
13
12.8 Sparks / Discharges in RF area
Very high RF voltages are present in the amplifier during the operation at high power. Incursion of dust or even suicidal insects can
cause such temporary problems.
12.9 SWR cut-off
The factory adjustment for SWR protection is about 2.6: 1. This adjustment can be changed, but the best is to operate with a properly
matched antenna. Should your DX-2 'see' bad SWR, it will shut down for 3 seconds (in bypass mode).
12.10 Frequent over-drive protection cut-off
As previously described in the tuning and operation sections, there is a protection acting on DX-2 input overdrive. When the drive
reaches the limit where signal distortion begins to occur, the overdrive indicator on the front panel will warn you to reduce the drive. If
you increase the drive even further, a cut-off protection is activated.
After about 2 seconds of amplifier bypass, the operation is resumed, but if you have not reduced the drive, the protection will be
activated again. To stop it, you must reduce the input power drive. This protection is not adjustable, you must not exceed the limit. If
this happens too often, you obviously do not have a fine control over the transmit level of your transceiver. In this case, try using the
ALC, See section 10.2.
12.11 Tube replacement
It is very unlikely that you will ever need to replace the GU84B. If there is a need for that, the tube is easy to replace, but a bias
adjustment is required for the new tube. See the service section of this manual.
13 WARRANTY I SERVICE
The full FOUR YEARS warranty for DX-2 amplifiers covers all parts and labour, except for the tube. The tube is under a limited
warranty, also for FOUR YEARS.
14 GLOSSARY
AC Alternating Current
ALC Automatic Level Control
AM Amplitude Modulation
CW Continuous Wave
DC Direct Current
EBS Electronic Bias Switch
FM Frequency Modulation
HF High Frequency
LED Light Emitting Diode
PEP Peak Envelope Power
RF Radio Frequency
RTTY Radio Tele Type
SSB Single Side Band
SSTV Slow Scan Tele Vision
SWR Standing Wave Ratio
VAC Volts, Alternating Current
VDC Volts, Direct Current
WARC World Administrative Radio-communications Conference
VSWR Voltage Standing Wave Ratio

14
15 SERVICE
15.1 General
All Emtron amplifiers are built in a modular for. Most modules are common for the entire DX-n range.
This makes it easier to service the amplifier. However, this should only be attempted by suitable qualified people, with proper tools and
test equipment. Apart from the damaged that could be caused to the amplifier by unqualified intervention, the high voltages and
high RF power present in these amplifiers makes them extremely dangerous. Extreme care is recommended event to those very
experienced in this area.
The following pages describe the main adjustments required on the DX-2 linear amplifier.
15.1.1 CONTROL BOARD
This procedure refers to adjustments made to the board already installed in the amplifier.
This would be required, for example, after replacing the tube or after certain repairs.
After a tube replacement only one or two adjustments are required: BIAS and (if EBS used): PRE-BIAS
15.1.1.1 PRE-BIAS ADJUSTMENT (Adjustment: POT7, marked PRE_BIAS)
The pre-bias is required when the Electronic Bias Switching (EBS) is used. If the EBS link is kept in OFF position, the pre-
bias does not need to be adjusted. PRE-BIAS must be adjusted before BIAS.
When EBS is activated (the default situation), keying the amplifier causes the plate current to stay cut off (as if the PTT
was off), until a small amount of drive is applied. The “Pre-bias” establishes a small plate current as soon as PTT is on.
The transition to full on is then less abrupt, while the tube dissipation is still reduced by using EBS.
PTT Off: Ip = 0
PTT On (no drive) and EBS on: Ip = Ipb (pre-bias current)
PTT On (no drive) and EBS off: Ip = Ip0 (standing current)
PROCEDURE:
Remove the cover and connect a voltmeter (+) to the test point TP2 (top corner). (-) to the chassis.
Make sure the EBS link is in the lower position (EBS ON).
With the amplifier running, wait the warm-up time. When READY, put OPR switch on and key the amplifier with NO
INPUT DRIVE. Read the voltage at TP2. Adjust POT7 (PRE-BIAS) to obtain the desired pre-bias current.
Recommended pre-bias currents (POT 7, PRE_BIAS):
DX1b: 10 to 30 mA 10 to 30 mV on the voltmeter Clockwise to reduce current
DX2 and
DX2SP:
15 to 40 mA 15 to 40 mV on the voltmeter Clockwise to reduce current
DX3: 20 to 60 mA 10 to 30 mV on the voltmeter Clockwise to increase
current
NOTE: the pre-bias current is not critical.
15.1.1.2 BIAS ADJUSTMENT (Adjustment: POT3, marked BIAS)
Adjust Pre-Bias before adjusting Bias.
This adjusts the plate standing current, with the EBS Off and the amplifier keyed with NO INPUT DRIVE.
PROCEDURE:
Remove the cover and connect a voltmeter to the test point TP2 (top corner).
Put the EBS link is in the upper position (EBS Off).
With the amplifier running, wait the warm-up time. When READY, put OPR switch on and key the amplifier with NO INPUT
DRIVE. Read the voltage at TP2. Adjust POT3 (BIAS) to obtain the desired bias current.
CAUTION: With a new tube, start at a low plate current. Rotate POT3 for minimum current before keying the amplifier.
With the adjustment in the wrong position, the plate current could reach very high values.
During this adjustment there is no output power. All the power taken from the high voltage supply is dissipated by the tube.
Be brief and quick. Put PTT on for a few seconds, then on. Repeat several times until the desired standing current is
achieved.

15
Recommended bias currents (POT3, BIAS):
DX1b: 290 to 310 mA 290 to 310 mV on the voltmeter Clockwise to reduce current
DX2 and
DX2SP:
370 to 380 mA 370 to 380 mV on the voltmeter Clockwise to reduce current
DX3: 740 to 760 mA 370 to 380 mV on the voltmeter Clockwise to increase
current
NOTE: After adjustment, move the EBS link back in the ON position (default) if EBS is desired.
The above 2 adjustments are required when changing the tube or when changing the control board.
The remaining following adjustments are pre-adjusted with a new control board and normally there is no need to change
them. A possible exception could be the SWR protection which might require some fine tuning after changing the control
board or the RF sensor module, but usually the factory pre-adjustment is close enough. Also EBS might need adjustment
depending on the personal preference of the operator.
15.1.1.3 SWR Protection adjustment
Adjustment: POT5, marked SWR.
This adjustment require a special jig with a load made of 2 non-inductive, high power resistors (at least 300W).
They can be switched between 130 ohm and 140 ohm. With a 50 ohm output these 2 loads give an SWR of 2.6:1 and
2.8:1 respectively. The adjustment is nominally for a ratio of 2.7:1 to trigger the protection in the form of antenna by-pass.
Usually this adjustment is performed on 20m (14.200 MHz) at full power.
With a 50 ohm dummy load, transmit and adjust for full power (or close to full power).
Stop transmitting and replace the 50 ohm dummy load with the special dummy load described above.
Switch the dummy load to 140 ohm and key the amplifier for just one second.
If the protection wasn’t activated immediately, increase the sensitivity (Rotate clockwise for DX-1, DX-2, and DX-2SP and
anti-clockwise for DX-3).
Repeat applying power for a short time only, until the protection is triggered.
Switch the special dummy load to 130 ohm and repeat. This time the protection should not trigger. If it triggers, reduce the
sensitivity. Try several times using 130 and 140 ohm load. The protection threshold should be between these 2 values
(135 ohm, corresponding to 2.7:1 SWR).
15.1.1.4 EBS ADJUSTMENT (Adjustment: POT4, marked EBS).
Usually this adjustment is performed on 20m (14.200 MHz), but it can be done on any band.
Transmit into a dummy load or antenna.
Apply very low input drive.
With the EBS activated (with the EBS jumper in the lower position, or ON):
Checking the existing adjustment: increase slowly the input drive, starting from zero, until the EBS system activates the
amplifier. This can be checked by watching the plate current or the RF output power or the current or power taken from the
AC mains. Any one of these can be monitored and a jump in reading happens when EBS switches.
Check that this happens for an input drive between 0.5 – 1 Watt.
Adjusting EBS: if the adjustment is not correct or you prefer a lower or higher setting, apply the desired amount of power
and then adjust POT6 until you find the limit where the EBS activates.
NOTE 1: a higher threshold is likely to give reports of the beginning of the words being cut off. If this is the case, a lower
threshold (higher sensitivity) can be used.
A low threshold can make the EBS activate erratically, for example due to the ambient noise of in the room, or even due to
the noise generated by the fan. This is not a problem in itself, except that the tube will dissipate extra power during the
times when you hold the key down but do not speak (eg between the words, while speaking). However, these moment are
usually brief and it won’t make much difference.
NOTE 2: for factory adjustment, a negative voltage with the value of 1.6 V is applied to the RFIN pin on the control board
when this board is checked, then the adjustment is only checked with RF when the amplifier is tested.
16
15.1.1.5 SCREEN VOLTAGE ADJUSTMENT (Adjustment: POT2, marked SCREEN)
The screen voltage can be measured on the pin marked EG2 on the control board (close to the jumper EBS, this pin has a
blue wire connected to it; in DX-3 it is easier to measure on either side of R18).
The nominal adjustment is 356V unloaded.
NOTE: the screen voltage does not need adjustment unless the value was altered by somebody.
15.1.1.6 SCREEN CURRENT LIMIT ADJUSTMENT (Adjustment: POT1, marked IG2LIMIT)
Do not adjust this potentiometer, it has been factory adjusted and there is no need to change.
With the amplifier switched off or on STANDBY, remove the blue wire on pin EG2.
Connect an analogue mA-meter with a 100 mA full scale range (+ to the control board) and then (-) to an adjustable
resistive load with a range from 3-5 kohm to about 20 kohm (this jig is also required for the display board adjustment, it is
convenient to adjust the ig2 indicator at the same time). The other end of the resistor goes to the chassis.
The power rating must be 20 – 25 W (short time loading only).
Connect also a voltmeter to measure the screen voltage.
Put the front panel switch on OPR.
Start with a higher value (20 kohm) of the resistor and reduce the resistance gradually. At 10 kohm the reading will be
about 35 mA.
Continue reducing the resistance until the current reaches about 60 – 70 mA. The screen voltage must drop to about 300
V or less under this load.
If not, adjust POT1.
NOTE 1: While adjusting ig2 limit, the ig2 indicator on the display board can also be checked / adjusted at the same time.
NOTE 2: IG2 LIMIT can be checked / adjusted also by simply putting a mA-meter in series with the blue wire connected to
the EG2 pin on the control board. While operating the amplifier at full load, by rotating the LOAD knob, IG2 can be varied
and the screen voltage can be measured. This way the current limit of the screen regulator and the ig2 indicator on the
front panel can be checked quickly, without the need for a special load.
However, the amplifier has to be opened and wires used to extend the screen voltage connection to the blue wire to an
external current meter and volt meter.
15.1.1.7 7. IPTRIP ADJUSTMENT (Adjustment: POT6, marking: IP TRIP)
This is the sensitivity of the high plate current protection (cut-off).
When the plate current exceeds the adjusted limit, even for a very short time, the start-up timer is reset. The screen
voltage is cut off and the FAULT light turns on. To make FAULT light go off, the amplifier must be put on STANDBY. If left
on OPR, the operation will resume automatically at the end of the (about) 2 minutes warm-up time. During this time, any
RF power applied to the input is bypassed into antenna.
Connect a DC supply to pin TP2 on the control board (in the top corner).
With the amplifier powered and the READY light on, put the front panel switch on OPR.
Apply a current gradually increasing from zero and check that the protection is triggered at about 1.85 A of current. When
this happens, the FAULT light will turn on.
If the current value found is much different from 1.85 A, adjust POT6.
To repeat the adjustment or checking, you need to wait every time for the READY light to turn on again (about 2 minutes).
To speed up, the resistor R20 (5.6 Mohm) can be paralleled briefly with a lower value resistor (1k – 100k). Touch R20 with,
say 10 kohm in parallel and the Ready light will turn on immediately.

17
BIAS
(Ip0)
BIAS
PRE-BIAS SWR
SCREEN
VOLTAGE
EBS
SENSITIVITY
EBS OFF
EBS ON
SCREEN
CURRENT
LIMIT
PLATE
CURRENT
PROTECTION
SWR1
SWR4
SWR
SCREEN
VOLTAGE
SCREEN
CURRENT
LIMIT
Ip
PROTECTION
EBS
SENSITIVITY
EBS OFF
EBS ON
18
15.1.2 DISPLAY BOARD ADJUSTMENTS
The display board is pre-adjusted during testing. However, when installed in the amplifier, most adjustments need to be fine-tuned.
Remove the front panel glass to gain access to adjustments.
15.1.2.1 1. PLATE CURRENT (Adjustment: VR4, Marked: AMP)
Connect a power supply to pin TP2 on the control board: negative to TP2, positive to the chassis.
Apply a current with a value between 1 A and 2 A. Choose a convenient value close to the full scale on the Ip LED row on
the display board.
Adjust potentiometer AMP for correct indication.
15.1.2.2 2. PLATE VOLTATE (Adjustment: VR2, marked: VOLT)
Using a voltmeter with a high voltage probe, measure the plate voltage.
Adjust potentiometer VOLT for correct indication on the display.
15.1.2.3 3. REFLECTED POWER (Adjustment: VR3, marked: RF R)
Reverse the input and output RF connections:
- connect the transceiver or exciter to the output
- connect the dummy load to the input of the amplifier
Apply 100W drive and adjust “RF R” for 100W indication
Reverse again the RF cable - connect them the right way.
15.1.2.4 4. FORWARD POWER (Adjustment: VR1, marked: RF F)
On 20m, operate the amplifier at the full nominal power, as indicated by an external power meter:
1500W for DX-2
2000W for DX-2SP
3000W for DX-3
Adjust potentiometer “RF F” for correct display indication
15.1.2.5 5. SCREEN CURRENT (Adjustment: VR6, marked IG2+, VR5, marked IG2-)
ig2-: put VR5 in the middle position
ig2+: connect a mA meter in series with the screen supply, between the control board pin EG2 and the blue screen wire.
(See also the control board adjustment for IG2 LIMIT).
Generate a current in the mA meter, either by connecting a load, or by operating the amplifier close to full power.
Adjust VR6 for 4 LED's on, at the limit of starting to flash, for a current ig2+ of about 50mA.

19
15.1.3 RF SENSOR ADJUSTMENT
The amplifier is switched off for this adjustment.
Check if adjustment is required as per following procedure, before opening the sensor.
Unsolder and remove the metal cover.
Connect a transceiver to the input and a dummy load to the output of the amplifier.
Connect a voltmeter to pin SW1 or SW2 on the control board (with yellow/black wires).
Apply 30-50W RF on 20m (14.2MHz) and read the voltage.
Move the voltmeter on pin SW3 or SW4 (red/black wires) and read the voltage.
Typical readings:
- Yellow / black wires: 1 – 1.5 V
- Yellow / red wires: 100mV or less
Adjust the trimmer on the output side (left hand side) in the RF sensor for minimum reading on the yellow / red wires.
(Use an RF screwdriver).
Reverse the 2 RF cables: apply power to the output of the amplifier and put the dummy load on the input.
Apply power again.
The typical readings are the same, but reversed:
- Yellow / black wires: 100mV or less
- Yellow / red wires: 1 – 1.5 V
Adjust the trimmer on the input side (right hand side) in the RF sensor for minimum reading on the yellow / black wires.
Re-position the RF sensor cover and solder.
NOTE: the above voltages can be measured as explained above and if the readings are correct, no adjustment is
necessary (the sensors are pre-adjusted before being installed).

20
INPUT
SIDE
TRIMMER
OUTPUT
SIDE
TRIMMER

21
16 DIAGRAMS AND SCHEMATICS
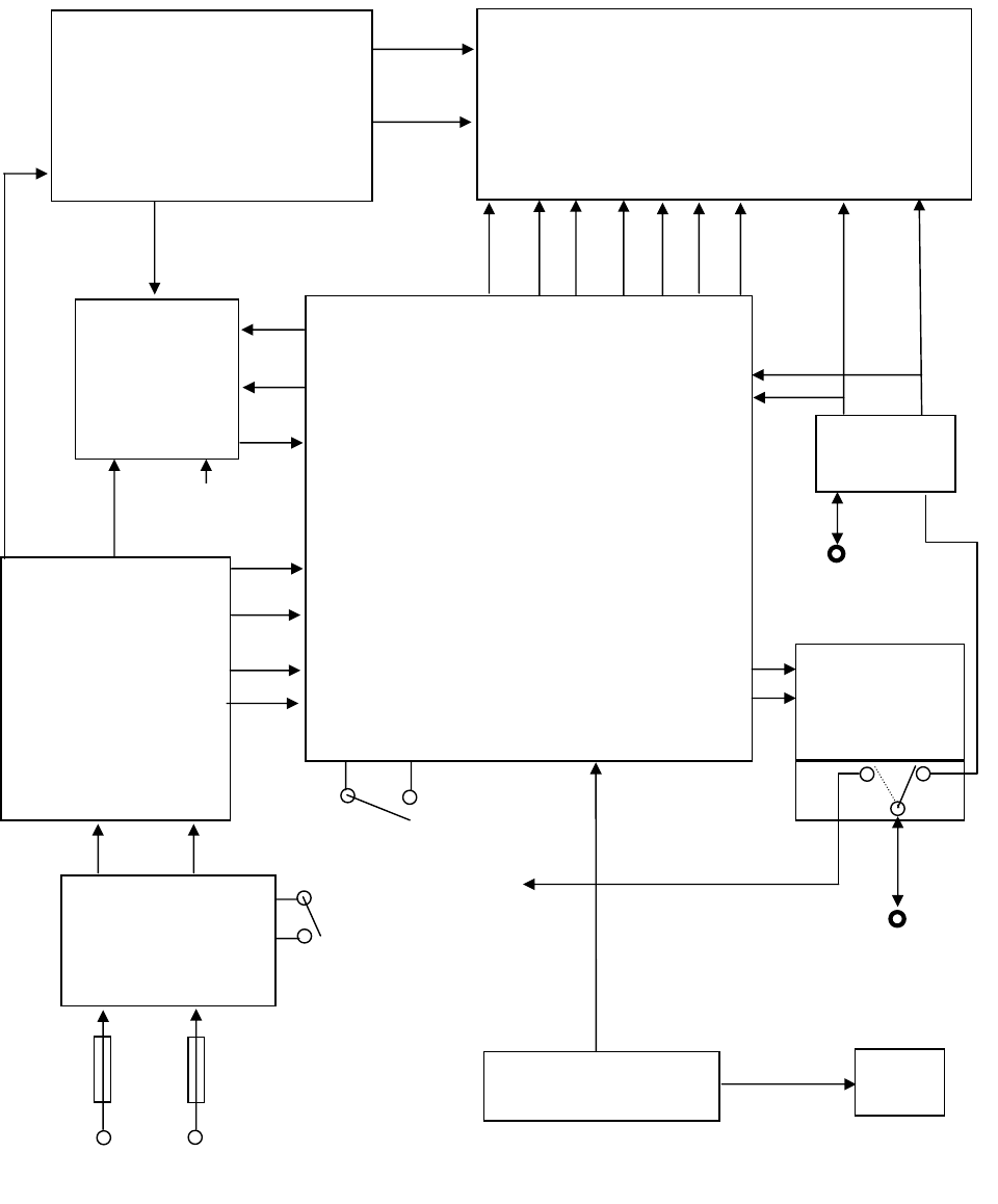
16.1 DX-2 Block Diagram
CONTROL
BOARD
MODULE
POWER
SUPPLY
MODULE
DISPLAY MODULE
RF / TUBE
MODULE
TRANSFOMER
SOFT START
MODULE
&ISOLATION
RELAY
RF
SENSOR
ANTENNA
RELAY
(or QSK)
TEMPERATURE
SENSORS
FAN
SPEED
CONTROL
TEMPERATURE
CUT-OFF
V
p
I
p
+5V
FAULT
READY
ON AIR
SWR
O/D
I
g
2
P
f
P
r
SWR PROT.
HV DC
HV AC
Eg2
-E
g
1
EBS
AC
FILAM.
RF In
(From ANT Relay
or
Q
SK
)
AC SCREEN
AC GRID
AC LOGIC
AC QSK
AC MAINS
FUSE
ON/
OFF
STBY
/OPR
Relay
RF In
(To RF/TUBE
Module
)
AMPLIFIER IN
(Transceiver)
AMPLIFIER OUT
(Antenna)

22
16.2 Control Board Connections and Adjustment Points
The drawing below shows all the connections to the control board and the adjustment points.
Unless you know very well what you are doing and you have a reason to do it, do not modify any adjustment!
LEGEND: WIRE COLOURS
X – Spare or no connection
Y/BLK – Yellow / Black
GRY/BLK – Grey / Black
PNK/BLK – Pink / Black
RED/BLK – Red / Black
Y/RED – Yellow / Red
GRY/BLU – Grey / Blue
RED/GRN – Red / Green
Y/GRN – Yellow / Green
WHT/BLK – White / Black
ORN/BLK – Orange / Black
GRN/RED – Green / Red
WHT/RED – White / Red
CONTROL BOARD - Bottom View
OD/TX
TXON
SWR
FAULT
SWR/FLT
PTT2
DISP
DISP
IG2F
IG2R
E
G
2
GND
O/DRV
BIAS
READY
RFIN
HLSW2
HLSW1
Y/GRN
W/R
GRY
PNK/BLK
W/BLK
X
RED
X
GRY/BLU
ORN/BLK
BLUE
X
T110-1
T110-2
GND
GND
300VAC2
300VAC1
100VAC1
100VAC2
10VAC1
10VAC1
10VAC2
10VAC2
A
LC1
SWR2
SWR1
SWR4
SWR3
A
LC2
VIOLET
WHITE
RED/GRN
BROWN
GRN/BRN
GRN/BRN
PNK/BLK
Y/BLK
Y/BLK
Y/RED
Y/RED
GREEN
YELLOW
YELLOW
GREEN
X
GRY/BLU
GRY/BLU
YELLOW
YELLOW
PINK
PINK
PINK
PINK
Y/GRN
12VP
RLY2
RLY1
STBY1
STBY2
QSK1
BLUE
ORN/BLKORNORN
Ip
GRY/BLK
PTT2
PTT1
IPTRIP
QSK2
22Vac
Y/GRN
QSK ONLY
RED
RED WVI
TP2
EBS
Off
Ig2Lim
SCREEN
BIAS
Pre-BIAS
EBS
SWR
IpTRIP
IPDispl
Sensitivity
-
+
+
+
+
+
-
-
+
-
+
-
-
-
+
On
-
Ip
Ip
Eg2
Ig
Sensitivity
Ip
V
(Solder side)

23
16.3 Display Board Adjustment Points
The drawing below shows the adjustment points on the display board. The display glass has to be removed in order to access these
adjustments, on the front panel of the DX-2.
Unless you know very well what you are doing and you have a reason to do it, do not modify any adjustment!
ALL POTENTIOMETERS: Rotating counter-clockwise will increase the sensitivity and increase the indication.
RF OUTPUT POWER
(
kW
)
REFLECTED POWER
(
W
)
PLATE VOLTAGE
(
kV
)
PLATE CURRENT
(
A
)
I
g
2
OVER
DRIVE
ON AIR
READY
SWR
FAULT
Po F
Po R
+Ig2
-Ig2
VOLT
AMP

24
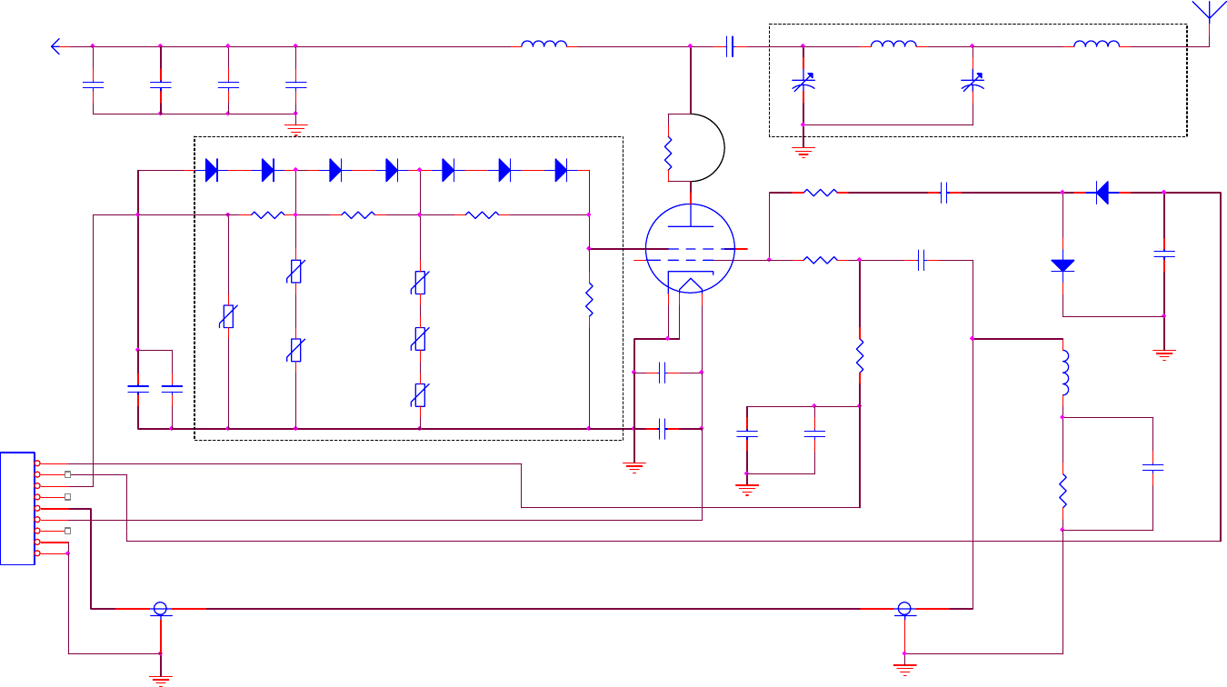
16.4 Circuit Diagram – HIGH VOLTAGE POWER SUPPLY
GND
6A100
1R
1000pF
1000pF
6A100
AC1
1000pF
1000pF
AC2
1000pF
1000pF
75k
6A100
75k
1000pF
6A100
6A100
1000pF
6A100
+
470uF/450V
75k
25R
IP
1000pF
6A100
1000pF
6A100
1000pF
1000pF
6A100
330k
330k
330k
6A100
1000pF
6A100
75k
+
470uF/450V
6A100
6A100
6A100
75k
6A100
+
470uF/450V
6A100
+
470uF/450V
6A100
75k
75k
6A100
6A100
330k
1000pF
1000pF
6A100
6A100
+
470uF/450V
330k
1000pF
330k
75k
1000pF
+
470uF/450V
+
470uF/450V
1000pF
6A100
6A100
HV
VP
1000pF
+
470uF/450V
10k
1000pF

25
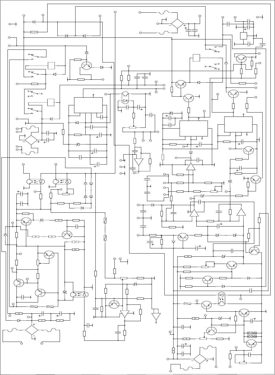
16.5 Circuit Diagram – AC INPUT and SOFT START WIRING – U.S. version
MT2
EARTH
1
MT2
Yellow
Blue
SW
Brown
MT1
240V
FEMALE
1
2
3
BTA40-600B
S2
ON / OFF
25A
G
4.7nF/250Vac/Y 2
25A
Front Panel
120V
Brown
S1
COVER INTERLOCK
Brown
MT2
Blue
MT1
200V
Yellow
Yellow/Green
4.7nF/250Vac/Y 2
NEUTRAL
1
To LOOM (+12V)
Blue
Sof tStartWiring US 1
SOFT START WIRING U.S. Version
A4
11Monday , January 07, 2002
Tit le
Size Document Number Rev
Date: Sheet of
220V
ACTIVE
1
TRANSFORMER
(On Chassis)
Soft Start Module
MALE
1
2
3
230V
G
Blue
Brown
Blue
0V
MT1
A
G
E M T R O N
Brown
Brown
Blue
K1
RELAY DPST
FAN
1
2
3
4
Red
TRIAC
Bottom View

26
16.6 Circuit Diagram – RF MODULE
R10
100
COAX
PLATE CHOKE
L1
R.F. OUT MODULE
(White)
C6
22nF
RV3
140V
RV1
140V
R3
10
D6
A106
RV6
275V
D5
A106
D7
A106
9-Way
1
2
3
4
5
6
7
8
9
C3
1000pF/6kV
C8
1500p SM
C4
1000pF/6kV
CV1
500pF
C13
2.2nF
R9
100
D2
1N4148
RS1
100
RV5
140V
D4
A106
PLATE VOLTAGE
(BLUE)
C9
2.2nF
C14
2200pF
EBS
(Brown)
C12
22nF
V1
GU84B
C5
2.2nF
F.O. PROTECTION BOARD
C7
2.2nF
D1
1N4148
R2
3k
COAX
CV2
1100pF
C10
22nF
C11
2.2nF
R11
100
D9
A106
D8
A106
R1
75k
RV2
140V
C2
1000pF/6kV
RV4
140V
D3
A106
C1
1000pF/6kV
C6
66pF
R7
50/100W
R4
2.2k
(Simplified Diagram)
Lp

27
16.7 Circuit Diagram – DISPLAY BOARD
L63
R
L16
Y
VR2
50k
VR1
5k
L76
R
C11
2. 2nF
L56
Y
L52
Y
R12
2k2
L38
G
C6
1nF
R3
1k2
R8
100
L55
G
R2
1k2
R7
2k2
L19
R
L33
G
X3- 8
Ig2-
1
U5
LM3914
5
9
4
6
8
32
7
10
11
12
13
14
15
16
17
18
1
SI G I N
MODE
RLO
RHI
REF A DJ
V+V-
REF O UT
LED1
LED2
LED3
LED4
LED5
LED6
LED7
LED8
LED9
LED10
L44
G
L22
G
L18
R
X3- 9
Ig 2+
1
L31
G
L41
G
L13
Y
R9
560
U7
LM3914
5
9
4
6
8
32
7
10
11
12
13
14
15
16
17
18
1
SI G I N
MODE
RLO
RHI
REF A DJ
V+V-
REF O UT
LED1
LED2
LED3
LED4
LED5
LED6
LED7
LED8
LED9
LED10
U6
LM3914
5
9
4
6
8
32
7
10
11
12
13
14
15
16
17
18
1
SI G I N
MODE
RLO
RHI
REF ADJ
V+V-
REF O UT
LED1
LED2
LED3
LED4
LED5
LED6
LED7
LED8
LED9
LED10
L58
Y
R4
1k2
L28
G
L70
R
L9
Y
L73
G
X3- 1 0
OD/T X
1
L48
Y
L79
G
L59
Y
L5
Y
L43
G
X3- 1
1
L12
Y
U3
LM3914
5
9
4
6
8
32
7
10
11
12
13
14
15
16
17
18
1
SI G I N
MODE
RLO
RHI
REF A DJ
V+V-
REF O UT
LED1
LED2
LED3
LED4
LED5
LED6
LED7
LED8
LED9
LED10
L23
G
VR5
5k
L39
G
L64
R
L11
Y
L77
R
L35
G
L50
R
L6
Y
L7
Y
L78
R
C12
1nF
L46
Y
L61
Y
VR6
5k
X3- 1 1
1
X3- 7
TX
1
L75
R
+5V
C8
1nF
FO RWAR D PO WER
R6
1k2
L53
Y
L27
G
U9
LM3914
5
9
4
6
8
32
7
10
11
12
13
14
15
16
17
18
1
SI G I N
MODE
RLO
RHI
REF A DJ
V+V-
REF O UT
LED1
LED2
LED3
LED4
LED5
LED6
LED7
LED8
LED9
LED10
L74
G
L10
Y
X3- 1 6
O/D
1
U10
LM3914
5
9
4
6
8
32
7
10
11
12
13
14
15
16
17
18
1
SI G I N
MODE
RLO
RHI
REF A DJ
V+V-
REF O UT
LED1
LED2
LED3
LED4
LED5
LED6
LED7
LED8
LED9
LED10
L21
G
X3 - 1 3
RE F LEC T E D PO WER
1
E M T R O N
X3- 4
1
L67
R
R14
100
L8
Y
L72
G
L62
R
R15
560
R11
U2
LM3914
5
9
4
6
8
32
7
10
11
12
13
14
15
16
17
18
1
SI G I N
MODE
RLO
RHI
REF A DJ
V+V-
REF O UT
LED1
LED2
LED3
LED4
LED5
LED6
LED7
LED8
LED9
LED10
L17
R
L37
G
U4
LM3914
5
9
4
6
8
32
7
10
11
12
13
14
15
16
17
18
1
SI G I N
MODE
RLO
RHI
REF A DJ
V+V-
REF O UT
LED1
LED2
LED3
LED4
LED5
LED6
LED7
LED8
LED9
LED10
X3- 1 5
SWR
1
X3- 3
FAULT
1
L14
Y
L71
G
L54
G
L15
Y
L47
Y
C7
2. 2nF
X3- 6
SWR/ FLT
1
L30
G
L57
Y
C15
1nF
L29
G
L51
Y
L34
G
L42
G
L26
G
VOLT
X3- 5
RE ADY
1
U8
LM3914
5
9
4
6
8
32
7
10
11
12
13
14
15
16
17
18
1
SI G I N
MODE
RLO
RHI
REF A DJ
V+V-
REF O UT
LED1
LED2
LED3
LED4
LED5
LED6
LED7
LED8
LED9
LED10
C5
1nF
L25
G
L2
Y
C9
2. nF
+
C3
47uF
L4
Y
X3- 2
AMP
1
L18
R
L45
Y
L60
Y
L3
Y
L81
R
L1
Y
L40
G
L65
R
X3 - 1 2
1
R1
1k2
C14
2. 2nF
+
C1
100uF
R13
2k2
VR4
5k
L49
R
VR3
5k
X3 - 1 4
1
L69
R
L36
G
D1
4V3
L32
G
L20
R
C10
2. 2nF
L66
R
C4
1nF
L24
G
3
DISP LAY P ANE L
A3
11Monday, Januar y 07, 2002
DP- 1 V. 3
Title
Size Docum ent Number Rev
Dat e: Sheet of
R5
2k2
+
C2
47uF

28
16.8 Circuit Diagram – SOFT START – 240 Volt version
PHASE
C6
2.2nF
MT1
R1
100/2W
R6
270k
D1
1N4007
GATE
R4
150/2W
LOAD
C10
100nF
C9
100nF
U1
1
2
3
4
5
6
7
8
9
10
11
12
13
14
15
16
CS
VS
CL
AS
SS
RC
RGT
GND
VCC
SR
PC
DSS
TPA
SCAP
SSC
LS
+
C5
220uF/25V
SWITCH
MT2
R8
470k/2W
C3
2.2nF
NOTE: 200V to 240V operation
R10
100k
D2
1N4007
+
C4
220uF/25V
For 110VAC, replace C1 by 3.9k or 4.3k / 6W
resistor
R7
470k/2W
R9
10k
E M T R O N
C1
470nF/250Vac/X2
C11
2.2nF
R1
100/2W
LOAD
C12
100nF
C2
220nF/250Vac/X2
+
C8
3.3uF
NEUTRAL
C7
47nF
C13
4.7nF/250Vac/Y 2
SWITCH
R2
56R/2W
R3
220/2W
R2
56R/2W
SOFTSTART240V 4
SOFT START
A4
11Monday , January 07, 2002
Title
Size Document Number Rev
Date: Sheet of
C14
4.7nF/250Vac/Y2

29
16.9 Circuit Diagram – QSK
RF DECK OUT
+
D5
1N4004
D1
1N4004
RF DECK IN
D4
1N4148
50
Rin
D2
1N4004
-
AMP
RF OUT
(TO RF SENSOR)
D3
1N4148
QSK2DX2 2
QSKv2 DX-2
A4
11Monday , January 07, 2002
Tit le
Size Document Number Rev
Date: Sheet of
E M T R O N
JP1
1
2
R2
1k
RF IN (SO239)
R1
680
RL2
Jenings TJ1A-26S
+
C1
20uF
RL1
NR-HD-16V

30
16.10 Circuit Diagram – CONTROL BOARD
BR3
LBA291
56R
R18A
C22
10uF
C21
10nF
X2.
U10
PC521
1N4148
D27
1N4148
D28
X8.
BC557
Q8
56R
R18
4K7
R16
2k2
R17
MPSA92
Q23
X7.
22
R7
1K
R6
BC547
Q3
MJE16002
Q2
220K
R5 220K
R4
2K2
R14 100k
R15
D1
62V
ZTX558
Q4
10nF
C19
240R
R10
X5.
C1
150uF/400V
C2
150uF/400V
C1
NC1NO1 NO2 NC2
C2
V2
V1
RL2
M4-12H
160K
R78
220K
R2 220K
R1
BR1
WO6
X7.
X7.
R13
6K8
R12
6k8
4.7nF
C4
U8
PC521
BZX79C24V
D26
1K
R26
-
+
OUT
LM358
(4=GND, 8=12V)
U1
D10
5V6
39K
R33
1K
R30
1K
R28
4K7
R27
100nF
C3 BC557
Q18 330K
R31
330K
R32
8k2
R29
X8. X7.
X1.
12K
R34
TIPL760A
Q5
X1. X1.
330k
R36
U6
PC521
C20
10uF/450V
BC557
Q9
100nF
C11
5K
POT4
2K2
R47
R67
100k
X1.
10uF/25V
C17
IN OUT
COM
U13
7805
X1.
MPSA92
Q7
2K2
R40
8k2
R48
33K
R39
1M
R75
X3.
POT1
500R
15K
R37
BZX79C5V6
D11
R35
12K
25uF/160V
C9
BR2
WO6
X2.
X2.
1N4148
D12
33kR41
D14
12V
X4.
1uF
C10
X4.
X4.
D13
4V3
-
+OUT
LM358
(4=-12V, 8=12V)
U2
-
+OUT
U2
(4=-12V, 8=12V)
8K2
R45
22K
R43
100k
R44
X4.
X4.
X6.
18K
R46
POT5 R49
8k2
R51
8k2
R52
POT2
5K
-
+OUT
U1
LM358
(4=GND, 8=12V)
1N4148
D17
D16
12V
C14
10uF
X1.
R53
300k
VC
GND
CLK
OUT
R
TH
RC
VCC
U3
LMC555
R57
100R
R59
8k2
BC547
Q11
1N4148
D19
R58
8k2
C1
NC1 NO1NO2NC2
C2
V2
V1
RL4 M4-12H
BC547
Q12
10uF
C13
D15
4V3
8k2
R54
100K
R56
BC547
Q10
X6.
8k2
R55
10uF
C12
BC547
Q13
POT6 500R
8k2
R60
470R
R61
1N4007
D18
X6.
X6.
1K
R62
-
+
OUT
LM358
(4=-12V, 8=12V)
U14
X7. X7.
VC
GND
CLK
OUT
R
TH
RC
VCC
U5
LMC555
X6.
1K
R65
X5. X5.
1K
R42
1K
R64
2k2
R63
BC547
Q14
C5
4700uF/16V
C7 22uF
C1
NC1NO1 NO2 NC2
C2
V2
V1
RL1
M4-12H
1N4007
D8
X5.
1N4148
D5
X5.
1K
R21
ZTX658
Q1
X5.
X3.
X4.
1K
R22
X3.
1N4148
D6
X3.
VC
GND
CLK
OUT
R
TH
RC
VCC
U4
LMC555
1N4148
D7
R69
8k2
1N4007
D9
X3.
X3.
X2.
R19
100R
R20
5M6
C6
100nF
D4
12V
U11
PC521
POT3
50K
4.7nF
C45
R23
100R C8
10uF/16V
22k
R24
22k
R25
R66
100K
X6.
LP2
C15
100uF/50V
C16
100nF
BR4
WO6
X2.
1nF/1KV
C18
R50
5K
1K
100R
1
2
3
SW1
X2.
U9 PC521
D22
1N4148
D20
1N4148
R68
100K
D21
1N4148
Q15
BC547
C24
4.7nF
C25
10uF
BC547
Q16
C26
10uF
R70
22k
C27
4.7nF
D23
4V3
100nF
C28
4.7nF
C29
D24
15V
Q17
BC557
R71
8k2
R72
8K2
C30
4.7nF
100nF
C40
4.7nF
C31
C32
4.7nF
X8.
ZTX658
Q6
X8.
X8.
22nF/630V
C33
4.7nF/1kV
C34
4.7nF/1kV
C35
1uF/160V
C36
1N4148
D2
1N4148
D3
10nF C41
10nF
C42
1N4148
D25
4.7nF
C39
100K
R73
4.7nF
C37
1M5
R74
2.2uF
C47
10nF
C51
1
2
3
10K R76
100k
POT7
4.7nF C49
4.7nF
C48
3M3
R38
22R
R3
160K
R8
4.7nF
C43
F6
F5
X9.
F8F7
F4
F3
F2
F1
LP1
X9.
X9.
BC547
Q22
2K2
R84
300k R83
1N4148
D32
1k R85
300k R86
1N4148
D33
4.7nF
C46
BC547
Q25
100nF
C50
4k7
R88
300K
R87
10nF
C23
1N4148
D34
100k
R91
4.7nF
C54
4.7nF
C53
8k2
R92
D29
1N4007
D29
5k
POT8
12k
R90
4k7
R89
-
+
OUT
U12
(4=GND, 8=12V)
U14
22uF
C56
10nF
C52
10pF
C55
1N4148
D30
5V
5V
5V
-12V
-12V
12V
12V
12V
12V
12V
12V
12V
12V
GND
GND
GND
GND
GND GND GND
GND
GND
GND
GND
GND
GND
GND
GND
GND
GND
GND
GND
GND
GND
GND
GND
GND
GND
GND
GND
GND
GND
GND
GND
GND
GND
GND
GND
GND
GND
GND
GND
AMPC v.3E JAN2002
76
5
3
2
1
3
PTT2
6
IPTRIP2
TP2
D
A
4
5
2
2
3
1
5
6
5
1
1
13
4
3
56
24
5
66
4
62
1
43
3
4
2
341
3254
615
1
2
3
5
6
2
1
T110-2
T110-2
T110-1
T110-1
8
8
7
7
6
6
5
5
4
4
3
3
2
2
1
1
4
32
1
8
7
6
5
43
2
1
4
32
1
4
3
2
1
7
6
5
3
2
1
7
6
5
4
32
1
3
2
1
4
3
2
1
EMTRON
300VAC2
300VAC1
12VP READY
RLY2
RLY1
SWR/FLT
OD/TX
EG2
IG2F
FORWARD
IG2R
BIAS
RFIN
100VAC1
100VAC2
IPTRIP
SWR4SWR3SWR2SWR1
ALC1ALC2
O/DRIVE TXON SWR
FAULT
5V DISPLAY
PTT1
22VAC2
22VAC1
QSK2
QSK1
STBY2
STBY1
10VAC2
10VAC1
HLSW2
HLSW1
DISPLAY
REVERSEDISPLAY
T4
T5
T2
T3
B
E
C
T1
400
T9
T8
T7
T10
T11
T12
T13
T15
T18
T14 T16
T6
T17
T19
T20

31
16.11 Control Board – Component Legend
R8
C5
D19
1
C31
1
C27
R70
U3
U5
D12
D17
R7
D5
D6
R39
C17
C13
R85
~~
-
+
BR1
1
C3
~~
-
+BR2
1
C11
1
C4
X8.
SW1
1
C6
C14
U2
C2
X1.
X4.
X7.
X6.
RL2
RL4
Q4
C8
D10
D11
D14
D13
D16
D15
1
R15
R2
1C39
R1
R5
R4
R31
Q3
R66
Q11
Q12
Q10
Q13
POT6
POT5
POT4
POT2
R18
R16
R17
R10
R6
R14
R38
R40
D23
R73
R26
R33
R30
R28 R27
R29
R34
R47
D18
R48
D2
R37
R45
R43
R44
R46
R49
R51
R52
R53
R57
R59
R58
R54
R56
R55
R60
R61
R62
R65
R42
R64
R63
R21
R22
R19
R20
R23
R24
R25
Q8
D28
D27
1
C23
U10
U9
U8
U6
BR3
1
C54
X3.
R69
Q1
C15
R36
U4
D7
C9
R41
D25
C12
POT7
C20
1
C16
U1
C7
X2.
X5.
D1
RL1
Q7
D4
C36
R32
Q5
Q14
POT3
R50
Q9
D9
U11
Q25
R13
R12
D26
POT1
C1
1C35
1C34
U13
1
C33
D8
Q6
R67
D21
1
C32
D22
1
C30
1
C29
D20
1
C28
R92
1
C18
1
C21
R68
Q15
1
C24
C26
C22
C25
Q17
R35
Q16
R72
R71
D24
Q2
D3
1
C41
1
C42
1
C40
1C53
1
C51
1C19
1C55
C47
R78
R3
R75
1
C37
Q18
R74
1
C43
POT8
R91
1
C52
D35
R90
C56
R89
U14
1
C45
X9.
R76
R84
Q23
Q22
SW2
D32
R83
1
C46
D33
R86
C10
~
~
-
+
BR4
1
C50
R88
R87
1
C48
1
C49
D29
Ig2
EBS OFF
AMPC v.3D
IPTRIP
Ig2LIM
PRE-BIAS
SWR
EBS
BIAS
SILK SCREEN LAYER COMPONENT SIDE
AMPC V.3E
SCREEN
Ip TP2
GND
+
+
+
+
EBS

32
16.12 Control Board – Solder Side Track work
COPPER LAYER SOLDER SIDE
AMPC V.3E