Endress and Hauser and Co FMR2XK Tank Level-probing Radar User Manual Micropilot FMR10

Endress and Hauser GmbH and Co Tank Level-probing Radar Micropilot FMR10

Contents

User manual FRM10

Level measurement for liquidsApplication• Ingress protection: IP66/68 / NEMA 4X/6P• Measuring range: up to 8 m (26.25 ft)• Process temperature: –40 to 60 °C (–40 to 140 °F)• Process pressure: –1 to 3 bar (–14 to 43 psi)• Accuracy: up to ± 5 mm (0.2 in)Your benefits• Level measurement for liquids in storage tanks, open basins, pump shafts andcanal systems• Radar measuring device with Bluetooth® wireless technology• Simple, safe and secure wireless remote access – ideal for installation in areas orplaces difficult to reach• Commissioning, operation and maintenance via free iOS / Android app SmartBlue– saves time and reduces costs• Full PVDF body – for a long sensor lifetime• Hermetically sealed wiring and fully potted electronics – eliminates water ingressand allows operation under harsh environmental conditions• Most compact radar due to unique radar chip design – fits in limited spaceinstallations• Best price-performance-ratio radarProducts Solutions ServicesTechnical InformationMicropilot FMR10Free space radar
Micropilot FMR102 V. 5, Rev. 2, 20-12-2016 Endress+HauserTable of contentsImportant document information ............... 3Symbols for certain types of information .............. 3Safety symbols ............................... 3Electrical symbols ............................. 3Symbols in graphics ............................ 3Terms and abbreviations ..................... 5Registered trademarks ....................... 5Product life cycle ............................ 6Engineering ................................. 6Procurement ................................ 6Installation ................................. 6Commissioning ............................... 6Operation .................................. 6Maintenance ................................ 6Retirement .................................. 6Measuring principle ......................... 7Input ...................................... 7Output .................................... 7Input ..................................... 8Measured variable ............................. 8Measuring range .............................. 8Operating frequency ........................... 8Transmission power ............................ 8Output ................................... 9Output signal ................................ 9Digital output ................................ 9Signal on alarm ............................... 9Linearization ................................ 9Electrical connection ....................... 10Cable assignment ............................ 10Supply voltage .............................. 10Power consumption ........................... 10Current consumption .......................... 10Starting time ............................... 10Power supply failure .......................... 10Connection 4 to 20 mA ........................ 11Cable specification ............................ 11Overvoltage protection ......................... 11Performance characteristics .................. 12Reference operating conditions ................... 12Maximum measured error ....................... 12Measured value resolution ...................... 12Response time .............................. 12Influence of ambient temperature ................. 13Installation ............................... 14Installation conditions ......................... 14Environment .............................. 21Ambient temperature range ..................... 21Storage temperature .......................... 21Climate class ............................... 21Installation height as per IEC 61010-1 Ed.3 ........... 21Degree of protection .......................... 21Vibration resistance ........................... 21Electromagnetic compatibility (EMC) ............... 21Process .................................. 22Process temperature, process pressure ............... 22Dielectric constant ............................ 22Mechanical construction .................... 23Dimensions ................................ 23Weight ................................... 24Materials .................................. 25Connecting cable ............................. 25Operability ............................... 26Operating concept ............................ 26Via Bluetooth® wireless technology ................ 26Certificates and approvals ................... 27CE mark ................................... 27RoHS ..................................... 27EAC conformity .............................. 27RCM-Tick marking ............................ 27Ex approval ................................ 27Pressure equipment with allowable pressure≤ 200 bar (2 900 psi) .......................... 27EN 302729-1/2 radio standard ................... 27FCC / Industry Canada ......................... 28Other standards and guidelines ................... 30Ordering information ....................... 30Accessories ............................... 31Device-specific accessories ...................... 31Communication-specific accessories ................ 34System components ........................... 34Supplementary documentation ............... 35Standard documentation ........................ 35
Micropilot FMR10Endress+Hauser V. 5, Rev. 2, 20-12-2016 3Important document informationSymbols for certain types ofinformation Symbol MeaningPermittedProcedures, processes or actions that are permitted.PreferredProcedures, processes or actions that are preferred.ForbiddenProcedures, processes or actions that are forbidden.TipIndicates additional information.Reference to documentationAReference to pageReference to graphicVisual inspectionSafety symbols Symbol MeaningDANGERDANGER!This symbol alerts you to a dangerous situation. Failure to avoid this situation will result inserious or fatal injury.WARNINGWARNING!This symbol alerts you to a dangerous situation. Failure to avoid this situation can result inserious or fatal injury.CAUTIONCAUTION!This symbol alerts you to a dangerous situation. Failure to avoid this situation can result inminor or medium injury.NOTICENOTE!This symbol contains information on procedures and other facts which do not result inpersonal injury.Electrical symbols Symbol Meaning Symbol MeaningDirect current Alternating currentDirect current and alternating current Ground connectionA grounded terminal which, as far asthe operator is concerned, isgrounded via a grounding system.Protective ground connectionA terminal which must be connectedto ground prior to establishing anyother connections.Equipotential connectionA connection that has to be connectedto the plant grounding system: Thismay be a potential equalization lineor a star grounding system dependingon national or company codes ofpractice.Symbols in graphics Symbol Meaning1, 2, 3 ... Item numbers1., 2., 3.… Series of stepsA, B, C, ... ViewsA-A, B-B, C-C, ... Sections
Micropilot FMR104 V. 5, Rev. 2, 20-12-2016 Endress+HauserSymbol Meaning-Hazardous areaIndicates a hazardous area..Safe area (non-hazardous area)Indicates the non-hazardous area.
Micropilot FMR10Endress+Hauser V. 5, Rev. 2, 20-12-2016 5Terms and abbreviationsTerm/abbreviation ExplanationBA Document type "Operating Instructions"KA Document type "Brief Operating Instructions"TI Document type "Technical Information"SD Document type "Special Documentation"XA Document type "Safety Instructions"PN Nominal pressureMWP Maximum Working PressureThe MWP can also be found on the nameplate.ToF Time of FlightDC Relative dielectric constant εrOperating tool The term "operating tool" is used in place of the following operating software:SmartBlue (app), for operation using an Android or iOS smartphone or tablet.BD Blocking Distance; no signals are analyzed within the BD.Registered trademarksBluetooth®The Bluetooth® word mark and logos are registered trademarks owned by the Bluetooth SIG, Inc. andany use of such marks by Endress+Hauser is under license. Other trademarks and trade names arethose of their respective owners.Apple®Apple, the Apple logo, iPhone, and iPod touch are trademarks of Apple Inc., registered in the U.S.and other countries. App Store is a service mark of Apple Inc.Android®Android, Google Play and the Google Play logo are trademarks of Google Inc.
Micropilot FMR106 V. 5, Rev. 2, 20-12-2016 Endress+HauserProduct life cycleEngineering • Proven radar measuring technology• Indication of over-flooding situation• 2D / 3D drawings• Spec Sheet Producer• Applicator Selection tool for the selection of the perfect measurement solutionDevice not compatible with transmitters and sensors of ultrasonic measurement technology(e.g. Prosonic FMU9x, FDU9x)Procurement • Best price-performance-ratio radar• Easy to order via Global E-direct Portal with 48h delivery time• Global availabilityInstallation Rear- and front side thread for flexible installationCommissioning • Easy and fast setup via SmartBlue (app)• No additional tools or adapters required• Local languages (up to 15)Operation • Continuous self-monitoring• Diagnosis information acc. NAMUR NE107 with clear text messages remedy directives• Signal curve via SmartBlue (app)• Encrypted single point-to-point data transmission (Fraunhofer-Institut, third party, tested) andpassword-protected communication via Bluetooth® wireless technologyMaintenance • No maintenance required• Technical experts on-call around the globalRetirement • Environmentally responsible recycling concepts• RoHS compliance (Restriction of certain hazardous substances), lead-free soldering of electroniccomponents
Micropilot FMR10Endress+Hauser V. 5, Rev. 2, 20-12-2016 7Measuring principleThe Micropilot is a "downward-looking" measuring system, operating based on the time-of-flightmethod (ToF). It measures the distance from the reference point R to the product surface. Radarimpulses are emitted by an antenna, reflected off the product surface and received again by the radarsystem.DQR100%0%DLFE  A0028409 1 Setup parameters of the MicropilotE Empty calibration (= zero)F Full calibration (= span)D Measured distanceL Level (L = E - D)Q Flow rate at measuring weirs or channels (calculated from the level using linearization)R Reference pointInput The reflected radar impulses are received by the antenna and transmitted into the electronics. Amicroprocessor evaluates the signal and identifies the level echo caused by the reflection of the radarimpulse at the product surface. This clear signal detection system benefits from over 30 years'experience with time-of-flight procedures.The distance D to the product surface is proportional to the time of flight t of the impulse:D = c · t/2,where c is the speed of light.Based on the known empty distance E, the level L is calculated:L = E – DOutput The Micropilot is adjusted by entering the empty distance E (= zero point) and the full distance F (=span).• Current output: 4 to 20 mA• Digital output (SmartBlue): 0 to 5 m (0 to 16 ft) or 0 to 8 m (0 to 26.25 ft) in combination withaccessory "flooding protection tube"
Micropilot FMR108 V. 5, Rev. 2, 20-12-2016 Endress+HauserInputMeasured variable The measured variable is the distance between the reference point and the product surface.The level is calculated based on E, the empty distance entered.Measuring range Maximum measuring rangeDevice Maximum measuring rangeFMR10 5 m (16 ft)FMR10 with accessory "flooding protection tube" 8 m (26.25 ft)Requirements of the installation• Tank height > 1.5 m (5 ft)• Open channel minimum width 0.5 m (1.6 ft)• Calm surfaces• No agitators• No buildup• Relative dielectric constant εr > 4Usable measuring rangeThe usable measuring range depends on the antenna size, the medium's reflective properties, theinstallation position and any possible interference reflections.The following table describes the media groups.Media groupsεrExample4 to 10 E.g. concentrated acid, organic solvents, ester, aniline, alcohol, acetone.> 10 Conductive liquids, aqueous solutions, diluted acids and basesReduction of the max. possible measuring range by:• Media with bad reflective properties (= low εr value)• Formation of buildup, particularly of moist products• Strong condensation• Foam generation• Freezing of sensorOperating frequency K-band (~ 26 GHz)Transmission power Distance Mean power density in the direction of the beam1 m (3.3 ft) < 12 nW/cm25 m (16 ft) < 0.4 nW/cm2
Micropilot FMR10Endress+Hauser V. 5, Rev. 2, 20-12-2016 9OutputOutput signal 4 to 20 mAAn 4 to 20 mA interface is used for measured value output and to power to the device.Digital output Bluetooth® wireless technologyThe device has a Bluetooth® wireless technology interface and can be operated and configured viathis interface using the SmartBlue app.• The range under reference conditions is 25 m (82 ft)• Incorrect operation by unauthorized persons is prevented by means of encrypted communicationand password encryption.• The Bluetooth® wireless technology interface can be deactivated.Signal on alarm Depending on the interface, failure information is displayed as follows:• Current outputAlarm current: 22.5 mA (as per NAMUR RecommendationNE 43)• SmartBlue (app)– Status signal (as per NAMUR Recommendation NE 107)– Plain text display with remedial actionLinearization The linearization function of the device allows the conversion of the measured value into any unit oflength, weight, flow or volume.When operating via SmartBlue (app), up to 32 value pairs can be entered manually into thelinearization table.
Micropilot FMR1010 V. 5, Rev. 2, 20-12-2016 Endress+HauserElectrical connectionCable assignment-+12  A0028954 2 Cable assignment1 Plus, brown wire2 Minus, blue wireSupply voltage An external power supply is necessary.Terminal voltage U at device Maximum load R, depending on supply voltage U0 of power supplyunit10.5 to 30 VDC 2-wireR [ ]WU0[V]1010.5 21.7520 300500  A0029226Potential equalizationNo special measures for potential equalization are required.Various power supply units can be ordered from Endress+Hauser.Battery operationThe sensor's Bluetooth® wireless technology communication can be disabled to increase theoperating life of the battery.Power consumption Maximum input power: 675 mWCurrent consumption • maximum input current: <25 mA• Maximum start-up current: 3.6 mAStarting time First stable measured value after 20 s (with supply voltage = 24 VDC)Power supply failure The configuration remains stored in the sensor.
Micropilot FMR10Endress+Hauser V. 5, Rev. 2, 20-12-2016 11Connection 4 to 20 mA Circuit diagram / DescriptionFMR10 connection with voltage sourceand 4 to 20 mA display2Y+ +- -I1mA  A0028907 3 FMR10 block diagram1 Micropilot FMR10, 4 to 20 mA2 Power supplyCable specification Unshielded cable, 2 × 0.75 mm2As per IEC/EN 60079-11 section 10.9, the cable is designed for a tensile strength of 30 N (6.74 lbf)(over a period of 1 h).The FMR10 is supplied with 10 m (33 ft) cable length as standard.Overvoltage protection The device is equipped with integrated overvoltage protection.
Micropilot FMR1012 V. 5, Rev. 2, 20-12-2016 Endress+HauserPerformance characteristicsReference operatingconditions• Temperature = +24 °C (+75 °F) ±5 °C (±9 °F)• Pressure = 960 mbar abs. (14 psia) ±100 mbar (±1.45 psi)• Humidity = 60 % ±15 %• Reflector: metal plate with diameter ≥ 1 m (40 in)• No major interference reflections inside the signal beamMaximum measured error Typical data under reference operating conditions: DIN EN 61298-2, percentage values in relation tothe span.Device Value Outputdigital 1) analog 2)FMR10 Sum of non-linearity, non-repeatability and hysteresis ±5 mm (0.2 in) ±0.02 %Offset/Zero ±4 mm (0.16 in) ±0.03 %1) SmartBlue (app)2) Only relevant for 4-20mA current output; add error of the analog value to the digital valueDiffering values in near-range applications00,5 (1.67) D[m ](ft)D[mm (in)]5 (0.2)10 (0.39)-20 (0.79)20 (0.79)-5 (-0.2)-10 (-0.39)R0,1 (0.33)R  A0029048-EN 4 Maximum measured error in near-range applications∆ Maximum measured errorR Reference point of the distance measurementD Distance from reference point of antennaMeasured value resolution Dead band as per EN61298-2:• Digital: 1 mm (0.04 in)• Analog: 4 µAResponse time The response time can be configured. The following step response times (as per DIN EN 61298-2) 1)apply if the damping is switched off:Tank height Sampling rate Response time< 5 m (16 ft) 1 s-1 < 3 s1) According to DIN EN 61298-2 the step response time is the time which passes after a sudden change of the input signal until the output signalassumes 90% of the steady-state value for the first time.
Micropilot FMR10Endress+Hauser V. 5, Rev. 2, 20-12-2016 13Influence of ambienttemperatureThe measurements are carried out in accordance with EN 61298-3.• Digital (Bluetooth® wireless technology):Standard version: average TK = ± 3 mm (0.12 in)/10 K• Analog (current output):– Zero point (4 mA): average TK = 0.02 %/10 K– Span (20 mA): average TK = 0.05 %/10 K
Micropilot FMR1014 V. 5, Rev. 2, 20-12-2016 Endress+HauserInstallationInstallation conditions Installation typesABDC  A0028892 5 Wall, ceiling or nozzle installationA Wall or ceiling mount, adjustableB Mounted at front threadC Mounted at rear threadD Ceiling installation with counter nut (included in delivery)Caution!• The sensor cables are not designed as supporting cables. Do not use as a suspension wire.• In the free-field, a vertically downward orientation must be ensured at all timesNozzle installationThe antenna should be just out of the nozzle for optimum measurement. The interior of the nozzlemust be smooth and may not contain any edges or welded joints. The edge of the nozzle should berounded if possible. The maximum nozzle length L depends on the nozzle diameter D. Please notethe specified limits for the diameter and length of the nozzle.LDLD  A0028843 6 FMR10 nozzle installation40 mm (1.5 in) Antenna, outside nozzle 40 mm (1.5 in)Antenna, inside nozzleD min. 40 mm (1.5 in) min. 80 mm (3 in)L max. D × 1,5 max. 140 mm (5.5 in) + D × 1,5
Micropilot FMR10Endress+Hauser V. 5, Rev. 2, 20-12-2016 15OrientationABDD  A0028410 7 Tank installation position• If possible install the sensor so that its lower edge projects into the vessel.• Recommended distance A wall - nozzle outer edge: ~ 1/6 of the tank diameter D. However, thedevice must not under any circumstances be mounted closer than 15 cm (5.91 in) to the tank wall.• Do not mount the sensor in the center of the tank.• Avoid measurements through the filling curtain.• Avoid equipment such as limit switches, temperature sensors, baffles, heating coils etc.• Several devices can be operated in a single tank without impacting on each other.• No signals are analyzed within the Blocking distance (BD). It can therefore be used to suppressinterference signals (e.g. the effects of condensate) close to the antenna.An automatic Blocking distance of at least 0.1 m (0.33 ft) is configured as factory setting.However, this can be overwritten manually (0 m (0 ft) is also permitted).Automatic calculation:Blocking distance = Empty calibration - Full calibration - 0.2 m (0.656 ft).Each time a new entry is made in the Empty calibration parameter orFull calibration parameter,the Blocking distance parameter is recalculated automatically using this formula.If the result of the calculation is a value <0.1 m (0.33 ft), the Blocking distance of0.1 m (0.33 ft)continues to be used.
Micropilot FMR1016 V. 5, Rev. 2, 20-12-2016 Endress+HauserAlignment• Align the antenna vertically to the product surface.• Align the eyelet with the mounting eye as well as possible towards the tank wall.90°90°90°90°90°  A0028927 8 Sensor alignment when mounting in tank
Micropilot FMR10Endress+Hauser V. 5, Rev. 2, 20-12-2016 17Beam angleαDWW = 2 x D x tan_2α  A0029053-EN 9 Relationship between beam angle α, distance D and beam diameter WThe beam angle is defined as the angle α, at which the power density of the radar waves reaches halfthe value of the maximum power density (3dB width). Microwaves are also emitted outside thesignal beam and can be reflected off interfering installations.Beam diameter W as a function of beam angle α and distance D.FMR10Antenna size 40 mm (1.5 in) 40 mm (1.5 in)with accessory"flooding protection tube"Beam angle α 30° 12°Distance (D) Beam diameter W3 m (9.8 ft) 1.61 m (5.28 ft) 0.63 m (2.07 ft)5 m (16.4 ft) 2.68 m (8.79 ft) 1.51 m (4.95 ft)8 m (26.25 ft) - 1.68 m (5.52 ft)
Micropilot FMR1018 V. 5, Rev. 2, 20-12-2016 Endress+HauserMeasurement in plastic vesselsIf the outer wall of the vessel is made of a non-conductive material (e.g. GFR) microwaves can also bereflected off interfering installations outside of the vessel (e.g. metallic pipes (1), ladders (2),grates (3), ...). Therefore there should be no such interfering installations in the signal beam. Formore information, please contact Endress+Hauser.312  A0029540 10 Measurement in a plastic vesselWeather protection coverFor outdoor use, a weather protection cover is recommended.  A0031277 11 Weather protection cover, e.g. with 40 mm (1.5") antennaThe sensor is not completely covered.The weather protection cover is available as an accessory. →   31
Micropilot FMR10Endress+Hauser V. 5, Rev. 2, 20-12-2016 19Free-field measurement with flooding protection tubeThe flooding protection tube guarantees a definitive analysis of the maximum level even in the eventthat the sensor is completely flooded.In free-field installations and / or in applications where there is a risk of flooding, the floodingprotection tube must be used.1234  A0030394 12 Function of flooding protection tube1 Air pocket2 O-ring (EPDM) seal3 Blocking distance4 Max. LevelFlooding protection tube 40 mm (1.5 in) Antenna, metallized PBT-PC:For use with devices in product structure, feature 100 "Process connection front", option WFE"Thread ISO228 G1-1/2".The flooding protection tube can be ordered with the device. Product structure, feature 620"Accessory enclosed", option R7 "Flooding protection tube, metallized PBT-PC suitable for40 mm (1.5 in) antenna with G1-1/2 process connection on front, extended measuring range8 m (26.25 ft) liquid".Alternatively available as an accessory; order number 71325090.Installation with mounting bracket, adjustable  A0028893 13 Installation with mounting bracket, adjustable• Wall or ceiling installation is possible.• Using the mounting bracket, position the antenna so that it is perpendicular to the productsurface.
Micropilot FMR1020 V. 5, Rev. 2, 20-12-2016 Endress+HauserNOTICEThere is no conductive connection between the mounting bracket and transmitter housing.Risk of electrostatic charge.‣Integrate the mounting bracket in the local potential equalization system.The mounting bracket is available as an accessory. →   31Cantilever installation, with pivotABC  A0028412 14 Cantilever installation, with pivotA Installation with cantilever and wall bracketB Installation with cantilever and mounting frameC The cantilever can be turned (e.g. in order to position the sensor over the center of the channel, for example)
Micropilot FMR10Endress+Hauser V. 5, Rev. 2, 20-12-2016 21EnvironmentAmbient temperature range Measuring device: –40 to +60 °C (–40 to +140 °F)Outdoor operation in strong sunlight:• Mount the device in the shade.• Avoid direct sunlight, especially in warmer climatic regions.• Use a weather protection cover →   31.Storage temperature –40 to +80 °C (–40 to +176 °F)Climate class DIN EN 60068-2-38 (test Z/AD)Installation height as perIEC 61010-1 Ed.3Generally up to 2 000 m (6 600 ft) above sea level.Degree of protection Tested acc. to:– IP66, NEMA 4X– IP68, NEMA 6P (24 h at 1.83 m (6.00 ft) under water)Vibration resistance DIN EN 60068-2-64 / IEC 60068-2-64: 20 to 2 000  Hz, 1 (m/s2)2/HzElectromagneticcompatibility (EMC)Electromagnetic compatibility in accordance with all of the relevant requirements outlined in theEN 61000 series and NAMUR Recommendation EMC (NE 21). For details, please refer to theDeclaration of Conformity 2)2) Available for download at www.endress.com.
Micropilot FMR1022 V. 5, Rev. 2, 20-12-2016 Endress+HauserProcessProcess temperature, processpressureFMR10p-40 +60 ( 40)+10 ( )+32Tp[ °F ]°C ( )-1( )-14.50[bar ](psi)3 (43.5)  A0030443-EN 15 FMR10: Permitted range for process temperature and process pressureFeature 100 "Process connection" Process temperature range Process pressure range• VEE: Thread ASME MNPT1-1/2;PVDF• WFE: Thread ISO228 G1-1/2; PVDF–40 to +60 °C (–40 to +140 °F) prel = –1 to 3 bar (–14.5 to 43.5 psi)pabs < 4 bar (58 psi)Dielectric constant For liquidsεr ≥ 4For dielectric constants (DC values) of many media commonly used in various industries referto:• the Endress+Hauser DC manual (CP01076F)• the Endress+Hauser "DC Values App" (available for Android and iOS)
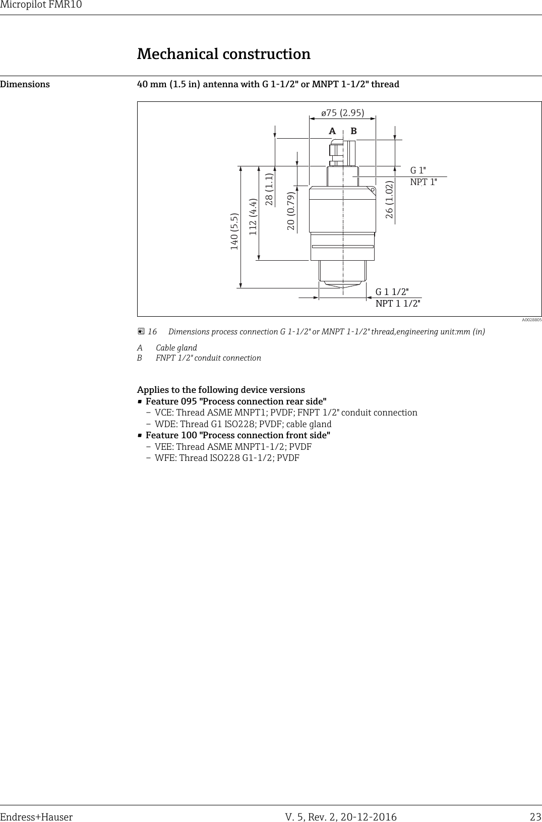
Micropilot FMR10Endress+Hauser V. 5, Rev. 2, 20-12-2016 23Mechanical constructionDimensions 40 mm (1.5 in) antenna with G 1-1/2" or MNPT 1-1/2" threadG 1 1/2"20 (0.79)G 1"NPT 1"26 (1.02)ø75 (2.95)28 (1.1)140 (5.5)112 (4.4)NPT 1 1/2"AB  A0028805 16 Dimensions process connection G 1-1/2" or MNPT 1-1/2" thread,engineering unit:mm (in)A Cable glandB FNPT 1/2" conduit connectionApplies to the following device versions•Feature 095 "Process connection rear side"– VCE: Thread ASME MNPT1; PVDF; FNPT 1/2" conduit connection– WDE: Thread G1 ISO228; PVDF; cable gland•Feature 100 "Process connection front side"– VEE: Thread ASME MNPT1-1/2; PVDF– WFE: Thread ISO228 G1-1/2; PVDF
Micropilot FMR1024 V. 5, Rev. 2, 20-12-2016 Endress+Hauser40 mm (1.5 in) antenna with flooding protection tube!89 (3.5)264 (10.4)!75 (2.95)  A0030266 17 Dimensions 40 mm (1.5 in) antenna with mounted flooding protection tube, engineering unit: mm (in)Applies to the following device versions•Feature 100 "Process connection front side"WFE: Thread ISO228 G1-1/2; PVDF•Feature 620 "Accessory enclosed"Option R7 "Flooding protection tube, metallized PBT-PC suitable for 40 mm (1.5 in) antenna withprocess connection on front G1-1/2", extended measuring range 8 m (26.25 ft) liquids.Counter nut for process connection rear side8 (0.31)G 1"12 (0.08)41 mm2 (0.08)  A0028419 18 Dimensions of counter nut for process connection rear side, engineering unit: mm (in)1 Seal• The counter nut with seal (EPDM) is included in the scope of supply.• Material: PA6.6Weight Micropilot Weight (incl. 10 m (32.8 ft) cable)FMR10 Approx. 3.0 kg (6.6 lb)
Micropilot FMR10Endress+Hauser V. 5, Rev. 2, 20-12-2016 25Materials189234 567  A0028415 19 FMR10 materialsItem Component part Material1 Sensor housing PVDF2 Seal EPDM3 Process connection rear side PVDF4 Cable gland PA5 Conduit connection adapter CuZn, nickel-plated6 O-ring EPDM7 Counter nut PA6.68 Design ring PBT PC9 Process connection front side PVDFConnecting cable Standard length: 10 m (33 ft)If longer cable lengths are required, an extension cable must be used.In this case, the total cable length (sensor cable + extension cable) must not exceed 300 m (984 ft).Material : PVC
Micropilot FMR1026 V. 5, Rev. 2, 20-12-2016 Endress+HauserOperabilityOperating concept • 4 to 20 mA• SmartBlue (app) via Bluetooth® wireless technology• Menu guidance with brief explanations of the individual parameter functions in the operating toolVia Bluetooth® wirelesstechnology123  A0028895 20 Possibilities for remote operation via Bluetooth® wireless technology1 Transmitter power supply unit2 Smartphone / tablet with SmartBlue (app)3 Transmitter with Bluetooth® wireless technology
Micropilot FMR10Endress+Hauser V. 5, Rev. 2, 20-12-2016 27Certificates and approvalsCE mark The measuring system meets the legal requirements of the applicable EC guidelines. These are listedin the corresponding EC Declaration of Conformity together with the standards applied.Endress+Hauser confirms successful testing of the device by affixing to it the CE mark.RoHS The measuring system complies with the substance restrictions of the Restriction on HazardousSubstances Directive 2011/65/EU (RoHS 2).EAC conformity The measuring system meets the legal requirements of the applicable EAC guidelines. These arelisted in the corresponding EAC Declaration of Conformity together with the standards applied.Endress+Hauser confirms successful testing of the device by affixing to it the EAC mark.RCM-Tick marking The supplied product or measuring system meets the ACMA (Australian Communications and MediaAuthority) requirements for network integrity, interoperability, performance characteristics as wellas health and safety regulations. Here, especially the regulatory arrangements for electromagneticcompatibility are met. The products are labelled with the RCM- Tick marking on the name plate.  A0029561Ex approval •Non-hazardous area• CSA C/US General Purpose• Non-hazardous area + EAC markPressure equipment withallowable pressure≤ 200 bar (2 900 psi)Pressure instruments with a flange and threaded boss that do not have a pressurized housing do notfall within the scope of the Pressure Equipment Directive, irrespective of the maximum allowablepressure.Reasons:According to Article 2, point 5 of EU Directive 2014/68/EU, pressure accessories are defined as"devices with an operational function and having pressure-bearing housings".If a pressure instrument does not have a pressure-bearing housing (no identifiable pressure chamberof its own), there is no pressure accessory present within the meaning of the Directive.Note:A partial examination shall be performed for pressure instruments that are part of safety equipmentfor the protection of a pipe or vessel from exceeding allowable limits (equipment with safetyfunction in accordance with Pressure Equipment Directive 2014/68/EU, Article 2, point 4).EN 302729-1/2 radiostandardThe Micropilot FMR10 devices comply with the LPR (Level Probing Radar) radio standard EN302729-1/2. The devices are approved for unrestricted use inside and outside of closed vessels incountries of the EU and EFTA. that have implemented this standard.The following countries are those that have currently implemented the directive:Belgium, Bulgaria, Germany, Denmark, Estonia, France, Greece, UK, Ireland, Iceland, Italy,Liechtenstein, Lithuania, Latvia, Malta, The Netherlands, Norway, Austria, Poland, Portugal,Romania, Sweden, Switzerland, Slovakia, Spain, Czech Republic and Cyprus.Implementation is still underway in all of the countries not listed.Please note the following for operation of the devices outside of closed vessels:1. The device must be mounted in accordance with the instructions in the "Installation" section.2. Installation must be carried out by properly trained, expert staff.3. The device antenna must be installed in a fixed location pointing vertically downwards.
Micropilot FMR1028 V. 5, Rev. 2, 20-12-2016 Endress+Hauser4. The installation site must be located at a distance of 4 km from the astronomy stations listedbelow or otherwise approval must be provided by the relevant authority. If the device isinstalled at a distance of 4 to 40 km from one of the listed stations, it must not be installed at aheight of more than 15 m (49 ft) above the ground.Astronomy stationsCountry Name of the station Latitude LongitudeGermany Effelsberg 50°31'32" North 06°53'00" EastFinland Metsähovi 60°13'04" North 24°23'37" EastTuorla 60°24'56" North 24°26'31" EastFrance Plateau de Bure 44°38'01" North 05°54'26" EastFloirac 44°50'10" North 00°31'37" WestGreat Britain Cambridge 52°09'59" North 00°02'20" EastDamhall 53°09'22" North 02°32'03" WestJodrell Bank 53°14'10" North 02°18'26" WestKnockin 52°47'24" North 02°59'45" WestPickmere 53°17'18" North 02°26'38" WestItaly Medicina 44°31'14" North 11°38'49" EastNoto 36°52'34" North 14°59'21" EastSardinia 39°29'50" North 09°14'40" EastPoland Fort Skala Krakow 50°03'18" North 19°49'36" EastRussia Dmitrov 56°26'00" North 37°27'00" EastKalyazin 57°13'22" North 37°54'01" EastPushchino 54°49'00" North 37°40'00" EastZelenchukskaya 43°49'53" North 41°35'32" EastSweden Onsala 57°23'45" North 11°55'35" EastSwitzerland Bleien 47°20'26" North 08°06'44" EastSpain Yebes 40°31'27" North 03°05'22" WestRobledo 40°25'38" North 04°14'57" WestHungary Penc 47°47'22" North 19°16'53" EastAs a general rule, the requirements outlined in EN 302729-1/2 must be observed.FCC / Industry Canada This device complies with Part 15 of the FCC Rules [and with Industry Canada licence-exempt RSSstandard(s)]. Operation is subject to the following two conditions: (1) this device may not causeharmful interference, and (2) this device must accept any interference received, includinginterference that may cause undesired operation.Le présent appareil est conforme aux CNR d'Industrie Canada applicables aux appareils radio exemptsde licence. L'exploitation est autorisée aux deux conditions suivantes: (1) l'appareil ne doit pas produirede brouillage, et (2) l'utilisateur de l'appareil doit accepter tout brouillage radioélectrique subi, même sile brouillage est susceptible d'en compromettre le fonctionnement.
Micropilot FMR10Endress+Hauser V. 5, Rev. 2, 20-12-2016 29[Any] Changes or modifications made to this equipment not expressly approved by Endress+Hausermay void the FCC authorization to operate this equipment.This equipment has been tested and found to comply with the limits for a Class B digital device,pursuant to Part 15 of the FCC Rules. These limits are designed to provide reasonableprotection against harmful interference in a residential installation. This equipment generates,uses and can radiate radio frequency energy and, if not installed and used in accordance withthe instructions, may cause harmful interference to radio communications. However, there is noguarantee that interference will not occur in a particular installation. If this equipment doescause harmful interference to radio or television reception, which can be determined by turningthe equipment off and on, the user is encouraged to try to correct the interference by one ormore of the following measures:• Reorient or relocate the receiving antenna• Increase the separation between the equipment and receiver• Connect the equipment into an outlet on a circuit different from that to which the receiver isconnected• Consult the dealer or an experienced radio/TV technician for help• The installation of the LPR/TLPR device shall be done by trained installers, in strictcompliance with the manufacturer’s instructions.• The use of this device is on a “no-interference, no-protection” basis. That is, the user shallaccept operations of high-powered radar in the same frequency band which may interferewith or damage this device. However, devices found to interfere with primary licensingoperations will be required to be removed at the user’s expense.• Only for usage without the accessory “flooding protection tube”, i.e. NOT in the free-field:This device shall be installed and operated in a completely enclosed container to prevent RFemissions, which can otherwise interfere with aeronautical navigation.
Micropilot FMR1030 V. 5, Rev. 2, 20-12-2016 Endress+HauserOther standards andguidelines• IEC/EN 61010-1Safety Requirements for Electrical Equipment for Measurement, Control and Laboratory Use• IEC/EN 55011"EMC Emission, RF Emission for Class B". Industrial, scientific and medical equipment –Electromagnetic disturbance characteristics - Limits and methods of measurement• IEC/EN 61000-4-2EMC Immunity, ESD (Performance Criteria A). Electromagnetic compatibility (EMC): Testing andmeasurement techniques - Electrostatic discharge immunity test (ESD)• IEC/EN 61000-4-3EMC Immunity, RF field susceptibility (Performance Criteria A). Electromagnetic compatibility(EMC): Testing and measurement techniques - Radiated, radio-frequency, electromagnetic fieldimmunity test• IEC/EN 61000-4-4EMC Immunity, bursts (Performance Criteria B). Electromagnetic compatibility (EMC): Testing andmeasurement techniques - Electrical fast transient/burst immunity test• IEC/EN 61000-4-5EMC Immunity, surge (Performance Criteria B). Electromagnetic compatibility (EMC): Testing andmeasurement techniques - Surge immunity test• IEC/EN 61000-4-6EMC Immunity, conducted HF (Performance Criteria A). Electromagnetic compatibility (EMC):Testing and measurement techniques - Immunity to conducted disturbances induced by radio-frequency fields• IEC/EN 61000-4-8EMC Immunity, magnetic fields 50 Hz. Electromagnetic compatibility (EMC): Testing andmeasurement techniques - Power frequency magnetic field immunity test• EN 61000-6-3EMC Emission, conducted HF. EMC: Radiated interference - Residential, commercial and lightindustry environment• NAMUR NE 21Electromagnetic compatibility (EMC) of industrial process and laboratory control equipment• NAMUR NE 43Standardization of the signal level for the breakdown information of digital transmitters withanalog output signal.• NAMUR NE 107Status classification as per NE107• NAMUR NE 131Requirements for field devices for standard applications.• IEEE 802.15.1Requirements for the Bluetooth® wireless technology interfaceOrdering informationDetailed ordering information is available from the following sources:• In the Product Configurator on the Endress+Hauser website: www.endress.com -> Click "Corporate"-> Select your country -> Click "Products" -> Select the product using the filters and search field ->Open product page -> The "Configure" button to the right of the product image opens the ProductConfigurator.• From your Endress+Hauser Sales Center: www.addresses.endress.comProduct Configurator - the tool for individual product configuration• Up-to-the-minute configuration data• Depending on the device: Direct input of measuring point-specific information such asmeasuring range or operating language• Automatic verification of exclusion criteria• Automatic creation of the order code and its breakdown in PDF or Excel output format• Ability to order directly in the Endress+Hauser Online Shop
Micropilot FMR10Endress+Hauser V. 5, Rev. 2, 20-12-2016 31AccessoriesDevice-specific accessories Weather protection cover90 (3.54)Ø 98 (3.86)  A0028181 21 Dimensions of weather protection cover, engineering unit: mm (in)Werkstoff: PVDFThe weather protection cover is available as an accessory; order number 52025686.The sensor is not completely covered.Securing nut G 1-1/2"G1 1/2" DIN ISO 22860 mm10 (0.39)  A0028849 22 Dimensions of securing nut, engineering unit: mm (in)Suitable for use with devices with G 1-1/2" and MNPT 1-1/2" process connection.Material: PCOrder number: 52014146
Micropilot FMR1032 V. 5, Rev. 2, 20-12-2016 Endress+HauserFlooding protection tube 40 mm (1.5 in) antenna, metallized PBT-PC!89 (3,5)152 (5,98)G 1-1/2"  A0028418For use with devices in product structure, feature 100 "Process connection on front", option WFE"Thread ISO228 G1-1/2".Material: PBT-PC, metallizedThe flooding protection tube can be ordered with the device. Product structure, feature 620"Accessory enclosed", option R7 "Flooding protection tube, metallized PBT-PC suitable for40 mm (1.5 in) antenna with G1-1/2" process connection on front", extended measuring range8 m (26.25 ft) in liquids.Alternatively available as an accessory; order number 71325090.Mounting bracket, adjustable117.5 (4.63)92.5 (3.64)70 (2.76)!9 (0.35)12 (0.47) 9 (0.35)12 (0.47)9 (0.35)35 (1.38)  A0028861 23 Dimensions of mounting bracket, engineering unit: mm (in)Consists of:• Mounting bracket: 316 (1.4404)• Angle bracket: 316L (1.4404)• Screws: A4• Retaining rings: A4The mounting bracket is available as an accessory; order number 71325079.
Micropilot FMR10Endress+Hauser V. 5, Rev. 2, 20-12-2016 33Additional accessoriesFor additional suitable accessories, see Technical Information TI01267F (FMR20)
Micropilot FMR1034 V. 5, Rev. 2, 20-12-2016 Endress+HauserCommunication-specificaccessories Accessories DescriptionFieldgate FXA320 Gateway for remote monitoring of field devices with 4 to 20 mA and digital outputsignalFor details, see Technical Information TI00025S and Operating InstructionsBA00053SSystem components Accessories DescriptionRMA42 Digital process transmitter for monitoring and visualizing analog measured valuesFor details, see Technical InformationTI00150R and Operating InstructionsBA00287RRIA452 Digital process meter RIA452, in panel mounted housing for monitoring anddisplaying analog measured values, batch, pump control functions and can be usedas a preset counter and for measuring flowFor details, see Technical Information TI113R nd Operating InstructionsBA00254RHAW562 Surge arrester for DIN rail according to IEC 60715, used to protect electroniccomponents from being destroyed by overvoltage.For details, see Technical Information TI01012K
Micropilot FMR10Endress+Hauser V. 5, Rev. 2, 20-12-2016 35Supplementary documentationThe following document types are available in the Download Area of the Endress+Hauser Internetsite: www.endress.com → Download:Standard documentation Device Document type Document codeFMR10 Brief Operating Instructions KA01247FDevice Document type Document codeFMR10 Operating Instructions BA01577F
www.addresses.endress.com*unbekannt*

Navigation menu