Entrematic HA8 SL Installation Instructions LP V 4 0 Install Manual
User Manual: Entrematic Entrematic HA8-SL Installation Instructions Installation Instructions
Open the PDF directly: View PDF
.
Page Count: 62

info.ditec.ca@entrematic.com
www.ditecentrematic.ca
info.ditec.us@entrematic.com
www.ditecentrematic.us
HA8-LP Manual V. 4.0
DITEC HA8-LP LOW ENERGY
SWING OPERATOR
Installation & Instruction Manual
READ AND FOLLOW ALL INSTALL
A
ATION INSTRUCTIONS CAREFULLY!
FAILURE TO DO SO MAY RESULT IN PERSONAL INJURY OR PROPERTY DAMAGE!
• Install only on a properly operating and balanced door. A door that is operating improperly could cause severe
injury. Before installing the operator, have qualified service personnel make repairs to cables, and other hardware.
• Before installing the operator, remove or make inoperative, all locks (unless mechanically and/or electrically
interlocked to the power unit), all activation units and accessories that may be connected to the door.
• A commercial/industrial door operator that has exposed moving parts capable of causing injury to persons or
employs a motor deemed indirectly accessible by virtue of its location above the floor shall include:
- Install the door operator at least 2.4 m (8ft) or more above the floor, and/or
- If the operator must be installed less than 2.4 m (8ft) above the floor, then exposed moving parts must be
protected by covers or guarding provided by the operator manufacturer.
• The control unit MUST be located: (1) within the sight of the door, and (2) at a minimum height of 1.5 m (5ft) above
the floors, landings, steps, or any other adjacent walking surface and (3) away from all moving parts of the door.
• Install the Entrapment Warning Placard next to the control station in a prominent location if applicable.
• To reduce the risk of injury to persons - Use this system only with pedestrian doors.
• Do not connect the operator to a power supply until instructed to do so. Connection of the high voltage supply
should be done by a qualified professional and within the guidelines of the enforced local electrical codes.
• HIGH VOLTAGE (INCOMING 115 VAC) WIRES AND LOW VOLTAGE WIRES CANNOT SHARE THE SAME
ACCESS HOLE. HIGH VOLTAGE WIRES MUST BE ROUTED AND SECURED AWAY FROM ALL LOW
VOLTAGE WIRES.
Entrematic Canada Inc. Entrematic USA Inc.
Toll Free: 1-877-348-6837 Toll Free: 1-866-901-4284

Entrematic Canada Inc.
Toll Free: 1-877-348-6837
info.ditec.ca@entrematic.com
www.ditecentrematic.ca
Entrematic USA Inc.
Toll Free: 1-866-901-4284
info.ditec.us@entrematic.com
www.ditecentrematic.us
Pg. 3
HA8-LP Manual V. 4.0
Table of Contents
1.1 Replacement Parts
1.2 General Information
1.3 Technical Specifications & Required Tools
1.4 Door Handings
1.5 Consideration of Surroundings
1.6 Electrical
2.1 Pre-Mounting Header Box Instructions
2.2 Operator Layout and Handing - Push and Pull
2.3 Handing Modification - Left to Right (and vice versa)
2.4 Double Egress Header
2.5 Control Board and Gearbox Installation
2.6 Connect Motor Wire Leads
3.1 Arm Components and Configurations
3.2 Push Arm Installation
3.3 Pull Arm (Z-arm) Installation
3.4 Universal Arm Installation
4.1 Back Check and Latch Adjustment
4.2 Spring Tension Adjustment
6.1 Basic Operation
6.2 Operation Switch
7.1 Digital Board Diagram
7.2 Digital Board Wiring Diagram
7.3 Digital Board Specification
8.1 Programming Specification (Digital Board)
8.2 Safety Monitoring
8.3 Safety Sensor Connection - BEA Bodyguard
8.4 Safety Sensor Connection - BEA Superscan
8.5 Safety Sensor Connection - Optex OA-FLEX
9.1 Dual Door Digital Board Specification
(Fully Automatic only)
9.2 Wiring Diagram
9.3 Programming Specification
12.1 Additional Components:
Sensor(s) / Knowing Act Devices
12.2 Header Cover Installation
12.3 Safety Decals
13.0 MANUFACTURER INFORMATION 60
6.0 DOOR OPERATING MODE 38
5.0 TESTING WITH OBSTRUCTION 37
4.0 OPERATOR TUNING 33
3.0 ARM INSTALLATION 22
2.0 OPERATOR INSTALLATION 11
1.0 BEFORE INSTALLATION 4
7.0 CONTROL BOARD SETTING 39
8.0 CONTROL BOARD PROGRAMMING 42
9.0 DUAL BOARD & PROGRAMMING 50
10.0 TROUBLESHOOTING 55
11.0 ADA ADJUSTMENTS 56
12.0 INSTALLATION WRAP UP 57

Entrematic Canada Inc.
Toll Free: 1-877-348-6837
info.ditec.ca@entrematic.com
www.ditecentrematic.ca
Entrematic USA Inc.
Toll Free: 1-866-901-4284
info.ditec.us@entrematic.com
www.ditecentrematic.us
Pg. 4
HA8-LP Manual V. 4.0
Step 1: Remove
Header Cover
(Section 2.1)
Step 2: Locate
& Drill Power
(Section 2.1)
Step 3: Mount
Header
(Section 2.1 - 2.2)
Step 4: Install
Operator
(Section 2.2 - 2.3)
Step 5: Place
Control Board
(Section 2.4)
Step 6: Install Arm
(Section 3.0)
Step 7: Electronics
Tuning
(Section 4.0 - 8.0)
Step 8: Clean/close
Header
(Section 11.0)
Step 9: Place
ANSI Stickers
(Section 11.2)
Step 10: Install
Sensor(s) /
Knowing Act Devices
(Section 11.1)
1.0 BEFORE INSTALLATION

Entrematic Canada Inc.
Toll Free: 1-877-348-6837
info.ditec.ca@entrematic.com
www.ditecentrematic.ca
Entrematic USA Inc.
Toll Free: 1-866-901-4284
info.ditec.us@entrematic.com
www.ditecentrematic.us
Pg. 5
HA8-LP Manual V. 4.0
Completed/Typical Automatic Door Installation
BACKING MATERIAL
(REINFORCEMENT)
LOW PROFILE
OPERATOR
ARM
CONTROL BOARD
HEADER BODY
HEADER COVER
HINGE STILE
DOOR MOUNTED
SENSORS HERE
(OPTIONAL)
ANSI STICKERS
KNOWING ACT DEVICE
INSIDE AND OUTSIDE
(FOR LOW ENERGY ONLY)
STRIKE STILE
SWING DOOR
DOOR FRAME
1.0 BEFORE INSTALLATION

Entrematic Canada Inc.
Toll Free: 1-877-348-6837
info.ditec.ca@entrematic.com
www.ditecentrematic.ca
Entrematic USA Inc.
Toll Free: 1-866-901-4284
info.ditec.us@entrematic.com
www.ditecentrematic.us
Pg. 6
HA8-LP Manual V. 4.0
1.1 Replacement Parts
3 2
1
9
4 6b
6a
5 8 10
7
HOLD OPEN
OFF
AUTOMATIC
1.0 BEFORE INSTALLATION
Replacement Parts
Item
Category
Part No.
Description
1
Operator
WL-PA03
LP Operator (Non-Handed)
2
Control Board
W7-150
Analog Control Board
W7-130-1
HA Digital Control Board
3
Fuse
W5-421
Fuse 3AMP Analog Board
W5-422
Fuse 3AMP Digital Board
4
Push Arm
W7-200
Complete Push Arm-Clear
(with 17.5” rod)
W7-205
Complete Push Arm-Bronze
(with 17.5” rod)
W5-502C
Cast portion - Clear
w5-502B
Cast portion - Bronze
W5-500C
Extended Rod 22”- Clear
W5-500B
Extended Rod 22”- Clear
5
Z-Arm
(Pull)
W5-506C
Z-Arm RH - Clear
W5-505C
Z-Arm LH - Clear
W5-506B
Z-Arm RH - Bronze
W5-505B
Z-Arm LH - Bronze
W5-508C
Extended Z-Arm RH - Clear
W5-507C
Extended Z-Arm LH - Clear
W5-508B
Extended Z-Arm RH - Black
W5-507B
Extended Z-Arm LH - Black
Replacement Parts
Item
Category
Part No.
Description
6a
Pull Arm Track
- Short
(for Z-arm)
W5-550
Pull Track Assembly - Clear
W5-555
Pull Track Assembly - Bronze
6b
Pull Arm Track
- Long
(for Universal Arm/
Center Spindle)
W5-551
Pull Track Assembly Long
- Clear
W5-556
Pull Track Assembly Long
- Bronze
7
Universal Arm
W5-512C
Universal Arm - Clear
W5-512B
Universal Arm - Bronze
8
Centre Spindle
Arm
W5-510C
Center Spindle RH - Clear
W5-511C
Center Spindle LH - Clear
W5-510B
Center Spindle RH - Bronze
W5-511B
Center Spindle LH - Bronze
9
Rocker Switch
WL-
Rocker
Switch
ON/ OFF/ HOLD OPEN
3 position switch
10
Power Supply Kit
WL-
PWRKIT
RS-25-24
Power Supply Kit

Entrematic Canada Inc.
Toll Free: 1-877-348-6837
info.ditec.ca@entrematic.com
www.ditecentrematic.ca
Entrematic USA Inc.
Toll Free: 1-866-901-4284
info.ditec.us@entrematic.com
www.ditecentrematic.us
Pg. 7
HA8-LP Manual V. 4.0
1.2 General Information
The HA8-LP Operator is a complete swinging door solution for push, pull, surface applied installations. The header contains
the Driving system (Motor), Torque production (Gearbox), and a Control system to interlink the two.
The HA8-LP Operator ensures all-around safety. It can be combined with the full range of safety units, such as presence
and motion sensors. It is easy to install for both new construction and retrofit applications.
• All wiring must conform to standard wiring practice in accordance with national and local wiring codes.
• Door must swing freely through the entire opening and closing cycle before beginning of installation.
Typically, doors are hung on hinges 5” (127mm) maximum width or 3/4” (19mm) offset pivots.
• An incorrectly installed or improperly adjusted door operator can cause property damage or personal injury.
These instructions should be followed to avoid the possibility of misapplication or maladjustment.
• All dimensions are given in inches (millimeters), unless otherwise noted.
Door/Frame Preparation
• Before installation, verify door frame is properly reinforced and is well anchored in the wall.
• Concealed electrical conduit, and concealed switch or sensor wires should be pulled to the frame before proceeding.
Suggested Fasteners for Frame
• #14 x 2-3/4” (70mm) long sheet metal screws.
Suggested Fasteners for Door
• #12, #14, Wood screws, Sheet Metal screws, Self-tapping screws of varying lengths depending on applications.
The fastener components listed above are merely suggestions. A technician should use their best
discretion to determine what components they’ll need to complete the job.
Do Not use Drywall Screws or Hollow Wall Anchors to mount the Back Plate / Header.
Shipping inspection
Verify that the order was shipped complete and correct, including model number, door handing, color, and header width.
• If any of the above items are not correct, do not attempt to install until all conditions are correct
• Report any incorrect items to the general contractor immediately.
NO CLAIMS FOR SHORTAGES WILL BE ALLOWED UNLESS REPORTED
WITHIN 24 HOURS OF RECEIPT OF SHIPMENT.
Safety Precautions
• Do not climb or put weight on any door or header parts
• Do not let children play with the operator or the electrical board
• Keep remote controls away from children
• Keep all power off to the unit, when performing any work or maintenance
To avoid bodily injury, material damage and malfunction of the product, the instructions contained in this manual must be
strictly observed during installation, adjustment, repairs and service etc. Training is needed to carry out these tasks safely.
Only Entrematic-trained technicians should be allowed to carry out these operations.
1.0 BEFORE INSTALLATION

Entrematic Canada Inc.
Toll Free: 1-877-348-6837
info.ditec.ca@entrematic.com
www.ditecentrematic.ca
Entrematic USA Inc.
Toll Free: 1-866-901-4284
info.ditec.us@entrematic.com
www.ditecentrematic.us
Pg. 8
HA8-LP Manual V. 4.0
1.0 BEFORE INSTALLATION
Compliance Codes and Standards
The operator complies with the following codes and standards:
• UL STD.325 & ANSI/BHMA STD. A156.19; Fire rated UL STD. 10 (b); UL STD. 10(c); NFPA STD. 252
• CAN/CSA STD. C22.2 NO. 247 & CAN/ULC STD. S104
• Under No Circumstances shall the Certification Label of the HA8 operator be tampered, modified
or removed!
• It is the responsibility of the final installer and/or installation company, to certify that the final
completed operator is installed in accordance with local building codes and applicable laws.
1.3 Technical Specifications & Required Tools
Model
Ditec Entrematic HA8 LP
Dimensions
4.125” W x 5.125”H
Weight
Approx. 45 lbs
Power Supply
115 ± 5VAC, 60Hz, 3A
Consumption
DC16V/ 3 AMP
Motor
1/8 hp, 16VDC, 3A (Standard)
Rated Operation
Continuous opening and closing cycles
Manual Opening/Closing Force
- during power failure
Opening Force: 15 lbs; Closing Force: 25lbs
Door Opening/Closing Speed & Force
Adjustable, see section 10.0 ADA ADJUSTMENTS
Operation - during power failure
Low resistance when opened by hand. Door closes by spring.
Hold Open
Pulsed Energy to Motor. No overheating. Continuous hold open
Operating Environment
Ambient temperature -4F to +120F (-20C to +50C) No condensation or icing
Ambient humidity 30% to 85% RH
(No hazardous materials must be present in the atmosphere)
Required Tools for installation:
• Allen Wrench Set
• Screwdrivers: Flat, Philip, 5/16” Hex. Nut
• Power Drill and Drill Bits
• Additional Fasteners Depending Surface
• Level
• Shims
• Tape Measure
• Hand Saw/ Power Saw
• Wire Stripper

Entrematic Canada Inc.
Toll Free: 1-877-348-6837
info.ditec.ca@entrematic.com
www.ditecentrematic.ca
Entrematic USA Inc.
Toll Free: 1-866-901-4284
info.ditec.us@entrematic.com
www.ditecentrematic.us
Pg. 9
HA8-LP Manual V. 4.0
1.4 Door Handings
1.0 BEFORE INSTALLATION
The handing and types of each operator are shown in the figure below; the black dot indicates the spindle location.
The HA8-LP Operator can be used for pull side and push side installation, on the top door jamb and in header applications.
Left-Push Surface Right-Push Surface
Left-Pull Surface Right-Pull Surface
1.5 Consideration of Surroundings
Floor Space Requirements for Wheel Chair Maneuvering - Americans with Disabilities Act (ADA)
The owner may request the activation device location; however, the press switch must be in view of the door and not directly
on the door or frame. Please refer to ANSI 117.1 Safety Code for further guidelines on switch requirements.
Position# 1
Minimum Two Feet (2’)
Activation switches shall be at minimum height of
36” and maximum height of 48” from finished floors
or as specified by a local Authority Having
Jurisdiction.
Individual who uses wheelchair needs a minimum
of 48”clearance to the door swing for doors
in sequence application.
from door latch
Position# 2
Minimum Five Feet (5’)
from door face
External and Internal Factors
Door Condition
Door must move easily open and close (latch) without excessive force; weather stripping and
threshold must not interfere with door movement.
Reveal
For out swing (Push) doors, the reveal must be within the range of 0” to 14”. For in swing (Pull)
doors, 0” to 4” for special reveals is allowed – for all others consult factory.
Wind
When installing on a door in a strong wind condition area, special adjustments should be made
to the arm and doorstop position, to increase the spring tension.
Power/Control Wires
Check that the electrical feed, all conduits, and electrical junction boxes (for push plates or
other activation devices, if required) are correctly located in accordance with final approved
shop drawings and within the guidelines of the enforced local electrical codes.

Entrematic Canada Inc.
Toll Free: 1-877-348-6837
info.ditec.ca@entrematic.com
www.ditecentrematic.ca
Entrematic USA Inc.
Toll Free: 1-866-901-4284
info.ditec.us@entrematic.com
www.ditecentrematic.us
Pg. 10
HA8-LP Manual V. 4.0
1.6 Electrical
The 115±5VAC supply lines are connected to the black primary wires coming from the transformer and the ground wire
is attached to the operator header box. Mount the ON/OFF/HOLD OPEN switch in the header end plates to the latch side of
the unit (or closest to the control board).
The control board settings have been pre-set prior to shipment. It will be necessary for the door operator to be functional
while adjustments and settings are made. A black push actuator is mounted on the upper left corner of the circuit board to
ease in the adjustment process. Power up the unit, push an activating device and check to make sure that the spline pinion
drive rotates in the correct direction. Keep all wires away from moving parts and sharp edges that may cut into the outer
casing of the wires.
Installation of L-16 CONNECTOR
for armor (Bx) cable/ incoming
power (to secure line to header)
IS RECOMMENDED
THE GROUND WIRE FOR THE INCOMING 115 ±5VAC POWER AND THE SYSTEM GROUND WIRE
CANNOT SHARE THE SAME GROUNDING STUD. GROUND THE INCOMING 115±5VAC ACCORDINGLY.
• Installation of any extra wiring for controls or accessories into the header unit shall be secured and away
from any moving parts.
• If the motor is not plugged into the circuit board, there is no resistance against the spring when manually
opening the door. The door or arm will close very quickly if opened.
• If an electrical access hole is added or knocked-out of the end plates, code approved electrical transfers
must be used. Hole cannot be knocked out and unfilled.
1.0 BEFORE INSTALLATION

Entrematic Canada Inc.
Toll Free: 1-877-348-6837
info.ditec.ca@entrematic.com
www.ditecentrematic.ca
Entrematic USA Inc.
Toll Free: 1-866-901-4284
info.ditec.us@entrematic.com
www.ditecentrematic.us
Pg. 11
HA8-LP Manual V. 4.0
2.1 Pre-Mounting Header Box Instructions
Disassemble parts for installation
Remove the cover from the assembly by gently prying with a screwdriver. Once the snaps are clear, pull the cover outwards
with minimal effort. Carefully set the cover in a location where it will not be damaged.
Power supply may be pulled into the header at the same time the header assembly is positioned. Make sure all power is
turned off before handling the supply wires. This should be done by a certified electrician and within the guidelines of the
enforced local electrical codes.
Be sure there is proper support in the wall to secure the header at the vertical jambs, and behind the header at intervals
between the vertical jambs. Secure the header box to the top of the door frame with the appropriate fasteners as indicated
below.
Remove the motor/gearbox and control board from the back plate. Make through holes on the back plate for mounting
header where appropriate.
2.0 OPERATOR INSTALLATION

Entrematic Canada Inc.
Toll Free: 1-877-348-6837
info.ditec.ca@entrematic.com
www.ditecentrematic.ca
Entrematic USA Inc.
Toll Free: 1-866-901-4284
info.ditec.us@entrematic.com
www.ditecentrematic.us
Pg. 12
HA8-LP Manual V. 4.0
STEPS
1 Verify that the operator is the correct orientation. Left Push, Right Push, Left Pull or Right Pull
2 Holes are provided for the high voltage wires. Hold the back plate in position and mark the wall. If the hole is not at a
convenient location, you can drill the backer plate to suit.
3 Anchor the back plate to the wall with minimum of six (6) - #14 x 1” Pan Quad Type A screws (provided). You may need
to provide other screws if your installation requires it.
4 Use two (2) screws to fasten the back plate directly to the doors vertical jambs on the hinge side.
Holes can be made anywhere in header to secure. All holes MUST be drilled into substantial
support (studs, blocks, framing, etc.). This diagram may not reflect your installation.
Do Not use Drywall Screws or Hollow Wall Anchors to mount the Back Plate / Header.
TYPICAL THROUGH-HOLE INSTALLATION
PRE-DRILLED UPPER HEADER ANCHORING HOLES
PRE-DRILLED INCOMING POWER WIRE HOLE
(TYPICALLY LATCH SIDE)
DOOR FRAME HEADER
ANCHORING HOLES
2.0 OPERATOR INSTALLATION

Entrematic Canada Inc.
Toll Free: 1-877-348-6837
info.ditec.ca@entrematic.com
www.ditecentrematic.ca
Entrematic USA Inc.
Toll Free: 1-866-901-4284
info.ditec.us@entrematic.com
www.ditecentrematic.us
Pg. 13
HA8-LP Manual V. 4.0
VERTICAL SECTION
FILLER PLATE
AS REQUIRED,
BY OTHERS
REINFORCEMENT
BY OTHERS
5 1/8 in
[130mm]
HA8-LP
OPERATOR
& HEADER
3 7/8 in
[98mm]
FLUSH
5 Add additional screws to fasten the header back plate to the door frame approximately 12” to 16” apart.
The header must support 200 lbs.
6 When installing a support plate for the full width of the door frame, fasten an additional two (2) screws to the vertical
jambs on the strike side of the door.
7 Install the Spindle into the motor/gearbox.
8 • Once the header back plate is in place, install the motor/gearbox and control board to the header back plate
(see Section 3.0).
• Slide the nuts (supplied with the operator) to hold the motor/gear box and control board along the 2 parallel tracks
on the back plate.
• Fasten the bolt to hold the motor/gear box and control board. The motor/gearbox needs to be installed so that the
center of the spindle is 5” (127mm) from the end plate
2.0 OPERATOR INSTALLATION
4 1/8 in
[102mm]

Entrematic Canada Inc.
Toll Free: 1-877-348-6837
info.ditec.ca@entrematic.com
www.ditecentrematic.ca
Entrematic USA Inc.
Toll Free: 1-866-901-4284
info.ditec.us@entrematic.com
www.ditecentrematic.us
Pg. 14
HA8-LP Manual V. 4.0
2.2 Operator Layout and Handing
HORIZONTAL SECTION
PUSH HEADER PULL HEADER
SWING SIDE
HINGE PIVOT
APPROACH SIDE
APPROACH SIDE
HINGE PIVOT
HEADER LENGTH DOOR WIDTH
+ 3” [ 76.2mm ]
SWING SIDE
VERTICAL SECTION
PUSH HEADER PULL HEADER
FILLER
FLUSH
FILLER
1 3/8in 35mm
For Universal Arm application, please see section 3.3
2.0 OPERATOR INSTALLATION
HEADER LENGTH DOOR WIDTH
+ 3 in [ 76mm ]
HEADER LENGTH DOOR WIDTH
+ 3 in [ 76mm ]
Door Swings Out
Approach Side
Swing Side
Door Swings Out
Swing Side
Approach Side
Hinge Pivot
Hinge Pivot

Entrematic Canada Inc.
Toll Free: 1-877-348-6837
info.ditec.ca@entrematic.com
www.ditecentrematic.ca
Entrematic USA Inc.
Toll Free: 1-866-901-4284
info.ditec.us@entrematic.com
www.ditecentrematic.us
Pg. 15
HA8-LP Manual V. 4.0
Push Header
The Header Box on push installations is mounted flush to the bottom of the doorjamb header. It may require solid backing
material to compensate for the thickness of the door frame. Before fastening header box to the door frame, ensure that
your access holes for high and low voltage wires match. Header box should be mounted to the hinge side of the door.
For most applications, the header is equal to door opening plus 3”. This allows for a 1½” space on either side of the
Header Box to anchor the header box properly to the frame. The header box should be anchored with a minimum of
(6) Six, #14 x 1” Pan Quad Type A screws (provided.)
• The locations of the screws on the header will be application dependent.
• Fasten the header body as application requires. The header must support 200lbs.
• Do Not use Drywall Screws or Hollow Wall Anchors to mount the Back Plate / Header.
• Header MUST be installed 1.5 inches from hinge side for all Push/ Pull installation, regardless of
whether header is sized appropriately to door opening.
• For Push application with standard arm, the reveal is up to 14”. For greater reveal, extended arm
is needed.
HEADER LENGTH = DOOR OPENING WIDTH + 3in [76mm]
1.50in 38mm IMPORTANT
1.50in 38mm
HINGE
STILE
DEPENDING ON OPTION
~2in or ~3in [~51mm or ~76mm]
PUSH ARM DOOR SHOE
14in
356mm
DOOR OPENING WIDTH
STRIKE
SIDE
2.89in [74mm] DISTANCE BETWEEN HEADER END CAP
AND BOTTOM GEARBOX BRACKET (SEE SECTION 2.5)
2.0 OPERATOR INSTALLATION

Entrematic Canada Inc.
Toll Free: 1-877-348-6837
info.ditec.ca@entrematic.com
www.ditecentrematic.ca
Entrematic USA Inc.
Toll Free: 1-866-901-4284
info.ditec.us@entrematic.com
www.ditecentrematic.us
Pg. 16
HA8-LP Manual V. 4.0
Pull Header
Ensure before fastening Header box to the door frame that your holes for high and low voltage wires match. Header box
should be referenced to the hinge side of the door and 1 3/8” above the bottom of the door frame (see figure below).
For most applications, the header is equal to the door opening plus 3”.
This allows for a 1.5” space on either side of the Header Box to anchor the Header box properly to the frame.
For correct sized header, the header box should be anchored with a minimum of (6) six #14 x 1” Pan Quad Type A screws
(provided), but will also depends on what is being screwed into.
• The locations of the screws on the header will be application dependent.
• Fasten the header body as application requires. The header must
support 200lbs.
• Do Not use Drywall Screws or Hollow Wall Anchors to mount the
back plate / header.
• Header on pull applications must be mounted so the main drive
pinion safety washer and machine screw are above the top of the
door. This is to ensure the spindle does not obstruct the swing path
of the door.
• For application with Universal arm, header will be installed differently.
See section 3.4.
2.3 Handing Modification - Left to Right (and vice versa)
Prepare the Operator, Arm and Spindle
1 Invert the entire operator assembly 180 degrees
2 Remove drive shaft (spindle) from motor gear box assembly (See changing position of drive shaft)
3 Re-attach drive shaft (spindle) to opposite side of motor gearbox assembly
4 Detach wire connections from operator to control board
5 Remove control assembly from the base and rotate 180 degrees
6 Replace control and socket screws
7 Connect wire harness (see wiring)
8 Fully tighten all bolts
9 Insert spline shaft on the operator (depended on push or pull application and spindle rotation)
2.0 OPERATOR INSTALLATION
1 3/8in [34.23mm]
Filler

Entrematic Canada Inc.
Toll Free: 1-877-348-6837
info.ditec.ca@entrematic.com
www.ditecentrematic.ca
Entrematic USA Inc.
Toll Free: 1-866-901-4284
info.ditec.us@entrematic.com
www.ditecentrematic.us
Pg. 17
HA8-LP Manual V. 4.0
Operator placement
LEFT HAND PUSH
(”SPINDLE OPENING ROTATION” LABEL FACING DOWN)
HINGE
SIDE
RIGHT HAND PUSH
(”SPINDLE OPENING ROTATION” LABEL FACING UP)
HINGE
SIDE
Before you begin, note that direction of the Open/Back Check arrow will indicate the direction the unit will open when
activated. As mentioned earlier, if the operator label is facing down to the floor, then the handing is Left hand Push/Pull.
If the operator label is facing up to the ceiling, the handing is Right hand Push/Pull.
1 Remove gear box assembly from mounting plate.
2 Disconnect wire harnesses and switch wiring from control (see wiring).
3 Re-attach gear box to opposite side of mounting plate and rotate mounting plate. The arrow should be pointing upward.
This indicates the handling is Left Hand Pull.
4 Connect wire harness and switch wiring (see wiring).
5 Fully tighten all bolts.
2.0 OPERATOR INSTALLATION
Spindle Opening
Rotation Label
Handing Modification Steps
LEFT HAND PULL
(“SPINDLE OPENING ROTATION” LABEL FACING DOWN)
RIGHT HAND PULL
(“SPINDLE OPENING ROTATION” LABEL FACING UP)
HINGE
HINGE

Entrematic Canada Inc.
Toll Free: 1-877-348-6837
info.ditec.ca@entrematic.com
www.ditecentrematic.ca
Entrematic USA Inc.
Toll Free: 1-866-901-4284
info.ditec.us@entrematic.com
www.ditecentrematic.us
Pg. 18
HA8-LP Manual V. 4.0
2.4 Double Egress Header
Double Egress Operators have a PULL type and PUSH type operator in the same housing, the header must be mounted
1 3/8” above the door frame. For PUSH type operator, arm clearance issues may arise. To ensure the arm clears any
existing doorstops, mount the arm according to the diagram below marked Push Configuration.
See Section 3.1 to change the Push arm configuration.
LENGTH ‘L’ = DOOR WIDTH + 3”
2.0 OPERATOR INSTALLATION
[ 76mm ]
[ 140mm ]
5 ½”

Entrematic Canada Inc.
Toll Free: 1-877-348-6837
info.ditec.ca@entrematic.com
www.ditecentrematic.ca
Entrematic USA Inc.
Toll Free: 1-866-901-4284
info.ditec.us@entrematic.com
www.ditecentrematic.us
Pg. 19
HA8-LP Manual V. 4.0
2.5 Control board and Gearbox Installation
The control board will be on the opposite side of the gearbox motor. For example, in a Left Hand Push operator, the
control board is right of the gearbox motor (as diagram below).
Control board and power supply kit can
be repositioned by loosen the screws.
LP GEARBOX MOUNTING DISTANCE
2.89in 73.41mm
DISTANCE BETWEEN HEADER END CAP
AND BOTTOM GEARBOX BRACKET
2.0 OPERATOR INSTALLATION

Entrematic Canada Inc.
Toll Free: 1-877-348-6837
info.ditec.ca@entrematic.com
www.ditecentrematic.ca
Entrematic USA Inc.
Toll Free: 1-866-901-4284
info.ditec.us@entrematic.com
www.ditecentrematic.us
Pg. 20
HA8-LP Manual V. 4.0
LP GEARBOX INSTALLATION/REMOVAL
LH PUSH/ PULL GEARBOX ORIENTATION
(”SPINDLE OPENING ROTATION” LABEL FACING DOWN)
TO MOUNT/REMOUNT GEARBOX,
REMOVE THESE SCREWS & WASHERS IN
NUMERICAL ORDER.
RH PUSH/ PULL GEARBOX ORIENTATION
(”SPINDLE OPENING ROTATION” LABEL FACING UP)
LP GEARBOX FASTENER DETAILS
ALL COMPONENTS ANCHORED TO
HEADER VIA M8 X 1 OR 5/16”-18
HEX NUT IN CHANNELS
M8X1 OR 5/16”-18 X 1/2”
SOCKET CAP SCREW HOLDS ALL
OTHER COMPONENTS TO HEADER
WITH ONE (1) 5/16” LOCK WASHER
M8X1 OR 5/16”-18 X 5/8”
SOCKET CAP SCREW HOLDS
GEARBOX TO HEADER (1, 2 & 3).
MUST HAVE TWO (2) 5/16”
LOCK WASHER BEFORE
BRACKETS OF GEARBOX.
2.0 OPERATOR INSTALLATION

Entrematic Canada Inc.
Toll Free: 1-877-348-6837
info.ditec.ca@entrematic.com
www.ditecentrematic.ca
Entrematic USA Inc.
Toll Free: 1-866-901-4284
info.ditec.us@entrematic.com
www.ditecentrematic.us
Pg. 21
HA8-LP Manual V. 4.0
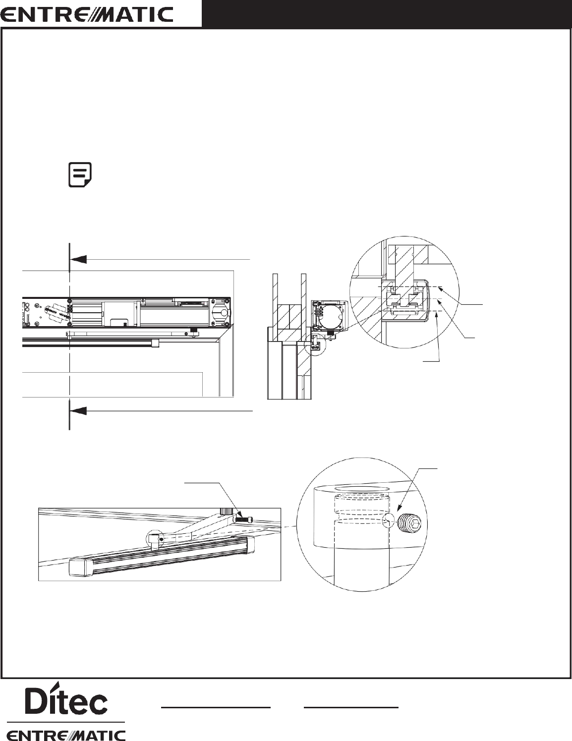
2.6 Connect Motor Wire Leads
Connect the Motor wire leads (large four pin), the Back Check and Latch wire lead (small three pin) to the top of the board.
For a Digital or Analog board, please connect the Motor harness to the appropriate terminal as below.
LOW PROFILE OPERATOR
ALWAYS PLUG IN HERE
DIGITAL BOARD
WARNING!
If the motor is not plugged into the circuit board there is no motor resistance against the spring
when manually opening the door. The door or arm will close very quickly if opened, which could
cause harm to pedestrians!
2.0 OPERATOR INSTALLATION

Entrematic Canada Inc.
Toll Free: 1-877-348-6837
info.ditec.ca@entrematic.com
www.ditecentrematic.ca
Entrematic USA Inc.
Toll Free: 1-866-901-4284
info.ditec.us@entrematic.com
www.ditecentrematic.us
Pg. 22
HA8-LP Manual V. 4.0
3.1 Arm Components & Configurations
The main arm components will consist of the Main Handle, Sleeve, Adjustable Rod (cut to length), and Door Shoe,
as shown below.
MAIN HANDLE
5/16-18x1”
SOCKET CAP SCREW
ADJUSTABLE ROD
(CUT TO LENGTH)
DOOR SHOE
SLEEVE
1/4 -28x1/4”
CONE POINT
SOCKET SET SCREW
3/8-16x1”
HEX CAP SCREW
There are two (2) configurations available depends on situation and/or applications
Option 1- Standard Configuration
This is the standard configuration for the push arm, the Sleeve and Rod are above the Main Handle. Use this configuration
when there is no issue with clearance between the Rod/Door Shoe and top jamb of the door frame. The Rod and Sleeve
are flexible at the ends where they are bolted (semi-ball joint) which will provide additional flexibility during install.
SLEEVE AND ROD
ABOVE MAIN HANDLE
5in 128mm OPTION 1 USED WHEN
CLEARANCE BETWEEN
TOP JAMB AND PUSH
ROD IS NOT AN ISSUE
FLEXIBLE PUSH
ROD JOINT
2.6in 66mm
FLUSH
(BOTTOM OF HEADER
AND DOOR JAMB)
2 5/32in 55 mm
GUIDELINE DIMENSION
FLEXIBLE PUSH ROD JOINT
WARNING!
Please ensure Shoe Bolts at these joints are tightened after installation of arm is complete.
3.0 ARM INSTALLATION
4in 104mm

Entrematic Canada Inc.
Toll Free: 1-877-348-6837
info.ditec.ca@entrematic.com
www.ditecentrematic.ca
Entrematic USA Inc.
Toll Free: 1-866-901-4284
info.ditec.us@entrematic.com
www.ditecentrematic.us
Pg. 23
HA8-LP Manual V. 4.0
Option 2 - Alternate Configuration
For this option, Sleeve and Rod are below the Main Handle. Use this configuration when the clearance between the Rod/
Door Shoe and the top jamb (or any other obstruction in the swing path) prevents Option 1 from being properly installed.
With this option, an approximate 1 inch in vertical space is gained. This configuration also uses on Double Egress
Headers, where there is a pull arm and a push arm installed. The Rod and Sleeve are flexible at the ends where they are
bolted (semi-ball joint) which will provide additional flexibility during install.
Note that the Rod is above the door shoe when installed, so that if the bolt ever loosens it will not fall
down via gravity. Should the door rail you are attaching to have a thinner horizontal top rail, the door
shoe can be reversed to be above the rod end if space permits.
Used when clearance is an issue, an extra inch or more is added for installation.
5in 128mm
OPTION 2 PROVIDES AN
EXTRA INCH OR SO FOR
INSTALLATIONS WHERE
CLEARANCE IS AN ISSUE
FLEXIBLE PUSH
ROD JOINT
3 5/32in 81 mm
GUIDELINE DIMENSION
SLEEVE AND ROD
BELOW MAIN HANDLE
2.6in 66 mm
FLUSH
(BOTTOM OF HEADER
AND DOOR JAMB)
FLEXIBLE PUSH ROD JOINT
WARNING!
Please ensure Shoe Bolts at these joints are tightened after installation of arm is complete.
3.0 ARM INSTALLATION
4in 104mm

Entrematic Canada Inc.
Toll Free: 1-877-348-6837
info.ditec.ca@entrematic.com
www.ditecentrematic.ca
Entrematic USA Inc.
Toll Free: 1-866-901-4284
info.ditec.us@entrematic.com
www.ditecentrematic.us
Pg. 24
HA8-LP Manual V. 4.0
3.2 Push Arm Installation
STEP 1
Keep the door in close position,
Install Door Shoe 14 inches to first hole from hinge side
and 2 ¼ inches from top of door.
Attached Rod to door block. Fit Main Handle and
Sleeve on drive shaft (spindle) at 80 degrees to the
door latch.
STEP 2
Line up Rod with Sleeve and mark 1 inch past 2nd set
screw and cut
Remove Main Handle from drive shaft (spindle),
and insert Rod fully into Sleeve. Tighten set screws.
STEP 3
Arm is now fully assembled and fixed to the Door
Shoe on door panel.
Set Operator Switch to Hold Open. Allow the drive
shaft to turn the door fully until hitting the built-in
spline stop.
Assemble Main Handle to the drive shaft and
tighten. If needed, loosen set screws for minor
adjustment of door position.
STEP 4
Set Operator Switch to Automatic and allow door to close
under spring pressure. Test and adjust if necessary.
14” 2 ¼”
WARNING!
Please ensure Shoe Bolts at these joints are tightened after installation of arm is complete.
3.0 ARM INSTALLATION
Set Screws
Cut To Length
Door Shoe

Entrematic Canada Inc.
Toll Free: 1-877-348-6837
info.ditec.ca@entrematic.com
www.ditecentrematic.ca
Entrematic USA Inc.
Toll Free: 1-866-901-4284
info.ditec.us@entrematic.com
www.ditecentrematic.us
Pg. 25
HA8-LP Manual V. 4.0
3.3 Pull Arm (Z-arm) Installation
#8-32x1/4" CONE POINT
SOCKET SET SCREW
(4) 1/4-20x3/4"
SOCKET CAP
SCREWS
LEFT HAND RIGHT HAND
#5/16-18x1"
SOCKET CAP
SCREW
LEFT HAND PULL RIGHT HAND PULL
STEP 1
Set Operator Switch to Hold Open (II). The drive shaft
(spindle) will turn until hitting the internal doorstop.
3.0 ARM INSTALLATION

Entrematic Canada Inc.
Toll Free: 1-877-348-6837
info.ditec.ca@entrematic.com
www.ditecentrematic.ca
Entrematic USA Inc.
Toll Free: 1-866-901-4284
info.ditec.us@entrematic.com
www.ditecentrematic.us
Pg. 26
HA8-LP Manual V. 4.0
STEP 2
Keep the door in full open position
Fit Z-Arm to the drive shaft (spindle) at the full open
position and tighten. Mark open position where roller
touches door.
STEP 3
Set Operator Switch to OFF (0) and allow door to close
under spring pressure.
In closed position, place mark where roller touches door
MARK THE POSITION WHERE
THE ROLLER TOUCHES THE DOOR
STEP 4
Fit slide track in line with 1st and 2nd mark and fix to
the door. Turn three-position switch to Automatic (I).
Test and adjust if necessary.
ROLLER TRACK
CROSS SECTION
TRACK UPPER LIMIT
ROLLER CENTERED
BETWEEN LIMITS
AS SHOWN
TRACK LOWER LIMIT
SLIDE TRACK
#8-32X1/4” CONE POINT
SET SCREW MUST BE
TIGHTENED INTO
SHAFT GROOVE
Make sure Pull Track is installed level with the header. This is to ensure the roller stays inside the
track during opening and closing, prolonging the life of the roller.
3.0 ARM INSTALLATION
MARK THE POSITION WHERE THE ROLLER
TOUCHES THE DOOR
ALIGN SLIDE TRACK WITH
MARKED POSITIONS

Entrematic Canada Inc.
Toll Free: 1-877-348-6837
info.ditec.ca@entrematic.com
www.ditecentrematic.ca
Entrematic USA Inc.
Toll Free: 1-866-901-4284
info.ditec.us@entrematic.com
www.ditecentrematic.us
Pg. 27
HA8-LP Manual V. 4.0
3.4 Universal Arm
Universal Arm can be used as both Push and Pull arm, allowing flexibility
to mount the HA-8 on either side of the door opening.
PUSH APPLICATION PULL APPLICATION
1 3/8 in 35 mm
BOTTOM OF HEADER TO
BOTTOM OF FRAME
FOR PUSH APPLICATION,
BOTTOM OF HEADER MUST BE
FLUSH WITH DOOR STOP
(TO ENSURE ARM CLEARS
FRAME DURING SWING)
DOOR
HINGE
FOR PULL APPLICATION,
SPINDLE MUST BE CLEARED
FROM TOP OF DOOR
3.0 ARM INSTALLATION
HEADER ON PUSH SIDE
HEADER ON PULL SIDE

Entrematic Canada Inc.
Toll Free: 1-877-348-6837
info.ditec.ca@entrematic.com
www.ditecentrematic.ca
Entrematic USA Inc.
Toll Free: 1-866-901-4284
info.ditec.us@entrematic.com
www.ditecentrematic.us
Pg. 28
HA8-LP Manual V. 4.0
Universal Arm as Pull Application
STEP 1 - Mark closed position
• Close the door fully and fit the Universal arm to the drive shaft (spindle), so that the arm is parallel with the door.
• In this closed position, mark the spot where roller would touch door (directly below where the arm meets the door).
SPINDLE
MARK ON DOOR,
BELOW ARM
(CLOSE POSITION)
UNIVERSAL ARM
DOOR
CLOSE POSITION MARK
STEP 2 - Mark open position
• Fit the universal arm to the drive shaft (spindle) at full open position (switch to Hold Open (II)), but do not tighten the
#1/4”-20 x 7/8” socket cap screw all the way. This is to allow the arm some freedom/flexibility. The universal arm must
be positioned such that it is just in front of the door as shown.
• Mark the spot where the roller would touch the door (directly below where the arm meets the door) in open position.
ARM ORIENTED
OUTSIDE DOOR MARK ON DOOR,
BELOW ARM
(OPEN POSITION)
DO NOT TIGHTEN
SOCKET CAP SCREW
ON UNIVERSAL ARM
3.0 ARM INSTALLATION

Entrematic Canada Inc.
Toll Free: 1-877-348-6837
info.ditec.ca@entrematic.com
www.ditecentrematic.ca
Entrematic USA Inc.
Toll Free: 1-866-901-4284
info.ditec.us@entrematic.com
www.ditecentrematic.us
Pg. 29
HA8-LP Manual V. 4.0
STEP 3 - Determine pull track position
• These two marks (open and close) illustrate the travel of the roller during the door swing, and thus must be within the
universal track after mounting. For a pull (with door opening 90 degrees), these two marks should not be more than a
couple inches apart. For door openings larger than 90 degrees, this distance will increase.
2 in 51 mm
APPROXIMATE DISTANCE BETWEEN MARKS
(FOR A 90 OPEN SWING DOOR)
MARK ON DOOR,
BELOW ARM
UNIVERSAL ARM
OPEN POSITION
MARK
(CLOSE POSITION) CLOSE POSITION
MARK
STEP 4 - Fitting Pull Track
• Remove the two ends caps and fit the extended pull track to cover the 1st and 2nd mark.
• Fix to the door, using the #14-10x1” Phillips/Square Pan Self-Tapping Screws provided in the screw pack (or the
fastener of your choice). You may center the roller track in the door for visual aesthetics if the door width allows, but
ensure the track covers the open and close marks for correct operation.
• Re-attach the two end caps to hide the screws.
CLOSE
POSITION
MARK
OPEN
POSITION
MARK
TRACK MAY BE CENTERED
IN DOOR, AS LONG AS
OPEN AND CLOSE MARKS
ARE COVERED
ROLLER TRACK MUST
COVER THESE MARKS
SCREW TRACK INTO DOOR
& RE-ATTACH END CAPS
3.0 ARM INSTALLATION

Entrematic Canada Inc.
Toll Free: 1-877-348-6837
info.ditec.ca@entrematic.com
www.ditecentrematic.ca
Entrematic USA Inc.
Toll Free: 1-866-901-4284
info.ditec.us@entrematic.com
www.ditecentrematic.us
Pg. 30
HA8-LP Manual V. 4.0
STEP 5 - Attaching Universal Arm
• Attach the roller shaft to the arm as shown, making sure the set screw is tightened into the groove on the roller shaft.
This will ensure that the arm and shaft do not dislocate during operation. For optimal performance, the roller should be
in-between the track limits as indicated.
• Tighten the ¼”-20x7/8” socket cap screw for the male and female splines to grip correctly.
• Turn switch to Automatic or ON.
• Test and adjust if necessary.
Make sure Pull Track is installed level with the header. This is to ensure the roller stays
inside the track during opening and closing, prolonging the life of the roller.
TRACK
LOWER LIMIT
TRACK
UPPER LIMIT
ROLLER
CENTERED
BETWEEN LIMITS
AS SHOWN
TIGHTEN SOCKET
CAP SCREW
INTO ARM
ROLLER TRACK
CROSS-SECTION
SET-SCREW
DETAIL
POINTED TIP SET
SCREW MUST BE
TIGHTENED INTO
SHAFT GROOVE
3.0 ARM INSTALLATION

Entrematic Canada Inc.
Toll Free: 1-877-348-6837
info.ditec.ca@entrematic.com
www.ditecentrematic.ca
Entrematic USA Inc.
Toll Free: 1-866-901-4284
info.ditec.us@entrematic.com
www.ditecentrematic.us
Pg. 31
HA8-LP Manual V. 4.0
Universal Arm as Push application
For installing Universal arm as Push application, what is critical is that the bottom of the header be mounted in line
with the bottom of the top jamb door stop. This is to ensure that the arm has enough clearance when swinging
through the upper jambs.
FOR PUSH APPLICATION,
BOTTOM OF HEADER MUST BE
FLUSH WITH DOOR STOP
(TO ENSURE ARM CLEARS
FRAME DURING SWING)
Repeat Steps in Pull Application:
STEP 1 - Mark closed position
• Close the door fully and fit the Universal arm to the drive shaft (spindle), so that the arm is parallel with the door.
• In this closed position, mark the spot where roller would touch door (directly below where the arm meets the door).
STEP 2 - Mark Open position
• Fit the universal arm to the drive shaft (spindle) at the full open position, but do not tighten the ¼”-20x7/8” socket
cap screw all the way. This is to allow the arm some freedom/flexibility.
• Mark the spot where the roller would touch the door (directly below where the arm meets the door in open position).
STEP 3 - Fitting Pull Track
• For a push (with door opening 90 degrees), these two marks will be around 10-12 inches apart.
Remove two ends caps and fit the extended pull track to cover the 1st and 2nd mark.
• Fix to the door, using the #14-10x1” Phillips/Square Pan Self-Tapping Screws provided in the screw pack (or the fastener
of your choice). You may center the roller track in the door for visual aesthetics if the door width allows, but ensure the
track covers the open and close marks for correct operation.
• Re-attach the two end caps to hide the screws.
STEP 4 - Attaching Universal Arm
• Attach the roller shaft to the arm as shown, making sure the set screw is tightened into the groove on the roller shaft. This
will ensure that the arm and shaft do not dislocate during operation.
• Tighten the ¼”-20x7/8” socket cap screw for the male and female splines to grip correctly.
• Turn switch to automatic or on to test and adjust if necessary.
• Note that for door openings larger than 90 degrees, the universal arm MUST be used as Pull application.
• Make sure Pull Track is installed level with the header. This is to ensure the roller stays inside the
track during opening and closing, prolonging the life of the roller.
3.0 ARM INSTALLATION

Entrematic Canada Inc.
Toll Free: 1-877-348-6837
info.ditec.ca@entrematic.com
www.ditecentrematic.ca
Entrematic USA Inc.
Toll Free: 1-866-901-4284
info.ditec.us@entrematic.com
www.ditecentrematic.us
Pg. 32
HA8-LP Manual V. 4.0
UNIVERSAL ARM
10-12in [ 254-305mm ]
DOOR
ROLLER TRACK MUST
COVER THESE MARKS
CLOSE POSITION
MARK
OPEN POSITION
MARK
TRACK MAY BE CENTERED
IN DOOR, AS LONG AS
OPEN AND CLOSE MARKS
ARE COVERED
OPEN
CLOSE
POSITION MARK
SCREW TRACK INTO DOOR
& RE-ATTACH END CAPS
TRACK
UPPER LIMIT
ROLLER
CENTERED
BETWEEN LIMITS
AS SHOWN
TRACK
LOWER LIMIT
ROLLER TRACK
CROSS-SECTION
SET-SCREW
DETAIL
#8-32x1/4" CONE POINT SOCKET
SET SCREW MUST BE TIGHTENED
INTO SHAFT GROOVE
TIGHTEN #1/4”-20x7/8”
SOCKET CAP SCREW
INTO ARM
3.0 ARM INSTALLATION
APPROXIMATE DISTANCE BETWEEN MARKS
(FOR A 90 OPEN SWING DOOR)
POSITION MARK

Entrematic Canada Inc.
Toll Free: 1-877-348-6837
info.ditec.ca@entrematic.com
www.ditecentrematic.ca
Entrematic USA Inc.
Toll Free: 1-866-901-4284
info.ditec.us@entrematic.com
www.ditecentrematic.us
Pg. 33
HA8-LP Manual V. 4.0
4.1 Back Check and Latch Adjustment
Setting Latch and Back Check position can be achieved using a small flat head screwdriver:
1 Set latch check Upper Magnet over the reed switch at full CLOSED.
2 Open door to full OPEN (90 degrees).
3 Set Back Check Lower Magnet, while holding Latch magnet in place.
Latch and Back Check Proximity Switches are clearly indicated as shown by the sticker attached to the motor gearbox below.
Latch Position
With door at closed position, set Proximity Magnet to activate LATCH. This will begin Closing Low Speed or Latch
for 10 degrees of travel, prior to door reaching full closed position.
Back Check Position
With door at full open position, set Proximity Magnet to activate BACK CHECK. This will begin Open Low Speed
or Back Check for 10 degrees of travel, prior to door reaching full open position.
UPPER LIMIT SWITCH
HAS MAGNET ON TOP TOP VIEW
REEDS
LOWER LIMIT SWITCH
HAS MAGNET ON
BOTTOM
REED
SWITCH
REED
SWITCH
MAGNET
At Latch and Back Check – Door should slow for the final 10 degrees of open or close movement.
Back Check and Latch speed adjustment may be necessary via control panel.
(LED 1/2 – 0~5 in 6 steps)
WARNING!
Proximity Switch MUST engage at open or close, otherwise door will not operate correctly and
power fuse may be blown (overload).
4.0 OPERATOR TUNING

Entrematic Canada Inc.
Toll Free: 1-877-348-6837
info.ditec.ca@entrematic.com
www.ditecentrematic.ca
Entrematic USA Inc.
Toll Free: 1-866-901-4284
info.ditec.us@entrematic.com
www.ditecentrematic.us
Pg. 34
HA8-LP Manual V. 4.0
STEP 1: SETTING LATCH CHECK
LOWER LIMIT SWITCH
DOOR STARTS
IN FULLY CLOSE POSITION
TOP VIEW
UPPER LIMIT SWITCH
SET UPPER LIMIT SWITCH IN
LINE WITH REED SWITCH
TERMINAL THAT ALIGNS TO
'CLOSE LATCH' ON THE LABEL
BOTTOM VIEW
WITH “SPINDLE OPENING ROTATION” LABEL
OPEN
BACK CHECK
1-877-348-6837
switch
CLOSE LATCH
AUTO.
OFF
ON
White HOLD OPEN
Black OFF
Red ON
STEP 2: OPEN DOOR TO BEFORE BACK CHECK
DOOR 90% OF FULLY OPEN POSITION
(81 FOR A 90 OPEN DOOR)
TOP VIEW
DOOR HELD AT 90% OF FULLY OPEN
4.0 OPERATOR TUNING
Low Profile
WL-PA03
Date:
Cover Plate
Operator/Gearbox

Entrematic Canada Inc.
Toll Free: 1-877-348-6837
info.ditec.ca@entrematic.com
www.ditecentrematic.ca
Entrematic USA Inc.
Toll Free: 1-866-901-4284
info.ditec.us@entrematic.com
www.ditecentrematic.us
Pg. 35
HA8-LP Manual V. 4.0
STEP 3: SETTING BACK CHECK
TOP VIEW
DOOR HELD AT 90% OF FULLY OPEN
HOLD UPPER LIMIT SWITCH
IN PLACE WHILE DOOR IS 90%
OF FULLY OPEN POSITION
BOTTOM VIEW
SET LOWER LIMIT SWITCH IN LINE WITH
REED SWITCH TERMINAL THAT ALIGNS
TO ‘OPEN BACK CHECK’ ON THE LABEL
OPEN
BACK CHECK
1-877-348-6837
switch
CLOSE LATCH
AUTO.
OFF
ON
White
Black
Red
HOLD OPEN
OFF
ON
Low Profile
WL-PA03
Date:
FINAL POSITIONS
DOOR FULLY OPEN
(TOP VIEW)
LOWER LIMIT SWITCH
PASSES LOWER REED
These switch positions will vary
depending on your install and/or
site conditions. Door openings
smaller or larger than 90 degrees
will also have different positions
for each switch.
IMPORTANT: Back Check and
Latch Check occurs at 10 degrees
before fully open and fully close
position, respectively.
DOOR FULLY CLOSED
(TOP VIEW)
UPPER LIMIT SWITCH
PASSES UPPER REED
4.0 OPERATOR TUNING
WITH “SPINDLE OPENING ROTATION” LABEL

Entrematic Canada Inc.
Toll Free: 1-877-348-6837
info.ditec.ca@entrematic.com
www.ditecentrematic.ca
Entrematic USA Inc.
Toll Free: 1-866-901-4284
info.ditec.us@entrematic.com
www.ditecentrematic.us
Pg. 36
HA8-LP Manual V. 4.0
4.2 Spring Tension Adjustment
You can increase or decrease the spring tension for windy conditions to provide increased latch pressure.
This is accomplished by using the arm to move the stop one to two set holes in main gear.
To begin,
• Remove the operator from the header.
• Remove the fender washer and machine screw at the end of the spindle.
• Detach the operator arm and remove the operator as described in section 2.5.
• Place the operator on a secure flat surface on its side.
STEPS
1 The door stop can be removed from an access point in the gearbox housing, as shown in drawing.
2 Once the set hole has been established, the door stop can be replaced in the gearbox housing and tightened in place.
3 Additionally, re-adjustment must also be made to settings of magnets for the BACK or LATCH CHECK.
PLACE OPERATOR ARM ONTO
SPINDLE AND ROTATE IN SAME
DIRECTION AS SPINDLE
ROTATION
ROTATE ARM UNTIL 5/16"- 18
x 3/8" SOCKET SET SCREW
(STOPPER SCREW) IS SEEN
THROUGH HOLE IN PLATE
To Increase spring tension, rotate arm in the direction of spindle rotation.
To Decrease spring tension, allow arm to unwind opposite to spindle rotation.
4.0 OPERATOR TUNING

Entrematic Canada Inc.
Toll Free: 1-877-348-6837
info.ditec.ca@entrematic.com
www.ditecentrematic.ca
Entrematic USA Inc.
Toll Free: 1-866-901-4284
info.ditec.us@entrematic.com
www.ditecentrematic.us
Pg. 37
HA8-LP Manual V. 4.0
CONTINUE TO ROTATE ARM
(WINDING SPRING) TO SEE
ADDITIONAL HOLES IN GEAR
STOPPER
SCREW
REMOVE SCREW WHILE
CONTINUING TO HOLD ARM
IN PLACE
STOPPER SCREW CAN BE
INSERTED UP TO FOUR (4)
HOLES PAST FACTORY
DEFAULT TO ADD CLOSING
FORCE
• The drive unit must be removed from the header to make this adjustment and this will also
change the manual opening and closing force (Check your local codes).
• It is NOT recommended to go past four (4) holes (a third turn of the arm, from factory default)
for adding closing force.
• Once spring tension has been adjusted to a suitable level, please note that the Back and Latch
Check will need to be readjusted through the same process in Section 4.1.
5.1 TESTING WITH OBSTRUCTION
For Optimum performance, door will open and push against obstruction for 2 sec then close.
Adjust Overload according to door weight, size and site condition.
• For heavier doors – overload can be increased against weight resistance
• For lighter doors – avoid over setting of overload
• For external factors (door condition, wind, stack pressure) – Adjust overload according to each site condition.
5.0 TESTING WITH OBSTRUCTION

Entrematic Canada Inc.
Toll Free: 1-877-348-6837
info.ditec.ca@entrematic.com
www.ditecentrematic.ca
Entrematic USA Inc.
Toll Free: 1-866-901-4284
info.ditec.us@entrematic.com
www.ditecentrematic.us
Pg. 38
HA8-LP Manual V. 4.0
6.1 Basic Operation
Basic Operation
• When the door receives activation, the door opens and brakes before the fully open position and opens slowly to the
full doorstop position, following the programmed data.
• Once pre-set open period is complete, the door will close at the pre-set closing speed, braking to low speed a little
before the fully closed position and closes slowly.
• When an activation signal activates while the door is closing, the door will stop and reverse to open.
HOLD OPEN
OFF
AUTOMATIC
6.2 Operation Switch
Operation Switch
The Operation Switch must be set to Automatic (I)
positions to allow changes to be made in programming.
• Operation (3 position) Switch is located on the end plate.
• With the door in the closed position. Check that the door is unlocked and the main power switch is on. (A main power
isolator switch should be positioned to the side of the header).
• Check the status of the Operation switch:
Automatic Mode (I)
• This mode sets to activate the operator
• Activate the push button or knowing act device. The door opens to about 80 degree position at full speed, and then
will slow for the final 10 degree of opening until full open is complete. (There is no need for a learning cycle as the
open position is already pre-set during installation).
• After the pre-set open time is complete, the door will begin to close at the set closing speed, until the final 10 degree of
closing, when the door will slow for the final 10 degree of closing until the full latch position.
Hold Open Mode (II)
• This mode sets to hold the door open automatically for an extended length of time.
• No activation or safety sensor signals will be active in this mode as the door is stationary in the open position. The door
will remain held open continually by a pulsed signal to the motor without overheating.
• To close the door, move the switch to either Automatic (I) or OFF (0) position, and the door will close smoothly and
gently to the full closed position.
OFF (Manual) Mode (O)
• This mode sets to deactivate all opening signals, and the door is opening and closing manually.
• No activation signals or safety sensor signals (if equipped) will be active in this mode as the door is stationary in the
closed position.
• Power will remain ON and supplied to the unit, however all signals will be ignored. The door can be opened easily with
minimum force.
6.0 DOOR OPERATING MODE

Entrematic Canada Inc.
Toll Free: 1-877-348-6837
info.ditec.ca@entrematic.com
www.ditecentrematic.ca
Entrematic USA Inc.
Toll Free: 1-866-901-4284
info.ditec.us@entrematic.com
www.ditecentrematic.us
Pg. 39
HA8-LP Manual V. 4.0
7.1 Digital Board Diagram
7.0 CONTROL BOARD SETTING
N.O.
(Normally
Open)
COM.
(Common)
24V+
24V-
WIRELESS RECEIVER
CONNECTION
4 WIRES USED

Entrematic Canada Inc.
Toll Free: 1-877-348-6837
info.ditec.ca@entrematic.com
www.ditecentrematic.ca
Entrematic USA Inc.
Toll Free: 1-866-901-4284
info.ditec.us@entrematic.com
www.ditecentrematic.us
Pg. 40
HA8-LP Manual V. 4.0
7.2 Digital Board Wiring
7.0 CONTROL BOARD SETTING
Low Profile motor
Always plugs in here
A Switch or Jumper must be wired from the ON terminal to the OFF terminal for Programming to work!
This is only needed if there is no switch on the board.

Entrematic Canada Inc.
Toll Free: 1-877-348-6837
info.ditec.ca@entrematic.com
www.ditecentrematic.ca
Entrematic USA Inc.
Toll Free: 1-866-901-4284
info.ditec.us@entrematic.com
www.ditecentrematic.us
Pg. 41
HA8-LP Manual V. 4.0
7.3 Digital Board Specification
INPUTS
AC VOLTAGE
ACTIVATION 1
(ACT’N1)
ACTIVATION 2
(ACT’N2)
SAFETY 1
SAFETY 2
- First input to open the door. Instant Activation (i.e. push buttons)
- ON = Closed contact to ground/common.
- See Function A”, Setting A1” for description of alternate operation
- Second input to open the door. Delayed activation.
- ON = Closed contact to ground/common.
- See Function A”, Setting A1” for description of alternate operation.
- For Safety1 ON door will not open if presently fully closed and door will not close if presently
fully opened
- ON = Closed contact to ground/common. (i.e. overhead presence sensors [bodyguard])
- For Safety2 ON and ACT’N1 input ON door will drive at hold speed. If ACT’N1 input OFF,
door closes. If Safety2 OFF, door will open.
- ON = Closed contact to ground/common. (i.e. Door mounted sensor on swing side [Superscan])
OUTPUTS
MOTOR
DATA_ and DATA+
- 2 motor connectors to drive door in either clockwise or counter clockwise direction.
- Interface with BEA Bodyguard sensor. (replaces LO-21K lockout relay)
7.0 CONTROL BOARD SETTING
LINE VOLTAGE
TRANSFORMER (Hammond)
120VAC 60Hz
Low Energy
#166N24 – 24VAC – 4AMP
#166M16 – 16VAC – 3AMP
240VAC 50Hz
Low Energy
#266N24 – 24VAC – 4AMP
#266M16 - 16VAC – 3AMP

Entrematic Canada Inc.
Toll Free: 1-877-348-6837
info.ditec.ca@entrematic.com
www.ditecentrematic.ca
Entrematic USA Inc.
Toll Free: 1-866-901-4284
info.ditec.us@entrematic.com
www.ditecentrematic.us
Pg. 42
HA8-LP Manual V. 4.0
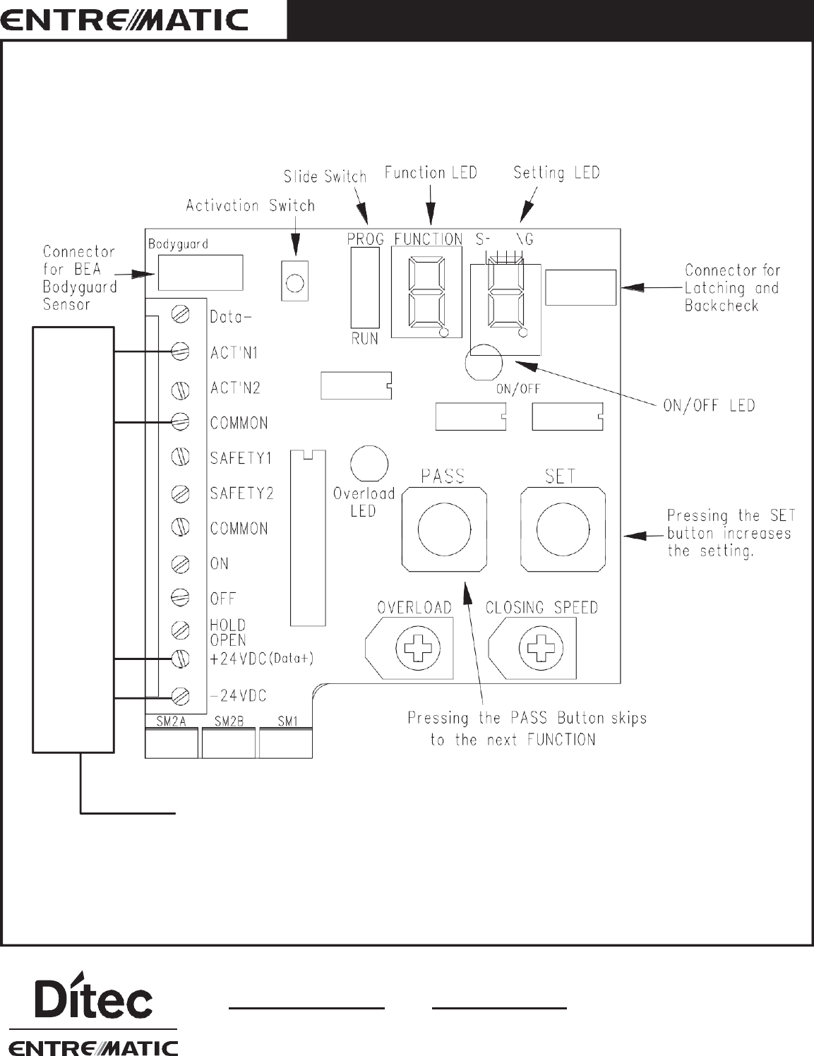
8.1 Programming Specification (Digital Board)
• To make changes to the program setting, set 3-position switch to Automatic (I).
• Product will not operate when Slide Switch is set to Program mode.
There are two 7 SEGMENT LED DISPLAYS used for programming:
Function LED = Programmed Function
Setting LED = Value of the Function indicate on First digit
There are 3 switches that relate to programming:
Slide switch
PASS push button To select the next function
SET push button To change the present function value (when the Slide switch is in PROGRAM mode).
Adjusting Settings – Slide Program/Run Switch to:
1 PROGRAM MODE- Functions can be modified.
2 RUN MODE- Function settings can be viewed but not modified.
Programming:
1 Move PROG/RUN Switch to ‘PROGRAM’
2 Press PASS Button to scroll through Functions
3 Press SET Button to change present function value
4 Move PROG/RUN Switch to ‘RUN’ when adjustment is complete
5 Press Activation to test.
OVERLOAD (Opening Torque Adjustment)
Overload is the Torque Adjustment setting for the amount of pressure with which the door pushes
against an obstruction, before cutting OFF for safety.
Overload POT - Basic Setting Position for a Standard Door.
1 Turn Overload pot fully counter-clockwise – followed by ¼ turn clockwise.
2 Red Overload LED should not go ‘on’ when opening.
3 Test with obstruction – door will cut power after about 2 sec and close by spring pressure.
8.0 CONTROL BOARD PROGRAMMING
RUN
Function settings can be viewed but Not modified.
PROG
(Program)
Function settings can be modified. As a safety feature,
THE DOOR WILL NOT OPEN WHEN THE SLIDE SWITCH IS SET TO PROG.

Entrematic Canada Inc.
Toll Free: 1-877-348-6837
info.ditec.ca@entrematic.com
www.ditecentrematic.ca
Entrematic USA Inc.
Toll Free: 1-866-901-4284
info.ditec.us@entrematic.com
www.ditecentrematic.us
Pg. 43
HA8-LP Manual V. 4.0
FUNCTION
LED
SETTING
LED
FUNCTION DESCRIPTION
F.A. & H.C.
DEFAULT
SETTING
0
0 to F
0 = slowest
F = fastest
OPENING SPEED
A
1
0 to 5
0 = slowest
5 = fastest
BACK CHECK SPEED
1
2
0 to 5
0 = slowest
5 = fastest
LATCH SPEED
5
3
0 to 9
0 = slowest
9 = fastest
HOLD SPEED
2
4
1 = 2 sec
2 = 4 sec
3 = 6 sec
4 = 8 sec
5= 10 sec
6 = 12 sec
7 = 14 sec
8 = 16 sec
9 = 18 sec
A = 20 sec
b = 22 sec
C = 24 sec
d = 26 sec
E = 28 sec
F = 30 sec
ACTIVATION TIME
The time that the door remains open, starting when
the activation trigger goes OFF. 2 to 30 sec
4
5
0 = 2 sec
1 = 4 sec
2 = 6 sec
3 = 8 sec
4 = 10 sec
5 = 12 sec
6 = 14 sec
7 = 16 sec
DELAY ON OPERATE
The time delay before operating the door, starting
when ACT’N2 trigger goes ON. 2 to 16 sec
This is valid when Setting A1 has the LED OFF.
1
6
0 = Instant trigger - extremely sensitive
1 = 1/8 sec - very sensitive
2 = 1/4 sec
3 = 3/8 sec - mid range sensitivity
4 = 1/2 sec
5 = 5/8 sec - not sensitive
PUSH AND GO SENSITIVITY
The amount of time that a Push and Go trigger must
be sensed before the door is triggered.
A longer time makes the door less sensitive to a
Push and Go.
3
7
1 = 1 sec
2 = 2 sec
3 = 3 sec
4 = 4 sec
5 = 5 sec
6 = 6 sec
7 = 7 sec
8 = 8 sec
9 = 9 sec
A = 10 sec
b = 12 sec
C = 14 sec
d = 15 sec
E = 25 sec
F = 30 sec
PUSH AND GO ACTIVATION TIME
The time that the door remains open starting when
the Push and Go input is triggered.
5
8
0 = 0sec
1 = .50sec
2 = 1.00sec
3 = 1.50sec
4 = 2.00sec
SAFETY 1 INHIBIT
The time that a Safety1 input is ignored (inhibited),
starting when the door goes into Latch.
0
9
0 = 0.125sec
1 = 0.25sec
2 = 0.50sec
3 = 1.00sec
4 = 1.50sec
5 = 2.00sec
STRIKE DELAY
The time between Strike ON and
door starting to open.
HA board ONLY
0
8.0 CONTROL BOARD PROGRAMMING

Entrematic Canada Inc.
Toll Free: 1-877-348-6837
info.ditec.ca@entrematic.com
www.ditecentrematic.ca
Entrematic USA Inc.
Toll Free: 1-866-901-4284
info.ditec.us@entrematic.com
www.ditecentrematic.us
Pg. 44
HA8-LP Manual V. 4.0
CODE INDICATION
ON/OFF LED = ON
ON/OFF = OFF
DEFAULT
SETTING
FUNCTION
LED
SETTING
LED
A
0
Safety 2 OFF at
Back Check
Safety 2 always active
LED OFF
A
1
ACT’N1 is connected to push button
and always opens the door.
ACT’N2 is connected to the door and
is only active after ACT’N1 is pressed
and before the door closes and gets to
the Latch point.
ACT’N1
Instant activation
ACT’N2
A delayed activation
(delay time programmed
through Function A5)
LED OFF
ACT’N1 instant
ACT’N2 = delayed
activation
A
2
Lockout ON – during closing Safety1
is active, if door stops moving
(i.e. from hitting an obstruction).
Safety1 is NOT active,
if door is moving
Lockout OFF
Safety1 is always active
LED ON
Lockout ON
A
3
Push and Go is active.
It will only work with a door that
DOES NOT have a clutch
Push and Go disabled
LED OFF
Push and Go
Disabled
A
4
Reading out numbers
of door opening cycles
No readout
LED OFF
No readout
To obtain the number of opening cycles that the door has gone through, Press SET button while
FUNCTION= A, SETTING= 4. Example: Readout of 3 2 (pause) 7 0 = 3,270 door cycles
A
5
Safety1 sensor mounted on
closing side of door
Safety1 sensor mounted
overhead
LED OFF Safety1
mounted Overhead
A5 -
LED OFF
(Overhead
Sensor)
Door Opening - Safety1 sensor has no effect
Door Fully Open - Safety1 sensor ON = door will not close
Door Closing - A2 setting ON. Door moving = Safety1 has no effect (door will open)
- A2 setting ON. Door stopped, Safety1 ON = door will not open
- A2 setting OFF. Safety1 ON = door will not open
Door Fully Closed - Safety1 sensor ON = door will not open
A5 -
LED ON
(Door
mounted
Sensor)
Door Opening - Safety1 sensor has no effect
Door Fully Open - Safety1 sensor ON = door will not close
Door Closing - Safety1 sensor ON = door drives at HOLD speed
Door Fully Closed - Safety1 sensor has no effect
8.0 CONTROL BOARD PROGRAMMING
SET
FUNCTION
SETTING
PROG
PASS

Entrematic Canada Inc.
Toll Free: 1-877-348-6837
info.ditec.ca@entrematic.com
www.ditecentrematic.ca
Entrematic USA Inc.
Toll Free: 1-866-901-4284
info.ditec.us@entrematic.com
www.ditecentrematic.us
Pg. 45
HA8-LP Manual V. 4.0
CODE INDICATION
ON/OFF LED = ON
ON/OFF = OFF
DEFAULT
SETTING
FUNCTION
LED
SETTING
LED
A
6
Safety1 sensor is a Normally Closed input
(N.C.)
Safety1 sensor is
Normally Open input (N.O.)
LED OFF
– Safety1 is
Normally Open
A
7
Safety2 independent of Act’n1
Safety2 is ON = door holds
Safety2 is OFF = door opens
Safety2 works with Act’n1
Safety2 & Act’n1 both ON
= door holds
If Safety2 is OFF = door opens
If Act’n1 is OFF = door closes.
LED OFF
Safety2 works
with Act’n1.
A
8
Only for Fire door mode in California.
Manually pulling the door closed while it
is fully open will close the door ignoring all
activation triggers including Hold Open.
Turning to OFF will reset this mode.
Door will not shut when
manually pulled closed
LED OFF
A
9
Safety monitoring ON for SM1.
This monitors SAFETY1 input.
See safety monitoring wiring and notes
Safety Monitoring OFF
for SM1
LED OFF
– No safety
monitoring
A
A
Safety monitoring ON for SM2A.
This monitors SAFETY2 input.
See safety monitoring wiring and notes
Safety Monitoring OFF
for SM2A
LED OFF
– No safety
monitoring
When setting up A8, it is important to follow the steps below:
1. Turn the overload all the way down (counter clock wise for Analog Potentiometer)
2. Make sure Back Check speed is slow enough that it will not trigger the overload
while the door is fully open.
RESET TO DEFAULT SETTING - Pressing both SET and PASS buttons for 5 seconds
8.0 CONTROL BOARD PROGRAMMING

Entrematic Canada Inc.
Toll Free: 1-877-348-6837
info.ditec.ca@entrematic.com
www.ditecentrematic.ca
Entrematic USA Inc.
Toll Free: 1-866-901-4284
info.ditec.us@entrematic.com
www.ditecentrematic.us
Pg. 46
HA8-LP Manual V. 4.0
8.2 Safety Monitoring
8.0 CONTROL BOARD PROGRAMMIN
When Safety Monitoring is enabled the 09827 control board communicates with the safety sensor before every dangerous
movement of the door to ensure that the Safety inputs are functioning correctly and all wires are in place. That is, before
the door is opened and before the door is closed there is communication between the 09827 and safety sensor.
• A failed communication before opening will prevent the door from opening.
• A failed communication before closing will prevent the door from closing.
• For any failed communication the Overload LED will flash.
SETUP
1 Wire safety sensor to board as per wiring diagram below.
2 If not already done, enable for safety monitoring. For BEA sensors this must be done with the remote control.
3 Check to see that door opens.
4 In order to ensure that the safety monitoring setup has been done properly unplug the SM1 and/or
SM2A connectors separately to see that the door does not open when triggered. (Overload LED will flash 1/3sec).
Plug these connectors back into the board once this test is complete.
CONNECTION TO SAFETY SENSOR
FOR SAFETY MONITORING
OF BOTH H.A. AND F.A. BOARDS
BOARD #09827-HA & 09827-FA
SM2A (Safety monitor 2) is
enable in setting “A” “A”.
SM1 (Safety monitor 1) is
enable in setting “A” “9”
SENSOR # 1
SAFETY SIGNAL
SAFETY COM
SAFETY MON -
SAFETY MON +
BLACK
SAFETY MONITOR -
RED
SAFETY MONITOR +
BLACK
SAFETY MONITOR -
RED
SAFETY MONITOR +
SENSOR # 2
SAFETY SIGNAL
SAFETY COM
SAFETY MON -
SAFETY MON +

Entrematic Canada Inc.
Toll Free: 1-877-348-6837
info.ditec.ca@entrematic.com
www.ditecentrematic.ca
Entrematic USA Inc.
Toll Free: 1-866-901-4284
info.ditec.us@entrematic.com
www.ditecentrematic.us
Pg. 47
HA8-LP Manual V. 4.0
8.3 Safety Sensor Connection - BEA Bodyguard
8.0 CONTROL BOARD PROGRAMMING

Entrematic Canada Inc.
Toll Free: 1-877-348-6837
info.ditec.ca@entrematic.com
www.ditecentrematic.ca
Entrematic USA Inc.
Toll Free: 1-866-901-4284
info.ditec.us@entrematic.com
www.ditecentrematic.us
Pg. 48
HA8-LP Manual V. 4.0
8.4 Safety Sensor Connection - BEA Superscan
8.0 CONTROL BOARD PROGRAMMING

Entrematic Canada Inc.
Toll Free: 1-877-348-6837
info.ditec.ca@entrematic.com
www.ditecentrematic.ca
Entrematic USA Inc.
Toll Free: 1-866-901-4284
info.ditec.us@entrematic.com
www.ditecentrematic.us
Pg. 49
HA8-LP Manual V. 4.0
8.5 Safety Sensor Connection - Optex OA-FLEX
8.0 CONTROL BOARD PROGRAMMING

Entrematic Canada Inc.
Toll Free: 1-877-348-6837
info.ditec.ca@entrematic.com
www.ditecentrematic.ca
Entrematic USA Inc.
Toll Free: 1-866-901-4284
info.ditec.us@entrematic.com
www.ditecentrematic.us
Pg. 50
HA8-LP Manual V. 4.0
9.1 Dual Door Digital Board Specification (Fully Automatic only)
INPUTS
AC VOLTAGE
ACTIVATION 1 (ACT=N1)
ACTIVATION 2 (ACT=N2)
SAFETY 1
SAFETY 2
- Single input for both doors. ON = Closed contact to ground/common.
- See setting C1 for operation description.
- Single input for both doors. ON = Closed contact to ground/common.
- See setting C1 for operation description.
- Single input for both doors. Closed contact to ground/common.
- For Safety1 ON (closed to ground) door will not open if presently fully closed and door will
not close if presently fully opened.
- Single input for both doors. Closed contact to ground/common.
- For Safety2 ON (closed to ground) and activation input ON (closed to ground) door will drive
at hold speed. If activation input goes off door closes. If Safety2 goes off door will open.
OUTPUTS
MOTOR
DATA_ and DATA+
- 2 motor connectors for each door (4 total).
- Doors can drive in clockwise or counter clockwise direction.
- Interface with BEA Bodyguard sensor. (replaces LO-21K lockout relay)
OTHER FEATURES
Safety Monitoring is turned OFF as a default. To turn Safety monitoring ON see programming
SAFETY MONITORING
CLOSING SPEED
BACK CHECK SWITCH
LATCH SWITCH
LOCKOUT
OVERLOAD
HOLD OPEN SWITCH
ON SWITCH
settings C8, C9, CA, and CB. Connection diagram on next page shows sensors wired in safety
monitoring configuration.
Adjustable by potentiometer. 1 potentiometer for each door
Power off does not affect closing speed
1 switch for each door (Magnet and Reed switch)
1 switch for each door (Magnet and Reed switch)
Each door has separate lockout which is selectable via Setting C2
Each door has a non-adjustable overload.
A switch wired one side to the HOLD OPEN quick disconnect tab and the other side to the OFF
quick disconnect tab will open both doors and keep them open until the switch is turned off. *
A switch wired one side to the ON quick disconnect tab and the other side to the OFF quick
disconnect tab provides the door ON function. This switch, when open, disables the motors and
all inputs but does NOT turn the board power off. *
* The Hold Open Switch and the ON Switch come wired to a single 3 position switch where the middle position gives Door OFF,
one side provides Hold Open, and the last side provides Door ON or Automatic.
9.0 DUAL BOARD & PROGRAMMING
LINE VOLTAGE
TRANSFORMER (Hammond)
120VAC 60Hz
#166N24 – 24VAC – 4AMP
240VAC 50Hz
#266N24 – 24VAC – 4AMP

Entrematic Canada Inc.
Toll Free: 1-877-348-6837
info.ditec.ca@entrematic.com
www.ditecentrematic.ca
Entrematic USA Inc.
Toll Free: 1-866-901-4284
info.ditec.us@entrematic.com
www.ditecentrematic.us
Pg. 52
HA8-LP Manual V. 4.0
9.3 Programming Specification
FUNCTION
SETTING
FUNCTION DESCRIPTION
DEFAULT
LED
LED
SETTING
0
0 to F
0 = slowest
F = fastest
OPENING SPEED DOOR 1
A
1
0 to F
0 = slowest
5 = fastest
OPENING SPEED DOOR 2
A
2
0 to 5
0 = slowest
5 = fastest
BACK CHECK SPEED DOOR 1
2
3
0 to 5
0 = slowest
5 = fastest
BACK CHECK SPEED DOOR 2
2
4
0 to 5
0 = slowest
5 = fastest
LATCH SPEED DOOR 1
5
5
0 to 5
0 = slowest
5 = fastest
LATCH SPEED DOOR 2
5
6
0 to 5
0 = slowest
5 = fastest
HOLD SPEED DOOR 1
2
7
0 to 5
0 = slowest
5 = fastest
HOLD SPEED DOOR 2
2
1 = 1 sec
6 = 6 sec
b = 12 sec
ACTIVATION TIME
The time that the door remains open,
starting when the activation trigger goes OFF.
1 to 30 sec
2 = 2 sec
7 = 7 sec
C = 14 sec
8
3 = 3 sec
8 = 8 sec
d = 15 sec
5
4 = 4 sec
9 = 9 sec
E = 25 sec
5 = 5 sec
A = 10 sec
F = 30 sec
0 = 0.00 sec
SAFETY 1 INHIBIT
1 = 0.50 sec
The time that a Safety1 input is ignored
9
2 = 1.00 sec
(inhibited), starting when one of the
0
3 = 1.50 sec
doors go into Latch.
4 = 2.00 sec
0 to 2 sec
A
0 = 0.00sec
1 = 0.25sec
2 = 0.50sec
3 = .075sec
4 = 1 sec
5 = 2 sec
6 = 3 sec
7 = 4 sec
8 = 5 sec
DELAY ON OPERATE DOOR 1
The time delay before operating door #1, starting when
the activation # 2 trigger goes ON.
0 to 5sec
Note that ACT=N1 input always provides an instant
0
trigger while ACT=N2 input provides a delayed trigger.
0 = 0.00sec
4 = 1 sec
DELAY ON OPERATE DOOR 2
The time delay before operating door #2, starting when
the activation # 2 trigger goes ON.
0 to 5sec.
Note that ACT=N1 input always provides an instant
trigger while ACT=N2 input provides a delayed trigger.
1 = 0.25sec
5 = 2 sec
b
2 = 0.50sec
3 = 0.75sec
6 = 3 sec
7 = 4 sec
0
8 = 5 sec
C
Special Function selection - see next chart
0 = 0.00 sec
Delay on Closing
One of the doors delays before closing for the chosen
time. 0 to 2sec. Application Code AC4” states
which door delays.
1 = 0.50 sec
D
2 = 1.00 sec
0
3 = 1.50 sec
4 = 2.00 sec
9.0 DUAL BOARD & PROGRAMMING

Entrematic Canada Inc.
Toll Free: 1-877-348-6837
info.ditec.ca@entrematic.com
www.ditecentrematic.ca
Entrematic USA Inc.
Toll Free: 1-866-901-4284
info.ditec.us@entrematic.com
www.ditecentrematic.us
Pg. 53
HA8-LP Manual V. 4.0
CODE INDICATION
LED 1 = ON
LED 1 = OFF
DEFAULT
SETTING
FUNCTION
LED
SETTING
LED
C
0
Safety 2 OFF at back check
Safety2 always active
LED OFF (Safety
2 always active)
C
1
ACT=N1 is connected to a push button
switch and always opens the door.
ACT=N2 is connected to the door and
is only active after ACT’N1 is pressed
and before the door closes and gets to
the Latch point.
Activation input 1 (ACT=N1)
works as an instant activation.
Activation input 2 (ACT=N2)
works as a delayed activation
(delay time programmed through
Function A5@.)
LED OFF
ACT=N1
is instant;
ACT=N2
is delayed
activation
C
2
Lockout ON – during closing Safety1
is active if the door stops moving (from
hitting an obstruction for example). If
door is moving then Safety1 is NOT
active.
Lockout OFF
Safety1 is always active
LED ON
(Lockout ON)
C
3
To obtain the number of opening cycles that the door has gone through press the
set button while in the Function C, Setting 3 mode.
Example: Readout of 3 2 (pause) 7 0 = 3,270 door cycles.
The display will read - - at the end of readout
C
4
Door 1 delays before closing for the
amount of time setup in Function AD@
Door 2 delays before closing
for the amount of time setup in
Function AD@
LED ON
(Door 1 delays)
C
5
Safety1 sensor mounted on
closing side of door
Safety1 sensor mounted overhead
LED OFF –
Safety1 mounted
overhead
C5 - LED OFF
(Overhead
Sensor)
Door Opening - Safety1 sensor has no effect
Door Fully Open - Safety1 sensor ON = door will not close
Door Closing - C2 setting ON. Door moving = Safety1 has no effect (door will open)
- C2 setting ON. Door stopped, Safety1 ON = door will not open
- C2 setting OFF. Safety1 ON = door will not open
Door fully closed - Safety1 sensor ON = door will not open
C5 - LED ON
(Door mounted
Sensor)
Door Opening - Safety1 sensor has no effect
Door Fully Open - Safety1 sensor ON = door will not close
Door Closing - Safety1 sensor ON = door drives at HOLD speed
Door fully closed - Safety1 sensor has no effect
9.0 DUAL BOARD & PROGRAMMING

Entrematic Canada Inc.
Toll Free: 1-877-348-6837
info.ditec.ca@entrematic.com
www.ditecentrematic.ca
Entrematic USA Inc.
Toll Free: 1-866-901-4284
info.ditec.us@entrematic.com
www.ditecentrematic.us
Pg. 54
HA8-LP Manual V. 4.0
C
6
Safety1 sensor is a Normally
Closed input (N.C.)
Safety1 sensor is a Normally
Open input (N.O.)
LED OFF –
Safety1 is
Normally Open
C
7
Safety2 independent of Act’N1.
Safety2 is ON = door holds
Safety2 is OFF = door opens
Safety2 works with Act’N1.
For Safety2 & Act’N1 both ON
= door holds.
If Safety2 goes OFF = door opens
If Act’n1 goes OFF = door closes
LED OFF
Safety2 works
with Act’N1
C
8
SAFETY MONITOR 1 (MON 1) is ON
Monitors SAFETY1 input
Safety Monitoring OFF for SM1
LED OFF – no
safety monitoring
C
9
SAFETY MONITOR 2 (MON 2) is ON
Monitors SAFETY1 input
Safety Monitoring OFF for SM2
LED OFF – no
safety monitoring
C
A
SAFETY MONITOR 3 (MON 3) is ON
Monitors SAFETY2 input
Safety Monitoring OFF for SM3
LED OFF – no
safety monitoring
C
B
SAFETY MONITOR 4 (MON 4) is ON
Monitors SAFETY2 input
Safety Monitoring OFF for SM4
LED OFF – no
safety monitoring
A Switch or Jumper must be wired from the ON terminal to the OFF terminal for Programming to work!
RESET TO DEFAULT SETTING - Pressing both SET and PASS buttons for 5 seconds
9.0 DUAL BOARD & PROGRAMMING

Entrematic Canada Inc.
Toll Free: 1-877-348-6837
info.ditec.ca@entrematic.com
www.ditecentrematic.ca
Entrematic USA Inc.
Toll Free: 1-866-901-4284
info.ditec.us@entrematic.com
www.ditecentrematic.us
Pg. 55
HA8-LP Manual V. 4.0
PROBLEM
POSSIBLE
Programming function
does not work
1. Make sure ON/OFF switch is connected. A switch must be connected from
ON terminal pin to OFF terminal pin for programming to work
2. Slide switch must be set to PROG for programming options to be modified
Door does not open
after triggered
1. Check power supply and is ON (7 segment LEDs will light up)
2. Slide switch should be set to RUN
3. Check which activation situation is selected. See setting A1 - If LED is ON
for setting A1, ACT’N2 will only activate the door while it is closing and
has not reached Latch
4. Check if ON/OFF switch is connected. A switch must be connected from
ON terminal pin to the OFF terminal pin for the doors to open
Door does not open if triggered
immediately after going into Latch
Increase the Safety1 inhibit time. See setting 8
Push and Go function
does not work
1. Only an operator WITHOUT a clutch will work for Push and Go
Operators with a clutch cannot provide Push and Go
2. Check if Push and Go function enabled, See setting A3
3. Reduce Push and Go sensitivity, See setting 6
Door does not delay when
triggered even when a delayed
time has been set up
1. See setting A1 - If LED is ON for program setting A1 this is a special activation
situation and there is no delay
2. Only ACT’N 2 (Activation Trigger 2 input) will provide a delay on opening.
ACT’N1 (Activation Trigger 1 input) and the push button on the board will
ALWAYS give an instant trigger regardless of how the time delay has been
set up
Door opens slowly
1. Check to see if Back Check and Latching magnets are adjusted properly
2. Increase opening speed - Function 0
Door will not Open
1. Make sure the door is unlocked and main power is on
2. Remove obstacle that could be causing the door not to open
3. Make sure 3 position switch is sets to Automatic
Door will not Close
1. Remove any obstacle from in front of the door, which is activating the sensor
(if equipped), thus keeping the door open
2. Make sure the 3 position switch is set to Automatic
If the problem persists, contact your authorized Ditec Entrematic representative for service!
10.0 TROUBLESHOOTING

Entrematic Canada Inc.
Toll Free: 1-877-348-6837
info.ditec.ca@entrematic.com
www.ditecentrematic.ca
Entrematic USA Inc.
Toll Free: 1-866-901-4284
info.ditec.us@entrematic.com
www.ditecentrematic.us
Pg. 56
HA8-LP Manual V. 4.0
Low Energy Operator Adjustment to ANSI A156.19 standard
The following specifications are based on neutral air pressure conditions.
Opening Speed
Minimum opening time to back check or 80 degrees is 3 seconds or longer. Total opening time shall be 4 seconds or longer.
Closing speed
The minimum closing time to latch check depends on the size and weight of the door as follows:
Door Leaf Width - Inch(mm)
Up to 100 lbs (45kg)
Up to 140 lbs (64kg)
39 (914) & Less
2.0 sec
2.3 sec
Door Leaf Width - Inch(mm)
Up to 110 lbs (50kg)
Up to 150 lbs (68kg)
42 (1067)
2.3 sec
2.7 sec
Door Leaf Width - Inch(mm)
Up to 120 lbs (55 kg)
Up to 160 lbs (73kg)
48 (2119)
2.8 sec
3.2 sec
For doors of other weights and widths, use the formula below:
Latch check
The door must not close through the final 10 degrees in less than 1.5 seconds.
Adjustments for ADA (Americans with Disabilities Act)
W = Weight of door (lbs)
D = Width of door (Inch)
T = Closing time to
Latch Check (sec)
Adjustments are provided for Opening speed, Back Check speed, Activation Time (Hold Open), Activation Delay, and
Overload current with LED indicator.
Detection of an Overload
Current is persisting for longer than 2 seconds will cause the door to close. See below recommended procedure for
adjustment of the control:
1. Turn the Overload (current) control fully clockwise to increase the current limit to maximum and prevent any detection
entirely. This setting can be used to inhibit the overload detection / shutdown feature.
2. Adjust Opening speed as desired. Note that the control has a built in time reference of 4.0 seconds. Operation of the door
will not be affected. However, if the door moves from close to Back Check in less than 4.0 seconds, the LED will flash as
the door closes to indicate that the Opening speed may be a little fast.
3. Lock or obstruct the door and apply an Activation Trigger. Turn the Overload control counter clockwise until the LED
becomes steadily illuminated, to indicate detection of excessive current. The control may be turned counter clockwise a
little more to ensure positive detection. After 2 seconds the door will close.
4. Adjust the Activation Time (hold open) as desired, Minimum of 5 seconds.
5. Adjust the Activation Delay time as desired. This will depend on the distance of the activation devices to the door.
11.0 ADA ADJUSTMENTS

Entrematic Canada Inc.
Toll Free: 1-877-348-6837
info.ditec.ca@entrematic.com
www.ditecentrematic.ca
Entrematic USA Inc.
Toll Free: 1-866-901-4284
info.ditec.us@entrematic.com
www.ditecentrematic.us
Pg. 57
HA8-LP Manual V. 4.0
12.1 Additional Components: Sensor(s) / Knowing Act Devices
Safety Sensors
The control board can accommodate overhead and door mounted safety sensors. To permit safe passage through, the
closing door will reverse (if equipped with door mounted safety sensor) to full open position, if an obstruction is encountered
during the closing phase. If equipped with door monitor sensor, the operator will then resume its standard closing cycle and
repeat when the obstruction remains.
• If equipped, the safety sensor on the closing side of the door will activate while the door is closing. The door will reverse
to open.
• If equipped, the safety sensor on the opening side of the door is activated by another pedestrian while the door is
opening, the door will stall until that pedestrian has left the opening area.
• If the door is equipped with an overhead safety sensor, the door will not open when there is an obstruction or pedestrian
in the swing path.
• If the door is equipped with an overhead presence sensor in the closed position, the door will not open when there is an
obstruction or pedestrian in the swing path.
Activation Devices
The HA8-LP Operator is compatible with all devices using a dry contact switch, usually hardwired or radio controlled.
All activation signals should be wired to Activation 1 and Common. When a door is used in a vestibule the built-in sequence
can be used to allow both doors to operate in sequence. This is achieved by wiring Activation 2 and common on both
boards together. The delay at which the second door opens after the first door opens is set using Function 5 on the
programming schedule, up to 5 sec delay is achievable.
Jamb mounted switches
It can be used but are not practical for individuals using a wheelchair because of their range of motion (positioning their
wheelchair to clear the door opening). (See Section 1.5) In a vestibule entrance a switch must be installed in the vestibule
space to prevent entrapment and the doors can be sequenced to ease the traffic flow and limit the time of both doors being
open to outside weather conditions.
Push Plate or Knowing Act Devices
• Test the knowing act device. The door should swing smoothly to the open position and stop without impact. After a time
delay (normally 1s to 5s) the door should close smoothly.
• Repeat on the other side of the opening if the door has two-way operation.
• If there is more than one push plate or Knowing Act Device on each side of the door, each should be tested.
Electric Strike
The HA8-LP Operator control board is capable of supplying power (24VDC, 6W or 250 mA) to the electric strike. The power
is supplied from the board on an ADA unit. When the door is triggered a contact closure occurs across Ground and N.O. or
N.C. to energize the strike. The contact closure is applied 200 msec. Before door activates and continues for 2 seconds after
the door begins to open, the electric strike operation is achieved by connecting 24 VDC to strike in (terminal 4 to terminal 5
of the terminal block) and connecting the strike power wires to strike out (terminal 6) and ground (terminal 3).The strike has a
delay function from 0.125 seconds - 2 seconds.
Analog board connection – strike out +ground, jumper between strike in + 24DC
Digital Board connection – N.O. + GND
Fully automatic boards do not support electric strike.
12.0 INSTALLATION WRAP UP

Entrematic Canada Inc.
Toll Free: 1-877-348-6837
info.ditec.ca@entrematic.com
www.ditecentrematic.ca
Entrematic USA Inc.
Toll Free: 1-866-901-4284
info.ditec.us@entrematic.com
www.ditecentrematic.us
Pg. 58
HA8-LP Manual V. 4.0
12.2 Header Cover Installation
After all adjustments have been finished, the face cover must be installed to the header box. There are 8 counter sunk
screw locations on the underside of the face cover, the outside pairs, mount to the header box. The inside pairs thread into
the drive unit mounts, take care starting the ¼ X 20 NC machine screws as the mounting brackets are mounted, allowing
them to sometimes be slightly off-centre to the face cover holes.
12.3 Safety Decals
Install all safety, traffic control, and instruction decals to the door as required. This is very important. Failure to do this
leaves the installer LIABLE for any accident that might occur. This must be done!
A summary of the ANSI standard A156.19 requirements for safety decals is as follows:
Each decal shall be mounted on the door at a height of 50 ± 12” (1270 ± 305 mm) from the floor to the center line of the
sign. The sign chosen will depend on the classification of the door operator.
Clean the area well before applying the decal. Remove the upper portion of the backing and roll the decal onto the door in
a slow motion. Check to confirm the decal is straight. Use a flat edged soft spreader to smooth out the decal. Remove the
lower backing from the decal and smooth out any air pockets.
After all adjustments have been finished, the face cover must be installed to the back plate by snapping cover into position.
WARNING!
Before leaving the job site,
•
Clean up the work area
•
Make sure all bolts are tight
•
Clean glass
•
Install safety decals
12.0 INSTALLATION WRAP UP

Entrematic Canada Inc.
Toll Free: 1-877-348-6837
info.ditec.ca@entrematic.com
www.ditecentrematic.ca
Entrematic USA Inc.
Toll Free: 1-866-901-4284
info.ditec.us@entrematic.com
www.ditecentrematic.us
Pg. 59
HA8-LP Manual V. 4.0
Safety Sticker Placement Example
The center of the sticker height should be between 38” [965 mm] and 62” [1574 mm], above the finished floor.
See ANSI standard A156.19 requirements for additional safety decal information.
LOW ENERGY STICKERS
(ON BOTH INGRESS
& EGRESS SIDES)
"IN" DOOR
12.0 INSTALLATION WRAP UP
"OUT" DOOR
50in [1270mm] ± 12in 305mm]

Entrematic Canada Inc.
Toll Free: 1-877-348-6837
info.ditec.ca@entrematic.com
www.ditecentrematic.ca
Entrematic USA Inc.
Toll Free: 1-866-901-4284
info.ditec.us@entrematic.com
www.ditecentrematic.us
Pg. 60
HA8-LP Manual V. 4.0
Manufacturer and Shipping Address
Entrematic Canada Inc.
221A Racco Parkway
Vaughan, ON
L4J8X9
Toll Free: 1-877-348-6837
Local: 905-886-8160
Fax: 905-886-7656
Email: info.ditec.ca@entrematic.com
Entrematic USA Inc.
1900 Airport Road
Monroe, NC 28110 USA
Toll Free: 1-866-901-4284
Local: 704-290-0980
Fax: 704-919-5014
Email: info.ditec.us@entrematic.com
Entrematic Technical Service Department
Toll Free: 1-833-921-1337
Series Model: HA8-LP
HA8-LP Installation Manual Part# W5-640
Code & Standard
The operator complies with the following codes and standards:
• UL STD.325 & ANSI/BHMA STD. A156.19; Fire rated UL STD. 10 (b); UL STD. 10(c); NFPA STD. 252
• CAN/CSA STD. C22.2 NO. 247 & CAN/ULC STD. S104
All the rights concerning this material are the exclusive property of Entrematic Group AB.
Although the contents of this publication have been drawn up with the greatest care, Entrematic Group AB cannot be held responsible in
any way for any damage caused by mistakes or omissions. We reserve the right to make changes without prior notice.
Copying, scanning or changing in any way is expressly forbidden unless authorized in writing by Entrematic Group AB.
13.0 MANUFACTURER INFORMATION



