Epson FRONT Service Manual LQ 2180
User Manual: Epson Service Manual La Biblioteca de los 8 bits
Open the PDF directly: View PDF
.
Page Count: 56
- LP-2180
- Product Description
- 1.1 Specifications
- 1.2 Firmware Specifications
- 1.3 Operation Instruction
- 1.4 Main Components
- Operating Principles
- Disassembly and Assembly
- Adjustment
- 4.1 Overview
- 4.1.1 Pre-operation for the Adjustment Program
- 1. Get a continuous paper. (136-column paper should be used to avoid printing on the platen.)
- 2. Set the release lever to the continuous paper position.
- 3. Connect the printer and the PC and turn the printer on.
- 4. Press the Load/Eject button to send the paper to the stand-by position. Then press the LF/FF b...
- 5. Double-click “LQSERIES.EXE”. The program starts up and the screen below appears.
- Figure 41. LQSERIES.EXE Initial Screen
- Figure 42. Destination Selection Screen
- Figure 43. Main Menu Selection Screen
- Figure 44. Main Menu Screen
- 1. Get a continuous paper. (136-column paper should be used to avoid printing on the platen.)
- 4.1.2 Bi-D Adjustment
- 1. Perform the pre-operation. (See Section 4.1.1.)
- 2. Select “1. Bi-D Adjustment”. The following screen appears.
- Figure 45. Initial Menu of the Bi-D Adjustment
- Figure 46. Bi-D Pattern Sample
- 4. Output the patterns for the Draft Copy Mode and the LQ Mode, the rest of the three modes in th...
- 5. Examine the patterns for the three modes output in the previous steps, and correct the value i...
- 6. When this adjustment is completed, if you need to perform another adjustment using this progra...
- 1. Perform the pre-operation. (See Section 4.1.1.)
- 4.1.3 TPE Level Reset
- 4.1.4 Writing the User-characteristic Data
- 4.1.1 Pre-operation for the Adjustment Program
- 4.1 Overview
- Troubleshooting
- Maintenance
- Appendix
- 7.1 EEPROM Address Map
- Table 71. EEPROM Address Map (1/7)
- 0: PC437
- 1: PC850
- 2: PC860
- 3: PC863
- 4: PC865
- 5: PC861
- 6: BRASCII
- 7: Abicomp
- 8: ISO Latin 1
- 9: Roman 8
- 10: PC437 Greek
- 11: PC852
- 12: PC853
- 13: PC855
- 14: PC857
- 15: PC864
- 16: PC866
- 17: PC869
- 18: ISO Latin 1T
- 19: ISO 8859-7
- 20: MAZOWIA
- 21: Code MJK
- 22: Bulgaria
- 23: Estonia
- 24: PC774
- 25: ISO 8859-2
- 26: PC866 LAT
- 27: PC866 UKR
- 28: Hebrew 7
- 29: Hebrew 8
- 30: PC862
- 31: PCAPTEC
- 32: PC708
- 33: PC720
- 34: PCAR864
- 35: PC858
- 36: ISO 8859-15
- 37: Italic U.S.A.
- 38: Italic France
- 39: Italic Germany I
- 40: Italic U.K.
- 41: Italic Denmark
- 42: Italic Sweden
- 43: Italic Italy
- 44: Italic Spain
- Table 72. EEPROM Address Map (2/7)
- Table 73. EEPROM Address Map (3/7)
- 0: 10 cpi
- 1: 12 cpi
- 2: 15 cpi
- 3: 17 cpi
- 4: 20 cpi
- 5: Proportional
- 0: Bi-d.
- 1: Uni-d.
- 2: Auto
- 0: Auto I/F selection
- 1: Parallel I/F
- 2: Type-B I/F
- b0: Auto line feed 0: Off, 1: On
- b1: Auto tear off 0: Off, 1: On
- b2: Skip over perforation 0: Off, 1: On
- b3: High speed draft 0: On, 1: Off
- b4: Input buffer 0: On, 1: Off
- b5: (reserved)
- b6: (reserved)
- b7: (reserved)
- Table 74. EEPROM Address Map (4/7)
- b0: Software 0: ESC/P2, 1: IBM 2391 Plus
- b1: 0 slash, 0: Off, 1: On
- b2: Buzzer 0: On, 1: Off
- b3: Roll paper 0: Off, 1: On
- b4: Auto CR (IBM) 0: Off, 1: On
- b5: A. G. M. (IBM) 0: Off, 1: On
- b6: (reserved)
- b7: (reserved)
- 0: Roman
- 1: Sans Serif H
- 2: OCR-B
- 3: Orator
- 4: Orator-S
- 5: Script C
- 0: Friction Bin 1 or Tractor not Tear off
- 1: Friction Bin 1
- 2: Friction Bin 2
- 3: Friction Card
- 4: Tractor & Tear off
- Table 75. EEPROM Address Map (5/7)
- Table 76. EEPROM Address Map (6/7)
- Table 77. EEPROM Address Map (7/7)
- Table 71. EEPROM Address Map (1/7)
- 7.2 Connector Summary
- 7.3 Component Layout
- 7.4 Circuit Diagram
- 7.1 EEPROM Address Map
- Product Description

EPSON LQ-2180
Impact Serial Dot Matrix Printer
SEDM98001
®
66((5599,,&&((00$$1818$$//

Notice:
„All ri
g
hts reserved. No part of this manual may be reproduced, stored in a retrieval system, or transmitted in any form or by any means,
electronic, mechanical, photocopyin
g
, recordin
g
, or otherwise, without the prior written permission of SEIKO EPSON CORPORATION.
„The contents of this manual are subject to chan
g
e without notice.
„All effort have been made to ensure the accuracy of the contents of this manual. However, should any errors be detected, SEIKO EPSON
would
g
reatly appreciate bein
g
informed of them.
„The above not withstandin
g
SEIKO EPSON CORPORATION can assume no responsibility for any errors in this manual or the consequences
thereof.
EPSON is a re
g
istered trademark of SEIKO EPSON CORPORATION.
General Notice: Other product names used herein are for identification purpose only and may be trademarks or re
g
istered trademarks of their
respective owners. EPSON disclaims any and all ri
g
hts in those marks.
Copyri
g
ht © 1996 SEIKO EPSON CORPORATION. Printed in Japan.

PRECAUTIONS
Precautionary notations throu
g
hout the text are cate
g
orized relative to 1)Personal injury and 2) dama
g
e to equipment.
DANGER
Si
g
nals a precaution which, if i
g
nored, could result in serious or fatal personal injury. Great caution should be exercised in
performin
g
procedures preceded by DANGER Headin
g
s.
WARNING
Si
g
nals a precaution which, if i
g
nored, could result in dama
g
e to equipment.
The precautionary measures itemized below should always be observed when performin
g
repair/maintenance procedures.
DANGER
1. ALWAYS DISCONNECT THE PRODUCT FROM THE POWER SOURCE AND PERIPHERAL DEVICES PERFORMING ANY MAINTENANCE
OR REPAIR PROCEDURES.
2. NOWORK SHOULD BE PERFORMED ON THE UNIT BY PERSONS UNFAMILIAR WITH BASIC SAFETY MEASURES AS DICTATED FOR
ALL ELECTRONICS TECHNICIANS IN THEIR LINE OF WORK.
3. WHEN PERFORMING TESTING AS DICTATED WITHIN THIS MANUAL, DO NOT CONNECT THE UNIT TO A POWER SOURCE UNTIL
INSTRUCTED TO DO SO. WHEN THE POWER SUPPLY CABLE MUST BE CONNECTED, USE EXTREME CAUTION IN WORKING ON
POWER SUPPLY AND OTHER ELECTRONIC COMPONENTS.
WARNING
1. REPAIRS ON EPSON PRODUCT SHOULD BE PERFORMED ONLY BY AN EPSON CERTIFIED REPAIR TECHNICIAN.
2. MAKE CERTAIN THAT THE SOURCE VOLTAGES IS THE SAME AS THE RATED VOLTAGE, LISTED ON THE SERIAL NUMBER/RATING
PLATE. IF THE EPSON PRODUCT HAS A PRIMARY AC RATING DIFFERENT FROM AVAILABLE POWER SOURCE, DO NOT CONNECT IT
TO THE POWER SOURCE.
3. ALWAYS VERIFY THAT THE EPSON PRODUCT HAS BEEN DISCONNECTED FROM THE POWER SOURCE BEFORE REMOVING OR
REPLACING PRINTED CIRCUIT BOARDS AND/OR INDIVIDUAL CHIPS.
4. IN ORDER TO PROTECT SENSITIVE MICROPROCESSORS AND CIRCUITRY, USE STATIC DISCHARGE EQUIPMENT, SUCH AS ANTI-
STATIC WRIST STRAPS, WHEN ACCESSING INTERNAL COMPONENTS.
5. REPLACE MALFUNCTIONING COMPONENTS ONLY WITH THOSE COMPONENTS BY THE MANUFACTURE; INTRODUCTION OF
SECOND-SOURCE ICs OR OTHER NONAPPROVED COMPONENTS MAY DAMAGE THE PRODUCT AND VOID ANY APPLICABLE EPSON
WARRANTY.

PREFACE
This manual describes basic functions, theory of electrical and mechanical operations, maintenance and repai
r
instructions and procedures included herein are intended for the experienced repair technicians, and attention
the preceding page. The chapters are organized as follows:
CHAPTER 1. PRODUCT DESCRIPTIONS
Provides a general overview and specifications of the product.
CHAPTER 2. OPERATING PRINCIPLES
Describes the theory of electrical and mechanical operations of the produ
c
CHAPTER 3. DISASSEMBLY AND ASSEMBLY
Describes the step-by-step procedures for disassembling and assembling t
h
product.
CHAPTER 4. ADJUSTMENTS
Provides Epson-approved methods for adjustment.
CHAPTER 5. TROUBLESHOOTING
Provides the step-by-step procedures for troubleshooting.
CHAPTER 6. MAINTENANCE
Provides preventive maintenance procedures and the lists of Epson-appro
v
lubricants and adhesives required for servicing the product.
APPENDIX
Provides the following additional information for reference:
• EEPROM Address Map
• Connector Pin Assignments
• C272 Main Board Component Layout
• C272 Main Board Circuit Diagram

Revision Status
Revision Issued Date Description
A Februar
y
3, 1999 First Release

Contents
Product Description
Specifications ................................................................................................. 8
Features ................................................................................................................ 8
Accessories ........................................................................................................... 8
Printing Specifications ........................................................................................... 9
Paper Handling ...................................................................................................... 9
Paper Specifications ............................................................................................ 11
Electrical Specifications ....................................................................................... 15
Reliability ............................................................................................................. 15
Safety Approvals ................................................................................................. 15
CE Marking .......................................................................................................... 15
Firmware Specifications ............................................................................... 16
Control Codes and Fonts .................................................................................... 16
Interface Specifications ....................................................................................... 18
Parallel Interface (Forward Channel) .................................................. 18
Parallel Interface (Reverse Channel) ................................................. 18
Operation Instruction .................................................................................... 19
Control Panel ....................................................................................................... 19
Bi-directional Adjustment Function ...................................................................... 19
EEPROM Initialization ......................................................................................... 20
Main Components ......................................................................................... 21
C272MAIN Board ................................................................................................ 22
Printer Mechanism .............................................................................................. 23
Operating Principles
Control Circuit .............................................................................................. 25
Overview of the Control Circuit Operation ........................................................... 25
System Reset Circuit ........................................................................................... 26
Printhead Driver Circuit ....................................................................................... 27
CR Motor Driver Circuit ....................................................................................... 28
PF Motor Driver Circuit ........................................................................................ 28
EEPROM Control Circuit ..................................................................................... 29
Sensor Circuit ...................................................................................................... 29
Disassembly and Assembly
Adjustment
Overview ...................................................................................................... 33
Pre-operation for the Adjustment Program ......................................................... 33
Bi-D Adjustment .................................................................................................. 35
TPE Level Reset ................................................................................................. 36
Writing the User-characteristic Data ................................................................... 37
Troubleshooting
Overview ...................................................................................................... 40
Troubleshooting Information ........................................................................ 40
Printhead ............................................................................................................. 40
Sensors ............................................................................................................... 40
Motors ................................................................................................................. 40
Error Codes with Indicators and Buzzer .............................................................. 40
Unit Level Troubleshooting ........................................................................... 41
Repairing the C165 PSB/PSE Board .............................................................. 41
Repairing the C272MAIN Board ..................................................................... 41
Repairing the Printer Mechanism .................................................................. 43
Maintenance
Appendix
EEPROM Address Map ................................................................................. 47
Connector Summary ..................................................................................... 51
Component Layout ....................................................................................... 53
Circuit Diagram ............................................................................................ 55

PRODUCT DESCRIPTION

LQ-2180 Revision A
Product Description Specifications 8
1.1 Specifications
The LQ-2180 is a revised model of the already existing LQ-2170. Since
the specifications for the both products are mostly common except for
the LQ-2180’s improved features such as printing speed and copy
capability, the information included in this section is limited to the items
that are specific to LQ-2180. For the rest of the information, refer to the
LQ-2170 Service Manual.
1.1.1 Features
†Printing speed
„High speed draft: 480 cps
„Draft: 360 cps
„LQ: 120 cps (at 10 cpi)
†Character tables
„Standard version: 13 tables
„NLSP version: 38 tables
†Reliability
„Mean print volume between failure: 23 million lines
(except printhead)
†Bi-directional Interface
„Optional Type-B I/F Level 2 supported
†Copy capability
„1 original + 5 copies
1.1.2 Accessories
†Items included in the printer carton
Table 1-1. Items Included in the Printer
†Consumable items
Table 1-2. Items Included in the Printer
†Optional items: Additional items are shown in the table below:
Table 1-3. Items Included in the Printer
NOTE: When you use Ethernet interface card C82363
∗
, you
need to attach the optional interface adapter (C82525*)
to the interface card.
Items Quantity
User’s manual 1
Driver disk 1
Ribbon cartridge 1
Power supply cable (230 V version) 1
Items Part Number
Ribbon cartridge S015086
Ribbon pack S010033
Items Part Number
IEEE-1284 parallel I/F card C82345∗
Ethernet I/F card C82357∗ / C82362∗ / C82363∗ /
C82363∗ (See NOTE below.) /
C82364∗

LQ-2180 Revision A
Product Description Specifications 9
1.1.3 Printing Specifications
†Copy capability: 1 original + 5 copies
†Printing speed and printable column (See the table below.)
Table 1-4.
Print Speed and Corresponding Printable Columns
NOTE: When the power supply voltage drops to the lower limit,
the printer stops printing and then resumes printing
remaining on that line more slowly than before.
NOTE: When the head temperature rises to the upper limit, the
printer stops printing. When the head temperature falls
to the normal level, the printer starts printing again more
slowly than before.
NOTE: The maximum printable width is 13.6 inch (345.44 mm).
1.1.4 Paper Handling
This section only describes the release lever setting, adjust lever
setting, and some other specifications which are specific to LQ-2180.
For the rest of the specifications, see the LQ-2170 Service Manual.
†Feeding method
„Friction feed (front, rear)
„Push tractor feed (front lever)
„Push & Pull tractor feed (front, rear)
„Pull tractor feed (front, rear, bottom)
†Feed speed
„Normal mode: Same as for LQ-2180
„Copy mode: 1/6 inch feed = 45 m sec
Continuous feed =0.092 MPW (m/second)
3.6 IPS (inches/second)
Printing mode Character pitch Printable
columns
Printing speed (cps)
Normal Copy
High speed draft 10 cpi 136 480 320
Draft
10 cpi 136 360 240
12 cpi 163 431 286
15 cpi 204 539 358
Draft condensed 17 cpi 233 308 205
20 cpi 272 359 239
LQ
10 cpi 136 120 80
12 cpi 163 143 96
15 cpi 204 179 120
LQ condensed 17 cpi 233 204 137
20 cpi 272 238 159

LQ-2180 Revision A
Product Description Specifications 10
†Release lever: See the following table.
Table 1-5. Release Lever Settings
†Adjust lever: See the following table.
Table 1-6. Adjust Lever Setting Position
Lever Position Paper path / Feeder Paper / Media
Friction
Manual insertion (front) Cut sheet
(Single sheet & Multi part), Card
Manual insertion (rear) Cut sheet (Single sheet & Multi part),
Card, Envelope
CSF Bin 1 Cut sheet (Single sheet & Multi part),
Card, Envelops
CSF Bin 2 Cut sheet (Single sheet)
Roll paper holder Roll paper
Front tractor
Push tractor feed (front) Continuous paper (Single sheet & Multi
part), Continuous paper with labels
Push & Pull tractor feed
(front) Continuous paper (Single sheet & Multi
part), Continuous paper with labels
Rear tractor
Push tractor feed (rear) Continuous paper
(Single sheet & Multi part)
Push & Pull tractor feed
(rear) Continuous paper
(Single sheet & Multi part)
Full release
Pull tractor feed (front) Continuous paper (Single sheet & Multi
part), Continuous paper with labels
Pull tractor feed (rear) Continuous paper
(Single sheet & Multi part)
Pull tractor feed
(bottom) Continuous paper (Single sheet & Multi
part), Continuous paper with labels
Setting
Position
Paper Thickness (inch) Paper Thickness (mm)
Minimum Maximum
00.0024 0.0047 over 0.006 up to 0.12
10.0047 0.0074 over 0.12 up to 0.19
20.0074 0.0102 over 0.19 up to 0.26
30.0102 0.0126 over 0.26 up to 0.32
40.0126 0.0141 over 0.32 up to 0.36
50.0141 0.0157 over 0.36 up to 0.40
60.0157 0.0173 over 0.40 up to 0.44
70.0173 0.0181 over 0.44 up to 0.46

LQ-2180 Revision A
Product Description Specifications 11
1.1.5 Paper Specifications
This section provides paper specifications for the LQ-2180.
Table 1-7. Cut Sheet
NOTE: Printing on recycled paper is available only under normal
temperature and humidity conditions.
Table 1-8. Cut Sheet (Multi Part)
Front Entry Rear Entry
Minimum Maximum Minimum Maximum
Width (inch)
(mm) 3.9
100 16.5
420 3.9
100 16.5
420
Length (inch)
(mm) 5.8
148 16.5
420 3.9
100 16.5
420
Thickness (inch)
(mm) 0.0025
0.065 0.0055
0.14 0.0025
0.065 0.0055
0.14
Weight (g/m2)
(lb.) 52
14 90
24 52
14 90
24
Quality Plain paper, Recycled paper,
Paper that is not curled,
folded, or crumpled.
Plain paper, Recycled paper,
Paper that is not curled,
folded, or crumpled.
Front Entry Rear Entry
Minimum Maximum Minimum Maximum
Width (inch)
(mm) 3.9
100 16.5
420 3.9
100 16.5
420
Length (inch)
(mm) 5.8
148 16.5
420 3.9
100 16.5
420
Copies 1 original + 5 copies 1 original + 5 copies
Total Thickness (inch)
(mm) 0.0047
0.12 0.018
0.46 0.0047
0.12 0.018
0.46
Weight
(one sheet of multi part)
(g/m2)
(lb.) 40
12 58
15 40
12 58
15
Quality Plain paper, Recycled paper, Paper that is not curled,
folded, or crumpled.
Jointing Line glue at the top or one
side of form. Line glue at the top of form.

LQ-2180 Revision A
Product Description Specifications 12
Table 1-9. Card
NOTE: Printing on recycled paper is available only under normal
temperature and humidity conditions.
NOTE: When the longer side of A6 card is horizontally, it should be
inserted from the rear entrance.
Table 1-10. Envelope
NOTE: Printing on envelope is available only under normal
temperature and humidity conditions.
NOTE: Envelopes should be inserted from rear entrance only.
NOTE: Set the longer side of envelope horizontally.
Front Entry Rear Entry
Minimum Maximum Minimum Maximum
Width (inch)
(mm) 3.9
100 7.8
200 3.9
100 7.8
200
Length (inch)
(mm) 5.8
148 7.8
200 5.8
148 7.8
200
Thickness (inch)
(mm) 0.0087
0.22 0.0087
0.22
Weight (g/m2)
(lb.) 192
51 192
51
Quality Plain paper, Recycled paper,
Paper that is not curled,
folded, or crumpled.
Plain paper, Recycled paper,
Paper that is not curled,
folded, or crumpled.
Front Entry Rear Entry
Minimum Maximum Minimum Maximum
Envelop
(No. 6)
Width (inch)
(mm) - - - 6.5
165
Length (inch)
(mm) - - - 3.6
92
Envelop
(No. 10)
Width (inch)
(mm) - - - 9.5
241
Length (inch)
(mm) - - - 4.1
105
Total Thickness
(inch)
(mm) - - - - - - 0.0063
0.16 0.020
0.52
- - - The difference of thickness
at the printable area is within
0.0098 inch (0.25mm).
Weight (g/m2)
(lb.) - - - - - - 45
12 90
24
Quality - - -
BOND paper, plain paper or
AIRMAIL
No glue at a flap
Not curled, not folded, not
crumpled

LQ-2180 Revision A
Product Description Specifications 13
Table 1-11. Continuous Paper (Single sheet and Multi Part) Table 1-12. Continuous Paper with Labels
NOTE: Printing on labels si available only under normal temperature
and humidity condition.
NOTE: The base sheet of labels must be continuous paper.
NOTE: Continuous paper with labels should be inserted from the
front or bottom entrance.
Figure 1-1. Printable Area - Label
Front Entry Rear Entry Bottom Entry
Min. Max. Min. Max. Min. Max.
Width (inch)
(mm) 4
101.6 16
406.4 4
101.6 16
406.4 4
101.6 16
406.4
Length
(one page) (inch)
(mm) 4
101.6 22
558.8 4
101.6 22
558.8 4
101.6 22
558.8
Copies 1 original + 5
copies 1 original + 5
copies 1 original + 5
copies
Total
Thickness (inch)
(mm) 0.0025
0.065 0.018
0.46 0.0025
0.065 0.018
0.46 0.0025
0.065 0.018
0.46
Weight
(not multi
part)
(g/m2)
(lb.) 52
14 82
22 52
14 82
22 52
14 82
22
Weight
(one sheet
of multi part)
(g/m2)
(lb.) 40
12 58
15 40
12 58
15 40
12 58
15
Quality Plain paper, Recycled paper, Carbonless multi part paper
Jointing Point glue or paper staple (both side)
Front Entry Bottom Entry Rear Entry
Min. Max. Min. Max. Min. Max.
Label size See the figure
below See the figure
below - - -
Base sheet width (inch)
(mm) 4
101.6 16
406.4 4
101.6 16
406.4 --- ---
Base sheet length
(one page) (inch)
(mm) 4
101.6 22
558.8 4
101.6 22
558.8 --- ---
Base sheet
thickness (inch)
(mm) 0.0028
0.07 0.0035
0.09 0.0028
0.07 0.0035
0.09 --- ---
Total thickness (inch)
(mm) 0.0063
0.16 0.0075
0.19 0.0063
0.16 0.0075
0.19
Label weight (g/m2)
(lb.) 68
17 68
17 - - -
Quality AVERY CONTINUOUS FORM
LABELS, AVERY MINI-LINE LABELS
or the same quality labels
2.5 inch (63.5 mm) min.
15/16inch
(23.8 mm)
min.
R 0.1 inch (2.5 mm) min.
Label

LQ-2180 Revision A
Product Description Specifications 14
Table 1-13. Roll Paper
Front Entry Rear Entry
Minimum Maximum Minimum Maximum
Width (inch)
(mm) - - - 8.5
216
Length (inch)
(mm) - - - - - -
Thickness (inch)
(mm) - - - - - - 0.0028
0.07 0.0035
0.09
Weight (g/m2)
(lb.) - - - - - - 52.3
14 82
22
Quality - - - Plain paper, Recycled paper,
Paper that is not curled,
folded, or crumpled.

LQ-2180 Revision A
Product Description Specifications 15
1.1.6 Electrical Specifications
The electrical specifications for the LQ-2180 is the same as for the LQ-
2170 except for the items below. For information on other items, see the
LQ-2170 Service Manual.
†Input voltage range
„120 V version: AC 99 to 132 V
„230 V version: AC 198 to 264 V
(same as for the LQ-2170
†Rated current
„120 V version: 1.0 A (maximum = 4.0 A)
„230 V version: 0.5 A (maximum = 2.0 A)
†Power consumption (for 120 V and 230 V versions)
„Approximately 52 W (ISO/IEC10561 Letter pattern)
(Energy Star compliant)
1.1.7 Reliability
†MVBF *1: 24 million lines (except print data)
†MTBF: 10000 POH
†Printhead life: 400 million strokes/wire
*1: Mean print volume between failure
1.1.8 Safety Approvals
†120 V version
„Safety standards: UL1950, CSA C22.2 No. 950
„EMI: FCC part15 subpart B class B
CSA C108.8 class B
†230 V version
„Safety standards: EN60950 (TUV)
„EMI: EN55022 (CISPR pub.22) class B
AS/NZS 3548 class B
1.1.9 CE Marking
†230 V version
„Low voltage directive 73/23/EEC:EN60950
„EMD Directive 89/336/EEC: EN55022 class B
EN61000-3-2
EN61000-3-3
EN50082-1
IEC801-2
IEC801-3
IEC801-4
†Acoustic noise: Approximately 54 db(A)
(ISO 7779 pattern)

LQ-2180 Revision A
Product Description Firmware Specifications 16
1.2 Firmware Specifications
This section describes the firmware specifications for the LQ-2180.
1.2.1 Control Codes and Fonts
†Control codes: ESC/P2 and IBM 2391 Plus Emulation
†Character tables:
Standard version (13 character tables)
Italic table PC 860 (Portuguese)
PC 850 (Multilingual) PC 437 (US, Standard Europe)
PC 861 (Icelandic) PC 863 (Canadian-French)
PC 865 (Nordic) Abicomp
BRASCII Roman 8
ISO Latin 1 PC 858
ISO 8859-15
NLSP version (38 character tables)
Italic table PC437 (US, Standard Europe)
PC437 Greek PC850 (Multilingual)
PC852 (East Europe) PC853 (Turkish) PC855 (Cyrillic)
PC857 (Turkish) PC864 (Arabic) PC866 (Russian)
PC869(Greek) MAZOWIA (Poland)Code MJK (CSFR)
ISO 8859-7 (Latin/Greek) lSO Latin 1T (Turkish)
Bulgaria (Bulgarian) PC774 (LST 1283:1993)
Estonia (Estonia) ISO 8859-2 PC866 LAT. (Latvian)
PC866 UKR (Ukraina)PC860 (Portuguese)
PC861 (Icelandic) PC865 (Nordic) PC APTEC(Arabic)
PC708 (Arabic) PC720 (Arabic) PCAR864 (Arabic)
PC863 (Canadian-French) Abicomp
BRASCII Roman 8 ISO Latin 1
Hebrew7* Hebrew8* PC862 (Hebrew)*
PC 858 lSO 8859-15
* Not displayed in the Default setting mode.
International character set (14 countries and legal)
U.S.A. France Germany
U.K. Denmark 1 Sweden
Italy Spain 1 Japan
Norway Denmark 2 Spain 2
Latin America Korea Legal
* The international and legal characters are these 12 codes:
23H, 24H, 40H, 5BH, 5CH, 5DH,
5EH, 60H, 7BH, 7CH, 7DH, 7EH
†Typeface
Bit map fonts
EPSON Draft 10 CPI, 12 CPI, 15CPI
EPSON Roman 10 CPI, 12 CPI, 15CPI, Proportional
EPSON Sans Serif 10 CPI, 12 CPI, 15CPI, Proportional
EPSON Courier 10 CPI, 12 CPI, 15CPI
EPSON Prestige 10 CPI, 12 CPI
EPSON Script 10 CPI
EPSON OCR-B 10 CPI
EPSON Orator 10 CPI
EPSON Orator-S 10 CPI
EPSON Script C Proportional
Scalable fonts
EPSON Roman 10.5 pt., 8 pt., - 32 pt. (every 2 pt.)
EPSON Sans Serif 10.5 pt., 8 pt., - 32 pt. (every 2 pt.)
EPSON Roman T 10.5 pt., 8 pt., - 32 pt. (every 2 pt.)
EPSON Sans Serif H 10.5 pt., 8 pt., - 32 pt. (every 2 pt.)
Bar codes
EAN-13, EAN-8 Interleaved 2 of 5
UPC-A UPC-E Code 39
Code 128 POSTNET

LQ-2180 Revision A
Product Description Firmware Specifications 17
Table 1-14. Character Tables and Available Typefaces
Character Tables Bit map font Scaleable font
Standard
version
Italic table*1
PC 850 (Multilingual)*1
PC 861 (Icelandic)*1
PC 863(Canadian-French)*1
Abicomp*1
Roman 8
PC 858
PC 437 (US, Standard Europe)*1
PC 860 (Portuguese)*1
PC 865 (Nordic)*1
BRASCII*1
ISO Latin 1
ISO 8859-15
EPSON Draft
EPSON Roman
EPSON Sans Serif
EPSON Courier
EPSON Prestige
EPSON Script
EPSON OCR-B
EPSON Orator
EPSON Orator-S
EPSON Script C
EPSON Roman
EPSON Sans Serif
EPSON Roman T
EPSON Sans Serif H
NLSP
version
Italic table*1
PC 850 (Multilingual)*1
PC 861 (Icelandic)*1
PC 865(Nordic)*1
Abicomp*1
lSOLatin1
ISO 8859-15
PC 437(US, Standard Europe)*1
PC 860(Portuguese)*1
PC863 (Canadian-French)*1
BRASCIl*1
Roman8
PC 858
PC 864 (Arabic) EPSON Draft
EPSON Roman (Not supported)
PC437Greek
PC 853 (Turkish)
PC 857 (Turkish)
PC 869 (Greek)
Code MJK (CSFR)
lSO Latin 1T (Turkish)
PC774 (LST 1283: 1993)
1SO 8859-2
PC 866 UKR (Ukraina)
PC 852 (East Europe)
PC 855 (Cyrillic)
PC 866 (Russian)
MAZOWIA (Poland)
lSO 8859-7 (Latin/Greek)
Bulgaria (Bulgarian)
Estonia (Estonia)
PC 866 LAT. (Latvian)
EPSON Draft
EPSON Roman
EPSON Sans Serif
EPSON Courier
EPSON Prestige
EPSON Script
(Not supported)
PC APTEC (Arabic)
PC 720 (Arabic) PC 708 (Arabic)
PCAR864 (Arabic)
EPSON Draft (Arabic)
EPSON Roman
EPSON Sans Serif
(Not supported)
Hebrew7*2
Hebrew 8*2
PC862 (Hebrew)*2
EPSON Draft (Hebrew)
EPSON Roman
EPSON Courier
(Not supported)
*1: ESC R command is effective on these character tables.
*2 Not displayed in the default setting mode.

LQ-2180 Revision A
Product Description Firmware Specifications 18
1.2.2 Interface Specifications
This section only provides information which is specific to the LQ-2180.
For other information, refer to the LQ-2170 Service Manual.
1.2.2.1 Parallel Interface (Forward Channel)
†Transmission mode: IEEE-1284 compatibility mode
†Signal level: TTL compatible
(IEEE-1284 level 1 device)
†Pin assignment: The pin assignment (forward channel) is
the same as for the LQ-2170 except for
the functions of the pins below:
1.2.2.2 Parallel Interface (Reverse Channel)
†Transmission mode: IEEE-1284 nibble mode
†Synchronization: Refer to the IEEE-1284 specification
†Handshaking: Refer to the IEEE-1284 specification
†Signal level: IEEE-1284 level 1 device
†Data transmission timing: Refer to the IEEE-1284 specification
†Device ID:
†Pin assignment: The pin assignment (reverse channel) is
the same as for the LQ-2170 except for
the functions of the pins below:
Pin No. Function
18 This line is pulled up to +5 V through 3.9 k Ω resistor.
35 This line is pulled up to +5 V through 1.0 k Ω resistor.
[00H][4DH]
MFG: EPSON;
CMD: ESCPL2,PRPXL24,BDC;
MDL: LQ-2180;
CLS: PRINTER;
DES: EPSON[SP]LQ-2180;
Pin No. Function
18 This line is pulled up to +5 V through 3.9 k Ω resistor.
35 This line is pulled up to +5 V through 1.0 k Ω resistor.

LQ-2180 Revision A
Product Description Operation Instruction 19
1.3 Operation Instruction
This section provides information on the LQ-2180 control panel buttons,
LED, and operations. Since the layout and functions of the control panel
are mostly common to those of LQ-2170, this section only shows the
information that is specific to LQ-2180. For other information, see LQ-
2170 Service Manual.
1.3.1 Control Panel
The control panel of this printer consists of the power switch, 6 non-lock
type buttons, and 10 LEDs. The appearance of the control panel is
shown in the figure below.
Figure 1-2. Control Panel
†Operation at power on
Turning on the printer while pressing panel buttons executes the
functions below:
Table 1-15. Operations at Power On
NOTE: The area reset by the EEPROM clear is as shown in the
next section. This operation, however, does not affect
such adjustment values as Bi-d adjustment and TOP
PE sensor adjustment.
1.3.2 Bi-directional Adjustment Function
In this mode, you can adjust the bidirectional alignment for the following
three modes:
1. Bi-directional adjustment for draft mode
2. Bi-directional adjustment for draft copy mode
3. Bi-directional adjustment for LQ mode
Draft
Rom an
Sans serif
C ourier
Prestige
Script
Others
Font Pitch
10cpi
12cpi
15cpi
17cpi
20cpi
PS
T ear O ff/B in
Tear O ff
Bin 1
Bin 2
Card
Pause
Micro Adjust 3sec.
Paper O ut
O perate
LF/FF Load/Eject
(1 ) (2 ) (3 ) (4 ) (5 )
(6 )
(7 )
No. Buttons Function
1 (5) LQ self test
2(4) Draft self test
3 (2) Default setting
4(4) + (5) Data dump
5 (1) + (3) EEPROM clear
6 (3) + (5) Clear EEPROM for Driving Line count for
ribbon change timing
7 (6) Bi-d adjustment

LQ-2180 Revision A
Product Description Operation Instruction 20
1.3.3 EEPROM Initialization
Areas reset by EEPROM clear operation (described in Section 1.3.1)
are as shown in the following tables:
Table 1-16. Initialization Area for EEPROM (1/2)
Table 1-17. Initialization Area for EERPOM (2/2)
No. Item Factory setting
1 Character table selection PC437
2Page length (rear tractor) 11 inch
3 Page length (front tractor) 11 inch
4Page length (CSF Bin 1) 22 inch
5 Page length (CSF Bin 2) 22 inch
6 TOF adjustment value (rear tractor) 8.5 mm
7 TOF adjustment value (front tractor) 8.5 mm
8 TOF adjustment value (CSF Bin 1) 8.5 mm
9 TOF adjustment value (CSF Bin 2) 8.5 mm
10 TOF adjustment value
(rear manual insertion) 8.5 mm
11 TOF adjustment value
(front manual insertion) 8.5 mm
12 Bottom margin (rear tractor) 11 inch
13 Bottom margin (front tractor) 11 inch
14 Font selection Roman
15 Pitch selection 10 cpi
16 Print direction setting Bi-D
17 I/F mode selection Auto
18 Auto I/F wait time setting 10 sec
19 Auto line feed Off
20 Auto tear off Off
No. Item Factory setting
21 Skip over perforation Off
22 High speed draft On
23 Input buffer On
24 Software ESC/P2
25 0 slash Off
26 Buzzer On
27 Roll paper Off
28 Auto CR (IBM) Off
29 A. G. M. (IBM) Off
30 Tear-off adjustment value 0 clear
31 Other font selection Roman T
32 Bin select Friction Bin 1 or Tractor not Tear
off
33 Manual insertion wait time 2 or 3 sec.
34 Tear-off wait time 3 sec.
35 Copy mode Off
36 Black paper mode Off
37 Paper width measure On
38 TOF minimum value 4.2 mm
39 I/F timing data BUSY
40 Paper edge length 0 clear
41 Page length (rear manual insertion) 22 inch
42 Page length (front manual insertion) 22 inch

LQ-2180 Revision A
Product Description Main Components 21
1.4 Main Components
The main components for the LQ-2180 are as follows. They are
designed for easy disassembly and repair work.
†C272MAIN Board
†C165 PSB/PSE Board
†C165 PNL Board
†Printer Mechanism
†Housing (upper and lower cases)
Figure 1-3. Main Components for LQ-2180

LQ-2180 Revision A
Product Description Main Components 22
1.4.1 C272MAIN Board
The C272MAIN Board is composed of the CPU (TMP96C141), gate
array (E05B42), program ROM that integrates the CG, EEPROM, and
24 transistors used to drive the printhead.
Note the C272MAIN Board has the following 4 versions; 1) Standard
version, 2) NLSP version, 3) Korean version, and 4) Thai version.
However, ICs are attached in two different ways, which varies
depending on the version, as shown in the red boxes in the figure
below.
Figure 1-4. C272MAIN Board
H ead D rive
TRANSISTO R
CN2
IC 1 C P U
TM P 96C 141
IC 3
GATE ARRAY
E05B42
IC10 P-ROM (4M)
IC 5
EEPRO M
IC 7 C G -R O M (8 M )
CN15
CN14
CN1
CN10
IC 1 2 A 2 9 1 7
SLA7024M
CN8
CN9 CN13
CN12
CN16
CN7
CN17
CN3
CN4
CN5
CN6
CN11
IC 1 0
IC 7
IC 6
Program & C G
(8 M b it)
(Standard/N LSP /Thai)
CG ROM (8M bit)
IC 1 0
IC 6
N o t M o u n te d
(Korean)
Program (4M bit)
CG ROM (8M bit)
IC 6
(K orean V ersion O nly)

LQ-2180 Revision A
Product Description Main Components 23
1.4.2 Printer Mechanism
Appearance of the printer mechanism for the LQ-2180 is the same as
for the LQ-2170. However, please be aware of the printhead’s
incompatibility with the LQ-2180.

&+$37(5
5
OPERATING PRINCIPLES

LQ-2180 Revision A
Operating Principles Control Circuit 25
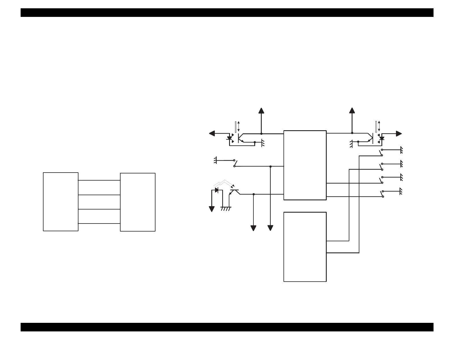
2.1 Control Circuit
The control circuit of the LQ-2180 is composed of the C272MAIN board
and the C165PNL board. This section describes the operations of the
major components in the circuit.
2.1.1 Overview of the Control Circuit Operation
The printer's control circuit includes a CPU (TMP96C141AF/IC4) that
runs at 19.66 MHz, a gate array (E05B42/IC3), a 1M bit PS-RAM (IC8),
a 8M bit CG-ROM (IC6), and so on. The figure below shows the block
diagram for the control circuit.
Figure 2-1. Control Circuit Block Diagram
The following figure shows the data flow from the host computer to the
printhead. Data sent from the host computer is converted to image data
and transmitted to the printhead through the gate array.
Figure 2-2. Data Flow
IC 7 (not m ounted)
IC 6 (8 M C G )*1
IC 8 (1 M P S -R A M )
C 165 PN L board
C N 1 (P a r a lle l I/F )
C N 2 (Type B I/F)
CN14 (Serial I/F)
C N 17 (Fan)
CN6 (PE-Front)
IC 4 (TM P 96C )
CN5 (PE-Rear)
C N 7 (Top)
CN4 (CRHP)
C N 16(R elease2)
C N 12(R elease1)
CN13(PG1)
IC 2(P ST592)
IC 11(S LA7024M ) CN11(CR)
IC 12(A 2917) C N 10(P F)
C N 3 (fro m P S )
IC 3 (E 05B 42)
CN8
Tr.(Q 4-25)
CN9
IC 5(A T93C 45)
Address
IC10 (8M P-ROM)
*1: O nly for K orea and Thai versions
Data
Print data
conversion 2
CPU
TM P 96C 141
RAM
G a te A rra y
E05B42
Printhead drive
circuit
In p u t
B u ffe r
Im age
B u ffe r
Line Edit
B u ffe r
Print data
conversion 1
D a ta la tc h
a n d
data output
Im a g e d a ta
tra n s fe r
O ption I/F
P a ra lle l I/F

LQ-2180 Revision A
Operating Principles Control Circuit 26
The following table lists the each function of the main components of
the C272 MAIN board.
Table 2-1. Functions of the Main Board
2.1.2 System Reset Circuit
The reset IC (IC2) outputs a reset signal under the conditions below to
feed back the status to the CPU and the gate array:
†The printer is turned on or off.
†The voltage level drops due to abnormal condition.
Receiving the signal, the CPU and the gate array immediately shut off
the operation of each IC to prevent the printer from falling into abnormal
status caused by unstable power supply.
Figure 2-3. Reset Circuit
IC Name Location Function
CPU IC4 Detects conditions of various sensors and
controls phase change for the CR motor.
Gate Array IC3
Control the functions below:
• Memory management
• Printhead drive
• Phase change for the PF motor
EEPROM IC5 Contains such information as the factory
setting values for the various adjustments
and the operational record of the printer.
ROM IC10 Contains the control program.
RAM IC8
Manages the following functions:
• Buffer used to receive data
• Data Extension
• CPU working area
CG-ROM IC7 Contains font data.
SLA7024M IC11 Constant current drive IC for CR Motor
A2917 IC12 Constant current drive IC for PF Motor
G.A(IC3)
1
2
3
4
PS T592(IC 2)
Vout
MRES
Vcc
GND
CPU(IC4)
23 /R S T
74 /R S T

LQ-2180 Revision A
Operating Principles Control Circuit 27
2.1.3 Printhead Driver Circuit
Printhead drive begins with monitoring the 35 V line currently applied.
This function enables the printer to change the period of time for
applying current to the printhead slightly depending on the condition. As
a result, the printer can output image at a constant density. The Pin 74
(AN1) on the CPU monitors the 35 V line’s condition.
Also, when a high-duty job is in process, the temperature inside the
printhead will rise, and if the job is continued at a high temperature, it
may damage the coil. Therefore, the Pin 73 (AN0) on the CPU monitors
the temperature inside the printhead. With this operation called
protection operation for hot head, printing is stopped when the
temperature reaches the standard level 1. As the temperature drops to
the standard level 2, printing begins again at a lower speed, and then at
a normal speed when the temperature lowers to the standard level 3.
Once the current flows into the head drive resistor, the coil for the
corresponding pin is activated with the current. The current flown into
the coil is converted into energy used to rush the pin. Note there is
possibility that some unused energy returns to the board, which may
damage the head driver transistor. For this reason, a zener diode is
attached for each transistor to ground the current so the voltage over
the standard level (15 V) does not directly return to the transistor.
Figure 2-4. Printhead Drive Circuit
E05B 42(IC 3)
HD1
HD24
Tr 4-27
ZD 2-25
CN9
CN8
# 2 ,3 ,6 ,7 ,1 0 ,1 1 ,1 4 ,
15,18,19,22,23
# 1 ,4 ,5 ,8 ,9 ,1 2 ,1 3 ,1 6 ,
17,20,21,24
AN0
AN1
HTM P
73 16
74
35V

LQ-2180 Revision A
Operating Principles Control Circuit 28
2.1.4 CR Motor Driver Circuit
The CPU (IC4) directly controls the phase change of the CR motor.
SLA7024M (IC11), the driver IC for the CR motor, performs bi-polar
constant current drive to detects the amount of current flowing into the
motor and chops the current supplied. With this operation, current
flowing into the motor coil is regulated.
The CR motor driver circuit is as shown below:
Figure 2-5. CR Motor Driver Circuit
2.1.5 PF Motor Driver Circuit
The gate array (IC3) manages the PF motor control. The driver IC for
the PF motor, which enables the constant current drive, receives the
phase change signal directly from the gate array and determines the
phase to which current flows.
The PF motor driver circuit is as shown below:
Figure 2-6. PF Motor Driver Circuit
CPU(IC4)
PGO 0
PGO 1
PGO 2
PGO 3
1
2
3
4
6
5
17
16
IN A
IN -A
IN B
IN -B
A
-A
B
-B
SLA7024M (IC11)
CN11
CRA
CR-A
CRB
CR-B
E05B42(IC 3)
PFI0A
PFI1A
PFI0B
PFI1B
1
2
3
4
CN11
CRA
CR-A
CRB
CR-B
PHASE A
PHASE B
122
119
2
1
23
24
IN A
IN -A
IN B
IN -B
A
-A
B
-B
A2917(IC 12)
43
26
6
3
18
21

LQ-2180 Revision A
Operating Principles Control Circuit 29
2.1.6 EEPROM Control Circuit
When the printer power is turned off, the EEPROM stores the factory
settings and values in the areas that are not cleared in the user setting
mode and also writes those values in the RAM. This sequence is
managed by the CPU (IC4), which transmits data in the serial format.
The EEPROM control circuit is as shown below:
2.1.7 Sensor Circuit
Unlike the LQ-2170, both the CPU and the gate array monitor and
control the corresponding sensors’ conditions. Note analog voltages are
all monitored by the CPU ports.
Figure 2-8. Sensor Circuit
CPU(IC4)
9
10
11
12
AT93C 46(IC 5
)
P70
P71
P72
P73
CS
SK
DI
DO
1
2
3
4
CPU(IC4)
P36
P40
AN2
P53
PG S ensor
R elease
S ensor 1
R elease
S ensor 2
+5V
+5V
H P S ensor
+5V
+5V
R ear P E
S ensor
+5V
Front PE
S ensor
+5V
+5V
PW ,TO P
S ensor Cover Ope
n
Sensor
18
76
75
68
70
GA(IC3)
R elease1
R elease2
116
117
61
P27
IN T 7
Figure 2-7. EEPROM Control Circuit

&+$37(5
6
DISASSEMBLY AND ASSEMBLY

LQ-2180 Revision A
Disassembly and Assembly 31
The contents of the chapter “Disassembly and Assembly” is the same as for the LQ-2170 Service Manual.

&+$37(5
7
ADJUSTMENT

LQ-2180 Revision A
Adjustment Overview 33
4.1 Overview
The adjustment items required for the LQ-2180 are the same as for the
LQ-2170. Therefore, see Table 4-1 in the LQ-2170 Service Manual and
perform any necessary adjustment after disassembling/assembling the
printer.
4.1.1 Pre-operation for the Adjustment Program
1. Get a continuous paper. (136-column paper should be used to avoid
printing on the platen.)
2. Set the release lever to the continuous paper position.
3. Connect the printer and the PC and turn the printer on.
4. Press the Load/Eject button to send the paper to the stand-by
position. Then press the LF/FF button more than 10 times until the
leading edge of the paper is completely out of the printer.
NOTE: If you omit this operation, the printer will perform Uni-D
print instead of Bi-D.
5. Double-click “LQSERIES.EXE”. The program starts up and the
screen below appears.
Figure 4-1. LQSERIES.EXE Initial Screen
6. Move the cursor to “LQ-2180” and press the Enter key.
7. The following screen appears.
CAUTION
Though the conditions for each adjustment are the
same as for the LQ-2170, the adjustment program
used for the LQ-2180 is different. Therefore, observe
the instructions given in the following sections.
CAUTION
„Do not use cut sheet for the Bi-D adjustment. Since
the Bi-D adjustment has to be performed with the top
and bottom edges of the sheet firmly set in the paper
path, use of cut sheet will not provide accurate
adjustment.
„Use single continuous paper.
„Adjustment program for serial dot matrix printer
does not run without any paper loaded. So, be sure
to turn the printer on first and then load paper.
<*><*><*> EPSO N SID M Printer Service Program boot process <*><*><*>
Please select the m odel nam e.
LQ -2180
LQ -2580H
LQ -2080
FX-980
E S C :Q u it U P /D o w n :S e le c t E N T E R :D e te r m in e

LQ-2180 Revision A
Adjustment Overview 34
Figure 4-2. Destination Selection Screen
8. Check the printer to be adjusted for the destination; NLSP or
Standard, then select the destination and press the Enter key.
9. The following screen appears.
Figure 4-3. Main Menu Selection Screen
10. Select “Perform”. The following screen appears.
Figure 4-4. Main Menu Screen
CAUTION
Be sure to select the proper destination. If you select
“Standard” despite you printer is NLSP version, the
printer may not print NLSP characters.
<*><*><*> EPSO N SID M Printer Service Program boot process <*><*><*>
Select the destination.
Standard
NLSP
E S C :Q u it U P /D o w n :S e le c t E N T E R :D e te r m in e
CAUTION
„Select “No” if you have input a wrong model name in
the screen shown in Figure 4-1.
„If you select “Got”, the printer flashes the model
name stored in the RAM to the EEPROM once and
reads it again.
<*><*><*> EPSO N SIDM Printer Service Program boot process <*><*><*>
D o you start the S ervice P rogram ?
P e rfo rm (B o o t th is P R O G R A M )
N o (R e -s e le c t m o d e l n a m e )
G o t (C h e c k th is m o d e l n a m e )
E S C : Q u it U P /D o w n : S e le c t E N T E R : D e te rm in e
************** L Q -2 1 8 0 S E R V IC E P R O G R A M V e rs io n 1 .0 **************
<><> SERVICE ITEM S <><>
1. Bi-D Adjustm ent
2. Print Data on EEPRO M
3. Set or reply S tarting date
4. TPE R eset
E S C :Q u it U P /D o w n :S e le c t E N T E R :D e te r m in e

LQ-2180 Revision A
Adjustment Overview 35
4.1.2 Bi-D Adjustment
This adjustment is made after the main board or the CR motor has been
replaced. The purpose of this adjustment is to electrically correct the
head wire’s point of impact during Bi-D printing. The adjusted value is
stored in the specific address in the EEPROM. Once the value is stored,
it will not be erased if the printer is turned off or the EEPROM is reset.
1. Perform the pre-operation. (See Section 4.1.1.)
2. Select “1. Bi-D Adjustment”. The following screen appears.
Figure 4-5. Initial Menu of the Bi-D Adjustment
3. Press the Space key to check the current Bi-D setting condition for
the High speed draft mode. The printer prints the following pattern.
Figure 4-6. Bi-D Pattern Sample
4. Output the patterns for the Draft Copy Mode and the LQ Mode, the
rest of the three modes in the screen (Figure 4-5). Then check that
the vertical lines in the middle row for each mode are aligned. (If no
adjustment is needed, you can turn the printer off, not continuing to
the next step.)
5. Examine the patterns for the three modes output in the previous
steps, and correct the value in the screen shown in Figure 4-5 until
the vertical lines for the center value (Data = 0 in Figure 4-6) are
aligned.
CAUTION
If the printer is in the emulation mode, characters
output for the Bi-D adjustment will be garbled. If so,
turn ESC/P2 on using the EEPROM Initialization mode.
************** L Q -2 1 8 0 S E R V IC E P R O G R A M V e rs io n 1 .0 **************
< B i-D a d ju s tm e n t>
H igh speed draft M ode
Draft copy M ode
LQ M ode
Previous
[ESC]
= 0
= 0
= 0
Print out
[SPACE]
Select speed
[U p /D o w n ]
A djust value
[L e ft/R ig h t]
W rite to EEPRO M
[E N T E R ]
CAUTION
„The value “0” shown in the screen shown in Figure
4-5 is the initial value used in the program, which
varies from the one stored in the EEPROM. However,
if the main board has been replaced, the value in the
EEPROM is replaced with “0”as the initial value.
„The printing pattern below is a sample for the high
speed mode. Be sure to perform the adjustment in
draft copy mode and LQ mode as well.
speed draft m ode B i-D data = -1
speed draft m ode B i-D data = -0
speed draft m ode B i-D data = 1

LQ-2180 Revision A
Adjustment Overview 36
6. When this adjustment is completed, if you need to perform another
adjustment using this program, you can continue without turning off
the printer.
4.1.3 TPE Level Reset
Make this adjustment when the main board or Top PE Sensor has been
replaced. Generally, light level emitted from the photo diode in a photo
sensor lowers with age. For this reason, the printer renews the current
paper remaining level by detecting the black level of the platen each
time the printer is turned on or paper is fed. When the TPE level is reset,
FF is written and it approaches 00 as the time goes by. If this operation
is not performed, paper out condition may be detected despite paper is
set.
1. Perform the pre-operation. (See Section 4.1.1.)
2. Select “TPE Reset” in the main menu screen (Figure 4-4) and press
the Enter key. The screen below appears.
Figure 4-7. Screen - TPE Reset
3. Select “Yes” and press the Enter key. FF is written in EEPROM
when the printer power is turned off.
************** L Q -2 1 8 0 S E R V IC E P R O G R A M V e rs io n 1 .0 **************
<R eset Top paper and detection level>
D o you w ant to reset Top paper-end detection level?
E S C :P r e v io u s U P /D o w n :S e le c t E N T E R :D e te r m in e
Yes
No

LQ-2180 Revision A
Adjustment Overview 37
4.1.4 Writing the User-characteristic Data
Use this function to check the specific records of the printer used by
your customer. Also, you can renew the starting date using this
program. Since there is no standardized service operation using this
function, you can use it whenever necessary.
1. Perform the pre-operation. (See Section 4.1.1.)
2. Select “Set or Reply Starting Date” and press the Enter key. The
screen below appears.
Figure 4-8. Screen - Set or Reply Starting Date
[To check the current status]
3. Select “Characteristic Status Code” and press the Enter key. The
following screen appears.
Figure 4-9. Screen - Characteristic Status Code
[To renew the Starting Year / Month / Date]
4. Select “Set Starting year / month / date” and press the Enter key.
The following screen appears.
CAUTION
When using this function, the printer must be in the
normally operative condition. Make sure the printer is
free from any error conditions such as paper out, fatal
error, and so on. Otherwise, the function is not
effective.
************** LQ -2180 S E R VIC E P R O G R A M Version 1.0 **************
<*><*><*> Set or R eply Starting date <*><*><*>
E S C :Q u it U P /D o w n :S e le c t E N T E R :D e te r m in e
C haracteristic status code
Set starting year / m onth / date
ESC:Previous
C haracteristic status code
1 . S ta rtin g d a te -----> 9 9 / 1 1 1
2 . T o ta l p rin tin g lin e c o u n t(O d d c o u n te r) ---> 3577 line
3 . T o ta l p o w e r o n h o u r --->
4. Total printing line count for
rib b o n c h a n g e tim in g (T rip c o u n te r) ---> 3577 lines

LQ-2180 Revision A
Adjustment Overview 38
Figure 4-10. Screen - Setting Starting Year / Month / Date
5. Input a 6-digit data. Be sure to input it correctly since this programs
does not perform comparison check with the system timer. If you
input a wrong data, start from the beginning.
Setting Starting Year/M onth/D ay
In p u t fo rm a t: 1 9 9 9 /1 /1 ---> 990101
P le a s e in p u t 6 d ig its > >

TROUBLESHOOTING

LQ-2180 Revision A
Troubleshooting Overview 40
5.1 Overview
This chapter contains flowcharts and checkpoint tables to help you
troubleshoot the printer. The checkpoint tables let you identify the faulty
part or unit by checking the values or ranges listed for each component.
5.2 Troubleshooting Information
This section gives you troubleshooting information to let you test points
for replaceable units.
5.2.1 Printhead
The information in this section is the same as for the LQ-2170.
5.2.2 Sensors
The check method, including test pin number and meter reading, for
each sensor is the same as for the LQ-2170. However, be careful of the
CN 12 and 16 that are not common to the LQ-2170. The change made
for LQ-2180 is as shown below.
Table 5-1. Sensor Test Points
5.2.3 Motors
The motor test points are the same as for the LQ-2170.
5.2.4 Error Codes with Indicators and Buzzer
The Error codes with Indicators and buzzer are the same as for the LQ-
2170.
Sensor
Connector
Number
Test Pin
Number Test method Meter reading
CN12
(Release
sensor 1)
1: Release 1
2: GND
Place one lead on Pin 1
and the other lead on Pin
2 and check the voltage
while toggling the sensor
lever.
See the LQ-2170 Service
Manual.
CN16
(Release
sensor 2)
1: Release 2
2: GND Same as for CN12 See the LQ-2170 Service
Manual.
Other
sensors See the LQ-2170 Service Manual.

LQ-2180 Revision A
Troubleshooting Unit Level Troubleshooting 41
5.3 Unit Level Troubleshooting
The information for this section is the same as for the LQ-2170 except
for some points. The points to be changed are as follows:
Point: All flowcharts provided in this section
Point: Flowchart 2-1
5.4 Repairing the C165 PSB/PSE Board
The entire information for this section is the same as for the LQ-2170.
5.5 Repairing the C272MAIN Board
This section provides instructions to repair the C272 MAIN board
assembly. It describes various problems, symptoms, likely causes, and
solutions. The checkpoint column provides proper waveforms,
resistance values, and other information for each component of C272
MAIN Board.
NOTE: This information is necessary only for servicers who repair to
the component level. Servicers who repair to the unit level
(including all servicers in the U.S.) can ignore this section.
Table 5-2. Repairing the C272MAIN Board (1/3)
C165 MAIN Board →272MAIN Board
CN12 →CN12 or CN16
Problem Cause Checkpoint Solution
The printer does
not operate at all. Reset IC2 is
defective. Check the voltage
waveforms of the VCC signal
(CH1: IC2 pin 3) and VOUT
signal (CH2: IC2 pin 2) when
power is turned on.
Replace IC2.
The PROM
(IC10) is not
selected.
Check for a change in the
signal from HIGH/LOW at pin
22 of IC10.
Replace IC10
(or replace the
main board).
The PSRAM
(IC8) Check for a change in the
signal from HIGH/LOW at pin
1 of the IC8.
Replace IC8 (or
replace the main
board).

LQ-2180 Revision A
Troubleshooting Repairing the C272MAIN Board 42
Table 5-3. Repairing the C272MAIN Board (2/3) Table 5-4. Repairing the C272MAIN Board (3/3)
Problem Cause Checkpoint Solution
The printer does
not operate at all. CRU1 is
defective.
Check the oscillator signal at
pins 26 or 27 of the CRU1.
If the signal is
not correct,
replace IC4 (or
replace the main
board).
Otherwise,
replace CRU1.
Carriage operation
is abnormal.
IC11 or IC4 is
defective.
Check input signal waveform
(CH1) at pins 1, 2, 3, and 4 of
IC4. Check output signal
waveform at pins 8, 1, 18,
and 11 of IC11. If the input
signal is not
correct, replace
IC4 (or replace
the main board).
If the output
signal is not
correct, replace
IC11.
IC3 is
defective.
Check the output signal at
pins 68, 69, 70, and 71 of
IC3.
If there is no
output signal,
replace IC3.
Problem Cause Checkpoint Solution
Paper feed is
abnormal.
IC1 is
defective.
IC3 is
defective.
IC2 is
defective.
• Check input signal waveform
at pins 1, 2, 23, and 24 of IC2.
• Check output signal waveform
at pins 6, 3, 18, and 21 of
IC12.
If the input
signal is not
correct, replace
IC3. If the input
signal is correct
and the output
signal is not
correct, replace
the IC12.
No data is
printed., IC3 is
defective.,
• Check the output signal
waveform at pin 111 of IC3.
If this signal is
not output,
replace IC3.
A particular
dot fails to
print.,
IC3 is
defective or
one of the head
drive
transistors is
defective (Q4 -
Q27).
• Check the voltage waveform
at pin HD1 - HD24 of IC3.
• Check the voltage waveform
(CH2) for each transistor. If the head drive
signal is not
output, replace
IC3. If the head
drive signal is
output, replace
the head drive
transistor.

LQ-2180 Revision A
Troubleshooting Repairing the Printer Mechanism 43
5.6 Repairing the Printer Mechanism
The information for this section is also the same as for the LQ-2170
except for the point below.
Point: Table 5-8
CN12 →CN12 or CN16

MAINTENANCE

LQ-2180 Revision A
Maintenance 45
The contents of the chapter “Maintenance” is the same as for the LQ-2170 Service Manual.

APPENDIX

LQ-2180 Revision A
Appendix EEPROM Address Map 47
7.1 EEPROM Address Map
This chapter provides EEPROM Address Map for LQ-2180 and
component layouts and circuit diagram for the C272 Main Board.
NOTE: The data of two or more bytes are assigned in such was as
lower byte to lower address, higher byte to higher address.
Table 7-1. EEPROM Address Map (1/7)
Table 7-2. EEPROM Address Map (2/7)
Address Data Data Format Q-pit
data Factory
setting
00H, 01H (reserved) 0000H 0000H
Area 1
02H, 03H Character
table
selection
0: PC437
1: PC850
2: PC860
3: PC863
4: PC865
5: PC861
6: BRASCII
7: Abicomp
8: ISO Latin 1
9: Roman 8
10:PC437 Greek
11:PC852
12:PC853
13:PC855
14:PC857
15:PC864
16:PC866
17:PC869
18:ISO Latin 1T
19:ISO 8859-7
20:MAZOWIA
21:Code MJK
22:Bulgaria
23:Estonia
24:PC774
25:ISO 8859-2
26:PC866 LAT
27:PC866 UKR
28:Hebrew 7
29:Hebrew 8
30:PC862
31:PCAPTEC
32:PC708
33:PC720
34:PCAR864
35:PC858
36:ISO 8859-15
0000H 0000H
(PC437)
37:Italic U.S.A.
38:Italic France
39:Italic Germany I
40:Italic U.K.
41:Italic Denmark
42:Italic Sweden
43:Italic Italy
44:Italic Spain
0000H 0000H
Address Data Data Format Q-pit
data Factory
setting
04H, 05H Page length for rear
tractor 1 to 22x360 (by 1/360 inch)
0000H: 11 inch (the default)
0000H
(11 inch)
0000H
(11 inch)
06H, 07H Page length for front
tractor 1 to 22x360 (by 1/360 inch)
0000H: 11 inch (the default)
0000H
(11 inch)
0000H
(11 inch)
08H, 09H Page length for CSF
bin 1 1 to 22x360 (by 1/360 inch)
0000H: 22 inch (the default)
0000H
(22 inch)
0000H
(22 inch)
0AH, 0BH Page length for CSF
bin 2 1 to 22x360 (by 1/360 inch)
0000H: 22 inch (the default)
0000H
(22 inch)
0000H
(22 inch)
0CH, 0DH TOF adjustment
value for rear tractor -60 to 360 (4.2 mm to 8.5
mm + 1 inch, by 1/360 inch) 0000H
(8.5 mm)
0000H
(8.5 mm)
0EH, 0FH TOF adjustment
value for front tractor -60 to 360 (4.2 mm to 8.5
mm + 1 inch, by 1/360 inch) 0000H
(8.5 mm)
0000H
(8.5 mm)
10H, 11H TOF adjustment
value for CSF bin 1 -60 to 360 (4.2 mm to 8.5
mm + 1 inch, by 1/360 inch) 0000H
(8.5 mm)
0000H
(8.5 mm)
12H, 13H TOF adjustment
value for CSF bin 2 -60 to 360 (4.2 mm to 8.5
mm + 1 inch, by 1/360 inch) 0000H
(8.5 mm)
0000H
(8.5 mm)
14H, 15H TOF adjustment
value for rear manual
insertion
-60 to 360 (4.2 mm to 8.5
mm + 1 inch, by 1/360 inch) 0000H
(8.5 mm)
0000H
(8.5 mm)
16H, 17H TOF adjustment
value for front
manual insertion
-60 to 360 (4.2 mm to 8.5
mm + 1 inch, by 1/360 inch) 0000H
(8.5 mm)
0000H
(8.5 mm)
18H, 19H Bottom margin for
rear tractor 1 to 22x360 (by 1/360 inch),
0000H: 11inch (the default) 0000H
(11 inch)
0000H
(11 inch)
1AH, 1BH Bottom margin for
front tractor 1 to 22x360 (by 1/360 inch),
0000H: 11inch (the default) 0000H
(11 inch)
0000H
(11 inch)
1CH Font selection 0: Roman
1: Draft
2: Sans serif
3: Courier
4: Prestige
5: Script
6: Others
(the default)
00H
(Roman)
00H
(Roman)

LQ-2180 Revision A
Appendix EEPROM Address Map 48
Table 7-3. EEPROM Address Map (3/7) Table 7-4. EEPROM Address Map (4/7)
Address Data Data Format Q-pit
data Factory
setting
1DH Pitch selection 0: 10 cpi
1: 12 cpi
2: 15 cpi
3: 17 cpi
4: 20 cpi
5: Proportional
00H
(10 cpi)
00H
(10 cpi)
1EH (reserved) 00H 00H
1FH Print direction
setting
0: Bi-d.
1: Uni-d.
2: Auto
00H
(Bi-d.)
00H
(Bi-d.)
20H I/F mode selection 0: Auto I/F selection
1: Parallel I/F
2: Type-B I/F
00H
(Auto)
00H
(Auto)
21H Auto I/F wait time
setting 10:10 sec.
30:30 sec.
00:10 sec. (the default)
0AH
(10 sec.)
0AH
(10 sec.)
22H Auto line feed
Auto tear off
Skip over
perforations
High speed draft
Input buffer
---
---
---
b0: Auto line feed
0: Off, 1: On
b1: Auto tear off
0: Off, 1: On
b2: Skip over perforation
0: Off, 1: On
b3: High speed draft
0: On, 1: Off
b4: Input buffer
0: On, 1: Off
b5: (reserved)
b6: (reserved)
b7: (reserved)
00H 00H
Address Data Data Format Q-pit
data Factory
setting
23H Software
0 slash
Buzzer
Roll paper
Auto CR
A. G. M.
---
---
b0: Software
0: ESC/P2,
1: IBM 2391 Plus
b1: 0 slash,
0: Off, 1: On
b2: Buzzer 0: On, 1: Off
b3: Roll paper
0: Off, 1: On
b4: Auto CR (IBM)
0: Off, 1: On
b5: A. G. M. (IBM)
0: Off, 1: On
b6: (reserved)
b7: (reserved)
00H 00H
24H,
25H Tear-off
adjustment value -128 to +127 (by 1/360 inch) 0000H 0000H
26H Other font
selection
0: Roman
1: Sans Serif H
2: OCR-B
3: Orator
4: Orator-S
5: Script C
00H 00H
27H Backup flags 1
Copy mode
00H 00H
28H Backup flags 2
In tear-off state
Bin select
0: Friction Bin 1 or Tractor not
Tear off
1: Friction Bin 1
2: Friction Bin 2
3: Friction Card
4: Tractor & Tear off
00H 00H

LQ-2180 Revision A
Appendix EEPROM Address Map 49
Table 7-5. EEPROM Address Map (5/7) Table 7-6. EEPROM Address Map (6/7)
Address Data Data Format Q-pit
data Factory
setting
29H Panel mask
pattern 1
b0: LOAD function
b1: EJECT function
b2: FONT selection
b3: PITCH selection
b4: TEAR OFF function
b5: BIN selection
b6: Draft self test
b7: LQ self test
00H 00H
2AH Panel mask
pattern 2
b0: LF function
b1: FF function
b2: Micro Adjust function
b3: Pause function
b4: Data dump
b5: Default setting
b6: Bi-d. adjustment
b7: (reserved)
00H 00H
2BH Manual insertion
wait time 3 to 30 (by 0.1 sec.), 00H: 2 sec
when Normal mode. (same as 3
sec when copy mode. default)
00H
(2or3 sec.)
00H
(2or3 sec.)
2CH Tear-off wait time 3 to 30 (by 0.1 sec.), 00H: 3 sec.
(the default) 00H
(3 sec.)
00H
(3 sec.)
2DH to
2EH (reserved) 00H 00H
2FH Copy mode 0: Off 1: On 00H 00H
30H-33H Driving line count
for ribbon change
timing
0 - 0FFFFFFFFH (count) 000000
00H 000000
00H
34H-37H Driving Hour 0 - 0FFFFFFFFH (minutes) 000000
00H 000000
00H
38H-
3BH Driving Line Count 0 - 0FFFFFFFFH (count) 000000
00H 000000
00H
Address Data Data Format Q-pit
data Factory
setting
3CH Starting Year 0 - 99 (the last two figures of
Anno Domini) 00H 00H
3DH Starting Month 1 - 12 00H 00H
3EH Starting Date 1 - 31 00H 00H
3FH Black paper mode
paper width
measure
b0: black paper mode
0: Off, 1: On
b1: paper width measure
0: On, 1: Off
b2: b2 to b7: (reserved)
00H 00H
40H to
41H TOF Minimum
value -120 to -60, 0: -60 (4.2 mm)
Value out of the range above is
considered -60.
00H 00H
42H I/F timing data bit0-3: BUSY timing data
bit4-7: XAACK timing data
00H 00H
43H (complement of 42H) FFH FFH
44H to
5DH (reserved) 00H 00H
5EH,
5FH Paper edge length 0000H 0000H
60H,
61H Page length for
rear manual
insertion
1 to 22x360 (by 1/360 inch),
0000H: 22 inch (the default) 0000H
(22 inch)
0000H
(22 inch)
62H,
63H Page length for
front manual
insertion
1 to 22x360 (by 1/360 inch),
0000H: 22 inch (the default) 0000H
(22 inch)
0000H
(22 inch)
64H to
66H Sub-number for
customization 00H to 09H 000000H
(Standard)
000000H
(Standard)
67H (reserved) 00H 00H

LQ-2180 Revision A
Appendix EEPROM Address Map 50
Table 7-7. EEPROM Address Map (7/7)
*a) These data are fixed by each printer hardware in the factory. They
should not be changed afterwards.
Address Data Data Format Q-pit
data Factory
setting
Area 2
68H Market 0: Standard version
1: NLSP version 00H 00H
69H IBM character table 0: Table2
1: Table1 00H 00H
70H (reserved) 00H 00H
71H Check sum of Area 2 00H 00H
Area 3
72H Vp adjustment value 80H *a)
73H Vp adjustment value
(complement of 72H) 7FH *a)
74H Bi-d adjustment value for high
speed draft / draft mode -12 to +12
(by 1/720 inch) 00H *a)
75H Bi-d adjustment value for draft
copy mode -12 to +12
(by 1/720 inch) 00H *a)
76H Bi-d adjustment value for LQ
mode -12 to +12
(by 1/720 inch) 00H *a)
77H (reserved) 00H 00H
78H TPE level FFH FFH
79H TPE adjustment position -10 to +10
(by 1/180 inch) 00H 00H
7AH to
7FH (reserved) 00H 00H

LQ-2180 Revision A
Appendix Connector Summary 51
7.2 Connector Summary
The following figure shows how primary components are connected.
Figure 7-1. Cable Connections
The table below shows the cable alignment of the C272 Main Board.
Table 7-8. C272 Main Board Connection
Printer M echanism
PG Sensor
R elease Lever P osition S ensor
PE- R ear S ensor
PE- Front Sensor
H P Sensor
PW Sensor
Printhead
C ase O pen Sensor
CN3
CN8
CN9
P F M o to r
CR Motor
CN2
CN1
CN14
CSF
CN1
Host
Computer
P a ra lle l I/F
CN2
O p tio n I/F
C165PNL Board
Fan
CN15
CN17
CN7
CN4
CN6
CN5
CN13
CN11
CN10
CN12
CN16
C272MAIN Board Assem bly
C166PSB/PSE
Board
Board Connector Function Pins
C272 MAIN Board
CN1 Parallel interface 36
CN2 Type B interface 36
CN3 C165 PSB/PSE board assembly 12
CN4 HP sensor 3
CN5 Rear PE sensor 3
CN6 Front PE sensor 2
CN7 TOP sensor 4
CN8 Printhead (F) 18
CN9 Printhead (R) 16
CN10 PF motor 4
CN11 CR motor 5
CN12 Release lever position sensor 1 2
CN13 PG sensor 2
CN14 CSF 10
CN15 PNL board assembly 22
CN16 Release lever position sensor 2 2
CN17 Fan 2

LQ-2180 Revision A
Appendix Connector Summary 52
NOTE: The table below provides information of the connector that
vary from C165 Main Board used in LQ-2170.
Figure 7-2. Connector Pin Assignment (Changed/new items only)
LQ-2170 (C165MAIN) LQ-2180 (C272MAIN)
Connector Function Pin alignment Connector Function Pin alignment
1 CN14 CSF 1: A
2: B
3: -A
4: -B
5: HOLD
6: +5V
7: GND
8: GND
9: +35V
10:+35V
CN14 CSF 1: +35V
2: +5V
3: HOLD
4: +35V
5: -A
6: B
7: GND
8: GND
9: A
10:-B
2CN12 Release lever position 1: RELEASE 1
2: GND
3: RELEASE 2
4: GND
CN12 Release lever position 1: RELEASE 1
2: GND
CN16 Release lever position 1: RELEASE 2
2: GND
3 --- --- --- CN17 Fan 1: PE
2: GND

LQ-2180 Revision A
Appendix Component Layout 53
7.3 Component Layout
Figure 7-3. C272Main Component Layout - Component Side

LQ-2180 Revision A
Appendix Component Layout 54
Figure 7-4. C272Main Component Layout - Soldering Side

LQ-2180 Revision A
Appendix Circuit Diagram 55
7.4 Circuit Diagram
See the following page for the dircuit digram of the C272 Main Board.
