Ericsson Wi Fi 40005111 802.11n dual-band WIFI router User Manual PubTeX output 2013 07 26 1721
Ericsson Wi-Fi 802.11n dual-band WIFI router PubTeX output 2013 07 26 1721
Contents
- 1. User manual
- 2. Users Manual
Users Manual

PRELIMINARY
BelAir20EO and AP 511x Series Quick
Install Guide
QUICK GUIDE
1/006 92-LZA 101 803 Uen PC1
PRELIMINARY
Copyright
© Ericsson AB 2013. All rights reserved. No part of this document may be
reproduced in any form without the written permission of the copyright owner.
Disclaimer
The contents of this document are subject to revision without notice due to
continued progress in methodology, design and manufacturing. Ericsson shall
have no liability for any error or damage of any kind resulting from the use
of this document.
Trademark List
Wi-Fi®Wi-Fi®is a registered trademark of the Wi-Fi Alliance.
Wi-Fi Certified logo
The Wi-Fi CERTIFIED logo is a registered trademark
of the Wi-Fi Alliance.
Wi-Fi Protected Setup logo
The Wi-Fi Protected Setup logo is a registered
trademark of the Wi-Fi Alliance.
Ericsson Ericsson is the trademark or registered trademark of
Telefonaktiebolaget LM Ericsson. All other product or
service names mentioned in this manual are trademarks
of their respective companies.
1/006 92-LZA 101 803 Uen PC1 | 2013-07-26

PRELIMINARY
Getting Started
1 Getting Started
1.1 Package Contents
External antennas are ordered and shipped separately.
For AP 5115 to AP 5118:
• Customers supply their own power cable and use the power cable
connector kit to terminate the cable.
• Units can be powered either by AC power or by Power over Ethernet (PoE).
2
1/006 92-LZA 101 803 Uen PC1 | 2013-07-26

PRELIMINARY
BelAir20EO and AP 511x Series Quick Install Guide
1.2 AC Power (AP 5115 to AP 5118 only)
These units accept AC input power in the range of 100 to 240 V AC. The units
do not have a power switch. They are powered on when connected to a power
source. Maximum AC power consumption is 14.5 W.
Warning!
The unit contains a 5-A fuse and relies on the rated fuse or circuit breaker of
the wall outlet (15 A in North America, 10 A in Europe).
Warning!
Use ONLY the Ericsson power cable connector supplied with the unit. Use of
any other power cable connector may damage the unit and voids Ericsson’s
product warranty.
1.3 Internet Port and Power
The unit can be powered with IEEE 802.3af or IEEE 802.3at Power over
Ethernet (PoE). Use IEEE 802.3af PoE for most applications. IEEE 802.3af
PoE supplies a maximum of 12.95 W to the powered device.
Table 1 PoE Power Consumption Table
State Internet Port only
Internet Port and One
LAN Port
Idle 3.6 W 4.05 W
Medium Traffic 8.4 W 8.85 W
High Traffic 10.8 W 11.25 W
Max. Traffic 11.76 W 12.21 W
The PoE switch or power injector must meet local and national regulatory
requirements.
802.11at Power Source Equipment (PSE) Specification:
• 50.0 to 57 V DC, with 30 W output power from the PSE
31/006 92-LZA 101 803 Uen PC1 | 2013-07-26

PRELIMINARY
Getting Started
802.11at Powered Device (PD) Specification:
• 42.5 to 57 V DC at the PD, with 25.5 W maximum input power to the PD
802.11at Cable Specification:
• 100 m maximum length
• Maximum cable pair resistance of 12.5 Ohms, satisfied by using CAT5
or CAT5e as specified by ANSI/TIA/EIA-568 or Class D as specified by
ISO/IEC 11801:1995
• 600 mA maximum current per pair
1.4 Functional Earth Ground and Lightning Protection
Units are not designed to survive a direct lightning hit. However, they are
intended to withstand the voltage and current surges induced from nearby
lightning activity.
The level of required lightning protection depends on regional lightning
conditions and location of installation. For example, an AP installed on a roof
top requires greater lightning protection than an AP installed on the side of a
building. The following is a list of recommended installation practices to mitigate
the voltage and current surges induced from lightning activity. In the event of a
conflict between these recommendations and local or national electrical codes,
the local or national electrical codes should be followed in all instances.
• For streetlight or hydro/telecom pole mounting the AC power adapter
should be protected with a lightning surge protector. AC power routed to
the power adapter should be routed inside the pole. If power is routed
on the pole exterior, the power should be routed through a metal conduit
grounded at the base of the pole.
• For rooftop installations, the unit should not be mounted at the highest point
on the building. If the building has installed lightning arrestor(s), the unit
should be located within the umbrella protection zone—a 60 degree zone
under the lighting arrestor, but if possible, the unit should not be located
closer than 30 feet (approx. 10 m) from the lightning arrestor. Power and
Ethernet cables should be routed through independent grounded metal
conduits.
• For lightning surge protection, the installer must connect a separate ground
wire between the external chassis of the unit and a ground on the pole. The
ground point on the AP accepts a 1/4” screw.
• It is strongly recommended for areas susceptible to lightning activity, such
as on poles, rooftops, or on or near any tall structures, that shielded CAT
5e or CAT 6 Ethernet cable be employed.
4
1/006 92-LZA 101 803 Uen PC1 | 2013-07-26

PRELIMINARY
BelAir20EO and AP 511x Series Quick Install Guide
• The external antennas ports of the unit require lightning arrestors to be
employed whenever the external antenna is located more than 3 feet
(approx. 1 m) from the unit. When lightning arrestors are used, they should
be located within 3 feet (approx. 1 m) of the unit and must be grounded
to both the unit and protective earth ground. The 1/4” GND screw of the
unit may be used for this application.
51/006 92-LZA 101 803 Uen PC1 | 2013-07-26

PRELIMINARY
Installing the BelAir20EO and AP 511x series AP
2 Installing the BelAir20EO and AP 511x
series AP
2.1 Step 1—Select Location
Choose a proper place for the unit. In general, the best location is at the
center of the intended wireless coverage area, within line of sight of all wireless
devices. For optimum performance, consider these guidelines:
• Mount the unit as high as possible above any obstructions in the coverage
area.
• Avoid mounting next to or near building support columns or other
obstructions that may cause reduced signal or null zones in parts of the
coverage area.
• Mount away from any signal absorbing or reflecting structures (such as
those containing metal).
The unit can be mounted on any wall or on a pole.
Warning!
Do not install the unit in any areas where blasting (blasting caps, radio
controlled equipment) or explosive gases may be present.
Warning!
To comply with FCC radio frequency (RF) exposure limits (FCC OET 65C) for
the general population, antennas must be located at a minimum distance of 12
inches (approx. 30 cm) or more from the body of all persons.
61/006 92-LZA 101 803 Uen PC1 | 2013-07-26

PRELIMINARY
BelAir20EO and AP 511x Series Quick Install Guide
2.2 Step 2—Mount Unit
Wall or Large Pole Mounting
Large poles have an outer diameter greater than 3 inches (7.6 cms). If mounted
on a flat surface, the unit should be mounted to a surface that is at least 1/2-inch
plywood or its equivalent. Poles should have the equivalent rigidity.
1. Attach the mounting plate to the wall or pole.
• For walls, use up to four 1/4 inch (M6) anchoring bolts. Use the plate as
a drill hole template. The outer edges of the plate should be elevated
from the wall surface while the center channel should touch the wall
surface.
• For large poles, use through bolts or use the pairs of slots for stainless
steel strapping. The center channel should touch the pole surface.
2. Connect ground wire to unit.
71/006 92-LZA 101 803 Uen PC1 | 2013-07-26

PRELIMINARY
Installing the BelAir20EO and AP 511x series AP
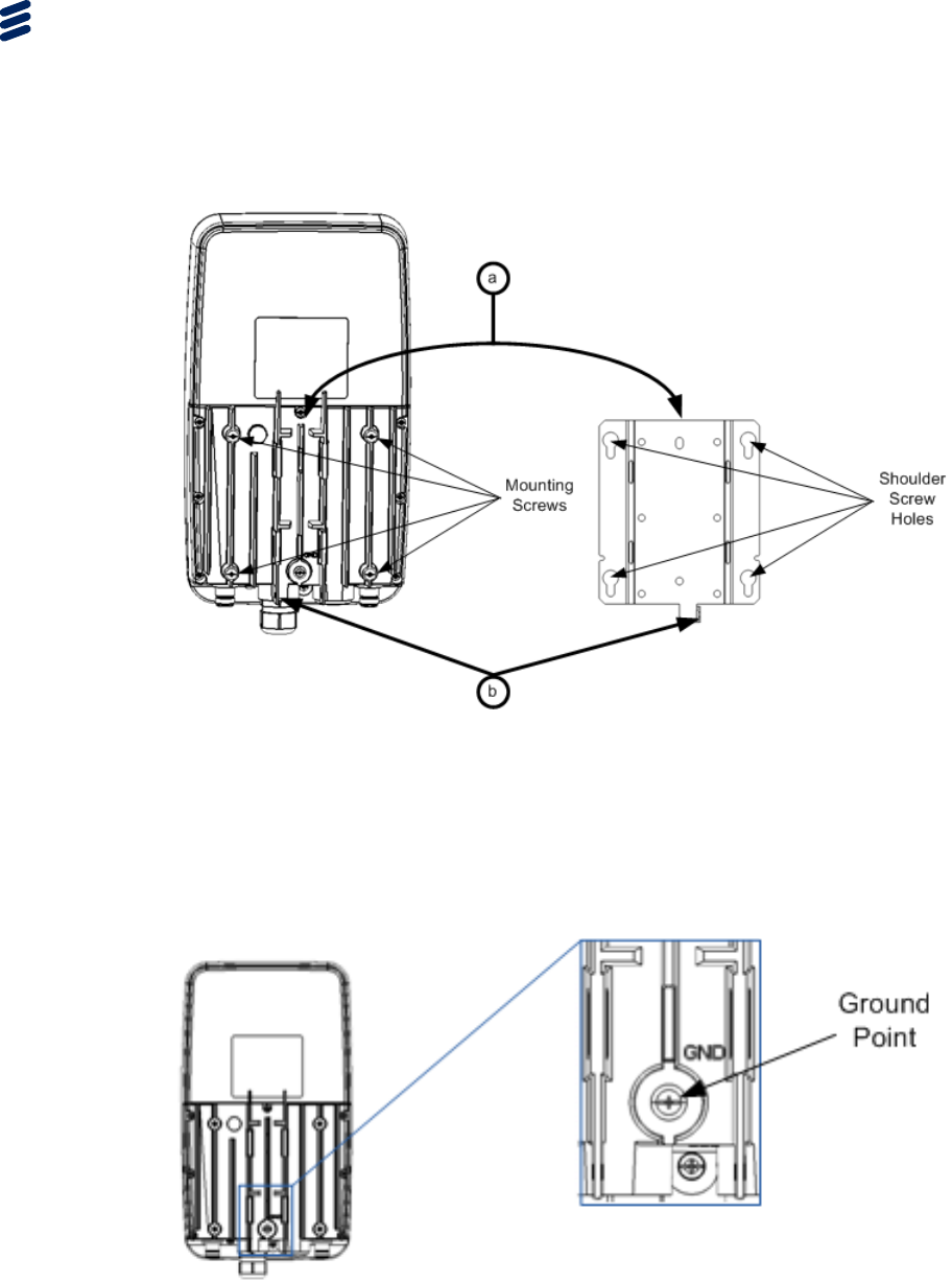
3. Attach four mounting screws to unit back.
Note: Ground wire not shown.
4. Attach unit to mounting plate:
a Insert mounting screws on the unit’s back into shoulder screw holes on
mounting plate. Slide unit down until screws are into the slots. Tighten
screws snug.
b Screw in the remaining mounting screw at base of unit into the mounting
plate hole.
8
1/006 92-LZA 101 803 Uen PC1 | 2013-07-26

PRELIMINARY
BelAir20EO and AP 511x Series Quick Install Guide
Note: Ground wire not shown.
Small Pole Mounting
Small poles have an outer diameter less than 3 inches (7.6 cms).
1. Connect ground wire to unit.
2. Use two stainless steel straps to secure unit to pole.
91/006 92-LZA 101 803 Uen PC1 | 2013-07-26

PRELIMINARY
Installing the BelAir20EO and AP 511x series AP
Note: Ground wire not shown. Strap mounting applies to all units except
the AP 5115 to AP 5118.
2.3 Step 3—Mount and Attach External Antennas
This step applies only to the following APs:
Table 2 APs and Required Antennas
APs
Required
Antennas
Ericsson Description
and Part Number
BelAir20EO-11C,
BelAir20EO-11CR2,
AP 5117R, AP 5117U
Two 5 GHz
External 11.5 dBi
5 GHz 11.5 dBi Dual
Feed Directional Antenna
(BNCKH0091 or INE 105
2162)
BelAir20EO-11D,
BelAir20EO-11DR2,
AP 5118R, AP 5118U
Two 2.4 GHz
External 8 dBi
2.4 GHz 8 dBi Dual
Feed Directional Antenna
(BNCKH0007 or INE 105
2159)
AP 5113 One 2.4 GHz
External 12 dBi
Dual Polarization 2.4–2.5
GHz Flat Panel Antenna
12 dBi (KRE 105 217)
Mounting Kit (KRY 901
293)
The external antennas must be approved by Ericsson specifically for the APs.
The antennas are ordered and shipped separately.
1. Attach the 5 GHz or 2.4 GHz antennas to their mounting surface.
Ericsson provides several different types of 5 GHz and 2.4 GHz antennas,
each with its own requirements and procedures for attaching to a mounting
surface. For details on attaching the antennas to their mounting surface,
10
1/006 92-LZA 101 803 Uen PC1 | 2013-07-26

PRELIMINARY
BelAir20EO and AP 511x Series Quick Install Guide
refer to the mounting procedures supplied with the antennas that were
ordered.
2. Connect external 5 GHz or 2.4 GHz antennas to connectors. See below.
Connect only antennas that are approved specifically for the units.
Either antenna can connect to either connector. Use thread-locker and
self-amalgamating tape to keep connection tight and waterproof.
• Connect external 5 GHz or 2.4 GHz antennas here.
• Connect only antennas that are approved specifically for the units.
• Either antenna can connect to either connector.
• Use thread-locker and self-amalgamating tape to keep connection tight
and waterproof.
Note: Ground wire and mounting hardware not shown.
2.4 Step 4—Prepare Power Cable (AP 5115 to AP 5118
only)
Refer to Figure 1.
11 1/006 92-LZA 101 803 Uen PC1 | 2013-07-26

PRELIMINARY
Installing the BelAir20EO and AP 511x series AP
Figure 1 Power Cable Connector Assembly
1. Place compression nut (4), grommet (3) and body (2) over power cable
as shown in Figure 1.
2. Strip outer jacket and inner conductors as shown in Figure 1.
3. Secure conductors to appropriate terminals by tightening screws on insert
assembly (1). Refer to the following table.
Conductor
Type
North American
Color
European Color Terminal ID
Ground Green/Yellow Green/Yellow 1
Power Black Brown 2
Neutral White Blue 3
4. Attach body (2) to insert assembly (1) by rotating black knurled ring on
insert assembly in a clockwise direction.
5. Secure compression nut (4) to body (2) by rotating in a clockwise direction.
12
1/006 92-LZA 101 803 Uen PC1 | 2013-07-26

PRELIMINARY
BelAir20EO and AP 511x Series Quick Install Guide
2.5 Step 5—Connect and Power On
BelAir20EO and all AP 511x Series: Power over Ethernet
The AP gets its operating power from the PoE port when connected to a device
that provides IEEE 802.3af or 802.3at compliant Power over Ethernet (PoE).
Figure 2 Power Connection for BelAir20EO and All AP 511x Series Power
Over Ethernet
Note: Ground wire and mounting hardware not shown.
Warning!
The BelAir20EO and AP 511x series AP must be connected to a power source
that complies to IEEE 802.3af or 802.3at.
Caution!
The PoE connection to the BelAir20EO and AP 511x series AP must use the
supplied Ethernet gland to ensure a waterproof connection. Failure to use the
Ethernet gland shall void Ericsson’s product warranty.
AP 5115 to AP 5118 Only
The AP can get its operating power directly from an AC power source or from
the Internet port when connected to a device that provides IEEE 802.3af or
802.3at compliant Power over Ethernet (PoE). If the AP is connected to both
a PoE source device and an AC power source, the AP’s internal circuits
automatically adjust to use the most suitable power source.
13 1/006 92-LZA 101 803 Uen PC1 | 2013-07-26

PRELIMINARY
Installing the BelAir20EO and AP 511x series AP
Figure 3 Power Connections for AP 5115 to AP 5118
Note: Ground wire and mounting hardware not shown.
2.6 Step 6—Check LEDs
After powering on, wait 2 minutes and check the unit’s LED.
If the LEDs are not as shown, refer to the Access Point User Guide,1/1553-LZA
101 806.
2.7 Step 7—Configure Unit
In most cases, the unit configures itself automatically after powering on. To
manually configure the unit through its local Web interface or Command Line
Interface (CLI), refer to the Access Point User Guide,1/1553-LZA 101 806.
14
1/006 92-LZA 101 803 Uen PC1 | 2013-07-26

BelAir20EO and AP 511x Series Quick Install Guide
Ericsson Inc.
603 March Road
Kanata, Ontario
Canada
K2K 2M5
www.ericsson.com
© Ericsson AB 2013. All rights reserved. No part of this
document may be reproduced in any form without the written
permission of the copyright owner.
The contents of this document are subject to revision without
notice due to continued progress in methodology, design and
manufacturing. Ericsson shall have no liability for any error or
damage of any kind resulting from the use of this document.
1/006 92-LZA 101 803 Uen PC1