Ericsson Wi Fi 80005000 802.11n dual-band WIFI router User Manual ECON cmyk
Ericsson Wi-Fi 802.11n dual-band WIFI router ECON cmyk
Users Manual

BelAir20EO and AP 511x Series Quick
Install Guide
QUICK GUIDE
1/006 92-LZA 101 803 Uen D
Copyright
© Ericsson AB 2013. All rights reserved. No part of this document may be
reproduced in any form without the written permission of the copyright owner.
Disclaimer
The contents of this document are subject to revision without notice due to
continued progress in methodology, design and manufacturing. Ericsson shall
have no liability for any error or damage of any kind resulting from the use
of this document.
Trademark List
Wi-Fi®Wi-Fi®is a registered trademark of the Wi-Fi Alliance.
Wi-Fi Certified Logo
The Wi-Fi CERTIFIED logo is a registered trademark
of the Wi-Fi Alliance.
Ericsson Ericsson is the trademark or registered trademark of
Telefonaktiebolaget LM Ericsson. All other product or
service names mentioned in this manual are trademarks
of their respective companies.
1/006 92-LZA 101 803 Uen D | 2013-12-13

Getting Started
1 Getting Started
1.1 Package Contents
External antennas are ordered and shipped separately.
For AP 5115 to AP 5118:
• Customers supply their own power cable and use the power cable
connector kit to terminate the cable.
• Units can be powered either by AC power or by Power over Ethernet (PoE).
2
1/006 92-LZA 101 803 Uen D | 2013-12-13

BelAir20EO and AP 511x Series Quick Install Guide
1.2 AC Power (AP 5115 to AP 5118 Only)
These units accept AC input power in the range of 100–240 V AC. The units do
not have a power switch. They are powered on when connected to a power
source. Maximum AC power consumption is 14.5 W.
Warning!
The unit contains a 5-A fuse and relies on the rated fuse or circuit breaker of
the wall outlet (15 A in North America, 10 A in Europe).
Warning!
Use ONLY the Ericsson power cable connector supplied with the unit. Use of
any other power cable connector can damage the unit and voids the Ericsson
product warranty.
1.3 Internet Port and Power
The unit can be powered with IEEE 802.3af or IEEE 802.3at Power over
Ethernet (PoE). Use IEEE 802.3af PoE for most applications. IEEE 802.3af
PoE supplies a maximum of 12.95 W to the powered device.
Table 1 PoE Power Consumption Table
State PoE Port Only
PoE Port and One LAN
Port
Idle 3.6 W 4.05 W
Medium Traffic 8.4 W 8.85 W
High Traffic 10.8 W 11.25 W
Max. Traffic 11.76 W 12.21 W
The PoE switch or power injector must meet local and national regulatory
requirements.
802.3at Power Source Equipment (PSE) Specification:
• 50.0 to 57 V DC, with 30 W output power from the PSE
31/006 92-LZA 101 803 Uen D | 2013-12-13

Getting Started
802.3at Powered Device (PD) Specification:
• 42.5 to 57 V DC at the PD, with 25.5 W maximum input power to the PD
802.3at Cable Specification:
• 100 m maximum length
• Maximum cable pair resistance of 12.5 Ohms, satisfied by using CAT5
or CAT5e as specified by ANSI/TIA/EIA-568 or Class D as specified by
ISO/IEC 11801:1995
• 600 mA maximum current per pair
1.4 Functional Earth Ground and Lightning Protection
Units are not designed to survive a direct lightning hit. However, they are
intended to withstand the voltage and current surges induced from nearby
lightning activity.
The level of required lightning protection depends on regional lightning
conditions and location of installation. For example, an AP installed on a roof
top requires greater lightning protection than an AP installed on the side of a
building. The following is a list of recommended installation practices to mitigate
the voltage and current surges induced from lightning activity. If there is a
conflict between these recommendations and local or national electrical codes,
the local or national electrical codes must be followed.
• For streetlight or hydro/telecom pole mounting the AC power adapter
should be protected with a lightning surge protector. AC power routed to
the power adapter must be routed inside the pole. If power is routed on the
pole exterior, the power must be routed through a metal conduit grounded
at the base of the pole.
• For rooftop installations, the unit must not be mounted at the highest point
on the building. If the building has installed lightning arrestors, the unit must
be located within the umbrella protection zone—a 60 degree zone under
the lighting arrestor, but if possible, the unit should not be located closer
than 30 feet (approx. 10 m) from the lightning arrestor. Power and Ethernet
cables must be routed through independent grounded metal conduits.
• For lightning surge protection, the installer must connect a separate ground
wire between the external chassis of the unit and a ground on the pole. The
ground point on the AP accepts a 1/4” screw.
• It is recommended for areas susceptible to lightning activity, such as on
poles, rooftops, or on or near any tall structures, that shielded CAT 5e or
CAT 6 Ethernet cable be employed.
• The external antennas ports of the unit require lightning arrestors to be
employed whenever the external antenna is located more than 3 feet
4
1/006 92-LZA 101 803 Uen D | 2013-12-13

BelAir20EO and AP 511x Series Quick Install Guide
(approx. 1 m) from the unit. When lightning arrestors are used, they must
be located within 3 feet (approx. 1 m) of the unit and must be grounded
to both the unit and protective earth ground. The 1/4” GND screw of the
unit can be used for this application.
51/006 92-LZA 101 803 Uen D | 2013-12-13

Installing the BelAir20EO and AP 511x Series AP
2 Installing the BelAir20EO and AP 511x
Series AP
2.1 Step 1—Select Location
Choose a proper place for the unit. In general, the best location is at the
center of the intended wireless coverage area, within line of sight of all wireless
devices. For optimum performance, consider these guidelines:
• Mount the unit as high as possible above any obstructions in the coverage
area.
• Avoid mounting next to or near building support columns or other
obstructions that can cause reduced signal or null zones in parts of the
coverage area.
• Mount away from any signal absorbing or reflecting structures (such as
those containing metal).
The unit can be mounted on any wall or on a pole.
Warning!
Do not install the unit in any areas where blasting (blasting caps, radio
controlled equipment) or explosive gases can be present.
Warning!
To comply with FCC radio frequency (RF) exposure limits (FCC OET 65C) for
the general population, antennas must be located a minimum distance of 12
inches (approx. 30 cm) or more from the body of all persons.
61/006 92-LZA 101 803 Uen D | 2013-12-13

BelAir20EO and AP 511x Series Quick Install Guide
2.2 Step 2—Mount Unit
Wall or Large Pole Mounting
Large poles have an outer diameter greater than 3 inches (7.6 cms). If mounted
on a flat surface, the unit must be mounted to a surface that is at least 1/2-inch
plywood or its equivalent. Poles must have the equivalent rigidity.
1. Attach the mounting plate to the wall or pole.
• For walls, use up to four 1/4 inch (M6) anchoring bolts. Use the plate as
a drill hole template. The outer edges of the plate must be elevated from
the wall surface while the center channel must touch the wall surface.
• For large poles, use through bolts or use the pairs of slots for stainless
steel strapping. The center channel must touch the pole surface.
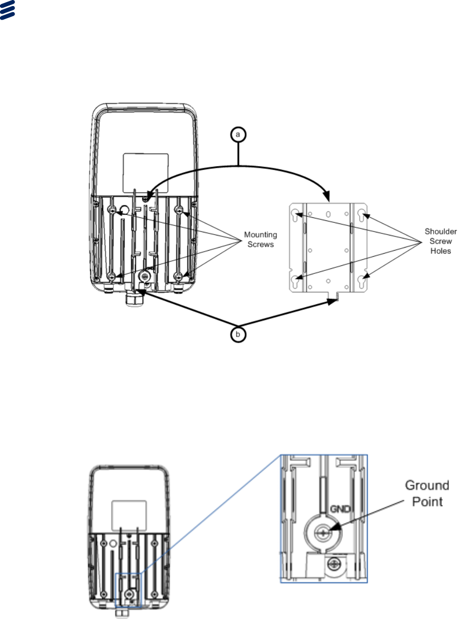
2. Connect ground wire to unit.
71/006 92-LZA 101 803 Uen D | 2013-12-13

Installing the BelAir20EO and AP 511x Series AP
3. Attach four mounting screws to unit back.
Note: Ground wire not shown.
4. Attach unit to mounting plate:
a Insert mounting screws on the back of the unit into shoulder screw holes
on mounting plate. Slide unit down until screws are into the slots. Tighten
screws snug.
b Screw in the remaining mounting screw at base of unit into the mounting
plate hole.
8
1/006 92-LZA 101 803 Uen D | 2013-12-13

BelAir20EO and AP 511x Series Quick Install Guide
Note: Ground wire not shown.
Small Pole Mounting
Small poles have an outer diameter less than 3 inches (7.6 cms).
1. Connect ground wire to unit.
2. Use two stainless steel straps to secure unit to pole.
91/006 92-LZA 101 803 Uen D | 2013-12-13

Installing the BelAir20EO and AP 511x Series AP
Note: Ground wire not shown. Strap mounting applies to all units except
the AP 5115 to AP 5118.
2.3 Step 3—Mount and Attach External Antennas
This step applies only to the following APs:
Table 2 APs and Required Antennas
APs
Required
Antennas
Ericsson Description
and Part Number
BelAir20EO-11C,
BelAir20EO-11CR2,
AP 5117R, AP 5117U
Two 5 GHz
External 11.5 dBi 5 GHz 11.5 dBi Dual
Feed Directional Antenna
(BNCKH0091 or INE 105
2162)
BelAir20EO-11D,
BelAir20EO-11DR2,
AP 5118R, AP 5118U
Two 2.4 GHz
External 8 dBi 2.4 GHz 8 dBi Dual
Feed Directional Antenna
(BNCKH0007 or INE 105
2159)
AP 5113 One 2.4 GHz
External 12 dBi Dual Polarization 2.4–2.5
GHz Flat Panel Antenna
12 dBi (KRE 105 217)
Mounting Kit (KRY 901
293)
The external antennas must be approved by Ericsson specifically for the APs.
The antennas are ordered and shipped separately.
1. Attach the 5 GHz or 2.4 GHz antennas to their mounting surface.
Ericsson provides several different types of 5 GHz and 2.4 GHz antennas,
each with its own requirements and procedures for attaching to a mounting
surface. For details on attaching the antennas to their mounting surface,
10
1/006 92-LZA 101 803 Uen D | 2013-12-13

BelAir20EO and AP 511x Series Quick Install Guide
refer to the mounting procedures supplied with the antennas that were
ordered.
2. Connect external 5 GHz or 2.4 GHz antennas to connectors. See the
figure. Connect only antennas that are approved specifically for the units.
Either antenna can connect to either connector. Use thread-locker and
self-amalgamating tape to keep connection tight and waterproof.
• Connect external 5 GHz or 2.4 GHz antennas here.
• Connect only antennas that are approved specifically for the units.
• Either antenna can connect to either connector.
• Use thread-locker and self-amalgamating tape to keep connection tight
and waterproof.
Note: Ground wire and mounting hardware not shown.
2.4 Step 4—Prepare Power Cable (AP 5115 to AP 5118
Only)
Refer to Figure 1.
11 1/006 92-LZA 101 803 Uen D | 2013-12-13

Installing the BelAir20EO and AP 511x Series AP
Figure 1 Power Cable Connector Assembly
1. Place compression nut (4), grommet (3), and body (2) over power cable
as shown in Figure 1.
2. Strip outer jacket and inner conductors as shown in Figure 1.
3. Secure conductors to appropriate terminals by tightening screws on insert
assembly (1). Refer to the following table.
Conductor
Type
North American
Color
European Color Terminal ID
Ground Green/Yellow Green/Yellow 1
Power Black Brown 2
Neutral White Blue 3
4. Attach body (2) to insert assembly (1) by rotating black knurled ring on
insert assembly in a clockwise direction.
5. Secure compression nut (4) to body (2) by rotating in a clockwise direction.
12
1/006 92-LZA 101 803 Uen D | 2013-12-13

BelAir20EO and AP 511x Series Quick Install Guide
2.5 Step 5—Connect and Power On
BelAir20EO and All AP 511x Series: Power over Ethernet
The AP gets its operating power from the PoE port when connected to a device
that provides IEEE 802.3af or 802.3at compliant Power over Ethernet (PoE).
Figure 2 Power Connection for BelAir20EO and All AP 511x Series Power
over Ethernet
Note: Ground wire and mounting hardware not shown.
Warning!
The BelAir20EO and AP 511x series AP must be connected to a power source
that complies to IEEE 802.3af or 802.3at.
Caution!
The PoE connection to the BelAir20EO and AP 511x series AP must use the
supplied Ethernet gland to ensure a waterproof connection. Failure to use the
Ethernet gland voids the Ericsson product warranty.
AP 5115 to AP 5118 Only
The AP can get its operating power directly from an AC power source or from
the Internet port when connected to a device that provides IEEE 802.3af or
802.3at compliant Power over Ethernet (PoE). If the AP is connected to both a
PoE source device and an AC power source, the AP automatically adjusts to
use the most suitable power source.
13 1/006 92-LZA 101 803 Uen D | 2013-12-13

Installing the BelAir20EO and AP 511x Series AP
Figure 3 Power Connections for AP 5115 to AP 5118
Note: Ground wire and mounting hardware not shown.
2.6 Step 6—Check Indicators
After powering on, wait 2 minutes and check the indicators on the unit.
If the indicators are not as shown, refer to the BelAir20EO and AP 511x Series
Technical Description,1/1550-LZA 101 803.
2.7 Step 7—Configure Unit
In most cases, the unit configures itself automatically after powering on. To
configure the unit manually through its local web interface or Command Line
Interface (CLI), refer to the Access Point User Guide,1/1553-LZA 101 806.
14
1/006 92-LZA 101 803 Uen D | 2013-12-13

BelAir20EO and AP 511x Series Quick Install Guide
© Ericsson AB 2013. All rights reserved. No part of this
document may be reproduced in any form without the written
permission of the copyright owner.
The contents of this document are subject to revision without
notice due to continued progress in methodology, design and
manufacturing. Ericsson shall have no liability for any error or
damage of any kind resulting from the use of this document.
1/006 92-LZA 101 803 Uen D

BelAir20EO and AP 511x Series Conformity
and Regulatory Statements
STATEMENT OF COMPLIANCE
1/174 02-LZA 101 803 Uen C
Copyright
© Ericsson AB 2013. All rights reserved. No part of this document may be
reproduced in any form without the written permission of the copyright owner.
Disclaimer
The contents of this document are subject to revision without notice due to
continued progress in methodology, design and manufacturing. Ericsson shall
have no liability for any error or damage of any kind resulting from the use
of this document.
Trademark List
Wi-Fi®Wi-Fi®is a registered trademark of the Wi-Fi Alliance.
Wi-Fi Certified Logo
The Wi-Fi CERTIFIED logo is a registered trademark
of the Wi-Fi Alliance.
Ericsson Ericsson is the trademark or registered trademark of
Telefonaktiebolaget LM Ericsson. All other product or
service names mentioned in this manual are trademarks
of their respective companies.
1/174 02-LZA 101 803 Uen C | 2013-12-13

Contents
Contents
1 About this Document 1
1.1 Scope 1
1.2 Target Group 1
1.3 Comments About the Documentation 1
2 Regulatory Information and Disclaimers 2
3 Manufacturer’s US Federal Communication
Commission Conformity Statement 3
3.1 FCC Interference Statement 3
4 Manufacturer’s Industry Canada Conformity Statement 5
5 Manufacturer’s European Community Conformity
Statement 9
6 Declaration of Conformity for RF Exposure 12
7 Product Disposal 13
7.1 Mise au rebut du produit 13
7.2 Produktentsorgung 13
7.3 Verwijdering van het product 13
7.4 Tuotteen hävittäminen 14
7.5 Smaltimento del prodotto 14
7.6 Produktbortskaffelse 14
7.7 Eliminação do produto 14
7.8 Eliminación del producto 14
1/174 02-LZA 101 803 Uen C | 2013-12-13

BelAir20EO and AP 511x Series Conformity and Regulatory Statements
1/174 02-LZA 101 803 Uen C | 2013-12-13

About this Document
1 About this Document
This section describes the scope and target groups for this document.
1.1 Scope
This document provides the regulatory information, disclaimers, and compliance
statements for the product.
1.2 Target Group
The information in this document is intended for all personnel who want to
learn more about the product.
1.3 Comments About the Documentation
Ericsson encourages you to provide feedback, comments or suggestions so
that we can improve the documentation to better meet your needs. With your
comments provide the following:
• Document title
• Document number and revision
• Page number or section number
Please send your comments to your local Ericsson Support.
1
1/174 02-LZA 101 803 Uen C | 2013-12-13

BelAir20EO and AP 511x Series Conformity and Regulatory Statements
2 Regulatory Information and Disclaimers
Installation and use of this device must be in strict accordance with the
instructions included in the user documentation provided with the product.
Any changes or modifications to this product not expressly approved by the
party responsible for compliance could void the user’s authority to operate
this equipment.
The manufacturer is not responsible for any interference to radio or television
equipment caused by unauthorized modification of this device, or attachment
of any antennas or equipment other than those specified by the manufacturer.
The manufacturer or its authorized resellers or distributors will assume no
liability for any damage arising from failure to comply with these guidelines, or
failure to comply with local, regional or national safety, electrical or building
codes, or government regulations.
This product is manufactured in China with originating and non-originating
product.
Ce produit est fabriqué en Chine avec des matières originaires et non
originaires du produit.
21/174 02-LZA 101 803 Uen C | 2013-12-13

Manufacturer’s US Federal Communication Commission Conformity Statement
3 Manufacturer’s US Federal Communication
Commission Conformity Statement
This device complies with Part 15 of the FCC Rules.
Operation is subject to the following two conditions (1) this device may not
cause harmful interference, and (2) this device must accept any interference
received, including interference that may cause undesired operation.
3.1 FCC Interference Statement
This equipment has been tested and found to comply with the limits for a
Class B digital device, pursuant to Part 15 of the FCC Rules. These limits
are designed to provide reasonable protection against harmful interference
in a residential installation. This equipment generates, uses and can radiate
radio frequency energy and, if not installed and used in accordance with
the instructions, may cause harmful interference to radio communications.
However, there is no guarantee that interference will not occur in a particular
installation. If this equipment does cause harmful interference to radio or
television reception, which can be determined by turning the equipment off and
on, the user is encouraged to try to correct the interference by one or more of
the following measures:
• Reorient or relocate the receiving antenna.
• Increase the separation between the equipment and receiver.
• Connect the equipment into an outlet on a circuit different from that to which
the receiver is connected.
• Consult the dealer or an experienced radio/TV technician for assistance.
FCC Caution: Any changes or modifications not expressly approved by the
party responsible for compliance could void the user's authority to operate
this equipment.
This device complies with Part 15 of the FCC Rules. Operation is subject to the
following two conditions: (1) This device may not cause harmful interference,
and (2) this device must accept any interference received, including interference
that may cause undesired operation.
IMPORTANT NOTE:
FCC Radiation Exposure Statement:
3
1/174 02-LZA 101 803 Uen C | 2013-12-13

BelAir20EO and AP 511x Series Conformity and Regulatory Statements
This device complies with FCC RF radiation exposure limits for an uncontrolled
environment. This equipment should be installed and operated with a minimum
distance of 12 inches (30 cm) between the radiator and your body.
This transmitter must not be colocated or operating in conjunction with any
other antenna or transmitter.
Note: The country code selection is for non-US model only and is not
available to all US models. Per FCC regulation, all Wi-Fi®products
marketed in US must be fixed to US operation channels only.
41/174 02-LZA 101 803 Uen C | 2013-12-13

Manufacturer’s Industry Canada Conformity Statement
4 Manufacturer’s Industry Canada Conformity
Statement
This device complies with RSS-210 of the Industry Canada Rules. Operation
is subject to the following two conditions: (1) This device may not cause
harmful interference, and (2) this device must accept any interference received,
including interference that may cause undesired operation.
IMPORTANT NOTE:
Radiation Exposure Statement:
This equipment complies with IC radiation exposure limits set forth for an
uncontrolled environment. This equipment should be installed and operated
with minimum distance 30 cm between the radiator and a human body.
Caution:
This device has been designed to operate with an antenna having a maximum
gain of 12 dB. Antennas having a higher gain is strictly prohibited per
regulations of Industry Canada. The required antenna impedance is 50 ohms.
Table 1 BelAir20EO and AP 511x series Antennas
Type Gain Brand Manufacturer
Internal omnidire
ctional antenna 4.4 dBi Ericsson Ericsson
Internal omnidire
ctional antenna 6.7 dBi Ericsson Ericsson
Internal direction
al antenna 8 dBi Ericsson Ericsson
Internal direction
al antenna 11.5 dBi Ericsson Ericsson
Internal direction
al antenna 12 dBi Ericsson Ericsson
External direction
al antenna 8 dBi Ericsson Ericsson
External direction
al antenna 11.5 dBi Ericsson Ericsson
Under Industry Canada regulations, this radio transmitter may only operate
using an antenna of a type and maximum (or lesser) gain approved for the
transmitter by Industry Canada. To reduce potential radio interference to other
users, the antenna type and its gain should be so chosen that the equivalent
5
1/174 02-LZA 101 803 Uen C | 2013-12-13

BelAir20EO and AP 511x Series Conformity and Regulatory Statements
isotropically radiated power (e.i.r.p.) is not more than that necessary for
successful communication.
This radio transmitter has been approved by Industry Canada to operate
with the antenna types listed above with the maximum permissible gain and
required antenna impedance for each antenna type indicated. Antenna types
not included in this list, having a gain greater than the maximum gain indicated
for that type, are strictly prohibited for use with this device.
Professional installation instruction
Please be advised that due to the unique function supplied by this product, the
device is intended for use with our software and licensed third-party only. The
product will be distributed through controlled distribution channel and installed
by trained professional and will not be sold directly to the general public through
retail store.
1 Installation personnel: This product is designed for specific application
and needs to be installed by a qualified personal who has RF and related
rule knowledge. The general user shall not attempt to install or change
the setting.
2 Installation location: The product shall be installed at a location where
the radiating antenna can be kept 30 cm from nearby person in normal
operation condition to meet regulatory RF exposure requirement.
3 External antenna: Use only the antennas which have been approved by the
applicant. The non-approved antenna(s) may produce unwanted spurious
or excessive RF transmitting power which may lead to the violation of
FCC/IC limit and is prohibited.
4 Installation procedure: Refer to the BelAir20EO and AP 511x Series Quick
Install Guide,1/006 92-LZA 101 803 for details.
5 Warning: Please carefully select the installation location and make sure
that the final output power does not exceed the limit set force in relevant
rules. The violation of the rule could lead to serious federal penalty.
Ce dispositif est conforme à la norme CNR-210 d'Industrie Canada applicable
aux appareils radio exempts de licence. Son fonctionnement est sujet aux
deux conditions suivantes: (1) le dispositif ne doit pas produire de brouillage
préjudiciable, et (2) ce dispositif doit accepter tout brouillage reçu, y compris un
brouillage susceptible de provoquer un fonctionnement indésirable.
NOTE IMPORTANTE:
Déclaration d'exposition aux radiations:
Cet équipement est conforme aux limites d'exposition aux rayonnements
IC établies pour un environnement non contrôlé. Cet équipement doit être
installé et utilisé avec un minimum de 30 cm de distance entre la source de
rayonnement et d’un corps humain.
61/174 02-LZA 101 803 Uen C | 2013-12-13

Manufacturer’s Industry Canada Conformity Statement
Avertissement:
Ce dispositif a été conçu pour fonctionner avec une antenne ayant un gain
maximal de 12 dB. Une antenne à gain plus élevé est strictement interdite
par les règlements d'Industrie Canada. L'impédance d'antenne requise est
de 50 ohms.
Table 2 Antennes pour BelAir20EO and AP 511x series
Type Gain Marque Fabricant
Antenne omnidire
ctionnelle interne 4.4 dBi Ericsson Ericsson
Internal omni
directionnelle
antenna
6.7 dBi Ericsson Ericsson
Antenne
directionnelle
interne
8 dBi Ericsson Ericsson
Antenne
directionnelle
interne
11.5 dBi Ericsson Ericsson
Antenne
directionnelle
interne
12 dBi Ericsson Ericsson
Antenne
directionnelle
externe
8 dBi Ericsson Ericsson
Antenne
directionnelle
externe
11.5 dBi Ericsson Ericsson
Conformément à la réglementation d'Industrie Canada, le présent émetteur
radio peut fonctionner avec une antenne d'un type et d'un gain maximal (ou
inférieur) approuvé pour l'émetteur par Industrie Canada. Dans le but de réduire
les risques de brouillage radio-électrique à l'intention des autres utilisateurs, il
faut choisir le type d'antenne et son gain de sorte que la puissance isotrope
rayonnée équivalente (p.i.r.e.) ne dépasse pas l'intensité nécessaire à
l'établissement d'une communication satisfaisante.
Le présent émetteur radio a été approuvé par Industrie Canada pour
fonctionner avec les types d'antenne énumérés ci-dessus et ayant un gain
admissible maximal et l'impédance requise pour chaque type d'antenne. Les
types d'antenne non inclus dans cette liste, ou dont le gain est supérieur au
gain maximal indiqué, sont strictement interdits pour l'exploitation de l'émetteur.
Instructions d'installation professionnelle
7
1/174 02-LZA 101 803 Uen C | 2013-12-13

BelAir20EO and AP 511x Series Conformity and Regulatory Statements
Veuillez noter que l'appareil étant dédié à une fonction unique, il doit être utilisé
avec notre logiciel. Ce produit sera proposé par un réseau de distribution
controlé et installé par des professionnels; il ne sera pas proposé au grand
public par le réseau de la grande distribution.
1 Installation: Ce produit est destiné à un usage spécifique et doit être installé
par un personnel qualifié maitrisant les radiofréquences et les règles s'y
rapportant. L'installation et les réglages ne doivent pas être modifiés par
l'utilisateur final.
2 Emplacement d'installation: En usage normal, afin de respecter les
exigences réglementaires concernant l'exposition aux radiofréquences, ce
produit doit être installé de façon à respecter une distance de 30 cm entre
l'antenne émettrice et les personnes.
3 Antenne externe: Utiliser uniquement les antennes approuvées par le
fabricant. L'utilisation d'autres antennes peut conduire à un niveau de
rayonnement essentiel ou non essentiel dépassant les niveaux limites
définis par FCC/IC, ce qui est interdit.
4 Procédure d'installation: Consulter le manuel d’installation rapide.
5 Avertissement: Choisir avec soin le lieu d'installation et s'assurer que la
puissance de sortie ne dépasse pas les limites en vigueur. La violation de
cette règle peut conduire à de sérieuses pénalités fédérales.
81/174 02-LZA 101 803 Uen C | 2013-12-13

Manufacturer’s European Community Conformity Statement
5 Manufacturer’s European Community
Conformity Statement
Table 3 European Community Conformity Statement
Language Statement
English This equipment is in compliance with the essential
requirements and other relevant provisions of Directive
1999/5/EC.
Deutsch Dieses Gerät entspricht den grundlegenden Anforderungen
und den weiteren entsprecheneden Vorgaben der Richtlinie
1999/5/EU.
Dansk Dette udstyr er i overensstemmelse med de væsentlige krav
og andre relevante bestemmelser i Directiv 1999/5/EF.
Español Este equipo cumple con los requisitos esenciales asi como
con otras disposiciones de la Directiva 1999/5/EC.
Français Cet appareil est conforme aux exigences essentielles et aux
autres dispositions pertinentes de la Directive 1999/5/EC.
Íslenska Þessi búnaður samrýmist lögboðnum kröfum og öðrum
ákvæðum tilskipunar 1999/5/ESB.
Italiano Questo apparato conforme ai requisiti essenziali ed agli altri
principi sanciti dalla Direttiva 1999/5/EC.
Nederlands Deze apparatuur voldoet aan de belangrijkste eisen en
andere voorzieningen van richtlijn 1999/5/EC.
Norsk Dette utstyret er i samsvar med de grunnleggende krav og
andre relevante bestemmelser i EU-directiv 1999/5/EC.
Português Este equipamento satisfaz os requisitos essenciais e outras
provisões da Directiva 1999/5/EC.
Suomalainen Tämä laite täyttää direktiivin 1999/5/EY oleelliset vaatimukset
ja on siinä asetettujen muidenkin ehtojen mukainen.
Svenska Denna utrustning är i överensstämmelse med de väsentliga
kraven och andra relevanta bestämmelser i Direktiv
1999/5/EC.
The Declaration of Conformity related to this product can be found by contacting
Ericsson.
The BelAir20EO and AP 511x series AP complies with the following EU Radio
standards:
9
1/174 02-LZA 101 803 Uen C | 2013-12-13

BelAir20EO and AP 511x Series Conformity and Regulatory Statements
•EN 300 328 V1.4.1 (2003-04) and EN300 328-2 V1.2.1 (2001-12)
Electromagnetic compatibility and Radio spectrum Matters (ERM);
Wideband Transmission systems; Data transmission equipment operating
in the 2,4 GHz ISM band and using spread spectrum modulation
techniques; Harmonized EN covering essential requirements under article
3.2 of the R&TTE Directive.
•EN 300 440-2 V1.1.1 (2001-09) Electromagnetic compatibility and Radio
spectrum Matters (ERM); Short range devices; Radio equipment to be used
in the 1 GHz to 40 GHz frequency range; Part 2: Harmonized EN under
article 3.2 of the R&TTE Directive.
•EN 300 440-2 V1.1.2 (2004-07) Electromagnetic Compatibility and Radio
spectrum Matters (ERM); Short range devices; Radio equipment to be used
in the 1GHz to 40 GHz frequency range; Part 2: Harmonized EN under
article 3.2 of the R&TTE Directive.
•EN 301 893 V1.4.1 (2007-07) Broadband Radio Access Networks (BRAN);
5 GHz high performance RLAN; Harmonized EN covering essential
requirements of article 3.2 of the R&TTE Directive
•EN 300 328 V1.6.1 (2004-11) Electromagnetic compatibility and Radio
spectrum Matters (ERM); Wideband Transmission systems; Data
transmission equipment operating in the 2,4 GHz ISM band and using
spread spectrum modulation techniques; Harmonized EN covering
essential requirements under article 3.2 of the R&TTE Directive.
•UK Interface Requirement 2005 UK Radio Interface Requirement for
Wideband Transmission Systems operating in the 2.4 GHz ISM Band and
Using Wide Band Modulation Techniques (November 2006).
•UK Interface Requirement 2006 Wireless Access Systems (WAS) including
RLANs operating in the 5150-5725 MHz band (Version 3.0) 98/34/EC
Notification number: 2006/421/UK Published 14 November 2006
•UK Interface Requirement 2007 Fixed Broadband Services operating in
the 5725 -5850 MHz band (Version 3.0) 98/34/EC Notification Number:
2006/422/UK Published 30 May 2007
The BelAir20EO and AP 511x series AP complies with the following EU EMC
standards:
•EN 301 489-17 V1.2.1 (2002-08) ElectroMagnetic Compatibility and Radio
Spectrum Matters (ERM); ElectroMagnetic Compatibility (EMC) Standard
for Radio Equipment and Services; Part 17: Specific Conditions for 2.4
GHz Wideband Transmission Systems and 5 GHz High Performance
RLAN Equipment
The BelAir20EO and AP 511x series AP complies with the following EU Safety
standards:
•EN 60825-2:2000 – Safety of Optical Fibre Communication Systems
10 1/174 02-LZA 101 803 Uen C | 2013-12-13

Manufacturer’s European Community Conformity Statement
•EN 60950:2000 – Safety of Information Technology Equipment
•IEC 60950:2005 Second Edition and/or EN 60950-1:2006
The following CE mark is affixed to the BelAir20EO and AP 511x series AP:
Note: This equipment is intended to be used in all EU and EFTA countries.
Outdoor use may be restricted to certain frequencies and/or may
require a license for operation – for example in France the frequencies
2454-2483.5 MHz are restricted to 10 mW effective isotropic radiated
power (EIRP) in outdoor environments, so channels 8-13 require
reduced power. For more details, contact Ericsson.
11
1/174 02-LZA 101 803 Uen C | 2013-12-13

BelAir20EO and AP 511x Series Conformity and Regulatory Statements
6 Declaration of Conformity for RF Exposure
This Wireless LAN radio device has been evaluated under FCC Bulletin OET
65C, Health Canada Safety Code 6 and EN 62311:2008, and found to be
compliant to the requirements set forth in CFR 47 Sections 2.1091, 2.1093, and
15.247 (b) (4) addressing RF exposure from radio frequency devices. This
Wireless LAN radio device also conforms to EU Health and Safety Directive
2004/40/EC as per EN 50385.
This device complies with FCC RF radiation exposure limits for an uncontrolled
environment. The radiated output power of this Wireless LAN device is below
the FCC radio frequency exposure limits. However, this device should still
be installed and used in such a manner that the potential for human contact
during normal operation is minimized.
Warning!
In order to comply with RF exposure limits established in the ANSI C95.1
standard, this equipment should be installed and operated at a minimum
distance of 12 inches (30 cm) between the radiator and a human body.
This transmitter must not be colocated or operating in conjunction with any
other antenna or transmitter.
The availability of some specific channels and/or operational frequency bands
are country dependent and are firmware programmed at the factory to match
the intended destination. The firmware setting is not accessible by the end user.
12 1/174 02-LZA 101 803 Uen C | 2013-12-13

Product Disposal
7 Product Disposal
Ericsson adheres to directive 2002/96/EC of the European Parliament and
the council of 27 January 2003 on Waste Electrical and Electronic Equipment
(WEEE).
To dispose of equipment, including batteries, contact Ericsson customer service
to get a Return Material Authorization (RMA) number and shipping instructions.
7.1 Mise au rebut du produit
Ericsson se conforme à la directive 2002/96/EC du Parlement européen et du
Conseil de l’Europe du 27 janvier 2003 relative à la destruction des déchets
d’équipements électriques et électroniques (DEEE).
Si vous souhaitez vous débarrasser de l’équipement, y compris des piles,
veuillez communiquer avec le service à la clientèle de Ericsson, afin d’obtenir
un numéro d’autorisation de retour du matériel et des instructions sur les
modalités d’expédition.
7.2 Produktentsorgung
Ericsson erfüllt die Anforderungen der Richtlinie 2002/96/EG des
Europäischen Parlaments und des Rates vom 27. Januar über Elektro- und
Elektronik-Altgeräte (Waste Electrical and Electronic Equipment = WEEE).
Für die Entsorgung von Geräten, einschließlich Batterien, wenden Sie
sich bitte an den Kundendienst von Ericsson, um eine RMA-Nummer
(Rücksendenummer) und die Versandanweisungen zu erhalten.
7.3 Verwijdering van het product
Ericsson volgt Richtlijn 2002/96/EG van het Europese Parlement en de Raad
van 27 januari 2003 betreffende afgedankte elektrische en elektronische
apparatuur (AEEA).
Voor het verwijderen van apparatuur, met inbegrip van batterijen, neemt u
contact op met Ericsson klantenservice voor een retournummer (RMA) en
verzendinstructies.
13
1/174 02-LZA 101 803 Uen C | 2013-12-13

BelAir20EO and AP 511x Series Conformity and Regulatory Statements
7.4 Tuotteen hävittäminen
Ericsson noudattaa sähkö- ja elektroniikkalaiteromusta 27 päivänä tammikuuta
2003 annettua Euroopan parlamentin ja neuvoston direktiiviä 2002/96/EY.
Palauttaaksesi välineet, mukaan luettuina akut, ota yhteys Ericsson
–asiakaspalveluun, niin saat RMA (Return Material Authorization) –numeron
ja lähetysohjeet.
7.5 Smaltimento del prodotto
Ericsson aderisce alla direttiva 2002/96/CE del parlamento Europeo e del
Consiglio d’Europa del 27 gennaio 2003, sullo smaltimento degli apparecchi
elettrici ed elettronici (WEEE).
Per lo smaltimento di tali apparecchi, comprese le batterie, contattare
l’assistenza clienti di Ericsson per ottenere un numero di autorizzazione alla
restituzione del materiale da smaltire (Return Material Authorization - RMA) e le
istruzioni per la spedizione.
7.6 Produktbortskaffelse
Ericsson overholder direktivet 2002/96/EC fra Europa-Parlamentet og -Rådet
dateret den 27. januar 2003 om Waste Electrical and Electronic Equipment
(WEEE) (Affald af elektrisk og elektronisk udstyr).
For at bortskaffe udstyr, samt batterier, kontakt kundeservicen hos
Ericsson for at få et Return Material Authorization (RMA)-nummer
(returneringstilladelsesnummer) og forsendelsesinstruktioner.
7.7 Eliminação do produto
A Ericsson cumpre a Directiva 2002/96/CE do Parlamento Europeu e do
Conselho, de 27 de Janeiro de 2003, relativa aos Resíduos de Equipamentos
Eléctricos e Electrónicos (REEE).
Para proceder à eliminação do equipamento, incluindo as baterias, é favor
contactar a assistência ao cliente da Ericsson para obter um número de
Autorização de Devolução do Material (RMA – Return Material Authorization) e
as instruções relativas ao envio.
7.8 Eliminación del producto
Ericsson cumple con la directiva 2002/96/EC del Parlamento Europeo y del
Consejo de 27 de enero de 2003 sobre los residuos de aparatos eléctricos y
electrónicos (RAEE).
14 1/174 02-LZA 101 803 Uen C | 2013-12-13

Product Disposal
Para la eliminación de equipo, incluyendo las pilas, contacte con el servicio de
atención al cliente de Ericsson y obtenga el número de una Autorización de
Devolución de Material (RMA) y las instrucciones para la expedición.
15
1/174 02-LZA 101 803 Uen C | 2013-12-13