Eton E1 E1_manual_feb1.qrk To The Manual F54eeba4 C1e2 429c Ac70 22cb88332f84
User Manual: Eton E1 to the manual
Open the PDF directly: View PDF
.
Page Count: 35

E1
MANUAL
www.etoncorp.com
AM/FM/SHORTWAVE RADIO
E1_manual_eng_APR06.qrk 5/5/06 10:22 AM Page 1

1
E1 AM/FM/Shortwave Radio
E1MANUAL
FRONT PANEL DESCRIPTION (See page 12)
1
2
3
4
5
6
7
8
20
19
18
17
16
15
14
13
12
11
10
9
2
3
TOP PANEL DESCRIPTION (See page 16)
1
DECLARATION OF CONFORMITY
RESPONSIBLE PARTY : etón Corporation
1015 Corporation Way
Palo Alto, CA 94303 USA
TEL: (650) 903-3866
TRADE NAME: etón Corporation
MODEL NUMBER: E1
This device complies with Part 15 of the FCC Rules.
Operation is subject to the following two conditions:
1. This device may not cause harmful interference, and
2. This device must accept any interference received,
including interference that may cause undesired operation.
SIDE PANEL
DESCRIPTION
(See page 19)
2
3
4
5
6
7
8
9
1
E1_manual_eng_APR06.qrk 5/5/06 10:22 AM Page 2

2 3
1. Read Instructions - All the safety and operating instructions
should be read before the appliance is operated.
2. Retain Instructions - The safety and operating instructions
should be retained for future reference.
3. Heed Warnings - All warnings on the appliance should be
adhered to.
4. Follow Instructions - All operating and use instructions
should be followed.
5. Cleaning - Unplug this appliance from the wall outlet before
cleaning. Do not use liquid cleaners or aerosol cleansers.
Use a dam p cloth for cleaning.
6. Attachments - Do not use attachments that are not recom-
mended by the manufacturer or they may cause hazards.
7. Water and Moisture - Do not use this product near water-for
example, near a bathtub, wash bowl, kitchen sink, laundry
tub; in a wet basement; or near a swimming pool-and the
like.
8. Accessories - Do not place this product on an unstable cart,
stand, tripod, bracket, or table. The product may fall, causing
serious injury to a child or adult, and serious damage to the
product. Any mounting of the product should follow the
manufacturer’s instructions, and should use a mounting
accessory recommended by the manufacturer.
9. A product and cart combination should be moved with care.
Quick stops, excessive force, and uneven surfaces may cause
the product and cart combination to overturn.
10. Ventilation - S lots and openings in the cabinet are provided
for ventilation and to ensure reliable operation of the prod-
uct and to protect it from overheating, and these openings
must not be blocked or covered. The openings should never
IMPORTANT SAFEGUARDS
E1MANUAL
be blocked or by placing the product on a bed, sofa, rug, or
similar surface.This product should not be placed in a built-
in installation such as a bookcase or rack unless proper ven-
tilation is provided or the manufacturer’s instructions have
been adhered to. KEEP CURTAINS AND OTHER FLAMMABLE
MATERIALS OUT OF DIRECT CONTACT WITH THE AC
ADAPTER.
11. Power Sources - This product should be operated only from
the type of power source indicated on the marking label of
the supplied AC Adapter. If you are not sure of the type of
power supplied to your home, consult your appliance dealer
or local power company. For products intended to operate
from battery power, or other sources, refer to the operating
instructions.
12. Grounding or Polarization - This product may be equipped
with a polarized alternating-current line plug (a plug hav ing
one blade wider than the other). This plug will fit into the
power outlet only one way. This is a safety feature. If you are
unable to insert the plug fully into the outlet, try reversing
the plug. If the plug should still fail to fit, contact your elec-
trician to replace your obsolete outlet. Do not defeat the
safety purpose of the polarized plug. Alternate W arnings- If
this product is equipped with a three-wire grounding-type
plug, a plug having a third (grounding) pin, the plug will
only fit into a grounding-type power outlet. This is a safety
feature.If you are unable to insert the plug into the outlet,
contact your electrician to replace your obsolete outlet. Do
not defeat the safety purpose of the grounding-type plug.
13. Power-Cord Protection - Power supply cords should be rout-
ed so that they are not likely to be walked on or pinched by
An appliance and cart combination should be moved
with care. Quick stops, excessive force and uneven sur-
faces m ay cause the appliance and cart combination
to overturn.
The lightning flash with arrow head symbol, within an
equilateral triangle, is intended to alert the user to the
presence of uninsulated “dangerous voltage” within
the product’s enclosure that may be of sufficient mag-
nitude to constitute a risk of electric shock to persons.
An exclamation point within an equilateral triangle is
intended to alert the user to the presence of important
operating and maintenance (servicing) instructions in
the literature accompanying the appliance.
WARNING
WARNING: TO REDUCE THE RISK OF FIRE OR ELECTRIC SHOCK, DO NOT EXPOSE THE APPLIANCE TO RAIN OR MOISTURE. DO NOT OPEN
THE CABINET, REFER SERVICING TO QUALIFIED PERSONNEL ONLY.
CAUTION
TO PREVENT ELECTRIC SHOCK, DO NOT USE THE THREE WIRE CORD W ITH AN EXTENSION CORD RECEPTACLE OR OTHER OUTLET
UNLESS THE BLADES CAN BE FULLY INSERTED TO PREVENT BLADE EXPOSURE.
ATTENTION
POUR PREVENIR LES CHOCS ELECTRIQUES, NE PAS UTILISER CETTE FICHE POLARISEE AVEC UN PROLONGATEUR, UNE PRISE DE
COURANT OU UNE AUTRE SORTIE DE COURANT, SAUF S I LES LAMES PEUVENT ETRE INSEREES A FOND SANS EN LAISSER AUCUNE PAR-
TIE A DECOUVERT.
E1 DISPLAY DESCRIPTION (See page 17)
E1 AM/FM/Shortwave Radio
E1_manual_eng_APR06.qrk 5/5/06 10:22 AM Page 4

4 5
2TABLE OF CONTENTS
E1MANUAL
THANK YOU FOR PURCHASING THE etón E1 RECEIVER. THIS RECEIVER HAS BEEN DESIGNED AND MANUFACTURED TO HIGH QUAL-
ITY STANDARDS, AND WILL PROVIDE RELIABLE OPERATION FOR MANY YEARS. PLEASE CAREFULLY READ THE OWNER’S MANUAL IN
ORDER TO TAKE ADVANTAGE OF THE MANY INTERESTING FEATURES THAT WILL PROVIDE ENJOYABLE LISTENING TO RADIO BROAD-
CASTS AROUND THE WORLD.
IMPORTANT SAFEGUARDS continued
items placed upon or against them, paying particular atten-
tion to cords at plugs, convenience receptacles, and the
point where they exit from the product.
14. Outdoor Antenna Grounding - If an outside antenna or
cable system is connected to the product, be sure the anten-
na or cable system is grounded so as to provide some pro-
tection against voltage surges and built-up static charges.
Article 810 of the National Electrical Code,ANSI/NFPA 70,
provides information with regard to proper grounding of the
m ast and supporting structure, grounding of the leadin wire
to an antenna discharge unit, size of grounding conductors,
location of antenna-discharge unit, connection to grounding
electrodes, and requirements for the grounding electrode.
See figure A .
15. Lightning - For added protection for this product during a
lightning storm, or when it is left unattended and unused for
long periods of time, unplug the AC adapter from the wall
outlet and disconnect the antenna or cable system. This will
prevent damage to the product due to lightning and power-
line surges.
16. Power Lines - An outside antenna system should not be
located in the vicinity of overhead power lines, other electric
light or power circuits, where it can fall into such power
lines or circuits.W hen installing an outside antenna system,
extreme care should be taken to keep from touching such
power lines or circuits as contact with them m ay be fatal.
17. Overloading - Do not overload wall outlets and extension
cords or integral convenience receptacles as this can result
in a risk of fire or electric shock.
18. Object and Liquid Entry - Never push objects of any kind
into this product through openings as they may touch dan-
gerous voltage points or short-out parts that could result in
fire or electric shock. Never spill liquid of any kind on the
product.
19. Servicing - Do not attempt to service this product yourself as
opening or removing covers may expose you to dangerous
voltage or other hazards. Refer all servicing to qualified ser-
vice personnel.
20. Damage Requiring Service - Unplug this product from the
wall outlet and refer servicing to qualified service personnel
under the following conditions:
a. When the AC adapter cord or plug is damaged.
b. If liquid has been spilled, or objects have fallen into the
product.
c. If the AC adapter has been exposed to rain or water.
d. It the product does not operate normally by following the
operating instructions. Adjust only those controls that are
covered by the operating instructions. An improper adjust-
ment may result in damage and will often require extensive
work by a qualified technician to res tore the product to its
normal operation.
e. If the product has been dropped or the cabinet has been
damaged in any way and
f. When the product exhibits a distinct change in perfor-
mance- this indicates a need for service.
21. Replacement Parts - W hen replacement parts are required,
be sure the service technician has used replacement parts
specified by the manufacturer or have the same characteris-
tics as the original parts. Unauthorized substitutes may
result in fire, electric shock or other hazards.
22. Safety Check - Upon completion of any service or repairs to
this product, ask the service technician to perform safety
checks to determine that the product is in proper operating
condition.
23. Wall or Ceiling Mounting - The product should be mounted
to a wall or ceiling only as recommended by the manufac-
turer.
24. Heat - The product should be situated away from heat
sources such as radiators, heat registers, stoves, or other
products (including amplifiers) that product heat.
ENVIRONMENT
Disposal
According to the European Directive 2002/96/EC all electrical and
electronic products must be collected separately by a local collection
system. Please act according to your local rules and do not dispose
of your old products with your normal household waste.
IMPORTANT SAFEGUARDS p.3
TABLE OF CONTENTS p.5
GENERAL DESCRIPTION p.7
POWER SUPPLY p.7
• AC ADAPTER and EXTERNAL DC POWERING
• BATTERY INSTALLATION
• BATTERY OPERATION
• BATTERY CONDITION
INSTALLATION p.9
• UNPACKING
• LOCATION
• FIXED INSTALLATION
• PORTABLE OPERATION
• ANTENNA REQUIREMENTS
• VIEWING ANGLE
• INSTALLATION DIAGRAM
E1 FRONT PANEL DESCRIPTION p.12
TOP PANEL DESCRIPTION p.16
E1 DISPLAY DESCRIPTION p.17
SIDE PANEL DESCRIPTION p.19
GETTING STARTED p.20
• GENERAL OPERATING INFORMATION
• FIRST STEPS
• DIRECT FREQUENCY ENTRY
• SHORTWAVE ‘METER' BAND DESIGNATOR ENTRY
• FREQUENCY RESOLUTION
• FRONT PANEL LOCK (UNLOCK)
• AM SYNCHRONOUS OPERATION
• SSB OPERATION
• PASSBAND TUNING
• FM OPERATION
• AGC OPERATION
• BEEP TONES
MEMORY FUNCTIONS p.25
• MEMORY DESCRIPTION
• THE MEMORY DISPLAY
• STORING A MEMORY CHANNEL
• RECALLING A MEMORY CHANNEL
• DELETING A MEMORY CHANNEL
COUNTRY FUNCTIONS p.27
• COUNTRY DESCRIPTION
• THE COUNTRY DISPLAY
• STORING A COUNTRY CHANNEL
• RECALLING A COUNTRY CHANNEL
• DELETING A COUNTRY CHANNEL
• CHANGING OR ADDING COUNTRY NAMES
E1 MENUS p.30
• MAIN MENU
• RADIO SETTINGS
• AUDIO SETTINGS
• SET CLOCKS
• CLOCK MODES
• TIMERS
• TIMER 1 ENABLE / DISABLE
• TIMER 2 ENABLE / DISABLE
• LOCAL / GMT TIME SELECT
SEEK FUNCTION p.39
• DESCRIPTION
• VFO MODE
• MEMORY & COUNTRY MODE
T.SCAN FUNCTION p.40
• DESCRIPTION
• MARKING CHANNELS FOR T.SCAN
• UNMARKING T.SCAN CHANNELS
• SELECTING THE SCAN STOP METHOD
• INITIATING AND STOPPING THE T.SCAN
CLOCK AND TIMER FUNCTIONS p.41
• TIME DISPLAY
• SETTING 24 HOUR CLOCKS AUTOMATICALLY
• SETTING THE 24 HOUR CLOCKS MANUALLY
• TIMER OPERATION
• SETTING TIMER ON/OFF TIMES
• SETTING A W AKE OR SLEEP TIMER
• SETTING TIMER MEMORY CHANNELS
• ENABLING/DISABLING TIMER OPERATION
SPECIAL USE FEATURES AND FUNCTIONS p.45
• LOCK ALL ENTRY TO KEYPAD
• BROADCAST BAND TUNING STEP SIZE
• DELETE ALL MEMORY OR COUNTRY CHANNELS
• DELETE ALL MEMORY AND COUNTRY CHANNELS
• DISPLAY LIGHTING
E1_manual_eng_APR06.qrk 5/5/06 10:22 AM Page 6

67
The etón E1 is a microprocessor controlled, synthesized,
world band receiver with continuous coverage capability
from 100 kHz through 30 MHz and from 76 MHz
through 108 MHz which includes the AM broadcast and
shortwave bands as well as the FM broadcast band.
The receiver offers excellent sensitivity, selectivity,
dynamic range, and features that permit easy tuning of
desired stations. Conveniently located front panel con-
trols allow for rapid operator programming and ease of
use. The units can be operated from either the supplied
AC ADAPTER, an external 7 to 14 VDC source, or from
four "D" cell batteries (not supplied) for portable opera-
tion. A low battery voltage indication is displayed when
that condition exists.
Three electronically switched IF filters are provided to
provide optimum interference rejection for each mode.
The front panel dot matrix liquid crystal display provides
feedback of the current status of the receiver. The seven
digit frequency display provides resolution to 10 Hz in
the AM broadcast and Shortwave bands. Resolution to
20 kHz is displayed in the FM broadcast band.
Backlighting of the display is selectable by a “LIGHT”
key on top of the cabinet. To prolong battery life with
internal battery operation, the backlighting automatically
turns off after a short delay following a function change
or retuning of the receiver unless it is specifically locked
in the ON mode.
When the receiver is turned off, the display provides
either the Local time or Greenwich Mean time (GMT),
selectable in either the off or on state by the user.
Reception modes include Single Sideband (LSB & USB)
and AM in the Shortwave, MW (AM broadcast) and LW
bands. For the LW, Shortwave and MW bands, a selec-
table sideband synchronous detector (SYNC) allows for
enhanced AM reception by eliminating or reducing dis-
tortion due to fading signals or a strong adjacent signal.
During FM broadcast use, stereo reception is available
GENERAL DESCRIPTION
E1MANUAL
through the use of headphones, or by connecting the
line out jack to an external stereo system.
Other built-in reception aids include selectable slow,
fast, or automatic AGC time constant, scanning of mem-
ory channels, either by time or by carrier presence, pass-
band tuning and squelch as well as treble and bass con-
trols. Two independent, real time clocks provide Local or
GMT time selection. Also provided are a two event
timer, a SLEEP timer, and a SNOOZE mode.
A programmable memory area allows for 1700 indepen-
dent receiver set up memories. The first 500 of these
memory channels allow names to be attached to the
frequencies and modes stored. The remaining 1200
memory channels allow frequencies to be stored by
country. There are 111 country names factory stored in
this bank of memory with 10 memory channels available
per country and 90 memory channels remaining with no
country assigned. These country names can be modified
or added to by the user. These memories do not require
battery backup and are thus unaffected by power inter-
ruptions.
All parameters associated with a particular memory
channel are stored including the frequency,mode,band-
width, passband tuning setting, fast, slow,or automatic
AGC and synchronous detector state. These memory
channels may be accessed manually or through a time
scan with each channel monitored for a 5 second peri-
od, or carrier presence.
POWER SUPPLY
AC ADAPTER and EXTERNAL DC POWERING
The etón E1 receiver is supplied with an AC ADAPTER.
The AC ADAPTER is designed to be plugged into a wall
outlet that supplies AC power, or another source of exter-
nal filtered DC power between 7 and 12 VDC may be
used.
Connect the output connector of the AC adapter, or other
power source, to the 9 VDC, 1 amp connector on the side
of the receiver.
If batteries are installed and external power is lost, the
receiver will continue to operate on battery power even
with the DC plug inserted. If this occurs, the receiver will
alert the user with a POWER LOSS indication, and with a
POWER LOSS beep if the POWER LOSS beep feature is
enabled. More details concerning power loss can be
found on page 20, paragraph 27b.
TABLE OF CONTENTS continued
QUICK REFERENCE GUIDE p.48
GLOSSARY OF TERMS p.51
TROUBLESHOOTING p.52
SERVICE INFORMATION p.53
ONE YEAR LIMITED WARRANTY p.53
APPENDIX p.54
• UNDERSTANDING SHORTWAVE BANDS p.54
- WHAT IS SHORTWAVE?
- SOME BASIC RULES OF THUMB
- WHAT ARE BANDS?
- A HELPFUL ANALOGY ABOUT BANDS
- DAY BANDS v s. NIGHT BANDS
- SUNSET AND SUNRISE
- DAYTIME LISTENING
- EVENING/NIGHT LISTENING
- SHORTWAVE DIRECTORY
- SHORTWAVE ANTENNAS
- FULL-SIZED PASSIVE SHORTWAVE ANTENNAS
- ACTIVE SHORTWAVE ANTENNAS
- SHORTWAVE ANTENNAS FOR USE ON BOATS
- LONG-WIRE SHORTWAVE ANTENNAS
- AM ANTENNAS
- FINDING ANTENNAS
- TIME STATIONS
- GETTING STARTED W ITH SINGLE SIDEBAND (SSB)
- WEATHER FAX FREQUENCIES
- MORE INFORMATION ABOUT SSB
- MONTHLY MAGAZINES W ITH SSB RELATED INFO
- TIME STATIONS (not SSB)
• ETON E1 QUICK GUIDE p.58
- INTRODUCTION
- SET-UP INFORMATION
- TUNING-IN FM AND MW STATIONS
- USING DIRECT FREQUENCY ENTRY
- USING THE SEEK FEATURE
- LISTENING TO SHORTWAVE STATIONS
- CHOOSING THE BEST SHORTWAVE BAND
- GETTING INTO A SHORTWAVE BAND
- TUNING AROUND IN A SHORTWAVE BAND
- STORING FREQUENCIES INTO MEMORY
- ACCESSING W HAT YOU HAVE STORED INTO MEMORY
- DELETING THE CONTENTS OF A MEMORY
- SETTING THE CLOCK TO YOUR LOCAL TIME
- SETTING THE DISPLAY FOR LOCAL OR GMT TIME
- SETTING THE TIMER AS AN ALARM CLOCK
- USING TIMER 1 AS A W AKE-UP TIMER
- USING TIMER 2 AS A SLEEP TIMER
- TO ENABLE OR DISABLE THE TIMERS
SPECIFICATIONS p.62
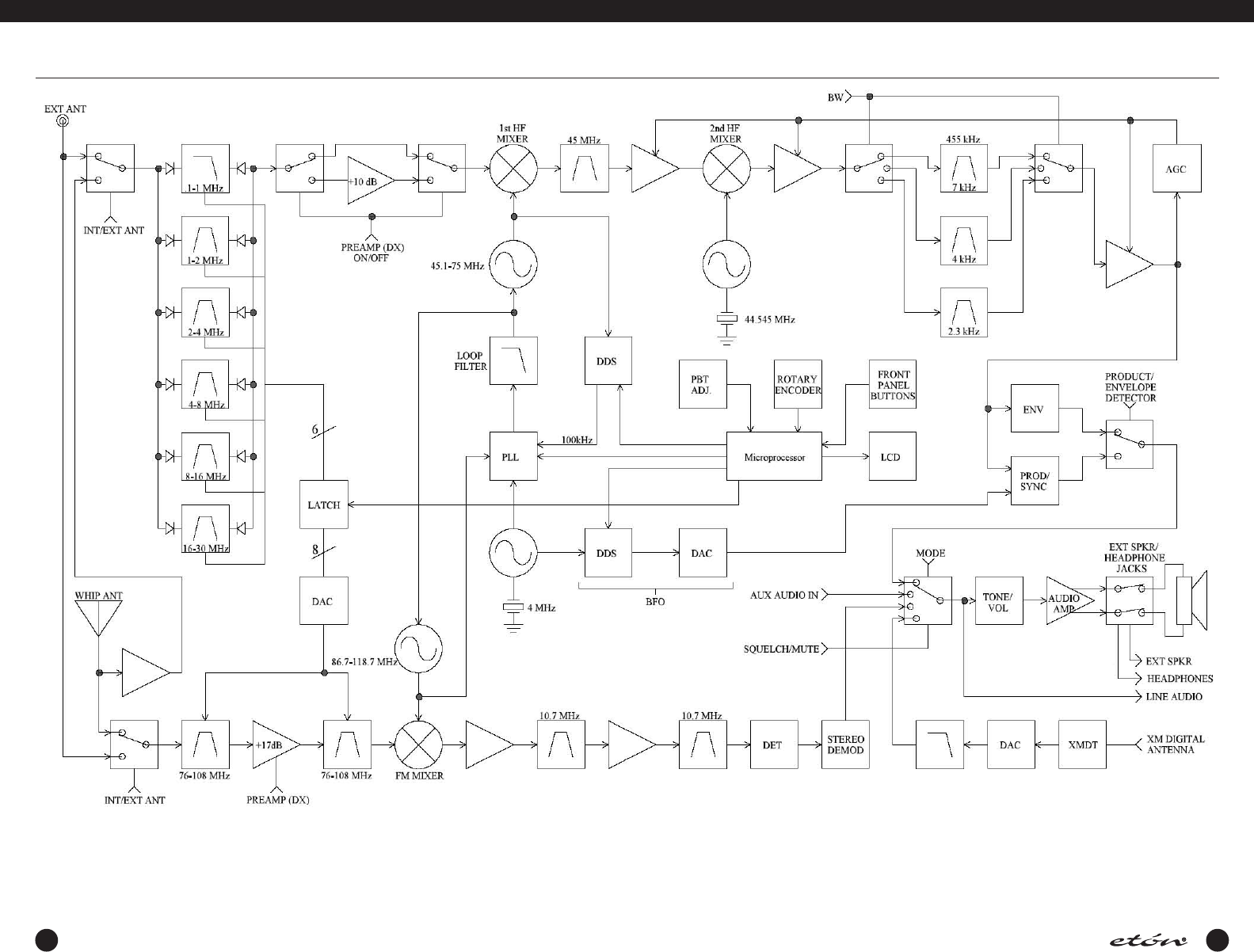
BLOCK DIAGRAM p.64
E1_manual_eng_APR06.qrk 5/5/06 10:22 AM Page 8

8 9
BATTERY CONDITION
Battery condition can be observed when the unit is
turned on or if the ‘LIGHT’ button is pressed if no AC
ADAPTER is connected to the receiver. W hen the
POWER key is pressed, or when the ‘LIGHT’ button is
pressed, a screen will be observed similar to the follow-
ing illustration during the first two seconds after depres-
POWER SUPPLY continued
E1MANUAL
sion. After that time, the normal E1 display will be
observed.
(1) Battery Condition Graph - This bar graph shows the
relative charge of the batteries installed in the
receiver. You will note that on the left, there is an
“EMPTY” notation and on the right is a “FULL”
notation. A fully charged set of batteries will pro-
duce a graph reaching the “FULL” notation, and as
the batteries discharge, the graph will extend only
slightly passed the “EMPTY” notation.
(2) LOW BATT - If this flashing reversed video indicator
is observed, the batteries are too low for satisfactory
operation and must be replaced.
Note: Regardless of battery condition, neither items 1
or 2 above will be observed if the unit is connected to
the AC ADAPTER. If the AC ADAPTER is not connected,
the condition graph will only be observed upon power
up or with depression of the ‘LIGHT’ button.
INSTALLATION
UNPACKING
Carefully remove the etón E1 receiver and included AC
ADAPTER wall transformer from the shipping carton and
examine them for evidence of damage. If any damage is
noted, immediately contact the transportation company
responsible for delivery, or return the unit to the dealer
from whom it was purchased. Keep the shipping carton
and all packing material for the transportation company
to inspect. The original carton and packing material
should be retained for repackaging should it be necessary
to return the receiver. Inspect the packing material for
any accessories or printed material before storing the
box. Locate the registration card, fill it out, and immedi-
ately return it to etón to insure registration and valida-
tion of warranty.
LOCATION
For fixed locations, the etón E1 receiver should be oper-
ated from the AC ADAPTER. Keep curtains and other
flammable material away from direct contact with the A
ADAPTER to avoid overheating the transformer which
could result in failure or fire.
FIXED INSTALLATION
After unpacking the unit, connect the antenna system to
the ‘EXT ANTENNA’ input, or select the INTERNAL anten-
na and extend the build in telescopic antenna. Plug the
Plug the AC ADAPTER into a source of AC power. Refer
to the Figure 1 on page 12 for the diagram of a typical
fixed installation.
PORTABLE OPERATION
For use in a portable environment, the etón E1 receiver is
operated from four (4) internally mounted "D" cell bat-
teries. These batteries are not supplied and must be
installed prior to portable operation of the receiver. See
BATTERY INSTALLATION section on page 9 of this manu-
al. For longest battery life, alkaline batteries are recom-
mended for this product. NOTE: REMOVE THE BAT-
TERIES IF THE RECEIVER IS TO BE STORED OR OTH-
ERWISE NOT OPERATED FOR AN EXTENDED PERI-
OD OF TIME TO AVOID DAMAGE TO THE etón E1
DUE TO POSSIBLE BATTERY LEAKAGE OR CORRO-
SION EFFECTS.The etón E1 receiver does not rely on
the batteries for retention of memory channels.If power
is lost, clock settings are maintained for a period of
approximately 10 minutes to allow time to install new
batteries. As long as good batteries are installed in the
unit, the clocks are maintained regardless of whether
there is external power applied or not.
ANTENNA REQUIREMENTS
(Refer to Figure 1, page 12)
The etón E1 receiver incorporates side panel switches to
select between the internal telescopic antenna and vari-
ous types of external antennas. The built-in telescopic
antenna is available for use on all bands. A PAL type
antenna connector,also located on the left side panel, is
provided for external antennas for LF, MW, SW (HF is
used to designate these ranges) and FM bands. A PN
POWER SUPPLY continued
AC ADAPTER
Keep curtains and other flammable materials out of
direct contact with the AC ADAPTER to avoid overheat-
ing.
BATTERY INSTALLATION
The etón E1 receiver is also designed to operate from
four "D” cell batteries (not supplied). NOTE: Check the
batteries periodically for leakage. IF UNIT IS TO BE
STORED OR OTHERWISE NOT USED FOR AN EXTENDED
PERIOD OF TIME, REMOVE THE BATTERIES TO PREVENT
CORROSION AND POSSIBLE DAMAGE TO THE RECEIVER.
Damage caused by battery acid leakage is not covered
under the warranty.
(1) Position the receiver with the front panel towards
you.
(2) Open the battery access door located at the lower
left corner of the front panel. (Shown as #5 in the
front panel drawing.)
(3) Inside you will find an additional door as shown in
the following illustration.
Remove this door by pressing down and pulling outward
on the “OPEN” tab.
(4) Insert the first of four “D” sized batteries into the
battery opening with the plus end of the battery to
your left. See the following illustration.
(5) Slide the battery to the right and continue in this
manner until all four batteries are installed. Replace
the inner door and close the outer door.
BATTERY OPERATION
The etón E1 receiver does not rely on the batteries for
retention of memory channels. However, to insure that
clocks are maintained following the loss of AC power
and battery removal, the receiver must first be connect-
ed to a source of AC power or have batteries installed.
Clock settings are maintained for a time period of
approximately 10 minutes after all power is removed.
New batteries should be installed before this time peri-
od elapses or clock settings will be lost.
Battery
Access
Panel
Simultaneously press
down and pull outward
to open
Insert battery with “+” end to the
left, and slide battery to the right
MODEL: KA23D090100015G
INPUT: 230V ~ 50Hz
OUTPUT: 9V — 1000mA
AC ADAPTOR
MADE IN CHINA
MODEL: KA23D090100015G
INPUT: 230V ~ 50Hz
OUTPUT: 9V — 1000mA
AC ADAPTOR
MADE IN CHINA
E1_manual_eng_APR06.qrk 5/5/06 10:22 AM Page 10

10 11
FIGURE 1: E1 INSTALLATION DIAGRAM
INSTALLATION continued
E1MANUAL
Low Impedance Antenna To Tape Recorder
or Stereo System
From CD or
Tape Player
PAL
Connector
TV/FM
Splitter
External
Speaker
Stereo Headphones
REAR VIEW
LEFT VIEW
INSTALLATION continued
278-265B adapter, sold by Radio Shack, Maplin
Electronic Supplies (www.maplin.com) or an equivalent
adapter, will adapt a female type F connection to the
PAL-TO-F type connector on the etón E1.
RIGHT SIDE AND REAR VIEWS
Antennas such as dipoles, trap dipoles, verticals and
long wires will provide the best results on the LF, MW,
and SW bands. The type to use for best results depends
upon the desired receiving frequency,and will normally
provide adequate results on the FM band. Outside TV
antennas,folded dipoles,or coaxial antennas will pro-
vide the best results for reception of the FM broadcast
band, but will not provide optimum results on LF, MW
and SW bands.
Connect the outside antenna feed to the “EXT. ANTEN-
NA“ jack located on the left side panel. The best anten-
na for any of the previously mentioned frequency bands
will depend on the frequency range and time of day for
the particular signal in question. Refer to publications
such as the ARRL Handbook or ARRL Antenna Manual
(available in most public libraries) for help on selection
and/or construction of the antennas mentioned above.
VIEWING ANGLE
On the back of the receiver is a hinged panel. This panel
can be pulled out, and the receiver tilted back on it to
provide a convenient viewing angle when operating the
etón E1 receiver on a table or similar surface in front of
you, as shown below.
VIEWING ANGLE OPTION
When viewing at a new angle, it may be desirable to
readjust the LCD contrast control located behind the pull
down door. See page 13, item 5.
Viewing angle
fold out panel
Telescopic
antenna
E1_manual_eng_APR06.qrk 5/5/06 10:22 AM Page 12

12 13
knob will be ineffective, and “LOCK” and “TUN LOCK“
will appear on the LCD display. To return to normal
operating mode, once again press the ‘CLEAR/LOCK’ key
for three seconds.This control can also be used when
the receiver is turned off. Press ‘CLEAR/LOCK’ for 3 sec-
onds. A message will appear confirming lock. If power is
then pressed, a “Press CLEAR/LOCK for 3 seconds to
unlock” message will appear. The user must perform this
action before the ‘POWER’ key will allow power up.
From either MEMORY or COUNTRY modes. Note that
VFO (Variable Frequency Oscillator) is a register used to
store the frequency to which the main ‘TUNING’ control
is set. Turning the ‘TUNING’ control will change this fre-
quency.
7. FM / LW / MW / SW Mode - Function Softkeys
The function of each of these softkeys is shown along
the bottom edge of the display when the receiver is in
the ON state. From left to right their functions when a
menu is not displayed are as follows:
MENU - Pressing this softkey displays the first of several
menus used for setting clocks,timers and various other
receiver functions.Each additional press advances to
another menu page.
AGC - Pressing this softkey will toggle the AGC decay
time between fast, slow, and auto in all modes but FM.
When in FM mode, there will be no display function
shown for this softkey.
BW - Press repeatedly to scroll through the three avail-
able IF bandwidths of 7.0, 4.0, and 2.3 kHz in all modes
but FM. When in the FM mode, there will be no display
function shown for this softkey.
PBT - Pressing this softkey enables/disables the function
of the PBT (passband tuning) knob in all modes except
FM. The displacement in kHz of the IF passband relative
to its nominal position is shown on the display directly
above the PBT softkey when it is enabled. When in FM
mode, there will be no display function shown for this
softkey.
AM - Press to select AM (amplitude modulation) mode.
When AM mode is selected, a second press of the soft-
key selects AM synchronous detection mode (AM SYNC).
Repeated depressions of this softkey will cycle the syn-
chronous detection mode on and off.When in FM mode,
there will be no display function shown for this softkey.
SSB - Press to select SSB (Single Sideband) mode. Once
SSB mode is selected, repeatedly pressing the SSB soft-
key will cycle between upper sideband (USB) and lower
E1 FRONT PANEL DESCRIPTION continued
E1MANUAL
sideband (LSB). When AM synchronous detection mode
is first selected using the ‘AM’ softkey, pressing the ‘SSB’
used to store the frequency to which the main ‘TUNING’
control is set. Turning the ‘TUNING’ control will change
this frequency.
Pressing ‘TUNE’ transfers the frequency last listened to
while in the MEMORY or COUNTRY modes to the VFO,
along with the current associated function parameters.
This allows for fine tuning of and around the transferred
frequency or modifying its parameters. When ‘TUNE’ is
pressed, “VFO STORED” will briefly appear on the dis-
play. This softkey is functional in MEMORY and COUN-
TRY modes only.
8. < SELECT >
In VFO mode, pressing the ‘<’ or ‘>’ ends of this key will
cause the frequency to increment or decrement in 5 kHz
steps on LF and SW bands, in either 9 or 10 kHz steps
on the MW (AM broadcast) band depending on a menu
setting, and in 100 kHz steps on the FM band. When in
MEMORY or COUNTRY modes, each press of the ‘<’ or
‘>’ ends of the key causes the display to decrement or
increment respectively one memory page.When in
MEMORY or COUNTRY modes, holding down the ‘<’ or
‘>’ will cause the unit to scroll through the MEMORY or
COUNTRY pages.When programming in MEMORY
mode, pressing ‘<’ or ‘>’ moves the curser left or right
respectively for entering the names for stored frequen-
cies.
9. STORE
This key is used to store various pieces of information
including setting the Local and GMT clocks, setting
parameters and labels in the 500 MEMORY channels,
and saving parameters in the 1200 COUNTRY channels.
10. DELETE
Use this key to delete entries in the 500 MEMORY or
1200 COUNTRY.
11. TAG
Pressing this key adds (or removes) a tag shown as a
“T” on MEMORY and COUNTRY displays from any
of the MEMORY and COUNTRY for selective scanning.
12. T. SCAN
Used to initiate or stop a scan of MEMORY or COUNTRY
channels marked with a “T” tag.
13. SEEK
Pressing the SEEK key will cause the frequency to incre-
ment in 5 kHz steps on LW, and SW modes, 9 or 10 kHz
steps in MW, depending on the setting of item 4 in the
E1 FRONT PANEL DESCRIPTION
1
2
3
4
5
6
7
8
20
19
18
17
16
15
14
13
12
11
10
9
1. Squelch
This control allows muting of the receiver’s audio when
no signals are present. Adjust the control until back-
ground noise just disappears when no signal is being
received. An indicator is provided on the display directly
under the signal strength display to show how the
squelch is set relative to received signal strength. (See
the display description starting on page 18). Squelch
also sets the threshold for carrier scan stop. Muting can
be disabled in AUDIO SETTINGS menu, Item 4. However,
carrier stop threshold will be controlled by the Squelch
control regardless of whether or not muting has been
disabled.
2. Treble
This control adjusts the audio frequency response at the
high end of the audio spectrum. Adjust clockwise fo
more treble response.
3. Bass
This control adjusts the audio frequency response at the
low end of the audio spectrum. Adjust clockwise for
more bass response.
4. Volume
With the receiver on, adjust this control clockwise to
increase the audio level from the receiver’s speaker or
from headphones.Be certain to set the volume setting
at the desired level for TIMER use.
5. Access Door
Provides access to the battery access panel, to the
microprocessor Reset button access hole, to the Display
21
2223
Contrast Knob,and to the Factory Programming
Connector. The Factory Programming Connector should
be used only by a factory authorized service center. The
Display Contrast Knob should be adjusted for best dis-
play contrast from the normal viewing position.The
Reset button “reboots” the microprocessor and should
be pressed using a straightened paperclip in the unlikely
event that the receiver exhibits erratic operation,
“freezes”, or displays a flashing “UNLOCK” on the dis-
play.(See the following diagram for the location of
these items).
6. Direct- Key-Input
Numeric Keys - Keys 0 thru 9 plus the ‘.’ key are used to
make direct numeric entries of frequencies, memory
channel numbers,meter band designators,menu selec-
tions, and timer settings. CLEAR / LOCK - Press this key
to clear an incorrectly entered frequency or other value.
Pressing and holding this key for three seconds will
cause the receiver to be locked in its present configura-
tion. All front panel key controls as well as the ‘TUNING’
Battery
Access
Panel
Reset
Button
Display
Contrast
Knob
Factory
Programming
Connector
E1_manual_eng_APR06.qrk 5/5/06 10:22 AM Page 14

14 15
will be active. Pressing this softkey a second time tog-
gles to the AUX function which causes the softkey label
to appear as “ FM / AUX ”. The AUX function allows
stereo audio fed into the LINE IN connector on the side
panel to be fed to the internal speaker or to head-
phones plugged into the stereo headphone jack, which
is also on the side panel. The ‘VOLUME’, ‘TREBLE’, and
‘BASS’ controls will be active in this mode.
SW BAND - Pressing the ‘SW BAND’ softkey once
enables the shortwave band (1.800 - 30.000 MHz).The
MW / LW - Repeatedly pressing the ‘MW / LW’ softkey
toggles between the LW band (100 - 499.99 kHz) and
the MW band (500 - 1799.99 kHz).
VFO - This softkey returns to the VFO mode from MEM-
ORY or COUNTRY modes. The frequency displayed will
be the same as the frequency last selected in VFO mode
before MEMORY or COUNTRY modes were selected.
MEMORY - Selects MEMORY mode which allows pro-
gramming or listening to the programmed contents of
memory channels 1 through 500.
E1 FRONT PANEL DESCRIPTION continued
E1MANUAL
Low High FreqBand
120 Meter
90 Meter
75 Meter
60 Meter
49 Meter
41 Meter
31 Meter
25 Meter
22 Meter
19 Meter
16 Meter
13 Meter
11 Meter
2300 kHz
3200 kHz
3900 kHz
4750 kHz
5800 kHz
7100 kHz
9500 kHz
11,600 kHz
13,570 kHz
15,100 kHz
17,480 kHz
21,450 kHz
25,600 kHz
2500 kHz
3400 kHz
4000 kHz
5060 kHz
6200 kHz
7600 kHz
9900 kHz
12,100 kHz
13,870 kHz
15,800 kHz
17,900 kHz
21,850 kHz
26,100 kHz
Shortwave Band Designators
20. POWER
Pressing this key toggles the unit on and off.
21. Display
This is a dot matrix LCD display. See the DISPLAY
description for details.
22. Speaker
This is the opening for the internal speaker for the E1
receiver.
23. Telescopic Antenna
This is a 39 1/4“ (1.003 meters) telescopic antenna for
use on all bands.
COUNTRY - Selects COUNTRY mode which allows pro-
gramming or listening to the contents of memory
channels 501 through 1700. These 1200 memory chan-
nels are divided among 111 countries from Afghanistan
to Yugoslavia with 10 memory channels per country, and
with 90 memory channels remaining with no country
assigned. Display will appear as “BAND ”. Pressing the
‘SW BAND’ softkey again once SW has been selected
will cause the ‘--’ portion of “SW -- M” on the display
to flash and the display will show “ SW BAND ” for
approximately SW BAND 2 seconds. During this 2 sec-
ond interval, entering the meter designator for the
desired meter band will cause the receiver to go to the
low end of the frequency range for the desired meter
band. During this 2 second interval one can also scroll
through the available SW bands using the ‘TUNING’
knob or the ‘< SELECT >’ key. Each keypress or TUNING
input resets the two second timer. The frequency ranges
for the defined meter shortwave bands are as shown in
the ‘Shortwave Band Designators’ table which follows.
E1 FRONT PANEL DESCRIPTION continued
“RADIO SETTINGS” menu, and 200 kHz steps on FM
mode, until a signal is encountered that is stronger than
the SQUELCH setting. While SEEK is engaged, the word
“SEEK” will appear on the display.
14. TIME
Pressing the ‘TIME’ key will cause the TIMER 1 screen to
appear on the display, allowing TIMER 1 to be enabled
or disabled. Pressing it a second time will cause the
TIMER 2 screen to appear, allowing it also to be enabled
or disabled. Pressing the TIME key the third time brings
up the “CLOCKS” menu which will allow selection of
GMT or LOCAL time for the time display. Pressing the
‘TIME’ key the fourth time will return the display to the
VFO, MEMORY or COUNTRY screens, depending upon
which of these screens was being displayed when the
‘TIME’ key was pressed the first time. The receiver dis-
plays the time when in the off mode, and when in this
state, pressing the ‘TIME’ key will toggle the displa
between Local and GMT time.
15. PBT
The PBT (PassBand Tuning) knob varies the IF passband
of the receiver plus or minus 2 kHz relative to the detec-
tor beat frequency oscillator (BFO) in SSB mode,and rel-
ative to the displayed frequency when on AM mode.This
is particularly useful in reducing or eliminating interfer-
ence to the desired signal from nearby signals. The PBT
knob will be ineffective unless the ‘PBT’ softkey beneath
the display is pressed. The amount of IF frequency dis-
placement from nominal will be displayed directly above
the ‘PBT’ function label on the display. PBT tuning is not
available in FM or AUX modes. In MEMORY or COUN-
TRY modes, the stored PBT value will always be recalled
and “MEM” will be indicated above the ‘PBT’ softkey
until changed.
16. DX
The ‘DX’ softkey turns on or off an RF preamplifier which
is useful in improving the readability of very weak sig-
nals, especially when using the built in telescopic anten-
na or other short antennas.When the preamplifier is
enabled, “DX” will appear on the display. When using
long antennas or when the receiver is in close proximity
to very strong broadcast transmitters, the receiver will
perform best with ‘DX’ off. The DX function is not avail-
able in AUX mode. Note that battery life will be reduced
somewhat if DX is enabled during portable operation.
17. FAST / TUNING LOCK
Repeatedly pressing the FAST / TUNING LOCK key cycles
through the available tuning rates for the current oper-
ating mode, as explained in more detail under “Tuning”
which follows. Holding down the ‘FAST / TUNING LOCK’
key for approximately 2 seconds will lock out the ‘TUN-
ING’ knob and will cause “TUN LOCK” appear on the
display. Depressing the key again for approximately 2
seconds will unlock the ‘TUNING’ knob and “TUN
LOCK” will disappear from the display.
18. Tuning
The 'TUNING' knob is the primary tuning control of the
E1 receiver. In VFO mode, clockwise rotation of the dial
increases frequency and counterclockwise rotation
decreases frequency. The rate at which frequency is
increased or decreased is determined by the band being
tuned and by pressing the ‘FAST/TUNING LOCK’ key on
a given band. In VFO mode, the ‘FAST/TUNING LOCK’
key also changes the displayed frequency resolution. In
MEMORY mode, the ‘TUNING’ knob scrolls through the
500 MEMORY channels one at a time. If the ‘FAST/TUN-
ING LOCK’ key is pressed, “FAST” appears on the dis-
play and the ‘TUNING’ control scrolls through the 500
MEMORY channels 10 at a time as long as the ‘TUN-
ING’ knob is being turned. If the ‘TUNING’ knob is not
moved for three seconds, the “FAST” on the display will
disappear and the ‘TUNING’ knob will revert to tuning
MEMORY channels one at a time.
The ‘TUNING’ knob is also used when programming in
MEMORY mode to scroll through all available alphanu-
meric characters when entering names for each MEMO-
RY entry.
In COUNTRY mode, the ‘TUNING’ knob scrolls through
COUNTRY memory channels one at a time. If the
‘FAST/TUNING LOCK’ key is pressed, “FAST” appears on
the display and the ‘TUNING’ knob scrolls through the
available countries one country at a time with 10 mem-
ory channels being available per country.
In SW BAND mode,the ‘TUNING’ control will scroll
through the available shortwave broadcast bands from
120 meters through 11 meters.
19. Mode Softkeys
The purpose of each of these softkeys is shown along
the right edge of the display when the receiver is in the
ON state. From top to bottom their descriptions are as
follows:
FM / AUX - Pressing this softkey toggles between the
FM broadcast band and the AUX function. The selected
function will be in reverse video.The first press of this
softkey selects the FM broadcast band (76.0 - 90.0 MHz
or 87.0 -108.0 MHz) and causes the label for this key to
appear as “ FM / AUX ”. When in FM mode, only the
MENU function softkey along the bottom of the display
E1_manual_eng_APR06.qrk 5/5/06 10:22 AM Page 16

16 17
The following section describes the main display which
will be seen when operating in the VFO mode, This is
the display which the user will see most of the time.
There are several other screens which may appear on
this display under various conditions. These additional
conditions will be covered later.
1. SIGNAL
The signal meter indicates the signal strength of the
incoming signal. The stronger the signal, the more ver-
tical bars appear from left to right across the display.
From 100 through 30,000 kHz, the signal meter is cali-
brated in S units from 1 thru 9 and in decibels (dB)
above S9 up to +60 dB. On the FM band, the signa
strength is just relative.
2. SQUELCH LEVEL INDICATOR
This bar advances as the ‘SQUELCH’ knob is turned
clockwise. It indicates the level at which the incoming
signal is strong enough to overcome the SQUELCH set-
ting. If the SQUELCH muting is enabled (which is done
by menu) a signal level that is higher than the
SQUELCH setting will be audible, while one that is
below the SQUELCH setting will not. A signal stronger
than the SQUELCH setting will cause scanning to stop
on that frequency if the “CARRIER” stop mode is
selected in the “RADIO SETTINGS” menu (item 2).
3. INTERNAL/EXTERNAL ANTENNA INDICATOR
EXT ANT or INT ANT will be displayed depending upon
whether or not the mode in use (FM or HF) has its
respective antenna switch on the side panel in the
internal or external position.
E1 DISPLAY DESCRIPTION
E1MANUAL
4. DX
This indicator appears when the DX key is pressed,
indicating that an RF preamplifier has been enabled to
improve performance on weak signals. The DX setting
will slightly reduce battery life when operating on bat-
tery power.
5. SEEK
This indicator is visible when the SEEK mode is enabled
by pressing the SEEK key.
6. VFO STORED
This indicator appears when the ‘TUNE’ softkey is
pressed. The ‘TUNE’ softkey is active in the COUNTRY
and MEMORY modes.
7. FREQUENCY DISPLAY
This is the main frequency readout of the receiver.
8. SW -- M
Indicates the meter band to which the receiver is tuned
when in SW mode.See the “Shortwave Band
Designators” table on page 22 for a listing of meter
bands. LW, MW or FM also appear here when those
bands are selected.
9. STEREO
STEREO or MONO appear here when on the FM band.
STEREO will appear if stereo is enabled from the
“AUDIO SETTINGS” menu, and a stereo signal is being
received.
TOP PANEL DESCRIPTION
1. TELESCOPIC ANTENNA
This is a 39 1/4“ (1.003 meters) telescopic antenna for
use on all bands.
2. LIGHT
Pressing this key while the receiver is turned ON cycles
the display illumination through four brightness states;
Off, Dim, Medium and Bright. When the receiver is in the
OFF state and connected to external power,the display,
when lit, will be DIM. Pressing the ‘LIGHT button will
cycle the display illumination on and off with no time
out. If the unit is operating from batteries, the display will
be lit only briefly when the unit is turned OFF. If, when
OFF, the ‘LIGHT’ button is pressed once, the display will
illuminate for 10 seconds and then go out. In the ON
state, the display will be lit only briefly following control
inputs. However, holding down the LIGHT key for 3 sec-
onds will override the time out and allow the light to
remain on continuously when the receiver is ON. The user
must keep in mind, however that keeping the light on
continuously when operating on batteries will consider-
ably reduce battery life. More details concerning display
illumination can be found on page 57 under “DISPLAY
LIGHTING”.
3. SNOOZE / SLEEP
When the receiver is ON,or turned on by the timer,press-
ing this bar will activate the SNOOZE mode, causing the
receiver to turn OFF for 5,10, 20, or 30 minutes, depend-
ing upon the setting of item 5 of the “CLOCK MODES”
2
3
1
menu. After the selected number of minutes have passed,
the receiver will turn back on.To cancel a SNOOZE period
early, cycle power OFF/ON with the ‘POWER’ key. When
SNOOZE mode is active, “SNOOZE” will appear on the
display.
When the receiver is OFF, other than in SNOOZE,pushing
this bar will activate the SLEEP timer. This will turn the
receiver ON for the default set time of 15 minutes, after
which it will turn back OFF. To change the set time length
from the default 15 minutes to 1 through 99 minutes,
turn the receiver OFF and rotate the ‘TUNING’ control
after pressing the SNOOZE / SLEEP bar. After setting the
desired SLEEP time, press the bar again to activate SLEEP
mode, or automatic entry will occur in 15 seconds. The
displayed time is always in minutes. When SLEEP mode is
active, a flashing “s XX” will appear in the lower left
hand corner of the display, where “XX” is a number indi-
cating the minutes of SLEEP time remaining.
E1_manual_eng_APR06.qrk 5/5/06 10:22 AM Page 18

18 19
25. TIMER 1 2
This display appears when one or both of the event
timers are enabled.
26. TIME DISPLAY
This displays the time, which can be either Greenwich
Mean Time (GMT) or Local time (L). If the time display
is flashing, this is an indication that the time has not
been set. See “Clock and Timer Functions” on page
52.
27a. LOW BATT
This flashing reverse video indicator appears when no
external AC Adapter is connected, and the battery volt-
age is too low for satisfactory operation. If this flashing
indicator is seen, the batteries should be replaced.
27b. POWER LOSS
This indicator, which appears in the same location on
the display as “LOW BATT”, will be seen when the
power is lost. It means that the receiver is operating
E1 DISPLAY DESCRIPTION continued
E1MANUAL
from the internal batteries, if so equipped. If the
POWER LOSS BEEP is enabled (AUDIO SETTINGS
menu, selection 3), there will also be four beeps in
rapid succession, once per minute. (Volume controlled).
28. LOCK
This indicator appears when the ‘CLEAR/LOCK’ key has
been pressed for 3 seconds. W hen this condition
exists, all front panel keys (except for ‘CLEAR/LOCK’)
plus the ‘TUNING’ and ‘PBT’ knobs will be ineffective.
Pressing ‘CLEAR/LOCK’ again for 3 seconds will enable
normal operation, and the “LOCK” indicator will disap-
pear.
29. ERROR
This indicator will appear along with an audio beep
when an error condition exists, such as pressing one of
the softkeys which has no label in the mode selected.
SIDE PANEL DESCRIPTION
1. TELESCOPIC ANTENNA
The receiver has a built-in telescopic antenna that can
be used on all bands. Note that the pivot point section
of the antenna must be exposed out of its nesting tube
to permit moving the antenna from its vertical orienta-
tion. Extend the telescopic sections and position the
antenna for best signal reception. Be sure the corre-
sponding side panel antenna select switches are set to
the ‘INTERNAL’ position for TELESCOPIC antenna
reception.
2. LINE IN
This 1/8" diameter stereo jack is used to feed in audio
from an external source such as a CD or cassette tape
player. The input level should be approximately 300
mV, at an impedance of 47K ohm. This input is enabled
when the AUX mode is selected. When in this mode,
the VOLUME, BASS and TREBLE controls are effective.
3. LINE OUT
This 1/8" diameter stereo jack provides a constant low
level audio source that is independent of the front
panel ‘VOLUME’, ‘TREBLE’ and ‘BASS’ control settings.
It is designed to interface to a tape recorder, CW /
RTTY demodulators, stereo amplifiers, etc.
1
2
3
4
5
6
7
8
9
E1 DISPLAY DESCRIPTION continued
10. MHz / kHz
Indicates whether the frequency displayed is shown in
megahertz or kilohertz.
11. MENU
Labels the ‘MENU’ softkey which is used to bring up a
series of menus. Repeatedly pressing this key will
advance through additional menu pages.
12. AGC
Labels the ‘AGC’ (Automatic Gain Control) softkey and
shows its release time status (Slow, Fast, or Auto).
Auto mode selects SLOW release time but automatical-
ly switches to fast release only while tuning.
13. BW
Labels the Bandwidth softkey and shows its status
(2.3, 4.0, or 7.0 kHz).
14. PBT
Labels the ‘PBT’ softkey. The ‘PBT’ softkey enables and
disables the ‘PBT’ (Passband Tuning) knob. W hen the
softkey is enabled, its frequency displacement relative
to nominal is shown above “PBT”. The reading will be
between +2.0 and - 2.0 kHz.
15. AM
Labels the ‘AM’ softkey, and shows its status. The ‘AM’
softkey enables AM mode. When AM is enabled,“AM”
appears over the “AM” softkey label. If the softkey is
pressed a second time, “AM SYNC” appears over the
“AM” label to indicate that the synchronous detector
is operating.
16. SSB
This labels the ‘SSB’ softkey and shows its status.
Pressing the ‘SSB’ softkey enables single sideband
reception, causing either “USB” or “LSB” to appear
above the “SSB” label. Pressing the ‘SSB’ softkey again
after SSB is selected will toggle the display between
“USB” and “LSB”.When AM SYNC has been selected,
pressing the ’SSB’ softkey will toggle through the
modes of the AM synchronous detector: USB, LSB and
DSB.
17. COUNTRY
This labels the ‘COUNTRY’ softkey. When this softkey is
pressed, Country mode is selected and the label
appears as “COUNTRY”.
18. TUN LOCK
This indicator appears when the ‘FAST / TUNING LOCK’
softkey has been pressed for 2 seconds. It indicates
that the ‘TUNING’ knob has been locked out and will
have no affect.
19. MEMORY
This labels the ‘MEMORY’ softkey. W hen this softkey is
pressed, MEMORY mode is selected and the label
appears as “MEMORY”.
20. VFO
This labels the ‘VFO’ softkey. W hen this softkey is
pressed, the receiver returns to the VFO mode from
COUNTRY or MEMORY modes, but the frequency being
received from the MEMORY or COUNTRY modes is not
transferred. The frequency displayed will be the same
as was last being received when last in VFO mode. The
indicator will appear as “VFO” when VFO mode is
active.
21. MW / LW
This indicator labels the ‘MW / LW’ select softkey.
Pressing this softkey will select either MW (AM
Broadcast) or LW (Long Wave) frequency ranges.
Repeatedly pressing this softkey will toggle between
these two modes. Depending upon the mode selected,
this indicator will appear either as “MW / LW” or
“MW / LW”.
22. SW BAND
This indicator labels the ‘SW BAND’ softkey. Pressing
this softkey once selects the SW (Short Wave) band
(1.8 - 30.0 MHz). This gives an indication of “SW
BAND” on the display. Pressing this softkey a second
time causes the display to appear as “SW BAND”, and
permits the tuning knob or the ‘< SELECT >’ key to
scroll through the available meter bands as shown on
the “Shortwave Band Designator” table on page 16. If
no movement of the ‘TUNING’ knob or input to the ‘<
SELECT >’ key occurs for 3 seconds, the display will
revert back to “SW BAND” and normal tuning will
resume.
23. AUX
This labels the ‘AUX’ softkey. Pressing this softkey
activates the AUX mode and causes the indicator
to appear as “AUX“. Selecting this mode enables
audio fed in the LINE IN jack on the side panel to be
fed through to the E1 receiver’s audio system.
24. FM
Pressing this softkey once selects the FM Broadcast
band (76 - 90
MHz or 87 - 108 MHz) and causes the indicator to
appear as “FM / AUX“.
E1_manual_eng_APR06.qrk 5/5/06 10:22 AM Page 20

20 21
(B) The SW band (1.8 - 30.0 MHz) frequencies are dis-
played and entered in kHz or MHz, depending upon
the user’s selection from item 5 of the RADIO SET-
TINGS menu. A maximum of 7 digits may be entered.
To make the menu selection, press the ‘MENU’ softkey
once. Then press ‘Direct-Key-Input’ key ‘5'. Repeatedly
pressing the ‘5' key toggles between kHz and MHz as
the display and entry method for the SW band. Leave
the reverse video entry 0on the desired display
method. For example, line 5 on the menu should
appear as follows for entry in kHz:
“ 5 SW BAND ENTRY kHz / MHz“.
After making this selection, press ‘Direct-Key-Input’ key
‘9' to exit the menu. Note that if kHz is selected from
the menu, the display will show frequencies from 1.8 -
30.0 MHz in Kilohertz, and entries should be made in
kHz.
Example:
14,258.1 kHz
Press ‘1', ‘4', ‘2', ‘5', ‘8', ’.’, ‘1', ‘.’ **
OR Press ‘1', ‘4', ‘2', ‘5', ‘8', ‘.’, ‘1', ‘0' *
If MHz was selected from the menu all frequency
entries should be made in MHz.
Example:
14.2581 MHz
Press ‘1', ‘4', ‘.’, ‘2', ‘5', ‘8', ‘1', ‘.’ **
OR Press ‘1', ‘4', ‘.’, ‘2', ‘5', ‘8', ‘1', ‘0' *
* When the maximum number of allowed digits is
entered, the 7th digit acts as an enter key, and a sec-
ond ‘.’ need not be entered
** The second depression of the ‘.’ key acts as an
‘ENTER’ and causes immediate response to the
entered frequency. If you do not press the decimal ‘.’ a
second time at the end, the receiver will automatically
GETTING STARTED continued
E1MANUAL
enter the frequency after a slight delay.
(C) FM broadcast band enters and displays in MHz
(megahertz) regardless of the RADIO SETTINGS menu
setting. A maximum of 5 digits may be entered for FM.
Examples:
97.7 MHz
Press ‘9', ‘7', ‘.’, ‘7' ‘.’ **
107.7 MHz
Press ‘1', ‘0', ‘7', ‘.’, ’7', ‘.’ **
OR Press ‘1', ‘0', ‘7', ‘.’, ‘7', ‘0' *
Attempting to enter a frequency outside the tuning
range of the etón E1 receiver will cause the ERROR
annunciator to flash and an error beep to be heard.
The receiver will then return to its previous settings.
SHORTWAVE ‘METER' BAND DESIGNATOR ENTRY
To facilitate tuning to particular sections of the short-
wave band that contain many worldwide broadcasts of
news, information and music, the etón E1 receiver per-
mits entry of the ‘METER' band designator. In some
cases, the worldwide broadcast station may not
announce its exact operating frequency, but will
announce the ’METER' band in which it is operating or
to which band it will move to improve worldwide
reception at a particular time of day. By entering this
'METER' band number, the receiver automatically tunes
to the low frequency end of the corresponding
‘METER' band. The search for the new station location
is thus limited to a particular smaller section of the
entire shortwave band spectrum.
The Shortwave Band Designators and corresponding
frequency ranges are as follows:
Low High FreqBand
120 Meter
90 Meter
75 Meter
60 Meter
49 Meter
41 Meter
31 Meter
25 Meter
22 Meter
19 Meter
16 Meter
13 Meter
11 Meter
2300 kHz
3200 kHz
3900 kHz
4750 kHz
5800 kHz
7100 kHz
9500 kHz
11,600 kHz
13,570 kHz
15,100 kHz
17,480 kHz
21,450 kHz
25,600 kHz
2500 kHz
3400 kHz
4000 kHz
5060 kHz
6200 kHz
7600 kHz
9900 kHz
12,100 kHz
13,870 kHz
15,800 kHz
17,900 kHz
21,850 kHz
26,100 kHz
Shortwave Band Designators
SIDE PANEL DESCRIPTION continued
4. ANTENNA HF
This switch selects between the internal TELESCOPIC
antenna and the external antenna connector when
receiving LW, MW, or SW frequency ranges.
5. ANTENNA FM
This switch selects between the internal TELESCOPIC
antenna and the external antenna connector when
receiving the FM Broadcast band (76 - 90 MHz or 87 –
108 MHz).
6. EXT ANTENNA
This PAL type male input connector is designed for an
unbalanced 50 to 75 ohm input connection that is
encountered with coaxial feeds.
7. DC IN 9 V
Connect the AC ADAPTER wall transformer output
cable to this connector. The receiver requires 9 VDC
power at approximately 1 Amp current. With external
DC power applied, the internal batteries are not used.
8. EXT SPEAKER
This 1/8“ monophonic connector provides 1.25 to 3.0
watts audio output for an external 4 to 8 ohm speaker.
9. HEADPHONE
This connector accepts a 1/8" (3.175 mm)
stereo/mono headphone connector. Stereo reception is
possible only in the FM mode. All speaker outputs are
automatically switched off when
GETTING STARTED
GENERAL OPERATING INFORMATION
The etón E1 receiver has been designed for ease of
use. Please take a few moments to read through this
section and familiarize yourself with general operating
information. In this manual, the term AM stands for
Amplitude Modulation, not the commercial AM broad-
cast band of 530 - 1710 kilohertz. When referring to
the commercial AM broadcast band, the term MW
(medium wave) is used.
FIRST STEPS
Please refer to the front panel illustration on page 13
and set the controls as described below.
(1) Install 4 "D" batteries or connect AC ADAPTER.
(2) Fully extend the telescopic antenna and adjust to a
vertical position, or connect an external antenna to
the side panel EXT. ANTENNA jack. Set side panel
‘ANTENNA HF’ and/or ‘ANTENNA FM' switch(es) to
appropriate position(s) (INTERNAL or EXTERNAL).
(3) Press ‘POWER’ and adjust ‘VOLUME’ to a
comfortable level.
(4) Select the desired band by pressing the ‘FM’, ‘SW’
or ‘MW/LW’ softkeys until the desired band is dis
played on the front panel display. The selected
band will be indicated by reverse video on the
display.For example: “MW / LW “.
(5) Enter the desired frequency by using one of several
methods as described in “DIRECT FREQUENCY
ENTRY” or use the ‘TUNING’ knob to tune until
the desired frequency is displayed.
DIRECT FREQUENCY ENTRY
Direct entry of a desired frequency is possible using the
‘Direct-Key-Input’ keys. While entering a frequency, if
an incorrect frequency is entered, pressing the
‘CLEAR/LOCK’ key will clear the entry in progress and
return the receiver to its previous settings. The second
depression of the decimal (.) key acts as an ‘ENTER'
and causes immediate response to the entered fre-
quency. If you do not press the decimal (.) key a sec-
ond time at the end, the receiver will automatically
enter the frequency after a slight delay. Enter frequen-
cy as follows:
(A) The LW and MW (AM broadcast) bands enter and
display in kHz (Kilohertz). A maximum of 6 digits may
be entered.
Examples:
700 KHz
Press ‘7', ’0' , ’0' , ’.’ ,’ .’ **
1290.00 kHz
Press ‘1', ‘2', ‘9', ‘0', ‘.’, ‘0’, ‘0’ *
* When the maximum number of allowed digits is
entered, the decimal point will be automatically placed
between the 1 kHz and .1 kHz digits and need not be
entered.
** The second depression of the ‘.’ key acts as an
‘ENTER’ and causes immediate response to the
entered frequency. If you do not press the decimal ‘.’ a
second time at the end, the receiver will automatically
enter the frequency after a slight delay.
E1_manual_eng_APR06.qrk 5/5/06 10:22 AM Page 22

22 23
all AM (LW, MW and SW) broadcasting generally uses
double-sideband transmission, detection of either of
the two sidebands results in full reception of the trans-
mitted information. The selectable sideband tuning and
detection not only aids reception by permitting tuning
to the stronger or less distorted sideband, but also per-
mits rejection of the sideband nearer to the interfering
signal(s).
The synchronous detector will lock to the strongest sig-
nal that is within the IF passband when it is activated.
Most of the time, the strongest signal will be the carri-
er of the desired signal. First, be sure the main tuning
is set to within 1 kHz of the desired station's transmit-
ing frequency. Press the ‘AM’ softkey after AM is
already selected to activate synchronous operation.
‘AM SYNC’ will briefly flash on and off above the ‘AM’
softkey and will then stop flashing as the AM SYNC
detector locks on to the carrier frequency.
If adjacent channel interference or any other undesired
signal is sufficiently strong, the synchronous detector
may lock to it instead. In that case, press the ‘AM’ soft-
key again to turn the synchronous detector off, and
repeat the tuning process. For severe cases of fading,
set the bandwidth to 4 kHz by pressing the ‘BW’ soft-
key until 4.0 kHz appears above the ‘BW’ softkey. If
interference is present, repeatedly press the ‘SSB’ soft-
key to select whichever of USB, DSB or LSB produces
the least interference once ‘AM SYNC’ has been select-
ed. If the interference is sufficiently severe to prevent
reception, select a narrower IF bandwidth and retune
to the desired signal. After reception is obtained, select
a wider bandwidth and/or alternate sideband if
desired. When ‘AM SYNC’ has been activated, moving
the ‘TUNING’ knob will cause the SYNC circuit to
momentarily disengage (indicated by “AM SYNC”
flashing), then back on again when tuning has
stopped. The PBT control can sometimes help in reduc-
ing adjacent interference. For more details see “PASS-
BAND TUNING” in the next column.
AM SYNC will not operate properly on intermittent
transmissions such as those encountered on CB radio
band. For those types of transmissions, use the AM
mode. Press the ‘AM’ softkey to turn the synchronous
detector off before selecting LSB or USB modes for SSB
operation.
GETTING STARTED continued
E1MANUAL
SSB OPERATION
Tuning in a single sideband (SSB) signal can be some-
what frustrating for the first time listener. In either of
the E1 receiver’s SSB modes, LSB (lower sideband), or
USB (upper sideband), the receiver will select the 2.3
kHz bandwidth automatically. Generally LSB is used
below 10 MHz and USB is used above 10 MHz. When
initially tuning in the desired station, tune slowly. If the
station is unintelligible, try the other sideband, again
tuning slowly. A station tuned in on the wrong side-
band is totally unreadable but a station mistuned on
the correct sideband may sound like ‘Donald Duck’.
Further tuning will result in a more normal voice pitch.
Always start with the ‘PBT’ off when initially tuning
SSB signals.
PASSBAND TUNING
The passband tuning (PBT) feature allows for moving
the IF passband of the receiver relative to the detector
BFO (beat frequency oscillator) when operating in SSB
mode. This can be quite useful in receiving a weak sig-
nal in the presence of nearby interference. Passband
tuning is available on the LW, MW, and SW bands, and
is engaged or disengaged by pressing the ‘PBT’ soft-
key.
PBT status is shown on the display directly above
the softkey.
When it is engaged, the displacement in kilohertz from
the BFO frequency is shown directly above the softkey
label, and the degree of IF passband displacement is
controlled by the PBT knob. When PBT is disengaged,
there will be no information displayed above the ‘PBT’
softkey label, and the PBT knob will have no affect.
To use PBT, tune in the desired SSB signal for best
audio quality as you normally would with PBT off.You
will find that PBT is most effective when the 2.3 kHz IF
bandwidth is used. Then press the ‘PBT’ softkey and
adjust the PBT knob for the best compromise between
minimum adjacent signal interference and acceptable
audio quality of the desired signal.
Enhanced SSB, when engaged (RADIO SETTINGS
Menu, item 1), provides 30 dB of additional rejection
of the undesired sideband through the use of audio
phasing circuitry. Using this in combination with
Passband Tuning can effectively narrow the IF to less
than the 2.3 kHz IF filter.
PBT also functions in AM and AM SYNC modes, but in
these modes it acts primarily as a frequency offset,
which can also be accomplished with the ‘TUNING
knob. When operating in AM SYNC mode, tuning the
GETTING STARTED continued
Press the ‘SW BAND’ softkey to enter the shortwave
band tuning mode. The SW portion of the display indi-
cator will now be in reverse video. Now press the ‘SW
BAND’ softkey a second time.
The display indicator will now appear as “SW BAND”,
and the ‘METER’ number entry prompt on the display
will be flashing. (See #8 on the LCD Display
Description on page 18). At this point, you have
approximately 3 seconds to do one of the following:
(1) You can enter a shortwave band ‘METER’ number
with the ‘Direct-Key-Input’ keys. For example, key
in ‘4', ‘1' for the 41 meter band.
(2) You can scroll through the available meter bands
using the ‘TUNING’ knob or the ‘< SELECT >’ key,
stopping on the desired ‘METER’ band. If you stop
on a “METER” band for more than 3 seconds, the
receiver will tune to that band, the “SW BAND”
indicator will appear as “BAND“, and the
shortwave band SW “METER” prompt will quit
flashing.
To enter a shortwave band ‘METER' designator, press
the ‘SW BAND’ softkey to display a flashing ‘METER'
number entry prompt. The prompt will flash for approx-
imately 3 seconds after the ‘SW BAND’ softkey is
pressed. While it is still flashing, enter one of the listed
two or three digit Band numbers corresponding to the
desired ‘METER' band designator using the ‘Direct-Key-
Input’ keys. While the ‘METER' annunciator is flashing,
the ‘< SELECT >’ keys can also be used to step quickly
from band to band. After selection of the ‘METER’
band, use the ‘TUNING’ knob or ‘< SELECT >’ keys to
change the frequency, or press the ‘Direct-Key-Input’
keys to make a direct frequency entry.
Display *ResolutionMode
MW AM: 10 Hz
100 Hz
1 kHz
MW SSB: 10 Hz
1 kHz
Tuning *Resolution
10 Hz
100 Hz
1 kHz
10 Hz
1 kHz
< SELECT >
10 kHz /
9 kHz
10 kHz /
9 kHz
LW & SW AM 10 Hz
100 Hz
1 kHz
10 Hz
100 Hz
1 kHz
5 kHz
LW & SW SSB 10 Hz
1 kHz
10 Hz
1 kHz
5 kHz
FM 10 kHz
100 kHz
20 kHz
100 kHz
100 kHz
FRONT PANEL LOCK (UNLOCK)
All front panel keys (with the exception of the ‘CLEAR /
LOCK’ key), as well as the ‘TUNING’ knob can be
locked if desired. First, be sure the E1 receiver is not in
T.SCAN or SEEK mode. Press and hold the
‘CLEAR/LOCK’ key which is one of the ‘Direct-Key-
Input’ keys. The “LOCK” and “TUN LOCK” annuncia-
tors will appear indicating the front panel controls are
locked out. ‘‘VOLUME’, ‘BASS’, ‘TREBLE’, and
‘SQUELCH’ are still functional. Press and hold the
‘CLR/LOCK’ key to unlock. The “LOCK” and “TUN
LOCK” annunciators will disappear, indicating the front
panel controls are once again active.The ‘CLEAR /
LOCK’ key may be used even when the radio is off to
lock the ‘POWER’ key to prevent accidental power acti-
vation.
AM SYNCHRONOUS OPERATION
For general tuning and listening, normal AM is best. If,
however,the received signal sounds distorted, or inter-
ference from adjacent stations is present, AM synchro-
nous should be engaged. The synchronous detector in
your receiver can greatly reduce the severe audio dis-
tortion that can occur due to signal fading. The detec-
tor also permits selectable tuning to either the upper
or lower sideband portion of an AM signal. Since most
* Selectable using ‘FAST’ button.
FREQUENCY RESOLUTION
The E1 receive tunes in the following steps:
E1_manual_eng_APR06.qrk 5/5/06 10:22 AM Page 24

24 25
MEMORY DESCRIPTION
The E1 receiver contains 1700 memory channels that
can be used to store and recall commonly monitored
frequencies. The first 500 of these are referred to sim-
ply as MEMORY channels. The remaining 1200 are
referred to as COUNTRY channels. More on COUNTRY
in the next section. The 500 MEMORY channels are
displayed in groups of 10 per screen and each saved
frequency can be stored with an identifying name. They
can be scanned using the SEEK function which can
stop on any stored channel that has a predetermined
signal level, or the MEMORY channels can be scanned
selectively using the T.SCAN function. With MEMORY
channels programmed, you can use the T.SCAN func-
tion to selectively monitor desired MEMORY frequen-
cies. The following operating parameters may be stored
in any MEMORY channel: (1) Frequency, (2) Mode, (3)
Bandwidth, (4) AGC setting, (5) PBT setting, (6)
Synchronous Detector setting.
THE MEMORY DISPLAY
Please refer to the numbered figure above.
1. Channel Frequency
This is the frequency that is stored in the selected
MEMORY channel.
2. MEMORY
This indicator identifies the screen as a MEMORY dis-
play as opposed to a COUNTRY display.
3. Curser
This reverse video segment identifies the selected
MEMORY channel. This Curser is moved up or down
through the ten displayed channels one at a time using
the ‘TUNING’ knob or a page at a time (10 channels)
MEMORY FUNCTIONS
E1MANUAL
using the ‘< SELECT >’ key. If the ‘FAST / TUNING
LOCK’ key is pressed, the ‘TUNING’ knob will scroll
through the channels ten at a time.
4. T
This indicator marks this channel as being one selected
for T.SCAN. T.SCAN searches through all MEMORY and
COUNTRY channels marked with the ‘T’ and will ignore
all others. T.SCAN will stop in any channel marked with
a ‘T’ which has a signal strength greater than the
SQUELCH setting. It will proceed to the next marked
channel either based on a 5 second time interval, or
will stay on the channel on which it stopped until the
‘T.SCAN’ key is pressed again.Which of these T.SCAN
methods is used is determined by setting 2 in the
RADIO SETTINGS menu. The “T” tag is added to or
removed from the MEMORY channel on which the
curser rests by pressing the ‘TAG’ key.
5. Channel Numbers
These numbers identify the memory channels from 1 to
500, ten at a time.When the curser reaches the end of
a group of ten, the numbers displayed advance by ten.
For example if the curser were sitting on 10, and the
right hand ‘< SELECT >’ key was pressed, the curser
would jump to the top of the column with numbers 11
thru 20 displayed.
6. Function Key Labels
These labels, with their associated parameters, disap-
pear if you scroll through a channel that is pro-
grammed on an FM band frequency.
7. MEMORY
The ‘MEMORY’ softkey label appears as “MEMORY”
when the softkey is pressed, indicating that MEMORY
GETTING STARTED continued
PBT knob will cause ‘AM SYNC’ to flash on and off
temporarily until the system once again locks on to the
desired carrier.
FM OPERATION
FM reception is perhaps the easiest mode to use on
the etón E1 receiver. The AGC and BANDWIDTH set-
tings are not used in FM. In fact, all of the function
softkeys along the bottom edge of the display except
the ‘MENU’ softkey have no function on FM and the
labels on the display for these softkeys disappear.
Attempting to use one of these softkeys will result in
an ‘ERROR’ beep. All FM stations in the U.S. end in an
odd 100 kHz, i.e. 97.7 MHz, and are spaced 200 kHz
apart. The etón E1 receiver has the ability to tune in
20 kHz steps to allow tuning in between stations to
help eliminate interference to weaker stations that
could be covered up by stronger adjacent stations.
Additionally, when headphones are used, or if the LINE
OUT jack is fed into an external stereo sound system,
true stereo reception is possible. The ‘STEREO’ indicator
on the display will appear when a stereo station is
tuned in. ‘MONO’ will appear in this location if the
transmitting station is not in stereo, if no signal is
being received, or if MONO is selected from the AUDIO
SETTINGS menu. To select between STEREO and
MONO from the AUDIO SETTINGS menu, proceed as
follows:
• Press the ‘MENU’ softkey.
• Press the ‘Direct-Key-Input’ ‘2' key or press ‘MENU’
two more times. This will access the AUDIO
SETTINGS menu.
• Press the ‘Direct-Key-Input’ ‘1' key to cycle
between MONO and STEREO.
When STEREO is enabled, the receiver will automati-
cally switch to stereo and provide left and right audio
from the HEADPHONE and LINE OUT jacks when a
stereo FM signal is being received. If the headphones
are removed while listening to a stereo broadcast the
receiver will provide monaural audio from the internal
or an external speaker.
AGC OPERATION
The etón E1 receiver provides the ability to select a
SLOW, FAST, or AUTO AGC setting. Each of the three
settings will permit automatic control of the receiver’s
gain thereby producing a constant audio output free of
distortion. Generally, the SLOW AGC setting is pre-
ferred for reception of AM and SSB signals. The FAST
AGC setting allows more rapid automatic receiver gain
adjustment to quickly fading signal levels.The AUTO
setting provides FAST AGC while tuning between sta-
tions to prevent the user from missing weak stations
between strong ones. However, once a station is tuned
in, it automatically switches to SLOW for smoother
audio output. The AGC does not function in the FM
mode.
MICROPROCESSOR RESET
A power-up reset routine will be activated anytime
after the receiver COMPLETELY loses power, from inter-
nal batteries and external DC input. However, short
term power failures of up to 10 minutes are masked by
an internal back-up capacitor. This will allow ample
time for battery replacement without loss of the inter-
nal clock. Note: Any programmed memory channels
and timer settings will NOT be lost under a power-up
reset due to the memory design of the etón E1 receiv-
er.
BEEP TONES
The etón E1 receiver responds to nearly all key depres-
sions with an audible beep unless the beep has been
disabled by means of menu entry 2 in AUDIO SET-
TINGS menu. This menu is accessed by pressing the
‘MENU‘ softkey three times, or by pressing the ‘MENU’
softkey once to access the MAIN MENU, and then
pressing the ‘\Direct-Key-Input’ ‘2' key. No beep is gen-
erated under any condition for depressions of the “ <
SELECT >” keys when in VFO mode. Beep tones indi-
cate the following:
• One short tone for a key depression.
• One short, high tone when storing a MEMORY or
COUNTRY channel.
• One long, low tone for any illegal key depression.
• Four quick beeps at one minute intervals if
batteries are installed, an external power source is
connected, and the external power is lost.
This feature must be enabled from AUDIO SETTINGS
menu item 3. Note that the volume of the beep tones
is controlled by the ‘VOLUME’ control, so if the ‘VOL-
UME’ control is turned all the way down, no beep
tones will be heard.
E1_manual_eng_APR06.qrk 5/5/06 10:22 AM Page 26

26 27
want to receive, you can go to it directly by entering
the number on the ‘Direct- Key-Input’ keypad. If less
than a four digit number is entered, there may be a
slight delay between the time you enter the number
and the time the channel change actually takes place.
However, if you enter a four digit number, the channel
change will occur immediately upon entry of the fourth
number.
Example:
To enter MEMORY channel 475, press ‘0', ‘4', ‘7', ‘5'.
If you want to temporarily change a parameter of a
received MEMORY channel, or simply want to “tune
around” the stored frequency, there are two ways to
do this.
The first is to simply press any of the Function softkeys
below the display which are labeled in reverse video,
or the ‘FM’, ‘SW BAND’, or ‘MW/LW’ softkeys as
appropriate. This will cause the ‘MEMORY’ softkey to
be displayed in normal video, the ‘VFO’ label will be
MEMORY FUNCTIONS continued
E1MANUAL
shown in reverse video, and will allow you to tune the
frequency, change parameters, or change bands. To
return to scrolling through MEMORY channels with the
‘TUNING’ knob, simply press the ‘MEMORY’ softkey
again.
The other method is to press the ‘TUNE’ softkey. This
will return the receiver to the VFO mode and will trans-
fer the MEMORY channel frequency and all associated
parameters to the VFO for further tuning.
DELETING A MEMORY CHANNEL
Select the MEMORY channel to be deleted as
described in “RECALLING A MEMORY CHANNEL”.
Press and hold the ‘DELETE’ key for 3 seconds. A high
pitched beep will be heard to indicate that the con-
tents stored in the selected MEMORY channel number
have been deleted, and you will see the name and fre-
quency disappear from the selected MEMORY channel
location.
COUNTRY FUNCTIONS
COUNTRY DESCRIPTION
The etón E1 receiver contains 1200 memory channels
grouped in a category named “COUNTRY”. These are
in addition to the 500 MEMORY channels described in
the previous section. These 1200 COUNTRY memory
channels are divided among 111 countries from
Afghanistan to Yugoslavia with 10 memory channels
assigned per country and with 90 memory channels
remaining with no country assigned. These COUNTRY
memory channels are numbered from 501 to 1700.
They are displayed in groups of ten, and can be used
to store and recall commonly monitored frequencies.
Unlike the MEMORY channels described previously,
COUNTRY channels cannot have names assigned to
each channel.
While the intention here was to make it easier for the
user to group interesting frequencies by country, any
frequency can be stored in any COUNTRY channel.
MEMORY FUNCTIONS continued
mode has been selected.
8. Meter Band Identifier
Identifies the meter band of the selected SW frequen-
cy. If the channel is an FM broadcast band frequency,
“STEREO” or “MONO” appears in this location.
9. Band Identifier
Indicates whether the memory channel is in the LW,
MW, SW, or FM bands.
10. MHz / kHz
Identifies whether the frequency is displayed in mega-
hertz or kilohertz.
STORING A MEMORY CHANNEL
There are two ways to store a channel. The first is from
VFO mode, and the other is from MEMORY mode.
To store a channel from VFO mode proceed as follows:
(A.) First select the mode and frequency that you wish
to store, as you normally would do in VFO mode.
Make sure you have set all the function parame-
ters to your preference.
(B.) Then press the ‘STORE’ key, followed by the
‘MEMORY’ softkey. This will take you to the
MEMORY screen similar to that shown above
(C.) Use the ‘TUNING’ knob or the ‘< SELECT >’ key
to select the desired blank MEMORY number.
(D.) Press the ‘STORE’ key again. The selected fre-
quency will appear at the selected MEMORY
channel in reverse video, and a flashing white
curser will appear in front of the selected channel
number.
(E.) Within 10 seconds, you must either begin to pro-
gram a name for the desired channel, or press
the ‘STORE’ key again to store the channel with-
out a name or to use the previously stored name.
(F.) To name the channel, while the white curser is
flashing, use the ‘TUNING’ knob to scroll through
the alphanumeric characters until you find the
one you want. Then press the right hand ‘<
SELECT >’ key to advance the curser to the next
position. Repeat this process until you have
entered all the characters you need. Previously
named channels can be revised in a similar man-
ner.
(G.) When you have finished entering the channel
name,press the ‘STORE’ key again. You will hear
a confirming beep and will be returned to the
VFO mode.
To store a memory channel from MEMORY mode, first
enter MEMORY mode by pressing the ‘MEMORY’ soft-
key. Then proceed as follows:
(A.) Select an empty MEMORY channel number using
the ‘TUNING’ knob, or the ‘< SELECT >’ keys.
(B.) Press the Mode softkey for the frequency range
that contains the frequency you wish to store, for
example, ‘FM’, ‘MW / LW’, or ‘SW’. This will cause
the ‘MEMORY’ softkey indicator to return to nor-
mal video, and the pressed Mode softkey indica-
tor will appear in reverse video.
(C.) Use the ‘TUNING’ knob to tune in the desired fre-
quency, and use the Function softkeys (except for
FM mode) to set the parameters as desired.
(D.) Press the ‘STORE’ key. This will take you back to
the MEMORY screen with the curser on the previ-
ously selected MEMORY location. Then press the
‘STORE’ key again. You will see a white curser
flashing within the reverse video curser.
(E.) Within 5 seconds, you must either begin to pro-
gram a name for the desired channel, or press
the ‘STORE’ key again to store the channel with-
out a name.
(F.) To name the channel, while the white curser is
flashing, use the ‘TUNING’ knob to scroll through
the alphanumeric characters until you find the
one you want. Then press the right hand
‘<SELECT >’ key to advance the curser to the
next position. Repeat this process until you have
entered all the characters you need.
(G.) When you have finished entering the channel
name, press the ‘STORE’ key again. You will hear
a confirming beep. The ‘MEMORY’ softkey indica-
tor will return to reverse video, and you will be
able to scroll through all MEMORY channels
using the ‘TUNING’ knob and the ‘< SELECT >’
keys.
RECALLING A MEMORY CHANNEL
To select a specific memory channel, press the ‘MEMO-
RY’ softkey to enter memory mode. This will cause
‘MEMORY’ softkey label to appear in reverse video.
Then use the ‘TUNING’ knob or the ‘< SELECT >’ key
to scroll through the MEMORY numbers. Note that
pressing the ‘FAST / TUNING LOCK’ key will cause the
‘TUNING’ knob to advance through the channels ten
at a time instead of one at a time. For this to occur,
you must start moving the ‘TUNING’ knob within 3
seconds of pressing the ‘FAST / TUNING LOCK’ key.
Pressing the ‘FAST / TUNING LOCK’ key will NOT, how-
ever cause the ‘< SELECT >’ key tuning rate to change.
It will continue to scroll through MEMORY channels
ten channel numbers at a time.
If you know the number of the MEMORY channel you
E1_manual_eng_APR06.qrk 5/5/06 10:22 AM Page 28

28 29
‘STORE’ key again. You will hear a confirming
beep and “COUNTRY STORED” will briefly appear
on the display. The ‘VFO’ softkey indicator will
return to reverse video indicating that normal
VFO mode has been restored.
To store a memory channel from COUNTRY mode, first
enter COUNTRY mode by pressing the ‘COUNTRY’ soft-
key. Then proceed as follows:
(A.) Select an empty COUNTRY channel number using
the ‘TUNING’ knob, or the ‘< SELECT >’ keys.
(B.) Press the ‘TUNE’ softkey. This will return you to the
VFO mode. Select the mode for the frequency
range that contains the frequency you wish to
store. For example, ‘FM’, ‘MW / LW’, or ‘SW
BAND’.
(C.) Use the ‘TUNING’ knob or the ‘< SELECT >’ keys
to tune in the desired frequency, and use the
Function softkeys (except for FM mode) to set the
parameters as desired.
(D.) Press the ‘STORE’ key. This will take you back to
COUNTRY mode with the curser still on the chan-
nel number you selected previously. Press the
‘STORE’ key again. You will hear a confirming
beep and “COUNTRY STORED” will briefly appear
on the display. The ‘VFO’ softkey indicator will
return to reverse video indicating that normal VFO
mode has been restored.
RECALLING A COUNTRY CHANNEL
To select a specific COUNTRY channel, press the
‘COUNTRY’ softkey to enter COUNTRY mode. This will
cause the ‘COUNTRY’ softkey label to appear in
reverse video. Then use the ‘TUNING’ knob or the ‘<
SELECT >’ key to scroll through the COUNTRY numbers.
Note that pressing the ‘FAST / TUNING LOCK’ key
will cause ‘TUNING’ knob to advance through the
channels ten at a time instead of one at a time. For
this to occur, you must start moving the ‘TUNING’
knob within 3 seconds of pressing the ‘FAST / TUNING
LOCK’ key. Pressing the ‘FAST / TUNING LOCK’ key will
NOT, however cause the ‘< SELECT >’ key tuning rate
to change. It will continue to scroll through COUNTRY
channels ten channel numbers at a time.
If you know the number of the COUNTRY channel you
want to receive, you can go to it directly by entering
the number on the ‘Direct- Key-Input’ keypad. If less than
a four digit number is entered, there may be a slight delay
between the time you enter the number and the time the
channel change actually takes place. However, if you enter
a four digit number,the channel change will occur imme-
diately upon entry of the fourth number.
COUNTRY FUNCTIONS continued
E1MANUAL
Example: To enter COUNTRY channel 765, press ‘0',
‘7', ‘6', ‘5'.
If you want to temporarily change a parameter of a
received COUNTRY channel, or simply want to “tune
around” the stored frequency, there are two ways to
do this.
The first method is simply press any of the Function
softkeys below the display which are labeled in reverse
video, or the ‘FM’, ‘SW BAND’, or ‘MW/LW’ softkeys as
appropriate. This will return you to the VFO mode, will
cause the ‘COUNTRY’ softkey to be displayed in normal
video, and will allow you to tune the frequency,
change parameters, or change bands. To return to
scrolling through COUNTRY channels with the ‘TUN-
ING’ knob, simply press the ‘COUNTRY’ softkey again.
The other method is to press the TUNE’ softkey. This
will return the receiver to the VFO mode and will trans-
fer the COUNTRY channel frequency and all associated
parameters to the VFO for further tuning.
DELETING A COUNTRY CHANNEL
Select the COUNTRY channel to be deleted as
described in “RECALLING A COUNTRY CHANNEL”.
Press and hold the ‘DELETE’ key for 3 seconds. A high
pitched beep will be heard to indicate that the con-
tents stored in the selected memory channel number
have been deleted, and you will see the frequency dis-
appear from the selected MEMORY channel number.
CHANGING OR ADDING COUNTRY NAMES
You can add to or modify the country names. To do so
proceed as follows:
• Press the ‘COUNTRY’ softkey and use the ‘TUNING
’knob or ‘< SELECT >’ keys to select the named ten
channel block the name of which you wish to
change or name. Note that each ten channel block
begins with on 1 and ends on 10. For example, 501
- 510, 1691 - 1700. The reverse video curser can be
on any number within the selected block of ten.
• Press and hold the ‘COUNTRY’ softkey for 3
seconds. “EDIT NAME” will appear on the display,
and a flashing curser( “ _ “) will appear.
• Within 3 seconds, use the ‘TUNING’ knob to select
the first letter of the new name, and press the right
‘< SELECT >’ key to advance the curser to the
position of the next letter or number to be added.
•Proceed in this manner until the full name of the
country has been entered.
• When all of the desired alphanumerics have been
added, press the ‘STORE’ key. You will hear a con
firming beep,and “COUNTRY STORED” will appear
briefly on the display.
COUNTRY FUNCTIONS continued
COUNTRY channels can be scanned using the SEEK
function which can stop on any stored channel that
has a predetermined signal level. With COUNTRY
channels programmed with a “T” tag, you can use the
T.SCAN function to selectively monitor desired
COUNTRY frequencies. The following operating
parameters may be stored in any COUNTRY channel:
(1) Frequency, (2) Mode, (3) Bandwidth, (4)
AGC setting, (5) PBT setting, (6) Synchronous
Detector setting.
THE COUNTRY DISPLAY
Please refer to the numbered figure above.
(1) Channel Frequency - This is the frequency that is
stored in the selected COUNTRY channel.
(2) COUNTRY - This indicator identifies the screen as
a COUNTRY display as opposed to a MEMORY
display.
(3) T - This indicator marks this channel as being one
selected for T.SCAN. T.SCAN searches through all
COUNTRY channels marked with the “T” and will
ignore all others. T.SCAN will stop on any channel
marked with a “T” which has a signal strength
greater than the SQUELCH setting. It will proceed
to the next marked channel either based on a 5
second time interval, or will stay on the channel it
stopped on until the ‘T.SCAN’ key is pressed
again. Which of these T.SCAN methods is used is
determined by the setting of item 2 in the RADIO
SETTINGS menu. The “T” tag is added to or
removed from the COUNTRY channel on which
the curser rests by pressing the ‘TAG’ key.
(4) Curser - This reverse video segment identifies the
selected COUNTRY channel. This Curser is moved
up or down through the ten displayed channels
one at a time using the ‘TUNING’ knob or a page
at a time (10 channels) using the ‘<SELECT>’
key. If the ‘FAST / TUNING LOCK’ key is pressed,
the ‘TUNING’ knob and ‘< SELECT >’ keys will
scroll through the channels ten at a time. This is
the way to scroll through all available countries in
minimum time.
(5) Channel Numbers - These numbers identify the
COUNTRY channels from 500 to 1700, ten at a
time. When the curser reaches the end of a group
of ten, the numbers displayed advance by ten. For
example if the curser was sitting on 600, and the
right hand ‘< SELECT >’ key was pressed, the
curser would jump to the top of the column with
numbers 601 thru 610 displayed.
(6) Function Key Labels - These labels, with their asso-
ciated parameters, disappear if you scroll through
a channel that is programmed on an FM band
frequency.
(7) COUNTRY - The ‘COUNTRY’ softkey label appears
as “COUNTRY” when the softkey is pressed, indi-
cating that mode has been selected.
(8) Country Identifier - This label identifies the coun-
try to which the ten displayed channel numbers
are assigned.
(9) Meter Band Identifier - Identifies the meter band
of the selected SW frequency. If the channel is an
FM broadcast band frequency, “STEREO” or
“MONO” appears in this location.
(10) Band Identifier - Indicates whether the memory
channel is in the LW, MW, SW, or FM bands.
(11) MHz / kHz - Identifies whether the frequency is
displayed in megahertz or kilohertz.
STORING A COUNTRY CHANNEL
There are two ways to store a channel. The first starts
from VFO mode, and the other starts from COUNTRY
mode. To store a channel from VFO mode proceed as
follows:
(A.) First press the ‘VFO’ softkey and select the mode
and frequency that you wish to store, as you nor-
mally would do in VFO mode. Make sure you
have set all the function parameters to your
preference.
(B.) Press the ‘STORE’ key and then press the ‘COUN-
TRY’ softkey. This will take you to the COUNTRY
screen similar to that shown on the previous
page.
(C.) Use the ‘TUNING’ knob or the ‘< SELECT >’ key
to select the desired blank MEMORY number.
(D.) Press the ‘STORE’ key again within 5 seconds.
This will store the frequency and its associated
parameters in the selected channel number. You
will hear a confirming beep and will be returned
to the VFO mode.
To store a memory channel from COUNTRY mode, first
enter COUNTRY mode by pressing the ‘COUNTRY’
softkey. Then proceed as follows:
(A.) Select an empty COUNTRY channel number using
the ‘TUNING’ knob, or the ‘< SELECT >’ keys.
(B.) Press the ‘TUNE’ softkey. This will return you to
the VFO mode. Select the mode for the frequency
range that contains the frequency you wish to
store. For example, ‘FM’, ‘MW / LW’, or ‘SW
BAND’.
(C.) Use the ‘TUNING’ knob or the ‘< SELECT >’ keys
to tune in the desired frequency,and use the
Function softkeys (except for FM mode) to set the
parameters as desired.
(D.) Press the ‘STORE’ key. This will take you back to
COUNTRY mode with the curser still on the chan-
nel number you selected previously. Press the
E1_manual_eng_APR06.qrk 5/5/06 10:22 AM Page 30

30 31
E1MANUAL
E1 MENUS continued
MAIN MENU
1. RADIO SETTINGS - Pressing ‘1' takes you to the RADIO SETTINGS menu which allows setting parameters for
enhanced SSB, scan stop mode, FM band frequency range, MW band tuning step size, and whether the SW band is
displayed in kilohertz (kHz) or megahertz (MHz).
2. AUDIO SETTINGS - Pressing ‘2' takes you to the AUDIO SETTINGS menu which allows setting audio related para-
meters including mono / stereo output, entry beep on/off, power loss beep on/off, and squelch muting on/off.
3. SET CLOCKS - Pressing ‘3' takes you to the SET CLOCKS menu. From this menu, the local and GMT clocks can be
set.
4. CLOCK MODES - Pressing ‘4' takes you to the CLOCK MODES menu. This menu allows setting various clock
related parameters including auto clock set on/off, automatic daylight savings time compensation on/off, local time
offset from GMT time, snooze time, and whether or not timers override the lock function.
5. TIMERS - Pressing ‘5' takes you to the TIMERS menu. From this menu the start times, stop times, and memory
channels for both event timers can be set.
6. Unused
7. Unused
8. Unused
9. EXIT - Pressing ‘9' takes you back to the display you were viewing when MENU was pressed. This would be either
the VFO, MEMORY or COUNTRY.
RADIO SETTINGS
The radio settings menu is reached either by pressing the MENU softkey twice, or by pressing ‘1' when the MAIN
MENU is displayed. It appears as shown below.
E1 MENUS
In the following discussion concerning menus, the numbers presented in front of each item refer to the keys on the
Direct-Key- Input keypad. To activate a menu item, simply press the numbered key corresponding to the menu num-
ber. On keys that toggle between two conditions, the selected condition will appear in reverse video.
MAIN MENU
The MAIN MENU is the first menu encountered when the ‘MENU’ softkey (left hand softkey below the display) is
pressed. It appears as shown in the following illustration.
E1_manual_eng_APR06.qrk 5/5/06 10:22 AM Page 32

32 33
E1MANUAL
E1 MENUS continued
AUDIO SETTINGS
The AUDIO SETTINGS menu is reached either by pressing the MENU softkey thre times, or pressing the MENU softkey
once and then pressing the ‘2' key. It appears as shown in the following illustration.
1. AUDIO OUTPUT MONO / STEREO - Pressing ‘1' selects between MONO and STEREO when receiving on the FM
broadcast band. When STEREO is selected, “STEREO” will appear on the VFO, MEMORY, and COUNTRY displays
when an FM stereo signal is being received, and stereo audio will be available from the ‘Headphone’, and ‘Line Out’
jacks. When MONO is selected, “MONO” will appear on the above mentioned displays when receiving any FM broad-
cast signal regardless of whether or not it is transmitting in stereo, and only mono audio output will be available. It is
occasionally advantageous to switch to MONO mode when receiving a weak stereo station because it will reduce the
background noise.
2. ENTRY BEEP - Use the ‘2' key to toggle between beep ON and beep OFF. When beep is ON, beep tones will be
heard when keys are pressed, error conditions exist, or various pieces of information are stored. If beep is OFF, no
tones will be heard under any condition.
3. POWER LOSS BEEP - Use the ‘3' key to toggle POWER LOSS BEEP function between ON & OFF. When ON, this
function produces four beeps in quick succession at one minute intervals when the following conditions exist:
• The receiver has batteries installed.
• The AC Adapter or other external power source is plugged in but is producing no power.
• The receiver is turned on.
• The loudness of the beeps is a function of the ‘VOLUME’ control setting.
4. SQUELCH MUTING OFF / ON - Pressing the ‘4' key toggles between muting ON and OFF. W hen ON is selected,
no audio will be heard from any receiver audio output if the signal strength of the received signal is less than the
SQUELCH setting as observed on the Signal Strength meter and the Squelch setting display. If OFF is selected, signals
(and noise) will be heard regardless of whether or not they exceed the squelch setting. However, the SQUELCH set-
ting will still be the determining factor for whether or not SEEK or T.SCAN stop on a particular signal, regardless of
whether ON or OFF is selected.
5. Unused
6. Unused
7. MAIN MENU - Pressing the ‘7' key returns the user to the main menu as described previously.
8. MORE - Scrolls forward through available menus as described previously.
9. EXIT - Exits the menu loop and returns to the VFO, MEMORY or COUNTRY.
1. ENHANCED SSB OFF / ON - Pressing ‘1' toggles ENHANCED SSB ON and OFF. Enhanced SSB provides 30 Db of
additional rejection of the undesired sideband through audio phasing circuitry, as shown in the following diagram.
Using this in combination with passband tuning can narrow the IF to less than the normal IF filter bandwidth, and
can provide considerable additional help in receiving weak signals in the presence of strong adjacent signals.
2. SCAN STOP MODE TIME / CARRIER - The ‘2' key toggles between TIME and CARRIER. When “TIME” is select-
ed, a T.SCAN will stop on each MEMORY or COUNTRY channel that is marked with a “T” for 5 seconds, and will
then move on to the next marked channel. If CARRIER is selected, a T.SCAN will stop on a carrier that exceeds the
SQUELCH setting and will remain there as long as the carrier strength remains at that level. If the carrier goes away,
or if its strength drops below the squelch setting, the T.SCAN will move on to the next marked channel.
3. FM 76 - 90 MHz / 87 MHz - 108 MHz - Pressing ‘3' toggles the frequency coverage on FM mode between 76 -
90 MHz and 87 - 108 MHz.
4. MW TUNING STEPS 9 / 10 kHz - When listening on the MW (AM broadcast) band, pressing the ‘<’ or ‘>’ ends
of the ‘<SELECT >’ key will tune through the band in either 9 or 10 kHz steps, depending on this setting. In the USA,
broadcast stations are spaced at 10 kHz intervals. However in some other parts of the world, they are spaced at 9
kHz intervals. Therefore, if you are in the USA, select 10 kHz, but if you are in Europe, select 9 kHz. Use the ‘4' key to
toggle between 9 and 10 kHz.
5. SW BAND ENTRY kHz / MHz - Use the ‘5' key to toggle between kHz and MHz. This determines whether fre-
quencies on the SW band (1800 - 30,000 kHz) are displayed in kilohertz or megahertz.
6. POWER LOSS - Use the ‘6' key to toggle between BATTERY and AUTO OFF. When the AC Adapter is plugged in
and powering unit, and AC power is lost, BATTERY keeps the unit running on battery power. AUTO OFF switches the
unit off after 10 seconds to extend battery life.
7. MAIN MENU - Pressing the ‘7' key returns the user to the main menu.
8. MORE - Pressing ‘8' scrolls forward through the available menus. For example, the first press takes you to AUDIO
SETTINGS, then SET CLOCKS, then CLOCK MODES, then TIMERS and then back to the MAIN
MENU.
9. EXIT - Pressing ‘9' takes you back to the display you were viewing when MENU was pressed. This would be either
the VFO, MEMORY or COUNTRY display.
E1 MENUS continued
E1_manual_eng_APR06.qrk 5/5/06 10:22 AM Page 34

34 35
E1MANUAL
E1 MENUS continued
CLOCK MODES
This menu is reached from the SET CLOCKS menu described above by pressing the ‘8' (MORE) key once, or from the
MAIN MENU by pressing ‘4'. It is used to set several parameters pertaining to clock, snooze, and timer operation. It
appears as shown in the following illustration.
CLOCK MODES
1. AUTO CLOCK SET OFF / ON - Pressing ‘1' toggles this function OFF and ON. If this feature is ON, the receiver
searches the available WWV (or WWVH) National Institute of Standards and Technology frequencies for the best sig-
nal. It then uses this signal to set the clocks automatically while the receiver is in the OFF state.
2. AUTO CLOCK DST OFF / ON - Pressing ‘2' toggles between OFF and ON. When this feature is ON, the receiver
automatically sets the Local time to compensate for daylight savings time (DST). W hen it is disabled, it sets the Local
time without daylight savings time compensation, based on the GMT offset, as entered in menu items 3 and 4.
3. LOCAL TIME OFFSET - The ‘3' key selects between a ‘+’ or a ‘-’ offset of the Local time relative to GMT. The
amount of the offset will be the amount entered in menu item ‘4'. This menu item as well as item 4 can be ignored if
you choose to disable AUTO CLOCK SET and set the clocks manually.
4. LOCAL TIME OFFSET - This menu item provides the means of telling the receiver the number of hours of offset
of Local time from GMT. For example, if you live in the eastern USA you are in the Eastern Standard time zone, so the
offset is minus 5 hours. To enter this information, press ‘3' until the ‘-’ appears in reverse video. Then press ‘4'. This
will cause a reverse video window to appear on the menu item 4 line, and the menu item numbers will disappear.
Use the keypad to enter ‘5', ‘0', ‘0' in this reverse video window. Press the ‘STORE’ key to enter this information and
return the menu item numbers.
5. SNOOZE TIME - Repeatedly pressing the ‘5' key toggles the SNOOZE time through 5, 10, 20, or 30 minutes. The
SNOOZE function is activated by pressing the SNOOZE bar on top of the receiver while the receiver is in the ON state.
6. TIMER OVERRIDES LOCK NO / YES - Pressing ‘6’ toggles between whether or not the timer, when enabled,
overrides the locked condition if the radio is locked using the ‘CLEAR/LOCK key.
7. MAIN MENU - Pressing the ‘7' key returns the user to the main menu as described previously.
8. MORE - Scrolls forward through available menus as described previously.
9. EXIT - Exits the menu loop and returns to the VFO, MEMORY or COUNTRY display.
E1 MENUS continued
SET CLOCKS
This menu is reached from the AUDIO SETTINGS menu described above by pressing the ‘8' (MORE) key once, or from
the MAIN MENU by pressing ‘3'. It is used to manually set the GMT and Local clocks. It appears as shown in the fol-
lowing illustration.
SET CLOCKS
1. LOCAL TIME SET - To set Local time, press the ‘1' key. This will cause the menu numbers to disappear, and the
time numbers in the LOCAL TIME SET row to appear in reverse video. Use the ‘Direct-Key-Input’ keypad to enter the
desired time, ignoring the colon. The time entered should be slightly ahead of the actual time to allow yourself ade-
quate time to make the entry. When the actual local time agrees with the time entered, press the ‘STORE’ key. You
will hear a beep, the clock will start, the menu numbers will return, and the entered time will return to normal video.
2. GMT TIME SET - To set GMT time, press the ‘2' key and follow the same procedure as described for setting Local
time. Example: Set GMT to 13:00 hours
• Press the ‘2' key. Menu numbers will disappear and the time entry window for GMT TIME SET will appear in
reverse video.
• To enter 13:00 hours, press ‘1', ‘3', ‘0', ‘0' on the ‘Direct-Key-Input’ keypad.
• When the actual GMT time agrees with the time entered, press ‘STORE’.
• You will hear a confirming beep, the clock will start, the entered time will return to normal video, and the menu
numbers will reappear.
3. Unused
4. Unused
5. Unused
6. Unused
7. MAIN MENU - Pressing the ‘7' key returns the user to the main menu as described previously.
8. MORE - Scrolls forward through available menus as described previously.
9. EXIT - Exits the menu loop and returns to the VFO, MEMORY or COUNTRY.
E1_manual_eng_APR06.qrk 5/5/06 10:22 AM Page 36

36 37
E1MANUAL
1. TIMER 1 - This display entry identifies this menu as being associated with Timer 1.
2. START TIME - This shows the time that Timer 1 is set up to turn on when enabled.
3. STOP TIME - This shows the time that Timer 1 is set to turn off when enabled.
4. Memory or Country channel selected - This menu entry identifies the MEMORY or COUNTRY channel
which was programmed into Timer 1. This is the frequency that will be received when the Timer 1 on time is
reached.
5. DISABLE - Press the ‘DISABLE’ softkey to disable Timer 1.
6. ENABLE - Press the ‘ENABLE’ softkey to activate Timer 1.
7. TIMER 1 - This display entry will appear when Timer 1 has been enabled. It will be present on all menus and dis-
plays as long as Timer 1 is active. If both Timer 1 and 2 are active, it will read “TIMER 1 2". If neither timer is active,
it will not be visible on any menu.
TIMER 1 ENABLE / DISABLE
This menu is used to enable and disable event timer number 1. It is reached by pressing the ‘TIME’ key once. The ON
time, OFF time, and MEMORY or COUNTRY channel shown on this menu must be entered using the TIMERS
menu.
E1 MENUS continued
E1 MENUS continued
TIMERS
This menu is used to set the ON time, OFF time, and associated MEMORY or COUNTRY for
timers 1 and 2. It is reached by pressing the ‘8' (MORE) key from the CLOCK MODES menu or the ‘5' key from the
MAIN MENU. It appears as is shown in the following illustration.
1. TIMER 1 ON TIME - Press ‘1' to set the start time for timer number 1. When ‘1' is pressed, the menu numbers
will disappear, “ENTER NUMBER & PRESS “STORE” TO ENTER” will appear at the bottom of the display, and the
timer 1 start time window will change to reverse video. To set the time, enter the numbers on the ‘Direct-Key-Input’
keypad. When the numbers have been entered, press the ‘STORE’ key. This will cause a beep to be heard, the menu
numbers will reappear, and the timer 1 start time window will change back to normal video, indicating that the start
time has been stored in memory.
Example: Enter a start time of 11:30 for Timer 1
• Press the ‘1' key. Menu numbers will disappear and the time entry window for Timer 1 will appear in reverse video.
• To enter 11:30 hours, press ‘1', ‘1', ‘3', ‘0' on the ‘Direct-Key-Input’ keypad.
• Press the ‘STORE’ key. You will hear a confirming beep, the entered time will return to normal video and the menu
numbers will reappear.
2. TIMER 1 OFF TIME - Press ‘2' to set the off time for timer 1. Proceed in the same manner as in 1 above.
3. TIMER 1 MEM CH - Using the same technique as in 1 and 2 above, key in the number of the MEMORY or
COUNTRY channel that you want the E1 receiver to receive when timer 1 activates.
4. TIMER 2 ON TIME - Press ‘4' to set the start time for timer number 2.
5. TIMER 2 OFF TIME - Press ‘5' to set the off time for timer number 2.
6. TIMER 2 MEM CH - Press ‘6' to set the number of the MEMORY or COUNTRY channel that you want the etón
E1 to receive when timer 2 activates.
7. MAIN MENU - Pressing the ‘7' key returns the user to the main menu as described previously.
8. MORE - Scrolls forward through available menus as described previously.
9. EXIT - Exits the menu loop and returns to the VFO, MEMORY or COUNTRY.
E1_manual_eng_APR06.qrk 5/5/06 10:22 AM Page 38

38 39
E1MANUAL
This display is shown in the following illustration.
LOCAL / GMT TIME SELECT
1. CLOCKS - This identifies the menu as being the CLOCK GMT / LOCAL selection menu.
2. LOCAL - Press this softkey to cause Local time to be shown on all menus and displays.
3. GMT - Press this softkey to cause universal (GMT) time to be shown on all menus and displays.
4. TIMER 1 2 - This indicates that either timer 1, 2, or both are enabled.
5. L / GMT - Indicates that the time displayed is either Local (L) or universal (GMT) time.
E1 MENUS continued
SEEK FUNCTION
DESCRIPTION
The etón E1 incorporates a SEEK function which
allows the user to search for signals in VFO, MEMORY
or COUNTRY mode which have signal strengths that
exceed a predetermined level which the user deter-
mines by the setting of the SQUELCH knob.
VFO MODE
To use SEEK in VFO mode,proceed as follows:
(1)Select the frequency range you would like to scan.
This can be FM, MW, LW, or SW.
(2)Set the SQUELCH control so that the Squelch Level
Indicator (located below the signal strength
indicator) is set at the desired level.
(3)Press the ‘SEEK’ key. The receiver will scan through
the selected band in 5 kHz steps on LW band, 9 or
10 kHz steps on MW band, 5 kHz steps on SW
band, and 200 kHz steps on FM band. Signals that
are strong enough to cause the signal strength
indicator display bars to extend further to the right
than the Squelch Level indicator will cause SEEK to
stop on that signal, and the signal will be heard.
(4)The receiver will remain on that signal until the
‘SEEK’ key is pressed again.
(5)If the receiver continues to SEEK but cannot find a
signal, you may press ‘SEEK’ again to stop the
SEEK.
MEMORY & COUNTRY MODE
To use SEEK in MEMORY and COUNTRY modes, select-
ed frequencies must be programmed into several of
the MEMORY and/or COUNTRY channels.Programming
of MEMORY channels is covered on page 26 and pro-
gramming of COUNTRY channels is covered on page
28. Once MEMORY and/or COUNTRY channels are pro-
grammed as desired, proceed as follows:
(1)Press the ‘MEMORY’ or ‘COUNTRY’ softkey to enter
the desired mode.
(2)Set the ‘SQUELCH’ knob to the desired level. (HINT:
Set the ‘SQUELCH’ control high enough (clockwise)
E1 MENUS continued
TIMER 2 ENABLE / DISABLE
This menu is used to enable and disable event timer number 2. It is reached by pressing the ‘TIME’ key a second
time. The ON time, OFF time, and MEMORY or COUNTRY channel shown on this menu must be entered using the
TIMERS menu. The TIMER 2 ENABLE / DISABLE display appears as shown in the following illustration.
1. TIMER 2 - This display entry identifies this menu as being associated with Timer 2.
2. START TIME - This shows the time that Timer 2 is set up to turn on when enabled.
3. STOP TIME - This shows the time that Timer 2 is set to turn off when enabled.
4. Memory or Country channel selected - This menu entry identifies the MEMORY or COUNTRY channel
which was programmed into Timer 2. This is the frequency that will be received when timer 2 on time is reached.
5. DISABLE - Press the ‘DISABLE softkey to disable Timer 2.
6. ENABLE - Press the ‘ENABLE’ softkey to activate Timer 2.
7. TIMER 2 - This display entry will appear when Timer 2 has been enabled. It will be present on all menus and dis-
plays as long as Timer 2 is active. If both Timer 1 and 2 are active, it will read “TIMER 1 2". If neither timer is active,
it will not be visible on any menu.
LOCAL / GMT TIME SELECT
This menu is used to select whether the clock displayed on all other displays shows time in GMT or Local time. It is
reached by pressing the ‘TIME’ key a third time. Pressing the ‘TIME’ key a fourth time takes the user back to the VFO,
MEMORY or COUNTRY display, whichever was in use when ‘TIME’ was pressed initially.
LOCAL / GMT TIME SELECT
This menu is used to select whether the clock displayed on all other displays shows time in GMT or Local time.It is
reached by pressing the ‘TIME’ key a third time. Pressing the ‘TIME’ key a fourth time takes the user back to the VFO,
MEMORY or COUNTRY display, whichever was in use when ‘TIME’ was pressed initially.
E1_manual_eng_APR06.qrk 5/5/06 10:22 AM Page 40

TIME DISPLAY
The E1 incorporates dual time clocks allowing two 24
hour clocks to be set and maintained. During loss of
AC power, or during battery changing, clock operation
is maintained for a period of approximately 10 min-
utes, if the receiver has been connected to an AC
power source or had the batteries installed. The two-
event timer functions are also derived from the dis-
played clock. Therefore the clocks must be set first for
proper TIMER operation, and the clock selected for dis-
play must be the same one (GMT or Local) for which
the timers are programmed.
TIMER settings are stored in non volatile memory and
are maintained regardless of how long power has
been removed. When the receiver is in the ON state,
the time is displayed in the upper right hand corner of
the display, regardless of which menu or operating
mode is selected. When the receiver is in the OFF state,
the time is displayed prominently in the upper portion
of the display, and if either timer is enabled, timer set-
tings are displayed in the bottom portion of the display.
If the time in any menu or display is observed to be
flashing on and off at one second intervals, this is an
indication that the selected clock is not set.
Selecting between Local time and GMT time is accom-
plished by pressing and releasing the ‘TIME’ key three
times. This will bring up the CLOCKS menu, which
allows the user to press the softkey along the right
hand side of the display labeled GMT or LOCAL. When
the receiver is in the OFF state, pressing the ‘TIME’ key
will toggle between Local and GMT.
SETTING 24 HOUR CLOCKS AUTOMATICALLY
The etón E1 has the capability of setting both the
GMT and Local clocks automatically. To do this, the
receivers must be operating from the AC ADAPTER.
Reception must bo form one of the five available WWV
or WWVH National Institute of Standards and
Technology stations with a good quality signal. These
stations are located at 2500.0, 5000.0, 10,000.0,
15,000.0, and 20,000.0 kHz. In addition, several items
on the CLOCK MODES menu must be set properly. To do
this proceed as follows:
(1) With the receiver turned on, press the ‘MENU ‘ soft
key which will activate the MAIN MENU. Then
press the ‘4' key on the ‘Direct-Key-Input’ keypad,
to activate the CLOCK MODES menu.
(2) Item 1 on the CLOCK MODES menu reads: “AUTO
CLOCK SET OFF / ON ”. You will note that either
“ON” or “OFF” is shown in reverse video. Pressing
‘1' on the ‘Direct-Key-Input’ keypad, will toggle the
reverse video curser between “ON” and “OFF”. If
necessary, press the ‘1' key to move the curser to
“ON”.
(3) Item 2 on the menu reads: “2 AUTO CLOCK DST
OFF / ON”. Pressing the ‘2' key on the ‘Direct-Key-
Input’ keypad will toggle the curser between
“OFF” and “ON”. You should leave this on “ON” if
you live in a location that has daylight savings time
(DST). If you live in a location that does not have
DST, then you should select “OFF”. (DST applies
only in North America). Note that automatic update
of Daylight Savings Time at the transition date
through WWV or WWVH requires a good signal
and that the receiver be in the OFF state.
(4) Item 3 on the menu reads: “LOCAL TIME OFFSET - /
+”. This refers to whether or not your Local time is
less than or greater than GMT. For example, the
Western hemisphere is less than GMT and the
Eastern hemisphere is greater. Therefore,if you
lived in the Western hemisphere,you would use the
‘3' key to toggle the curser to ‘- ‘
(5) Item 4 on the menu reads: “LOCAL TIME OFFSET
00:00 HOURS”. This refers to how much your Local
time is offset from GMT. For example, in the
Eastern USA, the time offset is 5:00 hours.
• To make this setting, press ‘4' on the ‘Direct-Key-
Input’ keypad. This will cause the menu item
numbers to disappear,and the time entry for item 4
to be displayed in reverse video.
• Use the ‘Direct-Key-Input’ keypad keys to enter the
desired offset, ignoring the colon. For example,for
5:00 hours press ‘0', ‘5', ‘0', ‘0'. Line 4 of the dis
play will then read: “LOCAL TIME OFFSET 5.00
HOURS”.
• Then press the ‘STORE’ key to store the entry.You
will hear a beep, the menu item numbers will reap
pear,and the reverse video curser will disappear.
• Press the ‘9' key to exit the menu and return to
normal operation.
Note that on the E1, for the clocks to automatically
set, the receiver must be receiving power through the
AC Adapter and must be in the OFF state. The clocks
will not set automatically when operating from batter-
ies. While in the OFF state, it will search for the WWV
or WWVH signal that is the strongest, and will then
use it to set the clocks. Allow at least 15 minutes for
the clocks to set. This could take considerably longer
under weak signal conditions.
SETTING THE 24 HOUR CLOCKS MANUALLY
If you are not in a location where adequate signal
quality can be obtained on one of the WWV or WWVH
signals,the Local and GMT clocks will need to
40 41
E1MANUAL
CLOCK AND TIMER FUNCTIONS
that signals breaking the squelch are not noisy.)
(3)Press the ‘SEEK’ key. The receiver will step through
all programmed MEMORY or COUNTRY locations
until it finds a signal that exceeds the squelch
setting. It will stop on that signal and will stay there
until the ‘SEEK’ key is pressed again.
SEEK FUNCTION continued
T.SCAN FUNCTION
DESCRIPTION
The T.SCAN function of the etón E1 allows the user to
mark numerous channels in the MEMORY, and/or
COUNTRY, memories for selective scanning. Once the
channels are marked, pressing the T.SCAN key when in
MEMORY or COUNTRY mode will cause the unit to
scan through each of the marked channels in that
mode, and to stop on each one which has a signal
strength greater than a predetermined level which the
user determines by the setting of the SQUELCH knob.
The user then has two options as to how the T.SCAN
will proceed. It can remain on the marked channel as
long as the signal level exceeds the SQUELCH setting,
or it can remain on the channel for 5 seconds and then
resume the scan regardless of signal level. The selec-
tion of which of these options is chosen is made from
the RADIO SETTINGS menu, item 2 by selecting either
TIME or CARRIER. The T.SCAN function works on
MEMORY and COUNTRY modes. It does not work on
the VFO mode.
Therefore, if T.SCAN is enabled, the scan will proceed
through marked channels in CATEGORY or FAVORITES
mode, whichever is currently active when the ‘T.SCAN’
key is pressed, and will remain on each one for
approximately five seconds, regardless of whether TIME
or CARRIER is selected on the RADIO SETTINGS menu
item 2.
MARKING CHANNELS FOR T.SCAN
This discussion assumes that the user has already pro-
grammed numerous channels in MEMORY or COUN-
TRY modes.Programming in MEMORY and COUNTRY
modes is covered on pages 26 and 28 respectively.
(1) Select either MEMORY or COUNTRY mode.The
choice will depend entirely on the user’s preference
and the number of channels programmed in MEM-
ORY or COUNTRY modes.
(2) Using the ‘TUNING’ knob or the ‘< SELECT >’ key,
scroll through the programmed MEMORY or
COUNTRY channels until the reverse video curser is
on the one you want to mark for scan.
(3) To mark the channel for T.SCAN, press the ‘TAG’
key. (Number 11 on the Front Panel Description
drawing on page 13.) You will hear a beep tone
and see a “T” appear to the left of the channel
number.
UNMARKING T.SCAN CHANNELS
(1) To exclude a marked channel from a T.SCAN, select
that channel in MEMORY or COUNTRY modes
as described previously.
(2) With the reverse video curser on the selected chan-
nel, simply press the ‘TAG’ key again. You will hear
a beep tone and see the “T” disappear from the
left of the selected channel number.
SELECTING THE SCAN STOP METHOD
(1) Press the ‘MENU’ softkey twice to bring up the
RADIO SETTINGS menu.
(2) Note that item 2 on the RADIO SETTINGS menu
reads: “2 SCAN STOP MODE TIME / CARRIER” OR
“2 SCAN STOP MODE TIME / CARRIER”
(3) Repeatedly pressing the ‘2' key on the ‘Direct-Key-
Input’ keypad will cause the reverse video curser to
toggle back and forth between “TIME” and “CAR-
RIER”. Leave the curser on the desired option, and
press ‘9' to exit the menu.
(4) If “TIME” is chosen, the scan will stop on a channel
that has a signal strength that exceeds the
SQUELCH setting, will remain there for 5 seconds,
and will resume scanning. If CARRIER is chosen,
the scan will stop on a carrier that has a signal
strength that exceeds the SQUELCH setting, and
will remain there until the carrier strength drops
below the squelch setting.
INITIATING AND STOPPING THE T.SCAN
(1) Once desired channels have been marked and the
SCAN STOP method has been selected, the T.SCAN
can be initiated by pressing the ‘T.SCAN’ key. This
will initiate the scan and will cause the “MEMO-
RY” or “CHANNEL” entry on their respective dis-
plays to be replaced with “SCAN”
(2) To stop a T.SCAN, simply press the ‘T.SCAN’ key
again. This will cause the scan to stop and the
“MEMORY” or “COUNTRY” labels on their respec-
tive displays to return, replacing “SCAN”.
E1_manual_eng_APR06.qrk 5/5/06 10:22 AM Page 42

SETTING TIMER ON/OFF TIMES
Enter the TIMERS menu by pressing the ‘MENU’ key to reach MAIN MENU, and then pressing the ‘5' key on the
‘Direct-Key- Input’ keypad. This brings up the TIMERS menu as shown below.
TIMERS
(1) Press ‘1' on the ‘Direct-Key-Input’ keypad. This will cause the menu numbers on the left to disappear and the ON
time entry for TIMER 1 will turn to reverse video, as shown here: “TIMER 1 ON TIME 11:30“
(2) Key in the desired ON time for TIMER 1, ignoring the colon. For example,for an ON time of 18:41, press the
following keys: ‘1', ‘8', ‘4', ‘1'. The TIMER 1 ON TIME curser will now show “18:41”.
(3) Press ‘STORE’ to save the TIMER 1 ON time in memory. You will hear a beep, the reverse video window will
change to normal video, and the menu numbers will return.
To set the OFF time for TIMER 1, select item 2 from the menu by pressing ‘2' on the ‘Direct-Key-Input’ keypad and
follow the same procedure as you used to set ON time.
SETTING A WAKE OR SLEEP TIMER
If you want a timer to act as a wake timer only, you would program an ON time and clear an OFF time. This will
cause the receiver to turn on at the designated time and stay on until turned off manually.
If you want the timer to act as a sleep timer only,you would clear any existing ON time and program an OFF time.
This will cause the receiver to turn off at a designated time and stay off until turned on manually.
To program only an off time, or only an on time, clear the unwanted time on the selected timer as follows:
(1) Select the timer ON time or OFF time to be cleared by pressing the ‘Direct-Key-Input’ keypad key corresponding to
the menu number of the desired timer ON time or OFF time. This will cause the menu numbers to disappear and a
reverse video curser to appear on the selected timer ON time or OFF time.
(2) Press the ‘CLEAR/LOCK’ key on the ‘Direct-Key-Input’ keypad. This will cause the numbers in the reverse video
curser to disappear. Only the colon will remain.
(3) Press ‘STORE’. This will cause the reverse video curser to disappear, a beep will be heard, the menu numbers will
reappear, and the null time information will be stored in memory.
SETTING TIMER MEMORY CHANNELS
To set the memory channel on the E1 receiver which will be activated by TIMER 1, press ‘3' on the ‘Direct-Key-Input’
keypad, and then key in the number of the MEMORY or COUNTRY channel. For example, assume you want TIMER 1 to
activate COUNTRY channel 1460.
42 43
E1MANUAL
CLOCK AND TIMER FUNCTIONS continued
CLOCK AND TIMER FUNCTIONS continued
be set manually. This is accomplished using the SET
CLOCKS menu. To reach this menu, the unit must be in
the ON state. Then press the ‘MENU’ softkey. This will
bring up the MAIN MENU. From the MAIN MENU,
press the ‘3' key on the ‘Direct-Key-Input’ keypad. This
will activate the SET CLOCKS menu.
Setting Local Time
(1) To set the Local time, press the ‘1' key. This will
cause the numbers along the left side of the SET
CLOCKS menu to disappear, and the time shown to
the left of the ‘LOCAL TIME SET’ line on the menu
to appear in reverse video. Example: “ LOCAL TIME
SET 00:00”
(2) Using the ‘Direct-Key-Input’ keypad, key in the
desired time, ignoring the colon. (HINT: Key in a
time about one minute ahead of the actual time.)
Example: For 16:05, press in sequence ‘1', ‘6', ‘0',
‘5'. The Local time set line on the display will now
appear as: “ LOCAL TIME SET 16:05"
(3) When the actual time agrees with the displayed
time, press the ‘STORE’ key. This will cause a beep,
the entered time will now be shown in normal
video,the menu numbers will return, and the clock
will begin running. Line 1 of the MENU will now
look like the following: “1 LOCAL TIME SET 16:05"
(4) To exit the SET CLOCKS menu, press the ‘9' key on
the ‘Direct-Key-Input’ keypad.
Setting GMT Time
Access the SET CLOCKS menu as described in the previ-
ous section.
(1) To set GMT, press the ‘2' key. This will cause the
numbers along the left side of the MENU -CLOCKS
menu to disappear,and the time shown to the left
of the “GMT TIME SET” line on the menu to
appear in reverse video. Example: “GMT TIME SET
00:00”
(2) Using the ‘Direct-Key-Input’ keypad, enter the
desired time, ignoring the colon. (HINT: Key in a
time about one minute ahead of the actual time.)
Example: For 21:05, press in sequence ‘2', ‘1', ‘0',
‘5'. The Local time set line on the display will now
appear as: “ GMT TIME SET 21:05".
(3) When the actual time agrees with the displayed
time, press the ‘STORE’ key. This will cause a beep,
the entered time will now be shown in normal
video, the menu numbers will return, and the clock
will begin running. Line 2 of the MENU will now
look like the following: “2 GMT TIME SET 21:05".
(4) To exit the SET CLOCKS menu, press the ‘9' key on
the ‘Direct-Key-Input’ keypad.
NOTE: If the AUTO CLOCK SET is left in the ON state,
then manual setting of the clock may result in only a
temporary change of the time settings
.
TIMER OPERATION
The E1 includes two programmable event timers allow-
ing the receivers to turn ON or OFF at preset times. The
timers may be used separately or together and may
recall a currently displayed frequency, MEMORY channel,
COUNTRY channel, or a combination of those. In addi-
tion, programming only an OFF time provides a Sleep
timer, and programming only an ON time provides a
Wake timer.
Note that the timers, when activated, respond to the
last displayed clock. Programming the timers is a three
step process. Step one is to set the ON time, and step 2
is to assign the OFF time. Step three is to assign a
MEMORY or COUNTRY channel to a timer.
E1_manual_eng_APR06.qrk 5/5/06 10:22 AM Page 44

ENABLING/DISABLING TIMER OPERATION
Press the ‘TIME’ button. This will activate the TIMER 1 display. It will appear as shown in the “ENABLING/DISABLING
TIMER” illustration which follows.
ENABLING/DISABLING TIMER
This display shows the start time and stop time set for TIMER 1 as well as the MEMORY or COUNTRY menu number, fre-
quency, and name (if any) programmed in for the TIMER 1 MEM CH.
To enable TIMER 1, press the ‘ENABLE’ softkey. This will cause “TIMER 1" to appear in the upper right hand corner of
this display (as well as all other displays and menus), indicating that TIMER 1 is enabled.
To disable TIMER 1, press the ‘DISABLE’ softkey. If TIMER 1 was the only one enabled, “TIMER 1" will disappear from
the display. If TIMER 2 was also enabled, only the ‘1' will disappear. If both timers are enabled you will see “TIMER 1
2"in the upper right hand corner of this and all other displays and menus.
To enable or disable TIMER 2, press the ‘TIME’ key again.This will activate the TIMER 2 display. This display is identical
to the TIMER 1 display except for its name. Follow exactly the same procedure to enable or disable TIMER 2.
To return to normal operation from the TIMER 2 display, press the ‘TIME’ key twice. The first press will take you to the
CLOCKS display, and the second will take you back to the VFO, MEMORY or COUNTRYdisplay.
Note that repeatedly
pressing the ‘TIME’ key will cycle through the TIMER 1, TIMER 2, CLOCKS, and normal screens.
SPECIAL USE FEATURES AND FUNCTIONS
The etón E1 receiver has several special features that
are referred to in the main body of this USE AND CARE
GUIDE, but may require additional explanation.
LOCK ALL ENTRY TO KEYPAD
The receiver front panel keys with the exception of the
‘CLEAR/LOCK’ key may be locked or disabled by pressing
and holding the ‘CLEAR/LOCK’ key for 3 seconds. Press the
‘CLEAR/LOCK’ key and hold for 3 seconds.An acknowl-
edging beep will be heard, and both “LOCK” and “TUN
LOCK” will appear on the front panel display after 3 sec-
onds to indicate that the front panel keys and ‘TUNING’
control are locked.
Press the ‘CLR/LOCK’ again for 3 seconds to unlock the
front panel keys and ‘TUNING’ control.The beep will again
be heard when the key is pressed and the “LOCK” and
“TUN LOCK” indications on the front panel display will
disappear after 3 seconds, indicating that the ‘TUNING’
control and front panel keys have been released.
44 45
E1MANUAL
CLOCK AND TIMER FUNCTIONS continued
CLOCK AND TIMER FUNCTIONS continued
• Press ‘3' for “TIMER 1 MEM CH”. You will see a reverse video curser appear.
• Press ‘1', ‘4', ‘6', ‘0'.
• You will see “TIMER 1 MEM CH 1460“.
• Press the ‘STORE’ key to save this entry in memory.
• You will hear a beep, the reverse video curser will go away, the menu numbers on the left will return, and the
entered COUNTRY channel will be stored in the TIMER 1 memory.
MENU – TIMERS
If it is desired to set TIMER 2, use the same procedure as that for TIMER 1. If you want TIMER 1 or TIMER 2 to turn
on the receiver to what ever frequency was tuned in last, simply clear the channel information from the respective
TIMER 1 MEM CH or TIMER 2 MEM CH as follows:
• Press the TIMERS menu ‘3' or ‘6' as desired on the ‘Direct-Key-Input’ keypad.This will cause the selected menu line
to display a reverse video curser, and the menu line numbers will disappear. Assuming menu item 3 for TIMER 1
was selected, the line will appear as follows: “TIMER 1 MEM CH 1460“.
• Press the ‘CLEAR / LOCK’ key on the ‘Direct-Key-Input’ keypad.This will produce a beep and will cause any numbers
in the reverse video curser to disappear.
•Press the ‘STORE’ key. This will cause another beep, the menu numbers will reappear, the reverse video curser will
disappear,and this null information will be stored in memory,Use this same procedure if you choose to store null
information for TIMER 2. To exit the timer menu and go back to a normal operating mode, press ‘9' on the ‘Direct-
Key-Input’ keypad.
E1_manual_eng_APR06.qrk 5/5/06 10:22 AM Page 46

• Pressing the ‘LIGHT’ key when the receiver is OFF
will cause the display illumination to be toggled
between being on and off. The LCD display and
any illumination will turn off after 10 seconds.
When the unit is OFF, pressing the ‘TIME’ key once
will activate the LCD “TIME” display and
additional presses of the ‘TIME’ key will cycle the
“TIME” display between Local and GMT. If any dis
play illumination was selected when the unit was
last in the ON state, Dim display lighting will be
turned on with the first press of the ‘TIME’ key
along with the LCD display. Both illumination and
the LCD display will turn OFF ten seconds after the
last press of the ‘TIME’ key. When the receiver is
ON, and either Dim, Medium, or Bright
backlighting is selected, the illumination will turn
OFF ten seconds after the last control input.
Changing any control setting other than
‘SQUELCH’, ‘TREBLE’, ‘BASS’, or ‘VOLUME’ will
cause the display to come back ON and remain ON
for ten seconds after the last control setting
change and then turn back OFF. This “time out”
feature can be disabled by holding down the
‘LIGHT’ key for three seconds. You will hear a
confirming beep. This will cause the illumination to
stay ON until the receiver is turned OFF. However,
the user should keep in mind that this mode of
operation will result in a considerable reduction in
battery life. The illumination timeout feature can be
re-enabled in one of two ways.
• Hold down the ‘LAMP’ key for three seconds. A
beep will be heard, confirming that the feature has
been enabled.
• Turn the receiver ‘POWER’ OFF and back ON.
46 47
E1MANUAL
SPECIAL USE FEATURES AND FUNCTIONS continued
SPECIAL USE FEATURES AND FUNCTIONS continued
This control can also be used when the receiver is
turned off. Press ‘CLEAR/LOCK’ for 3 seconds. A mes-
sage will appear confirming lock. If power is then
pressed, a “Press CLEAR/LOCK for 3 seconds to
unlock” message will appear. The user must perform
this action before the ‘POWER’ key will allow the
receiver to be turned on.
BROADCAST BAND TUNING STEP SIZE
In the AM broadcast band, the E1 receiver increments
the frequency in 10 kHz steps when pressing the ‘<
SELECT >’ keys. The 10 kHz step size is practical for
tuning the U.S. and Canadian broadcast bands.
However, the step size can be changed to 9 kHz to
permit practical tuning of European broadcast stations.
The tuning step size is held in nonvolatile memory and
thus is not lost during power failure or battery changing.
To select the alternate step size:
Press the ‘MENU’ softkey to activate the MAIN MENU.
Then press ‘1' on the ‘Direct-Key-Input’ keypad. This
will take you to the RADIO SETTINGS menu. On that
menu, item number 4 reads as follows:
“4 MW TUNING STEPS 9 / 10 kHz”
Pressing ‘4' on the ‘Direct-Key-Input’ keypad will tog-
gle the reverse video curser between 9 kHz and 10
kHz. Leave the curser on the desired MW band step
size. If the step size was 10 kHz prior to performing
the above procedure, then the 9 kHz step size for the
broadcast band is now programmed. To change back
to 10 kHz, repeat the same procedure. To exit the
RADIO SETTINGS menu, press ‘9' (EXIT) on
the ‘Direct-Key-Input’ keypad.
DELETE ALL MEMORY OR COUNTRY CHANNELS
The following procedure will delete either all MEMORY
or all COUNTRY channels.
• Place the receiver in either MEMORY or COUNTRY
mode by pressing the ‘MEMORY’ or ‘COUNTRY’
softkeys.
• Press ‘POWER’ to power down the receiver.
• Press the ‘POWER’ key again and hold.
• While holding the ‘POWER’ key, press the ‘MEMORY’
or ‘COUNTRY’ softkey for two seconds.
• This will cause the message “DELETE PAGE ?” to
appear on the display. You can now release the keys.
• If you hadn’t already pressed ‘MEMORY’ or ‘COUN-
TRY’ you can do so now.
• While the “DELETE PAGE ?” message is still visible,
press the ‘DELETE’ key for two seconds to delete
the page.
Note that if the “DELETE PAGE ?” message disappears
from the display before you press the ‘DELETE’ key, you
must start over.
DELETE ALL MEMORY AND COUNTRY CHANNELS
If it is desired to delete all MEMORY AND COUNTRY
channels in one operation, proceed as follows:
• Place the receiver in either MEMORY or COUNTRY
mode by pressing the ‘MEMORY’ or ‘COUNTRY’
softkey.
• Turn the receiver off by pressing the ‘POWER’ key.
• Press and hold the ‘POWER’ key.
• Press the ‘DELETE’ key for two seconds while still
holding down the ‘POWER’ key.
• This will cause the message “Are you really sure you
want to delete the program information in all 1700
memory channels?” to appear.
• While this message is still displayed, press the
‘DELETE’ key for two seconds to clear MEMORY and
CHANNEL memories.
DISPLAY LIGHTING
With AC Adapter
When the unit is operating from the external AC
adapter or other DC power source and is turned OFF,
the display lighting will revert to one of the following
states.
• If Dim, Medium, or Bright was selected using the
‘LIGHT’ key when the unit was ON, the display will
be Dim when the unit is turned OFF.
• If no backlighting was selected using the ‘LIGHT’
key when the unit was ON, the display will not be
illuminated when the receiver is turned OFF.
• When the receiver is in the OFF state, the display
illumination can be toggled on and off with the
‘LIGHT’ key. If toggled on, the illumination will
remain on indefinitely.
Regardless of display lighting, the LCD display will
remain ON, displaying the time indefinitely, and can be
switched between Local and GMT time using the
‘TIME’ key.
With Batteries Only
When the receiver is turned OFF when operating from
batteries the display lighting will do one of the following.
• If Dim, Medium, or Bright was selected using the
‘LIGHT’ key when the unit was ON, the display will
be Dim when turned OFF, and will remain lit dis
playing Local or GMT time for ten seconds, after
which both the Dim lighting and the LCD “TIME”
display will turn off.
• If no backlighting was selected using the ‘LIGHT’
key when the unit was ON, the display will not be
illuminated when the receiver is turned OFF. The
LCD display will show Local or GMT time for ten
seconds and then turn OFF.
E1_manual_eng_APR06.qrk 5/5/06 10:22 AM Page 48

Program ON/OFF timers (starting 53) • Press MENU to activate MAIN MENU
• Press ‘5' to activate TIMERS menu.
• Press ‘1' and set TIMER 1 ON time using Keypad.
• Press ‘STORE’ to save.
• Press ‘2' and set TIMER 1 OFF time using keypad.
• Press ‘STORE’ to save.
• Press ‘3' and set TIMER 1 Memory Channel using key-
pad and press ‘STORE’ to save.
• Repeat for TIMER 2 using menu entries 4, 5, and 6.
•Press ‘9' to exit menu.
Activate (Enabling) Timer (page 56) • Press ‘TIME’ to activate TIMER 1 menu.
• Press ‘ENABLE‘ to activate.
• Press ‘TIME’ again to activate TIMER 2 menu.
• Press ‘ENABLE’ to activate.
• Press ‘TIME’ again twice to return to normal operation.
• TIMER 1 and/or 2 will be displayed below the clock to
indicate activation.
Lock (or Unlock) Controls (page 56) • Press and hold ‘CLR/LOCK’ until “LOCK” is displayed
(extinguishes).
•Pushbuttons (except POWER) and ‘TUNING’ knob are
inactive (active).
Display light On/Off (page 57) • Press ‘LIGHT’ to scroll display lighting through bright,
medium, dim and off.
Disable Beep (page 25) • Press ‘MENU’ to enable MAIN MENU.
•Press ‘2' to enable the AUDIO SETTINGS menu.
• Press ‘2' to toggle Beep on and off.
• Press ‘9' to exit menu.
MEMORY FUNCTIONS
• Store MEMORY Channel (page 26)
• Store COUNTRY Channel (page 28)
• Select frequency,bandwidth, AGC and mode.
• Press ‘STORE’. This will activate MEMORY or COUNTRY
memory mode.
• Press MEMORY or COUNTRY to select your preference.
• Select an empty location using ‘TUNING’ or ‘< SELECT >’.
• Press ‘STORE’ to save.
•If in MEMORY mode, use ‘TUNING’ and ‘< SELECT >’ to
assign name, and press STORE again.
• Recall MEMORY Channel (page 26)
• Recall COUNTRY Channel (page 28)
• Press ‘MEMORY’ or ‘COUNTRY’.
• Use ‘TUNING’ and/or ‘< SELECT >’ to select desired
memory channel.
Select MEMORY or COUNTRY Channel
for T.SCAN (page 51)
• Recall a MEMORY or COUNTRY channel as above.
•Press ‘TAG’ to mark the channel for T.SCAN.
• Set SQUELCH to desired level.
• Press ‘T.SCAN’ to activate scan.
• Delete a MEMORY Channel (page 28)
• Delete a COUNTRY Channel (page 30) • ‘Select a MEMORY or COUNTRY channel to delete as
described above.
• Press and hold ‘DELETE’ for 3 seconds. A high pitched
beep will be heard and listed channel will be deleted.
Quick Reference Guide continued > > >
48 49
E1MANUAL
QUICK REFERENCE GUIDE continued
QUICK REFERENCE GUIDE
QUICK REFERENCE GUIDE
The symbol indicates that the key is to be
pressed within three seconds.
Select normal frequency display (VFO) (page 19 item 20) • Press ‘VFO’
Select normal frequency display (VFO) (page 19 item 21,
22, 23)
• Press ‘FM’, SW, MW or LW softkeys to select FM
Broadcast, Shortwave,AM Broadcast or Long Wave
bands. When in Shortwave mode, press ‘SW’ two or
three digit entry from ‘Direct-Key-Input’ keypad for
Shortwave Meter band designation.
Adjust Frequency (page 21) • Select Band. Turn ‘TUNING’ knob, Press ‘< SELECT >’
keys, use ‘Direct-Key-Entry’ keypad.
Select Mode (page 22-25) • Press ‘AM’ for displayed ‘AM’
• Press ‘AM’ again to toggle to ‘AM SYNCH’
• Press ‘SSB’ to scroll between ‘USB’, ‘LSB’ and DSB
when ‘AM SYNCH’ is displayed.
• Press ‘FM’ as required to display ‘FM’.
•Press ‘SSB’ to select SSB mode. (AM SYNC must be
off. To turn off, press AM).
Select AM SYNC (page 23) • With unit in ‘AM’ mode, press ‘AM’ again. ‘AM SYNC’
will flash and then lock on.
Select Bandwidth (page 19, item 13) • Press ‘BW’ for displayed ‘7.0', ‘4.0' or ‘2.3' kHz (not
active in FM).
Select AGC (page 19, item 12) • Press ‘AGC’ for displayed ‘SLOW’, ‘FAST’, or AUTO (not
active in FM).
DX (preamplifier) On or Off (page 15 item 16) • Press ‘DX’ for displayed ‘DX’ or blank.
Set Time (page 52) • Press ‘MENU’ to display MAIN MENU. Then press ‘3’ to
display SET CLOCKS display.
• Press ‘1', set Local time using keypad, and press
STORE to start clock.
•Press ‘2', set GMT time using keypad and press
‘STORE’ to start clock.
• Press ‘9' to exit SET CLOCKS display
Display GMT or Local Time (page 48) • Press ‘TIME’ key 3 times.
• Press GMT or LOCAL softkey to select.
•Press ‘TIME’ key again to exit menu.
• Time is always displayed in upper right corner when
on, and in center of display when off.
Quick Reference Guide continued > > >
3
E1_manual_eng_APR06.qrk 5/5/06 10:22 AM Page 50

AC Input - Alternating Current power source available
at wall outlet sockets.
AM - Signals in which the information is conveyed by
amplitude changes of the signal. Amplitude
Modulation is used for the AM broadcast bands.
AGC - Automatic Gain Control which is employed in
receivers to adjust the amount of gain in the receiver's
circuitry to prevent distortion and maintain a nearly
constant audio volume level over wide variations in
received signal strength.
CW - Continuous Wave transmission signals.Actually,
the signal is keyed on and off at precise intervals to
convey information. Morse code is the most common
CW signal.
DC Input - Direct Current power source such as is
available from batteries or regulated power supplies.
DX - Refers to stations which are unusually distant
from the receiver and are therefore frequently difficult
to receive. In the context of this manual, DX refers to a
built in preamplifier, which, when enabled, makes
these “DX”stations more readable.
Dynamic Range - Ability of the receiver to faithfully
reproduce high quality audio over a wide range of sig-
nal strength conditions - from very weak signals to
very strong signals.
Frequency - Rate of reoccurrence in hertz or cycles
per second of electromagnetic wave or carrier.
FM - Signals in which the information is conveyed by
frequency changes of the signal. Frequency Modulation
is used for the FM broadcast bands.
Electronically Switched Filter - A multi bandwidth
filter with high adjacent channel attenuationswitched
electronically.
GMT - Greenwich Mean Time.
HF - High Frequency band. This consists of the LW,
MW, and SW bands on the E1 receiver.
LCD - Liquid-Crystal Display - Low power consumption
displays used for wristwatches and information dis-
plays on many types of electronic equipment.
LSB - Lower Side Band - The lower frequency portion,
excluding the carrier, of an AM signal. A single-side-
band signal, in this case the lower sideband, contains
all of the modulation information of amplitude modu-
lation in one half the bandwidth.
RF - Radio frequency
RTTY - Radio Teletype communications.
Softkeys - Keys surrounding the display that have dif-
ferent functions under different conditions. The current
function of each individual softkey is shown on the dis-
play.
Squelch - A user controlled adjustment which mutes
the audio output below a certain signal strength.
Synchronous Detector - An amplitude modulation
detector which utilizes a replica of the original trans-
mitted carrier signal to improve the reception of weak
signals.
Synthesized - Capable of generating a large number
of different output frequencies, all related to a single,
highly stable reference source.
USB - Upper Side Band - The higher frequency portion,
excluding the carrier of an AM signal. A single side-
band signal, in this case the upper sideband, contains
all of the modulation information of amplitude modu-
lation in one half the bandwidth.
UTC - Universal Time Coordinated.
VFO - Variable Frequency Oscillator.
VHF - Very High Frequency band extends from approxi-
mately 30 MHz to 300 MHz.
50 51
E1MANUAL
GLOSSARY OF TERMS
QUICK REFERENCE GUIDE continued
Delete all MEMORY and COUNTRY Channels (page 57) • Press ‘MEMORY’ or ‘COUNTRY.
• Turn off with ‘POWER’ key.
• Press & hold ‘POWER’ key & press ‘DELETE’ for 2
seconds.
• When warning appears, release ‘DELETE’ & press it
again for 2 seconds.
• This will clear all memory locations.
Mark Channels for T.Scan (page 51) • Select either MEMORY or COUNTRY.
• Select the MEMORY or COUNTRY channel to be
marked using
• TUNING knob or the < SELECT > key.
• Press the ‘TAG’ key to mark the channel.
T.SCAN MODE - The scan feature only works with chan-
nels programmed with a ‘T’ as described above. T.SCAN
FUNCTION (page 51)
• Select MEMORY or COUNTRY mode.
• Set SQUELCH to desired level.
•Press T.SCAN to begin scan.
•Press T.SCAN again to stop scan.
SIDE PANEL CONTROLS
HF Antenna Select (page 20)
• Set ANTENNA - HF Internal/External switch as appro-
priate for antennas available.
FM Antenna Select (page 20) • Set ANTENNA - FM Internal/External switch as appro-
priate for antenna available.
E1_manual_eng_APR06.qrk 5/5/06 10:22 AM Page 52

You may contact etón Corporation Service Department
for additional information or assistance by calling toll-
free Monday through Friday, 8:30am -4:00pm Pacific
Standard Time:
1(800) 872-2228 (US)
1(800) 673-1648 (CN)
650-903-3866 (World-wide)
Call for a Return Authorization prior to shipping your
unit. Should you want to return your unit for service,
pack the receiver carefully using the original carton or
other suitable container. Write your return address
clearly on the shipping carton and on an enclosed cover
letter describing the service required, symptoms or
problems. Also, include your daytime telephone number
and a copy of your proof of purchase. The receiver will
be serviced under the terms of the etón Corporation
Limited Warranty and returned to you.
etón warrants to the original purchaser this product
shall be free from defects in material or workmanship
for one year from the date of original purchase.
During the warranty period etón or an authorized etón
service facility will provide, free of charge, both parts
and labor necessary to correct defects in material and
workmanship. At their option, etón may replace a
defective unit.
(1) Complete and send in the Warranty Registration
Card within ten (10) days of purchase.
(2) Call etón or the nearest authorized service facility,
as soon as possible after discovery of a possible
defect. Have ready:
(a) the model and serial number.
(b) the identity of the seller and the approximate
date of purchase.
(c) a detailed description of the problem, including
details on the electrical connection to associated
equipment and the list of such equipment.
(3) etón will issue a Return Authorization number and
the address to which the unit can be shipped. Ship
the unit in its original container or equivalent, fully
insured and shipping charges prepaid.
Correct maintenance, repair, and use are important to
obtain proper performance from this product. Therefore
carefully read the Instruction Manual. This warranty
does not apply to any defect that etón determines is
due to:
(1) Improper maintenance or repair, including the
installation of parts or accessories that do not con
form to the quality and specification of the original
parts.
(2) Misuse, abuse, neglect or improper installation.
(3) Accidental or intentional damage.
(4) Battery leakage.
All implied warranties, if any, including warranties of
merchantability and fitness for a particular purpose,
terminate one (1) year from the date of the original
purchase. The foregoing constitutes etón Corporation
entire obligation with respect to this product, and the
original purchaser shall have no other remedy and no
claim for incidental or consequential damages, losses,
or expenses. Some states do not allow limitations on
how long an implied warranty lasts or do not allow the
exclusions or limitation of incidental or consequential
damages, so the above limitation and exclusion may
not apply to you. This warranty give you specific legal
rights and you may also have other rights, which vary
from state to state.
For service information contact:
etón Corporation
1015 Corporation Way
Palo Alto, CA 94303
USA
ONE YEAR LIMITED WARRANTY
52 53
E1MANUAL
SERVICE INFORMATION
TROUBLESHOOTING
Probable Cause SolutionProblem
No front panel display or light. (A) Power connection.
(B) Defective AC ADAPTER unit.
(C) Batteries are discharged or not installed
for portable operation, no AC power.
(D) Light turned off with ‘LIGHT’ key.
(A) Check power supply cables.
(B) Check AC ADAPTER.
(C) Check/install batteries for portable
operation.
(D) Turn light on with ‘LIGHT’ key.
No signals heard when antenna is connected
or sensitivity is low.
(A) Incorrect antenna input selected.
(B) Squelch set too high.
(A) Select correct antenna input.
(B) Set Squelch to lower level.
Signal Strength indication but no sound
heard.
(A) Improper mode selected.
(B) External speaker connected but defective.
(C) Squelch set too high.
(A) Check mode selection.
(B) Check external speaker.
(C) Set Squelch to lower level.
No front panel operation such as tuning, fre-
quency entry, etc.
(A) Lock enabled. (A) Press ‘CLEAR/LOCK’ and hold for 3 sec-
onds to unlock front panel.
Timer does not operate. (A) Clock(s) not set.
(B) Timer not properly set.
(C) Alternate clock selected.
(D) Timer(s) not enabled.
(A) Set clock(s).
(B) Set clock(s) and program timer ON/OFF
times.
(C) Check that last displayed clock is the
desired one for timer event.
(D) Enable timers. Observe TIMER 1 or 2 on
display.
E1_manual_eng_APR06.qrk 5/5/06 10:22 AM Page 54

DAY BANDS vs. NIGHT BANDS - it’s important
Because shortwave signals depend on such factors as
the sun, the ionosphere and interaction with the earth
itself, signals cannot be heard on all bands throughout
the day. Some bands are best during the daylight
hours, and some are best at night. In general, the
bands with frequencies below 13 MHz (13000 KHz)
are better at night and the bands with frequencies
above 13 MHz (13000 KHz) are best during the day.
Follow these guidelines for best listening results.
SUNSET AND SUNRISE - often the best time to
listen.
This is when shortwave signals are often strongest and
clearest, in a window of time around sunset and sun-
rise. Sometimes it’s a two-hour window, at other times
three or four hours. Experiment to determine when it’s
best in your area.
DAYTIME LISTENING
Shortwave listening is generally at its poorest during
the daylight hours of about 10 a.m. to 3 p.m. The
major reason for this is that the broadcasters are not
transmitting to regions at this time, assuming that we
are all either at work or at school and are not able to
listen during the day. In North America, daytime short-
wave tends to be better in the East and Midwest. The
day bands are 13, 16, 19, 22 and 25 meters, often
with 16 and 19 being the best. In the summer,these
bands may stay open into the evening hours.
EVENING/NIGHT LISTENING
This is the best time to listen, because the broadcasters
are deliberately transmitting to you, wherever you are,
at least up to about 11 pm. These bands may be
extremely good around sunset and sunrise too.The
night bands are 25, 31, 41, 49 and 60 meters. In the
winter,these bands produce results earlier than in the
summer months, often starting around 3 pm on 25
and 31 meters and 5 pm on 41, 49 and 60 meters. In
the summer these bands start later, around 5 pm for
25 and 31 meters and around 7 pm for 41, 49 and 60.
IMPORTANT NOTE: Getting close to a window may
substantially improve reception. Shortwave signals
penetrate wood frame buildings easiest, while concrete
and brick buildings usually block signals. If you are in a
building with one or more stories above you, signals
can also be impaired in strength. In such a situation,
position yourself, and especially the radio's antenna,
as close to a window as possible while listening. Use
an external antenna if necessary.
SHORTWAVE DIRECTORY
We recommend the use of a comprehensive shortwave
directory, especially to seek specific countries or to
determine what you’re listening to. Such a directory
lists the countries broadcasting on shortwave, showing
their language, target area, broadcast time and fre-
quency that is used. A frequency-by-frequency listing
help to determine what is being heard. The two such
directories listed below are found in major bookstores,
on-line bookstores. Internet sources of shortwave
broadcast information can be found via your favorite
search site by searching for ‘shortwave broadcast
schedules’.
PASSPORT TO WORLD BAND RADIO,
WORLD RADIO TV HANDBOOK.
SHORTWAVE ANTENNAS
An external shortwave antenna, especially when
mounted outside, can greatly enhance reception. If
your shortwave radio has an antenna socket, profes-
sionally engineered antennas can usually be used.
etón Corporation does not manufacture or sell short-
wave antennas, however, there are many excellent
models available to significantly enhance your short-
wave reception.
NOTE: When ordering any antenna, let the retailer
know what radio it’s for and that you want the proper
plug fitting or adaptor installed on the coaxial cable
for your model, or else the antenna’s coax cable won’t
plug into the radio’s antenna socket. This may cost a
few dollars more, but it’s well worth it and saves you
time if such fittings and adaptors are not available
from a local store in your area.
MEGAHERTZ (MHz) KILOHERTZ (KHz)BAND
120 Meter
90 Meter
75 Meter
60 Meter
49 Meter
41 Meter
31 Meter
25 Meter
22 Meter
19 Meter
16 Meter
13 Meter
11 Meter
2.300 - 2.500 MHz
3.20 - 3.40 MHz
3.90 - 4.00 MHz
4.750 - 5.060 MHz
5.950 - 6.20 MHz
7.10 - 7.60 MHz
9.20 - 9.90 MHz
11.600 - 12.100 MHz
13.570 - 13.870 MHz
15.10 - 15.80 MHz
17.480 - 17.90 MHz
21.450 - 21.850 MHz
25.60 - 26.10 MHz
2300 - 2500 KHz
3200 - 3400 KHz
3900 - 4000 KHz
4750 - 5060 KHz
5900 - 6200 KHz
7100 - 7600 KHz
9200 - 9900 KHz
11600 - 12,100 KHz
13570 - 13,870 KHz
15100 - 15,800 KHz
17480 - 17,900 KHz
21450 - 21,850 KHz
25600 - 26,100 KHz
54 55
E1MANUAL
APPENDIX - UNDERSTANDING SHORTWAVE BANDS continued
APPENDIX
UNDERSTANDING SHORTWAVE
BANDS - THE KEY TO
SUCCESSFULLY USING YOUR
SHORTWAVE RADIO
Do You Need Help?
Monday-Friday, 8:30 a.m. - 4:00 p.m.,
North American Pacific Time.
1-800-872-2228 from the U.S.
1-800-637-1648 from Canada
1-650-903-3866, worldwide
FAX: 650-903-3867
customersvc@etoncorp.com
www.etoncorp.com
Mailing Address:
etón Corporation
1015 Corporation Way
Palo Alto, CA 94303
USA
WHAT IS SHORTWAVE?
Now that you have a shortwave radio, no doubt you’ll
want to hear worldwide stations right away. What is
shortwave? What will you hear? Shortwave is a broad-
cast frequency range that allows stations’ signals to be
heard over vast distances,usually thousands of miles.
You’ll hear news and information along with culturally
oriented programming, sometimes including music. The
programming may or may not be biased or propagan-
dized. If you’re new to shortwave, please take some
time to learn the basics outlined below. To successfully
listen to shortwave stations you must know how to find
them. They are found in the shortwave bands. If you’re
an experienced shortwave listener, you’ll know what
bands are and how to use them, but if you’re new,
you’ll need to learn about bands first. After that you will
have excellent success. Please read on.
SOME BASIC RULES OF THUMB
• Night shortwave reception is usually better than day-
time shortwave.This can change from time-to-time,
so it’s worth checking the bands during the day as
well.
•Shortwave is usually better in the winter than other
times of year.
• Typically, the best daytime shortwave bands are 13,
15, 16, 19, and 22 meters, 16 and 19 usually the
best. At night, the best bands are 25, 31, 41 and 49
meters, with 31 and 49 usually best.
• Around sunset and sunrise, both the day and night
bands may often be exceptionally good, often mak-
ing listening at these times quite rewarding.
• Because the construction materials of some buildings
severely block shortwave signals, it may be best to
hold the radio in your hands and get very close to a
window or use an external antenna mounted next to
the window or outside.
WHAT ARE BANDS?
This is the most important concept to learn right away. If
you have ever listened to AM or FM radio, then you
already know what a band is. The AM band is a fre-
quency range stretching from 530 to 1600 kilohertz, the
FM band is 66-108 megahertz. A band is a frequency
range where stations are located.When looking for sta-
tions in these ‘bands’, you tune around with your tuning
buttons (or the tuning knob on an analog radio) until
you find a station you like. Shortwave is similar and the
shortwave bands have names like 25 meters, 31 meters,
49 meters,etc. These are abbreviated 25m, 31m and
49m. Just like in AM and FM radio, one simply gets into
the shortwave band and tunes around, looking for sta-
tions.Each band represents a frequency range,as shown
in the band chart below. For example,the 19 meter
shortwave band encompasses the frequency range of
15100 to 15600 kilohertz. Since some radios show fre-
quency in megahertz (MHz) and some in kilohertz (KHz),
both are shown here. Look at your radios tuning scale or
its digital display to determine frequency designation it
uses in shortwave. On some shortwave radios these fre-
quencies will look like 15100 KHz, 15105 KHz or 15110
KHz and on other radios they might look like 15.1 MHz,
15.105 Mhz or 15.11 MH. The exact frequency ranges
for these bands may vary somewhat from one radio
model to another. This is perfectly OK. On some radios
the band names, e.g. 19 meters, are clearly marked, on
others they are not marked at all. If it is not apparent
how to get into a band on your radio, consult the own-
ers manual.
A HELPFUL ANALOGY ABOUT BANDS
A shortwave band is like a street with many addresses
on it. In this case, the individual addresses are called fre-
quencies, each one a potential home of a broadcaster.
For example, in the 19 meter band (it could be called 19
Meter Street), 15110 kilohertz is the home of Radio
Spain International, 15190 is the home of BBC World
Service and 15275 is the home of Deutsche Welle
(Germany). As on any street, the occupants at a specific
address are not always at home.
E1_manual_eng_APR06.qrk 5/5/06 10:22 AM Page 56

GETTING STARTED WITH SINGLE SIDEBAND
(SSB)
Many high-end shortwave radios have a feature called
SSB, a highly efficient way of electronically processing
transmitted and received signals for two-way commu-
nication. Examples of this are amateur radio (hams),
maritime and aeronautical communication. Either
upper side band (USB) or lower side band (LSB) can be
used.
Receiving SSB signals is not always easy. Since this is
two-way communications, transmissions are often very
short and sporadic. Also, most two-way communica-
tions uses relatively low power, 50 to 1000 watts. The
amateur radio operators are easiest to find; the others
can be very difficult. Best results are experienced when
using an outdoor shortwave antenna such as a dipole.
Finding SSB signals can be like seeking a “needle in a
haystack”, so be patient! The easiest place to find SSB
communications is at night in the amateur band
shown below at 3650-4000 kHz. Follow your radio’s
instructions on how to engage its SSB feature. Below
are some selected frequency ranges on which SSB
communications can be found. All frequencies are
shown in kilohertz.
Aeronautical
(usually USB)
Amateur Radio
80m: 3650-4000, LSB, night.
40m: 7150-7300, LSB, day/night.
20m: 14150-14350, USB, day.
15m: 21150-21450, USB, day.
10m: 28300-28600, USB, day.
2850-3155
3400-3500
4650-4750
5480-5730
6525-6765
8815-9040
10005-10100
11175-11400
13200-13360
Aeronautical
(usually USB)
15010-15100
17900-18030
21870-22000
23200-23350
Maritime (usually USB)
4063-4438
6200-6525
8195-8815
12230-13200
16360-17410
18780-18900
19680-19800
22000-22720
25070-25110
56 57
E1MANUAL
APPENDIX - UNDERSTANDING SHORTWAVE BANDS continued
APPENDIX - UNDERSTANDING SHORTWAVE BANDS continued
FULL-SIZED PASSIVE SHORTWAVE ANTENNAS
These normally give the best performance. Generically
they have names such as dipoles, trapped dipoles, par-
allel dipoles and slopers. They are characteristically fed
with 50 or 75 ohm coaxial cable that leads to the
radio’s antenna socket. Even if you build one of these
using instructions from a book, these antennas are an
‘engineered system’, thus optimizing performance.
ACTIVE SHORTWAVE ANTENNAS (usually small)
Active antennas are much smaller than others and
employ the use of amplifiers to compensate for their
small size. There are many models to choose from.They
usually do not perform as well as passive or non-
amplified, professionally engineered models but are
useful when a short, small size is needed.
SHORTWAVE ANTENNAS FOR USE ON BOATS
RF Systems makes the model MARINE BALUN KIT
(about $90 USD), which can turn a backstay or a long
piece of wire into an efficient shortwave receiving
antenna. McKay Dymek makes the model DA-100EM
(about $200 USD), mountable on a mast or railing, the
antenna being only about 1.5 meter high (4 ft. 8 in.).
LONG-WIRE SHORTWAVE ANTENNAS
If your radio does not have an antenna socket, or if
you want to take a simpler or less costly approach, this
type of antenna can improve signal levels. Understand,
however, that this not an engineered system and noise
levels may still be quite high. Such antennas are
attached directly to the radio’s telescopic antenna with
an ‘alligator’ clip or other secure attachment device.
AM ANTENNAS
We are often asked about AM antennas. Such anten-
nas, usually AM-Loop antennas, are made by a variety
of manufacturers and often work extremely well to
boost signals. One brand, Select-A-Tenna, is a time-
proven performer and includes models ranging from
about $60-$200.
FINDING ANTENNAS
One way to find antennas is by performing a search on
the Internet.
TIME STATIONS
CHU-time (Canada)
CHU-time(Canada)
CHU-time (Canada)
WWV-time/weather(US)
WWV-time/weather(US)
WWV-time/weather(US)
WWV-time/weather(US)
WWV-time/weather(US)
3,330 kHz
7,335 kHz
14,670 kHz
2,500 KHZ
5,000 KHz
10,000 kHz
15,000 kHz
20,000 kHz
Best at night
Day/night
Best during daylight
Best at night
Best at night
Day/night
Best during daylight
Best during daylight
TIME STATIONS not SSB
CHU-time (Canada)
CHU-time(Canada)
CHU-time (Canada)
WWV-time/weather(US)
WWV-time/weather(US)
WWV-time/weather(US)
WWV-time/weather(US)
WWV-time/weather(US)
3,330 kHz
7,335 kHz
14,670 kHz
2,500 KHZ
5,000 KHz
10,000 kHz
15,000 kHz
20,000 kHz
Best at night
Day/night
Best during daylight
Best at night
Best at night
Day/night
Best during daylight
Best during daylight
E1_manual_eng_APR06.qrk 5/5/06 10:22 AM Page 58

INTRODUCTION
This Quick Guide outlines the basics for listening to
AM, FM and Shortwave. It also covers setting the clock
and timers and storing stations into memory. Not all
features and capabilities of the E1 are addressed here.
We encourage you to refer to the owner’s manual for a
full understanding of the E1.
SET-UP INFORMATION
Power the E1 with the AC adaptor or insert 4 new,
identical alkaline D size batteries of the same brand
and type (never intermix non-identical batteries). The
battery compartment is accessed via the outer and
inner door on the lower left front of the E1. When
inserting 4 D alkaline batteries, follow the battery
polarity diagram printed on the inner door. Turn the E1
and off by pressing the POWER button.
For FM and Shortwave reception, pull up the telescopic
antenna.
The buttons (also called keys), knobs and switches
referred to in this Quick Guide can be found by care-
fully looking at the radio. Some of the buttons (also
called ‘keys’) are located surrounding the display
(LCD). The function of these buttons is defined within
the LCD.Full descriptions of controls and their loca-
tions are found in owner’s manual pages.
Note that the AM broadcast band, 520-1710 KHz, is
designated as MW (Medium Wave) in the display and
in all explanations. While using this Quick Guide, set
the SQUELCH knob fully counterclockwise, assure that
both ANTENNA switches are in the INTERNAL position
and use the DX button to assure that DX appears in
the upper left area of the display.
If reception is poor, get very close to a window. The
construction materials of some buildings block signals.
TUNING-IN FM AND MW STATIONS
Stations are tuned-in with the SELECT button, the
TUNING knob, by Direct Frequency Entry (see below) or
the SEEK key (see below). If you are in Europe, the
Middle East or in the Mediterranean area, LW stations
can also be accessed (there are no LW broadcast sta-
tions in the Americas).
USING DIRECT FREQUENCY ENTRY
Direct frequency entry is performed by pressing the
numbered keys and can be used for FM, MW, LW and
SW. Enter the frequency with the numbered keys. After
the last key is pressed, the frequency will auto enter
after a delay of a few seconds. While entering a fre-
quency, if an incorrect frequency is entered, pressing
the CLEAR/LOCK key will clear the entry in progress.
FM frequencies always have a decimal point in them,
e.g. 88.5 MHz. Be sure to include this decimal point in
your entry.
The slight auto-entry delay that occurs after entering
the last digit of the frequency can be eliminated as fol-
lows. After entering an FM frequency, press the ‘.’ key
once. After entering a MW, SW or LW frequency that is
in KHz, press the ‘.’ key twice. With this method, the
decimal key acts as an ‘ENTER’ key and causes imme-
diate response to the entered frequency, eliminating
the delay.
USING THE SEEK FEATURE
The SEEK feature (often called auto-tuning) enables
the tuner to automatically scan and stop on stations.
To engage this feature, press the SEEK key. Scanning
automatically starts and will stop when a stations is
found. It is normal for the SEEK feature to sometimes
stop on noise. The SEEK can be stopped manually by
pressing the SEEK button.
Do You Need Help?
Monday-Friday, 8:30 a.m. - 4:00 p.m.,
North American Pacific Time.
1-800-872-2228 from the U.S.
1-800-637-1648 from Canada
1-650-903-3866, worldwide
FAX: 650-903-3867
customersvc@etoncorp.com
www.etoncorp.com
Mailing Address:
etón Corporation
1015 Corporation Way
Palo Alto, CA 94303
USA
58 59
E1MANUAL
APPENDIX - etón E1 QUICK GUIDE continued
APPENDIX - etón E1 QUICK GUIDE
LISTENING TO SHORTWAVE STATIONS
Absolutely no technical knowledge is necessary to fully
enjoy listening to shortwave stations from around the
world. It’s crucial to understand ‘bands’. The owners
manual’s APPENDIX has all the information needed for
this. Below is some condensed information.
A complete shortwave band chart is in the owner’s
manual. Only the most used bands are mentioned
below. The band name and frequency range is shown.
Note that some of the ranges below are slightly
expanded compared to those in the owner’s manual.
13m, 21450-21850 KHz; 16m, 17480-17900 KHz;
19m, 15100-15800 KHz; 22m, 13570-13870 KHz;
25m, 11600-12200 KHz; 31m, 9200-10000 KHz; 41m,
7100-7600 KHz; 49m, 5800-6200 KHz; 60m, 4750-
5060 KHz.
CHOOSING THE BEST SHORTWAVE BAND
Here are the best bands for the various times of day.
This information is true worldwide. Notice that some
bands overlap several periods of the day. It always
pays to experiment.
• SUNRISE AND EARLY MORNING,5 - 9 a.m.: 25,
31, 41, and 49 meters are usually good.
• MID DAY: 13, 16, 19, 22 and, in some areas, 25
meters. Sometimes these bands open up early, so
test them in the morning too.
• LATE AFTERNOON AND AROUND SUNSET: 19,
22, 25, 31, 41 and 49 meters.
• NIGHT: 60, 49, 41, 31, 25 meters, with 49, 31 and
25 usually the best. In the summer months, the 16
and 19 meter day bands sometimes stay open at
night.
GETTING INTO A SHORTWAVE BAND
Press the ‘SW BAND’ key twice to highlight SW BAND
in the display (if the E1 is already in SW, then only one
press is needed). Note that, for just a few seconds, ‘SW
BAND’ is highlighted in the display and that the two
dashes ‘- -‘ or meter band numbers are flashing in the
display, under the frequency. Within 3 seconds, use the
numbered keys to enter the band of your choice.
Alternately, use the SELECT button or the tuning knob
to scroll through the available meter bands. The new
band number will replace the flashing dashes or the
old band number.Stop on the band that you wish to
select and it will ‘autoenter’ within about 3 seconds.
TUNING AROUND IN A SHORTWAVE BAND
After you have used the techniques described above to
get into a shortwave band, the radio is tuned to the
lowest frequency in that band. To tune through the
band you must tune upward in frequency. Use the
SELECT button, TUNING knob or the SEEK button to
find and tune-in stations. If you are new to shortwave,
for best results, stay within the frequency ranges of the
shortwave bands shown in this Quick Guide.
STORING FREQUENCIES INTO MEMORY
Storing a frequency into memory involves three basic
steps: 1. Tune to the station/frequency that you wish to
store. 2. Select the memory to store it into. 3. Store it.
First, tune to the station/frequency that you wish to
store. To store it, do the following in a quick, smooth
sequence. Press STORE, then use the TUNING knob or
the SELECT key to select the desired memory number
that you wish to store into. Press the STORE button
twice to complete the storing process and exit the
memory mode. For memory labeling instructions and
other memory information, refer to the owner’s manu-
al.
ACCESSING WHAT YOU HAVE STORED INTO
MEMORY
Press the MEMORY key to access the memory mode.
Use the TUNING knob or the SELECT key to scroll
through the memory numbers and listen to the desired
stored station. To exit memory mode, press the VFO
button.
DELETING THE CONTENTS OF A MEMORY
Access the desired memory channel number as
described above. Press and hold the DELETE key for
about 3 seconds or until its frequency disappears from
the selected memory channel location. To exit memory
mode, press the VFO button.
SETTING THE CLOCK TO YOUR LOCAL TIME
This procedure shows how set the clock automatically.
The receiver must be OFF with the appropriate antenna
connected for WWV setting.
For manual clock setting and more detailed clock set-
ting information, consult the owner’s manual.
E1_manual_eng_APR06.qrk 5/5/06 10:22 AM Page 60

Sequentially press the button below MENU in the dis-
play until CLOCK MODES appears. If AUTO CLOCK SET
is OFF, press 1 to turn it ON. If AUTO CLOCK DST is
OFF, press 2 to turn it on if you want automatic day-
light saving time (recommended). For LOCAL TIME
OFFSET, if your country is east of the International
Dateline, press 3 to set it to +. If you are west of the
International Dateline, press 3 to set it to –. For exam-
ple, if you live in North or South America, set it to -. To
enter your specific LOCAL TIME OFFSET, press 4, then
use the numeric keypad to enter the number of hours
you are offset from GMT. For example, in North
America use 5 hours for EST, 6 hours CST, 7 hours MST,
8 hours PST. Press 9 (EXIT) when finished. After com-
pleting the above steps the E1 must be turned off.
While off, it will automatically tune to one of the
National Bureau Of Standards WWV stations for auto-
matic time-set. It will automatically tune to the
strongest WWV station it can find. At night, this is like-
ly to be 5000 or 10000 kilohertz. During the day it
may use 10000, 15000 or 20000 kilohertz. If the sig-
nal is not strong enough to activate auto-time-set, see
the owner’s manual to set the time manually.
SETTING THE DISPLAY FOR LOCAL OR GMT TIME
With the radio turned on, sequentially press the TIME
key until CLOCKS appears in the display. Select GMT or
LOCAL by pressing the key to its right. W hen finished,
press the CLEAR/LOCK button.
SETTING THE TIMER AS AN ALARM CLOCK OR
SLEEP TIMER
Turn the E1 on. The following instructions are for set-
ting and activating Timer 1 as a wake up alarm and
Timer 2 as a sleep timer. Many more options are avail-
able. For more detailed timer instructions and capabili-
ties, refer to the owner’s manual.
NOTE: The timers will reference the time that has
been selected to show in the display, GMT or LOCAL.
Most customers will want to display LOCAL when
using the timers.
USING TIMER 1 AS A WAKE-UP TIMER (ALARM
CLOCK)
These instructions set Timer 1 to turn on as a wake-up
alarm and play the last station tuned to. Once on, the
E1 will play indefinitely or until turned off.
Sequentially press the MENU key to display the TIMERS
MENU. Press the ‘1’ key to highlight the turn-on time.
Use the numeric keypad to enter the turn-on time in
24 hour time format. Press the STORE key.
Press the ‘2’ key to highlight the turn-off time. Use the
CLEAR/LOCK key to clear any entry that is present in
this window. Press STORE to save this null entry. Press
the ‘3' key to highlight the timer 1 mem channel. Press
CLEAR/LOCK to clear any entry in the window. Press
the STORE key to save this null entry. When finished,
press the ‘9' key to exit the timer programming mode.
Tune the E1 to the radio station that you wish to hear
when the timer turns on. Enable the timer with the
instructions provided below.
USING TIMER 2 AS A SLEEP TIMER
Sequentially press the MENU key to display the TIMERS
MENU. Use the ‘4’ key to select the turn-on time and
clear any entry in this window using the CLEAR/LOCK
and STORE keys as described above. Press the ‘5’ key
to set a turn-off time as in the example above. Use the
‘6' key to highlight the timer 2 mem ch and clear any
entry that appears here using the CLEAR/LOCK and
STORE keys. When finished, press the 9 key to exit the
timer programming mode. Tune the E1 to the radio sta-
tion that you wish to hear. Enable the timer with the
instructions provided below. At the preset time, the
unit will turn off and will remain off until manually
turned on, or turned on by timer 1 if it is enabled.
TO ENABLE OR DISABLE THE TIMERS
Press the TIME key sequentially to show either TIMER 1
or TIMER 2 in the display. To enable the timer of your
choice, press the ENABLE key and assure that that
timer’s number appears in the upper right corner of the
display under the time. To disable the timer of your
choice, press the DISABLE key and assure that its num-
ber does not appear in the upper right corner of the
display under the time. To exit this mode, press the
TIME key until the normal radio frequency display
screen shows.
60 61
E1MANUAL
APPENDIX - etón E1 QUICK GUIDE continued
E1_manual_eng_APR06.qrk 5/5/06 10:22 AM Page 62

62 63
etón E1 SPECIFICATIONS
E1MANUAL
Audio Power (internal or external speaker):
• 1.25 W nominal - battery operation
• 3 W nominal - Operation from 9 VDC
• AC Adapter
Internal Speaker: 4" (10.16 cm). 8 Ohms
Line Audio Output
• Stereo left and right.
• 300 mV, 1K ohms for each output.
Line Audio Input: 300 mV, 47K ohms
Line Audio Input Jack: 1/8 inch (3.175 mm) stereo
Headphone Jack: 1/8 inch (3.175 mm) stereo
DC Power Requirements:
•Input: 7-14 VDC, supplied from AC ADAPTER W all
Transformer,external DC Power Supply or 3.6 to 6.0
VDC supplied by (4) internally mounted "D” cell
(I.5V) batteries (not supplied). Current requirements
(approximate) from 9.0
VDC Supply:
• Worst case at max volume
• 850 mA nominal with lamp off
• 900 mA nominal with lamp on
Current requirements from Batteries with 1/4 W
average Audio Output:
• Nominal battery currents
• FM mode:
- 175 mA backlight off
- 225 mA backlight on
• LW/MW/SW:
- 210 mA backlight off
- 260 mA backlight on
Operating Temperature: 0º to +50ºC
Shipping Weight: 6 lbs (2.72 kg), (includes AC
ADAPTER) (batteries NOT included)
Size
• Width: 13-1/8" (33.37 cm)
• Height: 7-1/2" (19.05 cm)
• Depth: 2-9/16" (6.5 cm)
Supplied AC ADAPTER
• Input: 120 VAC ± 10%, (USA Version)
• Output: 9 VDC @ 1 Amp maximum Center
conductor of connector is positive. Negative is
connected to input ground.
Frequency Range
• AM, LSB, USB:
- LW: 100 to 500 kHz
- MW: 500 to 1800 kHz
- SW: 1800 to 30,000 kHz
• FM:
- 76 to 90 Mhz or 87 to 108 MHz, selectable
Sensitivity: SSB (10 dB S+N/N)
• Less than .25 :V 0.1 to 30 MHz (DX on)
• Less than 0.5 :V, 0.1 to 30 MHz (Normal)
Sensitivity: AM (10 dB S+N/N) (1000 Hz, 30%
Mod)
•Less than 2.0 :V. 0.1 - 30 MHz (DX on)
• Less than 4.0 :V. 0.1 - 30 MHz (Normal)
Sensitivity: FM (20 dB S/N) (monaural)
• Less than 1.5 :V, 87 - 108 MHz, (DX on)
• Less than 4 :V, 87 - 108 MHz, (Normal)
Frequency Resolution
• 10 Hz in SSB & AM modes
•20 kHz in FM mode.
Frequency Stability: ±10 ppm, 0º to 50ºC
Frequency Accuracy: Better than ± 100 Hz, @ 25ºC
Selectivity - SSB, AM:
• 7 kHz @ -6 dB, less than 12 kHz @ -60 dB
•4 kHz @ -6 dB,less than 9 kHz @ -60 dB
•2.3 kHz @ -6 dB,less than 5 kHz @ -60 dB
IF Frequency - SSB, AM:
•1st IF 45.0 MHz
• 2nd IF 455 kHz
FM: 1st IF: 10.7 MHz (Single Conversion)
Image Rejection
• Greater than 70 dB, 0.1 to 30 MHz
•Greater than 55 dB, 76 to 108 MHz
IF Rejection
• Greater than 80 dB, 45.0 MHz
• Greater than 80 dB, 455 kHz
IP3 - Intercept Point (@ 50 ohm Ant. Input)
• Greater than +10 dBm @ 20 kHz spacing (Normal)
• Greater than -20 dBm @ 5 kHz spacing (Normal)
- dBm @ 20 kHz spacing (DX)
• -30 dBm @ 5 kHz spacing (DX)
AGC Performance
• Threshold: 1.0 :V
• Attack Time: 1 mSec - Bandwidth dependent.
• Release Time
- SLOW: 3 sec.
- FAST: 300 mSec.
• Less than 2 dB change in audio output for 90 dB
• RF input change referenced from the AGC threshold
point plus 3 dB.
Internal Antenna
• 39 1/4“ (1.003 meters) telescopic antenna (for use
on all bands).
External Antenna
• 50 to 75 Ohms, PAL type, Male (PAL to F type
adapter included)
External Speaker Output
•4 to 8 Ohms. External jack is 1/8" (3.175 mm)
E1_manual_eng_APR06.qrk 5/5/06 10:22 AM Page 64

BLOCK DIAGRAM - etón E1 SIGNAL FLOW BLOCK DIAGRAM
64 65
E1MANUAL
E1_manual_eng_APR06.qrk 5/5/06 10:22 AM Page 66

www.etoncorp.com
www.etoncorp.com
etón Corporation
Corporate Headquarters
1015 Corporation Way
Palo Alto, California 94303 USA
tel +1 650-903-3866
tel +1 800-872-2228
fax +1 650-903-3867
etón Corporation
Berlin Office
Rosenstrasse 2
D-10178 Berlin, Germany
tel +49 [0]30 243102149
etón Corporation
Toronto Office
1 Yonge Street, Suite 1801
Toronto, Ontario M5E 1W7 Canada
tel +1 416-214-6885
v. 05-04-06
E1_manual_eng_APR06.qrk 5/5/06 10:22 AM Page 68