Everfocus Dvr 100H Users Manual
DVR-100H to the manual 3db44a09-a076-4169-9621-b1b5d3eac49c
2015-02-02
: Everfocus Everfocus-Dvr-100H-Users-Manual-427155 everfocus-dvr-100h-users-manual-427155 everfocus pdf
Open the PDF directly: View PDF
.
Page Count: 1

DVR-100H
INSTRUCTION MANUAL
Digital Single Channel Recorder
About this manual
Before installing and using this unit, please read this Manual carefully.
Be sure to keep it handy for later reference.
V1.0

Refer all work related to the installation of this product to qualified service
personnel or system installers.
Do not block the ventilation opening or slots on the cover.
Do not drop metallic parts through slots.This could permanently damage
the appliance. Turn the power off immediately and contact qualified service
personnel for service.
Do not attempt to disassemble the appliance.To prevent electric shock,
do not remove screws or covers. There are no user-serviceable parts
inside. Contact qualified service personnel for maintenance. Handle the
appliance with care. Do not strike or shake, as this may damage the
appliance.
Do not expose the appliance to water or moisture, nor try to operate it in
wet areas. Do take immediate action if the appliance becomes wet.
Turn the power off and refer servicing to qualified service personnel.
Moisture may damage the appliance and also cause electric shock.
Do not use strong or abrasive detergents when cleaning the appliance
body. Use a dry cloth to clean the appliance when it is dirty. When the
dirt is hard to remove,use a mild detergent and wipe gently.
Do not overload outlets and extension cords as this may result in a risk of
fire or electric shock.
Do not operate the appliance beyond its specified temperature, humidity
or power source ratings. Do not use the appliance in an extreme
environment where high temperature or high humidity exists. Use the
appliance at temperature within 0oC ~ +40oC and a humidity below 90%.
The input power source for this appliance is AC100~240V.
Safety Precautions
Safety Precautions

WARNING
TO REDUCE RISK OF FIRE OR ELECTRIC SHOCK,
DO NOT EXPOSE THIS APPLIANCE TO RAIN OR MOISTURE.
CAUTION
DO NOT REMOVE COVER. NO USER SERVICEABLE PARTS INSIDE.
REFER SERVICING TO QUALIFIED SERVICE PERSONNEL.
Notice:
The information in this manual was current when published. The manufacturer
reserves the right to revise and improve its products. All specifications are
therefore subject to change without notice.
Safety Warning
Note:
This is a class A product. In a domestic en vironment this product ma y cause radio interference
In which case the user may be requ ired to take adequate measures.
Note:
This equipmen t has been tested and found to comply with the limits for a Class A digita l device,
The changes or mod ifications not express ly appro ved by the party responsible for comp liance
could void the user's authority to operate the equipment.

The exclamation point within an equilateral triangle is
intended to alert the user to presence of important operating
and maintenance(servicing)instructions in the literature
accompanying the appliance.
Warning :
To prevent fire or shock hazard, do not expose units not
specifically designed for outdoor use to rain or moisture.
Safety Precautions
The lightning flash with an arrowhead symbol, within an
equilateral triangle, is intended to alert the user to the presence
of uninsulated ” dangerous voltage” within the product’s enclosure
that may be of sufficient magnitude to constitute a risk of electric
shock to persons
Attention:
Installation should be performed by qualified service personnel only
in accordance with the National Electrical Code or applicable local codes.
Power Disconnect:
Units with or without ON-OFF switches have power supplied to the unit
whenever the power code is inserted into the power source; however, the
unit is operational only when the ON-OFF switch is in the ON position.
The power cord is the main power disconnect for all units.
External Power Supplies
Use only the recommended power supplies.
Power supplies must comply with the requirement of
the latest version of IEC 60065/CNS 13439. Substitutions
may damage the unit or cause a fire or shock hazard
AC100V~240V Power Cords
AC100V~240V power cords
Warning:
Electrostatic-sensitive device. Use proper
CMOS/MOSFET handing precautions to avoid
electrostatic discharge.
UNPACKING
Unpack carefully.
This is electronic equipment and should be
handled carefully.
Check to ensure that the following items are included;
•1. Digital Single Channel Recorder
•2. User’s manual
•3. Power Cord
•4. CF card reader
•5. Adapter
•6. HDD tray key and screws
If an item appears to have been damaged in shipment,
replace it properly in its carton and notify the shipper.
If any items are missing, notify your
Everfocus Electronics Corp. Sales Representative or
Customer Service. The shipping carton is the safest
container in which the unit may be transported.
Save it for possible future use.
Service
If the unit ever needs repair service, the customer
should contact the nearest Everfocus Electronics Corp.
Service Center for return authorization and shipping
instruction.
Safety Precautions

Important Safeguards
Read Instruction---All the safety and operating instructions should be read before the init is operated
Retain Instructions---The safety and operating instructions should be retained for future reference.
Heed Warnings—All warnings on the unit and in the operating instructions should be adhered to.
Follow Instructions—All operating and use instructions should be followed
Cleaning—Unplug the unit from the outlet before cleaning. Do not use liquid cleaners or aerosol cleaners.
Use a damp cloth for cleaning
Attachments—Do not use attachment not recommended by the product manufacturer as they may cause hazards.
Water and Moisture—Do not use this unit near water-for example, near a bath tub, wash bowl, kitchen sink,
or laundry tub, in a wet basement, near a swimming pool, in an unprotected outdoor installation, or any area which is
classified as a wet location.
Servicing—Do not attempt to service this unit yourself as opening or removing covers may expose you to dangerous
voltage or other hazards. Refer all servicing to qualified service personnel.
Power Cord Protection—Power supply cords should be routed so that they are not likely to be walked on or pinched by
items placed upon or against them, playing particular attention to cords and plugs, convenience receptacles, and the point
where they exit from the appliance.
Object and Liquid Entry—Never push objects of any kind into this unit through openings as they may touch dangerous
voltage points or short-out parts that could result in a fire or electric shock, Never spill liquid of any kind on the unit.
Important Safeguards

Table of Contents
1. Product Overview……….…...……………………………………………………………………………………..………….. 1
1.1 Feature………...…….…….….…………………………………….…………..……………………………………………..1
1.2 Specifications………....………………….………………………………..………….………….…………………………...2
2. Front & Rear Panels………...…….………………………………………..…………………………………………………....3
3. Back Panel Connections…….………...……………………………………..…………………………………………………..5
4. System Connection…....………………………...…………………………..…………….…………………….………………..8
4.1 One Camera Connection………….…..…….………………………………………………………..……………………….8
4.2 Multiplexer Connection...……….….………………………………………………...……………...………………………..9
4.3 Quad Connection ( with VCR )………….……………….…………………….…………………..……………………… 10
4.4 Quad Connection ( without VCR)….….………….……………...……………………………………………………...….11
5. Installation………...………………………………………………...……………….….………………………………………12
6. Menu………...……………….……………………………………..……………………………………………………………13
6.1 Clock/Language Setup…...………….…………….….………………………………………………………….………….14
6.2 Daylight Setting Menu..……..……………...…….……….………………………...……………………….……………...15
6.3 Timer Setting Menu……………….…….……....…………………………………………………...…………………..….16
6.4 Normal Record Setting Menu…………………….……....……………………………………………………………...….18
6.5 Alarm Record Setting Menu……………………….………………..………………………………………………………20
6.6 Buzzer Setting Menu…………………….….…………….…………………………...…………………………………….25
6.7 Archive Setting Menu…....………….…………...……………..……………………………………………………………26
6.8 RS232/RS485 Setting Menu……………….………………………………..……………………………………………….27
7. Recording…...……………...……………………………………………………………..……………………………………. 31
7.1 Instant Recording……………..…………………………………………………….……………………………………... 31
7.2 Alarm Recording…………………………………………….………………………………….………………………….. 32
8. Playback…...…………………………………………………….……………………….…………………………………..… 33
8.1 Normal Playback…………………………………………………………………………………………………………... 33
8.2 Search Playback…………………………………………………………………………………………………………… 35
9. Copy………...……………………….…………………………………………………………….…………………….………38
9.1 Still Image Copy……………………………………………………………………………………………………………38
9.2 Copy to Movie File……...………………………………………………………………………………………………….39
10. Interface Specifications……..….……...……………………………………………………………………………………...41
10.1 Transmission setting……..……………………………..………………………….………………………………………41
10.2 Remote Control Protocol…………………………………..………………………………………………………..……..42
11. Remote Controller………….…….……………………………………………………………………………...……………45
12. Appendix-A/Time Lapse Mode Recording Time…….……..………………………………………………………....….....46
12.1 Recording with and 80 GB HDD…..…………...………………….…………………………………………….………..46
12.2 Recording with and 160 GB HDD…………..…………………………………………………………………………….47
13. Appendix-B/ Security Lock setting..…...…….………………………………………………………………………………48
6.9 System Setting Menu…………………………………………………………………………………………………………28

1. Product Overview
The Digital Video Recorder is the first true VCR replacement designed particularly for the security industry,
seamlessly combining high-resolution video multiplexing and digital recording.
The Digital Video Recorder at speeds up to 60/50 fields per second with NTSC/PAL formats and replay event
instantly.
The Digital Video Recorder incorporates all the benefits of digital video recording, is simple to install, and operates
just like a VCR. The highly efficient compression technology, as well as the superior clarity and detail of recorder images,
make the Digital Video Recorder stand out from its competitors as the best choice for security surveillance.
1.1 Features
Product Overview and Features
1
Digital Recording provides superior quality images
Hard-disk hot-swapping capability
Pre-Alarm image recording
Compatible with most multiplexers
Time lapse and real time recording
Refresh rate up to 60 fps (50 fps for PAL)
Quick Search by date/time, alarm events, and recording list
Fast and slow playback of recorded video in various speeds
On-screen setup menu and system timer
Multi-level password protection
RS-232/RS-485 communication port
Highly stable non-PC based proprietary system
Built-in M-JPEG compression/decompression with configurable quality
Audio recording capability
Programmed with various time-lapse speeds, Data can be stored in Compact Flash Card.
Operation status record log

Specifications
2
0℃~+40℃Operating Temperature
320.8mm (L) x 215mm (W) x 100mm (H) Dimension
AC100~240VPower Source
Yes Watch Dog Timer
Built-in real time clock Timer
Front Panel Keypad User Input Device
Menu Driven User Interface
On screen display setup Setup
By Date/Time or Event or Segment Playback Search
60/50 fps for NTSC/PAL Playback Rate
60/50 fps for NTSC/PAL Recording Rate
Continuous, Time-lapse recording,
Timer or Event Recording
Recording Mode
3.5” IDE type, Hot- swappable Hard Disk Storage
Yes Event Log
9-pin female connectorRS-232
Yes Video Loss Detection
2 input; 2 output Audio
Yes Alarm Output
Yes Alarm Input
Yes, Built-in Compact Flash card slot CompactFlash Memory
720x484 (NTSC); 720x576 (PAL) Video Resolution
M-JPEG Video Compression
1 video output (BNC), 1Vpp/75ohmVideo Output
1 video input with loop through (BNC),
1Vpp/75ohm
Video Input
1.2 Specifications
Power Consumption 39W
RS485 RJ11 Connector

20 10
912
11 13 14 16 21
19
18
17
Front Panel Keypads
14
3
2. Front Panel Keypads
15
22
2
143 568
7
~
LOCK :Press and hold the LOCK button over 3 seconds to lock/unlock the function keys of the front panel.
This function is used to avoid unexpected contact with the panel.
7
6BUZZER: Press this key to turn On/OFF the buzzer for all events.
5ENTER:
8MENU: Press this key to enter Setup menu.
STOP : Press this key to stop recording and play back.
PAUSE: Press this key to pause the playback picture.
SEARCH: Press this key to enter the Search Playback Menu.
10
9
11
12
13
15
14
REC : Press this key to start recording.
COPY: Press this key to start copy still picture or video stream into Compact Flash card.
REV. PLAY : Reverse Play Back.
PLAY: Play Back.
KEY
Left/Right Button: Press or to move the cursor to the left or right
Up/Down Button: Press or to change the value.
Press this key to confirm the selection or data changed.

Display: Press this key to switch ON/OFF.
16
Display OFF Display Date/Time
And Operation status

MUX MAIN
MONITOR IN
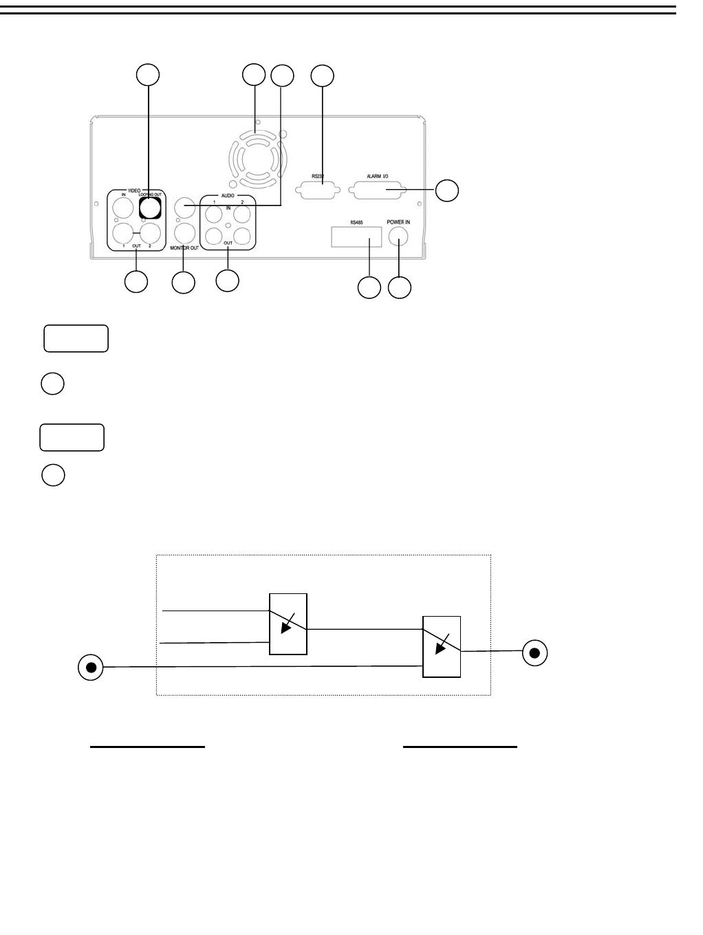
Back Panel Connections
Audio IN : Audio input for recording.
Audio OUT : These two audio outputs can be set to “Enable” or “Disable” in Setup Menu.
The operation of audio out is as follows:
When in recording or standby mode,
the out of SW1 is connected to Audio IN.
Playback Audio
When in playback mode the out of SW1 is
connected to SW2 Audio.
When Playback Audio is enabled then the output
of SW2 will be connected to Playback Audio.
When Playback Audio is disabled then there is no
audio output (MUTE).
When Audio Out is enabled and machine is in Recording or Standby mode, the Audio IN is loop-through to Audio Out
connector.
When Audio Out is enabled and machine is in Playback mode then the Audio Out playback audio.
AUDIO
549
2
Operation of SW1 : Operation of SW2 :
Audio IN
Audio OUT
OFF / Mute SW1
SW2
A
( Internal circuit )
5
3. Back Panel Connections
7
10 38
POWER
6
1
1Power in: The main power in.
2

VIDEO IN : The BNC connectors of video input enables the system to receive the signals from
each camera through the 75 ohm coaxial cables.
VIDEO IN /Output
VIDEO OUT(1~2) : Connect the other devices with four cameras to the other devices.
MUX MAIN MONITOR: Video input BNC connector, connected to multiplexer main monitor output.
MAIN
MONITOR MONITOR OUT
INTERNAL
VIDEO
SW3
A
When the machine is in Menu, Search or Copy mode, the internal Video is switched to Monitor Out, so that the user
can view full screen OSD. In other modes, the Video from multiplexer main monitor will be loop-through to the Monitor
Out.
MONITOR
3
5
Back Panel Connections
6
( Internal circuit )
4MONITOR : Video output BNC connector connected to main monitor.
ALM-OUTPUT : Normal Close Alarm output. In normal condition, this terminal is
shorted to the terminal of ALM-COM. In alarm status, it is open
between ALM-NC and ALM-COM terminals.
ALM-INPUT : Normal Open or Normal Close type alarm sensor input.
The Alarm Input can be selected as Normal Open or Normal Close input in the setup
menu. When an alarm occurs, alarm recording will automatically start.
Alarm Input/ Output
7
6VIDEO LOPPING : The loop-through composite video input can be connected to other devices.

RS232
RS232 connector : Connect D-Sub 9 pins connector to RS232 ports for remote control
8
Back Panel Connections
7
RS485
RS485 connector : Cascade multi Digital Video Recorder.
9
10 FAN: Cooling FAN.

MUX MAIN
MONITOR IN
4.1 One Camera Connection.
(1 ) :Video out:
The Camera Video Output is connected to the Video In at the rear panel.
Main Monitor
(2 ) : Audio Out:
The camera audio output is connected to the audio input terminal at the rear panel.
(3) : System Main Monitor Output:
The main monitor is connected to the VIDEO OUT 1 BNC connector.
System Connection
(1)
(2)
(3)

MUX MAIN
MONITOR IN
(1): Multiplexer VCR Out :
This connects to the VIDEO IN connector at the rear panel.
(2) :Multiplexer VCR In :
This connects to the VIDEO OUT 1 connector at the rear panel.
(3) :Multiplexer Main Monitor Output:
This connects to the MUX. MAIN MONITORIN IN connector at the rear panel.
(4) :System Main Monitor Out:
Connect the MAIN MONITOR OUTPUT connector to the main monitor.
System Connection
9
4.2 Multiplexer Connection.
Main Monitor
Multiplexer
(3) (2) (1)
(4)
VCR IN VCR OUT
MAIN MONITOR OUTPUT
Note: Please set the Multiplexer item to ON . (NORMAL RECORD SETTING MENU)

MUX MAIN
MONITOR IN
4.3 Quad Connection. ( Quad with VCR in VCR out connector)
Main Monitor
Quad
(1): Quad VCR Out:
This connects to the VIDEO INPUT connector at the rear panel.
(2) : Quad VCR In:
This connects to the VIDEO OUTPUT connector at the rear panel.
(3) : Quad Main Monitor Out:
This connects to the MUX. Main connector at the rear panel.
(4) : System Main Monitor Output:
Connect the MAIN MONITOR OUTPUT connector to the main monitor.
System Connection
(1)
(2)
(3)
VCR IN VCR OUT
MAIN MONITOR OUTPUT
(4)
10
Note: Please set the Multiplexer item to ON . (NORMAL RECORD SETTING MENU)

MUX MAIN
MONITOR IN
4.4 Quad connection. ( Quad without VCR in VCR out connector)
Main Monitor
(1): Quad Video Out ( to Video Recorder):
This connects to the VIDEO INPUT connector at the rear panel.
(2): System Main Monitor Output:
Connect the MAIN MONITOR connector to the main monitor.
System Connection
Quad
VIDEO OUT
(1)
11
(2)
Note: Please set the Multiplexer item to OFF . (NORMAL RECORD SETTING MENU)

INSTALLATION
12
(1) Insert a HDD (IDE) for Video Storage
The HDD should be set as MASTER.
( Normally the default setting of HDD is Master)
Notice: After the hard disk case is inserted into the hard disk tray, be sure to
Turn the tray key in lock position. Otherwise, hard disk will not be detected and
The System Loading procedure can not be completed.
(2) Connect cable for video/audio input and video/audio out,
The detail connection is described in SYSTEM CONNECTION.
(3) Switch Power On
The POWER LED lights if power is normal.
(4) Press MENU key to enter SET UP MENU.
Once inside the main menu you will find there are
nine set up pages as below:
MENU
(5) Turn the jog dial clockwise or counterclockwise to change set up page.
1. CLOCK/LANGUAGE SETTING MENU
2. DAYLIGHT SAVE SETTING MENU
3. TIMER SETTING MENU
4. NORMAL RECORD SETTING MENU
5. ALARM RECORD SETTING MENU
6. BUZZER SETTING MENU
7. ARCHIVE SETTING MENU
8. RS232/RS485 SETTING MENU
9. SYSTEM SETTING MENU
5. Installation

MENU
6. MENU FLOW
TIMER SETTING MENU
( See page 16 )
DAYLIG HT SE T TIN G MENU
( See page 15 )
CLOCK/L ANGUAGE
SETTING MENU
( See page 14 )
Turn the Jog dial clockwise or counterclockwise to change
setting menu page.
13
: 2003/04/24 TUE
: 13:01:02
CLOCK/LANGUAGE SETTING MENU
DATE
TIME
MENU LANGUAGE : ENGLISH
TIMER SETTING MENU
WEEK
SUN
SUN
SUN
SUN
SUN
SUN
SUN
SUN
SUN
SUN
SUN
SUN
START STOP SPEED QUALITY SET
00:00 00:00 002 HR STABDARD OFF
00:00 00:00 002 HR STABDARD OFF
00:00 00:00 002 HR STABDARD OFF
00:00 00:00 002 HR STABDARD OFF
00:00 00:00 002 HR STABDARD OFF
00:00 00:00 002 HR STABDARD OFF
00:00 00:00 002 HR STABDARD OFF
00:00 00:00 002 HR STABDARD OFF
00:00 00:00 002 HR STABDARD OFF
00:00 00:00 002 HR STABDARD OFF
00:00 00:00 002 HR STABDARD OFF
00:00 00:00 002 HR STABDARD OFF
NORMAL RECO RD
SETTING MENU
( See page 18 )
NORMAL RECORD SETTING MENU
SPEED
QUALITY
MULTIPLEXER
DISK FULL
: 002
: STANDARD
: OFF
: REWRITE
ALARM OPERATION
RECORDING SPEED
RECORDING QUALITY
ALARM – IN TYPE
ALARM -RESET TYPE
ALARM DURATION TIME
PRE-ALARM OPERATION
RECORDING SPEED
ALARM RECORD
SETTING MENU
( See page 20 )
NO
NO
OFF
888888
12
NO
NO
NO
NO
ON
002 HR
STANDARD
N.O.
N.O.
05 SECS
ON
002 HR
PICTURE SIZE
TIME STAMP
TIME STAMP POS
WATER MARK
WATER MARK POS
BUZZER
SETTING MENU
( See page 22 )
SYSTEM SETTING MENU
( See page 25 )
SYSTEM SETTING MENU(V1.0 05/19)
:
:
:
:
:
:
:
:
:
PLAY WITH AUDIO 1
PLAY WITH AUDIO 2
PASSWORD ENABLE
PASSWORD
FIELD CODE LINE
DISK RENEW
SYSTEM UPDATE
LOAD DEFAULT
CF RENEW
ALARM RECORD SETTING MENU
:
:
:
:
:
:
:
:
BUZZER SET SETTING MENU
BUZZER
ALARM –IN
RECORD -IN
DISK FULL
VIDEO LOSS
TIMER
: ENABLE
: ON
: ON
: ON
: ON
: ON
ARCHIVE SETTING ME NU
( See page 23 )
ARCHIVE SETTING MENU
: 720 X 480
: ON
: BOTTOM
: ON
: BOTTOM
RS232/RS485 SETTING MENU
( See page 23 )
RS232/RS485 SETTING MENU
DAYLIGHT SETTING MENU
DAYLIGHT SAVING :OFF
START ON JAN 1ST MON
FROM 00:00 TO 00:00
END ON JAN 1ST MON
FROM 00:00 TO 00:00
RS232/RS485 :RS232
RS232/RS485 ID :01
BUAD RATE :9600
PARITY :NONE
DATA BIT :8
STOP BIT :2

MENU
14
In CLOCK/LANGUAGE SETTING MENU , we SET
(1) DATE : Current date
Year: 2000 ~ 2099 Month: 01~ 12 Date: 01~31
(2) TIME : Current time
Hour: 00 ~ 23 Minute : 00 ~ 59 Second: 00 ~ 59
(3) MENU LANGUAGE:
ENGLISH
CLOCK/LANGUAGE SETTING MENU
DATE
TIME
MENU LANGUAGE
: 2003/04/24 TUE
: 13:01:02
: ENGLISH
6.1 CLOCK/ LANGUAGE SETTING MENU
Left/Right Button: Press or to move the cursor to the left or right
Up/Down Button: Press or to change the value.
VERSION: 1.0 (2003/05/26)

MENU
15
6.2 DAYLIGHT SETTING MENU
DAYLIGHT SETTING MENU
DAYLIGHT SAVING: OFF
START ON JAN 1ST MON
FROM 00:00 TO 00:00
END ON JAN 1ST MON
FROM 00:00 TO 00:00
In DAYLIGHT SETTING MENU , we define:
(1) DAYLIGHT SAVING:
Select “ON” or “OFF” while the daylight saving time function is enabled or not.
(2) START ON:
“1ST ” Use the arrows to set the present week
1ST
2ST 3ST 4ST
“SUN”Use the arrow to set the present date
Thursday
Sunday
Friday
TuesdayMonday
Wednesday Saturday
“JAN ”Use the arrow to set the present month
Sunday
February March
January
April
May
June
December
November
October
Septem berAugust
July
“FROM” 00:00 “TO”00:00: Use the arrow to set the start time value.
LAST
Left/Right Button: Press or to move the cursor to the left or right
Up/Down Button: Press or to change the value.

MENU
6.3 TIMER SETTING MENU
TIMER SETTING MENU
WEEK START STOP SPEED QUALITY SET
SUN 00:00 23:59 002 HR STANDARD OFF
SUN 00:00 23:59 002 HR STANDARD OFF
SUN 00:00 23:59 002 HR STANDARD OFF
SUN 00:00 23:59 002 HR STANDARD OFF
SUN 00:00 23:59 002 HR STANDARD OFF
SUN 00:00 23:59 002 HR STANDARD OFF
SUN 00:00 23:59 002 HR STANDARD OFF
SUN 00:00 23:59 002 HR STANDARD OFF
SUN 00:00 23:59 002 HR STANDARD OFF
SUN 00:00 23:59 002 HR STANDARD OFF
SUN 00:00 23:59 002 HR STANDARD OFF
SUN 00:00 23:59 002 HR STANDARD OFF
The monitored image can be recorded automatically by setting the start and end
times in TIMER SET SETTING MENU, we can set the schedule to record for a whole week.
(1) WEEK:
This selects the day for the timer .Records each day’s schedule.
(2) START:
This key is used to start the timer recording.
(3) STOP:
This key is used to end the time for recording.
.
16
In TIMER SETTING MENU, we define

(4) Speed :
When SPEED FORMAT is set to HOUR, the recording speed
can be set from 2/3 (NTSC/PAL)HR to 960HR.
When SPEED FORMAT is set to IPS, the recording speed can
be set from 1~60/1~50(NTSC/PAL)IPS.
(5) QUALITY:
Picture Quality
There are six quality levels for recording
(6) SET:
Set “ON” when using timer recording.
Set “OFF” when not using timer recording
LOWER
LOW
BASIC
STANDARD
HIGH
SUPERIOR
:
:
:
:
:
:
15 KB
20 KB
25 KB
30 KB
35 KB
40 KB
17

MENU
18
NORMAL RECORD SETTING MENU
SPEED
QUALITY
MULTIPLEXER
DISK FULL
002 HR
STANDARD
OFF
REWRITE
:
:
:
:
In NORMAL RECORDING MENU, we define
(1) SPEED : Recording Speed
The user can select the recording speed from 2/3 (NSC/PAL) HR to 960 HR.
(2) QUALITY:
Picture Quality
There are six quality levels for recording
LOWER
LOW
BASIC
STANDARD
HIGH
SUPERIOR
:
:
:
:
:
:
15 KB
20 KB
25 KB
30 KB
35 KB
40 KB
6.4 NORMAL RECORD SETTING MENU

(3) MULTIPLEXER:
ON/OFF : The user can select Multiplexer connection or One Camera connection
ON : The video input from MUX MAIN MONITOR connector at the rear
panel will be looped through to the main monitor out when the
recorder is not in MENU mode.
OFF : The main monitor output is similar to the video out connector.
(4) Disk Full:
STOP : When the disk is full, the machine will STOP recording.
REWRITE : When the disk is full, the current video will OVERWRITE the existing video
from the beginning of HDD.
MENU
19
Left/Right Button: Press or to move the cursor to the left or right
Up/Down Button: Press or to change the value.

In ALARM RECORDING MENU, we define
(1) ALARM OPERATION :
ON : Records when alarm occurs.
OFF : Does not record when alarm occurs.
(2) RECORDING SPEED : The recording speed in alarm duration.
The max. recording speed is 2/3 (NTSC/PAL) HR.
The min. recording speed is 960 HR.
(3) RECORDING QUALITY :
Select the Recording picture quality when alarm occurs.
LOWER
LOW
BASIC
STANDARD
HIGH
SUPERIOR
MENU
20
ALARM RECORD SETTING MENU
ALARM OPERATION
RECORDING SPEED
RECORDING QUALITY
ALARM – IN TYPE
ALARM -RESET TYPE
ALARM DURATION TIME
PRE-ALARM OPERATION
RECORDING SPEED
ON
003 HR
STANDARD
N.O.
N.O.
05 SECS
ON
003 HR
:
:
:
:
:
:
:
:
:
:
:
:
:
:
15 KB
20 KB
25 KB
30 KB
35 KB
40 KB
6.5 ALARM RECORD SETTING MENU

(4) ALARM –IN TYPE :
N.O. : Normal Open,
N.C. : Normal Close
(5) ALARM - RESET TYPE:
N.O. : Normal Open,
N.C. : Normal Close
(6) ALARM DURATION TIME :
Alarm recording starts from the beginning of alarm and stops at the end of the duration.
The max. duration is NON - STOP, the min. duration is 5 Seconds.
(7) PRE-ALARM OPERATION :
ON : Record the picture in pre-alarm recording speed in pre-alarm period.
OFF : No pre-alarm recording before alarm occurs.
(8) RECORDING SPEED :
This is the recording speed in the pre-alarm period.
The max. recording speed is 2/3 (NTSC/PAL) HR.
The min. recording speed is 960 HR.
(9) PRE – ALARM TIME :
The duration of pre-alarm recording period
In 2/3 hour Real Time recording mode, the duration of pre-alarm is about five seconds.
Notice :
If the alarm occurs when it is in standby mode or in normal recording mode,the recording quality will be the
same as the normal recording quality.
If the alarm occurs when it is in timer recording mode , the recording quality will be the same as the value
set in timer recording quality.
MENU
21
Left/Right Button: Press or to move the cursor to the left or right
Up/Down Button: Press or to change the value.

MENU
Note:
22
(a.) Alarm out
To external
equipment
82 1
9
COIL

MENU
Normally Closed Connection (use pin # 13 and # 12)
82 1
15 9
COIL
RELAY
To external
equipment
23

MENU
Alarm in
There is one alarm input. Please connect the alarm input in the same sequence as the
camera input BNC.
When alarm signal comes in, the Digital Video Recorder will do the following:
1. Display Alarm Message
2. Turn on the buzzer if the buzzer setting is on.
The ALARM in can be selected as normally open input or normally closed input:
Normally Open : If the alarm input is selected as Normally Open input, then the
(N.O.) input is opened normally, and shorted to the ground means an alarm happens.
Normally Close : If the alarm input is selected as Normally Close input, then the
(N.C.) input is shored to the ground normally, and opened input means an alarm
happens.
(c) Alarm in and alarm reset
There is 1 alarm sensor in for 1 channel and 1 alarm reset in, the
alarm input can be set to Normally Open or Normally Closed by user.
SENSOR 1
82 1
9
ALARM RESET
ALARM
CIRCUIT
15
24

BUZZER SETTING MENU
BUZZER
ALARM –IN
RECORD -IN
DISK FULL
VIDEO LOSS
TIMER
In BUZZER SETTING MENU, we SET the buzzer ON/OFF under the following conditions:
(1) BUZZER :
ENABLE: Turns the buzzer on.
DISABLE: Turns the buzzer off.
User can press Enter button to enable/disable in Record/Playback mode.
(2) ALARM –IN :
ON, the buzzer will sound when the alarm occurs.
(3) RECORD – IN:
ON, the buzzer will sound when Record-IN signal is applied on the Record-IN terminal.
(4) DISK FULL :
ON, the buzzer will sound when disk is near full 99.7%
(5) VIDEO LOSS :
ON, the buzzer will sound when the video loses.
(6) TIMER :
ON, the buzzer will sound when timer record occurs.
MENU
25
: ENABLE
: ON
: ON
: ON
: ON
: ON
6.6 BUZZER SETTING MENU
Left/Right Button: Press or to move the cursor to the left or right
Up/Down Button: Press or to change the value.

MENU
ARCHIVE SETTING MENU
PICTURE SIZE
TIME STAMP
TIME STAMP POS
WATER MARK
WATER MARK POS
MULTIPLEXER
720x576
ON
BOTTOM
ON
BOTTOM
NONE
:
:
:
:
:
:
6.7 ARCHIVE SETTING MENU
(1) PICTURE SIZE :
Selects picture size for copying image to CF card
Big size:720x576
Small size:352x288
(2) TIME STAMP :
ON: The time stamp will show on the picture when copying image to CF card.
OFF: The time stamp will not show on the picture when copying image to CF card.
(3) TIME STAMP POS:
BOTTOM: The time stamp will show on the bottom
TOP: The time stamp will show on the top
(4) WATER MARK:
ON: Shows a water mark on the picture when copying image to CF card.
OFF: This erases the water mark on the picture when copy image to CF card.
(5) WATER MARK POS:
BOTTOM: Water mark will show on the bottom
TOP: Water mark will show on the top
(6) MULTIPLEXER:
Multi-brand of multiplexer for user choose: NONE/EVERFOCUS 4BDX/EVERFOCUS 4CDX/EVERFOCUS
16CTX/ROBOT MU99P/APPRO MPX-9016/DM NPRITE4 /ATV QSP-860MPX
26
Left/Right Button: Press or to move the cursor to the left or right
Up/Down Button: Press or to change the value.

MENU
(1) RS232/RS485: Choose RS232 or RS485 for activated.
(2) RS232/RS485 ID: This entry is used to assign each device with its own ID code, when more than on unit is
used in one system through RS232/RS485.
There are two ID code for the Digital video recorder : 001 or 002
(3) BAUD RATE: There are 6 different speeds that can be used to transmit instruction or
information through the RS232/RS485 port on the device, 1200 baud,2400 baud,4800 baud,9600 baud,
19200 baud,and 3840 baud. The default setting from the factory is 9600 baud.
(4) PARITY: Select parity lever: NONE/ODE/EVEN
(5) DATA BIT: Select data bit : 8 or 7
(6) STOP BIT: Select stop bit: 1 or 2
27
RS232/RS485 SETTING MENU
6.8 RS232/RS485 SETTING MENU
RS232/RS485
RS232/RS485 ID
BAUD RATE
PARITY
DATA BIT
STOP BIT
In the RS232/RS485 SETTING MENU, we define
: RS232
: 01
: 9600
: NONE
: 8
: 2
Left/Right Button: Press or to move the cursor to the left or right
Up/Down Button: Press or to change the value.

MENU
(2) PASSWORD ENABLE :
YES/NO : User can set the PASSWORD ON or OFF to enter the system setting menu.
YES: Selects the PASSWORD to enter the system setting menu .
NO: Turns off the PASSWORD to enter the system setting menu.
(3) PASSWORD :
When selecting YES for PASSWORD ENABLE, to unlock key a password
is required. The code is six digits long and can be a digit from 1 to 8.
Once you have activated the password, whenever you press the LOCK button for unlock
the system will ask you to enter the password.
Therefore, be sure to make a note of the password.
28
SYSTEM SETTING MENU
PLAY WITH AUDIO 1
PLAY WITH AUDIO 2
PASSWORD ENABLE
PASSWORD
FIELD CODE LINE
DISK RENEW
SYSTEM UPDATE
LOAD DEFAULT
CF RENEW(FAT16)
NO
NO
OFF
888888
12
NO
NO
NO
NO
:
:
:
:
:
:
:
:
:
PASSWORD: ******
6.9 SYSTEM SETTING MENU
(1) PLAY WITH AUDIO 1
PLAY WITH AUDIO 2 :
ON/OFF : Play back with or without audio.

(5) DISK RENEW :
YES/NO : Activates the Renew HDD option.
DISK RENEW
NO YES Press NO to renew HDD and Press ENTER key to Exit.
MENU
NO YES
DISK RENEW Press Yes to Renew HDD and Press ENTER key to Exit.
(6) SYSTEM UPDATE :
YES/NO : Updates the system.
YES : Copy the update files into Compact Flash card ON PC and insert the
Compact Flash card into the slot, and then press ENTER key to update system.
The “ Reading Program………” will be shown on the screen during the process.
The “ Success” will be shown on the screen after system update.
Notice: After the system is updated successfully, be sure reboot the system.
(4) FIELD CODE LINE : When the system is connected to the Multiplexer, it is used to adjust the field code
of the Multiplexer.
The values: 00~20
The default value is 13, it is suitable for most of the multiplexers.
If the field code line appears on the top of each playback channel, decrease the value.
If multiplexers can not playback properly ,increase the value.
29

MENU
30
(8) CF RENEW:
Two of modes for choice, YES or NO.
NO: will not format CF card
YES: will format CF card
(7) LOAD DEFAULT :
LOAD DEFAULT
NO YES Press NO to load default and Exit.
LOAD DEFAULT
NO YES
Press YES to load default value.
Left/Right: Press or to move the cursor to the left or right
Up/Down: Press or to change the value.
CF RENEW
NO YES
CF RENEW
NO YES

7.1 INSTANT RECORDING
When pressed, the pictures being monitored
will be recorded in the HDD.
•The recording rate and recording quality are
set in the Record Set menu
• “ REC ” button light up in the operating
display
Video out
Press Stop key to stop recording.
• Stop key can be activated only in recording mode.
•When the HDD is full, the machine will Stop recording automatically
or Overwrite from the beginning of the HDD. It depends on the
setting in HDD setting
Press Record key to start the recording immediately.
Recording
REC
STOP
RECORD
002 HR
31

Press MENU key and turn the jog dial to select the ALARM
RECORDING SETTING MENU.
The monitor image will automatically record when alarm occurs and stopsrecording at the end of the alarm
duration period.
Instant recording and timer recording will stop when an alarm occurs.
RECORDING OPERATION:
ON: Enables alarm recording,
OFF :Disables alarm recording.
RECORDING SPEED:
Set the recording speed when alarm occurs.
RECORDING QUALITY:
In alarm duration, the recording quality can be set which is different from instant or timer recording.
ALARM – IN TYPE:
Select the type of alarm-in input to be Normal Close (N.C.) or Normal Open (N.O.)
ALARM – RESET TYPE:
Select the type of alarm-reset input to be Normal Close (N.C.) or Normal Open (N.O.)
ALARM DURATION TIME:
Alarm duration from 5 seconds to NON – STOP.
PRE-ALARM OPERATION:
ON: Enables pre-alarm recording,
OFF: Disables pre-alarm recording.
RECORDING SPEED:
Set the recoding speed in pre-alarm duration.
Notice:
The recording quality in pre-alarm duration is the same as recording quality before alarm occurs. If the recorder
is not recording before alarm occurs, the recording quality in pre-alarm duration will be the same as instant
recording quality.
Recording
MENU
32
7.2 ALARM RECORDING

8.1 NORMAL PLAYBACK
Press the PLAY key to start playing back the stored image/audio from
the last SEGMENT.
(1) Playback
Press the REV.PLAY key to start reverse playing back the stored
image/audio from the last segment.
Press the STOP key to stop playing back.
(3) Fast Forward/Reverse Playback
Press the PLAY key to start playing back.
Turn the shuttle dial clockwise and fast forward playback starts.
The speed will be shown on the LCD at the right upper corner of the screen.
>> 2, 4, 6, 8, 16, 32, 600X
Turn the shuttle dial counterclockwise and fast reverse playback starts.
The speed will be shown on the LCD.
<< 2, 4, 6, 8, 16, 32, 600X
Playing Back
REV.PLAY
PLAY
PLAY
STOP
33
(2) STOP

Playing Back
(5) Frame/Field advance Forward/Reverse
Press PAUSE key to freeze the picture.
Turn the jog dial clockwise to advance the still image Frame/Field by
Frame/Field .
Turn the jog dial counterclockwise to rewind the still image Frame/Field by
Frame/Field .
The Frame/Field feed speed will increase if the jog dial is turned quickly.
PAUSE
34
(4) Slow Forward/Reverse Playback
Press PAUSE key to freeze the playing back picture.
Turn the shuttle clockwise and slow forward playback starts.
The speed will show on the LCD at the corner of the screen.
>> 1/2, 1/4, 1/6, 1/8, 1/10, 1/16, 1/32
Turn the shuttle counterclockwise and slow reverse playback starts.
The speed will show on the LCD at the corner of the screen.
<< 1/2, 1/4, 1/6, 1/8, 1/10, 1/16, 1/32
PAUSE

8.2 SEARCH PLAYBACK
(1) Segment Search Playback
Press the SEARCH key to enter the Search menu.
SEARCH MENU
BY SEGMENT LIST
BY ALARM LIST
BY DATA TIME
Press the keys to move the cursor to BY SEGMENT LIST and press ENTER key to
select file search.
SEGMENT SEARCH
1
2
3
Playing Back
SEARCH
Press the keys to move the cursor to the segment you want to playback. Press
Enter to select the segment.
When the selection list is full, turn the jog dial clockwise to select next page list for search
other list.
After the starting time is confirmed, press Enter to start playing back.
35
Alarm
Timer
Timer
2002/04/24 19/03/29
2002/04/25 12/30/30
2002/05/20 12/00/00
Alarm:ALARM RECORD
Timer: TIMER RECORD

Playing Back
(2) Alarm Search Playback
Press SEARCH key to enter the Search menu.
Press the keys to move the cursor to BY ALARM LIST and press ENTER
key to select alarm search.
ALARM SEARCH
1
2
3
Press the keys to move the cursor to select the alarm image to be played back.
When the selection list is full, turn the jog dial clockwise to select next page for search
other list.
The alarm image will be played back from the pre-alarm period and stop at the end of alarm
duration.
SEARCH
SEARCH MENU
BY SEGMENT LIST
BY ALARM LIST
BY DATE TIME
2002/04/24 19/03/29
2002/04/25 12/30/30
2002/05/20 12/00/00
Alarm
Timer
Timer
36
Alarm : PRE-ALARM RECORD
Timer : TIMER RECORD

Playing Back
(3) Date/Time Search Playback
Press SEARCH key to enter the Search menu.
Press the keys to move the cursor to BY DATE/TIME and press ENTER key to
select file search.
DATE/TIME SEARCH
YEAR/MM/DD HH:MM:SS
2002 04 24 19 03 35
SEARCH
Notice: If there is no image stored in the date/time specified then the machine will
start playing back from the nearest set time automatically.
Press the keys to move the cursor.
Press the keys to increase/decrease the data.
Press Enter and the playback starts from the date/time set in the menu.
SEARCH MENU
BY SEGMENT LIST
BY ALARM LIST
BY DATE/TIME
37

COPY
Insert a Compact Flash card into the Compact Flash slot on the front panel.
When inserting the Compact Flash card, make sure that the direction of insertion is
correct.
Press the PAUSE key to freeze the picture.
Turn the jog dial clockwise or counterclockwise to move to your desired
image of choice .
PAUSE
Press the PLAY key to start playing back.
PLAY
COPY
While the image to be displayed as your desired image of choice ,
press the COPY key. The “ Copying …” will be shown on the screen during
the process. The “ Success” will be shown on the screen after file copied
Notice: Copied images are stored as a single picture.
Copied files are saved as .JPG file.
38
9.1 STILL IMAGE COPY
9. COPY

COPY
Press COPY key and then the copy menu appears.
COPY
39
Press the PLAY key to start playing back.
PLAY
PLAY
Press PLAY key to continue Copy Movie File.
COPY TO MOVIE FILE
Press COPY
Press PLAY
Press PAUSE
Press SEARCH
Press STOP
To Step Copy
To Continue Copy
To Stop Continue
To End Copy
To End Play
9.2 COPY TO MOVIE FILE

COPY
40
Press the PAUSE key to stop continue copy.
PAUSE
Press STOP key to end play.
STOP
Notice: Copied images are stored as a movie picture.
Copied files are saved as .MOV file.
Use QuickTime to play the retrieved .MOV files.
You may download QuickTime at www.apple.com.
The playback version for QuickTime is free.
SEARCH Press SEARCH key to end copy.

Interface Specifications
RS232
10.1 Transmission setting
The pin assignment of the 9-pin D-SUB connector
PIN # NAME PIN # NAME
1 NOT CONNECTED 1 NOT CONNECTED
2 TXD 2 RXD
3 RXD 3 TXD
4 NOT CONNECTED 4 NOT CONNECTED
5 GROUND 5 GROUND
6 NOT CONNECTED 6 NOT CONNECTED
7 NOT CONNECTED 7 NOT CONNECTED
8 NOT CONNECTED 8 NOT CONNECTED
9 NOT CONNECTED 9 NOT CONNECTED
Digital Video Recorder HOST
15
3
9
2
8
4
76
D-SUB 9-pin connector specifications
41
This Digital Single Channel Recorder may be controlled by a computer or a terminal via
the standard D-SUB 9-pin RS-232 connector.
There are 6 different speeds that can be used to transmit instruction or
information through the RS232/RS485 port on the device, 1200 baud,2400 baud,4800 baud,9600 baud,
19200 baud,and 3840 baud.
The default setting from the factory is 9600 baud.
Please refer to Chart 6.11 (page27) for details.


2-4. Opcode Byte & Data bytes
2-4-1. OPcode
------------------ ----------------- -------
OPcode Data1 Function
------ ------ ------------------ --------
0x4B Keycode A remote key pressed
------------------ ----------------- -------
2-4-1. A remote key pressed (OPcode=0x4B)
------------------ ---------------
Data1 Key
------ ------------------ -------
0x00 key 'LEFT'
0x01 key 'RIGHT'
0x02 key 'UP'
0x03 key 'DOWN'
0x04 key 'ENTER'
0x05 key 'BUZZER'
0x06 key 'LO CK'
0x07 key 'MENU'
0x08 key 'REC'
0x09 key 'REV.PLAY'
0x0A key 'STOP'
0x0B key 'PLAY'
0x0C key 'PAUSE'
0x0D key 'SEARCH'
0x0E key 'COPY'
0x0F key 'DISPALY'
0x10 key 'SHUTTLE << x2"
0x11 key 'SHUTTLE << x4"
0x12 key 'SHUTTLE << x6"
0x13 key 'SHUTTLE << x8"
0x14 ke y 'SHUTTLE << x16"
0x15 ke y 'SHUTTLE << x32"
0x16 ke y 'SHUTTLE << x600"
0x17 key 'SHUTTLE >> x2"
0x18 key 'SHUTTLE >> x4"
0x19 key 'SHUTTLE >> x6"
0x1a key 'SHUTTLE >> x8"
0x1b ke y 'SHUTTLE >> x16"
0x1c key 'SHUTTLE >> x32"
0x1d ke y 'SHUTTLE >> x600"
0x1e key 'JOG<'
0x1f key 'JOG>'
------------------ ---------------
2-5. Checksum Byte
Checksum is computed as the sum of all previous byte(including the
length byte), then mask w ith 0x7f.
44

Remote Controller
Figure 1
45
(Optional)
11. Remote Controller
The remote controller is an accessory to enhance the
handy operations of digital video recorder (Figure 1).
You can do all the settings and operations by the remote
controller. The effective distance is up to 10 meters
without any obstacles. The keypad functions are as
same as the front panel of the digital video recorder .

Appendix-A
12.1 When Recording with an 80-GB HDD
46
Lower
Low
Basic
Standard
High
Superior
: 15 kB
: 20 kB
: 25 kB
: 30 kB
: 35 kB
: 40 kB
(Estimated with typical image-l ow noise level)
12. APPENDIX- A/Time Lapse Mode Recording Time
NTSC (system storage:80GB)
Recording Recording
Speed Rate
(Hour) (field/Sec)
2 60 24H 18H 14H 12H 10H 9H
6 15 98H 74H 59H 49H 42H 37H
12 8.571 172H 129H 103H 86H 74H 64H
24 4.615 321H 240H 192H 160H 137H 120H
48 2.4 617H 463H 370H 308H 264H 231H
72 1.622 913H 685H 548H 456H 391H 342H
96 1.224 1210H 907H 726H 605H 518H 453H
168 0.706 2098H 1573H 1259H 1049H 899H 786H
480 0.249 5949H 4462H 3569H 2974H 2549H 2231H
720 0.166 8924H 6693H 5354H 4462H 3824H 3346H
960 0.125 11851H 8888H 7111H 5925H 5079H 4444H
PICTURE QUALITY
LOWER LOW BASIC STANDARD HIGH SUPERIOR
PAL (system storage:80GB)
Recording Recording
Speed Rate
(Hour) (field/Sec)
3 50 29H 22H 17H 14H 12H 11H
6 16.667 88H 66H 53H 44H 38H 33H
12 10 148H 111H 88H 74H 63H 55H
24 5.556 266H 200H 160H 133H 114H 100H
48 2.941 503H 377H 302H 251H 215H 188H
72 2 740H 555H 444H 370H 317H 277H
96 1.515 977H 733H 586H 488H 419H 366H
168 0.877 1689H 1266H 1013H 844H 724H 633H
480 0.311 4763H 3572H 2858H 2381H 2041H 1786H
720 0.207 7156H 5367H 4294H 3578H 3067H 2683H
960 0.156 9646H 7122H 5698H 4748H 4070H 3561H
PICTURE QUALITY
SUPERIORHIGHSTANDARDBASICLOWLOWER
Reference:24H=1 day.168H=1 week, 720H=1 month,8760H=1 year

12.2 When Recording with a 160-GB HDD Lower
Low
Basic
Standard
High
Superior
: 15 kB
: 20 kB
: 25 kB
: 30 kB
: 35 kB
: 40 kB
Appendix-A
47
(Estimated with typical image-l ow noise level)
PAL (system storage:160GB)
Recording Recording
Speed Rate
(Hour) (field/Sec)
3 50 59H 44H 35H 29H 25H 22H
6 16.667 177H 133H 106H 88H 76H 66H
12 10 296H 222H 177H 148H 127H 111H
24 5.556 533H 400H 320H 266H 228H 200H
48 2.941 1007H 755H 604H 503H 431H 377H
72 2 1481H 1111H 888H 740H 634H 555H
96 1.515 1955H 1466H 1173H 977H 838H 733H
168 0.877 3378H 2533H 2027H 1689H 1447H 1266H
480 0.311 9527H 7145H 5716H 4763H 4083H 3572H
720 0.207 14313H 10735H 8588H 7156H 6134H 5367H
960 0.156 18993H 14245H 11396H 9496H 8140H 7122H
PICTURE QUALITY
LOWER LOW BASIC STANDARD HIGH SUPERIOR
Reference:24H=1 day.168H=1 week, 720H=1 month,8760H=1 year

Appendix-B
13. APPENDIX-B/SECURITY LOCK SETTING
Press LOCK key, the system will ask for the password. If you enter
a correct password, the locked keys will be released.
LOCK
LOCK
Press LOCK key during record mode, then all the keys on the
front panel will be locked.
(Password must be Enable on System Setting Menu)
48

EverFocus Electronics Corp.
Head Office:
12F, No.79 Sec. 1 Shin-Tai Wu Road,
Hsi-Chi, Taipei, Taiwan
TEL : 886-2-26982334
FAX : 886-2-26982380
USA Office:
2445 Huntington Drive, San Marino,
CA 91108, U.S.A.
TEL : 1-626-844-8888
FAX : 1-626-844-8838
Toll free : 1-888-383-6287 or
1-888-EV-FOCUS
Japan Office:
1809 WBG Marive East 18F,
2-6 Nakase.Mihama-ku.
Chiba city 261-7118, Japan
TEL : 81-43-212-8188
FAX :81-43-297-0081
Beijing Office:
Room 609, Technology Trade Building,
Shandgdi Information Industry Base,
Haidian District, Beijing,China
TEL : 86-10-62971096
FAX : 86-10-62971432
European Office:
Albert-Einstein-Strasse 1
D-46446 Emmerich, German
TEL : 49-2822-9394-0
FAX : 49-2822-939495
EverFocus
®
P/N:MSR1G01910