Evertrons Technology SIMTEL1110 Mobile Phone User Manual 1110
Evertrons Technology Co., Limited Mobile Phone 1110
15_1110 UserMan
User Manual
FCC ID 2AI3SSIMTEL1110
Mobile Phone
1110
CONTENTS
1.Objective.............................................................................................................................................3
2.Scope...................................................................................................................................................3
3.Detailprocedure..................................................................................................................................3
3.1.systemdiagram...................................................................................................................4
3.2.Keypad/sidekeyfunctionabnormity...................................................................................4
3.3.Microphonefunctionabnormity.........................................................................................6
3.4.Receiverfunctionabnormity...............................................................................................6
3.5.Speakerfunctionabnormity................................................................................................7
3.6.Earphonefunctionabnormity.............................................................................................8
3.7.SIMcardtheoryandrepair..................................................................................................9
3.8.LCDdisplayabnormity.......................................................................................................11
3.9.Camerafunctionabnomity.....................................................................................................12
a)Tcardfunctionabnormity.................................................................................................14
b)Chargingfunctionabnormity............................................................................................14
Annex....................................................................................................................................................16
1.Objective
This document outlines the service manual.
2.Scope
1.Use for radio analyzing in factory.
2.Use for radio analyzing in customer service.
3.Detailprocedure

3.1. system diagram
3.2. Keypad/side key function abnormity


3.3. Microphone function abnormity
Repair steps:
1. Check if the microphone and lead is well ,and soldering is well ;
2. Check whether the relevant components have soldering problems or not;
3. Replace with new microphone, and verify again;
4. Enter the call state(or engineering test mode),measuring if microphone’s biasvoltage is
normal:the voltage is when the microphone works about 1.8V,and 0V when off;
5. If you still have not found the problem, then check whether the U0100chip has soldering
or performance problems or not.
3.4. Receiver function abnormity
Repair steps:

1. Check if the receiver shrapnel’s elasticity is well,and contact with PCB well;
2. Check if the relevant components have soldering problems;
3. Replace with new receiver,and verify again;
4. If you still have not found the problem, then check whether the U2100 chip has soldering
or performance problems or not.
3.5. Speaker function abnormity
Repair steps:
1. Check if the speaker and the lead are well,and soldering is well;
2. Check if the relevant components have soldering problems;
3. Replace with new speaker,and verify again;

4. If you still have not found the problem, then check whether the U0100 chip has soldering
or performance problems or not.
3.6. Earphone function abnormity
Earphone Detection:when the headset is plugged into the phone,EINT_HEADSET signal changes
from high level to low level, and CPU will treat it as “earphones plugged”,and aearphone mark
will displayed accordingly.
Headset microphone on-hookand off-hook principle: generally,there is ahook button on the
earphone. Press the button, then MIC will short-circuit to ground, ADC_USB signal changes from
high level to low level,when the signal is detected as low,and the phone is on incoming call
state,then answer the call;if the phone is on answering call state,then end the call.
Repair steps:
1. Check if the headset can be detected by the phone after being plugged.If cannot,replace
with a new headset and verify again;
2. Check if ther elevant components have soldering problems;
3. If you still have not found the problem, then check whether the U2100chip has soldering
or performance problems or not.
3.7. SIM card theory and repair
A323has a built-indual-cardmanagementchip,and has two SIMcard connectors,supports dual
SIM dual standby.

Repair steps:
1.Check if the dual-cards’ insertion direction is OK;
2.Check if the card connector metal contact points have problems,such as existing foreign
matters or arerusting,etc;
3.Check if the SIM card connectors and components around have soldering problems;
4.If failed to find outproblems,check whether U2100c hips have solderingor performance
issues.

3.8. LCD display abnormity
A323 LCD backlight is directly drive by U2100,without extra drive circuit.LCD data and
control lines connect to LCD interface through the capacitor, specific circuit as follows:

Repair steps:
1. Check if the LCD is damaged,and FPC has soldering problems;
2. Check if t he relevant components h ave soldering problems;
3. Replace with new LCD,and verify again;
4. If still failed to find out problems, check whether U2100 chip has soldering or
performance problems.
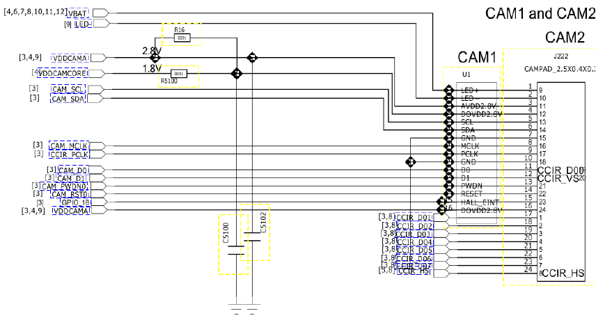
3.9. Camera function abnomity
,
the data and control lines which connect to the main chip’s camera interface directly
.The mainc amera’s power supply is provided by U2100 ,Specific circuits as follows:
Repair steps:
1. Check if the camera has quality problem,and FPC has assembly problem;
2. Check if the camera’s power supply voltage is normal, and components around U1
have soldering problems;
3. Replace with new camera,and verify again.
4. If still failed to find out problems, check whether U2100 chip has soldering or
performance problems.

a)Tcardfunctionabnormity
Repair steps:
1. Check if the Tcard connector’s has quality problem,metal contact points abnormal;
2. Check ifTcard connector and components around have soldering problems;
3. If still failed to find out problems, check whether U2100 chip has soldering or performance problems.
b)Chargingfunctionabnormity

Repair steps:
1. Check if theUSB socket pins rust or have soldering problems;
2. Check if the battery connector’s metal contact well or not,such as existing foreign matters,rusting or soldering
badly,etc;
3. Check if the relevant components of the charging circuits have soldering problems;
4. Replace with new battery,and verify again;
5. If still failed to find out problems, check whether U0100chip has soldering or performance problem
Annex
Basebandfunctionstestundertheengineeringmode
1. Power on the phone to the idle screen,and input"*#37*#"to enterthe"test menu";
2. Select “Keypad”function test,and the screen will prompt the current testing key,then
press the key accordingly until all the keys are tested,and exit automatically.If a
certainkey doesn’t work or press a wrongkey,then the screen will show the key that will
test,and exit automatically in 5 seconds without action.
3 Select“LCD”function test,the screen will display“red,green,blue,white,black”color with
full screen,then exit automatically.
4Select “Receiver,Loudspeaker,Echo Loop,”to Audio”function test
A. Select “Receiver” function test,if need to doagingtest for receiver components,you
can set “Play time, Interval time, Loop times” . Otherwise you can press “OK” key to start
the Receiver test directly.And press“OK”key again to change to the speaker test;
B.Select“Loudspeaker”function test,if need to do aging test for speaker components,
you canset“Play time,Interval time,Loop times”.Otherwise you can press“OK”key to start
the speaker test directly.
C.Select“EchoLoop” function test,speak to the main microphone,then can hear the voice
from the receiver. Insert the earphones,then press “Ok”key to change to the earphone
test.Now speak to the microphone of the earphoneline,then can hear the voice from the
earphones.
5Select“Vibrator”function test,if need to do aging test for the vibrator component,you can
set“Vibratortime,Interval time”.Otherwise press“OK”key to start the vibrator test directly;
6Select “LED”function test,the LCD backlight flicker,immediately following,the keypad light
will flicker,then exit automatically;
7Select“Memory Card”function test,the screen displays “Writing…”firstly,after amoment,it
displays “Playing…”, now speaker will play sound,and then exit automatically;
8.Select“FM”functiontest,youneed to insert the earphones to entert he FM mode;press “Left
key”or “Right key”to search channel sand receive radio.Press“OK”key to close the FM
function when exiting;
9 .Select “Charger” function test, if the phone has charged through a DC charger or USB
cable,the screen displays “Pass”, otherwise “Please insert charger”;
10Select“ADC”function test,the screen displays the current voltage and temperature of the
battery;
Emergency call
If any emergency arises, dial 112/911 (or other emergency call number) for emergency help.
Due to the nature of cellular networking, the success of emergency call is not guaranteed.
FCC Warning:
This device complies with part 15 of the FCC Rules. Operation is subject to the following
two conditions: (1) This device may not cause harmful interference, and (2) this device
must accept any interference received, including interference that may cause undesired
operation.
Any Changes or modifications not expressly approved by the party responsible for
compliance could void the user's authority to operate the equipment.
This equipment has been tested and found to comply with the limits for a Class B digital
device, pursuant to part 15 of the FCC Rules. These limits are designed to provide
reasonable protection against harmful interference in a residential installation. This
equipment generates uses and can radiate radio frequency energy and, if not installed
and used in accordance with the instructions, may cause harmful interference to radio
communications. However, there is no guarantee that interference will not occur in a
particular installation. If this equipment does cause harmful interference to radio or
television reception, which can be determined by turning the equipment off and on, the
user is encouraged to try to correct the interference by one or more of the following
measures:
-Reorient or relocate the receiving antenna.
-Increase the separation between the equipment and receiver.
-Connect the equipment into an outlet on a circuit different from that to which the receiver is
connected.
-Consult the dealer or an experienced radio/TV technician for help.
The SAR limit of USA (FCC) is 1.6 W/kg averaged over one gram of tissue.
Device types 1110 (FCC ID: 2AI3SSIMTEL1110) has also been tested against this SAR limit.
The highest reported SAR values for head, body-worn accessory are 0.78 W/kg, 0.82
W/kg respectively. The Max simultaneous SAR is 0.85 W/kg. This device was tested for
typical body-worn operations with the back of the handset kept 10mm from the body. To
maintain compliance with FCC RF exposure requirements, use accessories that maintain
a 10mm separation distance between the user's body and the back of the handset. The
use of belt clips, holsters and similar accessories should not contain metallic components
in its assembly. The use of accessories that do not satisfy these requirements may not
comply with FCC RF exposure requirements, and should be avoided.
The antenna(s) used for this transmitter must not be co-located or operating in conjunction
with any other antenna or transmitter.