Exmark Lazer Z Lawn Mower Lhp4820Kc Users Manual 4500 567
!! Exmark-16 Exmark Lawn Mower Manuals - Lawn Mower Manuals – The Best Lawn Mower Manuals Collection
RT11425 to the manual 03d79775-7bb6-4d13-adee-f09cc6f52743
2015-02-04
: Exmark Exmark-Exmark-Lazer-Z-Lawn-Mower-Lhp4820Kc-Users-Manual-366886 exmark-exmark-lazer-z-lawn-mower-lhp4820kc-users-manual-366886 exmark pdf
Open the PDF directly: View PDF
.
Page Count: 36

For Serial Nos.
850,000 & Higher
Lazer Z (LZA Units)
Part No. 4500-567 Rev. D
LAZER Z® MODELS
ADVANTAGE
SERIES MODELS

-1-

-2-
READ OPERATOR’S MANUAL BEFORE
OPERATING OR SERVICING EXMARK EQUIPMENT.
TABLE OF CONTENTS
Description Page
Brake Handle Assembly .................................................18
Caster Wheel Assembly .................................................12
Controls Group ...............................................................15
Decal Group ....................................................................29
Deck Group ................................................................... 3-9
Deck Support Group .......................................................13
Deck Idler Assembly .........................................................9
Electrical Diagram ...........................................................30
Electrical Group ..............................................................28
Electrical Logic Schematic ..............................................31
Engine Group ............................................................ 23-24
Fuel Tank Group .............................................................21
Fuel Tank Assembly .......................................................22
Height of Cut Assembly ..................................................14
Hydraulic Group ....................................................... 25-26
Mainframe Group ............................................................10
Motion Control Group ....................................................16
Park Brake Group ..........................................................18
Pump Idler Assembly ......................................................27
ROPS Assembly .............................................................11
Seat Group .....................................................................19
Seat W/Tracks Assembly ................................................20

48” DECK GROUP
-3-
Item Part No. Description Qty.
1 116-1978 Asm, 484 Deck With Decals ................. 1
2 98-5975 Washer, Spring Disc 3/8 ....................... 3
3 109-7429 Washer, Blade Drive ............................. 3
4 116-0133 Extension-Spring ................................... 1
5 99-2842 Spacer ................................................... 3
6 103-6401 Blade, Notched ..................................... 3
- 103-6391 Blade, Mulching .................................... 3
103-6386 Blade, Low Lift ...................................... 3
103-6381 Blade, Solid ........................................... 3
103-6396 Blade, Extreme ..................................... 3
7 1-603299 Roller-Scalp, Anti .................................. 3
8 1-613098 Pulley-Idler ............................................ 1
9 1-633109 Idler-Flat ................................................ 1
10 116-0674 Sheave, Blade Drive ............................. 3
11 109-2872 Spacer-Pulley ........................................ 2
12 109-2883 Asm, Deck Idler ..................................... 1
13 116-0005 Bolt, Blade SEM .................................... 3
14 109-6658 Nut, Nyloc 3/8-16 Flg ............................ 31
15 116-1384 Asm, Cutter Housing Complete ............ 3
15:1 116-0924 Asm, Cutter Housing ............................. 1
Item Part No. Description Qty.
15:2 116-0381 Spindle ..................................................
.
1
15:3 116-1286 Guard, Top ...........................................
.
1
15:4 104-0753 Nut, Flange ...........................................
.
1
16 109-6935 Cover-Belt, RH .....................................
.
1
17 109-6936 Cover-Belt, LH ......................................
.
1
18 109-6982 Wireform-Cover ....................................
.
2
19 109-7188 Asm, Discharge Chute ..........................
.
1
19:1 109-2738 Chute, Discharge ..................................
.
1
19:2 109-8675-01 Bracket, Discharge Chute .....................
.
1
19:3 3231-22 Bolt, Carriage 3/8-16 x 1 .......................
.
3
19:4 109-6658 Nut, Nyloc 3/8-16 Flg ............................
.
3
20 116-1965 Belt, V-B X 175.75 ................................
.
1
21 109-9010-01 Baffle, Discharge ..................................
.
1
22 3290-357 Nut, Whizlock 3/8-16 ............................
.
3
23 3231-22 Bolt, Carriage 3/8-16 x 1 .......................
.
2
24 3231-28 Bolt, Carriage 3/8-16 x 1 1/4 .................
.
2
25 3231-44 Bolt, Carriage 3/8-16 x 2 1/2 .................
.
2
26 103-4051 Kit, Anti-Scalp Roller .............................
.
3
27 116-1967 Asm, Complete Deck ............................
.
1
Exmark red touch up paint (spray paint – P/N 1-850337 - .6 oz liquid bottle – P/N 103-9140).
- Requires installation of Micro-Mulch accessory for proper mulching. Mulch kit P/N MK484.

48” DECK W/DECALS ASSEMBLY – 116-1978
-4-
Item Part No. Description Qty.
2 1-303508 Decal, Warning, Discharge ..................... 1
3 1-403005 Decal, Danger......................................... 2
4 1-633922 Decal, Antiscalp ...................................... 1
5 98-5954 Decal, Cover, Missing ............................ 2
Item Part No. Description Qty.
6 109-3148 Decal, Bolt Torque .................................
.
1
7 116-0033 Decal, Ultracut 48 Series 4 ....................
.
1
8 116-2630 Decal, Belt Routing ................................
.
1

52” DECK GROUP
-5-
Item Part No. Description Qty.
1 116-1984 Asm, 524 Deck With Decals ................. 1
2 98-5975 Washer, Spring Disc 3/8 ....................... 3
3 109-7429 Washer, Blade Drive ............................. 3
4 116-0133 Extension-Spring ................................... 1
5 99-2842 Spacer ................................................... 3
6 103-6402 Blade-Notched ...................................... 3
- 103-6392 Blade, Mulching .................................... 3
103-6387 Blade, Low Lift ...................................... 3
103-6382 Blade, Solid ........................................... 3
103-6397 Blade, Extreme ..................................... 3
7 1-603299 Roller-Scalp, Anti .................................. 3
8 1-613098 Pulley-Idler ............................................ 1
10 109-2872 Spacer-Pulley ........................................ 2
11 109-2883 Asm, Deck Idler ..................................... 1
12 116-1966 Belt, V-B X 186.00" ............................... 1
13 116-0005 Bolt, Blade SEM .................................... 3
14 109-6658 Nut, Nyloc 3/8-16 Flg ............................ 31
15 116-1384 Asm, Cutter Housing Complete ............ 3
15:1 116-0924 Asm, Cutter Housing ............................. 1
Item Part No. Description Qty.
15:2 116-0381 Spindle ..................................................
.
1
15:3 116-1286 Guard, Top ...........................................
.
1
15:4 104-0753 Nut, Flange ...........................................
.
1
16 109-6935 Cover-Belt, RH .....................................
.
1
17 109-6936 Cover-Belt, LH ......................................
.
1
18 109-6982 Wireform-Cover ....................................
.
2
19 109-7188 Asm, Discharge Chute ..........................
.
1
19:1 109-2738 Chute, Discharge ..................................
.
1
19:2 109-8675-01 Bracket, Discharge Chute .....................
.
1
19:3 3231-22 Bolt, Carriage 3/8-16 x 1 .......................
.
3
19:4 109-6658 Nut, Nyloc 3/8-16 Flg ............................
.
3
20 109-9915-01 Baffle, Discharge 52/60 ........................
.
1
21 116-0675 Sheave, Blade Drive 6.50 .....................
.
3
22 3290-357 Nut, Whizlock 3/8-16 ............................
.
3
23 3231-22 Bolt, Carriage 3/8-16 x 1 .......................
.
2
24 3231-28 Bolt, Carriage 3/8-16 x 1 1/4 .................
.
2
25 3231-44 Bolt, Carriage 3/8-16 x 2 1/2 .................
.
2
26 103-4051 Kit, Anti-Scalp Roller .............................
.
3
27 116-1968 Asm, Complete Deck ............................
.
1
Exmark red touch up paint (spray paint – P/N 1-850337 - .6 oz liquid bottle – P/N 103-9140).
- Requires installation of Micro-Mulch accessory for proper mulching. Mulch kit P/N MK524.

52” DECK W/DECALS ASSEMBLY – 116-1984
-6-
Item Part No. Description Qty.
2 1-303508 Decal, Warning Discharge ...................... 1
3 1-403005 Decal, Danger......................................... 2
4 1-633922 Decal, Antiscalp ...................................... 1
5 98-5954 Decal, Cover Missing ............................. 2
Item Part No. Description Qty.
6 109-3148 Decal, Bolt Torque .................................
.
1
7 116-2630 Decal, Belt Routing ................................
.
1
8 116-0034 Decal, Ultracut 52 Series 4 ....................
.
1

60” DECK GROUP
-7-
Item Part No. Description Qty.
1 116-1987 Asm, Deck 604 Push With Decals ........ 1
2 103-4051 Kit, Anti-Scalp Roller ............................. 4
3 103-6403 Blade, Notched .................................... 3
- 103-6393 Blade, Mulching .................................... 3
103-6388 Blade, Low Lift ...................................... 3
103-6383 Blade, Solid ........................................... 3
103-6398 Blade, Extreme ..................................... 3
4 109-0996 Pulley, Idler 8" Flat ................................ 1
5 1-633109 Idler, Flat ............................................... 1
6 109-2872 Spacer, Pulley ....................................... 2
7 109-2883 Asm, Deck Idler ..................................... 1
8 109-6658 Nut, Nyloc 3/8-16 Flg ............................ 36
9 109-6938 Cover-Belt, LH ...................................... 1
10 109-6982 Wireform, Cover .................................... 2
11 109-7188 Asm, Discharge Chute .......................... 1
11 109-7188 Asm, Discharge Chute .......................... 1
11:1 109-2738 Chute, Discharge .................................. 1
11:2 109-8675-01 Bracket, Discharge Chute ..................... 1
11:3 3231-22 Bolt, Carriage 3/8-16 x 1 ....................... 3
11:4 109-6658 Nut, Nyloc 3/8-16 Flg ............................ 3
12 109-7429 Washer, Blade Drive ............................. 3
Item Part No. Description Qty.
13 109-9915-01 Baffle, Discharge ..................................
.
1
14 116-0005 Bolt, Blade Sem ....................................
.
3
15 116-0094 Cover-Belt, RH .....................................
.
1
16 116-0133 Extension-Spring ..................................
.
1
17 116-0676 Sheave, Blade Drive 7.25 .....................
.
3
18 116-1384 Asm, Cutter Housing Complete ............
.
3
18:1 116-0924 Asm, Cutter Housing ............................
.
1
18:2 116-0381 Spindle ..................................................
.
1
18:3 116-1286 Guard, Top ...........................................
.
1
18:4 104-0753 Nut, Flange ...........................................
.
1
19 109-8073 Belt, V-5V-198.75 .................................
.
1
20 3231-22 Bolt, Carriage 3/8-16 x 1 .......................
.
2
21 3231-28 Bolt, Carriage 3/8-16 x 1 1/4 .................
.
6
22 3231-44 Bolt, Carriage 3/8-16 x 2 1/2 .................
.
2
23 1-603299 Roller-Scalp, Anti ..................................
.
4
24 98-5975 Washer, Spring Disc 3/8 .......................
.
4
25 99-2842 Spacer, Wheel ......................................
.
4
26 3290-357 Nut, Whizlock 3/8-16 ............................
.
4
27 116-3445 Plate, Reinf Push Tower .......................
.
2
28 116-3217 Asm, Complete Deck ............................
.
3
Exmark red touch up paint (spray paint – P/N 1-850337 - .6 oz liquid bottle – P/N 103-9140).
- Requires installation of Micro-Mulch accessory for proper mulching. Mulch kit P/N MK604.
.

60” DECK W/DECALS ASSEMBLY – 116-1987
-8-
Item Part No. Description Qty.
2 1-303508 Decal-Warning, Discharge ..................... 1
3 1-403005 Decal-Danger ......................................... 2
4 1-633922 Decal, Antiscalp ...................................... 1
5 98-5954 Decal-Cover, Missing ............................. 2
Item Part No. Description Qty.
6 109-3148 Decal, Bolt Torque .................................
.
1
7 116-2630 Decal-Belt Routing .................................
.
1
8 116-0025 Decal, Ultracut 60 Series 4 ....................
.
1

DECK IDLER ASSEMBLY – 109-2883
-9-
Item Part No. Description Qty.
1 43-0940 Spacer-Hub, Blower ............................... 1
2 103-2916 Guard, Top ............................................. 1
3 103-3504 Bearing, Spherical .................................. 2
4 103-3505 Seal, Double Lip ..................................... 1
5 103-3506 Seal, Single Lip ...................................... 1
6 103-8743 Pulley, Idler 5"Flanged ........................... 1
7 106-7159 O-Ring .................................................... 2
Item Part No. Description Qty.
9 109-7399 Pin, Spring Anchor .................................
.
1
10 109-6658 Nut, Nyloc 3/8-16 Flg .............................
.
2
11 109-7409 Screw, Shoulder 3/8-16 x 5 ....................
.
1
12 323-8 Screw, HH 3/8-16 x 1 1/2 .......................
.
1
13 32120-10 Ring, Retaining.......................................
.
2
14 302-19 Zerk, 1/4-28 Str ......................................
.
1

MAINFRAME GROUP
-10-
Item Part No. Description Qty.
1 116-2124 Frame, Main 48/52 W/Decals .................. 1
116-2126 Frame, Main 60 W/Decals ....................... 1
1:2 107-2112 Decal, Warning ........................................ 1
1:3 103-2076 Decal, Caution Hot Surface ..................... 2
1:4 116-0205 Decal, Belt Drive ...................................... 2
1:5 117-2718 Decal, Spark Arrester .............................. 1
1:6 116-1654 Decal, Fuel Fill ......................................... 1
2 109-8863-03 Plate, Rear Guard .................................... 1
3 116-0024-01 Floorpan .................................................. 1
4 1-513658 Bumper .................................................... 2
5 116-2882 Asm, ROPS Service ................................ 1
6 1-811010 Plug ......................................................... 2
7 Asm, Caster Wheel ................................. 2
9 116-0180 Bumper, Rear LH W/Decal ...................... 1
9:2 103-2076 Decal, Caution Hot Surface ..................... 1
Item Part No. Description Qty.
10 116-0057-03 Bumper, Rear RH ....................................
.
1
11 104-8301 Nut, Nyloc 3/8-16 Flg ..............................
.
11
12 3231-22 Bolt, Carriage 3/8-16 x 1 .........................
.
7
13 3231-21 Bolt, Carriage 3/8-16 x 3/4 ......................
.
4
14 116-0579 Asm, Motion Control Cover W/Decal RH ....
.
1
14:2 109-7232 Decal, Motion Control..............................
.
1
14:3 109-7929 Decal, Park Brake ...................................
.
1
15 116-0580 Asm, Motion Control Cover W/Decal LH 1
15:2 109-7232 Decal, Motion Control..............................
.
1
16 116-0043-03 Guard, Muffler .........................................
.
1
17 116-0026 Decal, Lazer AS Model ...........................
.
1
18 32144-10 Screw, HWH 1/4-20 x .62 ........................
.
4
25 116-2999-01 Guard, Belt ..............................................
.
1
32 103-2883 Decal, Exmark Logo ................................
.
1
Exmark red touch up paint (spray paint – P/N 1-850337 - .6 oz liquid bottle – P/N 103-9140).
Exmark black touch up spray paint – gloss black.
See page 10

ROPS ASSEMBLY – 116-2882
-11-
Item Part No. Description Qty.
3 109-6653 Spacer .................................................... 2
4 116-0019 Asm, Rops Upper W/Decal .................... 1
4:2 107-2102 Decal, Warning, Folding Rops ................ 1
5 109-5337 Bumper, Rops......................................... 2
6 116-0104 Asm, Spring Pin ...................................... 2
7 99-5107 Nut, Lock 1/2-13 ..................................... 6
Item Part No. Description Qty.
8 3233-10 Bolt, Carriage 1/2-13 x 3 1/2 ..................
.
2
9 325-17 Screw, HH 1/2-13 x 4 .............................
.
4
10 109-9505 Washer, Spring Disc 1/2 ........................
.
4
11 109-9233 Bumper, Rubber Push-In .......................
.
1
13 116-0960 Spacer ....................................................
.
2

CASTER WHEEL ASSEMBLY
-12-
Item Part No. Description Qty.
1 1-543509 Cone, Bearing Tapered Roller ............ 2
2 1-543511 Seal, Grease ....................................... 1
3 116-1963-01 Wld, Caster Fork ................................. 1
4 1-633508 Washer, Spring Disc ........................... 3
5 116-1949 Asm, Wheel And Tire W/Axle .............. 1
5:1 103-2768 Guard, Seal ......................................... 2
5:2:1 1-633585 Bearing, Cone Tapered Roller ............ 2
Item Part No. Description Qty.
5:2:2 103-0063 Seal, Double Lip .................................
.
2
5:2:3 103-3051 Spacer, Nut .........................................
.
2
5:2:4 103-3155 Axle, Caster ........................................
.
1
5:3 325-42 Screw, HH 1/2-13 x 8 .........................
.
1
5:4 3296-23 Nut, Nyloc 1/2-13 ................................
.
1
6 103-4882 Cap-Grease ........................................
.
1
7 3296-51 Nut, Nyloc 3/4-10 ................................
.
1
Exmark red touch up paint (spray paint – P/N 1-850337 - .6 oz liquid bottle – P/N 103-9140).
Use Pro-Lock, Nut Type (P/N 1-840022, .5ml tube) on spacer nut, item 5:2:3.
.

DECK SUPPORT GROUP
-13-
Item Part No. Description Qty.
4 99-5107 Nut, Lock 1/2-13 ..................................... 6
8 116-0818-03 Support-Bearing, Cross Shaft Rear ........ 2
9 109-7173 Bearing-Cross, Rear Shaft ..................... 2
10 3231-4 Bolt, Carriage 3/8-16 x 1 1/2 ................... 2
11 104-8301 Nut, Nyloc 3/8-16 Flg .............................. 10
12 109-9409 Support-Cross Shaft, Bearing Front ....... 2
13 109-9410 Bearing-Shaft Front, Cross ..................... 2
14 116-1700 Bolt, Carriage 1/2-13 x 2 1/2 spl neck .... 4
15 109-9840 Screw, Hex Flange 3/8-16 x .80 ............. 2
16 116-1970 Asm, HOC .............................................. 1
17 109-9065 Screw, HH 7/16-14 x 2 (48” & 52”) ......... 1
324-10 Screw, HH 7/16-14 x 2 1/2 (60”) ............. 1
18 3296-23 Nut, Nyloc 1/2-13 ................................... 1
19 3231-2 Bolt, Carriage 3/8-16 x 1 ......................... 2
20 116-2217-03 Wld, Cross Shaft Front ........................... 1
21 Deck Lift Chain Asm ............................... 2
21:2 109-9065 Screw, HH 7/16-14 x 2 ........................... 1
21:3 32128-37 Nut, Whizlock 7/16-14 ............................ 1
22 116-0559 Bolt, HH 1/2-13 x 4 tap ........................... 1
Item Part No. Description Qty.
23 32128-37 Nut, Whizlock 7/16-14 (48” & 52”) ..........
.
4
32128-37 Nut, Whizlock 7/16-14 (60”) ...................
.
6
24 109-9066 Yoke-Adjust, Deck ..................................
.
4
25 3274-18 Screw, SH 5/16-18 x 1 1/4 .....................
.
4
26 3218-2 Nut, Jam 5/16-18 ....................................
.
8
27 116-0459-03 Lift-Deck, Rear .......................................
.
1
29 116-0780 Screw, Shoulder HHF 1/2-13 x 1.12 ......
.
2
30 116-0797-03 Link-Lift, Deck ........................................
.
1
31 116-0886 Asm, Spring Extension (60”) ..................
.
1
32 109-8757 Pin-Hoc ..................................................
.
1
33 116-3452-01 Wld, Foot Lever ......................................
.
1
34 3256-28 Washer, 3/4 SAE....................................
.
2
35 92-7674 Screw, SHCS 3/8-16 x 2.212 .................
.
1
40 3231-5 Bolt, Carriage 3/8-16 x 1 3/4 ..................
.
4
41 116-2428 Bushing, Flanged ...................................
.
2
116-2428 Bushing, Flanged ...................................
.
4
42 3256-4 Washer, 3/8 Std .....................................
.
2
43 109-9065 Screw, HH 7/16-14 x 2 (48” & 52”) .........
.
2
324-10 Screw, HH 7/16-14 x 2 1/2 (60”) ............
.
2
Exmark red touch up paint (spray paint – P/N 1-850337 - .6 oz liquid bottle – P/N 103-9140)
Exmark black touch up spray paint – gloss black.

HEIGHT OF CUT ASSEMBLY – 116-1970
-14-
Item Part No. Description Qty.
1 62-1330 Bolt-Shoulder .......................................... 1
2 109-7130 Grommet ................................................. 1
3 104-8301 Nut, Nyloc 3/8-16 Flg .............................. 1
4 109-7124 Spring, Extension ................................... 1
5 109-7128 Rod, Transport Lock ............................... 1
6 116-0118 Pawl, Transfer Lock ................................ 1
Item Part No. Description Qty.
7 116-1961 Asm, HOC Plate W/Decal ......................
.
1
7:2 116-2927 Decal, Cut Of Height ..............................
.
1
8 109-8250 Grip, Lever .............................................
.
1
9 325-8 Screw, HH 1/2-13 x 1 1/4 .......................
.
1
10 99-5107 Nut, Lock 1/2-13 .....................................
.
1

CONTROLS GROUP
-15-
Item Part No. Description Qty.
1 109-8484 Console, Panel W/Decal (48” & 52”) ...... 1
116-1845 Console, Panel W/Decal (60”) ................ 1
1:2 109-8483 Decal, Control Panel .............................. 1
1:3 109-7330 Decal, Fuse ............................................ 1
2 116-1972 Asm, Throttle Cable (48” & 52”) .............. 1
116-0969 Asm, Throttle Cable (60”) ....................... 1
3 116-1973 Asm, Choke Cable (48” & 52”) ............... 1
109-8165 Asm, Choke Cable (60”) ......................... 1
Item Part No. Description Qty.
4 1-807513 Bolt, Carriage #10-24 x 1/2 ....................
.
4
5 3296-2 Nut, Nyloc #10-24 ..................................
.
4
7 32105-15 Screw, Machine 1/4-20 x 3/4 ..................
.
4
8 116-1278 Console, RH Narrow Asm ......................
.
1
8:2 107069 Clip .........................................................
.
4
9 109-9457 Console.LH Narrow Asm ........................
.
1
10 105-1853 Clamp, Hose (60”) ..................................
.
1
11 116-1875 Plug, Plastic ...........................................
.
1

MOTION CONTROL GROUP
-16-
Item Part No. Description Qty.
1 116-0880 Asm, Mot Ctrl/Bushing RH ..................... 1
1:2 109-8054 Bushing, Flanged ................................... 4
2 116-0881 Asm, Mot Ctrl/Bushing LH ...................... 1
2:2 109-8054 Bushing, Flanged ................................... 4
3 116-0648 Screw, HH 5/16-18 x 1 W/Patch ............. 2
4 109-4581 Arm, Pump Control ................................. 2
5 9080046 Screw, HH 1/4-20 x 7/8 .......................... 2
6 1-303435 Washer, Spring Disc 1/4 ......................... 2
7 116-0027 Damper, Motion Control ......................... 2
8 104-8300 Nut, Nyloc 5/16-18 Flg ............................ 8
9 3230-2 Bolt, Carriage 5/16-18 x 1 ....................... 2
11 109-5891 Hub, Threaded ........................................ 2
12 325-12 Screw, HH 1/2-13 x 3 ............................. 2
16 116-0039 Lever, Motion Control RH ....................... 1
17 116-0040 Lever, Motion Control LH........................ 1
19 109-6589 Asm, Steering Handle RH ...................... 1
19:1 109-5668 Grip, Control Lever ................................. 1
Item Part No. Description Qty.
20 109-6590 Asm, Steering Handle LH.......................
.
1
20:1 109-5668 Grip, Control Lever .................................
.
1
21 104-8301 Nut, Nyloc 3/8-16 Flg .............................
.
4
22 323-7 Screw, HH 3/8-16 x 1 1/4 .......................
.
4
23 109-5575 Spring, Leaf Rtn .....................................
.
2
24 109-8107 Asm, Pump Linkage Rear ......................
.
2
24:2 3219-2 Nut, Hex 5/16-24 ....................................
.
2
24:3 1-323245 Spring, Compression..............................
.
2
24:4 1-633152 Balljoint ..................................................
.
1
24:5 1-543017 Balljoint ..................................................
.
1
25 109-9505 Washer, Spring Disc 1/2 ........................
.
4
26 3256-6 Washer ...................................................
.
2
27 32128-56 Nut, Hex 1/2-13 Flange ..........................
.
2
29 3256-23 Washer ...................................................
.
2
30 3218-5 Nut, Jam 1/2-13 ......................................
.
2
31 115-1794 Screw, Hex Flange 5/16-18 x 1 1/2 ........
.
2
Use Pro-Lock, Nut Type (P/N 1-840022, .5ml tube).

PARK BRAKE GROUP
-17-
Item Part No. Description Qty.
1 116-1878 Asm, Brake Handle ................................ 1
2 3230-2 Bolt, Carriage 5/16-18 x 1 ....................... 2
3 104-8300 Nut, Nyloc 5/16-18 Flg ............................ 2
4 60-1730 Pin-Clevis ............................................... 2
5 3272-1 Pin, Cotter 1/16 x 1/2 .............................. 2
6 117-6163 Asm, Wheel Hub And Stud ..................... 2
6:2 1-633926 Stud-Wheel ............................................. 4
7 116-1940 Asm, Wheel & Tire (48”) ......................... 2
116-1941 Asm, Wheel & Tire (52”) ......................... 2
116-3138 Asm, Wheel & Tire (60”) ......................... 2
7:1 109-3645 Wheel (48”) ............................................. 1
109-2875 Wheel (52”) ............................................. 1
109-2871 Wheel (60”) ............................................. 1
7:2 116-1948 Tire (48” & 52”) ....................................... 1
116-3139 Tire (60”) ................................................. 1
8 242-50 Nut, Lug 1/2-20 ....................................... 8
Item Part No. Description Qty.
9 109-2889 Caliper-Brake .........................................
.
2
10 109-0958 Plate, Brake Mount.................................
.
2
11 92-5727 Screw, HH 3/8-16 x 1 1/4 patch lock ......
.
4
12 112-8379 Swivel .....................................................
.
2
13 104-7201 Nut, Nyloc 1/4-20 Flg .............................
.
2
14 116-0165 Decal, Hub, Wheel .................................
.
2
17 3296-13 Nut, Nyloc 1/4-28 ...................................
.
2
18 116-2643 Decal, Hub, Wheel .................................
.
2
19 115-3584 Cable ......................................................
.
1
20 115-3585 Cable ......................................................
.
1
22 1-809036 Nut, Slotted 1-20 ....................................
.
2
23 1-806800 Pin, Cotter 9/64 x 1 1/2 ..........................
.
2
24 3256-24 Washer, 3/8 SAE....................................
.
4
25 116-0940 Tie-Cable ................................................
.
1
26 3219-1 Nut, Hex 1/4-28 ......................................
.
2
27 3257-42 Key, Woodruff ........................................
.
2

BRAKE HANDLE ASSEMBLY – 116-1878
-18-
Item Part No. Description Qty.
1 99-5107 Nut, Lock 1/2-13 ..................................... 1
2 117-0380 Spacer .................................................... 1
3 115-3580 Arm-Brake, LH ........................................ 1
4 117-0376 Spring-Torsion, RH ................................. 1
5 115-3574 Plate-Latch ............................................. 1
6 104-7201 Nut, Nyloc 1/4-20 Flg .............................. 1
7 116-1876-03 Brake Handle Asm ................................. 1
8 114-1207 Washer-Special ...................................... 1
9 114-8187 Spring-Compression ............................... 1
Item Part No. Description Qty.
10 115-3581 Rod-Release, Brake ...............................
.
1
11 115-3592 Grip ........................................................
.
1
12 112-8387 Bolt, HH Shoulder 1/4-20 x 1.64 ............
.
1
13 117-0375 Spring-Torsion, LH .................................
.
1
14 115-3579 Arm-Brake, RH .......................................
.
1
15 117-0379 Bolt, Shoulder 1/2-13 x 5.57 ...................
.
1
16 3256-26 Washer, 1/2 SAE....................................
.
1
17 115-2750 Knob .......................................................
.
1
Exmark black touch up spray paint – gloss black.

SEAT GROUP
-19-
Item Part No. Description Qty.
1 116-3380 Seat, Exmark .......................................... 1
4 116-2323 Mount, Seat W/Decals ............................ 1
4:2 109-7069 Decal, Console ....................................... 1
4:3 116-0211 Decal, Service Aid .................................. 1
6 3230-23 Bolt, Carriage 5/16-18 x 3/4, short neck 2
8 104-8300 Nut, Nyloc 5/16-18 Flg ............................ 10
10 9266934 Screw, HWH 5/16 x 1/2 TF ..................... 2
Item Part No. Description Qty.
11 116-0192-03 Plate, Seat Support ................................
.
1
12 3230-22 Bolt, Carriage 5/16-18 x 1 Sp .................
.
4
21 103-2883 Decal, Exmark Logo ...............................
.
1
25 3217-6 Nut, Hex 5/16-18 ....................................
.
2
26 1-323539 Spacer, Blade Drive ...............................
.
2
32 103-2882 Decal, Exmark Logo ...............................
.
1
Exmark black touch up spray paint – gloss black

SEAT W/TRACKS ASSEMBLY – 116-3380
-20-
Item Part No. Description Qty.
1 116-2871 Cushion-Seat .......................................... 1
2 110-5719 Armrest Kit W/Brackets .......................... 1
3 103-3520 Cushion, Seat Back ................................ 1
4 116-2878 Switch-Seat ........................................... 1
5 1-643255 Track-Seat ............................................. 1
6 116-2981 Seat Belt Kit ........................................... 1
Item Part No. Description Qty.
7 103-8383 Screw, HWH 1/4-20 x 3/4 Taptite ...........
.
7
8 32128-20 Nut, Whizlock 5/16-18 ............................
.
4
9 26-4840 Spacer-Pin, Mounting.............................
.
8
10 3256-3 Washer, 5/16 Std ...................................
.
6
11 110-4163 Pad, Arm ................................................
.
Included in items 2 and 6

FUEL TANK GROUP
-21-
Item Part No. Description Qty.
1 116-2035 Fuel Tank Asm ....................................... 1
2 32128-33 Nut, Whizlock 1/4-20 .............................. 2
3 109-2365 Bumper-Rubber (W/Stud) ....................... 2
Item Part No. Description Qty.
6 105-1853 Clamp-Hose ...........................................
.
1
7 109-0678 Hose .......................................................
.
1

FUEL TANK ASSEMBLY – 116-2035
-22-
Item Part No. Description Qty.
2 46-6560 Bushing .................................................. 2
3 116-2459 Kit, Fuel Line With Grommet .................. 1
4 116-2288 Fitting, 90 Elbow ..................................... 1
5 116-2251 Cap, Fuel ................................................ 1
6 1-603770 Valve, Fuel ............................................. 1
Item Part No. Description Qty.
7 109-0650 Hose, Fuel ..............................................
.
1
8 2412-98 Clamp, Hose ..........................................
.
2
9 116-1981 Sender, Fuel 8 Gal .................................
.
1
10 3253-17 Washer, Lock ........................................
.
5
11 9107944 Screw, Pan 10-24 X 3/4 .........................
.
5

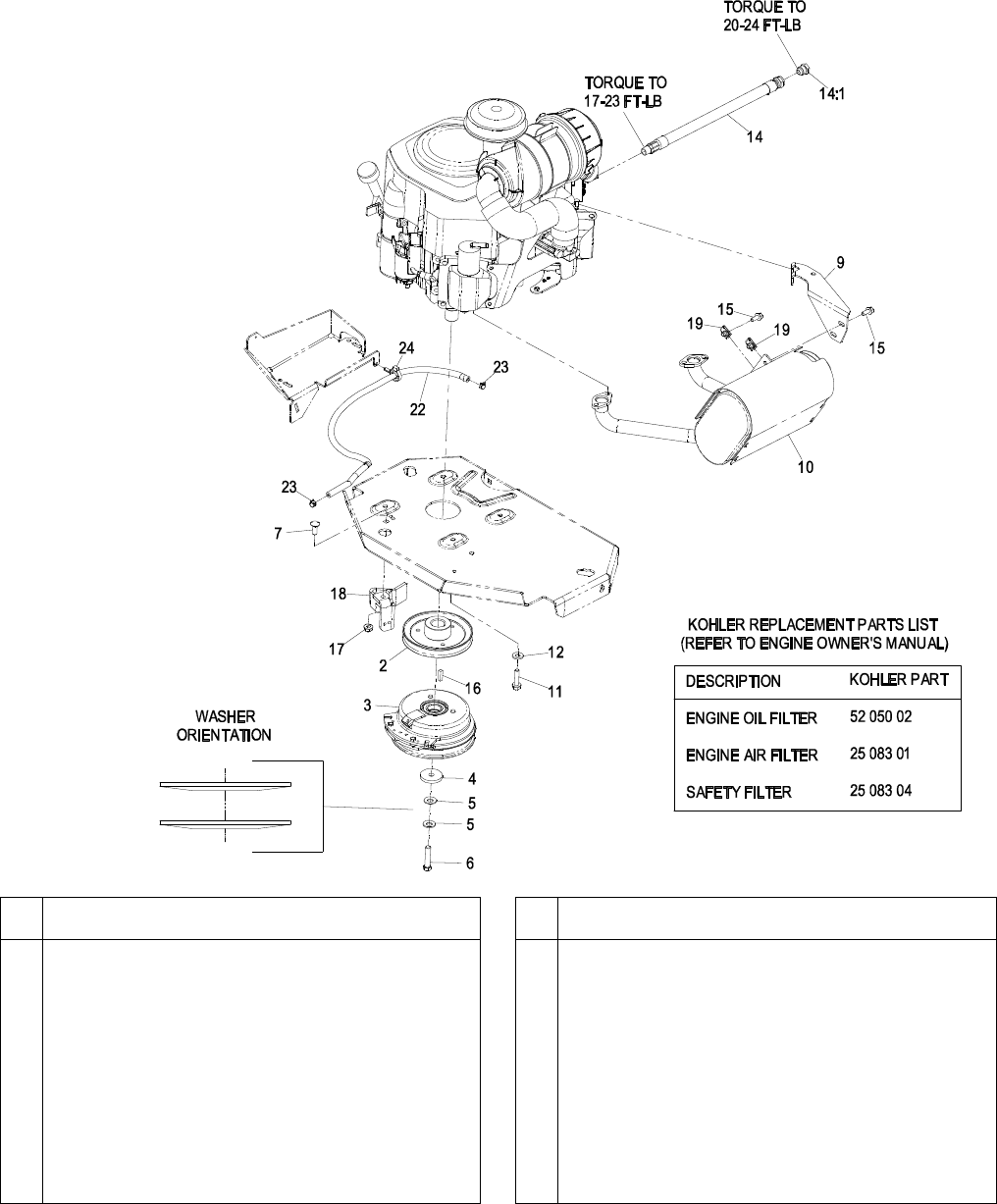
ENGINE GROUP – 20HP KAWASAKI
-23-
Item Part No. Description Qty.
2 98-5975 Washer, Spring Disc 3/8 ......................... 4
3 109-6919 Washer, Clutch ....................................... 1
4 1-603610 Washer, Spring Disc 7/16 ....................... 2
5 1-807259 Key, Machine 1/4 x 1/4 x 1 ..................... 1
6 104-8301 Nut, Nyloc 3/8-16 Flg .............................. 1
7 116-2117 Muffler..................................................... 1
8 116-1946 Sheave, Pump Drive .............................. 1
9 110-3447 Hose, Fuel .............................................. 1
10 116-1947 Clutch ..................................................... 1
11 116-2157 Bracket, Muffler ...................................... 1
12 2412-98 Clamp, Hose ........................................... 2
Item Part No. Description Qty.
13 116-2612-01 Clutch, Anchor ........................................ 1
14 323-7 Screw, HH 3/8-16 x 1 1/4 ........................ 4
15 33114-020 Screw, HH M8-1.25 x 20mm ................... 1
16109-9761 Screw, HH 7/16-20 x 1 1/2 W/Loctite ...... 1
17 3231-22 Bolt, Carriage 3/8-16 x 1 ......................... 1
18 3234-5 Screw, HH FLG 5/16-18 x 3/4 ................. 2
19 94-2413 U-Nut....................................................... 2
20 109-4490 Asm, Oil Drain Hose W/Plug ................... 1
20:1 109-1012 Plug ......................................................... 1
21 1-303334 Washer, Spring ....................................... 1
22 105-1853 Clamp, Hose ........................................... 1
Exmark red touch up paint (spray paint – P/N 1-850337 - .6 oz liquid bottle – P/N 103-9140)
Use Pro-Lock, Nut Type (P/N 1-840022, .5ml tube) on clutch bolt.

ENGINE GROUP – 27HP KOHLER
-24-
Item Part No. Description Qty.
2 109-9905 Sheave ................................................... 1
3 116-1620 Kit, Clutch CMS 200 ............................... 1
4 109-6919 Washer, Clutch ....................................... 1
5 1-603610 Washer, Spring Disc 7/16 ....................... 2
6 109-9762 Screw, HH 7/16-20 x 2 W/Loctite ........... 1
7 3231-22 Bolt, Carriage 3/8-16 x 1 ......................... 1
9 116-2360 Bracket, Muffler ...................................... 1
10 116-1713 Muffler..................................................... 1
11 32144-102 Screw, HWH 3/8-16 X 1 1/2 Taptite ....... 4
12 98-5975 Washer, Spring Disc 3/8 ......................... 4
14 116-0013 Asm, Oil Drain Hose ............................... 1
Item Part No. Description Qty.
14:1 109-1012 Plug ........................................................
.
1
15 3234-5 Screw, HH FLG 5/16-18 x 3/4 ................
.
3
16 1-807259 Key, Machine 1/4 x 1/4 x 1 .....................
.
1
17 104-8301 Nut, Nyloc 3/8-16 Flg .............................
.
2
18 116-2612-01 Anchor, Clutch........................................
.
1
19 94-2413 U-Nut ......................................................
.
3
22 109-0286 Hose, Fuel Line 35" ................................
.
1
23 2412-98 Clamp, Hose ..........................................
.
2
24 105-1853 Clamp, Hose ..........................................
.
1
27 1-303435 Washer, Spring Disc 1/4 ........................
.
1
28 33113-020 Screw, HH M6-1 x 12mm .......................
.
1
Exmark red touch up paint (spray paint – P/N 1-850337 - .6 oz liquid bottle – P/N 103-9140)
Use Teflon Pipe Sealant or equivalent on threads.
Use Pro-Lock, Nut Type (P/N 1-840022, .5ml tube) on clutch bolt.

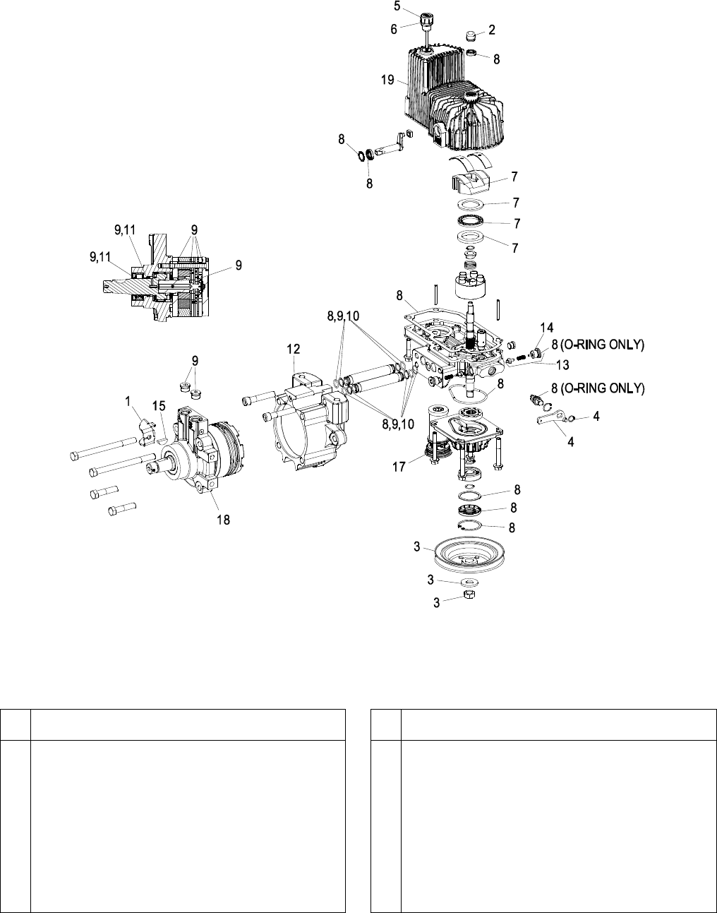
HYDRAULIC GROUP
-25-
Item Part No. Description Qty.
1 116-1255 Asm, Pump Idler ..................................... 1
2 109-6658 Nut, Nyloc 3/8-16 Flg .............................. 1
3 116-2976 Hydro, LH 12CC No Fan ........................ 1
4 116-1953 Belt, V ..................................................... 1
5 116-0133 Spring, Extension ................................... 1
6 109-9375 Cradle, Machined Hydro ......................... 1
7 116-1502 Bolt-Carriage .......................................... 1
Item Part No. Description Qty.
8 3233-34 Bolt, Carriage 1/2-13 x 2 1/2 ..................
.
6
9 99-5107 Nut, Lock 1/2-13 .....................................
.
6
10 325-8 Screw, HH 1/2-13 x 1 1/4 .......................
.
4
11 116-2977 Hydro, RH 12CC No Fan .......................
.
1
12 109-9828 Oil, Exmark Premium Hydro (32 oz) ......
.
4
13 116-1218 Oil, Exmark Premium Hydro (1 gal) .......
.
1
116-3282 Kit, Hydro Service ..................................
.
1
Not shown
Kit contains: (1) V-Belt, (4) Exmark Premium Hydro Oil 32 oz Bottles, and (2) Hydro filters

HYDRAULIC GROUP
-26-
Item Part No. Description Qty.
1 116-1758 Bracket, Anchor Cable ........................... 1
2 116-3052 Cover, Shaft............................................ 1
3 116-0234 Kit, Pulley Hydro ..................................... 1
4 116-0235 Handle, Bypass Valve Hydro .................. 1
5 116-0236 Dipstick, Hydro W/Gasket....................... 1
6 116-0237 Gasket, Dipstick Hydro ........................... 1
7 116-1367 Kit, Swash Block Hydro .......................... 1
8 116-1368 Kit, Pump Seal Hydro ............................. 1
9 116-1369 Kit, Motor Seal Hydro ............................. 1
10 116-1370 Kit, Tube Seal Hydro .............................. 1
Item Part No. Description Qty.
11 116-1371 Kit, Output Shaft Seal Hydro ..................
.
1
12 116-2992 Cup, Nose Hydro ....................................
.
1
13 116-1630 Asm, Check Valve ..................................
.
1
14 116-1631 Check Plug W/O-Ring ............................
.
1
15 3257-42 Key, Woodruff 5/16 x 1 ...........................
.
1
17 116-0164 Filter, Hydro ............................................
.
1
18 116-3050 Motor, Wheel LH – Dry 240cc ................
.
1
116-3051 Motor, Wheel RH – Dry 240cc ...............
.
1
19 116-3287 Housing, LH ...........................................
.
1
116-3288 Housing, RH ...........................................
.
1

PUMP IDLER ASSEMBLY – 116-1255
-27-
Item Part No. Description Qty.
2 43-0940 Spacer-Hub, Blower ............................... 1
3 103-3504 Bearing, Spherical .................................. 2
4 103-3505 Seal, Double Lip ..................................... 1
5 103-3506 Seal, Single Lip ...................................... 1
6 109-6658 Nut, Nyloc 3/8-16 Flg .............................. 1
7 106-7159 O-Ring .................................................... 2
Item Part No. Description Qty.
8 323-8 Screw, HH 3/8-16 x 1 1/2 .......................
.
1
9 32120-10 Ring, Retaining.......................................
.
2
10 302-19 Zerk, 1/4-28 Str ......................................
.
1
11 109-8076 Pulley, Idler 5" X 1" Nylon ......................
.
1
12 109-7399 Pin, Spring Anchor .................................
.
1

ELECTRICAL GROUP
-28-
Item Part No. Description Qty.
2 115-2796 Harness-Wire, Main (Air-Cooled) ........... 1
2:1 103-3895 Diode-TVS .............................................. 1
2:2 218-578 Fuse-10 Amp .......................................... 1
2:3 109355 Fuse-15 Amp .......................................... 1
2:4 109102 Fuse-25 Amp .......................................... 2
2:5 116-0053 Cap-Plug................................................. 1
3 116-0916 Fuel/Hour Meter Asm ............................. 1
4 1-603511 Key, Ignition ............................................ 1
103-2106 Key, Exmark Logo .................................. 1
5 110-6765 Switch-Single Pole N.O. ......................... 2
6 116-0042-03 Strap-Tie Down, Battery ......................... 1
7 1-633651 Bolt-Holddown ........................................ 2
8 1-543792 Wingnut, Nyloc 1/4-20 ............................ 2
9 1-643275 Relay, 12VDC 40 Amp ........................... 1
Item Part No. Description Qty.
10 114-1218 Cable-Battery, Negative .........................
.
1
11 3234-5 Screw, HH FLG 5/16-18 x 3/4 ................
.
2
12 104-8300 Nut, Nyloc 5/16-18 Flg ...........................
.
2
13 1-303287 Tie, Cable 5 1/2 (Small) .........................
.
3
14 82-2190 Switch .....................................................
.
1
15 116-0229 Switch, Ignition .......................................
.
1
16 116-0124 Switch, PTO 10A ....................................
.
1
17 104-2065 Screw, HWH #10-24 x 3/8 ......................
.
1
18 115-3864 Cable-Battery, Positive ...........................
.
1
19 3256-24 Washer, 3/8 SAE....................................
.
1
22 1-303335 Tie, Cable 7 15/16 (Large) .....................
.
1
23 109-2407 Insulator, Solenoid .................................
.
1
24 1-543393 Insulator, Battery ....................................
.
1
Exmark black touch up spray paint - gloss black.
Use dielectric grease on all wiring harness connectors.

DECAL GROUP
-29-
Item Part No. Description Qty.
1 109-7069 Decal, Console ....................................... 1
2 107-2102 Decal, ROPS Folding ............................. 1
3 1-403005 Decal, Danger......................................... 2
4 109-3148 Decal, Bolt Torque .................................. 1
5 107-2112 Decal, Warning Slope ............................. 1
6 1-303508 Decal, Discharge Warning ...................... 1
7 116-0205 Decal, Belt Drive ..................................... 2
8 98-5954 Decal, Danger......................................... 2
9 109-7232 Decal, Motion Control ............................. 2
10 103-2076 Decal, Hot Surface ................................. 3
11 116-2927 Decal, Cut of Height ............................... 1
12 1-633922 Decal, Anti-Scalp .................................... 1
13 116-0211 Decal, Service Aid .................................. 1
14 109-7929 Decal, Park Brake .................................. 1
Item Part No. Description Qty.
15 109-8483 Decal, Control Panel ..............................
.
1
16 117-2718 Decal, Spark Arrester .............................
.
1
17 116-1654 Decal, Fuel Fill .......................................
.
1
18 116-0165 Decal, Wheel Hub ..................................
.
2
19 116-2643 Decal, Wheel Hub ..................................
.
2
20 109-7330 Decal, Fuse ............................................
.
1
21 103-2883 Decal, Exmark Logo ...............................
.
2
22 116-2630 Decal, Belt Routing ................................
.
1
23 116-0033 Decal, UltraCut 48 Series 4....................
.
1
24 116-0034 Decal, UltraCut 52 Series 4....................
.
1
25 109-9439 Decal, UltraCut 60 Series 4....................
.
1
26 116-0026 Decal, Lazer AS .....................................
.
1
27 103-2882 Decal, Exmark Logo ...............................
.
1
.

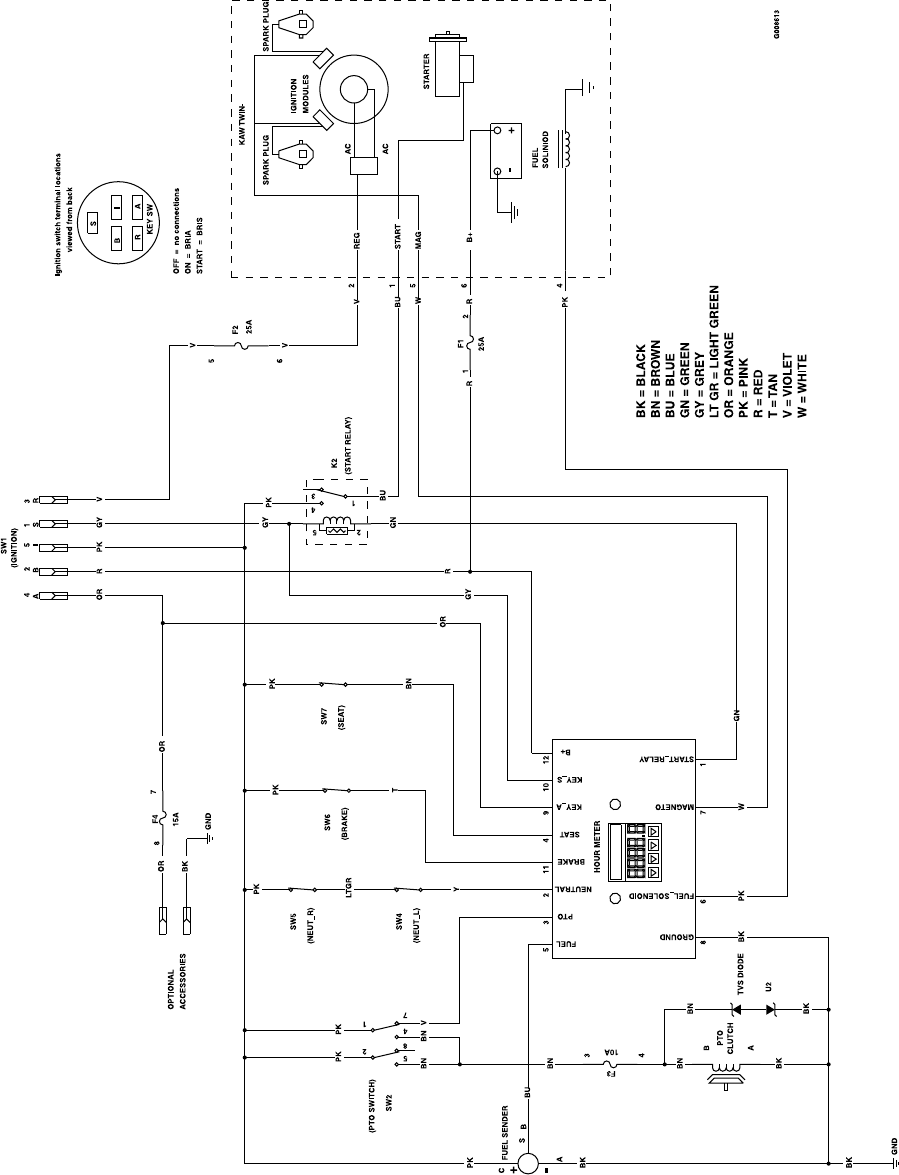
ELECTRICAL DIAGRAM
-30-

ELECTRICAL LOGIC SCHEMATIC
-31-
-32-
NOTES

-33-
SERVICE RECORD
Date Description of Work Done Service Done By

-34-

© 2011 Exmark Mfg. Co., Inc. Part No. 4500-567 Rev. D
Industrial Park Box 808 (402) 223-6300
Beatrice, NE 68310 Fax (402) 223-5489
All Rights Reserved Printed In USA