Exmark Lazer Z Xs Users Manual 103 6698
Lazer Z XS to the manual 3339ab85-3217-4825-a8c6-90c463a446a5
2015-02-04
: Exmark Exmark-Lazer-Z-Xs-Users-Manual-366950 exmark-lazer-z-xs-users-manual-366950 exmark pdf
Open the PDF directly: View PDF
.
Page Count: 52

For Serial Nos.
440,000 & Higher
Part No. 103-6698

i
WARNING
POTENTIAL HAZARD
♦ This product is a piece of power equipment.
WHAT CAN HAPPEN
♦ Failure to follow safe operating practices can result in serious
operator injury or even death.
HOW TO AVOID THE HAZARD
♦ Keep all shields, guards, and safety devices (especially the grass
discharge system) in place and in proper working condition.
♦ Stop engine and wait for all moving parts to stop. Remove spark
plug wire(s) or remove key before adjusting, servicing, or
performing maintenance.
♦ If mower deck becomes clogged, stop engine and wait for all
moving parts to stop. Remove spark plug wire(s) or remove key
before cleaning blockage.
♦ Keep hands, feet, and clothing away from power driven parts.
♦ Keep off mower unless seat platform is provided.
♦ Keep others off mower.
WARNING
POTENTIAL HAZARD
♦ Gasoline is harmful or fatal if swallowed. Long-term exposure to
vapors has caused cancer in laboratory animals.
WHAT CAN HAPPEN
♦ Failure to use caution may cause serious injury or illness.
HOW TO AVOID THE HAZARD
♦ Avoid prolonged breathing of vapors.
♦ Keep face away from nozzle and gas tank/container opening.
♦ Keep away from eyes and skin.
♦ Never siphon by mouth.
IMPORTANT
When the mower is used or operated on any California forest, brush or grass covered land, a working
spark arrester must be attached to the muffler. If not, the operator is violating state law, Section 4442
Public Resource Code. To acquire a spark arrester for your unit, see your Engine Service Dealer.
This spark ignition system complies with Canadian ICES-002
Ce système d’allumage par ètincelle de vèhicule est conforme à la norme NMB-002 du Canada
The enclosed Engine Owner’s Manual is supplied for information regarding The U.S.
Environmental Protection Agency (EPA) and the California Emission Control Regulation of
emission systems, maintenance and warranty.
Keep this engine Owner’s Manual with your unit. Should this engine Owner’s Manual become
damaged or illegible, replace immediately. Replacements may be ordered through the engine
manufacturer.
Exmark reserves the right to make changes or add improvements to its products at any time without
incurring any obligation to make such changes to products manufactured previously. Exmark, or its
distributors and dealers, accept no responsibility for variations which may be evident in the actual
specifications of its products and the statements and descriptions contained in this publication.

ii
EXMARK PARTS PLUS® PROGRAM
EFFECTIVE DATE: September 1, 1995
Program
If your Exmark dealer does not have the Exmark part in stock,
Exmark will get the parts to the dealer the next business day or
the part will be FREE* Guaranteed!!
How the Program Works
1. If dealer does not have part in stock for a "down" unit at
the time of request by customer, the dealer contacts his
distributor by 1:00 p.m., local time, and requests Exmark
Parts Plus® shipment of six (6) line items or less.
2. Distributor ships part(s) to dealer or customer, as
requested by dealer, same day, overnight UPS
Distributor bills dealer for part and freight charges where
applicable.
3. If distributor does not have the part(s) in stock to satisfy Exmark Parts Plus® order, he contacts Exmark by 3:00 p.m.,
central time, with an Exmark Parts Plus® order of six (6) line items or less.
4. If order is received by 3:00 p.m. central time, Exmark ships part(s) direct to dealer or customer, as requested by
distributor, same day, overnight UPS, Exmark bills the distributor for parts and shipping charges, where applicable.
5. The customer pays for the part and freight if it is shipped under the Exmark Parts Plus® and if it arrives in accordance
to the program.
6. Who pays for the part and freight if it fails to arrive overnight in accordance to the program?
A. Under any circumstance the customer does not pay.
B. If the part does not arrive overnight due to:
1. The dealer not submitting the Exmark Parts Plus® order to his Exmark distributor by 1:00 p.m., the dealer
pays for the part and freight.
2. The Distributor being unable to ship the part the same day or not submitting the Exmark Parts Plus® order
to Exmark by 3:00 p.m., central time, the Distributor pays for the part and freight.
3. Exmark being unable to ship the part and the Exmark parts order is received by 3:00 p.m., central time,
Exmark pays for the part and freight.
4. If the part does not arrive overnight due to the shipper (UPS), the shipper pays for the freight and Exmark
pays for the part.
The following restrictions apply -- The Exmark Parts Plus® Program is available only through participating Exmark
Dealers and applies only to orders submitted on this program Monday through Thursday. Parts Plus service is available
only in the 48 contiguous United States. UPS has initiated a Saturday delivery program to many areas of the continental
United States and can be requested for an overnight shipment on Friday to be delivered Saturday. The next day air
charge, plus the Saturday delivery fee will be the responsibility of the purchaser. Exmark Mfg. will assume no
responsibility for Saturday delivery shipments. To qualify, all Exmark Parts Plus® orders must be received by Exmark by
3:00 p.m., central time. Orders must be six (6) line items or less. Exclusions from the Exmark Parts Plus® Program are:
Any wholegood or accessory in its entirety, engines and engine replacement parts, 5-speed Peerless transmissions and 5-
speed transaxles, hydraulic or hydrostatic wheel motors, cutter decks and engine decks or any item exceeding United
Parcel Service size and weight restrictions.
Due to UPS restrictions, aerosol spray paint is considered a hazardous material and cannot be shipped via UPS next day
or Second Day Air.
Exmark Manufacturing stocks a limited supply of parts for transaxles, pumps and wheel motors. These parts can be
ordered for Next Day Air shipment but will not be guaranteed per the Parts Plus Program.
iii
CONGRATULATIONS on the purchase of your Exmark Mower. This product has
been carefully designed and manufactured to give you a maximum amount of
dependability and years of trouble-free operation.
OPERATOR'S MANUAL
This manual contains assembly, operating, maintenance, adjustment, and safety
instructions for your Exmark mower.
BEFORE OPERATING YOUR MOWER,
CAREFULLY READ THIS MANUAL IN ITS ENTIRETY.
By following the operating, maintenance, and safety instructions, you will prolong
the life of your mower, maintain its maximum efficiency, and promote safe operation.
If additional information is needed, or should you require trained mechanic
service, contact your authorized Exmark equipment dealer or distributor.
All Exmark equipment dealers and distributors are kept informed of the latest
methods of servicing and are equipped to provide prompt and efficient service in the
field or at their service stations. They carry ample stock of service parts or can
secure them promptly for you from the factory.
All Exmark parts are thoroughly tested and inspected before leaving the factory,
however, attention is required on your part if you are to obtain the fullest measure of
satisfaction and performance.
iv
TABLE OF CONTENTS
1. SAFETY PAGE
1.1 Safety Alert Symbol......................................................................................... 1
1.2 Training ........................................................................................................... 1
1.3 Preparation...................................................................................................1-3
1.4 Operation......................................................................................................4-7
1.5 Maintenance & Storage................................................................................7-8
1.6 Safety Signs ...............................................................................................8-10
2. SPECIFICATIONS
2.1 Model Numbers............................................................................................. 11
2.2 Engine ........................................................................................................... 11
2.3 Fuel System .................................................................................................. 11
2.4 Electrical System........................................................................................... 11
2.5 Operator Controls.......................................................................................... 11
2.6 Seat............................................................................................................... 12
2.7 Hydrostatic Ground Drive System................................................................. 12
2.8 Tires & Wheels.............................................................................................. 12
2.9 Cutting Deck.................................................................................................. 12
2.10 Dimensions.................................................................................................... 13
2.11 Torque Requirements ................................................................................... 13
3. ASSEMBLY INSTRUCTIONS
3.1 Uncrate Mower.............................................................................................. 13
3.2 Install Rollover Protection System (roll bar) .............................................13-15
3.3 Service Battery.........................................................................................15-16
3.4 Install Seat..................................................................................................... 16
3.5 Install Motion Control Levers....................................................................16-17
3.6 Position Discharge Chute ............................................................................. 17
3.7 Service Engine ............................................................................................. 17
3.8 Service Hydraulic Oil..................................................................................... 17
3.9 Check Tire Pressure...................................................................................... 17
4. OPERATION INSTRUCTIONS
4.1 Controls....................................................................................................18-20
4.2 Pre-Start........................................................................................................ 20
4.3 Operating Instructions ..............................................................................20-22
4.4 Transporting ............................................................................................. 22-23
5. MAINTENANCE & ADJUSTMENTS
5.1 Periodic Maintenance...............................................................................23-32
5.2 Adjustments.............................................................................................. 32-39
6. WASTE DISPOSAL
6.1 Motor Oil Disposal......................................................................................... 39
6.2 Mercury Switch Disposal............................................................................... 39
6.3 Battery Disposal ............................................................................................ 40
7. TROUBLE SHOOTING............................................................................. 40-41
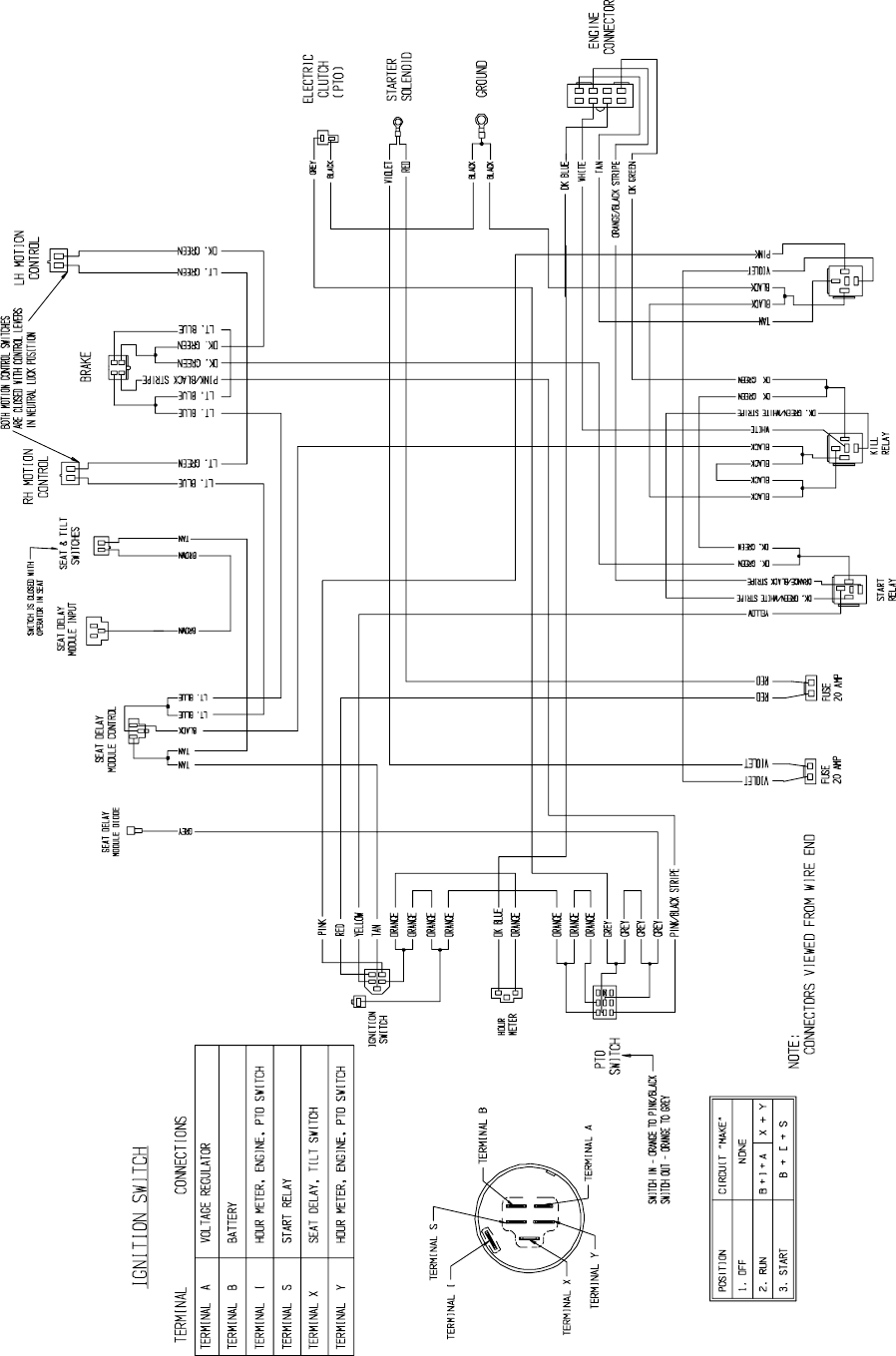
8. ELECTRICAL DIAGRAM...................................................................................... 42
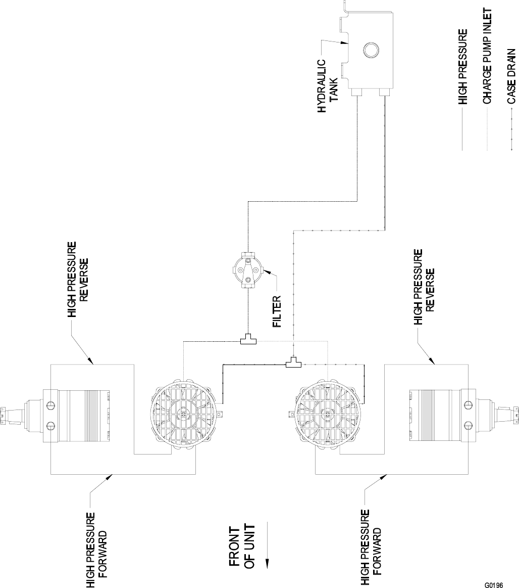
9. HYDRAULIC DIAGRAM........................................................................................ 43
10. WARRANTY.......................................................................................................... 44

- 1 -
1. SAFETY
1.1 SAFETY ALERT SYMBOL
This SAFETY ALERT SYMBOL is used both in this manual and on the machine to
identify important safety messages which must be followed to avoid accidents. This
symbol means:
ATTENTION! BECOME ALERT!
YOUR SAFETY IS INVOLVED!
The safety alert symbol appears above information which alerts you to unsafe actions or
situations and will be followed by the word DANGER, WARNING, or CAUTION.
DANGER: White lettering / Red background. Indicates an imminently hazardous situation
which, if not avoided, WILL result in death or serious injury.
WARNING: Black lettering / Orange background. Indicates a potentially hazardous
situation which, if not avoided, COULD result in death or serious injury.
CAUTION: Black lettering / Yellow background. Indicates a potentially hazardous
situation which, if not avoided, MAY result in minor or moderate injury.
1.2 TRAINING
1.2.1 Regard the Exmark mower as a piece of power equipment and teach this regard
to all who operate this unit.
1.2.2 Read the instructions carefully. Familiarize yourself with the controls and the
proper use of the equipment. If the operator(s) or mechanic(s) can not read
English, it is the owner’s responsibility to explain this material to them.
1.2.3 Do not allow operation of this machine by untrained personnel. Never allow
children, teenagers, or people unfamiliar with these instructions to use the
mower. Local regulations may restrict the age of the operator.
1.2.4 Avoid mowing while people, especially children, or pets, are nearby. Keep in
mind that the operator or user is responsible for accidents or hazards occurring
to other people or their property.
1.3 PREPARATION
1.3.1 Evaluate the terrain to determine what accessories and attachments are needed
to properly and safely perform the job. Only use accessories and attachments
approved by Exmark.
1.3.2 The use of personal protective equipment, such as (but not limited to) protection
for the eyes, ears, feet, and head is recommended.
CAUTION
POTENTIAL HAZARD
♦ This machine produces sound levels in excess of 85
dBA at the operator’s ear when in operation.
WHAT CAN HAPPEN
♦ Exposure to sound levels of 85 dBA or above for
extended periods of time can cause hearing loss.
HOW TO AVOID THE HAZARD
♦ Wear hearing protection when operating this machine.
1.3.3 While mowing, always wear substantial footwear and long trousers. Do not
operate equipment when barefoot or when wearing open sandals.

- 2 -
1.3.4 Thoroughly inspect the area where the equipment is to be used and remove all
stones, sticks, wires, bones, and other foreign objects which may damage the
equipment or cause personal injury to the operator or bystanders.
WARNING
POTENTIAL HAZARD
♦ Engine exhaust contains carbon monoxide, which is
an odorless deadly poison.
WHAT CAN HAPPEN
♦ Carbon monoxide can kill you.
HOW TO AVOID THE HAZARD
♦ Do not run engine indoors or in a small confined area
where dangerous carbon monoxide fumes can collect.
DANGER
POTENTIAL HAZARD
♦ In certain conditions gasoline is extremely flammable
and highly explosive.
WHAT CAN HAPPEN
♦ A fire or explosion from gasoline can burn you, others,
and cause property damage.
HOW TO AVOID THE HAZARD
♦ DO NOT smoke while refueling, and stay away from an
open flame or where gasoline fumes may be ignited by
spark.
♦ Refuel only outdoors.
♦ Store gasoline in an approved container and keep it
out of the reach of children.
♦ Add fuel before starting the engine. Never remove the
cap of the fuel tank or add fuel when engine is running
or when the engine is hot.
♦ Never fill the fuel tank so that the gasoline level rises
above a level that is 1/2” below the bottom of the filler
neck to allow for gasoline expansion and prevent fuel
spillage.
♦ If fuel is spilled, DO NOT attempt to start the engine.
Move away from the area of the spill and avoid
creating any source of ignition until fuel vapors have
dissipated.
♦ Do not operate without entire exhaust system in place
and in proper working condition.

- 3 -
DANGER
POTENTIAL HAZARD
♦ In certain conditions gasoline is extremely flammable
and highly explosive.
WHAT CAN HAPPEN
♦ A static charge can ignite gasoline vapors. A fire or
explosion from gasoline can burn you, others, and
cause property damage.
HOW TO AVOID THE HAZARD
♦ Purchase and store gasoline only in an approved
container.
♦ Always place gasoline containers on the ground away
from your vehicle before filling.
♦ Do not fill gasoline containers inside a vehicle or on a
truck or trailer bed because interior carpets or plastic
truck bed liners may insulate the container and slow
the loss of any static charge.
♦ When practical, remove gas-powered equipment from
the truck or trailer and refuel the equipment with its
wheels on the ground.
♦ If this is not possible, then refuel such equipment on a
truck or trailer from a portable container, rather than
from a gasoline dispenser nozzle.
♦ If a gasoline dispenser nozzle must be used, keep the
nozzle in contact with the rim of the fuel tank or
container opening at all times until fueling is complete.
WARNING
POTENTIAL HAZARD
♦ Gasoline vapor can collect inside enclosed trailers and
may be ignited by electrical sparks or hot
engine/exhaust components.
WHAT CAN HAPPEN
♦ Explosion and fire may occur, resulting in property
damage, personal injury, and/or death.
HOW TO AVOID THE HAZARD
♦ Provide adequate ventilation of any enclosed trailer to
prevent build up of gasoline vapors, especially at floor
level.
♦ Refuel only outdoors, never inside an enclosed trailer.
♦ Be sure all fuel tanks and gasoline storage containers
have proper caps installed to prevent spillage and
minimize vapor escaping into the trailer.
♦ Do not place any equipment that is leaking gasoline in
an enclosed trailer.

- 4 -
1.4 OPERATION
Although hazard control and accident prevention are partially dependent upon the
design and configuration of the equipment, these factors are also dependent upon
the awareness, concern, prudence, and proper training of the personnel involved in
the operation, transport, maintenance, and storage of the equipment. It is essential
that all Operator Safety Mechanisms be connected and in operating condition prior
to use for mowing.
WARNING
POTENTIAL HAZARD
♦ Operating engine parts, especially the muffler, become
extremely hot.
WHAT CAN HAPPEN
♦ Severe burns can occur on contact.
♦ Debris, such as leaves, grass, brush, etc. can catch fire.
HOW TO AVOID THE HAZARD
♦ Allow engine parts, especially the muffler, to cool before
touching.
♦ Remove accumulated debris from muffler and engine area.
♦ Install and maintain in working order a spark arrester before
using equipment on forest-covered, grass-covered, or
brush-covered unimproved land.
WARNING
POTENTIAL HAZARD
♦ Hands, feet, hair, clothing, or accessories can become
entangled in rotating parts.
WHAT CAN HAPPEN
♦ Contact with rotating parts can cause traumatic amputation
or severe lacerations.
HOW TO AVOID THE HAZARD
♦ Do not operate the machine without guards, shields, and
safety devices in place and working.
♦ Keep hands, feet, hair, jewelry, or clothing away from
rotating parts.
1.4.1 Give complete, undivided attention to the job at hand.
1.4.2 Mow only in daylight or good artificial light, keeping away from holes and hidden
hazards. NEVER carry passengers.
DO NOT operate the mower when children or others are in the area.
1.4.3 When feasible, avoid operating the equipment in wet grass.
1.4.4 Use EXTREME caution when mowing and/or turning on slopes as loss of traction
and/or tip-over could occur. The operator is responsible for safe operation on
slopes.

- 5 -
DANGER
POTENTIAL HAZARD
♦ Mowing on wet grass or steep slopes can cause sliding and
loss of control.
WHAT CAN HAPPEN
♦ Wheels dropping over edges, ditches, steep banks, or
water can cause rollovers, which may result in serious
injury, death or drowning.
HOW TO AVOID THE HAZARD
♦ Do not mow slopes when grass is wet.
♦ Do not mow near drop-offs or near water.
♦ Do not mow slopes greater than 15 degrees.
♦ Reduce speed and use extreme caution on slopes.
♦ Avoid sudden turns or rapid speed changes.
• See inside the back cover to determine the approximate slope angle of the
area to be mowed.
• Use a walk behind mower and/or a hand trimmer near drop-offs, ditches, steep
banks or water. This area can be dangerous, see Figure 1.
Figure 1
SAFE ZONE FOR MOWING
• Progressively greater care is needed as the slope increases.
• Always avoid sudden starting or stopping on a slope. If tires lose traction,
disengage the blades and proceed slowly off the slope.
• Avoid sudden starts when mowing uphill. Mower may tip backwards.
• Be aware that loss of traction may occur going downhill. Weight transfer to
the front wheels may cause drive wheels to slip and cause loss of braking
and steering.
• Watch for ditches, holes, rocks, dips, and rises that change the operating
angle, as rough terrain could overturn the machine.
• Remove or mark obstacles such as rocks, tree limbs, etc. from the mowing
area. Tall grass can hide obstacles.
• Use extreme care with grass catchers or attachments. These can change the
stability of the machine and cause loss of control.
• Follow the manufacturer’s recommendations for wheel weights or
counterweights to improve stability.
1.4.5 A Rollover Protection System (roll bar) is installed on the unit.

- 6 -
WARNING
POTENTIAL HAZARD
♦ There is no rollover protection when the roll bar is down.
WHAT CAN HAPPEN
♦ Wheels dropping over edges, ditches, steep banks, or
water can cause rollovers, which may result in serious
injury, death or drowning.
HOW TO AVOID THE HAZARD
♦ Keep the roll bar in the raised and locked position and use
seat belt.
♦ Lower the roll bar only when absolutely necessary.
♦ Do not wear seat belt when the roll bar is down.
♦ Drive slowly and carefully.
♦ Raise the roll bar as soon as clearance permits.
• Be certain that the seat belt can be released quickly if the machine is driven or
rolls into ponds of water.
• Check carefully for overhead clearances (i.e. branches, doorways, and
electrical wires) before driving under any objects and do not contact them.
1.4.6 Use EXTREME caution when backing up. LOOK BEHIND YOU!
1.4.7 Stop the blades when crossing surfaces other than grass and when transporting
the mower to and from the area to be mowed.
1.4.8 Never operate the mower with damaged guards, shields, or covers. Always have
safety shields, guards, switches, and other devices in place and in proper
working condition.
1.4.9 DO NOT change the engine governor settings or overspeed the engine. Operating
an engine at excessive speed may increase the hazard of personal injury.
1.4.10 Disengage PTO before starting engine.
1.4.11 Start the engine carefully with feet well away from the blades.
1.4.12 Keep hands, feet, and clothing away from rotating parts while the mower is being
operated.
1.4.13 Stop engine, wait for all moving parts to stop, and remove key:
• Before checking, cleaning or working on the mower.
• After striking a foreign object (inspect the mower for damage and make
repairs before restarting and operating the mower).
• Before clearing blockages.
• Whenever you leave the mower.
Stop the engine and wait for all moving parts to stop:
• Before refueling.
• Before dumping the grass catcher.
1.4.14 Before stopping the engine, place the throttle control midway between the “slow”
and “fast” positions. Allow the engine to run a minimum of 15 seconds; then stop
the engine.
1.4.15 The fuel system is provided with a shut-off valve. Shut off the fuel:
• When the machine will not be used for a few days.
• During transport to and from the job.
• When parked inside a building.
1.4.16 This mower was designed for one operator only. Keep all others away from
mower during operation.
- 7 -
1.4.17 Do Not mow with the discharge deflector raised, removed or altered unless there
is a grass collection system or mulch kit in place and working properly.
1.4.18 Be aware of the mower discharge and direct discharge away from others.
1.4.19 Do Not operate mower under the influence of alcohol or drugs.
1.4.20 Use extra care when approaching blind corners, shrubs, trees, or other objects
that may obscure vision.
1.4.21 If jump starting is required:
a) connect the positive (+) power cable from the positive post on the booster
battery to the positive terminal post on the starter solenoid switch (this post
has the positive battery cable attached to it).
b) connect the negative or ground cable (-) from the negative post on the
booster battery to the engine block as far away from the battery as possible.
c) disconnect battery cables in the reverse order after starting.
1.5 MAINTENANCE AND STORAGE
1.5.1 For engine maintenance, follow the engine manufacturer’s recommendations
precisely as stated in the engine manual.
1.5.2 Disconnect the battery cable from the negative battery post when the unit will be
allowed to sit for more than 30 days without use.
1.5.3 Allowing batteries to stand for an extended period of time without recharging
them will result in reduced performance and service life. To preserve optimum
battery performance and life, recharge batteries in storage when the open
circuit voltage drops to 12.4 volts.
Note: To prevent damage due to freezing, battery should be fully charged
before putting away for winter storage.
1.5.4 Keep engine, engine area, and pump drive belt compartment free from
accumulation of grass, leaves, excessive grease or oil, and other debris which
can accumulate in these areas. These materials can become combustible and
may result in a fire.
1.5.5 Store fuel in a container specifically designed for this purpose in a cool, dry place.
1.5.6 Keep the mower and fuel container in locked storage to prevent children from
playing or tampering with them.
1.5.7 Gasoline powered equipment or fuel containers should not be stored in a basement
or any enclosed area where open pilot lights or heat appliances are present.
1.5.8 Maximum mowing results and safety can only be achieved if the mower is
properly maintained and operated correctly.
1.5.9 Check all bolts frequently to maintain proper tightness.
1.5.10 Keep all guards, shields, and all safety devices in place and in safe working condition.
1.5.11 Frequently check for worn or deteriorating components that could create a hazard.
1.5.12 All replacement parts must be the same as or equivalent to the parts supplied as
original equipment.

- 8 -
WARNING
POTENTIAL HAZARD
♦ Hydraulic fluid escaping under pressure can penetrate
skin and cause injury.
WHAT CAN HAPPEN
♦ Fluid accidentally injected into the skin must be
surgically removed within a few hours by a doctor
familiar with this form of injury or gangrene may result.
HOW TO AVOID THE HAZARD
♦ Make sure all hydraulic fluid hoses and lines are in
good condition an all hydraulic connections and fittings
are tight before applying pressure to hydraulic system.
♦ Keep body and hands away from pinhole leaks or
nozzles that eject high pressure hydraulic fluid.
♦ Use cardboard or paper, not your hands, to find
hydraulic leaks.
♦ Safely relieve all pressure in the hydraulic system, by
placing the motion control levers in neutral and
shutting off the engine, before performing any work on
the hydraulic system.
1.6 SAFETY SIGNS
1.6.1 Keep all safety signs legible. Remove all grease, dirt and debris from safety
signs and instructional labels.
1.6.2 Safety signs must be replaced if they are missing or illegible.
1.6.3 When new components are installed, be sure that current safety signs are affixed
to the replaced components.
1.6.4 New safety signs may be obtained from your authorized Exmark equipment
dealer or distributor or from Exmark Mfg. Co. Inc.
1.6.5 Safety signs may be affixed by peeling off the backing to expose the adhesive
surface. Apply only to a clean, dry surface. Smooth to remove any air bubbles.
1.6.6 Familiarize yourself with the following safety signs and instruction labels. They
are critical to the safe operation of your Exmark commercial mower.
PART NO. 103-1077
LOCATION: LH Side on Top Front of
Mower Deck
PART NO. 1-633313
LOCATION: RH Side on Top
Front of Mower Deck
PART NO. 98-5954
LOCATION: Under Mower Deck
Belt Shield(s)
PART NO. 1-513742
LOCATION: Top of Mower Deck
Belt Shields, Left
and Right Sides
PART NO. 1-643401
LOCATION: On Tilt Switch
PART NO. 103-6700
LOCATION: Panel behind
LH Fuel Tank

- 9 -
PART NO. 1-513748
LOCATIONS: Bottom Side
of Floorpan
DO NOT OPERATE
WITHOUT GUARD
IN PLACE.
1-513748
PART NO. 1-513746
LOCATIONS: Rear RH
Frame
PART NO. 1-403005
LOCATION: Left and Right Corners
of Mower Deck
PART NO. 103-3979
LOCATION: RH Side of Console
PART NO. 103-3794
LOCATION: LH Side of Console
PART NO. 1-643222
LOCATION: Left of Center on Mower
Deck, Under Floor Pan
PART NO. 1-323540
LOCATION: Left Rear Corner Top
of Mower Deck
PART NO. 1-523552
LOCATION: Top of Hydraulic
Reservoir,
PART NO. 103-0262
LOCATION: RH Front of
Console
PART NO. 103-1798
LOCATION: Right of Throttle
Control on RH
Fuel Tank
PART NO. 103-4930
LOCATION: Right of Choke
Control on RH
Fuel Tank
PART NO. 107-2102
LOCATION: Inside Surface of
Upper Roll bar
PART NO. 103-0368
LOCATION: Rubber Heat Shield Flap
behind Seat

- 10 -
PART NO. 1-303508
LOCATION: RH Side on Top Rear
of Mower Deck
PART NO. 103-6936
LOCATION: Rubber Heat Shield
Flap Behind Seat
PART NO. 107-2112
LOCATION: Top Center of Floorpan
PART NO. 1-633922
LOCATION: Front Center on Top
of Mower Deck
PART NO. 1-633706
LOCATION: LH Side of Cutting
Height Adjustment
Plate
PART NO. 103-6935
LOCATION: Bottom Side of Floor Pan
PART NO. 103-7218
LOCATION: Under Seat, Between
Pumps on Frame
PART NO. 103-5200
LOCATION: Top of console
PART NO. 103-7616
LOCATION: Top Front of RH
Fuel Tank

- 11 -
2. SPECIFICATIONS
2.1 MODEL NUMBER
2.2 ENGINE
2.2.1 Engine Specifications: See your Engine Owner’s Manual
2.2.2 RPM: Full Speed: 3750 RPM (No Load) Idle: 1500 RPM
2.3 FUEL SYSTEM
2.3.1 Capacity: 15.5 gal. (56.8 L.)
2.3.2 Type of Fuel: Regular unleaded gasoline, 87 octane or higher
2.3.3 Fuel Filter: In-line 30 Micron Briggs P/N 695327.
2.3.4 Fuel Shut-Off Valve: 1/4 turn increments (left tank, “OFF”, right tank)
2.3.5 Fuel gauge in left hand fuel tank.
2.4 ELECTRICAL SYSTEM
2.4.1 Charging System: Flywheel Alternator
2.4.2 Charging Capacity: 20 amps
2.4.3 Battery Type: BCI Group U1
2.4.4 Battery Voltage: 12 Volt
2.4.5 Polarity: Negative Ground
2.4.6 Fuses: Two 20 amp blade type
2.4.7 Safety Interlock System:
PTO must be disengaged, brake engaged, and motion control levers out
(neutral lock) to start engine. (It is not necessary for the operator to be in the
seat to start the engine.)
Operator must be in seat when PTO is engaged, brake is disengaged, or
motion control levers are moved in or engine will stop.
Engine will stop if either the left, the right, or both levers are moved from neutral
lock position while brake is engaged.
2.4.8 Tilt Switch: Shuts off the engine when the unit is tilted more than 60° from horizontal.
2.5 OPERATOR CONTROLS
2.5.1 Steering and Motion Control:
Separate levers, on each side of the console, control speed and direction of
travel of the respective drive wheels.
Steering is controlled by varying the position of the levers relative to each other.
Moving motion control levers outward (in slots) locks the drive system in neutral.
NOTE: Motion control levers are adjustable to two heights.
2.5.2 PTO Engagement Switch: Engages electric clutch (to drive belt) which engages
mower blades.
2.5.3 Parking Brake Lever: Engages parking brake.
2.5.4 Deck Height Adjustment Lever: Sets cutting height to desired position.
2.5.5 Deck Lift Assist Lever: Foot pedal that assists in raising the deck.
Serial Nos. 440,000 and Higher: LZ31BV604; LZ31BV724

- 12 -
2.6 SEAT
2.6.1 Type: Deluxe suspension seat high back, low profile foam-in-place cushion
(dampened, adjustable spring suspension) and armrests, adjustable back angle.
2.6.2 Mounting: Hinged to tilt up for access to hydraulic pumps, battery and other
components. Held in tilted position with scissor-type links.. Adjustable fore and aft
seat track.
2.6.3 Armrests: Molded adjustable flip-up armrests.
2.6.4 Seat Safety Switch: Incorporated into the Safety Interlock System. Time delay
seat switch eliminates rough ground cut-outs.
2.7 HYDROSTATIC GROUND DRIVE SYSTEM
2.7.1 Hydrostatic Pumps: Two Hydro Gear PW variable displacement piston pumps.
2.7.2 Wheel Motors: Two Parker/Ross with 1 1/4” tapered shafts.
2.7.3 Hydraulic Oil Type: Synthetic Mobil 1 15W-50.
2.7.4 Hydraulic Oil Capacity: 5.5 qt. (5.2 L.)
2.7.5 Hydraulic Filter: Replaceable cartridge type.
P/N 103-2146: 25 microns, No bypass
2.7.6 Speeds: 0-12.0 mph (19.3 km/hr) forward.
0-8.0 mph (12.9 km/hr) reverse.
2.7.7 Drive wheel release valves allow machine to be moved when engine is not running.
2.8 TIRES Drive Front Caster
Pneumatic (Air-Filled)
Semi-Pneumatic
Quantity 2 2
Tread “Multi- Trac C/S” Smooth
Size 26 x 12.00-12 13 x 6.50-6
Ply Rating 4
Pressure 10 psi (90 kPa)
2.9 CUTTING DECK
2.9.1 Cutting Width: 60 in. (152.4 cm)
72 in. (182.9 cm)
2.9.2 Discharge: Side
2.9.3 Blade Size: (3 ea.) 60” Deck: 20.5 in. (52.1 cm)
72” Deck: 24.5 in. (62.2 cm)
2.9.4 Blade Spindles: Solid steel spindles with 1” I.D. bearings.
2.9.5 Deck Drive: Electric clutch mounted on horizontal engine shaft. “B” Section belt
(with self-tensioning idler) from electric clutch to transfer shaft mounted on deck.
Blades are driven by one “B” Section belt (w/self-tensioning idler) from transfer
shaft on deck to blade spindles.
2.9.6 Deck: Full floating deck is attached to out-front support frame. Six anti-scalp
rollers provide maximum turf protection. Deck design allows for bagging, mulching
or side discharge.
Deck Depth: 60” Deck: 5.5” (14.0 cm)
72” Deck: 5.5” (14.0 cm)
2.9.7 Cutting Height Adjustment: an extra-long cushioned lever is used to adjust the
cutting height from 1 1/2” (3.8 cm) to 5” (10.2 cm.) in 1/4”(.64 cm) increments.
The cutting height adjustment handle has a transport position and all
adjustments can be made while the operator remains seated. Units also have a
foot operated deck lift assist lever to aid in raising the deck.
2.9.8 Mulching Kit: Optional.

- 13 -
2.10 DIMENSIONS
2.10.1 Overall Width: without deck deflector up deflector down
60” Deck 54.5 in. (138.4 cm) 61.4 in. (156.0 cm) 72.2 in. (183.4 cm)
72” Deck 58.5 in. (148.6 cm) 73.2 in. (185.9 cm) 84.3 in. (214.1 cm)
2.10.2 Overall Length: Roll Bar – Up Roll Bar - Down
60” Deck 82.2 in. (208.8 cm) 92.3 in. (234.4 cm)
72” Deck 86.0 in. (218.4 cm) 96.1 in. (244.1 cm)
2.10.3 Overall Height: Roll Bar - Up Roll Bar - Down
60” Deck 73.7 in. (187.2 cm) 55.6 in. (141.2 cm)
72” Deck 73.7 in. (187.2 cm) 55.6 in. (141.2 cm)
2.10.4 Tread Width: (center to center of tires, widthwise)
Drive Wheels Casters
60” Deck 42.8 in. (108.7 cm) 38.9 in. (98.8 cm)
72” Deck 46.8 in. (118.9 cm) 47.6 in. (120.9 cm)
2.10.5 Wheel Base: (center of caster to center of drive tire)
60” Deck 54.0 in. (137.2 cm)
72” Deck 56.8 in. (144.3 cm)
2.10.6 Curb Weight:
60” Deck 1450 lbs. (658 kg)
72” Deck 1520 lbs. (689 kg)
2.11 TORQUE REQUIREMENTS
Bolt Location Torque
Cutter Housing Spindle Nut ........................................ 140-145 ft-lbs. (190-197 N-m)
Blade Mounting Bolt.................................................... 115-120 ft-lbs. (156-163 N-M)
Engine Deck/Front Frame Mount Bolts............................... 30-35 ft-lbs. (41-47 N-M)
Anti-Scalp Roller Bolts........................................................ 40-45 ft-lbs. (54-61 N-M)
Engine Mounting Bolts ....................................................... 30-35 ft-lbs. (41-47 N-M)
Wheel Lug Nuts .............................................................. 90-95 ft-lbs. (122-129 N-M)
Wheel Motor Mounting Bolts............................................. 72-77 ft-lbs. (98-104 N-M)
Wheel Hub Slotted Nut .............................................. minimum 125 ft-lbs. (169 N-M)
Rollover Protection System (Roll Bar) Mounting Bolts ....... 30-35 ft-lbs. (41-47 N-M)
3. ASSEMBLY INSTRUCTIONS
3.1 UNCRATE MOWER
3.2 INSTALL ROLLOVER PROTECTION SYSTEM (ROLL BAR)
3.2.1 Disassemble roll bar from the crate.
a) Remove roll bar tubes from sides of crate.
b) Remove the two brackets used to mount the bottom of the upper roll bar tube
to the crate. Remove the 1/2-13 x 3 1/4 capscrews and 1/2-13 hex flange
lock nuts from the two brackets at each end of the upper roll bar tube and
retain for later use.
3.2.2 Install the two lower roll bar tubes.
a) Locate the left and right lower roll bar tubes.
b) Align lower roll bar tubes along wheel motor channels as shown in Figure 2.

- 14 -
c) LOOSELY install the lower roll bar hardware (four 3/8-16 x 1 capscrews,
four spring disk washers and four 3/8-16 whizlock nuts) from the bolt bag to
the tubes on each side as shown in Figure 2.
NOTE: Be sure the spring disk washer cone is installed towards the head of
the capscrew.
FIGURE 2
LOWER ROLL BAR INSTALLATION
3.2.5 Install the upper u-shaped section of the roll bar. (Reference Figure 3 for
alignment and installation instructions below):
a) Locate the latch pin assemblies (pin and hairpin connected with a lanyard).
b) Install a 1/2-13 x 3 1/4 capscrew in the washer on the lanyard of each pin
assembly.
Note: Make sure the bent tab in the washer points toward the head of the
capscrew.
b) Lightly oil the inside surfaces of the ear-shaped plates at the upper end of the
lower roll bar tubes.
c) Locate the upper u-shaped section of the roll bar. Install the upper roll bar
section using one 1/2-13 x 3 1/4 capscrew (from step b) and one 1/2-13 hex
flange lock nut on each side. Do not over tighten. Make sure upper roll bar
can pivot freely.
Notes:
• Make sure the capscrew and nuts are installed with the nut to the inside of
the roll bar.
• Make sure the tab on the lanyard washer is installed as shown and points
toward the front of the unit.
d) Raise the roll bar into the upright position and secure with the latch pin
assemblies on each side. Install latch pin from outer surface of roll bar
assembly and secure with the hairpin to the inside.
e) Tighten the front knobs against the upper roll bar ends.
f) Torque all lower roll bar hardware attached to the machine frame to 30-35 ft-
lbs. (41-47 N-m).

- 15 -
FIGURE 3
UPPER ROLL BAR INSTALLATION
3.3 SERVICE BATTERY
The machine is shipped with a filled lead acid battery.
3.3.1 Unhook seat latch and tilt seat up to gain access to the battery.
DANGER
POTENTIAL HAZARD
♦ Charging the battery may produce explosive gasses
WHAT CAN HAPPEN
♦ Battery gasses can explode causing serious injury.
HOW TO AVOID THE HAZARD
♦ Keep sparks, flames, or cigarettes away from battery.
♦ Ventilate when charging or using battery in an
enclosed space.
♦ Make sure venting path of battery is always open once
battery is filled with acid.
3.3.2 Check the voltage of the battery with a digital voltmeter. Locate the voltage reading
of the battery in the table below and charge the battery for the recommended time
interval to bring the charge up to a full charge of 12.6 volts or greater.
IMPORTANT: Make sure the negative battery cables are disconnected and the
battery charger used for charging the battery has an output of 16 volts and 7
amps or less to avoid damaging the battery (see the following chart for
recommended charger settings).
Voltage
Reading Percent
Charge Maximum
Charger Settings Charging Interval
12.6 or greater 100% 16 volts/7 amps No Charging Required
12.4 – 12.6 75 – 100% 16 volts/7 amps 30 Minutes
12.2 – 12.4 50 – 75% 16 volts/7 amps 1 Hour
12.0 – 12.2 25 – 50% 14.4 volts/4 amps 2 Hours
11.7 – 12.0 0 – 25% 14.4 volts/4 amps 3 Hours
11.7 or less 0% 14.4 volts/2 amps 6 Hours or More
WARNING: Battery posts, terminals, and related accessories contain lead compounds, chemicals known
to the State of California to cause cancer and reproductive harm. Wash hands after handling.

- 16 -
CAUTION
POTENTIAL HAZARD
♦ If the ignition is in the “ON” position there is potential
for sparks and engagement of components.
WHAT CAN HAPPEN
♦ Sparks could cause an explosion or moving parts
could accidentally engage causing personal injury.
HOW TO AVOID THE HAZARD
♦ Be sure ignition switch is in the “OFF” position before
charging the battery.
3.3.3 Connect the negative battery cables.
NOTE: If the positive cable is also disconnected, connect the positive (red)
cable and the red wire to the positive terminal on the battery first, then connect
the negative (black) cable and white/white wire to the negative terminal on the
battery (red wire and white/white wire are only on some units). Slip insulator
boot over the positive terminal.
NOTE: If time does not permit charging the battery, or if charging equipment is
not available, connect the negative battery cables and run the vehicle
continuously for 20 to 30 minutes to sufficiently charge the battery.
3.4 INSTALL SEAT
a) Remove seat assembly from the crate.
b) Remove the four 5/16-18 whizlock nuts from the seat track studs at the bottom of
the seat. Retain for use later.
c) Align the seat track studs on the bottom of the seat with the holes in the seat
frame. Place seat on top of the frame and secure with the four 5/16-18 whizlock
nuts remove in step b).
d) Connect the wire harness located under the seat on the left side of the mainframe
to the seat switch underneath the seat.
3.5 INSTALL MOTION CONTROL LEVERS.
3.5.1 Loosen and remove the two (2) 3/8” x 1” bolts and spring disc washers which
attach the motion control levers to the control arm shafts for shipping and the
two (2) 3/8” x 1” bolts and spring disc washers which are screwed into the control
arm shafts.
a) Install the left motion control lever onto the control arm shaft (See Figure 4) on
the left side of the console. Place the lever (with the mounting plate towards the
rear) on the outside of the control arm shaft and secure with the bolts and
washers. Position the lever so the bolts are in the center of the slots on the lever
mounting plate and tighten until snug. Repeat on opposite side of unit.
NOTE: There are two lever height options available. Place the levers in the top
two holes to increase height of the levers, or in the bottom two holes to decrease
the height of the levers.
If the levers do not align with each other, when in the neutral position, (See Figure
5) loosen the hardware and make the appropriate adjustment by sliding/tilting the
lever(s) forward or backward until properly aligned and tighten hardware.

- 17 -
FIGURE 4 FIGURE 5
CONTROL ARM SHAFT LEVER ALIGNMENT
b) If the ends of the levers hit against each other, while in the drive position
(levers rotated in as far as possible), make adjustments by moving the levers
outwards to the neutral lock position and carefully bend them outward. Move
them back to the drive position and check for clearance, repeat if necessary.
3.6 POSITION DISCHARGE CHUTE.
Loosen two (2) 5/16” nyloc nuts attaching discharge chute. Lower the discharge chute
into position. Retighten nyloc nuts until chute is snug but can pivot freely.
3.7 SERVICE ENGINE.
Engine is shipped with oil; check oil level and if necessary and fill to the appropriate
level with oil as specified in Engine Owner’s Manual.
3.8 SERVICE HYDRAULIC OIL
The machine is shipped with hydraulic oil in the reservoir. Run the machine for
approximately 15 minutes to allow any extra air to purge out of the hydraulic system.
Check hydraulic reservoir and if necessary fill the reservoir to the appropriate level with
Mobil 1 15W-50 synthetic motor oil. Replace hydraulic reservoir cap and tighten until
snug. DO NOT overtighten.
NOTE: The baffle has two levels. The upper level represents the “HOT” level and the
lower level represents the “COLD” level. The oil level varies with the temperature of the
oil. The “HOT” level shows the level of oil when it is a 225°F (107°C). The “COLD” level
shows the level of the oil when it is at 75°F (24°C). Fill to the appropriate level depending
upon the temperature of the oil. For example: If the oil is about 150°F (65°C), fill to
halfway between the “HOT” and “COLD” levels. If the oil is at room temperature (about
75°F (24°C)), fill only to the “COLD” level.
3.9 CHECK TIRE PRESSURE.
Check tire pressure in drive tires. Proper inflation pressure for the drive tires is 10 psi
(90 kPa). Adjust if necessary. Semi-Pneumatic Caster tires (without a valve stem) do
not need to be inflated.
NOTE: Perform the following steps if the unit is to be driven off of the crate.
a) Remove the crating strap from the rear of the unit.
b) Inflate the rear drive tires to approximately 25 psi to lift the frame of the unit off the
rear crating brackets.
c) Read Section 4 (Operation Instructions) before driving the unit off the crate bottom.
d) After removing the unit from the crate, re-set the air pressure in the drive tires to 10
psi.
LEVERS IN
ALIGNMENT
MOUNT PLATE TO
THE REAR & OUTSIDE
OF ARM SHAFT
MOTION
CONTROL
LEVER

- 18 -
4. OPERATION INSTRUCTIONS
4.1 CONTROLS
4.1.1 Familiarize yourself with all controls before operating the mower.
4.1.2 Motion Control Levers: Located on each side of the console. The left lever
controls the flow of hydraulic oil from the left hydrostatic pump to the left drive
wheel motor. The right lever controls the flow of hydraulic oil from the right
hydrostatic pump to the right drive wheel motor.
IMPORTANT: To begin movement (forward or backward) the operator must
be in the seat, the brake lever must be disengaged (pushed down) before
the motion control levers can be moved in or the engine will kill.
When levers are centered in the T-slot the drive system is in the neutral position.
With levers moved out in the T-slot the drive system is in the neutral lock position
(See Figure 6).
FIGURE 6
MOTION CONTROL POSITIONS
By moving both levers an equal amount forward or back from the neutral position
the machine can be caused to move forward or backward in a straight line.
Movement of the left lever forward will cause the left drive wheel to rotate in a
forward direction. Movement of the right lever forward will cause the right
drive wheel to rotate in a forward direction. To stop forward travel, pull the
levers back to the neutral position.
To turn left while moving forward, move the left lever back toward neutral to
slow the left drive wheel.
To turn right while moving forward, move the right lever back toward neutral to
slow the right drive wheel.
To make a zero turn to the left, pull the left lever back beyond neutral while
holding the right lever slightly ahead of neutral.
To make a zero turn to the right, pull the right lever back beyond neutral while
holding the left lever slightly ahead of neutral.
Pulling the levers back from the neutral position will cause the respective drive
wheels to rotate in a reverse direction (spring tension can be felt when moving
into reverse from neutral).
To turn to the left while backing, move the left lever forward toward neutral. To
turn to the right while backing, move the right lever forward toward neutral.

- 19 -
CAUTION
POTENTIAL HAZARD
♦ Machine can spin very rapidly by positioning one lever
too much ahead of the other.
WHAT CAN HAPPEN
♦ Operator may lose control of the machine, which may
cause damage to the machine or injury.
HOW TO AVOID THE HAZARD
♦ Use caution when making turns.
♦ Slow the machine down before making sharp turns.
4.1.3 Tracking Adjustment Knob: Located under the seat on the LH pump control link.
Rotating this knob allows fine tuning adjustments so that the machine tracks
straight with the drive levers in the full forward position.
Stop machine and wait for all moving parts to stop. Engage park brake. Unhook
seat latch and tilt seat forward to gain access to the tracking knob. Rotate the knob
clockwise (as viewed from the rear of the machine) to cause the machine to track
more to the right and counterclockwise to cause the machine to track more to the
left. Adjust in quarter-turn increments until the machine tracks straight. Check that
the machine does not creep when in neutral with the park brakes disengaged.
IMPORTANT: Do not rotate the knob too far, as this may cause the machine
to creep in neutral. Refer to section 5.2.13 for control linkage adjustment.
4.1.4 PTO Engagement Switch: Located on right fuel tank.
Switch must be pulled out to the “ROTATE” position to engage the blades.
Switch is pushed in to the “STOP” position to stop the blades.
4.1.5 Choke Control: Located on right fuel tank.
Choke is used to aid in starting a cold engine. Moving the choke lever forward
will put the choke in the “ON” position and moving the choke lever to the rear
will put the choke in the “OFF” position. DO NOT run a warm engine with choke
in the “ON” position.
4.1.6 Throttle Control: Located on right fuel tank.
Throttle is used to control engine speed. Moving throttle lever forward will increase
engine speed and moving throttle lever to the rear will decrease engine speed.
4.1.7 Brake Lever: Located on left side of unit, just to the front of the console. The
brake lever engages a parking brake on the drive wheels.
Pull the lever up and rearward to engage the brake.
Push the lever forward and down to disengage the brake.
The unit must be tied down and brake engaged when transporting.
4.1.8 Ignition Switch: Located on right fuel tank.
The ignition switch is used to start and stop the engine. The switch has three
positions “OFF”, “ON” and “START”. Insert key into switch and rotate clockwise
to the “ON” position. Rotate clockwise to the next position to engage the starter
(key must be held against spring pressure in this position).
Brake must be engaged, motion control levers out (neutral lock position)
and PTO switch “OFF” to start engine. (It is not necessary for the operator to
be in the seat to start the engine.)

- 20 -
4.1.9 Hour Meter: Located on the right fuel tank. The hour meter is connected to a
pressure switch installed in the engine block and it records the number of hours
that the engine has run. If the ignition switch is left on without engine running,
hour meter will not run.
NOTE: This switch is not a low oil sensor and will not alert the operator if the
engine oil is low.
4.1.10 Fuel Shut-Off Valve: Located directly below right side of console, next to cubby.
The fuel shut-off valve is used to shut off the fuel when the machine will not be
used for a few days, during transport to and from the job site, and when parked
inside a building. The valve has three positions, each position made in 1/4 turn
increments.
FUEL FLOW VALVE HANDLE POSITION
“OFF” DOWN
RIGHT TANK RIGHT
LEFT TANK LEFT
4.1.11 Fuel Gauge: Located on the left fuel tank.
The fuel gauge monitors the amount of fuel in the left tank only. Use the fuel
from the right fuel tank first. When the right fuel tank is empty switch to the left
fuel tank. Fuel gauge will monitor the remaining fuel.
4.1.12 Drive Wheel Release Valves: Located on the top right front corner of hydrostatic
pumps. Drive wheel release valves are used to release the hydrostatic drive
system to allow the machine to be pushed without the engine running. Unhook
seat latch and tilt seat up to gain access to pumps.
With a 5/8 wrench, turn both valves one turn counter-clockwise to release drive
system. Turn clockwise to reset system. DO NOT overtighten. DO NOT tow
machine.
4.2 PRE-START
4.2.1 Fill fuel tanks. For best results use only clean, fresh regular grade unleaded
gasoline with an octane rating of 87 or higher. Regular grade leaded gasoline
may also be used; however, combustion chamber and cylinder head will require
more frequent service. See Engine Owner's Manual.
DO NOT add oil to gasoline.
DO NOT overfill fuel tank. Never fill the fuel tank so that the fuel level rises
above a level that is 1/2” below the bottom of the filler neck to allow for fuel
expansion and prevent fuel spillage.
4.2.2 Make sure you understand the controls, their locations, their functions, and their
safety requirements.
4.2.3 Refer to Maintenance, Section 5, and perform all the necessary inspection and
maintenance steps.
4.3 OPERATING INSTRUCTIONS
4.3.1 Operate units with the roll bar in the raised and locked position and use seat belt.
There is no rollover protection when the roll bar is down. If it is necessary to lower
roll bar do not wear the seat belt. Raise the roll bar as soon as clearance permits.
4.3.2 Open fuel shut-off valve (left or right tank).
4.3.3 Starting Engine:
Brake must be engaged, motion control levers out (neutral lock position)
and PTO switch “OFF” to start engine. (It is not necessary for the operator to
be in the seat to start the engine.)

- 21 -
On a cold engine, place the throttle midway between the “SLOW” and “FAST”
positions and push choke lever forward into the “ON” position. Turn ignition
switch to the “start” position. Release the switch as soon as the engine starts.
IMPORTANT: DO NOT crank the engine continuously for more then ten (10)
seconds at a time. If the engine does not start, allow a 60 second cool-
down period between starting attempts. Failure to follow these guidelines
can burn out the starter motor.
After starting a cold engine, gradually return choke to the “OFF” position as the
engine warms up.
On a warm engine, place the throttle midway between the “SLOW” and “FAST”
positions and leave the choke in the “OFF” position.
4.3.4 Engaging PTO:
DANGER
POTENTIAL HAZARD
♦ The rotating blades under the mower deck are
dangerous.
WHAT CAN HAPPEN
♦ Blade contact can cause serious injury or kill you.
HOW TO AVOID THE HAZARD
♦ DO NOT put hands or feet under the mower or mower
deck when the blades are engaged.
DANGER
POTENTIAL HAZARD
♦ An uncovered discharge opening will allow objects to
be thrown in an operator’s or bystander’s direction.
Also, contact with the blade could occur.
WHAT CAN HAPPEN
♦ Thrown objects or blade contact can cause serious
injury or death.
HOW TO AVOID THE HAZARD
♦ Never operate the mower with the discharge deflector
raised, removed, or altered unless there is a grass
collection system or mulch kit in place and working
properly.
The PTO push-pull switch engages the cutting blades. Be sure that all persons
are clear of the mower deck and discharge area before engaging PTO.
IMPORTANT: Operator must be in seat before the PTO can be engaged.
Set throttle to "midway" position. Pull outward on the switch to the “ROTATE”
position. Accelerate to full throttle to begin mowing.
4.3.5 Stopping PTO: Set throttle to the “midway” position. Push in on the switch to the
“STOP” position stopping the PTO.
4.3.6 Stopping Engine: Bring unit to a full stop. Disengage the PTO, move motion
control levers out to the neutral lock position and set parking brake.
Before stopping the engine, place the throttle control midway between the “slow”
and “fast” positions. Allow the engine to run a minimum of 15 seconds; then stop
the engine.

- 22 -
Rotate ignition switch to “OFF” position. Remove the key to prevent children or
other unauthorized persons from starting engine.
Close fuel shut-off valve when machine will not be used for a few days, when
transporting, and when the unit is parked inside a building.
4.4 TRANSPORTING
4.4.1 Transporting a Unit: Use a heavy-duty trailer or truck to transport the machine. Lock
brake and block wheels. Securely fasten the machine to the trailer or truck with
straps, chains, cable, or ropes. Be sure that the trailer or truck has all necessary
lighting and marking as required by law. Secure a trailer with a safety chain.
CAUTION
POTENTIAL HAZARD
♦ This unit does not have proper turn signals, lights,
reflective markings, or a slow moving vehicle emblem.
These items are required to drive on a public street or
roadway.
WHAT CAN HAPPEN
♦ Driving on a street or roadway without such equipment
is dangerous and can lead to accidents causing
personal injury.
♦ Driving on a street or roadway without such equipment
may also be a violation of State laws and the operator
may be subject to traffic tickets and/or fines.
HOW TO AVOID THE HAZARD
♦ Do not drive a unit on a public street or roadway.
WARNING
POTENTIAL HAZARD
♦ Loading a unit on a trailer or truck increases the
possibility of backward tip-over.
WHAT CAN HAPPEN
♦ Backward tip-over of the unit could cause serious
injury or death.
HOW TO AVOID THE HAZARD
♦ Use extreme caution when operating a unit on a ramp.
♦ Use only a single, full width ramp; DO NOT use
individual ramps for each side of the unit.
♦ If individual ramps must be used, use enough ramps to
create an unbroken ramp surface wider than the unit.
♦ DO NOT exceed a 15° angle between ramp and
ground or between ramp and trailer or truck.
♦ Avoid sudden acceleration while driving unit up a ramp
to avoid tipping backward.
♦ Avoid sudden deceleration while backing unit down a
ramp to avoid tipping backward.
4.4.2 Loading a Unit: Use extreme caution when loading units on trailers or trucks.
One full width ramp that is wide enough to extend beyond the rear tires is
recommended instead of individual ramps for each side of the unit. The lower
rear section of the tractor frame extends back between the rear wheels and
serves as a stop for tipping backward. Having a full width ramp provides a
surface for the frame members to contact if the unit starts to tip backward. If it is

- 23 -
not possible to use one full width ramp, use enough individual ramps to simulate
a full width continuous ramp.
Ramp should be long enough so that the angles between the ramp and the
ground and the ramp and the trailer or truck do not exceed 15°. A steeper angle
may cause mower deck components to get caught as the unit moves from ramp
to trailer or truck. Steeper angles may also cause the unit to tip backward. If
loading on or near a slope, position the trailer or truck so it is on the down side of
the slope and the ramp extends up the slope. This will minimize the ramp angle.
The trailer or truck should be as level as possible.
DO NOT attempt to turn the unit while on the ramp, you may lose control and
drive off the side.
Avoid sudden acceleration when driving up a ramp and sudden deceleration when
backing down a ramp. Both maneuvers can cause the unit to tip backward.
5. MAINTENANCE & ADJUSTMENTS
WARNING
POTENTIAL HAZARD
♦ While maintenance or adjustments are being made,
someone could start the engine.
WHAT CAN HAPPEN
♦ Accidental starting of the engine could seriously injure
you or other bystanders.
HOW TO AVOID THE HAZARD
♦ Remove the key from the ignition switch and pull the
wire(s) off the spark plug(s) before you do any
maintenance. Also push the wire(s) aside so it does
not accidentally contact the spark plug(s).
WARNING
POTENTIAL HAZARD
♦ The engine can become very hot.
WHAT CAN HAPPEN
♦ Touching a hot engine can cause severe burns.
HOW TO AVOID THE HAZARD
♦ Allow the engine to cool completely before service or
making repairs around the engine area.
5.1 PERIODIC MAINTENANCE
5.1.1 Check engine oil level:
Service Interval: Daily
a) Stop engine and wait for all moving parts to stop. Make sure unit is on a
level surface.
b) Check with engine cold.
c) Clean area around dipstick. Remove dipstick and wipe oil off. Reinsert the
dipstick and push it all the way down into the tube. Remove the dipstick
and read the oil level.
d) If the oil level is low, wipe off the area around the oil fill cap, remove cap
and fill to the “FULL” mark on the dipstick. Use oil as specified in Engine
Owner’s Manual. DO NOT overfill.
IMPORTANT: DO NOT operate the engine with the oil level below the
“LOW” (or “ADD”) mark on the dipstick, or over the “FULL” mark.

- 24 -
5.1.2 Check battery charge:
Service Interval: Monthly
Allowing batteries to stand for an extended period of time without recharging
them will result in reduced performance and service life. To preserve optimum
battery performance and life, recharge batteries in storage when the open
circuit voltage drops to 12.4 volts.
Note: To prevent damage due to freezing, battery should be fully charged
before putting away for winter storage.
a) Check the voltage of the battery with a digital voltmeter. Locate the voltage
reading of the battery in the table below and charge the battery for the
recommended time interval to bring the charge up to a full charge of 12.6
volts or greater.
IMPORTANT: Make sure the negative battery cables are disconnected
and the battery charger used for charging the battery has an output of 16
volts and 7 amps or less to avoid damaging the battery (see chart below for
recommended charger settings).
Voltage
Reading Percent
Charge Maximum
Charger Settings Charging Interval
12.6 or greater 100% 16 volts/7 amps No Charging Required
12.4 – 12.6 75 – 100% 16 volts/7 amps 30 Minutes
12.2 – 12.4 50 – 75% 16 volts/7 amps 1 Hour
12.0 – 12.2 25 – 50% 14.4 volts/4 amps 2 Hours
11.7 – 12.0 0 – 25% 14.4 volts/4 amps 3 Hours
11.7 or less 0% 14.4 volts/2 amps 6 Hours or More
5.1.3 Clean engine cooling system:
Service Interval: Daily or more often in dry conditions
CAUTION
POTENTIAL HAZARD
♦ Excessive debris and damaged or missing rubber
baffles can cause the engine and hydraulic system to
overheat.
WHAT CAN HAPPEN
♦ Excessive debris around the engine cooling air intake
can create a fire hazard.
HOW TO AVOID THE HAZARD
♦ Clean all debris from the engine cooling air intake
screen and behind the carburetor daily.
a) Stop engine, wait for all moving parts to stop, and remove key.
b) Clean all debris from rotating engine air intake screen and from around
engine shrouding.
c) Inspect rubber engine baffles for proper fit. Replace if necessary.
5.1.4 Clean grass build-up under deck.
Service Interval: Daily
a) Stop engine, wait for all moving parts to stop, and remove key.
b) Raise deck to the transport (5” (12.7 cm) cutting height) position. Lift the
front of unit and support unit using jack stands or equivalent support.

- 25 -
CAUTION
POTENTIAL HAZARD
♦ Raising the mower deck for service or maintenance relying
solely on mechanical or hydraulic jacks could be
dangerous.
WHAT CAN HAPPEN
♦ The mechanical or hydraulic jacks may not be enough
support or may malfunction allowing the unit to fall, which
could cause injury.
HOW TO AVOID THE HAZARD
♦ DO NOT rely solely on mechanical or hydraulic jacks for
support. Use adequate jack stands or equivalent support.
c) Clean out any grass build-up from underside of deck and in discharge chute.
5.1.5 Check mower blades.
Service Interval: Daily
a) Stop engine, wait for all moving parts to stop, and remove key.
b) Lift deck and secure in raised position as stated in Section 5.1.4.
c) Inspect blades and sharpen or replace as required.
d) Re-install the blades (if they were removed) by placing a block of wood
between the front or rear baffles and the blade then torque the blade bolts
to 115-120 ft-lbs. (156-163 N-m). Be sure the spring disk washer cone is
installed toward the bolt head (See Figure 7).
CAUTION
POTENTIAL HAZARD
♦ Operating a mower deck with loose or weakened blade
bolts can be dangerous.
WHAT CAN HAPPEN
♦ A loose or weakened blade bolt could allow a blade
rotating at a high speed to come out from under the deck,
causing serious injury or property damage.
HOW TO AVOID THE HAZARD
♦ Replace the blade bolt after striking a foreign object.
Use only the following replacement parts:
Blade bolt – PN 103-0862
Spring disc washer – PN 103-0865
♦ DO NOT lubricate the threads of the bolt or spindle before
assembly.
♦ Torque the blade bolt to 115-120 ft. lbs. (156-163 N-m)

- 26 -
FIGURE 7
BLADE BOLT INSTALLATION
5.1.6 Check safety interlock system.
Service Interval: Daily
a) Check starting circuit. Starter should crank with, parking brake engaged,
PTO disengaged and motion control levers moved out in the neutral lock
position. The operator does not need to be in the seat to start the engine.
Try to start with operator in seat, parking brake disengaged, PTO
disengaged and motion control levers in the neutral lock position - starter
must not crank.
Try to start with operator in seat, parking brake engaged, PTO engaged and
motion control levers in the neutral lock position - starter must not crank.
Try to start with operator in seat, parking brake engaged, PTO
disengaged, and the left motion control lever in, starter must not
crank, repeat again with the right lever in, then with both levers in -
starter must not crank.
b) Check the kill circuits. Run engine at one-third throttle, disengage parking
brake and raise off of seat (but do not get off of machine) engine must
stop after approx. 1/2 second has elapsed (seat has time delay kill switch
to prevent cut-outs on rough terrain).
Run engine at one-third throttle, engage PTO and raise off of seat (but do
not get off of machine) engine must stop after 1/2 second has elapsed.
Run engine at one-third throttle, with brake disengaged, move levers in and
raise off seat (but do not get off of machine) engine must stop after 1/2
second has elapsed.
Again, run engine at one-third throttle, brake engaged, and move left
motion control lever in - engine must stop.
Repeat again moving the right lever in, then moving both levers in -
engine must stop whether operator is on seat or not.
NOTE: If machine does not pass any of these tests, do not operate.
Contact your authorized EXMARK SERVICE DEALER.
IMPORTANT: It is essential that operator safety mechanisms be connected
and in proper operating condition prior to use for mowing.
TORQUE TO
115-120 ft-lbs.
(156-163 N-m)

- 27 -
5.1.7 Check rollover protections systems (roll bar) pins
Service Interval: Daily
a) Make sure latch pin and hair pin are fully installed and lanyard is in good
condition.
5.1.8 Check for loose hardware.
Service Interval: Daily
a) Stop engine, wait for all moving parts to stop, and remove key.
b) Visually inspect machine for any loose hardware or any other possible
problem. Tighten hardware or correct the problem before operating.
5.1.9 Service air cleaner.
First Service Interval: 50 hrs.
Normal Service Interval: 100 hrs.
Replacement Interval: 600 hrs.
(More often under severe conditions.)
See Engine manual for additional information.
a) Stop engine, wait for all moving parts to stop, and remove key.
b) Unhook seat latch and tilt seat up to gain access to the air cleaner.
c) Loosen retaining clips and remove air cleaner compartment cover.
d) Remove paper element. Check the condition of the paper element.
Replace if dirty, bent or damaged.
e) Check the condition of the inner element. Replace whenever it appears
dirty, typically every other time the paper element is replaced. Clean the
base around the inner element before removing, so dirt does not get into
the engine.
f) DO NOT wash or use pressurized air to clean paper element or inner element.
g) Reinstall elements. Position the cover so that the rubber dust ejector is
pointing downward and secure with retaining clips.
5.1.10 Change engine oil and oil filter:
First Service Interval: 50 hrs.
Normal Service Interval: 100 hrs.
(yearly if operated less than 100 hrs.)
(more often under heavy load or high temperatures)
a) Stop engine, wait for all moving parts to stop, and remove key.
b) Drain oil while engine is warm from operation.
c) The oil drain valve is located on right hand side of engine.
Place pan under machine to catch oil and open valve with a 10 mm wrench.
Allow oil to drain, then close valve.
d) Clean around oil filter and unscrew filter to remove. Before reinstalling new
filter, apply a thin coating of oil on the surface of the rubber seal. Turn filter
clockwise until rubber seal contacts the filter adapter then tighten filter an
additional 1/2 to 3/4 turn.
e) Clean around oil fill cap and remove cap. Fill to the specified capacity and
replace cap. Use oil recommended in engine owner’s manual. DO NOT
overfill.
f) Replace oil fill cap. Start the engine and check for leaks.

- 28 -
5.1.11 Check hydraulic oil level:
Service Interval: 40 hr.
a) Stop engine and wait for all moving parts to stop.
b) Clean area around hydraulic reservoir cap and remove cap. Oil level
should be to the top of the baffle inside the tank. If not, add oil. Use only
Mobil 1 15W-50 synthetic motor oil. Replace hydraulic reservoir cap and
tighten until snug. Do not overtighten.
NOTE: The baffle has two levels. The upper level represents the “HOT”
level and the lower level represents the “COLD” level. The oil level varies
with the temperature of the oil. The “HOT” level shows the level of oil when
it is at 225°F (107°C). The “COLD” level shows the level of the oil when it is
at 75°F (24°C). Fill to the appropriate level depending upon the
temperature of the oil. For example: If the oil is about 150°F (65°C), fill to
halfway between the “HOT” and “COLD” levels. If the oil is at room
temperature (about 75°F (24°C)), fill only to the “COLD” level.
5.1.12 Check tire pressures:
Service Interval: 40 hrs.
a) Stop engine, wait for all moving parts to stop, and remove key.
b) Check tire pressure in drive tires.
c) Inflate drive tires to 10 psi (90 kPa).
d) Semi-Pneumatic Caster tires (without a valve stem) do not need to be
inflated.
NOTE: Do not add any type of tire liner or foam fill material to the tires.
Excessive loads created by foam filled tires may cause failures to the hydro drive
system, frame, and other components. Foam filling tires will void the warranty.
5.1.13 Check condition of belts:
Service Interval: 40 hrs.
a) Stop engine, wait for all moving parts to stop, and remove key.
b) Unhook seat latch and tilt seat up. Lift the rubber flap on front side of the
engine to check pump drive belt.
c) Remove left and right belt shields on deck and lift up floor pan to inspect
deck drive belt.
d) Check under machine to inspect the mule drive belt.
e) See Sections 5.2.3, through 5.2.5 for belt adjustment.
5.1.14 Lubricate grease fittings:
Service Interval: Refer to chart.
a) Stop engine, wait for all moving parts to stop, and remove key.
b) Lubricate fittings with one to two pumps of NGLI grade #2 multi-purpose
gun grease.
Refer to the following chart for fitting locations and lubrication schedule.

- 29 -
LUBRICATION CHART
FITTING
LOCATIONS INITIAL
PUMPS NO. of
PLACES SERVICE
INTERVAL
1. Front Caster wheel hubs ∗0 2 ∗yearly
2. Front Caster Pivots ∗0 2 ∗yearly
3. Height Adj. Shaft Bearings 1 5 40 hours
4. Deck Drive Belt Idler Arm 1 1 Yearly
5. Brake Brackets 1 2 200 hours
6. Mule Drive Belt Idler Arm 1 1 Yearly
7. Pump Drive Belt Idler Arm 1 1 Yearly
8. Deck Rear Struts 1 2 40 hours
∗ See Section 5.1.14 c) for special lubrication instructions on the front caster pivots and
Section 5.1.15 for special lubrication instructions on the front casters wheel hubs.
c) Lubricate front caster pivots once a year. Remove hex plug and cap. Thread
grease zerk in hole and pump with grease until it oozes out around top bearing.
Remove grease zerk and thread plug back in. Place cap back on.
5.1.15 Lubricate caster wheel hubs:
Service Interval: Once Yearly
a) Stop engine, wait for all moving parts to
stop, and remove key.
b) Remove caster wheel from caster forks.
c) Remove seal guards from the wheel hub.
d) Remove one of the spacer nuts from the
axle assembly in the caster wheel. Note
that thread locking adhesive has been
applied to lock the spacer nuts to the
axle. Remove the axle (with the other
spacer nut still assembled to it) from the
wheel assembly.
e) Pry out seals, and inspect bearings for
wear or damage and replace if necessary.
f) Pack the bearings with a NGLI grade #1 multi-purpose grease.
g) Insert (1) bearing, (1) new seal into the wheel.
NOTE: Seals (Exmark PN 103-0063) must be replaced.
No. 6 (Mule Drive Belt Idler Arm)
Located Under Engine Frame
No. 7 (Pump Drive Belt Idler Arm)
Located Under Engine Frame
FIGURE 8
CASTER WHEEL ASSEMBLY

- 30 -
h) If the axle assembly has had both spacer nuts removed (or broken loose),
apply a thread locking adhesive to (1) spacer nut and thread onto the axle
with the wrench flats facing outward. Do not thread spacer nut all of the way
onto the end of the axle. Leave approximately 1/8” (3 mm) from the outer
surface of the spacer nut to the end of the axle inside the nut.
i) Insert the assembled nut and axle into the wheel on the side of the wheel
with the new seal and bearing.
h) With the open end of the wheel facing up, fill the area inside the wheel
around the axle full of NGLI grade #1 multi-purpose grease.
i) Insert the second bearing and new seal into the wheel.
j) Apply a thread locking adhesive to the 2nd spacer nut and thread onto the axle
with the wrench flats facing outward.
k) Torque the nut to 75-80 in-lbs. (8-9 N-m), loosen, then re-torque to 20-25
in-lbs. (2-3 N-m). Make sure axle does not extend beyond either nut.
l) Re-install the seal guards over the wheel hub and insert wheel into caster
fork. Re-install caster bolt and tighten nut fully.
IMPORTANT: To prevent seal and bearing damage, check the bearing
adjustment often. Spin the caster tire. The tire should not spin freely (more
than 1 or 2 revolutions) or have any side play. If the wheel spins freely,
adjust torque on spacer nut until there is a slight amount of drag. Re-apply
threadlocking adhesive.
5.1.16 Lubricate brake handle pivot:
Service Interval: 160 hrs.
a) Stop engine, wait for all moving parts to stop, and remove key.
b) Lubricate bronze bushings on brake handle pivot with a spray type lubricant
or light oil.
5.1.17 Lubricate brake rod bushings:
Service Interval: 160 hrs.
a) Stop engine, wait for all moving parts to stop, and remove key.
b) Unhook seat latch and tilt seat up.
c) Lubricate bronze bushings on each end of brake rod shaft with a spray type
lubricant or a light oil (bushings are located to the inside of the flange bearings).
5.1.18 Lubricate motion control bronze bushings:
Service Interval: 160 hrs.
a) Stop engine, wait for all moving parts to stop, and remove key.
b) Unhook seat latch and tilt seat up.
c) Lubricate bronze bushings on flange bearings securing the motion control
arm shafts with a light oil or a spray type lubricant.
5.1.19 Remove accumulated debris from engine:
Service Interval: Daily
Engine parts should be kept clean to reduce the risk of overheating and ignition
of accumulated debris.
a) Stop engine, wait for all moving parts to stop, and remove key.
b) Remove front carburetor cover from engine and clean around the intake
manifold and carburetor.
c) Reinstall the carburetor cover

- 31 -
5.1.20 Check spark plugs:
Service Interval: 160 hrs.
a) Remove spark plugs, check condition and reset gaps, or replace with new
plugs. See Engine Owners Manual.
5.1.21 Change fuel filter:
Service Interval: As Required
a) A fuel filter is installed between the fuel tanks and the engine. Replace
when necessary.
Replacement Filters
Briggs and Strattton Briggs P/N 695327
5.1.22 Change hydraulic system filter:
Service Interval: After First 250 hrs.
Then yearly thereafter
NOTE: Use only Exmark Part No. 103-2146.
a) Stop engine, wait for all moving parts to stop, and remove key.
b) Raise seat.
c) Carefully clean area around filter. It is important that no dirt or
contamination enter hydraulic system.
d) Unscrew filter to remove and allow oil to drain from reservoir.
IMPORTANT: Before reinstalling new filter, fill it with Mobil 1 15W-50 and
apply a thin coat of oil on the surface of the rubber seal.
Turn filter clockwise until rubber seal contacts the filter adapter, then tighten
the filter an additional 2/3 to 3/4 turn.
e) Fill reservoir as stated in Section 5.1.11
f) Raise the rear of machine up and support with jack stands (or equivalent
support) just high enough to allow drive wheels to turn freely.
g) Start engine and move throttle control ahead to full throttle position. Move
the speed control levers to the full speed and run for several minutes. Shut
down machine and recheck oil level.
Do not change hydraulic system oil (except for what can be drained when
changing filter), unless it is felt the oil has been contaminated or been
extremely hot.
Changing oil unnecessarily could damage hydraulic system by
introducing contaminates into the system.
5.1.23 Wheel hub - slotted nut torque specification.
Service Interval: 500 hrs
When tightening the slotted nut on the wheel motor tapered shaft:
a) Torque the slotted nut to 125 ft. lbs (169 N-M).
b) Check distance from bottom of slot in nut to inside edge of hole. Two
threads (0.1”) or less should be showing.
c) If more than two threads (0.1”) are showing remove nut and install washer
(PN 1-523157) between hub and nut.
d) Torque the slotted nut to 125 ft. lbs (169 N-M).
e) Then tighten nut until the next set of slots line up with the cross hole in shaft.
f) Replace cotter pin.
NOTE: Do not use antisieze on wheel hub.

- 32 -
5.1.24 Fuel Tank – mounting hardware specification.
When installing the nuts on the fuel tank studs, fully tighten the nyloc nut and
back off 1/2 turn. This allows for normal fuel tank expansion and contraction with
changes in temperature and fuel levels.
5.1.25 Thread locking adhesives such as “Loctite 242” or “Fel-Pro, Pro-Lock Nut Type”
are used on the following fasteners:
a) Pump drive sheave set screws.
b) Square head setscrews on Hydro pump control arms.
c) Sheave retaining bolt in the end of engine crankshaft.
d) Caster wheel spacer nuts
e) Fuel tank bulkhead fitting nuts.
Adhesives such as “Loctite RC/609 or RC/680” or “Fel-Pro Pro-Lock Retaining I
or Retaining II” are used on the following:
a) Fuel tank studs, where studs are inserted into tank.
5.1.26 Mobil HTS grease (or food-grade antisieze) is used in the following locations:
a) Between the cutter housing spindle and bearings.
b) Between the cutter housing spindle and sheave.
c) Under top cutter housing bearing guard.
d) Between jackshaft and bearings and jackshaft and sheaves.
5.1.27 Dielectric grease is used on all blade type electrical connections to prevent
corrosion and loss of contact.
5.2 ADJUSTMENTS
IMPORTANT: Disengage PTO, shut off engine, wait for all moving parts to stop, and
remove key before servicing, cleaning, or making any adjustments to the unit.
5.2.1 Cutting Height Adjustment.
a) Stop machine and move drive levers out to neutral lock position.
b) Disengage PTO.
c) Raise the deck lever to the transport position (also the 5” (12.7 cm) cutting
height position). See Figure 9.
The deck can be raised by pulling the deck lever up and/or by pushing on
the deck lift assist lever.
NOTE: When changing cutting height positions, always come to a
complete stop and disengage the PTO.
FIGURE 9
CUTTING HEIGHT POSITION
d) Insert height adjustment pin into hole corresponding to desired cutting
height and install hairpin cotter. See decal on the side of deck lift plate.

- 33 -
e) Move lever out of transport (or 5” (12.7 cm) cutting height) position and
down onto height adjustment pin to mow at selected height.
f) To transport, move lever back up to transport (or 5” (12.7 cm) cutting
height) position.
Note: The foot operated deck lift assist lever can be used to momentarily
lift the deck to clear objects. Be sure that PTO is disengaged.
g) Adjust anti-scalp rollers for Normal Operating Conditions. Stop engine, wait
for all moving parts to stop, and remove key. Place rollers in one of the
positions shown in Figure 10. Rollers will maintain 3/4 in. (19 mm)
clearance to the ground to minimize gouging and roller wear or damage.
For Maximum Deck Flotation, place rollers one hole position lower.
Rollers should maintain 1/4 in. (6.4 mm) minimum clearance to ground.
Do Not adjust rollers to support the deck. Be sure bolt is tightened
properly or loss of anti-scalp roller may result.
FIGURE 10
ANTI-SCALP ROLLER ADJUSTMENT
5.2.2 Deck Leveling
a) Position mower on a flat surface.
b) Stop engine, wait for all moving parts to stop, and remove key.
c) Check tire pressure in drive tires. Proper inflation pressure for tires is 10 psi
(90 kPa). Adjust if necessary.
d) Set anti-scalp rollers to top holes or remove them completely for this
adjustment.
e) Raise the deck to the 5” (12.7 cm) height position (also transport position)
and take all force off of the two large deck lift springs by loosening the nuts
at the front of each spring. See Figure 11.
f) For 60” units - Lower the deck to the 1-1/2” (3.81 cm) height position.
For 72” units – Lower the deck to the 1-1/2” (3.81 cm) height position. Force
the left rear deck support arm downward about 1/4” (6.4 mm) to get the deck
to rest at the 1-1/2” height position. Place locking pliers between the rear
swivel and spring stop to hold the deck in this position. See Figure 11.
g) Place a 3/4” (19 mm) thick block of wood under each of the two (2) rear
anti- scalp roller brackets and place one under one of the front center
anti-scalp roller brackets.
h) Loosen the two (2) top chain bolts in slots in the rear deck lift arms. Loosen
jam nuts and back off the socket head adjusting screws on the bottom of the
arms until the chains are just loose. Turn the socket head adjusting screws in
until slack is taken out of each chain. Tighten the jam nuts. Tighten the chain
bolts in the deck lift arms making sure they don’t move while tightening.
i) Loosen the four (4) nuts which secure the front swivels (two per side) until
the front chains are loose and front of deck is supported by the 3/4” (19 mm)
block. Do not loosen the front chain hardware.
FOR CUTTING HEIGHTS ABOVE
3.5” (38 mm) USE THE BOTTOM
HOLE THE ROLLERS WILL STILL
BE EFFECTIVE AGAINST
SCALPING
TORQUE TO 40-45 ft. lbs. (54-61 N-M)

- 34 -
j) On left side, adjust front swivel using the locking nut behind the swivel until
the front chain is tight and all slack is removed from linkage. Do not lift front
of deck off 3/4” (19 mm) block. Secure front swivel using locking nut in
front of swivel. Repeat for right side.
k) Recheck that the 3/4” (19 mm) blocks fit just snugly under the brackets and that
the tension on all the chains are approximately equal. Make sure all chain
attachment bolts are tight. Reposition anti-scalp rollers and tighten securely.
FIGURE 11
SWIVEL ADJUSTMENT
SPRING COMPRESSION ADJUSTMENT
l) Raise deck lift lever to the 5” (12.7 cm) cutting height position See Figure 9.
Adjust spring compression until proper distance is obtained between the two
large washers (See Figure 11). Adjustment is made by turning the nut at the
front of each spring (clockwise will shorten the spring, counter-clockwise will
lengthen the spring). Lock in position with jam nuts.
NOTE: When above adjustments have been made, the front of the
deck will be slightly lower than the rear of the deck.
5.2.3 Pump Drive Belt Tension.
Self-tensioning - No adjustment necessary.
5.2.4 Mule Drive Belt Tension Adjustment.
Self-tensioning idler, adjust as follows:
a) Stop engine, wait for all moving parts to stop, and remove key.
b) Check to make sure the center of the bolt head in the center of the spring
loaded pulley, on left side engine deck support, is positioned between the
centers of the two alignment holes in the left support plate (See Figure 12). It
is necessary to adjust the belt tension when the center of the bolt head is at
or below the center of the bottom alignment hole.
c) When adjustment is necessary, loosen the idler pulley on the right-hand
side so it can move up and down in the slot.
Place a wrench on the 3/8” nut in the center of the spring loaded pulley and
apply upward pressure to relieve tension on the spring (a 1/2” drive breaker
bar and 9/16 socket works best).
Reposition the adjusting pulley to the bottom of the slot.
NOTE: When installing a new belt, it is necessary to reposition the right
adjusting pulley upward in the slot in order to position the center of the
spring loaded pulley between the alignment holes.
Front of Unit
12 1/2” (26.7 cm) For 60” Deck
11 1/2” (29.2 cm) For 72” Deck

- 35 -
FIGURE 12
MULE DRIVE BELT ADJUSTMENT
5.2.5 Deck Belt Tension.
a) The deck belt is tensioned by a self-tensioning idler, no adjustment is
necessary.
5.2.6 Belt Guide Adjustment.
a) Stop engine, wait for all moving parts to stop, and remove key.
b) Remove the belt shield on the right side of mower deck.
c) Note belt guide bolted to deck near the shield support stud and right-hand
pulley. Guide should be 1/8” (3.2 mm) away from the belt, with bolt-end of
guide near end of slot (See Figure 13).
d) If adjustment is necessary, loosen the bolt securing the belt guide and
make proper adjustment. Tighten hardware.
FIGURE 13
BELT GUIDE POSITIONING
5.2.7 Brake Link Adjustment.
Check to make sure brake is adjusted properly.
a) Disengage brake lever (lever down).
b) Measure the length of the spring. Measurement should be 2 3/4” (7.0 cm)
between washers (see Figure 14).
c) If adjustment is necessary, adjust the nyloc nut at the bottom of the spring to
achieve 2 3/4” (7 cm).
d) Engage the brake lever (lever up).
e) The space between the brake spring bracket and the nyloc nut under the
spring should measure 1/4” to 5/16” (6.4 – 7.9 mm).
f) If adjustment is necessary, loosen jam nut above the trunion roller. Adjust
the nyloc nut under the trunion roller until 1/4” to 5/16” (6.4 – 7.9 mm) exists
between the spring retainer bracket and the adjacent nyloc nut. Tighten the
jam nut above the trunion roller.

- 36 -
g) If a 1/4” to 5/16” (6.4 – 7.9 mm) gap can no longer be achieved because there
is no clearance between nyloc nut below the spring and the jam nut above the
trunion or there are no threads left on the bottom nyloc nut, the length of the
brake rod can be adjusted. Remove a pin from a yoke at either end of the
brake rod and lengthen (or shorten) the brake rod until 1/4” to 5/16” (6.4 – 7.9
mm) gap can be achieved by following steps e) and f).
FIGURE 14
BRAKE ADJUSTMENT
5.2.8 Adjust Throttle Lever Tension.
a) Stop engine, wait for all moving parts to stop, and remove key.
b) Tension in throttle lever can be adjusted by adjusting the tightness of the
lever pivot bolt, which is located under the console (See Figure 15).
FIGURE 15
THROTTLE TENSION
5.2.11 Electric Clutch Adjustment:
No adjustment necessary.
5.2.12 Reverse Indicator Adjustment:
a) Stop engine, wait for all moving parts to stop, and remove key.
b) Unhook seat latch and tilt seat forward.
c) Begin with either the left or right motion control lever. Move lever to the
neutral position and pull lever back until the clevis pin (on arm below pivot
shaft) contacts the end of the slot (just beginning to put pressure on spring),
See Figure 16.
d) Check where lever is relative to notch in console (should be centered
allowing lever to pivot outward to the neutral lock position).
1/4” (6.4 mm) to
5/16”
(
7.9 mm
)

- 37 -
e) If adjustment is needed, loosen the nut against the yoke and while applying
slight rearward pressure on the motion control lever, turn the head of the
adjustment bolt in the appropriate direction until lever is centered (keeping
rearward pressure on the lever will keep the pin at the end of the slot and
allow the adjustment bolt to move the lever to the appropriate position).
Tighten lock nut.
f) Repeat on opposite side of unit.
FIGURE 16
REVERSE INDICATOR ADJUSTMENT
5.2.13 Motion control linkage adjustment.
WARNING
POTENTIAL HAZARD
♦ Engine must be running and drive wheels must be
turning so motion control adjustment can be performed.
WHAT CAN HAPPEN
♦ Contact with moving parts or hot surfaces may cause
personal injury.
HOW TO AVOID THE HAZARD
♦ Keep fingers, hands, and clothing clear of rotating
components and hot surfaces.
CAUTION
POTENTIAL HAZARD
♦ Raising the mower deck for service or maintenance
relying solely on mechanical or hydraulic jacks could be
dangerous.
WHAT CAN HAPPEN
♦ The mechanical or hydraulic jacks may not be enough
support or may malfunction allowing the unit to fall,
which could cause injury.
HOW TO AVOID THE HAZARD
♦ DO NOT rely solely on mechanical or hydraulic jacks for
support. Use adequate jack stands or equivalent
support.
a) This adjustment must be made with the drive wheels turning. First raise the
frame and block up so that drive wheels can rotate freely.
b) Remove the electrical connection from the seat safety switch, located directly
to the left of the seat switch assembly beside the hydraulic oil reservoir.
Temporarily install a jumper wire across the terminals in the connector of the
wiring harness.

- 38 -
c) Run the unit at least 5 minutes with the drive levers at full forward speed to
bring hydraulic system oil up to operating temperature.
d) Unhook seat latch and tilt seat forward.
e) Loosen lock nuts from the ball joints at each end of the RH pump control
linkage. (See Figure 17).
NOTE: The nut to the front of the unit on the RH rod has left-hand threads.
FIGURE 17
MOTION CONTROL ADJUSTMENT
f) Start engine. Brake must be engaged and motion control levers out to
start engine. Operator does not have to be in the seat. Run engine at
full throttle and release brake.
g) The reverse indicator spring must be correct before the following
adjustments can be made. See Section 5.2.12.
NOTE: The motion control lever needs to be in neutral while making
any necessary adjustments.
The left rod assembly controls the left wheel and the right rod assembly
controls the right wheel.
h) Bring the RH motion control lever into the neutral position. Adjust RH pump
control rod length by rotating the double nuts on the rod in the appropriate
direction until the wheels slightly creep in reverse. (See Figure 17) Move
the motion control lever to the reverse position and while applying slight
pressure to the lever allow the reverse indicator spring to bring the levers
back to neutral. The wheel must stop turning or slightly creep in reverse.
i) When adjustment is complete, re-tighten lock nuts onto ball joints at Rear of
the RH pump control linkage (See Figure 17).
j) Bring the LH motion control lever into the neutral position. Adjust the LH pump
control rod length by rotating the tracking adjustment knob in the appropriate
direction until the wheels slightly creep in reverse. Move the motion control
lever to the reverse position and while applying slight pressure to the lever
allow the reverse indicator spring to bring the levers back to neutral. The wheel
must stop turning or slightly creep in reverse (See Figure 17).
k) Shut off unit. Remove jumper wire from wire harness connector and plug
connector into seat switch.

- 39 -
5.2.14 Caster pivot bearings pre-load adjustment.
a) Remove dust cap from caster and tighten
nyloc nut until washers are flat and back off
1/4 of a turn to properly set the pre-load on
the bearings. If disassembled, make sure
the spring washers are reinstalled as
shown in Figure 18.
6. WASTE DISPOSAL
6.1 MOTOR OIL DISPOSAL
Engine oil and hydraulic oil are both pollutants to the environment. Dispose of used oil at
a certified recycling center or according to your state and local regulations.
6.2 MERCURY SWITCH DISPOSAL
CAUTION
POTENTIAL HAZARD
♦ The mercury contained in the tilt switch is poisonous.
WHAT CAN HAPPEN
♦ Exposure to mercury can cause severe illness.
HOW TO AVOID THE HAZARD
♦ Never attempt to open or repair the tilt switch
♦ Avoid contact with the mercury.
The tilt switch (PN 1-633782) on this unit contains mercury, a hazardous material. Mercury
that is outside a sealed container vaporizes at room temperature. The vapors are harmful.
Mercury can be absorbed through the skin. Do not attempt to open or repair this switch.
A very small amount of mercury is contained in a hermetically sealed body. The steel
switch is then potted in a hard epoxy in a plastic case. It is unlikely that the mercury will
ever escape from the enclosure. These high performance and reliable inexpensive
switches are recyclable. Mercury is an important and beneficial compound but requires
special care in handling and disposal. When used and managed properly, mercury is not
a threat to people or the environment. This information is presented to users so that they
are aware that these switches contain mercury and will apply sound disposal practices
when these devices reach their normal end of life or are damaged.
Several states have passed laws concerning the disposal of devices containing mercury.
In all the remaining states it is advisable to follow similar procedures. The laws state that
these sealed devices contain mercury and should not be placed in the garbage until the
mercury is removed and reused, recycled or otherwise managed to insure that it does not
become part of solid waste or waters. Management and disposal practices must be within
relevant federal, state, or local laws.
Return the switch to your Exmark dealer if it is faulty and is being replaced or if the unit
containing the switch is no longer operating and is being scrapped. If the switch is
damaged or broken open use extreme caution in handling. Call your local waste
management authority or Exmark Customer Service for instructions.
FIGURE 18
CASTER ADJUSTMENT

- 40 -
6.3 BATTERY DISPOSAL
DANGER
POTENTIAL HAZARD
♦ Battery electrolyte contains sulfuric acid, which is
poisonous and can cause severe burns
WHAT CAN HAPPEN
♦ Swallowing electrolyte can be fatal or if it touches skin
can cause severe burns.
HOW TO AVOID THE HAZARD
♦ Wear safety glasses to shield eyes, and rubber gloves
to protect skin and clothing when handling electrolyte.
♦ Do not swallow electrolyte.
Federal law states that batteries should not be placed in the garbage. Management and
disposal practices must be within relevant federal, state, or local laws.
If a battery is being replaced or if the unit containing the battery is no longer operating and
is being scrapped, take the battery to a local certified recycling center. If no local recycling
is available return the battery to any certified battery reseller.
7. TROUBLE SHOOTING
7.1 MOWER PULLS LEFT OR RIGHT (W/LEVERS FULLY FORWARD).
a) Refer to Tracking Adjustment Section 4.1.3.
b) Check air pressure in the drive tires; 10 psi.
Semi-pneumatic casters (without a valve stem) do not require inflation.
c) Check reverse indicator and motion control linkage adjustment. See
section 5.2.12 and 5.2.13.
7.2 MOWER CUTS UNEVENLY.
a) Check air pressure in the drive tires; 10 psi.
Semi-pneumatic casters (without a valve stem) do not require inflation.
A more uniform cutting height may be obtained with higher tire pressure on
rough terrain.
A lower tire pressure provides more flotation. Higher pressures in front
casters may cause them to shimmy on hard surfaces.
b) Check deck support chains.
c) Check deck leveling (See Adjustments Section 5.2.2.)
Note: The front of the mower deck will be approximately 1/4” lower than the
back of the mower deck. This is the “rake” of the deck.
d) Check blades tip to tip for straightness (they should be within 3/16" or one
blade width from being in line.)
7.3 ENGINE WILL NOT START.
a) Make sure the battery has a full charge. See section 5.1.2 for charging
instructions.
b) Be sure the throttle control is midway between the “SLOW” and “FAST”
positions, and the choke is in the “ON” position for a cold engine or the
“OFF” position for a warm engine.
c) Make sure there is fuel in the fuel tank and that the fuel valve is open.
d) Make sure the parking brake is set and motion control levers are moved out
(neutral lock position).

- 41 -
e) Check that the PTO is disengaged.
f) Check that the spark plug wires are properly connected.
g) Check for loose or faulty wiring connections.
h) Check for corrosion at all wiring connections. Even minor corrosion may
cause a faulty connection. Clean connector terminals thoroughly with
electrical contact cleaner, apply dielectric grease and reconnect.
NOTE: When disconnecting electrical connectors DO NOT pull on the
wires to separate the connectors.
NOTE: After carefully checking the above steps, attempt to start the
engine. If it does not start, contact your authorized Exmark service dealer.
IMPORTANT: It is essential that all operator safety mechanisms be
connected and in proper operating condition prior to mower use.
When a problem occurs, do not overlook the simple causes. For example:
starting problems could be caused by an empty fuel tank.
The following table lists some of the common causes of trouble. Do not attempt
to service or replace major items or any items that call for special timing of
adjustments procedures (such as valves, governor, etc.). Have this work done
by your Engine Service Dealer.
ENGINE TROUBLESHOOTING TABLE
PROBLEM NO
FUEL IMPROPER
FUEL DIRT IN
FUEL LINE DIRTY AIR
FILTER
FAULTY
SPARK
PLUG
ENGINE
OVERLOADED
BLOCKED
FUEL
FILTER
INCORRECT
OIL
LEVEL
DIRTY
AIR
SCREEN
INSUFFICIENT
BATTERY
CHARGE
Will not start X X X X X X X
Hard starting X X X X X X X
Stops suddenly X X X X X X
X
Lacks power X X X X X X X X
Operates erratically X X X X X X X
Knocks or pings X
X X
Skips or misfires X X X X X
Backfires X X X X X
Overheats* X X X X
X
High fuel consumption X X X X

- 42 -
8. ELECTRICAL DIAGRAM

- 43 -
9. HYDRAULIC DIAGRAM

- 44 -
10. Limited Warranty
Exmark Turf Equipment
Conditions and Products Covered
Exmark Mfg. Co. Inc. and its affiliate, Exmark Warranty
Company, pursuant to an agreement between them, jointly
warrant on the terms and conditions herein, that we will repair,
replace or adjust any part manufactured by Exmark and found
by us (in the exercise of our reasonable discretion) to be
defective in factory materials or workmanship.
This warranty applies to Exmark turf equipment sold in the US
or Canada. This warranty may only be assigned or transferred
to a second (or third) owner by an authorized Exmark dealer.
The warranty period commences upon the date of the original
retail purchase.
Products Warranty Period
• All Products (except as noted below) 1 year
(90 days for rental use)
• Peerless 5-speed transmission 1 year
(extended beyond manufacturer’s warranty of 90 days)
• Frame, Hydrostatic Traction System,
Electric Clutch and Exmark supplied Mufflers 2 years
• Blade Spindle Assy and Deck Jackshaft Assy 3 years
(1 year parts and labor, with additional 2 years parts only)
• Belts and Tires 90 days
• Battery Refer to the battery manufacturer’s
warranty in the literature packet
• Engine* Warranty is covered by engine manufacturer
*Please refer to the engine manufacturer’s warranty statement
that is included in the literature packet. We are not authorized
to handle warranty adjustments on engines.
This warranty only includes the cost of parts and labor.
Items and Conditions Not Covered
This warranty does not cover the following:
• Pickup and delivery charges to and from any authorized
Exmark Service Dealer.
• Any damage or deterioration due to normal use, wear and
tear, or exposure.
• Cost of regular maintenance service or parts, such as
filters, fuel, lubricants, tune-up parts, and adjustments.
• Any product or part which has been altered or misused or
required replacement or repair due to normal wear,
accidents, or lack of proper maintenance.
• Any repairs necessary due to use of parts, accessories or
supplies, including gasoline, oil or lubricants, incompatible
with the turf equipment or other than as recommended in
the operator's manual or other operational instructions
provided by Exmark.
All warranty work must be performed by an authorized Exmark
Service Dealer using Exmark approved replacement parts.
Instructions for Obtaining Warranty Service
1. Contact any Exmark Service Dealer to arrange service at
their dealership. To locate a dealer convenient to you,
access our website at www.exmark.com. U.S. Customers
may also call 402-223-6375.
2. Bring the product and your proof of purchase (sales
receipt) to the Exmark Service Dealer.
If for any reason you are dissatisfied with the Service Dealer’s
analysis or with the assistance provided, contact us at:
Exmark Customer Service Department
The Exmark Warranty Company
2101 Ashland Avenue
Beatrice, NE 68310
402-223-6375 or
service@exmark.com
Owner’s Responsibilities
The Exmark turf equipment, including any defective part,
must be returned to an authorized Exmark service dealer
within the warranty period. This warranty extends only to
turf equipment operated under normal conditions. You
must properly service and maintain your Exmark product
as described in the operator’s manual. Such routine
maintenance, whether performed by a dealer or by you, is
at your expense.
As a condition to this warranty, customer shall have read
the operator's manual and shall have completed and
submitted to Exmark Warranty Company, within the
prescribed time, the Exmark warranty registration.
General Conditions
The sole liability of Exmark and Exmark Warranty Company
with respect to this warranty shall be repair and replacement
as set forth herein. Neither Exmark nor Exmark Warranty
Company shall have any liability for any other cost, loss
or damage, including but not limited to, any incidental or
consequential loss or damage.
In particular, we shall have no liability or responsibility for:
• Expenses related to gasoline, oil or lubricants.
• Travel time, overtime, after hours time or other
extraordinary repair charges or charge relating to repairs
or replacements outside of normal business hours at the
place of business of the authorized Exmark service
dealer.
• Rental of like or similar replacement equipment during
the period of any warranty, repair or replacement work.
• Any telephone or telegram charges or travel charges.
• Loss or damage to person or property other than that
covered by the terms of this warranty.
• Any claims for lost revenue, lost profit or additional cost
as a result of a claim of breach of warranty.
• Attorney's fees.
No Claim of breach of warranty shall be cause for
cancellation or rescission of the contract of sale of any
Exmark mower.
There are no understandings, agreements,
representations, or warranties, express or implied,
including but not limited to any regarding the
merchantability (that product is fit for ordinary use) or
fitness for use (that product is fit for a particular purpose),
not specified herein, respecting the equipment which is the
subject of this warranty.
Some states do not allow exclusions of incidental or
consequential damages, or limitations on how long an
implied warranty lasts, so the above exclusions and
limitations may not apply to you.
This warranty gives you specific legal rights, and you may
also have other rights which vary from state to state.

45
SERVICE RECORD
Date Description of Work Done Service Done By

46

SEE EXMARK’S COMPLETE
LINE OF PRODUCTS FOR TURF CARE
LAZER Z® LAZER Z® HP
LAZER Z® XP LAZER Z® CT
LAZER Z® XS TURF RANGER®
TURF TRACER® TURF TRACER® HP
METRO® METRO® HP
VIKING HYDRO GRASS CATCHER
ULTRA VAC™ ULTRA VAC™ QDS
SELF STEERING SULKY MICRO-MULCH™ ACCESSORY
WARNING
The engine exhaust from this product
contains chemicals known to the State of
California to cause cancer, birth defects, or
other reproductive harm.
®
MFG. CO. INC.
©1997-2004 PART NO. 103-6698
EXMARK MFG. CO. INC. (402) 223-6300
INDUSTRIAL PARK BOX 808 FAX (402) 223-5489
BEATRICE, NE 68310
ALL RIGHTS RESERVED PRINTED IN U.S.A.