Exmark Turf Tracer Tt20Kcc Users Manual .
TT20KCC to the manual 35b17329-ae40-46f6-8656-664e169d513d
2015-02-04
: Exmark Exmark-Turf-Tracer-Tt20Kcc-Users-Manual-367039 exmark-turf-tracer-tt20kcc-users-manual-367039 exmark pdf
Open the PDF directly: View PDF
.
Page Count: 44
- OPERATOR'S MANUAL
- WARNING: Indicates a potentially hazardous situation which, if not avoided, COULD result in death or serious injury.
- CAUTION: Indicates a potentially hazardous situation which, if not avoided, MAY result in minor or moderate injury.
- 5.1.15 Lubricate caster wheel hubs:
- SEE EXMARK’S COMPLETE


WARNING
POTENTIAL HAZARD
♦ This product is a piece of power equipment.
WHAT CAN HAPPEN
♦ Failure to follow safe operating practices can result in serious
operator injury or even death.
HOW TO AVOID THE HAZARD
♦ Keep all shields, guards, and safety devices (especially the grass
discharge system) in place and in proper working condition.
♦ Stop engine and wait for all moving parts to stop. Remove spark
plug wire(s) or remove key before adjusting, servicing, or
performing maintenance.
♦ If mower deck becomes clogged, stop engine and wait for all
moving parts to stop. Remove spark plug wire(s) or remove key
before cleaning blockage.
♦ Keep hands, feet, and clothing away from power driven parts.
♦ Keep off mower unless seat platform is provided.
♦ Keep others off mower.
WARNING
POTENTIAL HAZARD
♦ Gasoline is harmful or fatal if swallowed. Long-term exposure to
vapors has caused cancer in laboratory animals.
WHAT CAN HAPPEN
♦ Failure to use caution may cause serious injury or illness.
HOW TO AVOID THE HAZARD
♦ Avoid prolonged breathing of vapors.
♦ Keep face away from nozzle and gas tank/container opening.
♦ Keep away from eyes and skin.
♦ Never siphon by mouth.
IMPORTANT
When the mower is used or operated on any California forest, brush or grass covered land, a working
spark arrester must be attached to the muffler. If not, the operator is violating state law, Section 4442
Public Resource Code. To acquire a spark arrester for your unit, see your Engine Service Dealer.
Exmark reserves the right to make changes or add improvements to its products at any time without
incurring any obligation to make such changes to products manufactured previously. Exmark, or its
distributors and dealers, accept no responsibility for variations which may be evident in the actual
specifications of its products and the statements and descriptions contained in this publication.

- i -
EXMARK PARTS PLUS
PROGRAM
EFFECTIVE DATE: September 1, 1995
Program
If your Exmark dealer does not have the Exmark part in stock,
Exmark will get the parts to the dealer the next business day or
the part will be FREE* Guaranteed!!
How the Program Works
1. If dealer does not have part in stock for a "down" unit at
the time of request by customer, the dealer contacts his
distributor by 1:00 p.m., local time, and requests Exmark
Parts Plus
shipment of six (6) line items or less.
2. Distributor ships part(s) to dealer or customer, as
requested by dealer, same day, overnight UPS
Distributor bills dealer for part and freight charges where
applicable.
3. If distributor does not have the part(s) in stock to satisfy Exmark Parts Plus
order, he contacts Exmark by 3:00 p.m.,
central time, with an Exmark Parts Plus
order of six (6) line items or less.
4. If order is received by 3:00 p.m. central time, Exmark ships part(s) direct to dealer or customer, as requested by
distributor, same day, overnight UPS Exmark bills the distributor for parts and shipping charges, where applicable.
5. The customer pays for the part and freight if it is shipped under the Exmark Parts Plus
and if it arrives in
accordance to the program.
6. Who pays for the part and freight if it fails to arrive overnight in accordance to the program?
A. Under any circumstance the customer does not pay.
B. If the part does not arrive overnight due to:
1. The dealer not submitting the Exmark Parts Plus
order to his Exmark distributor by 1:00 p.m., the dealer
pays for the part and freight.
2. The Distributor being unable to ship the part the same day or not submitting the Exmark Parts Plus
order
to Exmark by 3:00 p.m., central time, the Distributor pays for the part and freight.
3. Exmark being unable to ship the part and the Exmark parts order is received by 3:00 p.m., central time,
Exmark pays for the part and freight.
4. If the part does not arrive overnight due to the shipper (UPS), the shipper pays for the freight and Exmark
pays for the part.
The following restrictions apply -- The Exmark Parts Plus
Program is available only through participating Exmark
Dealers and applies only to orders submitted on this program Monday through Thursday. Parts Plus service is only available
in the 48 contiguous United States. UPS has initiated a Saturday delivery program to many areas of the continental United
States and can be requested for an overnight shipment on Friday to be delivered Saturday. The next day air charge, plus the
Saturday delivery fee will be the responsibility of the purchaser. Exmark Mfg. will assume no responsibility for Saturday
delivery shipments. To qualify, all Exmark Parts Plus
orders must be received by Exmark by 3:00 p.m., central time. Orders
must be six (6) line items or less. Exclusions from the Exmark Parts Plus
Program are: Any wholegood or accessory in its
entirety, engines and engine replacement parts, 5-speed Peerless transmissions and 5-speed transaxles, hydraulic or
hydrostatic wheel motors, cutter decks and engine decks or any item exceeding United Parcel Service size and weight
restrictions.
Due to UPS restrictions, aerosol spray paint is considered a hazardous material and cannot be shipped via UPS next day or
Second Day Air.
Exmark Manufacturing stocks a limited supply of parts for transaxles, pumps and wheel motors. These parts can be ordered
for Next Day Air shipment but will not be guaranteed per the Parts Plus Program.
- ii -
CONGRATULATIONS on the purchase of your Exmark Mower. This product has been
carefully designed and manufactured to give you a maximum amount of dependability and
years of trouble-free operation.
OPERATOR'S MANUAL
This manual contains assembly, operating, maintenance, adjustment, and safety
instructions for your Exmark mower.
BEFORE OPERATING YOUR MOWER, CAREFULLY READ THIS MANUAL IN ITS
ENTIRETY.
By following the operating, maintenance, and safety instructions, you will prolong the life
of your mower, maintain its maximum efficiency, and promote safe operation.
If additional information is needed, or should you require trained mechanic service,
contact your authorized Exmark equipment dealer or distributor.
All Exmark equipment dealers and distributors are kept informed of the latest methods
of servicing and are equipped to provide prompt and efficient service in the field or at their
service stations. They carry ample stock of service parts or can secure them promptly for you
from the factory.
All Exmark parts are thoroughly tested and inspected before leaving the factory,
however, attention is required on your part if you are to obtain the fullest measure of
satisfaction and performance.
- iii -
TABLE OF CONTENTS
1. SAFETY.............................................................................................PAGE
1.1 Safety Alert Symbol ......................................................................................1
1.2 Training ........................................................................................................1
1.3 Preparation..............................................................................................1 - 3
1.4 Operation.................................................................................................4 - 5
1.5 Maintenance & Storage ................................................................................6
1.6 Riding Attachments.......................................................................................7
1.7 Safety Signs ....................................................................................... ......7-8
2. SPECIFICATIONS
2.1 Model Number ..............................................................................................9
2.2 Engine ..........................................................................................................9
2.3 Fuel System..................................................................................................9
2.4 Electrical System ..........................................................................................9
2.5 Steering/Brake Control .................................................................................9
2.6 Transmission ................................................................................................9
2.7 Wheel Drive System .....................................................................................9
2.8 Tires .............................................................................................................9
2.9 Deck ...........................................................................................................10
2.10 Dimensions................................................................................................10
2.11 Torque Requirements................................................................................10
3. ASSEMBLY INSTRUCTIONS
3.1 to 3.11 Assembly.................................................................................10 - 13
4. OPERATION INSTRUCTIONS
4.1 Controls ...............................................................................................14 - 15
4.2 Pre-Start .....................................................................................................15
4.3 Operation Instructions..........................................................................15 - 17
4.4 Transporting ...............................................................................................18
5. MAINTENANCE & ADJUSTMENTS
5.1 Periodic Maintenance .................................................................................18
5.2 Adjustments.........................................................................................27 - 31
6. WASTE DISPOSAL
6.1 Motor Oil Disposal ......................................................................................32
6.2 Battery Disposal..........................................................................................32
7. TROUBLE SHOOTING
7.1 Mower Tracks Left or Right.........................................................................32
7.2 Mower Cuts Unevenly.................................................................................32
7.3 Engine Will Not Start ...........................................................................32 - 33
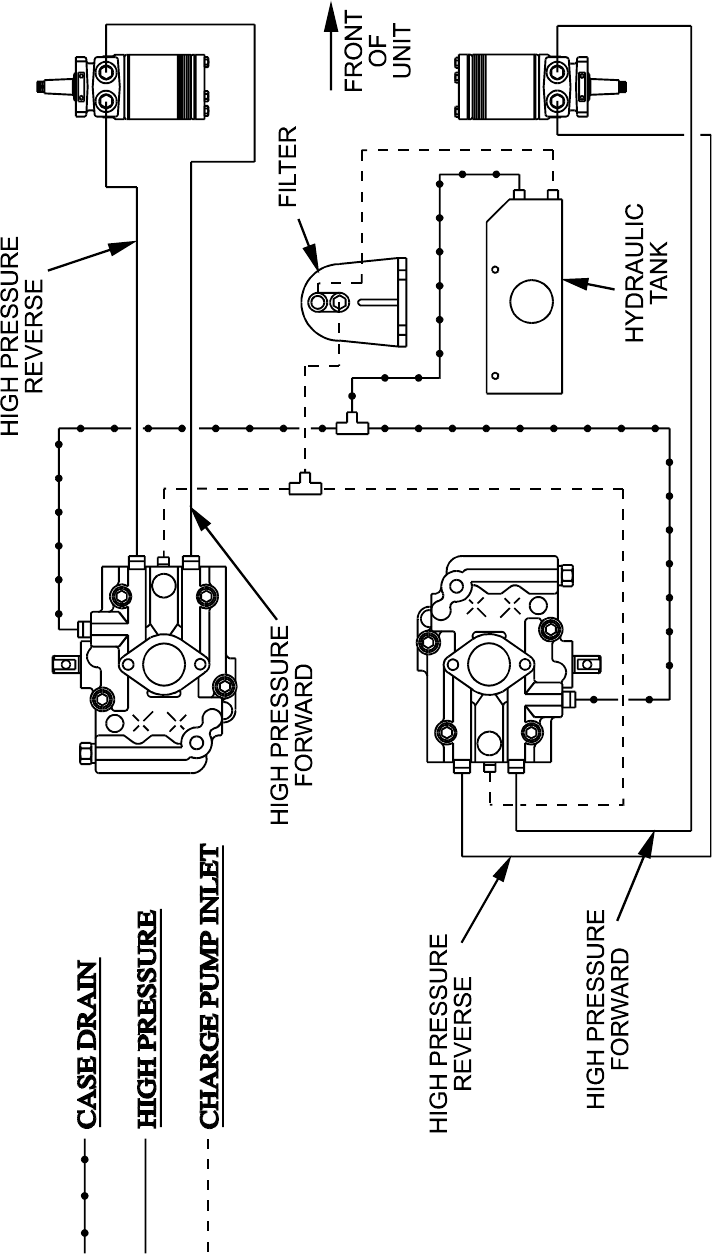
8. HYDRAULIC SCHEMATIC ...........................................................................34
9. WIRING DIAGRAMS .....................................................................................35
10. WARRANTY ..........................................................................................36 - 37

- 1 -
1.SAFETY
1.1 SAFETY ALERT SYMBOL
This SAFETY ALERT SYMBOL is used both in this manual and on the machine to
identify important safety messages which must be followed to avoid accidents. This
symbol means:
ATTENTION! BECOME ALERT!
YOUR SAFETY IS INVOLVED!
The safety alert symbol appears above information which alerts you to unsafe actions or
situations and will be followed by the word DANGER, WARNING, or CAUTION.
DANGER: Indicates an imminently hazardous situation which, if not avoided, WILL
result in death or serious injury.
WARNING: Indicates a potentially hazardous situation which, if not avoided, COULD
result in death or serious injury.
CAUTION: Indicates a potentially hazardous situation which, if not avoided, MAY result
in minor or moderate injury.
1.2 TRAINING
1.2.1 Regard the Exmark mower as a piece of power equipment and teach this regard
to all who operate this unit.
1.2.2 Read the instructions carefully. Familiarize yourself with the controls and the
proper use of the equipment. If the operator(s) or mechanic(s) can not read
English, it is the owner’s responsibility to explain this material to them.
1.2.3 Do not allow operation of this machine by untrained personnel. Never allow
children, teenagers, or people unfamiliar with these instructions to use the
mower. Local regulations may restrict the age of the operator.
1.2.4 Avoid mowing while people, especially children, or pets, are nearby. Keep in
mind that the operator or user is responsible for accidents or hazards occurring
to other people or their property.
1.3 PREPARATION
1.3.1 Evaluate the terrain to determine what accessories and attachments are
needed to properly and safely perform the job. Only use accessories and
attachments approved by Exmark.
1.3.2 The use of personal protective equipment, such as (but not limited to)
protection for the eyes, ears, feet, and head is recommended.
CAUTION
POTENTIAL HAZARD
♦ This machine produces sound levels in excess of 85
dBA at the operator’s ear when in operation.
WHAT CAN HAPPEN
♦ Exposure to sound levels of 85 dBA or above for
extended periods of time can cause hearing loss.
HOW TO AVOID THE HAZARD
♦ Wear hearing protection when operating this machine.
1.3.3 While mowing, always wear substantial footwear and long trousers. Do not
operate equipment when barefoot or when wearing open sandals.

- 2 -
1.3.4 Thoroughly inspect the area where the equipment is to be used and remove all
stones, sticks, wires, bones, and other foreign objects which may damage the
equipment or cause personal injury to the operator or bystanders.
WARNING
POTENTIAL HAZARD
♦ Engine exhaust contains carbon monoxide, which is
an odorless deadly poison.
WHAT CAN HAPPEN
♦ Carbon monoxide can kill you.
HOW TO AVOID THE HAZARD
♦ Do not run engine indoors or in a small confined area
where dangerous carbon monoxide fumes can collect.
DANGER
POTENTIAL HAZARD
♦ In certain conditions gasoline is extremely flammable
and highly explosive.
WHAT CAN HAPPEN
♦ A fire or explosion from gasoline can burn you, others,
and cause property damage.
HOW TO AVOID THE HAZARD
♦ DO NOT smoke while refueling, and stay away from
an open flame or where gasoline fumes may be ignited
by spark.
♦ Refuel only outdoors.
♦ Store gasoline in an approved container and keep it
out of the reach of children.
♦ Add fuel before starting the engine. Never remove the
cap of the fuel tank or add fuel when engine is running
or when the engine is hot.
♦ Never fill the fuel tank so that the gasoline level rises
above a level that is 1/2” below the bottom of the filler
neck to allow for gasoline expansion and prevent fuel
spillage.
♦ If fuel is spilled, DO NOT attempt to start the engine.
Move away from the area of the spill and avoid
creating any source of ignition until fuel vapors have
dissipated.

- 3 -
DANGER
POTENTIAL HAZARD
♦ In certain conditions gasoline is extremely flammable
and highly explosive.
WHAT CAN HAPPEN
♦ A static charge can ignite gasoline vapors. A fire or
explosion from gasoline can burn you, others, and
cause property damage.
HOW TO AVOID THE HAZARD
♦ Purchase and store gasoline only in an approved
container.
♦ Always place gasoline containers on the ground away
from your vehicle before filling.
♦ Do not fill gasoline containers inside a vehicle or on a
truck or trailer bed because interior carpets or plastic
truck bed liners may insulate the container and slow
the loss of any static charge.
♦ When practical, remove gas-powered equipment from
the truck or trailer and refuel the equipment with its
wheels on the ground.
♦ If this is not possible, then refuel such equipment on a
truck or trailer from a portable container, rather than
from a gasoline dispenser nozzle.
♦ If a gasoline dispenser nozzle must be used, keep the
nozzle in contact with the rim of the fuel tank or
container opening at all times until fueling is complete.
WARNING
POTENTIAL HAZARD
♦ Gasoline vapor can collect inside enclosed trailers and
may be ignited by electrical sparks or hot
engine/exhaust components.
WHAT CAN HAPPEN
♦ Explosion and fire may occur, resulting in property
damage, personal injury, and/or death.
HOW TO AVOID THE HAZARD
♦ Provide adequate ventilation of any enclosed trailer to
prevent build up of gasoline vapors, especially at floor
level.
♦ Refuel only outdoors, never inside an enclosed trailer.
♦ Be sure all fuel tanks and gasoline storage containers
have proper caps installed to prevent spillage and
minimize vapor escaping into the trailer.
♦ Do not place any equipment that is leaking gasoline in
an enclosed trailer.

- 4 -
1.4 OPERATION
Although hazard control and accident prevention are partially dependent upon the
design and configuration of the equipment, these factors are also dependent
upon the awareness, concern, prudence, and proper training of the personnel
involved in the operation, transport, maintenance, and storage of the equipment.
It is essential that all Operator Safety Mechanisms be connected and in operating
condition prior to use for mowing.
WARNING
POTENTIAL HAZARD
♦ Operating engine parts, especially the muffler, become
extremely hot.
WHAT CAN HAPPEN
♦ Severe burns can occur on contact.
♦ Debris, such as leaves, grass, brush, etc. can catch fire.
HOW TO AVOID THE HAZARD
♦ Allow engine parts, especially the muffler, to cool before
touching.
♦ Remove accumulated debris from muffler and engine area.
♦ Install and maintain in working order a spark arrester before
using equipment on forest-covered, grass-covered, or
brush-covered unimproved land.
WARNING
POTENTIAL HAZARD
♦ Hands, feet, hair, clothing, or accessories can become
entangled in rotating parts.
WHAT CAN HAPPEN
♦ Contact with rotating parts can cause traumatic amputation
or severe lacerations.
HOW TO AVOID THE HAZARD
♦ Do not operate the machine without guards, shields, and
safety devices in place and working.
♦ Keep hands, feet, hair, jewelry, or clothing away from
rotating parts.
1.4.1 Give complete, undivided attention to the job at hand.
1.4.2 Mow only in daylight or in good artificial light, keeping away from holes and hidden
hazards. DO NOT operate the mower when children or others are in the area.
1.4.3 When feasible, avoid operating the equipment in wet grass.
1.4.4 Use EXTREME caution when mowing and/or turning on slopes as loss of traction
and/or control could occur. Mow across slopes with walk behind mowers, never
up and down. Loss of control and/or loss of operator’s footing could result in a
fall with an arm or leg getting under the mower or engine deck and sustaining
serious injury. Drive slower on slopes. Progressively greater care is needed as
the slope increases. DO NOT operate on slopes greater than 20 degrees.
Watch for ditches, holes, rocks, dips, and rises which can cause erratic
handlebar movement and loss of footing. Keep away from drop-offs and steep
banks. Avoid sudden starts. Look down and behind you before and while
moving backwards. DO NOT mow slopes when grass is wet - slippery conditions
create hazardous footing, affect steering, and reduce traction and braking. The
operator is responsible for safe operation on slopes. See inside the back cover
to determine the approximate slope angle of the area to be mowed.
- 5 -
1.4.5 Stop the blades when crossing surfaces other than grass, if mower must be
tilted for transportation, and when transporting the mower to and from the area
to be mowed.
1.4.6 Never operate the mower with defective guards, shields, or covers. Always
have safety shields, guards, switches, and other devices in place and in proper
working condition.
1.4.7 Do Not change the engine governor settings or over speed the engine. Operating
an engine at excessive speed may increase the hazard of personal injury.
1.4.8 Place speed control lever in neutral, lock drive levers in neutral, disengage
PTO, and engage park brake before starting engine.
1.4.9 Start the engine carefully with feet well away from the blades.
1.4.10 Keep hands, feet, and clothing away from rotating parts while the mower is
being operated.
1.4.11 Stop the engine, wait for all moving parts to stop, and remove plug wire(s) or key:
• Before checking, cleaning or working on the mower.
• After striking a foreign object (inspect the mower for damage and make
repairs before restarting and operating the mower).
• Before clearing blockages.
• Whenever you leave the mower.
1.4.12 Stop the engine and wait for all moving parts to stop:
• Before removing grass catcher.
• Before refueling.
• Before making height adjustments.
1.4.13 Before stopping the engine, place the throttle control midway between the
“slow” and “fast” positions. Allow the engine to run a minimum of 15 seconds,
then stop the engine.
1.4.14 The fuel system is provided with a shut-off valve. The fuel shut-off valve is used
to shut off the fuel when:
• The machine will not be used for a few days.
• During transport to and from the job.
• When parking inside a building.
1.4.15 This mower was designed for one operator only. Keep all others away from
mower during operation.
1.4.16 Do NOT mow without the discharge chute or entire grass collection system in
place and in proper working condition.
1.4.17 Be aware of the mower discharge and direct discharge away from others.
1.4.18 Do NOT operate the mower under the influence of alcohol or drugs.
1.4.19 Use care when approaching blind corners, shrubs, trees, or other objects that
may obscure vision.
1.4.20 If jump starting is required:
a) Connect the positive (+) power cable from the positive post on the
booster battery to the positive terminal post on the starter solenoid switch
(this post has the positive battery cable attached to it).
b) Connect the negative or ground cable (-) from the negative post on the
booster battery to the engine block as far away from the battery as
possible.
c) Disconnect battery cables in the reverse order afterstarting.

- 6 -
1.5 MAINTENANCE AND STORAGE
1.5.1 For engine maintenance, follow the engine manufacture’s recommendations
precisely as stated in the engine manual.
1.5.2 Disconnect the battery from the negative battery post when the unit will be
allowed to sit for more than 30 days without use.
1.5.3 Allowing batteries to stand for an extended period of time without recharging
them will result n reduced performance and service life. To preserve optimum
battery performance and life, recharge batteries in storage when the open
circuit voltage drops to 12.4 volts.
Note: To prevent damage due to freezing, battery should be fully charged
before putting away for winter storage.
1.5.4 Keep engine and engine area free from accumulation of grass, leaves,
excessive grease or oil, and other debris which can accumulate in these areas.
These materials can become combustible and may result in a fire.
1.5.5 Store fuel in a container specifically designed for this purpose in a cool, dry place.
1.5.6 Keep the mower and fuel container in locked storage to prevent children from
playing or tampering with them.
1.5.7 Gasoline powered equipment or fuel containers should not be stored in a
basement or any enclosed area where open pilot lights or heat appliances are
present.
1.5.8 Maximum mowing results and safety can only be achieved if the mower is properly
maintained and operated correctly.
1.5.9 Check all bolts frequently to maintain proper tightness.
1.5.10 Keep all guards, shields, and all safety devices in place and in safe working
condition.
1.5.11 Frequently check for worn or deteriorating components that could create a hazard.
1.5.12 All replacement parts must be the same as or equivalent to the parts supplied
as original equipment.
WARNING
POTENTIAL HAZARD
♦ Hydraulic fluid escaping under pressure can penetrate
skin and cause injury.
WHAT CAN HAPPEN
♦ Fluid accidentally injected into the skin must be
surgically removed within a few hours by a doctor
familiar with this form of injury or gangrene may result.
HOW TO AVOID THE HAZARD
♦ Make sure all hydraulic fluid hoses and lines are in
good condition an all hydraulic connections and fittings
are tight before applying pressure to hydraulic system.
♦ Keep body and hands away from pinhole leaks or
nozzles that eject high pressure hydraulic fluid.
♦ Use cardboard or paper, not your hands, to find
hydraulic leaks.
♦ Safely relieve all pressure in the hydraulic system by
locking drive levers in neutral and shutting off the
engine before performing any work on the hydraulic
system.

- 7 -
1.6 RIDING ATTACHMENTS
Use only Exmark riding attachments. The use of other than Exmark riding attachments
may create a hazardous condition resulting in injury.
1.7 SAFETY SIGNS
1.7.1 Keep all safety signs legible. Remove all grease, dirt, and debris from safety
signs and instructional labels.
1.7.2 Safety signs must be replaced if they are missing or illegible.
1.7.3 When new components are installed, be sure that current safety signs are
affixed to the replaced components.
1.7.4 New safety signs may be obtained from your authorized Exmark equipment
dealer or distributor or from Exmark Mfg. Co. Inc.
1.7.5 Safety signs may be affixed by peeling off the backing to expose the adhesive
surface. Apply only to a clean, dry surface. Smooth to remove any air bubbles.
1.7.6 Familiarize yourself with the following safety signs and instruction labels. They
are critical to the safe operation of your Exmark commercial mower.
PART NO. 103-1541
LOCATION: Console
PART NO. 1-403005
LOCATION: LH & RH Front Top
Surface of Mower Deck
PART NO. 1-403143
LOCATION: RH Rear Surface of Engine Deck
PART NO. 1-603845
LOCATION: Left Rear Top Corner
of Engine Deck
PART NO. 1-413214
LOCATION: Right Side of Hydro Control Crank Arm
PART NO. 103-2239
LOCATION: Top of Mower Deck Beneath Center Shield
PART NO. 98-5954
LOCATION: Under LH, RH & Center Belt Shields

- 8 -
PART NO. 1-303508
LOCATION: On Top RH Surface
of Mower Deck
PART NO. 1-303517
LOCATION: LH Side of Rear Surface
of Engine Deck
PART NO. 1-513747
LOCATION: To
p
Rear of Batter
y
Cover
PART NO. 1-513746
LOCATION: Surface of Engine
Deck Next to Muffler
PART NO. 1-303293
LOCATION: Top Surface of
Fuel Tank
PART NO. 1-553049
LOCATION: On Top Front LH Surface of
Mower Deck
PART NO. 1-323540
LOCATION: Front of Mower
Deck Top Surface
PART NO. 1-523552
LOCATION: On Top of
Hydraulic Tank
PART NO. 103-1077
LOCATION: On Top Front RH Surface of
Mower Deck
ECS Handles
PART NO. 103-2242
LOCATION: LH Side of Console
ECS Handles
PART NO. 103-2243
LOCATION: RH Side of Console
PART NO. 103-2432
LOCATION: Parking Brake
Lever
- 9 -
2. SPECIFICATIONS
2.1 MODEL NUMBER:
Serial Nos. 320,000 & Higher: TT23KCC; TT23KAC; TT20KCC
2.2 ENGINE
2.2.1 Engine Specifications: See your Engine Owner's Manual.
2.2.2 3600 RPM (No Load).
2.3 FUEL SYSTEM
2.3.1 Capacity: 5.0 gal. (18.9 L.)
2.3.2 Type of Fuel: Regular unleaded gasoline, 87 octane or higher. In countries
using the research method, it should be a 90 octane minimum.
2.3.3 Fuel Filter: Replaceable in-line
2.3.4 Fuel Shut-Off Valve: 1/4 turn
2.4 ELECTRICAL SYSTEM:
2.4.1 Charging System: Flywheel Alternator
2.4.2 Charging Capacity: 15 amp
2.4.3 Battery Type: BCI Group U1 235 amps at O° F
2.4.4 Battery Voltage: 12 Volt; Polarity, negative ground.
2.4.5 Fuses: blade type, 20 amp to charging circuit; 20 amp to electric clutch.
2.4.6 Safety Interlock System: Operator must have OPC (Operator Presence
Control) levers held in contact with handle grips, speed control lever in neutral,
and PTO disengaged to start engine. Release of OPC levers will cause the
engine to stop if speed control lever is not in neutral and/or PTO is engaged.
Park brake must be disengaged to move speed control out of neutral or engine
will kill.
2.5 STEERING CONTROL:
Fingertip drive control levers provide independent speed control, braking and
neutral to each drive wheel for moving forward or reverse, stopping, and power
turning.
2.6 TRANSMISSION:
Twin Hydrostatic Drive
2.6.1 Two Hydro Gear BDP-10L series variable displacement pumps independently
coupled to two high efficiency Parker/Ross wheel drive motors.
2.6.2 Hydraulic Filter is replaceable cartridge type.
P/N 513211: 10 microns, 18 psi bypass (Summer use above 32° F)
P/N 523541: 40 microns, 18 psi bypass (Winter use below 32° F)
2.6.3 Speed Range: Forward 0 - 6.75 mph (10.9 km/h)
Reverse 0 - 2.25 mph (3.6 km/h)
2.7 WHEEL DRIVE SYSTEM:
Drive wheels are direct coupled to Parker/Ross wheel drive motors with 1.0"
(25.4 mm) tapered shaft.
2.8 TIRES Drive Front Caster
Size...........................18 x 8.50-8..........................11 x 4.0-5
Quantity.............................2.........................................2
Tread........................ Turf Master ...........................Smooth
Ply Rating..........................4.........................................4
Pressure.................14 psi (97 kPa)..................16 psi (152 kPa)

- 10 -
2.9 MOWER DECK
2.9.1 Model Numbers: Serial Nos. 320,000 and higher: FMD604 and FMD524
NOTE: Turf Tracer units 320,000 and higher can only be used with FM604
and FMD524 units.
2.9.2 Cutting Width: 60 in. (152.4 cm.)
52 in. (132.1 cm.)
2.9.3 Discharge: Right Side
2.9.4 Optional Mulch Kit and Bagger available.
2.9.5 Blade Size: 60" - (3 ea.) 20.50 in. (52.1 cm.)
52" - (3 ea.) 18.00 in. (45.7 cm.)
2.9.6 Type of Drive: Electric clutch mounted on engine shaft. Blades driven by two
belts with self tensioning idlers.
2.9.7 Adjustable anti-scalp rollers(6 ea.)
2.9.8 Cutting Height: Adjusts in 1/2” (1.3 cm) increments from 1 1/2” (3.8 cm) to 4
1/2” (11.5 cm).
2.9.9 Deck Mounting: Full floating deck is attached to out-front support frame,
removable for service.
2.10 DIMENSIONS
2.10.1 Overall Width:
w/52” Deck w/60” Deck
Discharge chute down 64.2” (163.1 cm) 72.2” (183.4 cm)
Discharge chute up (Transport only) 53.4” (135.6 cm) 61.4” (156.0)
2.10.2 Overall Length: w/52” Deck w/60” Deck
Overall Length 83.4” (211.8 cm) 83.4” (211.8 cm)
2.10.3 Curb Weight: w/52” Deck w/60” Deck
Total weight∗
∗∗
∗720 lbs. (327 kg) 760 lbs. (345 kg)
∗ Weights will vary slightly depending on engine option.
2.10.4 Overall Height: 45” (114.3)
2.10.5 Tread Width (to outside of tires): 45.8” (116.3 cm)
2.11 TORQUE REQUIREMENTS
BOLT LOCATION TORQUE
Cutter Housing Spindle Nut ............................................. 75-80 ft/lbs.
Blade Mounting Bolt..................................................... 115-120 ft/lbs.
Mower Deck Support/Engine Deck Mount ........................30-35 ft/lbs.
Anti-Scalp Roller Bolts ......................................................40-45 ft/lbs.
Engine Mounting Bolts......................................................15-20 ft/lbs.
Wheel Lug Nuts ...............................................................90-95 ft/lbs.
3. ASSEMBLY INSTRUCTIONS
3.1 UNCRATE UNIT
3.1.1 Remove tractor and mower deck from crates.
3.2 SERVICE BATTERY:
The machine is shipped with a wet battery.
WARNING: Battery posts, terminals, and related accessories contain lead compounds, chemicals known
to the State of California to cause cancer and reproductive harm. Wash hands after handling.

- 11 -
3.2.1 Remove battery cover from machine. Disconnect the battery cables (negative
(black) cable first) and remove battery.
DANGER
POTENTIAL HAZARD
♦ Charging the battery may produce explosive gasses
WHAT CAN HAPPEN
♦ Battery gasses can explode causing serious injury.
HOW TO AVOID THE HAZARD
♦ Keep sparks, flames, or cigarettes away from battery.
♦ Ventilate when charging or using battery in an
enclosed space.
♦ Make sure venting path of battery is always open once
battery is filled with acid.
3.2.2 Check the voltage of the battery with a digital voltmeter. Locate the voltage reading
of the battery in the table below and charge the battery for the recommended time
interval to bring the charge up to a full charge of 12.6 volts or greater.
IMPORTANT: Make sure the negative battery cables are disconnected and the
battery charger used for charging the battery has an output of 16 volts and 7
amps or less to avoid damaging the battery (see chart below for recommended
charger settings).
Voltage
Reading Percent
Charge Maximum
Charger Settings Charging Interval
12.6 or greater 100% 16 volts/7 amps No Charging Required
12.4 – 12.6 75 – 100% 16 volts/7 amps 30 Minutes
12.2 – 12.4 50 – 75% 16 volts/7 amps 1 Hour
12.0 – 12.2 25 – 50% 14.4 volts/4 amps 2 Hours
11.7 – 12.0 0 – 25% 14.4 volts/4 amps 3 Hours
11.7 or less 0% 14.4 volts/2 amps 6 Hours or More
CAUTION
POTENTIAL HAZARD
♦ If the ignition is in the “ON” position there is potential
for sparks and engagement of components.
WHAT CAN HAPPEN
♦ Sparks could cause an explosion or moving parts
could accidentally engage causing personal injury.
HOW TO AVOID THE HAZARD
♦ Be sure ignition switch is in the “OFF” position before
charging the battery.
3.2.3 Connect the negative battery cables.
NOTE: If the positive cable is also disconnected, connect the positive (red)
cable first, then the negative (black) cable and green/white wire (green/white
wire is only on some units). Slip insulator boot over the positive terminal.
NOTE: If time does not permit charging the battery, or if charging equipment
is not available, connect the negative battery cables and run the vehicle
continuously for 20 to 30 minutes to sufficiently charge the battery.
PART NO. 1-513747 LOCATION: Battery Cover

- 12 -
3.4 DRIVE WHEELS
3.4.3 Check air pressure in drive tires; recommended pressure is 12-16 psi.
Measure circumference of each drive tire. Adjust tire pressure within 12-16 psi
range to try to make tire circumferences match as closely as possible.
3.5 MOWER DECK INSTALLATION
3.5.1 Release the wheel drive system by opening the drive wheel release valves (See
4.1.11). Roll the tractor to the mower deck assembly and allow the tractor
assembly to tip backward until the rear of the engine deck contacts the ground.
3.5.2 Remove mower deck support frame from mower deck by removing the two
hairpins and spacers from the front deck support pins and by removing the two
hairpins and spacers from the rear deck support pins (See Figure 1).
3.5.3 Install mower deck support frame to tractor engine deck and secure using (8)
3/8-16 x 1 1/4” screws, (8) disc spring washers and (8) whizlock nuts from bolt
bag (See Figure 1).
NOTE: Place spring washer cone side against bolt head (cupped side away from head)
and install to outside of support frame (as shown in Figure 1). Install with
whizlock nuts to the inside of engine deck. Tighten until spring washers are flat.
3.5.4 Position tractor with mower deck support frame in place, over the mower deck.
CAUTION
POTENTIAL HAZARD
♦ When mower deck is not installed or the two front
support rod hairpins are removed, the unbalanced
weight of the tractor or tractor with mounted mower
support frame may cause the front of the unit to rise
suddenly.
WHAT CAN HAPPEN
♦ If the unit rises suddenly, injury may occur.
HOW TO AVOID THE HAZARD
♦ Securely hold down the front end of the unit when the
mower deck is not installed.
Align and re-install the mower deck support pins into the support frame. Install
the two spacers and hairpins onto the front support pins and the two hairpins
and spacers onto the rear support pins (See Figure 1).
FIGURE 1
SUPPORT PIN LOCATION

- 13 -
3.5.5 Mower Deck Stationary Idler Installation:
Locate the two holes along the back center section of the deck (See Figure 2)
and install the stationary idler and related parts (from bolt bag) in the right hand
hole. Be sure the coned end of the disc spring washer is against the head of
the bolt. Tighten hardware.
FIGURE 2
STATIONARY IDLER INSTALLATION
3.5.6 Install the deck drive belt around the clutch. Refer to belt routing decal. Be
sure belt is in the clutch drive sheave groove. Place the other end of the belt
into the V-groove of the stationary idler, move the spring loaded idler outward
and route the belt around the inside of the spring loaded idler. Position the belt
into the V-groove of the mower deck drive sheave. Carefully release the
spring loaded idler. Install the center belt shield.
3.5.7 Adjust cutting height of deck and anti-scalp rollers (See Adjustment Section 5.2.1).
3.6 SERVICE ENGINE: See Engine Operator's Manual.
3.7 SERVICE HYDRAULIC OIL
The machine is shipped with hydraulic oil in the reservoir. Run the machine for
approximately 15 minutes to allow any extra air to purge out of the hydraulic
system. Check hydraulic reservoir and if necessary fill the reservoir to the
appropriate level with Mobil 1 15W-50 synthetic motor oil. Replace hydraulic
reservoir cap and tighten until snug. Do not overtighten.
NOTE: The baffle is labeled “HOT” and “COLD”. The oil level varies with the
temperature of the oil. The “HOT” level shows the level of oil when it is at 225°F
(107°C). The “COLD” level shows the level of the oil when it is at 75°F (24°C).
Fill to the appropriate level depending upon the temperature of the oil. For
example: If the oil is about 150°F (65°C). Fill to halfway between the “HOT” and
“COLD” levels. If the oil is at room temperature (about 75°F (24°C)), fill only to
the “COLD” level.
3.8 GREASE UNIT:
NOTE: UNIT IS NOT GREASED AT THE FACTORY.
Refer to Maintenance Section 5.1.14 for grease zerk locations and grease
amounts.
3.9 FAMILIARIZE YOURSELF WITH THE CONTROLS.
See Controls Section 4.1.
3.10 FOLLOW PRE-START INSTRUCTIONS.
See Pre-Start Section 4.2.
3.11 PERFORM NECESSARY ADJUSTMENTS.
See Maintenance and Adjustment Section 5.
3/8-16 x 4 1/2
HEX CAPSCREW

- 14 -
4. OPERATION INSTRUCTIONS
4.1 Controls
4.1.1 Operator Presence Control (OPC) Levers: Located on the upper handle
assembly directly above the handle grips. When these levers are depressed,
the OPC system senses that the operator is in the normal operator's
position. When the levers are released, the OPC system senses that the
operator has moved from the normal operating position and will kill the
engine if either the speed control lever is not in the neutral position or the
PTO is engaged.
4.1.2 Drive Levers: Located on each side of the upper handle assembly directly
below the handle grips (See Figure 3). These levers individually control the
speed and direction of each drive wheel. When the speed control lever is
moved out of the neutral position and the neutral lock latches are moved into
the drive position, as shown in Figure 3, and the drive levers are released, the
drive wheels are engaged in the forward direction.
Squeezing the left hand and/or right hand lever causes the left hand and/or right
hand drive wheel respectively to slow down, stop, or reverse, depending on how
far each drive lever is “squeezed”. Squeezing the drive levers beyond the
neutral position causes the drive wheels to engage in the reverse direction
regardless of the position of the neutral lock latches and the speed control lever.
4.1.3 Neutral Lock Latches: Located at the end of the handles. These latches allow
the operator to lock the drive levers in “neutral” where neither the drive wheels
are engaged in either a forward or reverse direction. See Figure 3.
FIGURE 3
DRIVE LEVER, NEUTRAL LOCK LATCH
4.1.4 PTO Engagement: Switch is located on left side of control console. The switch
must be pulled out to the ”Rotate” position to engage the blades. The switch is
pushed in to the “Stop” position to stop the blades. Operator must have operator
presence control levers depressed when blades are engaged or engine will stop.
4.1.5 Choke Control: Located on the control console upper right hand side. Choke is
used to aid in starting a cold engine. The choke control is pulled out to be in the
“ON” position and pushed in to be in the “OFF” position. DO NOT run a warm
engine with choke in the “ON” position.
4.1.6 Throttle Control: Located on the control console’s right side below the choke
control. The throttle is used to control engine speed. Moving the throttle
control forward will increase engine speed and moving it to the rear will
decrease engine speed.
4.1.7 Speed Control Lever: Located in middle of control console, it controls the maximum
forward speed and is infinitely variable from neutral (0 mph) to 6.75 mph.
Park brake must be disengaged to move speed control out of neutral or engine
will kill.

- 15 -
4.1.8 Ignition Switch: Located on the control console left side. The ignition switch is
used to start and stop the engine. The ignition switch has three positions, “Off”,
“On” and “Start”. Insert key into switch and rotate clockwise to the “On” position.
Rotate clockwise to the next position to engage the starter (key must be held
against spring pressure in this position). Operator must have speed control lever
in neutral, OPC levers depressed and PTO disengaged to start engine. When
engine starts, release key.
4.1.9 Hour Meter: Located on the left hand side of console just above the PTO
switch. The hour meter is connected to a pressure switch installed in the
engine block and it records the number of hours that the engine has run. If
ignition switch is left on without engine running, hour meter will not run.
NOTE: This switch is not a low oil sensor and will not alert the operator if the
engine oil is low.
4.1.10 Fuel Shut-Off Valve: Installed in the fuel line midway between the tank and
engine. The fuel shut-off valve is used to shut off the flow of fuel when
parking inside a building, during transportation to and from the job sites, and
when the machine will not be used for a few days.
Rotate valve 1/4 turn clockwise to shut fuel off. Rotate valve 1/4 turn counter-
clockwise to turn fuel on.
4.1.11 Drive Wheel Release Valves: Located on the top left rear corner of the left
hydrostatic pump and top right front corner of the right hydrostatic pump. Drive
wheel release valves are used to release the hydro-static drive system to allow
the machine to be moved by hand without the engine running. Turn valves
one-half turn counterclockwise to release the drive system. Turn clockwise to
reset the drive system. Do Not over tighten.
4.1.12 Tracking Adjustment Knob: Located on the right-hand side of the rear of the
fuel tank support. The knob can be adjusted so that machine will “track”
straight ahead with the drive levers released.
4.1.13 Park Brake Lever: Located on the left side of the unit above the hydraulic
tank. The brake lever engages the park brake on the drive wheels.
Pull the lever up and rearward to engage the brake.
Push the lever forward and down to disengage the brake.
When parking on a steep slope, the wheels must be chocked or blocked in
addition to the brake being engaged. The unit must be tied down and brake
engaged when transporting,
Park brake must be disengaged to move speed control out of neutral or engine
will kill.
4.2 PRE-START
4.2.1 Fill fuel tank. For best results use only clean fresh regular grade unleaded
gasoline with an octane rating of 87 or higher. Regular grade leaded gasoline
may also be used; however, combustion chamber and cylinder head will
require more frequent service. See Engine Owner's Manual. Do not add oil to
gasoline.
4.2.2 Refer to Maintenance and Adjustment Section 5 and perform all of the
necessary inspection and maintenance steps.
4.2.3 Make sure you understand the controls, their locations, their functions, and
their safety requirements.
4.3 OPERATING INSTRUCTIONS
4.3.1 Starting Engine: Open fuel valve.
Operator must have Operator Presence Control (OPC) levers depressed, the
PTO disengaged and speed control lever in neutral.

- 16 -
On a cold engine, place the throttle midway between the “Slow” and “Fast”
positions and place the choke in the “On” position. On a warm engine, place
the throttle lever midway between “Slow” and “Fast” positions and leave the
choke in the “Off” position.
Turn ignition switch to “Start” position. Release the switch as soon as the
engine starts.
On a cold engine, gradually return choke to the “Off” position after engine
starts and warms up.
IMPORTANT: Do not crank the engine continuously for more than ten
(10) seconds at a time. If the engine does not start, allow a 60 second
starter cool-down period between starting attempts. Failure to follow
these guidelines can burn out the starter motor.
NOTE: It is helpful to have the left and right neutral lock latches applied when
starting the engine, See Controls Section 4.1.3.
4.3.2 Stopping Engine: Lock drive levers in neutral, disengage PTO, move speed
control lever to neutral, and engage park brake. Move throttle to the “midway”
position. Allow engine to run a minimum of 15 seconds. Rotate ignition switch
to “Off” position. Remove key to prevent children or other unauthorized
persons from starting engine.
Close fuel shut-off valve when machine will not be used for a few days, when
transporting, and when the unit is parked inside a building.
4.3.3 Drive Lever/Neutral Lock Latch Operation:
To lock the drive levers in “neutral lock”, squeeze the drive levers to the
neutral position. See Figure 4 (a). Place thumbs on the inner lobe of the
neutral lock latches and rotate them under the drive levers into the “neutral
lock” position. See Figure 4 (b). Release the drive levers.
CAUTION
POTENTIAL HAZARD
♦ If the neutral lock latches are not completely engaged
the drive levers could unexpectedly slip into the
forward drive position.
WHAT CAN HAPPEN
♦ If the drive levers slip into the drive position the unit
could lurch forward and cause injury or property
damage.
HOW TO AVOID THE HAZARD
♦ Be sure the drive levers are past the roller and
securely seated at the bottom of the neutral lock
latches.
To place the drive levers in the “forward” position, slightly squeeze the drive
levers while placing thumbs on the outer thumb lobe of the neutral lock latches
(or the index finger on the front lobe) and rotate them from under the drive
levers. Slowly and carefully release the drive levers. See Figure 4 (c).
To place the drive levers in the “reverse” position, squeeze the drive levers
past the neutral position. See Figure 4 (d).

- 17 -
FIGURE 4
DRIVE LEVER, NEUTRAL LOCK LATCH OPERATION
4.3.4 Drive Wheel Engagement/Turning: With drive levers locked in neutral, shift
speed control lever to desired forward speed. Slowly squeeze and hold both
drive levers in the neutral position and rotate both neutral lock latches
from the neutral lock position to the forward position.
For straight ahead motion: Smoothly release both drive levers to engage drive
wheels.
For turning: Squeeze the right hand drive lever to turn right and the left hand
drive lever to turn left. To make a “zero turn”, squeeze either the left hand or
the right hand drive lever back into the reverse position while the opposite drive
lever is in a forward position at an equal but opposite speed.
For reverse: Squeeze both drive levers into the reverse position (See Figure 4).
For smooth operation of this machine, avoid quick, jerky movements of the
drive levers. Move the drive levers smoothly and deliberately.
4.3.5 To Stop: Squeeze drive levers back to the neutral position. Move the neutral
lock latches into the neutral lock position and release drive levers. Move the
speed control lever to the neutral position.
4.3.6 Engaging PTO: The PTO switch engages the cutting blades. Be sure that all
persons are clear of mower deck and discharge area before engaging the PTO.
Set throttle to “midway” position. The switch must be pulled out to the “Rotate’
position to engage the blades. Accelerate to full throttle to begin mowing.
4.3.7 Stopping PTO: The switch is pushed in to the “Stop” position to stop the blades.
(a) (b)
(c) (d)

- 18 -
4.4 TRANSPORTING
WARNING
POTENTIAL HAZARD
♦ Loading the mower onto a trailer without strong
enough or properly supported ramps could be
dangerous.
WHAT CAN HAPPEN
♦ The ramps could collapse causing the unit to fall,
which could cause injury.
HOW TO AVOID THE HAZARD
♦ Use proper ramps that are secured to the truck or
trailer.
♦ Keep feet and legs out from under the unit when
loading and unloading.
♦ If necessary, use assistance when loading.
Use a heavy duty trailer to transport the machine. Engage neutral lock latches
and park brake, then block wheels.
Securely fasten the machine to the trailer with straps, chains, cables, or ropes.
Be sure that the trailer has all necessary lighting and marking as required by
law and use a safety chain.
5. MAINTENANCE & ADJUSTMENTS
5.1 PERIODIC MAINTENANCE
WARNING
POTENTIAL HAZARD
♦ If you leave the key in the ignition switch, someone
could start the engine.
WHAT CAN HAPPEN
♦ Accidental starting of the engine could seriously injure
you or other bystanders.
HOW TO AVOID THE HAZARD
♦ Remove the key from the ignition switch and pull the
wire(s) off the spark plug(s) before you do any
maintenance. Also push the wire(s) aside so it does
not accidentally contact the spark plug(s).
WARNING
POTENTIAL HAZARD
♦ The engine can become very hot.
WHAT CAN HAPPEN
♦ Touching a hot engine can cause severe burns.
HOW TO AVOID THE HAZARD
♦ Allow the engine to cool completely before service or
making repairs around the engine area.

- 19 -
5.1.1 Check engine oil level.
Service Interval: See Engine Owner's Manual
a) Stop engine, wait for all moving parts to stop and make sure unit is on a
level surface.
b) Check with engine cool.
c) Clean area around dipstick. Remove dipstick and wipe oil off. Reinsert the
dipstick. DO NOT screw into place. Remove dipstick and check oil level.
d) If the oil level is low, add oil as specified in the Engine Owner’s Manual to
bring the oil level up to the “FULL” mark on the dipstick. DO NOT
OVERFILL.
IMPORTANT: DO NOT operate the engine with oil level below the
“LOW” (or “ADD”) mark or over the “FULL” mark.
5.1.2 Clean engine air cooling system.
Service Interval: See Engine Owner's Manual
CAUTION
POTENTIAL HAZARD
♦ Excessive debris can cause the engine and hydraulic
system to overheat.
WHAT CAN HAPPEN
♦ Excessive debris around the engine cooling air intake
and around the hydraulic pumps can create a fire
hazard.
HOW TO AVOID THE HAZARD
♦ Clean all debris from around the engine and hydraulic
pumps daily.
a) Stop engine, wait for all moving parts to stop, and remove key.
b) Clean all debris from engine air intake screen, around engine shrouding,
and around the hydraulic pumps.
5.1.3 Clean grass build-up under mower deck and check mower blades.
Service Interval: Daily
CAUTION
POTENTIAL HAZARD
♦ Raising the mower deck for service or maintenance
relying solely on mechanical or hydraulic jacks could
be dangerous.
WHAT CAN HAPPEN
♦ The mechanical or hydraulic jacks may not be enough
support or may misfunction allowing the unit to fall,
which could cause injury.
HOW TO AVOID THE HAZARD
♦ DO NOT rely solely on mechanical or hydraulic jacks
for support. Use adequate jack stands or equivalent
support.
a) Disengage PTO.
b) Stop engine, wait for all moving parts to stop, and remove key.
c) Raise deck and block up using proper safety precautions.

- 20 -
d) Clean out any grass build-up from underside of deck and in deck
discharge chute.
e) Inspect blades and sharpen or replace as required.
f) If blade removal is necessary, be careful for the sharp cutting edges of
the blades.
g) Re-install the blades (if they were removed) by placing a block of wood
between the front or rear baffles and the blade then torquing the blade
bolts to 115-120 ft. lbs. Be sure the spring disk washer cone is installed
toward the bolt head (See Figure 5).
CAUTION
POTENTIAL HAZARD
♦ Operating a mower deck with loose or weakened
blade bolts can be dangerous.
WHAT CAN HAPPEN
♦ A loose or weakened blade bolt could allow a blade
rotating at a high speed to come out from under the
deck, causing serious injury or property damage.
HOW TO AVOID THE HAZARD
♦ Replace the blade bolt after striking a foreign object.
(Use only Exmark replacement parts PN 103-0862 –
blade bolt and PN 103-0865 – spring disc washer).
♦ DO NOT lubricate the threads of the bolt or spindle
before assembly.
♦ Torque the blade bolt to 115-120 ft. lbs.
h) Remove jack stands (or equivalent support) and lower deck to ground.
FIGURE 5
BLADE BOLT INSTALLATION
5.1.4 Check safety interlock system.
Service Interval: Daily
a) Check starting circuit. Starter should crank with: Operator Presence
Control levers depressed, speed control lever in neutral, and PTO
disengaged.
Try to start the engine with OPC levers disengaged, speed control lever in
neutral and PTO disengaged - starter MUST NOT crank.
Try to start with, OPC levers depressed, speed control lever in any
speed but neutral and PTO disengaged - starter MUST NOT crank.

- 21 -
Try to start with OPC levers depressed, speed control lever in neutral
and PTO engaged - starter MUST NOT crank.
b) Check OPC circuits. Clear the area. Run engine at one-third throttle,
then, with drive levers and neutral lock latches in neutral lock position,
move the speed control lever out of neutral and release OPC levers
engine MUST stop. Again, run engine at one-third throttle, move the
speed control lever to neutral, engage PTO and release OPC levers -
engine MUST stop.
c) If machine does not pass any of these tests, DO NOT operate. Contact
your authorized EXMARK SERVICE DEALER.
IMPORTANT: It is essential that all Operator Safety Mechanisms, be in
place and in proper operating condition prior to mowing.
5.1.5 Check for loose hardware.
Service Interval: Daily
a) Stop engine, wait for all moving parts to stop, and remove key.
b) Visually inspect machine for any loose hardware or any other possible
problem. Tighten hardware or correct the problem before operating.
5.1.6 Service air cleaner.
For Kawasaki units with Standard air cleaner:
Service Interval: 25 hrs.
more often under sever conditions.
a) Stop engine, wait for all moving parts to stop, and remove key.
b) Remove foam pre-cleaner compartment cover.
c) Remove foam pre-cleaner element and wash in warm water with
detergent. Rinse until all traces of detergent are eliminated and squeeze
out excess water (DO NOT wring). Air dry. Saturate with engine oil and
squeeze out excess oil.
d) Check paper element. Gently tap the flat side of the paper element to
dislodge any dirt. DO NOT wash or use pressurized air to clean paper
element. Replace if dirty, bent or damaged.
e) Reinstall foam pre-cleaner to paper element, then reinstall paper element
and cover.
For Kohler units with canister type 2 stage air cleaner:
Service Interval: 25 hrs.
more often under sever conditions.
a) Stop engine, wait for all moving parts to stop, and remove key.
b) Loosen retaining clips and remove air cleaner compartment cover.
c) Check paper element. Gently tap the paper element to dislodge any dirt.
DO NOT wash or use pressurized air to clean paper element. Replace if
dirty, bent or damaged.
d) Reinstall paper element. Position the cover so that the rubber dust
ejector is pointing downward and secure with retaining clips.
5.1.7 Change engine oil.
Service Interval: See Engine Owner's Manual
NOTE: Change oil after first five (5) hours of operation. Follow engine
manufacturers recommendations for future oil changes.
a) Disengage PTO.
b) Stop engine, wait for all moving parts to stop, and remove key.

- 22 -
c) Drain oil while engine is warm from operation.
d) Oil drain valve is located on the right hand side of Kohler engines and the
left hand side for Kawasaki engines. Place pan under machine to catch oil
and open valve with a 10 mm wrench. Allow oil to drain then close the
valve.
e) Replace the oil filter as per Engine Owner's Manual. Clean around oil
filter and unscrew filter to remove. Before reinstalling new filter, apply a
thin coating of oil on the surface of the rubber seal. Turn filter clockwise
until rubber seal contacts the filter adapter, then tighten filter an additional
2/3 to 3/4 turn.
f) Clean around oil fill cap and remove cap. Fill to the specified capacity
and replace cap. Use oil as specified in Engine Owners Manual. Do not
overfill.
g) Start the engine and check for leaks. Stop engine and recheck oil level.
5.1.8 Check the battery charge.
Allowing the batteries to stand for an extended period without recharging them
will result in reduced performance and service life. To preserve optimum battery
performance and life, recharge batteries in storage when the open circuit voltage
drops to 12.4 volts.
Note: To prevent damage due to freezing, battery should be fully charged before
putting away for winter storage.
Check the voltage of the battery with a digital voltmeter. Locate the voltage
reading of the battery in the table below and charge the battery for the
recommended time interval to bring the charge up to a full charge of 12.6 volts
or greater.
IMPORTANT: Make sure the negative battery cables are disconnected and
the battery charger used for charging the battery has an output of 16 volts and
7 amps or less to avoid damaging the battery (see chart below for
recommended charger settings).
Voltage
Reading Percent
Charge Maximum
Charger Settings Charging Interval
12.6 or greater 100% 16 volts/7 amps No Charging Required
12.4 – 12.6 75 – 100% 16 volts/7 amps 30 Minutes
12.2 – 12.4 50 – 75% 16 volts/7 amps 1 Hour
12.0 – 12.2 25 – 50% 14.4 volts/4 amps 2 Hours
11.7 – 12.0 0 – 25% 14.4 volts/4 amps 3 Hours
11.7 or less 0% 14.4 volts/2 amps 6 Hours or More
5.1.9 Check hydraulic oil level.
Service Interval: 40 hr.
a) Stop engine and wait for all moving parts to stop.
b) Clean area around hydraulic reservoir cap and remove cap.
c) Check hydraulic reservoir and if necessary fill the reservoir to the
appropriate level with Mobil 1 15W-50 synthetic motor oil. Replace
hydraulic reservoir cap and tighten until snug. Do not overtighten.
NOTE: The baffle is labeled “HOT” and “COLD”. The oil level varies with
the temperature of the oil. The “HOT” level shows the level of oil when it is
at 225°F (107°C). The “COLD” level shows the level of the oil when it is at
75°F (24°C). Fill to the appropriate level depending upon the temperature
of the oil. For example: If the oil is about 150°F (65°C), fill to halfway
between the “HOT” and “COLD” levels. If the oil is at room temperature
(about 75°F (24°C)), fill only to the “COLD” level.

- 23 -
WARNING
POTENTIAL HAZARD
♦ Hydraulic fluid escaping under pressure can penetrate
skin and cause injury.
WHAT CAN HAPPEN
♦ Fluid accidentally injected into the skin must be
surgically removed within a few hours by a doctor
familiar with this form of injury or gangrene may result.
HOW TO AVOID THE HAZARD
♦ Make sure all hydraulic fluid hoses and lines are in
good condition an all hydraulic connections and fittings
are tight before applying pressure to hydraulic system.
♦ Keep body and hands away from pinhole leaks or
nozzles that eject high pressure hydraulic fluid.
♦ Use cardboard or paper, not your hands, to find
hydraulic leaks.
♦ Safely relieve all pressure in the hydraulic system by
locking drive levers in neutral and shutting off the
engine before performing any work on the hydraulic
system.
5.1.10 Change hydraulic system filter.
Service Interval: After First 250 hrs, then yearly thereafter.
Note: Use only Exmark P/N 1-513211 for Summer use above 32° F (0° C) or
P/N 1-523541 for Winter use below 32° F (0° C). (Refer to Section 2.6.2 for
filter specifications)
a) Place unit on a level surface. Stop engine, wait for all moving parts to
stop, and remove key.
b) Carefully clean area around filter. It is important that no dirt or
contamination enters the hydraulic system.
c) Unscrew filter to remove and allow oil to drain from reservoir.
IMPORTANT: Before re-installing new filter, fill it completely with Mobil 1 15W-
50 and apply a thin coat of oil on the surface of the rubber seal. Turn filter
clockwise until rubber seal contacts the filter adapter. Do not tighten yet.
d) Fill reservoir as stated in Section 5.1.9.
e) Loosen filter 1/2 turn and allow a small amount of oil to leak from the oil
filter (this allows air to be purged from the oil filter and supply hose from
the hydraulic reservoir). Turn filter clockwise until rubber seal contacts
the filter adapter. Then tighten the filter an additional 2/3 to 3/4 turn.
f) Raise the rear of the machine up onto jack stands high enough to raise
the drive wheels off of the ground. Run machine to allow any other air to
be purged from the hydraulic system and recheck the oil level.
g) If either drive wheel does not rotate, one or both of the charge pumps
(located on the top of the main pump as shown in Figure 6) may have lost
their “prime”. Refer to Section 5.1.11.
h) Do not change hydraulic system oil (except what can be drained when
changing filter) unless it is felt that oil has been contaminated. Changing
oil unnecessarily could damage the hydraulic system by introducing
contaminates into the system.

- 24 -
CHARGE PUMP CA
P
LOOSEN 1-1/2
TURNS ONLY
5.1.11 Hydraulic system air purge procedure.
Air must be purged from the hydraulic system when any hydraulic components,
including oil filter, are removed or any of the hydraulic lines are disconnected.
The critical area for purging air from the hydraulic system is between the oil
reservoir and each charge pump located on the top of each variable
displacement pump. (See Figure 6). Air in other parts of the hydraulic system
will be purged through normal operation once the charge pump is “primed”.
FIGURE 6
CHARGE PUMP LOCATION
a) Stop engine and wait for all moving parts to stop. Raise the rear of the
machine up onto jack stands high enough to raise the drive wheels off
the ground.
b) Check oil level as stated in Section 5.1.9.
c) Start engine and move throttle control ahead to full throttle position.
Move the speed control lever to the middle speed position and place the
drive levers in the “drive” position.
If either drive wheel does not rotate, it is possible to assist the purging of
the charge pump by carefully rotating the tire in the forward position.
NOTE: It is necessary to lightly touch the charge pump cap with your
hand to check the pump temperature. If the cap is too hot to touch, turn
off engine. The pumps may be damaged if the pump becomes too hot.
If either drive wheel still does not rotate continue with step (d).
d) Thoroughly clean the area around each of the charge pump housings.
e) To “prime” charge pump, loosen two hex socket head capscrews (shown in
Figure 6) 1-1/2 turns only. Make sure engine is not running. Lift the
charge pump housing upward and wait for a steady flow of oil to flow out
from under the housing. Retighten the capscrews. Do this for both pumps.
Note: Hydraulic reservoir can be pressurized up to 5 psi to speed this
process.
f) If either drive wheel still does not rotate, stop and repeat steps (d) and (e)
above for the respective pump. If wheels rotate slowly, the system may
prime after additional running. Check oil level as stated in Section 5.1.9.
g) Allow unit to run several minutes after the charge pumps are “primed”
with drive system in the full speed position. Check oil level as stated in
Section 5.1.9.
h) Check hydro drive linkage adjustment as stated in Section 5.2.5.
5.1.12 Check tire pressures.
Service Interval: 40 hrs.

- 25 -
a) Stop engine, wait for all moving parts to stop, and remove key. Check air
pressure in tires; recommended tire pressure is: rear, 12-16 psi; front
casters, 15-17 psi.
b) Inflate tires to pressures stated above. Measure circumference of each
drive tire. Adjust tire pressures within the above range to try to make tire
circumferences match as closely as possible.
Note: Front caster tires have permanent tire sealant installed.
5.1.13 Inspect Belt wear.
Service Interval: 40 hrs.
a) Stop engine, wait for all moving parts to stop, and remove key.
b) Remove the three mower deck belt shields to check mower primary and
secondary belt condition.
c) Look under engine deck to check the pump drive belt condition.
d) Check all idler arms to be sure they pivot freely.
5.1.14 Lubrication
a) Stop engine, wait for all moving parts to stop, and remove key.
b) Lubricate fittings with one to two pumps of NGLI grade #2 multi-purpose
gun grease.
Refer to the following chart for fitting locations and lubrication schedule.
LUBRICATION CHART
FITTING
LOCATIONS INITIAL
PUMPS No. of
PLACES SERVICE
INTERVAL
1. Caster Wheel Bearings *0 2 *Yearly
2. Caster Pivots *0 2 *Yearly
3. Idler Pivots (Mower Deck) 1 2 Weekly
4. Idler Pivot (Pump Drive) 2 1 Weekly
5. Hydro Control Arm Support Bushings 2 2 Weekly
∗
∗∗
∗ See 5.1.14 Section c) for special lubrication instructions on the front caster pivots
and Section 5.1.15 for special lubrication instructions on the front caster wheel hubs.
No. 4 (Idler Pivot (Pump Drive))
Located Under Engine Deck
No. 3 & 4 (Idler Pivots)
Disassemble and grease once a
month under a “No Load” condition.
c) Lubricate front caster pivots once a year. Remove hex plug and cap.
Thread grease zerk in hole and pump with grease until it oozes out
around top bearing. Remove grease zerk and thread plug back in.
Place cap back on.
5.1.15 Lubricate caster wheel hubs:
Service Interval: Once Yearly
a) Stop engine, wait for all moving parts to stop, and remove key.

- 26 -
b) Disassemble the caster wheels, pry out seals, and inspect bearings for
wear or damage and replace if necessary.
c) Pack the bearings with NGLI grade #2 multi-purpose gun grease.
d) Insert (1) bearing, (1) new seal, and (1) bearing spacer.
NOTE: Seals (Exmark PN 103-0063) must be replaced.
e) Insert Caster Spacer.
f) With open end of wheel up, fill area inside wheel around caster spacer
with gun grease.
g) Insert the second (1) bearing, (1) new seal, and (1) bearing spacer.
h) Put wheel and tire assembly on the unit and adjust by tightening the nyloc
nut until wheel will not turn freely. Back nut off 1/6 of a turn so the wheel
will just turn with a slight amount of drag.
IMPORTANT: To prevent seal and bearing damage, check the bearing
adjustment often. Spin the caster tire. The tire should not spin freely
(more than 1 or 2 revolutions) or have any side play. If the wheel spins
freely adjust per step h).
5.1.16 Check spark plugs.
Service Interval: 160 hrs.
a) Remove spark plugs, check condition and adjust plug gap or replace with
new plugs. See Engine Owner's Manual.
5.1.17 Remove engine shrouds and clean cooling fins.
Service Interval: See Engine Owner's Manual
a) Stop engine, wait for all moving parts to stop, and remove key.
b) Remove cooling shroud cleanout covers (Kohler) or cooling shrouds
(Kawasaki) from engine and clean cooling fins. Also clean dust, dirt, and
oil from external surfaces of engine which can cause improper cooling.
c) Make sure cooling shroud cleanout covers or cooling shrouds are
properly reinstalled. Operating the engine without cooling shroud
cleanout covers or cooling shrouds will cause engine damage due to
overheating.
5.1.18 Change fuel filter.
Service Interval: As Required
a) A fuel filter is installed in the fuel line between the fuel tank and the
engine. Replace when necessary.
For Kohler engines use Kohler P/N 2405002
For Kawasaki engines use Kawasaki P/N 49019-7001
5.1.19 Wheel hub - slotted nut torque specification.
When tightening the slotted nut on the wheel motor tapered shaft:
a) Torque the slotted nut to 100 ft. lbs.
b) Further tighten the nut until the next set of slots line up with the cross
hole in the shaft.
c) Replace cotter pin.
Note: Do not use anti-seize compound on the wheel hub.
5.1.20 Thread locking adhesives such as “Loctite 242” or “Fel-Pro, Pro-Lock Nut-
Type” are used on the following fasteners:
a) Pump drive sheave setscrews.
b) Square head setscrews on Hydro pump control arms.

- 27 -
c) Shoulder bolts in ends of speed control crank.
e) OPC lever setscrews.
f) Electric clutch retaining bolt.
g) Pump drive idler pivot bolt.
Adhesives such as “Loctite RC/609 or RC/680” or “Fel-Pro Pro-Lock Retaining
I or Retaining II” are used on the following:
a) OPC lever hubs and cross-shaft
NOTE: Care must be used not to bond the bearing, next to each OPC
hub, to the cross shaft which could cause binding of the OPC levers and
erratic operation.
5.1.21 Dielectric grease is used on all blade type electrical connections to prevent
corrosion and loss of contact.
5.2 ADJUSTMENTS
IMPORTANT: Disengage PTO, shut off engine, wait for all moving parts to stop,
and remove key before servicing, cleaning, or making adjustments.
5.2.1 Cutting height and anti-scalp roller adjustment.
CAUTION
POTENTIAL HAZARD
♦ When mower deck is not installed or the two front
support rod hairpins are removed, the unbalanced
weight of the tractor or tractor with mounted mower
deck support frame may cause the front of the unit to
rise suddenly.
WHAT CAN HAPPEN
♦ If the unit rises suddenly, injury may occur.
HOW TO AVOID THE HAZARD
♦ Securely hold down the front end of the unit when the
mower deck is not installed or front support rod
hairpins are removed.
a) Stop engine and wait for all moving parts to stop.
b) Install hairpin clips in the holes for the desired cutting height (See Figure 9).
IMPORTANT: To maintain correct cutting height and rake, check the
following for proper adjustment.
1. The front and rear hairpins are in the same holes with the proper spacers
under the hair pins (See Figure 7).
2. The tire pressures are set as directed in Section 5.1.12.
3. The length of the rear deck support link assemblies are set to 6.89”
(approximately 6 7/8”) from the center of the balljoint to the center of the
farthest hole (See Figure 7).

- 28 -
FIGURE 7
CUTTING HEIGHT ADJUSTMENT
FIGURE 8
ANTI-SCALP ROLLER BOLT INSTALLATION
ANTI-SCALP ROLLER ADJUSTMENT
CUTTING HEIGHT ADJUSTMENT
b) Adjust anti-scalp rollers for Normal Operating Conditions. Place rollers in
one of the positions shown in Figure 8. Rollers will maintain 3/4 in. (19
mm) clearance to the ground to minimize gouging and roller wear or
damage. For Maximum Deck Flotation, place rollers one hole position
lower. Rollers should maintain 1/4 in. (6.4 mm) clearance to ground. Do
Not adjust rollers to support the deck. Be sure roller bolts and nuts are
installed with the spring disc washer between head of the bolt and
mounting bracket. Torque to 40-45 ft-lbs, or loss of roller may result.
c) When operating in extremely rough conditions it may be necessary to
position the anti-scalp rollers one or two holes higher than described in
"b" to prevent damage to the rollers and/or bolt failure (See Figure 8).
NOTE: When anti-scalp rollers are placed in these positions, reduced
deck floatation will result.
5.2.2 Pump drive belt tension adjustment:
No adjustment necessary.
5.2.3 Mower deck drive belt:
No adjustment necessary.
LEFT HAND
SIDE SHOWN

- 29 -
5.2.4 Blade drive belt tension:
No adjustment necessary.
5.2.5 Hydro Drive Linkage Adjustment:
a) Adjust Speed Control Linkage and Neutral Safety Switch
1. Stop engine and wait for all moving parts to stop.
2. Move speed control lever (located on console) to the full forward
position and check orientation of tabs on the ends of the speed control
crank (See Figure 9). These tabs should be pointing straight down at
the 6 o’clock position or slightly forward. Adjust threaded yoke at the
bottom of speed control linkage (See Figure 9) until tabs are positioned
correctly.
3. Pull speed control lever back to neutral. Check that the neutral safety
switch actuating tab has depressed the plunger of the switch so that
there is about 5/16” between the tab and the switch (See Figure 9). If
necessary, move the switch fore and aft.
FIGURE 9
NEUTRAL SAFETY SWITCH ADJUSTMENT
b) Adjust Neutral Control Linkages
1. Raise the rear of the machine up onto jack stands high enough to
raise the drive wheels off of the ground.
2. Start the engine and move the throttle ahead to the full throttle position.
Place the neutral lock latches in the forward position as shown in Figure
5 and move the speed control lever to the “mid-speed” position.
Note: The OPC levers must be held down whenever the speed
control lever is out of the neutral position or the engine will kill.
3. Squeeze the respective drive lever until an increased resistance is
felt; this is where neutral should be.
If the wheel turns while holding the drive lever in neutral, the neutral
control linkages need to be adjusted. If wheels stop then go to step 7.
FIGURE 10
HYDRO DRIVE LINKAGE ADJUSTMENT

- 30 -
4. Loosen the nut against the neutral control linkage yoke as shown in
Figure 10.
5. Adjust the neutral control linkage until the respective drive wheel
stops when the lever is pulled against the neutral spring (neutral
position). Turn the adjusting bolt approximately 1/4 turn clockwise if
the wheel is turning in reverse or turn the bolt approximately 1/4 turn
counter-clockwise if the wheel is turning forward. Release the drive
lever to the forward drive position and squeeze back into the neutral
position. Check to see if the wheel stops. If not, repeat the above
adjustment procedure.
6. Make this adjustment on both sides.
7. After adjustments are made and the wheels stop when the drive lever
is in the neutral position, tighten the nut against the yokes.
c) Adjust Hydro Control Linkage:
1. Place the speed control lever in the “neutral” position. This adjustment
is again made with rear of machine on jack stands and engine running
at full throttle. OPC levers will have to be held down whenever speed
control lever is moved out of neutral position.
Note: The neutral lock latches should still be “unlocked” and in the
forward position.
2. Loosen the front nut on left hydro control link as shown in Figure 10.
Turn the rear control linkage adjusting nut counter-clockwise until
wheel rotates forward. Turn the rear nut of left control link clockwise
1/4 of a turn at a time, stopping to move the speed control forward
and back to neutral, until left wheel stops rotating forward. Turn the
nut an additional 1/2 turn and tighten the front jam nut making sure
not to put a bind on the linkage. Make sure flat part of linkage is
perpendicular to pin part of swivel. See Figure 11.
FIGURE 11
HYDRO CONTROL LINKAGE/SWIVEL ADJUSTMENT
After adjusting the left hydro control linkage, move the speed control lever to
the mid-speed position and then back to the neutral position. Recheck the left
drive wheel rotation to see if further adjustment is necessary - be sure the
speed control lever is in the neutral position.
If inconsistent neutral occurs, check to be sure both springs are properly
tightened on the speed control lever under the console - especially the
rear pivot spring.
Repeat above adjustments if necessary.
3. Place the speed control lever in neutral. Adjust the right side linkage
by turning the quick track knob counter-clockwise until the tire begins
to rotate forward. Begin to retighten the knob clockwise about 1/4
turn at a time, stopping to move the speed control forward and back
to neutral. Recheck the drive wheel rotation to see if further
adjustment is necessary.

- 31 -
4. The spring that keeps tension on the knob should normally not need
adjustment. However, if adjustment is needed, adjust to where length
of spring is about 1” between washers. Adjust spring length by
turning nut at front of spring.
d) Drive Lever Linkage Adjustment
1. With rear of machine still on jack stands and engine running at full
throttle, move the speed control lever to the midway position. Move the
respective drive lever upward until it reaches the neutral position and
engage neutral lock latches. See Figure 4. If the tire rotates in either
direction, the length of the drive lever linkage will need to be adjusted.
2. Adjust the linkage length by loosening the jam nuts at both ends of
the linkage and rotating the linkage in the ball joints. Lengthen the
linkage if the tire is turning in reverse and shorten the linkage if the
tire is creeping forward. Tighten the jam nuts at both ends. Release
and re-engage the neutral lock checking that the tire stops. Continue
this process until the tire is at a dead stop.
3. Make this adjustment for both sides.
e) Tracking Adjustment
1. Stop engine and wait for all moving parts to stop. Raise rear of machine,
remove jack stands, and carefully lower machine to the ground.
2. Check the drive tire pressures and tire circumferences. See 5.1.12.
3. Run the unit and observe the tracking on a level, smooth, hard
surface such as concrete or asphalt.
4. If the unit tracks to one side or the other, turn the quick track knob.
Turn the knob right to “steer” right, turn the knob left to “steer” left.
5.2.6 Hydro Pump Spring Tension Setting
a) For medium or heavy duty drive conditions such as operation with a sulky
on steep slopes, a higher spring force may be required on the hydro
pump control arms to prevent the drive system from stalling.
b) For a heavier drive setting, relocate the spring anchor link as shown in
Figure 12. The spring anchor links are located under the engine deck on
the left and right hand sides.
Note: In “medium” or “heavy duty” positions, the drive lever forces at the
upper handle will also be increased.
FIGURE 12
HYDRO PUMP SPRING TENSION SETTING
5.2.7 Throttle Control Adjustment
a) Loosen cable clamp on engine and position throttle control (at the control
console) within 1/4" (6 mm) from the upper end of the slot. Pull on cable
assembly at lower end where it attaches to the engine until the throttle
control arm contacts the stop screw. Secure cable with cable clamp.
b) Tension in throttle lever can be adjusted by adjusting the tightness of the
lever pivot bolt, which is located under the console.
5.2.8 Electric Clutch Adjustment
No adjustment necessary.

- 32 -
6. WASTE DISPOSAL
6.1 MOTOR OIL DISPOSAL
Engine oil and hydraulic oil are both pollutants to the environment. Dispose of used
oil at a certified recycling center or according to your state and local regulations.
6.2 BATTERY DISPOSAL
DANGER
POTENTIAL HAZARD
♦ Battery electrolyte contains sulfuric acid, which is
poisonous and can cause severe burns
WHAT CAN HAPPEN
♦ Swallowing electrolyte can be fatal or if it touches skin
can cause severe burns.
HOW TO AVOID THE HAZARD
♦ Wear safety glasses to shield eyes, and rubber gloves
to protect skin and clothing when handling electrolyte.
♦ Do not swallow electrolyte.
Federal law states that batteries should not be placed in the garbage. Management
and disposal practices must be within relevant federal, state, or local laws.
If a battery is being replaced or if the unit containing the battery is no longer
operating and is being scrapped, take the battery to a local certified recycling center.
If no local recycling is available return the battery to any certified battery reseller.
7. TROUBLE SHOOTING
7.1 MOWER TRACKS TO LEFT OR RIGHT.
a) Check the drive tire pressures and tire circumferences. See 5.1.12.
b) Turn knob on the right hydro control linkage in the direction that the mower
needs to be adjusted to. Turn the knob in 1/4 turn increments until the mower
tracks correctly.
7.2 MOWER CUTS UNEVENLY.
a) Check the drive tire pressures and tire circumferences. See 5.1.12. A more
uniform cutting height may be obtained with higher tire pressure on rough
terrain. A lower tire pressure provides more flotation.
b) Check deck support pins. Hairpin clips must be in the same hole position on
each support pin. See Section 5.2.1.
c) Check deck support alignment and check mounting brackets to be sure all bolts
are tight.
d) Check blades tip to tip for straightness. (They should be within 3/16”, or one
blade width from being in line.)
7.3 ENGINE WILL NOT START.
a) Check that the throttle control is midway between “slow” and “fast” positions, and
choke is in “on” position for a cold engine or “off” position for a warm engine.
b) Make sure the speed control lever is in the “true neutral” position. (See Section
5.2.5)
c) Check that the PTO is disengaged.
d) Make sure the "OPC" levers are depressed.
e) Check that there is fuel in the tank and that the fuel valve is open.
f) Check that the spark plug wires are properly connected.

- 33 -
g) Check for loose or faulty wiring connections. If it is necessary to disconnect
wire connectors, Do Not pull on the wires.
h) Check for corrosion at all wiring connections. Even minor corrosion may cause
a faulty connection. Clean connector terminals thoroughly, apply dielectric
grease and reconnect.
IMPORTANT: It is essential that all operator safety mechanisms be connected
and in proper operating condition prior to mower use.
NOTE: After carefully checking the above steps, attempt to start the engine. If it
does not start, contact your authorized Exmark service dealer.
ENGINE TROUBLESHOOTING
When a problem occurs, do not overlook the simple causes. For example, starting
problems could be caused by an empty fuel tank. The following tables list some of
the common causes of trouble. Do not attempt to service or replace major items or
any items that call for special timing or adjustment procedures (such as valves,
governor, etc.). Have this work done by your Engine Service Dealer.
ENGINE TROUBLESHOOTING TABLE
PROBLEM NO
FUEL IMPROPER
FUEL DIRT IN
FUEL LINE DIRTY AIR
FILTER
FAULTY
SPARK
PLUG
ENGINE
OVERLOADED
BLOCKED
FUEL
FILTER
INCORRECT
OIL
LEVEL
DIRTY
AIR
SCREEN
Will not start XXXXXX
Hard starting XX X X X X X
Stops suddenly XXX XXXX
Lacks power XXXXX X XX
Operates erratically XXXXX X X
Knocks or pings XXX
Skips or misfires XXXX X
Backfires XXXX X
Overheats XX X XX
High fuel
consumption XXX X

- 34 -
8. HYDRAULIC SCHEMATIC

- 35 -
9. WIRING DIAGRAMS
- 36 -
10. WARRANTY
Limited Warranty
Exmark Commercial Turf Equipment
Exmark Mfg. Co. Inc. and its affiliate, Exmark Warranty Company, pursuant to an agreement
between them, jointly warrant on the terms and conditions herein, that we will repair, replace or
adjust any part manufactured by Exmark and found by us (in the exercise of our reasonable
discretion) to be defective in factory material or workmanship.
This warranty is limited to one year from the date of original retail purchase (90 days for rental
use) for any Exmark mower that is used for commercial or any other income producing purpose.
The blade spindle assemblies will be warranted for three years, one year parts and labor with an
additional two years parts only, from date of original retail purchase against defects in materials
or workmanship. The frame and hydrostatic traction drive system, excluding hoses, will be
warranted for two full years from date of original retail purchase against defects in materials or
workmanship. We will extend the Peerless 5-speed transmission manufacturer's warranty from
90 days to one year. Belts and tires are warranted for 90 days against defects in materials or
workmanship.
The engine warranty is covered by its respective engine manufacturer. Please refer to the
engine manufacturers warranty statement that is included in the literature packet. We are not
authorized to handle warranty adjustments on engines. Engine warranties should be referred to
the nearest authorized service outlet of the engine manufacturer.
This warranty extends only to the original retail purchaser of the equipment. This warranty may
not be assigned or transferred without the prior express written consent of Exmark and Exmark
Warranty Company. The warranty period commences upon the date of the original retail purchase.
The Exmark turf equipment, including any defective part, must be returned to an authorized
Exmark service dealer within the warranty period. The warranty shall extend to the expense of
repair or replacement (as determined by us) of the defective part, including labor. The warranty
shall not extend to the expense of delivering the mower to the dealer for warranty work nor the
expense of returning it back to the owner after repair or replacement. Our responsibility in
respect to claims is limited to making the required repairs or replacements, and no claim of
breach of warranty shall be cause for cancellation or rescission of the contract of sale of any
Exmark mower. Proof of purchase may be required by the dealer to substantiate any warranty
claim. All warranty work must be performed by an authorized Exmark service dealer.
This warranty extends only to turf equipment operated under normal conditions and properly
serviced and maintained. The warranty expressly does not cover: (i) any damage or
deterioration due to normal use, wear and tear, or exposure; (ii) normal maintenance services,
such as oil change, cleaning, lubrication; adjustment; (iii) replacement of service items, such as
oil, lubricants, spark plugs, or other items subject to normal service replacement; (iv) damage or
defects arising out of or relating to misuse, neglect, alteration, negligence or accident; (v) repair
or replacement arising from operation of or use of the turf equipment which is not in accordance
with operating instructions as specified in the operator's manual or other operational instructions
provided by Exmark; (vi) repair or replacement arising as a result of any operation from turf
equipment that has been altered or modified so as to, in the determination of Exmark or Exmark
Warranty Company, adversely affect the operation, performance or durability of the equipment or
that has altered, modified or affected the turf equipment so as to change the intended use of the
product; (vii) repair or replacement necessitated by use of parts, accessories or supplies,
including gasoline, oil or lubricants, incompatible with the turf equipment or other than as
recommended in the operator's manual or other operational instructions provided by Exmark; (viii)
repairs or replacements resulting from parts or accessories which have adversely affected the
operation, performance or durability of the turf equipment; or (ix) damage or defects due to or
arising out of repair of turf equipment by person or persons other than an authorized Exmark
service dealer or the installation of parts other than genuine Exmark or Exmark recommended
parts.
- 37 -
As a condition to this warranty, customer shall have read the operator's manual and shall have
completed and returned to Exmark Warranty Company, within the prescribed time, the Exmark
warranty registration.
The sole liability of Exmark and Exmark Warranty Company with respect to this warranty shall
be repair and replacement as set forth herein. Neither Exmark nor Exmark Warranty Company
shall have any liability for any other cost, loss or damage, including but not limited to, any
incidental or consequential loss or damage. In particular, we shall have no liability or
responsibility for: (i) expenses relating to gasoline, oil or lubricants; (ii) loss, cost or expense
relating to transportation or delivery of turf equipment from the location of owner or location
where used by owner to or from any authorized Exmark service dealer; (iii) travel time,
overtime, after hours time or other extraordinary repair charges or charge relating to repairs or
replacements outside of normal business hours at the place of business of the authorized
Exmark service dealer; (iv) rental of like or similar replacement equipment during the period of
any warranty, repair or replacement work; (v) any telephone or telegram charges or travel
charges; (vi) loss or damage to person or property other than that covered by the terms of this
warranty; (vii) any claims for lost revenue, lost profit or additional cost as a result of a claim of
breach of warranty; or (viii) attorney's fees.
There are no representations or warranties which have been authorized and provided to the
buyer of the turf equipment, other than as set forth in this warranty. Any and all statements or
representations made by any seller of this equipment, including those set forth in any sales
literature or made orally by any sales representative, are superseded by the terms of this
warranty. Any affirmation of fact or promise made by Exmark , Exmark Warranty Company or
any of their representatives to the buyer which relates to the goods that are the subject of this
warranty shall not be regarded as part of the basis of the bargain and shall not be deemed to
create any express warranty that such goods shall conform to the affirmation or promise.
THERE ARE NO UNDERSTANDINGS, AGREEMENTS, REPRESENTATIONS, OR
WARRANTIES, EXPRESS OR IMPLIED (INCLUDING BUT NOT LIMITED TO ANY
REGARDING THE MERCHANTABILITY OR FITNESS FOR A PARTICULAR PURPOSE), NOT
SPECIFIED HEREIN, RESPECTING THE EQUIPMENT WHICH IS THE SUBJECT OF THIS
WARRANTY.
This warranty applies to all Exmark turf equipment sold in the United States and Canada and
intended to be used for commercial purposes.

- 38 -
THIS IS A 15° SLOPE
THIS IS A 10° SLOPE
THIS IS A 5° SLOPE
ALIGN THIS EDGE WITH A VERTICAL SURFACE
(TREE, BUILDING, FENCE POST, POLE ETC.)
EXAMPLE: COMPARE
SLOPE WITH FOLDED
EDGE.
FOLD ALONG APPROPRIATE LINE
THIS IS A 20° SLOPE

®
M
FG. CO. INC.
SEE EXMARK’S COMPLETE
LINE OF PRODUCTS FOR TURF CARE
LAZER Z®LAZER Z® HP
LAZER Z® XP TURF RANGER®
TURF TRACER®TURF TRACER® HP
METRO®METRO® HP
VIKING HYDRO ULTRA VAC™
GRASS CATCHER SELF STEERING SULKY
MICRO-MULCH ™ ACCESSORY
WARNING
The engine exhaust from this product
contains chemicals known to the State of
California to cause cancer, birth defects, or
other reproductive harm.
©1997-2001 PART NO. 103-1558
EXMARK MFG. CO. INC. (402) 223-6300
INDUSTRIAL PARK BOX 808 FAX (402) 223-5489
BEATRICE, NE 68310
ALL RIGHTS RESERVED PRINTED IN U.S.A.