Ezurio 1003 Sterling - LWB User Manual

LS Research, LLC Sterling - LWB

Contents

User Manual

 Sterling-LWB Module       APPLICATION GUIDE  The information in this document is subject to change without notice.  Sterling-LWB User Manual  Copyright © 2016 LSR  Page 1 of 30 Sterling-LWB Module APPLICATION GUIDE              Last updated May 5, 2016
Sterling-LWB Module       APPLICATION GUIDE  The information in this document is subject to change without notice.  Sterling-LWB User Manual  Copyright © 2016 LSR  Page 2 of 30 Table of Contents 1 Introduction .......................................................................................................................... 3 1.1 Purpose & Scope ....................................................................................................................... 3 1.2 Applicable Documents ............................................................................................................... 3 2 Sterling-LWB Module and Accessories .................................................................................... 4 3 PCB Layout Requirements ...................................................................................................... 5 4 Reference Designs .................................................................................................................. 6 4.1 Chip Antenna ........................................................................................................................... 10 4.2 U.FL (External Antenna) .......................................................................................................... 13 5 Sterling-LWB Approved Antenna Specifications .................................................................... 16 5.1 External Antenna Connector ................................................................................................... 16 5.2 Chip Antenna Specifications.................................................................................................... 17 5.3 Chip Antenna Typical Radiation Patterns ................................................................................ 18 5.4 LSR FlexPIFA Antenna Specifications .................................................................................... 19 5.5 LSR FlexNotch Antenna Specifications ................................................................................... 20 5.6 LSR Dipole Antenna Specifications ......................................................................................... 21 6 EMC Compliance .................................................................................................................. 23 6.1 Summary ................................................................................................................................. 23 6.2 Module Integration Considerations - Antenna Systems .......................................................... 23 6.3 Module Integration Considerations - Substitute Antenna Systems ......................................... 23 6.4 Module Integration Considerations - Circuit Implementation .................................................. 24 6.5 Module Integration Considerations - Top Assembly................................................................ 24 6.6 Testing Requirements for End-Product ................................................................................... 24 6.7 Agency Certifications ............................................................................................................... 25 6.8 Agency Statements ................................................................................................................. 25 6.9 OEM Responsibilities To Comply With FCC and Industry Canada Regulations .................... 27 6.10 OEM Labeling Requirements For End-Product ....................................................................... 28 6.11 OEM End-Product User Manual Statements ........................................................................... 29 7 Contacting LSR ..................................................................................................................... 30
Sterling-LWB Module       APPLICATION GUIDE  The information in this document is subject to change without notice.  Sterling-LWB User Manual  Copyright © 2016 LSR  Page 3 of 30 1 Introduction 1.1 Purpose & Scope The purpose of this document is to provide details regarding the design and integration of certified antennas to the Sterling-LWB module.  It covers all four certified off module antenna options, which consist of a ceramic chip, LSR dipole, LSR FlexNotch, and LSR FlexPIFA antenna.  It will inform the designer as to the required PCB details required to retain the LSR modular certification for the Sterling-LWB module.  1.2 Applicable Documents  Sterling-LWB Datasheet (330-0190)  LSR 2.4 GHz Dipole Antenna Datasheet (330-0016)  LSR U.FL to RPSMA Cable Datasheet (330-0018)  LSR 2.4 GHz FlexPIFA Antenna Datasheet (330-0149)  LSR 2.4 GHz FlexNotch Antenna Datasheet (330-0150)
Sterling-LWB Module       APPLICATION GUIDE  The information in this document is subject to change without notice.  Sterling-LWB User Manual  Copyright © 2016 LSR  Page 4 of 30 2 Sterling-LWB Module and Accessories The Sterling-LWB Module is a System in Package (SIP) module.  The Sterling-LWB module is certified with several off module antennas.       Part Number Description  LSR 450-0159 LSR 450-0159R LSR 450-0159C Sterling-LWB Module Sterling-LWB Module, Tape & Reel Sterling-LWB Module, Cut Tape  Johanson 2450AT18D0100 2.4 GHz Ceramic Chip Antenna  LSR 001-0014 2.4 GHz FlexPIFA Antenna with U.FL Cable  LSR 001-0015 2.4 GHz FlexNotch Antenna   LSR 001-0001 2.4 GHz Dipole Antenna with Reverse Polarity SMA Connector  LSR 080-0001 U.FL to Reverse Polarity SMA Bulkhead Cable 105 mm Table 1 Sterling-LWB Module and Accessories
Sterling-LWB Module       APPLICATION GUIDE  The information in this document is subject to change without notice.  Sterling-LWB User Manual  Copyright © 2016 LSR  Page 5 of 30 3 PCB Layout Requirements Since this module and its associated set of approved antennas has been certified by the FCC and Industry Canada (IC) as a Modular Radio, the end user is authorized to integrate this module into an end-product, and is solely responsible for the Unintentional Emissions levels produced by the end-product. In order to preserve the Modular Radio certifications, the integrator of the module must abide by the PCB layout recommendations outlined in the following paragraphs.  Any divergence from these recommendations will invalidate the modular radio certifications and require the integrator to re-certify the module and/or end-product. The module must be used with one of the approved antennas:  1. Johanson Technology 2450AT18D0100 Ceramic Chip Antenna.  2. LSR 001-0014 2.4 GHz FlexPIFA Antenna w/U.FL cable.  3. LSR 001-0015 2.4 GHz FlexNotch Antenna w/U.FL cable.  4. LSR 001-0001 center-fed 2.4 GHz dipole antenna and 080-0001 U.FL to Reverse Polarity SMA connector cable.     When using the module and the reference design that supports the off module U.FL connector(s), you may use a substitute antenna if the antenna gain is less than or equal to +2 dBi.  It may be possible to use a substitute chip antenna, however there are restrictions so please contact LSR for guidance prior to making any chip antenna substitutions. LSR provides a 4-Layer FCC Modular Certified reference design. It is a controlled impedance PCB that uses microstrip trace design to route RF signals from the Sterling-LWB module to the Antennas and coaxial connectors.     Please use the latest CAD files from the LSR web site when incorporating the Sterling-LWB module into a new design.  CAD files are provided in native Mentor Graphics PADS PCB and PADS Logic formats, as well as ASCII, Gerber, and PDF formats.  CAD files can also be translated to most popular CAD package.  Contact LSR Tech support for CAD translation.   Visit the LSR web site http://www.lsr.com for current PCB and Schematic CAD files.
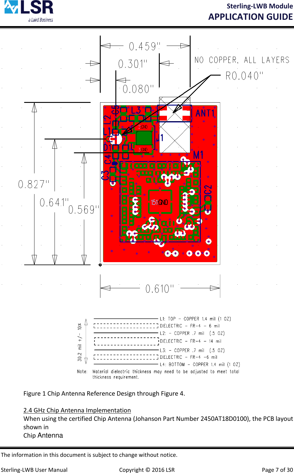
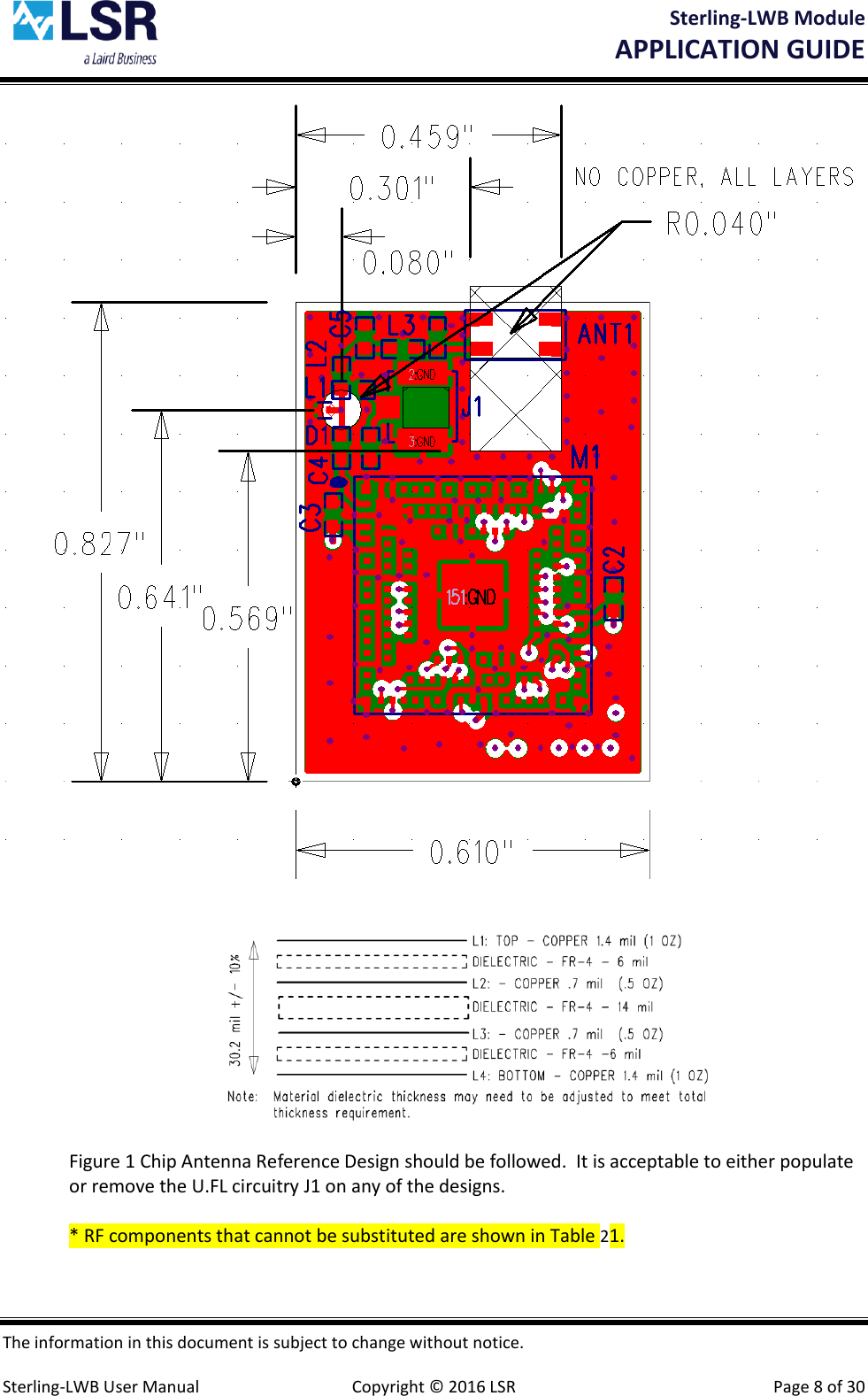
Sterling-LWB Module       APPLICATION GUIDE  The information in this document is subject to change without notice.  Sterling-LWB User Manual  Copyright © 2016 LSR  Page 6 of 30 4 Reference Designs In order to use the modular certification for your design, it is critical that the reference design is correctly followed.  This section describes the details of using a PCB that is a 4-layer stack up.  The full 4-layer Chip Antenna PCB reference design is shown in Figure 1, Schematic Figure 2, and Bill of Materials Table 2.  The full 4-layer U.FL (external antenna) PCB reference design is shown in Figure 3 , Schematic Figure 4, and Bill of Materials Table 3. It is not required to replicate the entire design, but what is required are the circuitry and layout as it pertains to the antenna configuration being used in your design as shown in  Chip Antenna
Sterling-LWB Module       APPLICATION GUIDE  The information in this document is subject to change without notice.  Sterling-LWB User Manual  Copyright © 2016 LSR  Page 7 of 30   Figure 1 Chip Antenna Reference Design through Figure 4.  2.4 GHz Chip Antenna Implementation When using the certified Chip Antenna (Johanson Part Number 2450AT18D0100), the PCB layout shown in  Chip Antenna
Sterling-LWB Module       APPLICATION GUIDE  The information in this document is subject to change without notice.  Sterling-LWB User Manual  Copyright © 2016 LSR  Page 8 of 30   Figure 1 Chip Antenna Reference Design should be followed.  It is acceptable to either populate or remove the U.FL circuitry J1 on any of the designs.  * RF components that cannot be substituted are shown in Table 21.
Sterling-LWB Module       APPLICATION GUIDE  The information in this document is subject to change without notice.  Sterling-LWB User Manual  Copyright © 2016 LSR  Page 9 of 30  2.4 GHz U.FL Implementation (external antenna) When using any of the certified antennas, the PCB layout shown in Error! Reference source not found. should be followed. Component J1 should be populated as shown in the schematic.    * RF components that cannot be substituted are shown in Table 3.
Sterling-LWB Module       APPLICATION GUIDE  The information in this document is subject to change without notice.  Sterling-LWB User Manual  Copyright © 2016 LSR  Page 10 of 30  4.1 Chip Antenna   Figure 1 Chip Antenna Reference Design
Sterling-LWB Module       APPLICATION GUIDE  The information in this document is subject to change without notice.  Sterling-LWB User Manual  Copyright © 2016 LSR  Page 11 of 30  Figure 2 Chip Antenna Reference Design Schematic
Sterling-LWB Module       APPLICATION GUIDE  The information in this document is subject to change without notice.  Sterling-LWB User Manual  Copyright © 2016 LSR  Page 12 of 30   Qty PCB Ref POP Optional Value Tolerance Manufacturer Mfg Part Number 1 ANT1    Johanson  2450AT18D0100 1 C1 NP 1.0pF +/- 0.25pF Murata GRM1555C1H1R0CA01 2 C2 C3  2.2uF +/- 20% Kemet C0402C225M9PAC 1 C4  10pF +/- 5% Murata GRM1555C1H100JA01 1 C5  2.7pF ±0.25pF Murata GJM1555C1H2R7CB01 1 C6 NP 2.0pF +/- 0.25pF Murata GJM1555C1H2R0CB01 1 D1    Infineon ESD108B1CSP0201XTSA1 1 J1 NP   Hirose U.FL-R-SMT-1# 1 L2  2.0nH +/- 0.1nH Murata LQP15MN2N0B02 1 L1 NP 2.0nH +/- 0.1nH Murata LQP15MN2N0B02 1 L3  2.7nH +/- 0.1nH Murata LQP15MN2N7B02 1 M1    LSR 450-0159 * RF Critical Components That Cannot be Substituted Table 2 Chip Antenna Reference Design BOM
Sterling-LWB Module       APPLICATION GUIDE  The information in this document is subject to change without notice.  Sterling-LWB User Manual  Copyright © 2016 LSR  Page 13 of 30 4.2 U.FL (External Antenna)   Figure 3 U.FL (External Antenna) Reference Design
Sterling-LWB Module       APPLICATION GUIDE  The information in this document is subject to change without notice.  Sterling-LWB User Manual  Copyright © 2016 LSR  Page 14 of 30  Figure 4 U.FL (External Antenna) Reference Design Schematic
Sterling-LWB Module       APPLICATION GUIDE  The information in this document is subject to change without notice.  Sterling-LWB User Manual  Copyright © 2016 LSR  Page 15 of 30  Qty PCB Ref POP Optional Value Tolerance Manufacturer Mfg Part Number 1 ANT1 NP   Johanson  2450AT18D0100 1 C1 NP 1.0pF +/- 0.25pF Murata GRM1555C1H1R0CA01 2 C2 C3  2.2uF +/- 20% Kemet C0402C225M9PAC 1 C4  10pF +/- 5% Murata GRM1555C1H100JA01 1 C5 NP 2.7pF ±0.25pF Murata GJM1555C1H2R7CB01 1 C6  2.0pF +/- 0.25pF Murata GJM1555C1H2R0CB01 1 D1    Infineon ESD108B1CSP0201XTSA1 1 J1    Hirose U.FL-R-SMT-1# 1 L2 NP 2.0nH +/- 0.1nH Murata LQP15MN2N0B02 1 L1  2.0nH +/- 0.1nH Murata LQP15MN2N0B02 1 L3 NP 2.7nH +/- 0.1nH Murata LQP15MN2N7B02 1 M1    LSR 450-0159 Table 3 U.FL (External Antenna) Reference Design BOM
Sterling-LWB Module       APPLICATION GUIDE  The information in this document is subject to change without notice.  Sterling-LWB User Manual  Copyright © 2016 LSR  Page 16 of 30 5 Sterling-LWB Approved Antenna Specifications 5.1 External Antenna Connector Either the LSR 2.4 GHz Dipole Antenna with Reverse Polarity SMA Connector and U.FL to SMA Cable, the LSR 2.4 GHz FlexPIFA, or the 2.4 GHz FlexNotch Antenna are used in conjunction with the Hirose PCB mounted U.FL connector to provide an externally mounted antenna solution for the Sterling-LWB module.   5.1.1 U.FL Connector Drawing  Figure 5 U.FL Connector Drawing
Sterling-LWB Module       APPLICATION GUIDE  The information in this document is subject to change without notice.  Sterling-LWB User Manual  Copyright © 2016 LSR  Page 17 of 30 5.2 Chip Antenna Specifications The Johanson 2450AT18D0100 Ceramic Chip Antenna provides an off-module, PCB mounted, antenna solution for the Sterling-LWB module.  The antenna on the Sterling-LWB evaluation platform is positioned on the PCB to allow maximum performance while using a minimum amount of board space.    5.2.1 Mechanical Dimensions   Figure 6 Chip Antenna Dimensions
Sterling-LWB Module       APPLICATION GUIDE  The information in this document is subject to change without notice.  Sterling-LWB User Manual  Copyright © 2016 LSR  Page 18 of 30 5.3 Chip Antenna Typical Radiation Patterns                                                                                                             Xyz  Figure 7 Chip Antenna Typical Radiation Patterns, Orientation Axis shown.  2D-Patterns in standard Spherical Coordinate System (r,,)    -20-1001020302106024090270120300150330180 0EIRP (dBm)  - Vertical Polarization at 2437.0 (MHz)EIRP Summary (dBm) at 2437.0 (MHz)       min: -6.0 (dBm)      max: +19.8 (dBm)     avg: 16.0 (dBm)   15 30 45 60 75 90105120135150165Theta (deg)-20-1001020302106024090270120300150330180 0EIRP (dBm) - Horizontal Polarization at 2437.0 (MHz)EIRP Summary (dBm) at 2437.0 (MHz)       min: -23.8 (dBm)      max: +16.3 (dBm)     avg: 7.9 (dBm)   15 30 45 60 75 90105120135150165Theta (deg)-20-1001020302106024090270120300150330180 0Total EIRP (dBm) at 2437.0 (MHz)EIRP Summary (dBm) at 2437.0 (MHz)       min: +5.3 (dBm)      max: +19.8 (dBm)     avg: 16.7 (dBm)   15 30 45 60 75 90105120135150165Theta (deg)
Sterling-LWB Module       APPLICATION GUIDE  The information in this document is subject to change without notice.  Sterling-LWB User Manual  Copyright © 2016 LSR  Page 19 of 30 5.4 LSR FlexPIFA Antenna Specifications Specification Value Manufacturer and Part Number LSR 001-0014 Peak Gain  2.0 dBi Type Flexible Planar Inverted F Antenna (FlexPIFA) Polarization Linear Frequency 2400-2480 MHz Table 4 LSR FlexPIFA Antenna Specifications 5.4.1 LSR 2.4 GHz FlexPIFA Mechanical Dimensions  Figure 8 LSR 2.4 GHz FlexPIFA Antenna Dimensions  Visit the LSR web site http://www.lsr.com for further information on the LSR FlexPIFA Antenna.
Sterling-LWB Module       APPLICATION GUIDE  The information in this document is subject to change without notice.  Sterling-LWB User Manual  Copyright © 2016 LSR  Page 20 of 30 5.5 LSR FlexNotch Antenna Specifications Specification Value Manufacturer and Part Number LSR 001-0015 Peak Gain  2.0 dBi Type Flexible Notch Antenna (FlexNotch) Polarization Linear Frequency 2400-2480 MHz Table 5 LSR FlexNotch Antenna Specifications 5.5.1 LSR 2.4 GHz FlexNotch Mechanical Dimensions  Figure 9 LSR 2.4 GHz FlexNotch Antenna Dimensions  Visit the LSR web site http://www.lsr.com for further information on the LSR FlexNotch Antenna.
Sterling-LWB Module       APPLICATION GUIDE  The information in this document is subject to change without notice.  Sterling-LWB User Manual  Copyright © 2016 LSR  Page 21 of 30 5.6 LSR Dipole Antenna Specifications The LSR 2.4 GHz Dipole Antenna is used in conjunction with the LSR U.FL to Reverse Polarity SMA Cable, and the Hirose PCB mounted U.FL connector (Figure 5), to provide an externally mounted antenna solution for the Sterling-LWB module.  Specification Value Manufacturer and Part Number LSR 001-0001 Gain  +2 dBi Impedance 50 ohms, Nominal Type Dipole Polarization Linear Vertical VSWR ≤2.5:1, Maximum  Frequency 2400-2500MHz Weight 13g Size 105 mm x 10 mm Antenna Color Black Table 6 Dipole Antenna Specifications
Sterling-LWB Module       APPLICATION GUIDE  The information in this document is subject to change without notice.  Sterling-LWB User Manual  Copyright © 2016 LSR  Page 22 of 30 5.6.1 Mechanical Dimensions  Figure 10 LSR 2.4 GHz Dipole Antenna Dimensions  Visit the LSR web site http://www.lsr.com for further information on the LSR Dipole Antenna
Sterling-LWB Module       APPLICATION GUIDE  The information in this document is subject to change without notice.  Sterling-LWB User Manual  Copyright © 2016 LSR  Page 23 of 30 6 EMC Compliance 6.1 Summary The Sterling-LWB module has been tested and approved as a Modular Radio in accordance with the appropriate FCC and IC standards.  The supporting test data may be found in the modular test report. Since this module and its associated set of approved antennas have been certified as a Modular Radio, this allows the end user to integrate this module into an end-product without the requirement of re-certifying the radio module.  The module-integrator is responsible for the unintentional conducted and radiated emissions and must verify that the integrated product is compliant with the rules associated with unintentional radiators.  The module integrator is also required to maintain an engineering record of the verification testing and declare on the product through proper labeling and marking that the device is compliant with these particular rules.   The installed module’s FCC ID and IC numbers need to be clearly marked on the product with the following verbiage “Contains FCC ID: TFB-1003” and "Contains IC: 5969A-1003". 6.2 Module Integration Considerations - Antenna Systems The module must be used with one of the approved antennas:  1) LSR 001-0001 2.4 GHz center-fed dipole antenna and LSR 080-0001 U.FL to Reverse Polarity SMA connector cable. 2) LSR 001-0014 2.4 GHz FlexPIFA antenna. 3) LSR 001-0015 2.4 GHz FlexNotch antenna. 4) Johanson 2450AT18D0100 chip antenna.  The antenna should be placed such that it is minimally disturbed by the product’s packaging material.  The incorporation of the largest practical free-space clearance around the antenna is important for maximizing overall performance.  Further, the antenna must be placed such that at least a 20 cm separation distance is maintained from the antenna to all other radio transmitters.  6.3 Module Integration Considerations - Substitute Antenna Systems The module’s certification is only valid for the list of approved antennas presented in section 5.  When using the U.FL connector, you may use a substitute antenna if the peak antenna gain is to equal or less than +2 dBi.  It may be possible to use a substitute chip antenna however there are restrictions so please contact LSR for guidance prior to making any chip antenna substitutions.
Sterling-LWB Module       APPLICATION GUIDE  The information in this document is subject to change without notice.  Sterling-LWB User Manual  Copyright © 2016 LSR  Page 24 of 30 6.4 Module Integration Considerations - Circuit Implementation It is recommended that all connection PCB (printed circuit board) traces to the power supply and digital control terminal be as short as possible.  Though not necessarily required in all cases, it is a best practice to provide an optional shunt capacitor placement at the module pin on all active and routed power supply and digital control lines.  Further, a series damping resistor placement should be incorporated between the module pin/shunt capacitor node and the source/sink of the digital control signals.  This provides for effective bypassing and decoupling of digital lines from the radio module, in the event that the application circuit has longer power supply and digital routing.  6.5 Module Integration Considerations - Top Assembly  In addition to the recommendations given for the antenna systems and the module placement onto a product PCB, it is recommended that all wiring and interconnect systems within the product not be routed anywhere close the module and its associated circuitry on the PCB, doing so could change the emission characteristics of the module.  6.6 Testing Requirements for End-Product Once the module is integrated and the end-product is realized, the end-product must be tested and follow the verification process for Unintentional Conducted and Radiated Emissions in accordance to the FCC and IC guidelines.  The module needs to be powered and placed in the receive mode for this test.  The receiver must be tuned to its lowest frequency channel, mid-frequency channel, and highest frequency channel.  The supporting test data does not need to be submitted to the FCC or IC. The implementation of the module in a specific end-product should also be reviewed to ensure compliance with the FCC and IC requirements for SAR and MPE.  Additional information for SAR requirements of this module can be found in this document.
Sterling-LWB Module       APPLICATION GUIDE  The information in this document is subject to change without notice.  Sterling-LWB User Manual  Copyright © 2016 LSR  Page 25 of 30 6.7 Agency Certifications FCC ID: TFB-1003, 15.247 IC ID: 5969A-1003, RSS 247 CE: Compliant to standards EN 60950-1, EN 300 328, and EN 301 489 6.8 Agency Statements Federal Communication Commission Interference Statement This equipment has been tested and found to comply with the limits for a Class B digital device, pursuant to Part 15 of the FCC Rules. These limits are designed to provide reasonable protection against harmful interference in a residential installation. This equipment generates uses and can radiate radio frequency energy and, if not installed and used in accordance with the instructions, may cause harmful interference to radio communications. However, there is no guarantee that interference will not occur in a particular installation. If this equipment does cause harmful interference to radio or television reception, which can be determined by turning the equipment off and on, the user is encouraged to try to correct the interference by one of the following measures:  Reorient or relocate the receiving antenna.  Increase the separation between the equipment and receiver.  Connect the equipment into an outlet on a circuit different from that to which the receiver is connected.  Consult the dealer or an experienced radio/TV technician for help. This device complies with Part 15 of the FCC Rules. Operation is subject to the following two conditions: (1) This device may not cause harmful interference, and (2) this device must accept any interference received, including interference that may cause undesired operation. FCC CAUTION: Any changes or modifications not expressly approved by the party responsible for compliance could void the user's authority to operate this equipment.
Sterling-LWB Module       APPLICATION GUIDE  The information in this document is subject to change without notice.  Sterling-LWB User Manual  Copyright © 2016 LSR  Page 26 of 30 Industry Canada Statements This Device complies with Industry Canada License-exempt RSS standard(s).  Operation is subject to the following two conditions: (1) this device may not cause interference, and (2) this device must accept any interference, including interference that may cause undesired operation of the device. To reduce potential radio interference to other users, the antenna type and its gain should be so chosen that the equivalent isotropically radiated power (e.i.r.p.) is not more than that permitted for successful communication. This device has been designed to operate with the antenna(s) listed below, and having a maximum gain of 2.0 dBi (LSR Dipole), 2.0 dBi (LSR FlexPIFA), 2.0 dBi (LSR FlexNotch), and 1.5dBi (Johanson Chip).  Antennas not included in this list or having a gain greater than 2.0 dBi, 2.0 dBi, 2.0 dBi, and 1.5dBi are strictly prohibited for use with this device.  The required antenna impedance is 50 ohms. List of all Antennas Acceptable for use with the Transmitter  1) LSR 001-0001 2.4 GHz center-fed dipole antenna and LSR 080-0001 U.FL to Reverse Polarity SMA connector cable. 2) LSR 001-0014 2.4 GHz FlexPIFA antenna. 3) LSR 001-0015 2.4 GHz FlexNotch antenna. 4) Johanson 2450AT18D0100 chip antenna.  Cet appareil est conforme avec Industrie Canada , exempts de licence standard RSS (s).  L'opération est soumise aux deux conditions suivantes: (1) cet appareil ne peut pas provoquer d'interférences et (2) cet appareil doit accepter toute interférence, y compris les interférences qui peuvent causer un mauvais fonctionnement de l'appareil. Pour réduire le risque d'interférence aux autres utilisateurs, le type d'antenne et son gain doiventêtre choisis de manière que la puissance isotrope rayonnée équivalente (PIRE) ne dépasse pascelle permise pour une communication réussie. Cet appareil a été conçu pour fonctionner avec l'antenne (s) ci-dessous, et ayant un gain maximum de 2,0 dBi (LSR Dipole), 2,0 dBi (LSR FlexPIFA), 2,0 dBi (LSR FlexNotch), et 1,5dBi (Johanson Chip).  Antennes pas inclus dans cette liste ou présentant un gain supérieure à 2,0 dBi, 2,0 dBi, 2,0 dBi, et 1,5dBi sont strictement interdits pour une utilisation avec cet appareil. L'impédance d'antenne requise est de 50 ohms. Liste de toutes les antennes acceptables pour une utilisation avec l'émetteur 1) Antenne LSR 001-0001 2.4 GHz de centre-dipôle alimenté et LSR 080-0001 U.FL inverser câble connecteur SMA à polarité. 2) LSR 001-0014 antenne FlexPIFA 2,4 GHz w/U.FL câble. 3) LSR 001-0015 antenne FlexNotch 2,4 GHz w/U.FL cable. 4) Antenne de puce Johanson 2450AT18A100.
Sterling-LWB Module       APPLICATION GUIDE  The information in this document is subject to change without notice.  Sterling-LWB User Manual  Copyright © 2016 LSR  Page 27 of 30 6.9 OEM Responsibilities To Comply With FCC and Industry Canada Regulations The Sterling-LWB Module has been certified for integration into products only by OEM integrators under the following conditions: To comply with FCC and Industry Canada RF exposure limits for general population / uncontrolled exposure, the antenna(s) used for this transmitter must be installed to provide a separation distance of at least 29mm from all persons and operating in conjunction with any other antenna or transmitter, except in accordance with FCC multi-transmitter product procedures. As long as the two conditions above are met, further transmitter testing will not be required. However, the OEM integrator is still responsible for testing their end-product for any additional compliance requirements required with this module installed (for example, digital device emissions, PC peripheral requirements, etc.). IMPORTANT NOTE: In the event that these conditions cannot be met (for certain configurations or co-location with another transmitter), then the FCC and Industry Canada authorizations are no longer considered valid and the FCC ID and IC Certification Number cannot be used on the final product. In these circumstances, the OEM integrator will be responsible for re-evaluating the end product (including the transmitter) and obtaining a separate FCC and Industry Canada authorization. Le module de Sterling-LWB a été certifié pour l'intégration dans des produits uniquement par des intégrateurs OEM dans les conditions suivantes: Pour se conformer aux limites d'exposition aux RF de la FCC et d'Industrie Canada pour la population générale / exposition non contrôlée, l'antenne(s) utilisée pour ce transmetteur doit être installé pour fournir une distance de séparation d'au moins 29mm de toutes les personnes et fonctionnant conjointement avec une autre antenne ou émetteur, sauf en conformité avec les procédures de produits multi- émetteur FCC. Tant que les deux conditions précitées sont réunies, les tests de transmetteurs supplémentaires ne seront pas tenus. Toutefois, l'intégrateur OEM est toujours responsable de tester leur produit final pour toutes les exigences de conformité supplémentaires requis avec ce module installé (par exemple, les émissions appareil numérique, les exigences de périphériques PC, etc.) NOTE IMPORTANTE: Dans le cas où ces conditions ne peuvent être satisfaites (pour certaines configurations  ou  de  co-implantation  avec  un  autre  émetteur),  puis  la  FCC  et  Industrie autorisations Canada ne sont plus considérés comme valides et l'ID de la FCC et IC numéro de certification ne peut pas être utilisé sur la produit final. Dans ces circonstances, l'intégrateur OEM sera chargé de réévaluer le produit final (y compris l'émetteur) et l'obtention d'un distincte de la FCC et Industrie Canada l'autorisation.
Sterling-LWB Module       APPLICATION GUIDE  The information in this document is subject to change without notice.  Sterling-LWB User Manual  Copyright © 2016 LSR  Page 28 of 30 6.10 OEM Labeling Requirements For End-Product The Sterling-LWB module is labeled with its own FCC ID and IC Certification Number.  The FCC ID and IC certification numbers are not visible when the module is installed inside another device, as such the end device into which the module is installed must display a label referring to the enclosed module.  The final end product must be labeled in a visible area with the following: “Contains Transmitter Module FCC ID: TFB-1003” “Contains Transmitter Module IC: 5969A-1003” or “Contains FCC ID: TFB-1003” “Contains IC: 5969A-1003” The OEM of the Sterling-LWB Module must only use the approved antenna(s) listed above, which have been certified with this module.  Le module de Sterling-LWB est étiqueté avec son propre ID de la FCC et IC numéro de certification. L'ID de la FCC et IC numéros de certification ne sont pas visibles lorsque le module est installé à l'intérieur d'un autre appareil, comme par exemple le terminal dans lequel le module est installé doit afficher une etiquette faisant référence au module ci-joint. Le produit final doit être étiqueté dans un endroit visible par le suivant:  “Contient Module émetteur FCC ID: TFB-1003" “Contient Module émetteur IC: 5969A-1003"  ou  “Contient FCC ID: TFB-1003" “Contient IC: 5969A-1003"  Les OEM du module Sterling-LWB ne doit utiliser l'antenne approuvée (s) ci-dessus, qui ont été certifiés avec ce module.
Sterling-LWB Module       APPLICATION GUIDE  The information in this document is subject to change without notice.  Sterling-LWB User Manual  Copyright © 2016 LSR  Page 29 of 30 6.11 OEM End-Product User Manual Statements The OEM integrator should not to provide information to the end user regarding how to install or remove this RF module or change RF related parameters in the user manual of the end product. The user manual for the end product must include the following information in a prominent location: To comply with FCC and Industry Canada RF exposure limits for general population / uncontrolled exposure, the antenna(s) used for this transmitter must be installed to provide a separation distance of at least 29mm from all persons and operating in conjunction with any other antenna or transmitter, except in accordance with FCC multi-transmitter product procedures. Other user manual statements may apply.  L'intégrateur OEM ne devraient pas fournir des informations à l'utilisateur final sur la façon d'installer ou de supprimer ce module RF ou modifier les paramètres liés RF dans le manuel utilisateur du produit final.  Le manuel d'utilisation pour le produit final doit comporter les informations suivantes dans unendroit bien en vue:  Pour se conformer aux limites d'exposition aux RF de la FCC et d'Industrie Canada pour la population générale / exposition non contrôlée, l'antenne(s) utilisée pour ce transmetteur doit être installé pour fournir une distance de séparation d'au moins 29mm de toutes les personnes et fonctionnant conjointement avec une autre antenne ou émetteur, sauf en conformité avec les procédures de produits multi- émetteur FCC.  Autres déclarations manuel de l'utilisateur peuvent s'appliquer.
Sterling-LWB Module       APPLICATION GUIDE  The information in this document is subject to change without notice.  Sterling-LWB User Manual  Copyright © 2016 LSR  Page 30 of 30 7 Contacting LSR Headquarters  LS Research, LLC   W66 N220 Commerce Court   Cedarburg, WI 53012-2636   USA   Tel: (262) 375-4400   Fax: (262) 375-4248 Website www.lsr.com Technical Support forum.lsr.com Sales Contact sales@lsr.com                      The information in this document is provided in connection with LS Research (hereafter referred to as “LSR”) products. No license, express or implied, by estoppel or otherwise, to any intellectual property  right is granted by this document or in connection with the sale of LSR products. EXCEPT AS SET FORTH IN LSR’S TERMS AND CONDITIONS OF SALE LOCATED ON LSR’S  WEB  SITE,  LSR  ASSUMES  NO  LIABILITY  WHATSOEVER  AND  DISCLAIMS  ANY  EXPRESS,  IMPLIED  OR  STATUTORY WARRANTY RELATING TO ITS PRODUCTS INCLUDING, BUT NOT LIMITED TO, THE IMPLIED WARRANTY OF MERCHANTABILITY, FITNESS  FOR  A  PARTICULAR  PURPOSE,  OR  NON-INFRINGEMENT.  IN  NO  EVENT  SHALL  LSR  BE  LIABLE  FOR  ANY  DIRECT, INDIRECT, CONSEQUENTIAL, PUNITIVE, SPECIAL OR INCIDENTAL DAMAGES (INCLUDING, WITHOUT LIMITATION, DAMAGES FOR LOSS OF PROFITS, BUSINESS INTERRUPTION, OR LOSS OF INFORMATION) ARISING OUT OF THE USE OR INABILITY TO USE THIS DOCUMENT, EVEN IF LSR HAS BEEN ADVISED OF THE POSSIBILITY OF SUCH DAMAGES. LSR makes no representations or warranties with respect to the accuracy or completeness of the contents of this document and reserves the right to make changes to specifications and product descriptions at any time without notice. LSR does not make any commitment to update the information contained herein. Unless specifically provided otherwise, LSR products are not suitable for, and shall not be used  in,  automotive  applications.  LSR’s  products  are  not  intended,  authorized,  or  warranted  for  use  as  components  in applications intended to support or sustain life.

Navigation menu