Ezurio AC4490 RF Transceiver Module User Manual AC4490 AC4486 User s Manual v1 6

AeroComm Corporation RF Transceiver Module AC4490 AC4486 User s Manual v1 6

Users Manual Part 2

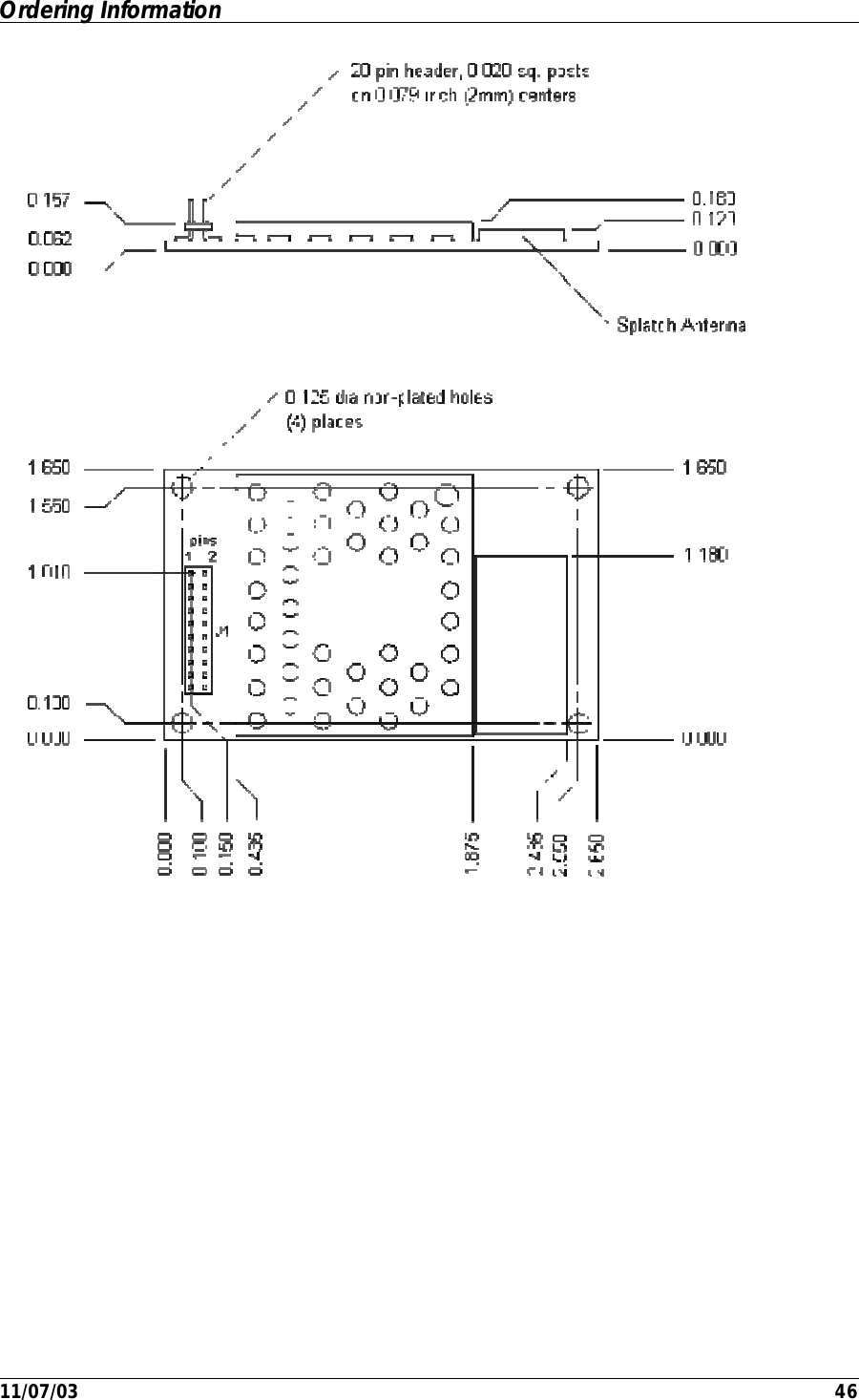
Ordering Information         11/07/03    45 Figure 3 - AC4490 (with Integral GigaAnt Antenna) Mechanical  Figure 4 - AC4490/AC4486 (with Integral Splatch Antenna) Mechanical
Ordering Information         11/07/03    46
Ordering Information         11/07/03    47 7. Ordering Information 7.1 PRODUCT PART NUMBER TREE  7.2 DEVELOPER KIT PART NUMBERS With the exception of part number AC44xx-1x1, all the above part numbers can be ordered as a development kit by prefacing the part number with “SDK-“.  As an example, part number AC4490-200A-3 can be ordered as a development kit using the following part number: SDK-AC4490-200A-3. All Developer Kits include (2) transceivers, (2) Serial Adapter Boards, (2) 6VDC unregulated power supplies, (2) Serial cables, (2) USB cables, (2) S467FL-6-RMM-915S dipole antennas with 6” pigtail and MMCX connector, configuration/testing software, and integration engineering support.
Agency Compliancy Information         11/07/03    48 8. Agency Compliancy Information 8.1 AGENCY IDENTIFICATION NUMBERS Agency compliancy is a very important requirement for any product deployment.  AeroComm has obtained modular approval for its products so the OEM only has to meet a few requirements to be eligible to use that approval.  The corresponding agency identification numbers and approved antennas are listed in the table below. Table 16 – Agency Identification Numbers Part Number US/FCC CAN/IC EUR/EN AC4490-200 KQL-AC4490-100 2268C-AC4490   AC4490-1000 X X   AC4486-5      X AC4486-500      X 8.2 APPROVED ANTENNA LIST Table 17 – AC4490/AC4486 Approved Antenna List AeroComm Part Number Manufacturer Part Number Manufacturer Type Gain (dBi) AC4490-200A AC4490-200M AC4490-1000M AC4486-5A AC4486-5M AC4486-500M 0600-00019 S467FL-5-RMM-915S Nearson ½ Wave Dipole 2    PM M       0600-00025 S467FL-5-RMM-915 Nearson ½ Wave Dipole 2    PM M       0600-00024 S467AH-915S Nearson ½ Wave Dipole 2    PM M       0600-00027 S467AH-915 Nearson ½ Wave Dipole 2    PM M       0600-00028 S161AH-915R Nearson ½ Wave Dipole 2.5    PM M       0600-00029 S161AH-915 Nearson ½ Wave Dipole 2.5    PM M       0600-00030 S331AH-915 Nearson ¼ Wave Dipole 1    PM M       0600-00020 S467FL-6-RMM-868S Nearson ¼ Wave Dipole 2     PM M  1020B5812-04 Flavus gigaAnt Microstrip -0.5 PM     PM      ANT-915-SP Linx Tech Microstrip -1 PM
Agency Compliancy Information         11/07/03    49  ANT-868-SP Linx Tech Microstrip -1        PM     8.3 FCC/INDUSTRY CANADA (IC) REQUIREMENTS FOR MODULAR APPROVAL In general, there are two classifications of wireless applications; portable and mobile.  Portable – Portable is a classification of equipment where the user, in general, will be within 20cm of the transmitting antenna.  Portable equipment is further broken into two classes; within 2.5cm of human contact and beyond 2.5cm (NOTE:  Ankles, feet, wrists and hands are permitted to be within 2.5cm of the antenna even if the equipment is designated as being greater than 2.5cm). Mobile – Mobile defines equipment where the user will be 20cm or greater from the transmitting antenna.  The antenna must be mounted in such a way that it cannot be moved closer to the user with respect to the equipment, although the equipment may be moved.  NOTE:  Ankles, feet, wrists and hands are permitted to be within 20cm of mobile equipment.  8.3.1 OEM Equipment Labeling Requirements    WARNING: This device complies with Part 15 of the FCC Rules. Operation is subject to the following two conditions: (1) This device may not cause harmful interference, and (2) This device must accept any interference received, including interference that may cause undesired operation.  WARNING: The Original Equipment Manufacturer (OEM) must ensure that FCC labeling requirements are met.  This includes a clearly visible label on the outside of the OEM enclosure specifying the appropriate AeroComm FCC identifier for this product as well as the FCC Notice below.  The FCC identifiers are listed above in the Agency Identification Numbers chart.  Caution: Any changes or modifications not expressly approved by the party responsible for compliance could voidthe users's authority to operate the equipment.
Agency Compliancy Information         11/07/03    50 8.3.2 Antenna Requirements 8.3.3 Warnings Required in OEM Manuals RF Exposure Warning for Portable Equipment (<2.5cm) RF Exposure Warning for Portable Equipment (>2.5cm) RF Exposure for Warning for Mobile Equipment 8.4 EUROPE/ETSI REQUIREMENTS FOR MODULAR APPROVAL Certification is underway and details will be provided shortly.  WARNING: This device has been tested with an MMCX connector with the antennas listed above.  When integrated in the OEMs product, these fixed antennas require installation preventing end-users from replacing them with non-approved antennas.  Any antenna not in the previous table must be tested to comply with FCC Section 15.203 for unique antenna connectors and Section 15.247 for emissions.  Contact Aerocomm for assistance.  WARNING: This equipment has been approved for mobile applications where the equipment should be used at distances greater than 20cm from the human body (with the exception of hands, wrists, feet and ankles).  Operation at distances less than 20cm is strictly prohibited.  Excessive RF exposure should be avoided.   WARNING: This equipment has been approved for portable applications where the equipment can be used in direct contact with the human body.  Excessive RF exposure should be avoided.   WARNING: This equipment has been approved for portable applications where the equipment should be used at distances greater than 2.5cm from the human body (with the exception of hands, wrists, feet and ankles).  Operation at distances less than 2.5cm is strictly prohibited.  Excessive RF exposure should be avoided.

Navigation menu