Ezurio MSD45N 45 Series Pluggable module User Manual MSD40NBT Hardware Integration Guide v 02
Laird Technologies 45 Series Pluggable module MSD40NBT Hardware Integration Guide v 02
Ezurio >
user manual

LAIRD MSD45N
Hardware Integration Guide
Version 0.04 (Preliminary)
Americas: +1-800-492-2320 Option 2
Europe: +44-1628-858-940
Asia: +852-2923-0610
www.lairdtech.com/wireless

Laird MSD45N
Hardware Integration Guide, version 0.04
Americas: +1-800-492-2320 Option
3
Europe: +44-1628-858-940
Hong Kong: +852-2268-6567 x026
www.lairdtech.com/wireless
2
Laird Technologies
REVISION HISTORY
Version
Revision Date
Change Description
0.01
Preliminary Release
0.02
Updated regulatory information including certified antennas, FCC, IC,
and CE documentation requirements
Updated schematic
0.03
15 Aug 2013
Updated product name
Updated mechanical drawing
0.04
26 Aug 2013
Updated Regulatory information

Laird MSD45N
Hardware Integration Guide, version 0.04
Americas: +1-800-492-2320 Option
3
Europe: +44-1628-858-940
Hong Kong: +852-2268-6567 x026
www.lairdtech.com/wireless
3
Laird Technologies
CONTENTS
Revision History .......................................................................................................................... 2
Contents ..................................................................................................................................... 3
SCOPE ........................................................................................................................................... 4
Operational Description .............................................................................................................. 4
Block Diagram ............................................................................................................................. 5
Specifications .............................................................................................................................. 5
Recommended Operating Conditions and DC Electrical Characteristics ....................................... 9
SDIO Timing Requirements ...................................................................................................................... 9
Pin Definitions ........................................................................................................................... 10
MSD40NBT and MSD45N Pin Comparison Table ................................................................................... 15
Integration Considerations ....................................................................................................................... 16
Sharing antenna implementation....................................................................................................... 16
Mechanical Specifications .......................................................................................................... 17
Connector Overview ................................................................................................................................. 17
Mounting ............................................................................................................................................... 17
RF Layout Design Guidelines ..................................................................................................... 18
Regulatory ................................................................................................................................. 19
Certified Antennas ..................................................................................................................................... 19
Documentation Requirements ................................................................................................................ 19
Appendix A: Schematic .............................................................................................................. 26

Laird MSD45N
Hardware Integration Guide, version 0.04
Americas: +1-800-492-2320 Option
3
Europe: +44-1628-858-940
Hong Kong: +852-2268-6567 x026
www.lairdtech.com/wireless
4
Laird Technologies
SCOPE
This document describes key hardware aspects of the Laird MSD45N radio module. This
document is intended to assist device manufacturers and related parties with the integration of
this radio into their host devices. Data in this document is drawn from a number of sources and
includes information found in the Qualcomm Atheros (QCA) AR6003X data sheet issued in
January 2010, along with other documents provided from Qualcomm Atheros.
The Laird MSD45N is currently in pre-production and this document is preliminary. The information
in this document is subject to change. Please contact Laird Technologies or visit
http://www.lairdtech.com/wireless to obtain the most recent version of this document.
OPERATIONAL DESCRIPTION
This device is a Laird MSD45N radio module which
supports IEEE 802.11a/b/g/n standards via an SDIO
(Secure Digital Input/Output) interface. The radio
operates in unlicensed portions of the 2.4 GHz and 5
GHz radio frequency spectrum. The device is
compliant with IEEE 802.11a, 802.11b, 802.11g, and
802.11n standards using Direct Sequence Spread
Spectrum (DSSS) and Orthogonal Frequency Division
Multiplexing (OFDM). The device supports all 802.11a,
802.11b, 802.11g, and 802.11n data rates and
automatically adjusts data rates and operational
modes based on various environmental factors.
When operating on channels in the UNII-2 and UNII-2 Extended bands that are in the 5GHz
portion of the frequency spectrum and are subject to Dynamic Frequency Selection
requirements, the MSD45N fully conforms to applicable regulatory requirements. In the event
that specified types of radar are detected by the network infrastructure, the MSD45N fully
conforms to commands from the infrastructure for radar avoidance.
The MSD45N interfaces to host devices via a 60-pin connector. The device is based on the
Qualcomm Atheros AR6003X chip which is an integrated device providing a Media Access
Controller (MAC), a Physical Layer Controller (baseband or BB processor), and fully integrated
dual-band radio transceiver. To maximize operational range, the MSD45N incorporates external
2.4 and 5 GHz power amplifiers (PA) to increase transmit power. The frequency stability for both
2.4 GHz (802.11b and 802.11g) and 5 GHz (802.11a) operation is +/- 20 ppm.
On the interface connector (Molex 60-pin connector; pin 21), an I/O voltage level configuration
(either 3.3 V or 1.8 V) is required from the host platform to configure the SDIO bus signal to run at
a 3.3 V or 1.8 V signal level. The MSD45N also provides the 3-wire Wi-Fi/BT coexistence signals to
ensure the performance of Wi-Fi and BT system when they reside in the same platform. A cellular
coexistence filter is implemented on the MSD45N to provide robust performance when
implemented with a cellular system.
The MSD45N has its own RF shielding and does not require shielding provided by the host device
into which it is installed in order to maintain compliance with applicable regulatory standards. As
such, the device may be tested in a standalone configuration via an extender card.
The device buffers all data inputs so that it will comply with all applicable regulations even in the
presence of over-modulated input from the host device. Similarly, the MSD45N incorporates
power regulation to comply with all applicable regulations even when receiving excess power
from the host device.

Laird MSD45N
Hardware Integration Guide, version 0.04
Americas: +1-800-492-2320 Option
3
Europe: +44-1628-858-940
Hong Kong: +852-2268-6567 x026
www.lairdtech.com/wireless
5
Laird Technologies
The MSD45N combines the 2.4 and 5 GHz signal path to signal U.FL type antenna connectors to
support dual band transmission and receive. An antenna diversity function is NOT supported in
this product. Supported host device antenna types include dipole and monopole antennas.
Regulatory operational requirements are included with this document and may be incorporated
into the operating manual of any device into which the MSD45N is installed. The MSD45N is
designed for installation into mobile devices such as vehicle mount data terminals (which
typically operate at distances greater than 20 cm from the human body) and portable devices
such as handheld data terminals (which typically operate at distances less than 20 cm from the
human body). See “Documentation Requirements” for more information.
BLOCK DIAGRAM
Note: Transmitter frequencies for Wi-Fi are 2412-2462 MHz and 5180-5805 MHz.
SPECIFICATIONS
Table 1: Specifications
Feature
Description
Physical Interface
Molex 54722-0607 60-pin connector (mates to Molex 55560-0607 60-pin
connector)
Wi-Fi Interface
1-bit or 4-bit Secure Digital I/O
Note: Can support 1.8 V or 3.3 V depending on the supply voltage on
VDDIO (pin-21).
Antenna Interface
1 Hirose U.FL connector
Main Chip
Qualcomm Atheros AR6003X single-chip client
Input Voltage
Requirements
3.3 VDC ± 10% (core)
I/O Signalling
Voltage
3.3 VDC ± 5%
1.8 VDC ± 5%

Laird MSD45N
Hardware Integration Guide, version 0.04
Americas: +1-800-492-2320 Option
3
Europe: +44-1628-858-940
Hong Kong: +852-2268-6567 x026
www.lairdtech.com/wireless
6
Laird Technologies
Feature
Description
Average Current
Consumption
(At maximum
transmit power
setting)
Note: Standby refers
to the radio
operating in PM1
powersave mode.
Mode
1.8 V
3.3 V
Avg.
Current
Max.
Current
Avg.
Current
Max.
Current
802.11a
Transmit
0.11
0.11
496
500
Receive
0.11
-
0.2
-
Standby
TBD
TBD
TBD
TBD
802.11b
Transmit
0.11
0.11
380
420
Receive
0.11
-
0.2
-
Standby
TBD
TBD
TBD
TBD
802.11g
Transmit
0.11
0.11
355
410
Receive
0.11
-
0.2
-
Standby
TBD
TBD
TBD
TBD
802.11n (2.4 GHz)
Transmit
0.11
0.11
342
420
Receive
0.11
-
0.2
-
Standby
TBD
TBD
TBD
TBD
802.11n (5 GHz)
Transmit
0.11
0.11
422
500
Receive
0.11
-
0.2
-
Standby
TBD
TBD
TBD
TBD
Sleep
N/A
TBD
TBD
TBD
TBD
Operating
Temperature
-20° to 70°C (-4° to 158°F)
Operating Humidity
10 to 90% (non-condensing)
Storage Temperature
-40° to 85°C (-40° to 185°F)
Storage Humidity
10 to 90% (non-condensing)
Maximum
Electrostatic
Discharge
Maximum Contact Discharge (CD): 4 kV
Maximum Air Discharge (AD): 8 kV
Length
32 mm (1.26 in.)
Width
22 mm (0.87 in.)
Thickness
5.05mm (0.17 in.)
Weight
0.2 g (0.08 oz.)
Mounting
60-pin connector, three grounded mounting holes (M2 screws)
Wi-Fi Media
Direct Sequence-Spread Spectrum (DSSS)
Complementary Code Keying (CCK)
Orthogonal Frequency Divisional Multiplexing (OFDM)
Wi-Fi Media Access
Protocol
Carrier sense multiple access with collision avoidance (CSMA/CA)
Network Architecture
Types
Infrastructure and ad hoc
Wi-Fi Standards
IEEE 802.11a, 802.11b, 802.11d, 802.11e, 802.11g, 802.11h, 802.11i, 802.11n
Wi-Fi Data Rates
Supported
802.11a (OFDM): 6, 9, 12, 18, 24, 36, 48, 54 Mbps
802.11b (DSSS, CCK): 1, 2, 5.5, 11 Mbps
802.11g (OFDM): 6, 9, 12, 18, 24, 36, 48, 54 Mbps
802.11n (OFDM,HT20,MCS 0-7): 6.5,13,19.5, 26, 39,52, 58.5, 72.2 Mbps
7.2,14.4, 21.7, 28.9,43.3, 57.8, 65 Mbps

Laird MSD45N
Hardware Integration Guide, version 0.04
Americas: +1-800-492-2320 Option
3
Europe: +44-1628-858-940
Hong Kong: +852-2268-6567 x026
www.lairdtech.com/wireless
7
Laird Technologies
Feature
Description
Wi-Fi Modulation
BPSK @ 1, 6, 6.5, 7.2 and 9 Mbps
QPSK @ 2, 5.5, 11, 12, 13, 14.4,18, 19.5 and 21.7 Mbps
16-QAM @ 24, 26, 28.9, 36, 39 and 43.3 Mbps
64-QAM @ 48, 52, 54, 57.8, 58.5, 65, and 72.2 Mbps
802.11n Spatial
Streams
1x1 SISO (Single Input, Single Output)
Regulatory Domain
Support
FCC (Americas, Parts of Asia, and Middle East)
ETSI (Europe, Middle East, Africa, and Parts of Asia)
MIC (Japan) (formerly TELEC)
KC (Korea) (formerly KCC)
2.4 GHz Frequency
Bands
ETSI: 2.4 GHz to 2.483 GHz
FCC: 2.4 GHz to 2.483 GHz
MIC (Japan): 2.4 GHz to 2.495 GHz
KC: 2.4 GHz to 2.483 GHz
2.4 GHz Operating
Channels
ETSI:13 (3 non-overlapping)
FCC:11 (3 non-overlapping)
MIC (Japan):14 (4 non-
overlapping)
KCC:13 (3 non-overlapping)
5 GHz Frequency
Bands
ETSI 5.15 GHz to 5.35 GHz
5.47 GHz to 5.725 GHz
FCC 5.15 GHz to 5.35 GHz
5.725 GHz to 5.82 GHz
MIC 5.15 GHz to 5.35 GHz
KC 5.15 GHz to 5.35 GHz
5.47 GHz to 5.725 GHz
5.725 GHz to 5.82 GHz
5 GHz Operating
Channels
ETSI:19 non-overlapping)
FCC: 23 non-overlapping
MIC: 8 non-overlapping
KC: 8 non-overlapping
Transmit Power
Note: Transmit
power varies
according to
individual
country
regulations. All
values nominal,
+/-2 dBm.
Note: Laird 45 series
radios support
a single spatial
stream and 20
MHz channels
only.
802.11a: 6 Mbps 15 dBm (32 mW)
54 Mbps 15 dBm (32 mW)
802.11b: 1 Mbps 16 dBm (40 mW)
11 Mbps 16 dBm (40 mW)
802.11g: 6 Mbps 16 dBm (40 mW)
54 Mbps 14 dBm (25 mW)
802.11n (2.4 GHz): 6.5 Mbps (MCS0) 16 dBm (40 mW)
65 Mbps (MCS7) 12 dBm (16 mW)
802.11n (5 GHz): 6.5 Mbps (MCS0) 15 dBm (32 mW)
65 Mbps (MCS7) 12 dBm (16 mW)

Laird MSD45N
Hardware Integration Guide, version 0.04
Americas: +1-800-492-2320 Option
3
Europe: +44-1628-858-940
Hong Kong: +852-2268-6567 x026
www.lairdtech.com/wireless
8
Laird Technologies
Feature
Description
Typical Receiver
Sensitivity
Note: All values
nominal, +/-3
dBm.
802.11a: 6 Mbps -91 dBm
54 Mbps -73 dBm (PER <=10%)
802.11b: 1 Mbps -92 dBm
11 Mbps -84 dBm (PER <=10%)
802.11g: 6 Mbps -91 dBm
54 Mbps -74 dBm (PER <=10%)
802.11n (2.4 GHz): MCS0 Mbps -89 dBm
MCS7 Mbps -71 dBm
802.11n (5 GHz): MCS0 Mbps -89 dBm
MCS7 Mbps -71 dBm
Operating Systems
Supported
Linux
Note: Support for Android is pending.
Security
Standards
Wireless Equivalent Privacy (WEP)
Wi-Fi Protected Access (WPA)
IEEE 802.11i (WPA2)
Note: Support for Federal Information Processing Standards (FIPS) is
pending.
Encryption
Wireless Equivalent Privacy (WEP, RC4 Algorithm)
Temporal Key Integrity Protocol (TKIP, RC4 Algorithm)
Advanced Encryption Standard (AES, Rijndael Algorithm)
Encryption Key Provisioning
Static (40-bit and 128-bit lengths)
Pre-Shared (PSK)
Dynamic
802.1X Extensible Authentication Protocol Types
EAP-FAST
EAP-TLS
EAP-TTLS
PEAP-GTC
PEAP-MSCHAPv2
PEAP-TLS
LEAP
Compliance
Note: All
certifications
are pending.
Note: Whether or not
MIC (formerly
ETSI Regulatory Domain
EN 300 328
EN 301 489-1
EN 301 489-17
EN 301 893
EN 60950-1
EU 2002/95/EC (RoHS)
FCC Regulatory Domain
FCC 15.247 DTS – 802.11b/g (Wi-Fi) – 2.4 GHz & 5.8 GHz
FCC 15.407 UNII – 802.11a (Wi-Fi) – 2.4 GHz & 5.4 GHz
Industry Canada
RSS-210 – 802.11a/b/g/n (Wi-Fi) – 2.4 GHz, 5.8 GHz, 5.2 GHz, and 5.4 GHz
MIC (Japan) Regulatory Domain (formerly TELEC)
Article 2 Item 19, Category WW (2.4GHz Channels 1-13)
Article 2 Item 19-2, Category GZ (2.4GHz Channel 14)

Laird MSD45N
Hardware Integration Guide, version 0.04
Americas: +1-800-492-2320 Option
3
Europe: +44-1628-858-940
Hong Kong: +852-2268-6567 x026
www.lairdtech.com/wireless
9
Laird Technologies
Feature
Description
TELEC) is
pursued is TBD.
Article 2 Item 19-3 Category XW (5150-5250 W52 & 5250-5350 W53)
National Communications Commission
LP0002 (100-06-28) – Wi-Fi
AS/NZS
AS/NZS 4268:2008 +A1:2010 (RLAN device)
Certifications
Note: These
certifications
are pending.
Wi-Fi Alliance
802.11a, 802.11b, 802.11g , 802.11n
WPA Enterprise
WPA2 Enterprise
Cisco Compatible Extensions (Version 4)
Warranty
Limited Lifetime
This is a PRELMINARY document.
All specifications are subject to change without notice
RECOMMENDED OPERATING CONDITIONS AND DC ELECTRICAL CHARACTERISTICS
Table 2: Absolute Maximum Ratings
Symbol
Parameter
Min.
Typ.
Max.
Unit
VCC3_3
Power supply voltage with respect to
ground
-0.3
-
4.0
V
VDD_IO
Power supply voltage with respect to
ground
-0.3
-
4.0
V
Voltage
Ripple
+/-2%, 10KHz~100KHz
Max. values not exceeding Operating
voltage
-
-
2
%
RFin
Maximum RF input (reference to 50 ohm)
-
-
+10
dBm
Table 3: Recommended Operating Conditions
Symbol
Parameter
Min.
Typ.
Max.
Unit
VCC3_3
Power supply voltage with respect to ground
3.14
3.3
3.46
V
VDD_IO
Power supply voltage with respect to ground
1.71
3.14
1.8
3.3
1.89
3.46
V
V
Note: VDD_IO is a voltage from the host platform to configure the I/O signal level. It can be set
1.8 V or 3.3 V.
SDIO Timing Requirements
The following figure (Figure 1) and table display SDIO default mode timing.

Laird MSD45N
Hardware Integration Guide, version 0.04
Americas: +1-800-492-2320 Option
3
Europe: +44-1628-858-940
Hong Kong: +852-2268-6567 x026
www.lairdtech.com/wireless
10
Laird Technologies
Figure 1: SDIO Default Mode Timing
Note: Timing is based on CL ≤ 40 pF load on CMD and Data.
Table 4: SDIO Timing Requirements
Symbol
Parameter
Min.
Typ.
Max.
Unit
fPP
Frequency – Data Transfer mode
0
-
50
MHz
tWL
Clock low time
7
-
-
ns
tWH
Clock high time
7
-
-
ns
tTLH
Clock rise time
-
-
10
ns
tTHL
Clock low time
-
-
10
ns
Inputs: CMD, DAT (referenced to CLK)
tISU
Input setup time
6
-
-
ns
tIH
Input hold time
2
-
-
ns
Outputs: CMD, DAT (referenced to CLK)
tODLY
Output delay time – Data Transfer
mode
0
-
14
ns
PIN DEFINITIONS
Wi-Fi
Bluetooth
Wi-Fi/Bluetooth
Table 5: Pin Definitions
Pin
#
Name
I/O
Default
State
Ref.
Description
If Unused
1
GND
-
Ground
Must be
connected to
GND

Laird MSD45N
Hardware Integration Guide, version 0.04
Americas: +1-800-492-2320 Option
3
Europe: +44-1628-858-940
Hong Kong: +852-2268-6567 x026
www.lairdtech.com/wireless
11
Laird Technologies
Pin
#
Name
I/O
Default
State
Ref.
Description
If Unused
2
No Connect
-
-
No internal connection. Leave it
open
Leave open
3
BT_PRIORITY
I
Hi-Z
VDD_IO
3-Wire Wi-Fi/BT coexistence signal
BT_PRIORITY for Bluetooth
coexistence
4
No Connect
-
-
No internal connection. Leave it
open
Leave open
5
No Connect
-
-
No internal connection. Leave it
open
Leave open
6
No Connect
-
-
No internal connection. Leave it
open
Leave open
7
No Connect
-
-
No internal connection. Leave it
open
Leave open
8
No Connect
-
-
No internal connection. Leave it
open
Leave open
9
No Connect
-
-
No internal connection. Leave it
open
Leave open
10
No Connect
-
-
No internal connection. Leave it
open
Leave open
11
No Connect
-
-
No internal connection. Leave it
open
Leave open
12
No Connect
-
-
No internal connection. Leave it
open
Leave open
13
VCC3_3
-
3.3 V Module Power
14
No Connect
-
-
No internal connection. Leave it
open
Leave open
15
No Connect
-
-
No internal connection. Leave it
open
Leave open
16
No Connect
-
-
No internal connection. Leave it
open
Leave open
17
No Connect
-
-
No internal connection. Leave it
open
Leave open
18
No Connect
-
-
No internal connection. Leave it
open
Leave open
19
No Connect
-
-
No internal connection. Leave it
open
Leave open
20
No Connect
-
-
No internal connection. Leave it
open
Leave open
21
VDD_IO
-
I/O bus voltage configuration;
Either 3.3 V or 1.8 V
22
No Connect
-
-
No internal connection. Leave it
open
Leave open
23
No Connect
No internal connection. Leave it
Leave open

Laird MSD45N
Hardware Integration Guide, version 0.04
Americas: +1-800-492-2320 Option
3
Europe: +44-1628-858-940
Hong Kong: +852-2268-6567 x026
www.lairdtech.com/wireless
12
Laird Technologies
Pin
#
Name
I/O
Default
State
Ref.
Description
If Unused
open
24
No Connect
-
-
No internal connection. Leave it
open
Leave open
25
No Connect
No internal connection. Leave it
open
Leave open
26
No Connect
-
-
No internal connection. Leave it
open
Leave open
27
SDIO_DATA_2
I/O
Pull-H
VDD_IO
SDIO Data2
Note: See “Integration
Considerations” for
additional integration
information.
28
WL_ACTIVE
O
Low
VDD_IO
3-Wire Wi-Fi/BT coexistence signal;
WLAN_ACTIVE for Bluetooth
coexistence
29
VCC3_3
-
3.3 V Module Power
30
GND
-
Ground
Must be
connected to
GND
31
GND
-
Ground
Must be
connected to
GND
32
No Connect
-
-
No internal connection. Leave it
open
Leave open
33
No Connect
-
-
No internal connection. Leave it
open
Leave open
34
No Connect
-
-
No internal connection. Leave it
open
Leave open
35
No Connect
-
-
No internal connection. Leave it
open
Leave open
36
BT_ACTIVE
I
Hi-Z
VDD_IO
3-Wire Wi-Fi/BT coexistence signal;
BT_ACTIVE for Bluetooth
coexistence
37
No Connect
-
-
No internal connection. Leave it
open
Leave open
38
No Connect
-
-
No internal connection. Leave it
open
Leave open
39
No Connect
-
-
No internal connection. Leave it
open
Leave open
40
No Connect
-
-
No internal connection. Leave it
open
Leave open
41
No Connect
-
-
No internal connection. Leave it
open
Leave open
42
WL_LED_ACT/
O
LOW
VCC3_3
Used for the following:

Laird MSD45N
Hardware Integration Guide, version 0.04
Americas: +1-800-492-2320 Option
3
Europe: +44-1628-858-940
Hong Kong: +852-2268-6567 x026
www.lairdtech.com/wireless
13
Laird Technologies
Pin
#
Name
I/O
Default
State
Ref.
Description
If Unused
ANTE
Antenna switch control signal
when sharing antenna with BT
signal. See “Sharing Antenna
Implementation” for more
information.
LED indicator for Wi-Fi is active
(sending a signal).
43
No Connect
-
-
No internal connection. Leave it
open
Leave open
44
No Connect
-
-
No internal connection. Leave it
open
Leave open
45
No Connect
-
-
No internal connection. Leave it
open
Leave open
46
No Connect
-
-
No internal connection. Leave it
open
Leave open
47
No Connect
-
-
No internal connection. Leave it
open
Leave open
48
CHIP_PWD_L
I
Pull-H
VDD_IO
Input signal to power down the
module. Active low
See Note Regarding CHIP_PWD_L.
49
No Connect
-
-
No internal connection. Leave it
open
Leave open
50
No Connect
-
-
No internal connection. Leave it
open
Leave open
51
No Connect
-
-
No internal connection. Leave it
open
Leave open
52
No Connect
-
-
No internal connection. Leave it
open
Leave open
53
No Connect
-
-
No internal connection. Leave it
open
Leave open
54
No Connect
-
-
No internal connection. Leave it
open
Leave open
55
SDIO_CMD
I/O
Pull-H
VDD_IO
SDIO Command
56
SDIO_CLK
I
Hi-Z
VDD_IO
SDIO Clock (25 MHz max)
57
SDIO_DATA_0
I/O
Pull-H
VDD_IO
SDIO Data 0
58
SDIO_DATA_3
I/O
Pull-H
VDD_IO
SDIO Data 3
59
SDIO_DATA_1
I/O
Pull-H
VDD_IO
SDIO Data 1
60
GND
-
Ground
Must be
connected to
GND
Note Regarding CHIP_PWD_L: During power on/down period, the CHIP_PWD_L must be held in
low state longer than 5 µsec (TA and TB) after the VCC3_3 reaches its high state. See Figure 2.

Laird MSD45N
Hardware Integration Guide, version 0.04
Americas: +1-800-492-2320 Option
3
Europe: +44-1628-858-940
Hong Kong: +852-2268-6567 x026
www.lairdtech.com/wireless
14
Laird Technologies
To reset the MSD45N, set the CHIP_PWD_L in low state longer than 5 µsec (TC). See Figure 3.
Figure 2: Power on/down timing
Figure 3: Reset timing

Laird MSD45N
Hardware Integration Guide, version 0.04
Americas: +1-800-492-2320 Option
3
Europe: +44-1628-858-940
Hong Kong: +852-2268-6567 x026
www.lairdtech.com/wireless
15
Laird Technologies
MSD40NBT and MSD45N Pin Comparison Table
Pin #
Pin Name
Pin Name
Pin #
Pin Name
Pin Name
MSD40NBT
MSD45N
MSD40NBT
MSD45N
1
GND
GND
31
GND
GND
2
BT_UART_TXD
No Connect
32
BT_RST_L
No Connect
3
BT_PRIORITY
BT_PRIORITY
33
No Connect
No Connect
4
BT_GPIO_6
No Connect
34
No Connect
No Connect
5
BT_UART_RTS_N
No Connect
35
No Connect
No Connect
6
BT_UART_RXD
No Connect
36
RSVD
BT_ACTIVE
7
BT_HOST_WAKE_B
No Connect
37
No Connect
No Connect
8
RSVD
No Connect
38
No Connect
No Connect
9
RSVD
No Connect
39
No Connect
No Connect
10
BT_PCM_OUT
No Connect
40
No Connect
No Connect
11
BT_UART_CTS_N
No Connect
41
No Connect
No Connect
12
BT_WAKE_B
No Connect
42
RSVD
WL_LED_ACT/ANTE
13
VCC3_3
VCC3_3
43
No Connect
No Connect
14
No Connect
No Connect
44
No Connect
No Connect
15
No Connect
No Connect
45
No Connect
No Connect
16
No Connect
No Connect
46
No Connect
No Connect
17
No Connect
No Connect
47
No Connect
No Connect
18
No Connect
No Connect
48
CHIP_PWD_L
CHIP_PWD_L
19
No Connect
No Connect
49
No Connect
No Connect
20
BT_PCM_SYNC
No Connect
50
RSVD
No Connect
21
No Connect
VDD_IO
51
No Connect
No Connect
22
BT_PCM_IN
No Connect
52
RSVD
No Connect
23
No Connect
No Connect
53
RSVD
No Connect
24
BT_PCM_CLK
No Connect
54
RSVD
No Connect
25
No Connect
No Connect
55
SDIO_CMD
SDIO_CMD
26
SYS_RST_L
No Connect
56
SDIO_CLK
SDIO_CLK
27
SDIO_DATA_2
SDIO_D2
57
SDIO_DATA_0
SDIO_D0
28
RSVD
WL_ACTIVE
58
SDIO_DATA_3
SDIO_D3
29
VCC3_3
VCC3_3
59
SDIO_DATA_1
SDIO_D1
30
GND
GND
60
GND
GND

Laird MSD45N
Hardware Integration Guide, version 0.04
Americas: +1-800-492-2320 Option
3
Europe: +44-1628-858-940
Hong Kong: +852-2268-6567 x026
www.lairdtech.com/wireless
16
Laird Technologies
Integration Considerations
The following Wi-Fi information should be taken into consideration when integrating the MSD45N.
Series resistors are recommended in all six SDIO lines (27-56 ohms typically):
SDIO_CLK
SDIO_CMD
SDIO_DATA_0
SDIO_DATA_1
SDIO_DATA_2
SDIO_DATA_3
Also note the following:
Rout the SDIO bus as short and as similar in length as possible.
Keep the clock trace separate from other signal trace.
Sharing antenna implementation
Note: The current firmware is NOT supported.
Note: Although these values may vary with the properties of your host interface and the
PCB, they are a reasonable starting point.
Note: The series resistors in the SDIO bus provide several design benefits:
If a host controller has too high of a drive strength, then bus ringing may result.
Series resistors can reduce this ringing on the I/O lines.
Adding 27-56 ohms of series resistance on the SDIO bus will reduce sharp
transitional edges, which may reduce EMI.
Having the series resistors in the PCB layout allows for design flexibility; if they
are later found to be unnecessary, zero (0) ohm jumpers may be used in their
place.
Notes: No pull-up is required on the CLK line.
Make sure to apply the proper voltage on the VDD_IO input to the SiP to
match the signalling voltage of the SDIO host interface (1.8V or 3.3V typically,
but it can be anything in between these values).
The SDIO host must wait a minimum of 5 µsec before initiating access to the
MSD45N after VCC3_3 ramps up and settles
MSD45N

Laird MSD45N
Hardware Integration Guide, version 0.04
Americas: +1-800-492-2320 Option
3
Europe: +44-1628-858-940
Hong Kong: +852-2268-6567 x026
www.lairdtech.com/wireless
17
Laird Technologies
MECHANICAL SPECIFICATIONS
Connector Overview
MSD45N connector: Molex 54722-0607 60-pin connector
Mating connector (on board): Molex 55560-0607 60-pin connector
Figure 4: Mechanical Drawing
MSD45N Attached to T-Board
Needs an image
Figure 5: MSD45N attached to T-board
Mounting
The MSD45N connects to the host via a 60-pin connector. In addition, there are three mounting
holes used to secure the device to the host using 2 mm mounting screws.
Laird recommends a 1.5 mm metal spacer (bushing) with a conductive mounting screw to
connect the exposed ground pads of the radio circuit board to the host ground plane. A 1.5
mm conductive metal spacer with a maximum OD of 4 mm maximizes grounding of the radio
and helps to reduce emissions from the radio circuit board. The spacer may also prevent the
MSD board from slanting and breaking the connection to the host device when the board is
attached to the host.
Units are
millimeters

Laird MSD45N
Hardware Integration Guide, version 0.04
Americas: +1-800-492-2320 Option
3
Europe: +44-1628-858-940
Hong Kong: +852-2268-6567 x026
www.lairdtech.com/wireless
18
Laird Technologies
Figure 6: Mounting Recommendations
RF LAYOUT DESIGN GUIDELINES
The following is a list of RF layout design guidelines and recommendation when installing a Laird
radio into your device.
Do not run antenna cables directly above or directly below the radio.
Do not place any parts or run any high speed digital lines below the radio.
If there are other radios or transmitters located on the device (such as a Bluetooth radio),
place the devices as far apart from each other as possible.
Ensure that there is the maximum allowable spacing separating the antenna connectors on
the Laird radio from the antenna. In addition, do not place antennas directly above or
directly below the radio.
Laird recommends the use of a double shielded cable for the connection between the radio
and the antenna elements.
Laird has provided three plated mounting holes that can be used for grounding. When
additional ground plane is required, you may use some or all of these grounded mounting
holes.
Use proper electro-static-discharge (ESD) procedures when installing the Laird radio module.

Laird MSD45N
Hardware Integration Guide, version 0.04
Americas: +1-800-492-2320 Option
3
Europe: +44-1628-858-940
Hong Kong: +852-2268-6567 x026
www.lairdtech.com/wireless
19
Laird Technologies
REGULATORY
Certified Antennas
The MSD45N will be tested to the regulatory standards defined in the “Certifications” section of
the Specifications table above. Laird Technologies plans to conduct these tests with the
following antennas:
Model
Type
Connector
Maximum Gain
MAG.LAYERS
EDA-1513-25GR2-B2-CY
Dipole
SMA
Jack Reverse
2 dBi
MAG.LAYERS
PCA-4606-2G4C1-A13-CY
PCB Dipole
TNOV
2.2 dBi
Laird
NanoBlade-IP04
PCB Dipole
IPEX MHF
2.4-2.5 GHz: 2 dBi
5.15-5.35 GHz: 3.9 dBi
5.6 GHz: 4 dBi
Laird
MAF95310 Mini NanoBlade
Flex
PCB Dipole
IPEX MHF
2.4 GHz: 2.79 dBi
5 GHz: 3.38 dBi
Laird
NanoBlue-IP04
PCB Dipole
IPEX MHF
2.5 GHz only: 2 dBi
Ethertronics
WLAN_1000146
Magnetic
Dipole
IPEX MHF
2.4-2.5 GHz: 2 dBi
4.9-5.1 GHz: 3.5 dBi
5.15-5.35 GHz: 3.5 dBi
5.7-5.9 GHz: 3.5 dBi
Antennas of differing types and higher gains may be integrated as well. If necessary, with the
Laird Manufacturing Utility software utility, OEMs may reduce the transmit power of the MSD45N
to account for higher antenna gain. In some cases, OEMs may be able to reduce certification
efforts by using antennas that are of like type and equal or lesser gain to the above listed
antennas.
Documentation Requirements
In order to maintain regulatory compliance, when integrating the Laird MSD45N into a host
device and leveraging Laird’s grants and certifications, it is necessary to meet the
documentation requirements set forth by the applicable regulatory agencies. The following
sections (FCC, Industry Canada, and European Union) outline the information that may be
included in the user’s guide and external labels for the host devices into which the MSD45N is
integrated.
FCC
Note: You must place “Contains FCC ID: SQG-MSD45N” on the host product in such a
location that it can be seen by an operator at the time of purchase.

Laird MSD45N
Hardware Integration Guide, version 0.04
Americas: +1-800-492-2320 Option
3
Europe: +44-1628-858-940
Hong Kong: +852-2268-6567 x026
www.lairdtech.com/wireless
20
Laird Technologies
User’s Guide Requirements
When integrating the MSD45N into a host device, the integrator must include specific
information in the user’s guide for the device into which the MSD45N is integrated. The integrator
must not provide information to the end user regarding how to install or remove this RF module in
the user’s manual of the device into which the MSD45N is integrated. The following FCC
statements must be added in their entirety and without modification into a prominent place in
the user’s guide for the device into which the MSD45N is integrated:
Federal Communication Commission Interference Statement
This equipment has been tested and found to comply with the limits for a Class B digital
device, pursuant to Part 15 of the FCC Rules. These limits are designed to provide reasonable
protection against harmful interference in a residential installation. This equipment generates,
uses, and can radiate radio frequency energy and, if not installed and used in accordance
with the instructions, may cause harmful interference to radio communications. However,
there is no guarantee that interference will not occur in a particular installation. If this
equipment does cause harmful interference to radio or television reception, which can be
determined by turning the equipment off and on, the user is encouraged to try to correct
the interference by one of the following measures:
1. Reorient or relocate the receiving antenna.
2. Increase the separation between the equipment and receiver.
3. Connect the equipment into an outlet on a circuit different from that to which the
receiver is connected.
4. Consult the dealer or an experienced radio/TV technician for help.
FCC Caution: Any changes or modifications not expressly approved by the party responsible
for compliance could void the user's authority to operate this equipment.
This device complies with Part 15 of the FCC Rules. Operation is subject to the following two
conditions: (1) This device may not cause harmful interference, and (2) this device must
accept any interference received, including interference that may cause undesired
operation.
This device is restricted to indoor use when operated in the 5.15 to 5.25 GHz frequency range.
FCC requires this product to be used indoors for the frequency range 5.15 to 5.25 GHz to
reduce the potential for harmful interference to co-channel Mobile Satellite systems.
This device does not permit operations on channels 116-128 (5580 – 5640 MHz) for 11na and
120-128 (5600-5640 MHz) for 11a which overlap the 5600 -5650 MHz band.
IMPORTANT NOTE: FCC Radiation Exposure Statement:
This equipment complies with FCC radiation exposure limits set forth for an uncontrolled
environment. This equipment should be installed and operated with minimum distance
20cm between the radiator & your body.

Laird MSD45N
Hardware Integration Guide, version 0.04
Americas: +1-800-492-2320 Option
3
Europe: +44-1628-858-940
Hong Kong: +852-2268-6567 x026
www.lairdtech.com/wireless
21
Laird Technologies
This device is intended only for OEM integrators under the following conditions:
The antenna must be installed such that 20 cm is maintained between the antenna
and users, and
The transmitter module may not be co-located with any other transmitter or antenna,
For all products marketed in the United States, the OEM must limit the operation
channels from CH1 to CH11 for 2.4 GHz band by the supplied firmware programming
tool. The OEM shall not supply any tool or information to the end-user regarding
Regulatory Domain change.
As long as the three conditions above are met, further transmitter testing is not required.
However, the OEM integrator is still responsible for testing their end-product for any additional
compliance requirements required with this module installed.
IMPORTANT NOTE: In the event that these conditions cannot be met (for example, certain
laptop configurations or co-location with another transmitter), then the
FCC authorization is no longer considered valid and the FCC ID cannot
be used on the final product. In these circumstances, the OEM integrator
is responsible for re-evaluating the end product (including the transmitter)
and obtaining a separate FCC authorization.
End Product Labeling
This transmitter module is authorized only for use in device where the antenna is installed such
that 20 cm is maintained between the antenna and users. The final end product must be
labeled in a visible area with the following: “Contains FCC ID: SQG-MSD45N”.
Manual Information to the End User
The OEM integrator may NOT provide information to the end user regarding how to install or
remove this RF module in the user’s manual of the end product which integrates this module.
The end user manual shall include all required regulatory information/warnings as show in this
Hardware Integration Guide.
Industry Canada
Note: You must place “Contains IC : 3147A-MSD45N” on the host product in such a location
that it can be seen by an operator at the time of purchase.
User’s Guide Requirements (for Model # MSD45N)
RF Radiation Hazard Warning
To ensure compliance with FCC and Industry Canada RF exposure requirements, this device
must be installed in a location where the antennas of the device will have a minimum distance
of at least 20 cm from all persons. Using higher gain antennas and types of antennas not
certified for use with this product is not allowed. The device shall not be co-located with another
transmitter.
Installez l'appareil en veillant à conserver une distance d'au moins 20 cm entre les é lé ments
rayonnants et les personnes. Cet avertissement de sé curité est conforme aux limites d'exposition
dé finies par la norme CNR-102 at relative aux fré quences radio.

Laird MSD45N
Hardware Integration Guide, version 0.04
Americas: +1-800-492-2320 Option
3
Europe: +44-1628-858-940
Hong Kong: +852-2268-6567 x026
www.lairdtech.com/wireless
22
Laird Technologies
Maximum Antenna Gain – If the integrator configures the device such that the antenna is
detectable from the host product.
This radio transmitter (identify the device by certification number, or model number if Category II)
has been approved by Industry Canada to operate with the antenna types listed below with the
maximum permissible gain and required antenna impedance for each antenna type indicated.
Antenna types not included in this list, having a gain greater than the maximum gain indicated
for that type, are strictly prohibited for use with this device.
Antenna list refer to Certified Antennas.
Le pré sent é metteur radio (IC: 3147A-MSD45N) a é té approuvé par Industrie Canada pour
fonctionner avec les types d'antenne é numé ré s ci-dessous et ayant un gain admissible maximal
et l'impé dance requise pour chaque type d'antenne. Les types d'antenne non inclus dans cette
liste, ou dont le gain est supé rieur au gain maximal indiqué , sont strictement interdits pour
l'exploitation de l'é metteur.
Le pré sent appareil est conforme aux CNR d'Industrie Canada applicables aux appareils radio
exempts de licence. L'exploitation est autorisé e aux deux conditions suivantes : (1) l'appareil ne
doit pas produire de brouillage, et (2) l'utilisateur de l'appareil doit accepter tout brouillage
radioé lectrique subi, mê me si le brouillage est susceptible d'en compromettre le
fonctionnement.
This device is intended only for OEM integrators under the following conditions:
The antenna must be installed such that 20 cm is maintained between the antenna and
users, and
The transmitter module may not be co-located with any other transmitter or antenna.
As long as 2 conditions above are met, further transmitter test will not be required. However, the
OEM integrator is still responsible for testing their end-product for any additional compliance
requirements required with this module installed.
Cet appareil est conç u uniquement pour les inté grateurs OEM dans les conditions suivantes:
L'antenne doit ê tre installé e de telle sorte qu'une distance de 20 cm est respecté e entre
l'antenne et les utilisateurs, et
Le module é metteur peut ne pas ê tre coïmplanté avec un autre é metteur ou antenne.
Tant que les 2 conditions ci-dessus sont remplies, des essais supplé mentaires sur l'é metteur ne
seront pas né cessaires. Toutefois, l'inté grateur OEM est toujours responsable des essais sur son
produit final pour toutes exigences de conformité supplé mentaires requis pour ce module
installé .
IMPORTANT NOTE:
In the event that these conditions cannot be met (for example certain laptop
configurations or co-location with another transmitter), then the Canada authorization
is no longer considered valid and the IC ID can not be used on the final product. In
these circumstances, the OEM integrator will be responsible for re-evaluating the end
product (including the transmitter) and obtaining a separate Canada authorization.
NOTE IMPORTANTE:
Dans le cas où ces conditions ne peuvent ê tre satisfaites (par exemple pour certaines
configurations d'ordinateur portable ou de certaines co-localisation avec un autre
é metteur), l'autorisation du Canada n'est plus considé ré comme valide et l'ID IC ne

Laird MSD45N
Hardware Integration Guide, version 0.04
Americas: +1-800-492-2320 Option
3
Europe: +44-1628-858-940
Hong Kong: +852-2268-6567 x026
www.lairdtech.com/wireless
23
Laird Technologies
peut pas ê tre utilisé sur le produit final. Dans ces circonstances, l'inté grateur OEM sera
chargé de ré é valuer le produit final (y compris l'é metteur) et l'obtention d'une
autorisation distincte au Canada.
End Product Labeling
This transmitter module is authorized only for use in device where the antenna may be installed
such that 20 cm may be maintained between the antenna and users. The final end product
must be labeled in a visible area with the following: “Contains IC: 3147A-MSD45N”.
Plaque signalé tique du produit final
Ce module é metteur est autorisé uniquement pour une utilisation dans un dispositif où l'antenne
peut ê tre installé e de telle sorte qu'une distance de 20cm peut ê tre maintenue entre l'antenne
et les utilisateurs. Le produit final doit ê tre é tiqueté dans un endroit visible avec l'inscription
suivante: "Contient des IC: 3147A-MSD45N ".
Manual Information To the End User
The OEM integrator has to be aware not to provide information to the end user regarding how to
install or remove this RF module in the user’s manual of the end product which integrates this
module.
The end user manual shall include all required regulatory information/warning as show in this
manual.
Manuel d'information à l'utilisateur final
L'inté grateur OEM doit ê tre conscient de ne pas fournir des informations à l'utilisateur final quant
à la faç on d'installer ou de supprimer ce module RF dans le manuel de l'utilisateur du produit
final qui intè gre ce module.
Le manuel de l'utilisateur final doit inclure toutes les informations ré glementaires requises et
avertissements comme indiqué dans ce manuel.
European Union
User’s Guide Requirements
The integrator must include specific information in the user’s guide for the device into which the
MSD45N is integrated. In addition to the required FCC and IC statements outlined above, the
following R&TTE statements must be added in their entirety and without modification into a
prominent place in the user’s guide for the device into which the MSD45N is integrated:
This device complies with the essential requirements of the R&TTE Directive 1999/5/EC. The
following test methods have been applied in order to prove presumption of conformity with the
essential requirements of the R&TTE Directive 1999/5/EC:
EN60950-1:2006+A11+A1+A12:2011
Safety of Information Technology Equipment
EN 62311: 2008 / Article 3(1)(a) and Article 2 2006/95/EC)
Assessment of electronic and electrical equipment related to human exposure restrictions
for electromagnetic fields (0 Hz-300 GHz)
EN 300 328 V1.8.1: 2012-06
Electromagnetic compatibility and Radio spectrum Matters (ERM); Wideband transmission

Laird MSD45N
Hardware Integration Guide, version 0.04
Americas: +1-800-492-2320 Option
3
Europe: +44-1628-858-940
Hong Kong: +852-2268-6567 x026
www.lairdtech.com/wireless
24
Laird Technologies
systems; Data transmission equipment operating using wide band modulation techniques;
Harmonized EN covering the essential requirements of article 3.2 of the R&TTE Directive
EN 301 893 V1.7.1: 2012-06
Broadband Radio Access Networks (BRAN); 5 GHz high performance RLAN; Harmonized EN
covering the essential requirements of article 3.2 of the R&TTE Directive
EN 301 489-1 V1.9.2: 2011
Electromagnetic compatibility and Radio spectrum Matters (ERM); ElectroMagnetic
Compatibility (EMC) standard for radio equipment and services; Part 1: Common technical
requirements
EN 301 489-17 V2.2.1 2012
Electromagnetic compatibility and Radio spectrum Matters (ERM); ElectroMagnetic
Compatibility (EMC) standard for radio equipment; Part 17: Specific conditions for
Broadband Data Transmission Systems
This device is a 2.4 GHz wideband transmission system (transceiver), intended for use in all EU
member states and EFTA countries, except in France and Italy where restrictive use applies.
In Italy the end-user should apply for a license at the national spectrum authorities in order to
obtain authorization to use the device for setting up outdoor radio links and/or for supplying
public access to telecommunications and/or network services.
This device may not be used for setting up outdoor radio links in France and in some areas the RF
output power may be limited to 10 mW EIRP in the frequency range of 2454 – 2483.5 MHz. For
detailed information the end-user should contact the national spectrum authority in France.
Česky
[Czech]
[Jmé no výrobce] tímto prohlašuje, že tento [typ zařízení] je ve shodě se
zá kladními požadavky a dalšími příslušnými ustanoveními směrnice
1999/5/ES.
Dansk
[Danish]
Undertegnede [fabrikantens navn] erklæ rer herved, at fø lgende udstyr
[udstyrets typebetegnelse] overholder de væ sentlige krav og ø vrige
relevante krav i direktiv 1999/5/EF.
Deutsch
[German]
Hiermit erklä rt [Name des Herstellers], dass sich das Gerä t [Gerä tetyp] in
Ü bereinstimmung mit den grundlegenden Anforderungen und den übrigen
einschlä gigen Bestimmungen der Richtlinie 1999/5/EG befindet.
Eesti
[Estonian]
Kä esolevaga kinnitab [tootja nimi = name of manufacturer] seadme
[seadme tü üp = type of equipment] vastavust direktiivi 1999/5/EÜ
põ hinõ uetele ja nimetatud direktiivist tulenevatele teistele asjakohastele
sä tetele.
English
Hereby, [name of manufacturer], declares that this [type of equipment] is
in compliance with the essential requirements and other relevant provisions
of Directive 1999/5/EC.
Español
[Spanish]
Por medio de la presente [nombre del fabricante] declara que el [clase
de equipo] cumple con los requisitos esenciales y cualesquiera otras
disposiciones aplicables o exigibles de la Directiva 1999/5/CE.
Ελληνική
[Greek]
ΜΕ ΤΗΝ ΠΑΡΟΥΣΑ [name of manufacturer] ΔΗΛΩΝΕΙ ΟΤΙ [type of
equipment] ΣΥΜΜΟΡΦΩΝΕΤΑΙ ΠΡΟΣ ΤΙΣ ΟΥΣΙΩΔΕΙΣ ΑΠΑΙΤΗΣΕΙΣ ΚΑΙ ΤΙΣ
ΛΟΙΠΕΣ ΣΧΕΤΙΚΕΣ ΔΙΑΤΑΞΕΙΣ ΤΗΣ ΟΔΗΓΙΑΣ 1999/5/ΕΚ.

Laird MSD45N
Hardware Integration Guide, version 0.04
Americas: +1-800-492-2320 Option
3
Europe: +44-1628-858-940
Hong Kong: +852-2268-6567 x026
www.lairdtech.com/wireless
25
Laird Technologies
Franç ais
[French]
Par la pré sente [nom du fabricant] dé clare que l'appareil [type d'appareil]
est conforme aux exigences essentielles et aux autres dispositions
pertinentes de la directive 1999/5/CE.
Italiano
[Italian]
Con la presente [nome del costruttore] dichiara che questo [tipo di
apparecchio] è conforme ai requisiti essenziali ed alle altre disposizioni
pertinenti stabilite dalla direttiva 1999/5/CE.
Latviski
[Latvian]
Aršo[name of manufacturer /izgatavotājanosaukums] deklarē, ka[type of
equipment / iekārtas tips]atbilstDirektīvas 1999/5/EK būtiskajāmprasībām un
citiemar to saistītajiemnoteikumiem.
Lietuvių
[Lithuanian]
Šiuo [manufacturer name] deklaruoja, kad šis [equipment type] atitinka
esminius reikalavimus ir kitas 1999/5/EB Direktyvos nuostatas.
Nederlands
[Dutch]
Hierbij verklaart [naam van de fabrikant] dat het toestel [type van toestel]
in overeenstemming is met de essentië le eisen en de andere relevante
bepalingen van richtlijn 1999/5/EG.
Malti
[Maltese]
Hawnhekk, [isem tal-manifattur], jiddikjara li dan [il-mudel tal-prodott]
jikkonforma mal-ħtiġijiet essenzjali u ma provvedimenti oħrajn relevanti li
hemm fid-Dirrettiva 1999/5/EC.
Magyar
[Hungarian]
Alulírott, [gyá rtó neve] nyilatkozom, hogy a [... típus]megfelel a vonatkozó
alapvetõ kö vetelmé nyeknek é s az 1999/5/EC irá nyelv egyé b elõ írá sainak.
Polski
[Polish]
Niniejszym [nazwa producenta] oświadcza, że [nazwa wyrobu] jest zgodny
z zasadniczymi wymogami oraz pozostałymi stosownymi postanowieniami
Dyrektywy 1999/5/EC.
Portuguê s
[Portuguese]
[Nome do fabricante] declara que este [tipo de equipamento] está
conforme com os requisitos essenciais e outras disposiç õ es da Directiva
1999/5/CE.
Slovensko
[Slovenian]
[Ime proizvajalca] izjavlja, da je ta [tip opreme] v skladu z bistvenimi
zahtevami in ostalimi relevantnimi določili direktive 1999/5/ES.
Slovensky
[Slovak]
[Menovýrobcu]týmtovyhlasuje, že[typzariadenia]spĺňazá kladné požiadavky
a všetkypríslušné ustanoveniaSmernice 1999/5/ES.
Suomi
[Finnish]
[Valmistaja = manufacturer] vakuuttaa tä ten että [type of equipment =
laitteen tyyppimerkintä ] tyyppinen laite on direktiivin 1999/5/EY oleellisten
vaatimusten ja sitä koskevien direktiivin muiden ehtojen mukainen.
Svenska
[Swedish]
Hä rmed intygar [fö retag] att denna [utrustningstyp] stå r I
ö verensstä mmelse med de vä sentliga egenskapskrav och ö vriga relevanta
bestä mmelser som framgå r av direktiv 1999/5/EG.
Labeling Requirements
The final end product must be labeled in a visible area with the following notice:

Laird MSD45N
Hardware Integration Guide, version 0.04
Americas: +1-800-492-2320 Option
3
Europe: +44-1628-858-940
Hong Kong: +852-2268-6567 x026
www.lairdtech.com/wireless
26
Laird Technologies
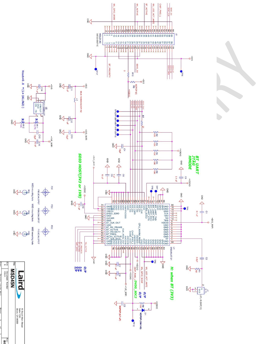
APPENDIX A: SCHEMATIC
The following MSD45N schematic may be used as a reference.
Figure 7: Laird MSD45N Schematic