Ezurio RM024 2.4 GHz Frequency Hopping Spread Spectrum Transceiver System User Manual

AeroComm Corporation 2.4 GHz Frequency Hopping Spread Spectrum Transceiver System

Contents

User Manual

       RAMP Wireless Module RM024 Hardware Integration Guide Version 3.1              Americas: +1-800-492-2320 Option 2 Europe: +44-1628-858-940 Hong Kong: +852-2923-0610 www.lairdtech.com/ramp
RM024 Hardware Integration Guide Version 3.1 Americas: +1-800-492-2320 Option 2 Europe: +44-1628-858-940 Hong Kong: +852-2923-0610 www.lairdtech.com/wireless 2 CONN-HIG_RAMP24  REVISION HISTORY Rev. Revision Date Description 1.0  Initial Version 2.1  Added firmware changes, updated the name of the Force 9600 Pin, removed old references to LT2510 part numbers, added new information on cyclic sleep and Antenna Switch Override. Added a table under Max Power and a table for the Set Max Power command. 2.2  Minor grammatical fixes. 2.3 27 June 2013 PWM output data was corrected to a 39.3846 µS period vs. 315.077, as was stated previously. 2.4 12 July 2013 Minor edits, removed Firmware History and references irrelevant to RM024. 2.5 10 Oct 2013 Corrected Antenna Select Override information error. Changed  0x59 to 0x5B 3.0 10 Dec 2013 Separated Hardware Integration Guide (HIG) from User Guide information (created two separate documents). Add Related Documents section. 3.1 10 Jan 2014 Added 10 mW version information.
RM024 Hardware Integration Guide Version 3.1 Americas: +1-800-492-2320 Option 2 Europe: +44-1628-858-940 Hong Kong: +852-2923-0610 www.lairdtech.com/wireless 3 CONN-HIG_RAMP24  CONTENTS Revision History ................................................................................................................................................... 2 Contents .............................................................................................................................................................. 3 RAMP Modules ................................................................................................................................................... 4 Overview ........................................................................................................................................................ 4 Key Features .................................................................................................................................................. 4 Detailed Specifications ............................................................................................................................... 5 Pin Definitions ................................................................................................................................................. 7 Input Characteristics .................................................................................................................................... 8 Output Characteristics ................................................................................................................................ 8 Block Diagram ............................................................................................................................................... 9 Timing Specifications .................................................................................................................................... 9 RF Hop Frame .............................................................................................................................................. 10 Hardware Interface ........................................................................................................................................ 12 Pin Descriptions ........................................................................................................................................... 12 Mechanical Considerations .......................................................................................................................... 14 Mechanical Drawing ................................................................................................................................. 14 Ordering Information ...................................................................................................................................... 18 Product Part Numbers ................................................................................................................................ 18 Regulatory Information .................................................................................................................................. 19 FCC/IC Requirements for Modular Approval ........................................................................................ 19 CE Requirements for Modular Approval ................................................................................................ 21 Japan Requirements for Modular Approval ......................................................................................... 22 Related Documents ........................................................................................................................................ 24
RM024 Hardware Integration Guide Version 3.1 Americas: +1-800-492-2320 Option 2 Europe: +44-1628-858-940 Hong Kong: +852-2923-0610 www.lairdtech.com/wireless 4 CONN-HIG_RAMP24  RAMP MODULES Laird RAMP (Range Amplified MultiPoint) modules are designed to provide robust wireless communications for any number of applications requiring a wireless transport for serial data. RAMP modules feature a Frequency Hopping Spread Spectrum (FHSS) protocol for excellent interference and multipath immunity. RAMP modules server/client architecture allows for more than 16 million clients to be addressed and communicating within the network. Overview The RM024 RAMP module is based on Laird LT2510 core technology, enhanced with a new RF front end for improved sleep, improved link budget, and a switchable antenna output. The RM024 is available in two versions, one with 125 mW maximum conducted output power which is approved for North American and similar markets, and one with 10 mW maximum conducted output power which is approved for European and similar markets. These modules are identical except for output power, transmit power consumption, and the number of RF channels available. Differences between the two versions, where applicable, are denoted based on part number.  This document contains information about the hardware and software interface between a Laird RM024 transceiver and an OEM host. Information includes the theory of operation, specifications, interface definitions, and mechanical drawings.  Note:   Unless mentioned specifically by name, the RM024 modules are referred to as “radio” or “transceiver”. Individual naming is used to differentiate product specific features. The host (PC/microcontroller/any device to which the RM024 module is connected) are referred to as “OEM host” or “host.” Key Features  Retries and acknowledgements   Configurable network parameters   Multiple generic I/O   280 kbps or 500 kbps RF data stream   Idle current draw of 9.5 mA, sleep current of 50 uA   Software selectable interface baud rates from 1200 bps to 460.8 kbps   Upgradable FW through serial port  Low cost, low power, and small size ideal for high volume, portable, and battery powered applications   All modules are qualified for Industrial temperatures (-40°C to 85°C)   Advanced configuration available using AT commands   Easy to use Configuration and Test Utility software  Switchable antenna output, either integrated antenna or external antenna through U.FL
RM024 Hardware Integration Guide Version 3.1 Americas: +1-800-492-2320 Option 2 Europe: +44-1628-858-940 Hong Kong: +852-2923-0610 www.lairdtech.com/wireless 5 CONN-HIG_RAMP24  Detailed Specifications Table 1: Detailed Specifications GENERAL Form Factor SMD-ANT+U.FL, Pluggable-ANT+U.FL, SMD-U.FL, Pluggable-U.FL Antenna External antenna through U.FL connector or dual antenna with integrated antenna and U.FL Serial Interface Data Rate Baud rates from 1200 to 230400. Non-standard baud rates are also supported. Channels FCC: 42 or 78 selectable channels CE: 42 selectable channels Security Channelization, System ID, and Vendor ID Minimum Flash (EEPROM) Memory Endurance 1000 Write/Erase Cycles TRANSCEIVER Frequency Band 2400 – 2483.5 MHz RF Data Rate (Raw) 280 kbps or 500 kbps selectable Hop Bin Spacing 900 kHz over 79 hops 1500 kHz over 43 hops RF Technology Frequency Hopping Spread Spectrum Modulation MSK Maximum Output Power Conducted1 FCC: +5 to +21 dBm selectable CE: +3.5 to +18 dBm selectable Supply Voltage 2.3 – 3.6 V ± 50 mV ripple Current Draw2 RM024 Version FCC(125mW) CE(10mW) 100% Tx 136 mA 40 mA 1/8 Tx (when selected)  40 mA 40 mA 100% Rx 36 mA 36 mA Rx average (idle current) 9.5 mA 9.5 mA Deep sleep .38 µA .38 µA  Receiver Sensitivity (1% PER) -95 dBm at 280 kbps RF Data Rate -94 dBm at 500 kbps RF Data Rate Range (based on external 2.0 dBi antenna at 280 kbps RF Data Rate)3  Outdoor (line-of-sight) Indoor (estimated) FCC 2.5 miles (4 km) 1300 ft (400 m) CE .6 miles (1.0 km) 328 ft (100 m)  ENVIRONMENTAL Temperature (Operational) -40ºC to 85ºC Temperature (Storage) -50ºC to 150ºC PHYSICAL
RM024 Hardware Integration Guide Version 3.1 Americas: +1-800-492-2320 Option 2 Europe: +44-1628-858-940 Hong Kong: +852-2923-0610 www.lairdtech.com/wireless 6 CONN-HIG_RAMP24  SMD-Multi Antenna Dimensions 1.0” x 1.54” x 0.14” (25.4 mm x 39 mm x 3.6 mm) SMD-U.FL Dimensions 1.0” x 1.28” x 0.14” (25.4 mm x 32.4 mm x 3.6 mm) Pluggable-Multi Antenna Dimensions 1.05” x 1.56” x 0.44” (26.7 mm x 39.6 mm x 11.3 mm) Pluggable-U.FL Dimensions 1.05” x 1.29” x 0.42” (26.7 mm x 33 mm x 10.6 mm)
RM024 Hardware Integration Guide Version 3.1 Americas: +1-800-492-2320 Option 2 Europe: +44-1628-858-940 Hong Kong: +852-2923-0610 www.lairdtech.com/wireless 7 CONN-HIG_RAMP24  CERTIFICATIONS FCC Part 15.247 KQL-RM024 Industry Canada (IC) 2268C-RM024 CE Yes, RM024-x10-x versions RoHS Yes Japan (TELEC) 4 Yes, RM024-x50-x versions Brazil (Anatel)5 None 1. Maximum Output power stated, step measurements for power could vary by +/- 2.0 dBm.  2. Sleep currents are estimated 3. Range distances are estimated, measurements were taken at 4.1 miles with 5 dBi antenna for FCC module 4. See Regulatory Information in this manual 5. Contact your sales representative for more details. Pin Definitions Table 2: Pin Definitions SMT Pin Pluggable Pin Type Signal Name Functions 1 7 O GIO_0 Generic Output / Hop_Frame 2 6 O GIO_1 Generic Output 3 8  DNC Do Not Connect 4 17 O GIO_2 RS485 Driver Enable 5 19 O GIO_3 PWM Output 6 3 I RXD Asynchronous serial data input to transceiver 7 2 O TXD Asynchronous serial data output from transceiver 8 10 GND GND Signal Ground 9 1 PWR Vcc 2.3 – 3.6 V ±50 mV ripple (must be connected) 10 - PWR Vpa 2.3 - 3.6 V ±5 0mV ripple (must be connected) 11 - GND GND Signal Ground 12 9 I Force 9600  /Sleep Interrupt Force 9600 – When pulled logic Low and then applying power or resetting, the transceiver’s serial interface is forced to a 9600, 8-N-1 rate. Sleep Interrupt- When taken low this pin will wake the radio from sleep Note:   Because this mode disables some modes of operation, it should not be permanently pulled Low during normal operation. 13 14 I GIO_4 Generic Input 14 5 I µP_Reset    RESET – Controlled by the RM024 for power-
RM024 Hardware Integration Guide Version 3.1 Americas: +1-800-492-2320 Option 2 Europe: +44-1628-858-940 Hong Kong: +852-2923-0610 www.lairdtech.com/wireless 8 CONN-HIG_RAMP24  SMT Pin Pluggable Pin Type Signal Name Functions on reset if left unconnected. After a stable power-on reset, a logic Low pulse will reset the transceiver. 15 11 I CMD/Data   When logic Low, the transceiver interprets incoming OEM host data as command data. When logic High, the transceiver interprets OEM host data as transmit data. 16 15 O In Range   When logic Low, the client is in range and synchronized with a server. This will always be Low on a server. 17 16 I RTS  Request to Send. Floats high if left unconnected. When enabled in EEPROM, the module will not transmit data out the Serial UART unless the pin is Low. 18 12 O CTS  Clear to Send - CTS is used for hardware flow control. CTS will toggle high when the input buffer reaches the CTS On threshold until the buffer recedes below CTS Off. 19 18  GIO_8 Generic Input1 20 13  GIO_5 Reserved for future use. Do not connect. 21 4  GIO_6 Reserved for future use. Do not connect. 22 20 I GIO_7 Analog to Digital Input Tips:  All I/O directions are referenced to Vcc.  All inputs are weakly pulled High via a 20k Ohm pull-up resistor and may be left floating during normal operation  Minimum connections: VCC, VPA, GND, TXD, & RXD  Signal direction is with respect to the transceiver  Unused pins should be left disconnected  Input Characteristics Table 3: Input Characteristics Signal Name High Min. High Max. Low Min. Low Max. µP_Reset   0.8 v Vcc 0 v 0.6 v RTS 2.31 v Vcc 0 v .99 v AD_In N/A Vcc 0 v N/A All other inputs 70% Vcc Vcc 0 v 30% Vcc Output Characteristics Table 4: Output Characteristics Signal Name High Min. High Max. Low Min. Low Max. Sink Current
RM024 Hardware Integration Guide Version 3.1 Americas: +1-800-492-2320 Option 2 Europe: +44-1628-858-940 Hong Kong: +852-2923-0610 www.lairdtech.com/wireless 9 CONN-HIG_RAMP24  GO_0 2.5 v 3.3 v 0 v 0.4 v 20 mA GO_1 2.5 v 3.3 v 0 v 0.4 v 20 mA PWM_Output N/A 3.3 v 0 v N/A 4 mA All other inputs 2.5 v 3.3 v 0 v 0.4 v 4 mA Block Diagram  Figure 1: Block Diagram of RM024 Timing Specifications Table 5: Timing Specifications Parameter Server/Client Min. Typ. Max. Notes Power on to CTS Low  5 ms 10 ms N/A The first boot after a FW upgrade will require more than the typical amount of time for CTS to toggle Low. EEPROM Read  800 µs 1 ms 2 ms Measured from last byte of command to first byte of response: 870 µs for 1 byte 1.1 ms for 80 bytes 1.4 ms for 256 bytes EEPROM Write  20 ms 30 ms 40 ms Measured. EEPROM writes will cause the radio to resynchronize Power on to In Range Client only, server will go in range in 13 ms 600 ms 1700 ms1 Maximum time assuming all beacons are heard, RF interference could extend
RM024 Hardware Integration Guide Version 3.1 Americas: +1-800-492-2320 Option 2 Europe: +44-1628-858-940 Hong Kong: +852-2923-0610 www.lairdtech.com/wireless 10 CONN-HIG_RAMP24  Parameter Server/Client Min. Typ. Max. Notes fewer than 13 ms the maximum time indefinitely Hope Period In Range   13.19 ms   Hop Period Out of Range Client only  38.4 ms   Reset Pulse  250 ms    PWM Output Period   39.3846 µs   Restore Default EEPROM Command  10 ms 38 ms  Restore command also initiates a soft reset, so monitoring CTS is the best indication of a completed command Non Specific AT Command  1 ms 10 ms  Some AT Commands could wait indefinitely for a response Write Flash     For FW Upgrade Read Flash      Decrypt Image      RF Hop Frame The RM024 hops every 13.19 ms and can be configured for two different RF data rates to provide options for range or throughput. During each hop, the RM024 reserves a certain amount of time for overhead such as the synchronization beacon, internal messaging, and user data transmission. The diagrams below outline the various transmissions that occur during a hop. These transmissions are transparent to the user sending data, but may be useful for applications that require critical timing. User data is only transmitted during the data slots and after the Interface Timeout or RF Packet Size criteria has been met. Data transmission only begins at the beginning of a data slot. When configured for Full Duplex, data slot 1 is reserved for the server and data slot 2 is shared by all clients for transmissions.
RM024 Hardware Integration Guide Version 3.1 Americas: +1-800-492-2320 Option 2 Europe: +44-1628-858-940 Hong Kong: +852-2923-0610 www.lairdtech.com/wireless 11 CONN-HIG_RAMP24   Figure 2: RF Hop Frame
RM024 Hardware Integration Guide Version 3.1 Americas: +1-800-492-2320 Option 2 Europe: +44-1628-858-940 Hong Kong: +852-2923-0610 www.lairdtech.com/wireless 12 CONN-HIG_RAMP24  HARDWARE INTERFACE Pin Descriptions RXD and TXD The RM024 accepts 3.3 VDC TTL level asynchronous serial data from the OEM host via the RXD pin. Data is sent from the transceiver, at 3.3 V levels, to the OEM host via the TXD pin. Pins should be left floating or high when not in use. Leaving the RXD tied low results in the radio transmitting garbage serial data across the RF. Force 9600  /Sleep Interrupt When pulled logic Low before applying power or resetting, the transceiver’s serial interface is forced to 9600, 8-N-1 (8 data bits, No parity, 1 stop bit): regardless of the actual EEPROM setting. RTS is ignored, the interface timeout is also set to 3 ms and the RF packet size is set to the default size for the selected RF data rate. To exit, the transceiver must be reset or power-cycled with the test pin logic High or disconnected. When in Force 9600 mode, the radio’s receiver is disabled. When enabled in the EEPROM, 9600 Boot option causes the 9600 pin to be ignored on cold boot (power-up), command boot (0xCC 0xFF), and brown-out conditions. Therefore, the 9600 pin is only observed on warm boots (reset pin toggled). This can be helpful so that brown-out conditions don’t cause the baud rate to change if the 9600 pin happens to be low at the time. When 9600 Boot option is disabled, the 9600 pin is used for all boot conditions. 9600 Boot option is enabled by default. Force 9600 is also used to wake the radio from sleep. When the pin is taken low, the radio wakes. The transceiver does not sleep if the pin is low when the sleep command is issued. Note:   Because this pin disables some modes of operation, it should not be permanently pulled low during normal operation. µP_RESET   µP_Reset  provides a direct connection to the reset pin on the RM024 microprocessor and is used to force a hard reset. For a valid reset, reset must be asserted Low for an absolute minimum of 250 ns. Command/Data   When logic High, the transceiver interprets incoming serial data as transmit data to be sent to other transceivers. When logic Low, the transceiver interprets incoming serial data as command data. When logic Low, data packets from the radio are not transmitted over the RF interface, however, incoming packets from other radios are still received. Enabling CMD/Data RX Disable in the EEPROM causes incoming RF packets to be queued by the receiving radio while CMD/Data is low. When CMD/Data goes high, the data is sent over the serial interface. In_Range   The In_Range pin is driven low when a client radio’s frequency hopping is synchronized with that of a server. In_Range is always driven low on a server. Following boot, In_Range transitions low in approximately 12 ms on a server. For a client, the In_Range takes an average of 500 ms; this time
RM024 Hardware Integration Guide Version 3.1 Americas: +1-800-492-2320 Option 2 Europe: +44-1628-858-940 Hong Kong: +852-2923-0610 www.lairdtech.com/wireless 13 CONN-HIG_RAMP24  is dependent on the signal strength of the received beacon, the presence and strength of interference, and randomness of the sync function. It can vary from 150 ms to over 1500 ms. GO_0/Hop_Frame The Hop Frame indicator functionality is disabled by default and controlled by the Control 1, Bit-6 EEPROM Setting. When enabled, this pin transitions logic Low at the start of a hop and transitions logic High at the completion of a hop. The OEM host is not required to monitor Hop Frame. RTS  and Handshaking With RTS mode disabled, the transceiver sends any received data to the OEM host as soon as it is received. However, some OEM hosts are not able to accept data from the transceiver at all times. With RTS enabled in EEPROM, the OEM host can prevent the transceiver from sending data by de-asserting RTS (High). Once RTS is re-asserted (Low), the transceiver sends packets to the OEM host as they are received. Note:   Leaving RTS de-asserted for too long can cause data loss once the transceiver’s transmit buffer  reaches capacity. CTS  Handshaking If the transceiver buffer fills up and more bytes are sent to it before the buffer can be emptied, data loss occurs. The transceiver prevents this loss by deasserting CTS high as the buffer fills up and asserting CTS low as the buffer is emptied. CTS should be monitored by the host device and data flow to the radio should be stopped when CTS is high. DE/RE When enabled, RS485 Data Enable uses the DE/RE pin to control the DE pin on external RS-485 circuitry. When the transceiver has data to send to the host, it asserts DE/RE High, sends the data to the host, and then takes DE/RE low. PWM Output PWM output can be configured to output on any of three pins (SMT Pins 5, 6, or 7). The PWM Output can optionally produce a pulse width modulation for RSSI with a period of 39.3846 µS.
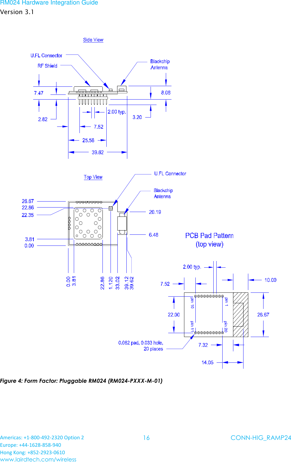
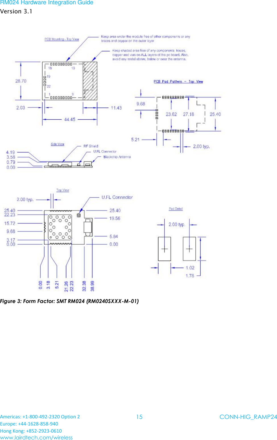
RM024 Hardware Integration Guide Version 3.1 Americas: +1-800-492-2320 Option 2 Europe: +44-1628-858-940 Hong Kong: +852-2923-0610 www.lairdtech.com/wireless 14 CONN-HIG_RAMP24  MECHANICAL CONSIDERATIONS Mechanical Drawing The pluggable versions of the RM024 consist of the surface mount RM024 on a pluggable adapter board. RM024 –C versions, which only feature an U.FL connector and no integrated antenna, are the same dimensions as below with the stub for the antenna connector removed. For the surface mount units, this means the module is 32.38 mm long. For the pluggable units, the module is 33.02 mm long. Note on Mechanical Drawings:  All dimensions are in millimeters  PC board material is 0.79 mm thick FR4  Provide clearance of at least 1.5 mm around the module to be free of other components and features  Module should not exceed 260˚C during reflow soldering
RM024 Hardware Integration Guide Version 3.1 Americas: +1-800-492-2320 Option 2 Europe: +44-1628-858-940 Hong Kong: +852-2923-0610 www.lairdtech.com/wireless 15 CONN-HIG_RAMP24   Figure 3: Form Factor: SMT RM024 (RM0240SXXX-M-01)
RM024 Hardware Integration Guide Version 3.1 Americas: +1-800-492-2320 Option 2 Europe: +44-1628-858-940 Hong Kong: +852-2923-0610 www.lairdtech.com/wireless 16 CONN-HIG_RAMP24   Figure 4: Form Factor: Pluggable RM024 (RM024-PXXX-M-01)
RM024 Hardware Integration Guide Version 3.1 Americas: +1-800-492-2320 Option 2 Europe: +44-1628-858-940 Hong Kong: +852-2923-0610 www.lairdtech.com/wireless 17 CONN-HIG_RAMP24  The pluggable RM024 uses a single row header with 2 mil spacing. The Mill Max 831-43-010-10-001000 is used on the RM024 development kit as a mating connector.  Figure 5: Moisture Content Warning
RM024 Hardware Integration Guide Version 3.1 Americas: +1-800-492-2320 Option 2 Europe: +44-1628-858-940 Hong Kong: +852-2923-0610 www.lairdtech.com/wireless 18 CONN-HIG_RAMP24  ORDERING INFORMATION Product Part Numbers Table 6: RM024 Part Numbers RM024  Part Number Form Factor Maximum Tx Power Antenna EEPROM Product ID RM024-S125-C-20 SMT 125 mW u.FL Jack RM024125C01 RM024-S125-M-20 SMT 125 mW Chip Antenna RM024125M01 RM024-P125-C-20 Pluggable 125 mW u.FL Jack RM024125C01 RM024-P125-M-20 Pluggable 125 mW Chip Antenna RM024125M01 RM024-S10-C-20 SMT 10 mW (CE) u.FL Jack RM02410C01 RM024-S10-M-20 SMT 10 mW (CE) Chip Antenna RM02410M01 RM024-P10-C-20 Pluggable 10 mW (CE) u.FL Jack RM02410C01 RM024-P10-M-20 Pluggable 10 mW (CE) Chip Ant RM02410M01 RM024-S50-C-011 SMT 50 mW u.FL Jack RM02450C01 RM024-S50-M-011 SMT 50 mW Chip Antenna RM02450M01 RM024-P50-C-011 Pluggable 50 mW u.FL Jack RM02450C01 RM024-P50-M-011 Pluggable 50 mW Chip Ant RM02450M01 1. RM024-x50-x Units are deprecated and not recommended for new designs. Table 7: RM024 Development Kits Part Numbers Part # Description Regulatory DVK-RM024-P125-M Full Development Kit with one USB Eval Board and one RS-232 Eval Board containing the RM024-P125-M-01 radios FCC/IC DVK-RM024-P10-M Full Development Kit with one USB Eval Board and one RS-232 Eval Board containing the RM024-P10-M-01 radios FCC/IC/CE/ Japan
RM024 Hardware Integration Guide Version 3.1 Americas: +1-800-492-2320 Option 2 Europe: +44-1628-858-940 Hong Kong: +852-2923-0610 www.lairdtech.com/wireless 19 CONN-HIG_RAMP24  REGULATORY INFORMATION FCC/IC Requirements for Modular Approval Agency Identifications Numbers Family US/FCC CANADA/IC RM024 KQL-RM024 2268C-RM024 RM024 Family *PART # FORM FACTOR TX OUTPUT ANTENNA  RM024-S125-C-XX Surface Mount 125mW U.FL  RM024-S125-M-XX Surface Mount 125mW U.FL or chip  RM024-P125-C-XX Pluggable 125mW U.FL  RM024-P125-M-XX Pluggable 125mW U.FL or chip  RM024-S10-C-XX Surface Mount 10mW U.FL  RM024-S10-M-XX Surface Mount 10mW U.FL or chip  RM024-P10-C-XX Pluggable 10mW U.FL  RM024-P10-M-XX Pluggable 10mW U.FL or chip  *Last two slots "XX" in Part # are used for custom setups. Can be values 01-99, aa-zz,-01indicates FW version 1.3 and default configuration,  -20 indicates FW version 2.0 and default configuration Antenna Information The RM024 family has been designed to operate with the antennas listed below and having a maximum gain of 9 dBi. The required antenna impedance is 50 ohms.  Item Part Number Mfg. Type Gain (dBi)  1 WIC2450-A Laird  Chip 2  2 NZH2400-MMCX Laird  Microstrip 1  3 ID2450-RS36 Laird  Panel 9  3 IG2450-RS36 Laird  Omni 6  4 S151-6-PX-2450S Nearson Dipole 5 5 INT01.07.0100C Taoglas Slot 2dBi Note:   The OEM is free to choose another vendor’s antenna of like type and equal or lesser gain as an antenna appearing in the table and still maintain compliance. Reference FCC Part 15.204(c)(4) for further information on this topic.  To reduce potential radio interference to other users, the antenna type and gain should be chosen so that the equivalent isotropically radiated power (EIRP) is not more than that permitted for successful communication.
RM024 Hardware Integration Guide Version 3.1 Americas: +1-800-492-2320 Option 2 Europe: +44-1628-858-940 Hong Kong: +852-2923-0610 www.lairdtech.com/wireless 20 CONN-HIG_RAMP24  Power Exposure Information In general, there are two agency classifications for RF radiation exposure in wireless applications:  Mobile – A mobile device is defined as a transmitting device designed to be used in such a way that a separation distance of at least 20 centimeters is normally maintained between the transmitter's radiating structures and the body of the user or nearby persons. The RM024 is fully modular approved for mobile and fixed applications. Reference FCC Part 2.1091 for further details on mobile devices.  Portable – Portable is a classification of equipment where the user, in general, is within 20 cm of the transmitting antenna. Portable equipment is further broken down into two classes; within 2.5 cm of human contact and beyond 2.5 cm. The RM024 does not hold a portable approval classification due to its peak output power and modular approval restrictions. Further RF evaluation is required by customers who want to use the RM024 in portable applications. Contact a qualified test house or a Laird Technologies representative for further information on this topic. Reference FCC Part 2.1093 for further details on portable devices. Maximum Permissible Exposure report has been created which shows the minimum distances for Public and Occupational use of the RM024.  Note:   Occupational Limit Minimum Distance = 4cm Public Limit Minimum Distance = 9cm A full MPE report is available upon request. OEM Responsibilities WARNING: The OEM must ensure that FCC labelling requirements are met. This includes a clearly visible label on the outside of the OEM enclosure specifying the appropriate Laird Technology FCC identifier for this product as well as the FCC notice below.  Note:   Contains FCC ID: KQL-RM024 IC: 2268C-RM024  The enclosed device complies with Part 15 of the FCC Rules and Industry Canada License Exempt RSS Standard(s). Operation is subject to the following two conditions: (1) This device may not cause harmful interference, and (2) This device must accept any interference received, including interference that may cause undesired operation Label and text information should be in a size of type large enough to be readily legible, consistent with the dimensions of the equipment and the label. However, the type size for the text is not required to be larger than eight pt. CAUTION: The OEM should have their device which incorporates the RM024 tested by a qualified test house to verify compliance with FCC Part 15 Subpart B limits for unintentional radiators.  WARNING: This device has been tested with an U.FL connector and the antennas listed in the table above. When integrated into the OEM’s product, these fixed antennas require professional installation preventing end-users from replacing them with non-approved antennas. Any antenna not listed in the above table must be evaluated for compliance with FCC Part 15.203 for unique antenna connectors. Contact Laird Technology for assistance.
RM024 Hardware Integration Guide Version 3.1 Americas: +1-800-492-2320 Option 2 Europe: +44-1628-858-940 Hong Kong: +852-2923-0610 www.lairdtech.com/wireless 21 CONN-HIG_RAMP24  WARNING: This equipment has been approved for mobile applications where the equipment should be used at distances greater than 20 cm from the human body. Operation at distances of less than 20 cm requires additional RF exposure evaluation and possible testing, including SAR requirement according to FCC RF Exposure guideline. CAUTION: Any changes or modifications not expressly approved by Laird Technology could void the user’s authority to operate the equipment. NOTE:   This equipment has been tested and found to comply with the limits for a Class B digital device, pursuant to Part 15 of the FCC Rules. These limits are designed to provide reasonable protection against harmful interference in a residential installation. This equipment generates, uses, and can radiate radio frequency energy and, if not installed and used in accordance with the instructions, may cause harmful interference to radio communications. However, there is no guarantee that interference will not occur in a particular installation. If this equipment does not cause harmful interference to radio or television reception, which can be determined by turning the equipment off and on, the user is encouraged to correct the interference by one or more of the following measures:  Re-orient or relocate the receiving antenna  Increase the separation between the equipment and the receiver  Connect the equipment to an outlet on a circuit that is different from that to which the receiver is connected.  Consult the dealer or an experienced radio/TV technician for help. CAUTION: “THIS DEVICE COMPLIES WITH PART 15 OF THE FCC RULES AND INDUSTRY CANADA LICENSE-EXEMPT RSS STANDARD(S). OPERATION IS SUBJECT TO THE FOLLOWING TWO CONDITIONS: (1) THIS DEVICE MAY NOT CAUSE HARMFUL INTERFERENCE, AND (2) THIS DEVICE MUST ACCEPT ANY INTERFERENCE RECEIVED, INCLUDING INTERFERENCE THAT MAY CAUSE UNDESIRED OPERATION. CE Requirements for Modular Approval RM024 Part Numbers approved for CE *PART # FORM FACTOR TX OUTPUT ANTENNA   RM024-S10-C-XX Surface Mount 10mW U.FL   RM024-S10-M-XX Surface Mount 10mW U.FL or chip   RM024-P10-C-XX Pluggable 10mW U.FL   RM024-P10-M-XX Pluggable 10mW U.FL or chip    *Last two slots "XX" in Part # are used for custom setups. Can be values 01-99, aa-zz, ,-01indicates FW version 1.3 and default configuration,  -20 indicates FW version 2.0 and default configuration Part Numbers listed above are approved for use in CE Markets with antennas having a maximum gain of 2.5 dBi. Antennas having a gain greater than the maximum allowed are strictly prohibited for use with this device. The required antenna impedance is 50 Ohms. CE Tested Antenna List Laird Part # Manufacturer Part # Manufacturer Type Gain (dBi)  WIC2450-A Laird  Chip 2 0600-00040 S181-6-PX-2450S Nearson Dipole 2  WCP2400 Laird  Dipole 2
RM024 Hardware Integration Guide Version 3.1 Americas: +1-800-492-2320 Option 2 Europe: +44-1628-858-940 Hong Kong: +852-2923-0610 www.lairdtech.com/wireless 22 CONN-HIG_RAMP24  2150-00006 NZH2400-MMCX Laird  Dipole 1 Note:   The OEM is free to choose another vendor’s antenna of like type and equal or lesser gain as an antenna appearing in the table and still maintain compliance.  Antennas listed in this table have been test with the RM024. Japan Requirements for Modular Approval RM024 Part Numbers approved for Japan PART # FORM FACTOR TX OUTPUT ANTENNA Certification Type  RM024-S50-C-01 Surface Mount 50mW U.FL WW  RM024-S50-M-01 Surface Mount 50mW U.FL or chip WW  RM024-P50-C-01 Pluggable 50mW U.FL WW and UV  RM024-P50-M-01 Pluggable 50mW U.FL or chip WW    PART # TELEC ID  RM024-S50-C-01   RM024-S50-M-01   RM024-P50-C-01   RM024-P50-M-01   Antenna Information Japan does not allow use with any antennas other than those listed. Contact a Laird representative for more information regarding adding antennas. Item Part Number Manufacturer Type Gain (dB)  1 WIC2452-A Laird  Chip 2.68  2 S151FC-6-PX-2450S Nearson Dipole 5  3 S181FL-6-PX-2450S Nearson Dipole 2  4 *ANT-2.4-CW-RCT-SS Antenna Factor Dipole 2.2  5 *ANT-2.4-CW-RCT-RP Antenna Factor Dipole 2.2   *These antennas are only approved for use with the RM024-P10-C-01 in UV Applications
RM024 Hardware Integration Guide Version 3.1 Americas: +1-800-492-2320 Option 2 Europe: +44-1628-858-940 Hong Kong: +852-2923-0610 www.lairdtech.com/wireless 23 CONN-HIG_RAMP24
RM024 Hardware Integration Guide Version 3.1 Americas: +1-800-492-2320 Option 2 Europe: +44-1628-858-940 Hong Kong: +852-2923-0610 www.lairdtech.com/wireless 24 CONN-HIG_RAMP24  RELATED DOCUMENTS AND FILES The following additional RM024 technical documents are also available from the Laird RM024 product page under the Documentation tab:  Product Brief  User Guide  Application Note - Transitioning from LT2510 to RM024  DVK-RM024 Hardware User Guide  Firmware Release Notes (version1.3-0) The following downloads are also available from the Laird RM024 product page:  Configuration Utility  USB Drivers  Firmware Files (version 1.3-0)  C Library Examples

Navigation menu