Ezurio TDK-BTISM Bluetooth Intelligent Serial Module User Manual 308099
Ezurio Ltd Bluetooth Intelligent Serial Module 308099
Ezurio >
Contents
- 1. Users Manual
- 2. AT Command Set
Users Manual

SERIAL MODULE MOTHERBOARD
USER MANUAL
By: Nick Letheren Date: January 2003
Thank you for purchasing the TDK Bluetooth Intelligent Serial Module
Motherboard. This board allows the TDK Intelligent Serial Module to be
connected to a PC.
Related documents:
• Serial Module Hardware Interface Description
• TDK Bluetooth AT Serial Module Software Description
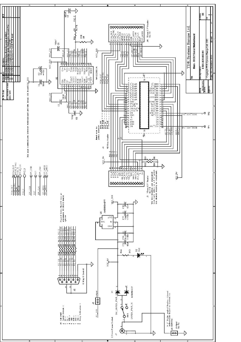
Circuit Description for Motherboard
Basically there 3 parts to the motherboard.
RS232 Serial interface. This provides a direct interface to any standard RS232 port
on a PC or peripheral. Component U2 is a level shifter on the RX, TX, CTS, RTS,
DTR, DSR, RI signals that converts between the 3.3V required on the module to the
standard RS232 level. 9-way D type connector (J2) is configured so that it will directly
connect to the Serial port of a PC.
Audio interface. Connector J9 allows a headset or audio source to be connected to
the Intelligent Serial Module. The PCM signals from the Serial module are converted
by CODEC (U4) to analog output. The Mic input is passed via the CODEC to the
PCM input of the module. The circuit is designed to drive a simple mobile phone type
headset.
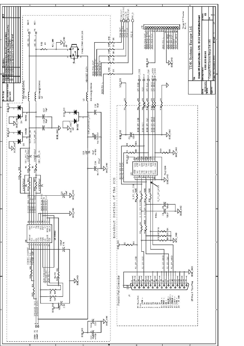
Flash upgrade interface. The 25-way D type connector (J1) allows the Intelligent
Serial Module to be reflashed using the Bluelab utilities provided by CSR. The
connector is organised so that a direct one-to-one cable to the parallel port of a PC
will allow the utilities to run.
The Audio and Flash upgrade circuit are on one half of the PCB so that they could be
removed in applications using the RS232 interface only. The board is designed so
that if the wire links are removed it can be snapped in two parts.
Software
The motherboard and Intelligent Serial Module will connect to the Serial Port of any
PC. The user can simply communicate with the module using any Terminal Emulator
software such as Hyper-terminal or Procomm.
An alternative Emulator is included on the CD. “TDK Terminal” is a terminal
emulation application capable of running on Windows 98/ME/2000/XP operating
systems. It was developed specifically to aid development and testing of TDK’s
Bluetooth Serial Module. It allows connection to serial devices using any combination
of the following communications parameters:-
Comport: 1 to 255
Baudrate: 300 to 921600
Parity: None, Odd, Even
Data Bits: 7 or 8
Stop Bits 1 or 2
Handshaking: None or Cts/Rts
Differentiating features with respect to other terminal emulation applications are:-
Status of DSR, CTS, DCD and RI are continuously displayed
DTR can be directly controlled via a check box
RTS can be directly controlled
BREAK signals can be sent
Finally, there is a “DATA TRANSFER TEST” mode which allows data to be
sent as fast as the handshaking will allow. This feature is very useful for
testing the bit transfer of a Bluetooth connection.
To run the TDK Terminal expand the file TDKterminal.zip and copy the .exe file into a
working directory. Simply run TDKterminal.exe, instructions are provided.

Interface Specification
Serial port connector (J2)
Pin Signal I/O Pin Signal I/O
1 CD O 8 CTS O
6 DSR O 4 DTR I
2 RX O 9 RI O
7 RTS I 5 GND
3 TX I
Parallel port connector (J1)
Pin Signal Description Pin Signal Description
1 n/c 14 n/c
2 SPI_CSB 15 n/c
3 n/c 16 SPI_RST
4 n/c 17 n/c
5 n/c 18 n/c
6 n/c 19 n/c
7 n/c 20 GND
8 SPI_MOSI 21 GND
9 SPI_CLK 22 GND
10 SPI_MISO 23 GND
11 n/c 24 GND
12 n/c 25 GND
13 n/c
Power connector (J7)
Pin Sign
al
Description
1 (centre pin) Vcc Nominal 5V (3.6v-6v)
2,3 (outer) GND
Headset connector (J9)
Pin Signal Description
1 GND
2 MIC IN Audio Input
3 H/S OUT Audio output
4 n/c
Jumpers
Jumper Signal Description
J5 PC DTR Optional link to power the board from
DTR from PC
J8 Power input No link, used as alternative power input

Electrical Characteristics
Parameter Min Typ Max Units Comments
RS232 Inputs Voltage range -25 25
Threshold Low 0.8 1.4 V
Threshold High 2.0 2.4 V
hysteresis 0.6 V
I/P resistance 3 5 7 kΩ
RS232 Outputs Voltage swing ±5.0 ±5.4 V Loaded 3kΩ
O/P resistance 300 50k Ω
O/P short cct ±40 ±100 mA
Parameter Min Typ Max Units Comments
Power Supply Input Voltage 3.6 5 6 V
Current mA
Parameter Min Typ Max Units Comments
Audio Interface Headset
Impedance
300 Ω
Headset o/p
voltage
1.78 V
Mic common mode
range
1.2 2.1 V

