Ezurio TIWI1-01 TiWi Module User Manual R2 model manual

LS Research, LLC TiWi Module R2 model manual

R2 model manual

TiWi-R2 TRANSCEIVER MODULE DATASHEET  The information in this document is subject to change without notice.  330-0045-R4.2  Copyright © 2011-2013 LS Research, LLC  Page 1 of 40 Integrated Transceiver Modules for WLAN 802.11 b/g/n, Bluetooth, and ANT   FEATURES IEEE 802.11 b,g,n,d,e,i, compliant   Typical WLAN Transmit Power: o 18.3dBm, 11 Mbps, CCK (b) o  12.6 dBm, 54 Mbps, OFDM (g) o  9.5 dBm, 65 Mbps, OFDM (n)   Typical WLAN Sensitivity: o  -89 dBm, 8% PER, 11 Mbps o  -76 dBm, 10% PER, 54 Mbps o  -73 dBm, 10% PER, 65 Mbps   Bluetooth 2.1+EDR, Power Class 1.5   Full support for ANT   Miniature footprint: 18 mm x 13 mm   Low height profile: 1.9 mm   U.FL connector for external antenna   Terminal for PCB/Chip antenna feeds   Integrated band-pass filter   Worldwide acceptance: FCC (USA), IC (Canada), and CE (Europe)   Modular certification allows reuse of LSR FCC ID and ETSI certification without repeating the expensive testing on your end product   Compact design based on Texas Instruments WL1271 Transceiver  Seamless integration with TI OMAP™ application processors   SDIO Host data path interfaces   Bluetooth Advanced Audio Interfaces   Low power operation mode   RoHS compliant  APPLICATIONS   Security   HVAC Control, Smart Energy   Sensor Networks   Medical   DESCRIPTION The TiWi-R2 module is a high performance 2.4 GHz IEEE 802.11 b/g/n and Bluetooth 2.1+EDR radio in a cost effective, pre-certified footprint.   The module realizes the necessary PHY/MAC layers to support WLAN applications in conjunction with a host processor over a SDIO interface. The module also provides a Bluetooth platform through the HCI transport layer.  Both WLAN and Bluetooth share the same antenna port. Need to get to market quickly?  Not an expert in 802.11 or Bluetooth?  Need a custom antenna? Would you like to own the design?  Would you like a custom design?  Not quite sure what you need?  Do you need help with your host board?  LS Research Design Services will be happy to develop custom hardware or software, integrate the design, or license the design so you can manufacture yourself.  Contact us at sales@lsr.com or call us at 262-375-4400.
TiWi-R2 TRANSCEIVER MODULE     DATASHEET  The information in this document is subject to change without notice.  330-0045-R4.2  Copyright © 2010-2013 LS Research, LLC  Page 2 of 40 ORDERING INFORMATION Order Number Description 450-0037 TiWi-R2 Module with U.FL connector for external antenna (Tray, SPQ  = 100) 450-0037R TiWi-R2 Module with U.FL connector for external antenna (Tape and Reel, SPQ = 1000) Table 1 Orderable TiWi-R2 Part Numbers  MODULE ACCESSORIES  Order Number Description  001-0001 2.4 GHz Dipole Antenna with Reverse Polarity SMA Connector  080-0001 U.FL to Reverse Polarity SMA Bulkhead Cable 105mm Table 2 Module Accessories
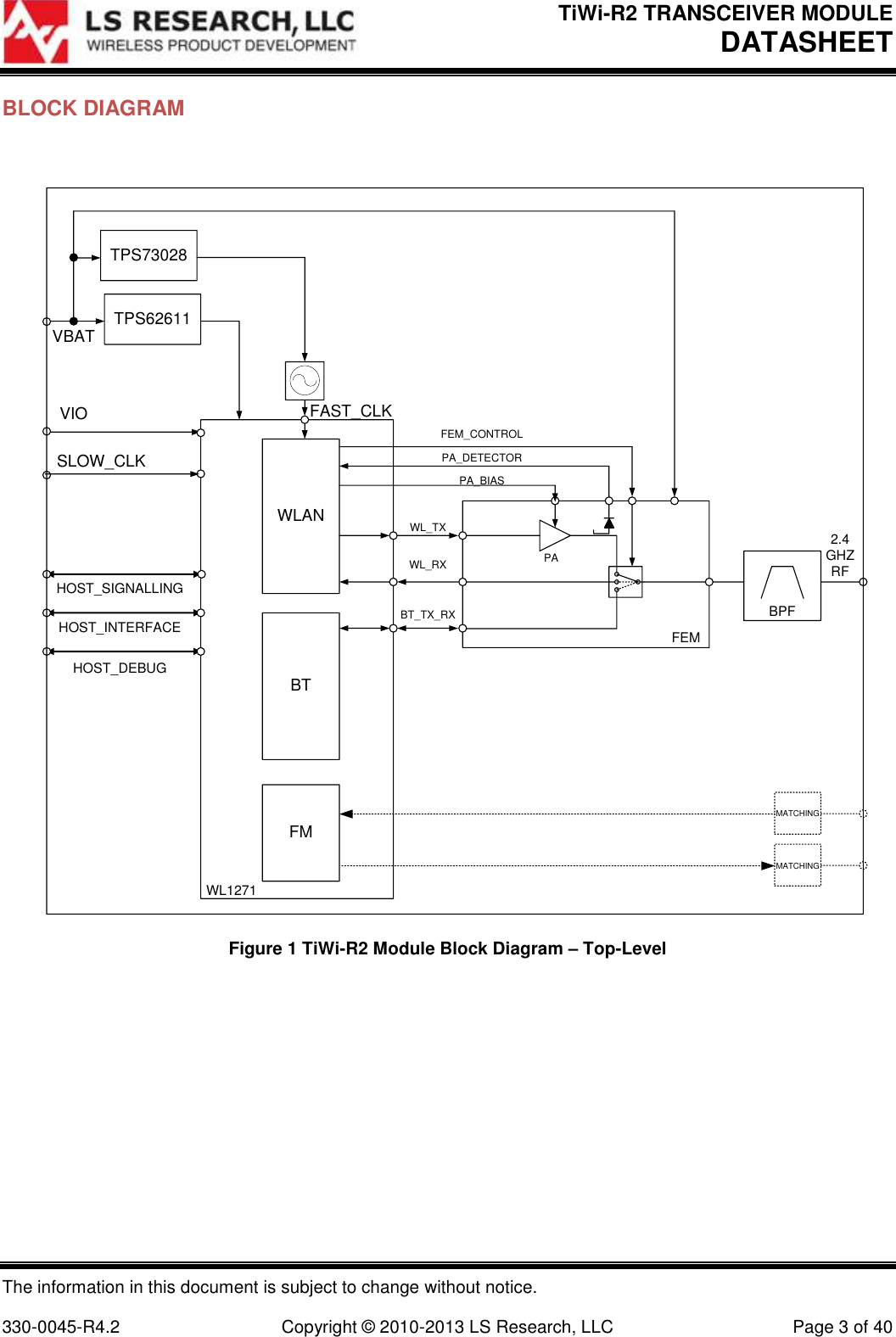
TiWi-R2 TRANSCEIVER MODULE     DATASHEET  The information in this document is subject to change without notice.  330-0045-R4.2  Copyright © 2010-2013 LS Research, LLC  Page 3 of 40 BLOCK DIAGRAM                               WLANBTFMFEMBPFWL1271TPS62611TPS73028VBATVIOSLOW_CLKFAST_CLKHOST_SIGNALLING HOST_INTERFACE HOST_DEBUG BT_TX_RXWL_RXWL_TXPAPA_BIASPA_DETECTORFEM_CONTROLMATCHINGMATCHING2.4 GHZ RF Figure 1 TiWi-R2 Module Block Diagram – Top-Level
TiWi-R2 TRANSCEIVER MODULE     DATASHEET  The information in this document is subject to change without notice.  330-0045-R4.2  Copyright © 2010-2013 LS Research, LLC  Page 4 of 40 TABLE OF CONTENTS FEATURES .......................................................................................................................... 1 APPLICATIONS ................................................................................................................... 1 DESCRIPTION ..................................................................................................................... 1 ORDERING INFORMATION ................................................................................................ 2 MODULE ACCESSORIES ................................................................................................... 2 BLOCK DIAGRAM ............................................................................................................... 3 PIN DESCRIPTIONS ............................................................................................................ 7 ELECTRICAL SPECIFICATIONS ........................................................................................ 9 Absolute Maximum Ratings ....................................................................................................................... 9 Recommended Operating Conditions ...................................................................................................... 9 General Characteristics ............................................................................................................................ 10 WLAN RF Characteristics......................................................................................................................... 12 Bluetooth RF Characteristics .................................................................................................................. 14 WLAN POWER-UP SEQUENCE ....................................................................................... 15 WLAN POWER-DOWN SEQUENCE ................................................................................. 16 BLUETOOTH POWER-UP SEQUENCE............................................................................ 17 BLUETOOTH POWER-DOWN SEQUENCE ..................................................................... 18 ENABLE SCHEME ............................................................................................................ 19 IRQ OPERATION ............................................................................................................... 19 SLOW (32 KHZ) CLOCK SOURCE REQUIREMENTS ..................................................... 20 BLUETOOTH HCI UART ................................................................................................... 21 SDIO INTERFACE TIMING ................................................................................................ 23 SDIO CLOCK TIMING........................................................................................................ 24 SOLDERING RECOMMENDATIONS ................................................................................ 25 Recommended Reflow Profile for Lead Free Solder ............................................................................. 25 CLEANING ......................................................................................................................... 26
TiWi-R2 TRANSCEIVER MODULE     DATASHEET  The information in this document is subject to change without notice.  330-0045-R4.2  Copyright © 2010-2013 LS Research, LLC  Page 5 of 40 OPTICAL INSPECTION ..................................................................................................... 26 REWORK ........................................................................................................................... 26 SHIPPING, HANDLING, AND STORAGE ......................................................................... 26 Shipping ..................................................................................................................................................... 26 Handling ..................................................................................................................................................... 26 Moisture Sensitivity Level (MSL) ............................................................................................................. 26 Storage ....................................................................................................................................................... 26 Repeating Reflow Soldering .................................................................................................................... 27 AGENCY CERTIFICATIONS ............................................................................................. 28 AGENCY STATEMENTS ................................................................................................... 28 Federal Communication Commission Interference Statement ............................................................ 28 Industry Canada Statements.................................................................................................................... 29 OEM RESPONSIBILITIES TO COMPLY WITH FCC AND INDUSTRY CANADA REGULATIONS ....................................................................................................... 30 OEM LABELING REQUIREMENTS FOR END-PRODUCT .............................................. 31 OEM END PRODUCT USER MANUAL STATEMENTS.................................................... 32 EUROPE ............................................................................................................................ 33 CE Notice ................................................................................................................................................... 33 Declaration of Conformity (DOC) ............................................................................................................ 33 MECHANICAL DATA......................................................................................................... 34 TAPE AND REEL SPECIFICATION .................................................................................. 36 DEVICE MARKINGS .......................................................................................................... 37 Rev 0 Devices ............................................................................................................................................ 37 Rev 1 Devices ............................................................................................................................................ 37 Rev 2 Devices ............................................................................................................................................ 38 Rev 3 Devices ............................................................................................................................................ 38 Rev 4 Devices ............................................................................................................................................ 39 CONTACTING LS RESEARCH ......................................................................................... 40  TIWI-R2 MODULE FOOTPRINT AND PIN DEFINITIONS
TiWi-R2 TRANSCEIVER MODULE     DATASHEET  The information in this document is subject to change without notice.  330-0045-R4.2  Copyright © 2010-2013 LS Research, LLC  Page 6 of 40 To apply the TiWi-R2 module, it is important to use the module pins in your application as they are designated in below and in the corresponding pin definition table found on pages 7 and 8.  Not all the pins on the TiWi-R2 module may be used, as some are reserved for future functionality.   Figure 2 TiWi-R2 Pinout (Top View)
TiWi-R2 TRANSCEIVER MODULE     DATASHEET  The information in this document is subject to change without notice.  330-0045-R4.2  Copyright © 2010-2013 LS Research, LLC  Page 7 of 40 PIN DESCRIPTIONS Module Pin Name I/O Type Buffer Type Logic Level Description  1 VBAT PI - - Battery Voltage 3.6 VDC Nominal (3.0-4.8 VDC) 2 BT_FUNC5 DO 4 mA 1.8 VDC HOST_WU (*) 3 WL_UART_DBG DIO 4 mA 1.8 VDC WL_UART_DBG 4 WLAN_IRQ DO 4 mA 1.8 VDC WLAN Interrupt Request 5 BT_EN DI - 1.8 VDC Bluetooth Enable 6 FM_EN DI - 1.8 VDC NOT SUPPORTED, CONNECT TO GND 7 WL_RS232_RX DI - 1.8 VDC WLAN TEST UART RX (*) 8 WL_RS232_TX DO 4 mA 1.8 VDC WLAN TEST UART TX (*) 9 FM_I2S_FSYNC DO 4 mA 1.8 VDC NOT SUPPORTED, NO CONNECT 10 WL_EN DI - 1.8 VDC WLAN Enable 11 VIO PI - - POWER SUPPLY FOR 1.8 VDC DIGITAL DOMAIN 12 GND GND - - Ground 13 SDIO_D3 DIO 8 mA 1.8 VDC SDIO INTERFACE, HOST PULL UP 14 SDIO_D2 DIO 8 mA 1.8 VDC SDIO INTERFACE, HOST PULL UP 15 SDIO_D1 DIO 8 mA 1.8 VDC SDIO INTERFACE, HOST PULL UP 16 SDIO_D0 DIO 8 mA 1.8 VDC SDIO INTERFACE, HOST PULL UP 17 SDIO_CMD DIO 8 mA 1.8 VDC HOST PULL UP 18 SDIO_CLK DI - 1.8 VDC HOST PULL UP 19 SLOW_CLK DI - 1.8 VDC SLEEP CLOCK (32 kHz) 20 FM_IRQ DO 4 mA 1.8 VDC NOT SUPPORTED, NO CONNECT 21 FM_SDA DO 4 mA 1.8 VDC NOT SUPPORTED, NO CONNECT 22 FM_SCL DO 4 mA 1.8 VDC NOT SUPPORTED, NO CONNECT 23 FM_I2S_CLK DO 4 mA 1.8 VDC NOT SUPPORTED, NO CONNECT 24 FM_I2S_DI DI 4 mA 1.8 VDC NOT SUPPORTED, CONNECT TO GND 25 FM_I2S_DO DO 4 mA 1.8 VDC NOT SUPPORTED, NO CONNECT 26 FM_AUD_RIN AI - - NOT SUPPORTED, CONNECT TO GND 27 FM_AUD_LIN AI - - NOT SUPPORTED, CONNECT TO GND 28 FMRFOUT AO - - NOT SUPPORTED, NO CONNECT 29 FMRFIN AI - - NOT SUPPORTED, CONNECT TO GND 30 GND GND - - Ground 31 FM_AUD_ROUT AO - - NOT SUPPORTED, NO CONNECT
TiWi-R2 TRANSCEIVER MODULE     DATASHEET  The information in this document is subject to change without notice.  330-0045-R4.2  Copyright © 2010-2013 LS Research, LLC  Page 8 of 40 Module Pin Name I/O Type Buffer Type Logic Level Description  32 FM_AUD_LOUT AO - - NOT SUPPORTED, NO CONNECT 33 AUD_FSYNC DIO 4 mA 1.8 VDC PCM I/F 34 HCI_RX DI 8 mA 1.8 VDC Bluetooth HCI UART RX (*) 35 HCI_RTS DO 4 mA 1.8 VDC Bluetooth HCI UART RTS (*) 36 HCI_TX DIO 8 mA 1.8 VDC Bluetooth HCI UART TX 37 AUD_CLK DO 4 mA 1.8 VDC PCM I/F (*) 38 AUD_OUT DO 4 mA 1.8 VDC PCM I/F (*) 39 HCI_CTS DI 4 mA 1.8 VDC Bluetooth HCI UART CTS (*) 40 AUD_IN DI 4 mA 1.8 VDC PCM I/F (*) 41 BT_FUNC2 DI 4 mA 1.8 VDC Bluetooth Wakeup[DI] / DC2DC mode[DO](*) 42 BT_FUNC4 DO 4 mA 1.8 VDC BT_UARTD (DEBUG) (*) 43 VDD_LDO_CLASS_1P5 NC - - VBAT VOLTAGE PRESENT, NO CONNECT 44 GND GND - - Ground 45 GND GND - - Ground 46 GND GND - - Ground 47 GND GND - - Ground 48 ANT RF  - Antenna terminal for WLAN and Bluetooth (Note [1]) 49 GND GND - - Ground 50 GND GND - - Ground 51 GND GND - - Ground 52 GND GND - - Ground PI = Power Input PO = Power Output DI = Digital Input (1.8 VDC Logic Level) DO=Digital Output (1.8 VDC Logic Level)  AI = Analog Input AO = Analog Output AIO = Analog Input/Output RF = RF Port GND = Ground   Note[1]: Antenna terminal presents d.c. short circuit to ground.  (*) indicates that pin is capable of bidirectional operation, but is used as the type shown.  Table 3 TiWi-R2 Module Pin Descriptions  All digital I/O signals use 1.8V logic.  If the host microcontroller does not support 1.8V logic, then level shifters MUST be used.
TiWi-R2 TRANSCEIVER MODULE     DATASHEET  The information in this document is subject to change without notice.  330-0045-R4.2  Copyright © 2010-2013 LS Research, LLC  Page 9 of 40 ELECTRICAL SPECIFICATIONS The majority of these characteristics are based on controlling and conditioning the tests using the TiWi-R2 control software application.  Other control conditions may require these values to be re-characterized by the customer. Absolute Maximum Ratings Parameter Min Max Unit Power supply voltage (VBAT)(4)(5) -0.5 +5.5 V Digital supply voltage (VIO) -0.5 2.1 V Voltage on any GPIO -0.5 VIO + 0.5 V Voltage on any Analog Pins(3) -0.5 2.1 V RF input power, antenna port  +10 dBm Operating temperature(6) -40 +85 ºC Storage temperature -55 +125 ºC  1. Stresses beyond those listed under “absolute maximum ratings” may cause permanent damage to the device and are not covered by the warranty.  These are stress ratings only and functional operation of the device at these or any other conditions beyond those indicated under “recommended operating conditions” is not implied.  Exposure to absolute-maximum-rated conditions for extended periods may affect device reliability. 2.  All parameters are measured as follows unless stated otherwise: VDD_IN=1.8V, VDDIO_1.8V=1.8V, VDD_LDO_CLASS1P5=3.6V 3.  Analog pins: XTALP, XTALM, RFIOBT, DRPWRXBM, DRPWRXBP, DRPWTXB, and also FMRFINP, FMRFINM, FMRFINM, FMAUDLIN, FMAUDRIN, FMAUDLOUT, FMAUDROUT 4.  The following signals are from the VBAT group, PMS_VBAT and VDD_LDO_CLASS1P5 (if BT class 1.5 direct VBAT is used). 5.  Maximum allowed depends on accumulated time at that voltage; 4.8V for 7 years lifetime, 5.5V for 6 hours cumulative. 6.  The device can be reliably operated for 5,000 active-WLAN cumulative hours at TA of 85oC. Table 4 Absolute Maximum Ratings  Recommended Operating Conditions Parameter Min Typ Max Unit VBAT 3.0 3.6 4.8 V VIO 1.62 1.8 1.92 V VIH  0.65 x VIO - VIO V VIL 0 - 0.35 x VIO V VOH @ 4, 8 mA VIO - 0.45 - VIO V VOL  @ 4, 8 mA 0 - 0.45 V Ambient temperature range -40 25 85 ºC Table 5 Recommended Operating Conditions
TiWi-R2 TRANSCEIVER MODULE     DATASHEET  The information in this document is subject to change without notice.  330-0045-R4.2  Copyright © 2010-2013 LS Research, LLC  Page 10 of 40 General Characteristics Parameter Min Typ Max Unit WLAN RF frequency range 2412  2472 MHz WLAN RF data rate 1 802.11 b/g/n rates supported 65 Mbps BT RF frequency Range  2402  2480 MHz Table 6 General Characteristics   Power Consumption - WLAN Parameter Test Conditions Min Typ Max Unit CCK (802.11b) TX Current  2437 MHz, VBAT =3.6V, Tamb=+25°C Po=18.3 dBm, 11 Mbps CCK  L=1200 bytes, tdelay (idle)=4 S - 270 - mA OFDM (802.11g) TX Current 2437 MHz, VBAT =3.6V, Tamb=+25°C Po=12.6 dBm, 54 Mbps OFDM  L=1200 bytes, tdelay (idle)=4 S - 171 - mA OFDM (802.11n) TX Current  2437 MHz, VBAT =3.6V, Tamb=+25°C Po=9.5 dBm, 65 Mbps OFDM  L=1200 bytes, tdelay (idle)=4 S - 152 - mA CCK (802.11b) RX Current   - 100 - mA OFDM (802.11g) RX Current  - 100 - mA OFDM (802.11n) RX Current   - 100 - mA Dynamic Mode [1]   - <1.2 - mA  [1] Total Current from VBAT for reception of Beacons with DTIM=1 TBTT=100 mS, Beacon duration 1.6ms, 1 Mbps beacon reception in Listen Mode.  Table 7 WLAN Power Consumption
TiWi-R2 TRANSCEIVER MODULE     DATASHEET  The information in this document is subject to change without notice.  330-0045-R4.2  Copyright © 2010-2013 LS Research, LLC  Page 11 of 40 Power Consumption - Bluetooth Parameter Test Conditions Min Typ Max Unit GFSK TX Current  Constant Transmit, DH5, PRBS9  - 45 - mA EDR TX Current  Constant Transmit, 2DH5,3DH5, PRBS9 - 43 - mA GFSK RX Current  Constant Receive, DH1  - 35 - mA EDR RX Current   Constant Receive, 2DH5, 3DH5 - 41 - mA Deep Sleep Current  Deep Sleep Mode - 70 - µA Table 8 Bluetooth Power Consumption  DC Characteristics – General Purpose I/O Parameter Test Conditions Min Typ Max Unit VIO Current   - 16 mA Logic input low, VIL  0 - 0.35 x VIO V Logic input high, VIH  0.65 x VIO - VIO V Logic output low, VOL (Full Drive) Iout = 8 mA 0 - 0.45 V Iout = 4 mA 0 - 0.45 V Logic output low, VOL (Reduced Drive) Iout = 1 mA 0 - 0.112 V Iout = 0.09 mA 0 - 0.01 V Logic output high, VOH (Full Drive) Iout = -8 mA VIO - 0.45 - VIO V Iout = -4 mA VIO - 0.45 - VIO V Logic output high, VOH (Reduced Drive) Iout = -1 mA VIO - 0.112 - VIO V Iout = -0.3 mA VIO - 0.033 - VIO V Table 9 DC Characteristics General Purpose I/O
TiWi-R2 TRANSCEIVER MODULE     DATASHEET  The information in this document is subject to change without notice.  330-0045-R4.2  Copyright © 2010-2013 LS Research, LLC  Page 12 of 40 WLAN RF Characteristics WLAN Transmitter Characteristics  (TA=25°C, VBAT=3.6 V) Parameter Test Conditions Min Typ Max Unit 11 Mbps CCK (802.11b) TX Output Power  11 Mbps CCK , 802.11(b) Mask Compliance, 35% EVM RMS power over TX packet - 18.3 - dBm 9 Mbps OFDM (802.11g) TX Output Power  9 Mbps OFDM , 802.11(g) Mask Compliance, -8 dB EVM RMS power over TX packet - 17.6 - dBm 54 Mbps OFDM (802.11g) TX Output Power 54 Mbps OFDM, 802.11(g) Mask Compliance, -25 dB EVM RMS power over TX packet - 12.6 - dBm 6.5 Mbps OFDM (802.11n) TX Output Power 6.5 Mbps OFDM, 802.11(n) Mask Compliance, -5 dB EVM RMS power over TX packet - 17.7 - dBm 65 Mbps OFDM (802.11n) TX Output Power 65 Mbps OFDM, 802.11(n) Mask Compliance, -28 dB EVM RMS power over TX packet - 9.5 - dBm Table 10 WLAN Transmitter RF Characteristics
TiWi-R2 TRANSCEIVER MODULE     DATASHEET  The information in this document is subject to change without notice.  330-0045-R4.2  Copyright © 2010-2013 LS Research, LLC  Page 13 of 40 WLAN Receiver Characteristics  (TA=25°C, VBAT=3.6 V) [1] Parameter Test Conditions Min Typ Max Unit 1 Mbps CCK (802.11b) RX Sensitivity   8% PER  - -97 - dBm 11 Mbps CCK (802.11b) RX Sensitivity   8% PER - -89 - dBm 9 Mbps OFDM (802.11g) RX Sensitivity   10% PER - -90 - dBm 54 Mbps OFDM (802.11g) RX Sensitivity   10% PER - -76 - dBm 6.5 Mbps OFDM (802.11n) RX Sensitivity   10% PER - -91 - dBm 65 Mbps OFDM (802.11n) RX Sensitivity   10% PER - -73 -- dBm 11 Mbps CCK (802.11b) RX Overload Level 8% PER - - -10  dBm 6 Mbps OFDM (802.11g) RX Overload Level 10% PER - - -20 dBm 54 Mbps OFDM (802.11g) RX Overload Level 10% PER - - -20 dBm 65 Mbps OFDM (802.11n) RX Overload Level 10% PER - - -20 dBm [1] Up to 2 dB degradation at Channel 13 for 11g/n modes and up to 2 dB degradation at Channel 14 for 11b/g/n modes. Table 11 WLAN Receiver RF Characteristics
TiWi-R2 TRANSCEIVER MODULE     DATASHEET  The information in this document is subject to change without notice.  330-0045-R4.2  Copyright © 2010-2013 LS Research, LLC  Page 14 of 40 Bluetooth RF Characteristics Bluetooth Transmitter GFSK and EDR Characteristics, Class 1.5 (TA=25°C, VBAT=3.6 V) Parameter Test Conditions Min Typ Max Bluetooth Spec Unit GFSK RF Output Power     - 9.5 - - dBm EDR RF Output Power   - 7 -  dBm Power Control Step Size     2 4 8 2-8 dB EDR Relative Power   -2  1 -4/+1 dB Table 12 Bluetooth Transmitter RF Characteristics  Bluetooth Receiver Characteristics  (TA=25°C, VBAT=3.6 V) Parameter Test Conditions Min Typ Max Bluetooth Spec Unit GFSK Sensitivity BER=0.1% - -92 - -70 dBm EDR 2 Mbps Sensitivity   BER=0.01% - -91 - -70 dBm EDR 3 Mbps Sensitivity  BER=0.01% - -82 - -70 dBm GFSK Maximum Input Level  BER=0.1% - -5 - -20 dBm EDR 2 Maximum Input Level BER=0.1% - -10 - - dBm EDR 3 Maximum Input Level BER=0.1% - -10 - - - Table 13 Bluetooth Receiver RF Characteristics
TiWi-R2 TRANSCEIVER MODULE     DATASHEET  The information in this document is subject to change without notice.  330-0045-R4.2  Copyright © 2010-2013 LS Research, LLC  Page 15 of 40 WLAN POWER-UP SEQUENCE  The following sequence describes device power-up from shutdown.  Only the WLAN Core is enabled; the Bluetooth and FM cores are disabled.   Figure 3 TiWi-R2 Power-up Sequence Requirements 1.  No signals are allowed on the IO pins if no IO power is supplied, because the IOs are not 'fail safe’. Exceptions are CLK_REQ_OUT, SLOWCLK, XTALP, and AUD_xxx, which are failsafe and can tolerate external voltages with no VDDS and DC2DC".  2.  VBAT, VIO, and SLOWCLK must be available before WL_EN.  3.  Twakeup = T1 + T2 The duration of T1 is defined as the time from WL_EN=high until FREF is valid for the SoC.  T1=~55ms The duration of T2 depends on: – Operating system – Host enumeration for the SDIO/WSPI – PLL configuration – Firmware download – Releasing the core from reset – Firmware initialization
TiWi-R2 TRANSCEIVER MODULE     DATASHEET  The information in this document is subject to change without notice.  330-0045-R4.2  Copyright © 2010-2013 LS Research, LLC  Page 16 of 40 WLAN POWER-DOWN SEQUENCE   Notes: 1.  The DC2DC(1.8V) signal can be monitored on BT_FUNC2 Module Pin (#41) 2.  DC_REQ and CLK_REQ are internal signals shown for reference only Figure 4 TiWi-R2 Module Power-down Sequence Requirements  1.  DC_REQ will go low only if WLAN is the only core working.  Otherwise if another core is working (e.g BT) it will stay high.  2.  CLK_REQ will go low only if WLAN is the only core working.  Otherwise if another core is working and using the FREF (e.g BT) it will stay high.  3.  If WLAN is the only core that is operating, WL_EN must remain de-asserted for at least 64sec before it is re-asserted.
TiWi-R2 TRANSCEIVER MODULE     DATASHEET  The information in this document is subject to change without notice.  330-0045-R4.2  Copyright © 2010-2013 LS Research, LLC  Page 17 of 40 BLUETOOTH POWER-UP SEQUENCE  The following sequence describes device power up from shutdown.  Only the Bluetooth core is enabled; the WLAN core is disabled.    Notes: 1.  (A) After this sequence is completed, the device is in the low VIO-leakage state while in shutdown 2.  The DC2DC(1.8V) signal can be monitored on BT_FUNC2 Module Pin (#41) 3.  DC_REQ, CLK_REQ, and FREF are internal signals shown for reference only Figure 5  Bluetooth Power-up Sequence  Power up requirements:  1.  No signals are allowed on the IO pins if no IO power supplied, because the IOs are not 'failsafe'.  Exceptions are CLK_REQ_OUT, SLOWCLK, XTALP, and AUD_xxx, which are failsafe and can tolerate external voltages with no VDDS and DC2DC.  2.  VDDS and SLOWCLK must be stable before releasing BT_EN.  3.  Fast clock must be stable maximum 55 ms after BT_EN goes HIGH.
TiWi-R2 TRANSCEIVER MODULE     DATASHEET  The information in this document is subject to change without notice.  330-0045-R4.2  Copyright © 2010-2013 LS Research, LLC  Page 18 of 40 BLUETOOTH POWER-DOWN SEQUENCE   Notes: 1.  The DC2DC(1.8V) signal can be monitored on BT_FUNC2 Module Pin (#41) 2.  DC_REQ and CLK_REQ are internal signals shown for reference only Figure 6  Bluetooth Power-down Sequence  The TiWi-R2 module indicates completion of Bluetooth power up sequence by asserting HCI_RTS low. This occurs up to 100 ms after BT_EN goes high.
TiWi-R2 TRANSCEIVER MODULE     DATASHEET  The information in this document is subject to change without notice.  330-0045-R4.2  Copyright © 2010-2013 LS Research, LLC  Page 19 of 40 ENABLE SCHEME The module has 3 enable pins, one for each core: WL_EN, and BT_EN and FM_EN.  Presently, there are 2 modes of active operation now supported: WLAN and Bluetooth.  It is recommended that the FM_EN pin be grounded to disable the FM section.  It is also recommended that the FM section be disabled by Bluetooth HCI commands.  1.  Each core is operated independently by asserting each signal EN to Logic '1’.  In this mode it is possible to control each core asynchronously and independently.  2.  Bluetooth mode operation.  WLAN will be operated through WL_EN asynchronously and independently of Bluetooth.   IRQ OPERATION   1.  The default state of the WLAN_IRQ prior to firmware initialization is 0.  2.  During firmware initialization, the WLAN_IRQ is configured by the SDIO module; a WLAN_IRQ changes its state to 1.  3.  A WLAN firmware interrupt is handled as follows:  a.  The WLAN firmware creates an Interrupt-to-Host, indicated by a 1-to-0 transition on the WLAN_IRQ line (host must be configured as active-low or falling-edge detect).  b.  After the host is available, depending on the interrupt priority and other host tasks, it masks the firmware interrupt.  The WLAN_IRQ line returns to 1 (0-to-1 transition on the WLAN_IRQ line).  c.  The host reads the internal register status to determine the interrupt sources - the register is cleared after the read.  d.  The host processes in sequence all the interrupts read from this register  e.  The host unmasks the firmware interrupts.   4. The host is ready to receive another interrupt from the WLAN device.
TiWi-R2 TRANSCEIVER MODULE     DATASHEET  The information in this document is subject to change without notice.  330-0045-R4.2  Copyright © 2010-2013 LS Research, LLC  Page 20 of 40 SLOW (32 KHZ) CLOCK SOURCE REQUIREMENTS The slow clock is always supplied from an external source.  It is input on the SLOW_CLK pin, and can be a digital signal in the range of VIO only.  For slow clock frequency and accuracy refer to Table 14.  The external slow clock must be stable before the system exits from shut down mode.   Parameter [1] Condition Symbol Min Typ Max Unit Input slow clock frequency    32768  Hz Input slow clock accuracy WLAN, BT    +/-250 ppm Input transition time Tr/Tf – 10% to 90%  Tr/Tf   100 ns Frequency input duty cycle   30 50 70 % Input voltage limits Square wave, DC coupled VIH 0.65 x VDDS  VDDS Vpeak VIL 0  0.35 x VDDS    Input impedance   1   MW Input capacitance     5 pF Rise and fall time     100 ns Phase noise 1 kHz   -125  dBc/Hz [1] Slow clock is a fail safe input Table 14 Slow Clock Source Requirements
TiWi-R2 TRANSCEIVER MODULE     DATASHEET  The information in this document is subject to change without notice.  330-0045-R4.2  Copyright © 2010-2013 LS Research, LLC  Page 21 of 40 BLUETOOTH HCI UART   Figure 7 Bluetooth UART Timing   Table 15 Bluetooth UART Timing
TiWi-R2 TRANSCEIVER MODULE     DATASHEET  The information in this document is subject to change without notice.  330-0045-R4.2  Copyright © 2010-2013 LS Research, LLC  Page 22 of 40  Figure 8 Bluetooth UART Data Frame   Table 16 Bluetooth UART Data Frame
TiWi-R2 TRANSCEIVER MODULE     DATASHEET  The information in this document is subject to change without notice.  330-0045-R4.2  Copyright © 2010-2013 LS Research, LLC  Page 23 of 40 SDIO INTERFACE TIMING  Table 17 SDIO Interface Read (see Figure 9)   Figure 9 SDIO Single Block Read   Table 18 SDIO Interface Write (see Figure 10)   Figure 10 SDIO Single Block Write
TiWi-R2 TRANSCEIVER MODULE     DATASHEET  The information in this document is subject to change without notice.  330-0045-R4.2  Copyright © 2010-2013 LS Research, LLC  Page 24 of 40 SDIO CLOCK TIMING  Table 19 SDIO Clock Timing   Figure 11 SDIO Clock Timing
TiWi-R2 TRANSCEIVER MODULE     DATASHEET  The information in this document is subject to change without notice.  330-0045-R4.2  Copyright © 2010-2013 LS Research, LLC  Page 25 of 40 SOLDERING RECOMMENDATIONS Recommended Reflow Profile for Lead Free Solder  Note: The quality of solder joints on the castellations (‘half vias’) where they contact the host board should meet the appropriate IPC Specification.  See IPC-A-610-D Acceptability of Electronic Assemblies, section 8.2.4 Castellated Terminations.” Figure 12 Reflow Profile
TiWi-R2 TRANSCEIVER MODULE     DATASHEET  The information in this document is subject to change without notice.  330-0045-R4.2  Copyright © 2010-2013 LS Research, LLC  Page 26 of 40 CLEANING In general, cleaning populated modules is strongly discouraged.  Residuals under the module cannot be easily removed with any cleaning process.   Cleaning with water can lead to capillary effects where water is absorbed into the gap between the host board and the module.  The combination of soldering flux residuals and encapsulated water could lead to short circuits between neighboring pads.  Water could also damage any stickers or labels.   Cleaning with alcohol or a similar organic solvent will likely flood soldering flux residuals into the RF shield, which is not accessible for post-washing inspection.  The solvent could also damage any stickers or labels.   Ultrasonic cleaning could damage the module permanently. OPTICAL INSPECTION After soldering the Module to the host board, consider optical inspection to check the following:   Proper alignment and centering of the module over the pads.   Proper solder joints on all pads.   Excessive solder or contacts to neighboring pads or vias. REWORK The module can be unsoldered from the host board if the Moisture Sensitivity Level (MSL) requirements are met as described in this datasheet. Never attempt rework on the module itself,  e.g.,  replacing  individual components.    Such  actions  will terminate warranty coverage. SHIPPING, HANDLING, AND STORAGE Shipping TiWi-R2 modules are delivered in trays of 100 or reels of 1,000. Handling The TiWi-R2 modules contain a highly sensitive electronic circuitry.  Handling without proper ESD protection may damage the module permanently.  Moisture Sensitivity Level (MSL) Per J-STD-020, devices rated as MSL 4 and not stored in a sealed bag with desiccant pack should be baked prior to use. After opening packaging, devices that will be subjected to reflow must be mounted within 72 hours of factory conditions (<30°C and 60% RH) or stored at <10% RH. Bake devices for 48 hours at 125°C.  Storage Please use this product within 6 months after receipt.  Any product used after 6 months of receipt needs to have solderability confirmed before use. The product shall be stored without opening the packing under the ambient temperature from 5 to 35deg.C and humidity from 20 to 70%RH.  (Packing materials, in particular, may be deformed at the temperatures above this range.) Do not store in salty air or in an environment with a high concentration of corrosive gas, such as Cl2, H2S, NH3, SO2, or NOX. Do not store in direct sunlight. The product should not be subject to excessive mechanical shock.
TiWi-R2 TRANSCEIVER MODULE     DATASHEET  The information in this document is subject to change without notice.  330-0045-R4.2  Copyright © 2010-2013 LS Research, LLC  Page 27 of 40 Repeating Reflow Soldering Only a single reflow soldering process is recommended for host boards.
TiWi-R2 TRANSCEIVER MODULE     DATASHEET  The information in this document is subject to change without notice.  330-0045-R4.2  Copyright © 2010-2013 LS Research, LLC  Page 28 of 40 AGENCY CERTIFICATIONS FCC ID: TFB-TIWI1-01, 15.247 IC ID: 5969A-TIWI101, RSS 210 CE: Compliant to standards EN 60950-1, EN 300 328, and EN 301 489  AGENCY STATEMENTS Federal Communication Commission Interference Statement This equipment has been tested and found to comply with the limits for a Class B digital device, pursuant to Part 15 of the FCC Rules. These limits are designed to provide reasonable protection against harmful interference in a residential installation. This equipment generates uses and can radiate radio frequency energy and, if not installed and used in accordance with the instructions, may cause harmful interference to radio communications. However, there is no guarantee that interference will not occur in a particular installation. If this equipment does cause harmful interference to radio or television reception, which can be determined by turning the equipment off and on, the user is encouraged to try to correct the interference by one of the following measures:   Reorient or relocate the receiving antenna.   Increase the separation between the equipment and receiver.   Connect the equipment into an outlet on a circuit different from that to which the receiver is connected.   Consult the dealer or an experienced radio/TV technician for help. This device complies with Part 15 of the FCC Rules. Operation is subject to the following two conditions: (1) This device may not cause harmful interference, and (2) this device must accept any interference received, including interference that may cause undesired operation. FCC  CAUTION:  Any  changes  or  modifications  not  expressly  approved  by  the  party responsible for compliance could void the user's authority to operate this equipment.
TiWi-R2 TRANSCEIVER MODULE     DATASHEET  The information in this document is subject to change without notice.  330-0045-R4.2  Copyright © 2010-2013 LS Research, LLC  Page 29 of 40 Industry Canada Statements Operation is subject to the following two conditions: (1) this device may not cause interference, and (2) this device must accept any interference, including interference that may cause undesired operation of the device. To reduce potential radio interference to other users, the antenna type and its gain should be so chosen that the equivalent isotropically radiated power (e.i.r.p.) is not more than that permitted for successful communication. This device has been designed to operate with the antenna(s) listed below, and having a maximum gain of 4.3 dBi (LSR Dipole), -0.6dBi (Ethertronics Presetta), and 3.0dBi (Taoglas Flexible Dipole).  Antennas not included in this list or having a gain greater than 4.3 dBi, -0.6dBi, and 3.0dBi are strictly prohibited for use with this device.  The required antenna impedance is 50 ohms. List of all Antennas Acceptable for use with the Transmitter  1) LS Research 001-0001 center-fed dipole antenna and LS Research 080-0001 U.FL to Reverse Polarity SMA connector cable.  2) Ethertronics Presetta 1000423 and Johnson Emerson U.FL to U.FL coaxial cable 415-0088-150. 3) Taoglas FXP831.07.0100C flexible dipole antenna with integrated cable and U.FL connector.  L'opération est soumise aux deux conditions suivantes: (1) cet appareil ne peut pas provoquer d'interférences et (2) cet appareil doit accepter toute interférence, y compris les interférences qui peuvent causer un mauvais fonctionnement de l'appareil. Pour réduire le risque d'interférence aux autres utilisateurs, le type d'antenne et son gain doiventêtre choisis de manière que la puissance isotrope rayonnée équivalente (PIRE) ne dépasse pascelle permise pour une communication réussie. Cet appareil a été conçu pour fonctionner avec l'antenne (s) ci-dessous, et ayant un gain maximum de 4,3 dBi (LSR dipôle),-0.6dBi (Ethertronics Presetta), et 3.0dBi (Taoglas Flexibles Dipôle).  Antennes pas inclus dans cette liste ou ayant un gain supérieur à 4,3 dBi, 0.6dBi, et 3.0dBi sont strictement interdits pour une utilisation avec cet appareil.  L'impédance d'antenne requise est de 50 ohms. Liste de toutes les antennes acceptables pour une utilisation avec l'émetteur 1) LS Research 001-0001 alimenté par le centre antenne dipôle et LS Research 080-0001 U.FL d'inversion de polarité du câble connecteur SMA. 2) Ethertronics Presetta 1000423 et Johnson Emerson U.FL d'un câble coaxial U.FL 415-0088-150. 3) Taoglas FXP831.07.0100C antenne dipôle flexible avec câble intégré et un connecteur U.FL.
TiWi-R2 TRANSCEIVER MODULE     DATASHEET  The information in this document is subject to change without notice.  330-0045-R4.2  Copyright © 2010-2013 LS Research, LLC  Page 30 of 40 OEM RESPONSIBILITIES TO COMPLY WITH FCC AND INDUSTRY CANADA REGULATIONS The TiWi-R2 Module has been certified for integration into products only by OEM integrators under the following conditions: This device is granted for use in Mobile only configurations in which the antennas used for this transmitter must be installed to provide a separation distance of at least 20cm from all person and not be co-located with any other transmitters except in accordance with FCC and Industry Canada multi-transmitter product procedures. As long as the two conditions above are met, further transmitter testing will not be required. However, the OEM integrator is still responsible for testing their end-product for any additional compliance requirements required with this module installed (for example, digital device emissions, PC peripheral requirements, etc.). IMPORTANT  NOTE:  In  the  event  that  these  conditions  cannot  be  met  (for  certain configurations  or  co-location  with  another  transmitter),  then  the  FCC  and  Industry Canada authorizations are no longer considered valid and the FCC ID and IC Certification Number cannot be used on the final product. In these circumstances, the OEM integrator will  be  responsible  for  re-evaluating  the  end  product  (including  the  transmitter)  and obtaining a separate FCC and Industry Canada authorization. Le module de TiWi-R2 a été certifié pour l'intégration dans des produits uniquement par des intégrateurs OEM dans les conditions suivantes: Ce dispositif est accordé pour une utilisation dans des configurations mobiles seul dans lequel les antennes utilisées pour cet émetteur doit être installé pour fournir une distance de séparation d'au moins 20cm de toute personne et ne pas être colocalisés avec les autres émetteurs, sauf en conformité avec la FCC et de l'Industrie Canada, multi-émetteur procédures produit. Tant que les deux conditions précitées sont réunies, les tests de transmetteurs supplémentaires ne seront pas tenus. Toutefois, l'intégrateur OEM est toujours responsable de tester leur produit final pour toutes les exigences de conformité supplémentaires requis avec ce module installé (par exemple, les émissions appareil numérique, les exigences de périphériques PC, etc.) NOTE  IMPORTANTE:  Dans  le  cas  où  ces  conditions  ne  peuvent  être  satisfaites  (pour certaines configurations ou de co-implantation avec un autre émetteur), puis la FCC et Industrie autorisations Canada ne sont plus considérés comme valides et l'ID de la FCC et  IC  numéro  de  certification  ne  peut  pas  être  utilisé  sur  la  produit  final.  Dans  ces circonstances,  l'intégrateur  OEM  sera  chargé  de  réévaluer  le  produit  final  (y  compris l'émetteur) et l'obtention d'un distincte de la FCC et Industrie Canada l'autorisation.
TiWi-R2 TRANSCEIVER MODULE     DATASHEET  The information in this document is subject to change without notice.  330-0045-R4.2  Copyright © 2010-2013 LS Research, LLC  Page 31 of 40 OEM LABELING REQUIREMENTS FOR END-PRODUCT The TiWi-R2 module is labeled with its own FCC ID and IC Certification Number.  The FCC ID and IC certification numbers are not visible when the module is installed inside another device, as such the end device into which the module is installed must display a label referring to the enclosed module.  The final end product must be labeled in a visible area with the following: “Contains Transmitter Module FCC ID: TFB-TIWI1-01” “Contains Transmitter Module IC: 5969A-TIWI101” or “Contains FCC ID: TFB-TIWI1-01” “Contains IC: 5969A-TIWI101” The OEM of the TiWi-R2 Module must only use the approved antenna(s) listed above, which have been certified with this module.  Le module de TiWi-R2 est étiqueté avec son propre ID de la FCC et IC numéro de certification. L'ID de la FCC et IC numéros de certification ne sont pas visibles lorsque le module est installé à l'intérieur d'un autre appareil, comme par exemple le terminal dans lequel le module est installé doit afficher une etiquette faisant référence au module ci-joint. Le produit final doit être étiqueté dans un endroit visible par le suivant:  “Contient Module émetteur FCC ID: TFB-TIWI1-01" “Contient Module émetteur IC: 5969A-TIWI101"  ou  “Contient FCC ID: TFB-TIWI1-01" “Contient IC: 5969A-TIWI101"  L’OEM du module TiWi-R2 ne doit utiliser l'antenne approuvée (s) ci-dessus, qui ont été certifiés avec ce module.
TiWi-R2 TRANSCEIVER MODULE     DATASHEET  The information in this document is subject to change without notice.  330-0045-R4.2  Copyright © 2010-2013 LS Research, LLC  Page 32 of 40 OEM END PRODUCT USER MANUAL STATEMENTS The OEM integrator should not provide information to the end user regarding how to install or remove this RF module or change RF related parameters in the user manual of the end product. The user manual for the end product must include the following information in a prominent location: This device is granted for use in Mobile only configurations in which the antennas used for this transmitter must be installed to provide a separation distance of at least 20cm from all person and not be co-located with any other transmitters except in accordance with FCC and Industry Canada multi-transmitter product procedures. Other user manual statements may apply.  L'intégrateur OEM ne devrait pas fournir des informations à l'utilisateur final en ce qui concerne la façon d'installer ou de retirer ce module RF ou modifier les paramètres RF connexes dans le manuel utilisateur du produit final.  Le manuel d'utilisation pour le produit final doit comporter les informations suivantes dans unendroit bien en vue:  Ce dispositif est accordé pour une utilisation dans des configurations mobiles seule dans laquelle les antennes utilisées pour cet émetteur doit être installé pour fournir une distance de séparation d'au moins 20cm de toute personne et ne pas être co-localisés avec les autres émetteurs, sauf en conformité avec FCC et Industrie Canada, multi-émetteur procédures produit.  Autres déclarations manuel de l'utilisateur peuvent s'appliquer.
TiWi-R2 TRANSCEIVER MODULE     DATASHEET  The information in this document is subject to change without notice.  330-0045-R4.2  Copyright © 2010-2013 LS Research, LLC  Page 33 of 40 EUROPE CE Notice This device has been tested and certified for use in the European Union.  See the Declaration of Conformity (DOC) for specifics. If this device is used in a product, the OEM has responsibility to verify compliance of the final product to the EU standards.  A Declaration of Conformity must be issued and kept on file as described in the Radio and Telecommunications Terminal Equipment (R&TTE) Directive.  The ‘CE’ mark must be placed on the OEM product per the labeling requirements of the Directive.  Declaration of Conformity (DOC) This DOC can be downloaded from the LSR Wiki.
TiWi-R2 TRANSCEIVER MODULE     DATASHEET  The information in this document is subject to change without notice.  330-0045-R4.2  Copyright © 2010-2013 LS Research, LLC  Page 34 of 40 MECHANICAL DATA  Figure 13 Module Mechanical Dimensions (Maximum Module Height = 1.9 mm)
TiWi-R2 TRANSCEIVER MODULE     DATASHEET  The information in this document is subject to change without notice.  330-0045-R4.2  Copyright © 2010-2013 LS Research, LLC  Page 35 of 40       Figure 14 TiWi-R2 Recommended PCB Footprint (Top View)
TiWi-R2 TRANSCEIVER MODULE     DATASHEET  The information in this document is subject to change without notice.  330-0045-R4.2  Copyright © 2010-2013 LS Research, LLC  Page 36 of 40 TAPE AND REEL SPECIFICATION   Figure 15 TiWi-R2 Tape and Reel Specification
TiWi-R2 TRANSCEIVER MODULE     DATASHEET  The information in this document is subject to change without notice.  330-0045-R4.2  Copyright © 2010-2013 LS Research, LLC  Page 37 of 40 DEVICE MARKINGS Rev 0 Devices WL1271: WL1271A1YFVR PG2.1 Front End: TQM679002A 2D Bar CodeWhere 00 = revisionXXXXXX = incremental serial number2D Barcode Format is Data Matrix StandardLS Research00-XXXXXXTiWi01-R2  Rev 1 Devices WL1271: WL1271BYFVR PG3.1 Front End: TQM679002A   Changed the WL1271 IC to WL1271BYFVR PG3.1. 2D Bar CodeWhere 01 = revisionXXXXXX = incremental serial number2D Barcode Format is Data Matrix StandardLS Research01-XXXXXXTiWi01-R2
TiWi-R2 TRANSCEIVER MODULE     DATASHEET  The information in this document is subject to change without notice.  330-0045-R4.2  Copyright © 2010-2013 LS Research, LLC  Page 38 of 40 Rev 2 Devices WL1271: WL1271BYFVR PG3.1 Front End: TQM679002A   Changed PCB supplier. 2D Bar CodeWhere 2 = revisionXXXXXX = incremental serial number2D Barcode Format is Data Matrix StandardLS Research2-XXXXXXTiWi-R2  Rev 3 Devices WL1271: WL1271BYFVR PG3.1 Front End: TQM679002A   Incorporated PCB DFM improvements. 2D Bar CodeWhere 3 = revisionXXXXXX = incremental serial number2D Barcode Format is Data Matrix StandardLS Research3-XXXXXXTiWi-R2
TiWi-R2 TRANSCEIVER MODULE     DATASHEET  The information in this document is subject to change without notice.  330-0045-R4.2  Copyright © 2010-2013 LS Research, LLC  Page 39 of 40 Rev 4 Devices WL1271: WL1271BYFVR PG3.1 Front End: TQM679002A   LSR logo changed from red to black.   Improvements to prevent solder from wicking to bottom pad on module pin 48.   Switched the locations of the serial number and model name on the label. 2D Bar CodeWhere 4 = RevisionXXXXXX = incremental serial number2D Barcode Format is Data Matrix StandardLS RESEARCH4-XXXXXXModel: TiWi-R2
TiWi-R2 TRANSCEIVER MODULE     DATASHEET  The information in this document is subject to change without notice.  330-0045-R4.2  Copyright © 2010-2013 LS Research, LLC  Page 40 of 40 CONTACTING LS RESEARCH Headquarters  LS Research, LLC   W66 N220 Commerce Court   Cedarburg, WI 53012-2636  USA   Tel: (262) 375-4400   Fax: (262) 375-4248 Website www.lsr.com Wiki wiki.lsr.com Technical Support forum.lsr.com Sales Contact sales@lsr.com                   The  information  in  this  document  is  provided  in  connection  with  LS  Research  (hereafter  referred  to  as  “LSR”) products. No license, express or implied, by estoppel or otherwise, to any intellectual property right is granted by this document or in connection with the sale of LSR products. EXCEPT AS SET FORTH IN LSR’S TERMS AND CONDITIONS OF SALE LOCATED ON LSR’S WEB SITE, LSR ASSUMES NO LIABILITY WHATSOEVER AND DISCLAIMS  ANY  EXPRESS,  IMPLIED  OR  STATUTORY  WARRANTY  RELATING  TO  ITS  PRODUCTS INCLUDING,  BUT  NOT  LIMITED  TO, THE  IMPLIED WARRANTY  OF  MERCHANTABILITY, FITNESS  FOR  A PARTICULAR  PURPOSE,  OR  NON-INFRINGEMENT.  IN  NO  EVENT  SHALL  LSR  BE  LIABLE  FOR  ANY DIRECT,  INDIRECT,  CONSEQUENTIAL,  PUNITIVE,  SPECIAL  OR  INCIDENTAL  DAMAGES  (INCLUDING, WITHOUT  LIMITATION,  DAMAGES  FOR  LOSS  OF  PROFITS,  BUSINESS  INTERRUPTION,  OR  LOSS  OF INFORMATION) ARISING OUT OF THE USE OR INABILITY TO USE THIS DOCUMENT, EVEN IF LSR HAS BEEN ADVISED OF THE POSSIBILITY OF SUCH DAMAGES. LSR makes no representations or warranties with respect to the accuracy or completeness of the contents of this document and reserves the right to make changes to specifications  and  product  descriptions  at any time  without  notice.  LSR does  not  make  any commitment to update the information contained herein. Unless specifically provided otherwise, LSR products are not suitable for, and shall not be used in, automotive applications. LSR’s products are not intended, authorized, or warranted for use as components in applications intended to support or sustain life.

Navigation menu