Ezurio TIWI501 TiWi5 Transceiver Module User Manual 330 0042 R2 4 pcv2
LS Research, LLC TiWi5 Transceiver Module 330 0042 R2 4 pcv2
Ezurio >
Contents
- 1. User Manual
- 2. User Manual R2
- 3. Users Manual
Users Manual

TiWi5TRANSCEIVERMODULE
DATASHEET
Theinformationinthisdocumentissubjecttochangewithoutnotice.
330‐0042‐R2.3 Copyright©2011‐2016 Page1of46
IntegratedTransceiverModulesforWLAN802.11a/b/g/n,Bluetooth,
BluetoothLowEnergy(BLE),andANT
FEATURES
IEEE802.11a,b,g,n,d,e,Icompliant
TypicalWLANTransmitPower:
o 18.3dBm,11Mbps,CCK(b)
o 14.4dBm,54Mbps,OFDM(g)
o 12.5dBm,65Mbps,OFDM(n)
TypicalWLANSensitivity:
o ‐88dBm,8%PER,11Mbps
o ‐74dBm,10%PER,54Mbps
o ‐72dBm,10%PER,65Mbps
Bluetooth2.1+EDR,PowerClass1.5
FullsupportforBLE4.0andANT
Miniaturefootprint:18mmx13mm
Lowheightprofile:1.9mm
TerminalforPCB/Chipantennafeeds
Worldwideacceptance:FCC(USA),IC(Canada),
andCE(Europe)
ModularcertificationallowsreuseofLSRFCCID
andETSIcertificationwithoutrepeatingthe
expensivetestingonyourendproduct
CompactdesignbasedonTexasInstruments
WL1273LTransceiver
SeamlessintegrationwithTIOMAP™application
processors
SDIOHostdatapathinterfaces
BluetoothAdvancedAudioInterfaces
Lowpoweroperationmodes
RoHScompliant
StreamlineddevelopmentwithLSRDesign
Services
APPLICATIONS
Security
HVACControl,SmartEnergy
SensorNetworks
Medical
DESCRIPTION
TheTiWi5moduleisahighperformance2.4/5.5
GHzIEEE802.11a/b/g/n,Bluetooth2.1+EDR,and
BluetoothLowEnergy(BLE)4.0radioinacost
effective,pre‐certifiedfootprint.
ThemodulerealizesthenecessaryPHY/MAClayers
tosupportWLANapplicationsinconjunctionwitha
hostprocessoroveraSDIOinterface.
ThemodulealsoprovidesaBluetoothplatform
throughtheUARTorbtSPIHCItransportlayer.Both
WLANandBluetoothsharethesameantennaport.
TiWi5ispinforpincompatiblewiththeTiWi‐R2and
TiWi‐BLEmodules.TiWi5doesnotincludetheon
moduleU.FLconnector.
Needtogettomarketquickly?Notanexpertin
802.11orBluetooth?Needacustomantenna?
Wouldyouliketoownthedesign?Wouldyoulike
acustomdesign?Notquitesurewhatyouneed?
Doyouneedhelpwithyourhostboard?LS
ResearchDesignServiceswillbehappytodevelop
customhardwareorsoftware,integratethedesign,
orlicensethedesignsoyoucanmanufacture
yourself.Contactusatsales@lsr.comorcallusat
262‐375‐4400.

TiWi5TRANSCEIVERMODULE
DATASHEET
The information in this document is subject to change without notice.
330‐0042‐R2.3 Copyright©2011‐2016 Page2of46
ORDERINGINFORMATION
OrderNumber Description
450‐0053 TiWi5Module (Tray,SPQ=100)
450‐0053R TiWi5Module (TapeandReel,SPQ=1000)
Table1OrderableTiWi5PartNumbers
MODULEACCESSORIES
OrderNumber Description
001‐0009
2.4/5.5GHzDual‐BandDipoleAntennawith
ReversePolaritySMAConnector
080‐0001
U.FLtoReversePolaritySMABulkheadCable
105mm
Table2ModuleAccessories

TiWi5TRANSCEIVERMODULE
DATASHEET
The information in this document is subject to change without notice.
330‐0042‐R2.3 Copyright©2011‐2016 Page3of46
BLOCKDIAGRAM
Figure1TiWi5ModuleBlockDiagram–Top‐Level

TiWi5TRANSCEIVERMODULE
DATASHEET
The information in this document is subject to change without notice.
330‐0042‐R2.3 Copyright©2011‐2016 Page4of46
TABLEOFCONTENTS
FEATURES......................................................................................................................................1
APPLICATIONS...............................................................................................................................1
DESCRIPTION................................................................................................................................1
ORDERINGINFORMATION............................................................................................................2
MODULEACCESSORIES..................................................................................................................2
BLOCKDIAGRAM...........................................................................................................................3
PINDESCRIPTIONS........................................................................................................................7
INIFILERADIOPARAMETERS........................................................................................................9
ELECTRICALSPECIFICATIONS.......................................................................................................10
AbsoluteMaximumRatings..............................................................................................................................10
RecommendedOperatingConditions................................................................................................................10
GeneralCharacteristics.....................................................................................................................................11
WLANRFCharacteristics...................................................................................................................................14
BluetoothRFCharacteristics.............................................................................................................................17
BluetoothLowEnergyRFCharacteristics...........................................................................................................18
WLANPOWER‐UPSEQUENCE......................................................................................................19
WLANPOWER‐DOWNSEQUENCE...............................................................................................21
BLUETOOTHPOWER‐UPSEQUENCE............................................................................................22
BLUETOOTHPOWER‐DOWNSEQUENCE......................................................................................23
ENABLESCHEME.........................................................................................................................24
IRQOPERATION..........................................................................................................................24
SLOW(32KHZ)CLOCKSOURCEREQUIREMENTS.........................................................................25
BLUETOOTHHCIUART................................................................................................................26
SDIOINTERFACETIMING.............................................................................................................28
SDIOCLOCKTIMING....................................................................................................................29

TiWi5TRANSCEIVERMODULE
DATASHEET
The information in this document is subject to change without notice.
330‐0042‐R2.3 Copyright©2011‐2016 Page5of46
SOLDERINGRECOMMENDATIONS...............................................................................................30
RecommendedReflowProfileforLeadFreeSolder...........................................................................................30
CLEANING...................................................................................................................................31
OPTICALINSPECTION..................................................................................................................31
REWORK.....................................................................................................................................31
SHIPPING,HANDLING,ANDSTORAGE.........................................................................................31
Shipping............................................................................................................................................................31
Handling...........................................................................................................................................................31
MoistureSensitivityLevel(MSL)........................................................................................................................31
Storage.............................................................................................................................................................31
RepeatingReflowSoldering..............................................................................................................................32
AGENCYCERTIFICATIONS............................................................................................................33
AGENCYSTATEMENTS.................................................................................................................33
FederalCommunicationCommissionInterferenceStatement............................................................................33
IndustryCanadaStatements.............................................................................................................................35
OEMRESPONSIBILITIESTOCOMPLYWITHFCCANDINDUSTRYCANADAREGULATIONS.............37
OEMLABELINGREQUIREMENTSFOREND‐PRODUCT..................................................................37
OEMENDPRODUCTUSERMANUALSTATEMENTS......................................................................39
EUROPE.......................................................................................................................................40
CENotice..........................................................................................................................................................40
DeclarationofConformity(DOC).......................................................................................................................40
MECHANICALDATA.....................................................................................................................41
PCBFOOTPRINT..........................................................................................................................42
TAPEANDREELSPECIFICATION...................................................................................................43
DEVICEMARKINGS......................................................................................................................44
Rev1Devices....................................................................................................................................................44
Rev2Devices....................................................................................................................................................44
Rev3Devices....................................................................................................................................................45

TiWi5TRANSCEIVERMODULE
DATASHEET
The information in this document is subject to change without notice.
330‐0042‐R2.3 Copyright©2011‐2016 Page6of46
CONTACTINGLSRESEARCH.........................................................................................................46
TIWI5MODULEFOOTPRINTANDPINDEFINITIONS
ToapplytheTiWi5module,itisimportanttousethemodulepinsinyourapplicationastheyaredesignatedin
belowandinthecorrespondingpindefinitiontablefoundonpages7and8.NotallthepinsontheTiWi5
modulemaybeused,assomearereservedforfuturefunctionality.
Figure2TiWi5Pinout(TopView)

TiWi5TRANSCEIVERMODULE
DATASHEET
The information in this document is subject to change without notice.
330‐0042‐R2.3 Copyright©2011‐2016 Page7of46
PINDESCRIPTIONS
Module
Pin Name I/O
Type
Buffer
Type
Logic
Level Description
1 VBA
T
PI ‐ ‐ BatteryVoltage3.6VDCNominal(3.0‐4.8VDC)
2 BT_FUNC5 DO 4mA 1.8VDC HOST_WU(*)
3 WL_UART_DBG DIO 4mA 1.8VDC WL_UART_DBG
4 WLAN_IR
Q
DO 4mA 1.8VDC WLANInterruptRequest
5 BT_EN DI ‐ 1.8VDC BluetoothEnable
6 FM_EN DI ‐ 1.8VDC NOTSUPPORTED,CONNECTTOGND
7 WL_RS232_RX DI ‐ 1.8VDC WLANTESTUARTRX(*)
8 WL_RS232_TX DO 4mA 1.8VDC WLANTESTUARTTX(*)
9 FM_I2S_FSYNC DO 4mA 1.8VDC NOTSUPPORTED,NOCONNECT
10 WL_EN DI ‐ 1.8VDC WLANEnable
11 VIO PI ‐ ‐ POWERSUPPLYFOR1.8VDCDIGITALDOMAIN
12 GND GND ‐ ‐ Ground
13 SDIO_D3 DIO 8mA 1.8VDC SDIOINTERFACE,HOSTPULLUP
14 SDIO_D2 DIO 8mA 1.8VDC SDIOINTERFACE,HOSTPULLUP
15 SDIO_D1 DIO 8mA 1.8VDC SDIOINTERFACE,HOSTPULLUP
16 SDIO_D0 DIO 8mA 1.8VDC SDIOINTERFACE,HOSTPULLUP
17 SDIO_CMD DIO 8mA 1.8VDC HOSTPULLUP
18 SDIO_CLK DI ‐ 1.8VDC HOSTPULLUP
19 SLOW_CLK DI ‐ 1.8VDC SLEEPCLOCK(32kHz)
20 FM_IR
Q
DO 4mA 1.8VDC NOTSUPPORTED,NOCONNECT
21 FM_SDA DO 4mA 1.8VDC NOTSUPPORTED,NOCONNECT
22 FM_SCL DO 4mA 1.8VDC NOTSUPPORTED,NOCONNECT
23 FM_I2S_CLK DO 4mA 1.8VDC NOTSUPPORTED,NOCONNECT
24 FM_I2S_DI DI 4mA 1.8VDC NOTSUPPORTED,CONNECTTOGND
25 FM_I2S_DO DO 4mA 1.8VDC NOTSUPPORTED,NOCONNECT
26 FM_AUD_RIN AI ‐ ‐ NOTSUPPORTED,CONNECTTOGND
27 FM_AUD_LIN AI ‐ ‐ NOTSUPPORTED,CONNECTTOGND
28 FMRFOUT AO ‐ ‐ NOTSUPPORTED,NOCONNECT
29 FMRFIN AI ‐ ‐ NOTSUPPORTED,CONNECTTOGND
30 GND GND ‐ ‐ Ground

TiWi5TRANSCEIVERMODULE
DATASHEET
The information in this document is subject to change without notice.
330‐0042‐R2.3 Copyright©2011‐2016 Page8of46
Module
Pin Name I/O
Type
Buffer
Type
Logic
Level Description
31 FM_AUD_ROUT AO ‐ ‐ NOTSUPPORTED,NOCONNECT
32 FM_AUD_LOUT AO ‐ ‐ NOTSUPPORTED,NOCONNECT
33 AUD_FSYNC DIO 4mA 1.8VDC PCMI/F
34 HCI_RX DI 8mA 1.8VDC BluetoothHCI UARTRX(*)
35 HCI_RTS DO 4mA 1.8VDC BluetoothHCI UARTRTS(*)
36 HCI_TX DIO 8mA 1.8VDC BluetoothHCI UART TX
37 AUD_CLK DO 4mA 1.8VDC PCMI/F (*)
38 AUD_OU
T
DO 4mA 1.8VDC PCMI/F(*)
39 HCI_CTS DI 4mA 1.8VDC BluetoothHCI UARTCTS(*)
40 AUD_IN DI 4mA 1.8VDC PCMI/F (*)
41 BT_FUNC2 DI 4mA 1.8VDC BluetoothWakeup[DI] /DC2DCmode[DO](*)
42 BT_FUNC4 DO 4mA 1.8VDC BT_UARTD(DEBUG)(*)
43 VDD_LDO_CLASS_1P5 NC ‐ ‐ VBATVOLTAGEPRESENT,NOCONNECT
44 GND GND ‐ ‐ Ground
45 GND GND ‐ ‐ Ground
46 GND GND ‐ ‐ Ground
47 GND GND ‐ ‐ Ground
48 AN
T
RF ‐ AntennaterminalforWLANandBluetooth(note[1])
49 GND GND ‐ ‐ Ground
50 GND GND ‐ ‐ Ground
51 GND GND ‐ ‐ Ground
52 GND GND ‐ ‐ Ground
PI=PowerInput PO=PowerOutput DI=DigitalInput(1.8VDCLogicLevel) DO=DigitalOutput(1.8VDCLogicLevel)
AI=AnalogInput AO=AnalogOutput AIO=AnalogInput/Output RF=RFPort GND=Ground
Note[1]:AntennaterminalpresentsDCshortcircuittoground.
(*)indicatesthatpiniscapableofbidirectionaloperation,butisusedasthetypeshown.
Table3TiWi5ModulePinDescriptions
AlldigitalI/Osignalsuse1.8Vlogic.Ifthehostmicrocontrollerdoesnotsupport1.8Vlogic,then
levelshiftersMUSTbeused.

TiWi5TRANSCEIVERMODULE
DATASHEET
The information in this document is subject to change without notice.
330‐0042‐R2.3 Copyright©2011‐2016 Page9of46
INIFILERADIOPARAMETERS
ThereisaninifilethatcontainsWLANradioparameterswhicharecriticaltoboththeRFperformanceandEMC
complianceofthemodule.
TheinifileavailableontheLSRwikiisonlyintendedtobeusedwiththeLSRWLANEvalTool.Notethatthisini
filewillnotworkwhenusingtheTiWi5moduleinnormaloperationwhichtypicallyinvolvesanoperating
system.TousetheTiWi5moduleinnormaloperation,refertospecificscontainedintheTiWiFamilyINIFile
RadioParameterUserGuidewhichisalsoavailablefordownloadontheLSRwebsite.
Thesettingsspecifiedintheappropriateinifilemustbeusedtooperatethemoduleincompliancewiththe
modularcertificationforFCCorETSI.ThereisauniqueinifileforoperatingthemoduleincompliancewithFCC
regulations,andadifferentinifileforoperatingthemoduleincompliancewiththeETSIregulations.

TiWi5TRANSCEIVERMODULE
DATASHEET
The information in this document is subject to change without notice.
330‐0042‐R2.3 Copyright©2011‐2016 Page10of46
ELECTRICALSPECIFICATIONS
ThemajorityofthesecharacteristicsarebasedoncontrollingandconditioningthetestsusingtheTiWi5control
softwareapplication.Othercontrolconditionsmayrequirethesevaluestobere‐characterizedbythecustomer.
AbsoluteMaximumRatings
Parameter Min Max Unit
Powersupplyvoltage(VBAT)
(4)(5)
‐0.5 +5.5 V
Digitalsupplyvoltage(VIO) ‐0.5 2.1 V
VoltageonanyGPIO ‐0.5 VIO +0.5 V
VoltageonanyAnalogPins
(3)
‐0.52.1V
RFinputpower,antennaport +10 dBm
Operatingtemperature
(6)
‐40+85ºC
Storagetemperature ‐55 +125 ºC
1. Stressesbeyondthoselistedunder“absolutemaximumratings”maycausepermanentdamagetothedeviceandarenotcoveredby
thewarranty.Thesearestressratingsonlyandfunctionaloperationofthedeviceattheseoranyotherconditionsbeyondthose
indicatedunder“recommendedoperatingconditions”isnotimplied.Exposuretoabsolute‐maximum‐ratedconditionsforextended
periodsmayaffectdevicereliability.
2. Allparametersaremeasuredasfollowsunlessstatedotherwise:VDD_IN=1.8V,VDDIO_1.8V=1.8V,VDD_LDO_CLASS1P5=3.6V
3. Analogpins:XTALP,XTALM,RFIOBT,DRPWRXBM,DRPWRXBP,DRPWTXB,andalsoFMRFINP,FMRFINM,FMRFINM,FMAUDLIN,
FMAUDRIN,FMAUDLOUT,FMAUDROUT
4. ThefollowingsignalsarefromtheVBATgroup,PMS_VBATandVDD_LDO_CLASS1P5(ifBTclass1.5directVBATisused).
5. Maximumalloweddependsonaccumulatedtimeatthatvoltage;4.8Vfor7yearslifetime,5.5Vfor6hourscumulative.
6. Thedevicecanbereliablyoperatedfor5,000active‐WLANcumulativehoursatT
A
of85
o
C.
Table4AbsoluteMaximumRatings
RecommendedOperatingConditions
Parameter Min Typ Max Unit
V
BAT
3.0 3.6 4.8 V
VIO 1.62 1.8 1.92 V
V
IH
0.65x VIO ‐ VIO V
V
IL
0 ‐ 0.35xVIO V
V
OH
@4,8mA VIO ‐ 0.45 ‐ VIO V
V
OL
@4,8mA 0 ‐ 0.45 V
Ambienttemperaturerange ‐40 25 85 ºC
Table5RecommendedOperatingConditions

TiWi5TRANSCEIVERMODULE
DATASHEET
The information in this document is subject to change without notice.
330‐0042‐R2.3 Copyright©2011‐2016 Page11of46
GeneralCharacteristics
Parameter Min Typ Max Unit
WLANRFfrequencyrange1 2412 2472 MHz
WLANRFfrequencyrange2 4910 5835 MHz
WLANRFdatarate 1 802.11a/b/g/n
ratessupported 65 Mbps
BTRFfrequencyRange 2402 2480 MHz
Table6GeneralCharacteristics
PowerConsumption–WLAN2.4GHz
Parameter TestConditions Min Typ Max Unit
CCK(802.11b)
TXCurrent
2437MHz,V
BAT
=3.6V,T
amb
=+25
°
C
Po=18.3dBm,11MbpsCCK
L=1200bytes,t
delay
(idle)=4S
‐ 247 ‐ mA
OFDM(802.11g)
TXCurrent
2437MHz,V
BAT
=3.6V,T
amb
=+25
°
C
Po=14.4dBm,54MbpsOFDM
L=1200bytes,t
delay
(idle)=4S
‐ 180 ‐ mA
OFDM(802.11n)
TXCurrent
2437MHz,V
BAT
=3.6V,T
amb
=+25
°
C
Po=12.5dBm,65MbpsOFDM
L=1200bytes,t
delay
(idle)=4S
‐ 166 ‐ mA
CCK(802.11b)
RXCurrent ‐93‐mA
OFDM(802.11g)
RXCurrent ‐93‐mA
OFDM(802.11n)
RXCurrent ‐93‐mA
DynamicMode[1] ‐ <1.2 ‐ mA
[1]TotalCurrentfromV
BAT
forreceptionofBeaconswithDTIM=1TBTT=100mS,Beaconduration1.6ms,1Mbpsbeaconreceptionin
ListenMode.
Table72.4GHzWLANPowerConsumption

TiWi5TRANSCEIVERMODULE
DATASHEET
The information in this document is subject to change without notice.
330‐0042‐R2.3 Copyright©2011‐2016 Page12of46
PowerConsumption–WLAN5GHz
Parameter TestConditions Min Typ Max Unit
OFDM9Mbps(802.11a)
TXCurrent
5745MHz,V
BAT
=3.6V,T
amb
=+25
°
C
Po=17.6dBm,9MbpsOFDM
L=1200bytes,t
delay
(idle)=4S
‐ 296 ‐ mA
OFDM54Mbps(802.11a)
TXCurrent
5745MHz,V
BAT
=3.6V,T
amb
=+25
°
C
Po=15.0dBm,54MbpsOFDM
L=1200bytes,t
delay
(idle)=4S
‐ 235 ‐ mA
MCS06.5Mbps(802.11a)
TXCurrent
5745MHz,V
BAT
=3.6V,T
amb
=+25
°
C
Po=18.0dBm,MCS0OFDM
L=1200bytes,t
delay
(idle)=4S
‐ 298 ‐ mA
MCS765Mbps(802.11a)
TXCurrent
5745MHz,V
BAT
=3.6V,T
amb
=+25
°
C
Po=13.2dBm,MCS7OFDM
L=1200bytes,t
delay
(idle)=4S
‐ 219 ‐ mA
54/65Mbps(802.11a/n)RX
Current ‐ 100 ‐ mA
DynamicMode[1] ‐ <1.2 ‐ mA
[1]TotalCurrentfromV
BAT
forreceptionofBeaconswithDTIM=1TBTT=100mS,Beaconduration1.6ms,1Mbpsbeaconreceptionin
ListenMode.
Table85GHzWLANPowerConsumption

TiWi5TRANSCEIVERMODULE
DATASHEET
The information in this document is subject to change without notice.
330‐0042‐R2.3 Copyright©2011‐2016 Page13of46
PowerConsumption‐Bluetooth
Parameter TestConditions Min Typ Max Unit
GFSKTXCurrent ConstantTransmit,1DH5,PRBS9 ‐ 45 ‐ mA
EDRTXCurrent ConstantTransmit,2DH5,3DH5,PRBS9 ‐ 43 ‐ mA
GFSKRXCurrent ConstantReceive,1DH1 ‐ 35 ‐ mA
EDRRXCurrent ConstantReceive, 2DH5,3DH5 ‐ 41 ‐ mA
DeepSleepCurrent DeepSleepMode ‐ 70 ‐ µA
Table9BluetoothPowerConsumption
DCCharacteristics–GeneralPurposeI/O
Parameter TestConditions Min Typ Max Unit
VIOCurrent ‐ 16 mA
Logicinputlow,V
IL
0‐0.35xVIOV
Logicinputhigh,V
IH
0.65x VIO ‐ VIO V
Logicoutputlow,V
OL
(FullDrive)
Iout=8 mA 0 ‐ 0.45 V
Iout=4 mA 0 ‐ 0.45 V
Logicoutputlow,V
OL
(ReducedDrive)
Iout=1 mA 0 ‐ 0.112 V
Iout=0.09 mA 0 ‐ 0.01 V
Logicoutputhigh,V
OH
(FullDrive)
Iout=‐8 mA VIO ‐ 0.45 ‐ VIO V
Iout=‐4 mA VIO ‐ 0.45 ‐ VIO V
Logicoutputhigh,V
OH
(ReducedDrive)
Iout=‐1 mA VIO ‐ 0.112 ‐ VIO V
Iout=‐0.3 mA VIO ‐ 0.033 ‐ VIO V
Table10DCCharacteristicsGeneralPurposeI/O

TiWi5TRANSCEIVERMODULE
DATASHEET
The information in this document is subject to change without notice.
330‐0042‐R2.3 Copyright©2011‐2016 Page14of46
WLANRFCharacteristics
WLANTransmitterCharacteristics2.4GHz
(TA=25°C,VBAT=3.6V)
Parameter TestConditions Typ
EVM Min Typ Max Unit
11MbpsCCK(802.11b)TX
OutputPower
11MbpsCCK,802.11(b)Mask
Compliance,35%EVM
RMSpoweroverTXpacket
1.1 ‐ 18.3 ‐ dBm
9MbpsOFDM(802.11g)TX
OutputPower
9MbpsOFDM,802.11(g)Mask
Compliance,‐8dBEVM
RMSpoweroverTXpacket
‐24 ‐ 18.0 ‐ dBm
54MbpsOFDM(802.11g)TX
OutputPower
54MbpsOFDM,802.11(g)Mask
Compliance,‐25dBEVM
RMSpoweroverTXpacket
‐34 ‐ 14.4 ‐ dBm
6.5MbpsOFDM(802.11n)TX
OutputPower
6.5MbpsOFDM,802.11(n)Mask
Compliance,‐5dBEVM
RMSpoweroverTXpacket
‐24 ‐ 18.2 ‐ dBm
65MbpsOFDM(802.11n)TX
OutputPower
65MbpsOFDM,802.11(n)Mask
Compliance,‐28dBEVM
RMSpoweroverTXpacket
‐35 ‐ 12.5 ‐ dBm
Table11WLAN2.4GHzTransmitterRFCharacteristics
WLANTransmitterCharacteristics5GHz
(TA=25°C,VBAT=3.6V)
Parameter TestConditions Typ
EVM
Start
Freq Min Typ Max End
Freq Unit
9Mbps
TXOutputPower
9MbpsOFDM,802.11(a)Mask
Compliance,‐8dBEVM
RMSpower
overTXpacket
‐31 5170
‐
13.0
‐
5240
dBm‐28 5260 15.6 5700
‐21 5745 17.8 5825
54Mbps
TXOutputPower
54MbpsOFDM,802.11(a)Mask
Compliance,‐25dBEVM
RMS
poweroverTXpacket
‐31 5170
‐
13.0
‐
5240
dBm
‐30 5260 14.6 5700
‐28 5745 15.2 5825
MCS06.5Mbps
TXOutputPower
MCS0OFDM,802.11(a)Mask
Compliance,‐5dBEVM
RMSpower
overTXpacket
‐31 5170
‐
13.1
‐
5240
dBm
‐28 5260 15.7 5700
‐21 5745 18.2 5825
MCS765Mbps
TXOutputPower
MCS7OFDM,802.11(a)Mask
Compliance,‐27dBEVM
RMS
poweroverTXpacket
‐31 5170
‐
12.5
‐
5240
dBm
‐31 5260 12.8 5700
‐29 5745 13.5 5825

TiWi5TRANSCEIVERMODULE
DATASHEET
The information in this document is subject to change without notice.
330‐0042‐R2.3 Copyright©2011‐2016 Page15of46
Table12WLAN5GHzTransmitterRFCharacteristics
WLANReceiverCharacteristics2.4GHz
(TA=25°C,VBAT=3.6V)[1]
Parameter TestConditions Min Typ Max Unit
1MbpsCCK(802.11b)
RXSensitivity 8%PER ‐ ‐97 ‐ dBm
11MbpsCCK(802.11b)
RXSensitivity 8%PER ‐ ‐88 ‐ dBm
9MbpsOFDM(802.11g)
RXSensitivity 10%PER ‐ ‐89 ‐ dBm
54MbpsOFDM(802.11g)RX
Sensitivity 10%PER ‐ ‐74 ‐ dBm
6.5MbpsOFDM(802.11n)RX
Sensitivity 10%PER ‐ ‐89 ‐ dBm
65MbpsOFDM(802.11n)RX
Sensitivity 10%PER ‐ ‐72 ‐ dBm
11MbpsCCK(802.11b)
RXOverloadLevel 8%PER ‐ ‐ ‐10 dBm
9MbpsOFDM(802.11g)
RXOverloadLevel 10%PER ‐ ‐ ‐17 dBm
54MbpsOFDM(802.11g)RX
OverloadLevel 10%PER ‐ ‐ ‐17 dBm
65MbpsOFDM(802.11n)RX
OverloadLevel 10%PER ‐ ‐ ‐17 dBm
[1]Upto2dBdegradationatChannel13for11g/nmodesandupto2dBdegradationatChannel14for11b/g/nmodes.
Table132.4GHzWLANReceiverRFCharacteristics
WLANReceiverCharacteristics5GHz
(TA=25°C,VBAT=3.6V)[1]
Parameter TestConditions Min Typ Max Unit
9Mbps(802.11a)
RXSensitivity 10%PER ‐ ‐87 ‐ dBm
54Mbps(802.11a)
RXSensitivity 10%PER ‐ ‐72 ‐ dBm
MCS06.5Mbps(802.11a)
RXSensitivity 10%PER ‐ ‐88 ‐ dBm

TiWi5TRANSCEIVERMODULE
DATASHEET
The information in this document is subject to change without notice.
330‐0042‐R2.3 Copyright©2011‐2016 Page16of46
MCS765Mbps(802.11a)
RXSensitivity 10%PER ‐ ‐70 ‐ dBm
MaxInputLevel(3)
OFDM(11aor11n) <10%PER ‐ ‐ ‐17 dBm
Table145GHzWLANReceiverRFCharacteristics

TiWi5TRANSCEIVERMODULE
DATASHEET
The information in this document is subject to change without notice.
330‐0042‐R2.3 Copyright©2011‐2016 Page17of46
BluetoothRFCharacteristics
BluetoothTransmitterGFSKandEDRCharacteristics,Class1.5
(TA=25°C,VBAT=3.6V)
Parameter Test
Conditions Min Typ Max BluetoothSpec Unit
GFSKRFOutputPower ‐ 9.5 ‐ ‐ dBm
EDRRFOutputPower ‐ 7.3 ‐ dBm
PowerControlStepSize 2 5 8 2‐8 dB
EDRRelativePower ‐2 1 ‐4/+1 dB
Table15BluetoothTransmitterRFCharacteristics
BluetoothReceiverCharacteristics
(TA=25°C,VBAT=3.6V)
Parameter Test
Conditions Min Typ Max BluetoothSpec Unit
GFSKSensitivity BER=0.1% ‐ ‐91 ‐ ‐70
dBm
EDR2MbpsSensitivity BER=0.01% ‐ ‐90 ‐ ‐70 dBm
EDR3MbpsSensitivity BER=0.01% ‐ ‐83 ‐ ‐70 dBm
GFSKMaximumInputLevel BER=0.1% ‐ ‐ ‐5 ‐20 dBm
EDR2MaximumInputLevel BER=0.1% ‐ ‐ ‐10 ‐ dBm
EDR3MaximumInputLevel BER=0.1% ‐ ‐ ‐10 ‐ dBm
Table16BluetoothReceiverRFCharacteristics

TiWi5TRANSCEIVERMODULE
DATASHEET
The information in this document is subject to change without notice.
330‐0042‐R2.3 Copyright©2011‐2016 Page18of46
BluetoothLowEnergyRFCharacteristics
BluetoothBLETransmitterGMSKandEDRCharacteristics,Class1.5
(TA=25°C,VBAT=3.6V)
Parameter Test
Conditions Min Typ Max BluetoothSpec Unit
GMSKRFOutputPower ‐ 10 ‐ ‐ dBm
PowerControlStepSize 2 5 8 2‐8 dB
(1)BLEspec=10dBmmaxcanbeachievedusingnormalsystemlossesduetofiltersetc,orbyreducingvaluethroughVS
command.
Table17BluetoothLowEnergyTransmitterRFCharacteristics
BluetoothBLEReceiverCharacteristics
(TA=25°C,VBAT=3.6V)
Parameter Test
Conditions Min Typ Max BluetoothSpec Unit
GMSKSensitivity PER=30.8% ‐ ‐90 ‐ ‐70
dBm
GMSKMaximumInputLevel PER=30.8% ‐ ‐5 ‐ ‐20 dBm
Table18BluetoothLowEnergyReceiverRFCharacteristics

TiWi5TRANSCEIVERMODULE
DATASHEET
The information in this document is subject to change without notice.
330‐0042‐R2.3 Copyright©2011‐2016 Page19of46
WLANPOWER‐UPSEQUENCE
Thefollowingsequencedescribesdevicepower‐upfromshutdown.OnlytheWLANCoreisenabled;the
BluetoothandFMcoresaredisabled.
Figure3TiWi5Power‐upSequenceRequirements
1. NosignalsareallowedontheIOpinsifnoIOpowerissupplied,becausetheIOsarenot'failsafe’.Exceptions
areCLK_REQ_OUT,SLOWCLK,XTALP,andAUD_xxx,whicharefailsafeandcantolerateexternalvoltageswith
noVDDSandDC2DC.
2. VBAT,VIO,andSLOWCLKmustbeavailablebeforeWL_EN.
3. T
wakeup
=T1+T2
ThedurationofT1isdefinedasthetimefromWL_EN=highuntilFrefisvalidfortheSoC.T1=~55ms
ThedurationofT2dependson:
–Operatingsystem
–HostenumerationfortheSDIO/WSPI
–PLLconfiguration
–Firmwaredownload
–Releasingthecorefromreset

TiWi5TRANSCEIVERMODULE
DATASHEET
The information in this document is subject to change without notice.
330‐0042‐R2.3 Copyright©2011‐2016 Page20of46
–Firmwareinitialization

TiWi5TRANSCEIVERMODULE
DATASHEET
The information in this document is subject to change without notice.
330‐0042‐R2.3 Copyright©2011‐2016 Page21of46
WLANPOWER‐DOWNSEQUENCE
Notes:
1. TheDC2DC(1.8V)signalcanbemonitoredonBT_FUNC2ModulePin(#41)
2. DC_REQandCLK_REQareinternalsignalsshownforreferenceonly
Figure4TiWi5ModulePower‐downSequenceRequirements
1. DC_REQwillgolowonlyifWLANistheonlycoreworking.Otherwiseifanothercoreisworking(e.gBT)itwill
stayhigh.
2. CLK_REQwillgolowonlyifWLANistheonlycoreworking.Otherwiseifanothercoreisworkingandusingthe
F
REF
(e.gBT)itwillstayhigh.
3. IfWLANistheonlycorethatisoperating,WL_ENmustremainde‐assertedforatleast64secbeforeitisre‐
asserted.

TiWi5TRANSCEIVERMODULE
DATASHEET
The information in this document is subject to change without notice.
330‐0042‐R2.3 Copyright©2011‐2016 Page22of46
BLUETOOTHPOWER‐UPSEQUENCE
Thefollowingsequencedescribesdevicepowerupfromshutdown.OnlytheBluetoothcoreisenabled;theWLAN
coreisdisabled.
Notes:
1. (A)Afterthissequenceiscompleted,thedeviceisinthelowVIO‐leakagestatewhileinshutdown
2. TheDC2DC(1.8V)signalcanbemonitoredonBT_FUNC2ModulePin(#41)
3. DC_REQ,CLK_REQ,andF
REF
areinternalsignalsshownforreferenceonly
Figure5BluetoothPower‐upSequence
Poweruprequirements:
1. NosignalsareallowedontheIOpinsifnoIOpowersupplied,becausetheIOsarenot'failsafe'.Exceptions
areCLK_REQ_OUT,SLOWCLK,XTALP,andAUD_xxx,whicharefailsafeandcantolerateexternalvoltageswith
noVDDSandDC2DC.
2. VDDSandSLOWCLKmustbestablebeforereleasingBT_EN.
3. Fastclockmustbestablemaximum55msafterBT_ENgoesHIGH.

TiWi5TRANSCEIVERMODULE
DATASHEET
The information in this document is subject to change without notice.
330‐0042‐R2.3 Copyright©2011‐2016 Page23of46
BLUETOOTHPOWER‐DOWNSEQUENCE
Notes:
1. TheDC2DC(1.8V)signalcanbemonitoredonBT_FUNC2ModulePin(#41)
2. DC_REQandCLK_REQareinternalsignalsshownforreferenceonly
Figure6BluetoothPower‐downSequence
TheTiWi5moduleindicatescompletionofBluetoothpower‐upsequencebyassertingHCI_RTSlow.Thisoccursup
to100msafterBT_ENgoeshigh.

TiWi5TRANSCEIVERMODULE
DATASHEET
The information in this document is subject to change without notice.
330‐0042‐R2.3 Copyright©2011‐2016 Page24of46
ENABLESCHEME
Themodulehas3enablepins,oneforeachcore:WL_EN,andBT_ENandFM_EN.Presently,thereare2modesofactive
operationnowsupported:WLANandBluetooth.ItisrecommendedthattheFM_ENpinbegroundedtodisabletheFM
section.ItisalsorecommendedthattheFMsectionbedisabledbyBluetoothHCIcommands.
1. EachcoreisoperatedindependentlybyassertingeachENsignaltoLogic'1'.Inthismodeitispossibletocontroleach
coreasynchronouslyandindependently.
2. Bluetoothmodeoperation.WLANwillbeoperatedthroughWL_ENasynchronouslyandindependentlyofBluetooth.
IRQOPERATION
1. ThedefaultstateoftheWLAN_IRQpriortofirmwareinitializationis0.
2. Duringfirmwareinitialization,theWLAN_IRQisconfiguredbytheSDIOmodule;aWLAN_IRQchangesitsstateto
1.
3. AWLANfirmwareinterruptishandledasfollows:
a. TheWLANfirmwarecreatesanInterrupt‐to‐Host,indicatedbya1‐to‐0transitiononthe
WLAN_IRQline(hostmustbeconfiguredasactive‐loworfalling‐edgedetect).
b. Afterthehostisavailable,dependingontheinterruptpriorityandotherhosttasks,itmasksthefirmware
interrupt.TheWLAN_IRQlinereturnsto1(0‐to‐1transitionontheWLAN_IRQline).
c. Thehostreadstheinternalregisterstatustodeterminetheinterruptsources‐theregisterisclearedafter
theread.
d. Thehostprocessesinsequencealltheinterruptsreadfromthisregister
e. Thehostunmasksthefirmwareinterrupts.
4.
ThehostisreadytoreceiveanotherinterruptfromtheWLANdevice.

TiWi5TRANSCEIVERMODULE
DATASHEET
The information in this document is subject to change without notice.
330‐0042‐R2.3 Copyright©2011‐2016 Page25of46
SLOW(32KHZ)CLOCKSOURCEREQUIREMENTS
Theslowclockisalwayssuppliedfromanexternalsource.ItisinputontheSLOW_CLKpin,andcanbeadigitalsignalinthe
rangeofVIOonly.ForslowclockfrequencyandaccuracyrefertoTable19.Theexternalslowclockmustbestablebefore
thesystemexitsfromshutdownmode.
Parameter[1] Condition Symbol Min Typ Max Unit
Inputslowclockfrequency 32768 Hz
Inputslowclockaccuracy WLAN,B
T
+/‐250 ppm
InputtransitiontimeT
r
/T
f
–10%to90% T
r
/T
f
100ns
Frequencyinputdutycycle 30 50 70 %
Inputvoltagelimits Squarewave,
DCcoupled
VIH 0.65xVDDS VDDS V
peak
VIL 0 0.35xVDDS
Inputimpedance 1 MW
Inputcapacitance 5pF
Riseandfalltime 100ns
Phasenoise 1kHz ‐125 dBc/Hz
[1]Slowclockisafailsafeinput
Table19SlowClockSourceRequirements

TiWi5TRANSCEIVERMODULE
DATASHEET
The information in this document is subject to change without notice.
330‐0042‐R2.3 Copyright©2011‐2016 Page26of46
BLUETOOTHHCIUART
Figure7BluetoothUARTTiming
Table20BluetoothUARTTiming

TiWi5TRANSCEIVERMODULE
DATASHEET
The information in this document is subject to change without notice.
330‐0042‐R2.3 Copyright©2011‐2016 Page27of46
Figure8BluetoothUARTDataFrame
Table21BluetoothUARTDataFrame

TiWi5TRANSCEIVERMODULE
DATASHEET
The information in this document is subject to change without notice.
330‐0042‐R2.3 Copyright©2011‐2016 Page28of46
SDIOINTERFACETIMING
Table22SDIOInterfaceRead(seeFigure9)
Figure9SDIOSingleBlockRead
Table23SDIOInterfaceWrite(seeFigure10)
Figure10SDIOSingleBlockWrite

TiWi5TRANSCEIVERMODULE
DATASHEET
The information in this document is subject to change without notice.
330‐0042‐R2.3 Copyright©2011‐2016 Page29of46
SDIOCLOCKTIMING
Table24SDIOTiming
Figure11SDIOTiming

TiWi5TRANSCEIVERMODULE
DATASHEET
The information in this document is subject to change without notice.
330‐0042‐R2.3 Copyright©2011‐2016 Page30of46
SOLDERINGRECOMMENDATIONS
RecommendedReflowProfileforLeadFreeSolder
Note:Thequalityofsolderjointsonthecastellations(‘halfvias’)wheretheycontactthehostboard
shouldmeettheappropriateIPCSpecification.SeeIPC‐A‐610‐DAcceptabilityofElectronicAssemblies,
section8.2.4CastellatedTerminations.”
Figure12ReflowProfile

TiWi5TRANSCEIVERMODULE
DATASHEET
The information in this document is subject to change without notice.
330‐0042‐R2.3 Copyright©2011‐2016 Page31of46
CLEANING
Ingeneral,cleaningthepopulatedmodulesis
stronglydiscouraged.Residualsunderthemodule
cannotbeeasilyremovedwithanycleaning
process.
Cleaningwithwatercanleadtocapillaryeffects
wherewaterisabsorbedintothegapbetween
thehostboardandthemodule.The
combinationofsolderingfluxresidualsand
encapsulatedwatercouldleadtoshortcircuits
betweenneighboringpads.Watercouldalso
damageanystickersorlabels.
Cleaningwithalcoholorasimilarorganic
solventwilllikelyfloodsolderingfluxresiduals
intotheRFshield,whichisnotaccessiblefor
post‐washinginspection.Thesolventcouldalso
damageanystickersorlabels.
Ultrasoniccleaningcoulddamagethemodule
permanently.
OPTICALINSPECTION
AftersolderingtheModuletothehostboard,
consideropticalinspectiontocheckthefollowing:
Properalignmentandcenteringofthemodule
overthepads.
Propersolderjointsonallpads.
Excessivesolderorcontactstoneighboring
pads,orvias.
REWORK
Themodulecanbeunsolderedfromthehostboard
iftheMoistureSensitivityLevel(MSL)requirements
aremetasdescribedinthisdatasheet.
Never attempt a rework on the module
itself,e.g.replacingindividualcomponents.
Suchactionswillterminatewarranty
coverage.
SHIPPING,HANDLING,ANDSTORAGE
Shipping
BulkordersoftheTiWi5modulesaredeliveredin
traysof100orreelsof1,000.
Handling
TheTiWi5modulescontainahighlysensitive
electroniccircuitry.HandlingwithoutproperESD
protectionmaydestroyordamagethemodule
permanently.
MoistureSensitivityLevel(MSL)
PerJ‐STD‐020,devicesratedasMSL4andnot
storedinasealedbagwithdesiccantpackshouldbe
bakedpriortouse.
Afteropeningpackaging,devicesthatwillbe
subjectedtoreflowmustbemountedwithin72
hoursoffactoryconditions(<30°Cand60%RH)or
storedat<10%RH.
Bakedevicesfor48hoursat125°C.
Storage
Pleaseusethisproductwithin6monthsafterreceipt.
Anyproductusedafter6monthsofreceiptneedsto
havesolderabilityconfirmedbeforeuse.
Theproductshallbestoredwithoutopeningthe
packingundertheambienttemperaturefrom5to
35deg.Candhumidityfrom20to70%RH.(Packing
materials,inparticular,maybedeformedatthe
temperaturesabovethisrange.)
Donotstoreinsaltyairorinanenvironmentwitha
highconcentrationofcorrosivegas,suchasCl2,
H2S,NH3,SO2,orNOX.
Donotstoreindirectsunlight.
Theproductshouldnotbesubjecttoexcessive
mechanicalshock.

TiWi5TRANSCEIVERMODULE
DATASHEET
The information in this document is subject to change without notice.
330‐0042‐R2.3 Copyright©2011‐2016 Page32of46
RepeatingReflowSoldering
Onlyasinglereflowsolderingprocessisencouragedforhostboards.

TiWi5TRANSCEIVERMODULE
DATASHEET
The information in this document is subject to change without notice.
330‐0042‐R2.3 Copyright©2011‐2016 Page33of46
AGENCYCERTIFICATIONS
FCCID:TFB‐TIWI501
ICID:5969A‐TIWI501
CE:ComplianttostandardsEN60950‐1,EN300328,EN301489,andEN301893
AGENCYSTATEMENTS
FederalCommunicationCommissionInterferenceStatement
ThisequipmenthasbeentestedandfoundtocomplywiththelimitsforaClassBdigitaldevice,pursuanttoPart
15oftheFCCRules.Theselimitsaredesignedtoprovidereasonableprotectionagainstharmfulinterferenceina
residentialinstallation.Thisequipmentgeneratesusesandcanradiateradiofrequencyenergyand,ifnot
installedandusedinaccordancewiththeinstructions,maycauseharmfulinterferencetoradio
communications.However,thereisnoguaranteethatinterferencewillnotoccurinaparticularinstallation.If
thisequipmentdoescauseharmfulinterferencetoradioortelevisionreception,whichcanbedeterminedby
turningtheequipmentoffandon,theuserisencouragedtotrytocorrecttheinterferencebyoneofthe
followingmeasures:
Reorientorrelocatethereceivingantenna.
Increasetheseparationbetweentheequipmentandreceiver.
Connecttheequipmentintoanoutletonacircuitdifferentfromthattowhichthereceiverisconnected.
Consultthedealeroranexperiencedradio/TVtechnicianforhelp.
ThisdevicecomplieswithPart15oftheFCCRules.Operationissubjecttothefollowingtwoconditions:(1)This
devicemaynotcauseharmfulinterference,and(2)thisdevicemustacceptanyinterferencereceived,including
interferencethatmaycauseundesiredoperation.
FCC15.407(c)states:Thedeviceshallautomaticallydiscontinuetransmissionincaseofeitherabsenceof
informationtotransmitoroperationalfailure.Theseprovisionsarenotintendedtoprecludetransmissionof
controlorsignalinginformationortheuseofrepetitivecodesusedbycertaindigitaltechnologiestocomplete
frameorburstintervals.Applicantsshallincludeintheirapplicationforequipmentauthorizationadescription
ofhowthisrequirementismet.
DescriptiontomeetFCC15.407(c):
Datatransmissionisalwaysinitiatedbysoftware,whichisthenpasseddownthroughtheMAC,throughthe
digitalandanalogbaseband,andfinallytotheRFtransceiver.Severalspecialpackets(ACKs,CTS,PSPoll,etc)are
initiatedbytheMAC.ThesearetheonlywaysthedigitalbasebandportionwillturnontheRFtransmitter,
whichitthenturnsoffattheendofthepacket.Therefore,thetransmitterwillbeononlywhileoneofthe
aforementionedpacketsarebeingtransmitted.

TiWi5TRANSCEIVERMODULE
DATASHEET
The information in this document is subject to change without notice.
330‐0042‐R2.3 Copyright©2011‐2016 Page34of46
FCC CAUTION: Any changes or modifications not expressly approved by the party responsible for
compliancecouldvoidtheuser'sauthoritytooperatethisequipment.
The following device approved under 15.407(b)(4)(ii) may be marketed, sold and imported until March
2, 2020. After this date these devices must comply with the emission limits of 15.407.
Firmware / Software updates are provided by LSR for use with the module in compliance with FCC
regulations. Users may obtain this software from the LSR website after they agree to the software
license agreement.
All users should refer to the “Antenna Design Guide” located on the LSR website for the specific
requirements and design guide for use of the Johanson 2450AD46A5400E chip antenna.

TiWi5TRANSCEIVERMODULE
DATASHEET
The information in this document is subject to change without notice.
330‐0042‐R2.3 Copyright©2011‐2016 Page35of46
IndustryCanadaStatements
Operationissubjecttothefollowingtwoconditions:(1)thisdevicemaynotcauseinterference,and(2)this
devicemustacceptanyinterference,includinginterferencethatmaycauseundesiredoperationofthedevice.
Toreducepotentialradiointerferencetootherusers,theantennatypeanditsgainshouldbesochosenthatthe
equivalentisotropicallyradiatedpower(e.i.r.p.)isnotmorethanthatpermittedforsuccessfulcommunication.
Thisdevicehasbeendesignedtooperatewiththeantenna(s)listedbelow,andhavingamaximumgainof2.0
dBi(LSRDipole),1.0dBi(JohansonChip),and.3dBi(SynapseAntennaConfiguration).Antennasnotincludedin
thislistorhavingagaingreaterthan2.0dBi,1.0dBi,and.3dBiarestrictlyprohibitedforusewiththisdevice.
Therequiredantennaimpedanceis50ohms.
ListofallAntennasAcceptableforusewiththeTransmitter
1)
LSResearch001‐0009dipoleantennaandLSResearch080‐0001U.FLtoReversePolaritySMAcable.
2)
Johanson2450AD46A5400Echipantenna.
3)
SynapseAntennaConfiguation.
UNIIdevicesoperatingwithin5.15‐5.25GHzaretoberestrictedtoindooroperationstoreduceanypotentialfor
harmfulinterferencetoco‐channelMSSoperations.
ICRSS‐210A9.4(4)states:Thedeviceshallautomaticallydiscontinuetransmissionincaseofabsenceof
informationtotransmit,oroperationalfailure.Adescriptionofhowthisisdoneshallaccompanythe
applicationforequipmentcertification.Notethatthisisnotintendedtoprohibittransmissionofcontrolor
signalinginformationortheuseofrepetitivecodeswhererequiredbythetechnology.
DescriptiontomeetICRSS‐210A9.4(4):
Datatransmissionisalwaysinitiatedbysoftware,whichisthenpasseddownthroughtheMAC,throughthe
digitalandanalogbaseband,andfinallytotheRFtransceiver.Severalspecialpackets(ACKs,CTS,PSPoll,etc)are
initiatedbytheMAC.ThesearetheonlywaysthedigitalbasebandportionwillturnontheRFtransmitter,
whichitthenturnsoffattheendofthepacket.Therefore,thetransmitterwillbeononlywhileoneofthe
aforementionedpacketsarebeingtransmitted.

TiWi5TRANSCEIVERMODULE
DATASHEET
The information in this document is subject to change without notice.
330‐0042‐R2.3 Copyright©2011‐2016 Page36of46
L'opérationestsoumiseauxdeuxconditionssuivantes:(1)cetappareilnepeutpasprovoquerd'interférences
et(2)cetappareildoitacceptertouteinterférence,ycomprislesinterférencesquipeuventcauserunmauvais
fonctionnementdel'appareil.
Pourréduirelerisqued'interférenceauxautresutilisateurs,letyped'antenneetsongaindoiventêtrechoisisde
manièrequelapuissanceisotroperayonnéeéquivalente(PIRE)nedépassepascellepermisepourune
communicationréussie.
Cetappareilaétéconçupourfonctionneravecl'antenne(s)ci‐dessous,etayantungainmaximumde2.0dBi
(LSRDipole),1,0dBi(JohansonChip),et0,3dBi(ConfigurationAntenneSynapse).Antennespasinclusdans
cettelisteouprésentantungainsupérieurà2.0dBi,1,0dBiet0,3dBisontstrictementinterditspourune
utilisationaveccetappareil.L'impédanced'antennerequiseestde50ohms.
Listedetouteslesantennesacceptablespouruneutilizationavecl'émetteur
1)
LSResearch001‐0009antennedipôleetLSResearch080‐0001U.FLàReverseSMAàpolaritéducâble.
2)
AntenneJohansonpuce2450AD46A5400E.
3)
SynapseAntenneConfiguration.
DispositifsUNIIopérantdans5.15‐5.25GHzdoiventêtrelimitéesàdesopérationsàl'intérieurafinderéduiretoutrisque
d'interférencesnuisiblesàlaco‐canalexploitationduMSS.
ICRSS‐210A9.4(4):ledispositifdoitautomatiquementcesserd'émettreencasd'absenced'informationsà
transmettre,oul'échecopérationnel.Unedescriptiondelafaçondontcelaestfaitdoitaccompagnerla
demanded'homologationdumatériel.Notezquecen'estpaspourobjetd'interdirelatransmissiondecontrôle
oudesignalisationd'informationsoul'utilisationdecodesrépétitifsrequisparlatechnologie.
DescriptionderencontrerICRSS‐210A9.4(4):
Latransmissiondedonnéesesttoujoursinitiéeparlelogiciel,quiestensuitetransmisàtraverslaMAC,à
traverslabandedebasenumériqueetanalogiqueet,enfin,àl'émetteur‐récepteurRF.Plusieurspaquets
spéciaux(ACK,CTS,PSPoll,etc)sontinitiéesparleMAC.Cesontlesseulsmoyensdelapartiebandedebase
numériquesemetenmarchel'émetteurRF,cequiluipuiss'éteintàlafindupaquet.Parconséquent,
l'émetteurserasurquelorsquel'undespaquetsci‐dessussonttransmises.

TiWi5TRANSCEIVERMODULE
DATASHEET
The information in this document is subject to change without notice.
330‐0042‐R2.3 Copyright©2011‐2016 Page37of46
OEMRESPONSIBILITIESTOCOMPLYWITHFCCANDINDUSTRYCANADAREGULATIONS
TheTiWi5ModulehasbeencertifiedforintegrationintoproductsonlybyOEMintegratorsunderthefollowing
conditions:
ThisdeviceisgrantedforuseinMobileonlyconfigurationsinwhichtheantennasusedforthistransmittermust
beinstalledtoprovideaseparationdistanceofatleast20cmfromallpersonandnotbeco‐locatedwithany
othertransmittersexceptinaccordancewithFCCandIndustryCanadamulti‐transmitterproductprocedures.
Aslongasthetwoconditionsabovearemet,furthertransmittertestingwillnotberequired.
However,theOEMintegratorisstillresponsiblefortestingtheirend‐productforanyadditional
compliancerequirementsrequiredwiththismoduleinstalled(forexample,digitaldevice
emissions,PCperipheralrequirements,etc.).
IMPORTANTNOTE:Intheeventthattheseconditionscannotbemet(forcertainconfigurationsorco‐
location with another transmitter), then the FCC and Industry Canada authorizations are no longer
consideredvalidandtheFCCIDandICCertificationNumbercannotbeusedonthefinalproduct.In
thesecircumstances,theOEMintegratorwillberesponsiblefor re‐evaluating the end product
(includingthetransmitter)andobtainingaseparateFCCandIndustryCanadaauthorization.
LemoduledeTiWi5aétécertifiépourl'intégrationdansdesproduitsuniquementpardes
intégrateursOEMdanslesconditionssuivantes:
Cedispositifestaccordépouruneutilisationdansdesconfigurationsmobilesseuldanslequelles
antennesutiliséespourcetémetteurdoitêtreinstallépourfournirunedistancedeséparationd'au
moins20cmdetoutepersonneetnepasêtrecolocalisésaveclesautresémetteurs,saufenconformitéavecla
FCCetdel'IndustrieCanada,multi‐émetteurprocéduresproduit.
Tantquelesdeuxconditionsprécitéessontréunies,lestestsdetransmetteurssupplémentairesneserontpas
tenus.Toutefois,l'intégrateurOEMesttoujoursresponsabledetesterleurproduitfinalpourtoutesles
exigencesdeconformitésupplémentairesrequisaveccemoduleinstallé(parexemple,lesémissionsappareil
numérique,lesexigencesdepériphériquesPC,etc.)
NOTEIMPORTANTE:Danslecasoùces conditions ne peuvent être satisfaites (pour certaines
configurationsoudeco‐implantation avecunautreémetteur),puislaFCCetIndustrieautorisations
Canadanesontplusconsidéréscommevalidesetl'IDdelaFCCetICnumérodecertificationnepeut
pasêtreutilisésurlaproduitfinal.Danscescirconstances,l'intégrateurOEMserachargéderéévaluer
le produit final (y compris l'émetteur) et l'obtention d'un distincte de la FCC et Industrie Canada
l'autorisation.
OEMLABELINGREQUIREMENTSFOREND‐PRODUCT
TheTiWi5moduleislabeledwithitsownFCCIDandICCertificationNumber.TheFCCIDandICcertification
numbersarenotvisiblewhenthemoduleisinstalledinsideanotherdevice,assuchtheenddeviceintowhich

TiWi5TRANSCEIVERMODULE
DATASHEET
The information in this document is subject to change without notice.
330‐0042‐R2.3 Copyright©2011‐2016 Page38of46
themoduleisinstalledmustdisplayalabelreferringtotheenclosedmodule.Thefinalendproductmustbe
labeledinavisibleareawiththefollowing:
“ContainsTransmitterModuleFCCID:TFB‐TIWI501”
“ContainsTransmitterModuleIC:5969A‐TIWI501”
or
“ContainsFCCID:TFB‐TIWI501”
“ContainsIC:5969A‐TIWI501”
TheOEMoftheTiWi5Modulemustonlyusetheapprovedantenna(s)listedabove,whichhavebeencertified
withthismodule.
LemoduledeTiWi5estétiquetéavecsonpropreIDdelaFCCetICnumérodecertification.L'IDdelaFCC
etICnumérosdecertificationnesontpasvisibleslorsquelemoduleestinstalléàl'intérieurd'unautreappareil,
commeparexempleleterminaldanslequellemoduleestinstallédoitafficheruneetiquettefaisantréférence
aumoduleci‐joint.Leproduitfinaldoitêtreétiquetédansunendroitvisibleparlesuivant:
“ContientModuleémetteurFCCID:TFB‐TIWI501"
“ContientModuleémetteurIC:5969A‐TIWI501"
ou
“ContientFCCID:TFB‐TIWI501"
“ContientIC:5969A‐TIWI501"
LesOEMdumoduleTiWi5nedoitutiliserl'antenneapprouvée(s)ci‐dessus,quiontétécertifiésavecce
module.

TiWi5TRANSCEIVERMODULE
DATASHEET
The information in this document is subject to change without notice.
330‐0042‐R2.3 Copyright©2011‐2016 Page39of46
OEMENDPRODUCTUSERMANUALSTATEMENTS
TheOEMintegratorshouldnottoprovideinformationtotheenduserregardinghowtoinstallorremovethisRF
moduleorchangeRFrelatedparametersintheusermanualoftheendproduct.
Theusermanualfortheendproductmustincludethefollowinginformationinaprominentlocation:
ThisdeviceisgrantedforuseinMobileonlyconfigurationsinwhichtheantennasusedforthistransmittermust
beinstalledtoprovideaseparationdistanceofatleast20cmfromallpersonandnotbeco‐locatedwithany
othertransmittersexceptinaccordancewithFCCandIndustryCanadamulti‐transmitterproductprocedures.
Otherusermanualstatementsmayapply.
L'intégrateurOEMnedevraientpasfournirdesinformationsàl'utilisateurfinalsurlafaçond'installeroude
supprimercemoduleRFoumodifierlesparamètresliésRFdanslemanuelutilisateurduproduitfinal.
Lemanueld'utilisationpourleproduitfinaldoitcomporterlesinformationssuivantesdansunendroitbienen
vue:
Cedispositifestaccordépouruneutilisationdansdesconfigurationsmobilesseuledanslaquelleles
antennesutiliséespourcetémetteurdoitêtreinstallépourfournirunedistancedeséparationd'au
moins20cmdetoutepersonneetnepasêtreco‐localisésaveclesautresémetteurs,saufenconformité
avecFCCetIndustrieCanada,multi‐émetteurprocéduresproduit.
Autresdéclarationsmanueldel'utilisateurpeuvents'appliquer.

TiWi5TRANSCEIVERMODULE
DATASHEET
The information in this document is subject to change without notice.
330‐0042‐R2.3 Copyright©2011‐2016 Page40of46
EUROPE
CENotice
ThisdevicehasbeentestedandcertifiedforuseintheEuropeanUnion.SeetheDeclarationofConformity
(DOC)forspecifics.
Ifthisdeviceisusedinaproduct,theOEMhasresponsibilitytoverifycomplianceofthefinalproducttotheEU
standards.ADeclarationofConformitymustbeissuedandkeptonfileasdescribedintheRadioand
TelecommunicationsTerminalEquipment(R&TTE)Directive.
The‘CE’markmustbeplacedontheOEMproductperthelabelingrequirementsoftheDirective.
DeclarationofConformity(DOC)
ThisDOCcanbedownloadedfromtheLSRWiki.

TiWi5TRANSCEIVERMODULE
DATASHEET
The information in this document is subject to change without notice.
330‐0042‐R2.3 Copyright©2011‐2016 Page41of46
MECHANICALDATA
Figure13ModuleMechanicalDimensions(MaximumModuleHeight=1.9mm)

TiWi5TRANSCEIVERMODULE
DATASHEET
The information in this document is subject to change without notice.
330‐0042‐R2.3 Copyright©2011‐2016 Page42of46
PCBFOOTPRINT
Figure14TiWi5RecommendedPCBFootprint(TopView)

TiWi5TRANSCEIVERMODULE
DATASHEET
The information in this document is subject to change without notice.
330‐0042‐R2.3 Copyright©2011‐2016 Page43of46
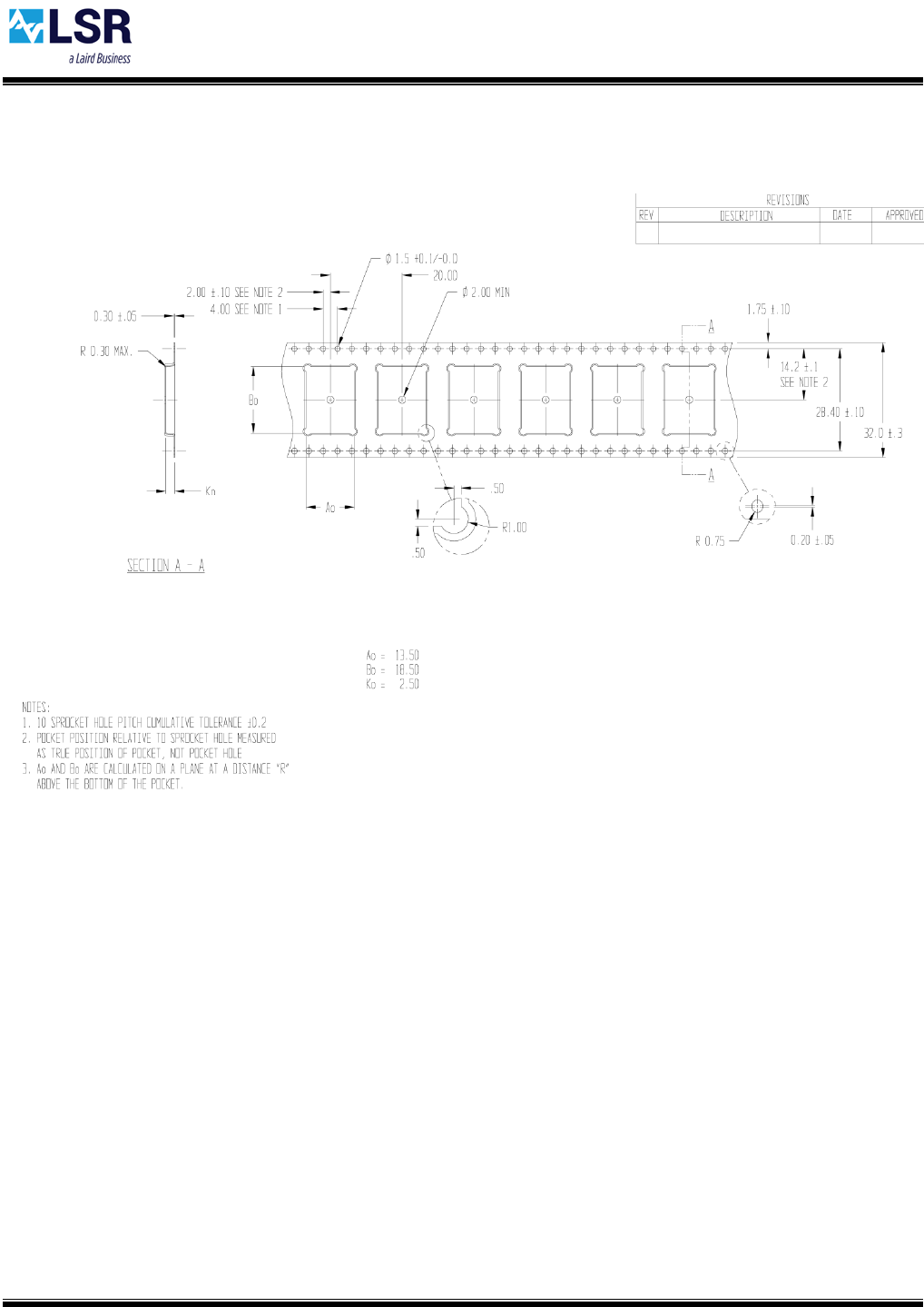
TAPEANDREELSPECIFICATION
Figure15TiWi5TapeandReelSpecification

TiWi5TRANSCEIVERMODULE
DATASHEET
The information in this document is subject to change without notice.
330‐0042‐R2.3 Copyright©2011‐2016 Page44of46
DEVICEMARKINGS
Rev1Devices
WL1273L:WL1273LYFVRPG3.32
FrontEnd:TQP6M9002
Pre‐productiondevices.
2D
Bar
C ode
Where 1 = Revision
XXXXXX = incremental serial number
2D Barcode Format is Data Matrix Standard
LS RESEARCH
T iWi5 450 -0053
1-XXXXXX
Rev2Devices
WL1273L:WL1273LYFVRPG3.32
FrontEnd:TQP6M9002
LSRlogochangedfromredtoblack.
AddedFCCandICnumberstothelabel.
Revisionnumberisnolongerpartoftheserialnumber.
Minorlabelformatchanges.

TiWi5TRANSCEIVERMODULE
DATASHEET
The information in this document is subject to change without notice.
330‐0042‐R2.3 Copyright©2011‐2016 Page45of46
Rev3Devices
WL1273L:WL1273LYFVRPG3.32
FrontEnd:TQP6M9002
IncorporatedPCBDFMimprovements.

TiWi5TRANSCEIVERMODULE
DATASHEET
The information in this document is subject to change without notice.
330‐0042‐R2.3 Copyright©2011‐2016 Page46of46
CONTACTINGLSRESEARCH
Headquarters LSResearch,LLC
W66N220CommerceCourt
Cedarburg,WI53012‐2636
USA
Tel:(262)375‐4400
Fax:(262)375‐4248
Websitewww.lsr.com
Wikihttp://www.lsr.com/products‐wiki
TechnicalSupporthttp://www.lsr.com/products‐forum
SalesContactsales@lsr.com
©Copyright2016Laird.AllRightsReserved.Patentpending.AnyinformationfurnishedbyLairdanditsagentsisbelieved
tobeaccurateandreliable.Allspecificationsaresubjecttochangewithoutnotice.Responsibilityfortheuseand
applicationofLairdmaterialsorproductsrestswiththeendusersinceLairdanditsagentscannotbeawareofallpotential
uses.Lairdmakesnowarrantiesastonon‐infringementnorastothefitness,merchantability,orsustainabilityofanyLaird
materialsorproductsforanyspecificorgeneraluses.Laird,LairdTechnologies,Inc.,oranyofitsaffiliatesoragentsshall
notbeliableforincidentalorconsequentialdamagesofanykind.AllLairdproductsaresoldpursuanttotheLairdTerms
andConditionsofSaleineffectfromtimetotime,acopyofwhichwillbefurnisheduponrequest.Whenusedasa
tradenameherein,LairdmeansLairdPLCoroneormoresubsidiariesofLairdPLC.Laird™,LairdTechnologies™,
correspondinglogos,andothermarksaretrademarksorregisteredtrademarksofLaird.Othermarksmaybetheproperty
ofthirdparties.NothinghereinprovidesalicenseunderanyLairdoranythirdpartyintellectualpropertyright.