FUJIFILM Business Innovation HFD2 Transmitter module for use with a host device. User Manual Users manual
Fuji Xerox Co Ltd Transmitter module for use with a host device. Users manual
Users manual

FUJI XEROX
HFD2
User’s Manual
This manual explains the installation process and function and performance of Radio
Frequency Identification system (HFD2).
This product does not permit a repair and an exchange by the end user. Please contact
our service office or a FX product handling Service Company when the exchange of the
device is necessary due to the trouble and so on.
Also, please read this manual to the end surely, and use a product properly before you
install HFD2 in your machine.
Introduction
This product uses the radio wave of 13.56MHz (Inductive Loop System).
Therefore, this product takes a regulation and /or law such as output of the RF power by
each country and /or self-governing body.
Some cases, the final product (e.g. printer) adapts to the law of each country, and type
approval may be required.
The following shall be kept to use a product for the safety.
A cable and TAG shall use designation accessories.
A cable and TAG shall use designation accessories.
When a power supply cable is changed, the following condition will be kept:
- Keep the range of rated current.
- Set the length of the cable at less than 2.5m.
Do not remodel and/or dismantle this product.
Don’t remodel this product because a Fire, Electric shock and Machine trouble may be
caused. Because this product uses a radio wave, law of the country may punish for
remodeling of the product.

Shut off the power immediately when you notice smoke or unusual smell.
Shut off the power (take off the power cable) immediately when you notice smoke or
unusual smell, because it short-circuits, and a fire and an electric shock may be
caused.
Don’t put wiring and/or other articles on this product.
This product builds in the antenna that radiates the radio wave. Performance may not
be able to be maintained when the wire etc. is installed on the product and so on.
Don’t install this product in the place to have the possibility for a liquid and other
material fall.
You may be struck by electricity or product may short-circuit.
This product should be protected from any electrostatic discharge.
This product may be damaged by the static electricity that accumulated in the human
body and so on. Connect a human body to the ground at the time of the maintenance or
discharge before the work.
Product use environment is keeping the following.
Operating temperature: +5 °C to +55°C
Storage temperature: -30°C to 75 °C
Humidity: 5% to 85% non-condensing
Voltage Tolerance: DC +5V +/-10%
How to scrap this product
Make contact with Fuji Xerox or our company agency when you scrap this product. Or,
follow ordinances such as each country and a local government. Please ask each county
and a self-governing body about the information of the regulations.

Notice about the law and the standard
CE 0682
This product applies the European NB certificate where it followed the 99/5/ EEC.
An applicable standard is as follows;
EN 300 330 V1.3.2
EN 301 489 -1 and EN 301 489 -3
FCC ID: E46HFD2, IC:xxxx-xxxx
This device complies with Part 15 of the FCC Rules. Operation is subject to the
following two conditions: (1) this device may not cause harmful interference, and (2) this
device must accept any interference received, including interference that may cause
undesired operation.
This product acquires the certification or approval of the wireless module. However, a
product (e.g. printer) that contains this module must apply the various standards
required to the product.

Outline of the product
Summary
HFD2 Unit System is RFID (Radio Frequency Identification) device for an Inductive
loop coupling. This system has two modules of the Reader/Writer (HFD2-C) and Tag
(HFD1-T).
- HFD2 generates a 13.56MHz signal on internal looped antenna.
- Transmitted data are modulated using Amplitude Shift Keying (ASK) modulation.
- Received data are demodulated from the Tag load variation signal, generated on the
antenna.
- Tag is battery less memory with a looped antenna.
- Communication distance between HFD2-C and HFD1-T is 3mm to 10mm.
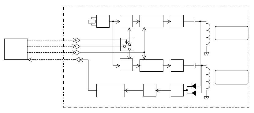
Block diagram of the product
OSC
A
S
K
Modulation BPF
A
mp
A
ntenna
□12x27mm
A
SK
Demodulatio
Data
Control
A
SIC
13.56MHz 2SC1621
BPF
Buffer
MUTE
TXDATA
CRRD
A
S
K
Modulation BPF
A
ntenna
□12x27mm
2SC1621
SEL
TX
Cont.
TX
Cont.
TX Enable
TX Data
RX Data
Select
System Requirement
The following condition shall be kept, that use HFD2 unit system.
- HFD2 must be used with the HFD1-T.
- HFD2 must be internally installed in machine. (e.g. Printer, Copy machine etc.)
- I/F Cable length (including DC power cable) must be 2.5m or less.
- Supply DC Voltage must be 5V+/- 10%.
- The certification label and/or the notice of the manual may be necessary for the final
product enclosure, which contains this unit.
Specifications
The specifications of the product are as the following;
- Carrier Frequency: 13.56MHz +/- 100ppm
- Modulation: 106Kbps ASK
- Communication distance: 3mm to 10mm
(It means the distance of the Reader Writer Module ANT and Tag Module ANT.)
- Supply Voltage: DC 5V +/- 10%
- Rated current: 100mA
- Signal Level: TTL (3.3V)
- Operating temperature: +5 °C to +55°C
- Maximum RF power: 7mW (Fixed for maximum power)

Layout of the module
Installation example
The example used for the toner cartridge sensor of the printer is shown in the following.
HFD2-C is not visible from the outside after attachment. Because, HFD2-C is covered with a
plastic cover.
Instillation of module to the copy machine
A
S
K
modulation
(For left side antenna)
Oscillation circuit
(Common)
ASK demodulation
(Common)
A
ntenna selection
The arrangement
target mark of TAG
A
S
K
modulation
(For right side antenna)
The arrangement
target mark of TAG
Loop Antenna
(Left)
HFD2-C
Loop Antenna
(Right)
PWBA CPL2
FX HFD2-C
CE0462 !
FCCID=E046HFD2
160M95840 K 0.1
Toner
cartridge
HFD2-C

Installation of TAG to the toner cartridge
The explanation of the test mode
Following the explanation about the continuous radiation and stand-by mode used for
the test.
Continuous Radiation Mode (Maximum radiation power)
Only a left side antenna operates.
Only a right side antenna operates (Max. Power)
HFD1-T
+5.0V
GND VCC
GND
TXDATA
MUTE
CRR
SEL
+5.0V
GND VCC
GND
TXDATA
MUTE
CRR
SEL
123456
PIN No.
123456
PIN No.

Standby Mode
Left and Right sides are useless.
Continuous Radiation Mode (Minimum radiation power)
Only a left side antenna operates
Only a right side antenna operates
+5.0V
GND VCC
GND
TXDATA
MUTE
CRR
SEL
+5.0V
GND VCC
GND
TXDATA
MUTE
CRR
SEL
123456
PIN No.
123456
PIN No.
+5.0V
GND VCC
GND
TXDATA
MUTE
CRR
SEL
123456
PIN No.
+5.0V
GND VCC
GND
TXDATA
MUTE
CRR
SEL
123456
PIN No.
Fuji Xerox Co.,LTD
2274 Hongo, Ebina-shi, Kanagawa-ken 243-0494
TEL: +81-46-238-3111]
URL: http://www.fujixerox.co.jp/