Fairchild Cam Ccd 2Kcl Tdi Users Manual Table 2.2 1
CAM/CCD-2KCL.TDI 2Kand4KCLTDICameraManualRevC_002
CAM/CCD-4KCL.TDI 2Kand4KCLTDICameraManualRevC_004
CAMCCD-2KCL.TDI to the manual f94d5193-cec3-4e25-9058-d801487d3928
2015-02-09
: Fairchild Fairchild-Cam-Ccd-2Kcl-Tdi-Users-Manual-550589 fairchild-cam-ccd-2kcl-tdi-users-manual-550589 fairchild pdf
Open the PDF directly: View PDF
.
Page Count: 30

OSPREY CAMERA SERIES
CAM/CCD-2KCL.TDI
CAM/CCD-4KCL.TDI
ULTRA-HIGH PERFORMANCE
With CameraLinkTM
Fairchild Imaging • CAM/CCD 2KCL.TDI & CAM/CCD-4KCL.TDI Line Scan Camera User’s Manual • Rev C• 1 of 30
EMC Conformance
This equipment has been tested and found to comply with the limits for a Class A
digital device, pursuant to Part 15 of the FCC Rules.
This product fulfills the following requirements of the standards and carries the CE
marking.
EMC: FCC Part 15, Subpart B
EN 6100-6-4:2001
EN 6100-6-2:2001
EN6100-3-2:2000
EN 6100-3-3:1995/A1:2001
Fairchild Imaging • CAM/CCD 2KCL.TDI & CAM/CCD-4KCL.TDI Line Scan Camera User’s Manual • Rev C• 2 of 30

FAIRCHILD IMAGING
OSPREY CAMERA SERIES
USER’S MANUAL
CAM/CCD-2KCL.TDI & CAM/CCD-4KCL.TDI
Revision B
December 14, 2004
© 2004 Fairchild Imaging, Inc..
PRELIMINARY DOCUMENT
The information in this manual is preliminary.
All information provided in this manual is believed to be correct at the
time of writing. No responsibility is assumed by Fairchild Imaging for
its use. Fairchild Imaging intends to make this manual as accurate as
possible and reserves the right to make changes to this information
without notice.
Fairchild Imaging, Inc.
1801 McCarthy Boulevard
Milpitas, CA 95035
phone 800-325-6975
fax 408-435-7352
www.fairchildimaging.com
Fairchild Imaging • CAM/CCD 2KCL.TDI & CAM/CCD-4KCL.TDI Line Scan Camera User’s Manual • Rev C• 3 of 30
Table of Contents
SECTION I
Introduction to the CAM/CCD-2KCL.TDI & CAM/CCD-4KCL-TDI
High Performance TDI Line Scan Camera..................................................................... 6
1.1 Camera Highlights...................................................................................................... 6
1.2 Camera Specification ................................................................................................. 8
1.3 Image Sensor............................................................................................................. 9
1.4 Block Diagram CCD525 ............................................................................................. 9
1.5 Block Diagram CCD545 ............................................................................................. 10
1.6 2K/4K TDI Camera Timing Diagram........................................................................... 11
1.7 Thermal Considerations ............................................................................................. 12
SECTION 2
Camera Hardware Interface............................................................................................ 13
2.1 Installation Overview .................................................................................................. 13
2.2 Connectors, Pinouts and Cables................................................................................ 14
2.3 Power Supply ............................................................................................................. 15
SECTION 3
Camera Control ............................................................................................................... 16
3.1 Quick Start with the CameraLink Interface ................................................................. 16
3.2 Camera Control Signals using Camera Link Interface................................................ 16
3.3 Serial Communication ................................................................................................ 16
3.4 Commands................................................................................................................. 16
3.5 Camera Command Summary..................................................................................... 20
3.6 Framing Mode ............................................................................................................ 21
SECTION 4
Mechanical and Optical Considerations ....................................................................... 22
4.1 Camera Dimensions and Mounting Facilities ............................................................. 23
4.2 Lensing....................................................................................................................... 23
4.3 Mechanical Drawing of Available Camera Face Mounting “L” Bracket ...................... 24
4.4 Lenses........................................................................................................................ 25
4.5 Illumination ................................................................................................................. 25
4.6 Light Sources ............................................................................................................. 25
SECTION 5
Handling Instructions
5.1 Electrostatic Discharge............................................................................................... 26
5.2 Preventing ESD Damage ........................................................................................... 26
5.3 Protecting Against Dust, Oil and Scratches................................................................ 26
5.4 Cleaning the Sensor Window ..................................................................................... 26
Fairchild Imaging • CAM/CCD 2KCL.TDI & CAM/CCD-4KCL.TDI Line Scan Camera User’s Manual • Rev C• 4 of 30
SECTION 6
Troubleshooting.............................................................................................................. 27
6.1 Check Simple Things First ......................................................................................... 27
6.2 General Solutions....................................................................................................... 27
SECTION 7
Product Support.............................................................................................................. 30
Fairchild Imaging • CAM/CCD 2KCL.TDI & CAM/CCD-4KCL.TDI Line Scan Camera User’s Manual • Rev C• 5 of 30

SECTION 1
Introduction to the
CAM/CCD-2KCL.TDI & CAM/CCD-4KCL.TDI
High Performance TDI Line Scan Camera
1.1 Camera Highlights
Description
The Osprey TDI camera series is an ultra-sensitive camera design for use in line
scan applications that demand high performance under low light conditions. This
series of cameras is based upon Fairchild’s CCD525 array, which is used in the
very successful U.S. Postal Service Wide Field of View (WFOV) Camera. The 2K
camera versions have 2048 pixels in the cross-scan direction, with selectable TDI
stages up to 96 rows. The 4K varieties have 4096 pixels in the cross-scan
direction, also with selectable TDI stages up to 96 rows. The 2K Osprey supports
scan rates up to 46K lines per second while the 4K yields up to 23K lines per
second. Both the 2K and 4K styles have a CameraLinkTM output. The
CameraLinkTM output supports 4-port, 8-bit synchronous data. These cameras also
include sophisticated features such as anti-blooming, programmable gain and
offset. They are packaged in a very compact and rugged housing that contains a
standard M58 x 0.75 base lens thread. Optional (Nikon-F) lens adapter is available.
2K x 96 TDI Sensor Architecture
• Uses time delay and integration sensor architecture
• User selectable TDI lengths of 96, 64, 48, 32, 24
• Line rate up to 46K lines per sec
• 1000X antiblooming
4K x 96 TDI Sensor Architecture
• Uses time delay and integration sensor architecture
• User selectable TDI lengths of 96, 64, 32, 16, 4
• 25MHz pixel clock
• Non volatile gain/offset value memory
• 1 LSB Noise RMS
Fairchild Imaging • CAM/CCD 2KCL.TDI & CAM/CCD-4KCL.TDI Line Scan Camera User’s Manual • Rev C• 6 of 30
Programmability
• Simple menu-based configuration for selection of gain, calibration, test
patterns operational control, and diagnostics
• CameraLinkTM camera-PC communications
Usability
• Programmable gain, offsets, and controls
• Internal flat field correction
• Easy integration “plug compatabile” CameraLinkTM hookup
• Exposure control
Full Spectrum of Applications
• Precision manufacturing inspection
• Web inspection
• Sorting and routing
• Biomedical readout systems
• Diagnostic systems
Fairchild Imaging • CAM/CCD 2KCL.TDI & CAM/CCD-4KCL.TDI Line Scan Camera User’s Manual • Rev C• 7 of 30

1.2 Camera Specification: CAM/CCD-2KCL.TDI & CAM/CCD-4KCL.TDI
Performance Specification
2048 4096
Calibration Conditions Units Min. Typ. Max. Min Typ. Max. Notes
Data Rate (Strobe) MHz 25 25 25 25
Line Rate (LVAL) KHz 0.3 46.0 0.3 23 8
Functions Units Min Typ Max Min Typ Max Notes
Saturation Output Amplitude DN 250 255 250 255
Output Gain Mismatch DN 2 5 2 5
Pixel Response Non-Uniformity Global DN 5 12 5 12
(PRNU) Tap DN 4 10 4 10 1, 3,4
Pixel-Pixel DN 4 10 4 10 7
Fixed Pattern Noise (FPN) Global DN 3 3 3,4
Tap DN 2 2 1, 3
Pixel-Pixel DN 2 2 3, 4
DC Offset DN 4 4 2
DC Offset Mismatch DN 2 2
Random Noise DN 2 4 2 4
Noise Equivalent Exposure pJ/cm2 1.2 3 1.2 3
Saturation Equivalent Exposure nJ/cm2 .8 1.0 .8 1.0
Responsivity DN/(nJ
/cm2)
250 250
Dynamic Range Ratio 600:1 600:1
Power Supply Current @ 12VDC mA 400 420 6,9
Power Supply Voltage Volts 10.5 12 15.0 10.5 12 15.0
Operating Temperature °C 40 40
First Pixel Mismatch DN 5
Notes:
DN = Digital Numbers, also known as “levels” (0 – 255 for 8-bit systems).
All measurements taken with camera operating in 96 stage mode.
All measurements exclude the last pixel of OS 1 and the first pixel of OS4
1. Measured across 1 tap (512 pixels) or (1024 pixels)
2. Typical offset @ 20°C ambient
3. Excludes last pixel of OS1 and first pixel
4. Measured across all taps.
5. Measured on each tap relative to next ten pixels. Measured at Vsat.
6. Measured with digital outputs, terminated.
7. A delta window of 8 pixels is examined and shifted by half its window. First and last pixel
excluded from each tap.
8. Camera will operate below min. line rate with degraded performance.
Fairchild Imaging • CAM/CCD 2KCL.TDI & CAM/CCD-4KCL.TDI Line Scan Camera User’s Manual • Rev C• 8 of 30

1.3 Image Sensor
The family of Osprey cameras use the following Fairchild sensors. The 2K x 96 TDI
camera uses the CCD525 sensor and the 4K x 96 TDI camera uses the CCD545
sensor. Both sensors have 13µm square pixels on a 13µm pitch with 100% fill
factor.
Both the CCD525 and CCD545 sensors have been designed with improved blue
response. Both sensors are much more sensitive than single line CCDs used in line
scan cameras.
1.4 Block Diagram CCD525
2048 x 96 stages
Fairchild Imaging • CAM/CCD 2KCL.TDI & CAM/CCD-4KCL.TDI Line Scan Camera User’s Manual • Rev C• 9 of 30

1.5 Block Diagram CCD545
4096 x 96 stages
Fairchild Imaging • CAM/CCD 2KCL.TDI & CAM/CCD-4KCL.TDI Line Scan Camera User’s Manual • Rev C• 10 of 30

1.6 2K/4K TDI Camera Timing Diagram
4K TDI CameraLinkTM
Strobe Period :40 nS
LVAL Set –Up Time :20 nS
Line Period :40.96 µS
Blanking :1.8 µS
ExSync min Set – Up :650 nS
ExSync min pulse Width :1.8 µS
2K TDI CameraLinkTM
Strobe Period :40 nS
LVAL Set –Up Time :20 nS
Line Period :20.48 µS
Blanking :1.8 µS
ExSync min Set – Up :650 nS
ExSync min pulse Width :1.8 µS
Fairchild Imaging • CAM/CCD 2KCL.TDI & CAM/CCD-4KCL.TDI Line Scan Camera User’s Manual • Rev C• 11 of 30

1.7 Thermal Considerations
The Osprey camera series has been carefully designed to separate the camera
electronics from the image sensor.
Fairchild Imaging advises that if you are going to do any gain or offset
corrections that you perform these functions after the camera has been turned on
for at least 15 minutes. To do offset correction, cover the lens with your lens cap
and to perform a gain calibration, make sure that you have a good light source.
Try to avoid excess temperatures in the ambient around the camera.
Fairchild Imaging • CAM/CCD 2KCL.TDI & CAM/CCD-4KCL.TDI Line Scan Camera User’s Manual • Rev C• 12 of 30

SECTION 2
Camera Hardware Interface
2.1 Installation Overview
Before you integrate your camera into your system you should first determine some basic
operating parameters such as what resolution you need. Do you know the speed of the
object that your camera will be inspecting? One additional point you want to keep in mind
is your lighting requirement.
Some other major items that you should identify early on in developing your system is the
source of your EXSYNC control signal (framegrabber, custom controller, shaft/web
encoder, etc.). You should also know—in advance—your sensor resolution and
magnification requirements.
We will use a simple example to reinforce what we just told you in the above. Let’s say that
you have the following system to set up: inspect a web 10cm wide, moving at 2m/s, and
you want 100µm on the web to be represented by one pixel (13µm).
Number of Pixels Total width of image = 10 cm = 1000 pixels
Necessary Desired resolution 100µm per pixel
Magnification Pixel size = 13µm = 0.130
Desired resolution 100µm per pixel
EXSYNC Web speed = 2m/s = 20KHz
Desired resolution 100µm
Shaft Encoder You require one pulse for every 100µm of
Circumference object travel. Assuming a shaft/web encoder = 0.10m
Producing 1000 pulses/rev., shaft
Circumference must be 1000 x 100µm
Remember, TDI cameras require PRECISE synchronization with the object velocity! (See
example images below.)
Fairchild Imaging • CAM/CCD 2KCL.TDI & CAM/CCD-4KCL.TDI Line Scan Camera User’s Manual • Rev C• 13 of 30
Bad TDI S
y
nchronization
Good TDI Synchronization

2.2 Connectors, Pinouts, and Cables
Figure 2.2-1
MDR-26 CameraLinkTM Connector
3M p/n 334 – 34 series
Table 2.2-1
Camera Pin # Frame Grabber Pin # Channel Link Signal
1 1 Inner shield
14 14 Inner shield
2 25 X0
15 12 X0+
3 24.0 X1-
16 11 X1+
4 23 X2-
17 10 X2+
5 22 Xclk
18 9 Xclk+
6 21 X3
19 8 X3+
7 20 SerTC+
20 7 SerTC-
8 19 SerTFG-
21 6 SerTFG+
9 18 CC1-
22 5 CC1+
10 17 CC2-
23 4 CC2+
11 16 CC3-
24 3 CC3+
12 15 CC4-
25 2 CC4+
13 13 Inner shield
26 26 Inner shield
Fairchild Imaging • CAM/CCD 2KCL.TDI & CAM/CCD-4KCL.TDI Line Scan Camera User’s Manual • Rev C• 14 of 30

Notes:
• Exterior overshield is connected to the shells of the connectors on both ends.
• 3M part 14X26-SZLB-XXX-0LC is a complete cable assembly, including connectors.
• Unused pairs should be terminated in 100 ohms at both ends of the cable.
2.3 Power Supply
The camera uses a single voltage input, normally set to 12 Volts @ 0.45 Amps typ.
Ripple and noise is required to be < 20 mV RMS.
Power is supplied through a Hirose connector.
When installing the mating connector, be sure to line up the slots. This action will
assure that you will not bend any of the pins.
Hirose HR25-7TR-6P Receptacle
Pin # Description
1 +12V
2 +12V
3 NC
4 GND
5 GND
6 NC
Fairchild Imaging • CAM/CCD 2KCL.TDI & CAM/CCD-4KCL.TDI Line Scan Camera User’s Manual • Rev C• 15 of 30

SECTION 3
Camera Control
3.1 Quick Start with the CameraLinkTM Interface
Follow your Frame Grabber manufacturer’s instructions when inserting the frame
grabber card into your PC. Be sure that you install the correct configuration
software that matches the camera you are using.
At this point your camera should already be connected to the DC power supply and
connected to the frame grabber in your PC.
To communicate with your camera we have created specific commands. In the next
section we will go over these commands in detail.
3.2 Camera Control Signals using Camera Link™ Interface
Four LVDS pairs are reserved for general-purpose camera control. They are defined as
camera inputs and frame grabber inputs. In the case of Fairchild Imaging’s CAM/CCD-
2KCL.TDI and CAM/CCD-4KCL.TDI cameras the signals are:
Line Sync (generically Camera Control 1, CC1)
Frame Sync (generically Camera Control 2, CC2)
Spare, unused (generically Camera Control 3, CC3)
Spare, unused (generically Camera Control 4, CC4)
3.3 Serial Communication
The serial interface for the camera has the following characteristics: default baud rate
38400, one start bit, one stop bit, no parity, and no handshaking.
3.4 Commands
Note: Commands are not case sensitive. To input commands, type in the three
character command and hit enter.
Command Syntax:
Command + enter, example: Type in RSH, then enter
Command + enter + value, example: Type in SSM then enter, then type 2
Command + enter + value + enter, example: Type in SLR then enter, then type
2000, then enter
Fairchild Imaging • CAM/CCD 2KCL.TDI & CAM/CCD-4KCL.TDI Line Scan Camera User’s Manual • Rev C• 16 of 30
RSH
This command allows you to perform a hard camera reboot.
The camera returns … Reboot Started
RSS
This command allows you to perform a logic reset.
No return………..no message
INQ
This command will show you what camera is connected to your PC.
The camera returns … Fairchild Imaging 2K TDI Camera Link
Fairchild Imaging 4K TDI Camera Link
VER
This command will show you the current software version in your camera.
The camera returns … FPGA REV.2.5
Micro rev. 0.90
Prod rev. A 1.01
SLR
This command allows you to set line rate, enter value and enter
The range for line rate should be 2K 45000 – 25; 4K 23800 - 25
CPO
This command allows you to Calibrate Pixel Offset (2K camera only).
You must cover lens when performing this operation!
This command allows you to calibrate pixel offset. You can observe this
command by the blinking green/amber LED. When the LED stops blinking, that
means that the calibration of the pixels is completed.
CPG (2K camera only)
This command allows you to Calibrate Pixel Gain. We strongly recommend that
this command be done after each CPO. To perform this operation correctly the
camera must look at a uniform illuminated light source. The LED will be a
blinking amber/red.
VOM
This command reads the different component voltages located within the
camera.
The camera returns … 5.2VD = 5.2
3.3VD = 3.3
3.0VD = 3.0
1.5VAD = 1.5
Fairchild Imaging • CAM/CCD 2KCL.TDI & CAM/CCD-4KCL.TDI Line Scan Camera User’s Manual • Rev C• 17 of 30

TSB
This command reads the internal camera temperature.
The camera returns … Temp 39.42°C (example)
SSM
This command allows you to set the Sync mode. When selecting the option you need,
first type SSM and press enter and then enter the appropriate single digit number, and
then press enter.
Value Function
1 Free Run
2 Frame Mode
3 Line Sync
4 External Line Sync, Frame Mode
SCM
This command allows you to select a correction mode. When selecting the
option you need, enter the appropriate single digit number and then hit enter.
Value Function
The camera returns … 1 M1 (1st memory)
2 M2 (2nd memory)
3 Offset Correction
4 Gain Correction
5 No Correction
6 Full Correction
STP
This command allows you to select a test pattern. When selecting the option
you need, enter the appropriate single digit number, and then hit enter.
Value Function
No output from camera… 1 Horizontal Ramp
2 Vertical Ramp
3 Vertical Stripes and Ramp
4 Open
5 4096
6 0
Other Video
Fairchild Imaging • CAM/CCD 2KCL.TDI & CAM/CCD-4KCL.TDI Line Scan Camera User’s Manual • Rev C• 18 of 30

CBR
This command allows you to change the Baud Rate. You will not see anything
on your monitor.
Here is a table of stored rates in the camera…Value Function
1 9600
2 19200
3 38400 (Default)
4 57600
5 115200
If you can’t resist changing the baud rate, select the appropriate single digit
number and hit enter.
LED
This command allows you to change the color. When selecting the option you
need to, enter the appropriate single digit number and hit enter. Your screen will
be blank during this command. You can input one of the following:
Value
Function
0 Amber
1 Green
2 Red
3 Off
SAP
Store in Flash both correction memories, all registers and DAC values.
Value Function
Store all parameters 0 Default factory calibrate
1 User
2 User
The power on values will be the last saved from SAP (X).
RAP
Load from flash to camera. Recall all parameters
Value Function
0 Default factory calibration
1 User
2 User
SBS
Value Function
Set bit shift 0 10 bit
1 9 bit
2 8 bit
Fairchild Imaging • CAM/CCD 2KCL.TDI & CAM/CCD-4KCL.TDI Line Scan Camera User’s Manual • Rev C• 19 of 30

SON
Adjust video offset channel 0-3 value 0 – 255
SOA
Adjust video offset all channel value value 0 – 255
SGN
Adjust video gain channel 0-3 value 0 – 1023
SGA
Adjust video gain all channel value 0 – 1023
TDI
Set number of TDI stages
2K 4K
1 24 1 4
2 32 2 16
3 48 3 32
4 64 4 64
5 96 5 96
3.5 Camera Command Summary
Command Definition Summary
RSH Reboot System Hard Hard reboot of camera
RSS Reset Command Logic reset of camera
INQ Inquiry Shows what camera is used
VER Version Shows current software
SLR Set Line Rate This function allows line rate change
CPO Calibrate Pixel Offset This function performs correction of pixel offset
CPG Calibrate Pixel gain This function performs correction of pixel gain
VOM Voltage monitoring This function shows internal voltages
TSB Temperature Sensor Board This function shows temp. of sensor board
SSM Set Sync Mode This function allows user to select sync mode
SCM Select Correction Mode This function allows user to select correction mode
STP Select Test Pattern This function allows user to select test pattern
CBR Change Baud rate This function allows user to select baud rate
LED Light Emitting Diode Change LED state
Fairchild Imaging • CAM/CCD 2KCL.TDI & CAM/CCD-4KCL.TDI Line Scan Camera User’s Manual • Rev C• 20 of 30

Command Definition Summary
SBS
Set Bit shift This function allows user to shift 12, 10, 8 bit video
SAP
Stores all parameters This function allows you to save default or user
settings
RAP
Recalls all parameters This function allows user to recall the factory
calibration
GSN
Get serial number This function allows user to retrieve camera info,
e.g., model + camera serial number
SON Adjust video offset 0-3 Adjust offset voltage for each tap
SOA Adjust video offset all channel Adjust offset voltage for all taps
SGN Adjust video gain channel 0-3 Adjust gain voltage for each tap
SGA Adjust video gain all channel Adjust gain voltage for all taps
TDI Set number of TDI stages Set number of TDI stages
3.6 Framing Mode
Framing mode is an excellent tool for mechanical and optical alignment of the camera and
optics to the target. Frame mode is available in master mode only and the line rate is fixed
at 23.19 KHz.
How to Operate in Framing Mode
To set framing mode:
• Send command SSM 2
• Set CC2
• Light source on
• Light source off
• Clear CC2
• Readout
Fairchild Imaging • CAM/CCD 2KCL.TDI & CAM/CCD-4KCL.TDI Line Scan Camera User’s Manual • Rev C• 21 of 30

SECTION 4
Mechanical and Optical Considerations
2K
4K
Fairchild Imaging • CAM/CCD 2KCL.TDI & CAM/CCD-4KCL.TDI Line Scan Camera User’s Manual • Rev C• 22 of 30

4.1 Camera Dimensions and Mounting Facilities
The 2K and 4K TDI camera housing is manufactured with high precision. Planar,
parallel, and angular sides guarantee precise mounting with high repeatability.
The 2K and 4K TDI camera housing is equipped with four M4 mounting holes on the
front and two M4 mounting holes on one side and on the bottom of the camera.
Use caution in the following ways to avoid stripping threads or stressing the
case:
• Use only M4 screws.
• Do not over torque; do not over tighten screws beyond the depth of the holes; do
not otherwise force screws or create a bending moment with them
• Use caution in crafting mounting brackets so that you do not interfere with the lens, or
exert force on the lens extender tube barrel, or torque or otherwise place force on any
of the connectors on the back of the case. A "L" mounting bracket (section 4.3) is
available; contact your Fairchild Imaging representative for more details.
4.2 Lensing
The 2K TDI camera as shipped from the factory accepts M58 and F mount lenses
that are available from a number of suppliers. The 4K TDI camera only excepts M58
lens types.
When the lens mount (lens extender tube and its lockring) is removed, the front
surface of the camera is seen as a square with a large threaded hole in the center.
The "z" distance from the surface of the square to the top of the sensor is 13.72mm.
Fairchild Imaging • CAM/CCD 2KCL.TDI & CAM/CCD-4KCL.TDI Line Scan Camera User’s Manual • Rev C• 23 of 30

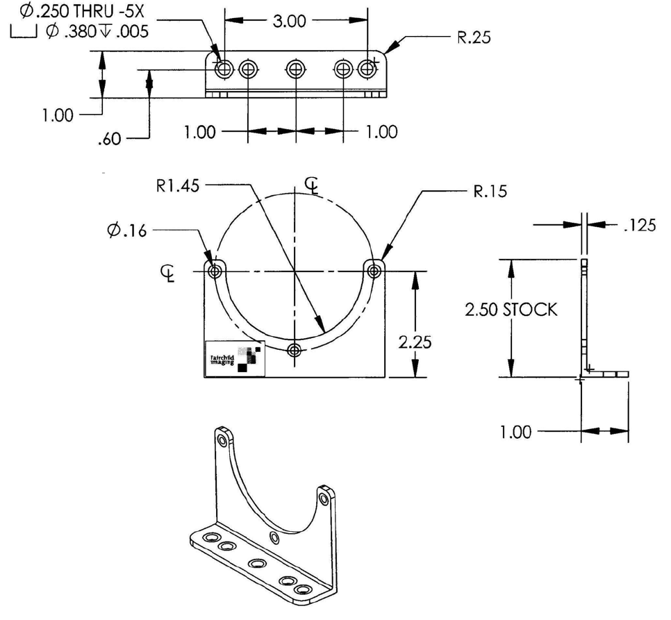
4.3 Mechanical Drawing of Available Camera
Face Mounting “L” Bracket
Contact your Fairchild Imaging representative for more details.
Fairchild Imaging • CAM/CCD 2KCL.TDI & CAM/CCD-4KCL.TDI Line Scan Camera User’s Manual • Rev C• 24 of 30
4.4 Lenses
Fairchild Imaging does not supply lenses; contact your local optics supplier for
available lens models.
4.5 Illumination
The amount and wavelengths of light required to capture useful images depend on
the particular application. Factors include the nature, speed, and spectral
characteristics of objects being imaged, exposure times, light source characteristics,
environmental and acquisition system specifics.
It is often more important to consider exposure than illumination. The total amount
of energy (which is related to the total number of photons reaching the sensor) is
more important than the rate at which it arrives. For example 5 µJ/cm2 can be
achieved by exposing 5 mW/cm2 for 1 mS just the same as exposing an intensity of
W/cm2 for 1µs.
4.6 Light Sources
Keep these guidelines in mind when setting up your light source.
• Halogen light sources generally provide very little blue relative to IR.
• Fiber-optic light distribution systems generally transmit very little blue relative to IR.
Some light sources age; over their lifespan they produce less light. This aging may
not be uniform – a light source may produce progressively less light in some areas
of the spectrum but not others.
Fairchild Imaging • CAM/CCD 2KCL.TDI & CAM/CCD-4KCL.TDI Line Scan Camera User’s Manual • Rev C• 25 of 30

SECTION 5
Handling Instructions
5.1 Electrostatic Discharge
The Fairchild Imaging Osprey camera uses TDI technology in a CCD base, and as
all such devices, has some limited inherent susceptibility to electrostatic discharge
(ESD).
All reasonable and customary design steps have been taken to provide ESD
protection circuitry.
Electrostatic charge placed at the sensor could cause charging of the chip which in
some situations might not be readily dissipated and minor impact on performance
might be temporarily experienced. Therefore, do not insert your finger or any other
object into the lens mount barrel.
5.2 Preventing ESD Damage
• Please be certain to ground yourself prior to handing the camera.
• Ensure that your working environment is grounded, including conductive floor
mats.
• Do not touch the window of the imager.
5.3 Protecting Against Dust, Oil and Scratches
• Be certain to avoid dust buildup on the sensor window, where it could block the
optical path.
• By not touching the surface of the sensor, you avoid introducing oil and avoid
scratching the sensor window. Again, you should not insert anything into the
lens mount barrel.
5.4 Cleaning the Sensor Window
• Use compressed air to blow off particulate.
• If for some reason cleaning of the sensor window is required, use lens wiping
cloth with a small amount of eyeglass cleaning fluid. Do not use solvent as it
may smear the sensor window.
Fairchild Imaging • CAM/CCD 2KCL.TDI & CAM/CCD-4KCL.TDI Line Scan Camera User’s Manual • Rev C• 26 of 30

SECTION 6
Troubleshooting
6.1 Check Simple Things First
Remember that the camera is part of the entire acquisition system. You may have
to trouble shoot any or all of the following:
• Power supply
• Frame grabber hardware & software
• Light sources
• Operating environment
• Cabling
• Host computer
• Optics
• Encoder
6.2 General Solutions
Connections
The first step in trouble shooting is to verify that your camera has all the correct
connections.
Power Supply Voltage
Check for the presence of 12 - 15 volts at the camera connector.
Everything seems to be working, but no image
Remove the cover from your PC and reset all the cards into the Mother board.
Data Clocking/Output Signals
Verify the presence of all data clocking and output signals.
Fairchild Imaging • CAM/CCD 2KCL.TDI & CAM/CCD-4KCL.TDI Line Scan Camera User’s Manual • Rev C• 27 of 30
EXSync
Exsync must toggle (200 Hz min.). The camera will not output lines if ExSync is
restricted to logic HIGH or logic LOW. Using an oscilloscope, check the camera
end of the control signal cable to verify that ExSync toggles.
Offset Variation or Drifts
The camera will experience offset drift and the dark level will increase if the
camera’s EXSYNC signal stops or is below 200 Hz. The camera is meant to be run
with a continuous EXSYNC frequency. EXSYNC should pulse to logic HIGH to start
the readout of each line, return to logic LOW, and stay LOW until after line readout
and clamping
Noisy Output
Check your power supply voltage outputs for noise. Noise present on these lines
can result in poor video
Quality. Low quality or non-twisted pair cable can also add noise to the video
output.
Verify that your acquisition system samples data on the rising edge of STROBE.
Horizontal Lines or Patterns in Output
Patterns can be caused by low-frequency illumination variations. Use a DC or high
frequency light source.
No Output or Erratic Behavior
If your camera provides no output or behaves erratically, it may be picking up
random noise from long cables acting as antennae. Where possible, connect
unused pins to known logic levels. Do not attach wires to unused pins. Verify that
the camera is not receiving spurious inputs.
Vertical Patterns in Output
If dark columns or vertical patterns appear in your output, the optical path may be
contaminated. Clean your lenses and sensor windows with extreme care.
Images are too bright or too dark
Make sure that the lens cap has been removed.
Check the lens aperture. If the images are too dark, try opening the aperture. Try
closing the aperture if they are too bright.
Fairchild Imaging • CAM/CCD 2KCL.TDI & CAM/CCD-4KCL.TDI Line Scan Camera User’s Manual • Rev C• 28 of 30
Check the exposure time. If the images are too dark try increasing the exposure.
Try decreasing the exposure if they are too bright.
Check your light source. If the images are too dark, try increasing your light
intensity. Try decreasing the intensity if they are too bright.
Check your gain setting. If the images are too dark, try increasing the gain. Try
decreasing the gain if they are too bright.
Images look noisy
Make sure that you are using a DC light source. Using an AC light source can
make images appear noisy.
Make sure that the camera has proper ventilation. If the camera becomes
extremely hot, it may produce noisy images
Check the exposure time. If you use an extremly long exposure time, the images
can become noisy.
Check gain settings. Using a very low or a very high gain setting can cause noisy
images.
Examine the objects that you are imaging. Objects with characteristics such as
changing surface texture or reflectance will produce images that appear noisy.
Bits that do not change value
If data bits seem to be stuck or do not change, check that the camera is not
saturated by preventing light from entering. Run test pattern to verify camera
operation insert. Check all cable connections, especially right at the connector;
poor connections or broken wires will cause randomly changing bits or stuck bits.
Contact Customer Support
The contact number appears on page two of this manual. Before you call for
support, be sure to make a note of the camera settings and the frame grabber
settings you are using. You should also have a captured live image and a captured
test image available. Customer support will frequently request that you e-mail
copies of these captured images. See Section 7.
Fairchild Imaging • CAM/CCD 2KCL.TDI & CAM/CCD-4KCL.TDI Line Scan Camera User’s Manual • Rev C• 29 of 30

Fairchild Imaging • CAM/CCD 2KCL.TDI & CAM/CCD-4KCL.TDI Line Scan Camera User’s Manual • Rev C• 30 of 30
SECTION 7
Product Support
If after troubleshooting your camera, and you still have problems, collect the
following data about your application and situation and call Fairchild Imaging
Customer Support.
Note: You may also want to photocopy this page to fax to Fairchild Imaging @ 408-
735-7352
Customer name
Organization name
Customer phone number
Customer Fax number
Complete Product Model Number
(e.g. CAM4KLVDS))
Complete serial number
Acquisition System hardware (frame
grabber, Host computer, light source, etc.)
Power supply and current draw
Data rate used
Control signals used in your application,
and their frequency or state
EXSYNC
BIN
MCLK
PRIN
Other__________
Detailed description of problem
encountered
Please attach description with as
much detail as appropriate