Fanstel Taipei BC832 Bluetooth 4.2 Module User Manual BlueNor BC832 20170109x
Fanstel Corporation, Taipei Bluetooth 4.2 Module BlueNor BC832 20170109x
Users Manual

Bluetooth Low Energy (BLE) 4.2 Micro Module BC832Ver1.0Nov.2016draft
1
BluNor BC832 is a powerful, highly flexible, ultra low power Bluetooth Low Energy (BLE) using Nordic
nRF52832 SoC. With an ARMCortexTM M4F MCU, 512KB flash, 64KB RAM, embedded 2.4GHz multi-protocol
transceiver, and an integrated chip antenna. It allows faster time to market with reduced development cost.
For applications needing limited number of IO pins, prototyping and production are easier using 16 castellated
pins. Additional 24 LGA (Land Grid Array) pins provide full access to 32 GPIOs of nRF52832.
Specifications:
Nordic nRF52832 with ARM Cortex M4F.
Complete RF solution with integrated antenna
Integrated DC-DC converter
Serial Wire Debug (SWD)
Nordic SoftDevice Ready
Over-the-Air (OTA) firmware update
Flash/RAM: 512KB/64KB.
32 General purpose I/O pins
12 bit/200KSPS ADC
3 SPI Master/Slave (8Mbps)
Low power comparator
Two 2-wire Master/Slave (I2C compatible)
I2S audio interface
UART (with CTS/RTS and DMA)
20 channel CPU independent Programmable
Peripheral Interconnect (PPI).
Quadrature Demodulator (QDEC)
128-bit AES HW encryption
5 x 32 bits, 3 x 24 bits Real Time Counters
(RTC)
NFC-A tag interface for OOB pairing
Receiver Sensitivity: -96 dBm
TX power: +/- 0 dBm; programmable +4dBm
to -20dBm in 4 dB steps.
Sizes: 7.8x8.8x1.2mm
Hybrid pins: 16 castellated and 24 LGA.
Integrated chip antenna
Operation voltage: 1.7V to 3.6V
Operation temperature: -40°C to +85°C
Applications
IoT (Internet of Things)
Wearable
Beacons/Proximity
Fitness/Sports
Smart toys
Connected appliances
Lighting products
Sensors
Home and building automation
Key fobs
Wrist watches
Wireless charger
Interactive entertainment devices
ModelSummaries
module BC832
SoC nRF52832-CIAA

Bluetooth Low Energy (BLE) 4.2 Micro Module BC832Ver1.0Nov.2016draft
2
Flash/RAM 512KB/64KB
BT Antenna chip
FCC ID Pending
Canada IC ID Pending

Bluetooth Low Energy (BLE) 4.2 Micro Module BC832Ver1.0Nov.2016draft
3
Table Of Contents
1. Introduction .................................................................................................................................................... 5
2. Codes Development Using Nordic Tools ...................................................................................................... 5
Easy, fast and safe code development ............................................................................................................... 5
Over-The-Air DFU ................................................................................................................................................ 6
SoftDevices .......................................................................................................................................................... 6
Development Tools .............................................................................................................................................. 6
3. Product Overview ........................................................................................................................................... 7
Block Diagram ...................................................................................................................................................... 7
Mechanical Drawing ........................................................................................................................................... 10
BC832 Photo ...................................................................................................................................................... 10
Pin Assignments of BC832 ................................................................................................................................ 11
Pin Functions ..................................................................................................................................................... 12
Mounting BC832 on the Host PCB .................................................................................................................... 13
4. AT Commands ............................................................................................................................................. 14
Brief description of AT commands ..................................................................................................................... 14
Command mode ................................................................................................................................................. 14
Data Mode .......................................................................................................................................................... 16
5. BC832 Evaluation Board ............................................................................................................................. 17
Communicating with a PC ................................................................................................................................. 17
Communicating with a Host Processor.............................................................................................................. 17
To be provided ............................................................................................................................................ 17
Evaluation Board Schematics ............................................................................................ 錯誤! 尚未定義書籤。
Suggestion for Battery Power Application ......................................................................................................... 18
6. Miscellaneous .............................................................................................................................................. 18
7. Contact Us .................................................................................................................... 錯誤! 尚未定義書籤。

Bluetooth Low Energy (BLE) 4.2 Micro Module BC832Ver1.0Nov.2016draft
4
1.

Bluetooth Low Energy (BLE) 4.2 Micro Module BC832Ver1.0Nov.2016draft
5
2. Introduction
BluNor BC832 is powerful, highly flexible, ultra low power Bluetooth Low Energy (BLE) modules using Nordic
nRF52832 SoCs. With an ARMCortexTM M4F MCU, 512KB flash, 64KB RAM, embedded 2.4GHz multi-
protocol transceiver, and an integrated antenna, it allows faster time to market with reduced development cost.
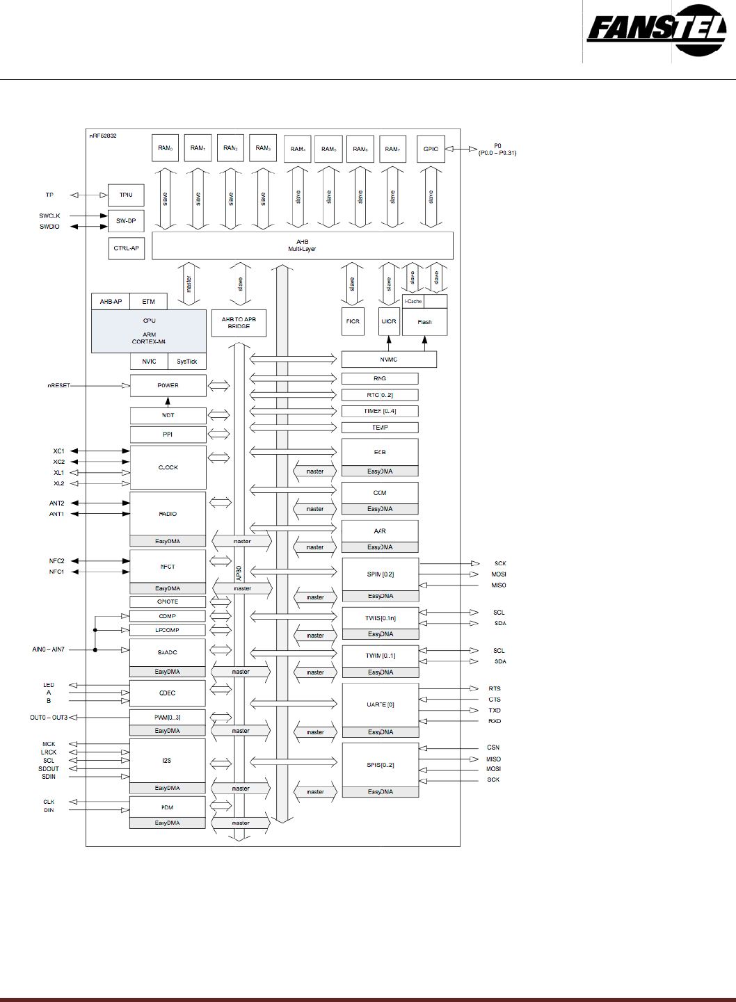
The following is a block diagram of BC832. Antenna circuit and main clock are integrated. All 32 GPIOs of
nRF52832 can be accessed from main board. For lower power consumption at idle state, a 32.768 kHz crystal
is added on the main board. Connection to an external NFC (Near Field Communication) antenna is provided.
3. Codes Development Using Nordic Tools
Development tools by Nordic and other third party development tools recommended by Nordic should be
used .
Easy, fast and safe code development
Nordic development environment for nRF52832 offers a clean separation between application code
development and embedded protocol stacks. This means compile, link and run time dependencies with the
embedded stack and associated debugging challenges are removed. The Bluetooth low energy is a pre-
compiled binary, leaving application code to be compiled stand-alone. The embedded stack interface uses an
asynchronous and event driven model removing the need for RTOS frameworks.

Bluetooth Low Energy (BLE) 4.2 Micro Module BC832Ver1.0Nov.2016draft
6
Over-The-Air DFU
The nRF52832 is supported by an Over-The-Air Device Firmware Upgrade (OTA DFU) feature. This allows for
in the field updates of application software and SoftDevice.
SoftDevices
The Nordic protocol stacks are known as SoftDevices and complement the nRF52 Series SoCs. All nRF52
Series are programmable with software stacks from Nordic. This bring maximum flexibility to application
development and allows the latest stack version to be programmed into the SoC.
SoftDevices available from Nordic:
S132: Bluetooth low energy concurrent central/peripheral/observer/broadcaster stack.
Development Tools
Nordic Semiconductor provides a complete range of hardware and software development tools for the
nRF52 Series devices. nRF52 DK board is recommended for firmware development.

Bluetooth Low Energy (BLE) 4.2 Micro Module BC832Ver1.0Nov.2016draft
7
4. Product Overview
Brief description of nRF52832 SoC is provided. For full description of the SoC, please download from Nordic
Semiconductor website.
https://www.nordicsemi.com/eng/Products/Bluetooth-low-energy
Block Diagram

B
T
h
T
h
c
o
In
t
luetoot
h
e following
h
e 32 bit
AR
de density
t
erconnect
(
h Low
E
is a block
d
R
M Cortex
M
and execut
(
PPI) syste
m
E
nergy
d
iagram of
M
4F MCU
w
ion speed
a
m
provides
(BLE)
4
Nordic nR
F
w
ith hardw
a
a
re higher t
h
a 20-chan
n
4
.2 Mic
r
8
F
52832 Blu
e
a
re support
s
h
an other
C
n
el bus for
d
r
o Mod
u
e
tooth Low
s
for DSP i
n
C
ortex M M
C
d
irect and
a
u
le BC8
Energy (B
L
n
structions
a
C
U. The Pr
o
a
utonomou
s
32
Ver1.0
N
L
E) SoC.
a
nd floatin
g
o
grammabl
s
system p
e
N
ov.2016dra
point oper
a
e Peripher
a
e
ripheral
ft
a
tions,
a
l

Bluetooth Low Energy (BLE) 4.2 Micro Module BC832Ver1.0Nov.2016draft
9
communication without CPU intervention. This brings predictable latency times for peripheral to peripheral
interaction and power saving benefits associated with leaving CPU idle. The device has 2 global power modes
ON/OFF, but all system blocks and peripherals have individual power management control which allows for an
automatic switching RUN/IDLE for system blocks based only on those required/not required to achieve
particular tasks.
The NFC block supports NFC-A tags with proximity detection and Wake-on-field from low power mode. The
NFC enables Out-Of-Band (OOB) Bluetooth pairing of devices and thus greatly simplifying deployment.

B
M
T
h
re
q
B
C
luetoot
echanic
a
h
e following
q
uirements
• 16 c
a
solde
• 24 L
G
C
832 Ph
h Low
E
a
l Drawi
n
is a mech
a
.
a
stellated pi
ring castell
a
G
A (Land G
oto
E
nergy
n
g
a
nical drawi
ns for appli
c
a
ted pins.
rid Array)
p
(BLE)
4
ng of BC8
3
c
ation nee
d
p
ins to acce
s
4
.2 Mic
r
10
3
2. Two typ
e
d
ing limited
s
s all 32 G
P
r
o Mod
u
e
s of pins
a
number of
P
IOs of nR
F
u
le BC8
a
re availabl
e
IOs. SMT
e
F
52832 wh
e
32
Ver1.0
N
e
to meet d
i
e
quipment i
s
e
n needed.
N
ov.2016dra
i
fferent app
s
not requi
r
ft
lication
r
ed for

Bluetooth Low Energy (BLE) 4.2 Micro Module BC832Ver1.0Nov.2016draft
11
Pin Assignments of BC832
The followings are BC832 pin assignment. Pin functions are in a table in next section. Please refer to Nordic
nRF52832 Product Specifications for detailed descriptions and features supported.
http://infocenter.nordicsemi.com/pdf/nRF52832_PS_v1.1.pdf
BC832 nRF52832CIAA
pin# pin name pin# pin name Descriptions
1 GND C5 VSS Ground
2 P20 G2 P0.20 GPIO, LED pin on EV-BC832
3 SWDIO G1 SWDIO GPIO, connection for 32.768kHz crystal
4 SWDCLK F1 SWDCLK Serial Wire Debug I/O
5 P18 H2 P0.18 GPIO, LED pin on EV-BC832
6 P13 G4 P0.13 GPIO, button pin on EV-BC832
7 P12 H6 P0.12 UART TX
8 P11 F4 P0.11 UART RX
9 P03/AIN1 D6 P0.03 GPIO, Analog input 1
10 P21/RESET H1 P0.21 configured as reset on EV-BC832
11 P00/XL1 D7 P0.00 GPIO, connection for 32.768kHz crystal
12 P01/XL2 C7 P0.01 GPIO, connection for 32.768kHz crystal
13 P02/AIN0 C6 P0.02 GPIO, Analog input 0
14 P27/SCL B4 P0.27 GPIO, configured as I2C SCL on EV-BC832
15 P26/SDA D3 P0.26 GPIO, configured as I2C SDA on EV-BC832
16 VDD A7 VDD DC power supply, 1.7V to 3.6V
A1 P28 A3 P0.28 GPIO
A2 P17 G3 P0.17 GPIO
A3 P04 E6 P0.04 GPIO
A4 P06 F7 P0.06 GPIO
A5 P08 G7 P0.08 GPIO
B1 P25 B3 P0.25 GPIO
B2 P29 A4 P0.29 GPIO
B3 P31 B5 P0.31 GPIO
B4 P05 E7 P0.05 GPIO

Bluetooth Low Energy (BLE) 4.2 Micro Module BC832Ver1.0Nov.2016draft
12
B5 P07 F6 P0.07 GPIO
C1 P24 E1 P0.24 GPIO
C2 P22 F2 P0.22 GPIO
C3 P30 A5 P0.30 GPIO
C4 P15 H4 P0.15 GPIO
C5 P09 G6 P0.10 GPIO
D1 P23 E2 P0.23 GPIO
D2 P19 F3 P0.19 GPIO
D3 P16 H3 P0.16 GPIO
D4 P14 H5 P0.14 GPIO
D5 P10 G5 P0.10 GPIO
Pin Functions

Bluetooth Low Energy (BLE) 4.2 Micro Module BC832Ver1.0Nov.2016draft
13
Mounting BC832 on the Host PCB
The following figure shows recommended mounting of BC832 module on the host PCB.
• For the best Bluetooth range performance, the antenna area of module shall extend 3.2 mm outside the
edge of a ground plane.
• The next choice is to place module on a corner of host PCB. No ground place directly below the 3.2x7.8mm
antenna area of module.
• For wearable, it is acceptable to place a coin battery directly below the antenna area of module. Bluetooth
range is reduced but acceptable when pairing with a smartphone on the antenna side. Bluetooth signal is
blocked on the battery side.

Bluetooth Low Energy (BLE) 4.2 Micro Module BC832Ver1.0Nov.2016draft
14
5. AT Commands
BC832 module is available with firmware supporting AT commands. Part number is BC832-AT.
Brief description of AT commands
Each command line consists of a prefix, a body and a terminator.
All command lines begin with the prefix AT (ASCII 065, 084) or at (ASCII 097, 116).
The body is a string of characters in the ASCII range 032-255. Control characters other than
<CR>(carriage return; ASCII 013) and <BS> (back space; ASCII 008) in a command line are ignored.
The terminator is <CR>.
There is no distinction between upper-case and lower-case characters. A command line can have a
maximum length of 80 characters. It is automatically discarded if the input is longer. Corrections are
made
AT command is case-insensitive, following /r/n for end code.
The default baud rate is 9600 one stop bit and no parity
Command mode
When P0.02 of nRF52832 (pin 13 of BC832) is pulled high, it is set to AT command mode. In AT command
mode, the host processor communicates with the processor on BC832.
Command Response Parameter example
AT OK or FAIL none
AT/r/n
OK/r/n
AT+RESET OK or FAIL none
AT+RESET/r/n
OK/r/n
AT+VERSION?
+VERSION:<param> Software
version
number
AT+VERSION?/r/n
OK +VERSION140804
OK/r/n
AT+NAME? +NAME:<param> OK Device
name
AT+NAME?/r/n
+NAME:EZPro OK/r/n
AT+NAME=<param> OK or FAIL Device
name
AT+NAME=Fanstel/r/n
Or
AT_Name=”Fanstel”/r/n

Bluetooth Low Energy (BLE) 4.2 Micro Module BC832Ver1.0Nov.2016draft
15
OK/r/n
AT+UART? +UART:<param>,<param2>,<param3>
OK
Baud rate, AT+UART?/r/n
Stop bit, +UART:115200,1,0
Parity OK/r/n
AT+UART=<parm> +UART:<parm> Baud rate
AT+UART=115200/r/n
+UART:115200,1,0
OK/r/n
1200
2400
4800
9600 default
19200
38400
57600
115200
230400
460800
921600
1000000
AT+ADDR? +ADDR:<param> OK Device
MAC
address
AT+ADDR?/r/n
+ADDR:abb5:cd:604ace
OK/r/n
AT+REGISTER OK or FAIL none
AT+REGISTER/r/n
OK/r/n
AT+QUITREGISTER OK or FAIL none
AT+QUITREGISTER/r/n
OK/r/n
AT+RX?
+Name:<parm>
none
AT+RX?/r/n
+UART:<parm> +NAME:EZPro/r/n
+ADDR:<parm> +UART:115200,1,1/r/n
+ADDR:abb5:cd:604ace
/r/n
AT+DEFAULT OK or FAIL none
AT+DEFAULT/r/n
OK/r/n

Bluetooth Low Energy (BLE) 4.2 Micro Module BC832Ver1.0Nov.2016draft
16
AT_RFPW? +RFPW:parm +4~-8
AT+RFPW?/r/n
+RFPW:-4 OK/r/n
0:+4
1:+0 default
2:-4
3:-8
AT_RFPW=<parm> OK or FAIL +4~-8
AT+RFPW= 1/r/n
OK/r/n
0:+4
1:+0
2:-4
3:-8
AT+PIO=<param><param1> OK or FAIL
P00-P05 AT+PIO=05, 0\r\n
1=High ,0=l
ow OK/r/n
AT+PIS=<param><param1> OK or FAIL
P00-P05 AT+PIS=05, 1\r\n
1=output,
0=input OK/r/n
Data Mode
When P0.02 of nRF52832 (pin 13) of BC832 is pulled low, it is set to data mode. In data model, BC832
provides transparent data transfer between the host processor and a remote device, for example, a
smartphone.

Bluetooth Low Energy (BLE) 4.2 Micro Module BC832Ver1.0Nov.2016draft
17
6. BC832 Evaluation Board
Communicating with a PC
A quick and easy way to evaluate BC832 is to use a PC as the host processor. Connect the development
board EV-BC832 to a PC with an USB cable. Then,
Set S1, BC832 is set to command mode. PC will communicate with BC832.
Set switch S1 to the other position, BC832 is set to data mode. PC will communicate with a remote
device through BC832 Bluetooth wireless connection.
Docklight is a testing, analysis and simulation tool for serial communication protocols (RS232, RS485/422 and
others). It allows you to monitor the communication between two serial devices or to test the serial
communication of a single device. Docklight significantly increases productivity in a broad range of industries,
including automation and control, communications, automotive, equipment manufacturers, and embedded /
consumer products. Docklight is easy to use and runs on almost any standard PC using Windows 10, Windows
8, Windows 7, Windows Vista or Windows XP operating system.
Docklight software can be downloaded from the following:
http://www.docklight.de/download_en.htm
Communicating with a Host Processor
To be provided

Bluetooth Low Energy (BLE) 4.2 Micro Module BC832Ver1.0Nov.2016draft
18
Suggestion for Battery Power Application
Standby current consumption is important for battery-powered product. We suggest adding a 32.768 kHz
crystal and 2 capacitors as shown in the upper left corner of the evaluation board schematics. The 32MHz
main clock won’t be active at idle state to save power.
7. Miscellaneous
DON’T USE A MODULE WITH INTERNAL ANTENNA INSIDE A METAL CASE.
USE A MODULE WITH EXTERNAL ANTENNA INSIDE A METAL CASE. ANTENNA MUST BE OUTSIDE OF A
METAL CASE.
FOR PCB LAYOUT:
o AVOID RUNNING ANY SIGNAL LINE BELOW MODULE WHENEVER POSSIBLE,
o NO GROUND PLANE BELOW ANTENNA,
o IF POSSIBLE, CUT-OFF THE PORTION OF MAIN BOARD PCB BELOW ANTENNA.
CONNECT MODULE GROUND TO BATTERY GROUND.
8.Contact Us
United States:
Fanstel Corp.
7466 E. Monte Ctisto Ave. Scottsdale AZ 85260
Tel. 1 480-948-4928
Fax. 1-480-948-5459
Email: module@fanstel.com
Website: www.fanstel.com
Taiwan:
Fanstel Corp.
10F-10, 79 Xintai Wu Road
Xizhu, New Taipei City, Taiwan 22101
泛世公司
臺灣省新北市汐止區新臺五路 79 號10 樓之 10, 22101
Tel. 886-2-2698-9328
Fax. 886-2-2698-4813
Email: tp@fanstel.com
Website: www.fanstel.com

Bluetooth Low Energy (BLE) 4.2 Micro Module BC832Ver1.0Nov.2016draft
19
China:
Fanstel Technologies Corp.
11 Jiale Street
Ping-Dih, Long-Gang, Shen Zhen, GD 518117
泛世康科技(深圳)有限公司
廣東省深 市龍崗區坪地 佳樂街
圳鎮11 號
Tel. 86-755-8409-0928
Fax. 86-755-8409-0973
QQ. 3076221086
Email: sz@fanstel.com
Website: www.fanstel.com
Federal Communications Commission (FCC) Statement
15.21
You are cautioned that changes or modifications not expressly approved by the part responsible for compliance
could void the user’s authority to operate the equipment.
15.105(b)
This equipment has been tested and found to comply with the limits for a Class B digital device, pursuant to part
15 of the FCC rules. These limits are designed to provide reasonable protection against harmful interference in a
residential installation. This equipment generates, uses and can radiate radio frequency energy and, if not
installed and used in accordance with the instructions, may cause harmful interference to radio communications.
However, there is no guarantee that interference will not occur in a particular installation. If this equipment does
cause harmful interference to radio or television reception, which can be determined by turning the equipment
off and on, the user is encouraged to try to correct the interference by one or more of the following measures:
-Reorient or relocate the receiving antenna.
-Increase the separation between the equipment and receiver.
-Connect the equipment into an outlet on a circuit different from that to which the receiver is connected.
-Consult the dealer or an experienced radio/TV technician for help.
This device complies with Part 15 of the FCC Rules. Operation is subject to the following two conditions:
1) this device may not cause harmful interference, and
2) this device must accept any interference received, including interference that may cause undesired operation
of the device.

Bluetooth Low Energy (BLE) 4.2 Micro Module BC832Ver1.0Nov.2016draft
20
FCC RF Radiation Exposure Statement
1) This Transmitter must not be co-located or operating in conjunction with any other antenna or transmitter.
2) This equipment complies with FCC RF radiation exposure limits set forth for an uncontrolled environment.
This equipment should be installed.
Note: The end product shall has the words “Contains Transmitter Module FCC ID: X8WBC832

Bluetooth Low Energy (BLE) 4.2 Micro Module BC832Ver1.0Nov.2016draft
21
Canada, Industry Canada (IC)
This Class B digital apparatus complies with Canadian ICES-003
Cet appareil numérique de classe B est conforme à la norme NMB-003.
This device complies with Industry Canada licence-exempt RSS standard(s). Operation is subject
to the following two conditions: (1) this device may not cause interference, and (2) this device
must accept any interference, including interference that may cause undesired operation of the
Le present appareil est conforme aux CNR d'Industrie Canada applicables auxappareils radio exempts de licence.L'exploitation est
autorisée aux deux conditions suivantes:
(1) l'appareil ne doit pas produire de brouillage, et
(2) l'utilisateur de l'appareil doit accepter tout brouillage adioélectrique subi, même si le brouillage est susceptible d'en compromettre
le fonctionnement.
Canada, avis d'Industry Canada (IC)
“Le présent appareil est conforme aux CNR d'Industrie Canada applicables aux appareils radio exempts de
licence. L'exploitation est autorisée aux deux conditions suivantes : (1) l'appareil ne doit pas produire de
brouillage, et (2) l'utilisateur de l'appareil doit accepter tout brouillage radioélectrique subi, même si le
brouillage est susceptible d'en compromettre le fonctionnement."
(Modular approval) End Product Labeling:
The final end product must be labeled in a visible area with the following: “Contains IC: 4100A-BC832”.
Caution: Exposure to Radio Frequency Radiation.
To comply with RSS 102 RF exposure compliance requirements
OEM statement
The Original Equipment Manufacturer (OEM) must ensure that the OEM modular transmitter must be labeled with its own FCC ID
number. This includes a clearly visible label on the outside of the final product enclosure that displays the contents shown below. If
the FCC ID is not visible when the equipment is installed inside another device, then the outside of the device into which the
equipment is installed must also display a label referring to the enclosed equipment
The end product with this module may subject to perform FCC part 15 unintentional emission test requirement and be properly
authorized.
This device is intended for OEM integrator only.