Fanstel Taipei BM832 BT module User Manual
Fanstel Corporation, Taipei BT module Users Manual
Users Manual

Bluetooth5 Module BM832/A/E Data SheetsVer 1.00 Sep. 2018
1
BluNor BM832/A/E are powerful, highly flexible, ultra low power Bluetooth Low Energy (BLE) modules using
Nordic nRF52 SoC. With an ARMCortexTM M4(F) MCU, up to 512KB flash, 64KB RAM, embedded 2.4GHz
multi-protocol transceiver, and an integrated PCB trace antenna. It allows faster time to market with reduced
development cost.
BM832/A/E are designed to minimize PCB cost and to maximize efficiency in production line dedicated for
Bluetooth module. The cost of using BM832/A/E modules can be lower than designing-in SoC at any quantity.
At low cost, BM832/A/E offer full features. Inductors for DCDC converter are integrated. All 32 GPIOs are
accessible.
Bluetooth ranges are measured in environments with Low Multiple Path Interference (LMPI or antennas at 3
meters above ground) and antennas at 5 feet (1.52 meters, typical height of thermostat in the USA). Bluetooth
range is much shorter in environments with radio frequency interference and severe multiple path interference.
BM832 Specifications:
Nordic nRF52 with ARM Cortex M4F.
Complete RF solution with integrated antenna
Integrated DC-DC converter
Serial Wire Debug (SWD)
Nordic SoftDevice Ready
Over-the-Air (OTA) firmware update
Flash/RAM: 512KB/64KB or 256KB/32KB.
32 General purpose I/O pins
12 bit/200KSPS ADC, 8 configurable channels with
programmable gain.
3X SPI Master/Slave (8Mbps)
3X 4-channel pulse width modulator (PWM)
Low power comparator
2X 2-wire Master/Slave (I2C compatible)
I2S audio interface
UART (with CTS/RTS and DMA)
20 channel CPU independent Programmable
Peripheral Interconnect (PPI).
Quadrature Demodulator (QDEC)
128-bit AES HW encryption
5 x 32 bits, 3 x 24 bits Real Time Counters (RTC)
Available NFC-A tag interface for OOB pairing
Receiver Sensitivity: -96 dBm at 1Mbps
TX power: +/- 0 dBm; programmable 4 dBm to -
20dBm in 4 dB steps.
Hybrid pins: 16 castellated and 24 LGA.
Integrated PCB trace antenna;
Operation voltage: 1.7V to 3.6V
Embedded inductors for DCDC converter
Operation temperature: - 4 0 ° C t o + 8 5 ° C
FCC ID: Pending
IC ID: Pending
CE:
QDID:
Applications
Wearable
Beacons/Proximity
Fitness/Sports
Smart toys
Connected appliances
Lighting products
Sensors
Home and building automation
Key fobs
Wireless charger
Interactive entertainment devices
Model Summaries
module BM832 BM832A BM832E
Flash/RAM 512KB/64KB 192KB/24KB 512KB/64KB
Size 10.2x15x1.9mm 10.2x15x1.9mm 10.2x15x1.9mm
GPIO 32 32 32
Antenna PCB Trace PCB Trace u.FL
BT range, antenna at LMPI 340 meters 340 meters
BT range, antenna at 1.52 M 270 meters 270 meters
Availability Sample Sample Sample

Bluetooth5 Module BM832/A/E Data SheetsVer 1.00 Sep. 2018
2
Table Of Contents
1. Introduction .......................................................................................................................................................... 3
BM832 Block Diagram ......................................................................................................................................... 3
BM832 ................................................................................................................................................................. 3
BM832A ................................................................................................................................................................ 3
BM832E ............................................................................................................................................................... 3
2. Codes Development Using Nordic Tools ............................................................................................................ 5
Easy, fast and safe code development ............................................................................................................... 5
Over-The-Air DFU ................................................................................................................................................ 5
SoftDevices .......................................................................................................................................................... 5
Development Tools .............................................................................................................................................. 5
3. Product Overview ................................................................................................................................................. 6
Nordic SoCs ......................................................................................................................................................... 6
Mechanical Drawings ........................................................................................................................................... 9
http://www.fanstel.com/download-document/ ...................................................................................................... 9
BM832/BM832A Pin Functions .......................................................................................................................... 10
Mounting BM832 on the Host PCB .................................................................................................................... 13
4. Bluetooth Range Measurements ....................................................................................................................... 14
Measurement Results ........................................................................................................................................ 14
5. Evaluation Board ................................................................................................................................................ 14
Nordic Development Environment ..................................................................................................................... 14
Loading Firmware into Evaluation Board Through a Nordic DK ....................................................................... 15
Evaluation Board Schematic .............................................................................................................................. 18
Suggestion for Battery Power Application ......................................................................................................... 19
6. Miscellaneous .................................................................................................................................................... 19
Soldering Temperature-Time Profile for Re-Flow Soldering ............................................................................. 19
Cautions, Design Notes, and Installation Notes ................................................................................................ 19
Packaging ........................................................................................................................................................... 22
FCC Label .......................................................................................................................................................... 22
Revision History ..................................................................................................................................................... 23
Contact Us ............................................................................................................................................................. 24

Bluetooth5 Module BM832/A/E Data SheetsVer 1.00 Sep. 2018
3
1. Introduction
BluNor BM832 is powerful, highly flexible, ultra low power Bluetooth Low Energy (BLE) modules using Nordic
nRF52 SoCs. With an ARMCortex
TM
M4F MCU, available 512KB flash, 64KB RAM, embedded 2.4GHz multi-
protocol transceiver, and an integrated antenna, it allows faster time to market with reduced development cost.
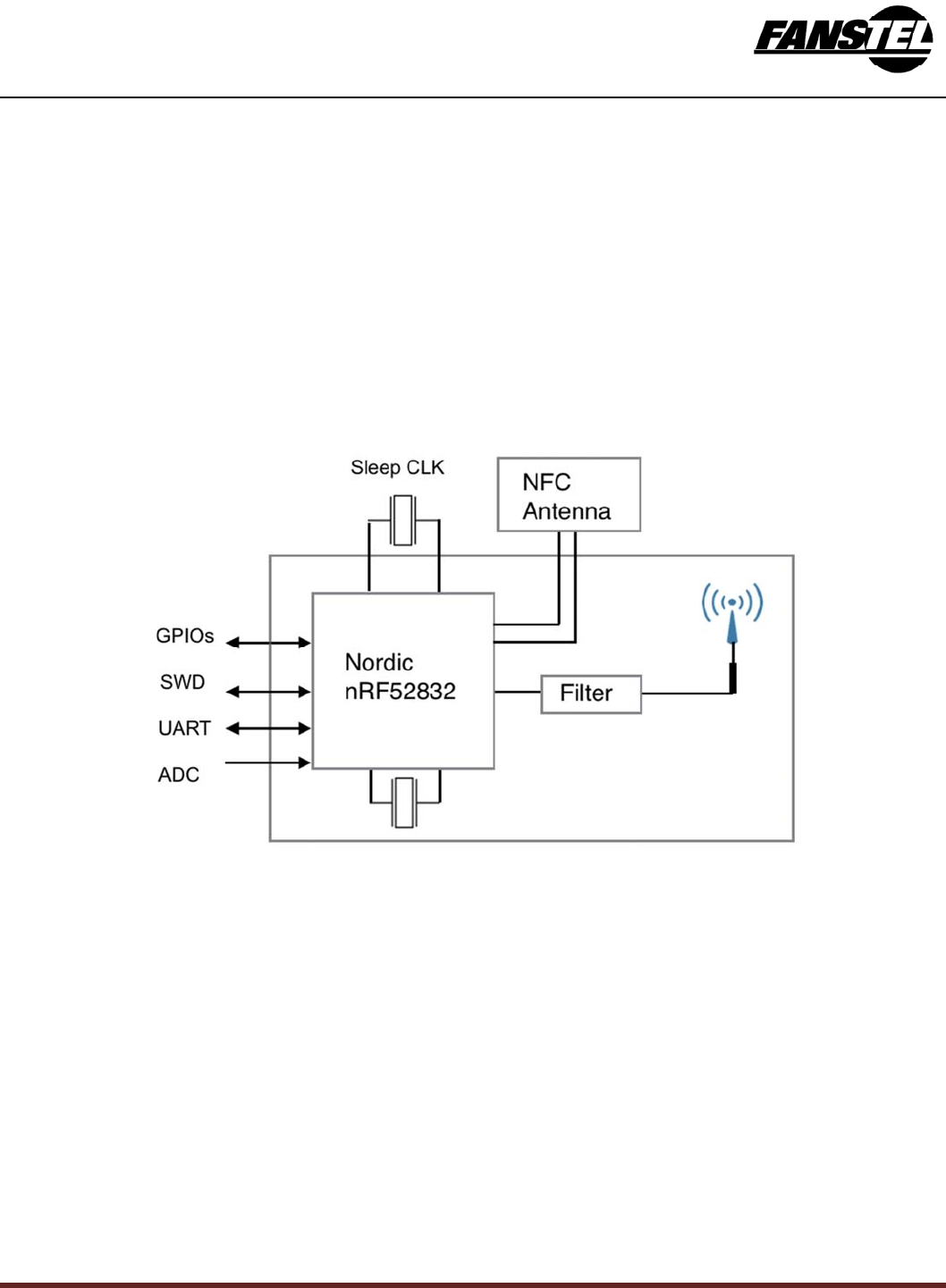
The following is a block diagram of BM832. Antenna circuit and main clock are integrated. All 32 GPIOs of
nRF52832 can be accessed from main board. For lower power consumption at idle state, a 32.768 kHz crystal
is added on the host board. Connection to an external NFC (Near Field Communication) antenna is provided.
BlurNor BM832A and BM832E are sister modules of BM832. They are pin to pin compatible.
In this data sheets, BM832, BM832E, and BM832A can be referred as B832.
BM832 Block Diagram
BM832 Series modules have the same features except the followings.
BM832
• 512KB flash, 64 KB RAM
• Integrated PCB trace antenna
BM832A
• 192 KB flash, 24 KB RAM
• Integrated PCB trace antenna
BM832E
• 512KB flash/64KB RAM
• An u.FL connector for external antenna

Bluetooth5 Module BM832/A/E Data SheetsVer 1.00 Sep. 2018
4

Bluetooth5 Module BM832/A/E Data SheetsVer 1.00 Sep. 2018
5
2. Codes Development Using Nordic Tools
Development tools by Nordic and other third party development tools recommended by Nordic should be
used .
Easy, fast and safe code development
Nordic development environment for nRF52 offers a clean separation between application code development
and embedded protocol stacks. This means compile, link and run time dependencies with the embedded stack
and associated debugging challenges are removed. The Bluetooth low energy and ANT stack is a pre-
compiled binary, leaving application code to be compiled stand-alone. The embedded stack interface uses an
asynchronous and event driven model removing the need for RTOS frameworks.
Over-The-Air DFU
The nRF52 SoC is supported by an Over-The-Air Device Firmware Upgrade (OTA DFU) feature. This allows
for in the field updates of application software and SoftDevice.
SoftDevices
The Nordic protocol stacks are known as SoftDevices and complement the nRF52 Series SoCs. All nRF52 Series are
programmable with software stacks from Nordic. This bring maximum flexibility to application development and allows
the latest stack version to be programmed into the SoC.
SoftDevices available from Nordic:
• S112 SoftDevice
The S112 SoftDevice is a Bluetooth low energy peripheral protocol stack solution. It supports up to
four peripheral connections with an additional broadcaster role running concurrently. The S112
SoftDevice integrates a Bluetoothlow energy Controller and Host, and provides a full and flexible
API for building Bluetooth low energy nRF52 System on Chip (SoC) solutions. S112 can be used
for for BM832A.
• S132 SoftDevice
The S132 SoftDevice is a Bluetooth low energy Central and Peripheral protocol stack solution. It
supports up to twenty connections with an additional observer and a broadcaster role all running
concurrently. The S132 SoftDevice integrates a Bluetooth low energy Controller and Host, and
provides a full and flexible API for building Bluetooth low energy nRF52 System on Chip (SoC)
solutions. S132 can be used for BM832 or BM832A.
Development Tools
Nordic Semiconductor provides a complete range of hardware and software development tools for the nRF52 Series
devices. nRF52 DK board is recommended for firmware development.

Bluetooth5 Module BM832/A/E Data SheetsVer 1.00 Sep. 2018
6
3. Product Overview
Nordic SoCs
For full description of the SoC, please download data sheets from Nordic Semiconductor website.
https://www.nordicsemi.com/eng/Products/Bluetooth-low-energy

Bluetooth5 Module BM832/A/E Data SheetsVer 1.00 Sep. 2018
7
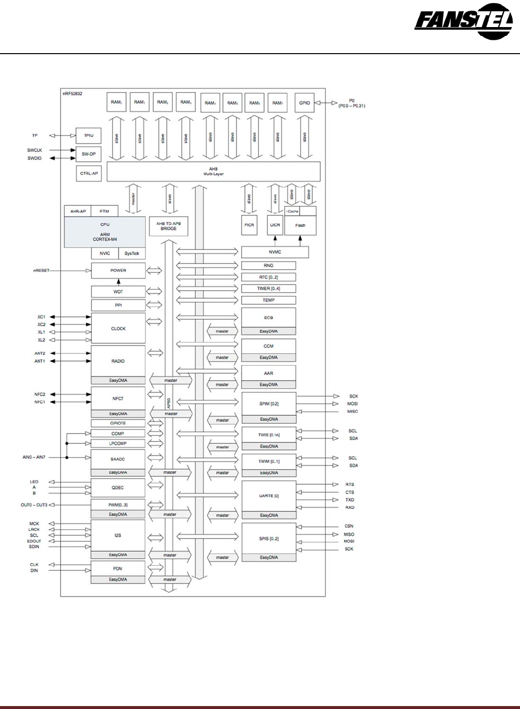
The following is a block diagram of Nordic nRF52832 Bluetooth Low Energy (BLE) SoC. NFC is not supported .
The 32 bit ARM Cortex M4F MCU with hardware supports for DSP instructions and floating point operations,
code density and execution speed are higher than other Cortex M MCU. The Programmable Peripheral
Interconnect (PPI) system provides a 20-channel bus for direct and autonomous system peripheral
communication without CPU intervention. This brings predictable latency times for peripheral to peripheral
interaction and power saving benefits associated with leaving CPU idle. The device has 2 global power modes
ON/OFF, but all system blocks and peripherals have individual power management control which allows for an

Bluetooth5 Module BM832/A/E Data SheetsVer 1.00 Sep. 2018
8
automatic switching RUN/IDLE for system blocks based only on those required/not required to achieve
particular tasks.
The radio supports Bluetooth low energy and ANT. Output power is scalable from a maximum of +4dBm down
to -20 dBm in 4dB steps. Sensitivity is increased to -96 dBm to -89 dBm, depending on data rate. Sensitivity for
BLE is -96 dBm, and -92.5 dBm for ANT.

Bluetooth5 Module BM832/A/E Data SheetsVer 1.00 Sep. 2018
9
Mechanical Drawings
The followings are mechanical drawings of BTM832 and BM832A, top view. Size of module is
10.2x15.0x1.9mm. X-axis and Y-axis coordinate of each pin is shown in table.
Library components for PADS and EAGLE can be downloaded from
http://www.fanstel.com/download-document/
For other PCB layout tools, please download evaluation Gerber files and extract library component.

Bluetooth5 Module BM832/A/E Data SheetsVer 1.00 Sep. 2018
10
BM832/BM832A Pin Functions
The followings are BM832/BM832A pin assignment. Pin functions are in a table below. Please refer to Nordic
nRF52832 Product Specifications for detailed descriptions and features supported.
http://infocenter.nordicsemi.com/pdf/nRF52832_PS_v1.4.pdf

Bluetooth5 Module BM832/A/E Data SheetsVer 1.00 Sep. 2018
11
BM832 nRF52832
pin# pin name pin# pin name Descriptions
1 GND 45 VSS Ground
2 GND Ground
3 GND Ground
4 GND Ground
5 GND Ground
6 P025 37 P0.25 GPIO
7 P026 38 P0.26 GPIO
8 P027 39 P0.27 GPIO
9 P028 40 P0.28/AIN4 GPIO, Analog input
10 P029 41 P0.29/AIN5 GPIO, Analog input
11 P030 42 P0.30/AIN6 GPIO, Analog input
12 P031 43 P0.31/AIN7 GPIO, Analog input
13 GND Ground
14 VDD 36 VDD DC supply 1.7V to 3.6V
15 GND Ground
16 P000 2P0.00/XL1 GPIO, connection for 32.768kHz crystal
17 P001 3P0.01/XL2 GPIO, connection for 32.768kHz crystal
18 GND Ground
19 GND Ground
20 P003 5P0.03/AIN1 GPIO, Analog input
21 P004 6P0.04/AIN2 GPIO, Analog input
22 P002 4P0.02/AIN0 GPIO, Analog input
23 P005 7P0.05/AIN3 GPIO, Analog input
24 P007 9P0.07 GPIO
25 P006 8P0.06 GPIO
26 P009 11 P0.09/NFC1 GPIO, NFC antenna connection (nRF52832 only)
27 P008 10 P0.08 GPIO
28 VDD VDD DC supply 1.7V to 3.6V
29 P010 12 P0.10/NFC2 GPIO, NFC antenna connection (nRF52832 only)
30 GND Ground
31 P011 14 P0.11 GPIO, used as UART RX on evaluation board
32 P012 15 P0.12 GPIO, used as UART TX on evaluation board
33 P014 17 P0.14 GPIO
34 P013 16 P0.13 GPIO
35 P015 18 P0.15 GPIO
36 P016 19 P0.16 GPIO
37 P017 20 P0.17 GPIO
38 P018 21 P0.18 GPIO
39 P019 22 P0.19 GPIO

Bluetooth5 Module BM832/A/E Data SheetsVer 1.00 Sep. 2018
12
40 P021/RST 24 P0.21/RST GPIO, configurable as RESET pin
41 P020 23 P0.20 GPIO
42 SWDCLK 25 SWDCLK Serial Wire Debug clock input
43 SWDIO 26 SWDIO Serial Wire Debug I/O
44 P022 27 P0.22 GPIO
45 GND Ground
46 P023 28 P0.23 GPIO
47 P024 29 P0.24 GPIO
BM832/BM832A Pin Functions

Bluetooth5 Module BM832/A/E Data SheetsVer 1.00 Sep. 2018
13
Mounting BM832 on the Host PCB
The following figure shows recommended mounting of BM832 module on the host PCB.
• For the best Bluetooth range performance, the antenna area of module shall extend 4.4 mm outside the
edge of host PCB board, or 4.4 mm outside the edge of a ground plane.
• The next choice is to place a module on a corner of host PCB, the antenna area shall extend 4.4 mm from
the edge of ground plane. Ground plane shall be at least 5 mm from the edge of the antenna area of
module.
• We don’t recommend mounting BM832 module in the middle of a host PCB.
For the best Bluetooth range performance, keep all external metal at least 30mm from the antenna area.

Bluetooth5 Module BM832/A/E Data SheetsVer 1.00 Sep. 2018
14
4. Bluetooth Range Measurements
Bluetooth range measurement hex codes can be downloaded from Bluetooth Range Measurements section
of this webpage.
http://www.fanstel.com/download-document/
Description of measurement site, measurement methods, and range raw data are available at:
https://www.fanstel.com/testreport/
Measurement Results
Bluetooth ranges are measured for antennas at two heights.
• 1.52 meters or 5 feet, the typical height of thermostat in the USA.
• 3.0 meters. It has 85% Fresnel zone clearance when transmitter and receiver are 400 meters away.
Multiple path interference caused by ground is low.
Antenna height, meters 3.0 1.52
BM832, BT832A Bluetooth range, meters 390 270
In actual application environments, Bluetooth range is much shorter because of radio frequency interference
and severe multiple path interference.
5. Evaluation Board
An evaluation board can be used to evaluate performance of module and to develop and test your firmware
before an application-specific host board is developed.
Nordic Development Environment
Nordic Semiconductor provides a complete range of hardware and software development tools for the nRF52 Series
devices. nRF52 DK board is recommended for firmware development. Document and Software development tools can be
downloaded by the following links.
Get started with Nordic chip and all online documents.
http://infocenter.nordicsemi.com/index.jsp?topic=/com.nordic.infocenter.nrf52/dita/nrf52/development/nrf52
_dev_kit.html&cp=1_1
Nordic SDK with many example projects.
https://developer.nordicsemi.com/nRF5_SDK/
Nordic development zone.
https://devzone.nordicsemi.com/tutorials/b/getting‐started/posts/development‐with‐gcc‐and‐eclipse
ProgrammingtheNordicchip
DownloadandinstallNrf5x‐Command‐LineTools
https://www.nordicsemi.com/eng/nordic/Products/nRF52840/nRF5x‐Command‐Line‐Tools‐Win32/58850
Download and install nRFgo Studio
https://www.nordicsemi.com/eng/Products/2.4GHz‐RF/nRFgo‐Studio/

Bluetooth5 Module BM832/A/E Data SheetsVer 1.00 Sep. 2018
15
nRF52DK
The nRF52 DK is a versatile single board development kit for Bluetooth® low energy, ANT and 2.4GHz
proprietary applications using the nRF52832 SoC. This kit supports development for the nRF52832
SoC.
It supports the standard Nordic Software Development Tool-chain using SES, Keil, IAR and GCC.
Program/Debug options on the kit is Segger J-Link OB.
Loading Firmware into Evaluation Board Through a Nordic DK
ProcedurestoconnectaNordicDKtoaFanstelnRF52moduleevaluationboard.
• ConnectNordicnRF52DKdebugouttoFanstelevaluationboarddebuginusingthe10‐pinflatcableasshown
below.
• ConnectNordicnRF52DKtoPC.
• ConnectaDCpowersourcetomicroorminiUSBportofevaluationboard.

Bluetooth5 Module BM832/A/E Data SheetsVer 1.00 Sep. 2018
16
Check COM Port Connection
After connecting nRF52DK and an nRF52 sensor/evaluation board, you can see You canJ-Link device and COM port on
the PC control panel Device Manager.
Starting Nordic nRFgo
OpennRFgoStudio.
1. ClickSegger682990549asintheexamplebelow.
2. Eraseallifneeded
3. BrowseforBootloaderandprogram.Afterprogrammingbootloader,youcanuseOTAforfirmware
update.
4. BrowsefortheSoftDeviceandprogram.
5. Browsefortheapplicationhexfileandprogram

Bluetooth5 Module BM832/A/E Data SheetsVer 1.00 Sep. 2018
17

Bluetooth5 Module BM832/A/E Data SheetsVer 1.00 Sep. 2018
18
Evaluation Board Schematic

Bluetooth5 Module BM832/A/E Data SheetsVer 1.00 Sep. 2018
19
Suggestion for Battery Power Application
Standby current consumption is important for battery-powered product. We suggest adding a 32.768 kHz
crystal and 2 capacitors as shown in the upper left corner of the evaluation board schematics. The 32MHz
main clock won’t be active at idle state to save power.
Two inductors required for DCDC converter are inside BM832 module. You can enable DCDC to
lower power consumption.
6. Miscellaneous
Soldering Temperature-Time Profile for Re-Flow Soldering
Maximum number of cycles for re-flow is 2. No opposite side re-flow is allowed due to module weight.
Cautions, Design Notes, and Installation Notes
Failure to follow the guidelines set forth in this document may result in degrading of the
product’sfunctions and damage to the product.
Design Notes
(1) Follow the conditions written in this specification, especially the control signals ofthis module.
(2) The supply voltage has to be free of AC ripple voltage (for example from a battery or a low noise
regulator output). For noisy supply voltages, provide a decoupling circuit (for example a ferrite in
series connection and a bypass capacitor to ground of at least 47uF directly at the module).
(3) This product should not be mechanically stressed when installed.
(4) Keep this product away from heat. Heat is the major cause of decreasing the life of these
products.

Bluetooth5 Module BM832/A/E Data SheetsVer 1.00 Sep. 2018
20
(5) Avoid assembly and use of the target equipment in conditions where the products' temperature
may exceed the maximum tolerance.
(6) The supply voltage should not be exceedingly high or reversed. It should not carry noise and/or
spikes.
(7) this product away from other high frequency circuits.
Notes on Antenna and PCB Layout
(1) Don’t use a module with internal antenna inside a metal case.
(2) For PCB layout:
• Avoid running any signal line below module whenever possible,
• No ground plane below antenna,
• If possible, cut-off the portion of main board PCB below antenna.
Installation Notes
(1) Reflow soldering is possible twice based on the time-temperature profile in this data sheets.Set up
the temperature at the soldering portion of this product according to this reflow profile.
(2) Carefully position the products so that their heat will not burn into printed circuitboards or affect the
other components that are susceptible to heat.
(3) Carefully locate these products so that their temperatures will not increase due tothe effects of
heat generated by neighboring components.
(4) If a vinyl-covered wire comes into contact with the products, then the cover will melt and generate
toxic gas, damaging the insulation. Never allow contact between the cover and these products to
occur.
(5) This product should not be mechanically stressed or vibrated when reflowed.
(6) If you want to repair your board by hand soldering, please keep the conditions of this chapter.
(7) Do not wash this product.
(8) Refer to the recommended pattern when designing a board.
(9) Pressing on parts of the metal cover or fastening objects to the metal will cause damage to the
unit.
(10) For more details on LGA (Land Grid Array) soldering processes refer to the application note.
Usage Condition Notes
(1)Take measures to protect the unit against static electricity. If pulses or other transient loads (a
large load applied in a short time) are applied to the products, check and evaluate their operation
before assembly on the final products.
(2)Do not use dropped products.
(3)Do not touch, damage or soil the pins.
(4) Follow the recommended condition ratings about the power supply applied to thisproduct.
(5)Electrode peeling strength: Do not add pressure of more than 4.9N when soldered on PCB
(6) Pressing on parts of the metal cover or fastening objects to the metal cover will cause damage.

Bluetooth5 Module BM832/A/E Data SheetsVer 1.00 Sep. 2018
21
(7) These products are intended for general purpose and standard use in general electronic
equipment, such as home appliances, office equipment, informationand communication equipment.
Storage Notes
(1)The module should not be stressed mechanically during storage.
(2)Do not store these products in the following conditions or the performancecharacteristics of the
product, such as RF performance will be adverselyaffected:
• Storage in salty air or in an environment with a high concentration of corrosive gas.
• Storage in direct sunlight
• Storage in an environment where the temperature may be outside the range specified.
• Storage of the products for more than one year after the date of delivery storage period.
(3) Keep this product away from water, poisonous gas and corrosive gas.
(4) This product should not be stressed or shocked when transported.
(5) Follow the specification when stacking packed crates (max. 10).
Safety Conditions
These specifications are intended to preserve the quality assurance of products and individual
components. Before use, check and evaluate the operation when mounted on your products. Abide by
these specifications, without deviation when using the products. These products may short-circuit. If
electrical shocks, smoke, fire, and/or accidents involving human life are anticipated when a short
circuit occurs, then provide the following failsafe functions, as a minimum.
(1)Ensure the safety of the whole system by installing a protection circuit and a protection device.
(2)Ensure the safety of the whole system by installing a redundant circuit or anothersystem to prevent
a dual fault causing an unsafe status.
Other Cautions
(1)This specification sheet is copyrighted. Reproduction of this data sheets is permissible only if
reproduction is without alteration and is accompanied by all associated warranties, conditions,
limitations, and notices.
(2)Do not use the products for other purposes than those listed.
(3)Be sure to provide an appropriate failsafe function on your product to prevent anadditional damage
that may be caused by the abnormal function or the failure of the product.
(4)This product has been manufactured without any ozone chemical controlled under the Montreal
Protocol.
(5)These products are not intended for other uses, other than under the special conditions shown
below. Before using these products under such special conditions, check their performance and
reliability under the said special conditions carefully to determine whether or not they can be used
in such a manner.
• In liquid, such as water, salt water, oil, alkali, or organic solvent, or in places where liquid may
splash.

Bluetooth5 Module BM832/A/E Data SheetsVer 1.00 Sep. 2018
22
• In direct sunlight, outdoors, or in a dusty environment
• In an environment where condensation occurs.
• In an environment with a high concentration of harmful gas.
(6) If an abnormal voltage is applied due to a problem occurring in other componentsor circuits,
replace these products with new products because they may not beable to provide normal
performance even if their electronic characteristics and appearances appear satisfactory.
(7) When you have any question or uncertainty, contact Fanstel.
Packaging
Production modules are delivered in reel, 1000 modules in each reel.
FCC LABEL
The Original Equipment Manufacturer (OEM) must ensure that the OEM modular transmitter must be labeled
with its own FCC ID number. This includes a clearly visible label on the outside of the final product enclosure
that displays the contents shown below. If the FCC ID is not visible when the equipment is installed inside
another device, then the outside of the device into which the equipment is installed must also display a label
referring to the enclosed equipment
The end product with this module may subject to perform FCC part 15 unintentional emission test requirement
and be properly authorized.
This device is intended for OEM integrator only.

Bluetooth5 Module BM832/A/E Data SheetsVer 1.00 Sep. 2018
23
Revision History
• June 2018, Ver. 0.50: The first draft copy
• August 2018, Ver. 0.60, The second draft copy
• September 2018, Initial release.

Bluetooth5 Module BM832/A/E Data SheetsVer 1.00 Sep. 2018
24
Contact Us
United States:
Fanstel Corp.
7466 E. Monte Ctisto Ave. Scottsdale AZ 85260
Tel. 1 480-948-4928
Fax. 1-480-948-5459
Email: module@fanstel.com
Website: www.fanstel.com
Taiwan:
Fanstel Corp.
10F-10, 79 Xintai Wu Road
Xizhu, New Taipei City, Taiwan 22101
泛世公司
臺灣省新北市汐止區新臺五路 79 號10 樓之 10, 22101
Tel. 886-2-2698-9328
Fax. 886-2-2698-4813
Email: tp@fanstel.com
Website: www.fanstel.com
China:
Fanstel Technologies Corp.
11 Jiale Street
Ping-Dih, Long-Gang, Shen Zhen, GD 518117
泛世康科技(深圳)有限公司
廣東省深圳市龍崗區坪地鎮佳樂街 11 號
Tel. 86-755-8409-0928
Fax. 86-755-8409-0973
QQ. 3076221086
Email: sz@fanstel.com
Website: www.fanstel.com

Bluetooth5 Module BM832/A/E Data SheetsVer 1.00 Sep. 2018
25
Federal Communications Commission (FCC) Statement
15.21
You are cautioned that changes or modifications not expressly approved by the part responsible for compliance
could void the user’s authority to operate the equipment.
15.105(b)
This equipment has been tested and found to comply with the limits for a Class B digital device, pursuant to part
15 of the FCC rules. These limits are designed to provide reasonable protection against harmful interference in a
residential installation. This equipment generates, uses and can radiate radio frequency energy and, if not
installed and used in accordance with the instructions, may cause harmful interference to radio communications.
However, there is no guarantee that interference will not occur in a particular installation. If this equipment does
cause harmful interference to radio or television reception, which can be determined by turning the equipment
off and on, the user is encouraged to try to correct the interference by one or more of the following measures:
-Reorient or relocate the receiving antenna.
-Increase the separation between the equipment and receiver.
-Connect the equipment into an outlet on a circuit different from that to which the receiver is connected.
-Consult the dealer or an experienced radio/TV technician for help.
This device complies with Part 15 of the FCC Rules. Operation is subject to the following two conditions:
1) this device may not cause harmful interference, and
2) this device must accept any interference received, including interference that may cause undesired operation
of the device.
FCC RF Radiation Exposure Statement
1) This Transmitter must not be co-located or operating in conjunction with any other antenna or transmitter.
2) This equipment complies with FCC RF radiation exposure limits set forth for an uncontrolled environment.
This equipment should be installed.
Note: The end product shall has the words “Contains Transmitter Module FCC ID: X8WBM832

Bluetooth5 Module BM832/A/E Data SheetsVer 1.00 Sep. 2018
26
Canada, Industry Canada (IC)
This Class B digital apparatus complies with Canadian ICES-003
Cet appareil numérique de classe B est conforme à la norme NMB-003.
This device complies with Industry Canada licence-exempt RSS standard(s). Operation is subject
to the following two conditions: (1) this device may not cause interference, and (2) this device
must accept any interference, including interference that may cause undesired operation of the
Le present appareil est conforme aux CNR d'Industrie Canada applicables auxappareils radio exempts de licence.L'exploitation est
autorisée aux deux conditions suivantes:
(1) l'appareil ne doit pas produire de brouillage, et
(2) l'utilisateur de l'appareil doit accepter tout brouillage adioélectrique subi, même si le brouillage est susceptible d'en compromettre
le fonctionnement.
Canada, avis d'Industry Canada (IC)
“Le présent appareil est conforme aux CNR d'Industrie Canada applicables aux appareils radio exempts de
licence. L'exploitation est autorisée aux deux conditions suivantes : (1) l'appareil ne doit pas produire de
brouillage, et (2) l'utilisateur de l'appareil doit accepter tout brouillage radioélectrique subi, même si le
brouillage est susceptible d'en compromettre le fonctionnement."
(Modular approval) End Product Labeling:
The final end product must be labeled in a visible area with the following: “Contains IC: 4100A-BM832”.
Caution: Exposure to Radio Frequency Radiation.
To comply with RSS 102 RF exposure compliance requirements
OEM statement
The Original Equipment Manufacturer (OEM) must ensure that the OEM modular transmitter must be labeled with its own FCC ID
number. This includes a clearly visible label on the outside of the final product enclosure that displays the contents shown below. If
the FCC ID is not visible when the equipment is installed inside another device, then the outside of the device into which the
equipment is installed must also display a label referring to the enclosed equipment
The end product with this module may subject to perform FCC part 15 unintentional emission test requirement and be properly
authorized.
This device is intended for OEM integrator only.