Fanstel Taipei BT832XE Bluetooth 5.0 Module User Manual BlueNor BT832X1 datasheets
Fanstel Corporation, Taipei Bluetooth 5.0 Module BlueNor BT832X1 datasheets
Users Manual

Bluetooth Low Energy (BLE) 5 Module BT832X1Ver1.04Apr2018
1
BluNor BT832X1 is a powerful, highly flexible, Bluetooth Low Energy (BLE) using Nordic nRF52832 SoC. With
an ARMCortexTM M4F MCU, available 512KB flash, 64KB RAM, embedded 2.4GHz multi-protocol transceiver,
power amplifier, and an integrated PCB trace antenna. It allows faster time to market with reduced
development cost.
For applications needing limited number of IO pins, prototyping and production are easier using 16 castellated
pins. Additional 24 LGA (Land Grid Array) pins provide access to 29 GPIOs of nRF52832.
Bluetooth 5 specifications allow reducing bandwidth to achieve up to 4X range while maintaining similar power
requirements. BT832X1s achieve longer range by superior antenna circuit and an external power amplifier, not
by reducing bandwidth.
Specifications:
Nordic nRF52832 with ARM Cortex M4F.
Complete RF solution with integrated antenna
Integrated DC-DC converter
Serial Wire Debug (SWD)
Nordic SoftDevice Ready
Over-the-Air (OTA) firmware update
Flash/RAM: 512KB/64KB
29 GPIO pins
12 bit/200KSPS ADC
3 SPI Master/Slave (8Mbps)
Low power comparator
Two 2-wire Master/Slave (I2C compatible)
I2S audio interface
UART (with CTS/RTS and DMA)
20 channel CPU independent Programmable
Peripheral Interconnect (PPI).
Quadrature Demodulator (QDEC)
128-bit AES HW encryption
5 x 32 bits, 3 x 24 bits Real Time Counters
(RTC)
NFC-A tag interface for OOB pairing
Receiver Sensitivity: -96 dBm
TX power: +20 dBm
Sizes: 15.0x28.0x1.9mm
Hybrid pins: 16 castellated and 24 LGA.
Integrated high performance PCB trace
antenna with a power amplifier
Operation voltage: 1.8V to 3.6V
Operation temperature: -40°C to +85°C
Applications
IoT (Internet of Things)
Beacons/Proximity
Fitness/Sports
Smart toys
Connected appliances
Lighting products
Sensors
Home and building automation
Long range equipment tracking
Drone remote control
Video and audio transmission

Bluetooth Low Energy (BLE) 5 Module BT832X1Ver1.04Apr2018
2
ModelSummaries
module BT832X1 BT832XE1
SoC nRF52832-QFAA nRF52832-QFAA
Flash/RAM 512KB/64KB 512KB/64KB
BT Antenna PCB trace u.FL
Range at 1Mbps 1250 meters
FCC ID Pending Pending
Canada IC ID Pending Pending
Availability Sample, Production in May 2018

Bluetooth Low Energy (BLE) 5 Module BT832X1Ver1.04Apr2018
3
Table Of Contents
1. Introduction .................................................................................................................................................... 4
2. Codes Development Using Nordic Tools ...................................................................................................... 4
Easy, fast and safe code development ............................................................................................................... 4
Over-The-Air DFU ................................................................................................................................................ 5
SoftDevices .......................................................................................................................................................... 5
Development Tools .............................................................................................................................................. 5
3. Product Overview ........................................................................................................................................... 6
Block Diagram ...................................................................................................................................................... 6
Mechanical Drawings ........................................................................................................................................... 9
Pin Assignments of BT832X1 .............................................................................................................................. 9
Host PCB Layout Guidelines ............................................................................................................................. 11
Mounting BT832X1 on the Host PCB ................................................................................................................ 12
Control Skyworks Power Amplifier .................................................................................................................... 13
4. AT Commands ............................................................................................................................................. 16
Brief description of AT commands ..................................................................................................................... 16
Command mode ................................................................................................................................................. 16
Data Mode .......................................................................................................................................................... 18
Communicating with a PC ................................................................................................................................. 18
5. Evaluation Boards and Reference Designs ................................................................................................ 19
Schematics and Gerber Files ............................................................................................................................ 19
Evaluation Board EV BT832X1 V4 Schematics ................................................................................................ 20
6. Miscellaneous .............................................................................................................................................. 21
Soldering Temperature-Time Profile for Re-Flow Soldering ............................................................................. 21
Cautions, Design Notes, and Installation Notes ................................................................................................ 21
Packaging ........................................................................................................................................................... 24
FCC Label .......................................................................................................................................................... 24
7. Contact Us ................................................................................................................................................... 25

Bluetooth Low Energy (BLE) 5 Module BT832X1Ver1.04Apr2018
4
1. Introduction
BluNor BT832X1 is powerful, highly flexible, ultra low power Bluetooth Low Energy (BLE) modules using Nordic
nRF52832 SoCs. With an ARMCortex
TM
M4F MCU, available 512KB flash, 64KB RAM, embedded 2.4GHz
multi-protocol transceiver, power amplifier, and an integrated antenna, it allows faster time to market with
reduced development cost.
The following is a block diagram of BT832X1. Antenna circuit and main clock are integrated. All 32 GPIOs of
nRF52832 can be accessed from main board. For lower power consumption at idle state, an optional 32.768
kHz crystal can be on board. Connection to an external NFC (Near Field Communication) antenna is provided.
2. Codes Development Using Nordic Tools
Development tools by Nordic and other third party development tools recommended by Nordic should be
used .
Easy, fast and safe code development
Nordic development environment for nRF52832 offers a clean separation between application code
development and embedded protocol stacks. This means compile, link and run time dependencies with the
embedded stack and associated debugging challenges are removed. The Bluetooth low energy and ANT stack
is a pre-compiled binary, leaving application code to be compiled stand-alone. The embedded stack interface
uses an asynchronous and event driven model removing the need for RTOS frameworks.

Bluetooth Low Energy (BLE) 5 Module BT832X1Ver1.04Apr2018
5
Over-The-Air DFU
The nRF52832 is supported by an Over-The-Air Device Firmware Upgrade (OTA DFU) feature. This allows for
in the field updates of application software and SoftDevice.
SoftDevices
The Nordic protocol stacks are known as SoftDevices and complement the nRF52 Series SoCs. All nRF52
Series are programmable with software stacks from Nordic. This bring maximum flexibility to application
development and allows the latest stack version to be programmed into the SoC.
SoftDevices available from Nordic:
S132: Bluetooth low energy concurrent central/peripheral/observer/broadcaster stack.
Development Tools
Nordic Semiconductor provides a complete range of hardware and software development tools for the
nRF52 Series devices. nRF52 DK board is recommended for firmware development.
Nordic software development tools can be downloaded from the following webpage.
http://infocenter.nordicsemi.com/index.jsp?topic=/com.nordic.infocenter.nrf52/dita/nrf52/development/nrf5
2_dev_kit.html&cp=1_1

Bluetooth Low Energy (BLE) 5 Module BT832X1Ver1.04Apr2018
6
3. Product Overview
Brief description of nRF52832 SoC is provided. For full description of the SoC, please download from Nordic
Semiconductor website.
https://www.nordicsemi.com/eng/Products/Bluetooth-low-energy
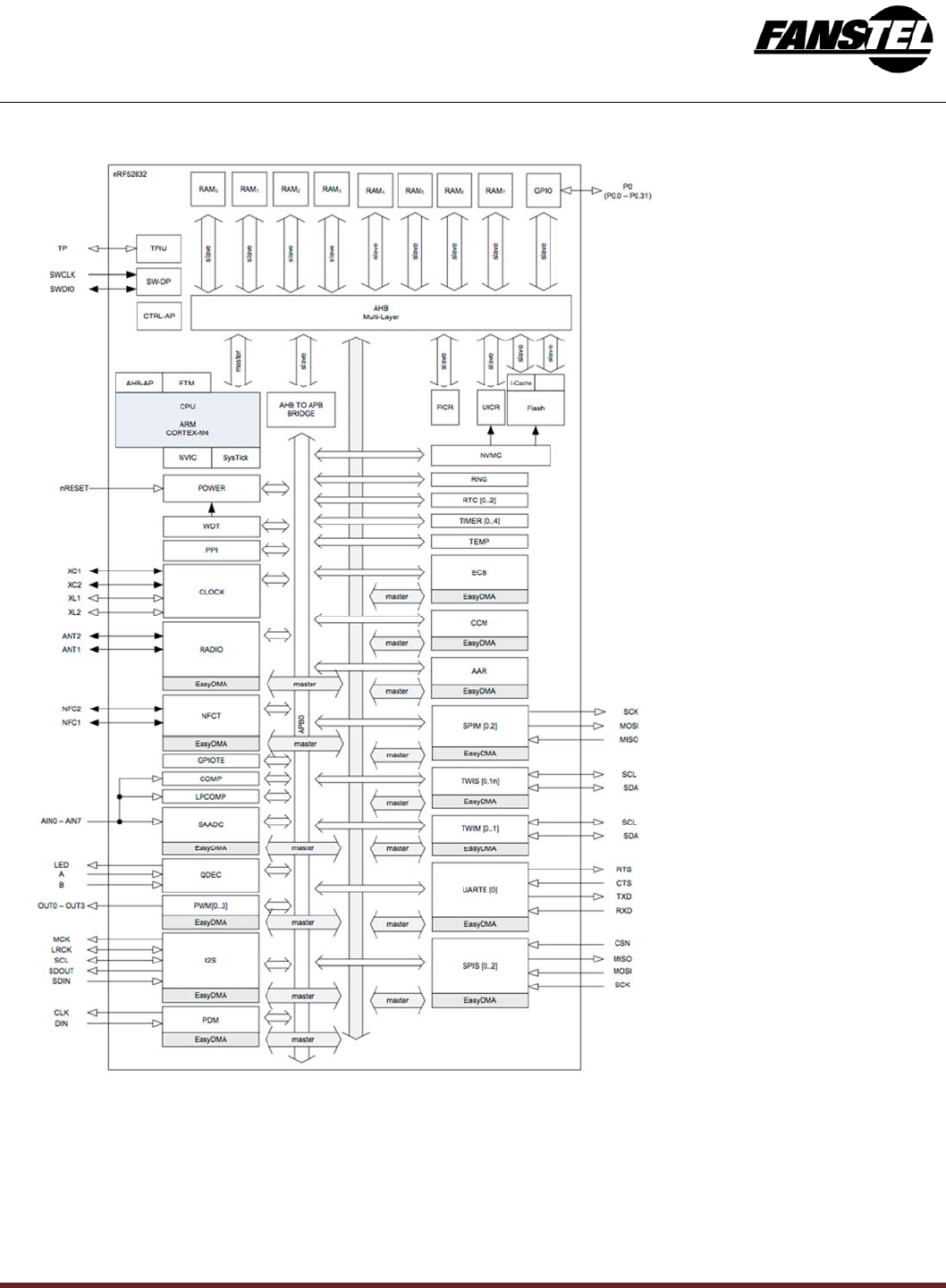
Block Diagram

Bluetooth Low Energy (BLE) 5 Module BT832X1Ver1.04Apr2018
7
The following is a block diagram of Nordic nRF52832 Bluetooth Low Energy (BLE) SoC.
The 32 bit ARM Cortex M4F MCU with hardware supports for DSP instructions and floating point operations,
code density and execution speed are higher than other Cortex M MCU. The Programmable Peripheral
Interconnect (PPI) system provides a 20-channel bus for direct and autonomous system peripheral
communication without CPU intervention. This brings predictable latency times for peripheral to peripheral

Bluetooth Low Energy (BLE) 5 Module BT832X1Ver1.04Apr2018
8
interaction and power saving benefits associated with leaving CPU idle. The device has 2 global power modes
ON/OFF, but all system blocks and peripherals have individual power management control which allows for an
automatic switching RUN/IDLE for system blocks based only on those required/not required to achieve
particular tasks.
The radio supports Bluetooth low energy. Output power is scalable from a maximum of +20dBm down to -4
dBm in 4dB steps.

Bluetooth Low Energy (BLE) 5 Module BT832X1Ver1.04Apr2018
9
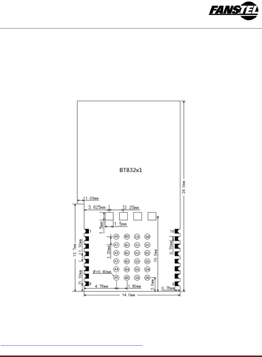
Mechanical Drawings
The followings are mechanical drawings of BT832X1. Two types of pins are available to meet different
application requirements.
• 16 castellated pins for application needing limited number of IOs. SMT equipment is not required for
soldering castellated pins.
• 24 LGA (Land Grid Array) pins to access 29 GPIOs of nRF52832 when needed. 3 GPIO pins are used
to control SKY66112 power amplifier.
BT832X1 Mechanical drawing
Pin Assignments of BT832X1
The followings are BT832X1 pin assignment. Pin functions are in a table in next section. Please refer to Nordic
nRF52832 Product Specifications for detailed descriptions and features supported.
http://infocenter.nordicsemi.com/pdf/nRF52832_PS_v1.1.pdf

Bluetooth Low Energy (BLE) 5 Module BT832X1Ver1.04Apr2018
10
BT832X1 nRF52832
pin# pin name pin# pin name Descriptions
1 P26/SDA 38 P0.26 GPIO, configured as I2C SDA on EV-BT832
2 P27/SCL 39 P0.27 GPIO, configured as I2C SCL on EV-BT832
3 NC 2P0.00/XL1 32.768kHz crystal on module
4 NC 3P0.01/XL2 32.768kHz crystal on module
5 P02/AIN0 4P0.02/AIN0 GPIO, Analog input
6 P03/AIN1 5P0.03/AIN1 GPIO, Analog input
7 P09/NFC1 11 P0.09/NFC1 GPIO, NFC antenna connection
8 P10/NFC2 12 P0.10/NFC2 GPIO, NFC antenna connection
9 VDD 13 VDD DC supply 1.7V to 3.6V
10 GND 45 VSS Ground
11 P13 16 P0.13 GPIO
12 P18 21 P0.18 GPIO
13 P20 23 P0.20 GPIO
14 P021/RESET 24 P0.21/RESET GPIO, configurable as RESET pin
15 SWDCLK 25 SWDCLK Serial Wire Debug clock input
16 SWDIO 26 SWDIO Serial Wire Debug I/O
A0 GND 45 VSS Ground
A1 P28 40 P0.28/AIN4 GPIO, Analog input
A2 P29 41 P0.29/AIN5 GPIO, Analog input
A3 P04 6P0.04/AIN2 GPIO, Analog input
A4 P05 7P0.05/AIN3 GPIO, Analog input
A5 P07 9P0.07 GPIO
B0 GND 45 VSS Ground
B1 P25 37 P0.25 GPIO
B2 P30 42 P0.30/AIN6 GPIO, Analog input
B3 P31 43 P0.31/AIN7 GPIO, Analog input
B4 NC 8P0.06 No Connect, used for SKY66112 on module
B5 P08 10 P0.08 GPIO
C0 GND 45 VSS Ground
C1 P24 29 P0.24 GPIO
C2 P22 27 P0.22 GPIO
C3 NC 20 P0.17 No Connect, used for SKY66112 on module
C4 P15 18 P0.15 GPIO
C5 P12 15 P0.12 GPIO
D0 GND 45 VSS Ground
D1 P23 28 P0.23 GPIO
D2 NC 22 P0.19 No Connect, used for SKY66112 on module

Bluetooth Low Energy (BLE) 5 Module BT832X1Ver1.04Apr2018
11
D3
P16
19 P0.16
GPIO
D4
P14
17 P0.14
GPIO
D5
P11
14 P0.11
GPIO
F0
GND
Ground
F1
GND
Ground
F2
GND
Ground
F3
GND
Ground
Pin Functions
Host PCB Layout Guidelines
For the best Bluetooth range performance, we recommend using library component extracted from EV BT840F
V3 Gerber files. It can be downloaded from http://www.fanstel.com/download-document/.
• There are 21 additional BT840F pins not used by BT832X1. These pins are in solid dark color below.
• As much ground plane under BT832X1, on top side of host PCB as possible. Use EV BT840F/EV
BT832X1 Gerber files as an example.
• We recommend 4 or more layers for the host PCB. The top side shall be mostly ground. Signal routing
shall be in the middle layers.

Bluetooth Low Energy (BLE) 5 Module BT832X1Ver1.04Apr2018
12
Mounting BT832X1 on the Host PCB
The following figure shows recommended mounting of BT832X1 module on the host PCB.
• For the best Bluetooth range performance, the antenna area of module shall extend 11.2 mm outside the
edge of host PCB board, or 11.2 mm outside the edge of a ground plane.
• Except required for pin connection, ground plane to cover top layer of main board. We recommend multiple
layers main board avoiding routing on the top layer.
For the best Bluetooth range performance, keep all external metal away from the antenna area.

Bluetooth Low Energy (BLE) 5 Module BT832X1Ver1.04Apr2018
13
Control Skyworks Power Amplifier
BT832X1 uses SKYWORKS SKY66112-11 power amplifier. The connection diagram with control signal pins is
below.
A firmware configuration example to control Skyworks SKY66112 power amplifier is below. This firmware file,
SKY66112_PAconfig.txt can be downloaded from http://www.fanstel.com/download-document/.
//PCA10040.h
//set the clock
#define NRF_CLOCK_LFCLKSRC {.source = NRF_CLOCK_LF_SRC_SYNTH, \
.rc_ctiv = 0, \
.rc_temp_ctiv = 0, \
.xtal_accuracy = NRF_CLOCK_LF_XTAL_ACCURACY_250_PPM}

Bluetooth Low Energy (BLE) 5 Module BT832X1Ver1.04Apr2018
14
//main.c
//config the PA/LNA
#ifdef APP_PA_LAN
#define APP_PA_PIN 17
#define APP_LNA_PIN 19
#define APP_CPS_PIN 6
#define APP_AMP_PPI_CH_ID_SET 0
#define APP_AMP_PPI_CH_ID_CLR 1
#define APP_AMP_GPIOTE_CH_ID 0
static void pa_lna_setup(void)
{
uint32_t err_code;
nrf_gpio_cfg_output(APP_CPS_PIN);
nrf_gpio_pin_clear(APP_CPS_PIN); //enable
nrf_gpio_cfg_output(APP_PA_PIN);
nrf_gpio_pin_clear(APP_PA_PIN); //
nrf_gpio_cfg_output(APP_LNA_PIN);
nrf_gpio_pin_clear(APP_LNA_PIN); //
staticble_opt_tpa_lna_opts = {
.common_opt = {
.pa_lna = {

Bluetooth Low Energy (BLE) 5 Module BT832X1Ver1.04Apr2018
15
.pa_cfg = {
.enable = 1,
.active_high = 1,
.gpio_pin = APP_PA_PIN
},
.lna_cfg = {
.enable = 1,
.active_high = 1,
.gpio_pin = APP_LNA_PIN
},
.ppi_ch_id_set = APP_AMP_PPI_CH_ID_SET,
.ppi_ch_id_clr = APP_AMP_PPI_CH_ID_CLR,
.gpiote_ch_id = APP_AMP_GPIOTE_CH_ID
}
}
};
NRF_GPIO->DIRSET |= (1 << APP_PA_PIN) | (1 << APP_LNA_PIN) ;
err_code = sd_ble_opt_set(BLE_COMMON_OPT_PA_LNA, &pa_lna_opts);
APP_ERROR_CHECK(err_code);
}
#endif

Bluetooth Low Energy (BLE) 5 Module BT832X1Ver1.04Apr2018
16
4. AT Commands
BT832X1 module is available with firmware supporting AT commands. Part number is BT832X1-AT.
Brief description of AT commands
Each command line consists of a prefix, a body and a terminator.
All command lines begin with the prefix AT (ASCII 065, 084) or at (ASCII 097, 116).
The body is a string of characters in the ASCII range 032-255. Control characters other than <CR>
(carriage return; ASCII 013) and <BS> (back space; ASCII 008) in a command line are ignored.
The terminator is <CR>.
There is no distinction between upper-case and lower-case characters. A command line can have a
maximum length of 80 characters. It is automatically discarded if the input is longer. Corrections are
made
AT command is case-insensitive, following /r/n for end code.
The default baud rate is 9600 one stop bit and no parity
Command mode
When P0.03 of nRF52832 (pin 6 of BT832X1) is pulled high, it is set to AT command mode. In AT command
mode, the host processor communicates with the processor on BT832X1.
Command Response Parameter example
AT OK or FAIL none AT/r/n
OK/r/n
AT+RESET OK or FAIL none
AT+RESET/r/n
OK/r/n
AT+VERSION?
+VERSION:<param> Software
version
number
AT+VERSION?/r/n
OK +VERSION140804
OK/r/n
AT+NAME? +NAME:<param> OK Device
name
AT+NAME?/r/n
+NAME:EZPro OK/r/n
AT+NAME=<param> OK or FAIL Device
name
AT+NAME=Fanstel/r/n
Or
AT_Name=”Fanstel”/r/n
OK/r/n
AT+UART? +UART:<param>,<param2>,<param3> Baud rate, AT+UART?/r/n

Bluetooth Low Energy (BLE) 5 Module BT832X1Ver1.04Apr2018
17
OK Stop bit, +UART:115200,1,0
Parity OK/r/n
AT+UART=<parm> +UART:<parm> Baud rate
AT+UART=115200/r/n
+UART:115200,1,0
OK/r/n
1200
2400
4800
9600 default
19200
38400
57600
115200
230400
460800
921600
1000000
AT+ADDR? +ADDR:<param> OK
Device
MAC
address
AT+ADDR?/r/n
+ADDR:abb5:cd:604ace
OK/r/n
AT+REGISTER OK or FAIL none
AT+REGISTER/r/n
OK/r/n
AT+QUITREGISTER OK or FAIL none AT+QUITREGISTER/r/n
OK/r/n
AT+RX?
+Name:<parm>
none
AT+RX?/r/n
+UART:<parm> +NAME:EZPro/r/n
+ADDR:<parm> +UART:115200,1,1/r/n
+ADDR:abb5:cd:604ace
/r/n
AT+DEFAULT OK or FAIL none
AT+DEFAULT/r/n
OK/r/n
AT_RFPW? +RFPW:parm +4~-8 AT+RFPW?/r/n
+RFPW:-4 OK/r/n

Bluetooth Low Energy (BLE) 5 Module BT832X1Ver1.04Apr2018
18
0:+4
1:+0 default
2:-4
3:-8
AT_RFPW=<parm> OK or FAIL +4~-8
AT+RFPW= 1/r/n
OK/r/n
0:+4
1:+0
2:-4
3:-8
AT+PIO=<param><param1> OK or FAIL
P00-P05 AT+PIO=05, 0\r\n
1=High ,0=l
ow OK/r/n
AT+PIS=<param><param1> OK or FAIL
P00-P05 AT+PIS=05, 1\r\n
1=output,
0=input OK/r/n
Data Mode
When P0.03 of nRF52832 (pin 6 of BT832X1) is pulled low, it is set to data mode. In data model, BT832X1
provides transparent data transfer between the host processor and a remote device, for example, a
smartphone.
Communicating with a PC
A quick and easy way to evaluate BT832X1 is to use a PC as the host processor. Connect the development
board EV-BT832X1 to a PC with an USB cable. Then,
Set S1, BT832X1 is set to command mode. PC will communicate with BT832X1.
Set switch S1 to the other position, BT832X1 is set to data mode. PC will communicate with a
remote device through BT832X1 Bluetooth wireless connection.
Docklight is a testing, analysis and simulation tool for serial communication protocols (RS232, RS485/422 and
others). It allows you to monitor the communication between two serial devices or to test the serial
communication of a single device. Docklight significantly increases productivity in a broad range of industries,
including automation and control, communications, automotive, equipment manufacturers, and embedded /
consumer products. Docklight is easy to use and runs on almost any standard PC using Windows 10, Windows
8, Windows 7, Windows Vista or Windows XP operating system.

Bluetooth Low Energy (BLE) 5 Module BT832X1Ver1.04Apr2018
19
Docklight software can be downloaded from the following:
http://www.docklight.de/download_en.htm
5. Evaluation Boards and Reference Designs
Schematics and Gerber Files
Evaluation board schematics and Gerber files can be downloaded from
http://www.fanstel.com/download-document/
Evaluation board can be used as a reference design for using modules. EV BT840F V3 is designed for the
BT840F soldering pads with 61 pins. When a BT832X1 is mounted on an EV BT840F, it becomes an EV
BT832X1. These 21 pins in solid dark color are not connected when a BT832X1 is mounted.
BT832X1 has the same soldering pad footprint as BT832 or BT832F. Library component for BT832 and
BT840F can be used. For the Bluetooth range performance, BT840F library component shall be used for your
BT832X1 design.

Bluetooth Low Energy (BLE) 5 Module BT832X1Ver1.04Apr2018
20
Evaluation Board EV BT832X1 V4Schematics
EV BT832X1 V4 evaluation board is developed for BT840F and BT832X1. It can be used for BT832 and
BT832F. Pins in solid color are used only for BT840F.
On EV BT832X1, SW5 must be set to OFF and use on-board 32.768 KHz clock. Around U1 BT840 (832) red
color pin functions are for BT840F and blue color pin functions are for BT832X1.
Additional feature enhancements for version V4 evaluation board:
1. It has the same foot print as Arduino Uno R3. Additional connectors are added for connection to extra GPIO
pins of BlueNor modules.
2. EV BT832X1 is not an UNO R3 compatible board. You can use Nordic develop tools to develop firmware for
many UNO R3 compatible shields.
3. SW5 must be set to OFF and use internal 32.768 kHz crystal or oscillator.
4. Portable smartphone charger can be used to power this board. The circuitry to the left of micro USB
connector, J16 produces periodic load to prevent portable smartphone charger from shutting down.

Bluetooth Low Energy (BLE) 5 Module BT832X1Ver1.04Apr2018
21
6.Miscellaneous
Soldering Temperature-Time Profile for Re-Flow Soldering
Maximum number of cycles for re-flow is 2. No opposite side re-flow is allowed due to module weight.
Cautions, Design Notes, and Installation Notes
Failure to follow the guidelines set forth in this document may result in degrading of the product’s
functions and damage to the product.
DesignNotes
(1) Follow the conditions written in this specification, especially the control signals of this module.
(2) The supply voltage has to be free of AC ripple voltage (for example from a battery or a low noise
regulator output). For noisy supply voltages, provide a decoupling circuit (for example a ferrite in
series connection and a bypass capacitor to ground of at least 47uF directly at the module).
(3) This product should not be mechanically stressed when installed.
(4) Keep this product away from heat. Heat is the major cause of decreasing the life of these
products.
(5) Avoid assembly and use of the target equipment in conditions where the products' temperature
may exceed the maximum tolerance.
(6) The supply voltage should not be exceedingly high or reversed. It should not carry noise and/or
spikes.

Bluetooth Low Energy (BLE) 5 Module BT832X1Ver1.04Apr2018
22
(7) this product away from other high frequency circuits.
NotesonAntennaandPCBLayout
(1) Don’t use a module with internal antenna inside a metal case.
(2) For PCB layout:
• Avoid running any signal line below module whenever possible,
• No ground plane below antenna,
• If possible, cut-off the portion of main board PCB below antenna.
Installation Notes
(1) Reflow soldering is possible twice based on the time-temperature profile in this data sheets. Set up
the temperature at the soldering portion of this product according to this reflow profile.
(2) Carefully position the products so that their heat will not burn into printed circuit boards or affect
the other components that are susceptible to heat.
(3) Carefully locate these products so that their temperatures will not increase due to the effects of
heat generated by neighboring components.
(4) If a vinyl-covered wire comes into contact with the products, then the cover will melt and generate
toxic gas, damaging the insulation. Never allow contact between the cover and these products to
occur.
(5) This product should not be mechanically stressed or vibrated when reflowed.
(6) If you want to repair your board by hand soldering, please keep the conditions of this chapter.
(7) Do not wash this product.
(8) Refer to the recommended pattern when designing a board.
(9) Pressing on parts of the metal cover or fastening objects to the metal will cause damage to the
unit.
(10) For more details on LGA (Land Grid Array) soldering processes refer to the application note.
UsageConditionNotes
(1) Take measures to protect the unit against static electricity. If pulses or other transient loads (a
large load applied in a short time) are applied to the products, check and evaluate their operation
before assembly on the final products.
(2) Do not use dropped products.
(3) Do not touch, damage or soil the pins.
(4) Follow the recommended condition ratings about the power supply applied to this product.
(5) Electrode peeling strength: Do not add pressure of more than 4.9N when soldered on PCB

Bluetooth Low Energy (BLE) 5 Module BT832X1Ver1.04Apr2018
23
(6) Pressing on parts of the metal cover or fastening objects to the metal cover will cause
damage.
(7) These products are intended for general purpose and standard use in general electronic
equipment, such as home appliances, office equipment, information and communication
equipment.
Storage Notes
(1) The module should not be stressed mechanically during storage.
(2) Do not store these products in the following conditions or the performance characteristics of
the product, such as RF performance will be adversely affected:
• Storage in salty air or in an environment with a high concentration of corrosive gas.
• Storage in direct sunlight
• Storage in an environment where the temperature may be outside the range specified.
• Storage of the products for more than one year after the date of delivery storage period.
(3) Keep this product away from water, poisonous gas and corrosive gas.
(4) This product should not be stressed or shocked when transported.
(5) Follow the specification when stacking packed crates (max. 10).
Safety Conditions
These specifications are intended to preserve the quality assurance of products and individual
components. Before use, check and evaluate the operation when mounted on your products. Abide by
these specifications, without deviation when using the products. These products may short-circuit. If
electrical shocks, smoke, fire, and/or accidents involving human life are anticipated when a short
circuit occurs, then provide the following failsafe functions, as a minimum.
(1) Ensure the safety of the whole system by installing a protection circuit and a protection device.
(2) Ensure the safety of the whole system by installing a redundant circuit or another system to
prevent a dual fault causing an unsafe status.
Other Cautions
(1) This specification sheet is copyrighted. Reproduction of this data sheets is permissible only if
reproduction is without alteration and is accompanied by all associated warranties, conditions,
limitations, and notices.
(2) Do not use the products for other purposes than those listed.
(3) Be sure to provide an appropriate failsafe function on your product to prevent an additional
damage that may be caused by the abnormal function or the failure of the product.
(4) This product has been manufactured without any ozone chemical controlled under the
Montreal Protocol.

Bluetooth Low Energy (BLE) 5 Module BT832X1Ver1.04Apr2018
24
(5) These products are not intended for other uses, other than under the special conditions shown
below. Before using these products under such special conditions, check their performance and
reliability under the said special conditions carefully to determine whether or not they can be used
in such a manner.
• In liquid, such as water, salt water, oil, alkali, or organic solvent, or in places where liquid may
splash.
• In direct sunlight, outdoors, or in a dusty environment
• In an environment where condensation occurs.
• In an environment with a high concentration of harmful gas.
(6) If an abnormal voltage is applied due to a problem occurring in other components or circuits,
replace these products with new products because they may not be able to provide normal
performance even if their electronic characteristics and appearances appear satisfactory.
(7) When you have any question or uncertainty, contact Fanstel.
Packaging
Production modules are delivered in reel, 1000 modules in each reel.
FCC LABEL
The Original Equipment Manufacturer (OEM) must ensure that the OEM modular transmitter must be labeled
with its own FCC ID number. This includes a clearly visible label on the outside of the final product enclosure
that displays the contents shown below. If the FCC ID is not visible when the equipment is installed inside
another device, then the outside of the device into which the equipment is installed must also display a label
referring to the enclosed equipment
The end product with this module may subject to perform FCC part 15 unintentional emission test requirement
and be properly authorized.
This device is intended for OEM integrator only.

Bluetooth Low Energy (BLE) 5 Module BT832X1Ver1.04Apr2018
25
7.Contact Us
United States:
Fanstel Corp.
7466 E. Monte Ctisto Ave. Scottsdale AZ 85260
Tel. 1 480-948-4928
Fax. 1-480-948-5459
Email: module@fanstel.com
Website: www.fanstel.com
Taiwan:
Fanstel Corp.
10F-10, 79 Xintai Wu Road
Xizhu, New Taipei City, Taiwan 22101
泛世公司
臺灣省新北市汐止區新臺五路 79 號10 樓之 10, 22101
Tel. 886-2-2698-9328
Fax. 886-2-2698-4813
Email: tp@fanstel.com
Website: www.fanstel.com
China:
Fanstel Technologies Corp.
11 Jiale Street
Ping-Dih, Long-Gang, Shen Zhen, GD 518117
泛世康科技(深圳)有限公司
廣東省深圳市龍崗區坪地鎮佳樂街 11 號
Tel. 86-755-8409-0928
Fax. 86-755-8409-0973
QQ. 3076221086
Email: sz@fanstel.com
Website: www.fanstel.com

Bluetooth Low Energy (BLE) 5 Module BT832X1Ver1.04Apr2018
26
Federal Communications Commission (FCC) Statement
15.21
You are cautioned that changes or modifications not expressly approved by the part responsible for compliance
could void the user’s authority to operate the equipment.
15.105(b)
This equipment has been tested and found to comply with the limits for a Class B digital device, pursuant to part
15 of the FCC rules. These limits are designed to provide reasonable protection against harmful interference in a
residential installation. This equipment generates, uses and can radiate radio frequency energy and, if not
installed and used in accordance with the instructions, may cause harmful interference to radio communications.
However, there is no guarantee that interference will not occur in a particular installation. If this equipment does
cause harmful interference to radio or television reception, which can be determined by turning the equipment
off and on, the user is encouraged to try to correct the interference by one or more of the following measures:
-Reorient or relocate the receiving antenna.
-Increase the separation between the equipment and receiver.
-Connect the equipment into an outlet on a circuit different from that to which the receiver is connected.
-Consult the dealer or an experienced radio/TV technician for help.
This device complies with Part 15 of the FCC Rules. Operation is subject to the following two conditions:
1) this device may not cause harmful interference, and
2) this device must accept any interference received, including interference that may cause undesired operation
of the device.
FCC RF Radiation Exposure Statement
1) This Transmitter must not be co-located or operating in conjunction with any other antenna or transmitter.
2) This equipment complies with FCC RF radiation exposure limits set forth for an uncontrolled environment.
This equipment should be installed. This equipment should be installed and operated with a minimum distance
of 20 centimeters between the radiator and your body.
Note: The end product shall has the words “Contains Transmitter Module FCC ID: X8WBT832XE

Bluetooth Low Energy (BLE) 5 Module BT832X1Ver1.04Apr2018
27
Canada, Industry Canada (IC)
This Class B digital apparatus complies with Canadian ICES-003
Cet appareil numérique de classe B est conforme à la norme NMB-003.
This device complies with Industry Canada licence-exempt RSS standard(s).Operation is subject
to the following two conditions: (1) this device may not cause interference, and (2) this device
must accept any interference, including interference that may cause undesired operation of the
Le present appareil est conforme aux CNR d'Industrie Canada applicables auxappareils radio exempts de licence.L'exploitation est
autorisée aux deux conditions suivantes:
(1) l'appareil ne doit pas produire de brouillage, et
(2) l'utilisateur de l'appareil doit accepter tout brouillage adioélectrique subi, même si le brouillage est susceptible d'en compromettre
le fonctionnement.
Canada, avis d'Industry Canada (IC)
“Le présent appareil est conforme aux CNR d'Industrie Canada applicables aux appareils radio exempts de
licence. L'exploitation est autorisée aux deux conditions suivantes : (1) l'appareil ne doit pas produire de
brouillage, et (2) l'utilisateur de l'appareil doit accepter tout brouillage radioélectrique subi, même si le
brouillage est susceptible d'en compromettre le fonctionnement."
Déclaration d'exposition aux radiations:
Cet équipement est conforme aux limites d'exposition aux rayonnements ISEDétablies pour un environnement
non contrôlé. Cet équipement doit être installé et utilisé avec un minimum de 20 cm de distance entre la source
de rayonnement et votre corps.
(Modular approval) End Product Labeling:
The final end product must be labeled in a visible area with the following: “Contains IC: 4100A-BT832XE”.
Caution: Exposure to Radio Frequency Radiation.
To comply with RSS 102 RF exposure compliance requirements
OEMstatement
The Original Equipment Manufacturer (OEM) must ensure that the OEM modular transmitter must be labeled with its own FCC ID
number. This includes a clearly visible label on the outside of the final product enclosure that displays the contents shown below. If
the FCC ID is not visible when the equipment is installed inside another device, then the outside of the device into which the
equipment is installed must also display a label referring to the enclosed equipment
The end product with this module may subject to perform FCC part 15 unintentional emission test requirement and be properly
authorized.
This device is intended for OEM integrator only.